ΠΠ°ΠΊ ΡΠΎΠ±ΡΠ°ΡΡ ΡΠ°ΡΡΠΎΡΠΎΠΌΠ΅Ρ Π½Π° ΠΌΠΈΠΊΡΠΎΠΊΠΎΠ½ΡΡΠΎΠ»Π»Π΅ΡΠ΅ PIC16F628A ΠΈ LCD Π΄ΠΈΡΠΏΠ»Π΅Π΅. ΠΠ°ΠΊΠΈΠ΅ ΠΊΠΎΠΌΠΏΠΎΠ½Π΅Π½ΡΡ ΠΏΠΎΠ½Π°Π΄ΠΎΠ±ΡΡΡΡ Π΄Π»Ρ ΡΠ±ΠΎΡΠΊΠΈ. ΠΠ°ΠΊ ΡΠ°Π±ΠΎΡΠ°Π΅Ρ ΡΡ Π΅ΠΌΠ° ΡΠ°ΡΡΠΎΡΠΎΠΌΠ΅ΡΠ° Π½Π° PIC. ΠΠ°ΠΊ Π·Π°ΠΏΡΠΎΠ³ΡΠ°ΠΌΠΌΠΈΡΠΎΠ²Π°ΡΡ ΠΌΠΈΠΊΡΠΎΠΊΠΎΠ½ΡΡΠΎΠ»Π»Π΅Ρ ΠΈ Π½Π°ΡΡΡΠΎΠΈΡΡ ΡΡΡΡΠΎΠΉΡΡΠ²ΠΎ. ΠΠ° ΠΊΠ°ΠΊΠΎΠΉ ΠΌΠ°ΠΊΡΠΈΠΌΠ°Π»ΡΠ½ΠΎΠΉ ΡΠ°ΡΡΠΎΡΠ΅ ΡΠ°Π±ΠΎΡΠ°Π΅Ρ ΠΏΡΠΈΠ±ΠΎΡ.
ΠΡΠΈΠ½ΡΠΈΠΏ ΡΠ°Π±ΠΎΡΡ ΡΠ°ΡΡΠΎΡΠΎΠΌΠ΅ΡΠ° Π½Π° PIC16F628A
Π§Π°ΡΡΠΎΡΠΎΠΌΠ΅Ρ Π½Π° ΠΌΠΈΠΊΡΠΎΠΊΠΎΠ½ΡΡΠΎΠ»Π»Π΅ΡΠ΅ PIC16F628A ΠΈ LCD ΠΈΠ½Π΄ΠΈΠΊΠ°ΡΠΎΡΠ΅ ΠΏΡΠ΅Π΄ΡΡΠ°Π²Π»ΡΠ΅Ρ ΡΠΎΠ±ΠΎΠΉ ΠΏΡΠΎΡΡΠΎΠΉ, Π½ΠΎ ΡΡΠ½ΠΊΡΠΈΠΎΠ½Π°Π»ΡΠ½ΡΠΉ ΠΈΠ·ΠΌΠ΅ΡΠΈΡΠ΅Π»ΡΠ½ΡΠΉ ΠΏΡΠΈΠ±ΠΎΡ. ΠΡΠ½ΠΎΠ²Π½ΡΠ΅ ΠΊΠΎΠΌΠΏΠΎΠ½Π΅Π½ΡΡ ΡΡ Π΅ΠΌΡ:
- ΠΠΈΠΊΡΠΎΠΊΠΎΠ½ΡΡΠΎΠ»Π»Π΅Ρ PIC16F628A — Π²ΡΠΏΠΎΠ»Π½ΡΠ΅Ρ ΠΈΠ·ΠΌΠ΅ΡΠ΅Π½ΠΈΠ΅ ΡΠ°ΡΡΠΎΡΡ ΠΈ ΡΠΏΡΠ°Π²Π»Π΅Π½ΠΈΠ΅ LCD
- LCD ΠΈΠ½Π΄ΠΈΠΊΠ°ΡΠΎΡ — ΠΎΡΠΎΠ±ΡΠ°ΠΆΠ°Π΅Ρ ΠΈΠ·ΠΌΠ΅ΡΠ΅Π½Π½ΡΡ ΡΠ°ΡΡΠΎΡΡ
- ΠΡ ΠΎΠ΄Π½ΠΎΠΉ ΡΡΠΈΠ»ΠΈΡΠ΅Π»Ρ Π½Π° ΡΡΠ°Π½Π·ΠΈΡΡΠΎΡΠ°Ρ — ΡΠΎΡΠΌΠΈΡΡΠ΅Ρ ΠΏΡΡΠΌΠΎΡΠ³ΠΎΠ»ΡΠ½ΡΠ΅ ΠΈΠΌΠΏΡΠ»ΡΡΡ ΠΈΠ· Π²Ρ ΠΎΠ΄Π½ΠΎΠ³ΠΎ ΡΠΈΠ³Π½Π°Π»Π°
- ΠΠ²Π°ΡΡΠ΅Π²ΡΠΉ ΡΠ΅Π·ΠΎΠ½Π°ΡΠΎΡ 4 ΠΠΡ — Π·Π°Π΄Π°Π΅Ρ ΡΠ°ΠΊΡΠΎΠ²ΡΡ ΡΠ°ΡΡΠΎΡΡ Π΄Π»Ρ ΠΌΠΈΠΊΡΠΎΠΊΠΎΠ½ΡΡΠΎΠ»Π»Π΅ΡΠ°
ΠΠ°ΠΊ ΡΠ°Π±ΠΎΡΠ°Π΅Ρ ΡΠ°ΡΡΠΎΡΠΎΠΌΠ΅Ρ Π½Π° PIC16F628A:
- ΠΡ ΠΎΠ΄Π½ΠΎΠΉ ΡΠΈΠ³Π½Π°Π» ΠΏΠΎΡΡΡΠΏΠ°Π΅Ρ Π½Π° ΡΡΠΈΠ»ΠΈΡΠ΅Π»Ρ, ΠΊΠΎΡΠΎΡΡΠΉ ΠΏΡΠ΅ΠΎΠ±ΡΠ°Π·ΡΠ΅Ρ Π΅Π³ΠΎ Π² ΠΏΡΡΠΌΠΎΡΠ³ΠΎΠ»ΡΠ½ΡΠ΅ ΠΈΠΌΠΏΡΠ»ΡΡΡ
- ΠΠΌΠΏΡΠ»ΡΡΡ ΠΏΠΎΠ΄Π°ΡΡΡΡ Π½Π° Π²Ρ ΠΎΠ΄ ΡΡΠ΅ΡΡΠΈΠΊΠ° ΠΌΠΈΠΊΡΠΎΠΊΠΎΠ½ΡΡΠΎΠ»Π»Π΅ΡΠ°
- ΠΠΈΠΊΡΠΎΠΊΠΎΠ½ΡΡΠΎΠ»Π»Π΅Ρ ΠΏΠΎΠ΄ΡΡΠΈΡΡΠ²Π°Π΅Ρ ΠΊΠΎΠ»ΠΈΡΠ΅ΡΡΠ²ΠΎ ΠΈΠΌΠΏΡΠ»ΡΡΠΎΠ² Π·Π° ΠΎΠΏΡΠ΅Π΄Π΅Π»Π΅Π½Π½ΡΠΉ ΠΈΠ½ΡΠ΅ΡΠ²Π°Π» Π²ΡΠ΅ΠΌΠ΅Π½ΠΈ (ΠΎΠ±ΡΡΠ½ΠΎ 1 ΡΠ΅ΠΊΡΠ½Π΄Ρ)
- ΠΠΎΠ»ΡΡΠ΅Π½Π½ΠΎΠ΅ Π·Π½Π°ΡΠ΅Π½ΠΈΠ΅ ΠΏΠ΅ΡΠ΅ΡΡΠΈΡΡΠ²Π°Π΅ΡΡΡ Π² ΡΠ°ΡΡΠΎΡΡ
- Π Π΅Π·ΡΠ»ΡΡΠ°Ρ Π²ΡΠ²ΠΎΠ΄ΠΈΡΡΡ Π½Π° LCD ΠΈΠ½Π΄ΠΈΠΊΠ°ΡΠΎΡ
ΠΠ°ΠΊΡΠΈΠΌΠ°Π»ΡΠ½Π°Ρ ΠΈΠ·ΠΌΠ΅ΡΡΠ΅ΠΌΠ°Ρ ΡΠ°ΡΡΠΎΡΠ° ΠΎΠ³ΡΠ°Π½ΠΈΡΠ΅Π½Π° Π±ΡΡΡΡΠΎΠ΄Π΅ΠΉΡΡΠ²ΠΈΠ΅ΠΌ Π²Ρ ΠΎΠ΄Π½ΠΎΠ³ΠΎ ΠΊΠ°ΡΠΊΠ°Π΄Π° ΠΈ ΠΌΠΈΠΊΡΠΎΠΊΠΎΠ½ΡΡΠΎΠ»Π»Π΅ΡΠ° ΠΈ ΡΠΎΡΡΠ°Π²Π»ΡΠ΅Ρ ΠΎΠΊΠΎΠ»ΠΎ 40-50 ΠΠΡ. ΠΠ»Ρ ΠΈΠ·ΠΌΠ΅ΡΠ΅Π½ΠΈΡ Π±ΠΎΠ»Π΅Π΅ Π²ΡΡΠΎΠΊΠΈΡ ΡΠ°ΡΡΠΎΡ ΡΡΠ΅Π±ΡΠ΅ΡΡΡ Π²Π½Π΅ΡΠ½ΠΈΠΉ Π΄Π΅Π»ΠΈΡΠ΅Π»Ρ ΡΠ°ΡΡΠΎΡΡ.

Π‘Ρ Π΅ΠΌΠ° ΡΠ°ΡΡΠΎΡΠΎΠΌΠ΅ΡΠ° Π½Π° PIC16F628A ΠΈ LCD
Π Π°ΡΡΠΌΠΎΡΡΠΈΠΌ ΠΏΡΠΈΠ½ΡΠΈΠΏΠΈΠ°Π»ΡΠ½ΡΡ ΡΡ Π΅ΠΌΡ ΡΠ°ΡΡΠΎΡΠΎΠΌΠ΅ΡΠ° Π½Π° ΠΌΠΈΠΊΡΠΎΠΊΠΎΠ½ΡΡΠΎΠ»Π»Π΅ΡΠ΅ PIC16F628A:
«` «`ΠΡΠ½ΠΎΠ²Π½ΡΠ΅ ΡΠ»Π΅ΠΌΠ΅Π½ΡΡ ΡΡ Π΅ΠΌΡ:
- ΠΠΈΠΊΡΠΎΠΊΠΎΠ½ΡΡΠΎΠ»Π»Π΅Ρ PIC16F628A Π² ΡΠ΅Π½ΡΡΠ΅ ΡΡ Π΅ΠΌΡ
- LCD ΠΈΠ½Π΄ΠΈΠΊΠ°ΡΠΎΡ 16×2 ΡΠΈΠΌΠ²ΠΎΠ»ΠΎΠ² ΡΠΏΡΠ°Π²Π° Π²Π²Π΅ΡΡ Ρ
- ΠΡ ΠΎΠ΄Π½ΠΎΠΉ ΡΡΠΈΠ»ΠΈΡΠ΅Π»Ρ Π½Π° ΡΡΠ°Π½Π·ΠΈΡΡΠΎΡΠ°Ρ ΡΠ»Π΅Π²Π°
- ΠΠ²Π°ΡΡΠ΅Π²ΡΠΉ ΡΠ΅Π·ΠΎΠ½Π°ΡΠΎΡ 4 ΠΠΡ Π²Π½ΠΈΠ·Ρ
- ΠΡ ΠΎΠ΄Π½ΠΎΠΉ ΡΠ°Π·ΡΠ΅ΠΌ Π΄Π»Ρ ΠΏΠΎΠ΄ΠΊΠ»ΡΡΠ΅Π½ΠΈΡ ΠΈΠ·ΠΌΠ΅ΡΡΠ΅ΠΌΠΎΠ³ΠΎ ΡΠΈΠ³Π½Π°Π»Π°
ΠΡ ΠΎΠ΄Π½ΠΎΠΉ ΡΠΈΠ³Π½Π°Π» ΠΏΡΠΎΡ ΠΎΠ΄ΠΈΡ ΡΠ΅ΡΠ΅Π· ΡΡΠΈΠ»ΠΈΡΠ΅Π»Ρ ΠΈ ΠΏΠΎΡΡΡΠΏΠ°Π΅Ρ Π½Π° Π²ΡΠ²ΠΎΠ΄ RA4 ΠΌΠΈΠΊΡΠΎΠΊΠΎΠ½ΡΡΠΎΠ»Π»Π΅ΡΠ°. PIC16F628A ΠΏΠΎΠ΄ΡΡΠΈΡΡΠ²Π°Π΅Ρ ΠΈΠΌΠΏΡΠ»ΡΡΡ ΠΈ Π²ΡΠ²ΠΎΠ΄ΠΈΡ ΡΠ΅Π·ΡΠ»ΡΡΠ°Ρ Π½Π° LCD ΡΠ΅ΡΠ΅Π· ΡΠΈΠ½Ρ Π΄Π°Π½Π½ΡΡ . ΠΠ²Π°ΡΡ Π·Π°Π΄Π°Π΅Ρ ΡΠ°ΠΊΡΠΎΠ²ΡΡ ΡΠ°ΡΡΠΎΡΡ Π΄Π»Ρ ΡΡΠ°Π±ΠΈΠ»ΡΠ½ΠΎΠΉ ΡΠ°Π±ΠΎΡΡ ΠΠ.
ΠΠΎΠΌΠΏΠΎΠ½Π΅Π½ΡΡ Π΄Π»Ρ ΡΠ±ΠΎΡΠΊΠΈ ΡΠ°ΡΡΠΎΡΠΎΠΌΠ΅ΡΠ°
ΠΠ»Ρ ΡΠ±ΠΎΡΠΊΠΈ ΡΠ°ΡΡΠΎΡΠΎΠΌΠ΅ΡΠ° Π½Π° PIC16F628A ΠΏΠΎΡΡΠ΅Π±ΡΡΡΡΡ ΡΠ»Π΅Π΄ΡΡΡΠΈΠ΅ ΠΊΠΎΠΌΠΏΠΎΠ½Π΅Π½ΡΡ:
- ΠΠΈΠΊΡΠΎΠΊΠΎΠ½ΡΡΠΎΠ»Π»Π΅Ρ PIC16F628A
- LCD ΠΈΠ½Π΄ΠΈΠΊΠ°ΡΠΎΡ 16×2 ΡΠΈΠΌΠ²ΠΎΠ»ΠΎΠ²
- ΠΠ²Π°ΡΡΠ΅Π²ΡΠΉ ΡΠ΅Π·ΠΎΠ½Π°ΡΠΎΡ 4 ΠΠΡ
- Π’ΡΠ°Π½Π·ΠΈΡΡΠΎΡΡ ΠΠ’3102 (2 ΡΡ)
- Π Π΅Π·ΠΈΡΡΠΎΡΡ: 1 ΠΊΠΠΌ, 10 ΠΊΠΠΌ, 100 ΠΊΠΠΌ
- ΠΠΎΠ½Π΄Π΅Π½ΡΠ°ΡΠΎΡΡ: 22 ΠΏΠ€, 100 Π½Π€
- ΠΠΈΠΎΠ΄Ρ 1N4148 (2 ΡΡ)
- ΠΠ½ΠΎΠΏΠΊΠΈ (3 ΡΡ)
- Π Π°Π·ΡΠ΅ΠΌ BNC Π΄Π»Ρ Π²Ρ ΠΎΠ΄Π°
- ΠΠ΅ΡΠ°ΡΠ½Π°Ρ ΠΏΠ»Π°ΡΠ°, ΠΏΡΠΎΠ²ΠΎΠ΄Π°, ΠΊΠΎΡΠΏΡΡ
ΠΠΎΠ»ΡΡΠΈΠ½ΡΡΠ²ΠΎ ΠΊΠΎΠΌΠΏΠΎΠ½Π΅Π½ΡΠΎΠ² Π΄ΠΎΡΡΡΠΏΠ½Ρ Π² Π»ΡΠ±ΠΎΠΌ ΠΌΠ°Π³Π°Π·ΠΈΠ½Π΅ ΡΠ°Π΄ΠΈΠΎΠ΄Π΅ΡΠ°Π»Π΅ΠΉ. ΠΠΈΠΊΡΠΎΠΊΠΎΠ½ΡΡΠΎΠ»Π»Π΅Ρ ΠΌΠΎΠΆΠ½ΠΎ Π·Π°ΠΊΠ°Π·Π°ΡΡ ΡΠ΅ΡΠ΅Π· ΠΈΠ½ΡΠ΅ΡΠ½Π΅Ρ. ΠΠ΅ΡΠ°ΡΠ½ΡΡ ΠΏΠ»Π°ΡΡ ΠΌΠΎΠΆΠ½ΠΎ ΠΈΠ·Π³ΠΎΡΠΎΠ²ΠΈΡΡ ΡΠ°ΠΌΠΎΡΡΠΎΡΡΠ΅Π»ΡΠ½ΠΎ ΠΏΠΎ ΡΡ Π΅ΠΌΠ΅ ΠΈΠ»ΠΈ Π·Π°ΠΊΠ°Π·Π°ΡΡ Π² ΡΠΏΠ΅ΡΠΈΠ°Π»ΠΈΠ·ΠΈΡΠΎΠ²Π°Π½Π½ΠΎΠΉ ΠΌΠ°ΡΡΠ΅ΡΡΠΊΠΎΠΉ.

ΠΡΠΎΠ³ΡΠ°ΠΌΠΌΠΈΡΠΎΠ²Π°Π½ΠΈΠ΅ ΠΌΠΈΠΊΡΠΎΠΊΠΎΠ½ΡΡΠΎΠ»Π»Π΅ΡΠ° PIC16F628A
ΠΠ»Ρ ΡΠ°Π±ΠΎΡΡ ΡΠ°ΡΡΠΎΡΠΎΠΌΠ΅ΡΠ° ΠΌΠΈΠΊΡΠΎΠΊΠΎΠ½ΡΡΠΎΠ»Π»Π΅Ρ PIC16F628A Π½Π΅ΠΎΠ±Ρ ΠΎΠ΄ΠΈΠΌΠΎ Π·Π°ΠΏΡΠΎΠ³ΡΠ°ΠΌΠΌΠΈΡΠΎΠ²Π°ΡΡ. ΠΡΠΎΠ³ΡΠ°ΠΌΠΌΠ° Π²ΡΠΏΠΎΠ»Π½ΡΠ΅Ρ ΡΠ»Π΅Π΄ΡΡΡΠΈΠ΅ ΠΎΡΠ½ΠΎΠ²Π½ΡΠ΅ ΡΡΠ½ΠΊΡΠΈΠΈ:
- ΠΠ½ΠΈΡΠΈΠ°Π»ΠΈΠ·Π°ΡΠΈΡ ΠΏΠ΅ΡΠΈΡΠ΅ΡΠΈΠΈ ΠΈ LCD Π΄ΠΈΡΠΏΠ»Π΅Ρ
- ΠΠ°ΡΡΡΠΎΠΉΠΊΠ° ΡΠ°ΠΉΠΌΠ΅ΡΠ° Π΄Π»Ρ ΠΈΠ·ΠΌΠ΅ΡΠ΅Π½ΠΈΡ Π²ΡΠ΅ΠΌΠ΅Π½Π½ΡΡ ΠΈΠ½ΡΠ΅ΡΠ²Π°Π»ΠΎΠ²
- ΠΠΎΠ΄ΡΡΠ΅Ρ Π²Ρ ΠΎΠ΄Π½ΡΡ ΠΈΠΌΠΏΡΠ»ΡΡΠΎΠ²
- Π Π°ΡΡΠ΅Ρ ΡΠ°ΡΡΠΎΡΡ
- ΠΡΠ²ΠΎΠ΄ ΡΠ΅Π·ΡΠ»ΡΡΠ°ΡΠ° Π½Π° LCD
ΠΡΠΈΠΌΠ΅Ρ ΠΎΡΠ½ΠΎΠ²Π½ΠΎΠ³ΠΎ ΡΠΈΠΊΠ»Π° ΠΏΡΠΎΠ³ΡΠ°ΠΌΠΌΡ Π½Π° C Π΄Π»Ρ PIC16F628A:
«`c void main() { unsigned long pulses; float frequency; // ΠΠ½ΠΈΡΠΈΠ°Π»ΠΈΠ·Π°ΡΠΈΡ init_pic(); init_lcd(); while(1) { // ΠΠ·ΠΌΠ΅ΡΠ΅Π½ΠΈΠ΅ ΠΊΠΎΠ»ΠΈΡΠ΅ΡΡΠ²Π° ΠΈΠΌΠΏΡΠ»ΡΡΠΎΠ² Π·Π° 1 ΡΠ΅ΠΊΡΠ½Π΄Ρ start_timer(); pulses = count_pulses(); stop_timer(); // Π Π°ΡΡΠ΅Ρ ΡΠ°ΡΡΠΎΡΡ frequency = calculate_frequency(pulses); // ΠΡΠ²ΠΎΠ΄ Π½Π° LCD lcd_clear(); lcd_print(«Freq: «); lcd_print_float(frequency, 2); lcd_print(» Hz»); delay_ms(500); } } «`
Π‘Π±ΠΎΡΠΊΠ° ΠΈ Π½Π°ΡΡΡΠΎΠΉΠΊΠ° ΡΠ°ΡΡΠΎΡΠΎΠΌΠ΅ΡΠ°
ΠΡΠΎΡΠ΅ΡΡ ΡΠ±ΠΎΡΠΊΠΈ ΡΠ°ΡΡΠΎΡΠΎΠΌΠ΅ΡΠ° Π½Π° PIC16F628A Π²ΠΊΠ»ΡΡΠ°Π΅Ρ ΡΠ»Π΅Π΄ΡΡΡΠΈΠ΅ ΡΡΠ°ΠΏΡ:
- ΠΠ·Π³ΠΎΡΠΎΠ²Π»Π΅Π½ΠΈΠ΅ ΠΈΠ»ΠΈ Π·Π°ΠΊΠ°Π· ΠΏΠ΅ΡΠ°ΡΠ½ΠΎΠΉ ΠΏΠ»Π°ΡΡ ΠΏΠΎ ΡΡ Π΅ΠΌΠ΅
- ΠΠΎΠ½ΡΠ°ΠΆ ΠΊΠΎΠΌΠΏΠΎΠ½Π΅Π½ΡΠΎΠ² Π½Π° ΠΏΠ»Π°ΡΡ ΡΠΎΠ³Π»Π°ΡΠ½ΠΎ ΡΡ Π΅ΠΌΠ΅
- ΠΡΠΎΠ³ΡΠ°ΠΌΠΌΠΈΡΠΎΠ²Π°Π½ΠΈΠ΅ ΠΌΠΈΠΊΡΠΎΠΊΠΎΠ½ΡΡΠΎΠ»Π»Π΅ΡΠ°
- ΠΠΎΠ΄ΠΊΠ»ΡΡΠ΅Π½ΠΈΠ΅ LCD ΠΈΠ½Π΄ΠΈΠΊΠ°ΡΠΎΡΠ°
- ΠΠΎΠ½ΡΠ°ΠΆ ΠΏΠ»Π°ΡΡ Π² ΠΊΠΎΡΠΏΡΡ
- ΠΠ°Π»ΠΈΠ±ΡΠΎΠ²ΠΊΠ° ΠΏΡΠΈΠ±ΠΎΡΠ°
ΠΠ»Ρ ΠΊΠ°Π»ΠΈΠ±ΡΠΎΠ²ΠΊΠΈ ΠΏΠΎΡΡΠ΅Π±ΡΠ΅ΡΡΡ ΡΡΠ°Π»ΠΎΠ½Π½ΡΠΉ Π³Π΅Π½Π΅ΡΠ°ΡΠΎΡ Ρ ΠΈΠ·Π²Π΅ΡΡΠ½ΠΎΠΉ ΡΠ°ΡΡΠΎΡΠΎΠΉ. ΠΠ°ΡΡΡΠΎΠΉΠΊΠ° ΠΏΡΠΎΠΈΠ·Π²ΠΎΠ΄ΠΈΡΡΡ ΠΏΠΎΠ΄ΡΡΡΠΎΠΉΠΊΠΎΠΉ ΠΏΡΠΎΠ³ΡΠ°ΠΌΠΌΠ½ΡΡ ΠΊΠΎΠ½ΡΡΠ°Π½Ρ ΠΈΠ»ΠΈ ΠΏΠΎΠ΄ΡΡΡΠΎΠ΅ΡΠ½ΡΠΌ ΠΊΠΎΠ½Π΄Π΅Π½ΡΠ°ΡΠΎΡΠΎΠΌ Π² ΡΠ΅ΠΏΠΈ ΠΊΠ²Π°ΡΡΠ΅Π²ΠΎΠ³ΠΎ ΡΠ΅Π·ΠΎΠ½Π°ΡΠΎΡΠ°.
Π₯Π°ΡΠ°ΠΊΡΠ΅ΡΠΈΡΡΠΈΠΊΠΈ ΠΈ Π²ΠΎΠ·ΠΌΠΎΠΆΠ½ΠΎΡΡΠΈ ΡΠ°ΡΡΠΎΡΠΎΠΌΠ΅ΡΠ°
ΠΡΠ½ΠΎΠ²Π½ΡΠ΅ Ρ Π°ΡΠ°ΠΊΡΠ΅ΡΠΈΡΡΠΈΠΊΠΈ ΡΠ°ΡΡΠΎΡΠΎΠΌΠ΅ΡΠ° Π½Π° PIC16F628A:
- ΠΠΈΠ°ΠΏΠ°Π·ΠΎΠ½ ΠΈΠ·ΠΌΠ΅ΡΡΠ΅ΠΌΡΡ ΡΠ°ΡΡΠΎΡ: 1 ΠΡ — 40 ΠΠΡ
- ΠΡ ΠΎΠ΄Π½Π°Ρ ΡΡΠ²ΡΡΠ²ΠΈΡΠ΅Π»ΡΠ½ΠΎΡΡΡ: 100 ΠΌΠ
- ΠΡΠ΅ΠΌΡ ΠΈΠ·ΠΌΠ΅ΡΠ΅Π½ΠΈΡ: 0.1, 1 ΠΈΠ»ΠΈ 10 ΡΠ΅ΠΊΡΠ½Π΄
- Π’ΠΎΡΠ½ΠΎΡΡΡ: Β±1 ΠΡ Π½Π° Π½ΠΈΠΆΠ½ΠΈΡ ΡΠ°ΡΡΠΎΡΠ°Ρ
- ΠΠ½Π΄ΠΈΠΊΠ°ΡΠΈΡ: LCD 16×2 ΡΠΈΠΌΠ²ΠΎΠ»ΠΎΠ²
- ΠΠΈΡΠ°Π½ΠΈΠ΅: 5Π ΠΎΡ Π±Π°ΡΠ°ΡΠ΅ΠΈ ΠΈΠ»ΠΈ Π±Π»ΠΎΠΊΠ° ΠΏΠΈΡΠ°Π½ΠΈΡ
ΠΠΎΠ·ΠΌΠΎΠΆΠ½ΠΎΡΡΠΈ ΠΏΡΠΈΠ±ΠΎΡΠ° ΠΌΠΎΠΆΠ½ΠΎ ΡΠ°ΡΡΠΈΡΠΈΡΡ, Π΄ΠΎΠ±Π°Π²ΠΈΠ²:
- ΠΠ·ΠΌΠ΅ΡΠ΅Π½ΠΈΠ΅ ΠΏΠ΅ΡΠΈΠΎΠ΄Π° ΡΠΈΠ³Π½Π°Π»Π°
- Π Π΅ΠΆΠΈΠΌ ΡΡΡΠ΅Π΄Π½Π΅Π½ΠΈΡ ΠΏΠΎΠΊΠ°Π·Π°Π½ΠΈΠΉ
- ΠΠ½Π΅ΡΠ½ΠΈΠΉ Π΄Π΅Π»ΠΈΡΠ΅Π»Ρ Π΄Π»Ρ Π²ΡΡΠΎΠΊΠΈΡ ΡΠ°ΡΡΠΎΡ
- ΠΠ½ΡΠ΅ΡΡΠ΅ΠΉΡ Π΄Π»Ρ ΠΏΠΎΠ΄ΠΊΠ»ΡΡΠ΅Π½ΠΈΡ ΠΊ ΠΊΠΎΠΌΠΏΡΡΡΠ΅ΡΡ
ΠΡΠΈΠΌΠ΅Π½Π΅Π½ΠΈΠ΅ ΡΠ°ΡΡΠΎΡΠΎΠΌΠ΅ΡΠ° Π² ΡΠ°Π΄ΠΈΠΎΠ»ΡΠ±ΠΈΡΠ΅Π»ΡΡΠΊΠΎΠΉ ΠΏΡΠ°ΠΊΡΠΈΠΊΠ΅
Π§Π°ΡΡΠΎΡΠΎΠΌΠ΅Ρ Π½Π° PIC16F628A Π½Π°ΠΉΠ΄Π΅Ρ ΡΠΈΡΠΎΠΊΠΎΠ΅ ΠΏΡΠΈΠΌΠ΅Π½Π΅Π½ΠΈΠ΅ Π² ΡΠ°Π΄ΠΈΠΎΠ»ΡΠ±ΠΈΡΠ΅Π»ΡΡΠΊΠΎΠΉ ΠΏΡΠ°ΠΊΡΠΈΠΊΠ΅:

- ΠΠ°ΡΡΡΠΎΠΉΠΊΠ° ΠΈ ΠΏΡΠΎΠ²Π΅ΡΠΊΠ° Π³Π΅Π½Π΅ΡΠ°ΡΠΎΡΠΎΠ²
ΠΠ·ΠΌΠ΅ΡΠ΅Π½ΠΈΠ΅ ΡΠ°ΡΡΠΎΡΡ ΠΏΡΠΈΠ½ΠΈΠΌΠ°Π΅ΠΌΡΡ ΡΠ°Π΄ΠΈΠΎΡΡΠ°Π½ΡΠΈΠΉ- ΠΠ°Π»ΠΈΠ±ΡΠΎΠ²ΠΊΠ° ΡΠΊΠ°Π» ΡΠ°Π΄ΠΈΠΎΠΏΡΠΈΠ΅ΠΌΠ½ΠΈΠΊΠΎΠ²
- ΠΡΠΎΠ²Π΅ΡΠΊΠ° ΠΊΠ²Π°ΡΡΠ΅Π²ΡΡ ΡΠ΅Π·ΠΎΠ½Π°ΡΠΎΡΠΎΠ²
- ΠΠ°ΡΡΡΠΎΠΉΠΊΠ° ΡΠΈΠ»ΡΡΡΠΎΠ² ΠΈ ΠΊΠΎΠ½ΡΡΡΠΎΠ²
- ΠΠ·ΠΌΠ΅ΡΠ΅Π½ΠΈΠ΅ ΡΠ°ΠΊΡΠΎΠ²ΠΎΠΉ ΡΠ°ΡΡΠΎΡΡ ΠΌΠΈΠΊΡΠΎΠΏΡΠΎΡΠ΅ΡΡΠΎΡΠ½ΡΡ ΡΡΡΡΠΎΠΉΡΡΠ²
ΠΡΠΎΡΡΠΎΡΠ° ΠΊΠΎΠ½ΡΡΡΡΠΊΡΠΈΠΈ Π² ΡΠΎΡΠ΅ΡΠ°Π½ΠΈΠΈ Ρ Ρ ΠΎΡΠΎΡΠΈΠΌΠΈ Ρ Π°ΡΠ°ΠΊΡΠ΅ΡΠΈΡΡΠΈΠΊΠ°ΠΌΠΈ Π΄Π΅Π»Π°ΡΡ ΡΡΠΎΡ ΠΏΡΠΈΠ±ΠΎΡ ΠΎΡΠ»ΠΈΡΠ½ΡΠΌ Π²ΡΠ±ΠΎΡΠΎΠΌ Π΄Π»Ρ ΠΎΡΠ½Π°ΡΠ΅Π½ΠΈΡ Π΄ΠΎΠΌΠ°ΡΠ½Π΅ΠΉ ΡΠ°Π΄ΠΈΠΎΠ»Π°Π±ΠΎΡΠ°ΡΠΎΡΠΈΠΈ.
ΠΠΎΠ·ΠΌΠΎΠΆΠ½ΡΠ΅ ΡΠ»ΡΡΡΠ΅Π½ΠΈΡ ΠΊΠΎΠ½ΡΡΡΡΠΊΡΠΈΠΈ
ΠΠ°Π·ΠΎΠ²ΡΡ ΡΡ Π΅ΠΌΡ ΡΠ°ΡΡΠΎΡΠΎΠΌΠ΅ΡΠ° Π½Π° PIC16F628A ΠΌΠΎΠΆΠ½ΠΎ ΡΡΠΎΠ²Π΅ΡΡΠ΅Π½ΡΡΠ²ΠΎΠ²Π°ΡΡ:
- ΠΡΠΏΠΎΠ»ΡΠ·ΠΎΠ²Π°ΡΡ Π±ΠΎΠ»Π΅Π΅ Π±ΡΡΡΡΡΠΉ ΠΌΠΈΠΊΡΠΎΠΊΠΎΠ½ΡΡΠΎΠ»Π»Π΅Ρ Π΄Π»Ρ ΡΠ°ΡΡΠΈΡΠ΅Π½ΠΈΡ Π΄ΠΈΠ°ΠΏΠ°Π·ΠΎΠ½Π°
- ΠΠΎΠ±Π°Π²ΠΈΡΡ Π³ΡΠ°ΡΠΈΡΠ΅ΡΠΊΠΈΠΉ Π΄ΠΈΡΠΏΠ»Π΅ΠΉ Π΄Π»Ρ ΠΎΡΠΎΠ±ΡΠ°ΠΆΠ΅Π½ΠΈΡ ΡΠΎΡΠΌΡ ΡΠΈΠ³Π½Π°Π»Π°
- Π Π΅Π°Π»ΠΈΠ·ΠΎΠ²Π°ΡΡ Π°Π²ΡΠΎΠΌΠ°ΡΠΈΡΠ΅ΡΠΊΠΈΠΉ Π²ΡΠ±ΠΎΡ Π΄ΠΈΠ°ΠΏΠ°Π·ΠΎΠ½Π° ΠΈΠ·ΠΌΠ΅ΡΠ΅Π½ΠΈΠΉ
- ΠΠΎΠ±Π°Π²ΠΈΡΡ ΠΈΠ·ΠΌΠ΅ΡΠ΅Π½ΠΈΠ΅ Π΄ΡΡΠ³ΠΈΡ ΠΏΠ°ΡΠ°ΠΌΠ΅ΡΡΠΎΠ² — Π°ΠΌΠΏΠ»ΠΈΡΡΠ΄Ρ, ΡΠΊΠ²Π°ΠΆΠ½ΠΎΡΡΠΈ ΠΈ Ρ.Π΄.
- ΠΡΡΡΠΎΠΈΡΡ Π°ΠΊΠΊΡΠΌΡΠ»ΡΡΠΎΡ Ρ Π·Π°ΡΡΠ΄Π½ΡΠΌ ΡΡΡΡΠΎΠΉΡΡΠ²ΠΎΠΌ
- Π Π΅Π°Π»ΠΈΠ·ΠΎΠ²Π°ΡΡ Π±Π΅ΡΠΏΡΠΎΠ²ΠΎΠ΄Π½ΡΡ ΠΏΠ΅ΡΠ΅Π΄Π°ΡΡ Π΄Π°Π½Π½ΡΡ Π½Π° ΡΠΌΠ°ΡΡΡΠΎΠ½
ΠΡΠΈ ΡΠ»ΡΡΡΠ΅Π½ΠΈΡ ΠΏΠΎΠ·Π²ΠΎΠ»ΡΡ ΡΠΎΠ·Π΄Π°ΡΡ Π±ΠΎΠ»Π΅Π΅ ΡΡΠ½ΠΊΡΠΈΠΎΠ½Π°Π»ΡΠ½ΡΠΉ ΠΈΠ·ΠΌΠ΅ΡΠΈΡΠ΅Π»ΡΠ½ΡΠΉ ΠΏΡΠΈΠ±ΠΎΡ Π½Π° Π±Π°Π·Π΅ ΠΏΡΠΎΡΡΠΎΠΉ ΡΡ Π΅ΠΌΡ.
ΠΠΈΡΠ°ΠΉΡΠΊΠΈΠΉ ΡΠ°ΡΡΠΎΡΠΎΠΌΠ΅Ρ Π½Π° pic16f628a ΠΎΠΏΠΈΡΠ°Π½ΠΈΠ΅. ΠΠ½ΠΎΠ³ΠΎΡΡΠ½ΠΊΡΠΈΠΎΠ½Π°Π»ΡΠ½ΡΠΉ ΡΠ°ΡΡΠΎΡΠΎΠΌΠ΅Ρ Π½Π° PIC16F84A
ΠΡΠΎΡ ΡΠΈΡΡΠΎΠ²ΠΎΠΉ ΡΠ°ΡΡΠΎΡΠΎΠΌΠ΅Ρ ΡΠ°Π·ΡΠ°Π±ΠΎΡΠ°Π½ Π½Π° ΠΎΡΠ½ΠΎΠ²Π΅ ΠΌΠΎΠ΅ΠΉ ΡΡΠ°ΡΠΎΠΉ ΠΊΠΎΠ½ΡΡΡΡΠΊΡΠΈΠΈ Π§Π°ΡΡΠΎΡΠΎΠΌΠ΅Ρ — ΡΠΈΡΡΠΎΠ²Π°Ρ ΡΠΊΠ°Π»Π° Ρ LCD (ΠΠΠ) . ΠΡΠΎΡΠΎΡΠΈΠΏ Π±ΡΠ» ΠΈΠ·Π³ΠΎΡΠΎΠ²Π»Π΅Π½ Π² Π΄Π°Π»Π΅ΠΊΠΎΠΌ 2001 Π³., Ρ ΡΠ΅Ρ ΠΏΠΎΡ Π΅Π³ΠΎ ΠΏΠΎΠ²ΡΠΎΡΠΈΠ»ΠΈ ΠΈ Π΄ΠΎ ΡΠΈΡ ΠΏΠΎΡ ΠΈΡΠΏΠΎΠ»ΡΠ·ΡΡΡ ΠΌΠ½ΠΎΠ³ΠΈΠ΅ ΡΠ°Π΄ΠΈΠΎΠ»ΡΠ±ΠΈΡΠ΅Π»ΠΈ. ΠΠ΅ΡΠΌΠΎΡΡΡ Π½Π° ΡΠΎ, ΡΡΠΎ Π·Π° ΠΏΡΠΎΡΠ΅Π΄ΡΠΈΠ΅ Π³ΠΎΠ΄Ρ ΠΏΠΎΡΠ²ΠΈΠ»ΠΎΡΡ ΠΌΠ½ΠΎΠ³ΠΎ Π½ΠΎΠ²ΡΡ ΡΠ°Π·ΡΠ°Π±ΠΎΡΠΎΠΊ, ΠΏΡΠΈΠ±ΠΎΡ Π½ΠΈΡΡΡΡ Π½Π΅ ΡΡΡΠ°ΡΠ΅Π» ΠΈ ΠΏΠΎ ΡΠΎΠ²ΠΎΠΊΡΠΏΠ½ΠΎΡΡΠΈ ΠΏΠ°ΡΠ°ΠΌΠ΅ΡΡΠΎΠ² Π²ΠΏΠΎΠ»Π½Π΅ ΠΌΠΎΠΆΠ΅Ρ ΠΊΠΎΠ½ΠΊΡΡΠΈΡΠΎΠ²Π°ΡΡ Ρ Π»ΡΠ±ΡΠΌ ΡΠΎΠ²ΡΠ΅ΠΌΠ΅Π½Π½ΡΠΌ ΡΠ°ΡΡΠΎΡΠΎΠΌΠ΅ΡΠΎΠΌ ΡΠ²ΠΎΠ΅Π³ΠΎ ΠΊΠ»Π°ΡΡΠ°.
Π Π²Π΅ΡΠ½ΡΠ»ΡΡ Ρ ΠΊ Π½Π΅ΠΌΡ ΠΏΠΎ ΠΎΠ΄Π½ΠΎΠΉ ΠΏΡΠΎΡΡΠΎΠΉ ΠΏΡΠΈΡΠΈΠ½Π΅. ΠΠ΅Π»ΠΎ Π² ΡΠΎΠΌ, ΡΡΠΎ LCD ΠΈΠ½Π΄ΠΈΠΊΠ°ΡΠΎΡ KO-4B, ΠΊΠΎΡΠΎΡΡΠΉ Ρ ΠΈΡΠΏΠΎΠ»ΡΠ·ΠΎΠ²Π°Π», Π² Π½Π°ΡΡΠΎΡΡΠ΅Π΅ Π²ΡΠ΅ΠΌΡ ΡΠ½ΡΡ Ρ ΠΏΡΠΎΠΈΠ·Π²ΠΎΠ΄ΡΡΠ²Π° ΠΈ ΠΏΡΠΈΠΎΠ±ΡΠ΅ΡΡΠΈ Π΅Π³ΠΎ ΠΎΡΠ΅Π½Ρ ΡΠ»ΠΎΠΆΠ½ΠΎ. Π Ρ ΠΌΠ΅Π½Ρ Π²ΠΎΠ·Π½ΠΈΠΊΠ»Π° Π½Π΅ΠΎΠ±Ρ ΠΎΠ΄ΠΈΠΌΠΎΡΡΡ ΠΈΠ·Π³ΠΎΡΠΎΠ²ΠΈΡΡ Π΅ΡΠ΅ ΠΎΠ΄ΠΈΠ½ ΡΠΊΠ·Π΅ΠΌΠΏΠ»ΡΡ ΡΡΠΎΠ³ΠΎ ΡΠ°ΡΡΠΎΡΠΎΠΌΠ΅ΡΠ°. ΠΠΎΠΆΠ½ΠΎ, ΠΊΠΎΠ½Π΅ΡΠ½ΠΎ, ΡΠΎΠ±ΡΠ°ΡΡ Π°Π½Π°Π»ΠΎΠ³ ΠΈΠ½Π΄ΠΈΠΊΠ°ΡΠΎΡΠ° Π½Π° LED ΠΈ AVR, Π½ΠΎ ΡΡΠΎ ΠΊΠ°ΠΊ-ΡΠΎ ΠΎΡΠ΅Π½Ρ ΡΠΆ Π½Π΅ΡΠ°ΡΠΈΠΎΠ½Π°Π»ΡΠ½ΠΎ.
Π ΠΎΠ±ΡΠ΅ΠΌ, ΠΏΠΎΡΠ²ΠΈΠ»Π°ΡΡ Π½ΠΎΠ²Π°Ρ ΡΠ°Π·ΡΠ°Π±ΠΎΡΠΊΠ°. Π ΡΠ°ΡΡΠΎΡΠΎΠΌΠ΅ΡΠ΅ Ρ ΠΈΡΠΏΠΎΠ»ΡΠ·ΠΎΠ²Π°Π» ΡΠ°ΠΌΡΠΉ ΡΠ°ΡΠΏΡΠΎΡΡΡΠ°Π½Π΅Π½Π½ΡΠΉ
Π² Π½Π°ΡΡΠΎΡΡΠ΅Π΅ Π²ΡΠ΅ΠΌΡ ΡΠΈΠΌΠ²ΠΎΠ»ΡΠ½ΡΠΉ ΠΈΠ½Π΄ΠΈΠΊΠ°ΡΠΎΡ Wh2601A — 16 ΡΠΈΠΌΠ²ΠΎΠ»ΠΎΠ² Π² 1 ΡΡΡΠΎΠΊΠ΅ ΠΏΡΠΎΠΈΠ·Π²ΠΎΠ΄ΡΡΠ²Π° ΡΠΈΡΠΌΡ Winstar,
Π½ΠΎ ΠΌΠΎΠΆΠ½ΠΎ ΠΈΡΠΏΠΎΠ»ΡΠ·ΠΎΠ²Π°ΡΡ ΠΈ LCD ΠΈΠ½Π΄ΠΈΠΊΠ°ΡΠΎΡ 16 ΡΠΈΠΌΠ²ΠΎΠ»ΠΎΠ² Π² 2 ΡΡΡΠΎΠΊΠΈ.
ΠΡΠΎΠΌΠ΅ ΡΠΎΠ³ΠΎ, Π·Π° ΠΏΡΠΎΡΠ΅Π΄ΡΠΈΠ΅ Π³ΠΎΠ΄Ρ ΡΠ°Π΄ΠΈΠΎΡΠ΅Ρ Π½ΠΈΠΊΠ° ΡΡΡΠ΅ΡΡΠ²Π΅Π½Π½ΠΎ ΠΏΡΠΎΠ΄Π²ΠΈΠ½ΡΠ»Π°ΡΡ Π² ΡΡΠΎΡΠΎΠ½Ρ Π²ΡΡΠΎΠΊΠΈΡ ΡΠ°ΡΡΠΎΡ. ΠΠΎΡΡΠΎΠΌΡ Ρ ΡΠ²Π΅Π»ΠΈΡΠΈΠ» ΡΠ°Π·ΡΡΠ΄Π½ΠΎΡΡΡ ΠΌΠ°ΡΠ΅ΠΌΠ°ΡΠΈΠΊΠΈ Π² ΠΏΡΠΎΠ³ΡΠ°ΠΌΠΌΠ΅, ΡΡΠΎ ΠΏΠΎΠ·Π²ΠΎΠ»ΠΈΠ»ΠΎ ΠΏΠΎΠ΄Π½ΡΡΡ Π²Π΅ΡΡ Π½ΡΡ Π³ΡΠ°Π½ΠΈΡΡ ΠΈΠ·ΠΌΠ΅ΡΡΠ΅ΠΌΡΡ ΡΠ°ΡΡΠΎΡ Π΄ΠΎ Π°ΠΏΠΏΠ°ΡΠ°ΡΠ½ΠΎΠ³ΠΎ ΠΏΡΠ΅Π΄Π΅Π»Π°, ΠΎΠΏΡΠ΅Π΄Π΅Π»ΡΠ΅ΠΌΠΎΠ³ΠΎ Π±ΡΡΡΡΠΎΠ΄Π΅ΠΉΡΡΠ²ΠΈΠ΅ΠΌ PIC ΠΈ Π²Π½Π΅ΡΠ½Π΅Π³ΠΎ Π‘ΠΠ§ Π΄Π΅Π»ΠΈΡΠ΅Π»Ρ. ΠΡΡΡΡΠΎΠ΄Π΅ΠΉΡΡΠ²ΠΈΠ΅ PIC, ΠΊΡΡΠ°ΡΠΈ, ΡΠΎΠΆΠ΅ Π²ΡΡΠΎΡΠ»ΠΎ. ΠΡΠ»ΠΈ Π²Π½ΡΡΡΠ΅Π½Π½ΠΈΠΉ ΡΡΠ΅ΡΡΠΈΠΊ PIC16F84 ΡΠ°Π±ΠΎΡΠ°Π» Π΄ΠΎ ΡΠ°ΡΡΠΎΡ, Π½Π΅ Π±ΠΎΠ»Π΅Π΅ 40…45 ΠΠΡ, ΡΠΎ Π² ΡΠΎΠ²ΡΠ΅ΠΌΠ΅Π½Π½ΠΎΠΌ PIC16F628A ΠΎΠ½ ΡΠ²Π΅ΡΠ΅Π½Π½ΠΎ ΡΡΠΈΡΠ°Π΅Ρ Π΄ΠΎ 90…95 ΠΠΡ. ΠΡΠ»ΠΈ ΠΈΡΠΏΠΎΠ»ΡΠ·ΠΎΠ²Π°ΡΡ Π²Π½Π΅ΡΠ½ΠΈΠΉ Π‘ΠΠ§ Π΄Π΅Π»ΠΈΡΠ΅Π»Ρ Π½Π° 256, Π²Π΅ΡΡ Π½ΡΡ ΠΈΠ·ΠΌΠ΅ΡΡΠ΅ΠΌΠ°Ρ ΡΠ°ΡΡΠΎΡΠ° ΠΌΠΎΠΆΠ΅Ρ Π±ΡΡΡ Π±ΠΎΠ»Π΅Π΅ 20 ΠΠΡ!
ΠΠ°ΠΊ ΠΈ ΠΏΡΠΎΡΠΎΡΠΈΠΏ, ΡΡΠΎΡ ΡΠ°ΡΡΠΎΡΠΎΠΌΠ΅Ρ ΠΌΠΎΠΆΠ΅Ρ Π±ΡΡΡ ΠΈΡΠΏΠΎΠ»ΡΠ·ΠΎΠ²Π°Π½ ΠΊΠ°ΠΊ ΡΠ½ΠΈΠ²Π΅ΡΡΠ°Π»ΡΠ½ΡΠΉ ΠΈΠ·ΠΌΠ΅ΡΠΈΡΠ΅Π»ΡΠ½ΡΠΉ ΠΏΡΠΈΠ±ΠΎΡ
ΠΈΠ»ΠΈ Π² ΠΊΠ°ΡΠ΅ΡΡΠ²Π΅ ΡΠΈΡΡΠΎΠ²ΠΎΠΉ ΡΠΊΠ°Π»Ρ ΡΠ²ΡΠ·Π½ΠΎΠΉ ΠΈ ΡΠ°Π΄ΠΈΠΎΠΏΡΠΈΠ΅ΠΌΠ½ΠΎΠΉ Π°ΠΏΠΏΠ°ΡΠ°ΡΡΡΡ Π²ΡΠ΅Ρ
ΡΠΈΠΏΠΎΠ². Π‘ ΠΏΡΠΈΠ±ΠΎΡΠΎΠΌ ΠΌΠΎΠΆΠ½ΠΎ
ΠΈΡΠΏΠΎΠ»ΡΠ·ΠΎΠ²Π°ΡΡ Π΄ΠΎ ΡΡΠ΅Ρ
Π²Π½Π΅ΡΠ½ΠΈΡ
Π΄Π΅Π»ΠΈΡΠ΅Π»Π΅ΠΉ Ρ ΡΠ°Π·Π»ΠΈΡΠ½ΡΠΌΠΈ ΠΊΠΎΡΡΡΠΈΡΠΈΠ΅Π½ΡΠ°ΠΌΠΈ Π΄Π΅Π»Π΅Π½ΠΈΡ Π² ΠΏΡΠ΅Π΄Π΅Π»Π°Ρ
2…256.
ΠΠΎΠΌΠ΅Ρ ΠΏΠΎΠ΄ΠΊΠ»ΡΡΠ΅Π½Π½ΠΎΠ³ΠΎ Π² Π΄Π°Π½Π½ΡΠΉ ΠΌΠΎΠΌΠ΅Π½Ρ Π΄Π΅Π»ΠΈΡΠ΅Π»Ρ ΠΎΠΏΡΠ΅Π΄Π΅Π»ΡΠ΅ΡΡΡ Π°Π²ΡΠΎΠΌΠ°ΡΠΈΡΠ΅ΡΠΊΠΈ.
ΠΡΠΈ ΠΈΡΠΏΠΎΠ»ΡΠ·ΠΎΠ²Π°Π½ΠΈΠΈ ΡΠ°ΡΡΠΎΡΠΎΠΌΠ΅ΡΠ° Π² ΠΊΠ°ΡΠ΅ΡΡΠ²Π΅ ΡΠΈΡΡΠΎΠ²ΠΎΠΉ ΡΠΊΠ°Π»Ρ Π² Π΅Π³ΠΎ ΡΠ½Π΅ΡΠ³ΠΎΠ½Π΅Π·Π°Π²ΠΈΡΠΈΠΌΡΡ ΠΏΠ°ΠΌΡΡΡ ΠΌΠΎΠΆΠ½ΠΎ Π·Π°ΠΏΠΈΡΠ°ΡΡ Π΄ΠΎ 3 Π·Π½Π°ΡΠ΅Π½ΠΈΠΉ ΠΏΡΠΎΠΌΠ΅ΠΆΡΡΠΎΡΠ½ΡΡ ΡΠ°ΡΡΠΎΡ Π² Π΄ΠΈΠ°ΠΏΠ°Π·ΠΎΠ½Π΅ ΠΎΡ 0 Π΄ΠΎ 1 ΠΠΡ. ΠΡ Π·Π½Π°ΡΠ΅Π½ΠΈΡ Π²Π²ΠΎΠ΄ΡΡΡΡ Ρ ΡΠΎΡΠ½ΠΎΡΡΡΡ Π΄ΠΎ 10 ΠΡ ΠΈ Π² Π»ΡΠ±ΠΎΠΉ ΠΌΠΎΠΌΠ΅Π½Ρ ΠΌΠΎΠ³ΡΡ Π±ΡΡΡ ΠΈΠ·ΠΌΠ΅Π½Π΅Π½Ρ ΠΏΠΎΠ»ΡΠ·ΠΎΠ²Π°ΡΠ΅Π»Π΅ΠΌ Ρ ΠΏΠΎΠΌΠΎΡΡΡ 3-Ρ ΠΊΠ½ΠΎΠΏΠΎΠΊ, ΡΠ°ΡΠΏΠΎΠ»ΠΎΠΆΠ΅Π½Π½ΡΡ Π½Π° ΠΏΠ΅ΡΠ΅Π΄Π½Π΅ΠΉ ΠΏΠ°Π½Π΅Π»ΠΈ ΠΏΡΠΈΠ±ΠΎΡΠ°.
Π ΡΠ°ΡΡΠΎΡΠΎΠΌΠ΅ΡΠ΅ ΠΏΡΠ΅Π΄ΡΡΠΌΠΎΡΡΠ΅Π½Π° Π²ΠΎΠ·ΠΌΠΎΠΆΠ½ΠΎΡΡΡ ΠΏΡΠΎΠ³ΡΠ°ΠΌΠΌΠ½ΠΎΠΉ ΠΊΠ°Π»ΠΈΠ±ΡΠΎΠ²ΠΊΠΈ, ΡΡΠΎ ΠΏΠΎΠ·Π²ΠΎΠ»ΡΠ΅Ρ ΠΈΡΠΏΠΎΠ»ΡΠ·ΠΎΠ²Π°ΡΡ Π»ΡΠ±ΡΠ΅ ΠΊΠ²Π°ΡΡΠ΅Π²ΡΠ΅ ΡΠ΅Π·ΠΎΠ½Π°ΡΠΎΡΡ Π² Π΄ΠΈΠ°ΠΏΠ°Π·ΠΎΠ½Π΅ 2…20 ΠΠΡ. ΠΠ½Π°ΡΠ΅Π½ΠΈΡ Π²ΡΠ΅Ρ ΠΏΡΠΎΠΌΠ΅ΠΆΡΡΠΎΡΠ½ΡΡ ΡΠ°ΡΡΠΎΡ, ΠΊΠΎΡΡΡΠΈΡΠΈΠ΅Π½ΡΡ Π΄Π΅Π»Π΅Π½ΠΈΡ ΠΈΡΠΏΠΎΠ»ΡΠ·ΡΠ΅ΠΌΡΡ Π²Π½Π΅ΡΠ½ΠΈΡ Π΄Π΅Π»ΠΈΡΠ΅Π»Π΅ΠΉ, Π° ΡΠ°ΠΊΠΆΠ΅ ΠΊΠ°Π»ΠΈΠ±ΡΠΎΠ²ΠΎΡΠ½ΡΠ΅ ΠΊΠΎΠ½ΡΡΠ°Π½ΡΡ ΠΌΠΎΠ³ΡΡ ΠΈΠ·ΠΌΠ΅Π½ΡΡΡΡΡ ΠΏΠΎΠ»ΡΠ·ΠΎΠ²Π°ΡΠ΅Π»Π΅ΠΌ Π±Π΅Π· ΠΏΡΠΈΠΌΠ΅Π½Π΅Π½ΠΈΡ ΠΊΠ°ΠΊΠΈΡ -Π»ΠΈΠ±ΠΎ Π΄ΠΎΠΏΠΎΠ»Π½ΠΈΡΠ΅Π»ΡΠ½ΡΡ ΡΡΡΡΠΎΠΉΡΡΠ². ΠΡΠΈΠ½ΡΠΈΠΏ Π΄Π΅ΠΉΡΡΠ²ΠΈΡ ΡΠ°ΡΡΠΎΡΠΎΠΌΠ΅ΡΠ° ΠΊΠ»Π°ΡΡΠΈΡΠ΅ΡΠΊΠΈΠΉ: ΠΈΠ·ΠΌΠ΅ΡΠ΅Π½ΠΈΠ΅ ΠΊΠΎΠ»ΠΈΡΠ΅ΡΡΠ²Π° ΠΈΠΌΠΏΡΠ»ΡΡΠΎΠ² Π²Ρ ΠΎΠ΄Π½ΠΎΠ³ΠΎ ΡΠΈΠ³Π½Π°Π»Π° Π·Π° ΠΎΠΏΡΠ΅Π΄Π΅Π»Π΅Π½Π½ΡΠΉ ΠΈΠ½ΡΠ΅ΡΠ²Π°Π» Π²ΡΠ΅ΠΌΠ΅Π½ΠΈ.
ΠΡΠΈΠ½ΡΠΈΠΏΠΈΠ°Π»ΡΠ½Π°Ρ ΡΡ
Π΅ΠΌΠ° ΠΏΡΠΈΠ±ΠΎΡΠ° ΠΏΠΎΠΊΠ°Π·Π°Π½Π° Π½Π° ΡΠΈΡ.1. ΠΡΠΈ ΠΈΡΠΏΠΎΠ»ΡΠ·ΠΎΠ²Π°Π½ΠΈΠΈ ΡΠΊΠ°Π·Π°Π½Π½ΡΡ
Π½Π° ΡΡ
Π΅ΠΌΠ΅ Π΄Π΅ΡΠ°Π»Π΅ΠΉ Π²Ρ
ΠΎΠ΄Π½ΠΎΠΉ
ΡΠΎΡΠΌΠΈΡΠΎΠ²Π°ΡΠ΅Π»Ρ ΠΈΠΌΠ΅Π΅Ρ ΠΏΠΎΠ»ΠΎΡΡ ΠΏΡΠΎΠΏΡΡΠΊΠ°Π½ΠΈΡ 1 ΠΡ…100 ΠΠΡ, Π²Ρ
ΠΎΠ΄Π½ΠΎΠ΅ ΡΠΎΠΏΡΠΎΡΠΈΠ²Π»Π΅Π½ΠΈΠ΅ 500 ΠΊΠΎΠΌ ΠΈ ΡΡΠ²ΡΡΠ²ΠΈΡΠ΅Π»ΡΠ½ΠΎΡΡΡ
ΠΎΠΊΠΎΠ»ΠΎ 100 ΠΠ.
Π£ΠΏΡΠ°Π²Π»Π΅Π½ΠΈΠ΅ ΡΠ°ΡΡΠΎΡΠΎΠΌΠ΅ΡΠΎΠΌ — ΡΠΈΡΡΠΎΠ²ΠΎΠΉ ΡΠΊΠ°Π»ΠΎΠΉ ΠΎΡΡΡΠ΅ΡΡΠ²Π»ΡΠ΅ΡΡΡ Ρ ΠΏΠΎΠΌΠΎΡΡΡ 3-Ρ ΠΊΠ½ΠΎΠΏΠΎΠΊ SB1 … SB3, ΡΠ°Π·ΠΌΠ΅ΡΠ΅Π½Π½ΡΡ Π½Π° ΠΏΠ΅ΡΠ΅Π΄Π½Π΅ΠΉ ΠΏΠ°Π½Π΅Π»ΠΈ. ΠΠ½ΠΈ ΡΠ»ΡΠΆΠ°Ρ Π΄Π»Ρ ΠΏΠ΅ΡΠ΅ΠΊΠ»ΡΡΠ΅Π½ΠΈΡ Π²ΡΠ΅ΠΌΠ΅Π½ΠΈ ΠΈΠ·ΠΌΠ΅ΡΠ΅Π½ΠΈΡ. ΠΡΠΈ Π½Π°ΠΆΠ°ΡΠΈΠΈ Π½Π° SB1 Π²ΠΊΠ»ΡΡΠ°Π΅ΡΡΡ ΠΏΡΠ΅Π΄Π΅Π» 0,1 ΡΠ΅ΠΊ, Π° ΠΏΡΠΈ Π½Π°ΠΆΠ°ΡΠΈΠΈ Π½Π° SB2 ΠΈΠ»ΠΈ SB3 — 1 cΠ΅ΠΊ ΠΈΠ»ΠΈ 10 ΡΠ΅ΠΊ ΡΠΎΠΎΡΠ²Π΅ΡΡΡΠ²Π΅Π½Π½ΠΎ.
Π‘ ΠΏΠΎΠΌΠΎΡΡΡ ΡΡΠΈΡ ΠΆΠ΅ ΠΊΠ½ΠΎΠΏΠΎΠΊ ΠΌΠΎΠΆΠ½ΠΎ Π²Π²Π΅ΡΡΠΈ ΠΊΠΎΡΡΡΠΈΡΠΈΠ΅Π½ΡΡ Π΄Π΅Π»Π΅Π½ΠΈΡ Π΄ΠΎ 3-Ρ ΠΈΡΠΏΠΎΠ»ΡΠ·ΡΠ΅ΠΌΡΡ Ρ ΠΏΡΠΈΠ±ΠΎΡΠΎΠΌ Π΄Π΅Π»ΠΈΡΠ΅Π»Π΅ΠΉ. ΠΡΠΎ ΠΌΠΎΠΆΠ΅Ρ ΠΎΠΊΠ°Π·Π°ΡΡΡΡ ΠΏΠΎΠ»Π΅Π·Π½ΡΠΌ ΠΏΡΠΈ ΠΏΡΠΎΠ²Π΅Π΄Π΅Π½ΠΈΠΈ ΠΈΠ·ΠΌΠ΅ΡΠ΅Π½ΠΈΠΉ Π² ΡΠΈΡΠΎΠΊΠΎΠΌ Π΄ΠΈΠ°ΠΏΠ°Π·ΠΎΠ½Π΅ ΡΠ°ΡΡΠΎΡ. ΠΠ°ΠΏΡΠΈΠΌΠ΅Ρ, ΠΏΠ΅ΡΠ²ΡΠΉ Π΄Π΅Π»ΠΈΡΠ΅Π»Ρ ΡΠ°Π±ΠΎΡΠ°Π΅Ρ Π² Π΄ΠΈΠ°ΠΏΠ°Π·ΠΎΠ½Π΅ 500 ΠΠΡ…2 ΠΠΡ, Π° Π²ΡΠΎΡΠΎΠΉ — 30 ΠΠΡ…500 ΠΠΡ ΠΈ ΠΎΠ½ΠΈ ΠΈΠΌΠ΅ΡΡ ΡΠ°Π·Π½ΡΠΉ ΠΊΠΎΡΡΡΠΈΡΠΈΠ΅Π½Ρ Π΄Π΅Π»Π΅Π½ΠΈΡ. ΠΡΠΈ ΡΠΌΠ΅Π½Π΅ Π΄Π΅Π»ΠΈΡΠ΅Π»Ρ ΠΏΡΠΈΠ±ΠΎΡ Π°Π²ΡΠΎΠΌΠ°ΡΠΈΡΠ΅ΡΠΊΠΈ Π±ΡΠ΄Π΅Ρ ΡΡΠΈΡΡΠ²Π°ΡΡ ΡΠΌΠ΅Π½Ρ Π΅Π³ΠΎ ΠΊΠΎΡΡΡΠΈΡΠΈΠ΅Π½ΡΠ° Π΄Π΅Π»Π΅Π½ΠΈΡ ΠΏΡΠΈ ΡΠ°ΡΡΠ΅ΡΠ΅ ΠΏΠΎΠΊΠ°Π·Π°Π½ΠΈΠΉ.
ΠΠ»Ρ ΠΊΠ°Π»ΠΈΠ±ΡΠΎΠ²ΠΊΠΈ ΠΏΡΠΈΠ±ΠΎΡΠ° Π΄ΠΎΡΡΠ°ΡΠΎΡΠ½ΠΎ ΠΏΡΠΎΡΡΠΎ Π²Π²Π΅ΡΡΠΈ ΠΈΡΡΠΈΠ½Π½ΡΡ ΡΠ°ΡΡΠΎΡΡ Π³Π΅Π½Π΅ΡΠ°ΡΠΈΠΈ ΠΊΠ²Π°ΡΡΠ°. Π Π»ΡΠ±ΠΈΡΠ΅Π»ΡΡΠΊΠΈΡ
ΡΡΠ»ΠΎΠ²ΠΈΡΡ
Π½Π°ΠΈΠ±ΠΎΠ»ΡΡΠ΅ΠΉ ΡΠΎΡΠ½ΠΎΡΡΠΈ ΠΌΠΎΠΆΠ½ΠΎ Π΄ΠΎΠ±ΠΈΡΡΡΡ, Π΅ΡΠ»ΠΈ ΠΈΠ·ΠΌΠ΅ΡΠΈΡΡ Π΅Π΅ Ρ ΠΏΠΎΠΌΠΎΡΡΡ
SDR ΠΏΡΠΈΠ΅ΠΌΠ½ΠΈΠΊΠ° .
ΠΠΎΡΡΠ°ΡΠΎΡΠ½ΠΎ ΠΏΠΎΠ΄Π½Π΅ΡΡΠΈ Π°Π½ΡΠ΅Π½Π½Ρ ΠΏΡΠΈΠ΅ΠΌΠ½ΠΈΠΊΠ° ΠΊ ΠΊΠ²Π°ΡΡΡ. ΠΡΠΈ ΡΡΠΎΠΌ Π²Π»ΠΈΡΠ½ΠΈΠ΅ Π½Π° ΡΠ°ΡΡΠΎΡΡ Π³Π΅Π½Π΅ΡΠ°ΡΠΈΠΈ ΠΊΠ²Π°ΡΡΠ°
ΠΌΠΈΠ½ΠΈΠΌΠ°Π»ΡΠ½ΠΎ, ΠΈ ΡΠΎΡΠ½ΠΎΡΡΡ ΠΈΠ·ΠΌΠ΅ΡΠ΅Π½ΠΈΡ ΠΌΠΎΠΆΠ΅Ρ Π΄ΠΎΡΡΠΈΠ³Π°ΡΡ +/- 1 ΠΡ, Π΅ΡΠ»ΠΈ ΠΏΡΠΈΠ΅ΠΌΠ½ΠΈΠΊ ΠΏΡΠ΅Π΄Π²Π°ΡΠΈΡΠ΅Π»ΡΠ½ΠΎ ΠΎΡΠΊΠ°Π»ΠΈΠ±ΡΠΎΠ²Π°ΡΡ
ΠΏΠΎ ΡΠΈΠ³Π½Π°Π»Π°ΠΌ ΡΠ°Π΄ΠΈΠΎΡΡΠ°Π½ΡΠΈΠΉ, Π²Π΅ΡΠ°ΡΡΠΈΡ
Π½Π° ΡΡΠ°Π»ΠΎΠ½Π½ΡΡ
ΡΠ°ΡΡΠΎΡΠ°Ρ
.
ΠΠΎΠ»Π³ΠΎΠ²ΡΠ΅ΠΌΠ΅Π½Π½Π°Ρ ΡΠΎΡΠ½ΠΎΡΡΡ ΠΈ ΡΡΠ°Π±ΠΈΠ»ΡΠ½ΠΎΡΡΡ ΠΏΠΎΠΊΠ°Π·Π°Π½ΠΈΠΉ Π±ΡΠ΄ΡΡ ΠΎΠΏΡΠ΅Π΄Π΅Π»ΡΡΡΡΡ ΡΡΠ°Π±ΠΈΠ»ΡΠ½ΠΎΡΡΡΡ ΡΠ°ΡΡΠΎΡΡ ΠΊΠ²Π°ΡΡΠ΅Π²ΠΎΠ³ΠΎ Π³Π΅Π½Π΅ΡΠ°ΡΠΎΡΠ°. ΠΠΎΠ½Π΅ΡΠ½ΠΎ, Π½Π΅Π»ΡΠ·Ρ ΡΡΠ΅Π±ΠΎΠ²Π°ΡΡ ΠΎΡ Π²Π½ΡΡΡΠ΅Π½Π½Π΅Π³ΠΎ Π³Π΅Π½Π΅ΡΠ°ΡΠΎΡΠ° PIC ΠΊΠΎΠ½ΡΡΠΎΠ»Π»Π΅ΡΠ° «ΡΡΠΏΠ΅ΡΠΏΠ°ΡΠ°ΠΌΠ΅ΡΡΠΎΠ²». ΠΠΎ Π²Π΅Π΄Ρ Π΄Π»Ρ Π»ΡΠ±ΠΈΡΠ΅Π»ΡΡΠΊΠΈΡ ΡΠ΅Π»Π΅ΠΉ ΠΎΠ½ΠΈ ΡΠ°ΡΠ΅ Π²ΡΠ΅Π³ΠΎ ΠΈ Π½Π΅ Π½ΡΠΆΠ½Ρ. ΠΠ΄Π½Π°ΠΊΠΎ, Π΅ΡΠ»ΠΈ Π½Π΅ΠΎΠ±Ρ ΠΎΠ΄ΠΈΠΌΠ° Π²ΡΡΠΎΠΊΠ°Ρ ΡΠΎΡΠ½ΠΎΡΡΡ ΠΈΠ·ΠΌΠ΅ΡΠ΅Π½ΠΈΠΉ ΠΈ Π΄ΠΎΠ»Π³ΠΎΠ²ΡΠ΅ΠΌΠ΅Π½Π½Π°Ρ ΡΡΠ°Π±ΠΈΠ»ΡΠ½ΠΎΡΡΡ, Π² ΠΊΠ°ΡΠ΅ΡΡΠ²Π΅ ΠΎΠΏΠΎΡΠ½ΠΎΠ³ΠΎ Π»ΡΡΡΠ΅ ΠΈΡΠΏΠΎΠ»ΡΠ·ΠΎΠ²Π°ΡΡ Π²Π½Π΅ΡΠ½ΠΈΠΉ ΡΠ΅ΡΠΌΠΎΡΡΠ°ΡΠΈΡΠΎΠ²Π°Π½Π½ΡΠΉ Π³Π΅Π½Π΅ΡΠ°ΡΠΎΡ.
ΠΠΎΠ»Π΅Π΅ ΠΏΠΎΠ΄ΡΠΎΠ±Π½ΠΎ ΠΎΡΠΎΠ±Π΅Π½Π½ΠΎΡΡΠΈ Π½Π°Π»Π°Π΄ΠΊΠΈ ΠΈ ΡΠ°Π±ΠΎΡΡ Ρ ΠΏΡΠΈΠ±ΠΎΡΠΎΠΌ, Π° ΡΠ°ΠΊΠΆΠ΅ ΠΌΠ΅ΡΠΎΠ΄ΠΈΠΊΠ° ΠΊΠ°Π»ΠΈΠ±ΡΠΎΠ²ΠΊΠΈ ΠΎΠΏΠΈΡΠ°Π½Ρ Π² ΠΏΠΎΠ΄ΡΠΎΠ±Π½ΠΎΠΌ ΠΎΠΏΠΈΡΠ°Π½ΠΈΠΈ.
ΠΠ΄Π΅Ρ ΡΠ΄Π΅Π»Π°ΡΡ ΡΡΠΎΡ ΡΠ°ΡΡΠΎΡΠΎΠΌΠ΅Ρ Π²ΠΎΠ·Π½ΠΈΠΊΠ»Π° ΠΏΠΎΡΠ»Π΅ ΠΏΡΠΈΠΎΠ±ΡΠ΅ΡΠ΅Π½ΠΈΡ Π² ΠΌΠ°Π³Π°Π·ΠΈΠ½Π΅ ΡΠ°Π΄ΠΈΠΎΠ΄Π΅ΡΠ°Π»Π΅ΠΉ ΡΠ°Π΄ΠΈΠΎΠ»ΡΠ±ΠΈΡΠ΅Π»ΡΡΠΊΠΎΠ³ΠΎ Π½Π°Π±ΠΎΡΠ°, ΡΠΎΡΡΠΎΡΡΠ΅Π³ΠΎ ΠΈΠ· ΠΏΠ»Π°ΡΡΠΌΠ°ΡΡΠΎΠ²ΠΎΠ³ΠΎ ΠΊΠΎΡΠΏΡΡΠ° ΡΠ°Π·ΠΌΠ΅ΡΠ°ΠΌΠΈ ΠΏΡΠΈΠΌΠ΅ΡΠ½ΠΎ 120x80x30 ΠΌΠΌ Ρ ΠΎΡΡΠ΅ΠΊΠΎΠΌ Π΄Π»Ρ Β«ΠΡΠΎΠ½ΡΒ», ΠΎΠΊΠ½ΠΎΠΌ Π΄Π»Ρ ΠΈΠ½Π΄ΠΈΠΊΠ°ΡΠΎΡΠ° ΠΈ ΡΡΡΠ°Π½ΠΎΠ²Π»Π΅Π½Π½ΠΎΠΉ Π² Π½Π΅Π³ΠΎ ΠΌΠ°ΠΊΠ΅ΡΠ½ΠΎΠΉ ΠΏΠ΅ΡΠ°ΡΠ½ΠΎΠΉ ΠΏΠ»Π°ΡΠΎΠΉ Β«ΡΠ΅ΡΠ΅ΡΠΎΒ». ΠΠΎΡ Π½Π° ΡΡΠΎΠΉ ΠΎΡΠ½ΠΎΠ²Π΅ ΠΈ Π±ΡΠ» ΡΠΎΠ±ΡΠ°Π½ ΡΡΠΎΡ ΠΏΡΠΈΠ±ΠΎΡ.
Π§Π°ΡΡΠΎΡΠΎΠΌΠ΅Ρ ΠΈΠ·ΠΌΠ΅ΡΡΠ΅Ρ ΡΠ°ΡΡΠΎΡΡ Π΄ΠΎ 100 ΠΠΡ, ΡΡΠ²ΡΡΠ²ΠΈΡΠ΅Π»ΡΠ½ΠΎΡΡΡ Π²Ρ
ΠΎΠ΄Π° 30 ΠΌΠ, Π²Ρ
ΠΎΠ΄Π½ΠΎΠ΅ ΡΠΎΠΏΡΠΎΡΠΈΠ²Π»Π΅Π½ΠΈΠ΅ 500 ΠΊΠΠΌ. ΠΠΎΡΡΡΠΎΠ΅Π½ ΠΎΠ½ Π½Π° ΠΎΡΠ½ΠΎΠ²Π΅ ΠΌΠΈΠΊΡΠΎΠΊΠΎΠ½ΡΡΠΎΠ»Π»Π΅ΡΠ° PIC16F628A ΠΈ ΠΆΠΈΠ΄ΠΊΠΎΠΊΡΠΈΡΡΠ°Π»Π»ΠΈΡΠ΅ΡΠΊΠΎΠ³ΠΎ ΠΌΠΎΠ΄ΡΠ»Ρ ΡΠΈΠΏΠ° 1601.
Π‘ΠΈΠ³Π½Π°Π», ΡΠ°ΡΡΠΎΡΡ ΠΊΠΎΡΠΎΡΠΎΠ³ΠΎ Π½ΡΠΆΠ½ΠΎ ΠΈΠ·ΠΌΠ΅ΡΠΈΡΡ, ΠΏΠΎΡΡΡΠΏΠ°Π΅Ρ Π½Π° Π²Ρ ΠΎΠ΄Π½ΠΎΠΉ ΡΠ°Π·ΡΠ΅ΠΌ Π₯1. ΠΠΎΠ½Π΄Π΅Π½ΡΠ°ΡΠΎΡ Π‘1 ΡΠ»ΡΠΆΠΈΡ Π΄Π»Ρ ΡΠ΄Π°Π»Π΅Π½ΠΈΡ ΠΈΠ· ΠΏΠΎΡΡΠΎΡΠ½Π½ΠΎΠΉ ΡΠΎΡΡΠ°Π²Π»ΡΡΡΠ΅ΠΉ ΠΎΠ±ΡΠ΅Π³ΠΎ ΠΏΠΎΡΡΡΠΏΠ°ΡΡΠ΅Π³ΠΎ Π½Π° Π²Ρ ΠΎΠ΄. Π Π΅Π·ΠΈΡΡΠΎΡΡ R2 ΠΈ Π΄ΠΈΠΎΠ΄Ρ VD1-VD2 ΡΠΎΠ·Π΄Π°ΡΡ ΠΎΠ³ΡΠ°Π½ΠΈΡΠΈΡΠ΅Π»Ρ, ΠΊΠΎΡΠΎΡΡΠΉ ΠΎΠ³ΡΠ°Π½ΠΈΡΠΈΠ²Π°Π΅Ρ Π²Π΅Π»ΠΈΡΠΈΠ½Ρ Π°ΠΌΠΏΠ»ΠΈΡΡΠ΄Ρ Π²Ρ ΠΎΠ΄Π½ΠΎΠ³ΠΎ ΡΠΈΠ³Π½Π°Π»Π° ΠΈ ΠΏΠΎΡΡΠΎΠΌΡ ΡΠ°ΡΡΠΎΡΠΎΠΌΠ΅Ρ Π±Π΅Π· ΠΏΠ΅ΡΠ΅ΠΊΠ»ΡΡΠ΅Π½ΠΈΠΉ Π²Ρ ΠΎΠ΄Π° ΠΌΠΎΠΆΠ΅Ρ ΠΈΠ·ΠΌΠ΅ΡΠΈΡΡ ΡΠ°ΡΡΠΎΡΡ ΡΠΈΠ³Π½Π°Π»ΠΎΠ² ΠΎΡ 0,03 Π΄ΠΎ 50V.
ΠΡ ΠΎΠ΄Π½ΠΎΠΉ ΡΡΠΈΠ»ΠΈΡΠ΅Π»Ρ Π΄Π²ΡΡ ΠΊΠ°ΡΠΊΠ°Π΄Π½ΡΠΉ Π½Π° ΡΡΠ°Π½Π·ΠΈΡΡΠΎΡΠ°Ρ VT1 ΠΈ VT2. ΠΠΎΠ»Π΅Π²ΠΎΠΉ ΡΡΠ°Π½Π·ΠΈΡΡΠΎΡ Π½Π° Π²Ρ ΠΎΠ΄Π΅ ΠΏΠΎΠ·Π²ΠΎΠ»ΡΠ΅Ρ ΠΏΠΎΠ»ΡΡΠΈΡΡ Π²ΡΡΠΎΠΊΠΎΠ΅ Π²Ρ ΠΎΠ΄Π½ΠΎΠ΅ ΡΠΎΠΏΡΠΎΡΠΈΠ²Π»Π΅Π½ΠΈΠ΅.
ΠΡΠΎ Ρ ΠΎΡΠΎΡΠΎ, ΡΠ°ΠΊ ΠΊΠ°ΠΊ Π²Ρ ΠΎΠ΄ ΡΠ°ΡΡΠΎΡΠΎΠΌΠ΅ΡΠ° Π±ΡΠ΄Π΅Ρ ΠΌΠΈΠ½ΠΈΠΌΠ°Π»ΡΠ½ΠΎ Π²ΠΎΠ·Π΄Π΅ΠΉΡΡΠ²ΠΎΠ²Π°ΡΡ Π½Π° ΡΡ Π΅ΠΌΡ, ΡΠ°ΡΡΠΎΡΡ Π½Π° ΠΊΠΎΡΠΎΡΠΎΠΉ ΠΎΠ½ ΠΈΠ·ΠΌΠ΅ΡΡΠ΅Ρ. ΠΡΠΈ ΠΈΠ·ΠΌΠ΅ΡΠ΅Π½ΠΈΠΈ ΡΠ°ΡΡΠΎΡΡ Π½Π°ΡΡΡΠΎΠΉΠΊΠΈ ΠΊΠΎΠ½ΡΡΡΠΎΠ² ΠΌΠΎΠΆΠ½ΠΎ Π΅ΡΠ΅ Π±ΠΎΠ»ΡΡΠ΅ ΡΠ½ΠΈΠ·ΠΈΡΡ Π²Π»ΠΈΡΠ½ΠΈΠ΅ Π½Π° ΠΊΠΎΠ½ΡΡΡ, Π΅ΡΠ»ΠΈ Π½Π° ΠΊΠΎΠ½ΡΠ΅ ΡΡΠΏΠ° ΡΠ΄Π΅Π»Π°ΡΡ ΠΊΠΎΠ½Π΄Π΅Π½ΡΠ°ΡΠΎΡ ΠΌΠ°Π»ΠΎΠΉ Π΅ΠΌΠΊΠΎΡΡΠΈ ΠΈ ΡΠΆΠ΅ ΡΠ΅ΡΠ΅Π· Π½Π΅Π³ΠΎ ΠΏΠΎΠ΄ΠΊΠ»ΡΡΠ°ΡΡ ΠΊ ΠΊΠΎΠ½ΡΡΡΡ. ΠΡΠΎΡΠΎΠΉ ΠΊΠ°ΡΠΊΠ°Π΄ — Π½Π° Π±ΠΈΠΏΠΎΠ»ΡΡΠ½ΠΎΠΌ ΡΡΠ°Π½Π·ΠΈΡΡΠΎΡΠ΅ VT2.
ΠΠΏΡΠΈΠΌΠ°Π»ΡΠ½ΡΠΉ ΡΠ΅ΠΆΠΈΠΌ ΡΠ°Π±ΠΎΡΡ ΡΡΠΈΠ»ΠΈΡΠ΅Π»Ρ ΡΡΡΠ°Π½Π°Π²Π»ΠΈΠ²Π°Π΅ΡΡΡ ΡΠΊΡΠΏΠ΅ΡΠΈΠΌΠ΅Π½ΡΠ°Π»ΡΠ½ΠΎ ΠΏΠΎΠ΄Π±ΠΎΡΠΎΠΌ ΡΠΎΠΏΡΠΎΡΠΈΠ²Π»Π΅Π½ΠΈΡ ΡΠ΅Π·ΠΈΡΡΠΎΡΠ° R4 ΠΏΠΎ Π½Π°ΠΈΠ»ΡΡΡΠ΅ΠΉ ΡΠ°Π±ΠΎΡΠ΅ (ΠΈΠ·ΠΌΠ΅ΡΡΡ ΡΠ°ΡΡΠΎΡΡ ΡΠΈΠ³Π½Π°Π»ΠΎΠ² ΡΠ°Π·Π½ΠΎΠΉ ΡΠΎΡΠΌΡ Ρ Π²ΡΡ
ΠΎΠ΄Π° ΡΡΠ½ΠΊΡΠΈΠΎΠ½Π°Π»ΡΠ½ΠΎΠ³ΠΎ Π³Π΅Π½Π΅ΡΠ°ΡΠΎΡΠ° Π½ΡΠΆΠ½ΠΎ Π²ΡΠ±ΡΠ°ΡΡ ΠΎΠΏΡΠΈΠΌΠ°Π»ΡΠ½ΡΠΉ ΡΠ΅ΠΆΠΈΠΌ).
Π’Π°ΠΊΡΠΈΡΡΠ΅ΡΡΡ ΠΌΠΈΠΊΡΠΎΠΊΠΎΠ½ΡΡΠΎΠ»Π»Π΅Ρ ΠΊΠ²Π°ΡΡΠ΅Π²ΡΠΌ Π³Π΅Π½Π΅ΡΠ°ΡΠΎΡΠΎΠΌ Π½Π° ΡΠ΅Π·ΠΎΠ½Π°ΡΠΎΡΠ΅ Q1 (4 ΠΠΡ).
ΠΠ° Π²ΡΡ ΠΎΠ΄Π΅ ΠΆΠΈΠ΄ΠΊΠΎΠΊΡΠΈΡΡΠ°Π»Π»ΠΈΡΠ΅ΡΠΊΠΈΠΉ ΠΌΠΎΠ΄ΡΠ»Ρ ΡΠΈΠΏΠ° 1601. Π Π΅Π·ΠΈΡΡΠΎΡΠΎΠΌ R7 ΠΌΠΎΠΆΠ½ΠΎ ΡΠ΅Π³ΡΠ»ΠΈΡΠΎΠ²Π°ΡΡ ΠΊΠΎΠ½ΡΡΠ°ΡΡΠ½ΠΎΡΡΡ Π·Π½Π°ΠΊΠΎΠ². ΠΠΈΡΠ°Π΅ΡΡΡ ΡΡ Π΅ΠΌΠ° Π½Π°ΠΏΡΡΠΆΠ΅Π½ΠΈΠ΅ΠΌ 5V, ΠΏΠΎΡΡΡΠΏΠ°ΡΡΠΈΠΌ Ρ ΠΈΠ½ΡΠ΅Π³ΡΠ°Π»ΡΠ½ΠΎΠ³ΠΎ ΡΡΠ°Π±ΠΈΠ»ΠΈΠ·Π°ΡΠΎΡΠ° Π1. S1-Π²ΡΠΊΠ»ΡΡΠ°ΡΠ΅Π»Ρ ΠΏΠΈΡΠ°Π½ΠΈΡ, ΠΈΡΡΠΎΡΠ½ΠΈΠΊ ΠΏΠΈΡΠ°Π½ΠΈΡ Π³Π°Π»ΡΠ²Π°Π½ΠΈΡΠ΅ΡΠΊΠ°Ρ Π±Π°ΡΠ°ΡΠ΅Ρ G1 Π½Π°ΠΏΡΡΠΆΠ΅Π½ΠΈΠ΅ΠΌ 9V.
- 28.09.2014
ΠΠ°Π½Π½ΡΠΉ ΠΏΡΠΈΠ΅ΠΌΠ½ΠΈΠΊ ΡΠ°Π±ΠΎΡΠ°Π΅Ρ Π² Π΄ΠΈΠ°ΠΏΠ°Π·ΠΎΠ½Π΅ 64-75 ΠΠΡ ΠΈ ΠΈΠΌΠ΅Π΅Ρ ΡΠ΅Π°Π»ΡΠ½ΡΡ ΡΡΠ²ΡΡΠ²ΠΈΡΠ΅Π»ΡΠ½ΠΎΡΡΡ 6 ΠΌΠΊΠ, Π²ΡΡ ΠΎΠ΄Π½ΡΡ ΠΌΠΎΡΠ½ΠΎΡΡΡ 4 ΠΡ, Π΄ΠΈΠ°ΠΏΠ°Π·ΠΎΠ½ ΠΠ§ β 70β¦10000ΠΡ, ΠΠΠ Π½Π΅ Π±ΠΎΠ»Π΅Π΅ 1 %. ΠΡΠΈ ΡΡΠΈΡ ΠΏΠ°ΡΠ°ΠΌΠ΅ΡΡΠ°Ρ ΠΏΡΠΈΠ΅ΠΌΠ½ΠΈΠΊ ΠΈΠΌΠ΅Π΅Ρ ΡΠ°Π·ΠΌΠ΅ΡΡ 60*70*25 ΠΌΠΌ. ΠΡΠΈΠ΅ΠΌΠ½ΡΠΉ ΡΡΠ°ΠΊΡ ΡΠΎΠ±ΡΠ°Π½ Π½Π° ΠΠ‘1066Π₯Π1(Π174Π₯Π42) ΠΏΠΎ ΡΡΠ°Π½Π΄Π°ΡΡΠ½ΠΎΠΉ ΡΡ Π΅ΠΌΠ΅. ΠΠ½ΡΠ΅Π½Π½Π° β ΠΏΡΠΎΠ²ΠΎΠ΄ Π΄Π»ΠΈΠ½ΠΎΠΉ ΠΎΠΊΠΎΠ»ΠΎ ΠΌΠ΅ΡΡΠ°, ΡΠΈΠ³Π½Π°Π» ΠΎΡ β¦
- 29.09.2014
Π‘Ρ Π΅ΠΌΠ° Π²ΡΠΏΠΎΠ»Π½Π΅Π½Π° Π½Π° Π΄Π²ΡΡ ΠΌΠΈΠΊΡΠΎΡΡ Π΅ΠΌΠ°Ρ Π’ΠΠ1208. Π ΠΎΡΠ½ΠΎΠ²Π΅ Π»Π΅ΠΆΠΈΡ ΡΡ Π΅ΠΌΠ° ΡΡΠ°Π½ΡΠΈΠ²Π΅ΡΠ°, Π½Π°ΠΏΠ΅ΡΠ°ΡΠ°Π½Π½Π°Ρ Π² Π,1, Π½ΠΎ ΡΡΠΎΡ ΡΡΠ°ΠΊΡ ΡΠ°Π±ΠΎΡΠ°Π΅Ρ Ρ ΠΏΡΠΎΠΌΠ΅ΠΆΡΡΠΎΡΠ½ΠΎΠΉ ΡΠ°ΡΡΠΎΡΠΎΠΉ 500 ΠΊΠΡ, ΡΡΠΎ, ΠΊΠΎΠ½Π΅ΡΠ½ΠΎ Π½Π΅ΡΠΊΠΎΠ»ΡΠΊΠΎ ΡΠ½ΠΈΠΆΠ°Π΅Ρ eΠ³o Ρ Π°ΡΠ°ΠΊΡΠ΅ΡΠΈΡΡΠΈΠΊΠΈ, Π½ΠΎ ΠΏΠΎΠ·Π²ΠΎΠ»ΡΠ΅Ρ ΠΈΡΠΏΠΎΠ»ΡΠ·ΠΎΠ²Π°ΡΡ Π³ΠΎΡΠΎΠ²ΡΠΉ, Π½acΡpoeΠ½Π½ΡΠΉ Π½Π° Π·Π°Π²ΠΎΠ΄Π΅ ΡΠ»Π΅ΠΊΡΡΠΎΠΌΠ΅Ρ Π°Π½ΠΈΡΠ΅ΡΠΊΠΈΠΉ ΡΠΈΠ»ΡΡΡ.
ΠΠΈΠΊΡΠΎΡΡ
Π΅ΠΌΡ Π’ΠΠ1208 ΠΏΡΠ΅Π΄Π½Π°Π·Π½Π°ΡΠ΅Π½Ρ Π΄Π»Ρ ΡΠ°Π±ΠΎΡΡ Π² ΡΡΠ°ΠΊΡΠ΅ Π²ΡΠΎΡΠΎΠΉ ΠΠ§3 ΡΠ΅Π»Π΅Π²ΠΈΠ·ΠΎΡΠΎΠ², Π Π½ΠΈΡ
β¦ - 20.09.2014
ΠΠ»Π°ΡΡΠΈΡΠΈΠΊΠ°ΡΠΈΡ ΠΌΠ°Π³Π½ΠΈΡΠ½ΡΡ ΠΌΠ°ΡΠ΅ΡΠΈΠ°Π»ΠΎΠ² ΠΠ°Π³Π½ΠΈΡΠ½ΡΠ΅ ΠΌΠ°ΡΠ΅ΡΠΈΠ°Π»Ρ Π½Π°Ρ ΠΎΠ΄ΡΡ ΡΠ°ΠΌΠΎΠ΅ ΡΠΈΡΠΎΠΊΠΎΠ΅ ΡΠ°ΡΠΏΡΠΎΡΡΡΠ°Π½Π΅Π½ΠΈΠ΅ Π² ΡΠ»Π΅ΠΊΡΡΠΎΡΠ΅Ρ Π½ΠΈΠΊΠ΅, Π±Π΅Π· Π½ΠΈΡ Π² Π½Π°ΡΡΠΎΡΡΠ΅Π΅ Π²ΡΠ΅ΠΌΡ Π½Π΅ΠΌΡΡΠ»ΠΈΠΌΡ ΡΠ»Π΅ΠΊΡΡΠΈΡΠ΅ΡΠΊΠΈΠ΅ ΠΌΠ°ΡΠΈΠ½Ρ, ΡΡΠ°Π½ΡΡΠΎΡΠΌΠ°ΡΠΎΡΡ, ΡΠ»Π΅ΠΊΡΡΠΎΠΈΠ·ΠΌΠ΅ΡΠΈΡΠ΅Π»ΡΠ½ΡΠ΅ ΠΏΡΠΈΠ±ΠΎΡΡ. Π Π·Π°Π²ΠΈΡΠΈΠΌΠΎΡΡΠΈ ΠΎΡ ΠΏΡΠΈΠΌΠ΅Π½Π΅Π½ΠΈΡ ΠΊ ΠΌΠ°Π³Π½ΠΈΡΠ½ΡΠΌ ΠΌΠ°ΡΠ΅ΡΠΈΠ°Π»Π°ΠΌ ΠΏΡΠ΅Π΄ΡΡΠ²Π»ΡΡΡΡΡ ΡΠ°Π·Π»ΠΈΡΠ½ΡΠ΅, ΠΏΠΎΠ΄ΡΠ°Ρ ΠΏΡΠΎΡΠΈΠ²ΠΎΠΏΠΎΠ»ΠΎΠΆΠ½ΡΠ΅, ΡΡΠ΅Π±ΠΎΠ²Π°Π½ΠΈΡ. ΠΠΎ ΠΏΡΠΈΠ·Π½Π°ΠΊΡ ΠΏΡΠΈΠΌΠ΅Π½Π΅Π½ΠΈΡ ΠΌΠ°Π³Π½ΠΈΡΠ½ΡΠ΅ ΠΌΠ°ΡΠ΅ΡΠΈΠ°Π»Ρ ΠΊΠ»Π°ΡΡΠΈΡΠΈΡΠΈΡΡΡΡΡΡ Π½Π° Π΄Π²Π΅ Π±ΠΎΠ»ΡΡΠΈΠ΅ Π³ΡΡΠΏΠΏΡ: ΠΌΠ°Π³Π½ΠΈΡΠΎΠΌΡΠ³ΠΊΠΈΠ΅ ΠΌΠ°Π³Π½ΠΈΡΠΎΡΠ²Π΅ΡΠ΄ΡΠ΅ Π Π°ΡΡΠΌΠΎΡΡΠΈΠΌ ΠΊΡΠ°ΡΠΊΠΎ ΠΈΡ Ρ Π°ΡΠ°ΠΊΡΠ΅ΡΠΈΡΡΠΈΠΊΠΈ. β¦
- 10.12.2017
ΠΠ° ΡΠΈΡΡΠ½ΠΊΠ΅ ΠΏΠΎΠΊΠ°Π·Π°Π½Π° ΡΡ Π΅ΠΌΠ° ΠΏΡΠΎΡΡΠΎΠ³ΠΎ Π²ΡΡΠΎΠΊΠΎ ΡΡΠ²ΡΡΠ²ΠΈΡΠ΅Π»ΡΠ½ΠΎΠ³ΠΎ Π°ΠΊΡΡΡΠΈΡΠ΅ΡΠΊΠΎΠ³ΠΎ Π²ΡΠΊΠ»ΡΡΠ°ΡΠ΅Π»Ρ, ΠΊΠΎΡΠΎΡΡΠΉ ΡΠΏΡΠ°Π²Π»ΡΠ΅Ρ Π½Π°Π³ΡΡΠ·ΠΊΠΎΠΉ ΠΏΡΠΈ ΠΏΠΎΠΌΠΎΡΠΈ ΡΠ΅Π»Π΅. Π ΡΡ Π΅ΠΌΠ΅ ΠΈΡΠΏΠΎΠ»ΡΠ·ΡΠ΅ΡΡΡ ΡΠ»Π΅ΠΊΡΡΠ΅ΡΠ½ΡΠΉ ΠΌΠΈΠΊΡΠΎΡΠΎΠ½, ΠΏΡΠΈ ΠΈΡΠΏΠΎΠ»ΡΠ·ΠΎΠ²Π°Π½ΠΈΠΈ ECM ΠΌΠΈΠΊΡΠΎΡΠΎΠ½Π° Π½Π΅ΠΎΠ±Ρ ΠΎΠ΄ΠΈΠΌΠΎ ΠΈΡΠΏΠΎΠ»ΡΠ·ΠΎΠ²Π°ΡΡ ΡΠ΅Π·ΠΈΡΡΠΎΡ R1 ΡΠΎΠΏΡΠΎΡΠΈΠ²Π»Π΅Π½ΠΈΠ΅ ΠΎΡ 2,2 ΠΊΠΠΌ Π΄ΠΎ 10 ΠΊΠΠΌ. ΠΠ΅ΡΠ²ΡΠ΅ Π΄Π²Π° ΡΡΠ°Π½Π·ΠΈΡΡΠΎΡΠ° ΠΏΡΠ΅Π΄ΡΡΠ°Π²Π»ΡΡΡ ΡΠΎΠ±ΠΎΠΉ ΠΏΡΠ΅Π΄Π²Π°ΡΠΈΡΠ΅Π»ΡΠ½ΡΠΉ ΠΌΠΈΠΊΡΠΎΡΠΎΠ½Π½ΡΠΉ ΡΡΠΈΠ»ΠΈΡΠ΅Π»Ρ, R4 Π‘7 Π² ΡΡ Π΅ΠΌΠ΅ ΡΡΡΡΠ°Π½ΡΡΡ Π½Π΅ΡΡΠ°Π±ΠΈΠ»ΡΠ½ΠΎΡΡΡ ΡΡΠΈΠ»ΠΈΡΠ΅Π»Ρ.
β¦
ΠΡΠΈΠ½ΡΠΈΠΏΠΈΠ°Π»ΡΠ½Π°Ρ ΡΡ Π΅ΠΌΠ° ΡΠ°ΡΡΠΎΡΠΎΠΌΠ΅ΡΠ°
ΠΠΈΠΊΡΠΎΠΊΠΎΠ½ΡΡΠΎΠ»Π»Π΅Ρ PIC16F628A ΡΠ»ΡΠΆΠΈΡ Π΄Π»Ρ ΡΠΎΠ³ΠΎ, ΡΡΠΎΠ±Ρ Π²ΡΠΏΠΎΠ»Π½ΠΈΡΡ Π²ΡΡ ΡΠ°Π±ΠΎΡΡ Π±Π΅Π· ΠΊΠ°ΠΊΠΈΡ -Π»ΠΈΠ±ΠΎ Π΄ΠΎΠΏΠΎΠ»Π½ΠΈΡΠ΅Π»ΡΠ½ΡΡ ΠΌΠΈΠΊΡΠΎΡΡ Π΅ΠΌ. ΠΠ° 16F628A 16 I/O Π²ΡΠ²ΠΎΠ΄ΠΎΠ², Π΄Π²Π° ΠΈΠ· ΠΊΠΎΡΠΎΡΡΡ ΠΈΡΠΏΠΎΠ»ΡΠ·ΡΡΡΡΡ Π΄Π»Ρ ΠΊΠ²Π°ΡΡΠ΅Π²ΠΎΠ³ΠΎ Π³Π΅Π½Π΅ΡΠ°ΡΠΎΡΠ°, ΠΎΠ΄ΠΈΠ½ ΠΏΡΠ΅Π΄Π½Π°Π·Π½Π°ΡΠ΅Π½ Π΄Π»Ρ Π²Π²ΠΎΠ΄Π° ΡΠΈΠ³Π½Π°Π»Π°, Π° Π΄ΡΡΠ³ΠΎΠΉ ΠΌΠΎΠΆΠ΅Ρ Π±ΡΡΡ ΠΈΡΠΏΠΎΠ»ΡΠ·ΠΎΠ²Π°Π½ ΡΠΎΠ»ΡΠΊΠΎ Π΄Π»Ρ Π²Π²ΠΎΠ΄Π°, ΡΡΠΎ Π΄Π°Π΅Ρ Π½Π°ΠΌ ΡΠΎΠ»ΡΠΊΠΎ 12 ΠΏΠΎΠ»Π΅Π·Π½ΡΡ I/O ΠΊΠΎΠ½ΡΠ°ΠΊΡΠΎΠ². Π Π΅ΡΠ΅Π½ΠΈΠ΅ — ΠΏΠΎΡΡΠ°Π²ΠΈΡΡ ΡΡΠ°Π½Π·ΠΈΡΡΠΎΡ, ΠΊΠΎΡΠΎΡΡΠΉ ΠΎΡΠΊΡΡΠ²Π°Π΅ΡΡΡ ΠΏΡΠΈ Π²ΡΠΊΠ»ΡΡΠ΅Π½ΠΈΠΈ Π²ΡΠ΅Ρ Π΄ΡΡΠ³ΠΈΡ ΡΠΈΡΡ.
Π‘Π²Π΅ΡΠΎΠ΄ΠΈΠΎΠ΄Π½ΡΠΉ 7-ΡΠ΅Π³ΠΌΠ΅Π½ΡΠ½ΡΠΉ Π΄ΠΈΡΠΏΠ»Π΅ΠΉ, ΠΈΡΠΏΠΎΠ»ΡΠ·ΡΠ΅ΠΌΡΠΉ Π·Π΄Π΅ΡΡ, Ρ ΠΎΠ±ΡΠΈΠΌ ΠΊΠ°ΡΠΎΠ΄ΠΎΠΌ ΡΠΈΠΏΠ° BC56-12SRWA. ΠΠΎΠ³Π΄Π° Π²ΡΠ΅ ΡΠΈΠ³Π½Π°Π»Ρ Π½Π°Ρ ΠΎΠ΄ΡΡΡΡ Π½Π° Π²ΡΡΠΎΠΊΠΎΠΌ ΡΡΠΎΠ²Π½Π΅, ΡΡΠ°Π½Π·ΠΈΡΡΠΎΡ Q1 ΠΎΡΠΊΡΡΠ²Π°Π΅ΡΡΡ ΠΈ ΠΏΠ΅ΡΠ΅ΠΊΠ»ΡΡΠ°Π΅ΡΡΡ Π½Π° ΠΏΠ΅ΡΠ²ΠΎΠΉ ΡΠΈΡΡΠ΅. Π’ΠΎΠΊ Π΄Π»Ρ ΠΊΠ°ΠΆΠ΄ΠΎΠ³ΠΎ ΡΠ΅Π³ΠΌΠ΅Π½ΡΠ° ΡΠΎΡΡΠ°Π²Π»ΡΠ΅Ρ ΠΎΠΊΠΎΠ»ΠΎ 7 ΠΌΠ.
ΠΡΡ ΡΡ
Π΅ΠΌΠ° ΡΠ°ΡΡΠΎΡΠΎΠΌΠ΅ΡΠ° ΠΏΠΎΡΡΠ΅Π±Π»ΡΠ΅Ρ ΡΠΎΠΊΠ° ΠΏΠΎΡΡΠ΄ΠΊΠ° 30 ΠΌΠ Π² ΡΡΠ΅Π΄Π½Π΅ΠΌ. ΠΠΈΠΊΡΠΎΠΊΠΎΠ½ΡΡΠΎΠ»Π»Π΅Ρ ΠΈΡΠΏΠΎΠ»ΡΠ·ΡΠ΅Ρ ΡΠ²ΠΎΠΉ Π²Π½ΡΡΡΠ΅Π½Π½ΠΈΠΉ 4 MHz Π³Π΅Π½Π΅ΡΠ°ΡΠΎΡ Π΄Π»Ρ ΡΠ°ΠΊΡΠΈΡΠΎΠ²Π°Π½ΠΈΡ CPU. Π Π²Π½Π΅ΡΠ½ΠΈΠΉ ΠΊΠ²Π°ΡΡΠ΅Π²ΡΠΉ Π³Π΅Π½Π΅ΡΠ°ΡΠΎΡ Ρ ΡΠ°ΡΡΠΎΡΠΎΠΉ 32768 Hz Π½ΡΠΆΠ΅Π½ Π΄Π»Ρ ΡΡΡΠ°Π½ΠΎΠ²ΠΊΠΈ 1 Π²ΡΠΎΡΠΎΠ³ΠΎ Π²ΡΠ΅ΠΌΠ΅Π½Π½ΠΎΠ³ΠΎ ΠΈΠ½ΡΠ΅ΡΠ²Π°Π»Π°. Tmr0 ΠΈΡΠΏΠΎΠ»ΡΠ·ΡΠ΅ΡΡΡ Π΄Π»Ρ ΠΏΠΎΠ΄ΡΡΠ΅ΡΠ° Π²Ρ
ΠΎΠ΄Π½ΠΎΠ³ΠΎ ΡΠΈΠ³Π½Π°Π»Π° Π½Π° Π²ΡΠ²ΠΎΠ΄Π΅ RA4.
Π ΠΊΠ°ΡΠ΅ΡΡΠ²Π΅ Π²Ρ ΠΎΠ΄Π½ΠΎΠ³ΠΎ ΡΠΈΠ³Π½Π°Π»Π° Π½ΡΠΆΠ½ΠΎ Π±ΡΠ΄Π΅Ρ 5 Π²ΠΎΠ»ΡΡ ΠΏΡΡΠΌΠΎΡΠ³ΠΎΠ»ΡΠ½ΠΎΠ³ΠΎ Π²ΠΈΠ΄Π°. Π‘Π°ΠΌ ΡΠ°ΡΡΠΎΡΠΎΠΌΠ΅Ρ ΠΌΠΎΠΆΠ΅Ρ ΠΈΠ·ΠΌΠ΅ΡΡΡΡ Π΄ΠΎ 1 ΠΌΠ΅Π³Π°Π³Π΅ΡΡΠ°, ΡΡΠΎ Π±ΠΎΠ»Π΅Π΅ ΡΠ΅ΠΌ Π΄ΠΎΡΡΠ°ΡΠΎΡΠ½ΠΎ Π΄Π»Ρ Π»ΡΠ±ΠΈΡΠ΅Π»ΡΡΠΊΠΈΡ ΠΏΡΠΎΠ΅ΠΊΡΠΎΠ². ΠΡΠΎ ΡΠ΄Π΅Π»Π°Π½ΠΎ Π΄Π»Ρ ΡΠ΄ΠΎΠ±ΡΡΠ²Π°, ΡΠ°ΠΊ ΠΊΠ°ΠΊ ΡΡΠ΅ΡΡΠΈΠΊ ΠΌΠΎΠΆΠ΅Ρ Π΄ΠΎΡΡΠΈΠ³Π°ΡΡ ΠΏΠΎΠΊΠ°Π·Π°Π½ΠΈΠΉ 999999 ΠΡ — ΠΈ Π½ΠΈΡΠ΅Π³ΠΎ ΠΏΠ΅ΡΠ΅ΠΊΠ»ΡΡΠ°ΡΡ Π½Π΅ Π½ΡΠΆΠ½ΠΎ. ΠΠ΅ΡΡΠ΅ΠΌ Ρ ΠΎΡΡ 11 Π³Π΅ΡΡ, Ρ ΠΎΡΡ 139,622 ΠΊΠΈΠ»ΠΎΠ³Π΅ΡΡ.
Π ΠΎΠ±ΡΠ΅ΠΌ Π΅ΡΠ»ΠΈ Ρ ΠΊΠΎΠ³ΠΎ Π΅ΡΡΡ ΠΆΠ΅Π»Π°Π½ΠΈΠ΅ ΠΏΠΎΠ²ΡΠΎΡΠΈΡΡ ΡΡΠΎΡ ΠΏΡΠΎΠ΅ΠΊΡ ΡΠ°ΠΌΠΈΠΌ, Π²ΠΎΡ ΡΠ°ΠΉΠ»Ρ . ΠΠ»Π°ΡΠ° Π² Π°ΡΡ ΠΈΠ²Π΅ Π½Π΅ΠΌΠ½ΠΎΠ³ΠΎ ΠΎΡΠ»ΠΈΡΠ°Π΅ΡΡΡ ΠΎΡ ΡΠΎΠΉ, ΡΡΠΎ Π½Π° ΡΠΎΡΠΎΠ³ΡΠ°ΡΠΈΠΈ, Π±ΡΠ»ΠΈ ΠΏΠΎΠ·ΠΆΠ΅ ΡΠ΄Π΅Π»Π°Π½Ρ Π½Π΅ΠΊΠΎΡΠΎΡΡΠ΅ ΠΎΠΏΡΠΈΠΌΠΈΠ·Π°ΡΠΈΠΈ. Π ΠΏΡΠΎΠ³ΡΠ°ΠΌΠΌΠ½ΡΠΉ ΠΊΠΎΠ΄ ΠΎΡΠΊΡΡΡ — ΠΌΠΎΠΆΠ½ΠΎ Π΅Π³ΠΎ ΠΏΡΠΈ ΡΠΌΠ΅Π½ΠΈΠΈ ΠΎΠΏΡΠΈΠΌΠΈΠ·ΠΈΡΠΎΠ²Π°ΡΡ.
Π―Π²Π»ΡΠ΅ΡΡΡ ΠΎΠ΄Π½ΠΈΠΌ ΠΈΠ· Π½Π°ΠΈΠ±ΠΎΠ»Π΅Π΅ Π²Π°ΠΆΠ½ΡΡ
ΠΈΠ·ΠΌΠ΅ΡΠΈΡΠ΅Π»ΡΠ½ΡΡ
ΠΈΠ½ΡΡΡΡΠΌΠ΅Π½ΡΠΎΠ² Π² Π»Π°Π±ΠΎΡΠ°ΡΠΎΡΠΈΠΈ ΡΠ°Π΄ΠΈΠΎΠ»ΡΠ±ΠΈΡΠ΅Π»Ρ ΠΈ ΡΠ΅ΠΌΠΎΠ½ΡΠ½ΠΈΠΊΠ° ΡΠ»Π΅ΠΊΡΡΠΎΠΎΠ±ΠΎΡΡΠ΄ΠΎΠ²Π°Π½ΠΈΡ, Π΅ΡΡΠ΅ΡΡΠ²Π΅Π½Π½ΠΎ ΠΏΠΎΡΠ»Π΅ Π²ΠΎΠ»ΡΡΠΌΠ΅ΡΡΠ° ΠΈ ΡΠ΅ΡΡΠ΅ΡΠ°. ΠΠΎΠ»ΡΡΠΈΠ½ΡΡΠ²ΠΎ ΡΡ
Π΅ΠΌ ΡΠ°Π±ΠΎΡΠ°ΡΡ ΠΎΡΠ΅Π½Ρ Ρ
ΠΎΡΠΎΡΠΎ, Π½ΠΎ Π²Π΅ΡΡ
Π½ΠΈΠΉ ΠΏΡΠ΅Π΄Π΅Π» ΠΈΠ·ΠΌΠ΅ΡΡΠ΅ΠΌΡΡ
ΡΠ°ΡΡΠΎΡ ΠΈΠ½ΠΎΠ³Π΄Π° ΠΎΠΊΠ°Π·ΡΠ²Π°Π΅ΡΡΡ ΡΠ»Π°Π±ΠΎΠ²Π°Ρ. Π‘ΠΎΠ²ΡΠ΅ΠΌΠ΅Π½Π½Π°Ρ ΠΏΡΠΈΡΠΌΠΎ-ΠΏΠ΅ΡΠ΅Π΄Π°ΡΡΠ°Ρ ΡΠ»Π΅ΠΊΡΡΠΎΠ½ΠΈΠΊΠ° ΡΡΠ΅Π±ΡΠ΅Ρ ΡΠ°ΡΡΠΎΡΠΎΠΌΠ΅Ρ, ΡΠΏΠΎΡΠΎΠ±Π½ΡΠΉ Π±ΡΠ°ΡΡ Π±ΠΎΠ»Π΅Π΅ Π³ΠΈΠ³Π°Π³Π΅ΡΡΠ°. ΠΡΠΎ ΡΠ°ΠΊΠΎΠΉ ΠΏΡΠΈΠ±ΠΎΡ ΠΌΡ ΡΠ΅ΠΉΡΠ°Ρ ΠΈ ΠΏΠΎΠ³ΠΎΠ²ΠΎΡΠΈΠΌ. ΠΠ»ΠΈΠΊ ΠΏΠΎ ΡΡ
Π΅ΠΌΠ΅ Π΄Π»Ρ Π΅Ρ ΡΠ²Π΅Π»ΠΈΡΠ΅Π½ΠΈΡ.
ΠΠ»Π΅ΠΊΡΡΠΈΡΠ΅ΡΠΊΠ°Ρ ΡΡ Π΅ΠΌΠ° ΡΠ°ΡΡΠΎΡΠΎΠΌΠ΅ΡΠ° Π½Π° ΠΠ PIC16F870
ΠΡΠΎΡ ΡΠΈΡΡΠ²ΠΎΠΉ ΠΠ ΡΠ°ΡΡΠΎΡΠΎΠΌΠ΅Ρ ΠΎΠ±Π»Π°Π΄Π°Π΅Ρ ΠΎΡΠ΅Π½Ρ Π²ΡΡΠΎΠΊΠΎΠΉ ΡΠΊΠΎΡΠΎΡΡΡΡ ΠΈΠ·ΠΌΠ΅ΡΠ΅Π½ΠΈΡ, Π΅Π³ΠΎ ΠΎΡΠ΅Π½Ρ Π»Π΅Π³ΠΊΠΎ ΡΠΎΠ±ΡΠ°ΡΡ ΠΈ ΠΈΡΠΏΠΎΠ»ΡΠ·ΠΎΠ²Π°ΡΡ. Π‘ΡΠ΅ΡΡΠΈΠΊ ΡΠΈΡΠ΅Π» Π²ΡΠΏΠΎΠ»Π½Π΅Π½ Π½Π° ΠΎΡΠ½ΠΎΠ²Π΅ ΠΠ-Π΄ΠΈΡΠΏΠ»Π΅Ρ Π½Π° 2 ΡΡΡΠΎΠΊΠΈ ΠΏΠΎ 16 ΡΠΈΠΌΠ²ΠΎΠ»ΠΎΠ². ΠΡΠ» ΠΈΡΠΏΠΎΠ»ΡΠ·ΠΎΠ²Π°Π½ HD44780 Π½Π° ΠΎΡΠ½ΠΎΠ²Π΅ ΠΎΡΠ΅Π½Ρ ΡΠ°ΡΠΏΡΠΎΡΡΡΠ°Π½Π΅Π½Π½ΠΎΠ³ΠΎ Π΄ΠΈΡΠΏΠ»Π΅Ρ. ΠΠ° ΠΌΠΈΠΊΡΠΎΠΊΠΎΠ½ΡΡΠΎΠ»Π»Π΅ΡΠ΅ PIC16F870 ΡΠΎΠ±ΡΠ°Π½Ρ ΡΠ΅ΠΏΠΈ ΡΠΏΡΠ°Π²Π»Π΅Π½ΠΈΡ ΠΏΠΎΠ΄ΡΡΠ΅ΡΠ° ΠΈ ΠΎΡΠΎΠ±ΡΠ°ΠΆΠ΅Π½ΠΈΡ ΡΠ΅Π·ΡΠ»ΡΡΠ°ΡΠ°.
Π§Π°ΡΡΠΎΡΠΎΠΌΠ΅Ρ ΠΌΠΎΠΆΠ΅Ρ ΠΈΠ·ΠΌΠ΅ΡΡΡΡ ΡΠ°ΡΡΠΎΡΡ Π²ΠΏΠ»ΠΎΡΡ Π΄ΠΎ 2,5 ΠΠΡ . ΠΡΠΎ ΡΡΠ°Π»ΠΎ Π²ΠΎΠ·ΠΌΠΎΠΆΠ½ΡΠΌ Π±Π»Π°Π³ΠΎΠ΄Π°ΡΡ ΠΏΡΠ΅Π΄Π΄Π΅Π»ΠΈΡΠ΅Π»Ρ Π½Π° LMX2322 . ΠΠ°Π½Π½Π°Ρ ΡΠΏΠ΅ΡΠΈΠ°Π»ΠΈΠ·ΠΈΡΠΎΠ²Π°Π½Π½Π°Ρ ΠΌΠΈΠΊΡΠΎΡΡ Π΅ΠΌΠ° ΠΏΠΎ Π΄Π°ΡΠ°ΡΠΈΡΡ Π±Π΅ΡΡΡ 2,5 ΠΠΡ Ρ Π²ΡΡΠΎΠΊΠΎΠΉ ΡΡΠ²ΡΡΠ²ΠΈΡΠ΅Π»ΡΠ½ΠΎΡΡΡΡ.
Π§Π°ΡΡΠΎΡΠΎΠΌΠ΅Ρ — ΡΠΈΡΡΠΎΠ²Π°Ρ ΡΠΊΠ°Π»Π° Ρ LCD
ΠΠΏΠΈΡΠ°Π½ΠΈΠ΅ ΠΎΠΏΡΠ±Π»ΠΈΠΊΠΎΠ²Π°Π½ΠΎ Π² ΠΆΡΡΠ½Π°Π»Π΅ Β«Π Π°Π΄ΠΈΠΎΒ» β 7 Π·Π° 2004 Π³., ΡΡΡ. 64, 65 Π§Π°ΡΡΠΎΡΠΎΠΌΠ΅Ρ — ΡΠΈΡΡΠΎΠ²Π°Ρ ΡΠΊΠ°Π»Π° Ρ ΠΠ ΠΈΠ½Π΄ΠΈΠΊΠ°ΡΠΎΡΠΎΠΌ ΠΈ Β«Π Π°Π΄ΠΈΠΎΠ»ΡΠ±ΠΈΡΠ΅Π»ΡΒ» β 10 Π·Π° 2005 Π³., ΡΡΡ. 36…39 Π§Π°ΡΡΠΎΡΠΎΠΌΠ΅Ρ — ΡΠΈΡΡΠΎΠ²Π°Ρ ΡΠΊΠ°Π»Π° Ρ ΠΆΠΈΠ΄ΠΊΠΎΠΊΡΠΈΡΡΠ°Π»Π»ΠΈΡΠ΅ΡΠΊΠΈΠΌ ΠΈΠ½Π΄ΠΈΠΊΠ°ΡΠΎΡΠΎΠΌ.
ΠΡΠ΅Π΄Π»Π°Π³Π°Π΅ΠΌΡΠΉ ΠΏΡΠΈΠ±ΠΎΡ ΠΏΡΠ΅Π΄Π½Π°Π·Π½Π°ΡΠ΅Π½Π° Π΄Π»Ρ ΠΈΡΠΏΠΎΠ»ΡΠ·ΠΎΠ²Π°Π½ΠΈΡ Π² ΠΊΠ°ΡΠ΅ΡΡΠ²Π΅ ΡΠ°ΡΡΠΎΡΠΎΠΌΠ΅ΡΠ° ΠΈΠ»ΠΈ ΡΠΈΡΡΠΎΠ²ΠΎΠΉ ΡΠΊΠ°Π»Ρ ΡΠ²ΡΠ·Π½ΠΎΠΉ ΠΈ ΡΠ°Π΄ΠΈΠΎΠΏΡΠΈΠ΅ΠΌΠ½ΠΎΠΉ Π°ΠΏΠΏΠ°ΡΠ°ΡΡΡΡ Π²ΡΠ΅Ρ
ΡΠΈΠΏΠΎΠ².
ΠΠ΅ΡΠΌΠΎΡΡΡ Π½Π° ΠΎΡΠ΅Π½Ρ ΠΏΡΠΎΡΡΡΡ ΡΡ
Π΅ΠΌΡ ΠΏΡΠΈΠ±ΠΎΡ ΠΈΠΌΠ΅Π΅Ρ Π΄ΠΎΠ²ΠΎΠ»ΡΠ½ΠΎ Π²ΡΡΠΎΠΊΠΈΠ΅ ΠΏΠ°ΡΠ°ΠΌΠ΅ΡΡΡ. ΠΠ½ ΡΠ°Π·ΡΠ°Π±ΠΎΡΠ°Π½ Π½Π° ΠΎΡΠ½ΠΎΠ²Π΅ ΠΈ ΠΈΡΡ
ΠΎΠ΄Ρ ΠΈΠ· ΠΎΠΏΡΡΠ° ΡΠΊΡΠΏΠ»ΡΠ°ΡΠ°ΡΠΈΠΈ ΠΌΠΎΠ΅ΠΉ ΠΏΡΠ΅Π΄ΡΠ΄ΡΡΠ΅ΠΉ ΠΊΠΎΠ½ΡΡΡΡΠΊΡΠΈΠΈ Π§Π°ΡΡΠΎΡΠΎΠΌΠ΅Ρ — ΡΠΈΡΡΠΎΠ²Π°Ρ ΡΠΊΠ°Π»Π° Π½Π° PIC ΠΊΠΎΠ½ΡΡΠΎΠ»Π»Π΅ΡΠ΅ (LED). ΠΡΠΈΠΌΠ΅Π½Π΅Π½ΠΈΠ΅ ΠΆΠΈΠ΄ΠΊΠΎΠΊΡΠΈΡΡΠ°Π»Π»ΠΈΡΠ΅ΡΠΊΠΎΠ³ΠΎ (LCD) ΠΈΠ½Π΄ΠΈΠΊΠ°ΡΠΎΡΠ° Π½Π° ΠΊΠΎΠ½ΡΡΠΎΠ»Π»Π΅ΡΠ΅ HT1613, HT1611 ΠΏΠΎΠ·Π²ΠΎΠ»ΠΈΠ»ΠΎ ΡΠ½ΠΈΠ·ΠΈΡΡ ΠΏΠΎΡΡΠ΅Π±Π»ΡΠ΅ΠΌΡΠΉ ΡΠΎΠΊ, ΡΠΌΠ΅Π½ΡΡΠΈΡΡ ΡΡΠΎΠ²Π΅Π½Ρ ΠΈΠ·Π»ΡΡΠ°Π΅ΠΌΡΡ
ΠΏΠΎΠΌΠ΅Ρ
, ΡΠΌΠ΅Π½ΡΡΠΈΡΡ Π³Π°Π±Π°ΡΠΈΡΡ, Π° ΡΠ°ΠΊΠΆΠ΅ ΡΠΏΡΠΎΡΡΠΈΡΡ ΡΡ
Π΅ΠΌΡ ΠΈ ΠΊΠΎΠ½ΡΡΡΡΠΊΡΠΈΡ ΠΏΡΠΈΠ±ΠΎΡΠ°.
ΠΠΈΠ°ΠΏΠ°Π·ΠΎΠ½ ΠΈΠ·ΠΌΠ΅ΡΡΠ΅ΠΌΡΡ ΡΠ°ΡΡΠΎΡ 10ΠΡ…40ΠΌΠΡ, ΡΡΠ²ΡΡΠ²ΠΈΡΠ΅Π»ΡΠ½ΠΎΡΡΡ 100…200 ΠΌΠ, Π²ΡΠ΅ΠΌΡ ΠΈΠ·ΠΌΠ΅ΡΠ΅Π½ΠΈΡ β 0,1; 1 ΠΈΠ»ΠΈ 10 ΡΠ΅ΠΊ. ΠΡΡΡΡΠΎΠ΄Π΅ΠΉΡΡΠ²ΠΈΠ΅ PIC ΠΊΠΎΠ½ΡΡΠΎΠ»Π»Π΅ΡΠ° Π½Π΅ ΠΏΠΎΠ·Π²ΠΎΠ»ΡΠ΅Ρ Π½Π΅ΠΏΠΎΡΡΠ΅Π΄ΡΡΠ²Π΅Π½Π½ΠΎ ΠΈΠ·ΠΌΠ΅ΡΡΡΡ ΡΠ°ΡΡΠΎΡΡ Π±ΠΎΠ»Π΅Π΅ 40 ΠΌΠ³Ρ, Π½ΠΎ ΠΈΡ ΠΌΠΎΠΆΠ½ΠΎ ΠΈΠ·ΠΌΠ΅ΡΡΡΡ, ΠΈΡΠΏΠΎΠ»ΡΠ·ΡΡ Π²Π½Π΅ΡΠ½ΠΈΠΉ Π‘ΠΠ§ Π΄Π΅Π»ΠΈΡΠ΅Π»Ρ. Π ΡΠ½Π΅ΡΠ³ΠΎΠ½Π΅Π·Π°Π²ΠΈΡΠΈΠΌΡΡ ΠΏΠ°ΠΌΡΡΡ ΠΌΠΎΠΆΠ½ΠΎ Π·Π°ΠΏΠΈΡΠ°ΡΡ Π΄ΠΎ 15 Π·Π½Π°ΡΠ΅Π½ΠΈΠΉ ΠΏΡΠΎΠΌΠ΅ΠΆΡΡΠΎΡΠ½ΡΡ ΡΠ°ΡΡΠΎΡ Π² Π΄ΠΈΠ°ΠΏΠ°Π·ΠΎΠ½Π΅ ΠΎΡ 0 Π΄ΠΎ 800 ΠΌΠΡ. ΠΡΠΎΡΠ΅Π΄ΡΡΠ° ΠΊΠ°Π»ΠΈΠ±ΡΠΎΠ²ΠΊΠΈ ΠΏΡΠ΅Π΄Π΅Π»ΡΠ½ΠΎ ΡΠΏΡΠΎΡΠ΅Π½Π°, ΡΠ°ΡΡΠΎΡΠ° ΠΎΠΏΠΎΡΠ½ΠΎΠ³ΠΎ ΠΊΠ²Π°ΡΡΠ° ΠΌΠΎΠΆΠ΅Ρ Π±ΡΡΡ Π² ΠΏΡΠ΅Π΄Π΅Π»Π°Ρ 1 ΠΌΠΡ…20 ΠΌΠΡ. ΠΡΠ΅ ΠΏΠ°ΡΠ°ΠΌΠ΅ΡΡΡ ΠΌΠΎΠ³ΡΡ ΠΈΠ·ΠΌΠ΅Π½ΡΡΡΡΡ ΠΏΠΎΠ»ΡΠ·ΠΎΠ²Π°ΡΠ΅Π»Π΅ΠΌ Ρ ΠΏΠΎΠΌΠΎΡΡΡ 3-Ρ ΠΊΠ½ΠΎΠΏΠΎΠΊ Π½Π° ΠΏΠ΅ΡΠ΅Π΄Π½Π΅ΠΉ ΠΏΠ°Π½Π΅Π»ΠΈ ΠΏΡΠΈΠ±ΠΎΡΠ°.
Π Π°Π·ΡΠ°Π±ΠΎΡΠ°Π½ΠΎ Π΄Π²Π° Π²Π°ΡΠΈΠ°Π½ΡΠ° ΠΏΡΠΎΠ³ΡΠ°ΠΌΠΌΡ ΡΠ»Π΅ΠΊΡΡΠΎΠ½Π½ΠΎΠ³ΠΎ ΡΠ°ΡΡΠΎΡΠΎΠΌΠ΅ΡΠ°, ΠΏΠ΅ΡΠ²ΡΠΉ ΠΏΠΎΠ·Π²ΠΎΠ»ΡΠ΅Ρ ΠΈΡΠΏΠΎΠ»ΡΠ·ΠΎΠ²Π°ΡΡ ΠΎΠ΄ΠΈΠ½ Π²Π½Π΅ΡΠ½ΠΈΠΉ Ρ Π»ΡΠ±ΡΠΌ ΠΊΠΎΡΡΡΠΈΡΠΈΠ΅Π½ΡΠΎΠΌ Π΄Π΅Π»Π΅Π½ΠΈΡ Π² Π΄ΠΈΠ°ΠΏΠ°Π·ΠΎΠ½Π΅ 2.
..255. ΠΡΠΎΡΠΎΠΉ Π²Π°ΡΠΈΠ°Π½Ρ Π΄ΠΎΠΏΡΡΠΊΠ°Π΅Ρ ΠΏΡΠΈΠΌΠ΅Π½Π΅Π½ΠΈΠ΅ ΡΡΠ΅Ρ
Π²Π½Π΅ΡΠ½ΠΈΡ
Π΄Π΅Π»ΠΈΡΠ΅Π»Π΅ΠΉ Ρ ΡΠ°Π·Π»ΠΈΡΠ½ΡΠΌΠΈ ΠΊΠΎΡΡΡΠΈΡΠΈΠ΅Π½ΡΠ°ΠΌΠΈ Π΄Π΅Π»Π΅Π½ΠΈΡ, Π° Π΄ΠΈΠ°ΠΏΠ°Π·ΠΎΠ½ Π΄ΠΎΠΏΡΡΡΠΈΠΌΡΡ
Π·Π½Π°ΡΠ΅Π½ΠΈΠΉ ΠΠ΄ ΡΠ°ΡΡΠΈΡΠ΅Π½ Π΄ΠΎ 256. ΠΠΎΠΌΠ΅Ρ ΠΏΠΎΠ΄ΠΊΠ»ΡΡΠ΅Π½Π½ΠΎΠ³ΠΎ Π² Π΄Π°Π½Π½ΡΠΉ ΠΌΠΎΠΌΠ΅Π½Ρ Π΄Π΅Π»ΠΈΡΠ΅Π»Ρ ΠΎΠΏΡΠ΅Π΄Π΅Π»ΡΠ΅ΡΡΡ Π°Π²ΡΠΎΠΌΠ°ΡΠΈΡΠ΅ΡΠΊΠΈ.
ΠΡΠΈ ΠΈΡΠΏΠΎΠ»ΡΠ·ΠΎΠ²Π°Π½ΠΈΠΈ ΡΠ°ΡΡΠΎΡΠΎΠΌΠ΅ΡΠ° Π½Π° ΠΌΠΈΠΊΡΠΎΠΊΠΎΠ½ΡΡΠΎΠ»Π»Π΅ΡΠ΅ Ρ ΠΏΠ΅ΡΠ²ΡΠΌ Π²Π°ΡΠΈΠ°Π½ΡΠΎΠΌ ΠΏΡΠΎΠ³ΡΠ°ΠΌΠΌΡ Π² ΠΊΠ°ΡΠ΅ΡΡΠ²Π΅ ΡΠΈΡΡΠΎΠ²ΠΎΠΉ ΡΠΊΠ°Π»Ρ, Π² Π΅Π³ΠΎ ΡΠ½Π΅ΡΠ³ΠΎΠ½Π΅Π·Π°Π²ΠΈΡΠΈΠΌΡΡ ΠΏΠ°ΠΌΡΡΡ ΠΌΠΎΠΆΠ½ΠΎ Π·Π°ΠΏΠΈΡΠ°ΡΡ Π΄ΠΎ 15 ΠΏΡΠΎΠΌΠ΅ΠΆΡΡΠΎΡΠ½ΡΡ ΡΠ°ΡΡΠΎΡ Π² Π΄ΠΈΠ°ΠΏΠ°Π·ΠΎΠ½Π΅ ΠΎΡ 0 Π΄ΠΎ 800 ΠΠΡ. ΠΠΎ Π²ΡΠΎΡΠΎΠΌ Π²Π°ΡΠΈΠ°Π½ΡΠ΅ ΠΏΡΠΎΠ³ΡΠ°ΠΌΠΌΡ ΠΊΠΎΠ»ΠΈΡΠ΅ΡΡΠ²ΠΎ ΠΠ§ Π½Π΅ ΠΌΠΎΠΆΠ΅Ρ ΠΏΡΠ΅Π²ΡΡΠ°ΡΡ 7. ΠΡ Π·Π½Π°ΡΠ΅Π½ΠΈΡ Π²Π²ΠΎΠ΄ΡΡΡΡ Ρ ΡΠΎΡΠ½ΠΎΡΡΡΡ Π΄ΠΎ 100 ΠΡ ΠΈ Π² Π»ΡΠ±ΠΎΠΉ ΠΌΠΎΠΌΠ΅Π½Ρ ΠΌΠΎΠ³ΡΡ Π±ΡΡΡ ΠΈΠ·ΠΌΠ΅Π½Π΅Π½Ρ ΠΏΠΎΠ»ΡΠ·ΠΎΠ²Π°ΡΠ΅Π»Π΅ΠΌ Ρ ΠΏΠΎΠΌΠΎΡΡΡ 3-Ρ ΠΊΠ½ΠΎΠΏΠΎΠΊ, ΡΠ°ΡΠΏΠΎΠ»ΠΎΠΆΠ΅Π½Π½ΡΡ Π½Π° ΠΏΠ΅ΡΠ΅Π΄Π½Π΅ΠΉ ΠΏΠ°Π½Π΅Π»ΠΈ ΠΏΡΠΈΠ±ΠΎΡΠ°.
ΠΡΠΈΠ½ΡΠΈΠΏΠΈΠ°Π»ΡΠ½Π°Ρ ΡΡ
Π΅ΠΌΠ° ΡΠ°ΡΡΠΎΡΠΎΠΌΠ΅ΡΠ° ΠΏΠΎΠΊΠ°Π·Π°Π½Π° Π½Π° ΡΠΈΡΡΠ½ΠΊΠ΅. Π Π½Π΅ΠΌ ΠΈΡΠΏΠΎΠ»ΡΠ·ΠΎΠ²Π°Π½ ΠΎΠ΄ΠΈΠ½ ΠΈΠ· ΡΠ°ΠΌΡΡ
Π΄Π΅ΡΠ΅Π²ΡΡ
ΠΈ ΡΠ°ΡΠΏΡΠΎΡΡΡΠ°Π½Π΅Π½Π½ΡΡ
LCD (ΠΠΠ) ΠΈΠ½Π΄ΠΈΠΊΠ°ΡΠΎΡΠΎΠ² ΠΎΡ ΡΠ΅Π»Π΅ΡΠΎΠ½ΠΎΠ² Ρ ΠΠΠ — HT1613 (HT1611). Π ΡΠΎΠΆΠ°Π»Π΅Π½ΠΈΡ, ΠΎΠ½ Π½Π΅ ΠΈΠΌΠ΅Π΅Ρ ΡΠΎΠ±ΡΡΠ²Π΅Π½Π½ΠΎΠ³ΠΎ Π½Π°Π·Π²Π°Π½ΠΈΡ ΠΈ ΡΠ°Π·Π½ΡΠ΅ ΠΏΡΠΎΠΈΠ·Π²ΠΎΠ΄ΠΈΡΠ΅Π»ΠΈ Π½Π°Π·ΡΠ²Π°ΡΡ Π΅Π³ΠΎ ΠΏΠΎ ΡΠ²ΠΎΠ΅ΠΌΡ, Π½Π°ΠΏΡΠΈΠΌΠ΅Ρ, Π²ΡΡΡΠ΅ΡΠ°Π΅ΡΡΡ ΠΎΠ±ΠΎΠ·Π½Π°ΡΠ΅Π½ΠΈΠ΅ KOβ4B. ΠΠ΅ΠΈΠ·ΠΌΠ΅Π½Π½ΡΠΌ ΠΎΡΡΠ°Π΅ΡΡΡ ΡΠΎΠ»ΡΠΊΠΎ Π΅Π³ΠΎ Π²ΡΡΡΠΎΠ΅Π½Π½ΡΠΉ ΠΊΠΎΠ½ΡΡΠΎΠ»Π»Π΅Ρ HT1611 ΠΈΠ»ΠΈ HT1613.
ΠΡΠΈ ΠΏΡΠΈΠΌΠ΅Π½Π΅Π½ΠΈΠΈ ΡΠΊΠ°Π·Π°Π½Π½ΡΡ Π½Π° ΡΡ Π΅ΠΌΠ΅ Π΄Π΅ΡΠ°Π»Π΅ΠΉ Π²Ρ ΠΎΠ΄Π½ΠΎΠΉ ΡΠΎΡΠΌΠΈΡΠΎΠ²Π°ΡΠ΅Π»Ρ ΡΠ°ΡΡΠΎΡΠΎΠΌΠ΅ΡΠ° ΠΈΠΌΠ΅Π΅Ρ ΠΏΠΎΠ»ΠΎΡΡ ΠΏΡΠΎΠΏΡΡΠΊΠ°Π½ΠΈΡ 10 ΠΡ…100 ΠΠΡ, Π²Ρ ΠΎΠ΄Π½ΠΎΠ΅ ΡΠΎΠΏΡΠΎΡΠΈΠ²Π»Π΅Π½ΠΈΠ΅ 500 ΠΊΠΎΠΌ ΠΈ ΡΡΠ²ΡΡΠ²ΠΈΡΠ΅Π»ΡΠ½ΠΎΡΡΡ ΠΎΠΊΠΎΠ»ΠΎ 100 ΠΌΠ², Π½ΠΎ Π±ΡΡΡΡΠΎΠ΄Π΅ΠΉΡΡΠ²ΠΈΠ΅ Π²ΡΡΡΠΎΠ΅Π½Π½ΠΎΠ³ΠΎ Π² PIC ΠΊΠΎΠ½ΡΡΠΎΠ»Π»Π΅Ρ Π΄Π΅Π»ΠΈΡΠ΅Π»Ρ ΠΎΠ³ΡΠ°Π½ΠΈΡΠΈΠ²Π°Π΅Ρ Π²Π΅ΡΡ Π½ΡΡ Π³ΡΠ°Π½ΠΈΡΡ ΠΈΠ·ΠΌΠ΅ΡΡΠ΅ΠΌΡΡ ΡΠ°ΡΡΠΎΡ Π·Π½Π°ΡΠ΅Π½ΠΈΠ΅ΠΌ 40…50 ΠΠΡ. ΠΠΈΠΆΠ½ΡΡ Π³ΡΠ°Π½ΠΈΡΠ° Π΄Π»Ρ ΡΠΈΠ½ΡΡΠΎΠΈΠ΄Π°Π»ΡΠ½ΠΎΠ³ΠΎ ΡΠΈΠ³Π½Π°Π»Π° ΠΎΠΏΡΠ΅Π΄Π΅Π»ΡΠ΅ΡΡΡ Π΅ΠΌΠΊΠΎΡΡΡΡ C1 ΠΈ C5. ΠΠΈΠΎΠ΄Ρ VD1, VD2 Π·Π°ΡΠΈΡΠ°ΡΡ ΠΏΠΎΠ»Π΅Π²ΠΎΠΉ ΡΡΠ°Π½Π·ΠΈΡΡΠΎΡ ΠΎΡ Π²ΡΡ ΠΎΠ΄Π° ΠΈΠ· ΡΡΡΠΎΡ ΠΏΡΠΈ ΠΏΠΎΠΏΠ°Π΄Π°Π½ΠΈΠΈ Π½Π° Π²Ρ ΠΎΠ΄ Π²ΡΡΠΎΠΊΠΎΠ³ΠΎ Π½Π°ΠΏΡΡΠΆΠ΅Π½ΠΈΡ. ΠΡΡΠΎΠΊΠΈΠ΅ ΠΏΠ°ΡΠ°ΠΌΠ΅ΡΡΡ Π²Ρ ΠΎΠ΄Π½ΠΎΠ³ΠΎ ΡΠΎΡΠΌΠΈΡΠΎΠ²Π°ΡΠ΅Π»Ρ ΠΏΡΠΈ ΡΡΠ°Π²Π½ΠΈΡΠ΅Π»ΡΠ½ΠΎ ΠΏΡΠΎΡΡΠΎΠΉ ΡΡ Π΅ΠΌΠ΅ ΠΈ ΠΏΠΈΡΠ°Π½ΠΈΠΈ ΡΠΎΠ»ΡΠΊΠΎ ΠΎΡ ΠΎΠ΄Π½ΠΎΠ³ΠΎ ΠΈΡΡΠΎΡΠ½ΠΈΠΊΠ° 5 Π² ΡΠ΄Π°Π»ΠΎΡΡ ΠΏΠΎΠ»ΡΡΠΈΡΡ Π±Π»Π°Π³ΠΎΠ΄Π°ΡΡ ΠΏΡΠΈΠΌΠ΅Π½Π΅Π½ΠΈΡ ΠΠΠΠ ΡΡΠΈΠ³Π³Π΅ΡΠ° Π¨ΠΌΠΈΡΡΠ° DD2 ΡΠΈΠΏΠ° 74AC14. ΠΡΠΏΠΎΠ»ΡΠ·ΠΎΠ²Π°ΡΡ Π·Π΄Π΅ΡΡ TTL Π°Π½Π°Π»ΠΎΠ³ Π½Π΅Π΄ΠΎΠΏΡΡΡΠΈΠΌΠΎ, Ρ.ΠΊ. ΡΡΠΎ ΡΠ½ΠΈΠ·ΠΈΡ Π²Π΅ΡΡ Π½ΡΡ Π³ΡΠ°Π½ΠΈΡΡ ΠΈΠ·ΠΌΠ΅ΡΡΠ΅ΠΌΡΡ ΡΠ°ΡΡΠΎΡ Π΄ΠΎ 10…15 ΠΠΡ. Π£ΠΏΡΠ°Π²Π»ΡΡΡΠΈΠΉ ΠΊΠΎΠ½ΡΡΠΎΠ»Π»Π΅Ρ ΠΌΠΎΠΆΠ΅Ρ Π±ΡΡΡ ΡΠΈΠΏΠ° PIC16F84, PIC16F628, PIC16CE625.
SA4 ΠΈ SA5 ΠΈΡΠΏΠΎΠ»ΡΠ·ΡΡΡΡΡ Π΄Π»Ρ Π²ΡΠ±ΠΎΡΠ° Π½ΠΎΠΌΠ΅ΡΠ° Π²Π½Π΅ΡΠ½Π΅Π³ΠΎ Π‘ΠΠ§ Π΄Π΅Π»ΠΈΡΠ΅Π»Ρ. ΠΡ
ΡΠ°Π·ΠΎΠΌΠΊΠ½ΡΡΠΎΠ΅ ΡΠΎΡΡΠΎΡΠ½ΠΈΠ΅ ΡΠΎΠΎΡΠ²Π΅ΡΡΡΠ²ΡΠ΅Ρ ΡΠ°Π±ΠΎΡΠ΅ ΠΏΡΠΈΠ±ΠΎΡΠ° Π±Π΅Π· Π‘ΠΠ§ Π΄Π΅Π»ΠΈΡΠ΅Π»Ρ.
ΠΠ°ΠΌΡΠΊΠ°Ρ SA4, SA5 ΠΌΠΎΠΆΠ½ΠΎ Π²ΡΠ±ΡΠ°ΡΡ ΠΎΠ΄ΠΈΠ½ ΠΈΠ· 3-Ρ
Π΄Π΅Π»ΠΈΡΠ΅Π»Π΅ΠΉ. ΠΡΠΎ ΠΌΠΎΠΆΠ΅Ρ ΠΎΠΊΠ°Π·Π°ΡΡΡΡ ΠΏΠΎΠ»Π΅Π·Π½ΡΠΌ ΠΏΡΠΈ ΠΏΡΠΎΠ²Π΅Π΄Π΅Π½ΠΈΠΈ ΠΈΠ·ΠΌΠ΅ΡΠ΅Π½ΠΈΠΉ Π² ΡΠΈΡΠΎΠΊΠΎΠΌ Π΄ΠΈΠ°ΠΏΠ°Π·ΠΎΠ½Π΅ ΡΠ°ΡΡΠΎΡ. ΠΠ°ΠΏΡΠΈΠΌΠ΅Ρ, ΠΏΠ΅ΡΠ²ΡΠΉ Π΄Π΅Π»ΠΈΡΠ΅Π»Ρ ΡΠ°Π±ΠΎΡΠ°Π΅Ρ Π² Π΄ΠΈΠ°ΠΏΠ°Π·ΠΎΠ½Π΅ 500 ΠΠΡ…2 ΠΠΡ, Π° Π²ΡΠΎΡΠΎΠΉ β 30 ΠΠΡ…500 ΠΠΡ ΠΈ ΠΎΠ½ΠΈ ΠΈΠΌΠ΅ΡΡ ΡΠ°Π·Π½ΡΠΉ ΠΊΠΎΡΡΡΠΈΡΠΈΠ΅Π½Ρ Π΄Π΅Π»Π΅Π½ΠΈΡ. ΠΡΠΈ ΡΠΌΠ΅Π½Π΅ Π΄Π΅Π»ΠΈΡΠ΅Π»Ρ ΠΏΡΠΈΠ±ΠΎΡ Π°Π²ΡΠΎΠΌΠ°ΡΠΈΡΠ΅ΡΠΊΠΈ Π±ΡΠ΄Π΅Ρ ΡΡΠΈΡΡΠ²Π°ΡΡ ΡΠΌΠ΅Π½Ρ Π΅Π³ΠΎ ΠΊΠΎΡΡΡΠΈΡΠΈΠ΅Π½ΡΠ° Π΄Π΅Π»Π΅Π½ΠΈΡ ΠΏΡΠΈ ΡΠ°ΡΡΠ΅ΡΠ΅ ΠΏΠΎΠΊΠ°Π·Π°Π½ΠΈΠΉ. ΠΡΠΈ Π½Π΅ΠΎΠ±Ρ
ΠΎΠ΄ΠΈΠΌΠΎΡΡΠΈ Π½Π° ΠΏΠ»Π°ΡΡ ΠΌΠΎΠΆΠ½ΠΎ ΡΡΡΠ°Π½ΠΎΠ²ΠΈΡΡ DIP ΠΏΠ΅ΡΠ΅ΠΊΠ»ΡΡΠ°ΡΠ΅Π»ΠΈ Π΄Π»Ρ Π²ΡΠ±ΠΎΡΠ° ΠΠ§ ΠΈ Π΄Π΅Π»ΠΈΡΠ΅Π»Ρ.
Π ΡΡ Π΅ΠΌΠ΅ ΡΠ°ΡΡΠΎΡΠΎΠΌΠ΅ΡΠ° Π½Π° ΠΌΠΈΠΊΡΠΎΠΊΠΎΠ½ΡΡΠΎΠ»Π»Π΅ΡΠ΅ ΠΌΠΎΠΆΠ½ΠΎ ΠΈΡΠΏΠΎΠ»ΡΠ·ΠΎΠ²Π°ΡΡ ΠΏΡΠ°ΠΊΡΠΈΡΠ΅ΡΠΊΠΈ Π»ΡΠ±ΠΎΠΉ ΠΊΠ²Π°ΡΡΠ΅Π²ΡΠΉ ΡΠ΅Π·ΠΎΠ½Π°ΡΠΎΡ, ΠΎΠ΄Π½Π°ΠΊΠΎ ΠΎΠΏΡΠΈΠΌΠ°Π»ΡΠ½ΠΎΠΉ ΡΠ²Π»ΡΠ΅ΡΡΡ ΡΠ°ΠΊΡΠΎΠ²Π°Ρ ΡΠ°ΡΡΠΎΡΠ° ΠΊΠΎΠ½ΡΡΠΎΠ»Π»Π΅ΡΠ° ΠΎΠΊΠΎΠ»ΠΎ 4 ΠΠΡ. ΠΠ° ΠΌΠ΅Π½ΡΡΠ΅ΠΉ ΡΠ°ΡΡΠΎΡΠ΅ ΡΠ½ΠΈΠΆΠ°Π΅ΡΡΡ Π±ΡΡΡΡΠΎΠ΄Π΅ΠΉΡΡΠ²ΠΈΠ΅ PIC, Π° ΠΏΠΎΠ²ΡΡΠ΅Π½ΠΈΠ΅ ΡΠ°ΡΡΠΎΡΡ ΡΠ²Π΅Π»ΠΈΡΠΈΠ²Π°Π΅Ρ ΠΏΠΎΡΡΠ΅Π±Π»ΡΠ΅ΠΌΡΠΉ ΡΠΎΠΊ, Π½Π΅ Π΄Π°Π²Π°Ρ ΠΎΡΠΎΠ±ΡΡ ΠΏΡΠ΅ΠΈΠΌΡΡΠ΅ΡΡΠ².
ΠΡΠΈΠ±ΠΎΡ ΠΏΠΎΠ»ΡΡΠΈΠ»ΡΡ ΠΎΡΠ΅Π½Ρ ΠΏΡΠΎΡΡΠΎΠΉ, ΠΈ Π² ΡΠΎ ΠΆΠ΅ Π²ΡΠ΅ΠΌΡ ΡΠ΄ΠΎΠ±Π½ΡΠΉ Π² ΡΠ°Π±ΠΎΡΠ΅. ΠΠ³ΠΎ ΠΏΠΎΠ²ΡΠΎΡΠΈΠ»ΠΈ ΠΌΠ½ΠΎΠ³ΠΈΠ΅ ΡΠ°Π΄ΠΈΠΎΠ»ΡΠ±ΠΈΡΠ΅Π»ΠΈ, Π΄ΠΎΠΏΠΎΠ»Π½ΠΈΠ² ΠΎΠΏΠΈΡΠ°Π½ΠΈΠ΅ ΡΠ²ΠΎΠΈΠΌΠΈ Π²Π°ΡΠΈΠ°Π½ΡΠ°ΠΌΠΈ ΠΏΠ΅ΡΠ°ΡΠ½ΠΎΠΉ ΠΏΠ»Π°ΡΡ. Π―, Π² ΡΠ²ΠΎΡ ΠΎΡΠ΅ΡΠ΅Π΄Ρ, Π΄Π΅Π»ΡΡΡ ΡΡΠΎΠΉ ΠΈΠ½ΡΠΎΡΠΌΠ°ΡΠΈΠ΅ΠΉ Ρ ΠΠ°ΠΌΠΈ. ΠΠΎΠΏΠΎΠ»Π½Π΅Π½ΠΈΡ ΠΏΠΎΠ»ΡΠ·ΠΎΠ²Π°ΡΠ΅Π»Π΅ΠΉ Π²ΡΠ»ΠΎΠΆΠ΅Π½Ρ Π½Π° ΡΡΠΎΠΉ ΡΡΡΠ°Π½ΠΈΡΠΊΠ΅ Π² Π°ΡΡ
ΠΈΠ²Π΅ Π² ΡΠΎΠΌ Π²ΠΈΠ΄Π΅, Π² ΠΊΠ°ΠΊΠΎΠΌ Ρ ΠΈΡ
ΠΏΠΎΠ»ΡΡΠΈΠ» — «ΠΊΠ°ΠΊ Π΅ΡΡΡ».
ΠΡΠ»ΠΈ Π²ΠΎΠ·Π½ΠΈΠΊΠ½ΡΡ ΡΠ»ΠΎΠΆΠ½ΠΎΡΡΠΈ Ρ ΠΏΡΠΈΠΎΠ±ΡΠ΅ΡΠ΅Π½ΠΈΠ΅ΠΌ ΠΠΠ ΠΈΠ½Π΄ΠΈΠΊΠ°ΡΠΎΡΠ° HT1613 (HT1611, KO-4B), Π΅Π³ΠΎ ΠΌΠΎΠΆΠ½ΠΎ Π·Π°ΠΌΠ΅Π½ΠΈΡΡ Π½Π° ΡΠ²Π΅ΡΠΎΠ΄ΠΈΠΎΠ΄Π½ΡΠ΅ ΠΈΠ½Π΄ΠΈΠΊΠ°ΡΠΎΡΡ. ΠΠ΄Π½ΠΈΠΌ ΠΈΠ· ΠΏΠ΅ΡΠ²ΡΡ ΡΠ°ΠΊΠΎΠ΅ ΡΡΡΡΠΎΠΉΡΡΠ²ΠΎ Π½Π° AT90S1200 ΠΏΡΠ΅Π΄Π»ΠΎΠΆΠΈΠ» ΠΠ΄ΡΠ°ΡΠ΄ (UA4NX). ΠΠΏΠΈΡΠ°Π½ΠΈΠ΅ ΠΌΠΎΠΆΠ½ΠΎ Π½Π°ΠΉΡΠΈ Π½Π° Π΅Π³ΠΎ ΡΠ°ΠΉΡΠ΅ . ΠΠ·Π²Π΅ΡΡΠ΅Π½ Π²Π°ΡΠΈΠ°Π½Ρ ΠΈ Π½Π° ATmega8. ΠΠ° Π²ΡΡΠΊΠΈΠΉ ΡΠ»ΡΡΠ°ΠΉ Ρ Π²ΡΠΊΠ»Π°Π΄ΡΠ²Π°Ρ Π°ΡΡ ΠΈΠ² Ρ ΠΊΠΎΠΏΠΈΠ΅ΠΉ ΡΡΡΠ°Π½ΠΈΡΠΊΠΈ UA4NX, ΠΊΠΎΠΏΠΈΠ΅ΠΉ ΠΎΠΏΠΈΡΠ°Π½ΠΈΡ ΠΊΠΎΠ½ΡΡΡΡΠΊΡΠΈΠΈ Π½Π° ATMega8 ΠΈ Datasheet Π½Π° ΠΈΠ½Π΄ΠΈΠΊΠ°ΡΠΎΡ.
ΠΠΎΠ΄ΡΠΎΠ±Π½ΠΎΠ΅ ΠΎΠΏΠΈΡΠ°Π½ΠΈΠ΅ (225 ΠΠ±). ΠΠ°Π³ΡΡΠ·ΠΎΠΊ: 417
Π ΠΈΡΡΠ½ΠΊΠΈ ΠΏΠ»Π°ΡΡ Π² ΡΠΎΡΠΌΠ°ΡΠ΅ GIF, ΡΡ
Π΅ΠΌΠ° ΠΈ ΠΏΠ»Π°ΡΠ° Π² Orcad 9.1 (78 ΠΠ±). ΠΠ°Π³ΡΡΠ·ΠΎΠΊ: 396
ΠΡΠΎΡΠΈΠ²ΠΊΠΈ ΠΈ ΠΈΡΡ
ΠΎΠ΄Π½ΡΠ΅ ΡΠ΅ΠΊΡΡΡ ΠΏΡΠΎΠ³ΡΠ°ΠΌΠΌ Π΄Π»Ρ PIC16F84, PIC16F628, PIC16CE625 (81 ΠΠ±). ΠΠ°Π³ΡΡΠ·ΠΎΠΊ: 479
ΠΠΎΠΏΠΎΠ»Π½Π΅Π½ΠΈΡ ΠΏΠΎΠ»ΡΠ·ΠΎΠ²Π°ΡΠ΅Π»Π΅ΠΉ (222 ΠΠ±). ΠΠ°Π³ΡΡΠ·ΠΎΠΊ: 391
ΠΠ°ΠΌΠ΅Π½Π° ΠΈΠ½Π΄ΠΈΠΊΠ°ΡΠΎΡΠ° HT1613 (HT1611, KO-4B) (270 ΠΠ±). ΠΠ°Π³ΡΡΠ·ΠΎΠΊ: 526
ΠΠ²ΡΠΎΡ ΡΡΠ°ΡΡΠΈ: ΠΠΈΠΊΠΎΠ»Π°ΠΉ RA4NAL
ΠΡΠΎΡΠΌΠΎΡΡΠΎΠ²: 5970
ΠΠ΅ΡΠ°ΡΡ
Π§Π°ΡΡΠΎΡΠΎΠΌΠ΅Ρ 100 ΠΠΡ Ρ PIC16F628A — ΠΠ-Π΄ΠΈΡΠΏΠ»Π΅ΠΉ
Π ΡΡΠΎΠΌ ΠΏΡΠΎΠ΅ΠΊΡΠ΅ ΠΏΠΎΠΊΠ°Π·Π°Π½ΠΎ, ΠΊΠ°ΠΊ ΡΠΎΠ·Π΄Π°ΡΡ ΠΎΡΠ΅Π½Ρ ΠΏΡΠΎΡΡΠΎΠΉ, Π½ΠΎ ΠΎΡΠ΅Π½Ρ ΠΏΠΎΠ»Π΅Π·Π½ΡΠΉ ΠΈΠ½ΡΡΡΡΠΌΠ΅Π½Ρ, ΠΊΠΎΡΠΎΡΡΠΉ Π΄ΠΎΠ»ΠΆΠ΅Π½ Π±ΡΡΡ Π² Π»Π°Π±ΠΎΡΠ°ΡΠΎΡΠΈΠΈ ΠΊΠ°ΠΆΠ΄ΠΎΠ³ΠΎ ΡΠ½ΡΡΠ·ΠΈΠ°ΡΡΠ°-Π»ΡΠ±ΠΈΡΠ΅Π»Ρ: ΡΠ°ΡΡΠΎΡΠΎΠΌΠ΅Ρ Ρ ΡΠ°ΡΡΠΎΡΠΎΠΉ Π±ΠΎΠ»Π΅Π΅ 100Β ΠΠΡ.
Π‘Ρ Π΅ΠΌΠ° Π΄ΠΎΠ²ΠΎΠ»ΡΠ½ΠΎ ΠΏΡΠΎΡΡΠ° ΠΈ ΠΏΠΎΠ½ΡΡΠ½Π°, Π² Π½Π΅ΠΉ ΠΈΡΠΏΠΎΠ»ΡΠ·ΡΠ΅ΡΡΡ ΠΌΠΈΠΊΡΠΎΠΊΠΎΠ½ΡΡΠΎΠ»Π»Π΅Ρ PIC16F628A Π΄Π»Ρ ΠΈΠ·ΠΌΠ΅ΡΠ΅Π½ΠΈΡ ΡΠ°ΡΡΠΎΡΡ ΠΈ Π²ΡΡΠΎΠΊΠΎΡΠΊΠΎΡΠΎΡΡΠ½ΠΎΠΉ ΠΊΠΎΠΌΠΏΠ°ΡΠ°ΡΠΎΡ Π΄Π»Ρ ΡΡΠΈΠ»Π΅Π½ΠΈΡ ΠΈ ΠΏΡΠ΅ΠΎΠ±ΡΠ°Π·ΠΎΠ²Π°Π½ΠΈΡ ΡΠΈΠ³Π½Π°Π»Π°.
ΠΠΈΠΊΡΠΎΠΊΠΎΠ½ΡΡΠΎΠ»Π»Π΅Ρ ΠΈΡΠΏΠΎΠ»ΡΠ·ΡΠ΅Ρ ΡΠ²ΠΎΠΉ Π²Π½ΡΡΡΠ΅Π½Π½ΠΈΠΉ Π³Π΅Π½Π΅ΡΠ°ΡΠΎΡ 4 ΠΠΡ Π΄Π»Ρ ΡΠ°ΠΊΡΠΈΡΠΎΠ²Π°Π½ΠΈΡ Π¦Π. Timer1 ΠΈΡΠΏΠΎΠ»ΡΠ·ΡΠ΅Ρ Π²Π½Π΅ΡΠ½ΠΈΠΉ ΠΊΠ²Π°ΡΡΠ΅Π²ΡΠΉ ΡΠ΅Π·ΠΎΠ½Π°ΡΠΎΡ (ΠΊΠ²Π°ΡΡΠ΅Π²ΡΠΉ ΠΊΠ²Π°ΡΡ) Ρ ΡΠ°ΡΡΠΎΡΠΎΠΉ 32768 ΠΡ Π΄Π»Ρ ΡΡΡΠ°Π½ΠΎΠ²ΠΊΠΈ 1-ΡΠ΅ΠΊΡΠ½Π΄Π½ΠΎΠΉ Π±Π°Π·Ρ Π²ΡΠ΅ΠΌΠ΅Π½ΠΈ.
Timer0 ΠΈΡΠΏΠΎΠ»ΡΠ·ΡΠ΅ΡΡΡ Π΄Π»Ρ ΠΏΠΎΠ΄ΡΡΠ΅ΡΠ° Π²Ρ ΠΎΠ΄Π½ΠΎΠ³ΠΎ ΡΠΈΠ³Π½Π°Π»Π° Π½Π° ΠΊΠΎΠ½ΡΠ°ΠΊΡΠ΅ RA4.
ΠΠ°ΠΊΡΠΈΠΌΠ°Π»ΡΠ½Π°Ρ ΡΠ°ΡΡΠΎΡΠ° Timer0 ΡΠΎΡΡΠ°Π²Π»ΡΠ΅Ρ 1/4 ΡΠ°ΠΊΡΠΎΠ²ΠΎΠΉ ΡΠ°ΡΡΠΎΡΡ Π¦Π, ΡΡΠΎ ΡΠΎΡΡΠ°Π²Π»ΡΠ΅Ρ 1 ΠΠΡ, Π½ΠΎ ΠΈΠΌΠ΅Π΅ΡΡΡ Π²Π½ΡΡΡΠ΅Π½Π½ΠΈΠΉ ΠΏΡΠ΅Π΄Π²Π°ΡΠΈΡΠ΅Π»ΡΠ½ΡΠΉ Π΄Π΅Π»ΠΈΡΠ΅Π»Ρ, ΠΊΠΎΡΠΎΡΡΠΉ ΠΌΠΎΠΆΠ½ΠΎ ΡΡΡΠ°Π½ΠΎΠ²ΠΈΡΡ Π² Π΄ΠΈΠ°ΠΏΠ°Π·ΠΎΠ½Π΅ ΠΎΡ 1 Π΄ΠΎ 256. Π’Π΅ΠΎΡΠ΅ΡΠΈΡΠ΅ΡΠΊΠΈ ΡΡΠΎ ΠΌΠΎΠΆΠ΅Ρ ΠΏΠΎΠ·Π²ΠΎΠ»ΠΈΡΡ Π²Ρ
ΠΎΠ΄Π½ΠΎΠΌΡ ΡΠΈΠ³Π½Π°Π»Ρ ΡΠ°Π±ΠΎΡΠ°ΡΡ Π½Π° ΡΠ°ΡΡΠΎΡΠ΅ Π΄ΠΎ 256 ΠΠΡ. Π‘ Π΄ΡΡΠ³ΠΎΠΉ ΡΡΠΎΡΠΎΠ½Ρ, Π² ΡΠ°Π±Π»ΠΈΡΠ΅ Π΄Π°Π½Π½ΡΡ
16F628A Π΅ΡΡΡ ΡΡΠ΅Π±ΠΎΠ²Π°Π½ΠΈΠ΅, ΡΡΠΎΠ±Ρ Π²Ρ
ΠΎΠ΄Π½ΠΎΠΉ ΠΈΠΌΠΏΡΠ»ΡΡ Π½Π° RA4 ΠΈΠΌΠ΅Π» ΠΌΠΈΠ½ΠΈΠΌΠ°Π»ΡΠ½ΡΡ ΡΠΈΡΠΈΠ½Ρ 10 Π½Ρ, ΡΡΠΎ ΡΠΎΠΎΡΠ²Π΅ΡΡΡΠ²ΡΠ΅Ρ ΡΠ°ΡΡΠΎΡΠ΅ 100 ΠΠΡ. Π’Π°ΠΊΠΈΠΌ ΠΎΠ±ΡΠ°Π·ΠΎΠΌ, ΠΌΠ°ΠΊΡΠΈΠΌΠ°Π»ΡΠ½Π°Ρ ΡΠ°ΡΡΠΎΡΠ° ΠΌΠΎΠΆΠ΅Ρ Π±ΡΡΡ ΠΌΠ΅ΠΆΠ΄Ρ 100 ΠΠΡ ΠΈ 256 ΠΠΡ. Π― ΠΏΡΠΎΠ²Π΅ΡΠΈΠ» Ρ Π΄Π²ΡΠΌΡ ΡΠ°Π·Π½ΡΠΌΠΈ PIC16F628A, ΠΈ ΠΎΠ½ΠΈ Π»Π΅Π³ΠΊΠΎ ΠΏΡΠ΅ΠΎΠ΄ΠΎΠ»Π΅Π»ΠΈ Π±Π°ΡΡΠ΅Ρ Π² 200 ΠΠΡ.
ΠΠ»Ρ Π΄ΠΎΡΡΠΈΠΆΠ΅Π½ΠΈΡ ΠΌΠ°ΠΊΡΠΈΠΌΠ°Π»ΡΠ½ΠΎ Π²ΠΎΠ·ΠΌΠΎΠΆΠ½ΠΎΠ³ΠΎ ΡΠ°Π·ΡΠ΅ΡΠ΅Π½ΠΈΡ Π²Ρ ΠΎΠ΄Π½ΠΎΠΉ ΡΠΈΠ³Π½Π°Π» ΠΈΡΡΠ»Π΅Π΄ΡΠ΅ΡΡΡ Π² ΡΠ΅ΡΠ΅Π½ΠΈΠ΅ 0,125 ΡΠ΅ΠΊΡΠ½Π΄Ρ, ΠΈ ΡΠΎΠΎΡΠ²Π΅ΡΡΡΠ²Π΅Π½Π½ΠΎ Π²ΡΡΠΈΡΠ»ΡΠ΅ΡΡΡ Π·Π½Π°ΡΠ΅Π½ΠΈΠ΅ ΠΏΡΠ΅Π΄Π²Π°ΡΠΈΡΠ΅Π»ΡΠ½ΠΎΠ³ΠΎ Π΄Π΅Π»ΠΈΡΠ΅Π»Ρ. Π’Π°ΠΊΠΈΠΌ ΠΎΠ±ΡΠ°Π·ΠΎΠΌ, ΠΊΠΎΠ³Π΄Π° Π²Ρ ΠΎΠ΄Π½Π°Ρ ΡΠ°ΡΡΠΎΡΠ° Π½ΠΈΠΆΠ΅ 1 ΠΠΡ, ΡΠ°Π·ΡΠ΅ΡΠ΅Π½ΠΈΠ΅ Π±ΡΠ΄Π΅Ρ ΡΠ°Π²Π½ΠΎ 1 ΠΡ.
ΠΠ°ΠΆΠ½Π΅ΠΉΡΠ΅ΠΉ ΡΠ°ΡΡΡΡ Π΄Π»Ρ ΡΠΎΡΠ½ΠΎΡΡΠΈ ΡΠ°ΡΡΠΎΡΠΎΠΌΠ΅ΡΠ° ΡΠ²Π»ΡΠ΅ΡΡΡ ΡΡ Π΅ΠΌΠ° ΡΡΡΠ°Π½ΠΎΠ²ΠΊΠΈ Π²ΡΠ΅ΠΌΠ΅Π½Π½ΠΎΠΉ ΡΠ°Π·Π²Π΅ΡΡΠΊΠΈ β ΠΊΠ²Π°ΡΡΠ΅Π²ΡΠΉ ΡΠ΅Π·ΠΎΠ½Π°ΡΠΎΡ Π₯1 ΠΈ ΠΊΠΎΠ½Π΄Π΅Π½ΡΠ°ΡΠΎΡΡ Π‘4 ΠΈ Π‘5. ΠΠ½Π°ΡΠ΅Π½ΠΈΡ C4 ΠΈ C5 ΠΌΠΎΠ³ΡΡ Π±ΡΡΡ ΠΌΠ΅ΠΆΠ΄Ρ 33 ΠΏΠ€ ΠΈ 62 ΠΏΠ€, ΠΈ Ρ ΠΈΡ ΠΏΠΎΠΌΠΎΡΡΡ ΠΌΠΎΠΆΠ½ΠΎ ΡΠΎΡΠ½ΠΎ Π½Π°ΡΡΡΠΎΠΈΡΡ ΡΠ°ΡΡΠΎΡΡ ΠΊΠ²Π°ΡΡΠ°.
ΠΡ ΠΎΠ΄ ΡΡ Π΅ΠΌΡ ΠΏΡΠΎΡ ΠΎΠ΄ΠΈΡ ΡΠ΅ΡΠ΅Π· Π²ΡΡΠΎΠΊΠΎΡΠΊΠΎΡΠΎΡΡΠ½ΠΎΠΉ ΠΊΠΎΠΌΠΏΠ°ΡΠ°ΡΠΎΡ. ΠΠ»Ρ ΠΏΠ΅ΡΠ΅ΠΊΠ»ΡΡΠ΅Π½ΠΈΡ Ρ ΡΠ°ΡΡΠΎΡΠΎΠΉ 100+ ΠΠΡ ΠΊΠΎΠΌΠΏΠ°ΡΠ°ΡΠΎΡ Π΄ΠΎΠ»ΠΆΠ΅Π½ ΠΈΠΌΠ΅ΡΡ Π·Π°Π΄Π΅ΡΠΆΠΊΡ ΡΠ°ΡΠΏΡΠΎΡΡΡΠ°Π½Π΅Π½ΠΈΡ Π½ΠΈΠΆΠ΅ 5 Π½Ρ. Π ΡΡΠΎΠΉ ΡΡ Π΅ΠΌΠ΅ Ρ ΠΈΡΠΏΠΎΠ»ΡΠ·ΠΎΠ²Π°Π» Texas Instruments TLV3501 Ρ Π·Π°Π΄Π΅ΡΠΆΠΊΠΎΠΉ 4,5 Π½Ρ. ΠΡΠΎ Π±ΡΠ» ΡΠ°ΠΌΡΠΉ Π΄Π΅ΡΠ΅Π²ΡΠΉ Π²ΡΡΠΎΠΊΠΎΡΠΊΠΎΡΠΎΡΡΠ½ΠΎΠΉ ΠΊΠΎΠΌΠΏΠ°ΡΠ°ΡΠΎΡ, ΠΊΠΎΡΠΎΡΡΠΉ ΠΌΠ½Π΅ ΡΠ΄Π°Π»ΠΎΡΡ Π½Π°ΠΉΡΠΈ (2,5 Π΅Π²ΡΠΎ).
ΠΠ²Π° Π²Ρ
ΠΎΠ΄Π° ΠΊΠΎΠΌΠΏΠ°ΡΠ°ΡΠΎΡΠ° Π½Π°ΡΡΡΠΎΠ΅Π½Ρ ΠΏΡΠΈΠΌΠ΅ΡΠ½ΠΎ Π½Π° 1/2 Π½Π°ΠΏΡΡΠΆΠ΅Π½ΠΈΡ ΠΏΠΈΡΠ°Π½ΠΈΡ Ρ ΡΠ°Π·Π½ΠΈΡΠ΅ΠΉ ΠΌΠ΅ΠΆΠ΄Ρ Π½ΠΈΠΌΠΈ 15-25 ΠΌΠ, ΠΏΠΎΡΡΠΎΠΌΡ Π»ΡΠ±ΠΎΠΉ ΡΠΈΠ³Π½Π°Π» ΠΏΠ΅ΡΠ΅ΠΌΠ΅Π½Π½ΠΎΠ³ΠΎ ΡΠΎΠΊΠ° Ρ Π±ΠΎΠ»Π΅Π΅ Π²ΡΡΠΎΠΊΠΈΠΌ Π½Π°ΠΏΡΡΠΆΠ΅Π½ΠΈΠ΅ΠΌ Π½Π°ΡΠ½Π΅Ρ ΠΏΠ΅ΡΠ΅ΠΊΠ»ΡΡΠ°ΡΡ ΠΊΠΎΠΌΠΏΠ°ΡΠ°ΡΠΎΡ.
ΠΡΠ»ΠΈ Π²Ρ ΠΎΠ΄Π½ΠΎΠΉ ΡΠΈΠ³Π½Π°Π» ΠΎΡΡΡΡΡΡΠ²ΡΠ΅Ρ, Π²ΡΡ ΠΎΠ΄Π½ΠΎΠΉ ΡΠΈΠ³Π½Π°Π» ΠΊΠΎΠΌΠΏΠ°ΡΠ°ΡΠΎΡΠ° ΠΎΡΡΠ°Π΅ΡΡΡ Π½ΠΈΠ·ΠΊΠΈΠΌ. ΠΡΠ»ΠΈ ΠΌΡ ΠΏΠΎΠ΄ΠΊΠ»ΡΡΠ°Π΅ΠΌ ΠΈΡΡΠΎΡΠ½ΠΈΠΊ ΡΠΈΠ³Π½Π°Π»Π° ΠΊ ΠΏΠΎΠ»ΠΎΠΆΠΈΡΠ΅Π»ΡΠ½ΠΎΠΌΡ Π²Ρ ΠΎΠ΄Ρ, ΠΊΠΎΠ³Π΄Π° ΡΠΈΠ³Π½Π°Π» ΠΏΡΠ΅Π²ΡΡΠ°Π΅Ρ +20 ΠΌΠ, ΠΊΠΎΠΌΠΏΠ°ΡΠ°ΡΠΎΡ ΠΏΠ΅ΡΠ΅ΠΊΠ»ΡΡΠ°Π΅ΡΡΡ Π½Π° Π²ΡΡΠΎΠΊΠΈΠΉ ΡΡΠΎΠ²Π΅Π½Ρ (5 Π), ΠΊΠΎΠ³Π΄Π° ΡΠΈΠ³Π½Π°Π» ΡΡΠ°Π½ΠΎΠ²ΠΈΡΡΡ Π½ΠΈΠΆΠ΅ +20 ΠΌΠ, ΠΊΠΎΠΌΠΏΠ°ΡΠ°ΡΠΎΡ ΠΏΠ΅ΡΠ΅ΠΊΠ»ΡΡΠ°Π΅ΡΡΡ ΠΎΠ±ΡΠ°ΡΠ½ΠΎ Π½Π° 0 Π. Π’Π°ΠΊΠΈΠΌ ΠΎΠ±ΡΠ°Π·ΠΎΠΌ, ΠΊΠ°ΠΊΠΎΠΉ Π±Ρ ΡΠΈΠ³Π½Π°Π» ΠΌΡ Π½ΠΈ ΠΏΠΎΠ΄Π°Π²Π°Π»ΠΈ Π½Π° Π²Ρ ΠΎΠ΄, Π½Π° Π²ΡΡ ΠΎΠ΄Π΅ Π±ΡΠ΄Π΅Ρ ΠΏΡΡΠΌΠΎΡΠ³ΠΎΠ»ΡΠ½Π°Ρ Π²ΠΎΠ»Π½Π° 0β5 Π Ρ ΡΠΎΠΉ ΠΆΠ΅ ΡΠ°ΡΡΠΎΡΠΎΠΉ, ΡΡΠΎ ΠΈ ΠΈΡΡ ΠΎΠ΄Π½ΡΠΉ ΡΠΈΠ³Π½Π°Π».
ΠΡΡ ΠΎΠ΄ ΠΊΠΎΠΌΠΏΠ°ΡΠ°ΡΠΎΡΠ° ΠΏΠΎΠ΄Π°Π΅ΡΡΡ Π½Π΅ΠΏΠΎΡΡΠ΅Π΄ΡΡΠ²Π΅Π½Π½ΠΎ Π½Π° Π²ΡΠ²ΠΎΠ΄ RA4 ΠΌΠΈΠΊΡΠΎΠΊΠΎΠ½ΡΡΠΎΠ»Π»Π΅ΡΠ°.
ΠΡ ΠΎΠ΄ Π·Π°ΡΠΈΡΠ΅Π½ ΡΠ΅Π·ΠΈΡΡΠΎΡΠΎΠΌ 1ΠΊΠΠΌ ΠΈ Π΄Π²ΡΠΌΡ Π΄ΠΈΠΎΠ΄Π°ΠΌΠΈ, ΠΎΠ³ΡΠ°Π½ΠΈΡΠΈΠ²Π°ΡΡΠΈΠΌΠΈ Π½Π°ΠΏΡΡΠΆΠ΅Π½ΠΈΠ΅ Π΄ΠΎ Β±0,7Π. ΠΡ ΠΎΠ΄Π½ΠΎΠ΅ ΡΠΎΠΏΡΠΎΡΠΈΠ²Π»Π΅Π½ΠΈΠ΅ Π΄Π»Ρ Π½ΠΈΠ·ΠΊΠΈΡ ΡΠ°ΡΡΠΎΡ ΡΠ°Π²Π½ΠΎ R1 β 47ΠΊΠΠΌ. ΠΠ»Ρ Π΄ΠΈΠ°ΠΏΠ°Π·ΠΎΠ½Π° Π£ΠΠ, Π²ΠΎΠ·ΠΌΠΎΠΆΠ½ΠΎ, ΡΡΠΎΠΈΡ Π·Π°ΠΌΠ΅Π½ΠΈΡΡ Π΅Π³ΠΎ Π·Π½Π°ΡΠ΅Π½ΠΈΠ΅ΠΌ 50 ΠΠΌ.
Π‘Ρ
Π΅ΠΌΠ° ΠΌΠΎΠΆΠ΅Ρ ΠΏΠΈΡΠ°ΡΡΡΡ ΠΎΡ Π±Π°ΡΠ°ΡΠ΅ΠΈ 9Π ΠΈΠ»ΠΈ Π»ΡΠ±ΠΎΠ³ΠΎ Π΄ΡΡΠ³ΠΎΠ³ΠΎ ΠΏΠΎΡΡΠΎΡΠ½Π½ΠΎΠ³ΠΎ Π½Π°ΠΏΡΡΠΆΠ΅Π½ΠΈΡ ΠΎΡ 7Π Π΄ΠΎ 15-20Π. ΠΠΈΠΊΡΠΎΡΡ
Π΅ΠΌΠ° LM78L05 ΠΈΠ»ΠΈ LM2931-5.0 ΠΈΡΠΏΠΎΠ»ΡΠ·ΡΠ΅ΡΡΡ Π΄Π»Ρ ΡΠ΅Π³ΡΠ»ΠΈΡΠΎΠ²Π°Π½ΠΈΡ Π½Π°ΠΏΡΡΠΆΠ΅Π½ΠΈΡ Π΄ΠΎ 5Π. ΠΠΌΠ΅Π΅ΡΡΡ ΠΏΡΠΎΡΡΠ°Ρ ΡΡ
Π΅ΠΌΠ° ΠΌΡΠ³ΠΊΠΎΠ³ΠΎ Π²ΠΊΠ»ΡΡΠ΅Π½ΠΈΡ/Π²ΡΠΊΠ»ΡΡΠ΅Π½ΠΈΡ Ρ Π΄Π²ΠΎΠΉΠ½ΡΠΌ ΡΡΠ°Π½Π·ΠΈΡΡΠΎΡΠΎΠΌ P- ΠΈ N-MOS.
ΠΠΎΠ³Π΄Π° ΠΊΠ½ΠΎΠΏΠΊΠ° Π½Π°ΠΆΠ°ΡΠ°, ΡΡΠ°Π½Π·ΠΈΡΡΠΎΡ P-MOS Π²ΠΊΠ»ΡΡΠ°Π΅ΡΡΡ, ΠΈ ΠΌΠΈΠΊΡΠΎΠΊΠΎΠ½ΡΡΠΎΠ»Π»Π΅Ρ ΠΏΠΎΠ»ΡΡΠ°Π΅Ρ ΠΏΠΈΡΠ°Π½ΠΈΠ΅, ΠΈ Π΅Π³ΠΎ ΠΏΠ΅ΡΠ²Π°Ρ ΠΈΠ½ΡΡΡΡΠΊΡΠΈΡ — ΡΡΡΠ°Π½ΠΎΠ²ΠΈΡΡ Π²ΡΡΠΎΠΊΠΈΠΉ ΡΡΠΎΠ²Π΅Π½Ρ RB4, ΠΊΠΎΡΠΎΡΡΠΉ Π²ΠΊΠ»ΡΡΠ°Π΅Ρ ΡΡΠ°Π½Π·ΠΈΡΡΠΎΡ N-MOS, ΠΈ ΠΏΠΈΡΠ°Π½ΠΈΠ΅ ΠΎΡΡΠ°Π΅ΡΡΡ Π²ΠΊΠ»ΡΡΠ΅Π½Π½ΡΠΌ. ΠΡΠΈ ΠΏΠΎΠ²ΡΠΎΡΠ½ΠΎΠΌ Π½Π°ΠΆΠ°ΡΠΈΠΈ ΠΊΠ½ΠΎΠΏΠΊΠΈ RB5 ΠΏΠ΅ΡΠ΅Ρ
ΠΎΠ΄ΠΈΡ Π² Π½ΠΈΠ·ΠΊΠΈΠΉ ΡΡΠΎΠ²Π΅Π½Ρ, Π° ΠΌΠΈΠΊΡΠΎΠΊΠΎΠ½ΡΡΠΎΠ»Π»Π΅Ρ ΡΡΡΠ°Π½Π°Π²Π»ΠΈΠ²Π°Π΅Ρ Π½ΠΈΠ·ΠΊΠΈΠΉ ΡΡΠΎΠ²Π΅Π½Ρ Π½Π° RB4 ΠΈ ΡΠ°ΠΊΠΈΠΌ ΠΎΠ±ΡΠ°Π·ΠΎΠΌ ΠΎΡΠΊΠ»ΡΡΠ°Π΅Ρ ΠΏΠΈΡΠ°Π½ΠΈΠ΅. ΠΠΈΠΊΡΠΎΠΊΠΎΠ½ΡΡΠΎΠ»Π»Π΅Ρ ΡΠ°ΠΊΠΆΠ΅ Π°Π²ΡΠΎΠΌΠ°ΡΠΈΡΠ΅ΡΠΊΠΈ ΠΎΡΠΊΠ»ΡΡΠ°Π΅Ρ ΠΏΠΈΡΠ°Π½ΠΈΠ΅ ΡΠ΅ΡΠ΅Π· ΠΎΠΏΡΠ΅Π΄Π΅Π»Π΅Π½Π½ΠΎΠ΅ Π²ΡΠ΅ΠΌΡ (3 ΠΌΠΈΠ½ΡΡΡ 40 ΡΠ΅ΠΊΡΠ½Π΄).
Π‘Ρ Π΅ΠΌΠ° ΠΈΠΌΠ΅Π΅Ρ Π΄ΠΎΠ²ΠΎΠ»ΡΠ½ΠΎ Π½ΠΈΠ·ΠΊΠΎΠ΅ ΡΠ½Π΅ΡΠ³ΠΎΠΏΠΎΡΡΠ΅Π±Π»Π΅Π½ΠΈΠ΅ β ΠΏΡΠΈ ΠΎΡΡΡΡΡΡΠ²ΠΈΠΈ Π²Ρ ΠΎΠ΄Π½ΠΎΠ³ΠΎ ΡΠΈΠ³Π½Π°Π»Π° ΡΠΎΠΊ ΠΏΠΈΡΠ°Π½ΠΈΡ ΡΠΎΡΡΠ°Π²Π»ΡΠ΅Ρ 7-8 ΠΌΠ ΠΈ Π΄ΠΎΡΡΠΈΠ³Π°Π΅Ρ 20 ΠΌΠ ΠΏΡΠΈ Π²Ρ ΠΎΠ΄Π½ΠΎΠΌ ΡΠΈΠ³Π½Π°Π»Π΅ 200+ΠΠΡ. ΠΡΠ»ΠΈ Π΄ΠΈΡΠΏΠ»Π΅ΠΉ ΡΠ»ΠΈΡΠΊΠΎΠΌ ΡΠ΅ΠΌΠ½ΡΠΉ, ΠΏΠΎΠ΄ΡΠ²Π΅ΡΠΊΡ ΠΌΠΎΠΆΠ½ΠΎ ΠΎΡΡΠ΅Π³ΡΠ»ΠΈΡΠΎΠ²Π°ΡΡ, ΡΠΌΠ΅Π½ΡΡΠΈΠ² ΡΠΎΠΏΡΠΎΡΠΈΠ²Π»Π΅Π½ΠΈΠ΅ ΡΠ΅Π·ΠΈΡΡΠΎΡΠ° R9. ΠΡΠΎ, ΠΊΠΎΠ½Π΅ΡΠ½ΠΎ, ΡΠ²Π΅Π»ΠΈΡΠΈΡ ΠΏΠΎΡΡΠ΅Π±Π»Π΅Π½ΠΈΠ΅ ΡΠΎΠΊΠ°.
ΠΡΠΎΠ³ΡΠ°ΠΌΠΌΠ° Π΄Π»Ρ ΠΌΠΈΠΊΡΠΎΠΊΠΎΠ½ΡΡΠΎΠ»Π»Π΅ΡΠ° Π½Π°ΠΏΠΈΡΠ°Π½Π° Π½Π° C ΠΈ ΡΠΊΠΎΠΌΠΏΠΈΠ»ΠΈΡΠΎΠ²Π°Π½Π° Ρ ΠΏΠΎΠΌΠΎΡΡΡ MikroC Π΄Π»Ρ PIC
Π‘Ρ Π΅ΠΌΠ°
Π€ΠΎΡΠΎΠ³ΡΠ°ΡΠΈΠΈ
Π‘ΡΡΠ»ΠΊΠΈ:
- http://mcs.
uwsuper.edu/sb/Electronics/FreqCounter/ - http://www.moty22.co.uk/lcd_counter.php
Π’Π΅Ρ Π½ΠΈΡΠ΅ΡΠΊΠΈΠ΅ ΠΎΠΏΠΈΡΠ°Π½ΠΈΡ Π² ΡΠΎΡΠΌΠ°ΡΠ΅ PDF:
- AP2530GY: http://www.a-power.com.tw/files/AP_ProductData/PD_File/AP2530GY-HF.pdf
- TLV3501: http://www.ti.com/lit/gpn/tlv3501
ΠΡΡΠΎΠΊΠΎΡΠΎΡΠ½ΡΠΉ LC-ΠΌΠ΅ΡΡ Π½Π° ΠΎΡΠ½ΠΎΠ²Π΅ PIC16F628A
|
|
Π ΡΠΎΡΠ½ΠΎΠΌ ΠΈΠ·ΠΌΠ΅ΡΠΈΡΠ΅Π»Π΅ LC
ΠΡΠΎ ΠΎΠ΄ΠΈΠ½ ΠΈΠ· ΡΠ°ΠΌΡΡ
ΡΠΎΡΠ½ΡΡ
ΠΈ ΠΏΡΠΎΡΡΡΡ
LC-ΠΌΠ΅ΡΡΠΎΠ² ΠΈΠ½Π΄ΡΠΊΡΠΈΠ²Π½ΠΎΡΡΠΈ / Π΅ΠΌΠΊΠΎΡΡΠΈ, ΠΊΠΎΡΠΎΡΡΠΉ ΠΌΠΎΠΆΠ½ΠΎ Π½Π°ΠΉΡΠΈ, Π½ΠΎ ΠΊΠΎΡΠΎΡΡΠΉ Π²Ρ ΠΌΠΎΠΆΠ΅ΡΠ΅ Π»Π΅Π³ΠΊΠΎ ΡΠΎΠ±ΡΠ°ΡΡ ΡΠ°ΠΌΠΎΡΡΠΎΡΡΠ΅Π»ΡΠ½ΠΎ. |
ΠΠ°Π±ΠΎΡ Π΄Π»Ρ ΠΈΠ·ΠΌΠ΅ΡΠΈΡΠ΅Π»Ρ LC Accurate
| Π‘ΠΏΠ΅ΡΠΈΠ°Π»ΡΠ½Π°Ρ ΡΠ΅ΡΠΈΡ LC Meter Kit Π²ΠΊΠ»ΡΡΠ°Π΅Ρ Π² ΡΠ΅Π±Ρ ΠΏΠ΅ΡΠ²ΠΎΠΊΠ»Π°ΡΡΠ½ΡΠ΅ Π²ΡΡΠΎΠΊΠΎΡΠΎΡΠ½ΡΠ΅ ΠΊΠΎΠΌΠΏΠΎΠ½Π΅Π½ΡΡ, ΠΊΠΎΡΠΎΡΡΠ΅ ΠΌΠΎΠΆΠ½ΠΎ Π½Π°ΠΉΡΠΈ ΡΠΎΠ»ΡΠΊΠΎ Π² ΠΊΠΎΠΌΠΏΠ»Π΅ΠΊΡΠ°Ρ
ΠΏΡΠ΅ΠΌΠΈΡΠΌ-ΠΊΠ°ΡΠ΅ΡΡΠ²Π°. ΠΠ½ Π²ΠΊΠ»ΡΡΠ°Π΅Ρ Π² ΡΠ΅Π±Ρ Π²ΡΡΠΎΠΊΠΎΠΊΠ°ΡΠ΅ΡΡΠ²Π΅Π½Π½ΡΡ Π΄Π²ΡΡΡΠΎΡΠΎΠ½Π½ΡΡ ΠΏΠ΅ΡΠ°ΡΠ½ΡΡ ΠΏΠ»Π°ΡΡ (PCB) Ρ ΠΊΡΠ°ΡΠ½ΠΎΠΉ ΠΏΠ°ΡΠ»ΡΠ½ΠΎΠΉ ΠΌΠ°ΡΠΊΠΎΠΉ ΠΈ ΠΏΡΠ΅Π΄Π²Π°ΡΠΈΡΠ΅Π»ΡΠ½ΠΎ ΠΏΡΠΈΠΏΠ°ΡΠ½Π½ΡΠΌΠΈ Π΄ΠΎΡΠΎΠΆΠΊΠ°ΠΌΠΈ Π΄Π»Ρ ΠΎΠ±Π»Π΅Π³ΡΠ΅Π½ΠΈΡ ΠΏΠ°ΠΉΠΊΠΈ, ΠΠ-Π΄ΠΈΡΠΏΠ»Π΅ΠΉ Ρ ΠΆΠ΅Π»ΡΠΎ-Π·Π΅Π»Π΅Π½ΠΎΠΉ ΡΠ²Π΅ΡΠΎΠ΄ΠΈΠΎΠ΄Π½ΠΎΠΉ ΠΏΠΎΠ΄ΡΠ²Π΅ΡΠΊΠΎΠΉ, Π·Π°ΠΏΡΠΎΠ³ΡΠ°ΠΌΠΌΠΈΡΠΎΠ²Π°Π½Π½ΡΠΉ ΡΠΈΠΏ ΠΌΠΈΠΊΡΠΎΠΊΠΎΠ½ΡΡΠΎΠ»Π»Π΅ΡΠ° PIC16F628A, Π²ΡΡΠΎΠΊΠΎΡΠΎΡΠ½ΡΠ΅ ΠΊΠΎΠ½Π΄Π΅Π½ΡΠ°ΡΠΎΡΡ ΠΈ ΠΊΠ°ΡΡΡΠΊΡ ΠΈΠ½Π΄ΡΠΊΡΠΈΠ²Π½ΠΎΡΡΠΈ, 1% ΠΌΠ΅ΡΠ°Π»Π»ΠΈΡΠ΅ΡΠΊΡΡ ΠΏΠ»Π΅Π½ΠΊΡ. |
ΠΠΎΠΌΠΏΠ»Π΅ΠΊΡ ΡΠΎΡΠ½ΠΎΠ³ΠΎ LC-ΠΌΠ΅ΡΡΠ°
Π ΡΡΠΎΡ ΠΊΠΎΠΌΠΏΠ»Π΅ΠΊΡ Π²Ρ
ΠΎΠ΄ΡΡ Π²ΡΠ΅ ΠΊΠΎΠΌΠΏΠΎΠ½Π΅Π½ΡΡ, Π²ΠΊΠ»ΡΡΠ°Ρ Π·Π°ΠΏΡΠΎΠ³ΡΠ°ΠΌΠΌΠΈΡΠΎΠ²Π°Π½Π½ΡΠΉ ΠΌΠΈΠΊΡΠΎΠΊΠΎΠ½ΡΡΠΎΠ»Π»Π΅Ρ PIC16F628A, ΠΠ-Π΄ΠΈΡΠΏΠ»Π΅ΠΉ Ρ Π·Π΅Π»Π΅Π½ΠΎΠΉ ΠΏΠΎΠ΄ΡΠ²Π΅ΡΠΊΠΎΠΉ, ΠΏΠ΅ΡΠ΅ΠΊΠ»ΡΡΠ°ΡΠ΅Π»ΠΈ ΠΈ Π²ΡΠ΅ ΠΎΡΡΠ°Π»ΡΠ½ΡΠ΅ ΠΊΠΎΠΌΠΏΠΎΠ½Π΅Π½ΡΡ, Π½Π΅ΠΎΠ±Ρ
ΠΎΠ΄ΠΈΠΌΡΠ΅ Π΄Π»Ρ ΡΠ±ΠΎΡΠΊΠΈ Π²ΡΡΠΎΠΊΠΎΠΊΠ°ΡΠ΅ΡΡΠ²Π΅Π½Π½ΠΎΠ³ΠΎ LC-ΠΌΠ΅ΡΡΠ°. Π ΠΊΠΎΠΌΠΏΠ»Π΅ΠΊΡ Π²Ρ
ΠΎΠ΄ΠΈΡ ΠΏΠ΅ΡΠ°ΡΠ½Π°Ρ ΠΏΠ»Π°ΡΠ° Π²ΡΡΠΎΡΠ°ΠΉΡΠ΅Π³ΠΎ ΠΊΠ°ΡΠ΅ΡΡΠ²Π° (Π½Π΅ Π²ΡΡΡΠ΅ΡΠ°ΡΡΠ°ΡΡΡ Π² Π΄ΡΡΠ³ΠΈΡ
ΠΊΠΎΠΌΠΏΠ»Π΅ΠΊΡΠ°Ρ
) Ρ Π·Π΅Π»Π΅Π½ΠΎΠΉ ΠΏΠ°ΡΠ»ΡΠ½ΠΎΠΉ ΠΌΠ°ΡΠΊΠΎΠΉ, ΠΏΡΠ΅Π΄Π²Π°ΡΠΈΡΠ΅Π»ΡΠ½ΠΎ ΠΏΡΠΈΠΏΠ°ΡΠ½Π½ΡΠ΅ Π΄ΠΎΡΠΎΠΆΠΊΠΈ Π΄Π»Ρ ΠΎΠ±Π»Π΅Π³ΡΠ΅Π½ΠΈΡ ΠΏΠ°ΠΉΠΊΠΈ ΠΈ ΡΡΠΊΠΎΠ²ΠΎΠ΄ΡΡΠ²ΠΎ ΠΏΠΎ ΡΠΊΡΠΏΠ»ΡΠ°ΡΠ°ΡΠΈΠΈ LC-ΠΌΠ΅ΡΡΠ°. |
ΠΠ°ΠΊ ΡΠ°Π±ΠΎΡΠ°Π΅Ρ LC-ΠΌΠ΅ΡΡ?
Π§ΡΠΎΠ±Ρ ΠΎΠΏΡΠ΅Π΄Π΅Π»ΠΈΡΡ Π·Π½Π°ΡΠ΅Π½ΠΈΠ΅ Π½Π΅ΠΈΠ·Π²Π΅ΡΡΠ½ΠΎΠΉ ΠΊΠ°ΡΡΡΠΊΠΈ ΠΈΠ½Π΄ΡΠΊΡΠΈΠ²Π½ΠΎΡΡΠΈ / ΠΊΠΎΠ½Π΄Π΅Π½ΡΠ°ΡΠΎΡΠ°, ΠΌΡ ΠΌΠΎΠΆΠ΅ΠΌ ΠΈΡΠΏΠΎΠ»ΡΠ·ΠΎΠ²Π°ΡΡ ΡΠΎΡΠΌΡΠ»Ρ ΡΠ°ΡΡΠΎΡΡ, ΠΏΡΠΈΠ²Π΅Π΄Π΅Π½Π½ΡΡ Π½ΠΈΠΆΠ΅. ΠΠ±ΡΠ°ΡΠΈΡΠ΅ Π²Π½ΠΈΠΌΠ°Π½ΠΈΠ΅, ΡΡΠΎ Π΅ΡΡΡ ΡΡΠΈ ΠΏΠ΅ΡΠ΅ΠΌΠ΅Π½Π½ΡΠ΅, Ρ ΠΊΠΎΡΠΎΡΡΠΌΠΈ ΠΌΡ ΠΌΠΎΠΆΠ΅ΠΌ ΡΠ°Π±ΠΎΡΠ°ΡΡ; f, L ΠΈ C (f ΠΏΡΠ΅Π΄ΡΡΠ°Π²Π»ΡΠ΅Ρ ΡΠΎΠ±ΠΎΠΉ ΡΠ°ΡΡΠΎΡΡ, ΠΈΠ½Π΄ΡΠΊΡΠΈΠ²Π½ΠΎΡΡΡ L ΠΈ Π΅ΠΌΠΊΠΎΡΡΡ C). ΠΠ½Π°Ρ Π·Π½Π°ΡΠ΅Π½ΠΈΡ Π΄Π²ΡΡ ΠΏΠ΅ΡΠ΅ΠΌΠ΅Π½Π½ΡΡ , ΠΌΡ ΠΌΠΎΠΆΠ΅ΠΌ Π²ΡΡΠΈΡΠ»ΠΈΡΡ Π·Π½Π°ΡΠ΅Π½ΠΈΠ΅ ΡΡΠ΅ΡΡΠ΅ΠΉ ΠΏΠ΅ΡΠ΅ΠΌΠ΅Π½Π½ΠΎΠΉ. ΠΠΎΠΏΡΡΡΠΈΠΌ, ΠΌΡ Ρ
ΠΎΡΠΈΠΌ ΠΎΠΏΡΠ΅Π΄Π΅Π»ΠΈΡΡ Π·Π½Π°ΡΠ΅Π½ΠΈΠ΅ Π½Π΅ΠΈΠ·Π²Π΅ΡΡΠ½ΠΎΠ³ΠΎ ΠΈΠ½Π΄ΡΠΊΡΠΎΡΠ° Ρ ΠΈΠ½Π΄ΡΠΊΡΠΈΠ²Π½ΠΎΡΡΡΡ X. ΠΡ ΠΏΠΎΠ΄ΡΡΠ°Π²Π»ΡΠ΅ΠΌ ΠΈΠ½Π΄ΡΠΊΡΠΈΠ²Π½ΠΎΡΡΡ X Π² ΡΠΎΡΠΌΡΠ»Ρ, Π° ΡΠ°ΠΊΠΆΠ΅ ΠΈΡΠΏΠΎΠ»ΡΠ·ΡΠ΅ΠΌ Π·Π½Π°ΡΠ΅Π½ΠΈΠ΅ ΠΈΠ·Π²Π΅ΡΡΠ½ΠΎΠ³ΠΎ ΠΊΠΎΠ½Π΄Π΅Π½ΡΠ°ΡΠΎΡΠ°. ΠΡΠΏΠΎΠ»ΡΠ·ΡΡ ΡΡΠΈ Π΄Π°Π½Π½ΡΠ΅, ΠΌΡ ΠΌΠΎΠΆΠ΅ΠΌ ΡΠ°ΡΡΡΠΈΡΠ°ΡΡ ΡΠ°ΡΡΠΎΡΡ. ΠΠ°ΠΊ ΡΠΎΠ»ΡΠΊΠΎ ΠΌΡ ΡΠ·Π½Π°Π΅ΠΌ ΡΠ°ΡΡΠΎΡΡ, ΠΌΡ ΠΌΠΎΠΆΠ΅ΠΌ ΠΈΡΠΏΠΎΠ»ΡΠ·ΠΎΠ²Π°ΡΡ ΡΠΈΠ»Ρ Π°Π»Π³Π΅Π±ΡΡ ΠΈ ΠΏΠ΅ΡΠ΅ΠΏΠΈΡΠ°ΡΡ ΠΏΡΠΈΠ²Π΅Π΄Π΅Π½Π½ΡΡ Π²ΡΡΠ΅ ΡΠΎΡΠΌΡΠ»Ρ, ΡΡΠΎΠ±Ρ Π½Π°ΠΉΡΠΈ L (ΠΈΠ½Π΄ΡΠΊΡΠΈΠ²Π½ΠΎΡΡΡ). ΠΠ° ΡΡΠΎΡ ΡΠ°Π· ΠΌΡ Π±ΡΠ΄Π΅ΠΌ ΠΈΡΠΏΠΎΠ»ΡΠ·ΠΎΠ²Π°ΡΡ ΡΠ°ΡΡΠ΅ΡΠ½ΡΡ ΡΠ°ΡΡΠΎΡΡ ΠΈ Π΅ΠΌΠΊΠΎΡΡΡ ΠΈΠ·Π²Π΅ΡΡΠ½ΠΎΠ³ΠΎ ΠΊΠΎΠ½Π΄Π΅Π½ΡΠ°ΡΠΎΡΠ° Π΄Π»Ρ ΡΠ°ΡΡΠ΅ΡΠ° ΠΈΠ½Π΄ΡΠΊΡΠΈΠ²Π½ΠΎΡΡΠΈ. Π Π°Π·Π²Π΅ ΡΡΠΎ Π½Π΅ ΠΏΠΎΡΡΡΡΠ°ΡΡΠ΅? ΠΡ ΡΠΎΠ»ΡΠΊΠΎ ΡΡΠΎ ΡΠ°ΡΡΡΠΈΡΠ°Π»ΠΈ Π·Π½Π°ΡΠ΅Π½ΠΈΠ΅ Π½Π΅ΠΈΠ·Π²Π΅ΡΡΠ½ΠΎΠΉ ΠΊΠ°ΡΡΡΠΊΠΈ ΠΈΠ½Π΄ΡΠΊΡΠΈΠ²Π½ΠΎΡΡΠΈ ΠΈ ΠΌΠΎΠΆΠ΅ΠΌ ΠΈΡΠΏΠΎΠ»ΡΠ·ΠΎΠ²Π°ΡΡ ΡΠΎΡ ΠΆΠ΅ ΠΌΠ΅ΡΠΎΠ΄ Π΄Π»Ρ ΠΎΠΏΡΠ΅Π΄Π΅Π»Π΅Π½ΠΈΡ Π½Π΅ΠΈΠ·Π²Π΅ΡΡΠ½ΠΎΠΉ Π΅ΠΌΠΊΠΎΡΡΠΈ ΠΈ Π΄Π°ΠΆΠ΅ ΡΠ°ΡΡΠΎΡΡ. |
ΠΡΠΈΠΌΠ΅Π½Π΅Π½ΠΈΠ΅ ΡΠ΅ΠΎΡΠΈΠΈ ΠΊ ΠΎΠ±ΠΎΡΡΠ΄ΠΎΠ²Π°Π½ΠΈΡ ΠΈΠ·ΠΌΠ΅ΡΠΈΡΠ΅Π»Ρ LC
Π’Π΅ΠΏΠ΅ΡΡ Π΄Π°Π²Π°ΠΉΡΠ΅ Π²ΠΎΡΠΏΠΎΠ»ΡΠ·ΡΠ΅ΠΌΡΡ ΠΏΡΠΈΠ²Π΅Π΄Π΅Π½Π½ΠΎΠΉ Π²ΡΡΠ΅ ΡΠ΅ΠΎΡΠΈΠ΅ΠΉ ΠΈ ΠΏΡΠΈΠΌΠ΅Π½ΠΈΠΌ Π΅Π΅ ΠΊ ΡΠ»Π΅ΠΊΡΡΠΎΠ½ΠΈΠΊΠ΅. LC Meter ΠΈΡΠΏΠΎΠ»ΡΠ·ΡΠ΅Ρ ΠΏΠΎΠΏΡΠ»ΡΡΠ½ΡΡ ΠΌΠΈΠΊΡΠΎΡΡ Π΅ΠΌΡ LM311, ΠΊΠΎΡΠΎΡΠ°Ρ ΡΠ°Π±ΠΎΡΠ°Π΅Ρ ΠΊΠ°ΠΊ Π³Π΅Π½Π΅ΡΠ°ΡΠΎΡ ΡΠ°ΡΡΠΎΡΡ, ΠΈ ΡΡΠΎ ΠΈΠΌΠ΅Π½Π½ΠΎ ΡΠΎ, ΡΡΠΎ Π½Π°ΠΌ Π½ΡΠΆΠ½ΠΎ. ΠΡΠ»ΠΈ ΠΌΡ Ρ ΠΎΡΠΈΠΌ ΡΠ°ΡΡΡΠΈΡΠ°ΡΡ Π·Π½Π°ΡΠ΅Π½ΠΈΠ΅ Π½Π΅ΠΈΠ·Π²Π΅ΡΡΠ½ΠΎΠ³ΠΎ ΠΈΠ½Π΄ΡΠΊΡΠΎΡΠ°, ΠΌΡ ΠΈΡΠΏΠΎΠ»ΡΠ·ΡΠ΅ΠΌ ΠΈΠ·Π²Π΅ΡΡΠ½ΡΠΉ ΠΊΠΎΠ½Π΄Π΅Π½ΡΠ°ΡΠΎΡ Ccal 1000pF ΠΈ Π·Π½Π°ΡΠ΅Π½ΠΈΠ΅ Π½Π΅ΠΈΠ·Π²Π΅ΡΡΠ½ΠΎΠ³ΠΎ ΠΈΠ½Π΄ΡΠΊΡΠΎΡΠ°. LM311 Π±ΡΠ΄Π΅Ρ Π³Π΅Π½Π΅ΡΠΈΡΠΎΠ²Π°ΡΡ ΡΠ°ΡΡΠΎΡΡ, ΠΊΠΎΡΠΎΡΡΡ ΠΌΡ ΠΌΠΎΠΆΠ΅ΠΌ ΠΈΠ·ΠΌΠ΅ΡΠΈΡΡ ΡΠ°ΡΡΠΎΡΠΎΠΌΠ΅ΡΠΎΠΌ. ΠΠΎΠ»ΡΡΠΈΠ² ΡΡΡ ΠΈΠ½ΡΠΎΡΠΌΠ°ΡΠΈΡ, ΠΌΡ ΠΌΠΎΠΆΠ΅ΠΌ ΠΈΡΠΏΠΎΠ»ΡΠ·ΠΎΠ²Π°ΡΡ ΡΠ°ΡΡΠΎΡΠ½ΡΡ ΡΠΎΡΠΌΡΠ»Ρ Π΄Π»Ρ ΡΠ°ΡΡΠ΅ΡΠ° ΠΈΠ½Π΄ΡΠΊΡΠΈΠ²Π½ΠΎΡΡΠΈ. Π’ΠΎ ΠΆΠ΅ ΡΠ°ΠΌΠΎΠ΅ ΠΌΠΎΠΆΠ½ΠΎ ΡΠ΄Π΅Π»Π°ΡΡ Π΄Π»Ρ ΡΠ°ΡΡΠ΅ΡΠ° Π΅ΠΌΠΊΠΎΡΡΠΈ Π½Π΅ΠΈΠ·Π²Π΅ΡΡΠ½ΠΎΠ³ΠΎ ΠΊΠΎΠ½Π΄Π΅Π½ΡΠ°ΡΠΎΡΠ°. ΠΠ° ΡΡΠΎΡ ΡΠ°Π· ΠΌΡ Π½Π΅ Π·Π½Π°Π΅ΠΌ Π·Π½Π°ΡΠ΅Π½ΠΈΠ΅ ΠΊΠΎΠ½Π΄Π΅Π½ΡΠ°ΡΠΎΡΠ°, ΠΏΠΎΡΡΠΎΠΌΡ Π²ΠΌΠ΅ΡΡΠΎ ΡΡΠΎΠ³ΠΎ ΠΌΡ ΠΈΡΠΏΠΎΠ»ΡΠ·ΡΠ΅ΠΌ Π·Π½Π°ΡΠ΅Π½ΠΈΠ΅ ΠΈΠ·Π²Π΅ΡΡΠ½ΠΎΠ³ΠΎ ΠΈΠ½Π΄ΡΠΊΡΠΎΡΠ° Π΄Π»Ρ ΡΠ°ΡΡΠ΅ΡΠ° ΡΠ°ΡΡΠΎΡΡ. ΠΡΠ΅ ΡΡΠΎ Π·Π²ΡΡΠΈΡ Π²Π΅Π»ΠΈΠΊΠΎΠ»Π΅ΠΏΠ½ΠΎ, ΠΎΠ΄Π½Π°ΠΊΠΎ, Π΅ΡΠ»ΠΈ ΠΌΡ Ρ ΠΎΡΠΈΠΌ ΠΎΠΏΡΠ΅Π΄Π΅Π»ΠΈΡΡ Π·Π½Π°ΡΠ΅Π½ΠΈΠ΅ ΠΌΠ½ΠΎΠΆΠ΅ΡΡΠ²Π° ΠΊΠ°ΡΡΡΠ΅ΠΊ ΠΈΠ½Π΄ΡΠΊΡΠΈΠ²Π½ΠΎΡΡΠΈ/ΠΊΠΎΠ½Π΄Π΅Π½ΡΠ°ΡΠΎΡΠΎΠ², ΡΠΎ ΡΡΠΎ ΠΌΠΎΠΆΠ΅Ρ ΡΡΠ°ΡΡ ΠΎΡΠ΅Π½Ρ ΡΡΡΠ΄ΠΎΠ΅ΠΌΠΊΠΈΠΌ ΠΏΡΠΎΡΠ΅ΡΡΠΎΠΌ. ΠΠΎΠ½Π΅ΡΠ½ΠΎ, ΠΌΡ ΠΌΠΎΠΆΠ΅ΠΌ Π½Π°ΠΏΠΈΡΠ°ΡΡ ΠΊΠΎΠΌΠΏΡΡΡΠ΅ΡΠ½ΡΡ ΠΏΡΠΎΠ³ΡΠ°ΠΌΠΌΡ Π΄Π»Ρ Π²ΡΠΏΠΎΠ»Π½Π΅Π½ΠΈΡ Π²ΡΠ΅Ρ ΡΡΠΈΡ Π²ΡΡΠΈΡΠ»Π΅Π½ΠΈΠΉ, Π½ΠΎ ΡΡΠΎ, Π΅ΡΠ»ΠΈ Ρ Π½Π°Ρ Π½Π΅Ρ Π΄ΠΎΡΡΡΠΏΠ° ΠΊ ΠΊΠΎΠΌΠΏΡΡΡΠ΅ΡΡ ΠΈΠ»ΠΈ ΡΠ°ΡΡΠΎΡΠΎΠΌΠ΅ΡΡ? ΠΠΎΡ Π³Π΄Π΅ ΠΏΡΠΈΠ³ΠΎΠ΄ΠΈΡΡΡ ΠΌΠΈΠΊΡΠΎΠΊΠΎΠ½ΡΡΠΎΠ»Π»Π΅Ρ PIC16F628A. PIC16F628A ΠΏΠΎΡ
ΠΎΠΆ Π½Π° Π½Π΅Π±ΠΎΠ»ΡΡΠΎΠΉ ΠΊΠΎΠΌΠΏΡΡΡΠ΅Ρ, ΠΊΠΎΡΠΎΡΡΠΉ ΠΌΠΎΠΆΠ΅Ρ Π²ΡΠΏΠΎΠ»Π½ΡΡΡ HEX-ΠΏΡΠΎΠ³ΡΠ°ΠΌΠΌΡ, Π½Π°ΠΏΠΈΡΠ°Π½Π½ΡΠ΅ Ρ ΠΈΡΠΏΠΎΠ»ΡΠ·ΠΎΠ²Π°Π½ΠΈΠ΅ΠΌ ΡΠ·ΡΠΊΠ° Π°ΡΡΠ΅ΠΌΠ±Π»Π΅ΡΠ°. PIC16F628A β ΠΎΡΠ΅Π½Ρ Π³ΠΈΠ±ΠΊΠΈΠΉ ΠΌΠΈΠΊΡΠΎΠΊΠΎΠ½ΡΡΠΎΠ»Π»Π΅Ρ, ΠΏΠΎΡΠΊΠΎΠ»ΡΠΊΡ ΠΎΠ½ ΠΈΠΌΠ΅Π΅Ρ PIN-ΠΊΠΎΠ΄Ρ, ΠΊΠΎΡΠΎΡΡΠ΅ ΠΌΠΎΠΆΠ½ΠΎ Π½Π°ΡΡΡΠΎΠΈΡΡ ΠΊΠ°ΠΊ Π²Ρ
ΠΎΠ΄Ρ ΠΈ Π²ΡΡ
ΠΎΠ΄Ρ. ΠΡΠΎΠΌΠ΅ ΡΠΎΠ³ΠΎ, ΠΌΠΈΠΊΡΠΎΡΡ
Π΅ΠΌΠ° PIC16F628A ΡΡΠ΅Π±ΡΠ΅Ρ ΠΌΠΈΠ½ΠΈΠΌΠ°Π»ΡΠ½ΠΎΠ³ΠΎ ΠΊΠΎΠ»ΠΈΡΠ΅ΡΡΠ²Π° Π²Π½Π΅ΡΠ½ΠΈΡ
ΠΊΠΎΠΌΠΏΠΎΠ½Π΅Π½ΡΠΎΠ², ΡΠ°ΠΊΠΈΡ
ΠΊΠ°ΠΊ ΠΊΠ²Π°ΡΡ/ΡΠ΅Π·ΠΎΠ½Π°ΡΠΎΡ 4000 ΠΠΡ ΠΈ Π½Π΅ΡΠΊΠΎΠ»ΡΠΊΠΎ ΡΠ΅Π·ΠΈΡΡΠΎΡΠΎΠ². ΠΡΠ΅ΠΆΠ΄Π΅ ΡΠ΅ΠΌ ΠΈΡΠΏΠΎΠ»ΡΠ·ΠΎΠ²Π°ΡΡ ΠΌΠΈΠΊΡΠΎΠΊΠΎΠ½ΡΡΠΎΠ»Π»Π΅Ρ PIC16F628A, Π΅Π³ΠΎ Π½Π΅ΠΎΠ±Ρ
ΠΎΠ΄ΠΈΠΌΠΎ Π·Π°ΠΏΡΠΎΠ³ΡΠ°ΠΌΠΌΠΈΡΠΎΠ²Π°ΡΡ Ρ ΠΏΠΎΠΌΠΎΡΡΡ HEX-ΠΊΠΎΠ΄Π°, ΠΊΠΎΡΠΎΡΡΠΉ Π΄ΠΎΠ»ΠΆΠ΅Π½ Π±ΡΡΡ ΠΎΡΠΏΡΠ°Π²Π»Π΅Π½ Ρ ΠΊΠΎΠΌΠΏΡΡΡΠ΅ΡΠ°. ΠΡΠ΅ ΠΊΠΎΠΌΠΏΠ»Π΅ΠΊΡΡ Accurate LC Meter ΡΠΆΠ΅ ΠΏΠΎΡΡΠ°Π²Π»ΡΡΡΡΡ Ρ ΠΌΠΈΠΊΡΠΎΠΊΠΎΠ½ΡΡΠΎΠ»Π»Π΅ΡΠΎΠΌ, ΠΊΠΎΡΠΎΡΡΠΉ ΡΠΆΠ΅ Π·Π°ΠΏΡΠΎΠ³ΡΠ°ΠΌΠΌΠΈΡΠΎΠ²Π°Π½ ΠΈ Π³ΠΎΡΠΎΠ² ΠΊ ΠΈΡΠΏΠΎΠ»ΡΠ·ΠΎΠ²Π°Π½ΠΈΡ. ΠΠ° ΡΠ»Π΅Π΄ΡΡΡΠ΅ΠΌ ΡΠ°Π³Π΅ ΠΌΡ ΠΈΡΠΏΠΎΠ»ΡΠ·ΡΠ΅ΠΌ ΡΠ°ΡΡΠΎΡΡ, Π³Π΅Π½Π΅ΡΠΈΡΡΠ΅ΠΌΡΡ ΠΌΠΈΠΊΡΠΎΡΡ Π΅ΠΌΠΎΠΉ LM311, ΠΈ ΠΏΠ΅ΡΠ΅Π΄Π°Π΅ΠΌ Π΅Π΅ Π½Π° PIN-ΠΊΠΎΠ΄ 17 PIC 16F628A. ΠΡ Π½Π°Π·Π½Π°ΡΠ°Π΅ΠΌ ΡΡΠΎΡ PIN-ΠΊΠΎΠ΄ ΠΊΠ°ΠΊ Π²Ρ ΠΎΠ΄, ΠΊΠ°ΠΊ ΠΈ Π²ΡΠ΅ Π΄ΡΡΠ³ΠΈΠ΅ PIN-ΠΊΠΎΠ΄Ρ, ΠΊΠΎΡΠΎΡΡΠ΅ Π½Π°ΠΏΡΡΠΌΡΡ ΠΏΠΎΠ΄ΠΊΠ»ΡΡΠ΅Π½Ρ ΠΊ ΠΏΠ΅ΡΠ΅ΠΊΠ»ΡΡΠ°ΡΠ΅Π»ΡΠΌ. ΠΠΎΠ»ΡΠ·ΠΎΠ²Π°ΡΠ΅Π»Ρ ΠΌΠΎΠΆΠ΅Ρ ΠΈΡΠΏΠΎΠ»ΡΠ·ΠΎΠ²Π°ΡΡ ΡΡΠΈ Π²Ρ ΠΎΠ΄Π½ΡΠ΅ Π΄Π°Π½Π½ΡΠ΅, ΡΡΠΎΠ±Ρ ΡΠΊΠ°Π·Π°ΡΡ ΠΌΠΈΠΊΡΠΎΠΊΠΎΠ½ΡΡΠΎΠ»Π»Π΅ΡΡ Π²ΡΠΏΠΎΠ»Π½ΠΈΡΡ ΡΠΊΠ°Π·Π°Π½Π½ΡΠΉ Π½Π°Π±ΠΎΡ ΠΈΠ½ΡΡΡΡΠΊΡΠΈΠΉ ΠΈΠ»ΠΈ Π²ΡΠΏΠΎΠ»Π½ΠΈΡΡ Π²ΡΡΠΈΡΠ»Π΅Π½ΠΈΡ. ΠΠΎΡΠ»Π΅ ΡΠΎΠ³ΠΎ, ΠΊΠ°ΠΊ ΠΌΠΈΠΊΡΠΎΠΊΠΎΠ½ΡΡΠΎΠ»Π»Π΅Ρ Π²ΡΡΠΈΡΠ»ΠΈΡ Π½Π΅ΠΈΠ·Π²Π΅ΡΡΠ½ΡΡ ΠΈΠ½Π΄ΡΠΊΡΠΈΠ²Π½ΠΎΡΡΡ ΠΈΠ»ΠΈ Π΅ΠΌΠΊΠΎΡΡΡ, ΠΎΠ½ Π±ΡΠ΄Π΅Ρ ΠΈΡΠΏΠΎΠ»ΡΠ·ΠΎΠ²Π°ΡΡ PIN-ΠΊΠΎΠ΄Ρ, ΠΎΠ±ΠΎΠ·Π½Π°ΡΠ΅Π½Π½ΡΠ΅ ΠΊΠ°ΠΊ Π²ΡΡ ΠΎΠ΄Ρ, ΠΈ ΠΏΠ΅ΡΠ΅Π΄Π°Π²Π°ΡΡ ΡΠ΅Π·ΡΠ»ΡΡΠ°ΡΡ Π½Π° 16-ΡΠΈΠΌΠ²ΠΎΠ»ΡΠ½ΡΠΉ ΠΠ-Π΄ΠΈΡΠΏΠ»Π΅ΠΉ Ρ Π·Π΅Π»Π΅Π½ΠΎΠΉ ΠΏΠΎΠ΄ΡΠ²Π΅ΡΠΊΠΎΠΉ. |
ΠΠ΅ΡΠ΅ΠΊΠ»ΡΡΠ°ΡΠ΅Π»ΠΈ ΡΡΠ΅ΡΡΠΈΠΊΠ° LC
ΠΠ΅ΡΠ΅ΠΊΠ»ΡΡΠ°ΡΠ΅Π»Ρ ΡΠ±ΡΠΎΡΠ° β ΡΠ±ΡΠ°ΡΡΠ²Π°Π΅Ρ ΠΏΠΎΠΊΠ°Π·Π°Π½ΠΈΡ Π΅ΠΌΠΊΠΎΡΡΠΈ/ΠΈΠ½Π΄ΡΠΊΡΠΈΠ²Π½ΠΎΡΡΠΈ. |
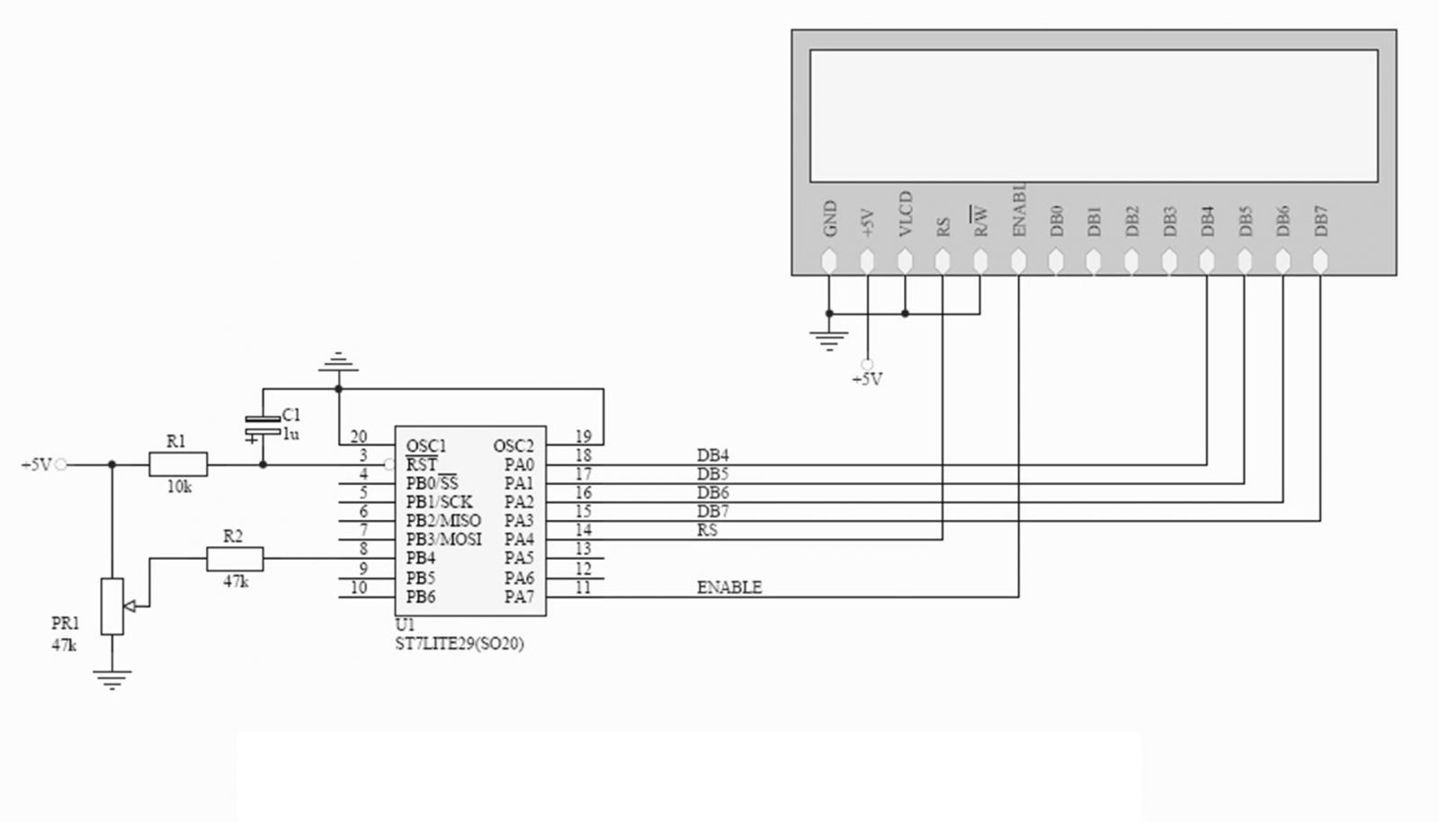
ΠΠΎΠ΄ΠΊΠ»ΡΡΠ΅Π½ΠΈΡ ΡΠΈΠΌΠ²ΠΎΠ»ΡΠ½ΠΎΠ³ΠΎ ΠΠ-Π΄ΠΈΡΠΏΠ»Π΅Ρ
ΠΠΎΠ»ΡΡΠΈΠ½ΡΡΠ²ΠΎ ΡΠΈΠΌΠ²ΠΎΠ»ΡΠ½ΡΡ
ΠΠ-Π΄ΠΈΡΠΏΠ»Π΅Π΅Π² ΠΈΠΌΠ΅ΡΡ 14 ΠΈΠ»ΠΈ 16 ΠΊΠΎΠ½ΡΠ°ΠΊΡΠΎΠ².
|
LC Meterβs Enclosure (4β³x2.
5β³x1β³)
LC Meterβs Early Prototype
Measuring 2pF Capacitor
ΠΠ·ΠΌΠ΅ΡΠ΅Π½ΠΈΠ΅ ΠΈΠ½Π΄ΡΠΊΡΠΈΠ²Π½ΠΎΡΡΠΈ
ΠΠ°ΠΊΠ»ΡΡΠΈΡΠ΅Π»ΡΠ½ΡΠ΅ ΡΠ΅ΠΊΠΎΠΌΠ΅Π½Π΄Π°ΡΠΈΠΈ
|

ΠΡΠΎΡ LC-ΠΌΠ΅ΡΡ ΠΏΠΎΠ·Π²ΠΎΠ»ΡΠ΅Ρ ΠΈΠ·ΠΌΠ΅ΡΡΡΡ Π½Π΅Π²Π΅ΡΠΎΡΡΠ½ΠΎ ΠΌΠ°Π»ΡΠ΅ ΠΈΠ½Π΄ΡΠΊΡΠΈΠ²Π½ΠΎΡΡΠΈ ΠΎΡ 10 Π½ΠΠ½ Π΄ΠΎ 1000 Π½ΠΠ½, ΠΎΡ 1 ΠΌΠΊΠΠ½ Π΄ΠΎ 1000 ΠΌΠΊΠΠ½, ΠΎΡ 1 ΠΌΠΠ½ Π΄ΠΎ 100 ΠΌΠΠ½ ΠΈ Π΅ΠΌΠΊΠΎΡΡΡ ΠΎΡ 0,1 ΠΏΠ€ Π΄ΠΎ 900 Π½Π€. Π ΡΡ
Π΅ΠΌΠ΅ LC Meter ΠΈΡΠΏΠΎΠ»ΡΠ·ΡΠ΅ΡΡΡ ΡΠΈΡΡΠ΅ΠΌΠ° Π°Π²ΡΠΎΠΌΠ°ΡΠΈΡΠ΅ΡΠΊΠΎΠ³ΠΎ Π²ΡΠ±ΠΎΡΠ° Π΄ΠΈΠ°ΠΏΠ°Π·ΠΎΠ½Π°, ΠΏΠΎΡΡΠΎΠΌΡ Π²Π°ΠΌ Π½Π΅ Π½ΡΠΆΠ½ΠΎ ΡΡΠ°ΡΠΈΡΡ Π²ΡΠ΅ΠΌΡ Π½Π° Π²ΡΠ±ΠΎΡ Π΄ΠΈΠ°ΠΏΠ°Π·ΠΎΠ½ΠΎΠ² Π²ΡΡΡΠ½ΡΡ. ΠΡΠ΅ ΠΎΠ΄Π½Π° ΠΏΠΎΠ»Π΅Π·Π½Π°Ρ ΡΡΠ½ΠΊΡΠΈΡ β ΠΏΠ΅ΡΠ΅ΠΊΠ»ΡΡΠ°ΡΠ΅Π»Ρ ΡΠ±ΡΠΎΡΠ°, ΠΊΠΎΡΠΎΡΡΠΉ ΡΠ±ΡΠ°ΡΡΠ²Π°Π΅Ρ Π½Π°ΡΠ°Π»ΡΠ½ΡΡ ΠΈΠ½Π΄ΡΠΊΡΠΈΠ²Π½ΠΎΡΡΡ/Π΅ΠΌΠΊΠΎΡΡΡ, Π³Π°ΡΠ°Π½ΡΠΈΡΡΡ, ΡΡΠΎ ΠΎΠΊΠΎΠ½ΡΠ°ΡΠ΅Π»ΡΠ½ΡΠ΅ ΠΏΠΎΠΊΠ°Π·Π°Π½ΠΈΡ LC-ΠΌΠ΅ΡΡΠ° Π±ΡΠ΄ΡΡ ΠΌΠ°ΠΊΡΠΈΠΌΠ°Π»ΡΠ½ΠΎ ΡΠΎΡΠ½ΡΠΌΠΈ.
ΡΠ΅Π·ΠΈΡΡΠΎΡΡ, ΠΌΠ΅Ρ
Π°Π½ΠΈΡΠ΅ΡΠΊΠΈ ΠΎΠ±ΡΠ°Π±ΠΎΡΠ°Π½Π½ΡΠ΅ ΡΠ°Π·ΡΠ΅ΠΌΡ Π΄Π»Ρ ΠΈΠ½ΡΠ΅Π³ΡΠ°Π»ΡΠ½ΡΡ
ΡΡ
Π΅ΠΌ, ΠΏΠΎΠ·ΠΎΠ»ΠΎΡΠ΅Π½Π½ΡΠ΅ ΡΡΡΡΠ΅Π²ΡΠ΅ ΠΊΠΎΠ½ΡΠ°ΠΊΡΡ, ΡΠ°Π·ΡΠ΅ΠΌΡ Π΄Π»Ρ ΠΠ-Π΄ΠΈΡΠΏΠ»Π΅Π΅Π² ΠΈ Π²ΡΠ΅ Π΄ΡΡΠ³ΠΈΠ΅ ΠΊΠΎΠΌΠΏΠΎΠ½Π΅Π½ΡΡ, Π½Π΅ΠΎΠ±Ρ
ΠΎΠ΄ΠΈΠΌΡΠ΅ Π΄Π»Ρ ΡΠΎΠ·Π΄Π°Π½ΠΈΡ ΠΊΠΎΠΌΠΏΠ»Π΅ΠΊΡΠ° ΠΏΡΠ΅ΠΌΠΈΡΠΌ-ΠΊΠ°ΡΠ΅ΡΡΠ²Π°. ΠΠ»Π°Π³ΠΎΠ΄Π°ΡΡ ΠΈΡΠΏΠΎΠ»ΡΠ·ΠΎΠ²Π°Π½ΠΈΡ ΠΠ-ΡΠ°Π·ΡΠ΅ΠΌΠΎΠ² ΠΠ-Π΄ΠΈΡΠΏΠ»Π΅ΠΉ ΠΌΠΎΠΆΠ½ΠΎ ΠΎΡΡΠΎΠ΅Π΄ΠΈΠ½ΠΈΡΡ ΠΎΡ ΠΎΡΠ½ΠΎΠ²Π½ΠΎΠΉ ΠΏΠ»Π°ΡΡ Π² Π»ΡΠ±ΠΎΠΉ ΠΌΠΎΠΌΠ΅Π½Ρ, Π΄Π°ΠΆΠ΅ ΠΏΠΎΡΠ»Π΅ ΡΠΎΠ³ΠΎ, ΠΊΠ°ΠΊ ΠΊΠΎΠΌΠΏΠ»Π΅ΠΊΡ ΡΠΎΠ±ΡΠ°Π½. Π‘ΠΏΠ΅ΡΠΈΠ°Π»ΡΠ½Π°Ρ ΡΠ΅ΡΠΈΡ Accurate LC Meter ΠΏΡΠ΅Π΄Π½Π°Π·Π½Π°ΡΠ΅Π½Π° Π΄Π»Ρ ΠΏΡΠΎΡΠ΅ΡΡΠΈΠΎΠ½Π°Π»ΠΎΠ², ΠΊΠΎΡΠΎΡΡΠΌ ΡΡΠ΅Π±ΡΠ΅ΡΡΡ Π±Π΅ΡΠΏΡΠ΅ΡΠ΅Π΄Π΅Π½ΡΠ½Π°Ρ ΡΠΎΡΠ½ΠΎΡΡΡ ΠΈΠ·ΠΌΠ΅ΡΠ΅Π½ΠΈΠΉ, ΠΈ ΠΏΡΠ΅Π΄Π»Π°Π³Π°Π΅Ρ ΠΎΡΠ»ΠΈΡΠ½ΠΎΠ΅ ΡΠΎΠΎΡΠ½ΠΎΡΠ΅Π½ΠΈΠ΅ ΡΠ΅Π½Ρ ΠΈ ΠΊΠ°ΡΠ΅ΡΡΠ²Π°.

ΠΠΎΠ»ΡΡΠΈΠ² ΡΡΡ ΠΈΠ½ΡΠΎΡΠΌΠ°ΡΠΈΡ, ΠΌΡ ΠΏΡΠΈΠΌΠ΅Π½ΡΠ΅ΠΌ ΡΠΎΡΠΌΡΠ»Ρ Π΄Π»Ρ ΠΎΠΏΡΠ΅Π΄Π΅Π»Π΅Π½ΠΈΡ Π΅ΠΌΠΊΠΎΡΡΠΈ.
ΠΠΈΡΠΏΠ»Π΅ΠΈ Ρ ΠΏΠΎΠ΄ΡΠ²Π΅ΡΠΊΠΎΠΉ ΠΈΠΌΠ΅ΡΡ 16 ΠΊΠΎΠ½ΡΠ°ΠΊΡΠΎΠ², Π° Π΄ΠΈΡΠΏΠ»Π΅ΠΈ Π±Π΅Π· ΠΏΠΎΠ΄ΡΠ²Π΅ΡΠΊΠΈ β 14 ΠΊΠΎΠ½ΡΠ°ΠΊΡΠΎΠ². PIN-ΠΊΠΎΠ΄Ρ, Π²ΡΠ΄Π΅Π»Π΅Π½Π½ΡΠ΅ Π·Π΅Π»Π΅Π½ΡΠΌ ΡΠ²Π΅ΡΠΎΠΌ Π² ΡΠ°Π±Π»ΠΈΡΠ΅ Π½ΠΈΠΆΠ΅, ΠΈΡΠΏΠΎΠ»ΡΠ·ΡΡΡΡΡ PIC16F628A Π΄Π»Ρ ΠΏΠ΅ΡΠ΅Π΄Π°ΡΠΈ Π²ΡΡ
ΠΎΠ΄Π½ΠΎΠΉ ΠΈΠ½ΡΠΎΡΠΌΠ°ΡΠΈΠΈ, ΠΏΡΠ΅Π΄ΡΡΠ°Π²Π»Π΅Π½Π½ΠΎΠΉ Π² Π±ΠΈΡΠ°Ρ
(0/1).
