Как работает усилитель ILA7056B. Какие у него преимущества перед аналогами. Для каких устройств подходит эта микросхема. Какие технические параметры важны при выборе усилителя низкой частоты.
Основные характеристики усилителя ILA7056B
ILA7056B представляет собой монофонический усилитель низкой частоты с мостовым выходом (BTL) и следующими ключевыми параметрами:
- Максимальная выходная мощность: 5,2 Вт (при нагрузке 8 Ом и КНИ ≤10%)
- Напряжение питания: 2,5-18 В
- Коэффициент усиления по напряжению: 40 дБ
- Минимальное сопротивление нагрузки: 8 Ом
- Полоса пропускания по уровню -1 дБ: 300 кГц
- Наличие электронной регулировки громкости
Микросхема выпускается в 9-выводном корпусе SIL средней мощности (SOT110). Благодаря мостовой схеме включения, ILA7056B обеспечивает высокую выходную мощность при низком напряжении питания.
Преимущества усилителя ILA7056B
По сравнению с аналогичными микросхемами, усилитель ILA7056B обладает рядом важных преимуществ:

- Отсутствие необходимости во внешних компонентах
- Наличие встроенной электронной регулировки громкости
- Повышенная выходная мощность при низких напряжениях питания
- Схема подавления щелчков при включении/выключении
- Защита от короткого замыкания выходов
- Тепловая защита
- Защита всех выводов от статических разрядов
Благодаря этим особенностям, ILA7056B является оптимальным выбором для портативных устройств с батарейным питанием, где важны компактность и энергоэффективность.
Области применения усилителя ILA7056B
Микросхема ILA7056B предназначена для использования в следующих типах устройств:
- Портативные монофонические магнитофоны
- Карманные радиоприемники
- Мобильные телевизоры с батарейным питанием
- Портативные колонки и аудиосистемы
- Электронные игрушки со звуковыми эффектами
Усилитель также может применяться в медицинских приборах, например, в так называемых «лечебных катушках» и аппаратах РГВП (регенерация гиперполяризационными вихревыми полями). Однако необходимо помнить, что использование любых неодобренных устройств в медицинских целях может быть опасным.

Сравнение ILA7056B с аналогами TDA7056 и TDA7056A
Микросхема ILA7056B является усовершенствованной версией более ранних моделей TDA7056 и TDA7056A. Рассмотрим основные отличия:
- TDA7056:
- Максимальная мощность 3 Вт (при нагрузке 16 Ом)
- Отсутствие электронной регулировки громкости
- Минимальное сопротивление нагрузки 16 Ом
- TDA7056A:
- Максимальная мощность 3,5 Вт (при нагрузке 8 Ом)
- Наличие электронной регулировки громкости
- Минимальное сопротивление нагрузки 8 Ом
- ILA7056B:
- Максимальная мощность 5,2 Вт (при нагрузке 8 Ом)
- Усовершенствованная электронная регулировка громкости
- Минимальное сопротивление нагрузки 8 Ом
- Повышенный коэффициент усиления (40 дБ)
Как видно, ILA7056B обеспечивает наибольшую выходную мощность и имеет улучшенные характеристики по сравнению с предшественниками.
Особенности электронной регулировки громкости в ILA7056B
Одним из ключевых преимуществ усилителя ILA7056B является наличие встроенной электронной регулировки громкости. Она осуществляется подачей постоянного напряжения на 5-й вывод микросхемы. Рассмотрим основные аспекты этой функции:

- Диапазон регулировки: от полного отключения звука до максимальной громкости
- Линейная зависимость усиления от управляющего напряжения в децибелах
- Возможность программного управления громкостью через ЦАП или ШИМ-модуляцию
- Отсутствие необходимости в дополнительных внешних компонентах
Электронная регулировка громкости позволяет реализовать различные функции, такие как плавное нарастание/затухание звука, автоматическая регулировка уровня и даже простая амплитудная модуляция сигнала.
Схемотехнические особенности усилителя ILA7056B
Микросхема ILA7056B имеет ряд схемотехнических решений, обеспечивающих ее высокую эффективность и надежность:
- Мостовая (BTL) схема выходного каскада для повышения выходной мощности
- Встроенная схема подавления щелчков при включении/выключении
- Термокомпенсированный симметричный выход
- Схема защиты от короткого замыкания выходов на корпус и между собой
- Тепловая защита с плавным снижением усиления при перегреве
- Стабилизация установленной и максимальной выходной мощности
- Компенсация дрейфа средней точки выходного сигнала
Благодаря этим особенностям, ILA7056B обеспечивает высокое качество звучания и надежную работу в различных условиях эксплуатации.

Рекомендации по применению усилителя ILA7056B
При использовании микросхемы ILA7056B следует учитывать некоторые важные моменты:
- Минимальное сопротивление нагрузки не должно быть меньше 8 Ом во избежание перегрузки усилителя.
- Для получения максимальной выходной мощности рекомендуется использовать напряжение питания близкое к верхнему пределу (18 В).
- При работе на максимальной мощности необходимо обеспечить эффективный теплоотвод от корпуса микросхемы.
- Для минимизации помех рекомендуется использовать короткие сигнальные линии и качественную развязку по питанию.
- При использовании электронной регулировки громкости следует учитывать нелинейность АЧХ на низких уровнях сигнала.
Соблюдение этих рекомендаций позволит максимально эффективно использовать возможности усилителя ILA7056B и получить высокое качество звучания.
Альтернативные применения усилителя ILA7056B
Помимо традиционного использования в аудиотехнике, усилитель ILA7056B может найти применение в других областях:
- Генераторы низкочастотных сигналов
- Усилители для пьезоэлектрических преобразователей
- Драйверы для небольших электродвигателей постоянного тока
- Усилители в измерительных приборах
- Модуляторы в радиопередающих устройствах малой мощности
Широкий диапазон питающих напряжений и наличие электронной регулировки усиления делают ILA7056B универсальным компонентом для различных электронных устройств.

Заключение
Усилитель низкой частоты ILA7056B представляет собой современное и эффективное решение для портативных аудиоустройств. Благодаря мостовой схеме включения, встроенной регулировке громкости и комплексу защитных функций, эта микросхема обеспечивает высокое качество звучания при минимальном количестве внешних компонентов. ILA7056B является оптимальным выбором для разработчиков, стремящихся создать компактные и энергоэффективные аудиосистемы.
Запрашиваемая страница не найдена!
- Главная
- Запрашиваемая страница не найдена!
Категории
- УФ-ППЗУ (Eprom)
- Flash, Eeprom, Firmware Hub
- Serial Eeprom, Serial Flash
- Static RAM
- Микроконтроллеры Atmel
- PIC-микроконтроллеры Microchip
- Микроконтроллеры Winbond/Nuvoton
- Микроконтроллеры NXP/Philips
- Микроконтроллеры Texas Instruments
- Микроконтроллеры ST Microelectronics
- Устройства программирования микросхем (переходники, клипсы, УФ-приборы), прочие приборы, инструмент
- Макетные платы, текстолит
- Панели, разъёмы, переключатели, герконы, кабель
-
Микросхемы импортные для ремонта (TDA, AN, LA, STR и пр.
)
Логика- Компоненты Analog Devices
- Компоненты Maxim/Dallas
- Компоненты FTDI
- Компоненты International Rectifier
- Светодиоды
- Транзисторы
- Диоды, мосты, стабилитроны
- Тиристоры, симисторы
- Оптоэлектроника
- Кварцы, генераторы
- AC/DC преобразователи
- Магниты
- Импортные выводные (=К50-35, К50-24) и SMD электролитические конденсаторы, ионисторы
- Импортные выводные керамические конденсаторы (=К10-17Б, К15-5, КД-2)
-
Импортные выводные плен.
полиэстер. конденсаторы (=К73-9)
- Чип конденсаторы керамические
- Чип танталовые конденсаторы
- Резисторы подстроечные
- Чип резисторы
- Резисторы выводные МЛТ-0,25 (С1-4), МЛТ-1, МЛТ-2 (С2-33)
- Звукоизлучатели
- Реле
-
Аккумуляторы свинцово-кислотные герметизированные
- Наборы для переделки шуруповерта с Ni-Cd на Li-ion аккумуляторы
- Тюнеры
- Прочее
- Товары под заказ
Чем отличаются TDA7056, TDA7056A, TDA7056B.
НА БЕЛОМ ФОНЕ.
По вопросам ремонта и другим техническим вопросам сюда. Ремонт бытовой и офисной техники.
Подробная информация по лечению, лечебных катушках и оборудованию по телефону +38 067 895 98 24
Или по электронной почте [email protected]
TDA7056, TDA7056A, TDA7056B это монофонические УНЧ с мостовым выходом (BTL).
BTL технология имеет преимущества:
Термоскомпенсированный симметричный выход при миниатюрных габаритах. Собранные схемы менее чувствительны к пульсациям питающего напряжения.
Повышенную выходную мощность при низких напряжениях питания.
В Лечебных Катушках и RGVP оптимальным вариантом можно считать применение УНЧ TDA7056B. Эта микросхема имеет ряд преимуществ.
Во первых, в TDA7056B есть электронная регулировка громкости, по которой очень просто осуществлять нужную модуляцию для различных болезней.
(Каждая болезнь имеет свою частоту). А усилением управлять по 3 ножке, регулируемой обратной связью. Это позволят легко разделить канал обратной связи и канал модуляции.
Во вторых, с большего сделать меньшее легче. Имеется в виду, ограничение выходной мощности. Но за то, когда нужна большая мощность, эта микросхема ее выдаст. А 8 ми омные выходы гораздо надежнее 16 омных.
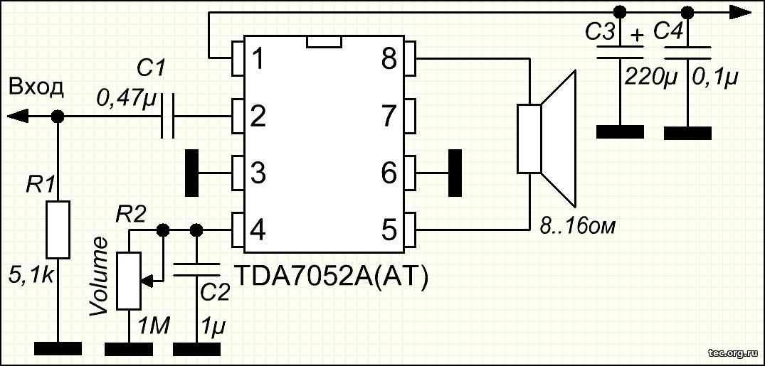
Для Лечебных Катушек обязательно нужно использовать необходимую модуляцию по 5 выводу. Если модулирующий сигнал прямоугольной формы, амплитуда сигнала на 5 выводе должна быть уровнем напряжения питания. Такой высокий уровень управляющего сигнала позволяет сформировать максимально возможные крутые фронты и спады прямоугольных импульсов. Что позволит получить максимальный эффект от применения прямоугольных импульсов.
Вся необходимая информация о Лечебных Катушках и РГВП, находится в папке по ссылке:
Лечебные катушки изготовление под заказ.
Или можно посмотреть некоторые ссылки в конце статьи.
И так, TDA7056 от простого к сложному.
Не смотря на разность только одной буквы, эти микросхемы имеют существенные отличия.
Микросхема TDA7056 не имеет регулятора усиления постоянным напряжением по пятому выводу (вывод 5 — пустой). Это значит, что у нее нет возможности управлять громкостью электронным потенциометром и импульсной модуляцией.
Максимальная выходная мощность микросхемы — 3 Ватта, при сопротивлении нагрузки 16 Ом и коэффициенте гармоник не более 10 процентов.
Минимальное сопротивление нагрузки — 16 Ом.
Максимальная выходная мощность микросхемы — 3,5 Ватта, при , при сопротивлении нагрузки 8 Ом и коэффициенте гармоник не более 10 процентов.
Минимальное сопротивление нагрузки — 8 Ом.
Есть регулировка громкости постоянным напряжением по 5 выводу. Чем выше напряжение управление, тем больше громкость.
Вот график зависимости усиления от напряжения управления по 5 ножке микросхемы TDA7056A.
Максимальная выходная мощность микросхемы — 5,2 Ватта, при сопротивлении нагрузки 8 Ом и коэффициенте гармоник не более 10 процентов. Выходная мощность увеличена поднятием усиления с 30 до 40 dB, по 5 ножке. Варианты подключение приведены на рисунке.
Минимальное сопротивление нагрузки — 8 Ом.
Есть регулировка громкости постоянным напряжением по 5 выводу. Чем выше напряжение управление, тем больше громкость.
Вот график зависимости усиления от напряжения управления по 5 ножке микросхемы TDA7056B.
TDA7056, TDA7056A, TDA7056B общие характеристики.
Микросхемы серии TDA7056 имеют:
Защиту от КЗ выходов на корпус и между собой.
Тепловую защиту. При температуре кристалла выше150 градусов происходит уменьшение усиления.
Схему подавления щелчков и продуктов переключений.
Стабилизацию установленной выходной мощности.
Стабилизацию максимальной паспортной выходной мощности.
Компенсацию дрейфа средней точки.
Полосу пропускания на уровне минус 1dB равную 300кГц.
Все контакты защищены от статических разрядов.
Ссылки по Лечебным Катушкам и РГВП приборам.
Статик — прибор для активации воды статическим полем.
РГВП или Optune NovoTTF-100A Лечение вихревыми (TTF) полями.
RGVP or Optune NovoTTF-100A. Treatment by vortex fields.
Печатная плата с разводкой в лайоуте 4.
Генератор для лечебной катушки. Схема. Печатка.
Генератор для лечения статикой. Катушка.
Мишин А. Н. Вихревая динамика
https://www.optune.com
X-FAQ.RU ФОРУМ-1
X-FAQ.RU ФОРУМ-2
ПРИМЕНЕНИЕ КАТУШЕК МИШИНА — ДАНДОРФА.
КАК ПРИМЕНЯТЬ ЛЕЧЕБНЫЕ КАТУШКИ.
ЛЕЧЕБНЫЕ КАТУШКИ БЕСПЛАТНАЯ КОНСУЛЬТАЦИЯ.
ЛЕЧЕБНЫЕ КАТУШКИ ИЗГОТОВЛЕНИЕ ПОД ЗАКАЗ.
ВОДА МЕТОДЫ ПОВЫШЕНИЯ ЦЕЛИТЕЛЬНЫХ СВОЙСТВ.
ВОДА КАК ГАРАНТИРОВАНО СТЕРЕТЬ С ВОДЫ ИНФОРМАЦИЮ.
ЛЕЧЕБНЫЕ КАТУШКИ — МЕДИЦИНСКИЕ ИСПЫТАНИЯ.
ЛЕЧЕБНЫЕ КАТУШКИ — ПОВЫШЕНИЕ ЭФФЕКТИВНОСТИ.
ЛЕЧЕБНЫЕ КАТУШКИ — УДВОЕНИЕ ЛЕЧЕБНОГО ПОЛЯ.
ЛЕЧЕБНЫЕ КАТУШКИ — УЛУЧШЕННЫЙ ВАРИАНТ.
НАШИ РАЗРАБОТКИ.
ЭЛЛАДА-7 АППАРАТ ЭЛЕКТРОПУНКТУРЫ.
ЭЛЛАДА-7 СХЕМА ПЛАТА НАСТРОЙКА.
АППАРАТ ДЛЯ ПОЛУЧЕНИЯ ЖИВОЙ И МЕРТВОЙ ВОДЫ.
АППАРАТ МИКРОМАССАЖА АМ1.
АППАРАТ МИКРОМАССАЖА АМ1 ОТ БОЛЕЗНЕЙ И УШИБОВ.
ЛЕЧЕНИЕ БОЛЕЗНЕЙ АППАРАТАМИ МИКРОМАССАЖА.
С ув. Белецкий А. И. 07.09.2016г. Кубань Краснодар.
ILA7056B техническое описание —
Детали, техническое описание, цитата по номеру детали: ILA7056B
| Деталь | ILA7056B |
| Категория | Мультимедиа => Аудио |
| Описание | |
| Компания | IK Semiconductor |
| Техническое описание | Загрузить ILA7056B Техническое описание |
| Цитата | Где купить |
| Функции, приложения |
ХАРАКТЕРИСТИКИ Отсутствие внешних компонентов Отсутствие щелчков включения/выключения Хорошая общая стабильность Низкое энергопотребление Защита от короткого замыкания Защита от электростатических разрядов на всех контактах. ФУНКЦИОНАЛЬНОЕ ОПИСАНИЕ Усилитель с монофоническим выходом, предназначенный для портативных радиоприемников с батарейным питанием и оборудования с питанием от сети, такого как телевизор. Из соображений экономии места существует тенденция к уменьшению количества внешних компонентов. Для портативных приложений также существует тенденция к уменьшению количества элементов батареи, но по-прежнему требуется разумная выходная мощность. РАССЕЯННАЯ МОЩНОСТЬ Предположим: 16 Вт. Максимальное рассеивание синусоидальной волны 1,52 Вт. Rth j-a пакета составляет 55 К/Вт. Тамб макс C. ХАРАКТЕРИСТИКИ ОБОЗНАЧЕНИЕ ПАРАМЕТР Vp рабочее напряжение питания повторяющийся пиковый выходной ток IQRMобщий ток покоя выходная мощность суммарные гармонические искажения напряжение усиление шум выходное напряжение шум выходное напряжение частотная характеристика подавление пульсаций выходное постоянное смещение напряжение входное сопротивление входной ток смещения Примечания к характеристикам 1. При нагрузке, подключенной к выходам, ток покоя будет увеличиваться, максимальное значение этого увеличения равно напряжению смещения постоянного тока на выходе, деленному на RL. 2. Шумовое выходное напряжение (среднеквадратичное значение) измерено при мощности 5 кВт (невзвешенная до 20 кГц). 3. Шумовое выходное напряжение (среднеквадратичное значение) = 500 кГц измерено при мощности 0 Вт и полосе пропускания = 5 кГц. |
| Связанные продукты с тем же паспортом |
| ILA7056SN |
| Номер детали того же производителя IK Semiconductor |
| ILA7056SN |
| ИЛА8362АНС |
| ILA8395 Декодер Secam |
| ИЛА8395Н |
| ILC555D Таймер DIP-8, SO-8 |
| ILC556D Двойной таймер DIP-14, SO-14 |
| Интерфейсная микросхема ILX485 |
| IN1488D 4-канальный преобразователь для последовательного интерфейса 14 |
| IN1489AD 4-канальный приемник для последовательного интерфейса 14 |
| IN16C554 Расширенный четырехместный 16C550 Uart |
| IN2410N Тональный звонок |
| ИН2411Н |
| Звонок тона телефона ИН2418Н с мостовым диодом |
IN24LC02 2k-bit EePROM, 8 DIP/SOP>> — Источник питания от 2,5 В до 5,5 В>> — 1 мА Активный ток, типичный >> — 10 мА, стандартный ток в режиме ожидания при 5,5 В>> — 5 мА, стандартный ток в режиме ожидания при 3. 0V>> — Организовано |
| IN24LC04 4K 2.5V CMOS Последовательные EePROM |
| IN24LC08 8K 2.5V CMOS Serial EePROM |
| ИН24ЛК08Б |
| Контроллер жидкокристаллического дисплея IN472-3DW |
| ИН472-3Н |
| ИН472Н |
| IN555D Таймер DIP-8, SO-8 |
IL2901 : Счетверенный компаратор IN74AC241DW : Восьмеричный буфер/линейный драйвер, Ninv (3 состояния) 20 IN74ACT132D : Четырехканальный инвертор NAND с триггером Шмитта с двумя входами 14 IN74ACT573DW: Восьмеричная прозрачная защелка (3 состояния) 20 IN74HC109D: Двойной триггер J-K с функцией установки и сброса, высокопроизводительная CMOS с кремниевым затвором IN74HC112D: двойной триггер J-k с функцией установки и сброса, высокопроизводительная CMOS с кремниевым затвором IN74HC174AN: Шестнадцатеричный D-триггер с общим тактовым сигналом и сбросом, высокопроизводительная CMOS с кремниевым затвором IN74HC373AN : Восьмеричная неинвертирующая прозрачная защелка с 3 состояниями, высокопроизводительная CMOS с кремниевым затвором IW4027BD: Двойной J-k триггер16 IW4030BN: Quad Exclusive-OR GATE14 IW4518BN: Двойной счетчик BCD16 |
ILA7056B Листы данных | Аудио ИС 5 W MONO BTL AUDIO AMPLIFIER WITH DC VOLUME CONTROL -Apogeeweb
Home  Аудио ИС ILA7056B Листы данных | Звуковые ИС МОНОУСИЛИТЕЛЬ BTL AUDIO AMPLIFIER 5 Вт С РЕГУЛЯТОРОМ ГРОМКОСТИ ПОСТОЯННОГО ТОКА
ILA7052N Листы данных | Интегральные схемы (ИС) Без внешних компонентов
IL-C2-0512C Листы данных | Интегральные схемы (ИС) Интегральные схемы (ИС) CDIP24
июнь 21 2021
- By apogeeweb,  Ila7056b, техническое описание ila7056b,ila7056b pdf,hynix semiconductor America
| Изображение: | |
| Деталь № производителя: | ИЛА7056Б |
| Категория продукта: | Аудио ИС |
| На складе: | № |
| Производитель: | Hynix полупроводник Америка |
| Описание: | МОНОУСИЛИТЕЛЬ ЗВУКА BTL 5 Вт С РЕГУЛЯТОРОМ ГРОМКОСТИ ПОСТОЯННОГО ТОКА |
| Технический паспорт: | Н/Д |
| Упаковка: | СИП-9 |
| Минимум: | 1 |
| Время выполнения заказа: | 3 (168 часов) |
| Количество: | Под заказ |
| Отправить запрос: | Расследование |
| Производитель: | Хайникс |
| Упаковка: | Лента и катушка (tr)/отрезная лента (ct)/лоток/трубка |
| Статус RoHS: | Не содержит свинца / соответствует требованиям RoHS |
| Упаковка/ящик: | Сип-9 |
Описания
Для этой детали пока нет соответствующей информации.
| Для этой детали пока нет соответствующей информации. |
- ПКМ5102ПВ
- ЦАП 2-канальный сегментный 32-битный 20-контактный TSOP-трубка
- вызов Деталь
- Г1445РД1У
- Моноусилитель мощностью 2,6 Вт с режимом отключения tdfn3
- вызов Деталь
- КХА2101АК
- Аудиодекодер mulN/Aplexing США
- вызов Деталь
- АЛК4020-ВКТ
- Аудио ics tqfp48
- вызов Деталь
- ЛМЭ49860НА
- Двойной высокопроизводительный, высококачественный аудиоусилитель , 44 В
- вызов Деталь
- ДИКС4192TPFBRQ1
- Интегрированный приемник и передатчик цифрового аудиоинтерфейса AutomoN/Ave
- вызов Деталь
- АЛК5629-ГРТ
- Аудиокодек
- вызов Деталь
- ЛМ1877Н-9
- Двойной усилитель мощности звука
- вызов Деталь
- CS8406-CZZR
- Передатчики/приемники/трансиверы ic 192 кГц цифровой аудио передатчик, аудио dsps ic 192 кГц цифровой аудио передатчик
- вызов Деталь
- CECL2009
- Усилитель мощности звука 3 Вт
- вызов Деталь
- ССМ2017П
- Автономный аудио предусилитель
- вызов Деталь
- АК4137ЭК
- Ic src 2ch 32bit 768khz 48lqfp
- вызов Деталь
Поделиться
Связанный параметр- Аудио ИС,Автомобильный Каталог 3.


)
ОБЩЕЕ ОПИСАНИЕ Усилитель с монофоническим выходом содержит 9-контактный SIL-пакет средней мощности (SOT110). Устройство предназначено для портативных монофонических магнитофонов, радиоприемников и телевизоров с батарейным питанием. КРАТКАЯ СПРАВКА ДАННЫЕ ОБОЗНАЧЕНИЕ ПАРАМЕТР напряжение питания Gv Ip THD выходная мощность внутреннее усиление по напряжению общий ток покоя общие гармонические искажения Vp=11 В; RL=# Po=0,5 Вт УСЛОВИЯ МИН. 2,5 39ТИП. МАКСИМУМ. 18 ЕДИНИЦА мА %
ILA7056SH удовлетворяет обоим этим требованиям. Ему не нужны периферийные компоненты, потому что он использует принцип BridgeTied-Load (BTL). Следовательно, при том же напряжении питания он имеет более высокую выходную мощность по сравнению с обычным однотактным выходным каскадом. Он обеспечивает выходную мощность 1 Вт при нагрузке на громкоговоритель 8 Вт при напряжении питания 6 В 3 Вт при нагрузке на громкоговоритель 16 Вт при 11 В без необходимости использования внешнего радиатора. Усиление внутренне зафиксировано на уровне 40 дБ. Особое внимание уделяется подавлению щелчков при включении/выключении, и оно имеет хорошую общую стабильность. Нагрузка может быть закорочена при любых входных условиях. СИМВОЛ Vp iorm iosm Tstg Tj ПАРАМЕТР напряжение питания Пиковый выходной ток, повторяющийся Пиковый выходной ток, неповторяющийся Диапазон температур хранения Температура перехода УСЛОВИЯ МИН. -55 МАКС. БЛОК Втч 9se < 60C Tsc время короткого замыкания см. примечание 1 Примечание 1. Нагрузка может быть закорочена при любых входных условиях.
При практической нагрузке (RL = 200 мГн) шумовой выходной ток составляет всего 50 нА. 4. Подавление пульсаций измеряется при 0 Вт и до 10 кГц. Напряжение пульсаций (200 мВ) подается на положительную шину питания. = 5 кВт.
0V>> — Организовано
