Что такое импульсный подвод электроэнергии. Как работает импульсная система электропитания. Какие преимущества дает импульсный подвод энергии. Где применяется импульсное электроснабжение.
Что представляет собой импульсный подвод электроэнергии
Импульсный подвод электроэнергии — это способ передачи электрической энергии к потребителю в виде коротких импульсов высокой мощности. В отличие от традиционного непрерывного электроснабжения, при импульсном подводе энергия поступает дискретно, в виде серии импульсов.
Основные характеристики импульсного подвода электроэнергии:
- Высокая пиковая мощность импульсов (до нескольких мегаватт)
- Малая длительность импульсов (микро- и наносекунды)
- Высокая частота следования импульсов (до сотен кГц)
- Регулируемые параметры импульсов (амплитуда, длительность, частота)
Принцип работы системы импульсного электропитания
Рассмотрим основные элементы и принцип действия системы импульсного подвода электроэнергии:

- Источник питания — преобразует входное напряжение сети в высоковольтное постоянное напряжение
- Накопитель энергии — заряжается от источника питания (обычно конденсатор)
- Коммутатор — быстро подключает накопитель к нагрузке, формируя импульс
- Система управления — задает параметры и синхронизирует работу элементов
- Нагрузка — потребитель импульсной энергии
Накопитель энергии медленно заряжается от источника питания. Затем коммутатор быстро подключает его к нагрузке, формируя мощный кратковременный импульс. После этого цикл повторяется.
Преимущества импульсного подвода электроэнергии
Импульсный способ передачи электроэнергии обладает рядом важных преимуществ по сравнению с традиционным непрерывным электроснабжением:
- Высокий КПД передачи энергии (до 95-98%)
- Возможность передачи большой мощности при малом сечении проводов
- Снижение потерь в линиях электропередачи
- Уменьшение массогабаритных показателей оборудования
- Высокая точность дозирования энергии
- Возможность быстрого управления параметрами
Области применения импульсных систем электропитания
Импульсный подвод электроэнергии нашел широкое применение в различных областях науки и техники:

- Лазерная техника
- Ускорители заряженных частиц
- Радиолокационные станции
- Системы электроимпульсной обработки материалов
- Импульсные технологии в металлургии
- Высоковольтные испытательные установки
- Импульсные системы очистки газов и жидкостей
Импульсные источники питания в бытовой электронике
В современной бытовой и компьютерной технике широко используются импульсные источники питания. Они обладают рядом преимуществ по сравнению с традиционными линейными блоками питания:
- Малые габариты и вес
- Высокий КПД (до 90-95%)
- Работа в широком диапазоне входных напряжений
- Возможность получения нескольких выходных напряжений
- Хорошая стабилизация выходного напряжения
Принцип работы импульсного блока питания основан на преобразовании входного напряжения в импульсы высокой частоты (десятки-сотни кГц). Это позволяет использовать малогабаритный высокочастотный трансформатор.
Перспективы развития импульсных систем электропитания
Импульсные технологии передачи и преобразования электроэнергии активно развиваются. Основные направления совершенствования:

- Повышение КПД и удельной мощности
- Улучшение массогабаритных показателей
- Расширение функциональных возможностей
- Увеличение надежности и срока службы
- Снижение уровня электромагнитных помех
Развитие силовой электроники и микропроцессорной техники открывает новые возможности для создания эффективных импульсных систем электропитания. Они находят все более широкое применение в различных отраслях.
Особенности проектирования импульсных источников питания
При разработке импульсных систем электропитания необходимо учитывать ряд важных факторов:
- Выбор оптимальной топологии преобразователя
- Расчет и выбор силовых полупроводниковых приборов
- Проектирование магнитных элементов (трансформаторов, дросселей)
- Разработка системы управления и защиты
- Обеспечение электромагнитной совместимости
- Тепловой расчет и выбор системы охлаждения
Важно обеспечить высокий КПД, надежность, электромагнитную совместимость и другие требуемые характеристики импульсного источника питания. Для этого применяются современные методы проектирования и моделирования.

Заключение
Импульсный подвод электроэнергии обладает рядом важных преимуществ по сравнению с традиционными системами электропитания. Это позволяет создавать высокоэффективные источники питания для различных применений. Развитие импульсных технологий открывает новые возможности в области передачи и преобразования электрической энергии.
Вырабатываемая электрическая энергия поступает к месту потребления через систему взаимосвязанных передающих, распределяющих и преобразующих электроустановок. Передача электроэнергии осуществляется по воздушным линиям электропередачи с напряжением от нескольких сот до сотен тысяч вольт. Электрическая энергия передается по системным воздушным сетям с напряжениями 35, 110, 150, 220 кВ и выше по шкале номинальных напряжений, установленной ГОСТом. Распределение электроэнергии осуществляется при помощи центра питания (ЦП), распределительных пунктов (РП) и распределительных линий (РЛ). Центром питания называются распределительные устройства (РУ) генераторного напряжения электростанции или вторичного напряжения понижающей подстанции энергосистемы с регулятором напряжения, к которому подсоединены распределительные сети данного района. Распределительным пунктом называется подстанция промышленного предприятия или городской электрической сети, предназначенная для приема и распределения электроэнергии с одним напряжением без ее преобразования. Распределительной линией называется линия, питающая ряд трансформаторных подстанций от ЦП или РП или вводы к электроустановкам потребителей. Подстанцией называется электрическая установка, служащая для преобразования и распределения электроэнергии и состоящая из Трансформаторов или других преобразователей электроэнергии, распределительных устройств напряжением до 1000 В и выше, аккумуляторных батарей, аппаратов управления и вспомогательных сооружений. Электроснабжение промышленных, городских и сельских потребителей электроэнергией осуществляется от трансформаторных подстанций, основным элементом которых является трансформатор, преобразующий (трансформирующий) электроэнергию одного напряжения в электрическую энергию другого (более высокого или более низкого напряжения). Принципиальная схема передачи и распределения электрической энергии показана на рис. 5. Электрическая энергия, вырабатываемая генераторами с номинальным напряжением 10… 15 кВ, поступает в трансформаторы электростанции А, где ее напряжение повышается до 220 кВ, после чего она подается на сборные шины открытой подстанции этой электростанции, а затем при помощи ЛЭП 220 кВ передается на шины 220 кВ понижающей подстанции, связанной также ЛЭП 220 кВ с электростанцией Б. На понижающей подстанции напряжение электрической энергии с 220 кВ понижается трансформаторами до 10 (или 6) кВ и с этим напряжением она подается к распределительному пункту, а от него к подстанциям ПСІ, ПС2, ПСЗ с силовыми трансформаторами, понижающими в свою очередь напряжение до 380 (или 220) В, т.е. до значений, с которыми электроэнергия поступает потребителям. Электрическая энергия используется: в электродвигателях на двигательные цели; в лампах накаливания и люминесцентных лампах для освещения; в электрических печах, гальванических ваннах и различных аппаратах для обеспечения технологических процессов; в электросварочных агрегатах для сварки металлов и для других целей. При потреблении электрической энергии происходит процесс се обратного преобразования: в электродвигателях электроэнергия преобразуется в механическую; в лампах накаливания — сначала в силовую, а затем в энергию светового потока; в электронагревательных печах — в тепловую и т.д. Эти преобразования также сопровождаются потерями, преимущественно в виде тепла, излучаемого в окружающую среду. ![]() Рис. 5. Принципиальная схема передачи и распределения электроэнергии: Г1, Г2 — генераторы; ПС, ПСІ, ПС2, ПСЗ — подстанции; РП — распределительный пункт Производство, передача и потребление электрической энергии осуществляются при определенных напряжениях, установленных ГОСТами. Для электродвигателей и различных электрических аппаратов номинальными являются напряжения, на которые рассчитана их изоляция и при которых обеспечивается их нормальная работа, гарантированная заводом-изготовителем. Номинальное напряжение электрооборудования обязательно указывается в его паспорте (для электродвигателей, аппаратов) или клейме (для реле, приборов и др.). Подсоединение приборов и аппаратов к питающей сети с напряжением, соответствующим их номинальным напряжениям, является обязательным требованием, гарантирующим сохранность изоляции и нормальную длительность работы этого электрооборудования. Номинальное напряжение определяет нормальную работу электрической аппаратуры. Так, на баллоне или цоколе лампы накаливания указано, что она рассчитана на напряжение 220 В. Это означает, что если ее подключить к сети с напряжением 220 В, она будет создавать нормальный для нее световой поток и работать длительное время, гарантированное заводом-изготовителем. Если напряжение сети будет меньше номинального напряжения лампы, то срок ее службы несколько увеличится, но световой поток резко сократится, и наоборот, при увеличении напряжения сети сверх номинального лампа будет давать больше света, но при этом срок ее службы станет во много раз меньше. На работу электродвигателей питающее напряжение влияет следующим образом. При повышении напряжения сверх номинального обмотки двигателя чрезмерно нагреваются, создается опасность повреждения изоляции. Если же электродвигатель работает при пониженном напряжении, то значительно уменьшается его номинальная мощность, что в итоге также приводит к перегреву обмоток. С точки зрения электроснабжения современный промьппленный город с многотысячным населением представляет собой огромное число электроприемников. Здесь и станки на промышленных предприятиях, и городской электротранспорт, и освещение улиц, домов, учебных, торговых, культурных учреждений и т.д. Перерыв в подаче электроэнергии нежелателен для любого потребителя, но если для одних потребителей перерыв в электроснабжении еще допустим на непродолжительное время, то для других он должен быть вообще исключен. Например, кратковременный перерыв в подаче электроэнергии на такие объекты, как промышленные предприятия с автоматическими линиями, металлургические заводы, шахты, химические комбинаты, причиняет большой экономический ущерб, может вызвать массовый брак продукции, выход из строя оборудования и даже создать опасность для здоровья и жизни людей. А отключение электроэнергии в жилом доме создает только определенные неудобства для его жильцов. По степени требуемой надежности электроснабжения все потребители электрической энергии подразделяются на три категории, определяющие необходимое число источников электроэнергии и схему электроснабжения. К первой категории относятся потребители, перерыв электроснабжения которых может повлечь за собой опасность для жизни людей, значительный ущерб народному хозяйству, повреждение дорогостоящего основного оборудования, массовый брак продукции, нарушение функционирования особо важных элементов коммунального хозяйства. Эти потребители должны получать электроэнергию не менее чем от двух независимых и взаимно резервируемых источников питания. Вторую категорию потребителей образуют электроприемники, перерыв электроснабжения которых приводит к недовыпуску продукции, массовым простоям рабочих, механизмов и промышленного транспорта, нарушению нормальной деятельности значительного количества населения. Эти потребители могут обеспечиваться электроэнергией от двух независимых источников. При нарушении электроснабжения от одного из них, допустим перерыв электроснабжения на время, необходимое для включения резервного питания дежурным персоналом или выездной оперативной бригадой. Все остальные потребители электроэнергии относятся к третьей категории. Электроснабжение этих потребителей допускается от одного источника. Нормальная работа любого потребителя электроэнергии требует не только бесперебойного электроснабжения, но и обеспечения определенного качества электрической энергии, к показателям которого относятся: отклонения напряжения и частоты от заданных номинальных значений, колебания напряжения и частоты, несинусоидальность формы кривой напряжения, несимметричность трехфазной системы напряжения. Под отклонением частоты тока понимают разность между фактическим значением его частоты и номинальным в интервале 10 мин. Это отклонение не должно превышать 0,1 Гц. Сверх того допускаются колебания частоты тока не более 0,2 Гц/с. Для поддержания постоянной частоты тока используются включение при необходимости в работу дополнительных генераторов или разгрузка электросистемы путем ограничения использования электроэнергии или отключения от источника потребителей третьей группы. Допустимые отклонения напряжения для разных потребителей различны. Так, например, для ламп они составляют 2,5…5% от номинального, для электродвигателей — 5… 10 %, а для остальных потребителей — 5 %. Для ограничения колебаний напряжения переключают ступени напряжения силовых трансформаторов на подстанциях, включают на параллельную работу или отключают резервные трансформаторы, линии и генераторы электростанций. На производство, передачу и распределение электрической энергии затрачивается много топлива и различных технических средств, а также труд большого числа людей, занятых эксплуатацией и ремонтом электрических сетей станций и подстанций, поэтому расходовать ее необходимо экономно. Существует много способов экономии электроэнергии. Так, например, в промышленности это может обеспечиваться сокращением холостого хода станков, нормальной загрузкой электродвигателей, хорошим уходом за электрооборудованием (своевременной заменой смазки в подшипниках, качественным ремонтом электродвигателей), правильностью технологических процессов и т.д. Значительной экономии электроэнергии при освещении можно достигнуть за счет правильного выбора конструкций светильников и мощности устанавливаемых ламп, своевременной очистки арматуры и ламп от копоти и пыли. Практически каждый потребитель имеет свои возможности и резервы экономии электроэнергии, которые должны быть выявлены и использованы в интересах самого потребителя и народного хозяйства. электрический энергия станция |
stroyka.ahuman.ru
Устройства и приборы для экономии электроэнергии своими руками
Когда появляется спрос на какой-то продукт, появляется и предложение. Постоянно растущие цены на электричество породили большое количество «чудо-приборов» (к примеру, Electricity saving box), обещающих уменьшение расхода энергии чуть ли не вдвое. Их действие основывается на преобразовании в активную реактивной энергии. Однако, схема таких приборов настолько проста, что практически любой не чуждый технике человек способен сделать экономитель электроэнергии своими руками.
Содержание статьи
Самодельное устройство для экономии электроэнергии, принцип действия
Основополагающим принципом является то, что любая электрическая мощность состоит из реактивной и активной энергии. Активная полезна в быту, она приводит в действие все механизмы. Реактивная же, наоборот, бесполезна и даже снижает эффективность энергосистемы. Приборы учета (механические и электрические счетчики) определяют только количество использованной активной энергии, за которую платят бытовые потребители.
Промышленные же предприятия платят и за реактивную энергию, которая измеряется специальными счетчиками. Она создается механизмами с высокой индуктивной составляющей (например, электродвигателями), и на заводах и фабриках ее количество уменьшают с помощью специальных конденсаторных установок.
Учитывая вышеописанное, идеи о том, как сделать самому приспособление для экономии электроэнергии, витали в воздухе. В быту источники реактивной энергии – это обычные механизмы с электродвигателями (кухонный комбайн, фен, пылесос, холодильник, дрель). С другой стороны, есть устройства, которым нужен постоянный ток (телевизоры и компьютерные мониторы). Поэтому стали разрабатывать приспособление для экономии электроэнергии, схема которого позволила бы уменьшить потребление электричества путем преобразования в активную реактивной энергии.
Теоретическое обоснование и принципиальная схема самодельного экономителя
Суть экономии состоит в том, что нагрузка питается не от сети с переменным током, а от подключенного конденсатора, заряд коего производится импульсами высокой частоты, при этом соответствуя синусоиде напряжения в сети. Электросчетчики комплектуются входным индукционным преобразователем с низкой чувствительностью к высокочастотным токам. По причине этого импульсное энергопотребление счетчиком учитывается со значительной отрицательной погрешностью.
Для создания прибора необходимы такие детали:
- микросхема (К155 ЛАЗ),
- стабилитрон (D2 -КС156А),
- диоды (D1 — Д226Б; Вr2 — Д242Б; Br1 — Д232А),
- транзисторы (ТЗ — КТ315, Т2 — КТ815В,Т1 — КТ848А),
- высокочастотные конденсаторы (С2, СЗ — 0.1 мкФ, С1- 1мкФ х 400В),
- электролитические конденсаторы (С5 — 1000 мкФ х 16В, С4 — 1000 мкФ х 50Б),
- маломощный трансформатор 220/36 В,
- резисторы (RЗ — 56 Ом; R1, R2 — 27 кОм; R5 -22 кОм; R4 — 3 кОм; R6 — 10 Ом; R7, R9 — 560 Ом; R8 — 1.5 кОм).

Сборка проводится согласно схемы 1. Транзисторы устанавливаются с использованием изолирующих прокладок на радиатор 150 кв.см. Обязательно применять плавкие предохранители. Собранный блок питания низковольтный должен давать на выходе 36 В ток 2 А и 5 В для питания генератора, который формирует импульсы ориентировочной частотой 2 кГц и с амплитудой 5 В. Во время сборки схемы нужно проверять режим работы при помощи осциллографа. После этого подключается конденсатор.
Собранное устройство рассчитывалось на нагрузку 1 кВт. Рекомендуется нагружать прибор по номиналу или отключать при снятии нагрузки, поскольку ненагруженное устройство потребляет значительную мощность, которая счетчиком учитывается.
Устройство рассчитано на питание переменным током бытовых потребителей. Мощность – 1 кВт/ч, напряжение – 220 В. Собранное устройство подключается к розетке и питает нагрузку, при этом заземление не требуется. По расчетам, при подключении такого самодельного экономителя счетчик учитывает лишь 25% потребленного электричества.
Разработана также схема 2, позволяющая питать потребителей, работающих как на постоянном, так и на переменном токе (камины, электроплиты, освещение, водонагреватели). Главным предостережением является отсутствие в таких приборах элементов, которые рассчитаны на переменный ток (трансформаторы, электродвигатели).
Приборы для экономии электроэнергии своими руками, отзывы специалистов
Специалисты обращают внимание на то, что попытка применить в домашних условиях принцип действия промышленных конденсаторных установок, накапливающих реактивную энергию, обречена на неудачу. Компенсаторы для реактивной мощности промышленные – это достаточно громоздкие устройства, рассчитанные изначально на определенную нагрузку и учитывающие целый ряд дополнительных параметров. Кроме того, в большинстве мощных домашних устройств конструктивно уже заложены достаточные по мощности улавливатели-конденсаторы реактивной энергии.
Большое количество комментаторов и специалистов указывают на то, что такого рода устройства, даже собранные сознанием дела и качественно, способны обманывать только счетчики старого индукционного типа. Электронные приборы учета энергии довольно капризные устройства и часто не выдерживают такого обхождения с собой, в них сгорают микросхемы. Это ведет к необходимости замены прибора и неприятной беседе со специалистами энергосбыта, что чревато штрафом со многими нулями.
Люди, увлеченные опытами с электричеством, создают разные приспособления, в интернете их сотни. Однако это вовсе не значит, что все их изобретения нужно испытывать в своем доме, рискуя собственным имуществом и жизнью.Однако и замена счетчика – это не худшее, что может случиться, если за такую тонкую материю, как электричество берется дилетант. Учитывая зачастую не самое лучшее состояние электропроводки в российских домах и квартирах, такая самодеятельность может закончиться коротким замыканием и пожаром.
Читайте далее
Оставьте комментарий и вступите в дискуссию
hitropop.com
виды и способы экономии электроэнергии, Smart-Boy

С постоянным, бешеным ростом цен на электроэнергию и другие энергоносители, на отечественном рынке стала актуальна продажа разнообразных приспособлений и приборов для её эффективной экономии. Самыми большими и затратными приборами являются те, которые преобразуют электрическую энергию в тепловую, например, водонагреватель, электроплита, электрические чайники, фены, стиральные машины в режиме нагрева воды, утюг и так далее. Как известно, те приборы, которые обладают большей мощностью, обладают также и большим током потребления, именно из-за него и происходит вращение диска счётчика учёта расхода электроэнергии, если это, конечно, устаревшие счётчики. В новых импульсных счётчиках электроэнергии нет уже механического вращающего диска, который, в свою очередь, вращает и сам счётчик отсчитывающий кВт/ч, оплачиваемые из кошелька потребителя.
Виды и способы экономии электроэнергии
Как же экономить электроэнергию, передаваемую от компании поставщика электроэнергии потребителю? Все способы экономии электроэнергии можно разделить на легальные (законные) и на незаконные, которые могут привести к штрафам и судебным разбирательствам.
Легальные виды экономии электрической энергии:
- Переход на альтернативные источники электроэнергии, такие как солнечные батареи. Достаточно дорогой, но эффективный способ, с помощью которого, в дальнейшем, вообще можно будет отказаться от услуг поставщика электроэнергии;
- Выведения из использования устаревших приборов освещения таких как, лампы накаливания и переход на освещение, на основе светодиодов. Светодиод — это полупроводниковый прибор, который работает на малых токах, и при этом обладает хорошей светоотдачей;
- Организация освещения с помощью приборов, имеющих разнообразные датчики (движения, освещённости и т. д.), которые включаются только при срабатывании его, и не тратят электроэнергию когда в помещении свет не нужен;
- Отключение в выключателях лампочек подсветки и индикации, светящихся в темноте. А также отключение электронных приборов из розеток, которые включены в режиме ожидания, но всё равно счётчик от них неумолимо накручивает электроэнергию;
- Контроль за включенным, без особой надобности освещением и других потребителей электрической энергии;
- Специальные приборы для экономии электроэнергии продаваемые на отечественном рынке, которые направлены на уменьшение потребления электроэнергии;
Только комплексное применение и использование всех этих способов и приспособлений может дать хороший ощутимый результат и значительно уменьшить расход электроэнергии, а значит и затраты на его оплату.
Незаконные виды экономии электрической энергии:
- Установка специального счётчика на дистанционном управлении. Одним лёгким нажатием на кнопку д/у можно остановить счётчик или уменьшить его скорость, другой включить его заново в режим нормального отсчёта электроэнергии. Такой счётчик устанавливается вместо обычного;
- Остановка механического счётчика путём остановки диска;
- Подключение к сети мимо счётчика, умельцы электрики могут взять, допустим, ноль от собственного заземлителя, но при этом нужно отключить нулевой провод от питающего автомата;
Хотелось бы напомнить что все эти способы незаконны и чреваты не только отключением от сети, но и огромными штрафами за использование ворованного электричества. Поэтому перед тем как решится на такой отчаянный, нелегальный, противозаконный шаг, лучше сто раз подумать. Экономия — это конечно хорошо, но лучше без нарушения закона и с чистой совестью.
Покупка, использование и принцип работы прибора для экономии электроэнергии
Рассмотрим инновационный, появившийся не так давно, прибор для экономии электричества под названием Saving-Box, также он имеет и другие названия такие как, например, SmartBox, Energy Saver, Экономич или Powersave и другие. Данный энергосберегающий прибор, по заявленным производителем характеристикам, он может с лёгкостью экономить даже до 50% потраченной в бытовых условиях электроэнергии. Независимо от отличительных черт внешнего вида, торгового названия, страны производителя и некоторых разнообразий в описании принципа работы, все изделия имеют совместные отличительные признаки. Первый из них — это процент эффективности прибора, а в второй — то что данное устройство может работать только при больших индуктивных нагрузках в сети.
Изготовители заявляют, прибор для экономии электроэнергии обладает уникальными инновационными свойствами, которые являются очень выгодными и станут просто фурором, в использовании различных способов экономии электроэнергии постоянно дорожающей, а если конкретно то:
- Является качественным фильтром высокочастотных помех в сети переменного тока;
- Защищает электрические и электронные приборы, которые включены в сетевые розетки от перекосов, перепадов и скачков напряжения, даже при ударах и разрядах молний он эффективно спасёт электрооборудование;
- Позволяет эффективно компенсировать часть реактивной электроэнергии обратно в сеть.
Один из самых простых и недорогих вариантов этого чудо-прибора рассчитан на мощность однофазной нагрузки до 15 кВт, а также на рынке существуют и более дорогие и усовершенствованные трёхфазные приборы и мощность их использования регламентируется мощностью в целых 48 кВт.
Принцип работы
Как известно, и любой специалист в области электрики знает, что полная мощность состоит из двух составляющих активной и реактивной, именно активную мощность и считают все бытовые устройства для подсчёта потраченной электроэнергии и за неё приходится платить немалые суммы, которые и заставляют задуматься потребителю об экономии.
Активная составляющая мощности является полезной, а реактивная только создаёт помехи и снижает эффективность всей энергосистемы. Но без неё тоже никуда, так как она вырабатывается во всех приборах где есть индуктивность, то есть катушки. Крупные предприятия и заводы платят и за реактивную составляющую, так как они имеют мощнейшие двигатели с очень большой индуктивностью, а значить и с огромной реактивной мощностью. Подсчёт её выполняется специальными счётчиками реактивной электроэнергии, которые устанавливаются на высоковольтных подстанциях. Для того чтобы снизить эти показатели на крупных предприятиях устанавливаются специальные компенсаторы реактивной мощности, а также осуществляется контроль над выдаваемой синхронными двигателями реактивной составляющей в сеть переменного тока. В бытовых условиях реактивная составляющая считается незначительной поэтому и не ведётся её подсчёт. Да и многие электронные потребители (например, компьютеры) изначально уже имеют встроенные компенсаторы такой реактивной мощности, которые могут экономить порядка 8–10 процентов электроэнергии.
Именно на этом и основан принцип работы такого прибора Saving-Box активно рекламируемого и предлагаемого на рынке России и СНГ. Экономящий электронный аппарат преобразует реактивную энергию в активную или полезную, и передаёт её в сеть, что и снижает расход учтённого счётчиком электричества, по крайней мере, так заявляют производители этого устройства. В Saving-Box пленочный конденсатор обладает слишком малой мощностью, чтобы умудриться скомпенсировать потребляемый ток крупных электроприборов (бойлерами, фенами, холодильниками, строительной ручной техникой, стиральными машинами и т. д.) Установленная емкость пленочного конденсатора пригодится разве что для светильников, зарядных устройств телефона и других мелочей, которые и так не потребляют больших токов. Кроме того, процедура зарядки пленочного конденсатора проистекает по высокочастотным импульсам. Счетчик располагают низкой чувствительностью к переменному току, проходящему через него с высокой частотой.
Отзывы же людей, попробовавших такое чудо-устройство, не так однолинейны как заявленные производителем качества, и множество их разочарованно в покупке.
Устройство прибора для экономии электроэнергии
Прибор, который представлен на рынке как устройство обладающее уникальной особенностью экономии электроэнергии, состоит из:
- Пластикового корпуса с выведенными наружу двумя светодиодами для индикации;
- Электронной платы, закреплённой внутри;
- Довольно большого плёночного конденсатора;
- Диодного выпрямительного моста;
- Источника для питания светодиодов.
Если брать примерную стоимость комплектующих, использованных в этом приборе, то она будет находиться в промежутке от 4 до 5 долларов США. Работа её вызывает сомнение у специалистов, так как установленные на заводах компенсаторы реактивной мощности не выполняют роль преобразователя мощности реактивной в полезную, а только является компенсирующим устройством.
Стоимость же в магазинах колеблется от 20 до 80 долларов, эта стоимость безразмерно меньше чем стоимость громоздких приборов аналогов, установленных на предприятиях конденсаторных установок.
Прибор экономии своими руками
Изготовление прибора, экономящего электроэнергию, может быть реализовано и самому, только для этого нужно собрать устройство согласно принципиальной схемы.
Запчасти и комплектующие для прибора можно купить на рынке или в специализированном магазине, все их установить на плату и простым навесным монтажом выполнить соединение. А также для создания устройства понадобится:
- Пластмассовый корпус;
- Шурупы;
- Пленочный конденсатор;
- Два светодиода;
- Механизм подключения в розетку, в виде электрической вилки;
- Кнопка;
- Диодный мостик или выпрямитель;
Обязательно при сборке такой электрической схемы самостоятельно, необходимо быть очень осторожным и бдительным, и соблюдать элементарные правила безопасности при выполнении работ с паяльником и с электрооборудованием. Без базовой специализации электрика лучше не приступать к реализации этой идеи, так как, скорее всего, ждёт неудача.
Нужно быть осмотрительным с фирмами-производителями, пытающимся просто улучшить своё финансовое состояние на доверии простых людей. Для того чтобы разузнать, всю правду об экономии устройством вашей электроэнергии, потребителю, который решил экономить таким способом, следует понять и разобраться в устройстве и назначении всех деталей, находящихся внутри очередной чудо коробочки.
Видео про экономящий электричество прибор
amperof.ru
Хитрый выпрямитель (как меньше платить за электроэнергию) CAVR.ru
Выпрямитель предназначен для питания бытовых потребителей, которые могут работать как на переменном, так и на постоянном токе. Это например электроплиты, камины, водонагревательные устройства, освещение и т. п. Главное, чтобы в этих устройствах не было электродвигателей, трансформаторов и других элементов, рассчитанных на переменный ток.
Устройство, собранное по предлагаемой схеме, просто вставляется в розетку и от него питается нагрузка. Вся электропроводка остается нетронутой. Заземление не нужно. Счетчик при этом учитывает примерно четверть потребленной электроэнергии.
Теоретические основы
Работа устройства основана на том, что нагрузка питается не непосредственно от сети переменного тока, а от конденсатора, который постоянно заряжен. Естественно, питание нагрузки будет осуществляться постоянным током. Энергия, отданная конденсатором в нагрузку, восполняется через выпрямитель, но заряжается конденсатор не постоянным током, а прерывистым с высокой частотой. Счетчики электроэнергии, в том числе электронные, содержат входной индукционный преобразователь, который имеет низкую чувствительность к токам высокой частоты. Поэтому энергопотребление в виде импульсов учитывается счетчиком с большой отрицательной погрешностью.
Принципиальная схема устройства
Схема устройства приведена на рис.1.
Основными элементами являются силовой выпрямитель Br1, конденсатор C1 и транзисторный ключ T1. Конденсатор С1 заряжается от выпрямителя Br1 через ключ Т1 импульсами с частотой 2 кГц. Напряжение на С1, а также на подключенной параллельно ему нагрузке близко к постоянному. Для ограничения импульсного тока через транзистор Т1 служит резистор R6, включенный последовательно с выпрямителем.
На логических элементах DD1, DD2 собран задающий генератор. Он формирует импульсы частотой 2 кГц амплитудой 5В. Частота сигнала на выходе генератора и скважность импульсов определяются параметрами времязадающих цепей С2-R7 и C3-R8. Эти параметры могут подбираться при настройке для обеспечения наибольшей погрешности учета электроэнергии. На транзисторах Т2 и Т3 построен формирователь импульсов, предназначенный для управления мощным ключевым транзистором Т1. Формирователь рассчитан таким образом, чтобы Т1 в открытом состоянии входил в режим насыщения и за счет этого на нем рассеивалась меньшая мощность. Естественно, Т1 также должен полностью закрываться.
Трансформатор Tr1, выпрямитель Br2 и следующие за ними элементы представляют собой источник питания низковольтной части схемы. Этот источник обеспечивает питанием 36В формирователь импульсов и 5В для питания микросхемы генератора.
Детали устройства
Микросхема: DD1, DD2 — К155ЛА3.
Диоды: Br1 – Д232А; Br2 — Д242Б; D1 – Д226Б.
Стабилитрон: D2 – КС156А.
Транзисторы: Т1 – КТ848А, Т2 – КТ815В, Т3 – КТ315. Т1 и Т2 устанавливаются на радиаторе площадью не менее 150 см2 . Транзисторы устанавливаются на изолирующих прокладках.
Конденсаторы электролитические: С1- 10 мкФ × 400В; С4 — 1000 мкФ × 50В; С5 — 1000 мкФ × 16В;
Конденсаторы высокочастотные: С2, С3 – 0.1 мкФ.
Резисторы: R1, R2 – 27 кОм; R3 – 56 Ом; R4 – 3 кОм; R5 -22 кОм; R6 – 10 Ом; R7, R8 – 1.5 кОм; R9 – 560 Ом. Резисторы R3, R6 – проволочные мощностью не менее 10 Вт, R9 — типа МЛТ-2, остальные резисторы – МЛТ-0.25.
Трансформатор Tr1 – любой маломощный 220/36 В.
Наладка
При наладке схемы соблюдайте осторожность! Помните, что низковольтная часть схемы не имеет гальванической развязки от электрической сети! Не рекомендуется в качестве радиатора для транзисторов использовать металлический корпус устройства. Применение плавких предохранителей – обязательно!
Вначале проверяют отдельно от схемы низковольтный блок питания. Он должен обеспечивать ток не менее 2 А на выходе 36 В, а также 5 В для питания маломощного генератора.
Затем налаживают генератор, отключив силовую часть схемы от электросети (для этого можно временно отсоединить резистор R6). Генератор должен формировать импульсы амплитудой 5 В и частотой около 2 кГц. Скважность импульсов приблизительно 1/1. При необходимости для этого подбирают конденсаторы С2, С3 или резисторы R7, R8.
Формирователь импульсов на транзисторах Т2 и Т3, если правильно собран, обычно наладки не требует. Но желательно убедиться, что он способен обеспечить импульсный ток базы транзистора Т1 на уровне 1.5 – 2 А. Если такое значение тока не обеспечить, транзистор Т1 не будет в открытом состоянии входить в режим насыщения и сгорит за несколько секунд. Для проверки этого режима можно при отключенной силовой части схемы и отключенной базе транзистора Т1, вместо резистора R1 включить шунт сопротивлением в несколько Ом. Импульсное напряжение на шунте при включенном генераторе регистрируют осциллографом и пересчитывают на значение тока. При необходимости подбирают сопротивления резисторов R2, R3 и R4.
Следующей стадией является проверка силовой части. Для этого восстанавливают все соединения в схеме. Конденсатор С1 временно отключают, а в качестве нагрузки используют потребитель малой мощности, например лампу накаливания мощностью до 100 Вт. При включении устройства в электрическую сеть действующее значение напряжения на нагрузке должно быть на уровне 100 – 130 В. Осциллограммы напряжения на нагрузке и на резисторе R6 должны показать, что питание её производится импульсами с частотой, задаваемой генератором.
Если всё исправно, подключают конденсатор С1, только вначале емкость его принимают в несколько раз меньше номинальной (например 0.1 мкФ). Действующее напряжение на нагрузке заметно возрастает и при последующем увеличении емкости С1 достигает 310 В. При этом очень важно внимательно следить за температурой транзистора Т1. Если возникает повышенный нагрев при использовании маломощной нагрузки, это свидетельствует о том, что Т1 либо не входит в режим насыщения в открытом состоянии, либо полностью не закрывается. В этом случае следует вернуться к настройке формирователя импульсов. Эксперименты показывают, что при питании нагрузки мощностью 100 Вт без конденсатора С1, транзистор Т1 в течение длительного времени не нагревается даже без радиатора.
В заключении подключается номинальная нагрузка и подбирается емкость С1 такая, чтобы обеспечить питание нагрузки постоянным напряжением 220 В. Емкость С1 следует подбирать осторожно, начиная с малых значений, так как увеличение емкости приводит к увеличению выходного напряжения (до 310 В, что может вывести из строя нагрузку), а также резко увеличивает импульсный ток через транзистор Т1. Об амплитуде импульсов тока через Т1 можно судить, подключив осциллограф параллельно резистору R6. Импульсный ток должен быть не более допустимого для выбранного транзистора (20 А для КТ848А). В случае необходимости его ограничивают, увеличивая сопротивление R6, но лучше остановиться на меньшем значении емкости С1.
При указанных деталях устройство рассчитано на нагрузку 1 кВт. Применяя другие элементы силового выпрямителя и транзисторный ключ соответствующей мощности, можно питать и более мощные потребители.
Обращаем Ваше внимание на то, что при изменении нагрузки, напряжение на ней также будет существенно изменяться. Поэтому устройство целесообразно настроить и использовать постоянно с одним и тем же потребителем. Этот недостаток в определенных случаях может оказаться достоинством. Например, изменяя емкость С1 можно в широких пределах регулировать мощность нагревательных приборов.
Рис.1. Схема электрическая принципиальная
www.cavr.ru
популярные способы и альтернативные варианты
Электричество не относится к накопительным ресурсам. На сегодняшний день нет эффективных технологий, позволяющих аккумулировать энергию, выработанную генераторами, поэтому передача электроэнергии потребителям относится к актуальным задачам. В стоимость ресурса входят затраты на его производство, потери при транспортировке и расходы на монтаж и обслуживание ЛЭП. При этом от схемы передачи напрямую зависит эффективность системы электроснабжения.
Высокое напряжение, как способ уменьшения потерь
Несмотря на то, что во внутренних сетях большинства потребителей, как правило, 220/380 В, электроэнергия передается к ним по высоковольтным магистралям и понижается на трансформаторных подстанциях. Для такой схемы работы есть весомые основания, дело в том, что наибольшая доля потерь приходится на нагрев проводов.
Мощность потерь описывает следующая формула: Q = I2 * Rл ,
где I – сила тока, проходящего через магистраль, RЛ – ее сопротивление.
Исходя из приведенной формулы можно заключить, что снизить затраты можно путем уменьшения сопротивления в ЛЭП или понизив силу тока. В первом случае потребуется увеличивать сечения провода, это недопустимо, поскольку приведет к существенному удорожанию электропередающих магистралей. Выбрав второй вариант, понадобится увеличить напряжение, то есть, внедрение высоковольтных ЛЭП приводит к снижению потерь мощности.
Классификация линий электропередач
В энергетике принято разделять ЛЭП на виды в зависимости от следующих показателей:
- Конструктивные особенности линий, осуществляющих передачу электроэнергии. В зависимости от исполнения они могут быть двух видов:
- Воздушными. Передача электричества осуществляется с использованием проводов, которые подвешиваются на опоры.
Воздушные линии электропередач
- Кабельными. Такой способ монтажа подразумевает укладку кабельных линий непосредственно в грунт или в специально предназначенные для этой цели инженерные системы.
Обустройство блочной кабельной канализации
- Вольтаж. В зависимости от величины напряжения ЛЭП принято классифицировать на следующие виды:
- Низковольтные, к таковым относятся все ВЛ с напряжением не более 1-го кВ.
- Средние – от 1-го до 35-ти кВ.
- Высоковольтные – 110,0-220,0 кВ.
- Сверхвысоковольтные – 330,0-750,0 кВ.
- Ультравысоковольтные — более 750-ти кВ.
Ультравысоковольтная ЛЭП Экибастуз-Кокчетав 1150 кВ
- Разделение по типу тока при передаче электричества, он может быть переменным и постоянным. Первый вариант более распространен, поскольку электростанции, как правило, оборудованы генераторами переменного тока. Но для уменьшения нагрузочных потерь энергии, особенно на большой дальности передачи, более эффективен второй вариант. Как организованы схемы передачи электричества в обоих случаях, а также преимущества каждого из них, будет рассказано ниже.
- Классификация в зависимости от назначения. Для этой цели приняты следующие категории:
- Линии от 500,0 кВ для сверхдальних расстояний. Такие ВЛ связывают между собой отдельные энергетические системы.
- ЛЭП магистрального назначения (220,0-330,0 кВ). При помощи таких линий осуществляется передача электричества, вырабатываемого на мощных ГЭС, тепловых и атомных электростанциях, а также их объединения в единую энергосистему.
- ЛЭП 35-150 кВ относятся к распределительным. Они служат для снабжения электроэнергией крупных промышленных площадок, подключения районных распределительных пунктов и т.д.
- ЛЭП с напряжением до 20,0 кВ, служат для подключения групп потребителей к электрической сети.
Способы передачи электроэнергии
Осуществить передачу электроэнергии можно двумя способами:
- Методом прямой передачи.
- Преобразуя электричество в другой вид энергии.
В первом случае электроэнергия передается по проводникам, в качестве которых выступает провод или токопроводящая среда. В воздушных и кабельных ЛЭП применяется именно этот метод передачи. Преобразование электричества в другой вид энергии открывает перспективы беспроводного снабжения потребителей. Это позволит отказаться от линий электропередач и, соответственно, от расходов, связанных с их монтажом и обслуживанием. Ниже представлены перспективные беспроводные технологии, над совершенствованием которых ведутся работы.

К сожалению, на текущий момент возможности транспортировки электричества беспроводным способом сильно ограничены, поэтому об эффективной альтернативе методу прямой передачи говорить пока рано. Исследовательские работы в этом направлении позволяют надеяться, что в ближайшее время решение будет найдено.
Схема передачи электроэнергии от электростанции до потребителя
Ниже на рисунке представлены типовые схемы, из которых первые две относятся к разомкнутому виду, остальные — к замкнутому. Разница между ними заключается в том, что разомкнутые конфигурации не являются резервированными, то есть, не имеют резервных линий, которые можно задействовать при критическом увеличении электрической нагрузки.

Обозначения:
- Радиальная схема, на одном конце линии находится электростанция производящая энергию, на втором — потребитель или распределительное устройство.
- Магистральный вариант радиальной схемы, отличие от предыдущего варианта заключается в наличии отводов между начальным и конечным пунктами передачи.
- Магистральная схема с питанием на обоих концах ЛЭП.
- Кольцевой тип конфигурации.
- Магистраль с резервной линией (двойная магистраль).
- Сложнозамкнутый вариант конфигурации. Подобные схемы применяются при подключении ответственных потребителей.
Теперь рассмотрим более подробно радиальную схему для передачи вырабатываемой электроэнергии по ЛЕП переменного и постоянного тока.

Обозначения:
- Генератор, где вырабатывается я электроэнергия с синусоидальной характеристикой.
- Подстанция с повышающим трехфазным трансформатором.
- Подстанция с трансформатором, понижающим напряжение трехфазного переменного тока.
- Отвод для передачи электироэнергии распределительному устройству.
- Выпрямитель, то есть устройство преобразующее трехфазный переменный ток в постоянный.
- Инверторный блок, его задача сформировать из постоянного напряжение синусоидальное.
Как видно из схемы (А), с источника энергии электричество подается на повышающий трансформатор, затем при помощи воздушных линий электропередач производится транспортировка электроэнергии на значительные расстояния. В конечной точке линия подключается к понижающему трансформатору и от него идет к распределителю.
Метод передачи электроэнергии в виде постоянного тока ( В на рис.6) от предыдущей схемы отличается наличием двух преобразовательных блоков (5 и 6).
Закрывая тему раздела, для наглядности приведем упрощенный вариант схемы городской сети.

Обозначения:
- Электростанция, где электроэнергия производится.
- Подстанция, повышающая напряжение, чтобы обеспечить высокую эффективность передачи электроэнергии на значительные расстояния.
- ЛЭП с высоким напряжением (35,0-750,0 кВ).
- Подстанция с понижающими функциями (на выходе 6,0-10,0 кВ).
- Пункт распределения электроэнергии.
- Питающие кабельные линии.
- Центральная подстанция на промышленном объекте, служит для понижения напряжения до 0,40 кВ.
- Радиальные или магистральные кабельные линии.
- Вводный щит в цеховом помещении.
- Районная распределительная подстанция.
- Кабельная радиальная или магистральная линия.
- Подстанция, понижающая напряжение до 0,40 кВ.
- Вводный щит жилого дома, для подключения внутренней электрической сети.
Передача электроэнергии на дальние расстояния
Основная проблема, связанная с такой задачей – рост потерь с увеличением протяженности ЛЭП. Как уже упоминалось выше, для снижения энергозатрат на передачу электричества уменьшают силу тока путем увеличения напряжения. К сожалению, такой вариант решения порождает новые проблемы, одна из которых коронные разряды.
С точки зрения экономической целесообразности потери в ВЛ не должны превышать 10%. Ниже представлена таблица, в которой приводится максимальная протяженность линий, отвечающих условиям рентабельности.
Таблица 1. Максимальная протяженность ЛЭП с учетом рентабельности (не более 10% потерь)
Напряжение ВЛ (кВ) | Протяженность (км) |
0,40 | 1,0 |
10,0 | 25,0 |
35,0 | 100,0 |
110,0 | 300,0 |
220,0 | 700,0 |
500,0 | 2300,0 |
1150,0* | 4500,0* |
* — на текущий момент ультравысоковольтная ВЛ переведена на работу с напряжением в половину от номинального (500,0 кВ).
Постоянный ток в качестве альтернативы
В качестве альтернативы электропередачи переменного тока на большое расстояние можно рассматривать ВЛ с постоянным напряжением. Такие ЛЭП обладают следующими преимуществами:
- Протяженность ВЛ не влияет на мощность, при этом ее максимальное значение существенно выше, чем у ЛЭП с переменным напряжением. То есть при увеличении потребления электроэнергии (до определенного предела) можно обойтись без модернизации.
- Статическую устойчивость можно не принимать во внимание.
- Нет необходимости синхронизировать по частоте связанные энергосистемы.
- Можно организовать передачу электроэнергии по двухпроводной или однопроводной линии, что существенно упрощает конструкцию.
- Меньшее влияние электромагнитных волн на средства связи.
- Практически отсутствует генерация реактивной мощности.
Несмотря на перечисленные способности ЛЭП постоянного тока, такие линии не получили широкого распространения. В первую очередь это связано с высокой стоимостью оборудования, необходимого для преобразования синусоидального напряжения в постоянное. Генераторы постоянного тока практически не применяются, за исключением электростанций на солнечных батареях.
С инверсией (процесс полностью противоположный выпрямлению) также не все просто, необходимо допиться качественных синусоидальных характеристик, что существенно увеличивает стоимость оборудования. Помимо этого следует учитывать проблемы с организацией отбора мощности и низкую рентабельность при протяженности ВЛ менее 1000-1500 км.
Кратко о свехпроводимости.
Сопротивление проводов можно существенно снизить, охладив их до сверхнизких температур. Это позволило бы вывести эффективность передачи электроэнергии на качественно новый уровень и увеличить протяженность линий для использования электроэнергии на большом удалении от места ее производства. К сожалению, доступные на сегодняшний день технологии не могут позволить использования сверхпроводимости для этих целей ввиду экономической нецелесообразности.
www.asutpp.ru
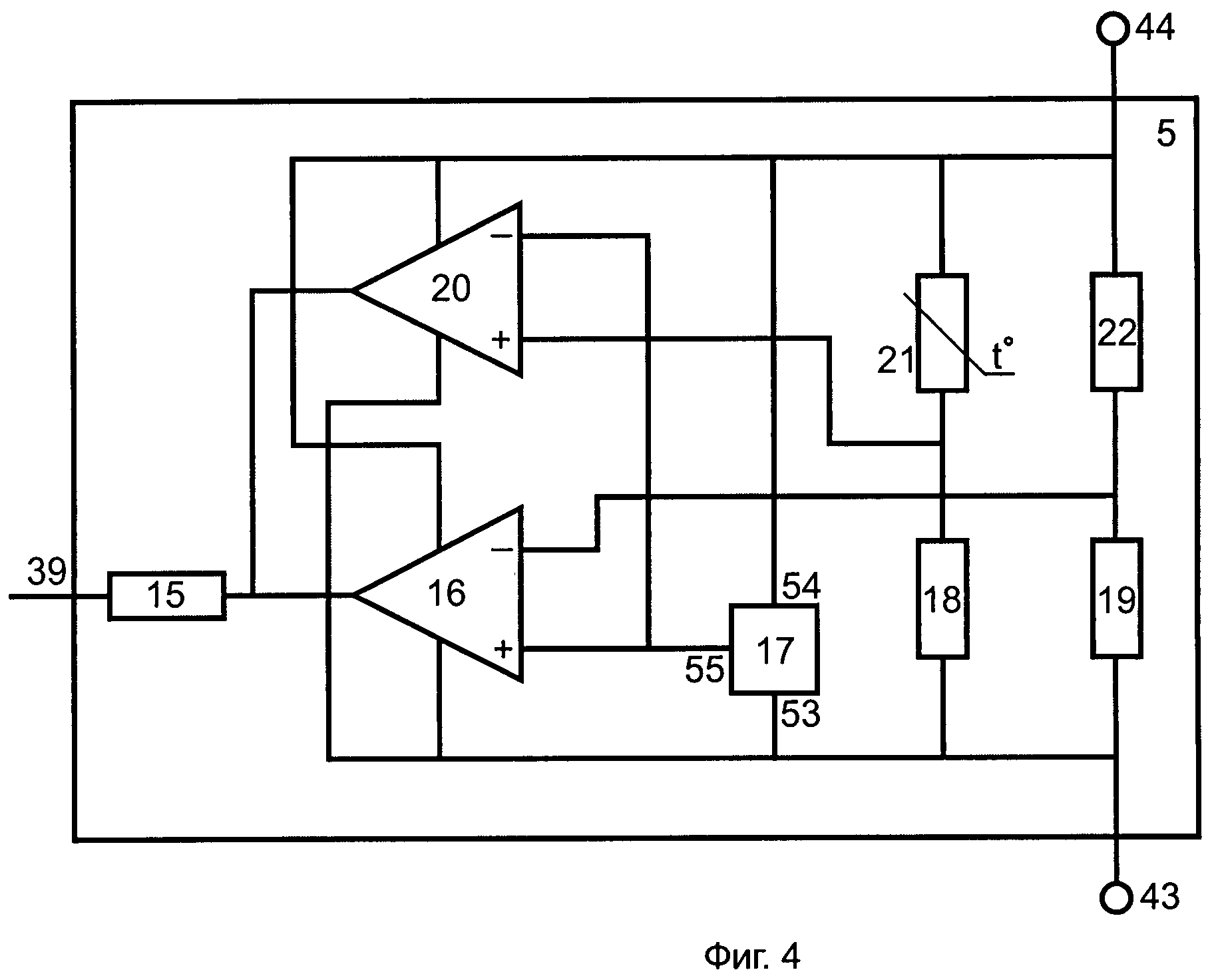
Устройство для электроснабжения подводного объекта с борта судна-носителя
Изобретение относится к области электротехники. Устройство для электроснабжения подводного объекта с борта судна-носителя содержит основные элементы: установленные на судне-носителе повышающий трансформатор, управляемый выпрямитель напряжения, линию связи; установленные на подводном объекте импульсный преобразователь постоянного напряжения, шины постоянного тока, потребители, автономный инвертор напряжения, вторичный импульсный преобразователь постоянного напряжения, вторую часть потребителей, которые потребляют переменный ток, третью часть потребителей, которые потребляют постоянный ток с низким значением напряжения. Технический результат устройства выражается в снижение массы устройства и в обеспечении практически синусоидальной формы токов, потребляемых устройством от электрической сети. 2 з.п. ф-лы, 3 ил.
Изобретение относится к электротехнике, а именно к устройствам для передачи электроэнергии для электроснабжения подводных объектов по линии связи, в качестве которой, в частности, используется кабель или кабель-трос.
Известно устройство для электроснабжения подводного объекта с судна-носителя, выполненное на основе системы неизменного тока и содержащее прямой индуктивно-емкостный преобразователь, вход которого соединен с электрической сетью через повышающий трансформатор, линию связи, питающий конец которой соединен с выходом прямого индуктивно-емкостного преобразователя, находящиеся на подводном объекте потребители неизменного тока, обратные индуктивно-емкостные преобразователи и потребители неизменного напряжения, подключенные к выходам обратных индуктивно-емкостных преобразователей через понижающие трансформаторы, входы которых, а также потребители неизменного тока включены последовательно и образуют цепь нагрузки, соединенную своими концами с приемным концом линии связи [1]. Часть потребителей неизменного тока снабжена согласующими трансформаторами. В установившихся режимах работы устройства при стабильном напряжении судовой сети стабильны ток линии связи и потребителей неизменного тока, а также напряжение потребителей неизменного напряжения.
Такое устройство (первый аналог) обладает следующими недостатками. Во-первых, передаваемая по линии связи мощность ограничена максимальным действующим значением напряжения на передающем конце линии. При используемой в аналоге передаче на переменном токе указанное действующее значение напряжения должно быть меньше максимального допустимого для линии связи напряжения, по крайней мере, в раз. Следовательно, используемая в аналоге передача на переменном токе уступает передаче на постоянном токе по своей пропускной способности. Во-вторых, ток кабеля всегда максимален — и при минимальной нагрузке и при наибольшем ее значении. Вследствие этого кабель постоянно нагревается максимальным током, что вызывает его ускоренное старение. Третий недостаток этого устройства проявляется в том, что напряжение на выходе обратного индуктивно-емкостного преобразователя может иметь отклонение до 5% от номинального из-за наличия активного сопротивления у реакторов индуктивно-емкостных преобразователей и по причине изменения частоты, так как значения сопротивлений переменному току у конденсаторов и реакторов индуктивно-емкостных преобразователей зависят от частоты. Четвертый недостаток состоит в том, что суммарная мощность элементов каждого индуктивно-емкостного преобразователя превосходит мощность соответствующего понижающего трансформатора, что приводит к увеличению массы системы неизменного тока.
Известно устройство электроснабжения подводного объекта с судна-носителя (второй аналог), содержащее установленные на судне-носителе первый неуправляемый выпрямитель тока, инвертор, повышающий трансформатор и первый реактор, а также линию связи и установленные на подводном объекте второй реактор, понижающий трансформатор и второй неуправляемый выпрямитель тока, выход которого соединен с потребителями подводного объекта. Вход первого неуправляемого выпрямителя тока соединен с электрической сетью судна-носителя, а к его выходу подключен вход инвертора. Выход инвертора подключен к первичной обмотке повышающего трансформатора. Вторичная обмотка этого трансформатора через первый реактор подключена к зажимам питающего конца линии связи, зажимы приемного конца которой через второй реактор подключены к первичной обмотке понижающего трансформатора. Вторичная обмотка этого трансформатора подключена к входу второго неуправляемого выпрямителя тока. [2].
Для уменьшения массы трансформаторов и реакторов передача электроэнергии осуществляется не на промышленной частоте 50 Гц, а на повышенной — 400 Гц. Благодаря введению в цепь электроснабжения подводного объекта второго реактора удается обеспечить максимальную пропускную способность линии по передаче электроэнергии (передавать максимум мощности) путем достижения на обоих концах линии максимально допустимых значений и тока и напряжения. Так, например, по линии, выполненной из коаксиального кабеля, у которого имеются следующие параметры: пренебрежимо малое индуктивное сопротивление, активное сопротивление равно 0,1 от базисного сопротивления, а емкостное сопротивление составляет четыре базисных сопротивления — можно передать на подводный объект мощность около 80% от базисной. При этом считается, что нагрузка, подключенная после второго реактора, — чисто активная. Кроме того, потери мощности в самой линии составят еще около 8% от базисной. (В качестве базисной мощности принято произведение максимально допустимых значений напряжения и тока кабеля, а в качестве базисного сопротивления — их частное.)
Второму аналогу присущ ряд недостатков. Во-первых, так же, как и у первого аналога, передача на переменном токе уступает передаче на постоянном токе по своей пропускной способности. Это первый недостаток, который усугубляется использованием повышенной частоты. При частоте 400 Гц у коаксиальных кабелей длиной несколько сотен метров емкостной ток кабеля, подключенного с одного конца к источнику с напряжением несколько киловольт и не имеющего подключенной с другого конца нагрузки, может превосходить длительно допустимый ток такого кабеля. Во-вторых, применение первого реактора приводит к проявлению еще двух недостатков. Второй недостаток — это увеличение суммарной мощности повышающего трансформатора и первого реактора по сравнению с вариантом, в котором первый реактор отсутствует. Для указанных выше параметров кабельной линии это увеличение составляет около 12% от расчетной мощности повышающего трансформатора при отсутствии первого реактора. И третий недостаток, который проявляется в увеличении входного тока и напряжений концов линии при снижении нагрузки (увеличении ее активного сопротивления). В наибольшей мере этот недостаток проявляется при отсутствии нагрузки, то есть в режиме холостого хода. Для указанных выше параметров кабельной линии, при которых сопротивление первого реактора составляет примерно 0,48, а второго 0,44 от базисного значения, напряжения обоих концов линии и ее входной ток возрастают примерно на 70% от своих базисных значений, если напряжение на вторичной обмотке повышающего трансформатора остается прежним. Конечно, такой режим является аварийным. Второй аналог работоспособен только при небольших колебаниях потребляемой мощности и при соблюдении требования: мгновенное отключение зажимов питающего конца линии связи, если нагрузка отключилась от приемного конца линии.
Известно также устройство для электроснабжения подводного объекта с борта судна-носителя, наиболее близкое по технической сущности к заявляемому устройству и выбранное в качестве прототипа. Структурная схема этого устройства приведена в [3].
Известное устройство для электроснабжения подводного объекта с борта судна-носителя содержит установленные на судне-носителе повышающий трансформатор, первичная обмотка которого подключена к судовой электрической сети, и выпрямитель, входные зажимы которого подключены к вторичной обмотке повышающего трансформатора, а также линию связи с подводным объектом, питающий конец которой подключен к выходным зажимам выпрямителя, а приемный конец соединен с размещенными на подводном объекте вторичными источниками питания, к выходам которых подключены потребители электроэнергии подводного объекта. Кроме того, устройство содержит установленный на подводном объекте инвертор, вход которого подключен к приемному концу линии связи, понижающий трансформатор, первичная обмотка которого подключена к выходным зажимам инвертора. К вторичной обмотке понижающего трансформатора подключены вторичные источники питания. В качестве выпрямителя используется неуправляемый выпрямитель тока.
Прототип обладает следующими преимуществами по сравнению с устройствами, в которых передача электроэнергии в линии связи осуществляется на переменном токе. Во-первых, у него отсутствует первый недостаток обоих аналогов; действующее напряжение на питающем конце линии связи постоянного тока принимается большим в раз, чем действующее напряжение переменного тока, что приводит к увеличению передаваемой мощности при том же действующем значении тока в линии связи. Во-вторых, линия связи переменного тока рассчитывается на передачу полной мощности, которая больше активной из-за наличия реактивных токов, поэтому линия связи постоянного тока способна передавать еще большую мощность. В-третьих, в линии связи постоянного тока меньше потеря напряжения, чем в линии связи переменного тока, так как на постоянном токе нет потери напряжения на индуктивном сопротивлении линии. В-четвертых, в установившихся режимах в линии связи постоянного тока отсутствуют емкостные токи, из-за которых в линиях переменного тока приходится снижать допустимое значение тока, передаваемого в нагрузку.
Недостатком прототипа является то, что мощности установленных на подводном объекте инвертора и понижающего трансформатора должны быть достаточными для питания всех потребителей электроэнергии, вследствие чего понижающий трансформатор имеет большую массу и габариты. Для подводного объекта этот недостаток является весьма существенным. Кроме того, неуправляемый выпрямитель тока потребляет несинусоидальные токи. Высшие гармонические составляющие несинусоидальных токов создают потери мощности в элементах электроэнергетической системы судна-носителя.
Задачей, на решение которой направлено изобретение, является уменьшение массы и габаритов элементов устройства, улучшение формы токов, потребляемых устройством для электроснабжения подводного объекта от электрической сети судна-носителя, и повышение коэффициента мощности, потребляемой этим устройством.
Поставленная задача достигается тем, что в устройство для электроснабжения подводного объекта с борта судна-носителя, содержащее установленные на судне-носителе повышающий трансформатор, первичная обмотка которого подключена к судовой электрической сети, и выпрямитель, входные зажимы которого подключены к вторичной обмотке повышающего трансформатора, а также линию связи с подводным объектом, питающий конец которой подключен к выходным зажимам выпрямителя, а приемный конец соединен с размещенными на подводном объекте вторичными источниками питания, к выходам которых подключены потребители электроэнергии подводного объекта, введены установленные на подводном объекте импульсный преобразователь постоянного напряжения, входные зажимы которого подключены к приемным концам линии связи и гальванически развязаны от его выходных зажимов, и подключенные к этим зажимам шины постоянного тока, к которым подключены входы вторичных источников питания и часть потребителей подводного объекта, а в качестве выпрямителя используется управляемый выпрямитель напряжения.
Поставленная задача достигается также тем, что в качестве части вторичных источников питания в него введены автономные инверторы напряжения, к выходам которых подключена вторая часть потребителей электроэнергии.
Поставленная задача достигается также тем, что в качестве части вторичных источников питания в него введены вторичные импульсные преобразователи постоянного напряжения, к выходам которых подключена третья часть потребителей электроэнергии.
Отличительные признаки предлагаемого решения выполняют следующие функциональные задачи:
Признаки: «в устройство для электроснабжения подводного объекта введен установленный на подводном объекте импульсный преобразователь постоянного напряжения, входные зажимы которого подключены к приемным концам линии связи и гальванически развязаны от его выходных зажимов…» — позволяют преобразовать изменяющееся, при изменении нагрузки потребителей подводного объекта, высокое напряжение линии в стабильное напряжение постоянного тока с меньшим, чем в линии, значением. Гальваническая развязка с помощью высокочастотного трансформатора, входящего в преобразователь напряжения, повышает надежность работы устройства для электроснабжения подводного объекта. Работа указанного трансформатора на частоте, измеряемой десятками килогерц, обеспечивает многократное снижение массы этого трансформатора по сравнению с понижающим трансформатором прототипа.
Признаки: «в устройство для электроснабжения подводного объекта введены установленные на подводном объекте и подключенные к выходным зажимам импульсного преобразователя постоянного напряжения шины постоянного тока, к которым подключены входы вторичных источников питания и часть потребителей подводного объекта» — позволяют питать эту часть потребителей непосредственно от указанных шин, достигая при этом уменьшения суммарных размеров и массы вторичных источников питания. Повышенный уровень напряжения на этих шинах дает возможность уменьшить массу распределительной сети, подключенной к этим шинам и передающим электроэнергию вторичным источникам питания.
Признак: «в устройстве для электроснабжения подводного объекта в качестве выпрямителя используется управляемой выпрямитель напряжения…» — позволяют получить форму входных токов управляемого выпрямителя практически синусоидальную с равным единице коэффициентом мощности.
Признак: «в устройство для электроснабжения подводного объекта введены автономные инверторы напряжения…» — позволяет обеспечить потребителей, относящихся ко второй части потребителей, электроэнергией переменного тока с необходимыми этим потребителям значениями частоты и напряжения.
Признак: «в устройство для электроснабжения подводного объекта введены вторичные импульсные преобразователи постоянного напряжения…» — позволяет обеспечить потребителей, относящихся к третьей части потребителей, электроэнергией постоянного тока с необходимым этим потребителям значением напряжения.
Технический результат, который достигается при решении поставленной задачи, выражается в следующем — снижении массы устройства за счет использования трансформатора повышенной частоты в импульсном преобразователе постоянного напряжения и распределения электроэнергии в подводном объекте при повышенном напряжении постоянного тока. Кроме того, благодаря замене неуправляемого выпрямителя тока управляемым выпрямителем напряжения обеспечивается практически синусоидальная форма токов, потребляемых устройством от судовой электрической сети, и высокий уровень электромагнитной совместимости устройства с судовой электроэнергетической системой.
На основании изложенного можно заключить, что совокупность существенных признаков заявленного изобретения имеет причинно-следственную связь с достигнутым техническим результатом, т.е. благодаря данной совокупности существенных признаков изобретения стало возможным решение поставленной задачи. Следовательно, заявленное изобретение является новым, обладает изобретательским уровнем и пригодно для использования.
Сущность изобретения поясняется чертежами, где: на фиг.1 — представлена структурная схема устройства для электроснабжения подводного объекта; на фиг.2 — представлена принципиальная схема управляемого выпрямителя напряжения; на фиг.3 — представлена принципиальная схема импульсного преобразователя постоянного напряжения с гальваническим разделением входа и выхода.
Устройство содержит установленные на судне-носителе 1 повышающий трансформатор 2, первичная обмотка которого подключена к судовой электрической сети 3 переменного тока, и управляемый выпрямитель напряжения 4, входные зажимы 5 которого подключены к вторичной обмотке повышающего трансформатора, и линию 6 связи с подводным объектом 7. Питающий конец линии 6 связи подключен к выходным зажимам 8 выпрямителя 4. Устройство содержит также установленные на подводном объекте 7 импульсный преобразователь 9 постоянного напряжения, входные зажимы 10 которого подключены к приемным концам линии связи 6 и гальванически развязаны от его выходных зажимов 11, и подключенные к зажимам 11 шины 12 постоянного тока. К шинам 12 подключены потребители 13, относящиеся к первой части потребителей подводного объекта 7, и входы автономного инвертора 14 напряжения и вторичного импульсного преобразователя 15 постоянного напряжения. Вторая часть потребителей 16, которые потребляют переменный ток, подключена к выходу автономного инвертора 14 напряжения. К выходу преобразователя 15 подключена третья часть потребителей 17, которые потребляют постоянный ток с низким значением напряжения.
Схема управляемого выпрямителя напряжения 4, который известен также под названиями: активный выпрямитель или четырехквадрантный преобразователь, показана на фиг.2. Каждое вентильное плечо выпрямителя 4 представляет собой встречно-параллельное соединение электронного ключа 18 с односторонней проводимостью и диода 19, проводящего ток в обратном, по отношению к электронному ключу, направлению. В качестве указанных ключей преимущественно используют IGBT или MOSFET транзисторы. К выходным зажимам 8 такого выпрямителя подключен выходной конденсатор 20, являющийся обязательным элементом управляемого выпрямителя напряжения. Катод диода каждого вентильного плеча анодной группы соединен с анодом диода вентильного плеча одной из катодных групп и с одним из входных зажимов 5 выпрямителя 4. Эти зажимы через повышающий трансформатор 2 подключены к электрической сети 3 переменного тока. Выходные зажимы 8 подключены к линии 6 связи постоянного тока (см. фиг.1).
Импульсный преобразователь 9 постоянного напряжения с гальванически разделенными входными зажимами 10 и выходными зажимами 11 состоит из автономного импульсного инвертора напряжения 21, подключенного к его выходным зажимам высокочастотного понижающего трансформатора 22 и выпрямителя 23, подключенного к выходным зажимам высокочастотного понижающего трансформатора (см. фиг.3). В качестве одного из вариантов инвертора 21 на фиг.3 представлен четырехквадрантный преобразователь, собранный по мостовой схеме. Каждое вентильное плечо инвертора 21 представляет собой встречно-параллельное соединение электронного ключа 24 с односторонней проводимостью и диода 25, проводящего ток в обратном, по отношению к электронному ключу, направлению. К входным зажимам 10 инвертора подключен конденсатор 26, являющийся обязательным элементом этого инвертора. Одним из вариантов выпрямителя 23 на фиг.3 может служить мостовая схема неуправляемого выпрямителя тока 23, каждое вентильное плечо которого содержит диод 27. К выходным зажимам 11 неуправляемого выпрямителя подключен конденсатор 28, сглаживающий пульсации напряжения.
В состав автономного инвертора 14 напряжения и вторичного импульсного преобразователя 15 постоянного напряжения так же, как и в состав управляемого выпрямителя напряжения 4 и импульсного преобразователя 9 постоянного напряжения, входят электронные ключи и диоды.
Устройство для электроснабжения подводного объекта, структурная схема которого показана на фиг.1, работает следующим образом.
На исходном этапе работы трансформатор 2 отключен от судовой электрической сети 3, напряжения конденсаторов 20, 26 и 28 равны нулю (см. фиг.1, 2). Электронные ключи 18 управляемого выпрямителя напряжения 4 и 24 импульсного преобразователя 9 постоянного напряжения, а также электронные ключи автономного инвертора 14 напряжения и вторичного импульсного преобразователя 15 постоянного напряжения находятся в разомкнутом состоянии. Все потребители первой, второй и третьей части электропитание не получают.
После подключения повышающего трансформатора 2 к судовой электрической сети 3 начинается этап неуправляемого заряда конденсаторов 20 и 26. При этом на входных зажимах 5 управляемого выпрямителя 4 появляется повышенное, по отношению к напряжению судовой сети 3, напряжение переменного тока. Выходной конденсатор 20 управляемого выпрямителя 4 напряжения сначала заряжается в неуправляемом режиме через диоды 19. В начальный момент этого заряда, когда напряжение выходного конденсатора 20 равно нулю происходит короткое замыкание входных зажимов 5 через диоды 19. Ток заряда конденсатора 20 ограничивается сопротивлением короткого замыкания повышающего трансформатора 2. В результате заряда выходного конденсатора 20 управляемого выпрямителя 4 на зажимах 8 увеличивается напряжение. В линии 6 связи протекает ток, который заряжает входной конденсатор 26 импульсного преобразователя 9 постоянного напряжения. По мере заряда конденсаторов 20 и 26 их напряжения возрастают, а ток повышающего трансформатора 2 снижается. Неуправляемый режим заряда конденсаторов 20 и 26 заканчивается, когда ток вторичной обмотки трансформатора 2 станет равным нулю. При этом напряжения конденсаторов 20 и 26 станут больше амплитудного значения линейного напряжения судовой сети 3 в K раз. Здесь К — коэффициент трансформации повышающего трансформатора 2. Этот коэффициент равен отношению числа витков вторичной обмотки трансформатора 2 к числу витков его первичной обмотки.
Следующий этап — это управляемый режим заряда конденсаторов 20 и 26, при котором происходит периодическое включение и отключение электронных ключей 18 управляемого выпрямителя 4 с частотой, которая во много раз превосходит частоту напряжения электрической сети 3. Алгоритм, по которому микропроцессорное устройство управляет моментами включения и отключения ключей 18, таков, что при этом обеспечивается близкая к синусоиде форма входного тока выпрямителя, а коэффициент мощности первой гармоники этого тока практически равен единице. Во время включенного состояния электронных ключей 18 происходит короткое замыкание цепи, в которой мгновенное значение ЭДС вторичной обмотки трансформатора 2 и напряжение конденсатора 20 действуют согласно. При этом происходит разряд конденсатора 20 и незначительное снижение его напряжения с начального значения u1 до u2 в последний момент включенного состояния ключей. Для ограничения скорости нарастания тока короткого замыкания в этой цепи должны содержаться индуктивные элементы. Функцию этих элементов выполняет индуктивная составляющая сопротивления короткого замыкания повышающего трансформатора 2. Когда электронные ключи 18 переходят в выключенное состояние, то под действием индуктивностей во входной цепи выпрямителя 4 через диоды 19 проходит ток, заряжающий конденсатор 20 до напряжения u3, которое больше напряжения u1. Среднее за период коммутации ключей напряжение конденсатора 20 больше амплитуды линейного напряжения на зажимах 5 и постепенно нарастает с каждым очередным периодом коммутации.
Повышающий трансформатор не пропускает токи высших гармоник, созданные коммутацией электронных ключей 18, в цепи электрической сети 3 переменного тока. Тем самым улучшается электромагнитная совместимость импульсного управляемого выпрямителя 4 с другими судовыми электроустановками. Действующие значения входного тока управляемого выпрямителя 4 в управляемом режиме заряда выходного конденсатора 20 и тока, заряжающего через линию 6 связи входной конденсатор 26, равно номинальным значениям этих токов. В управляемом режиме конденсаторы 20 и 26 заряжаются до допустимого значения напряжения линии 6 связи. После чего входные токи управляемого выпрямителя 4, ток конденсатора 20, ток линии 6 связи и ток конденсатора 26 становятся практически равными нулю.
Когда напряжение входного конденсатора 26 достигло заданного значения, начинают работать электронные ключи 24 автономного инвертора 21 напряжения импульсного преобразователя 9 постоянного напряжения. Вследствие работы электронных ключей 24 через входные зажимы 10 проходит ток, под действием этого тока конденсатор 26 начинает разряжаться и поэтому возникает ток в линии 6 связи, который разряжает конденсатор 20. Микропроцессорная система автоматического управления выпрямителем 4 измеряет напряжение конденсатора 20, входные токи управляемого выпрямителя 4 и его выходной ток, и управляет включением и выключением шести электронных ключей 18 так, чтобы выполнялись следующие условия:
напряжение конденсатора 20 неизменно, его отличие от заданного значения не выходит за допустимые пределы;
первые гармоники входных токов образуют симметричную трехфазную систему, синфазную с фазными напряжениями судовой электрической сети 3 переменного тока;
действующее значение Iвх входного тока управляемого выпрямителя связано со средним значением Iр выходного тока выпрямителя следующим соотношением:
Электронные ключи 24 автономного инвертора 21 напряжения формируют двухполярное прямоугольное напряжение частотой от 5 до нескольких десятков кГц на входе высокочастотного понижающего трансформатора 22. Использование повышенной частоты позволяет значительно уменьшить массу и габариты этого трансформатора, так как масса трансформатора, при прочих равных условиях, обратно пропорциональна частоте. Применение повышенной частоты также позволяет снизить емкость входного конденсатора 26 и выходного конденсатора 28 импульсного преобразователя 9 постоянного напряжения.
Дальнейший, рабочий, этап работы устройства начинается, когда напряжение конденсатора 28 и на шинах 12 постоянного тока достигнет номинального значения. При этом к шинам 12 подключаются и начинают выполнять свои функции потребители 13, возникает коммутация электронных ключей автономного инвертора 14 напряжения и вторичного импульсного преобразователя 15 постоянного напряжения. При работе этих ключей формируется синусоидальное напряжение с необходимой амплитудой и частотой на выходе автономного инвертора 14, а также необходимое постоянное напряжение на выходе вторичного импульсного преобразователя 15 постоянного напряжения. Подключенные к выходам этих преобразователей потребители 16 и 17 начинают потреблять токи и выполнять свои функции.
При изменении нагрузки, создаваемой потребителями 13, 16 и 17, изменяется и ток, протекающий по линии 6 связи. Из-за активного сопротивления линии 6 связи и при неизменном напряжении на входе линии 6 связи из-за изменения указанного тока будет изменяться напряжение на выходе линии 6 связи. Для стабилизации напряжения на шинах 12 подводного объекта 7 с помощью микропроцессорной системы автоматического управления импульсным преобразователем 9 постоянного напряжения регулируется длительность импульсов двухполярного прямоугольного напряжения на выходе автономного инвертора 21 напряжения так, чтобы напряжение на шинах 12 сохраняло заданное, номинальное для потребителей 13, значение.
Источники информации
1. Патент 2027277 RU. Устройство для электроснабжения подводного аппарата с судна-носителя / Коршунов В.Н., Кувшинов Г.Е., Урываев К.П. — БИ, 1995. — №2.
2. Патент на полезную модель 46611 РФ. Система электроснабжения телеуправляемого подводного аппарата с судна-носителя / Мишин В.Н., Бубнов О.В., Рулевский В.М., Дементьев Ю.Н. Бюл. №19, 2005.
3. Ястребов B.C. Электроэнергетические установки подводных аппаратов / B.C.Ястребов, А.А.Горлов, В.В.Симинский. — Л.: Судостроение, 1986, с.98-99, рис.4.9. а (прототип).
1. Устройство для электроснабжения подводного объекта с борта судна-носителя, содержащее установленные на судне-носителе повышающий трансформатор, первичная обмотка которого подключена к судовой электрической сети, и выпрямитель, входные зажимы которого подключены к вторичной обмотке повышающего трансформатора, а также линию связи с подводным объектом, питающий конец которой подключен к выходным зажимам выпрямителя, а приемный конец соединен с размещенными на подводном объекте вторичными источниками питания, к выходам которых подключены потребители электроэнергии подводного объекта, отличающееся тем, что в устройство введены установленные на подводном объекте импульсный преобразователь постоянного напряжения, входные зажимы которого подключены к приемным концам линии связи и гальванически развязаны от его выходных зажимов, и подключенные к этим зажимам шины постоянного тока, к которым подключены входы вторичных источников питания и часть потребителей подводного объекта, а в качестве выпрямителя используется управляемый выпрямитель напряжения.
2. Устройство по п.1, отличающееся тем, что в качестве части вторичных источников питания в него введены автономные инверторы напряжения, к выходам которых подключена вторая часть потребителей электроэнергии.
3. Устройство по п.1, отличающееся тем, что в качестве части вторичных источников питания в него введены вторичные импульсные преобразователи постоянного напряжения, к выходам которых подключена третья часть потребителей электроэнергии.
findpatent.ru
На какую электрическую сеть мы можем рассчитывать. Проблема качества электроэнергии
Силовая электроника №2’2008
Заказать этот номерЭлектрические приборы становятся многофункциональнее, точнее, чувствительнее. Чувствительнее они становятся не только к входным сигналам, но и к качеству питающей сети. А усложнение аппаратуры и увеличение ее количества ухудшает качество сети.
Самым неприхотливым прибором, наверное, является нагреватель (электроплитка). Он может работать и при пониженном напряжении (отдавая меньше мощности), при бросках, провалах и любых помехах. Хотя и он при длительном повышенном напряжении выйдет из строя.
Холодильник — капризнее. Он может сгореть и при пониженном напряжении (если мотору не хватит напряжения, чтобы запуститься).
Радиоприемнику и телевизору может «не понравиться» не только повышенное или пониженное напряжение сети, но и наличие в ней помех. Эти устройства могут их показывать, воспроизводя помехи поверх полезного изображения и звука.
А устройства, имеющие сложные блоки управления, при наличии в сети помех могут сбиваться или вообще откажутся работать.
Поэтому стандартом определены требования, предъявляемые к качеству электроэнергии: ГОСТ 13109-97 «Нормы качества электрической энергии в системах электроснабжения общего назначения». И вся аппаратура должна быть приспособлена к этим параметрам.
Отклонение напряжения
По ГОСТ 21128-83 отклонение напряжения характеризуется показателем, для которого установлено следующее: нормально допустимые и предельно допустимые значения установившегося отклонения напряжения ?Up на выводах приемников электрической энергии равны соответственно ±5% и ±10% от номинального напряжения электрической сети.
Ни один из потребителей электроэнергии такого отклонения не заметит, за исключением трехфазных сетей, где автоматика может отслеживать разбаланс по фазам.
При поставке электроэнергии этот параметр качества очень часто (чаще всех других) не соответствует ни нормально допустимым, ни предельно допустимым значениям. Привести в норму этот параметр может любой стабилизатор (в пределах, отраженных в его характеристиках), если сопротивление подводящей линии достаточно мало. Но, естественно, ни один стабилизатор не поднимет напряжение с 0 В.
В паспорте на стабилизатор указывают:
- рабочий диапазон входных напряжений, в котором они поддерживают выходное напряжение с заданной точностью;
- предельный диапазон входных напряжений, при выходе из которого стабилизатор отключает нагрузку (или отключается полностью), так как стабилизация напряжения уже не производится.
Колебания напряжения
Колебания напряжения более опасны, чем отклонение напряжения, так как проявляются в виде таких же отклонений напряжения, но повторяющихся — через промежутки времени от 60 мс до 10 мин.
Виновником этих отклонений может быть не поставщик электроэнергии, а другие потребители, подключенные к этой линии, или плохое качество самой линии. Можно отметить, что с отклонениями, проявляющимися с большими промежутками времени (более 40–80 мс), стабилизатор справляется успешно. Период переменного напряжения в сети равен 20 мс. Поэтому стабилизатору нужно, по крайней мере, 20 мс, чтобы измерить напряжение, и какое-то время, чтобы его скорректировать.
Колебания напряжения характеризуются следующими показателями:
- размахом изменения напряжения;
- дозой фликера.
По ГОСТ 13109-97 «Нормы качества электрической энергии в системах электроснабжения общего назначения» допускается размах изменения напряжения не более 10% от номинального, если число этих колебаний не более одного за 10 мин. Эта величина снижается до 0,4%, если частота возрастает до 1000 колебаний в минуту. А для потребителей электрической энергии, располагающих лампами накаливания, в помещениях, где требуется значительное зрительное напряжение, этот показатель уменьшается еще в 1,5 раза. Выполнить такие требования обычному стабилизатору не под силу. Из этого положения есть два выхода. Во-первых, поставить стабилизатор с двойным преобразованием и получить такое качество электроэнергии, какое необходимо.
Есть и более дешевый вариант: использовать «энергосберегающие» лампы, если надо устранить явление фликера. У этих ламп есть встроенный преобразователь. Поэтому мерцание значительно снижается ( но при больших колебаниях мерцание полностью не устраняется).
Такие колебания напряжения не нарушат нормальный режим работы бытовой и промышленной аппаратуры. Но человек, находящийся в помещении, освещаемом лампами, питающимися от такой сети, может чувствовать себя некомфортно. В связи с этим в ГОСТ 13109-97 введен термин для оценки субъективного восприятия человеком колебаний светового потока искусственных источников освещения, вызванных колебаниями напряжения в электрической сети, питающей эти источники, — «фликер».
Колебания напряжения на источнике света приводят к изменению его яркости, что воспринимается как мерцание. Длительное мерцание света вызывает утомляемость.
Поэтому в ГОСТе 13109-97 введены еще два показателя качества электроэнергии:
- Доза фликера — мера восприимчивости человека к воздействию фликера за установленный промежуток времени.
- Время восприятия фликера — минимальное время для субъективного восприятия человеком фликера, вызванного колебаниями напряжения определенной формы.
Отклонение частоты
Нормально допустимое и предельно допустимое значения отклонения частоты равны ±0,2 и ±0,4 Гц соответственно (ГОСТ 13109-97).
Отклонение частоты (мы не рассматриваем локальное производство электроэнергии от дизель-электрических агрегатов, а только от единой энергетической системы России) поддерживается точнее предельных значений. Это самый стабильный параметр. Если же его надо исправить, то в этом помогут только устройства с двойным преобразованием. Они могут питаться очень «плохой» сетью, как правило, выпрямляют ее и затем генерируют выходное напряжение нужной частоты (и формы).
Провал напряжения
Провал напряжения определен ГОСТом 13109-97 как внезапное понижение напряжения в точке электрической сети ниже 0,9Uном, за которым следует восстановление напряжения до первоначального или близкого к нему уровня через промежуток времени от 10 до нескольких десятков миллисекунд.
Предельно допустимое значение длительности провала напряжения в электрических сетях напряжением до 20 кВ включительно равно 30 с (рис. 1).

Временное перенапряжение
Временное перенапряжение — повышение напряжения в точке электрической сети выше 1,1Uном продолжительностью более 10 мс, возникающее в системах электроснабжения при коммутациях или коротких замыканиях.
Значения коэффициента временного перенапряжения в точках присоединения электрической сети общего назначения в зависимости от длительности временных перенапряжений не превышают значений, указанных в таблице 1.
Таблица 1. Значения коэффициентов временного перенапряжения в зависимости от его длительности
В среднем за год в точке присоединения возможно около 30 временных перенапряжений.
При обрыве нулевого проводника в трехфазных электрических сетях напряжением до 1 кВ, работающих с глухо заземленной нейтралью, возникают временные перенапряжения между фазой и «землей». Уровень таких перенапряжений при значительной несимметрии фазных нагрузок может достигать значений междуфазного напряжения. А длительность — нескольких часов (рис. 1).
Провал напряжения и временное перенапряжение — это два противоположных отклонения. Провал напряжения и временное перенапряжение — явления кратковременные и поставщику электроэнергии не подконтрольные, так как возникают при включении и выключении нагрузок, находящихся на этой же линии (фазе).
Такие отклонения стабилизатор может исправить. Провал напряжения встречается чаще и в большей или меньшей степени возникает при любом включении электродвигателя и даже ламп накаливания.
Импульс напряжения
При номинальном напряжении в сети 0,38 кВ коммутационное импульсное напряжение может составлять 4,5 кВ при длительности на уровне 0,5 амплитуды импульса, равной 1,5 мс. Значение грозовых импульсных напряжений может составлять 6 кВ. Возможная форма импульсного напряжения показана на рис. 2 (вторая половина диаграммы).

Импульсные напряжения в электрической сети бывают двух видов, различающихся по происхождению, — коммутационное и грозовое. Коммутационное импульсное напряжение возникает при включении большой нагрузки, выключении ее, при переключении нагрузки с одного источника на другой и особенно при сварке. Грозовое импульсное напряжение возникает в сети при ударах молнии вблизи электрической линии. Избавить от импульсного напряжения стабилизатор не в силах. Защитить нагрузку он может только частично с помощью варисторов, которые могут поглотить короткий импульс. От больших импульсов напряжения (и в том числе грозовых) может спасти только разрядник. В стабилизаторах разрядники, как правило, не ставят, а размещают на входе сети, чтобы защитить все приборы, подключенные после разрядника.
Для защиты стабилизатора и аппаратуры, включенной после стабилизатора, как правило, используют фильтр для защиты от синфазных помех. Источник импульсного напряжения наводит в линии импульс синфазного напряжения, так как расположен, как правило, вне линии, а не между проводами линии.
Несинусоидальность напряжения
Этот параметр характеризуется:
- коэффициентом искажения синусоидальности кривой напряжения;
- коэффициентом n-ой гармонической составляющей.
Первая величина имеет нормально допустимое значение — 8,0% и предельно допустимое — 12,0%.
Вторая величина имеет нормально допустимое значение — 6,6%. Предельно допустимое значение в 1,5 раза больше. С увеличением номера гармоники коэффициент n-ой гармонической составляющей уменьшается.
Источники света, как правило, могут работать и при сильных искажениях синусоидального напряжения. Но есть приборы, которые могут неправильно работать при искаженной форме синуса. Это в первую очередь приборы, которые измеряют напряжение сети.
Многие устройства измеряют значение напряжения для привязки своих настроек, и искажения синусоиды приведут к неправильной их работе. Пример несинусоидальности показан на рис. 2 (первая половина диаграммы).
Если при рассмотрении предыдущих параметров нас не интересовала форма напряжения в сети, то теперь рассмотрим ее влияниена работу аппаратуры.
Если синус без искажений, значит, в нем присутствует только первая гармоника. Чем больше искажен синус, тем больше в нем гармоник. Коэффициент гармоник отражает искажение синуса.
Говоря о напряжении в сети, равном 220 В, мы имеем в виду, что энергия, заключенная под синусоидой, совершит такую же работу, как и постоянное напряжение 220 В. При этом амплитудное значение синусоидального напряжения составит 310 В.
Электрические сигналы напряжения характеризуются мгновенным, средним, средневыпрямленным, среднеквадратическим и пиковым (для периодических сигналов — амплитудным) значениями.
Мгновенные значения наблюдают на осциллографе и определяют для каждого момента времени по осциллограмме. Все остальные значения могут быть измерены соответствующим вольтметром или вычислены по следующим формулам.
Среднее значение напряжения является среднеарифметическим за период:
Для симметричных относительно оси времени напряжений U0 равно нулю, поэтому для характеристики таких сигналов пользуются средневыпрямленным значением — средним значением модуля напряжения:
Среднеквадратическое значение напряжения за время измерения (чаще за период) вычисляется по формуле:
Закону изменения напряжения соответствуют определенные количественные соотношения между амплитудным, среднеквадратическим и средним значениями напряжений. Эти отношения оцениваются коэффициентами амплитуды:
Так, для синусоидального напряжения:
- среднее значение напряжения равно Uср.в. = 0,637Um;
- среднеквадратическое значение напряжения равно Uср.кв = 0,707Um.
В зависимости от системы применяемого прибора, типа и режима измерительного преобразователя и градуировки шкалы прибора его показания могут соответствовать среднему, среднеквадратическому или амплитудному значению измеряемого напряжения.
При измерении искаженного синуса появится ошибка.
На рис. 3а показано нормальное напряжение сети 220 В действующего значения (310 В — его амплитудное значение). Если произойдет ограничение синусоиды (как показано на рис. 1в), то действующее значение составит 209 В, а амплитудное — 280 В. Измеритель амплитудных значений измерит искаженный синус «В», так же как амплитудное значение «С».

То есть оно уменьшится соответственно формуле:
Этот измеритель, отградуированный в действующих значениях, ошибется на 5%. Градуировку большинства шкал вольтметров производят в среднеквадратических значениях синусоидального напряжения.
Поэтому при отличии формы напряжения от синуса измерение напряжения происходит с ошибкой. В этот процесс вмешивается и еще один фактор. Чем больше напряжение отличается от синуса, тем больше оно содержит гармоник (высокочастотных составляющих). А почти у всех измерителей точность измерения снижается с увеличением частоты.
Искажать синус могут также различные потребители электроэнергии. Больше всего это проявляется при проведении сварки. Затем идут тиристорные устройства, работающие с отсечкой. Например, электрический радиатор для обогрева помещения. Чтобы уменьшить его нагрев, тиристоры подают напряжение на нагреватель не весь полупериод, а часть полупериода. При этом на нагревателе выделяется не вся мощность, а ее часть. И так каждый полупериод: часть синуса с уменьшенной нагрузкой, часть — с увеличенной.
Даже импульсный источник питания компьютера потребляет ток неравномерно: часть полупериода меньше, часть — больше. Мощность компьютера мала, поэтому его работа на домашних приборах не сказывается. Но в компьютерных залах вольтметры разных систем покажут в сети разное напряжение (при неискаженной сети они показывают одинаковые напряжения).
В одной компании только что приобретенные стабилизаторы установили в зале с компьютерами, а на следующий день предъявили претензию, что стабилизаторы ошибаются. Выяснилось, что вольтметры, какими они пользовались, как раз измеряли амплитудное напряжение, а проградуированы были в среднеквадратичном.
С чем сталкивается потребитель электроэнергии
Источником электроэнергии для потребителей является трансформаторная подстанция, которая выдает 3-фазное напряжение 380 В (или 220 В относительно нейтрали). И если проверить качество электроэнергии на выходе подстанции, то оно будет соответствовать ГОСТу 13109-97. С удалением от подстанции качество электроэнергии будет ухудшаться. В ухудшение качества будет вносить вклад закон Ома. Как это происходит?
Рассмотрим вариант электропитания нескольких потребителей. Предположим, что от подстанции протянута линия (медным проводом или кабелем сечением 25 мм²) вдоль улицы из 10 домов (рис. 4).
Пусть расстояние между домами Ll = 20 м. Подвод электроэнергии осуществляется по двум проводам. По закону Ома, сопротивление этих проводов равно:
Если каждый потребитель включит только один электрочайник (3 кВт), ток потребления которого 13,5 А, то ток в проводах между потребителями составит величину, показанную во втором столбце таблицы 2. А ток от трансформатора будет 135 А. В первом столбце таблицы 2 отображен номер потребителя. В третьем столбце таблицы показано падение напряжения на одинаковых сопротивлениях линий между потребителями при увеличивающихся токах. В четвертом столбце приведено значение падения напряжения на линии от трансформатора до каждого из потребителей.
Таблица 2. Расчет падения напряжения в проводах между потребителями

В случае, показанном на рис. 4, у потребителя № 1 (самого дальнего от трансформаторной подстанции, ТП) будет 220 В, если у всех выключена нагрузка, то на линии никакого падения напряжения не будет. Если все включат по одному электрочайнику (20,2 В упадет на линии), то у потребителя № 1 будет на входе 200 В. Три киловатта по сегодняшним меркам — небольшая величина.
Сейчас воздушные линии имеют большее сечение, что уменьшает сопротивление проводов и падение напряжения на них, но провода используются не медные, а алюминиевые или даже стальные (что увеличивает сопротивление проводов и падение напряжения на них). Поэтому приведенный пример очень близок к реальности.
Раньше в каждой квартире или доме после счетчика стояли четыре пробки по шесть ампер (две линии по шесть ампер). На одного потребителя приходилось 12 А.
Сейчас потребление тока сильно возросло. Один электрический чайник потребляет порядка 3 кВА (13,5 А). В некоторых коттеджах потребление тока составляет 70–90 А (до 20 кВА). В этих случаях и отклонение напряжения, и колебания напряжения выйдут за пределы, регламентируемые ГОСТом 13109-97. Если потребитель находится недалеко от трансформаторной подстанции, то положение можно полностью исправить с помощью стабилизатора напряжения. В противном случае положение можно частично исправить с помощью стабилизатора напряжения. Частично — это значит, что нагрузка должна будет иметь некоторый предел, который зависит от сопротивления подводящей линии. При превышении этого предела падение напряжения на линии начнет превышать то напряжение, на которое стабилизатор его повысит. Следующий пример иллюстрирует это.
В практике авторов был такой случай. Владелец магазина приобрел однофазный стабилизатор на 21 кВА. Он имеет минимальное входное напряжение 150 В и при этом может поднять напряжение на 32 В. От трансформаторной подстанции был протянут кабель. Его сопротивление оказалось 1,4 Ом. Нагрузка представляла собой несколько промышленных холодильников. При включении нагрузки напряжение на входе составило 164 В (при токе 40 А).
Падение напряжения на кабеле составило:
ΔU = 220 – 164 = 56 B.
Стабилизатор повысил напряжение на 32 В или в 0,195 раза: (164 В + 32 В) / 164 В = 0,195.
Мощность на нагрузке увеличится по квадратичному закону: 1,1952 = 1,4³, так как P = U²/R. Во столько же раз возрастет ток в подводящей линии, и во столько же раз увеличится падение напряжения на ней.
Ток в подводящей линии: 40 А × 1,43 = 57,2 А.
Падение напряжения на подводящей линии: 57,2 А × 1,4 Ом = 80 В.
Напряжение на входе стабилизатора упадет до 220 – 80 = 140 В.
Стабилизатор отключался по нижнему пределу входного напряжения. Когда нагрузка отключалась, напряжение на входе стабилизатора повышалось. Стабилизатор обнаружил, что напряжение находится в рабочем диапазоне, и включил нагрузку. Далее процесс повторялся. В данном случае стабилизатор не справился с корректировкой напряжения.
Казалось бы, если поставить дополнительно трансформатор и повысить напряжение на 13 В, то напряжение окажется в диапазоне работы стабилизатора и проблема будет решена. Но если мы будем повышать напряжение, то по квадратичному закону будет увеличиваться входной ток и во столько же увеличится падение напряжения на кабеле. И достигнуть необходимого результата не удастся.
То есть попытка стабилизатора увеличить напряжение приведет к его уменьшению. Для каждой подводящей линии свой порог, и зависит он от сопротивления этой линии.
Поэтому выход один: надо подключаться к трем фазам. Даже если протянуть каждую фазу отдельно (со своей нейтралью) и распределить нагрузку равномерно, выигрыш будет в три раза.
Ток в подводящей линии: 40 А / 3 = 13,3 А.
Падение напряжения на подводящей линии: 13,3 А × 1,4 Ом = 18,6 В.
Напряжение на входе стабилизатора упадет до 220 – 18,6 = 201,4 В.
Если подключиться с помощью обычного четырехжильного кабеля, то, при правильно распределенной нагрузке, ток по нейтрали течь не будет, и его сопротивление можно не учитывать. Значит — падение напряжения уменьшится еще в 2 раза.
Ток в подводящей линии: 13,3 А / 2 = 6,7 А.
Падение напряжения на подводящей линии: 6,7 А × 1,4 Ом = 9,4 В.
Напряжение на входе стабилизатора упадет до 220 – 9,4 = 210,6 В.
В этом случае может не понадобиться стабилизатор напряжения.
Если руководство электрических сетей примет решение установить для потребителя отдельный трансформатор, то на его выходе можно обеспечить качество электроэнергии, оговоренное в ГОСТе 13109-97.
Такое бывает. Авторы видели высоковольтную линию, подходящую к деревне из 15 домов. На конце этой линии стоят 2 трансформатора. От одного питается деревня, от другого — только один коттедж. Только в таком случае нагрузки, включаемые соседями, не ухудшают качество электроэнергии, и это качество можно требовать с поставщика электроэнергии.
Литература
- ГОСТ 13109-97 «Нормы качества электрической энергии в системах электроснабжения общего назначения».
- ГОСТ 21128-83 «Системы энергоснабжения, сети, источники, преобразователи и приемники электрической энергии. Номинальные напряжения до 1000 В».
Скачать статью в формате PDF
power-e.ru