Что такое трансформатор тока и как он устроен. Какие бывают виды трансформаторов тока. Как работает трансформатор тока. Где применяются трансформаторы тока. Как правильно выбрать и установить трансформатор тока.
Что такое трансформатор тока и его основное назначение
Трансформатор тока — это электротехническое устройство, предназначенное для преобразования больших значений переменного тока в меньшие, пропорциональные им значения. Основные функции трансформатора тока:
- Изменение величины тока до значений, необходимых для работы измерительных приборов и устройств релейной защиты
- Гальваническая развязка первичной цепи высокого напряжения от вторичных цепей низкого напряжения
- Стандартизация вторичных токов для унификации измерительных приборов и реле
Трансформаторы тока являются неотъемлемой частью систем учета электроэнергии, измерения, защиты и автоматики в электроэнергетике. Они позволяют безопасно и точно контролировать токи в высоковольтных линиях электропередачи и на мощном электрооборудовании.

Устройство и конструкция трансформатора тока
Конструктивно трансформатор тока состоит из следующих основных элементов:
- Магнитопровод (сердечник) — изготавливается из электротехнической стали
- Первичная обмотка — подключается к измеряемой цепи
- Вторичная обмотка — к ней подключаются измерительные приборы
- Изоляция между обмотками
- Выводы для подключения
- Корпус
Магнитопровод может быть замкнутым (тороидальным) или разъемным. Первичная обмотка часто выполняется в виде одного витка — шины или провода, проходящего через окно магнитопровода. Вторичная обмотка имеет большое число витков тонкого провода.
Принцип действия трансформатора тока
Принцип работы трансформатора тока основан на явлении электромагнитной индукции. Когда по первичной обмотке протекает переменный ток, он создает переменный магнитный поток в сердечнике. Этот поток индуцирует ЭДС во вторичной обмотке. При подключении нагрузки во вторичной цепи возникает ток, пропорциональный первичному.
Коэффициент трансформации определяется отношением числа витков вторичной обмотки к числу витков первичной. Например, при коэффициенте 100/5 первичный ток 100 А преобразуется во вторичный ток 5 А.

Основные виды и типы трансформаторов тока
Существует множество разновидностей трансформаторов тока, которые классифицируются по различным признакам:
По назначению:
- Измерительные — для подключения измерительных приборов
- Защитные — для устройств релейной защиты и автоматики
- Комбинированные — совмещают функции измерения и защиты
По способу установки:
- Опорные — устанавливаются на изоляторах
- Проходные — монтируются в проходных изоляторах
- Шинные — надеваются на токоведущую шину
- Встроенные — устанавливаются внутри оборудования
По конструкции магнитопровода:
- С замкнутым магнитопроводом
- С разъемным магнитопроводом
По числу витков первичной обмотки:
- Одновитковые
- Многовитковые
По способу изоляции:
- С литой изоляцией
- Маслонаполненные
- С элегазовой изоляцией
Выбор конкретного типа трансформатора тока зависит от условий эксплуатации, требуемых параметров и особенностей применения.
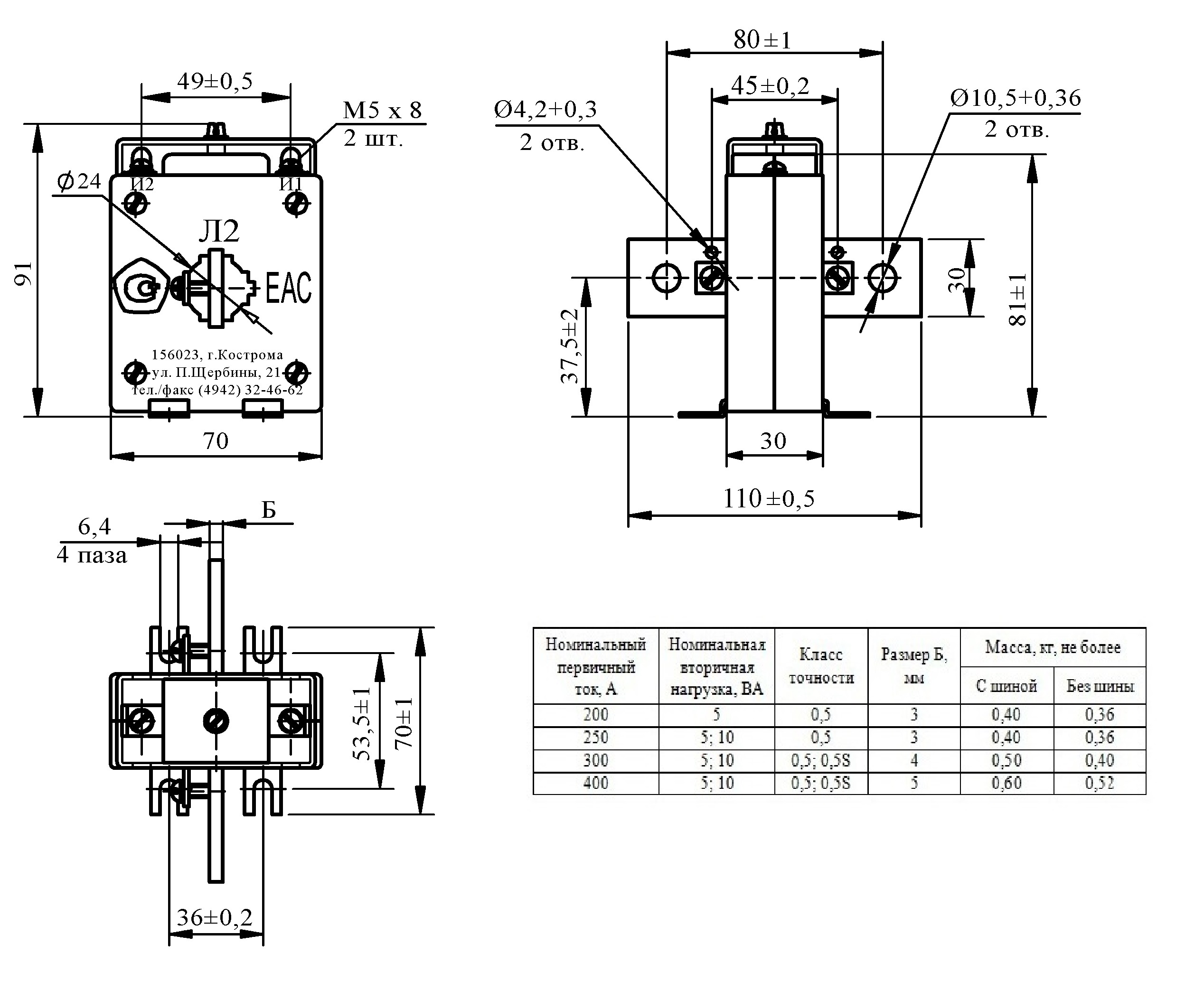
Классы точности трансформаторов тока
Класс точности — важнейшая характеристика трансформатора тока, определяющая погрешность преобразования тока. Чем выше класс точности, тем меньше погрешность измерений.

Основные классы точности измерительных трансформаторов тока:
- 0.1 — высокоточные лабораторные
- 0.2S — для точных измерений
- 0.5 — для коммерческого учета электроэнергии
- 1 — для технического учета
- 3, 5, 10 — для релейной защиты
Класс точности обозначает допустимую токовую погрешность в процентах при номинальном первичном токе. Например, класс 0.5 означает погрешность не более ±0.5%.
Области применения трансформаторов тока
Трансформаторы тока широко используются в электроэнергетике и промышленности для различных целей:
- Измерение токов в высоковольтных линиях электропередачи
- Коммерческий и технический учет электроэнергии
- Питание токовых цепей электрических счетчиков
- Подключение амперметров, ваттметров и других измерительных приборов
- Питание токовых цепей устройств релейной защиты и автоматики
- Контроль нагрузки силовых трансформаторов, генераторов, двигателей
- Системы мониторинга и диагностики электрооборудования
Трансформаторы тока позволяют безопасно и точно измерять большие токи, недоступные для прямого измерения. Они являются неотъемлемым элементом систем электроснабжения и учета электроэнергии.

Как правильно выбрать трансформатор тока
При выборе трансформатора тока необходимо учитывать следующие основные параметры:
- Номинальное напряжение сети
- Номинальный первичный ток
- Номинальный вторичный ток (обычно 1 А или 5 А)
- Требуемый класс точности
- Номинальная вторичная нагрузка
- Ток термической и динамической стойкости
- Климатическое исполнение
- Конструктивное исполнение
Номинальный первичный ток трансформатора должен быть близок к рабочему току измеряемой цепи. Класс точности выбирается исходя из требований к погрешности измерений. Важно также учитывать условия эксплуатации и особенности монтажа.
Особенности монтажа и эксплуатации трансформаторов тока
При установке и эксплуатации трансформаторов тока необходимо соблюдать следующие правила:
- Монтаж должен выполняться квалифицированным персоналом
- Необходимо строго соблюдать полярность подключения
- Вторичная цепь трансформатора тока всегда должна быть замкнута на нагрузку или накоротко
- Запрещается размыкать вторичную цепь под нагрузкой
- Нельзя превышать номинальную вторичную нагрузку
- Первичный ток не должен превышать номинальный более чем на 20%
- Необходимо периодически проводить поверку трансформаторов тока
Правильный монтаж и эксплуатация трансформаторов тока обеспечивают их надежную и безопасную работу в течение длительного срока службы.

Перспективы развития трансформаторов тока
Основные направления совершенствования трансформаторов тока:
- Повышение точности измерений
- Расширение динамического диапазона
- Уменьшение массогабаритных показателей
- Применение новых магнитных материалов
- Внедрение цифровых интерфейсов
- Интеграция с интеллектуальными системами учета
Развитие технологий позволяет создавать более совершенные трансформаторы тока, отвечающие современным требованиям цифровизации электроэнергетики и промышленности. Появляются оптические и электронные трансформаторы тока, обладающие улучшенными характеристиками.
Виды трансформаторов тока и напряжения
Электрикдома. Главная » Как это устроено » Основные виды трансформаторов тока
Рубрика: Как это устроеноАвтор: Andrey Ku
Содержание
- Распространенные разновидности трансформаторов
- Конструкция трансформатора тока
- Что такое класс точности трансформатора?
Трансформаторами тока принято называть электротехнические приборы, основное предназначение которых — изменение величин токов до необходимых для работы сети показателей. Кроме того, трансформаторы выполняют защитную функцию, разделяя цепи высокого и низкого напряжения. Трансформатор тока — неотъемлемая часть любой электростанции или подстанции, однако такие агрегаты могут иметь разное назначение в зависимости от конструкции. В данном материале мы поговорим об их классификации подробнее.
Распространенные разновидности трансформаторов
Стоит отметить, что “универсального трансформатора” не существует — в профессиональной среде принято разделять такие устройства на условные группы, принимая во внимание те или иные особенности конкретного агрегата.
Так, в частности, существует разделение по таким признакам:
- По назначению. Большая часть трансформаторов относится к защитным или измерительным, однако существуют и гибридные варианты. Еще один вариант — лабораторные трансформаторы тока, применение которых ограничено тестовыми лабораториями.
- По способу установки. Как правило, трансформаторы устанавливаются в открытые или закрытые распределительные устройства как наружной, так и внутренней установки. Кроме того, существуют портативные переносные и накладные, а также встроенные агрегаты.
- По конструкции. Этот формат разделения учитывает тип первичной обмотки. Она может быть многовитковой или одновитковой. Кроме того, существует и шинные трансформаторы.
- По типу изоляции. Самый популярный вариант — трансформатор с сухой изоляцией, в роли которой чаще всего выступают фарфоровые, бакелитовые или эпоксидные изоляторы. Реже можно встретить варианты с бумажно-масляной изоляцией или изоляторы с заливкой из компаунда.

- По количеству ступеней. Наибольшее распространение получили одноступенчатые трансформаторы, однако существуют и так называемые каскадные агрегаты — для них характерно наличие двух ступеней.
Кроме того, существует разделение по номинальному напряжению — специалисты выделяют две основные группы. К первой относятся трансформаторы с номинальным напряжением, для которых этот показатель превышает 1 кВт. Трансформаторы с более низким напряжением относятся ко второй группе.
Конструкция трансформатора тока
Агрегаты такого типа состоят из сердечников, изготовленных из электротехнической стали, которые имеют первичную и вторичную изолированную обмотку. В некоторых современных трансформаторах сердечники могут быть изготовлены из особых нанокристаллических сплавов, что позволяет существенно увеличить диапазон класса точности, в котором будет работать изделие.
Что такое класс точности трансформатора?
Класс точности — один из важнейших параметров, указывающий на то, с какой погрешностью относительно нормативных значений будет по факту работать устройство.
Разумеется, чем выше класс — тем лучше. Наиболее совершенные модели имеют в названии класса точности букву “S”, что означает, что проверка происходит по пяти ключевым точкам в диапазоне 1-120%. Также существуют и агрегаты, в которых обмотка проверяется по четырем или даже по трем точкам.
Примечательно, что определение погрешности проводят на всех вторичных обмотках вне зависимости от их количества. При этом, если обмотка имеет сразу несколько классов точности, то испытания могут проводиться как по высшему из классов, так и во всех заявленных классах точности — в зависимости от договоренности между потребителем и производителем.
Рейтинг
( Пока оценок нет )
Andrey Ku/ автор статьи
Понравилась статья? Поделиться с друзьями:
Трансформаторы напряжения: описание, принцип действия
Время прочтения: 10 минут
- 250 кВА
- 400 кВА
- 630 кВА
- 800 кВА
- 1000 кВА
- 1250 кВА
- 1600 кВА
- 2500 кВА
- 6 кВ
- 10 кВ
- Трансформатор-стабилизатор высоковольтный дискретный ВДТ-СН
- Трансформаторы с литой изоляцией ТСЛ, ТСЗЛ
- Трансформаторы ТС, ТСЗ
- Комплектные трансформаторные подстанции
- Сухие силовые трансформаторы
- Масляные трансформаторы
- Высоковольтные трансформаторы
- Трансформаторы собственных нужд ТСКС
- Трансформаторы силовые сухие ТС, ТСЗ
- Однофазные вольтодобавочные трансформаторы
Все трансформаторы тока — это конструкции, которые изменяют переменный ток и стабильно защищают от перепадов высокого напряжения.
Он является механизмом только переменного тока, который не может работать с источником постоянного тока, так как при этом в его обмотках не будет электромагнитной индукции. Сейчас трансформаторы напряжения, работающие на маленьких мощностях, практически вытеснены более мощными модификациями.
Описание и составляющие
Трансформатор состоит из трех частей:
- Электро-обмотка может быть первичной подводящей напряжение и вторичной снимающей напряжение. Первичная обвивка подключается по порядку и подсоединяется к ключу переменного тока. Вторичная обвивка должна быть замкнута на нагрузку и ее противодействие не превышает установленного значения, она никак не сопряжена с первичной. На вторичной обмотке вызывается крайне высокое напряжение и вследствие этого она обязана быть заземлена.
- Системы охлаждения: естественное воздушное, масляное (трансформаторное масло циркулирует и отдает запасенное тепло через заднюю стенку бака в окружающую среду, охлаждаясь), по тому же принципу циркуляции происходит охлаждение водой и естественное жидким диэлектриком.

- Сердечник. А еще его называют магнитопровод, чаще всего изготавливается из специальных сплавов штампованных пластин в виде буквы Ш и О. Могут быть броневые (катушки установлены на одной оси) и стержневые (занимают большую часть сердечника и сердечники являются раздельными их стягивают при сборке).
Принцип действия
Отдача мощности из одной обмотки во вторую совершается электромагнитным путем и основана на электромагнитной индукции. Непостоянный ток, идя по первичной обмотке, формирует электромагнитное течение в магнитопроводе и индуцирует во вторичной обмотке, пронизывая ее витки. В результате он становиться замкнутым в магнитопроводе и сцепляется с двумя обмотками. Витки обмотки имеют равное усилие и в случае если повысить количество витков на 2–ой обмотке, объединяя их поочередно между собою, то можно повысить вольтаж на выходе трансформатора. Таким же образом уменьшая количество витков уменьшить выходное напряжение. В сердечнике трансформатора неизбежны потери энергии за счет выделения тепла, но в современных мощных моделях эти потери невелики и не превышают 3%.
Однофазные трансформаторы напряжения могут работать, на нагрузку, в режиме холостого хода и короткого замыкания. Как три отдельных однофазных трансформатора можно рассматривать трехфазные, но они работают на больших мощностях.
Возврат к списку
Как правильно установить трансформаторы тока?
Советы по правильной установке трансформаторов тока для получения максимальных результатов Вы тщательно изучили субсчетчики, трансформаторы тока и средства связи, чтобы определить идеальное оборудование для своего проекта. Далее пришло время рассмотреть процесс установки трансформатора тока. Даже если успех вашего проекта не зависит от точности уровня дохода, есть простые шаги, которые вы можете предпринять, чтобы обеспечить бесперебойную установку трансформатора тока и максимальную производительность.
Имейте в виду, что установка трансформатора тока и счетчика всегда должна выполняться обученным квалифицированным специалистом с соблюдением всех местных электротехнических правил.
Убедитесь, что ТТ имеет надлежащий размерПараметры проекта постоянно изменяются, поэтому перед установкой трансформатора тока важно убедиться, что имеющийся ТТ по-прежнему подходит для вашего приложения и что его размер соответствует нагрузке вы хотите измерить. Есть два ключевых фактора при выборе трансформатора тока: номинальный ток и физический размер.
Номинальный ток указывает силу тока, которая может быть измерена конкретным трансформатором тока. В большинстве случаев точность трансформатора тока составляет от 5% до 120% от его номинального тока. Это означает, что если номинальный ток ТТ составляет 100 А, его можно использовать в сетях от 5 А до 120 А. При токе ниже 5 А ТТ не будет таким точным, а при токе выше 120 А ТТ может начать насыщаться, что опять же приведет к неточным показаниям.
В дополнение к номинальному току важно учитывать физический размер ТТ. Установка трансформатора тока на провод, размер которого слишком велик для окна, означает, что ТТ не сможет правильно замкнуться, что приведет к неверным показаниям. Также не рекомендуется увеличивать размер ТТ, и, как правило, окно ТТ не должно превышать размер проводника более чем на 50 % для обеспечения наилучшей точности.
Проверка полярности провода После того, как ТТ установлен вокруг проводника, пришло время подключить его к измерителю мощности. Если ваш компьютерный томограф включает провода отведений, цветовая маркировка будет указывать на полярность провода. Как правило, белый провод является положительным, а черный — отрицательным и должен быть подключен к положительной (+) и отрицательной (-) клеммам измерителя соответственно. Если ваш ТТ использует альтернативную цветовую схему, например бело-коричневую, проверьте документацию на ТТ, прежде чем выполнять такое подключение.
Как и в случае с ориентацией фаз, если провода подключены к счетчику «назад», счетчик будет измерять отрицательную энергию для этой фазы, поэтому важно уделить время правильному подключению.
Убедитесь, что ТТ подключен к правильному проводникуЭто может показаться очевидной деталью, но для того, чтобы счетчик собирал точные данные, ТТ должны быть установлены на той же фазе, что и вход напряжения. Несоответствие трансформаторов тока и входов напряжения приведет к ошибочным измерениям, поэтому особенно важно проверить этот этап установки трансформатора тока перед тем, как покинуть рабочее место.
Рекомендуется маркировать выводы ТТ, чтобы обеспечить правильное подключение ТТ к нужной клемме на измерителе. Для переполненных панелей или распределительных устройств это может быть важно для отслеживания того, какие провода идут к какому терминалу. Это также может сэкономить время, если после установки необходимо устранить неполадки.
Не удлиняйте выводы ТТ слишком сильно В общем, можно удлинять выводы ТТ с помощью проводки аналогичного сечения (обычно витая пара).
Чтобы свести к минимуму шум или помехи и гарантировать, что максимальная нагрузка трансформатора тока не будет превышена, важно не удлинять провода сверх того, что реально необходимо для установки. Другими словами, если расстояние между счетчиком и электрической панелью составляет 20 футов, нет необходимости иметь 50-футовый подводящий провод, который может отрицательно сказаться на точности (и добавить ненужные затраты). Для поддержания максимальной производительности всегда лучше использовать более короткие кабели.
Процесс установки может занять много времени, но сделать паузу, чтобы убедиться, что установка выполнена правильно, — лучший способ предотвратить дорогостоящие выезды на место для устранения неполадок. Прежде чем уйти, убедитесь, что показания счетчика «имеют смысл» для измеряемой нагрузки. На этом шаге часто обнаруживаются проблемы с установкой трансформатора тока, проблемы с настройкой счетчика или другие подводные камни конфигурации.
Трансформаторы тока | НК Технологии
Трансформаторы тока | НК Технологии перейти к содержаниюГлавная » Трансформаторы тока
Наш широкий ассортимент трансформаторов тока гарантирует, что вы найдете именно то, что вам нужно.
Чтобы помочь вам выбрать правильную серию для вашего применения, начните свой выбор здесь!
КОНТРОЛЬ ЦЕПЕЙ ДО 2000 А| СЕРИЯ CTRC | 0–0,333 В~ | 24 В переменного или постоянного тока | 3,5″ или 5,25″ | DIN-рейка |
| ProteCT™ SERIES | 0–0. | Self Powered | 0.85″, 1.25″, 2.0″ | Split-Core Case |
| Серия CT-MS | 0–1 A, 0–5 A | 2,2222222222222222222222222222222222222222222222222222222222222222222222. |
| 5 Вторичная серия | 0–5 A | SEEFLEAD | RULED-113 ″, 1,56.![]() |




