Что такое микроконтроллер ATtiny13. Каковы его основные характеристики. Как программировать ATtiny13 в Arduino IDE. Для чего можно использовать этот компактный контроллер.
Знакомство с микроконтроллером ATtiny13
ATtiny13 — это компактный 8-битный микроконтроллер семейства AVR от компании Atmel (ныне Microchip). Несмотря на свои скромные размеры, этот чип обладает впечатляющими возможностями для применения в различных проектах.
Основные характеристики ATtiny13
- Память программ (FLASH) — 1 КБ
- ОЗУ — 64 байта
- Число входов/выходов — 6
- Выходов ШИМ — 2
- Аналоговых входов (АЦП 10 бит) — 4
- Таймер 8 бит — 1
- Напряжение питания — 1.8 — 5.5 В
- Рабочая частота — до 20 МГц
Полный перечень характеристик можно найти в официальной документации от производителя.
Программирование ATtiny13 в среде Arduino IDE
Хотя ATtiny13 не является «родным» микроконтроллером для Arduino, его можно легко программировать в этой популярной среде разработки. Для этого необходимо выполнить несколько шагов:

- Скачать и установить пакет поддержки ATtiny для Arduino IDE
- Настроить программатор (например, Arduino как ISP)
- Выбрать соответствующие настройки платы в меню Arduino IDE
После этого вы сможете загружать скетчи в ATtiny13 так же, как и в обычную Arduino. Однако стоит учитывать, что из-за ограниченного объема памяти не все стандартные функции Arduino будут доступны.
Практическое применение ATtiny13: новая жизнь для старой елочки
Рассмотрим интересный пример использования ATtiny13 для модернизации старой настольной елочки со световодами. Изначально елочка работала от галогенной лампочки и моторчика с цветным фильтром, но со временем эти компоненты вышли из строя.
Схема модернизации
Для обновления елочки была использована следующая схема:
- ATtiny13 в качестве управляющего микроконтроллера
- RGB-светодиодная лента для создания эффекта смены цветов
- Три транзистора для управления каналами RGB
- Линейный регулятор напряжения для питания схемы
Микроконтроллер ATtiny13 запрограммирован для генерации программного ШИМ-сигнала, управляющего яркостью каждого канала RGB-ленты. Это позволяет создать эффект плавного перелива цветов.

Преимущества использования ATtiny13 в проектах
Почему стоит обратить внимание на ATtiny13 при разработке электронных устройств? Вот несколько ключевых преимуществ:
- Компактные размеры (доступен в корпусах DIP8 и SOP8)
- Низкое энергопотребление (190 мкА при 1.8В/1МГц в активном режиме)
- Доступная цена (около $0.5 за штуку при покупке партией)
- Достаточный набор периферии для базовых задач
- Совместимость с популярными средами разработки
Эти факторы делают ATtiny13 отличным выбором для небольших проектов, где важны миниатюрность и энергоэффективность.
Ограничения ATtiny13 и альтернативы
При всех своих достоинствах, ATtiny13 имеет ряд ограничений:
- Малый объем памяти программ (1 КБ)
- Ограниченное количество выводов (всего 6 I/O пинов)
- Отсутствие некоторых периферийных модулей (например, UART)
Если возможностей ATtiny13 недостаточно, стоит рассмотреть другие микроконтроллеры семейства ATtiny, такие как ATtiny85 (8 КБ флэш-памяти) или ATtiny2313 (2 КБ флэш-памяти и аппаратный UART).
Советы по оптимизации кода для ATtiny13
Учитывая ограниченные ресурсы ATtiny13, важно оптимизировать код для эффективного использования памяти и вычислительной мощности. Вот несколько рекомендаций:

- Используйте битовые операции вместо арифметических там, где это возможно
- Избегайте использования функций с плавающей точкой
- Применяйте константы и макросы для экономии памяти программ
- Оптимизируйте циклы, избегая лишних вычислений
- Используйте встроенные функции компилятора для критичного по времени кода
Следуя этим советам, вы сможете создавать более эффективные программы для ATtiny13.
Проекты на базе ATtiny13: от простого к сложному
ATtiny13 может быть использован в различных проектах, от простых светодиодных эффектов до более сложных устройств. Вот несколько идей для вдохновения:
- Светодиодный ночник с датчиком освещенности
- Простой терморегулятор для небольших устройств
- Генератор случайных чисел для электронных игр
- Контроллер полива растений
- Миниатюрный музыкальный синтезатор
Каждый из этих проектов можно реализовать на базе ATtiny13, используя его встроенные возможности и внешние компоненты.
Заключение: ATtiny13 — мал, да удал
Микроконтроллер ATtiny13, несмотря на свои скромные характеристики, является мощным инструментом в руках опытного разработчика. Его компактность, низкое энергопотребление и доступность делают его идеальным выбором для множества проектов, где важна миниатюризация и эффективность. От простых светодиодных эффектов до более сложных устройств управления — ATtiny13 способен справиться с широким спектром задач, предоставляя разработчикам гибкость и свободу творчества.

Изучаем ATTINY13, восстанавливаем новогоднюю елочку
Как то приобрел в хозяйство маленькие контроллеры ATTiny13. Недавно руки дошли с ними повозиться.
Приобрести их можно по цене $3.3/10шт в корпусе SOP8 или $4.83/10шт в корпусе DIP8.
Я взял в корпусе DIP8 вместе с панельками
Характеристики ATTiny13A
- Память для программ (FLASH) — 1Кб
- ОЗУ — 64 Байт
- Число входов/выходов — 6
- Выходов ШИМ — 2
- Аналоговых входов (АЦП 10бит) — 4
- Таймер 8 бит — 1
- Напряжение питания 1.8 — 5.5В
- Рабочая частота — до 20МГц
- Потребление в активном режиме 1.8В/ 1МГц — 190мкА
- Потребление в режиме сна 1.8В/1МГц — 24мкА
Все характеристики микроконтроллера в даташите
Программирование ATtiny13
Для программирования я настроил среду Arduino IDE. Как известно, эта среда разработки может поддерживать дополнительные контроллеры. Например, в этой статье, я рассказывал, как программировать в Arduino IDE «народный WiFi» ESP8266.
На сайте arduino.cc есть ветка, посещенная программированию ATTiny13 в среде Ардуино. У меня установлена версия 1.6.5. Скачиваю архив ATTiny core for Arduino. Распаковываю в папку c:\Program Files (x86)\Arduino\hardware\ и в Arduino IDE появляются дополнительные платы
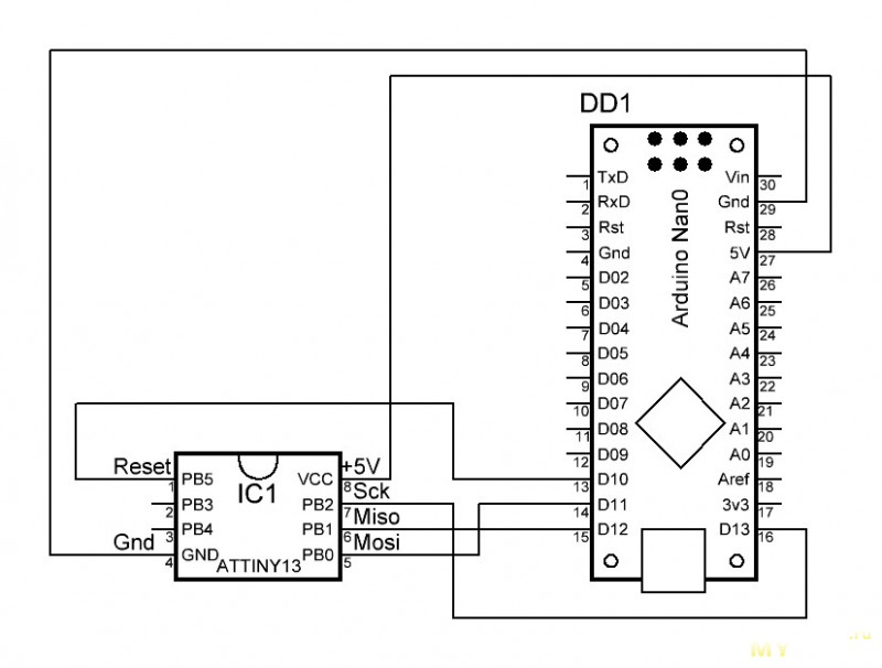
Теперь загрузка программ. Объем памяти микропроцессора всего 1Кб и никакой загрузчик туда не поместится. Поэтому загрузка скетчей производится программатором по ISP. USBAsp, которым я программировал Atmega328 работать с тинькой не захотел. Нужна специальная прошивка программатора, с которой я возиться не захотел. Программировать микроконтроллер можно при помощи любой Ардуины. Для этого собираю такую схему:
В Arduino IDE выбираю «Файл->Образцы->ArduinoISP» и загружаю в Ардуино скетч программатора. Затем выбираю «Инструменты->Программатор->Arduino as ISP». Теперь можно загружать скетчи в тиньку. Следует отметить, что ATTiny13 core for Arduino содержит ограниченный набор функций Ардуино.
Применение ATTiny13
На работе у меня есть настольная елочка со световодами
В елочке стояла галогенная лампочка на 12В и моторчик, который крутит цветной круг-цветофильтр, который меняет цвет световодов. За 3 года умерли и лампочка и моторчик.
Вот я и решил восстановить эту елочку кусочком RGB-ленты управляемой ATtiny13. Съема управления лентой получилась такая:
три транзистора и резистора, линейный регулятор напряжения и собственно тинька.
Скетч представляет собой программный трехканальный ШИМ с изменением яркости по разным каналам, в результате которого лента переливается разными цветами
Скетч ATTiny13 RGB-PW…
После этого остается только закрепить плату и ленту в корпусе елочки
Белый скотч наклеен для улучшения отражения света внутри корпуса.
Теперь можно собирать корпус
И елочка готова
.
ATtiny13 в категории «Техника и электроника»
Микросхема ATTINY13V-10SU
Доставка по Украине
142.
80 грн
Купить
Микросхема ATTINY13A-PU
Доставка по Украине
140.80 грн
Купить
Микросхема ATTINY13A-SU
Доставка по Украине
148.70 грн
Купить
Плата программирования форм ATtiny13A / ATtiny25 / ATtiny45 / ATtiny85
Доставка из г. Киев
147 грн
Купить
Отладочная плата для ATtiny13A, ATtiny25, ATtiny45, ATtiny85 microUSB
Доставка по Украине
по 26.8 грн
от 2 продавцов
26.80 грн
Купить
Микросхема Attiny13A-PU
Доставка по Украине
105 грн
Купить
Микросхема ATTINY13A-SSUR
Доставка по Украине
65 грн
Купить
Модуль отладочная плата для ATtiny13/25/45/85
Доставка из г. Днепр
58.97 — 73.08 грн
от 2 продавцов
58.97 грн
Купить
Микросхема ATTINY13V-10MMUR ИМС МК VFDFN-10 (3x3mm) AVR® ATtiny Microcontroller IC 8-Bit 10MHz 1KB (512 x 16)
Доставка из г. Киев
130 грн
Купить
Микроконтроллер 8бит Atmel ATTINY13A-SSU SOP8
Доставка из г.
Одесса
137.72 грн
Купить
Одесса
Микросхема ATTINY13A-SSUR
Доставка по Украине
71.25 — 88.31 грн
от 2 продавцов
71.25 грн
Купить
Микросхема ATTINY13A-PU
Доставка по Украине
93.37 — 115.71 грн
от 2 продавцов
93.37 грн
Купить
Микросхема ATTINY13A-PU ( ATTINY13-20PU ) , DIP8
На складе в г. Запорожье
Доставка по Украине
101.36 грн
Купить
Запорожье
Микросхема ATTINY13A-SU , so-8
На складе в г. Запорожье
Доставка по Украине
101.36 грн
Купить
Запорожье
ATtiny13A-PU
Доставка по Украине
159 грн
Купить
Смотрите также
Контроллер ATtiny13A-SU
Доставка по Украине
163 грн
Купить
Модуль отладочная плата для ATtiny 13/25/45/85
Доставка из г.
Чернигов
42 грн
Купить
Чернигов
Микросхема ATTiny13A-PU
Доставка по Украине
99 грн
Купить
Микросхема ATTiny13A-SU
Доставка по Украине
101 грн
Купить
Микросхема ATTINY13A-SU
Доставка из г. Днепр
121.33 — 145.18 грн
от 2 продавцов
121.33 грн
Купить
Отладочная плата для ATtiny13A, ATtiny25, ATtiny45, ATtiny85
Доставка из г. Гайворон
36 грн
Купить
Гайворон
ATTINY13 Модуль на микросхеме ATTINY13
Заканчивается
Доставка по Украине
159 грн
Купить
Одесса
ATtiny13A-SSU
Доставка по Украине
130 грн
Купить
Плата разработчика, Attiny88
Доставка по Украине
142 грн
Купить
ATtiny13A-SSU Atmel
Доставка по Украине
85.80 грн
95.33 грн
Купить
ATtiny13A-SU Atmel
Доставка по Украине
78 грн
86.
67 грн
Купить
ATtiny13A-PU Atmel
Доставка по Украине
90 грн
100 грн
Купить
Отладочная плата для ATtiny13A, ATtiny25, ATtiny45, ATtiny85
На складе в г. Тернополь
Доставка по Украине
53 грн
Купить
Тернополь
Мікросхема ATTiny13A-SU
Доставка по Украине
110 грн
Купить
Контроллер вентилятора ATtiny13/DS18B20
Описание
Интеллектуальный 2-, 3-, 4-проводной контроллер вентилятора на базе ATtiny13.
- До 8 цифровых датчиков температуры (DS18B20).
- Автоматически определяет наличие ШИМ-управления (4-й провод вентилятора).
- Работает в режиме включения/выключения или ШИМ.
- ШИМ 19,5 кГц.
- Управление вращением с попыткой перезапуска в случае остановки.
- Понижающий DC-DC преобразователь для питания вентиляторов (до 38В на входе, до 2А на выходе).

- Линейный стабилизатор напряжения для питания микроконтроллера.
- Звуковые оповещения.
Модуль предназначен для использования в системах охлаждения различного бытового и профессионального оборудования.
Обзор проекта (английские субтитры) : https://youtu.be/DCnN7JbptWM
Интеллектуальный контроллер вентиляторов на базе микроконтроллера ATtiny13. ATtiny13 имеет на борту 64 байта EEPROM, которые мы можем использовать для хранения серийных номеров подключенных датчиков. Контроллер способен автоматически определять, можно ли управлять подключенным к нему вентилятором с помощью ШИМ. И он способен последовательно опрашивать до восьми датчиков DS18B20 и регулировать скорость вращения вентилятора (или включать/выключать его) на основе показаний самого горячего из датчиков.
Код — https://oshwlab.com/attachments/2022/4/YYWA0uGGHSE1P0Zfs0qBHauhfktyYukEXFmbVitA.txt -DS40002307A.
pdf
Советы и рекомендации по оптимизации кода для 8-битного AVR — https://ww1.microchip.com/downloads/en/AppNotes/doc8453.pdf
Протокол 1-Wire (Книга стандартов iButton) — https://pdfserv.maximintegrated.com/en/an/AN937.pdf
Прошивка USBasp — https://www.fischl.de/usbasp/
Руководство по обновлению прошивки USBasp — https://www.electronics-lab.com/project/usbasp-firmware-update-guide/
ATTinyCore Universal для Arduino IDE — https://github.com/SpenceKonde/ATTinyCore
Программирование высоковольтного последовательного порта AVR для ATtiny — https://github.com/tsaarni/avr-high-voltage-serial-programming
Программирование Fuse (0xFE — установить бит RSTDISBL):
avrdude -C. .\etc\avrdude.conf -c usbasp -P usb -B 32 -p attiny13 -v -U lock:w:0xFF:m -U hfuse:w:0xFE:m
Датчик температуры DS18B20 — https://ali.ski/GR-vps
0805 Книга образцов конденсаторов SMD — https://ali.
ski/VsE5DN /ali.ski/cg_hF
SOT-23 SMD Transistor Sample Book — https://ali.ski/3X2zT
KF2510 3+1P Разъем для подключения вентилятора — https://ali.ski/iNIMXs
Активный зуммер, 5 В — https://ali.ski/iNIMXs
://ali.ski/CKheB
Дизайн чертежа
схематическая диаграмма
( 1 / )
печатная плата
( 1 / )
Пусто
Приложения к проекту
| Заказ | Имя файла | Загрузка раз |
|---|---|---|
| 1 | Расчет DC-DC Buck Converter. | 5 |
| 2 | ATtiny13A-Технические характеристики.pdf | 3 |
| 3 | DS18B20_datasheet.pdf | 4 |
| 4 | Gerber_PCB ATtiny13 Fan Controller.zip | 6 |
| 5 | ATtiny13_Fan_Controller.ino |
Участники проекта
6
1
Собрать в альбом
Радиоконтроллер ATtiny85 433 МГц обучающий
Радиоконтроллер ATtinyПомогите мне, поделившись этим постом
Поделиться
До сих пор мы видели много радиоконтроллеров на этом канале.
Мы видели один, использующий модуль NRF24 и собирающий всю плату, несколько недель назад мы сделали контроллер с радиомодулем HC 12 и гироскопом, но сегодня у меня есть один из самых простых радиоконтроллеров.
На этой плате используется радиосвязь 433 МГц и чип ATTINY 85, так что все очень просто. У него всего 4 «цифровых» канала, поэтому мы не можем использовать его, например, с дронами. Но к этим 4 цифровым выходам можно было подключить что угодно. Дизайн простой и очень дешевый, всего несколько долларов.
См. компоненты, которые нам нужны здесь:
ЧАСТЬ 1 — экран ATtiny85
Начнем с чипа ATtiny85. Это 8-битный RISC-микроконтроллер, иногда его также называют маленькой Arduino.
Он имеет 5 контактов ввода-вывода, все 5 могут быть цифровыми, 3 из них могут быть аналоговыми входами, а два могут создавать сигналы ШИМ. Чтобы запрограммировать этот чип, нам нужна связь SPI. Мой код также будет использовать функцию «микро», и после поиска в Интернете я обнаружил, что ATTINY может использовать эти функции только с загрузчиком 8 МГц.
Мы создадим экран для ATtiny85, следуя приведенной ниже схеме, которую затем можно будет подключить к Arduino Uno.
Щит готов. Подключите его к Arduino UNO и вставьте ATTINY 85 в разъем. Убедитесь, что контакт первый, и не переворачивайте чип. Теперь подключите Arduino Uno к компьютеру. Теперь обратите внимание. Сейчас я использую последнюю версию Arduino IDE 1.8.7. Но по какой-то причине платы ATtiny85 не будут работать с этой версией. Для этого перейдите в описание ниже и загрузите zip-файл с Arduino IDE версии 1.0.5.
Загрузите Arduino0 1.0.5 здесь:
Извлеките это в любую папку, которую вы хотите, это не требует установки. Я извлек его в файлы программы. Теперь еще раз перейдите ниже и загрузите zip-файл attiny master. Откройте этот zip-файл и скопируйте крошечную папку. Теперь перейдите в папку Arduino 1.0.5, перейдите к аппаратному обеспечению и вставьте сюда эту маленькую папку.
Теперь вернитесь и запустите Arduino из этой папки.
С помощью этого метода мы не повлияем на другую версию Arduino, которую мы уже установили.
Мастер Attiny:
ЧАСТЬ 2 — Сжечь предохранители 8 МГц
Как, если вы перейдете к инструментам, доскам, вы увидите много плат ATTINY. Итак, мы готовы. Итак, когда я купил чип, у него был загрузчик внутреннего генератора с частотой 1 МГц. Но нам нужен 8МГц. для этого перейдите в файл, примеры, Arduino ISP и откройте этот пример. Перейдите к доскам и выберите Arduino UNO, выберите com и загрузите этот код в Arduino. Теперь мы можем использовать программатор ISP.
Вернитесь к инструментам, платам и выберите плату внутреннего генератора ATTINY 85, 8 МГц. Перейдите еще раз в инструменты, программатор и выберите Arduino в качестве интернет-провайдера.
Выберите инструменты и запишите загрузчик. Вы увидите, как светодиоды часто мигают, и теперь на ATTINY 85 установлен загрузчик с частотой 8 МГц. Пора его запрограммировать. Перейдите к примеру, основному и откройте пример мерцания.
Измените контакт, скажем, на цифровой контакт 0 ATTINY 85. Убедитесь, что у вас выбрана плата ATTINY 85, и нажмите «Загрузить». Итак, вот и все, теперь светодиод мигает вместе с ATTINY. Нам больше не нужен Arduino.
ЧАСТЬ 3 — Передатчик
Мне нужна радиосвязь между двумя ATTINY. Чтобы это было просто и дешево, я буду использовать два модуля по 433 МГц. Я перепроектировал модули и сделал схемы для передатчика и приемника, а также сделал свои собственные платы, которые уже включают ATTINY, кнопки и радиосхемы. Но сначала давайте сделаем этот проект с коммерческими модулями, которые стоят всего около 50 центов.
Это схема передатчика. У меня будет 4 кнопки с раскрывающимися списками, подключенными к цифровым контактам 0, 1, 2 и 4 ATTINY. Цифровой контакт 3 — это контакт вывода данных, который идет к радиопередатчику. Я также разместил регулятор напряжения AMS11 17 5V, чтобы я мог питать плату, используя 9батарея В.
Позже я также разместил и светодиод, чтобы уведомлять меня о включении передатчика, а также о скользящем стежке.
Я сделал соединения на просверленной печатной плате с разъемами для чипов ATTINY, а также припаял провод к модулю передатчика в качестве антенны для увеличения дальности. Помните, что эти модули не для дальнего действия. Максимум 100 метров с использованием антенн.
Скачать код передатчика (4 комбинации):
Скачать код передатчика (8 комбинаций):
ЧАСТЬ 4 — Приемник
Это схема ресивера. Это плата, которую я сделал для приемника, на ней есть ATTINY, радиоприемник, регулятор 5V и контакты для ввода питания и вывода на 4 канала. Выходы могут быть подключены к чему угодно. В этом случае я позже подключу несколько светодиодов, чтобы показать вам результаты. На контакт D3 поступают данные с радиоприемника, и плата приемника готова.
Скачать код приемника (4 комбинации):
Скачать код приемника (8 комбинаций):
ЧАСТЬ 5 — Отправленный сигнал
Хорошо, ребята, эти модули отлично работают с использованием виртуального провода.


xlsx