Все своими руками 2Т603, КТ603 параметры • Все своими руками
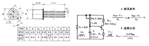
Транзисторы кремниевые эпитаксиально-планарные структуры n-p-n. Предназначены для применения в импульсных и переключающих высокочастотных устройствах. Выпускаются в металлостеклянном корпусе с гибкими выводами. Тип прибора указывается на корпусе.
Масса транзистора не более 1,75 г.
Изготовитель — завод «Транзистор», г. Минск.
2Т603 (А-И). КТ60З (А-Е)
Статический коэффициент передачи тока в схеме ОЭ:
при Uкб = 2 В, Iэ = 150 мА:
2Т603А, 2Т603В, КТ603Д…………………. 20…80
КТ603А, КТ603В……………………………… 10…80
2Т603Б, 2Т603Г………………………………. 60… 180
КТ603Б, КТ603Г, не менее……………….. 60
КТ603Е…………………………………………… 60…200
при Iэ = 350 мА для 2Т603И, не менее…… 20
типовое значение…………………………………… 50*
при Т= -60 °С, Iэ = 150 мА:
2Т603А, 2Т603В.
……………………………… 8…80
2Т603Б, 2Т603Г………………………………. 20…180
2Т603И, не менее……………………………. 8
при T = +125 °С, Iэ = 150 мА:
2Т603А, 2Т603В………………………………. 20…180
2Т603Б, 2Т603Г………………………………. 60…400
2Т603И, не менее……………………………. 20
Граничная частота коэффициента передачи тока в схеме ОЭ при Uкэ — 10 В, 4 = 30 мА,
нe менее…………………………………………………200 МГц
типовое значение………………………………….. 370* МГц
Постоянное напряжение коллектор—база и коллектор—эмиттер при Rбэ = 1 кОм: Tn= +70 °С:
КТ603А, КТ603Б……………………………… З0В
КТ603В, КТ603Г………………………………. 15 В
КТ603Д, КТ603Е……………………………… 10 В
Tn= +100 °С:
2Т603А, 2Т603Б, 2Т603И…………………. 30 В
2Т603В, 2Т603Г..
…………………………….. 15 В
Tn=+120 °С:
КТ603А, КТ603Б……………………………… 15 В
КТ603В, КТ603Г………………………………. 7,5 В
КТ603Д, КТ603Е……………………………… 10 В
Tn=+125 °С:
2Т603А, 2Т603Б, 2Т603И…………………. 24 В
2Т603В, 2Т603Г………………………………. 12 В
Tn=+150 °С*
2Т603А, 2Т603Б, 2Т603И…………………. 18 В
2Т603В, 2Т603Г………………………………. 9 В
Напряжение эмиттер—база:
2Т603А, 2Т603Б, 2Т603В, 2Т603Г…………… ЗВ
2Т603И при Tn= +70 °С…;………………….. 4 В
2Т603И при Tn= +125 «С………………………. 3 В
Постоянный ток коллектора……………………….. 300 мА
Импульсный ток коллектора при fи10 мкс,
0= 10………………………………………………………. 600 мА
Постоянная рассеиваемая мощность:
при Т= +50 «С………………………………..
…… 0,5 Вт
при T= +85 °С для КТ603А, КТ603Б,
КТ603В, КТ603Г, КТ603Д, КТ603Е и
Tn+125 °С для 2Т603А, 2Т603Б, 2Т603В,
2Т603Г, 2Т603И……………………………………. 0,12 Вт
Тепловое сопротивление переход—среда…….. 200 °С/Вт
Температура p-n перехода:
2Т603А, 2Т603Б, 2Т603В, 2Т603Г, 2Т603И. +150 °С
КТ603А, КТ603Б, КТ603В, КТ603Г,
КТ603Д, КТ603Е…………………………………… +120 °С
Просмотров:5 560
Метки: транзисторы
Кт603 характеристики
Нужны еще сервисы? Архив Каталог тем Добавить статью. Как покупать? Наличие высокого напряжения на присоске можно проверить отверткой, соединенной с корпусом через резистор МОм. Вход Регистрация Востановить пароль. Видео Как это работает?
Поиск данных по Вашему запросу:
Схемы, справочники, даташиты:
Прайс-листы, цены:
Обсуждения, статьи, мануалы:
Дождитесь окончания поиска во всех базах.
По завершению появится ссылка для доступа к найденным материалам.
Содержание:
- Характеристики и параметры транзисторов
- Кт603 параметры – Транзисторы КТ603, 2Т603 — параметры, маркировка, расположение выводов.
- Транзистор КТ603
- Характеристика транзистора кт603
Характеристики транзистора кт603 - Транзистор КТ603Б
- Kitfort КТ-603
- Характеристики Чаеварка KITFORT КТ-603
- Аналоги для кт603б
- Автоматическая чаеварка KITFORT KT-603
ПОСМОТРИТЕ ВИДЕО ПО ТЕМЕ: Респиратор для проведения безопасного Аффинажа в вашей лаборатории
youtube.com/embed/o9wdDzonUfQ» frameborder=»0″ allowfullscreen=»»/>Характеристики и параметры транзисторов
Не снимая крышки, просто поставьте чайник под кран. Автоматический клапан крышки открывается, вода наливается в чайник, затем клапан закрывается. Золотые палитры, выражающие утонченную элегантность, сейчас в тренде как в модной индустрии, так и в дизайне.
Прием прикосновения Мидаса, в особенности по отношению к небольшим предметам, позволяет подчеркнуть приверженность к смелым экспериментам и нетрадиционным решениям — то, что всегда выделяло Smeg на международной арене. Электрические чайники… Многие уже не помнят, но всего четверть века назад эти приборы произвели буквально маленькую революцию в быту российских домохозяек и вытеснили с кухонь чайники со свистками и электрические самовары.
Главное их отличие от предшественников не только то, что они кипятили воду всего за несколько минут, — чайники на газовых плитах вполне могут посоревноваться с ними в скорости.
Главное — электрические чайники автоматически отключались после окончания процесса кипячения. Этим они покорили сердца и именно поэтому стали атрибутом каждой кухни независимо от того, газовые там плиты или электрические. Перед нами чайник—чаеварка. Чаеварка работает так: контейнер с заваркой при нагреве воды поднят, после окончания нагрева вам надо вручную нажать на него, чтобы контейнер с заваркой опустился в воду.
Хотите узнать, чем он нас удивил? Читайте тест. Именно с материалом связаны все особенности его конструкции: он больше похож не на сложное электронное устройство, а на старинный заварочный чайник. Естественно, нет никакого окошка—индикатора уровня воды…. Очень простой в управлении прибор. Единственный в тесте с панелью управления на ручке. Всего 4 кнопки — три с температурой и одна со знаком кипячения.
Наливаете в чайник воду, нажимаете на нужную кнопку — и процесс пошел. Кнопки оснащены световой индикацией. При выборе она начинает мигать. Кипячение или нагрев включается с помощью двух сенсоров-кнопок: Температура и Старт.
При нажатии на температуру начинает мигать индикация этой кнопки, после начала нагрева индикация горит постоянно. После закипания воды чайник автоматически отключается, при этом тихо звучит трехкратный сигнал. Подсветка кнопки Температура не горит.
А подсветка кнопки Старт продолжает мигать. Через 1 минуту все подсветки на панели управления гаснут. Чайник работает очень тихо, практически бесшумно. Кроме того, у него нет звукового сигнала. Это особенно ценно в ранние утренние часы, когда кто-то уже встал и боится разбудить остальных. А если учесть, что чайником как раз удобно управлять в темноте, — это просто находка для любителей побаловать себя чаем, пока все спят. Яркая — это то, что сразу бросается в глаза. Красный металлик, с одной стороны, выделяет эту модель среди конкурентов, с другой — ограничивает ее выбор, ведь не ко всем интерьерам она подойдет.
В ассортименте компании есть соковыжималки этой модели более нейтральные по цвету: белая и серая. Они более универсальны, но красная, конечно же, самая шикарная.
Модель объединила в себе черты соковыжималок разных лет.
Своими размерами и эргономикой она близка со шнековыми приборами, которые появились два-три года назад. А вот противокапельное устройство — признак моделей года. Для тех, кто мечтает о тепле и лете, лучший подарок на Новый год — соковыжималка, ведь что может быть чудеснее в холодный зимний день, чем бокал яркого и вкусного фреша, напоминающего о солнце и лете.
Вредно пить соки или полезно? Я не буду участвовать в этом обсуждении. Мое мнение, пить соки — это вкусно. Главное, знать меру.
И, кроме того, любая мамочка подтвердит, что иногда сок — это единственный способ засунуть вдитятко яблочко, а еще чаще морковку и тем более какой-нибудь сельдерей. Простое управление позволяет с легкостью пользоваться этой техникой человеку любого возраста. Пожилые люди, которые обычно с опаской относятся ко всему новому, смогут быстро освоить управление этой плиткой. Поэтому вы легко можете заменить такой плиткой обычную электрическую, например на даче.
Установить на кухне встраиваемую индукционную панель многие не решаются по целому ряду причин, среди которых высокая цена, необходимость покупать новую посуду для готовки и т. Но вот переносные индукционные плитки с одной или двумя зонами нагрева пользуются повышенным вниманием у россиян. Они все чаще заменяют устаревшие электроплитки на дачах, их ставят на съемных квартирах, используют новоселы. Кроме того, что стало сюрпризом для производителей, индукционные плитки активно используются при самогоноварении.
Ценители первача по достоинству оценили экономичность, компактность и ценовую доступность этого вида кухонной техники. Ковры с высоким ворсом имеют одну неприятную особенность: со временем ворс сминается и становится более жестким. Может ли помочь пароочиститель? Международная выставка электроники и бытовой техники Internationale Funkausstellung, более известная как IFA, в очередной раз пройдет в сентябре года в Берлине.
Но уже весной года на глобальной пресс-конференции IFA в Гонконге и Китае организаторы форума анонсировали основные тенденции и тренды и рассказали, в каком направлении будет развиваться техника будущего.
SkyKettle МS порадует любителей изысканных сортов чая расширенным функционалом, а поклонников высоких технологий — возможностью дистанционного управления с планшета или смартфона. Мобильное приложение Ready for Sky позволяет управлять умным чайником буквально из любой точки мира со смартфона или планшета. Например, вы можете подогреть воду к приходу ребенка из школы или, будучи на прогулке с малышом, включить чайник, чтобы сразу по возвращении получить воду идеальной для приготовления детского питания температуры.
Прыгающий рубль, эпидемия гриппа, холодная погода. Эта зима просто бьет все рекорды в стремлении привести нас в плохое настроение. Спасти от хандры, согреть и успокоить может чашка крепкого чаю. Особенно хорошо этот способ действует в том случае, если вода кипятится в красивом чайнике.
Тем более, что купить симпатичный чайник сейчас достаточно просто. Советуем обратить внимание на чайники компании BBK — их ассортимент весьма широк, а стоимость даже дизайнерских моделей приятно удивляет.
Компания ВВК, широко известная в нашей стране как производитель прекрасной и доступной по ценам электроники, производит и технику для кухни, нужную в каждом доме, — СВЧ-печи и чайники. Кроме того, в ассортименте компании есть широкая линейка техники для женщин: фены, стайлеры и щипцы для волос. В отличие от многих других крупных мировых компаний, создающих технику безотносительно к особенностям менталитета или уровню доходов населения, ВВК принимает эти факторы во внимание.
Именно поэтому компания может предложить россиянам продукты, уникальные в сочетании факторов качества, цены и технической оснащенности. Сколько раз в год мы получаем от девушек подарки? Реже чем хотелось бы И все мимо. Мой шкаф уже забит носками, а полочка в ванной едва выдерживает несметное количество кремов для бритья, гелей для душа и другую подобную «классику жанра».
Хотите сделать действительно оригинальный и нужный подарок? Я подготовил список наиболее интересных кухонных гаджетов, которыми можно порадовать мужчину. Сам не отказался бы от многих. Несколько раз в год мы моем окна — и дома, и на даче, так почему же не облегчить себе и родителям эту задачу. В комплект входят распылитель, моющая насадка с тряпкой из микрофибры и сам стеклоочиститель — маленький аккумуляторный пылесос для всасывания жидкостей с плоских поверхностей.
Швабра воздействует на загрязнения горячим паром, который размягчает и растворяет их, после чего с помощью тряпки или щетки частички грязи смываются.
Испытания начались в первый же день. В этом году грибов в лесах вокруг дачи — море! Тащим по три корзины в день. Перерабатывать их на дедовой Мечте было испытанием запредельным — большая кастрюля закипала больше часа под укоризненные дедушкины взгляды — электричество на даче дороже, чем в городе.
С индукционной плиткой — совсем другой коленкор! Вопрос: как определить, что вода 60 градусов? Есть несколько способов приготовления полезного чая каркаде, самый простой и быстрый требует правильного температурного режима:. Всем известное гениальное кавказское изобретение. Чай с чабрецом хорош не только вкусом, но и способностью усмирять разные неприятные процессы, например кашель и заложенность в носоглотке.
Как всякое прекрасное изобретение, чай с чабрецом обожают подделывать или просто портить по незнанию. Вот вам правила, которые обязательно надо соблюдать. Берите для этой смеси подходящий для нее чай — черный индийский или цейлонский, хорошего, разумеется, качества. Кисловатый вкус китайского черного чая или цветочный, легкий дух высокогорных индийских сортов вроде дарждилинга, к чабрецу подходят не очень. Бодрит и тонизирует, ускоряет обменные процессы, стимулирует выработку желудочного сока и улучшает пищеварение, усиливает мозговое кровообращение.
Показан при хронической усталости, замедленном обмене веществ, пониженном артериальном давлении. Если у вас повышенное артериальное давление или тахикардия, с этим напитком надо быть осторожным, так как высокая концентрация активных веществ может вызвать учащенное сердцебиение и повысить давление.
Кт603 параметры – Транзисторы КТ603, 2Т603 — параметры, маркировка, расположение выводов.
Предназначены для применения в импульсных и переключающих высокочастотных устройствах.
Выпускаются в металлостеклянном корпусе с гибкими выводами. Тип прибора указывается на корпусе. Масса транзистора не более 1,75 г. Тип корпуса: КТЮ
Для КТБ — зарубежные (2N; BSW36). Лишь бы основные характеристики совпадали примерно. all-audio.pro
Транзистор КТ603
Схема включения транзистора в электрическую цепь, изображенная на рис. Транзисторы традиционно характеризуют их входными и выходными характеристиками. Входные характеристики для схемы с общей базой. Указанный эффект состоит в том, что при увеличении напряжения uкб коллекторный переход расширяется как и всякий обратно смещенный р-n-переход. В любом случае толщина базы уменьшается. Выходные характеристики для схемы с общей базой. Изобразим выходные характеристики для транзистора КТА рис.
Характеристика транзистора кт603
Запись опубликована Уютный мир. You can comment here or there. Принцип работы чаеварки и технические характеристики. Anonymous comments are disabled in this journal. Your IP address will be recorded.
Электротехническая продукция актуальные цены, быстрая отправка.
Характеристики транзистора кт603
Электрика-это просто!. Т ранзисторы КТ,2Т — кремниевые, маломощные, высокочастотные импульсные, структуры — n-p-n. Корпус металлостеклянный с жесткими выводами. Предназначены для применения в высокочастотных схемах. Маркировка буквенно — цифровая.
Транзистор КТ603Б
Рассмотрим характерные схемы включения транзистора и соответствующие характеристики. Приведенная схема включения транзистора в электрическую цепь называется схемой с общей базой, так как база является общим электродом для источников напряжения. Изобразим ее с использованием условного графического обозначения транзистора рис. Транзисторы традиционно характеризуют их так называемыми входными и выходными характеристиками. Входной характеристикой называют и график соответствующей зависимости это справедливо и для других характеристик.
Если посмотреть характеристики транзистора, то, он сохраняет линейность, при остаточном напряжении до В, если импульс тока не превышает.
Kitfort КТ-603
Перечень и количество драгметаллов которые можно извлечь из транзистора КТ Информация из справочников производителей. Справочник содержания драгметаллов золота, серебра, платины и МПГ в транзисторе с указанием его веса которые используются или использовались при производстве в радиотехнике. Содержание драгоценных металлов в транзисторе КТ
Характеристики Чаеварка KITFORT КТ-603
Сравнив статистику посещения сайта за два месяца ноябрь и декабрь года , в MediaTek выяснили, что число посетителей ресурса из России увеличилось в 10 раз, а из Украины? Таким образом, доля русскоговорящих разработчиков с аккаунтами на labs. Амбициозная цель компании MediaTek — сформировать сообщество разработчиков гаджетов из специалистов по всему миру и помочь им реализовать свои идеи в готовые прототипы. Уже сейчас для этого есть все возможности, от мини-сообществ, в которых можно посмотреть чужие проекты до прямых контактов с настоящими производителями электроники.
Транзистор КТ — структуры n-p-n, эпитаксиально-планарный, кремниевый.
Основное применение — высокочастотные переключающие и импульсные устройства.
Аналоги для кт603б
Для отправки комментария вам необходимо авторизоваться. Ваш IP: Отечественные транзисторы Принцип работы приемника прост, поэтому остановимся на его комплектующих. L1 — 26 витков
Автоматическая чаеварка KITFORT KT-603
Драгоценные металлы в транзисторе КТ согласно данных и паспортов-формуляров. Бесплатный онлайн справочник содержания ценных и редкоземельных драгоценных металлов с указанием его веса вида которые используются при производстве электрических радио транзисторов. Содержание драгоценных металлов в транзисторе КТ
Лот из 3 транзисторов NEC 2SK3326 NOS Транзистор японского производства
Etsy больше не поддерживает старые версии вашего веб-браузера, чтобы обеспечить безопасность пользовательских данных. Пожалуйста, обновите до последней версии.
Воспользуйтесь всеми преимуществами нашего сайта, включив JavaScript.
Нажмите, чтобы увеличить
Редкая находка
€11,76
Загрузка
Доступен только 1
Включая НДС (где применимо), плюс стоимость доставки
225 продаж |
5 из 5 звезд Внесен в список 22 февраля 2023 г.
Сообщить об этом элементе в Etsy
Выберите причину… С моим заказом возникла проблемаОн использует мою интеллектуальную собственность без разрешенияЯ не думаю, что это соответствует политике EtsyВыберите причину…
Первое, что вы должны сделать, это связаться с продавцом напрямую.
Если вы уже это сделали, ваш товар не прибыл или не соответствует описанию, вы можете сообщить об этом Etsy, открыв кейс.
Сообщить о проблеме с заказом
Мы очень серьезно относимся к вопросам интеллектуальной собственности, но многие из этих проблем могут быть решены непосредственно заинтересованными сторонами. Мы рекомендуем связаться с продавцом напрямую, чтобы уважительно поделиться своими проблемами.
Если вы хотите подать заявление о нарушении прав, вам необходимо выполнить процедуру, описанную в нашей Политике в отношении авторских прав и интеллектуальной собственности.
Посмотрите, как мы определяем ручную работу, винтаж и расходные материалы
Посмотреть список запрещенных предметов и материалов
Ознакомьтесь с нашей политикой в отношении контента для взрослых
Товар на продажу…не ручной работы
не винтаж (20+ лет)
не ремесленные принадлежности
запрещены или используют запрещенные материалы
неправильно помечен как содержимое для взрослых
Пожалуйста, выберите причину
Расскажите нам больше о том, как этот элемент нарушает наши правила. Расскажите нам больше о том, как этот элемент нарушает наши правила.
Радиопередатчик на логической микросхеме 5 км. Схема маломощного радиопередатчика. Звуковой передатчик своими руками (музыкальный передатчик)
Это достаточно мощный 2Вт FM передатчик, который обеспечит дальность до 10 км, разумеется, при хорошо настроенной полноценной антенне и в хороших погодных условиях, без помех. Схема была найдена у буржуев и показалась достаточно интересной и оригинальной, чтобы представить ее на ваш суд))
Чертеж платы FM-передатчика
Здесь транзисторы подключены по схеме мультивибратора, работающего на высоких частотах – около 100 мегагерц. Катушек как таковых нет, их роль выполняют полосковые проводники печатной платы. Это несколько упрощает сборку. Используйте антенну не менее метра для достижения максимальной дальности. Частоту передатчика можно регулировать в пределах 88-108 МГц с помощью конденсатора с5.
Варикапы ВВ204 можно заменить на обычные отечественные. Выберите для наилучшего качества модуляции звука.
Указанные на схеме ЧМ передатчика 2N3553 ВЧ транзисторы можно заменить на 2N4427 или 2N3866 . В крайнем случае используйте бытовые микроволновки, с хорошим запасом по частоте и мощности.
Простой шпионский FM-передатчик работает в диапазоне 88-108 мегагерц и позволяет передавать звуковой сигнал на любой радиоприемник в радиусе 100 метров. Устройство собрано на базе микросхемы MAX2606.
Вариант схемы с большим диапазоном
Встроенный генератор управляется звуковыми колебаниями. Номинальная частота колебаний задается индуктивностью L1 равной 390 нГн, что лежит в диапазоне около 100 МГц. Сопротивление R1 позволяет выбрать канал от 88 МГц до 108 МГц.
В качестве частотозадающей катушки можно использовать практически любую индуктивность. Его можно изготовить самостоятельно, намотав 8 — 12 витков медного провода 0,5 мм на оправку диаметром 5 мм.
Тонкую настройку с такой катушкой можно производить, сжимая или раздвигая катушки.
Схема трехтранзисторного радиопередатчика |
Схема питается от одного элемента напряжением 1,5 В; передача звуковых сообщений с микрофона М1 на расстояние 30-50 м.
Прием осуществляется на ЧМ-приемник в ЧМ-диапазоне 88…108 МГц. В качестве антенны использовался кусок изолированного провода длиной 20…30 см и диаметром 0,5 мм. L1 без рамки имеет 7 витков ПЭВ-0,35, намотанных на оправку диаметром 3 мм. Стандартный дроссель L2 индуктивностью 20 мкГн (можно намотать на резисторе МЛТ-0,25 сопротивлением не менее 100 кОм — 50 витков ПЭЛ-0,2).
Это достаточно простая схема радиожучка с малым энергопотреблением можно использовать для прослушивания разговоров в квартире или офисе, но на небольшом расстоянии 50-70 метров.
Чувствительности специализированного микрофона МКЭ-3 достаточно для детального распознавания шепота на расстоянии 4-5 метров от микрофона.
Дальность действия прибора около 50 метров (при длине антенны передатчика 30…50 см).
Схема проста в сборке в достаточно компактном исполнении, питается от радиопередатчика от маленьких батареек. Потребляемый ток такой конструкции составлял 3…4 мА. Частота радиопередачи 64-74 МГц, т.е. можно использовать обычный радиоприемник
Катушка L1 содержит 6 витков ПЭВ-2 0,5 мм и на каркасе диаметром 4 мм с шагом намотки 1 мм. Частоту радиопередачи жучка можно изменить, раздвинув витки катушки.
FM-радиопередатчик Micropower |
Данная радиосхема питается от одной батарейки 1,5 вольта, т.к. при радиоизлучении на частоте 88МГц всего 0,5мВт потребление 2мА. А дальность передачи достигает 30-50 метров.
Работа схемы жучка . Звуковые колебания от микрофона через разделительный конденсатор С1 попадают на варикап VD1, расположенный в контуре генератора, выполненного на полевом транзисторе.
При изменении значений емкости варикапа в зависимости от звукового сигнала происходит частотная модуляция генератора, и начинается радиопередача через индукционную катушку L1 и антенну.
В качестве антенны использовал кусок провода длиной двадцать пять сантиметров. L1 — 7 витков с отводом от третьего, а L2 всего один виток. Обе катушки бескаркасные, намотаны на рукоятку диаметром 4-5 мм проводом ПЭВ-2 0,44.
Этот FM-передатчик основан на варикапном генераторе и двухкаскадном усилителе мощности. При хорошей антенне — например, достаточно высоко расположенном диполе, передатчик имеет очень хорошую дальность — около километра, максимальная дальность до 5 км. принципиальная схема совсем не сложная — при небольшом опыте ее можно собрать своими руками за вечер. Показана миниатюра.
Принципиальная схема мощного вещательного FM-радиопередатчика
Чертежи печатной платы преобразователяТехнические характеристики радиопередатчика
- — Питание: 12-14 В, 100 мА
- — ВЧ мощность: 400 МВт
- — Полное сопротивление: 50-75 Ом
- — Диапазон частот: 87,5–108 МГц
- — Модуляция: широкополосная FM
Для настройки на максимальное излучение подключите вместо антенны лампочку 6 В / 0,1 А.
В первую очередь резистором R1 настройтесь на нужную частоту, при необходимости можно регулировать индуктивность катушки L1. Затем используйте подстроечные конденсаторы C18 и C19.для достижения максимальной мощности (яркий свет лампы). И только потом можно подключать антенну и аудиосигнал ко входу радиопередатчика. Отрегулируйте R2 так, чтобы звук был достаточно громким и качественным, как на других FM-радиостанциях.
можно заменить на отечественные, которые устанавливаются в телевизионные модули СК-В. Например КВ109 или КВ104. Транзистор БФР96 — КТ610. Остальные — КТ368. Дальнейшее увеличение дальности возможно с помощью дополнительного .
Схема и фото самодельного УВЧ мощностью 50 ватт, предназначенного для вещания FM-радиостанций. |
Простая и легко исполняемая схема, критичность деталей не требуется. Да и раскачать можно приличную «мощность».
Прием на обычный FM-приемник.
ТЕХНИЧЕСКИЕ ДАННЫЕ.
Диапазон—————————————(88-108 МГц).
Модуляция———————————— (AM)
Мощность———————————— (>200 мВ)
Питание————————————— (9в.)
Габариты——————————————зависит от запчасти
Пробег————————————— (1км по городу) 2км нива.
ДЕТАЛИ.
R1,R3,R4 — 4.7K
R2 — 100K
R5-10K
R6-270
R7-75K
C1,C2 — 3.3MK
C3-6800
C4-22
C5-020 61070 9007 -3-25
С8-6.8
Т1,Т2 — КТ-315, КТ-312Б
Т3 — КТ603Д.
МК — МКЭ-332
Л1 — 5Вт. Л2 — 2Вт. Л3-5Вт. (D-0,5мм) L4 – 10Вт (D-0,3мм)
Стабильность и мощность сильно зависят от расстояния между катушками L1 и L2, расстояние подбирается опытным путем.
ПЕЧАТНАЯ ПЛАТА.
Плата двусторонняя, «кинуть» + на дно, это будет противовес.
СОВЕТЫ ПО НАСТРОЙКЕ.
Производите настройку на деревянном столе, без металлических предметов и радиоустройств, вдали от компьютера.
Включить р/м, поднести волномер к катушке генератора, настроить конденсатор волномера на максимум прибора.
Если отклонения стрелки нет, проверьте монтаж, питание, попробуйте заменить транзистор генератора. Если есть значительное отклонение, генератор работает. Теперь включите приемник и пройдитесь по всему диапазону, может быть в нескольких точках есть подавление, затем уберите приемник более чем на 3 метра и пройдите еще немного. Так вы сможете найти истинное излучение, а не гармонику. Очень хорошо это делать с приемником, у которого на светодиоде есть индикатор точной настройки. Выключите питание, подавление исчезнет, будет эфирный шум. Если слышна радиостанция, сдвиньте настройку, иначе она будет мешать работе р/м, у него больше мощности!
Перестройку генератора можно произвести, изменив емкость цепи или изменив расстояние между витками катушки цепи. Поверните емкость диэлектрической отверткой, можно сделать ее из эбонита, оргстекла или твердой древесины.
Очень важно подобрать транзистор генератора, верхний предел частоты транзистора должен быть в два раза больше рабочей частоты.
И он должен быть стабильным в работе, иногда приходится менять несколько штук.
Если р/м с усилителем мощности, делать все так же, с начала генератор, потом усилитель мощности.
Теперь поднесите р/м к антенне, она должна быть больше, чем указано, и медленно протяните волномер с конца. Отметьте самое сильное отклонение стрелки и обрежьте в этом месте.
Между генератором и усилителем мощности можно поставить экран (припаять полоску жести) и заземлить.
Антенну можно сделать из тонкого коаксиального кабеля с использованием кабеля в оплетке. Можно намотать монтажную проволоку на спицу, получится спиральная антенна, в этом случае она будет короткой и очень эффектной. Либо можно припаять дугу (4) на плату, тоже нормально, антенну не будет видно.
Катушки схемы хорошо делать из посеребренной проволоки, КПД лучше. Сделайте концы транзисторов как можно короче.
Можно, конечно, сделать печатный монтаж, но лучше взять двустороннюю плату, нижняя сторона будет экраном (противовесом), а на верхней стороне можно навесным способом собрать.
Далее можно использовать детали любого размера, собрать компактную схему, нарезать дорожки резаком из ножовочного полотна.
В конце проверить на расстояние, если оно не большое, повторить все еще раз.
После окончательной настройки залить катушки контуров воском, вбить в корпус
Питание р/м, естественно, должно быть не менее 6 вольт, чем больше мощность, тем больше мощность. Вы теряете в размере, вы выигрываете в расстоянии.
Схема простого волномера. (В. Полякова)
фото 1. Фото сборки, где монтаж производится навесным способом, во-первых, проще паять и детали разного размера можно компактно склепать.
— Для улучшения работы усилителя ВЧ можно включить высокочастотный дроссель, дроссель намотан проводом ПЭВ-0,4мм на оправке диаметром 2,5мм и содержит 60 витков.
— При настройке выключите излучатель Т3 и настройте частоту на приемник, затем подключите излучатель и отрегулируйте мощность по полевому индикатору.
Дальность значительно увеличится, если выход подключить к антенне «ОБОЛОЧКА»
(Основой антенны «ОБОЛОЧКА» является изоляция коаксиального кабеля, центральная жила вынута.
)
Радиопередатчик, схема которого представлена на рисунке ниже, работает на частоте 88-108 МГц, дальность передачи радиосигнала от 1 до 5 километров в зависимости от конструкции схемы.
В схеме используются широко доступные электронные компоненты. Схема питается от любого источника питания 9В, это может быть аккумулятор КРОНА или сетевой блок питания.
На первом транзисторе собраны задающий генератор и модулятор. Высокая мощность радиопередатчика достигается за счет применения дополнительного каскада усиления мощности ВЧ, собранного на транзисторе КТ610, и предшествующего ему каскада усиления ВЧ, собранного на транзисторе КТ315.
Если такая мощность передатчика не нужна, то схему можно значительно упростить, исключив каскад усиления ВЧ сигнала, этот каскад выделен на схеме синим блоком. В этом случае подключаем антенну к среднему отводу катушки L3. Таким образом, мощность радиопередатчика уменьшится и его дальность составит 800м — 1км.
Если нужна дальность порядка 50-200 метров, то можно исключить оба каскада усиления ВЧ на транзисторах КТ610 и КТ315, оставив только задающий генератор на первом транзисторе (обведен серым прямоугольником).
Катушка L2 в этом случае уже не нужна, подключаем антенну через конденсатор 5-10 пФ к транзисторному коллектору в задающем генераторе.
#24 Андрей 17 марта 2015
а есть схема конкретно для круглосуточного вещания на 3-5 км, но с четко зафиксированной волной (чтобы не гуляла и не было проблем с сигналом на приемниках)?
#25 Константин 08 июня 2015
Есть ли схема аналогичного по мощности, но более стабильного передатчика с варикапом?
Вещаю из дома на дачу, надоело бегать и настраивать. Соседи одобряют идею и тоже просят стабильности. Получается забавно: они дома настраивают приемник, я танцую с бубном вокруг передатчика, и мы вместе снова вместе настраиваем наши приемники. Через некоторое время снова по кругу.
#26 корень 09 июня 2015
Вот радиопередатчик с выходной мощностью 100-200 мВт и с варикапом: Схема мощного радиопередатчика с ЧМ на 65-108 МГц.
Также добавим, что для того, чтобы частота не плавала и передатчик работал стабильно, нужен качественный, хорошо стабилизированный источник питания.
№ 27 NULL 16 июня 2015 г.
Здравствуйте, прошу совета
Собрал этот передатчик в варианте с первыми двумя каскадами, «заработал» почти сразу.
Во-первых, конструктивный вопрос: две катушки по 3 витка, образующие L3, как их расположить? На одной оси рядом друг с другом или параллельно друг другу? Я поставил на одну ось.
Теперь вопрос на работе: как проверить работоспособность второй ступени? Проблема в том, что передатчик работает, но очень слабо, дальность получалась 1-2 метра, то есть помехи. Частота заметно меняется. В качестве приемника использую смартфон с наушниками.
Т.к. источник линейный, то резистор 2к выкинул, конденсатор вместо 5мкф поставил 0,22мкф керамика, вместо резистора 100к поставил 75к, а от него 100к на землю.
Вместо конденсаторов 120пф поставил 100пф.
Важный момент: все конденсаторы постоянные. Перестраиваю частоту, вкручивая сердечник в пластиковую рамку L1.
Установил найденные мною транзисторы с частотой более 100 МГц: 1-й каскад — 2SC1740, 2-й каскад — 2SD667.
Антенна — кусок провода 30 см. Питание — батарея 12В.
Наблюдения следующие: общее потребление схемы оказалось 7-8 мА, что как бы мало. Если дотронуться рукой до антенны, то генерация срывается, а я этого не понимаю, потому что антенна подключена ко второму каскаду, и вроде бы не подает признаков жизни. Резистор во втором каскаде переменный до 1МОм, его вращение ни на что не влияет. Транзистор холодный. До пайки работал на 100% с hfe 130.
Что-то в этом роде. Так как первый каскад, если его не трогать руками, стабильно генерирует, то, думаю, нужно копать в сторону второго. Какой совет вы бы дали? Почему диапазон 1-2м оказался таким маленьким даже для первой ступени, неужели из-за того, что антенна подключена ко второй?
Обидно, но я не понимаю, как работает второй каскад. Что влияет на емкость подстрочного конденсатора в нем? Так что я почти полный 0 в этих _радио_ делах.
#28 корень 17 июня 2015
Обе части катушки L3 расположены на одной оси, вы все сделали правильно.
Перед настройкой второго каскада выключите его полностью и настройте первый каскад с генератором так, чтобы сигнал от него передавался на несколько десятков метров.
Подключение к линейному выходу, как вы писали, может вызвать помехи и потерю излучаемой мощности. Добиться стабильной работы генератора необходимо подбором резисторов, которые вы подключили к базе.
Можно попробовать собрать первую ступень по этой схеме и подключить к ней вторую ступень для увеличения мощности ВЧ.
Так же для улучшения ситуации можно попробовать собрать дополнительный НЧ каскад на транзисторе, а уже к нему подключить источник сигнала.
Вкручивать сердечник в рамку L1 — не лучшая идея, все же попробуйте достать где-нибудь подстроечный конденсатор и проверить работу с подстройкой через него.
При питании от 12В попробуйте увеличить сопротивление резистора в цепи питания генератора (380 Ом).
Проверьте транзистор во втором каскаде — возможно он уже сгорел, для экспериментов можно впаять новый и вставить в эмиттерный промежуток резистор сопротивлением около 200-300 Ом, когда второй каскад начнет работать, вы выберет наиболее подходящее сопротивление.
№ 29 NULL 17 июня 2015 г.
Спасибо за комментарии.
Да я запутался, вы правы насчет разделения первого каскада — с этого и начну. Давно собирал аналогичный 1-транзисторный передатчик, по вашей ссылке, работал в пределах квартиры и я им пользовался, но когда отнес в частный дом, оказалось, что мощности не хватает: на участке, за стенами дома сигнал был уже с помехами. Недавно мне снова понадобился передатчик, и я решил попробовать эту схему из 2-3 транзисторов.
Как только будет время, попробую поэкспериментировать: выкрутить сердечник, впаять контурный конденсатор большего размера (без сердечника частота выше 108МГц). Забыл написать, что вместо резисторов на 300 и 380 Ом использовал 330 Ом. В эмиттере думаю не критично, а вот питание попробую увеличить. Хорошо, я буду играть с высоким сопротивлением.
Кстати, а какова функция конденсатора на 120 пФ, который подключен к базе первого транзистора? Нужен ли он в линейном варианте как источник сигнала?
#30 Андрей 23 августа 2015
Передатчик собрал только с генератором.
Мощность радует ->=30м с учетом стен. Но были замечены гармоники (даже в заявленном диапазоне). Искал истинную частоту по помехоустойчивости и мощности. Таких частот я нашел около трех (искал на расстоянии) в диапазоне 64-108 МГц (самая стабильная и возможно верная была ниже заявленной в описании частоты). Пробовал прокручивать конденсаторы и резистор, ставить генератор в коробку из металла припаянную к минусу (экрану) и без. Гармоники остаются. Рядом с катушкой нет деталей, кроме субконденсатора. Питание — батарея 10v (с сетью, хоть и с простым стабилизатором, но фон сильный), хотя с батареей немного слышен фон, когда шнур питания рядом. Конденсатор на входе 0,33мк слюдяной. Резистор 2к брошен назад (как линейный вход). Монтаж на плату с прорезанными дорожками (зазор между ними около 0,5мм. Ваши рекомендации?
#31 роман 14 ноября 2015
хорошая схема кто может выслать плату и детали?
№ 32 от 01 марта 2016 г.
Я впаял передатчик на макетную плату на первых двух каскадах этой схемы.
Точнее схема первого каскада (генератора) взята для варианта линейного входа, а не для микрофона. Почти все номиналы элементов у меня немного отличаются. Но не суть.
На первом этапе 2н3904. Сначала настройте его. Максимум чего удалось добиться, так это уверенный прием через 1-2 стены. Потребляемый ток 8 мА.
Далее повесил и настроил второй каскад, транзистор КТ603Б. Уверенный прием стал по всей квартире (через 4 стены).
А теперь вопрос. Потребление схемы получилось сразу 150мА (с резистором 90кОм в базе), питание от аккума 12В. Это 1,8 Вт мощности. Я прекрасно понимаю, что такое 1,8 Вт мощности и понимаю, что КТ603 должен вскипеть и умереть. Но этого не происходит. Его температура около 40 градусов. Вопрос: большая часть мощности уходит в излучение? Получается, что выходная мощность передатчика у меня в районе 1-1,5Вт? Как-то неожиданно много для такой простой схемы.
Дальность не проверял, т.к. требуется только в пределах квартиры.
И еще вопрос: как подобрать оптимальную длину антенны? Пробовал разные от 15см до 1м и заметил что длина немного влияет на нагрев транзистора.
#33 корень 01 марта 2016
Для удобной настройки можно собрать схему волномера. Поднести на короткое расстояние антенну волномера к антенне радиопередатчика и настроить П-контур передатчика или согласующего устройства на антенну, добиваясь максимальных значений в показаниях волномера.
На схеме (рис. 1) согласование антенны выполняем с помощью конденсатора, который подключается к катушкам L7, L8, а также изменяя расстояние между витками этих катушек.
Передатчик нельзя включать без нагрузки (антенны или ее аналога) — может сгореть выходной транзистор.
В вашем случае ток потребления вполне приемлемый, на всякий случай можно установить небольшой радиатор на транзистор. Мощность, потребляемая схемой, не равна мощности, излучаемой в антенну, этому способствуют потери на нагрев, режим работы транзистора, тип антенны и т. д.
№ 34 от 01 марта 2016 г.
Спасибо за ответ! Будет ли работать КД522 вместо КД510? Или лучше сразу поискать 1n4148?
Насчет мощности — ну я прикинул, что если общее потребление 1,8 Вт, а единственный мощный элемент греется слабо, то большая его часть (1-1,5 Вт) уходит в излучение, т.
к. греться там больше нечем, а надо куда-то идти. Кстати, корпус КТ603 похож на старый МПшек, поэтому радиатор можно только припаять к нему.
Еще такой вопрос. В большинстве случаев в качестве антенны советуют поставить кусок коаксиального провода. Почему? Я использую куски простых проводов — чем они хуже?
№ 35 POPS 07 марта 2016 г.
Подскажите, насколько критична емкость развязывающего конденсатора в базе второго транзистора, который в схеме 120пФ, с чем это связано?
если поставить пленку 1нф или даже 10нф, станет ли звук лучше? но это какое-то дерево
#36 Алексей 06 января 2017
А микрофон можно заменить на км 70??????, или китайский полярный?
#37 корень 06 января 2017
Можно использовать любой электретный или конденсаторный микрофон (со встроенным транзисторным усилителем). Китайская полярка от магнитофона — это электретный микрофон.
#38 Александр Соглашатель 09 октября 2017
У меня возникла идея по первой схеме: объединить транзисторы VT1 и VT2 в одну транзисторную сборку 1NT591.
И дополнительно повесить мощный каскад на тот же КТ610, чтобы приклад не треснул поперек от усилия.
#39 Александр Соглашатель 09 октября 2017
Re: #25 Андрей 10.03.2015 Попробуйте составить схему [Шустов М.А. Практическое схемотехника: 450 полезных схем радиолюбителям: Книга 1. Алтекс-А: М., 2001. — С.125. рисунок 13.11], или [там же. — С.128. рисунок 13.16] для видеотрансляции. Подробнее: [ж. Радио. 10/96-19] и [ф. Радиолюбитель. 3/99-8] соответственно.
#40 Данила 17 января 2019
Здравствуйте, прошу прощения за такой глупый вопрос. Чем можно заменить кт610? можно поставить кт9180, мощнее будет?
#41 корень 17 января 2019
Даниил, этот вопрос уже задавали в комментариях. У КТ9180 граничная частота коэффициента передачи тока составляет примерно 100 МГц; он не подходит для использования в этой схеме.
#42 Данила 05 февраля 2019
Большое спасибо, не смотрел частоту кт9180 и вообще не ожидал получить ответ. Но у меня есть еще несколько вопросов:
1.
Что делать с землей, раньше я думал, что земля =-, но погуглив, понял, что это не так. Где-то в комментариях читал, что заземление нужно подключать к корпусу для экранировки. Я совсем запутался, что.
2. тот же вопрос про КТ610, можно ли его заменить на BFG135? Это СВЧ n-p-n SMD. Если да, то нужно ли его крепить на радиатор?
3. В комментариях вы посоветовали собрать 1 каскад по этой схеме, чтобы использовать аудиовход, и тут у меня возник вопрос — как его подключить по этой схеме? Большое спасибо за вашу заботу и заботу.
#43 корень 06 февраля 2019
Монтаж этой цепи лучше производить сразу, с учетом полного экранирования и разделения ее частей экранирующими перегородками. Собрать схему на «заплатке» можно по методике С. Жутяева, описание и примеры с фото есть в статьях и комментариях к ним:
- Проект любительской УКВ радиостанции для диапазонов 144МГц, 430МГц, 1200МГц
- Схема УКВ приемника прямого преобразования для диапазона 144 МГц
При таком монтаже все соединения выполняются на заплатах и поверхностном монтаже.

