Почему мигает светодиод режима ожидания на Sony Trinitron KV-40XBR800. Как определить причину неисправности по количеству миганий. Какие микросхемы чаще всего выходят из строя. Где купить запчасти для ремонта. Как самостоятельно заменить неисправные компоненты.
Причины мигания светодиода режима ожидания на Sony Trinitron KV-40XBR800
Владельцы телевизоров Sony Trinitron серии KV-40XBR800 нередко сталкиваются с проблемой, когда при попытке включения устройство не запускается, а светодиод режима ожидания начинает мигать. Количество миганий может варьироваться от 3 до 7 раз. Что означает такое поведение телевизора?
Мигание светодиода — это диагностический код, указывающий на конкретную неисправность. Наиболее распространенные варианты:
- 4 мигания — проблема с высоким напряжением
- 5 миганий — неисправность в цепи горизонтальной развертки
- 6 миганий — неисправность в блоке питания
- 7 миганий — проблема с микросхемами управления питанием
При этом количество миганий может меняться при повторных попытках включения. Это говорит о нестабильной работе компонентов и затрудняет точную диагностику.

Наиболее вероятная причина неисправности
По опыту владельцев и ремонтников, в большинстве случаев проблема связана с выходом из строя микросхем MCZ3001D на плате блока питания. Это подтверждается тем, что после замены этих микросхем телевизор, как правило, возвращается в рабочее состояние.
Микросхемы MCZ3001D отвечают за управление питанием и являются довольно проблемным компонентом в телевизорах Sony того поколения. Со временем они теряют свои свойства и начинают работать нестабильно, что и приводит к описанным симптомам.
Где найти микросхемы MCZ3001D для замены?
Оригинальные микросхемы MCZ3001D уже сняты с производства. Вместо них рекомендуется использовать улучшенную версию MCZ3001DB. Их можно приобрести:
- В специализированных магазинах электронных компонентов
- На радиорынках
- В интернет-магазинах (например, eBay или AliExpress)
Однако при покупке на интернет-площадках есть риск нарваться на подделку. Некоторые владельцы сообщают о проблемах с микросхемами, купленными на eBay — вплоть до их возгорания при установке. Поэтому рекомендуется заказывать компоненты у проверенных продавцов.

Как самостоятельно заменить микросхемы MCZ3001D
Замена микросхем MCZ3001D — достаточно сложная процедура, требующая навыков пайки и работы с электроникой. Если вы решили провести ремонт самостоятельно, следуйте этому алгоритму:
- Отключите телевизор от сети и подождите не менее суток для разрядки конденсаторов
- Снимите заднюю крышку телевизора
- Найдите плату блока питания (обычно она имеет маркировку D-board)
- Выкрутите крепежные винты и аккуратно отсоедините разъемы
- Найдите на плате микросхемы MCZ3001D (обычно их две)
- Выпаяйте старые микросхемы, используя паяльную станцию и оплетку для удаления припоя
- Установите в освободившиеся места панельки для микросхем
- Впаяйте новые микросхемы MCZ3001DB в панельки
- Установите плату на место, подключите разъемы
- Проверьте работу телевизора
Использование панелек облегчит замену микросхем в будущем, если проблема повторится.
Возможные сложности при ремонте
Основная сложность ремонта Sony KV-40XBR800 связана с его огромными габаритами и весом. Телевизор весит более 130 кг, что сильно затрудняет его перемещение. Многие владельцы отказываются от ремонта именно по этой причине.

Если у вас нет возможности отодвинуть телевизор от стены, попробуйте следующее:
- Снимите заднюю крышку, не двигая сам телевизор
- Освободите защелки, удерживающие плату блока питания
- Сдвиньте плату назад на 10-15 см для получения доступа
Это позволит провести ремонт, не перемещая весь телевизор.
Стоит ли ремонтировать Sony KV-40XBR800?
Несмотря на проблемы с надежностью, Sony KV-40XBR800 остается одним из лучших ЭЛТ-телевизоров, когда-либо выпускавшихся. Его основные преимущества:
- Огромный 40-дюймовый экран
- Отличное качество изображения
- Поддержка HD-разрешения
- Мощная аудиосистема
Если вы цените аналоговое качество изображения, ремонт KV-40XBR800 определенно имеет смысл. Современные LCD и OLED-телевизоры до сих пор не могут превзойти ЭЛТ по некоторым параметрам.
Альтернативные варианты ремонта
Если вы не уверены в своих силах или не хотите рисковать с покупкой микросхем сомнительного качества, есть альтернативные варианты:
- Обратиться в специализированный сервисный центр
- Найти мастера, который сможет провести ремонт на дому
- Купить уже отремонтированную плату блока питания
Последний вариант особенно удобен, так как не требует разборки телевизора и пайки. Достаточно просто заменить старую плату на новую.

Заключение
Мигание светодиода режима ожидания на Sony KV-40XBR800 — распространенная проблема, которая в большинстве случаев решается заменой микросхем MCZ3001D. Хотя ремонт сопряжен с определенными сложностями, он позволяет вернуть в строй один из лучших ЭЛТ-телевизоров в истории.
Если вы решили взяться за ремонт самостоятельно, тщательно изучите инструкции и соблюдайте меры предосторожности при работе с высоковольтными цепями. В случае сомнений лучше обратиться к специалистам.
Починка Sony Wega с кодом мигания 6 или 7
Однажды я вернулся домой и обнаружил, что наш телевизор Sony Wega (модель KV34HS420) больше не работает. Он реагировал на пульт и начинал включаться, но потом издавал щелчок и сам выключался до того, как на экране появлялась картинка. После этого светодиод режима ожидания/таймера продолжит мигать 6 или 7 раз. Этот мигающий светодиод является диагностическим кодом, но его описание потенциальной проблемы не имеет большого значения. После прочтения нескольких десятков сообщений по этой проблеме начала проявляться закономерность, которая вселила в меня надежду, что я смогу починить ее самостоятельно.
Мы приобрели этот телевизор в 2005 году, когда еще не было принято решение о том, какая технология плоскопанельного телевизора в конечном итоге заменит проверенную технологию ЭЛТ. В то время у ЖК-дисплеев и плоских плазменных дисплеев все еще были проблемы с углом обзора и надежностью, и они стоили в 2 или 3 раза дороже, чем модели с ЭЛТ эквивалентного размера, поэтому мы просто решили заменить наш 15-летний ЭЛТ-телевизор Sony на ЭЛТ-телевизор.
современный ЭЛТ-телевизор с поддержкой HD. Я надеялся получить 15 лет или больше от этих инвестиций в 1500 долларов, прежде чем отправить их на свалку. В конце концов, это была SONY, а не какой-то безымянный бренд, который, как я ожидал, потерпит неудачу всего через несколько лет. А ламповые телевизоры обычно служат очень долго. У меня есть один в моем подвале, я купил в 1985 до сих пор работает нормально.
Этот телевизор имеет отличное качество изображения и не имеет ограничений по углу обзора, кроме его размера и веса, я считаю, что он намного лучше, чем то, что было доступно в то время с плоскопанельными технологиями. Его динамики обеспечивают превосходное качество звука, гораздо более приятное, чем жестяной звук, издаваемый некоторыми тонкими, как бритва, плоскими панелями. Он расположен в углу и поэтому занимает не больше места, чем плоский дисплей эквивалентного размера. Итак, спустя всего 6 лет, я задавался вопросом, нужно ли его заменить или я могу это починить. После достаточного количества чтения форума я обнаружил, что этот код мигания 6 или 7 светодиодов был довольно распространенной проблемой, наряду с распространенным решением, а именно заменой интегральных схем MCZ3001DB, известных как IC8002 и IC6501, на плате «D».
Этот чип функционально идентичен его более ранним версиям, известным как MCZ3001D или MCZ3001DA. На форумах было много людей, описывающих свои успехи в ремонте, но фотографий этой процедуры не существовало, отсюда и причина этой публикации в блоге. Кроме того, уровень сложности и объем работы не были четко описаны, поэтому я надеюсь объяснить и показать, что я сделал, чтобы читатель мог определить, соответствует ли его или ее уровню навыков попытка этого ремонта.
Этот телевизор весит 200 фунтов. Я не хотел снимать его с подставки. К счастью, можно было снять всю заднюю панель, просто открутив все винты и сдвинув ее. Шурупов очень много, около десятка по периферии телевизора и еще несколько на задней панели, но, к счастью, это работа одного человека, хотя помощник не помешал бы, потому что корпус, хотя и изрядно легкий, громоздкий. Снятие корпуса открывает доступ к плате «D».
Открутив около 17 винтов, можно снять заднюю панель.
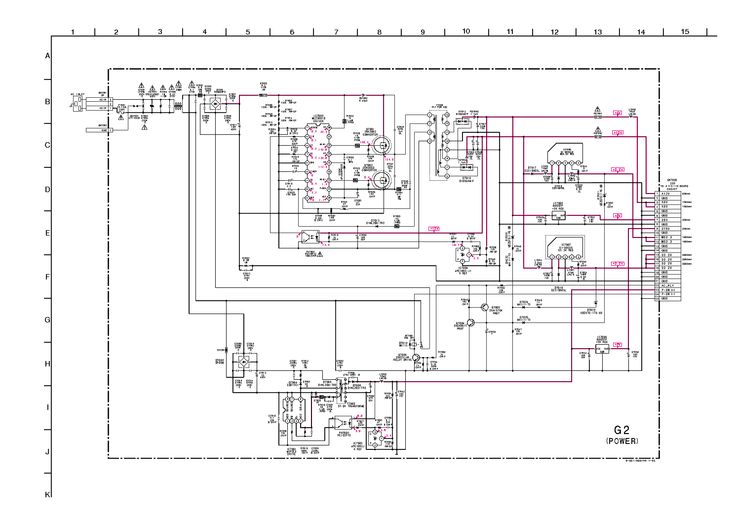
Плата «D» показана на рисунке ниже.
Я должен упомянуть, что перед тем, как снять крышку, вы должны отключить телевизор и дать ему несколько часов, чтобы рассеялось высокое напряжение, чтобы избежать опасности поражения электрическим током. Лучше всего отключить его и подождать ночь, так как если телевизор не работает, нет необходимости, чтобы он оставался подключенным к сети.
Плата D, показанная выше, удерживается примерно 8 винтами.
Было неясно, как снять плату и нужно ли будет отсоединять все соединения проводов. Некоторые разъемы можно было легко снять, но 3 высоковольтных провода, которые подключаются к ЭЛТ, не имеют легко отсоединяемых соединений. В конце концов я понял, что мне вообще не нужно было удалять эти провода. Есть ряд разъемов, которые необходимо перевернуть вверх, чтобы отсоединить плату «D» от соседней платы. Сначала было неясно, как они работают, но если вы нащупаете фланец, вы можете потянуть их вверх, они отщелкнутся и повернутся вверх 90 градусов, как разводной мост. На двух разъемах были защелки, которые требовали нажатия на рычаг, чтобы разблокировать их, прежде чем они выйдут.
Я отсоединил все другие кабели, которые смог найти, открутил около 8 винтов, и плата вышла достаточно далеко, чтобы я мог повернуть ее в положение, в котором я мог получить доступ к нижней части платы. Пришлось коротенькой отверткой открутить один винт, который был далеко впереди, спрятан между двумя разъемами и как раз под ЭЛТ. Чтобы сделать это проще, вы заметите, что есть два пластиковых крючка, по одному на каждой стороне лотка, к которым крепятся платы, которые вы можете разблокировать, что позволяет всем печатным платам скользить назад примерно на 4 дюйма. Это облегчает доступ к переднему винту, хотя вам все равно понадобится эта короткая отвертка. (С тех пор я добавил изображения защелки и платы, сдвинутой назад в конце этой статьи.) После того, как вы выкрутите все винты, плата все еще удерживается несколькими пластиковыми зажимами на краю, которые вы можете отогнуть. немного, чтобы освободить доску. Плата все еще была связана высоковольтными соединениями, но я смог зафиксировать ее «на месте», перевернув, как показано на изображении ниже.
Нижняя часть платы Sony ‘D’ показана повернутой в ремонтном положении. Обратите внимание, что нет необходимости отсоединять провод с изолятором в виде присоски.
Отпаять две микросхемы несложно, если использовать подпружиненную присоску для припоя, как показано ниже. Не тратьте время впустую, пытаясь использовать фитиль для припоя или присоску для припоя в виде лампочки для отпайки чипов. Найдите видео на YouTube со словом «отпайка», если вы никогда раньше не отпаивали микросхему, чтобы увидеть, как это работает. Кроме того, убедитесь, что паяльник маломощный и не слишком горячий, чтобы не повредить медные дорожки.
Подпружиненный насос/присоска для припоя лучше всего подходит для удаления припоя.
Крупный план IC6501 и IC8002 снизу платы. Обратите внимание, что каждая микросхема имеет два непропаянных контакта.
НЕ припаивайте контакты 13 и 17. Если вы используете розетку, лучше отрезать ножки в этих отверстиях от розетки.
Имейте в виду, что у каждого чипа два контакта не припаяны к плате.
Это нормально, поэтому не пытайтесь припаять эти контакты, иначе исправление не сработает. Обратите внимание на ориентацию чипов, так как на одном конце есть выемка, обращенная к ближайшему краю платы. Вы НЕ хотите устанавливать чипы в обратном порядке. Кроме того, не припаивайте новые микросхемы непосредственно к плате. Используйте сокеты на случай, если вам когда-нибудь снова понадобится этот ремонт, поскольку большая часть работы приходится отпаивать эти микросхемы. Если бы они изначально были вставлены в сокеты, вы могли бы заменить их, не припаивая и даже не снимая D-плату.
Я не знал, как лучше всего приобрести микросхемы, так как участники форума упоминали о покупке их на Ebay, где есть несколько китайских поставщиков, предлагающих микросхемы MCZ3001DB, но сроки доставки из Китая значительно различаются и могут занимать от 10 дней. до 3 недель. Поставщиком, которого я выбрал, был TriState Module, потому что мне нужна была компания из США. Они прислали мне пару микросхем примерно за 20 долларов, включая стоимость доставки.
Однако у них больше нет этих запчастей в наличии, и их становится все труднее найти. Мне также понадобилась пара 18-контактных DIP-разъемов, которые я нашел в местном магазине Radio Shack за 0,59 доллара.каждый. Они выглядят так же, как детали слева на изображении ниже:
После замены микросхем на разъемы вам необходимо установить сменные микросхемы. Скорее всего, неисправен только один из чипов, но поскольку вы не будете знать, какой именно, лучше просто заменить их оба. Необходимо сжать штифты вместе, чтобы ножки совпали с отверстиями в гнездах. Ножки этого типа ИС по умолчанию раздвинуты, поэтому они не будут автоматически выравниваться, если вы предварительно не согнете их немного внутрь, чтобы совместить с отверстиями в сокете. Внимательно осмотрите микросхемы после их установки, чтобы убедиться, что все ножки вошли в сокет, а небольшой полукруглый вырез на конце микросхемы обращен к ближнему краю платы, как показано на фотографии ниже.
IC8002 и IC6501 установлены в новые гнезда.
После повторной установки платы и подключения всех кабелей было бы неплохо протестировать ее, чтобы убедиться, что ремонт работает, прежде чем переустанавливать крышку. Если вы открыли лоток и сдвинули платы назад, чтобы упростить доступ, вам нужно будет вернуть их на место, иначе пульт дистанционного управления и кнопка включения/выключения не будут доставать до платы. Если повезет, ваш телевизор снова заработает, и вы избежите преждевременной поездки на свалку. Я не могу гарантировать, что это исправление сработает для вас, но на форумах существует единодушное мнение, что оно часто устраняет проблемы с 6 или 7 мигающими кодами на моделях ЭЛТ с плоским экраном Sony Wega.
Ремонт показался мне средней сложности, и результат меня очень порадовал, когда телевизор снова включился. Наш телевизор работает как новый уже более 2-х лет, и если это когда-нибудь случится снова, я мог бы легче это исправить благодаря установленным розеткам. Было приятно воскресить телевизор с отличным качеством изображения и звука и, надеюсь, в нем осталось много жизни.
И, если это не сработает для вас, возможно, лучшим вариантом будет приобретение одного из этих новых улучшенных телевизоров с плоским экраном. 🙂
[ОБНОВЛЕНИЕ 2013-11-15] Ранее я упоминал о сложности поиска и удаления одного из винтов под ЭЛТ. Некоторые из этих телевизоров, в том числе модель, которую я отремонтировал, имеют набор защелок, которые позволяют освободить плату и держатель и сдвинуть их назад примерно на 4 дюйма, чтобы облегчить доступ к этому винту. Вы можете увидеть это на изображениях ниже:
Плата D и ее держатель имеют защелки с обеих сторон, которые можно поднять, чтобы сдвинуть сборку назад примерно на 4 дюйма.
D-плата сдвинулась на 4″ в ремонтное положение.

Я увидел три различных режима работы светодиодов в режиме ожидания: сначала несколько раз, четыре вспышки; позже равными частями пять вспышек и шесть вспышек. Возможно, видел семь вспышек один или два раза. Ни высокого напряжения, ни звука. Когда я получил этот набор, первое, что я сделал, это открыл его и тщательно почистил. Ничто не выглядело плохим, старым или изношенным. Я ОЧЕНЬ надеюсь, что смогу это исправить. Я люблю, люблю, ОБОЖАЮ этот телевизор… :worried:
Новые микросхемы — MCZ3001DB. Предполагается, что это улучшенная версия. Купите хотя бы три, так как наборы требовательны к ним. Они не взрываются, но если набору не понравится один из новых, он не включится, просто моргнет.
Конечно, в динамиках были неэкранированные магниты, и это нарушило бы чистоту. Я пошел проверить, не у одного ли теневая маска была повреждена магнитами. У одного покупателя маленький ребенок использовал один из тех старых «Магнитов-монстров» на лице. Он втянул теневую маску в фосфор. 

.. И, видимо, Sony играл в игры с их наличием. Я думаю, потому что они такие большие и дорогие. Сообщается, что они сделали 43-дюймовую версию монитора для телестудии, которая никогда не предлагалась широкой публике… Я ДУМАЮ, что вы могли бы купить небольшой ДОМ за такую чертову цену…
.. 

.. и его очень трудно передвигать, даже на короткое расстояние. Поэтому я не хочу его перемещать… набор был привередливым насколько это работает, но при наличии терпения он срабатывает с правильным временем ожидания между попытками (+/- ~1 час)
Кино положи это, лодочные якоря и гигантские телевизоры… Старикам тут не место..(усмехается)
Я скоро куплю необходимые микросхемы и разъемы MCZ3001DB, а также припой и/или фитиль, но мне очень не хочется двигать телевизор и разбирать его. Вы думаете, что я наношу набору какой-либо ущерб, продолжая использовать его в его нынешнем состоянии?
фунты 8 унций
Я так устал от контрафактных частей!
Моя верная катушка размагничивания позаботилась об этом. И у меня есть оригинал для повторного использования после того, как я когда-нибудь поменяю микросхему.
Я просто не могу сам отодвинуть комплект, поэтому ремонт затянулся до тех пор, пока я не смогу убрать его от стены. 😛
Большинство чипов являются подделками или просто не работают. Попробуйте найти желательно новую плату D или плату питания. Работал на моем в течение года, прежде чем я купил немного подержанную отремонтированную плату. Играет каждый день с февраля прошлого года. Теперь, если бы я только мог избавиться от всех искажений геометрии.
