Что такое электронная нагрузка. Какие бывают типы электронных нагрузок. Для чего используются электронные нагрузки. Как выбрать электронную нагрузку. На что обратить внимание при выборе электронной нагрузки.
Что такое электронная нагрузка и для чего она нужна
Электронная нагрузка — это устройство, предназначенное для тестирования и проверки различных источников питания путем имитации реальной нагрузки. Она позволяет контролируемо нагружать блоки питания, аккумуляторы, солнечные панели и другие источники тока или напряжения.
Основные задачи электронной нагрузки:
- Тестирование блоков питания под нагрузкой
 - Измерение емкости и проверка работоспособности аккумуляторов
 - Испытание солнечных панелей и ветрогенераторов
 - Проверка стабильности работы источников питания при различных режимах
 - Имитация реальных нагрузок электронных устройств
 
В отличие от простых резистивных нагрузок, электронные позволяют точно задавать параметры нагрузки и проводить более сложные тесты.

Основные режимы работы электронных нагрузок
Современные электронные нагрузки могут работать в нескольких основных режимах:
1. Режим постоянного тока (CC)
В этом режиме нагрузка поддерживает заданное значение тока независимо от напряжения источника. Это позволяет, например, разряжать аккумулятор стабильным током.
2. Режим постоянного напряжения (CV)
Нагрузка поддерживает заданное напряжение, изменяя потребляемый ток. Используется для проверки стабилизаторов напряжения.
3. Режим постоянной мощности (CP)
Нагрузка автоматически регулирует ток и напряжение для поддержания заданной мощности. Применяется при тестировании солнечных панелей.
4. Режим постоянного сопротивления (CR)
Имитирует работу резистора с заданным сопротивлением. Ток меняется пропорционально напряжению источника.
Наличие этих режимов позволяет проводить комплексное тестирование источников питания в различных условиях.
Ключевые характеристики электронных нагрузок
При выборе электронной нагрузки следует обратить внимание на следующие параметры:
- Максимальная мощность — определяет предельную нагрузку, которую может выдержать устройство
 - Максимальный ток — важен при тестировании мощных источников питания
 - Максимальное напряжение — ограничивает возможности по работе с высоковольтными источниками
 - Точность установки и измерения параметров
 - Наличие динамического режима для тестирования импульсных источников
 - Возможность подключения к компьютеру для автоматизации тестов
 
Выбор конкретных значений зависит от задач, для которых планируется использовать нагрузку.
Виды электронных нагрузок по конструкции
По способу реализации и конструкции можно выделить следующие типы электронных нагрузок:
1. Простейшие нагрузки на дискретных компонентах
Собираются из отдельных транзисторов, операционных усилителей и пассивных компонентов. Имеют ограниченную функциональность, но просты в изготовлении.
2. Модульные нагрузки
Готовые блоки с силовой частью и системой охлаждения. Требуют дополнительных компонентов для полноценной работы.
3. Законченные устройства начального уровня
Полнофункциональные нагрузки с ограниченной мощностью и функциональностью. Подходят для домашнего использования.

4. Профессиональные программируемые нагрузки
Высокоточные устройства с широкими возможностями по настройке режимов работы и автоматизации тестирования.
5. Лабораторные системы
Многоканальные комплексы с возможностью работы на постоянном и переменном токе. Имеют расширенные измерительные функции.
Выбор типа нагрузки зависит от требований к функциональности, бюджета и уровня технических знаний пользователя.
Электронные нагрузки для тестирования аккумуляторов
Одно из распространенных применений электронных нагрузок — проверка аккумуляторных батарей. Для этой задачи используются специализированные устройства со следующими особенностями:
- Возможность измерения емкости аккумулятора
 - Функция контролируемого разряда постоянным током
 - Измерение внутреннего сопротивления батареи
 - Построение разрядных кривых
 - Возможность работы с низковольтными источниками (от 1-2 В)
 
Некоторые модели также оснащаются встроенным зарядным устройством, что позволяет проводить циклы заряд-разряд для оценки деградации аккумуляторов.

Программируемые электронные нагрузки
Программируемые нагрузки представляют собой наиболее функциональный класс устройств. Их ключевые особенности:
- Возможность задания сложных профилей нагрузки
 - Высокая точность установки и измерения параметров
 - Расширенные возможности по автоматизации тестирования
 - Поддержка различных интерфейсов для подключения к компьютеру
 - Возможность синхронизации нескольких устройств для увеличения мощности
 
Такие нагрузки применяются в исследовательских лабораториях и на производстве для всестороннего тестирования источников питания.
Выбор электронной нагрузки: на что обратить внимание
При выборе электронной нагрузки следует учитывать следующие факторы:
- Максимальная мощность и ток должны соответствовать параметрам тестируемых устройств
 - Диапазон входных напряжений должен перекрывать рабочие напряжения источников
 - Необходимые режимы работы (CC, CV, CP, CR)
 - Требуемая точность измерений и установки параметров
 - Наличие дополнительных функций (динамический режим, измерение емкости и т.д.)
 - Возможность подключения к компьютеру и доступное программное обеспечение
 - Эргономика управления (наличие экрана, удобство интерфейса)
 
Для домашнего использования часто достаточно простых моделей мощностью 150-300 Вт. Для профессионального применения стоит рассмотреть программируемые нагрузки известных производителей.

Заключение: как правильно использовать электронную нагрузку
Электронная нагрузка — мощный инструмент для тестирования источников питания. Однако для получения корректных результатов важно соблюдать несколько правил:
- Внимательно изучите инструкцию и возможности вашего устройства
 - Не превышайте максимально допустимые значения тока, напряжения и мощности
 - Обеспечьте хорошее охлаждение нагрузки при работе на больших мощностях
 - Используйте качественные соединительные провода с достаточным сечением
 - При возможности применяйте четырехпроводное подключение для повышения точности измерений
 - Периодически проводите калибровку устройства для поддержания заявленной точности
 
Соблюдение этих рекомендаций позволит эффективно использовать возможности электронной нагрузки и получать достоверные результаты тестирования.
Пиковые нагрузки и потребление
02.02.2022
Современные компоненты ПК потребляют множество энергии. Информация о пиковом энергопотреблении будет полезна не только энтузиастам и профессионалам. Мы объясняем само происхождение пиковых нагрузок.
Что такое «пиковая нагрузка»?
Возможно, вы стречали ситуацию, когда монитор внезапно становится черным. Причины могут быть различные, но, когда ПК выключается во время работы, зачастую это означает наличие аппаратной проблемы. Её источником может быть блок питания, который отлично работал уже несколько лет и не заменялся при установке новых, более требовательных к питанию комплектующих. Как же пиковые нагрузки связаны с описанной ситуацией?
Кратковременное увеличение энергопотребления из-за высокой нагрузки на центральный или графический процессоры называется пиковой нагрузкой. Если блок питания не рассчитан на такие кратковременные повышения энергопотребления, то встроенные в блок питания схемы защиты (например, защита от перегрузки OPP или защита от превышения тока нагрузки OCP), инициируют превентивное отключение блока питания, чтобы избежать риска повреждения силовых компонентов вследствие перегрузки.
Аварийное отключение блока питания, инициированное схемами защиты происходит в случае превышения общей нагрузки на линию +12В на определенное (заданное при производстве) значение в течение некоторого периода времени, измеряемого миллисекундами. Для блоков питания be quiet! эти значения довольно большие. Так, допускается перегрузка на 20-30% сверх заявленной мощности линии +12В длительностью до 20 миллисекунд.
Если центральный и графический процессоры одновременно потребляют много энергии (а это нормальная ситуация при запуске современных игр и приложений, создающих высокую комбинированную нагрузку на систему), при этом в системе установлен сравнительно маломощный блок питания, то нагрузка достаточно быстро достигает порога срабатывания системы защиты и происходит аварийное отключение. Такое отключение призвано не допустить риска повреждения оборудования и не вредит компонентам системы.
Несмотря на отсутствие риска повреждений для системы вследствие аварийного отключения, стоит подумать о замене блока питаниия. Особенно в тех случаях, когда была установлена новая мощная видеокарта. Иначе вероятность повторных аварийных отключений существенно повышается.
Функциональные Cookies не настроены..
Вы не можете продолжать без функциональных cookies. Пожалуйста, активируйте их.. Больше информации.
Какая мощность блока питания требуется для моей системы?
Среднее значение максимальной потребляемой мощности продолжает расти уже несколько поколений видеокарт. Один взгляд на цифры TDP (Thermal Design Power) референсных версий видеокарт от AMD и NVIDIA дает понять, что с каждым поколением требуются все более мощные блоки питания более высокого класса (здесь стоит различать понятия «класс» и «мощность», которые не являются одним и тем же).
 Одна только видеокарта потребляет около 300 Ватт под нагрузкой, и она в одиночку может быстро перегрузить блок питания мощностью около 500Вт. Также стоит учесть энергопотребление центрального процессора, карт расширения, подключенной периферии, системной логики, вентиляторов и подсветки.
Чтобы наиболее точно подобрать блок питания под определенную конфигурацию, наш КАЛЬКУЛЯТОР МОЩНОСТИ предлагает множество настроек и регулярно обновляется нашими инженерами. После ввода всех компонентов вашей системы в его поля, вам будут предложены рекомендации по приобретению блоков питания разных серий, отвечающие вмет требованиям к производительности, эффективности и бюджету на приобретение БП.
Современные комплектующие и другое подключаемое к ПК оборудование, как правило, потребляет от блока питания бОльшую мощность (в пике), чем отражено в общей спецификации. Не обязательно выбирать блок питания наивысшего класса и наибольшей мощности, но следует предусмотреть некоторый запас на пиковые нагрузки, чтобы блок питания мог легко справляться с кратковременными скачки энергопотребления без срабатывания различных систем защиты.
 Наш калькулятор блока питания подберет подходящий блок питания для каждой системы.
- Назад
 - Обзор
 - Далее
 
Поможем выбрать электронную нагрузку: гайд от Суперайс
Раньше для того чтобы проверить, например, блок питания под нагрузкой, использовали простейшие решения: резисторы или лампочки. Но с распространением мощных полупроводниковых компонентов, а также появлением не менее мощных источников питания стало возможным сделать этот процесс удобнее, применив электронный эквивалент нагрузки.
В этой статье мы расскажем о типах электронных нагрузок и их основных режимах работы. Постараемся сориентировать, на какие основные рабочие характеристики нагрузок стоит обратить внимание.
| Время чтения: 27 минут | 
| Автор статьи — Андрей Кириченко | 
Электронная нагрузка: на что обратить внимание
 Функция нагрузки – электронной или с мощными резисторами – переводить отбираемую от источника энергию в тепло, поэтому большую часть у них занимает силовой узел с системой охлаждения.
 Исключение составляют электронные нагрузки с функцией рекуперации, возвращающие до 95% энергии обратно в сеть, но они дороги и встречаются редко.
Важное в статье:
- Особенности и характеристики электронных нагрузок
 - Электронная нагрузка своими руками
 - Собираем простейшую нагрузку
 - Готовые силовые модули
 - Тестеры с контроллером управления
 - Электронная нагрузка для проверки аккумуляторов
 - Универсальные тестеры для разноплановых работ
 - Обзор электронных нагрузок ZKETECH
 - Электронные нагрузки для тестирования блоков питания
 -  Программируемые электронные нагрузки
 - Нагрузки для лаборатории
 - Итог: кратко о главном
 
 Все остальное уже влияет только на точность измерения и сервисные возможности.
 Поэтому первое, что вы увидите при осмотре — это большой радиатор и вентиляторы.
Соответственно при выборе нагрузки надо отталкиваться от следующих критериев:
- Бюджет: производительные нагрузки дорого стоят.
 - Требуемые параметры. Как правило, это мощность, ток и напряжение.
 - Наличие четырехпроводного подключения, важно для работ с большими токами.
 - Подключение к компьютеру для построения графиков и управления.
 - Функциональные возможности, как при автономной работе, так и при работе с компьютером.
 - Точность измерения и установки параметров. В некоторых ситуациях пониженная точность никак не сказывается на тестах, поэтому здесь можно сэкономить.
 
 Если при выборе характеристик все понятно и логично, то насчет максимального напряжения стоит сказать отдельно.
 Общая цепь измерения включает в себя провода, разъемы, токоизмерительные шунты и силовой узел. При этом минимальное падение на транзисторах зависит от того, на какое напряжение они рассчитаны и, купив нагрузку рассчитанную на большое напряжение «с запасом», можно попасть в ситуацию, когда она не сможет создать заявленный ток при малом напряжении.
 Простые электронные нагрузки работают в режиме генератора тока, то есть они стабилизируют ток в цепи подключенного к ним источника, но это не подходит для тестирования источников, которые сами являются генераторами тока, например зарядных устройств. Для упрощенного понимания можно сказать, что источник напряжения (блок питания, аккумулятор) нагружают стабилизатором тока, а источник тока (зарядное устройство) соответственно стабилизатором напряжения, в противном случае они будут конфликтовать.
 
На самом деле, режимов больше двух, но основных четыре:
 CC или Constant Current – стабилизация тока.
CV или Constant Voltage – стабилизация напряжения, нагрузка не дает напряжению подняться выше установленного значения путем увеличения тока.
CP (CW) или Constant Power – стабилизация мощности, устройство варьирует ток так, чтобы потреблялась установленная мощность.
CR или Constant Resistance – стабильное сопротивление, автоматическое изменение тока нагрузки в зависимости от входного напряжения.
Графические изображения режимов работы электронных нагрузок.
Кроме того, если для резистора или лампочки род тока не имеет значения, то электронные нагрузки делятся на два класса — постоянного и переменного тока.
 И, конечно, нагрузки различают по сервисным функциям: самые простые, с обычным ампервольтметром; более сложные, c микроконтроллером, умеющие считать прошедшую через них емкость; модели с подключением к компьютеру; программируемые электронные нагрузки, для которых задается алгоритм работы, эмуляция нагрузки с пульсирующим током, комбинации режимов, функции анализа и пр.
 
Чаще всего силовой узел строится на базе полевых транзисторов. Управлять ими несложно, но важнее то, что они нагружают источники почти от нулевого напряжения. Существуют также электронные нагрузки на биполярных транзисторах, которые лучше работают в линейном режиме. И третий вариант — IGBT транзисторы. Применяются там, где нужна большая мощность.
Собираем электронную нагрузку своими руками
Нагрузка из нескольких компонентов
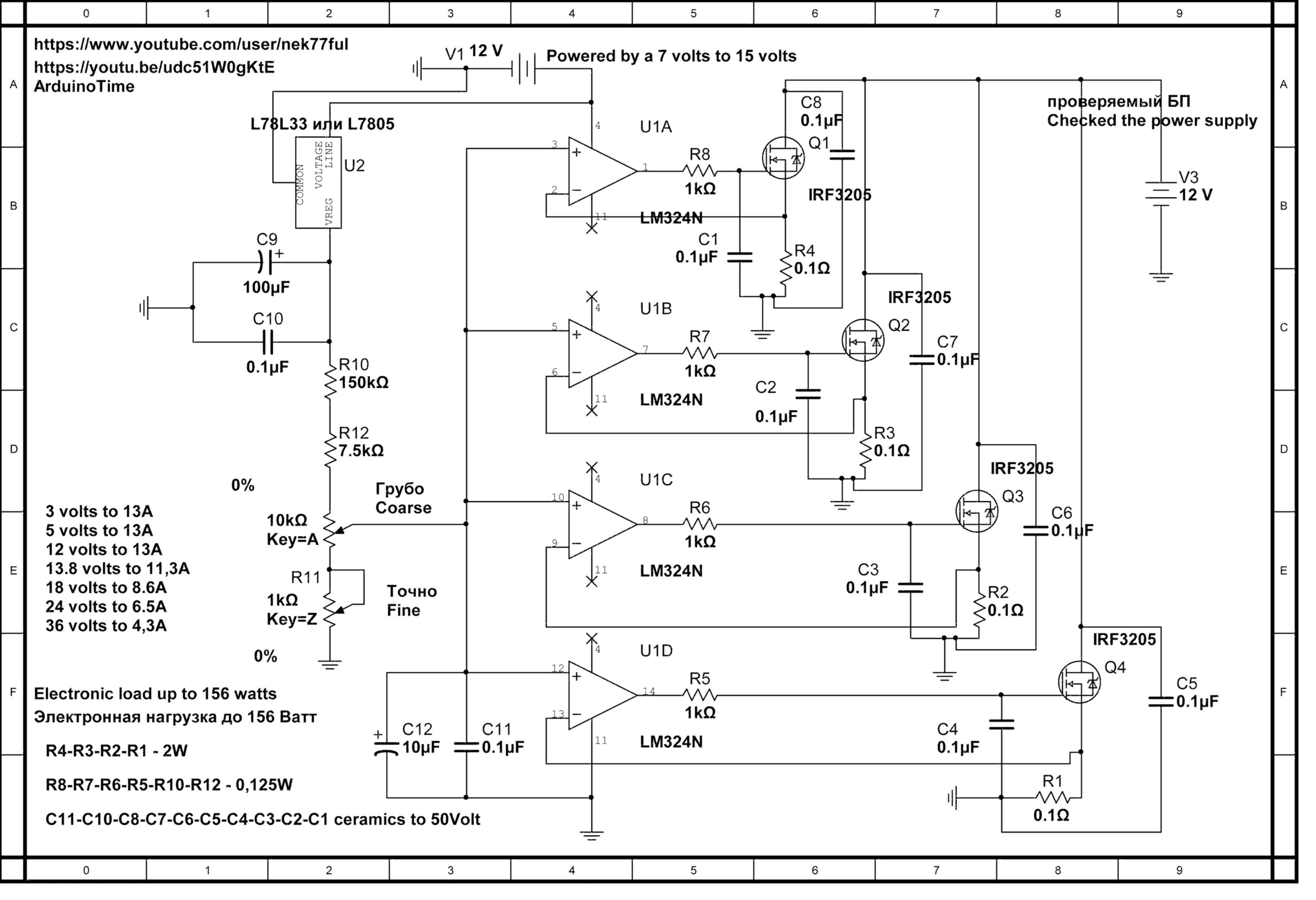
Простейшую электронную нагрузку, работающую в режиме CC (как, впрочем, и CV) можно сделать самому из нескольких компонентов: операционного усилителя, транзистора и пары резисторов. Она конечно, будет иметь недостатки, но будет работать.
Схема простейшей электронной нагрузки из операционного усилителя, транзистора и двух резисторов.Переменным резистором задаем ток, а постоянный используется в качестве измерительного.
 Для повышения стабильности работы схему придется усложнить, но все равно она будет доступна для повторения начинающему радиолюбителю.
 На рисунке ниже расположена схема электронной нагрузки.
Такой же вариант существует и в готовом виде. Он нагружает током до 10 А источники с напряжением до 100 В и с мощностью до 75 Вт. Для подобной платы потребуется докупить только радиатор, маломощный блок питания и переменный резистор для регулировки тока.
Компоненты для создания простейшей электронной нагрузки.| 
 Но у показанных выше вариантов схем есть недостатки: малая мощность, а если собирать самому, то придётся искать и покупать отдельные компоненты, изготавливать печатную плату и т.д. Поэтому для начинающего радиолюбителя подойдёт набор комплектующих для сборки электронной нагрузки на ОУ lm324 в который входит все, что нужно.  | 
 Набор для сборки электронной нагрузки 150 Вт  | 
| 
 
 После сборки останется подобрать подходящий по размеру радиатор и электронная нагрузка готова. В итоге вы получите электронную нагрузку 150 Вт (при соответствующем радиаторе) с режимом CC. При желании она может быть доработана для работы в режиме CV и даже CP, но это тема другой статьи.  | 
Заготовки с электроникой и системой охлаждения
Если хочется большего, то радиолюбители могут обратить внимание на «полуфабрикаты» или готовые силовые модули, которые уже имеют электронику и систему охлаждения, они рассчитаны на мощность 100-300 Вт, имеют варианты конфигурации по току и напряжению.
 В этом плане выделяются модули Sousim. Они могут быть разной мощности и даже с возможностью управления по RS485. Но даже простые, с регулировкой при помощи переменного резистора, могут работать не только в режиме CC, но и в режиме CV и имеют «на борту» микроконтроллер, который следит за перегрузкой и температурой, а также управляет установленными вентиляторами в зависимости от температуры и мощности.
 
Если такие модули дополнить небольшим блоком питания и ампервольтметром, то можно собрать электронную нагрузку постоянного тока, простую и функциональную.
Вариант нагрузки с мощностью 300 Вт, током 40 А и напряжением до 150 В, режимами CC и CV (при половинной мощности) и измерением емкости аккумуляторов.Электронная нагрузка на микроконтроллере
| 
 Следующим шагом будут устройства, содержащие в составе не только силовую часть, но и контроллер управления. Чаще всего они в зависимости от размеров радиатора, имеют мощность 150 или 180 Вт. Но следует отметить, что это максимальная мощность, она сильно зависит от напряжения источника. Например, нагрузке проще работать при 12 В и 10 А, чем при 120 В и 1 А, хотя выделяемая мощность в обоих случаях одинакова, это обусловлено характеристиками силовых транзисторов.  | 
Тестируем аккумуляторы
 Если вы не занимаетесь ремонтом блоков питания, но иногда требуется измерить емкость аккумулятора, то есть более узкоспециализированные платы.
 Они работают, как и обычная электронная нагрузка, но гораздо больше подходят для теста батарей. В этом случае аккумулятор сначала заряжается любым подходящим зарядным устройством, а затем разряжается при помощи такой нагрузки.
ZPB30A1 (справа) мощнее, до 60 Вт, 10 А и 30 В.
При этом обе имеют возможность четырехпроводного подключения и функцию измерения внутреннего сопротивления аккумулятора.
Универсальные функциональные нагрузки
ZKETECH: стабильность и большой функционал
Те, кто кочет получить стабильно работающее устройство с большим функционалом без работы паяльником, могут обратить внимание на электронные нагрузки ZKEtech. Это китайская фирма, специализирующаяся как раз на подобных устройствах.
Их изделия делятся на два класса:
 EBD — обычные электронные нагрузки.
 
 EBC — электронные нагрузки совмещенные с зарядным устройством, представляющие собой тестер аккумуляторных батарей. Они отличаются по мощности, току и по напряжению.
Но перед тем, как перейти к общему описанию моделей, стоит сказать об особенностях устройств этой фирмы.
| 
 1. Все устройства поддерживают подключение к компьютеру, это необходимо как для управления, так и для построения графиков тока, напряжения и мощности, а у моделей серии EBC и работу по программе. Кроме того, если у вас несколько электронных нагрузок ZKEtech, то ими можно управлять одновременно из одного окна ПО, они доступны в дополнительных вкладках в левом верхнем углу окна. Подобный функционал необходим для контроля и удобен для построения групповых графиков, на которые можно наложить до 9 кривых.  | 
 2.
 Все нагрузки имеют четырехпроводное подключение, что сразу снимает проблему корректности измерения. Для этого у нагрузок имеется четыре клеммы.
| 
 Самая простая нагрузка — EBD-M05. Она не имеет зарядного устройства и её мощность 35 Вт при напряжении до 19,5 В и токе до 5 А. Но в остальном она сохраняет функционал старших моделей. Из отличительных черт — высокая точность измерения напряжения и задания тока, ну и, конечно, четырехпроводное подключение, все «по-взрослому».  | 
 Тестер нагрузки аккумуляторов ZKETECH EBD-M05  | 
| 
 Электронный тестер аккумуляторов ZKETECH EBC-A05+  | 
 
 EBC-A05+ – более функциональна, так как имеет в составе зарядное устройство. Его мощность достигает 60 Вт при напряжении до 30 В и токе до 5 А.  | 
| 
 Если необходимо тестировать аккумуляторы, с большой токоотдачей, то здесь лучше подойдет EBC-A20, который также содержит в составе зарядное устройство, но максимальный ток составляет 20 А. Его максимальная мощность 85 Вт. Таким током получится нагружать только до напряжения 4,25 В. EBC-A20 поддерживает работу и при входном напряжении до 30 В с пропорциональным снижением тока. 
 Эта модель подойдет для заряда и тестирования свинцово-кислотных батарей, позволяя заряжать их током до 5 А и разряжать током до 6 А. Как и у других нагрузок, подключение здесь четырехпроводное, пары проводов соединены непосредственно на «крокодилах».  | 
 Блок нагрузки для аккумуляторов ZKETECH EBC-A20  | 
| 
 Тестер аккумуляторов ZKETECH EBC-A10H  | 
 Модель EBC-A10H послужит универсальным решением, например, для тестирования блоков питания, измерения емкости аккумуляторов и их заряда. Она обеспечивает ток нагрузки до 10 А, ток заряда до 5 А, но при этом её максимальная рассеиваемая мощность составляет уже 150 Вт, что заметно больше предыдущих. Управление осуществляется при помощи нажимного энкодера, потому управлять ею автономно удобнее чем предыдущими, хотя она также подключается к компьютеру.  | 
| 
 
 В случае, если вы собираетесь тестировать как блоки питания, так и аккумуляторы, но хочется и ток до 20 А, и приличную мощность, то есть модель EBD-A20H. Это некий гибрид из EBC-A20 и EBC-A10H, поскольку его ток составляет 20 А, мощность — 200 Вт, максимальное напряжение — 30 В. Внешне EBD-A20H похожа на EBC-A10H, разница только в других клеммах и боковом расположении вентилятора.  | 
 Нагрузочный тестер аккумуляторных батарей ZKETECH EBD-A20H  | 
| 
 
 Для более узкоспециализированного применения фирма выпускает и другие варианты, в том числе многоканальный тестер EBC-X. Почти все нагрузки объединяет то, что они работают с одним и тем же ПО.  | 
Нагружаем блоки питания
 Для тех, кто в первую очередь планирует использовать нагрузку для тестирования импульсных блоков питания, а работа с аккумуляторами — скорее дополнение, имеет смысл обратить внимание на следующую пару устройств.
 
У этих двух моделей много общего: мощность до 400 Вт, напряжение до 150 В, максимальный ток нагрузки до 40 А, работа в режимах CC, CV, CP, CR и даже примерно сопоставимая цена, — но при этом они отличаются друг от друга дополнительными функциями.
| 
 Например, KUNKIN KP184 имеет простой индикатор, возможность подключения к компьютеру, четырехпроводное подключение, функцию динамического тестирования блоков питания (частота 10 кГц), измерение емкости аккумулятора и внутреннего сопротивления, потому больше подходит для тех, кто хочет тестировать не только блоки питания, а и аккумуляторные батареи напряжением до 150 В.  | 
 Тестер нагрузки аккумуляторов KUNKIN KP184  | 
| 
 Одноканальная электронная нагрузка East Tester ET5410  | 
 
 East Tester ET5410 отличается информативным дисплеем, большим количеством функций, динамическим тестом не на одной частоте, а с гибким выбором параметров, комплексной нагрузкой CC + CV и CR + CV, режимом измерения сопротивления, напряжения и тока, а также подключением клавиатуры для более удобного управления.  | 
Выше пошла речь о функции динамического тестирования. Этот режим важен при проверке подключения блоков питания к импульсным нагрузкам и перепадам тока. Иногда блок питания, нормально работающий при стабильном токе нагрузки, начинает «сходить с ума» при подключении нагрузок, с импульсным характером потребления. Для подобных тестов и реализован режим динамической нагрузки, в нем ток потребления меняется с заданной частотой и скважностью.
Условная схема режима динамической нагрузки, в котором ток потребления меняется с заданной частотой и скважностью.
Программируемые нагрузки
 Если необходима точность и функциональность, близкие к максимальным, то здесь лучше смотреть на устройства более известных фирм. Но следует учесть, что при этом они часто рассчитаны на меньшую мощность, чем показанные выше, либо у них начнет расти цена.
 
| 
 Программируемая электронная нагрузка постоянного тока ITECH IT8511A+  | 
 Как пример, программируемая нагрузка ITECH IT8511A+: 150 В, 150 Вт, 30 А, режимы CC, CV, CP и CR, динамическая нагрузка, необходимый комплекс защит, функция работы по списку (программируемый аналог динамического режима), проверка источника на короткое замыкание, прямое задание параметров, подключение к компьютеру и «теплый ламповый» VFD дисплей.  | 
| 
 Следующий шаг — RIGOL DL3021 с мощностью уже 200 Вт, током до 40 А и с напряжением 150 В. Имеется всё вышеперечисленное, плюс большой экран, цифровые входы и выходы, подключение к компьютеру не только по USB, но и через локальную сеть, работа по заданной программе.  | 
 Программируемая электронная нагрузка RIGOL DL3021  | 
Лабораторные электронные нагрузки
| 
 
 Рассказав о нагрузках, начиная с недорогих наборов и заканчивая профессиональными решениями, нельзя не упомянуть об устройствах лабораторного класса, например ITECH IT8615. Но если присмотреться на неё сзади, то видно будет что «в душе» это все тот же прибор для перевода электрической энергии в тепло, хотя и очень умный. Производители оснастили свое детище не только большим экраном, но и встроенным осциллографом, для наблюдения тестирования в динамике и то как тестируемое устройство на него реагирует. Кроме того, нагрузка измеряет гармонические искажения до пятидесяти гармоник.  | 
 Электронная нагрузка постоянного и переменного тока ITECH IT8615  | 
| 
 
 Ну а если кому-то будет мало её 1800 Вт, то поддерживается функция параллельной работы и работы в трехфазном режиме по схеме включения «треугольник» и «звезда».  | 
Подведём итоги
Для упрощения выбора, скажем так:
- Для начинающего радиолюбителя, не планирующего много тратить, можно рассматривать варианты для «домашнего творчества», например набор на базе LM324. Здесь можно и сэкономить и получить мощную нагрузку, хотя и простенькую.
 - Если вы уже «нашли себя» и планируете заниматься ремонтом блоков питания и можете выделить немного больше средств, то рассмотрите варианты готовых модулей Sousim или младших моделей фабричного производства, например East Tester ET5410. В первом случае будет дешевле, во втором функциональнее.
 - 
 Отдельно идут электронные нагрузки, совмещающие в себе тестеры аккумуляторных батарей, у них своя ниша. В принципе тестировать аккумуляторы может большая часть электронных нагрузок, но устройства ZKEtech серии EBC могут не только это делать в автоматическом режиме, чередуя циклы заряд/разряд, попутно строя график заряда/разряда, но и проводить ресурсные испытания аккумуляторов.

 - Продвинутые специалисты скорее всего заинтересуются фирменными нагрузками, где, помимо богатого функционала и высокой точности, есть поддержка режимов, которых нет у вариантов проще. Правда стоит отметить, что если будет нужна еще и большая мощность, то цена также возрастет, впрочем, хорошие вещи редко стоят дешево.
 - Тем, кто пользуется устройствами лабораторного класса рекомендовать что-то сложно, так как это люди, которые знают, что им нужно от устройства, потому подбирают инструмент под конкретные задачи.
 
Какими бы не был ваш уровень, независимо от ваших задач, на полках нашего магазина вы найдёте подходящий товар. Электронные нагрузки разной мощности и для разных сфер применения уже ждут своего покупателя!
Введение в регулировку нагрузки для источников питания
 Регулировка нагрузки является важной частью обеспечения безопасности оборудования и устройств во время работы. Он защищает их от колебаний напряжения и гарантирует, что непостоянные нагрузки не повредят и не повлияют на производительность.
 Стабильный источник питания часто необходим для надежной непрерывной работы, что необходимо во многих приложениях с высокими ставками, таких как военные и медицинские учреждения.
Мы демистифицируем регулирование нагрузки, объяснив, что это такое, как оно работает и как его можно измерить.
Быстрая навигация
- Что такое регулирование нагрузки?
 - Важность регулирования нагрузки при проектировании источника питания
 - Как измерить регулирование нагрузки в источниках питания постоянного тока
 - Регулирование нагрузки по сравнению с линейным регулированием
 - Купить блоки питания с хорошей регулировкой нагрузки от ACT
 
Что такое регулирование нагрузки?
 Регулировка нагрузки позволяет источнику питания поддерживать постоянное напряжение независимо от любых изменений выходной нагрузки. Многие изменения могут повлиять на выходную нагрузку, например, изменение сопротивления, поэтому источник питания должен обеспечивать постоянный и надежный выходной сигнал.
 Это необходимо для обеспечения надежного питания оборудования.
Некоторые компоненты, участвующие в регулировании нагрузки, обычно включают в себя выходной усилитель, схему считывания и усилитель ошибки. Вот как они могут добиться регулирования нагрузки в источнике питания:
- Выходной усилитель: Выходной усилитель сначала получает входной сигнал и применяет фиксированное усиление, создавая синусоиду переменного тока с высоким напряжением.
 - Цепь считывания: Затем цепь считывания определяет выходное напряжение усилителя и создает уровень напряжения для сравнения с опорным напряжением на входе усилителя ошибки.
 - Усилитель ошибки: Наконец, усилитель ошибки определяет уровень выходного напряжения и сравнивает его с входным заданием. Затем он регулирует выходной сигнал до тех пор, пока сигнал ошибки не достигнет нуля.
 
 Когда сигнал отрегулирован, он позволяет источнику питания поддерживать постоянное напряжение для питаемого устройства.
Другим вариантом является использование стабилитрона, который поддерживает постоянное напряжение с помощью интегральных схем и конструкции с отрицательной обратной связью.
Как рассчитывается регулирование нагрузки?
Обычно регулирование нагрузки измеряется в процентах от состояния максимальной нагрузки. Это число указывает, насколько будет варьироваться выходная мощность источника питания. В идеале это число должно быть равно нулю. Это недостижимо в реальном мире, но вы должны стремиться к тому, чтобы регулирование нагрузки было как можно ближе к нулю. Хорошая регулировка нагрузки обычно может удерживать изменчивость ниже 5%.
Расчет регулирования нагрузки:
- (Vmin-нагрузка)-(Vmax-нагрузка)/(Vном-нагрузка)
 
Vmin-load и Vmax-load относятся к напряжениям при минимальной и максимальной нагрузках соответственно. Vnom-load — номинальное напряжение или заданное выходное напряжение.
Важность регулирования нагрузки при проектировании источника питания
 Регулирование нагрузки необходимо как для источников питания постоянного, так и переменного тока, но особенно важно для источников питания переменного тока.
 В этих источниках регулирование нагрузки сильно зависит от выходной частоты. Без регулирования нагрузки оба типа источников питания могут повредить подключенное оборудование из-за скачков и падений мощности.
Если электрическая нагрузка снижается, выходное напряжение возрастает, и наоборот. Эти колебания могут повредить компоненты и схемы или повлиять на работу устройства. Например, падение выходного напряжения может привести к тому, что оборудование не получит достаточно высокого напряжения для своей предполагаемой работы. Он может вообще отключиться или плохо работать.
Хорошая регулировка нагрузки гарантирует, что источник питания обеспечивает напряжение, необходимое для правильной работы оборудования, и сохраняет его стабильным во всей системе.
 При покупке блоков питания вам необходимо обратить внимание на характеристики регулирования нагрузки в документации вашего продукта. В нем должен быть указан процент регулирования нагрузки и диапазон нагрузки, для которого этот процент подходит.
 Ваш блок питания должен обеспечивать питание в указанном диапазоне тока нагрузки. В противном случае вы рискуете неправильной регулировкой нагрузки и повреждением устройства.
Как измерить стабилизацию нагрузки в источниках питания постоянного тока
Регулировка нагрузки обычно измеряется с помощью резисторов или программируемых нагрузок. Вы можете проверить регулировку нового блока питания, чтобы убедиться, что он работает так, как рекламируется, и соответствует предоставленным спецификациям. Конечно, это также полезно для устранения неполадок и ремонта.
Резисторы
 Возможно, самый простой способ измерить регулирование нагрузки системы — это использовать нагрузочные резисторы. Резисторы следует выбирать таким образом, чтобы от источника питания потреблялся минимальный ток нагрузки, максимальный ток и номинальный ток нагрузки — обычно половина максимального тока. Подключив их к выходным клеммам источника питания, вы можете измерить выходное напряжение и рассчитать регулировку нагрузки.
Программируемые нагрузки
Программируемые нагрузки, также называемые электронными нагрузками, измеряют регулировку нагрузки во всем диапазоне выходного сигнала источника питания. Они помогают гарантировать, что нагрузка может работать с полной выходной мощностью источника питания. Они также помогают оценить реакцию источника питания на другие типы нагрузки.
Регулирование нагрузки в сравнении с линейным регулированием
Регулирование нагрузки аналогично линейному регулированию. Оба измеряют, насколько хорошо источник питания поддерживает стабильное выходное напряжение, но они различаются тем, какой коэффициент изменяется. При расчете регулирования нагрузки предполагается постоянное входное напряжение. Это не всегда происходит. Изменение входного напряжения может повлиять на выходное напряжение источника питания. Линейное регулирование отражает то, как источник питания реагирует на это состояние.
Мы можем определить два термина как:
-   Стабилизация сети:  Стабилизация сети относится к способности источника питания поддерживать выходное напряжение независимо от изменений входного напряжения.
 Выходной ток остается постоянным. Регулирование линии выражается в процентах в уравнении:- (Низкое напряжение линии – Верхнее напряжение линии) / Номинальное напряжение x 100 %
 
 - Регулирование нагрузки: Регулирование нагрузки — это способность источника питания поддерживать постоянное выходное напряжение, несмотря на изменения выходной нагрузки. Это относится к легким нагрузкам или нагрузкам, близким к максимальному току.
 
Приобрести блоки питания с хорошей регулировкой нагрузки от ACT
 Убедитесь, что ваше оборудование и устройства не подвергаются риску из-за источника питания с плохой стабилизацией нагрузки. В компании Advanced Conversion Technology мы предлагаем широкий выбор высококачественных источников питания, а наша команда опытных специалистов поможет вам найти подходящий вариант для вашего приложения. У нас есть блоки питания AC-DC и DC-DC, а также специальные возможности, которые помогут вам удовлетворить особые требования.
 Что касается нашего качества, мы являемся надежным поставщиком для оборонной промышленности и соблюдаем строгие стандарты качества и сертификаты.
Свяжитесь с нами сегодня, чтобы получить дополнительную информацию о регулировании нагрузки в источниках питания или запросить расценки.
Страница не найдена — Advanced Conversion Technology
Страница, которую вы ищете, не может быть найдена.
Посетите одну из следующих страниц, чтобы узнать больше о Advanced Conversion Technology.
Пожалуйста, свяжитесь с нами для получения помощи (717-939-2300 или [email protected]) или отправьте свои вопросы через нашу страницу запроса.
Образовательные статьи
Продукты
- 115 Vac, 1-фаза, 60 Гц, 1399, 24 В. Фаза, вход 60-400 Гц, 704, выход 24 В при 1000 Вт
 - 90-160 В перем. тока, 3 фазы, вход 60-400 Гц, 704, выход 28 В при мощности 1000 Вт
 - Военный блок питания DC-DC | Выход 32 В
 - Военный блок питания постоянного тока | Выход 28 В
 - Военный блок питания DC-DC | Выход 26 В
 - Военный блок питания DC-DC | Выход 24 В
 - Военный блок питания DC-DC | Выход 22 В
 - Военный блок питания DC-DC | Выход 18 В
 - Военный блок питания DC-DC | Выход 16 В
 - Военный блок питания DC-DC | Выход 15 В
 - Военный блок питания DC-DC | Выход 12 В
 - Выход 32 В Источник питания постоянного тока с радиатором Функция
 - Источник питания постоянного тока с выходным напряжением 28 В | Конвекционное охлаждение, радиатор
 - Источник питания DC-DC 26 В на выходе | Конвекционное охлаждение, теплоотвод
 - Источник питания постоянного тока постоянного тока 24 В для военных | Функция радиатора
 - Источник питания постоянного тока с выходным напряжением 22 В | Конвекционное охлаждение, радиатор
 - Источник питания DC-DC 18 В на выходе | Конвекционное охлаждение, радиатор
 - 16-вольтовый источник питания постоянного тока постоянного тока для военных | Функция радиатора
 - Блок питания DC-DC с выходным напряжением 15 В и функцией радиатора
 - Источник питания постоянного тока с выходом 12 В | Конвекционное охлаждение, радиатор
 - COTS AC-DC вход 92-138 В, выход 28 В при 1200 Вт
 - COTS AC-DC вход 92-138 В, выход 28 В при 1000 Вт
 - COTS AC-DC вход 92-138 В, выход 24 В при 1200 Вт
 - Выход 28 В, блок питания AC-DC 400 Вт
 - Выход 28 В, блок питания AC-DC 200 Вт с радиатором
 - Выход 28 В, блок питания AC-DC 200 Вт
 - Выход 28 В, блок питания AC-DC 200 Вт — Блок питания постоянного тока
 - Выход 28 В, блок питания переменного/постоянного тока 400 Вт с радиатором
 - Выход 24 В, блок питания AC-DC 200 Вт
 - Выход 24 В, блок питания AC-DC 100 Вт
 - Выход 24 В, блок питания AC-DC 400 Вт
 - Выход 24 В, блок питания AC-DC 400 Вт Блок питания с радиатором
 - Выход 24 В, блок питания AC-DC 200 Вт с радиатором
 - Выход 24 В, блок питания AC-DC 100 Вт с радиатором
 - Выход 28 В, блок питания AC-DC 100 Вт с радиатором
 - Блок питания 24 В постоянного тока | 12-36 Входное напряжение
 -  Источник питания 12 В пост.
 /пост. тока | 12-36 Входное напряжение - Блок питания 15 В постоянного тока | 12-36 Входное напряжение
 - Источник питания 16 В пост./пост. тока | 12-36 Входное напряжение
 - Источник питания 18 В пост./пост. тока | 12-36 Входное напряжение
 - Источник питания 32 В пост./пост. тока | 12-36 Входное напряжение
 - Источник питания 22 В пост./пост. тока | 12-36 Входное напряжение
 - Источник питания 26 В пост./пост. тока | 12-36 Входное напряжение
 - Источник питания 28 В пост./пост. тока | 12-36 Входное напряжение
 - Прочный корпус 28 В при 2000 Вт переменного/постоянного тока | 97–277 В перем. тока
 - Блок питания точки нагрузки до 140 Вт
 - COTS Блок питания DC-DC с одним выходом, 32 В
 - COTS Блок питания DC-DC с одним выходом, 32 В, 2000 Вт
 - Блок питания постоянного тока для систем авионики |+28 В постоянного тока
 - Блок питания DC-DC 2000 Вт | Вход 12–36 В
 - Источник питания постоянного тока | Вход 12–36 В
 - Вход 12–36 В, выход 1000 Вт Источник питания постоянного тока | Блок питания ACT COTS
 - Блок питания DC-DC с конвекционным охлаждением | Вход 12–36 В
 -  Выход 28 В пост.
 тока Источник питания COTS - Выход 28 В пост. тока до 2000 Вт Блок питания COTS
 - Блок питания постоянного тока с КПД до 96% | ACT Products
 - Источник питания постоянного тока мощностью 2000 Вт с КПД до 96 %
 - COTS Источник питания постоянного тока мощностью до 1000 Вт
 - Вход 12–36 В, MIL-STD-1275E Блок постоянного тока | Блоки питания ACT COTS
 - Блок питания COTS 26 В — выходная мощность до 2000 Вт
 - Источник питания DC-DC от 26 В до 2000 Вт | ACT Power
 - Герметичный источник питания постоянного тока мощностью 2000 Вт
 - Герметичный источник питания постоянного тока соответствует стандарту MIL-STD-1275E
 - Источник питания DC-DC с кондуктивным охлаждением, разработанный для использования в военных целях
 - Источник питания DC-DC с пульсацией 240 мВпик-пик | ACT COTS Power Solutions Соответствие требованиям
 - MIL-STD-1275E | ACT Блок питания DC-DC COTS
 - MIL-STD-1275E Блок питания 24 В DC-DC COTS | ACT Power
 - Одноканальный источник питания постоянного тока Выходная мощность до 1920 Вт
 - Одноканальный источник питания постоянного тока Выходная мощность до 2000 Вт
 - Источник питания постоянного тока постоянного тока в соответствии с MIL-STD-1275E
 - DC-DC Блок питания, соответствующий стандарту MIL-STD-1275E
 - Одноканальный источник питания постоянного тока 22 В мощностью до 1760 Вт
 - Одноканальный источник питания постоянного тока мощностью от 22 В до 1760 Вт
 - Вход 12-36 В | Источник питания DC-DC COTS | Военный класс
 - Вход 12–36 В | Блок питания DC-DC мощностью 1680 Вт | армейского класса
 - Неизолированный источник питания постоянного тока с входным напряжением 12–36 В
 - Преобразователь постоянного тока в постоянный для тяжелых условий эксплуатации | Блок питания ACT
 - Защищенный от воздействия окружающей среды блок питания 18 В постоянного тока | ACT Power
 - Источник питания постоянного тока | Одиночный, 18-В, 1440-Вт Выход | АКТ Мощность
 - Один выход 18 В | 1430 Вт COTS Блок питания DC-DC
 - Один выход 18 В, до 1440 Вт | COTS DC-DC Power Supply at ACT
 - Mountable DC-DC Power Converter | Вход 12–36 В | ACT Supply
 - Выходной преобразователь постоянного тока 18 В | Усовершенствованная технология преобразования
 - Преобразователь постоянного тока в постоянный с пульсацией 280 мВпик-пик | Блоки питания ACT
 - Преобразователь постоянного тока в постоянный с пульсацией 240 мВпик-пик | ACT Power Supplies
 - COTS Блок питания DC-DC 1020 Вт | Один выход 16 В
 - COTS Источник питания постоянного тока | Один выход 16 В
 - Вход 12–36 В, выход 640 Вт DC-DC Источник питания COTS | ACT
 - 12-36 Входное напряжение, COTS Преобразователь питания постоянного тока в постоянный | ACT Power
 - Источник питания постоянного тока 12–36 В с кондуктивным охлаждением | ACT Power
 - Входной блок питания 12–36 В | ACT Power
 - Блок питания DC-DC 1020 Вт с конвекционным охлаждением | Вход 12–36 В
 - Блок питания DC-DC с конвекцией и охлаждением | Вход 12–36 В
 - COTS Источник питания постоянного тока | 12-36 Входное напряжение | АСТ Продукты
 - Источник питания постоянного тока 12–36 В | ACT COTS Solutions
 - Вход 12–36 В | Усовершенствованная технология преобразования DC-DC COTS Supply
 - Вход 12–36 В | Соответствие MIL-STD-1275E DC-DC COTS Supply
 - DC-DC Power Supply | от 12 до 36 В постоянного тока Выходная мощность до 960 Вт
 - Блок питания постоянного тока | Один выход 12 В, мощность до 960 Вт
 - Выход 12 В, блок питания DC-DC мощностью 480 Вт | ACT Products
 - Вход 12–36 В, 8 фунтов, COTS Источник питания постоянного тока | ACT Products
 - Вход 28 В | 4 выходных напряжения | Блок питания ACT DC-DC
 - Блок питания постоянного и переменного тока с одним выходом, входное напряжение 85–264 В | ACT
 - Выход 28 В, блок питания AC-DC мощностью 200 Вт | ACT Products
 - Блок питания переменного/постоянного тока на входе 85–264 В | ACT COTS Power Solutions
 - Блок питания переменного и постоянного тока, соответствующий стандарту MIL-STD-704 | Блок питания ACT COTS
 - Вход 84–264 В, выход 24 В Блок питания переменного/постоянного тока | AC-DC блок питания ACT Power
 - соответствует стандартам MIL-STD-704 | ACT
 - Источник питания переменного/постоянного тока с одним выходом 24 В
 - Вход 85–264 В, частота 50–400 Гц Источник переменного/постоянного тока
 - Преобразователь переменного тока в постоянный, 50–400 Гц | Вход 85–264 В
 - Преобразователь переменного тока в постоянный, 50–400 Гц
 - Выход 15 В, 100 Вт, изолированный преобразователь переменного тока в постоянный
 - Преобразователь переменного тока в постоянный | Вход 85–264 В и выход 15 В, 50 Вт
 - Преобразователь переменного тока в постоянный с входом 85–264 В | Выход 12 В
 - Вход 85–264 В с выходом 12 В, 100 Вт | Блок питания AC-DC
 - Сертифицированный MIL-STD-704 Блок питания AC-DC
 - Многоканальный блок питания AC-DC | Вход 115 В
 - Блоки питания переменного и постоянного тока 220 В, выход 10 000 Вт
 - Блок питания переменного/постоянного тока на входе 115 В | Выходная мощность 2370 Вт
 - Блок питания переменного/постоянного тока с входным напряжением 115 В | 7 выходов
 - Источник питания переменного/постоянного тока, 60 Гц с одним выходом 28 В
 - Входной преобразователь переменного/постоянного тока 115 В
 - Вход 115 В для блока питания переменного/постоянного тока | 7 выходов
 - Преобразователь мощности переменного тока в постоянный с входом 115 В
 - Вход 115 В для источника питания переменного тока в постоянный | Выходная мощность 2100 Вт
 - Блок питания переменного/постоянного тока с 6 выходами | Усовершенствованная технология преобразования
 - Блок питания переменного/постоянного тока с 9 выходами и входом 115 В
 - Блок питания переменного/постоянного тока от 90–140 В переменного тока
 - Блок питания переменного/постоянного тока с входным напряжением 115 В
 - 1278-Вт Выходная мощность переменного/постоянного тока | Вход 115 В
 - Вход 115–220 В, выходная мощность 600 Вт, блок питания переменного и постоянного тока
 - Один выход, вход 115–220 В, источник питания переменного и постоянного тока
 - Вход 115 В, выходное напряжение 25000 | Индивидуальный блок питания AC-DC
 - Блок питания DC-DC с кондуктивным охлаждением | 3 выхода | ACT Custom
 - Преобразователь постоянного тока в постоянный | Выходная мощность 539 Вт с 7 выходами
 - Источник питания постоянного тока для лазерных диодов | Вход 28 В
 - Преобразователи постоянного тока в постоянный с выходной мощностью 150 Вт
 - Преобразователь постоянного тока в постоянный 280 В| Усовершенствованная технология преобразования
 - 280-вольтовый источник питания DC-DC военного класса | ACT Power
 - COTS Преобразователь постоянного тока в постоянный с входным напряжением 18 и 375 В | ACT Solution
 - Низковольтный преобразователь постоянного тока в постоянный | Вход 28 В | VAC Products
 - Герметичный блок питания ЭЛТ | 6 выходов | ACT
 - Лазерный преобразователь постоянного тока в постоянный | Вход 28 В, выход 150 В | АКТ Блок
 - Преобразователь постоянного тока в постоянный с 2 выходными напряжениями на 160 В | ACT Power
 - Выходная мощность 180 Вт Источник постоянного тока | ACT Converters
 - Источник питания постоянного тока с регулируемой мощностью | ACT Military Units
 -  1.

 

 Для повышения стабильности работы рекомендуется заменить комплектные конденсаторы емкостью 1 нФ на другие в диапазоне 22-47 нФ.
 Эта модель оформлена в корпусе, комплектуется блоком питания и кабелем для подключения к компьютеру. Нагрузка подходит для измерения емкости аккумуляторов, рассчитанных на небольшой ток: мобильных телефонов, планшетов, смартфонов, ноутбуков.
 
 Но следует учитывать, что в нем нет зарядного устройства (как и у всех нагрузок в серии EBD) потому для тестов аккумуляторов придется заряжать их отдельно, а кроме того не будет доступна работа по программе так как она также завязана на зарядное устройство.
 Она подходит для тестирования аккумуляторов, но имеет двухпроводное подключение и не подключается к компьютеру.
 Здесь мощность уже 1800 Вт, напряжение 420 В, ток до 20 А. Но важнее то, что эта нагрузка рассчитана на работу не только с постоянным током, но и переменным, причем помимо обычного перечня режимов работы, она имеет настраиваемый пик-фактор и коэффициент мощности.
 Соответственно суммарная мощность будет расти пропорционально количеству подключенных устройств.

