Как устроен импульсный трансформатор. Какие бывают виды импульсных трансформаторов. Где применяются импульсные трансформаторы. В чем преимущества импульсных трансформаторов перед обычными.
Что такое импульсный трансформатор и его особенности
Импульсный трансформатор — это специальный вид трансформатора, предназначенный для преобразования импульсных сигналов с минимальным искажением их формы. Основные особенности импульсных трансформаторов:
- Работают с однополярными импульсами, содержащими постоянную составляющую тока
- Сердечник работает в режиме постоянного подмагничивания
- Имеют малые габариты и вес по сравнению с обычными трансформаторами той же мощности
- Обеспечивают меньшие потери энергии за счет высокочастотного преобразования
- Позволяют изменять амплитуду и полярность импульсов
Конструкция импульсного трансформатора
Основные элементы конструкции импульсного трансформатора:
- Сердечник — изготавливается из специальных магнитомягких материалов, чаще всего из холоднокатаной электротехнической стали
- Первичная и вторичная обмотки — выполняются из медного провода
- Изоляция между обмотками и сердечником — используются специальные электроизоляционные материалы
- Корпус — для защиты от внешних воздействий
В отличие от обычных трансформаторов, в импульсных применяются специальные конструктивные решения для улучшения передачи импульсов:

- Уменьшение паразитных емкостей и индуктивностей рассеяния
- Применение специальных схем намотки обмоток
- Использование высокочастотных магнитных материалов для сердечника
Виды импульсных трансформаторов
Импульсные трансформаторы можно классифицировать по нескольким признакам:
По форме сердечника:
- Тороидальные — с замкнутым кольцевым магнитопроводом
- Стержневые — с разомкнутым магнитопроводом
- Броневые — с частично замкнутым магнитопроводом
По материалу сердечника:
- Ферритовые — из магнитомягких ферритов
- Пермаллоевые — из специальных сплавов с высокой магнитной проницаемостью
- На основе аморфных и нанокристаллических сплавов
По назначению:
- Импульсные трансформаторы для передачи энергии
- Импульсные трансформаторы для передачи информации
- Импульсные трансформаторы специального назначения
Принцип работы импульсного трансформатора
Принцип работы импульсного трансформатора основан на явлении электромагнитной индукции. Основные этапы работы:
- На первичную обмотку подается импульс тока
- В сердечнике возникает переменное магнитное поле
- Магнитное поле наводит ЭДС во вторичной обмотке
- На выходе вторичной обмотки формируется импульс напряжения
Особенности работы импульсного трансформатора:

- Высокая скорость изменения магнитного поля в сердечнике
- Малая длительность передаваемых импульсов (от наносекунд до микросекунд)
- Работа в импульсном режиме с паузами между импульсами
Применение импульсных трансформаторов
Импульсные трансформаторы находят широкое применение в различных областях техники:
В радиотехнике:
- Модуляторы радиопередатчиков
- Устройства импульсной модуляции
- Формирователи мощных импульсов
В измерительной технике:
- Импульсные вольтметры и амперметры
- Осциллографы
- Генераторы импульсов
В силовой электронике:
- Импульсные источники питания
- Преобразователи напряжения
- Устройства управления электродвигателями
В специальной технике:
- Ускорители заряженных частиц
- Лазерные установки
- Радиолокационные станции
Преимущества импульсных трансформаторов
По сравнению с обычными трансформаторами, импульсные имеют ряд важных преимуществ:
- Меньшие габариты и вес при той же передаваемой мощности
- Более высокий КПД за счет снижения потерь в сердечнике
- Возможность работы на высоких частотах (до сотен кГц)
- Лучшая передача формы импульсов
- Возможность получения высоких напряжений (сотни кВ)
Эти преимущества обусловили широкое распространение импульсных трансформаторов в современной технике.

Особенности расчета импульсных трансформаторов
При проектировании импульсных трансформаторов необходимо учитывать ряд специфических факторов:
- Влияние паразитных параметров (емкостей и индуктивностей рассеяния) на форму импульса
- Нелинейность магнитных свойств сердечника
- Скин-эффект в обмотках на высоких частотах
- Потери на вихревые токи и перемагничивание в сердечнике
Основные этапы расчета импульсного трансформатора:
- Определение требуемых параметров трансформатора (мощность, напряжения, токи)
- Выбор материала и конструкции сердечника
- Расчет числа витков и сечения проводов обмоток
- Определение паразитных параметров
- Проверка соответствия расчетных параметров требуемым
Для точного расчета импульсных трансформаторов применяют специализированные программы компьютерного моделирования.
Импульсный трансформатор принцип работы
Электрика и электрооборудование, электротехника и электроника — информация! Импульсные трансформаторы, служащие для передачи коротких импульсов с наименьшими искажениями и действующими в переходных процессах, используются в устройствах импульсного типа. Импульсные трансформаторы дают возможность изменить уровень и полярность образуемого импульса тока или напряжения, согласовать сопротивление устройства, генерирующего импульсы, с сопротивлением потребителя нагрузки, а также разделить потенциалы приемника и источника импульсов, принимать на отдельных нагрузках импульсные сигналы только от одного генератора, создавать обратную связь в схеме импульсного прибора. Они также применяются в качестве преобразовательного компонента.
Поиск данных по Вашему запросу:
Схемы, справочники, даташиты:
Прайс-листы, цены:
Обсуждения, статьи, мануалы:
Дождитесь окончания поиска во всех базах.
По завершению появится ссылка для доступа к найденным материалам. ПОСМОТРИТЕ ВИДЕО ПО ТЕМЕ: Электронные трансформаторы. Обзор, принцип работы, схема
Принцип действия импульсных блоков питания
Домашний мастер часто сталкивается с поломками сложной бытовой техники из-за отказов ее электрической схемы. Не всегда удается сразу выполнить такой ремонт. Часто требуются знания про импульсные блоки питания, принципы работы их составных частей. Такие работники популярны, всегда востребованы, заслуживают уважения. Однако не все так сложно в этом вопросе, как кажется на первый взгляд.
Я выделил 7 правил, по которым работает любой ИБП, постарался объяснить их простыми словами для новичков. А что получилось — оценивайте сами. Блоки питания — это электротехнические устройства, которые изменяют характеристики промышленной электроэнергии до уровня параметров, необходимых для работы конечных механизмов.
Силовой трансформатор понижает входное напряжение и одновременно обеспечивает гальваническую развязку между электрической энергией первичной и вторичной цепи.
Трансформаторные модули тратят значительную часть мощности на электромагнитные преобразования и нагрев, имеют повышенные габариты, вес. За счет этого снижаются потери и общий вес всех элементов, но усложняется технология.
Принципы работы импульсного блока питания помогает понять его структурная схема. Показываю ее составные части прямоугольниками, связи стрелками, а форму выходного сигнала из каждого блока — мнемонической фигурой преобразованного напряжения темно синий цвет сверху. Сетевой фильтр пропускает через себя промышленную синусоиду. Одновременно он отделяет из нее все посторонние помехи. Очищенная от помех синусоида поступает на выпрямитель со сглаживающим фильтром.
Он превращает полученную гармонику в сигнал напряжения строго постоянной формы действующей величины. Следующим этапом начинается работа инвертора. Он из постоянного стабилизированного сигнала формирует высокочастотные колебания уже не синусоидальной, а практически строго прямоугольной формы. Преобразованная в подобный вид электрическая энергия поступает на силовой высокочастотный трансформатор, который, как и обычный аналоговый, видоизменяет ее на пониженное напряжение с увеличенным током.
Заключительным звеном работает сглаживающий выходной фильтр. После него на блок управления бытового прибора поступает стабилизированное напряжение постоянной величины. Качество работы импульсного блока поддерживается за счет создания в рабочем состоянии обратной связи, реализованной в блоке управления инвертора. Она компенсирует все посадки и броски напряжения, вызываемые колебаниями входной величины или коммутациями нагрузок.
Сетевой выпрямитель имеет в своем составе предохранитель на основе плавкой вставки, диодный мост, электромеханический фильтр, набор дросселей, конденсаторы развязки со статикой. Генератор инвертора на основе силового ключевого транзистора в комплекте с импульсным трансформатором выдает напряжение на выходной выпрямитель с диодами, конденсаторами и дросселями.
Помехи ухудшают работу радиоэлектронной аппаратуры, мобильных устройств и цифровых гаджетов. Их необходимо подавлять и блокировать внутри конструкции импульсного блока питания. Дроссели могут быть выполнены разными габаритами, намотаны толстой или тонкой проволокой на больших или маленьких сердечниках. Начинающему мастеру достаточно запомнить простое правило: лучше работает фильтр с дросселем большого магнитопровода, увеличенным числом витков и поперечным сечением проволоки.
Принцип: чем больше — тем и лучше. Дроссель обладает индуктивным сопротивлением, которое резко ограничивает высокочастотный сигнал, протекающий по проводу фазы или нуля.
В то же время оно не оказывает особого влияния на ток бытовой сети. Между потенциалами земли с нулем и фазой устанавливают Y конденсаторы. Их конструктивная особенность — они при пробое не способны создать внутреннее короткое замыкание и подать вольт на корпус прибора. Между цепями фазы и нуля ставят конденсаторы, способные выдерживать вольт, а лучше — Они обычно имеют форму параллепипеда.
Однако следует хорошо представлять, что ИБП в преобразователе напряжения сами выправляют сигнал и помехи им практически не мешают. Поэтому такая система актуальна для обычных аналоговых блоков со стабилизацией выходного сигнала. Эту возможность реализует другое решение. Как видите, принцип тот же. Просто емкостные сопротивления всегда располагаются по пути движения помехи за дросселем.
Она объединила элементы первых двух. Y конденсаторы в ней просто работают с двух сторон каждого дросселя. У самых дорогих и надежных устройств используется сложный фильтр с дополнительно подключенными дросселями и конденсаторами. Обратите внимание, что на кабель, выходящий из ИБП и подключаемый к электронному прибору, может быть дополнительно установлен ферритовый фильтр, состоящий из двух разъемных полуцилиндров или выполненный цельной конструкцией.
Примером его использования является импульсный блок питания ноутбука. Это уже четвертый вариант применения фильтра. В ходе электрического преобразования форма синусоиды, состоящая из полуволн противоположных знаков, вначале меняется на сигнал положительного направления после диодной сборки, а затем эти пульсации сглаживаются до практически постоянной амплитудной величины вольт. Силовой ключ выполняется первичной обмоткой высокочастотного трансформатора.
Прямоугольные импульсы тока подаются по времени, чередуются с паузами, обозначаются единицей 1 и нулем 0. Продолжительность протекания импульса или его ширина в каждый момент низкочастотного синусоидального напряжения соответствует его амплитуде: чем она больше, тем шире ШИМ.
И наоборот. ШИМ контроллер отслеживает величину подключенной нагрузки на выходе импульсного блока питания. По ее значению он вырабатывает импульсы, кратковременно открывающие силовой транзистор. Если подключенная к ИБП мощность начинает возрастать, то схема управления увеличивает длительность импульсов управления, а когда она снижается, то — уменьшает. За счет работы этой конструкции производится стабилизация напряжения на выходе блока в строго определенном диапазоне.
Во время преобразования электрической энергии в магнитную и обратно в электрическую с пониженным напряжением обеспечивается гальваническое разделение первичных входных цепей с вторичной выходной схемой. Каждый ШИМ импульс тока, поступающий при кратковременном открытии силового транзистора, протекает по замкнутой цепи первичной обмотки трансформатора.
Генераторы ИБП могут работать по простой однотактной или более сложной двухтактной технологии построения. На стороне расположены: предохранитель, выпрямительный диодный мост, сглаживающий конденсатор, биполярный транзистор, цепочки колебательного контура и коллекторного тока, а также обмотки импульсного трансформатора.
По ней изготавливают зарядные устройства мобильных телефонов, планшетов и других цифровых гаджетов. В выходной цепочке трансформатора используется выпрямительный диод Д7. Он может быть включен в прямом направлении, как показано на картинке, или обратно, что важно учитывать. При прямом включении импульсный трансформатор накапливает индуктивную энергию и передает ее в выходную цепь к подключенной нагрузке с задержкой по времени.
Если диод включен обратно, то трансформация энергии из первичной схемы во вторичную цепь происходит во время закрытого состояния транзистора.
Однотактная схема ИБП отмечается простотой конструкции, но большими амплитудами напряжения, приложенными к виткам первичной обмотки импульсного трансформатора. Более высокий КПД и пониженные потери мощности являются неоспоримыми преимуществами этих ИБП по сравнению с однотактными моделями. Если в нее дополнительно подключить два диода и один сглаживающий конденсатор, то на этом же трансформаторе получается двухполярная схема.
Она распространена в усилителях мощности, работает по обратноходовому принципу. В ней через каждую емкость протекают меньшие токи , обеспечивающие повышенный ресурс конденсаторов при эксплуатации. Прямоходовая схема блока питания имеет в своей конструкции дроссель, который выполняет функцию накопления энергии. Для этого два диода направляют поступающие импульсы ШИМ на его вход в одной полярности.
Дроссель этих устройств изготавливается большими габаритами и устанавливается отдельно внутри платы ИБП. Он дополняет работу накопительного конденсатора. Это наглядно видно по верхней форме сигнала, показанного осциллограммой выпрямления одного и того же блока без дросселя и с ним.
Конденсаторы С1, С2 собраны последовательно емкостным делителем. На него и переходы коллектор-эмиттер транзисторов Т1, Т2 подается напряжение постоянного питания.
К средней точке емкостного делителя и транзисторов подключена первичная обмотка трансформатора Тр2. С ее вторичной обмотки снимается выходное напряжение генератора, которое пропорционально входному сигналу ТР1, трансформируемому на базы Т1 и Т2. Полумостовая схема ИБП работает для нагрузок от нескольких ватт до киловатт. Ее недостатком является возможность повреждения элементов при перегрузках, что требует использования сложных защит. Вместо емкостного делителя предыдущей технологии здесь работают транзисторы T3 и T4.
Напряжение переходов эмиттер-коллектор у закрытых транзисторов не выше величины питающего напряжения, а на обмотке w1 ТР3 оно возрастает до значения U пит.
За счет этого увеличивается величина КПД. Первичная обмотка выходного ТР2 имеет средний вывод, на который подается плюсовой потенциал источника питания, а его минус — на среднюю точку вторичной обмотки Т1.
Во время прохождения одного полупериода колебания работает один из транзисторов Т1 или Т2 и соответствующая ему часть полуобмотки трансформатора. Здесь создается самый высокий КПД, малые пульсации и низкие помехи. Амплитудное значение импульсного напряжения на любой половине обмотки w1 ТР2 достигает величины U пит.
К напряжению перехода коллектор-эмиттер каждого транзистора добавляется ЭДС самоиндукции, и оно возрастает до 2U пит. Пушпульная схема ключевого каскада пользуется большей популярностью. Она применяется в наиболее мощных преобразователях. Простейшая схема выпрямителя, состоящая из диода и накапливающего конденсатора, показана картинкой ниже.
Она может дорабатываться подключением дополнительных конденсаторов, дросселей, элементов фильтров. Самая примитивная схема стабилизации выходного напряжения создается на дополнительной обмотке импульсного трансформатора.
Лучшая стабилизация создается за счет контроля выходного сигнала с вторичной обмотки и отделения его гальванической связи через оптопару. В ней используется светодиод, через который проходит ток, пропорциональный значению выходного напряжения. Его свечение воспринимается фототранзистором, который посылает соответствующий электрический сигнал на схему управления генератора ключевого каскада.
Повысить качество стабилизации выходного напряжения позволяет последовательное дополнение к оптопаре стабилитрона, как показано на примере микросхемы TL на картинке ниже.
Импульсные трансформаторы тока
Трансформатор — важный элемент любой импульсной техники. Основным его предназначением является преобразование уровней напряжений и обеспечение гальванической развязки между источником и приемником. Из множества видов по назначению и принципу работы одним из наиболее распространенных является импульсный трансформатор. Конструктивно все маломощные силовые трансформаторы абсолютно ничем не отличаются. Все они состоят из:. Обмоток может быть две или больше.
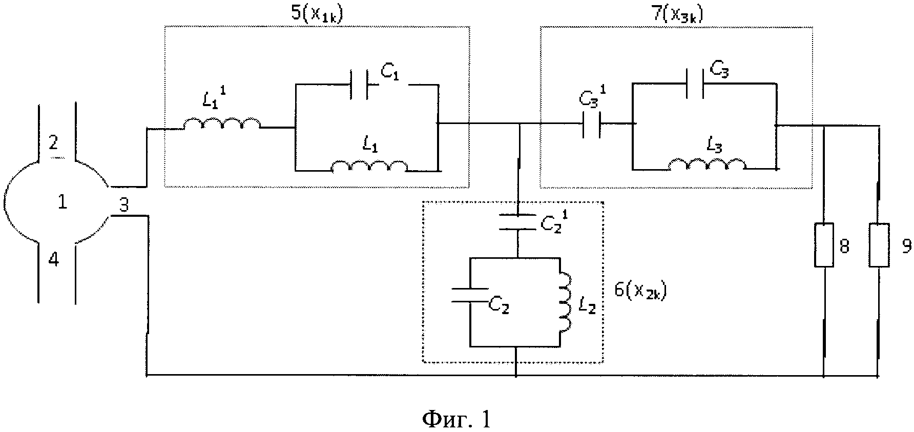
Временная диаграмма иллюстрирующая работу импульсного трансформатора. На первичную обмотку.
Устройство компьютерных блоков питания и методика их тестирования
На данный момент могут существовать различные типы трансформаторного оборудования. Подобное оборудование может применяться в электронных и электротехнических схемах. Особенно часто это оборудование используется в хозяйственной деятельности. Наиболее популярным устройством трансформаторного типа считается импульсный трансформатор. Это оборудование считается достаточно важным элементом и используется практически во всех современных блоках электропитания. Импульсные трансформаторы разделяют в зависимости от катушек и формы сердечника на следующие виды:. Электротехническая сталь содержит в себе мало добавок кремния. Именно он в результате своего использования может стать причиной значительной потери мощности. В импульсном трансформаторе сердечник может производиться из рулонной стали.
ИМПУЛЬСНЫЕ БЛОКИ ПИТАНИЯ
Вторичные источники электропитания часто используются для бытовой техники и промышленных установок, содержащих электронику. Изначально источники вторичного напряжения строились по схеме, которую принято называть трансформаторной. Принцип её работы состоит в трансформации сетевого напряжения до необходимого уровня с последующим его выпрямлением и стабилизацией. Типовая схема традиционного источника электропитания состоит из следующих элементов: силовой понижающий трансформатор, содержащий одну или несколько вторичных обмоток, в зависимости от потребностей питаемой схемы; выпрямительный блок, как правило, выполняется по схеме диодного моста; конденсатор фильтра, включенный между положительным и отрицательным выводами моста и необходимый для сглаживания пульсаций выпрямленного напряжения, иногда для улучшения параметров фильтра, в схему добавляется дроссель; стабилизатор выходного напряжения, построенный на основе специализированной микросхемы или содержащий ключевой транзистор и небольшую схему управления. Эти схемы надёжны в работе, не создают высокочастотных помех, обеспечивают гальваническую развязку между первичными и вторичными цепями.
Паяльник является одним из основных инструментов, применяемых мастерами-электронщиками в своей работе. В процессе ремонта электронных схем собственно пайка занимает относительно небольшие промежутки времени.
Импульсный трансформатор
Очень важным элементом импульсной техники является трансформатор. Трансформатор — устройство для передачи импульсной энергии переменной составляющей из одной электрической цепи в другую посредством магнитного поля и обеспечивающее:. Импульсный трансформатор служит для передачи импульсных широкополосных сигналов, поэтому кроме энергетических параметров, нужно еще учитывать и его частотные свойства. Принципиально все трансформаторы устроены одинаково и представляют собой две или более катушек индуктивности, связанных общим магнитным полем. Остальные обмотки называются вторичными. К вторичной обмотке подключается нагрузка Rн.
Как устроен блок питания, часть 4
Импульсные трансформаторы тока выполняют функцию преобразования тока и его напряжения. При этом выравниваются импульсные сигналы с минимизацией искажения исходной формы импульса на выходе. Существует много разновидностей силового трансформаторного оборудования, которое используется в системах электричества и электротехники. Трансформатор импульсного напряжения имеют весомое практическое значение во множестве сфер хозяйственной деятельности человеческой жизни. Ко всем блокам питания присоединены импульсные трансформаторы. Особенной чертой трансформатора импульсного типа является то, что он способен принимать однополярные сигналы с постоянной частотой генерируемого тока. В связи, с этим сердечник трансформатора пребывает в состоянии непрерывного подмагничивания. Импульсный трансформатор, принцип работы которого заключается в выравнивании частоты напряжения на входе и на выходе, оборудован фильтрующим элементом и регулятором.
Измерительные, силовые, импульсные трансформаторы. Принцип действия трансформаторов основан на явлении электромагнитной индукции.
Импульсные трансформаторы. Виды и особенности. Применение
Войдите , пожалуйста. Хабр Geektimes Тостер Мой круг Фрилансим. Войти Регистрация. Часть 2 Производство и разработка электроники Часть 1 Пролог И все таки меня пригласили!
Начнем с основ. Блок питания в компьютере выполняет три функции. Во-первых, переменный ток из бытовой сети электропитания нужно преобразовать в постоянный. Второй задачей БП является понижение напряжения В, избыточного для компьютерной электроники, до стандартных значений, требуемых конвертерами питания отдельных компонентов ПК, — 12 В, 5 В и 3,3 В а также отрицательные напряжения, о которых расскажем чуть позже.
Различные типы трансформаторного оборудования применяются в электронных и электротехнических схемах, которые востребованы во многих сферах хозяйственной деятельности. Например, импульсные трансформаторы далее по тексту ИТ — важный элемент, устанавливаемый практически во всех современных блоках питания.
Импульсный трансформатор ИТ — это трансформатор, предназначенный для преобразования тока и напряжения импульсных сигналов с минимальным искажением исходной формы импульса на выходе. Особенностью работы импульсных трансформаторов является то, что на их первичную обмотку поступают однополярные импульсы , которые содержат постоянную составляющую тока, поэтому сердечник работает с постоянным подмагничиванием. Импульсные трансформаторы применяются в устройствах связи, автоматики, вычислительной техники, при работе короткими импульсами, для изменения их амплитуды и полярности, исключения постоянной. У импульсного трансформатора ИП в отличии от обыкновенного силового трансформатора при одинаковой мощности намного меньше потерь и незначительные габаритные размеры полученные в следствии высокочастотного преобразования. В настоящее время большинство блоков питания выполняют на импульсных трансформаторах. Здесь снижение затрат на производство, удешевление стоимости изделия, экономия размеров и веса. Другой областью их использования является защита от короткого замыкания на нагрузке при холостом ходе, и защита от чрезмерного возрастания напряжения, а также перегрева устройств.
Домашний мастер часто сталкивается с поломками сложной бытовой техники из-за отказов ее электрической схемы. Не всегда удается сразу выполнить такой ремонт. Часто требуются знания про импульсные блоки питания, принципы работы их составных частей. Такие работники популярны, всегда востребованы, заслуживают уважения.
Конструкции импульсных трансформаторов | Высоковольтное испытательное оборудование и измерения
Страница 32 из 41
Сердечники импульсных трансформаторов в подавляющем большинстве случаев изготовляются из кремнистой холоднокатаной ленточной стали. В качестве межлистовой изоляции в сердечниках применяют конденсаторную бумагу, лаковые покрытия, оксидные пленки, нити стеклянного волокна, минеральные порошки и т. п. Недостаток этих покрытий в том, что одни из них не позволяют производить отжиг сердечника после его навивки, а другие не позволяют сердечники после навивки и отжига разрезать на две половины (для создания воздушного зазора), ибо не обладают связующими свойствами. Наиболее удачно необходимые качества сочетаются в эмали. Эмаль, наносимая при навивке на ленту, три отжиге плавится, и при остывании сердечник становится монолитным. При необходимости сердечник можно разрезать электроэрозионным или ультразвуковым методом.
В качестве изоляции обмотки от сердечника и межкатушечной изоляции в низковольтных импульсных трансформаторах обычно применяют лакоткань и бумагу. Трансформатор после изготовления пропитывают лаком, заливают компаундом или смолой для защиты от внешних воздействий. Трансформаторы на напряжении выше 6—10 кВ помещают в трансформаторное масло. На рис. 4-66 показан импульсный трансформатор на 70 кВ, изготовленный в Томском политехническом институте. Этот трансформатор разработан для инжектора бетатрона. В качестве изоляции между катушками в трансформаторе применен плексиглас, что позволило уменьшить паразитную емкость трансформатора и сократить его габариты.
В трансформаторах на напряжения 100 кВ и выше в качестве главной изоляции применяется трансформаторное масло. Твердые диэлектрики, такие как плексиглас и полистирол, служат для фиксации положения обмотки.
Представляет интерес использование в качестве изолирующей и охлаждающей среды в трансформаторах на 400 кВ и выше сжатого газа, например, элегаза. Применение для изоляции сжатого газа позволило бы уменьшить паразитную емкость трансформатора в 2—2,5 раза.
Наиболее широко импульсные трансформаторы применяются в радиотехнических устройствах для повышения напряжения импульсов, модулирующих ламповые генераторы метровых и дециметровых волн и магнетронных генераторов сантиметрового диапазона. Напряжение импульсов в этих устройствах достигает 30—35 кВ.
Рис. 4-66. Импульсный трансформатор на 76 кВ.
Импульсный трансформатор в сочетании с импульсным модулятором представляет собой весьма удобный инструмент для исследования импульсной электрической прочности диэлектриков. Возможность легко изменять в широких пределах частоту повторения и длительность импульсов выгодно отличают его от других типов импульсных генераторов напряжения.
К концам вторичной обмотки импульсного трансформатора подключается активное сопротивление, величина которого выбирается из условия получения оптимальной формы импульса. К части этого сопротивления подключается осциллограф для контроля напряжения и формы импульса.
Все более широкое применение импульсные трансформаторы (до 400 кВ и выше) находят в ускорителях заряженных частиц. Импульсные трансформаторы на 26—66 используются в инжекторах бетатронов. Известно, что с ростом энергии инжектируемых электронов интенсивность лучения бетатрона повышается. После разработки тронных пушек на более высокое напряжение в бетатрон могут найти применение трансформаторы на напряжение до 300 кВ.
В разработанном в Станфордском университете (США) линейном ускорителе для модуляции мощных клистронов используется одновременно 21-импульсный трансформатор на напряжение 400 кВ, причем каждый из них отдает 100 Мвт мощности в импульсе при длительности импульса 2 мксек и частоте повторения 60 Гц.
Рис. 4-67. Импульсный трансформатор на 1 000 кВ.
В Томском политехническом институте разработан импульсный трансформатор на 1 000 кВ (рис. 4-67). Импульсный трансформатор повышает напряжение прямоугольных импульсов длительностью 5 мксек от 100 кВ на первичной обмотке до 1 000 кВ на вторичной обмотке.
Размеры импульсного трансформатора 109X56X92 см, вес около 500 кг. Коэффициент трансформации 10. Входные импульсы напряжения отрицательной полярности (100 кВ) формируются импульсным модулятором с двойной неоднородной искусственной линией. Применение неоднородной линии обусловлено стремлением довести размеры и вес трансформатора до минимально возможных и получить трансформированный импульс с наименьшими искажениями. Номинальная мощность в импульсе 80 Мвт.
Сердечник импульсного трансформатора — неразъемного типа и навит из ленточной стали ЭЗ10. Сердечник составлен из четырех отдельно изготовленных секций. Сечение сердечника 125×130 мм, вес около 200 кг. Конструкция сердечника обеспечивает минимальную длину средней магнитной линии и относительно равномерное распределение индукции по сечению Отклонение индукции от средней величины не более 10%. Сечение ленточной стали 64X0,08 мм. Хотя скорость изменения индукции во времени достигает в данном сердечнике колоссальной вели чины 3х109 гс/сек, а, следовательно, в толще листов наводятся значительной силы вихревые токи, было признано нецелесообразным применять более тонкую сталь ввиду больших технологических трудностей и ее высокой стоимости.
В качестве междулистовой изоляции в сердечнике применена эмаль. Применение эмали позволило сердечник после навивки подвергнуть термообработке и получить хорошие магнитные и механические характеристики, а также высокий коэффициент заполнения сталью (kc= 0,94).
Для увеличения приращения индукции ∆Вс за время действия импульса до 15 кгс применено подмагничивание постоянным током. Ток подмагничивания протекает через первичную обмотку трансформатора в направлении, обратном току импульса. Напряженность поля, создаваемого током подмагничивания, выбрана вдвое большей, чем коэрцитивная сила материала сердечника (Нс≈0,4 э) и равна 1 э.
С целью повысить электрическую прочность главной изоляции между сердечником и обмоткой сердечник в части, свободной от обмотки, защищен электрическими экранами.
Трансформатор имеет две обмотки: первичную и вторичную. Первичная обмотка однослойная, состоит из 26 витков и изготовлена из латунной тонкостенной трубки диаметром 4 мм. Вторичная обмотка имеет 260 витков и расположена в семь слоев. Обмотка изготовлена из латунной трубки диаметром в 6 мм (толщина стенки 0,35 мм.). Для сокращения размеров обмотки и уменьшения паразитных параметров первые 26 витков вторичной обмотки размещены в один слой с первичной обмоткой. Так как сердечник трансформатора неразъемного типа, то обмотка собрана уже на сердечнике. Каждый виток составлен из двух полувитков. В пустотелой вторичной обмотке уложен провод в хлорвиниловой изоляции. Трубка и изолированный от нее провод образуют линию передачи энергии к подогревателю катода электронной трубки. На рис. 4-68 дана электрическая схема импульсного трансформатора.
Рис. 4-68. Электрическая схема импульсного трансформатора на 1 000 кВ.
Напряжение сети с помощью симметрирующего трансформатора Тр-1 повышается до 250 В и передается по вторичной обмотке к понижающему трансформатору Тр-2, который монтируется с конденсаторами С2 в электростатическом экране около катодного блока электронной трубки. На каждом полувитке вторичной обмотки имеется по два отверстия (в плоскости полувитка) диаметром 0,5 мм. При вакуумировании резервуара масло через эти отверстия заполняет свободное пространство между проводом и трубкой, что улучшает охлаждение внутреннего провода и повышает электрическую прочность изоляции.
Способ крепления первичной обмотки и первого слоя вторичной обмотки показан на рис. 4-69. Стержни, на которых смонтированы эти обмотки, изготовлены из плексигласа и имеют развитую поверхность с целью исключения перекрытия по поверхности. Стержни крепятся к сердечнику бандажами из полиамидной жилки.
Остальные 234 витка вторичной обмотки, разбитые на шесть слоев, механически непосредственно не связаны с сердечником и вмонтированы на 36 плексигласовых стержнях, причем второй, третий и четвертым слои монтируются на четырех стержнях, а пятым, шестой и седьмой — на восьми стержнях каждый.
Плексигласовые стержни имеют сильно развитую поверхность в направлениях, по которым возможен разряд. Жесткость катушек обмоток повышена распорными плексигласовыми планками, установленными по периметру катушек между основными стержнями.
Все слои вторичной обмотки соединены между собой таким образом, что напряжение на каждой катушке растет в одном и том же направлении. При таком соединении энергия, запасаемая в междуслойных паразитных емкостях при трансформации импульса, имеет наименьшую величину. Приведенная к первичной обмотке паразитная емкость трансформатора равна 14 000 пф, а индуктивность рассеяния 91 мкгн. На рис. 4-70 дана осциллограмма импульса напряжения на нагрузке трансформатора. Длительность фронта импульса составляет 1,5 мксек.
Рис. 4-69. Фотография импульсного трансформатора на 1 000 кВ в процессе монтажа, иллюстрирующая конструкцию первичной и первого слоя вторичной обмоток.
Рис. 4-70. Осциллограмма импульса на нагрузке импульсного трансформатора на 1 000 кВ; калибровочная частота 500 кГц.
Высокочастотный трансформатор принцип работы — Мастер Фломастер
Трансформатор — незаменимое устройство в электротехнике.
Без него энергосистема в ее нынешнем виде не могла бы существовать.
Присутствуют эти элементы и во многих электроприборах.
Желающим познакомиться с ними поближе предлагается данная статья, тема которой — трансформатор: принцип работы и виды приборов, а также их назначение.
Что такое трансформатор
Таким аппаратами оснащают многие приборы, также они применяются в самостоятельном виде.
Например, установки, повышающие напряжение для передачи тока по электромагистралям.
Генерируемое электростанцией напряжение они поднимают до 35 – 750 кВ, что дает двойную выгоду:
- уменьшаются потери в проводах;
- требуются провода меньшего сечения.
Принцип работы
Работа трансформаторного устройства основана на явлении электромагнитной индукции, состоящей в следующем: при изменении параметров магнитного поля, пересекающего проводник, в последнем возникает ЭДС (электродвижущая сила). Проводник в трансформаторе присутствует в форме катушки или обмотки, и общая ЭДС равна сумме ЭДС каждого витка.
Для нормальной работы требуется исключить электрический контакт между витками, потому используют провод в изолирующей оболочке. Эту катушку называют вторичной.
Магнитное поле, необходимое для генерации во вторичной катушке ЭДС, создается другой катушкой. Она подключается к источнику тока и называется первичной. Работа первичной катушки основана на том факте, что при протекании через проводник тока, вокруг него формируется электромагнитное поле, а если он смотан в катушку, оно усиливается.
Как работает трансформатор
При протекании через катушку постоянного тока параметры электромагнитного поля не меняются и оно неспособно вызвать ЭДС во вторичной катушке. Поэтому трансформаторы работают только с переменным напряжением.
На характер преобразования напряжения влияет соотношение количества витков в обмотках – первичной и вторичной. Его обозначают «Кт» – коэффициент трансформации. Действует закон:
Кт = W1 / W2 = U1 / U2,
- W1 и W2 — количество витков в первичной и вторичной обмотках;
- U1 и U2 — напряжение на их выводах.
Следовательно, если в первичной катушке витков больше, то напряжение на выводах вторичной ниже. Такой аппарат называют понижающим, Кт у него больше единицы. Если витков больше во вторичной катушке — трансформатор напряжение повышает и называется повышающим. Его Кт меньше единицы.
Большой силовой трансформатор
Если пренебречь потерями (идеальный трансформатор), то из закона сохранения энергии следует:
P1 = P2,
где Р1 и Р2 — мощность тока в обмотках.
Поскольку P = U * I, получим:
- U1 * I1 = U2 * I2;
- I1 = I2 * (U2 / U1) = I2 / Кт.
- в первичной катушке понижающего устройства (Кт > 1) протекает ток меньшей силы, чем в цепи вторичной;
- с повышающими трансформаторами (Кт Конструкция
Трансформаторные обмотки надевают на магнитопровод — деталь из ферромагнитной, трансформаторной или иной магнитомягкой стали. Он служит проводником электромагнитного поля от первичной катушки ко вторичной.
Под действием переменного магнитного поля в магнитопроводе также генерируются токи — они называются вихревыми. Эти токи приводят к потерям энергии и нагреву магнитопровода. Последний, с целью свести данное явление к минимуму, набирают из множества изолированных друг от друга пластин.
На магнитопроводе катушки располагают двояко:
- рядом;
- наматывают одну поверх другой.
Обмотки для микротрансформаторов изготавливают из фольги толщиной 20 – 30 мкм. Ее поверхность в результате окисления становится диэлектриком и играет роль изоляции.
На практике добиться соотношения Р1 = Р2 невозможно из-за потерь трех видов:
- рассеивание магнитного поля;
- нагрев проводов и магнитопровода;
- гистерезис.
Потери на гистерезис — это затраты энергии на перемагничивание магнитопровода. Направление силовых линий электромагнитного поля постоянно меняется. Каждый раз приходится преодолевать сопротивление диполей в структуре магнитопровода, выстроившихся определенным образом в предыдущей фазе.
Потери на гистерезис стремятся уменьшить, применяя разные конструкции магнитопроводов.
Итак, в реальности величины Р1 и Р2 отличаются и соотношение Р2 / Р1 называют КПД устройства. Для его измерения используются следующие режимы работы трансформатора:
- холостого хода;
- короткозамкнутый;
- с нагрузкой.
Режим холостого хода
Первичная обмотка подключена к источнику тока, а цепь вторичной разомкнута. При таком подключении в катушке течет ток холостого хода, в основном представляющий реактивный ток намагничивания.
Такой режим позволяет определить:
- КПД устройства;
- коэффициент трансформации;
- потери в магнитопроводе (на языке профессионалов — потери в стали).
Схема трансформатора в режиме холостого хода
Короткозамкнутый режим
Выводы вторичной обмотки замыкают без нагрузки (накоротко), так что ток в цепи ограничивается лишь ее сопротивлением. На контакты первичной подают такое напряжение, чтобы ток в цепи вторичной обмотки не превышал номинального.
Режим с нагрузкой
В этом состоянии к выводам вторичной обмотки подключен потребитель.
Охлаждение
В процессе работы трансформатор греется.
Применяют три способа охлаждения:
- естественное: для маломощных моделей;
- принудительное воздушное (обдув вентилятором): модели средней мощности;
- мощные трансформаторы охлаждаются при помощи жидкости (в основном используют масло).
Прибор с масляным охлаждением
Виды трансформаторов
Аппараты классифицируются по назначению, типу магнитопровода и мощности.
Силовые трансформаторы
Наиболее многочисленная группа. К ней относятся все трансформаторы, работающие в энергосети.
Автотрансформатор
- Повышенный КПД. Объясняется тем, что преобразованию подвергается только часть мощности. Это особенно важно при незначительной разнице между напряжением на входе и выходе.
- Низкая стоимость. Это обусловлено меньшим расходом стали и меди (автотрансформатор имеет компактные размеры).
Эти устройства выгодно применять в сетях напряжением 110 кВ и более с эффективным заземлением при Кт не выше 3-4.
Трансформатор тока
Используется для снижения силы тока в подключенной к источнику питания первичной обмотке. Устройство находит применение в защитных, измерительных, сигнальных и управляющих системах. Преимущество в сравнении с шунтовыми схемами измерения, состоит в наличии гальванической развязки (отсутствие электроконтакта между обмотками).
Первичная катушка включается в цепь переменного тока – исследуемую или контролируемую – с нагрузкой последовательно. К выводам вторичной обмотки подключают исполнительное индикаторное устройство, к примеру, реле, или прибор измерения.
Допустимое сопротивление в цепи вторичной катушки ограничено мизерными значениями — почти короткое замыкание. У большинства токовых трансформаторов величина номинального тока в этой катушке составляет 1 или 5 А. При размыкании цепи в ней формируется высокое напряжение, способное пробить изоляцию и повредить подключенные приборы.
Импульсный трансформатор
Работает с короткими импульсами, продолжительность которых измеряется десятками микросекунд. Форма импульса практически не искажается. В основном используются в видеосистемах.
Сварочный трансформатор
- понижает напряжение;
- рассчитано на номинальный ток в цепи вторичной обмотки до тысяч ампер.
Регулировать сварочный ток можно изменением числа витков обмоток, задействованных в процессе (они имеют по нескольку выводов). При этом изменяется величина индуктивного сопротивления или вторичное напряжение холостого хода. Посредством дополнительных выводов обмотки разбиты на секции, потому регулировка сварочного тока осуществляется ступенчато.
Габариты трансформатора во многом зависят от частоты переменного тока. Чем она выше, тем более компактным получится устройство.
Сварочный трансформатор ТДМ 70-460
На этом принципе основано устройство современных инверторных сварочных аппаратов. В них переменный ток перед подачей на трансформатор подвергается обработке:
- выпрямляется посредством диодного моста;
- в инверторе — управляемом микропроцессором электронном узле с быстро переключающимися ключевыми транзисторами — снова становится переменным, но уже с частотой 60 – 80 кГц.
Потому эти сварочные аппараты такие легкие и небольшие.
Также устроены блоки питания импульсного типа, например, в ПК.
Разделительный трансформатор
В этом устройстве обязательно присутствует гальваническая развязка (нет электрического контакта между первичной и вторичной обмотками), а Кт равен единице. То есть разделительный трансформатор напряжение оставляет неизменным. Он необходим для повышения безопасности подключения.
Прикосновение к токоведущим элементам оборудования, подключенного к сети через такой трансформатор, к сильному удару током не приведет.
В быту такой способ подключения электроприборов уместен во влажных помещениях— в ванных и пр.
Магнитопроводы
Бывают трех видов:
- Стержневые. Выполнены в виде стержня ступенчатого сечения. Характеристики оставляют желать лучшего, но зато просты в исполнении.
- Броневые. Лучше стержневых проводят магнитное поле и вдобавок защищают обмотки от механических воздействий. Недостаток: высокая стоимость (требуется много стали).
- Тороидальные. Наиболее эффективная разновидность: создают однородное сконцентрированное магнитное поле, чем способствуют уменьшению потерь. Трансформаторы с тороидальным магнитопроводом имеют наибольший КПД, но они дороги из-за сложности изготовления.
Мощность
- маломощные: менее 100 ВА;
- средней мощности: несколько сотен ВА;
Существуют установки большой мощности, измеряемой в тысячах ВА.
Трансформаторы отличаются назначением и характеристиками, но принцип действия у них одинаков: переменное магнитное поле, генерируемое одной обмоткой, возбуждает во второй ЭДС, величина которого зависит от числа витков.
Необходимость в преобразовании напряжения возникает очень часто, потому трансформаторы получили самое широкое распространение. Данное устройство можно изготовить самостоятельно.
На данный момент могут существовать различные типы трансформаторного оборудования. Подобное оборудование может применяться в электронных и электротехнических схемах. Особенно часто это оборудование используется в хозяйственной деятельности. Наиболее популярным устройством трансформаторного типа считается импульсный трансформатор.
Это оборудование считается достаточно важным элементом и используется практически во всех современных блоках электропитания.
Импульсный трансформатор и его конструкция
Импульсные трансформаторы разделяют в зависимости от катушек и формы сердечника на следующие виды:
Вот пояснения к рисункам, которые вы могли увидеть выше:
- A – это магнитопроводный контур, который выполняется из марок трансформаторной стали. Обычно эту продукцию изготовляют по технологии холодного или горячего металлопроката.
- B – это катушка из специального изолирующего материала.
- C – провода для создания индуктивной связи.
Электротехническая сталь содержит в себе мало добавок кремния. Именно он в результате своего использования может стать причиной значительной потери мощности. В импульсном трансформаторе сердечник может производиться из рулонной стали. Если вам будет интересно, тогда можете прочесть про проверку трансформаторного тока.
Все пластины, которые будут использоваться для набора электромагнитного сердечника подбираются в зависимости от толщины. С увеличением параметров вам необходимо устанавливать пластины меньшей величины.
Принцип работы
Основной особенностью импульсного трансформатора считается то, что на них будут подаваться однополярные импульсы, которые будут иметь постоянную токовую составляющую. Если вы желаете изучить принципиальную схему импульсного трансформатора, тогда сделать это можно ниже:
Как видите, схема практически нечем не отличается от обычного трансформатора. Единственным отличием считается временная диаграмма.
Если вы изучите схему, тогда можно будет понять, что на обмотку поступают специальные импульсные сигналы. Временный интервал между этими сигналами считается достаточно коротким. Перепады индукции будут проходить со скоростью, которую можно выразить через формулу τp=L0/Rн.
Коэффициент, который будет описывать разность между индуктивным перепадом можно определить следующим образом: ∆В=Вmax — Вr.
- Вmax – это уровень максимального значения всех индукций.
- Вr – это остаточные значения.
Если вы желаете детально изучить разность индукций, тогда выполнить этот процесс можно изучив фото ниже:
Как видите, на временной диаграмме вторичная катушка будет иметь напряжение U2. Именно так будет проявлять себя накопление энергии в магнитопроводе. Все импульсы тока будут проходить через катушку поскольку импульсы тока будут совмещаться. Уровень напряжения считается неизменным и его значение будет составлять еt=Um. Если вам необходимо вычислить напряжение во вторичной катушке, тогда рассчитать его можно по формуле:
- Ψ – это параметр потокосцепления.
- S – это величина, которая будет отображать сечение.
Если вы планируете вычислить площадь импульса во вторичной обмотке, тогда вам необходимо обе части формулы умножить на значение tu. В результате этого вы сможете получить формулу: Um x tu=S x W1 x ∆В.
Второй величиной по значимости считается работа ИТ. На перепад индукции будут влиять следующие параметры: сечение, магнитная проницаемость и сердечник магнитопровода. При необходимости вы можете прочесть про подключение трансформатора.
В этой формуле вы сможете найти следующие значения:
- L0 – это перепад индукции.
- µа – магнитная проницаемость.
- W1 – это число витков в первичной обмотке.
- S – площадь сердечника.
- lcр – это длина сердечника.
- Вr– это величина остаточной индукции.
- Вmax – уровень максимального значения.
- Hm – напряженность магнитного поля.
Как видите, параметр индуктивности будет зависеть от импульсного трансформатора. При расчете, вам необходимо исходить из максимального значения µа.
Исходя из этого в качестве сердечника, вы также можете использовать ленту, которая изготовлена из трансформаторной стали. Если вы выберите высокочастотный импульсный трансформатор, тогда помните, что сердечник должен изготовляться из ферритовых сплавов. Если вам необходимо, тогда у нас вы можете найти информацию про измерительные трансформаторы.
Расчет импульсного трансформатора
Теперь мы решили предоставить вам инструкцию, как необходимо выполнять расчет импульсного трансформатора. КПД устройства будет напрямую связано с точностью вычислений.
Сначала вам необходимо вычислить уровень мощности устройства. Для этого можно использовать формулу Р=1,3 х Рн. Теперь вам необходимо выполнить расчет габаритной мощности. Чтобы выполнить подобный расчет, вам необходимо воспользоваться следующей формулой:
Вот основные параметры, которые могут потребоваться для вычисления:
- Sc – отображает площадь сечения тороидального трансформатора.
- S0 – это площадь окна сердечника.
- Вмакс – это максимальный пик индукции. Он зависит от марки ферромагнитного материала.
- F – параметр, который будет характеризовать частоту.
На следующем этапе, вам необходимо определить количество витков в первичной обмотке Тр2:
Если результат будет неполным, тогда его необходимо округлить в большую сторону. Если вам необходимо определить величину U I, тогда сделать это можно по формуле: UI=U/2-Uэ.Теперь можно перейти к вычислению максимального тока, который будет проходить через первичную обмотку импульсного трансформатора.
Параметр η в этой формуле будет равняться 0.8. Это специальное КПД, с которым должен работать преобразователь. Если необходимо рассчитать диаметр используемого провода для обмотки, тогда следует использовать формулу:
Последним этапом, который необходимо выполнить считается то, что вам следует рассчитать выходную обмотку импульсного трансформатора. Выполнить этот процесс можно по формуле:
Если у вас возникают определенные вопросы, тогда вы можете перейти на тематические сайты. Также в интернете существуют разнообразные программы, которые позволят проводить расчеты с импульсным трансформатором.
Похожие статьи по теме
Поделитесь своим мнением
Отменить ответПопулярное на сайте
Опросы
Наш сайт Все-электричество предоставляет вашему вниманию подробную информацию об электрике. Публикация наших материалов может разрешаться только в том случае если вы укажите ссылку на источник с указанием нашего проекта. Перед использованием нашего проекта рекомендуем прочесть пользовательское соглашение. Вся информация на сайте Все-электричество предоставлена в ознакомительных и познавательных целях. За применение этой информации администрация сайта ответственности не несет.
Трансформатор Тесла (принцип работы аппарата рассмотрим далее) был запатентован в 1896-м году, 22 сентября. Аппарат представили как прибор, производящий электрические токи высокого потенциала и частоты. Устройство было изобретено Николой Тесла и названо его именем. Рассмотрим далее этот аппарат подробнее.
Трансформатор Тесла: принцип работы
Суть действия прибора можно объяснить на примере всем известных качелей. При их раскачивании в условиях принудительных колебаний амплитуда, которая будет максимальной, станет пропорциональной прилагаемому усилию. При раскачивании в свободном режиме максимальная амплитуда при тех же усилиях многократно возрастет. Такова суть и трансформатора Тесла. В качестве качелей в аппарате используется колебательный вторичный контур. Генератор играет роль прилагаемого усилия. При их согласованности (подталкивании в строго необходимые периоды времени) обеспечивается задающий генератор либо первичный контур (в соответствии с устройством).
Описание
Простой трансформатор Тесла включает в себя две катушки. Одна – первичная, другая – вторичная. Также резонансный трансформатор Тесла состоит из тороида (применяется не всегда), конденсатора, разрядника. Последний – прерыватель – встречается в английском варианте Spark Gap. Трансформатор Тесла также содержит «выход» – терминал.
Катушки
Первичная содержит, как правило, провод большого диаметра либо медную трубку с несколькими витками. Во вторичной катушке имеется кабель меньшего сечения. Его витков – около 1000. Первичная катушка может иметь плоскую (горизонтальную), коническую или цилиндрическую (вертикальную) форму. Здесь, в отличие от обычной трансформатора, нет ферромагнитного сердечника. За счет этого существенно снижается взаимоиндукция между катушками. Вместе с конденсатором первичный элемент формирует колебательный контур. В него включен разрядник – нелинейный элемент.
Вторичная катушка тоже формирует колебательный контур. В качестве конденсатора выступают тороидная и собственная катушечная (межвитковая) емкости. Вторичная обмотка часто покрыта слоем лака либо эпоксидной смолы. Это делается во избежание электрического пробоя.
Разрядник
Схема трансформатора Тесла включает в себя два массивных электрода. Эти элементы должны обладать устойчивостью к протеканию сквозь электрическую дугу больших токов. Обязательно наличие регулируемого зазора и хорошего охлаждения.
Терминал
В резонансный трансформатор Тесла этот элемент может быть инсталлирован в разном исполнении. Терминал может представлять собой сферу, заточенный штырь или диск. Он предназначается для получения искровых предсказуемых разрядов с большой длиной. Таким образом, два связанных колебательных контура образуют трансформатор Тесла.
Энергия из эфира – одна из целей функционирования аппарата. Изобретатель прибора стремился достичь волнового числа Z в 377 Ом. Он изготавливал катушки все большего размера. Нормальная (полноценная) работа трансформатора Тесла обеспечивается в случае, когда оба контура настроены на одну частоту. Как правило, в процессе корректировки осуществляется подстройка первичного под вторичный. Это достигается за счет изменения емкости конденсатора. Также меняется количество витков у первичной обмотки до появления на выходе максимального напряжения.
В будущем предполагается создать несложный трансформатор Тесла. Энергия из эфира будет работать на человечество в полной мере.
Действие
Трансформатор Тесла функционирует в импульсном режиме. Первая фаза – конденсаторный заряд до напряжения пробоя разрядного элемента. Вторая – генерация высокочастотных колебаний в первичном контуре. Включенный параллельно разрядник замыкает трансформатор (источник питания), исключая его из контура. В противном случае он будет вносить определенные потери. Это, в свою очередь, снизит добротность первичного контура. Как показывает практика, такое влияние существенно уменьшает длину разряда. В связи с этим в построенной грамотно схеме разрядник всегда ставится параллельно источнику.
Заряд
Его производит внешний источник высокого напряжения на основе низкочастотного повышающего трансформатора. Конденсаторная емкость выбирается так, чтобы она составляла вместе с индуктором определенный контур. Частота его резонанса должна быть равна высоковольтному контуру.
На практике все несколько иначе. Когда осуществляется расчет трансформатора Теслы, не учитывается энергия, которая пойдет на накачку второго контура. Напряжение заряда ограничивается напряжением у пробоя разрядника. Его (если элемент воздушный) можно регулировать. Напряжение пробоя корректируется при изменении формы либо расстояния между электродами. Как правило, показатель находится в пределах 2-20 кВ. Знак напряжения не должен слишком «закорачивать» конденсатор, на котором происходит постоянная смена знака.
Генерация
После того как будет достигнуто напряжение пробоя между электродами, в разряднике формируется электрический лавинообразный пробой газа. Происходит разряжение конденсатора на катушку. После этого резко снижается напряжение пробоя в связи с оставшимися ионами в газе (носителями заряда). Вследствие этого состоящая из конденсатора и первичной катушки цепь контура колебания через разрядник остается замкнутой. В ней образуются высокочастотные колебания. Они постепенно затухают, преимущественно вследствие потерь в разряднике, а также ухода на вторичную катушку электромагнитной энергии. Тем не менее колебания продолжаются, пока током создается достаточное количество зарядных носителей для поддержания в разряднике существенно меньшего напряжения пробоя, чем амплитуда колебаний LC-контура. Во вторичной цепи появляется резонанс. Это приводит к возникновению высокого напряжения на терминале.
Модификации
Какого бы типа ни была схема трансформатора Тесла, вторичный и первичный контуры остаются неизменными. Тем не менее один из компонентов основного элемента может быть разной конструкции. В частности, речь идет о генераторе высокочастотных колебаний. Например, в модификации SGTC этот элемент выполняется на искровом промежутке.
Трансформатор Тесла высокой мощности включает в себя более сложную конструкцию разрядника. В частности, это касается модели RSG. Аббревиатура расшифровывается как Rotary Spark Gap. Ее можно перевести следующим образом: вращающийся/роторный искровой либо статический промежуток с дугогасительными (дополнительными) устройствами. В таком случае частота работы промежутка подбирается синхронно частоте конденсаторной подзарядки. Конструкция искрового роторного промежутка включает в себя двигатель (как правило, он электрический), диск (вращающийся) с электродами. Последние или замыкают, или приближаются к ответным компонентам для замыкания.
Выбор расположения контактов и скорости вращения вала основывается на необходимой частоте следования колебательных пачек. В соответствии с типом управления двигателем различают искровые роторные промежутки асинхронные и синхронные. Также применение искрового вращающегося промежутка значительно понижает вероятность образования паразитной дуги между электродами.
В некоторых случаях обычный разрядник заменяют многоступенчатым. Для охлаждения этот компонент иногда помещают в газообразные или жидкие диэлектрики (в масло, к примеру). В качестве типового приема гашения дуги статистического разрядника используется продувка электродов с помощью мощной воздушной струи. В ряде случаев трансформатор Тесла классической конструкции дополняется вторым разрядником. Задача этого элемента состоит в обеспечении защиты низковольтной (питающей) зоны от высоковольтных выбросов.
Ламповая катушка
В модификации VTTC используют электронные лампы. Они играют роль генератора колебаний ВЧ. Как правило, это достаточно мощные лампы типа ГУ-81. Но иногда можно встретить и маломощные конструкции. Одной из особенностей в данном случае является отсутствие необходимости обеспечения высокого напряжения. Чтобы получить относительно небольшие разряды, нужно порядка 300-600 В. Кроме того, VTTC почти не издает шума, который появляется, когда трансформатор Тесла функционирует на искровом промежутке. С развитием электроники появилась возможность значительно упростить и уменьшить размер прибора. Вместо конструкции на лампах стали применять трансформатор Тесла на транзисторах. Обычно используется биполярный элемент соответствующей мощности и тока.
Как сделать трансформатор Тесла?
Как выше было сказано, для упрощения конструкции используется биполярный элемент. Несомненно, намного лучше применить полевой транзистор. Но с биполярным проще работать тем, кто недостаточно опытен в сборке генераторов. Обмотка катушек связи и коллектора осуществляется проводом в 0.5-0.8 миллиметров. На высоковольтной детали провод берется 0.15-0.3 мм толщиной. Делается приблизительно 1000 витков. На «горячем» конце обмотки ставится спираль. Питание можно взять с трансформатора в 10 В, 1 А. При использовании питания от 24 В и более значительно увеличивается длина коронного разряда. Для генератора можно использовать транзистор КТ805ИМ.
Применение прибора
На выходе можно получить напряжение в несколько миллионов вольт. Оно способно создавать в воздухе внушительные разряды. Последние, в свою очередь, могут обладать многометровой длиной. Эти явления очень привлекательны внешне для многих людей. Любителями трансформатор Тесла используется в декоративных целях.
Сам изобретатель применял аппарат для распространения и генерации колебаний, которые направлены на беспроводное управление приборами на расстоянии (радиоуправление), передачи данных и энергии. В начале ХХ столетия катушка Тесла стала использоваться в медицине. Больных обрабатывали высокочастотными слабыми токами. Они, протекая по тонкому поверхностному слою кожи, не вредили внутренним органам. При этом токи оказывали оздоравливающее и тонизирующее воздействие на организм. Кроме того, трансформатор используется при поджиге газоразрядных ламп и при поиске течей в вакуумных системах. Однако в наше время основным применением аппарата следует считать познавательно-эстетическое.
Эффекты
Они связаны с формированием разного рода газовых разрядов в процессе функционирования устройства. Многие люди коллекционируют трансформаторы Тесла, чтобы иметь возможность наблюдать за захватывающими эффектами. Всего аппарат производит разряды четырех видов. Зачастую можно наблюдать, как разряды не только отходят от катушки, но и направлены от заземленных предметов в ее сторону. На них также могут возникать коронные свечения. Примечательно, что некоторые химические соединения (ионные) при нанесении на терминал могут изменить цвет разряда. К примеру, натриевые ионы делают спарк оранжевым, а борные – зеленым.
Стримеры
Это тускло светящиеся разветвленные тонкие каналы. Они содержат ионизированные газовые атомы и свободные электроны, отщепленные от них. Эти разряды протекают от терминала катушки или от самых острых частей непосредственно в воздух. По своей сути стример можно считать видимой ионизацией воздуха (свечением ионов), которая создается ВВ-полем у трансформатора.
Дуговой разряд
Он образуется достаточно часто. К примеру, если у трансформатора достаточная мощность, при поднесении к терминалу заземленного предмета может образоваться дуга. В некоторых случаях требуется прикосновение предмета к выходу, а затем отведение на все большее расстояние и растягивание дуги. При недостаточной надежности и мощности катушки такой разряд может повредить компоненты.
Спарк
Этот искровой заряд отходит с острых частей или с терминала напрямую в землю (заземленный предмет). Спарк представлен в виде быстро сменяющихся или исчезающих ярких нитевидных полосок, разветвленных сильно и часто. Существует также особый тип искрового разряда. Он называется скользящим.
Коронный разряд
Это свечение ионов, содержащихся в воздухе. Оно происходит в высоконапряженном электрическом поле. В результате создается голубоватое, приятное для глаза свечение около ВВ-компонентов конструкции со значительной кривизной поверхности.
Особенности
В процессе функционирования трансформатора можно услышать характерный электрический треск. Это явление обусловлено процессом, в ходе которого стримеры превращаются в искровые каналы. Он сопровождается резким увеличением количества энергии и силы тока. Происходит быстрое расширение каждого канала и скачкообразное повышение давления в них. В итоге на границах образуются ударные волны. Их совокупность от расширяющихся каналов формирует звук, который воспринимается как треск.
Воздействие на человека
Как и другой источник такого высокого напряжения, катушка Тесла может быть смертельно опасной. Но существует иное мнение, касающееся некоторых типов аппарата. Поскольку у высокочастотного высокого напряжения есть скин-эффект, а ток существенно отстает от напряжения по фазе и сила тока очень мала, несмотря на потенциал, разряд в человеческое тело не может спровоцировать ни остановку сердца, ни прочие серьезные нарушения в организме.
| ||
| Copyright © Russian HamRadio |
Структура и принцип работы источников питания Мегапром
В настоящее время одними из самых передовых источников питания светодиодов и электронной техники являются импульсные источники питания с широтно-импульсной модуляцией ШИМ или PWM . Источник питания ШИМ (от компании Мегапром и MEAN WELL) состоит из следующих пяти структурных частей:
• цепь подавления электромагнитных помех;
• сетевой выпрямитель со сглаживающим фильтром входящего тока;
• преобразователь напряжения (автогенератор) с импульсным трансформатором;
• устройство управления (ШИМ контроллер) с цепью обратной связи и защитой от перегрузок;
• выходной выпрямитель и фильтр.
Принцип работы источников питания ШИМ :
При изменении входного напряжения и/или внешней нагрузки, в управляющей схеме производится коррекция по разнице сигнала управления и опорного сигнала посредством обратной связи, которая регулирует ширину импульса питающего напряжения, увеличивая или уменьшая его. В результате чего на выходе источника питания получается стабильное напряжение.
Все качественные современные блоки питания, предлагаемые компанией Мегапром, имеют :
-
Высокоэффективные фильтры от импульсных помех. Фильтр защищает как от помех из сети, так и от распространения собственных при работе импульсного преобразователя
-
Гальваническая развязка нагрузки от сети, осуществляемую с помощью трансформатора с двумя о обмотками.
-
Обратная связь между выходной цепью и импульсным преобразователем, для стабильности работы и стабильности выходных характеристик источника питания.
-
Контроллер и гальваническая развязка (трансформаторная или оптронная) в цепи обратной связи.
-
Высокоэффективные фильтры выходной цепи для фильтрации и сглаживания помех преобразователя.
1) Пример базовой структуры импульсного блока питания до 150Вт (с оптронной и трансформаторной развязкой в цепи ОС)
2) Пример базовой структуры импульсного блока питания более 200Вт (может быть как с оптронной и трансформаторной развязкой в цепи ОС), с модулем ограничением пусковых токов, с наличеем контроллера температуры и включения вентилятора охлождения .
Высокий уровень схемотехнических решений обеспечивает отличный пуск даже в морозы при температуре -20..-30С и позволяет их эксплуатировать в морозы до -40 градусов!
принцип действия и практические советы по ремонту
Принцип действия импульсного источника питания (ИИП) заключается в преобразовании выпрямленного сетевого напряжения в последовательность прямоугольных импульсов, которые затем преобразуются в постоянное напряжение. Уровень выходного напряжения регулируется изменением скважности импульсов.
Рис. 2. Структурная схема импульсного источника питания.
Рассмотрим обобщенную схему импульсного источника питания ИИП (см. структурную схему). Переменное напряжение через сетевой шнур 1 и плавкий предохранитель 2 поступает на 3 фильтр, предназначенный для защиты от импульсных помех как со стороны электросети, так и со стороны блока питания. Далее, как правило, через ограничительный резистор 4 напряжение поступает на выпрямитель 5. Для фильтрации полученного напряжения к выпрямителю подключен оксидный конденсатор. Все выше перечисленные элементы (1-5) в целом составляют источник первичного электропитания.
Далее выпрямленное сетевое напряжение амплитудой приблизительно 300 В подается на управляемый преобразователь, представляющий собой ключ на биполярном или полевом транзисторе 6, где оно преобразуется в импульсы высокой (более 20 кГц) частоты, поступающие на импульсный трансформатор 7. Со вторичных обмоток трансформатора снимаются напряжения, необходимые для питания схемы аппарата. Помимо этого в функции импульсного трансформатора входит обеспечение автогенераторного режима преобразователя и гальванической развязки сети с нагрузкой.
Чтобы обеспечить требуемое значение выходного напряжения и его стабилизацию, в импульсных блоках питания имеется схема управления 8 ключом. Управление осуществляется путем изменения скважности импульсов генерации. В целях снижения уровня высокочастотных помех в импульсных источниках питания современной бытовой техники применяются в основном схемы, в которых ключ работает на постоянной частоте повторений импульсов, а скважность регулируется формированием широтно-импульсной модуляции. Для его работы используются источник опорного напряжения и сигнал обратной связи, снимаемый либо с дополнительной обмотки импульсного трансформатора (А-А), либо с выпрямителя одного из выходных напряжений (Б-Б). В последнем случае, чтобы обеспечить гальваническую развязку нагрузки и сети, для передачи сигнала используется оптрон 9. Кроме этого схема управления выполняет функции защиты блока питания от перенапряжения, перегрузок по выходному току, сбросов (просадок) напряжения и перегрева.
Схема управления реализована достаточно просто — иногда всего лишь на нескольких транзисторах. В последнее время часто применяются схемы управления в интегральном исполнении. В ряде случаев микросхемы управления могут включать в себя и импульсный ключ.
Поскольку импульсное напряжение, снимаемое с вторичных обмоток трансформатора, униполярно, для его выпрямления используются однополупериодные выпрямители дополнительной стабилизации выходного напряжения могут применяться обычные линейные стабилизаторы 11, которые часто реализуются на микросхемах — интегральные стабилизаторы напряжения.
Основные неисправности и методика ремонта импульсных источников питания
Основным проявлением дефектов импульсных источников питания является их полная неработоспособность, или, как пишут в статьях по ремонту бытовой техники, блок питания не включается. Реже встречается неисправность схемы стабилизации, приводящая к повышенному напряжению на выходе источника питания.
Рассмотрим основные неисправности, когда аппарат не включается на примере видеомагнитофонов.
После проверки сетевого шнура проверяют сетевой предохранитель. Он может выйти из строя либо из-за пробоя элементов выпрямителя, что приводит к короткому замыканию по переменному току через конденсатор фильтра, либо из-за пробоя перехода коллектор-эмиттер (сток-исток) ключевого транзистора. В очень редких случаях предохранитель может перегореть из-за сетевой импульсной помехи или вследствие окисления контактов колодки.
Все вышеперечисленное равным образом относится и к токоограничивающему резистору. Причем, в первую очередь выходит из строя токоограничивающий резистор, а предохранитель скорее всего оказывается исправным. Ни в коем случае не следует заменять этот резистор перемычкой или резистором другого номинала!
Исправность конденсатора фильтра проверяют при необходимости путем замены. Но, как правило, неисправный конденсатор обнаруживается уже при внешнем осмотре.
Далее проверяют исправность ключевого транзистора. Если в схеме блока питания ключевой транзистор входит в состав микросборки, то его проверяют исходя из ее принципиальной схемы — смотрите справочник радиолюбителя на сайте Времонт.su.
Тщательно проверяют на обрыв и соответствие номиналу все низко-Омные резисторы в схеме преобразователя.
Особое внимание следует обратить на оксидные конденсаторы, в первую очередь на те из них, которые размещены вблизи радиатора ключевого транзистора. В ряде моделей видеомагнитофонов (например, «Panasonic NV-G50, J35») импульсы запуска подаются на базу ключа через разделительный конденсатор. При выходе его из строя импульсный источник питания не запускается.
Следует убедиться в исправности вторичных выпрямителей и стабилизаторов, проверить цепи нагрузки. При нахождении дефектов в этих узлах необходимо заменить оптрон обратной связи. То же самое следует сказать при выходе из строя активных элементов в схеме управления ключом.
Если схема управления ключом реализована на микросхеме и все выше перечисленные элементы исправны, а блок питания не запускается, то микросхему следует заменить.
В случае повышенного выходного напряжения неисправность следует искать в схеме стабилизации. Проверке подлежат оптрон обратной связи, активные элементы схемы управления ключом, а также оксидные конденсаторы в их цепях. Например, подобный дефект в видеомагнитофоне «Samsung УК-350» вызывает высыхание конденсатора С110 (согласно принципиальной схемы видеомагнитофона), расположенного, кстати, рядом с сильно греющимся в процессе работы активным элементом блока питания.
По окончании проверки приступают к испытаниям импульсного источника питания отключенным от аппарата. В качестве эквивалента нагрузки можно рекомендовать использовать лампу накаливания соответствующей мощности, рассчитанную на напряжение напряжение нагрузки (например, 40 Вт, 12 В). Убедившись в работоспособности блока питания, можно подключать его к остальной схеме аппарата.
После подключения источника питания к аппарата следует в обязательном порядке проверить соответствие выходных напряжений требуемым по схеме. Для проверки рекомендуется применять цифровой вольтметр, т.е. приборы с высоким входным сопротивлением. Из-за того, что схема преобразователя не имеет гальванической развязки с питающей сетью, измерения в нем должны проводиться с особой осторожностью. Далее с помощью осциллографа следует убедиться, что уровень пульсаций выходных напряжений находится в допустимых пределах, так как многие элементы видеомагнитофона, такие как, например, схема управления, блок обработки сигнала цветности, схема управления двигателями ленто-протяжного механизма, очень чувствительны к нестабильности питающего напряжения.
Далее необходимо проверить все функциональные возможности видеомагнитофона, после чего ремонт можно считать законченным.
В дополнение к изложенному отметим следующее: в перечне элементов, подлежащих проверке, намеренно не упоминается импульсный трансформатор. Дело в том, что его поломка — событие крайне маловероятное, что нельзя сказать про импульсные трансформаторы для вспышек, но это уже другая тема.
Импульсные источники питания — Детский технопарк «Кванториум»
Как известно, с электростанции, в целях минимизации потерь,электричество передается под очень большим напряжением. Обычно это десятки-сотни киловольт. Такое напряжение попадает в трансформаторные пункты, где понижается до привычных нам 220 вольт. В нашей розетке среднее напряжение колеблется около 220-230 вольт с частотой 50 герц.
Однако для работы большинства бытовых электроприборов необходим постоянный ток с гораздо меньшим напряжением, порядка 3, 5 или же 12 вольт. Для этой цели служат вторичные источники питания, которые не генерируют энергию, а преобразуют полученную из сети. Такие источники питания делятся на два типа: линейные и импульсные.
Линейные источники питания просты по своей сути. Поступающее из сети переменное напряжение попадает на линейный трансформатор, где понижается до необходимого значения, а затем выпрямляется благодаря диодной сборке и конденсаторам высокой емкости. Как видно из рисунка, такой трансформатор имеет внушительные размеры, что делает итоговый прибор не только большим, но и тяжелым. Как же тогда делают такие удобные и компактные приборы, которые нас окружают?
Ответ прост – в современных электроприборах используются источники питания импульсного типа. Их строение уже гораздо сложнее, чем у линейных, однако это позволяет значительно уменьшить размеры прибора, увеличив вместе с тем его мощность. Принцип действия у импульсных блоков питания следующий (рис. 2):
1. Сначала напряжение поступает на фильтрующую сборку из конденсаторов и дросселей.
2. Далее идет схема выпрямителя – диодный мост.
3. После этого уже постоянное напряжение попадает на схему инвертора.
4. Инвертор, управляемый ШИМ-контроллером, представляет собой сборку транзисторов, которые, открываясь и закрываясь в нужный момент, формируют импульсное напряжение
5. Это напряжение попадает на импульсный трансформатор. Такой тип трансформаторов куда меньше по габаритам за счет особенностей работы: он работает в режиме переходных процессов, его сердечник всегда остается в состоянии намагничивания. Импульсные трансформаторы позволяют изменить уровень и полярность формируемого импульса напряжения или тока, согласовать сопротивление генератора импульсов с сопротивлением нагрузки, отделить потенциалы источника и приёмника импульсов, получить на нескольких раздельных нагрузках импульсы от одного генератора, создать обратную связь в контурах схемы импульсного устройства.
6.На выходе трансформатора ставится второй выпрямитель, обычно используют быстродействующие сборки диодов Шоттки.
В основе работы импульсных источников питания лежит ШИМ контроллер. Именно он задает длительность импульса, подаваемого на затвор транзистора. А от длительности импульсов зависит и величина выходного напряжения.
Подробнее о ШИМ:
В итоге можно сказать, что с появлением импульсных источников питания наша жизнь стала куда проще. Ведь теперь электроприборы могут быть компактными и удобными в использовании.
принцип работы и функциональные особенности
Трансформатор достаточно сложное техническое устройство, основной функцией которого является преобразование определенных свойств и качеств электрической энергии, например напряжения или крутящего момента. Также современный трансформатор способен преобразовывать переменный ток в постоянный и наоборот.
Среди огромного разнообразия используемых в настоящее время инструментов особо следует отметить их импульсные разновидности.
Импульсный преобразователь широко применяется в системах связи, ТН, устройствах автоматики, для внесения изменений амплитуды импульсов, а также их полярности.Главное условие успешной работы данного типа устройств состоит в том, что искажение сигнала, который с их помощью передается, должно быть минимальным.
Импульсный трансформатор основан в своей деятельности на следующем принципе: пока на его вход поступают прямоугольные импульсы определенного напряжения, в первичной обмотке постепенно возникает электрический ток, мощность которого постепенно начинает возрастать. Это, в свою очередь, влечет за собой изменение магнитного поля и появление во вторичной обмотке электродвижущей силы.При этом искажения сигнала практически отсутствуют, а возможные потери тока настолько малы, что ими можно пренебречь.
Что касается отрицательной части импульса, появление которой неизбежно в момент выхода импульсного трансформатора на проектную мощность, то ее влияние можно минимизировать, установив во вторичной обмотке простой диод. Здесь тоже импульс станет максимально приближенным к прямоугольному.
Импульсный трансформатор отличается от других разновидностей этой технической системы тем, что работает исключительно в ненасыщенном режиме.Его магнитопровод изготовлен из специального сплава, обязательно обладающего значительной пропускной способностью магнитного поля.
Кроме импульсных, в современной энергетике и электронной промышленности применяются следующие типы трансформаторов:
- Деятельность никакой современной радиоаппаратуры невозможна без силовых трансформаторов. Их деятельность многогранна: с одной стороны, они необходимы для питания приемников от обычной сети переменного тока, а с другой — для повышения или понижения напряжения той или иной частоты в усилителях.С этой функцией связана важная конструктивная особенность силовых трансформаторов — вместо стальных сердечников здесь используются вставки из магнетита или карбонильного железа.
- Еще одним типом устройств, используемых в основном в современных системах слежения и бортовых компьютерах самолетов, является вращающийся преобразователь. Принцип его действия заключается в том, что угол поворота рамы преобразуется в напряжение электрического тока. Внешне вращающийся трансформатор представляет собой небольшую электрическую машину, работающую исключительно от переменного тока.Кроме того, в зависимости от того, где применяются эти трансформаторы, они могут быть как двухполюсными, так и многополюсными.
- В зависимости от тока, поступающего на первичный трансформатор, трансформаторы переменного и постоянного тока. Основным типом первого типа является автотрансформатор, состоящий исключительно из одной катушки, которая непосредственно подключается к электрической цепи. Этот тип устройств предназначен исключительно для понижения напряжения и только для очень малых токов. Трансформатор постоянного тока представляет собой более сложное устройство, состоящее из динамо-машины и двигателя.При этом первичный ток генерируется двигателем, а вторичный — динамо-машиной, которая приводится в движение тем же электродвигателем. Часто возникает ситуация, когда трансформатор постоянного тока представляет собой двигатель и динамо-машину, соединенные между собой единой металлической рамой. Это сделано для экономии материала, а также для улучшения качества устройства.
Новый эталонный импульсный трансформатор для локальной сети | Примечание по применению
Новый эталонный преобразователь импульсов LAN
В последние годы разъемы LAN стали стандартным оборудованием не только для компьютеров и других ИТ-продуктов, но и для цифровых телевизоров, а также многих других типов аудиовизуальных устройств и потребительских товаров.Импульсные трансформаторы являются ключевыми компонентами, используемыми в таких интерфейсах LAN. Трансформаторы должны передавать импульсные сигналы с высокой скоростью и в то же время обеспечивать другие функции, такие как изоляция между входом и выходом. Компания TDK применила свои обширные технологические ноу-хау, полученные при разработке фильтров синфазных помех типа SMD (устройства поверхностного монтажа), для создания нового типа импульсного трансформатора SMD, изготовленного с использованием технологии автоматической намотки катушки. Обычные устройства с ручной укладкой обмотки страдают от различных проблем, таких как неравномерность характеристик из-за производственных допусков.Напротив, новые импульсные трансформаторы от TDK обеспечивают превосходную однородность и производительность, сравнимую с существующими продуктами, при гораздо меньших габаритах. Серия ALT обязательно станет новым эталоном в этой области.
Ethernet стал доминирующим форматом LAN вместе с прогрессом компьютеров
Стандарт Ethernet, который в настоящее время является доминирующим во всем мире форматом для ЛВС (локальных вычислительных сетей), был разработан в начале 1980-х годов в США. Первоначально он был разработан для соединения рабочих станций в исследовательских учреждениях, на предприятиях и в аналогичных профессиональных средах.Но вместе с эволюцией персональных компьютеров локальные сети стали широко распространенным решением для соединения нескольких ПК, и рынок локальных сетей рос как на дрожжах. Соединение отдельных локальных сетей на большем расстоянии называется глобальной сетью (WAN), а соединение между несколькими компьютерами и аудиовизуальными устройствами в доме называется домашней сетью или домашней локальной сетью. В отличие от беспроводных локальных сетей, для локальной сети Ethernet требуется кабельное соединение, но это обеспечивает очень надежную передачу данных на гораздо более высоких скоростях.
Существуют различные форматы Ethernet, которые отличаются такими аспектами, как тип кабельного соединения и скорость передачи. Они определяются соответствующими стандартами и обозначаются такими терминами, как 100BASE-T или 1000BASE-T. Первый рассчитан на скорость передачи (пропускную способность) 100 Мбит/с, а второй достигает скорости до 1000 Мбит/с (1 гигабит в секунду). Буква «T» указывает на то, что в данном формате используется кабель с витой парой.
Импульсный преобразователь: ключевой компонент интерфейса LAN
Электронные устройства, оснащенные разъемом LAN, имеют встроенный адаптер LAN, который позволяет подключить устройство к сети, просто подключив кабель.До того, как сетевые адаптеры стали стандартом для материнских плат ПК, они обычно были доступны в виде вставных карт, предназначенных для вставки в слот компьютера. Одной из причин, по которой адаптеры теперь интегрируются в компьютеры, является распространение широкополосных интернет-соединений.
Разъем LAN, также называемый LAN-портом, чем-то похож на модульную телефонную розетку, но имеет несколько большие размеры. Это называется разъемом RJ45. Внутри разъема RJ45 сигналы направляются через синфазные дроссели (фильтры) на импульсный трансформатор, а затем на микросхему приемопередатчика.Модуль разъема LAN объединяет разъем RJ45, синфазные дроссели и импульсный трансформатор в одном компактном устройстве.
Импульсный трансформатор представляет собой специальный тип трансформатора, предназначенный для передачи импульсных сигналов. В отличие от силового трансформатора, его целью является не передача мощности; следовательно, его можно сделать значительно более компактным, что позволит поместить его в соединительный модуль.
Традиционный метод: ручная намотка на тороидальном сердечнике
Импульсный трансформатор имеет простую конструкцию, построенную вокруг тороидального (кольцеобразного) сердечника, на котором намотаны первичная и вторичная обмотки.Однако, хотя принцип работы и конструкция просты, импульсные трансформаторы на самом деле представляют собой довольно сложные электронные компоненты для хорошей сборки. Такие аспекты, как конструкция, выбор материала сердечника и метод намотки, значительно влияют на результат, а добиться однородных характеристик непросто.
По сравнению с другими трансформаторами с сердечниками, которые по своей природе имеют воздушные зазоры, тороидальный трансформатор имеет меньший поток рассеяния и, следовательно, может обеспечивать более высокие характеристики. Следовательно, импульсные трансформаторы традиционно проектировались как тороидальные трансформаторы, но из-за их формы катушки обычно наматываются вручную, поскольку автоматическую намотку трудно реализовать.Это неизбежно приводит к допускам между готовыми единицами и представляет собой препятствие для стабильного качества и массового производства.
Новый производственный метод, основанный на прорывной идее
Не только персональные компьютеры, но и многие другие типы оборудования в наши дни, такие как цифровые телевизоры и аудиовизуальные устройства, обычно поставляются с разъемами LAN. Таким образом, импульсные трансформаторы для приложений LAN стали очень востребованным продуктом. Если принять за данность тороидальную форму сердечника, автоматическая намотка невозможна, а потребности рынка трудно удовлетворить.
Импульсные трансформаторы SMD серии ALT от TDK представляют собой радикальное отличие. Думая нестандартно, наши инженеры придумали решение, позволяющее организовать производственный процесс с использованием автоматизированной намотки.
Команда разработчиков взяла за основу фильтры синфазных помех типа SMD, которые широко используются в качестве шумоподавляющих компонентов. Фильтр синфазных помех похож на импульсный трансформатор тем, что в нем используются две обмотки на тороидальном сердечнике. Чтобы обеспечить массовое производство, TDK разработала новаторский подход, который использует автоматическую намотку на сердечник барабана, а затем соединяет его с сердечником из плоской пластины.Оказалось, что очень похожая конструкция сердечника и метод автоматической намотки, что и для фильтров синфазных помех типа SMD, на самом деле могут быть применены к импульсным трансформаторам. Это привело к разработке новых импульсных трансформаторов типа SMD.
Конструкция обмотки требует передовых технических знаний
Сила связи между первичной и вторичной обмотками трансформатора выражается коэффициентом связи (k). В идеальном трансформаторе это было бы 1, но в реальном мире поток рассеяния и другие факторы приводят к тому, что коэффициент k меньше 1.
Таким образом, ключевым аспектом конструкции трансформатора является вопрос о том, как добиться коэффициента, максимально близкого к 1. Как описано выше, воздушный зазор в сердечнике трансформатора вызывает поток рассеяния, приводящий к индуктивности рассеяния, что ухудшает характеристики трансформатора. Разработав новую форму сердечника, подходящую для автоматизированной намотки, TDK смогла уменьшить зазор на стыке между барабанным сердечником и пластинчатым сердечником менее чем наполовину, что привело к значительному уменьшению потока рассеяния.
Конструкция обмотки также важна для снижения коэффициента связи. Обмотки трансформатора подвержены явлению, называемому паразитной емкостью, которое не отображается на принципиальных схемах. Хотя обмотки электрически изолированы, разность потенциалов заставляет соседние обмотки действовать как электроды конденсатора. Этот тип паразитной емкости называется внутриобмоточной емкостью. Кроме того, существует еще один вид паразитной емкости, а именно емкость распределения обмотки между первичной и вторичной обмотками.Уменьшение этих типов паразитной емкости требует компромисса, поскольку это уменьшение приводит к увеличению индуктивности рассеяния. Таким образом, для достижения хорошей конструкции обмотки требуются передовые технические ноу-хау, которые нелегко получить.
Использование феррита в качестве идеального сердечника для импульсного трансформатора
Поскольку импульсные сигналы обычно охватывают очень широкий диапазон частот, выбор материала сердечника имеет решающее значение для предотвращения чрезмерных искажений формы импульсных сигналов, которые могут ухудшить качество сигнала.
Например, импульсный трансформатор для соединения 100BASE-T Ethernet должен иметь значение индуктивности не менее 350 микрогенри (мкГн) при подаче постоянного смещения 8 мА. Таким образом, выдающиеся характеристики суперпозиции постоянного тока феррита весьма желательны, поскольку кривая намагничивания остается линейной даже при приложении постоянного магнитного поля смещения. (Искажение формы сигнала увеличивается по мере приближения к изогнутой части графика характеристик.) Требуется ферритовый материал, обладающий как высокой магнитной проницаемостью, так и высокой плотностью потока насыщения, который демонстрирует эти характеристики во всем диапазоне температур, существующем в нормальной среде локальной сети.
Используя свой обширный опыт работы с ферритовыми технологиями, TDK разработала ферритовый материал, оптимизированный для применения в импульсных трансформаторах. Для достижения этой цели были тщательно пересмотрены как состав материала, так и микроструктура. В серии ALT используется новый материал, отвечающий техническим требованиям высокоскоростных ЛВС следующего поколения.
Высокая производительность на уровне предыдущих продуктов, достигнутая за счет автоматизированной намотки
Серия ALT обеспечивает высокую надежность и производительность, необходимые для импульсного трансформатора для приложений LAN, и делает это в компактном корпусе типа SMD, изготовленном с автоматической намоткой, что считалось очень трудным для реализации.Как видно из диаграммы, показанной справа, целостность сигнала находится на том же уровне, что и у обычных продуктов, хотя корпус SMD заметно меньше.
В импульсных трансформаторах серии ALT используется не только автоматическая намотка катушек, но и автоматизированная термокомпрессионная сварка концевых электродов и проводов. С обычными изделиями требуется ручная обработка проволоки и пайка. Автоматизация этих шагов приводит к более равномерному качеству.
Производственный процесс для обычных продуктов является полуавтоматическим, с пакетной обработкой на этапах от электрических испытаний до наклеивания ленты.Напротив, производственный процесс для серии ALT является непрерывным и полностью автоматизированным.
Меньшая занимаемая площадь приводит к значительной экономии места
Импульсный трансформатор обычно встроен в модуль LAN вместе с синфазными дросселями и другими частями. С обычными компонентами сложная проводка, а также пайка должны были выполняться вручную при монтаже импульсного трансформатора. Затем детали были зафиксированы смолой. Поскольку трансформаторы серии ALT представляют собой компоненты SMD, их можно монтировать вместе с другими деталями на этапе оплавления, что значительно упрощает процесс и сокращает количество необходимых рабочих часов.
Еще одним преимуществом являются более компактные размеры, которые способствуют экономии места. В сочетании с шумоподавлением в соответствии с методом дифференциального переноса требуемая занимаемая площадь может быть уменьшена примерно на 40–60 % (используя монтаж на одной плате в сочетании с фильтрами синфазных помех серии ACM от TDK).
Серия ALT, как и ее предшественники, обозначена TDK как полностью бессвинцовый «экологически безопасный» продукт, который полностью исключает свинец и соединения свинца и совместим с бессвинцовой пайкой.Серия ALT также не содержит галогенов и поэтому подходит для компаний, стремящихся полностью исключить галогены из своей конечной продукции.
На пути к высокоскоростной локальной сети следующего поколения, объединяющей проводные и беспроводные соединения
Беспроводная локальная сеть получает все большее распространение, но проводная локальная сеть по-прежнему имеет явное преимущество с точки зрения высокой скорости передачи, устойчивости к помехам и стабильности работы. Импульсные трансформаторы, которые являются ключевым компонентом для приложений LAN, должны будут соответствовать требованиям к производительности для решений Ethernet следующего поколения.
Серверы, маршрутизаторы и подобное оборудование должны поддерживать более высокие скорости и обеспечивать исключительную надежность, в то время как компактные размеры и низкопрофильный форм-фактор являются целевыми задачами при разработке ноутбуков, цифровых телевизоров, устройств записи с жестким диском, игровых консолей и т. д. В автоматизации производства секторе требуется дальнейшее повышение производительности в широком диапазоне температурных условий.
Охватывая весь спектр от домашнего использования до промышленного применения, серия ALT соответствует спецификациям высокой производительности.Впервые в отрасли эти компактные импульсные трансформаторы типа SMD оснащены автоматической намоткой. Высокоскоростные сети следующего поколения, объединяющие проводные и беспроводные соединения, потребуют передовых технологий компонентов. В полной мере используя свои обширные ноу-хау в основных технологиях, а именно в технологии материалов, технологических процессах и технологиях оценки и моделирования, TDK предлагает сложные прикладные продукты для локальных сетей, отвечающие этим потребностям.
Основные характеристики
- Тип SMD с автоматической намоткой, форма может быть адаптирована к требованиям заказчика
- Поддержка автоматизированного монтажа, пайки оплавлением и применения без галогенов
Основные области применения
Бытовое/промышленное оборудование с интерфейсом LAN, такое как цифровая бытовая техника, телевизионные приставки, ПК
Габаритный чертеж и принципиальная схема
Основные характеристики
| Деталь № | АЛЬТ3232М-151-Т001 | АЛЬТ4532М-171-Т001 | АЛЬТ4532М-201-Т001 |
|---|---|---|---|
| Индуктивность *1 | 150 мкГн мин. | 170 мкГн мин. | 200 мкГн мин. |
| Вносимые потери *2 | 2,5 дБ макс. | 2,5 дБ макс. | 1,5 дБ макс. |
| Внутриобмоточная емкость | 25 пФ макс. | 35 пФ макс. | |
| Диапазон рабочих температур | от -40 до 85°C | ||
| Форм-фактор | 3,2 х 3,2 мм | 4,5 х 3,2 мм | |
| Толщина | 2,9 мм макс. | 2,2 мм макс. | 2,9 мм макс. |
*1 Смещение постоянного тока 8 мА, 100 кГц
*2 от 0,1 до 100 МГц
Внедрение импульсного трансформатора — Знание
Так называемый импульсный трансформатор представляет собой широкополосный трансформатор.Для трансформаторов, используемых для связи, нелинейные искажения являются чрезвычайно важным показателем, поэтому трансформатор требуется для работы при начальной проницаемости сердечника, так что даже трансформатор с очень небольшой мощностью, как входной трансформатор, должен иметь довольно большой внешний вид. . Помимо рассмотрения частотных характеристик трансформатора, важно также уменьшить потери.
Структура импульсного трансформатора:
Структура импульсного трансформатора аналогична общему управляющему трансформатору.Токопроводящая обмотка и магнитопроводящий сердечник образуют сердечник импульсного трансформатора. Однако большинство сердечников импульсных трансформаторов имеют форму кольца, а материал, как правило, представляет собой пермаллой или Mn-Zn-железо-кислород-магниевую керамику; обмотки двусторонние или трехсторонние, а обмотка третьей стороны обычно предназначена для улучшения определенных характеристик. Характеристика обмотки заключается в изменении полярности импульсного сигнала на выходе путем изменения направления намотки вторичной обмотки.
Принцип работы импульсного трансформатора:
Принцип работы импульсного трансформатора использует характеристику магнитного насыщения сердечника для преобразования входного синусоидального напряжения в трансформатор с узким импульсным выходным напряжением. Его можно использовать для розжига горелок, срабатывания тиристоров и т. д. Конструкция импульсного трансформатора такова, что исходная обмотка намотана на сердечник, образованный листом кремнистой стали большого сечения, а вторичная обмотка намотана на столбец из пермаллоя с малым поперечным сечением, который легко подвергается сильному насыщению, и между двумя столбцами может быть установлен магнитный шунт.По отношению к напряжению и потоку входное напряжение u1 представляет собой синусоидальную волну, которая создает синусоидальный поток Φ1 в левом сердечнике. Магнитный поток Ф2 в правом сердечнике сильно насыщается и представляет собой волну с плоской вершиной. Он изменяется только около нуля и сразу же насыщается до постоянного значения. Когда значение перехода через нуль Φ2 является мгновенным, во вторичной обмотке индуцируется очень крутая узкоимпульсная электродвижущая сила e2. Магнитный шунт имеет воздушный зазор, а Φσ изменяется существенно линейно, подобно магнитной утечке, и его функция заключается в обеспечении синусоидальности Φ1.
Основное назначение импульсного трансформатора:
Импульсные трансформаторы широко используются в радиолокации и преобразовательной технике; согласование сопротивления нагрузки и характеристического сопротивления фидера; повышение или понижение импульсного напряжения; изменение полярности импульса; изоляция вторичной и первичной цепей трансформатора с использованием нескольких вторичных обмоток для получения соотношения фаз; изоляция постоянной составляющей источника питания; сильная связь между коллектором (анодом) и базой (затвором) в транзисторном (или ламповом) генераторе импульсов; использование нескольких вторичных обмоток для получения нескольких различных амплитуд. Импульс значения вызывает положительную обратную связь между пластиной и затвором лампы или коллектором и базой транзистора для создания автоколебаний; как элемент синтеза и преобразования энергии.
Двенадцатиимпульсный преобразователь | Линейный ток | Разность фаз
Двенадцатиимпульсный преобразователь:Из предыдущего обсуждения ясно, что увеличение количества импульсов до шести значительно повышает производительность преобразователя. Линейный ток переменного тока имеет только нечетные гармоники, а значение g увеличивается до 0,96, что указывает на то, что содержание основной гармоники составляет 96% от общего среднеквадратичного значения тока. Шестиимпульсный преобразователь получается соответствующим соединением двух трехимпульсных преобразователей.Идея может быть расширена для увеличения числа импульсов выходного напряжения до 12 или 24 за счет подходящих взаимосвязей шестиимпульсных преобразователей. Можно показать, что соединение двух шестиимпульсных преобразователей со сдвигом фаз на 30° приводит к двенадцатиимпульсному преобразователю с входным током, в котором отсутствуют нижние пятая и седьмая гармоники. Кроме того, увеличение количества импульсов уменьшает пульсации на выходе, что приводит к уменьшению схемы сглаживающей индуктивности. Коэффициент мощности улучшается вследствие улучшения g.
Двенадцатиимпульсный преобразователь для приложений с более высоким напряжением получается путем соединения двух шестиимпульсных преобразователей, как показано на рис. 3.42. Входное напряжение преобразователей должно иметь разность фаз 30°, что может быть достигнуто двумя способами.
- Первичная обмотка одного трансформатора соединена звездой, а другого — треугольником.
- Трансформатор преобразователя имеет две вторичные обмотки, одна из которых соединена в звезду, а другая в треугольник.
Эти соединения изображены на рис. 3.43, 3.42.
Двенадцатиимпульсные преобразователи получаются также путем соединения двух шестиимпульсных преобразователей с межфазным трансформатором через другой межфазный трансформатор. 12 импульсов получаются за счет разности фаз между мгновенными значениями и выходными напряжениями отдельных преобразователей. Дополнительный межфазный трансформатор имеет почти такую же конструкцию, как и другой межфазный трансформатор. Соединения показаны на рис.3.44.
Преимущества двенадцатимпульсного преобразователя очевидны. Содержание пульсаций переменного напряжения, накладывающееся на среднее значение постоянного напряжения, значительно уменьшается. Значение g увеличивается (0,988), эффективно улучшая коэффициент мощности. Линейные токи двенадцатиимпульсного преобразователя показаны на рис. 3.44(б). Они создаются отдельными первичными токами, показанными на рисунке. Присутствуют гармоники = 12K ± 1, K = 1, 2, 3,
Иногда преимущества увеличения числа импульсов нивелируются сложностью подключения трансформатора и трудностями поддержания баланса в системе.Это происходит, когда два двенадцатиимпульсных преобразователя соединяются между собой, образуя 24-импульсный преобразователь. Такие трудности не способствуют увеличению числа пульсов выше 12 или, самое большее, 24.
Проверить межвитковое замыкание обмотки импульсного трансформатора. Простые советы, как проверить трансформатор мультиметром на работоспособность. Основы и принцип работы
Трансформатор представляет собой простое электрическое устройство и используется для преобразования напряжения и тока. Входная и одна или несколько выходных обмоток намотаны на общем магнитопроводе.Переменное напряжение, подаваемое на первичную обмотку, индуцирует магнитное поле, которое вызывает появление переменного напряжения той же частоты во вторичных обмотках. Коэффициент передачи меняется в зависимости от соотношения числа витков.
Для проверки неисправностей трансформатора в первую очередь необходимо определить выводы всех его обмоток. Это можно сделать по нему, где указаны номера выводов, обозначение типа (тогда можно пользоваться справочниками), при достаточно большом размере есть даже чертежи.Если трансформатор находится непосредственно в каком-то электронном устройстве, то принципиальная схема устройства и спецификация все это прояснят.
Определив все выводы, можно проверить мультиметром два дефекта: обрыв обмотки и замыкание на корпус или другую обмотку.
Для определения обрыва нужно «прозвонить» в режиме омметра по очереди каждую обмотку, отсутствие показаний («бесконечное» сопротивление) свидетельствует об обрыве.
Цифровой мультиметр может давать неточные показания при проверке обмоток с большим количеством витков из-за их высокой индуктивности.
Для поиска замыкания на корпус один щуп мультиметра подключают к выводу обмотки, а второй поочередно касается выводов других обмоток (достаточно одного из двух) и корпуса (точка контакта должна очистить от краски и лака). Короткого замыкания быть не должно, поэтому необходимо проверять каждый вывод.
Междувитковая цепь трансформатора: как определить
Еще один распространенный дефект трансформаторов — межвитковое замыкание, его практически невозможно распознать только мультиметром.В этом могут помочь внимательность, острое зрение и обоняние. Провод изолирован только за счет лакового покрытия; при пробое изоляции между соседними витками сопротивление все равно остается, что приводит к локальному нагреву. При визуальном осмотре на исправном трансформаторе не должно быть почернений, потеков и вздутий заливки, обугливания бумаги, запаха гари.
Если тип трансформатора определен, то по справочнику можно узнать сопротивление его обмоток.Для этого воспользуемся мультиметром в мегомметровом режиме. Измерив сопротивление изоляции обмоток трансформатора, сравниваем его с эталоном: отличия более 50% говорят о неисправности обмотки. Если сопротивление обмоток трансформатора не указано, то всегда приводится число витков, и тип провода и теоретически при желании его можно рассчитать.
Можно ли тестировать бытовые понижающие трансформаторы?
Можно попробовать проверить мультиметром распространенные классические понижающие трансформаторы, используемые в блоках питания различных устройств с входным напряжением 220 вольт и выходной постоянной от 5 до 30 вольт.Осторожно, исключая возможность прикосновения к оголенным проводам, подается на первичную обмотку 220 вольт.
При появлении запаха, дыма, трески необходимо немедленно выключить, опыт неудачен, неисправна первичная обмотка.
Если все в норме, то касаясь только щупов тестера, измеряется напряжение на вторичных обмотках. Отличие от ожидаемого более чем на 20% в меньшую сторону свидетельствует о неисправности этой обмотки.
Для сварки в домашних условиях требуется функциональный и производительный аппарат, который сейчас слишком дорого покупать.Его вполне можно собрать из подручных материалов, предварительно изучив соответствующую схему.
Что такое солнечные батареи и как с их помощью создать систему энергоснабжения дома, расскажет эта тема.
Мультиметр тоже может помочь, если есть аналогичный, но заведомо исправный трансформатор. Сопротивления обмоток сравниваются, разброс менее 20% — это норма, но нужно помнить, что при значениях менее 10 Ом не каждый тестер сможет дать правильные показания.
Мультиметр сделал все возможное. Для дальнейшей проверки вам понадобится осциллограф.
Подробная инструкция: как проверить трансформатор мультиметром на видео
Н. Тюнин
Проверка импульсных трансформаторов (ИТ), применяемых в блоках питания и выходных каскадах строчной развертки (ТДКС) современных телевизоров, с помощью омметра (даже цифрового) не дает положительных результатов. Причина в том, что обмотки ИТ, за исключением высоковольтных обмоток ТДКС, имеют очень малое активное сопротивление.Самый простой (но не самый доступный) способ — измерить индуктивности обмоток и сравнить их с паспортными данными, если они есть. Другой способ, предложенный в, заключается в проверке ИТ с помощью генератора низкой частоты, работающего на резонансной частоте контура, образованного внешним конденсатором С1 и обмоткой ИТ Т1 (рис. 1).
Предлагаемый способ проверки ИТ не требует отдельного генератора, а использует калибратор, имеющийся практически в каждом осциллографе.Как правило, это генератор прямоугольных импульсов частотой 1….2 кГц. Испытываемый трансформатор подключается к осциллографу по схеме, приведенной на рис. 2. Осциллограмма 1 (рис. 3) соответствует форме выходного сигнала калибратора при его отключении от ИТ, а осциллограмма 2 – к форма сигнала в контрольной точке ТТ (см. рис. 2) после подключения калибратора к первичной обмотке Т1. Если в контрольной точке присутствуют дифференцированные импульсы и амплитуда сигнала Um2 примерно соответствует амплитуде выходного сигнала калибратора Um1, то испытуемый ИТ можно считать исправным.Если импульсов нет, то можно сделать однозначный вывод о коротком замыкании в одной из обмоток ИТ. Возможен вариант, когда сигнал имеет вид, показанный на осциллограмме 3 (см. рис. 3), и его амплитуда сильно занижена. Это свидетельствует о наличии короткозамкнутых витков в одной из обмоток ИТ.
Предложенный метод проверки может быть успешно применен без выпаивания ИТ из схемы. При этом один из выводов первичной обмотки отключается от цепи и подключается к выходу калибратора (см.2) и ИТ проверяется в указанной выше последовательности. Форма сигнала на работающем ИТ должна соответствовать осциллограмме 2 (см. рис. 3). Если в схеме неисправен один из диодов вторичного выпрямителя или имеются короткозамкнутые витки в одной из обмоток ИТ, то форма сигнала будет соответствовать осциллограмме 3.
Литература
А. Родин, Н. Тюнин. Ремонт импортных телевизоров. Ремонт, Выпуск 9. Москва: Солон, 2000.
[адрес электронной почты защищен]
Основным элементом блока питания цифровых устройств является устройство преобразования тока и напряжения.Поэтому в случае поломки техники зачастую подозрение падает именно на него. Проще всего проверить импульсный трансформатор с помощью мультиметра. Существует несколько методов измерения. Какой из них выбрать, зависит от ситуации и ожидаемого ущерба. При этом самостоятельно проверить любой из них не составляет труда.
Конструкция преобразователя
Прежде чем приступить непосредственно к проверке импульсного трансформатора (ИТ), желательно знать, как он работает, понимать принцип работы и различать существующие типы.Такое импульсное устройство применяется не только в составе блока питания, его используют в построении защиты от короткого замыкания в режиме холостого хода и как стабилизирующий элемент.
Импульсный трансформатор используется для преобразования величины тока и напряжения без изменения их формы. То есть он может изменять амплитуду и полярность разного рода импульсов, согласовывать друг с другом различные электронные каскады, создавать надежную и устойчивую обратную связь. Поэтому основным требованием к нему является сохранение формы импульса.
Магнитопровод в трансформаторе выполнен из пластин электротехнической стали, кроме тороидальной формы, у которой он выполнен из прокатного или ферромагнитного материала. Каркасы катушек размещены на изоляторах, и используются только медные провода. Толщина пластин подбирается в зависимости от частоты.
Расположение обмоток может быть выполнено спиральным, коническим и цилиндрическим. Особенностью первого типа является использование не проволоки, а широкой тонкой ленты из фольги.Во-вторых, они выполнены с разной толщиной изоляции, что влияет на напряжение между первичной и вторичной обмотками. Третий тип представляет собой конструкцию с проволокой, намотанной на стержень по спирали.
Как работает устройство
Принцип действия ИТ основан на возникновении электромагнитной индукции. Так, если на первичную обмотку подать напряжение, то по ней начнет протекать переменный ток. Его появление приведет к возникновению непостоянного по величине магнитного потока.Таким образом, эта катушка является своеобразным источником магнитного поля. Этот поток передается через короткозамкнутый сердечник на вторичную обмотку, индуцируя на ней электродвижущую силу (ЭДС).
Значение выходного напряжения зависит от соотношения числа витков между первичной обмоткой и вторичной, а максимальная сила тока зависит от сечения используемого провода. При подключении к выходу мощной нагрузки увеличивается потребляемый ток, что при малом сечении провода приводит к перегреву трансформатора, повреждению изоляции и прогоранию.
Работа ИТ также зависит от частоты сигнала, который подается на первичную обмотку. Чем выше эта частота, тем меньше потерь при преобразовании энергии. Поэтому при высокой скорости подаваемых импульсов габариты устройства могут быть меньше. Это достигается за счет работы магнитопровода в режиме насыщения, а для уменьшения остаточной индукции используется небольшой воздушный зазор. Этот принцип используется при построении ИТ, на который подается сигнал длительностью всего несколько микросекунд.
Подготовка и проверка
Для проверки работоспособности импульсного трансформатора можно использовать как аналоговый мультиметр, так и цифровой. Использование второго предпочтительнее из-за его простоты использования. Суть подготовки цифрового тестера сводится к проверке аккумулятора и щупов. При этом устройство стрелочного типа дополнительно дополнительно настраивается.
Аналоговый прибор настраивается переключением режима работы на область измерения минимально возможного сопротивления.После этого два провода вставляются в гнезда тестера и замыкаются накоротко. Специальной подстроечной рукояткой положение стрелки устанавливается напротив нуля. Если стрелку не удается установить на ноль, то это указывает на разряженные аккумуляторы, которые нужно будет заменить.
Цифровым мультиметром проще. В его конструкции используется анализатор, который следит за состоянием аккумулятора и при ухудшении его параметров выводит на экран тестера сообщение о необходимости его замены.
При проверке параметров трансформатора используются два принципиально разных подхода. Первый заключается в оценке работоспособности непосредственно в контуре, а второй независим от него. Но важно понимать, что если ИТ не убрать из схемы или хотя бы не отключить ряд выводов, то погрешность измерения может быть очень большой. Это связано с другими радиоэлементами, которые шунтируют вход и выход устройства.
Процедура обнаружения дефектов
Важным этапом проверки трансформатора мультиметром является определение обмоток.Причем их направление не играет существенной роли. Это можно сделать по маркировке на устройстве. Обычно на трансформаторе указан определенный код.
В некоторых случаях к ИТ может быть приложена схема расположения обмоток или даже подписаны их выводы. Если в устройстве установлен трансформатор, то в поиске распиновки поможет принципиальная схема или спецификация. Также часто обозначения обмоток, а именно напряжение и общий вывод, подписаны на самой печатной плате возле разъемов, к которым подключается устройство.
После того, как выводы определены, можно переходить непосредственно к проверке трансформатора. Список неисправностей, которые могут возникнуть в устройстве, ограничен четырьмя пунктами:
- повреждение ядра;
- перегорел контакт;
- пробой изоляции, приводящий к межвитковому или корпусному короткому замыканию;
- обрыв провода.
Последовательность испытаний сводится к первичному внешнему осмотру трансформатора.Его тщательно проверяют на предмет почернения, сколов и запаха. Если явных повреждений не обнаружено, то приступайте к измерению мультиметром.
Для проверки целостности обмоток лучше всего использовать цифровой тестер, но можно проверить их и с помощью стрелочного индикатора. В первом случае используется режим прозвонки диодов, обозначаемый на мультиметре символом — |> | -))). Для определения обрыва к цифровому устройству подключаются щупы. Один подключается к разъемам с маркировкой V/Ω, а другой подключается к COM.Галетный переключатель переведен в зону непрерывности. Измерительные щупы последовательно прикасаются к каждой обмотке, красные — к одному ее выводу, а черные — к другому. Если он цел, мультиметр издаст звуковой сигнал.
Аналоговым тестером проверка выполняется в режиме измерения сопротивления. Для этого на тестере выбирается наименьший диапазон измерения сопротивления. Это можно сделать с помощью кнопок или переключателя. Щупы прибора, как и в случае с цифровым мультиметром, касаются начала и конца обмотки.При его повреждении стрелка останется на месте и не отклонится.
Аналогично проверяется короткое замыкание. Короткое замыкание может произойти из-за пробоя изоляции. В результате сопротивление обмотки уменьшится, что приведет к перераспределению магнитного потока в устройстве. Прибор переключается в режим проверки сопротивления для проверки. Прикоснувшись щупами к обмоткам, наблюдают результат на цифровом табло или на шкале (отклонение стрелки). Этот результат не должен быть меньше 10 Ом.
Чтобы убедиться в отсутствии короткого замыкания на магнитопровод, одним щупом прикасаются к «железу» трансформатора, а вторым — последовательно к каждой обмотке. Не должно быть отклонения стрелки или появления звукового сигнала. Стоит отметить, что тестер может прозвонить межвитковую цепь только в приблизительном виде, так как погрешность прибора достаточно высока.
Измерение напряжения и тока
При подозрении на неисправность трансформатора тестирование можно проводить, не отключая его полностью от цепи.Этот метод тестирования называется прямым, но он несет в себе риск получить удар током. Суть действий при измерении тока заключается в выполнении следующих шагов:
- одна из ветвей вторичной обмотки выпаивается из схемы;
- черный провод вставляется в разъем СОМ мультиметра, а красный провод подключается к разъему, обозначенному буквой А;
- переключатель устройства переведен в положение, соответствующее зоне АСА.
- щупом, подключенным к красному проводу, коснитесь свободной ножки, а к черному — места, к которому она была припаяна.
При подаче напряжения, если трансформатор исправен, через него начнет протекать ток, значение которого видно на экране тестера. Если ИТ имеет несколько вторичных обмоток, то силу тока проверяют на каждой из них.
Измерение напряжения происходит следующим образом. Цепь с установленным трансформатором подключается к источнику питания, после чего тестер переключается в зону ACV (переменный сигнал). Вилки проводов вставляются в гнезда V/Ω и COM и касаются начала и конца обмотки. Если с ИТ все в порядке, результат будет отображаться на экране.
Удаление характеристик
Для возможности проверки трансформатора мультиметром таким способом необходима его вольт-амперная характеристика. На этом графике отображается зависимость между разностью потенциалов на зажимах вторичных обмоток и током, приводящим к их намагничиванию.
Суть метода заключается в следующем: трансформатор вынимают из цепи, на его вторичную обмотку с помощью генератора подают импульсы разной величины.Мощность, подводимая к катушке, должна быть достаточной для насыщения магнитопровода. При каждом изменении импульса измеряют ток в катушке и напряжение на выходе источника, размагничивают магнитопровод. Для этого после снятия напряжения ток в обмотке в несколько подходов увеличивается, после чего уменьшается до нуля.
По мере снятия ВАХ ее реальная характеристика сравнивается с эталонной.Уменьшение его крутизны свидетельствует о появлении в трансформаторе межвиткового замыкания. Важно отметить, что для построения ВАХ необходимо использовать мультиметр с электродинамической головкой (стрелкой).
Таким образом, с помощью обычного мультиметра можно с большой долей вероятности определить работоспособность ИТ , но для этого лучше всего выполнить комплекс измерений. Хотя для правильной интерпретации результата следует понимать принцип работы прибора и представлять какие процессы в нем происходят, но в принципе для успешного измерения достаточно просто уметь переключать прибор в разные режимы .
Диапазон частот «развертки»:
Силовые трансформаторы НЧ: 40-60 Гц.
Импульсные трансформаторы питания: 8-40 кГц.
Трансформаторы разделительные, ТДКС: 13-17 кГц.
Разделительные трансформаторы, мониторы ТДКС (для персональных компьютеров):
КГА: 13-17 кГц.
ЭГА: 13–25 кГц.
VGA: 25–50 кГц.
Если взять импульсный силовой трансформатор, например, разделительный трансформатор строчной развертки, подключить его согласно рис. 1, подать на обмотку I U=5 — 10В F=10 — 100 кГц синусоиду через С=0.1 — 1,0 мкФ, то на II обмотке с помощью осциллографа наблюдаем форму выходного напряжения.
Рис. 1. Схема подключения для метода 1
«Погоняя» генератор ЗЧ на частотах от 10 кГц до 100 кГц, нужно получить чистую синусоиду на некотором участке (рис. 2 слева) без всплесков и «горбов» (рис. 2 в центре). Наличие диаграмм во всем диапазоне (рис. 2. справа) свидетельствует о межвитковых замыканиях в обмотках и т.д. и т.п.
Данная методика с определенной долей вероятности позволяет отбраковать силовые трансформаторы, различные разделительные трансформаторы и частично линейные трансформаторы. Важно только выбрать частотный диапазон.
Рис. 2. Формы наблюдаемых сигналов
Метод 2
Необходимое оборудование: НЧ генератор, Осциллограф.
Принцип действия:
Принцип работы основан на явлении резонанса.Увеличение (от 2 раз и более) амплитуды колебаний от НЧ-генератора свидетельствует о том, что частота внешнего генератора соответствует частоте внутренних колебаний LC-контура.
Проверить, закоротить обмотку II трансформатора. Колебания в LC-цепи исчезнут. Отсюда следует, что короткозамкнутые контуры нарушают резонансные явления в LC-контуре, что мы и добивались.
Наличие в катушке короткозамкнутых витков также приведет к невозможности наблюдения резонансных явлений в LC-контуре.
Рис. 3. Схема подключения для метода 2
Добавим, что для проверки импульсных трансформаторов блоков питания конденсатор С имел номинал 0,01 мкФ-1 мкФ, Частота генерации подобрана опытным путем.
Метод 3
Необходимое оборудование: НЧ генератор, Осциллограф.
Принцип действия:
Принцип работы такой же, как и во втором случае, только используется вариант последовательного колебательного контура.
Рис. 4. Схема подключения для метода 3
Отсутствие (срыв) колебаний (достаточно резкие) при изменении частоты генератора НЧ свидетельствует о резонансе LC-контура. Все остальное, как и во втором способе, не приводит к резкому срыву колебаний на контрольном приборе (осциллографе, милливольтметре переменного тока).
Трансформаторы широко используются в электронике. Они являются преобразователями переменного напряжения и, в отличие от других радиоэлементов, редко выходят из строя.Чтобы определить их исправность, нужно знать, как проверить трансформатор мультиметром. Этот способ достаточно прост, и необходимо понимать принцип работы трансформатора и его основные характеристики.
Основные сведения о трансформаторах
Для преобразования номиналов переменного напряжения используются специальные электрические машины — трансформаторы.
Трансформатор — электромагнитное устройство, предназначенное для преобразования переменного напряжения и тока одной величины в переменный ток и напряжение другой величины.
Устройство и принцип действия
Применяется во всех схемах электроснабжения потребителей, а также для передачи электроэнергии на большие расстояния. Устройство трансформатора достаточно примитивное:
- Ферромагнитный сердечник изготовлен из ферромагнетика и называется магнитопроводом. Ферромагнетики — вещества со спонтанной намагниченностью, параметры (атомы имеют постоянный спин или орбитальный магнитный момент) сильно меняются из-за магнитного поля и температуры.
- Обмотки: первичная (подключено сетевое напряжение) и вторичная (питание потребителя или группы потребителей). Вторичных обмоток может быть более 2-х.
- Для силовых трансформаторов применяются дополнительные компоненты: охладители, газовые реле, индикаторы температуры, влагопоглотители, трансформаторы тока, системы защиты и непрерывной регенерации масла.
Принцип работы основан на нахождении проводника в переменном электрическом поле.При движении проводника, например, соленоида (катушка с сердечником), на его выводах может сниматься напряжение, которое прямо пропорционально зависит от числа витков. Трансформатор реализует этот подход, но движется не проводник, а электрическое поле, образованное переменным током. Он движется по магнитной цепи из ферромагнетика. Ферромагнетик – это специальный сплав, идеально подходящий для. Основные материалы:
- Сталь электротехническая содержит большую массовую долю кремния (Si) и соединяется под действием высокой температуры с углеродом, массовая доля которого не более 1%.Ферромагнитные свойства нечеткие, возникают потери на вихревые токи (токи Фуко). Потери увеличиваются прямо пропорционально увеличению частоты. Для решения этой проблемы в углеродистую сталь (Э42, Э43, Э320, Э330, Э340, Э350, Э360) добавляют Si. Аббревиатура Э42 расшифровывается как: Э — электротехническая сталь, содержащая 4 % — Si с магнитными потерями 2 %.
- Пермаллой представляет собой тип сплава, составными частями которого являются никель и железо. Этот вид характеризуется высоким значением магнитной проницаемости.Используется в маломощных трансформаторах.
При протекании тока по первичной обмотке (I) в ее витках образуется магнитный поток Ф, который распространяется по магнитопроводу на II обмотку, в результате чего в Это. Устройство может работать в 2-х режимах: под нагрузкой и в режиме ожидания.
Коэффициент трансформации и его расчет
Коэффициент трансформации (k) является очень важной характеристикой. Благодаря ему можно выявить неисправности.Коэффициент трансформации – это величина, показывающая отношение числа витков I обмотки к числу витков II обмотки. Для k трансформаторов это:
- Убывающая (k>1).
- Увеличение (к
Найти его несложно, а для этого необходимо знать коэффициент напряжения каждой из обмоток. При наличии более 2-х обмоток расчет производится для каждой из них. Для точного определения k нужно использовать 2 вольтметра, так как напряжение в сети может изменяться, и за этими изменениями нужно следить.Необходимо подавать только напряжение, указанное в технических характеристиках. К определяется несколькими способами:
По паспорту, в котором указаны все параметры устройства (напряжение питания, коэффициент трансформации, сечение проводов на обмотках, число витков, тип магнитопровода, габариты).
- Метод расчета.
- С помощью моста Шеринг.
- С использованием специального оборудования (например, УИКТ-3).
Вычислить k легко, и для этого можно использовать ряд формул.Нет необходимости учитывать потери магнитопровода, используемого при изготовлении на заводе. Исследования показали связь между магнитной цепью (железная руда) и k. Для повышения КПД трансформатора необходимо уменьшить магнитные потери:
- Применение специальных сплавов для магнитопровода (уменьшение толщины и специальная обработка).
- Уменьшение числа витков при использовании толстого провода, а на высоких частотах большое сечение обеспечивает место для вихревых токов.
Для этих целей используется сталь аморфная. Но у него есть и ограничение, называемое магнитострикцией (изменение геометрических размеров материала под действием электромагнитного поля). При использовании этой технологии можно получать листы для железной руды толщиной в сотые доли миллиметра.
Расчетные формулы
При отсутствии соответствующей документации необходимо производить расчеты самостоятельно. В каждом случае методы расчета разные. Основные формулы для расчета k:
- Без учета возможных ошибок: k = U1/U2 = n1/n2, где U1 и U2 – U на I и II обмотках, n1 и n2 – число витков на I и II обмотки.
- С учетом погрешностей: k = U1 / U2 = (e * n1 + I1 * R1) / (e * n2 + I2 * R2), где U1 и U2 — напряжения на I и II обмотках; n1 и n2 — число витков на I и II обмотках; е — ЭДС (электродвижущая сила) в каждом из витков обмоток; I1 и I2 — силы тока I и II обмоток; R1 и R2 — сопротивления для I и II.
- По известным мощностям при параллельном соединении обмоток: kz = Z1 / Z2 = ku * ku, где kz — k по мощности, Z1 и Z2 — мощности на первичной и вторичной обмотках, ku — k по напряжению (k = U1/U2).
- По токам при последовательном соединении обмоток: k = I1/I2 = n2/n1. С учетом результирующего тока холостого хода (тока потерь Io): I1 * n1 = I2 * n2 + Io.
Проверка работоспособности
В источниках питания используются в основном трансформаторы.Намотка и изготовление самого трансформатора с нуля — сложная задача и не каждому под силу. Поэтому за основу берется готовый и модернизируется путем изменения числа витков вторичной обмотки. Основные неисправности трансформатора:
- Обрыв выводов.
- Повреждение магнитопровода.
- Нарушение изоляции.
- Возгорание при коротком замыкании.
Диагностика начинается с визуального осмотра.Первоначальная диагностика включает в себя осмотр клемм трансформатора, его катушек на предмет обугливания, целостности магнитопровода.
При износе выводов необходимо их зачистить, а в некоторых случаях при обрыве разобрать трансформатор, припаять и прозвонить тестером.
При повреждении магнитопровода необходимо заменить его или узнать из справочников о таком же для конкретной модели, так как ремонту он не подлежит.Отдельные пластины могут быть заменены.
При коротком замыкании необходимо провести диагностику на работоспособность с помощью измерительных приборов (проверка трансформатора мультиметром).
При нарушении изоляции происходит контакт между витками обмоток или корпусом. Определить эту неисправность достаточно сложно. Для этого необходимо выполнить следующие действия:
- Включить прибор в режим измерения сопротивления.
- Один щуп должен быть на корпусе, а другой подключаться к каждому выводу трансформатора по очереди.
- Во всех случаях прибор должен показывать бесконечность, что свидетельствует об отсутствии короткого замыкания на корпус.
- При любых показаниях прибора пробой на корпус существует, и для выяснения причины необходимо полностью разобрать трансформатор и даже размотать его обмотки.
Для поиска короткозамкнутых витков нужно определить, где I обмотка (ввод), а где II (выход) неизвестного трансформатора.Для этого стоит воспользоваться следующим алгоритмом:
- Узнать сопротивление первичной обмотки трансформатора 220 вольт, замерив мультиметром в режиме «сопротивление». Необходимо зафиксировать показания прибора. Выберите обмотку с наибольшим сопротивлением.
- Возьмите лампочку мощностью 50 Вт и соедините ее последовательно с этой обмоткой.
- Включить на 5-7 секунд.
После этого отключите и проверьте обмотки на нагрев.Если заметного повышения температуры нет, то переходим к поиску короткозамкнутых шлейфов. Как проверить трансформатор на межвитковое замыкание: нужно использовать мегомметр на напряжение 1000 В. При измерении пробоя изоляции необходимо прозвонить корпус и выводы обмоток, а также независимые обмотки , например, терминал I и II.
Необходимо определить коэффициент трансформации и сравнить с документом. Если они совпадают, трансформатор исправен.
Есть еще два метода проверки:
- Прямой — подразумевает тестирование под нагрузкой. Для его реализации необходимо собрать схему питания I и II обмоток. Измеряя значения тока в обмотках, а затем по формулам (4), определяют k и сравнивают с паспортными данными.
- Косвенные методы. Включает: проверку полярности выводов обмотки, определение характеристик намагничивания (применяется редко).Полярность определяют с помощью вольтметра или амперметра магнитоэлектрической конструкции с определением полярности на выходе. При отклонении стрелки вправо полярности совпадают.
Проверка импульсного трансформатора достаточно сложна и под силу только опытному радиолюбителю. Существует множество способов проверить исправность импульсов.
Таким образом трансформатор можно легко проверить мультиметром, зная основные особенности и алгоритм проверки.Для этого нужно узнать тип трансформатора, найти на него документацию и рассчитать коэффициент трансформации. Кроме того, необходимо провести визуальный осмотр устройства.
Импульсный трансформатор — Теория электрика
Импульсный трансформатор представляет собой в основном трансформатор, который соединяет источник импульсов электрического энергии нагрузки с сохранением ее формы и других свойств. То импульсы могут быть соответствующими или несоответствующими. Эти трансформаторы используются в цифровых схемах.Импульсные трансформаторы имеют небольшие размеры и сравнительно мало повороты. Следовательно, индуктивность рассеяния обмоток минимальна. Эти трансформаторы имеют малую межобмоточную емкость. Ядра изготовлены из ферритов или намотанных полос из сплавов с высокой проницаемостью, таких как как пермаллой. Благодаря этому импульсные трансформаторы имеют высокие намагничивающие свойства. индуктивность. Трансформаторы имеют высоковольтную изоляцию между обмотки и на землю. Сигнал, обрабатываемый импульсными трансформаторами, обычно импульс или последовательность импульсов, а не синусоидальные сигналы, как в корпус обычных трансформаторов.Прямоугольные входные импульсы к таким трансформаторы показаны на рис. 1.

