Что представляет собой резистивный делитель тока. Как работает делитель тока на резисторах. Для чего применяются делители тока в электронике. Как рассчитать резистивный делитель тока. Ограничения при использовании делителей тока.
Что такое резистивный делитель тока
Резистивный делитель тока — это простейшая электрическая цепь, состоящая из двух или более резисторов, соединенных параллельно. Его назначение — разделить входной ток на несколько частей в заданном соотношении.
Принцип работы делителя тока основан на первом законе Кирхгофа, согласно которому сумма токов, втекающих в узел, равна сумме токов, вытекающих из него. При параллельном соединении резисторов общий ток разделяется между ними обратно пропорционально их сопротивлениям.
Устройство и принцип работы делителя тока
Рассмотрим простейший делитель тока, состоящий из двух параллельно соединенных резисторов R1 и R2:
[Здесь можно добавить схему простейшего делителя тока]

Входной ток I разделяется на два тока I1 и I2, протекающие через резисторы R1 и R2 соответственно. При этом выполняются следующие соотношения:
- I = I1 + I2 (по первому закону Кирхгофа)
- I1 = U / R1
- I2 = U / R2
где U — напряжение на параллельно соединенных резисторах.
Токи I1 и I2 обратно пропорциональны сопротивлениям R1 и R2:
I1 / I2 = R2 / R1
Таким образом, изменяя соотношение сопротивлений R1 и R2, можно разделить входной ток I в любой нужной пропорции.
Применение резистивных делителей тока
Делители тока находят широкое применение в электронике и электротехнике. Основные области их использования:
- Измерение больших токов с помощью амперметров с малым пределом измерения. В этом случае параллельно амперметру подключается шунт — резистор с малым сопротивлением, через который протекает основная часть измеряемого тока.
- Ограничение тока через нагрузку. Параллельно нагрузке включается резистор, отводящий на себя часть общего тока.
- Создание эталонных источников тока в измерительной технике.
- Реализация токовой обратной связи в усилителях.
- Деление токов в параллельных ветвях электрических цепей.
Как рассчитать делитель тока
Для расчета делителя тока необходимо знать входной ток I и требуемое соотношение выходных токов I1 и I2. Порядок расчета:

- Задаем соотношение токов k = I1 / I2
- Выбираем произвольно сопротивление R1
- Рассчитываем R2 = R1 / k
- Проверяем общее сопротивление: R = (R1 * R2) / (R1 + R2)
- Проверяем токи: I1 = I * R2 / (R1 + R2), I2 = I * R1 / (R1 + R2)
Пример расчета: Нужно разделить входной ток 100 мА на две части в соотношении 3:1.
- k = 3
- Выбираем R1 = 300 Ом
- R2 = 300 / 3 = 100 Ом
- R = (300 * 100) / (300 + 100) = 75 Ом
- I1 = 100 * 100 / 400 = 25 мА, I2 = 100 * 300 / 400 = 75 мА
Ограничения при использовании делителей тока
При применении резистивных делителей тока следует учитывать ряд ограничений:
- Сопротивление нагрузки должно быть намного больше сопротивления делителя, иначе оно будет влиять на распределение токов.
- Резисторы делителя рассеивают мощность, что снижает КПД схемы.
- При больших токах может потребоваться использование мощных резисторов.
- Точность деления тока зависит от точности и стабильности резисторов.
- Делители тока чувствительны к паразитным емкостям и индуктивностям на высоких частотах.
Сравнение делителей тока и напряжения
Делители тока во многом аналогичны делителям напряжения, но имеют ряд отличий:

- Делитель тока использует параллельное соединение резисторов, а делитель напряжения — последовательное.
- В делителе тока входной ток делится обратно пропорционально сопротивлениям, а в делителе напряжения выходное напряжение пропорционально сопротивлениям.
- Делитель тока более чувствителен к сопротивлению нагрузки.
- Делитель напряжения проще реализовать на практике.
Нелинейные делители тока
Помимо резистивных, существуют также нелинейные делители тока, в которых используются полупроводниковые приборы или другие нелинейные элементы. Они позволяют получить более сложные зависимости выходных токов от входного.
Примеры нелинейных делителей тока:
- Токовое зеркало на биполярных транзисторах
- Делитель на полевых транзисторах
- Делитель с термисторами или варисторами
Нелинейные делители позволяют реализовать более сложные функции преобразования тока, но требуют более тщательного расчета и настройки.
Заключение
Резистивные делители тока — простые, но очень полезные элементы электрических цепей. Они позволяют эффективно разделять ток между параллельными ветвями в заданном соотношении. При правильном расчете и применении делители тока помогают решить множество практических задач в электронике и электротехнике.

Делитель тока — Википедия
Материал из Википедии — свободной энциклопедии
Дели́тель то́ка — простейшая линейная электрическая цепь, выходной ток которой представляет собой часть входного тока. Это обеспечивается распределением тока между ветвями делителя.
В качестве делителя тока обычно применяют элементы с регулируемым сопротивлением (потенциометры), подключаемые параллельно.[источник не указан 1133 дня] Можно представить как русло реки, разделяющееся на несколько рек. Согласно первому закону Кирхгофа, сумма токов, входящих в узел и выходящих из узла, равна нулю. Применяемые сопротивления для деления токов могут быть как активными, так и реактивными. Реактивные сопротивления возможно использовать только на переменном токе.

Простейший резистивный делитель тока — это два параллельно включённых резистора R1{\displaystyle R_{1}} и R2{\displaystyle R_{2}}, подключённых к источнику напряжения U{\displaystyle U}. Поскольку резисторы соединены параллельно, то к ним приложено одинаковое напряжение.
Ток через них можно определить согласно закону Ома:
I1=U/R1{\displaystyle \ I_{1}=U/R_{1}}.
I2=U/R2{\displaystyle \ I_{2}=U/R_{2}}.
Общий ток в цепи согласно первому закону Кирхгофа
I=I1+I2{\displaystyle \ I=I_{1}+I_{2}}.
- Делитель тока имеет важное значение в схемотехнике в качестве элемента цепи для подключения устройства с номинальным током меньшим, чем протекающий в цепи.
- Датчик параметр-ток. На величину сопротивления влияют внешние факторы, например температура. Изменение температуры приводит к изменению сопротивления делителя тока. В результате изменяется ток через ветвь цепи.
- Измерение больших величин токов. Подключается два сопротивления. Через одно протекает малый ток (миллиамперы), через второе (называемое шунтом) — весь оставшийся ток. Измеряется ток через первое сопротивление. Далее выполняется расчет общего тока.
Ограничения в применении резистивных делителей тока[править | править код]
Для поддержания приемлемой точности работы делителя, необходимо, чтобы величина тока, протекающего через сопротивления делителя, была не менее чем в 10 раз больше, чем ток, протекающий в нагрузке (см. аналогичное требование у делителя напряжения). Увеличение этого показателя (до ×100,×1000 или больше) пропорционально увеличивает точность работы делителя, однако это также увеличивает поперечное сечение проводников, что увеличивает размеры, стоимость и снижает КПД схемы. Это одна из причин, по которой делители тока малопригодны в качестве источников постоянного тока для питания нагрузок. Для этой цели применяют иные схемотехнические решения, например стабилизаторы тока.
ru.wikipedia.org
Резистивный делитель тока. Формула для расчета делителя тока на сопротивлениях.
Делитель тока на резисторах — электротехническое устройство, позволяющее разделять ток и использовать только часть от подаваемого в цепь тока посредством элементов электрической цепи, состоящей из резисторов.
При проектировании электрических цепей возникают случаи, когда в цепи протекает ток одного номинала, а номинально-допустимый ток нагрузки должен быть меньше. Для этих целей используют делители тока. Делители тока основаны на первом законе Кирхгофа.
Самая простая схема резистивного делителя тока — это два параллельно подключенных сопротивления и источник напряжения или тока.
На приведенной ниже схеме ток I при достижении узла разделяется на два тока I2 и I3. Согласно первому закону Кирхгофа ток I равен сумме токов I2 и I3.
Напряжение на сопротивлениях UR2 и UR3 одинаковое, т.к. они соединены параллельно.
Если к сопротивлениям R2 и R3 приложено напряжение U, то ток через сопротивления, согласно закону Ома:
Подключаем нагрузку последовательно к R1 или к R2. Выбираем то сопротивление, через которое протекает нужный ток. В результате через нагрузку будет протекать ток IR3=I3.

Примеры применения делителя тока
- Как делитель тока. Представьте, что у Вас есть светодиод, номинальный ток через который 17 мА (миллиампер) и есть схема, через которую протекает ток 30 мА. При маленьком токе светодиод будет гореть тускло, при большем — выйдет из строя. Для того, чтобы светодиод работала в номинальном режиме (ток 17 мА) необходимо ток 30 мА разделить на 17 и 13 миллиампер. Данную задачу выполняют простейшие делители тока на резисторах.
- Датчик параметр — ток. Сопротивление резистивных элементов зависит от многих параметров, например растяжение и сжатие. Начинаем выполнять механические воздействия над одним из сопротивлений. В результате изменяется его сопротивление. Согласно закону Ома ток через это сопротивление будет изменяться. Согласно первому закону Кирхгофа общий ток так же будет изменяться.
- Измерение больших токов. Через первое сопротивление пропускается почти весь ток, через второй малая часть (миллиамперы или микроамперы). Измерение производится миллиамперов.
Ограничения при использовании резистивных делителей тока
Номинал сопротивления нагрузки должен быть на несколько порядков меньше, чем величина сопротивлений делителя тока. В противном случае нагрузка будет влиять на протекающий через цепь ток. В результате делитель напряжения будет работать неверно.
Резистивный делитель тока уменьшает КПД электрической цепи за счет потребления активной мощности сопротивлениями.
Необходимо использовать высокоточные прецизионные сопротивления.
kurstoe.ru
Делитель напряжения — Википедия
Дели́тель напряже́ния — устройство, в котором входное Uin{\displaystyle U_{in}} и выходное Uout{\displaystyle U_{out}} напряжение связаны коэффициентом передачи 0⩽a⩽1{\displaystyle 0\leqslant a\leqslant 1}: Uout=a∗Uin{\displaystyle U_{out}=a*U_{in}}.[1]
Делитель напряжения можно представить как два последовательных участка цепи, называемые плечами, сумма напряжений на которых равна входному напряжению. Плечо между нулевым потенциалом и средней точкой называют нижним (с него обычно снимается выходное напряжение делителя), а другое — верхним[2]. Различают линейные и нелинейные делители напряжения. В линейных выходное напряжение изменяется по линейному закону в зависимости от входного. Такие делители используются для задания потенциалов и рабочих напряжений в различных точках электронных схем. В нелинейных делителях выходное напряжение зависит от коэффициента a{\displaystyle a} нелинейно. Нелинейные делители напряжения применяются в функциональных потенциометрах.[1] Сопротивление может быть как активным, так и реактивным, а также и вовсе нелинейным, как, например, в параметрическом стабилизаторе напряжения.
Схема простейшего резистивного делителя напряженияПростейший резистивный делитель напряжения представляет собой два последовательно включённых резистора и , подключённых к источнику напряжения U{\displaystyle U}. Поскольку резисторы соединены последовательно, то ток через них будет одинаков в соответствии с первым правилом Кирхгофа. Падение напряжения на каждом резисторе согласно закону Ома будет пропорционально сопротивлению (ток, как было установлено ранее, одинаков):
U=IR{\displaystyle \ U=IR}.
Для каждого резистора имеем:
{U1=IR1U2=IR2.{\displaystyle \left\{{\begin{array}{l l}U_{1}=IR_{1}\\U_{2}=IR_{2}.\end{array}}\right.}
Сложив выражения, получаем:
U1+U2=I(R1+R2).{\displaystyle U_{1}+U_{2}=I(R_{1}+R_{2}).}
Далее:
I=U1+U2R1+R2=UR1+R2.{\displaystyle I={\frac {U_{1}+U_{2}}{R_{1}+R_{2}}}={\frac {U}{R_{1}+R_{2}}}.}
Из этого следует:
{U1=IR1=UR1R1+R2U2=IR2=UR2R1+R2.{\displaystyle \left\{{\begin{array}{l l}U_{1}=IR_{1}=U{\frac {R_{1}}{R_{1}+R_{2}}}\\U_{2}=IR_{2}=U{\frac {R_{2}}{R_{1}+R_{2}}}.\end{array}}\right.}
Следует обратить внимание, что сопротивление нагрузки делителя напряжения должно быть много больше собственного сопротивления делителя, так, чтобы в расчетах этим сопротивлением, включенным параллельно R2{\displaystyle R_{2}}, можно было бы пренебречь. Для выбора конкретных значений сопротивлений на практике, как правило, достаточно следовать следующему алгоритму:
1. Определить величину тока делителя, работающего при отключенной нагрузке. Этот ток должен быть значительно больше тока, потребляемого нагрузкой (обычно принимают превышение от 10 раз по величине), но, однако, при этом указанный ток не должен создавать излишнюю нагрузку на источник напряжения U{\displaystyle U}.
2. Исходя из величины тока, по закону Ома определяют значение суммарного сопротивления R=R1+R2{\displaystyle R=R_{1}+R_{2}}.
3. Выбрать конкретные значения сопротивлений из стандартного ряда, отношение величин которых близко́ требуемому отношению напряжений, а сумма величин близка расчетному сопротивлению R{\displaystyle R}.
При расчете реального делителя необходимо учитывать температурный коэффициент сопротивления, допуски на номинальные значения сопротивлений, диапазон изменения входного напряжения и возможные изменения свойств нагрузки делителя, а также максимальную рассеиваемую мощность резисторов — она должна превышать выделяемую на них мощность.
Делитель напряжения имеет важное значение в схемотехнике. В качестве реактивного делителя напряжения как пример можно привести простейший электрический фильтр, а в качестве нелинейного — параметрический стабилизатор напряжения.
Делители напряжения использовались как электромеханическое запоминающее устройство в АВМ. В таких устройствах запоминаемым величинам соответствуют углы поворота реостатов. Подобные устройства могут неограниченное время хранить информацию.[1]
Цепи обратной связи в усилителях[править | править код]
С помощью резистивного делителя напряжения в цепи обратной связи задаётся коэффициент усиления каскада на ОУ.
Простейшие электрические фильтры[править | править код]
RC, LC, RL-цепи, представляющие собой примеры простейших электрических фильтров, могут рассматриваться как частотно-зависимые делители напряжения, в которых в соответствующих плечах используются реактивные элементы.
Усилитель напряжения[править | править код]
Делитель напряжения может использоваться для усиления входного напряжения — это возможно, если |R2|⩾|R1|{\displaystyle |R_{2}|\geqslant |R_{1}|}, а R1{\displaystyle R_{1}} — отрицательно, например как на участке вольт-амперной характеристики туннельного диода.
Параметрический стабилизатор напряжения[править | править код]
Делитель напряжения может использоваться для стабилизации входного напряжения — это возможно, если в качестве нижнего плеча делителя использовать стабилитрон.
Ограничения в применении резистивных делителей напряжения[править | править код]
Для обеспечения приемлемой точности работы делителя требуется проектировать его таким образом, чтобы величина тока, протекающего через цепи делителя, была не менее чем в 10 раз больше, нежели ток, протекающий через нагрузку. Увеличение этого соотношения до ×100, ×1000 и более при прочих равных условиях пропорционально повышает точность работы делителя. Таким же образом, вообще говоря, должны соотноситься и величины сопротивлений делителя и нагрузки. Нетрудно видеть, что идеальным (с точки зрения КПД) режимом работы делителя, является режим т.н. холостого хода, т.е. режим работы при отключенной нагрузке, когда её свойствами можно пренебречь. Увеличение тока нагрузки приводит к существенному падению КПД делителя, из-за того, что существенная часть мощности тратится на нагрев резисторов делителя. Вот почему резистивный делитель напряжения нельзя использовать для подключения мощных электрических приборов: электрические машины, нагревательные элементы. Для решения этой задачи используют другие схемотехнические решения, в частности применяют стабилизаторы напряжения. Если же не требуется большой мощности, но требуется исключительно высокая точность поддержания величины выходного напряжения, то используют разнообразные источники опорного напряжения.
Нормативно-техническая документация[править | править код]
- ГОСТ 11282-93 (МЭК 524-75) — Резистивные делители напряжения постоянного тока
- ↑ 1 2 3 Словарь по кибернетике / Под редакцией академика В. С. Михалевича. — 2-е. — Киев: Главная редакция Украинской Советской Энциклопедии имени М. П. Бажана, 1989. — 751 с. — (С48). — 50 000 экз. — ISBN 5-88500-008-5.
- ↑ В некоторых случаях возможно построение делителя напряжения по упрощённой схеме, когда в явном виде присутствует только верхнее плечо делителя, а в качестве нижнего плеча используется сопротивление самой нагрузки.
ru.wikipedia.org
Делитель тока | Практическая электроника
Предисловие
Какие ассоциации у вас возникают при словосочетании “делитель тока”? У меня сразу возникает ассоциация с делителем потока. Давайте представим себе реку, у которой очень большой поток.

Это поток воды бежит с очень большой скоростью! Он смывает на своем пути камни, землю, деревья. Представьте, что эта река находится рядом с вашим домом. Через год-два ваш дом смоет под чистую! Чтобы этого не произошло, надо ослабить течение реки, чтобы ее поток был слабый. Например как здесь:

Но как это сделать? А почему бы нам не прорыть большой канал, чтобы бОльшая часть воды текла через него. А это хорошая идея не так ли?

Весь смак заключается в том, что в каждой отдельной речке скорость воды будет меньше. В электротехнике и электронике все тоже самое! Река – это провод, сила потока – это сила тока, ширина реки – сопротивление, напряжение – угол наклона реки. Все элементарно и просто!
Делитель тока (теория)
Для того, чтобы разделить силу тока, нам потребуются два резистора. В статье про сопротивление мы знаем, что резисторы можно соединять последовательно и параллельно. При последовательном соединении резисторов у нас на каждом резисторе падало напряжение, тем самым мы получили делитель напряжения. При параллельном соединении резисторов мы получим делитель тока.
Давайте рассмотрим вот такую схемку, состоящую из двух резисторов, соединенных параллельно:

Вот эти два резистора можно заменить одним резистором. Общее сопротивление будет равно:
Напряжение U между точками A и В считается общим для каждого резистора, так как у нас эти два резистора соединены параллельно. Значит, через них должен также протекать общий ток. Запомните правило, при параллельном соединении напряжение на резисторах одно и то же, а ток будет равен:
Как же нам определить, какой ток у нас проходит через каждый резистор? Согласно Закону Ома
Следовательно получаем:
Отсюда
и
Проще говоря, если вместо какого-то резистора подсоединить какую-нибудь нагрузку, например вентилятор от компьютера, то мы можем регулировать в ней силу тока, а следовательно и мощность, параллельно выводам подключив какой-нить резистор. А какой именно, можно глянуть на формулы. Этот процесс называется шунтирование.
Делитель тока (практика)
Вот два наших резистора
Замеряем значение сопротивления первого толстого резистора. Кто не помнит, как это делается, прошу сюда.

Замеряем значение второго маленького резистора

Берем наш лабораторный блок питания и выставляем на нем 12 Вольт

Спаиваем два конца резисторов и замеряем силу тока сначала на толстом резисторе

Потом замеряем силу тока на тонком резисторе

Спаиваем их параллельно и замеряем силу тока на параллельно соединенных резисторах

У нас получилось, что общая сила тока через оба резистора будет равняться сумме токов, протекающих через каждый отдельный резистор. 0,06 + 0,14 = 20. У нас же амперметр на блоке питания показал 0,21 Ампер. 0,01 – погрешность прибора.
Отсюда делаем вывод: сила тока, протекающая через параллельно соединенные сопротивления будет равняться сумме токов, протекающих через каждое отдельное сопротивление.
Резюме
Делитель тока имеет важное значение в схемотехнике в качестве элемента цепи для подключения устройства с номинальным током меньшим, чем протекающий в цепи.
На величину сопротивления влияют внешние факторы, например температура. Изменение температуры приводит к измерению сопротивления делителя тока. В результате изменяется ток через ветвь цепи.
Измерение больших величин токов. Подключается два сопротивления. Через одно протекает почти весь ток, через второе — малый ток (миллиамперы). Измеряется ток через второе сопротивление. Далее выполняется расчет общего тока.
Номинал нагрузки, подключаемой в ветвь делителя тока, должен быть в 100—1000 раз меньше, чем сопротивление делителей. В противном случае схема делителя будет работать неверно.
Активные сопротивления делителя тока снижают КПД схемы.
Целесообразно применять прецизионные сопротивления. Это увеличивает точность, но повышает стоимость.
Также про делитель тока можно прочитать в Википедии по этой ссылке.
www.ruselectronic.com
Делитель тока
В этой статье расскажем о делители тока, где он применяется и примеры решения задач.
Представьте, что течёт река, и вдруг ширина её русла резко уменьшается, через некоторое расстояние ширина русла снова увеличивается. Что же происходит в том месте, где русло узкое? Скорость потока воды резко возрастает, вода пытается расширить русло реки, происходит разрушение берегов и углубление русла. Для того, чтобы скорость потока упала, достаточно прорыть дополнительный параллельный канал, по которому пустить часть потока. При этом, этот искусственный канал можно использовать в своих целях, например крутить водяное колесо (по современному — гидроэлектростанцию). Как правило, сначала делают «колесо», а потом перекрывают основное русло реки. Другими словами — поток воды делят на два потока, которые потом всё равно объединяются, но при этом один из потоков используют в своих определённых целях. В частности, на гидроэлектростанциях всегда имеется два потока — один используется для вращения турбин электростанции, а другой в зависимости от полноводности реки — «сброс», или дополнительный канал отвода воды — водосливную плотину, предназначенную для регулирования уровня воды перед плотиной ГЭС.
Делитель тока на резисторах предназначен для того, чтобы, не изменяя общего тока протекающего через электрическую цепь, часть его направить в другое плечо делителя, а после выполнения определённой функции вернуть эту часть обратно.
Где применяется делитель тока? Делитель тока применяется в измерительных приборах, когда необходимо измерить большой ток (единицы, или сотни Ампер) прибором, рассчитанным на маленький ток (миллиамперы или даже микроамперы). В этом случае, внутреннее сопротивление измерительного прибора выступает в качестве одного из резисторов, а второй резистор в таком случае называют «шунтом», так как он шунтирует проходящий ток (основная часть тока бежит через него). Шунт в схеме измерения имеет сопротивление, которое намного меньше внутреннего сопротивления измерительного прибора. Кроме того, делитель тока применяется в различных схемах автоматического регулирования, использующих в качестве контролируемого параметра — ток, проходящий через электрическую цепь. Делитель тока может применяться в различных каскадах передачи, или усиления тока, когда один пассивный, или усилительный элемент по своим электрическим параметрам не способен обеспечить прохождение через него большого тока. В этом случае их подключают параллельно, разделяя ток на равные доли (пополам). Наглядным примером использования делителя тока является его применение в цепи автоматического регулирования и измерения в Универсальном зарядном устройстве, или в цепи контроля схемы защиты от перегрузки по току и удвоения мощности выходных транзисторов в Универсальном блоке стабилизированного питания.
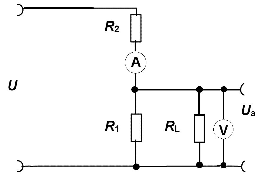
Изобразим цепь делителя тока:
На рисунке видно, что общий входящий ток делится на два, и проходя цепь, снова объединяется в один.
Расчёт делителя тока на резисторах основывается на законе Ома, правиле сложения токов (законе Кирхгофа) и формуле параллельного соединения резисторов:
(14)
(15)
(16)
Выведем закон Ома для этой цепи. Его можно записать в следующем виде:
(17)
Преобразовывая указанные формулы так, как нам удобно, мы можем определить:
1. Определить ток I1 и I2 в плечах резисторов R1, R2 по известным значениям общего тока Iобщ и сопротивлений резисторов R1, R2 :
(18)
(19)
Пример: Определить значения I1 и I1 делителя тока, если значение общего тока Iобщ = 0,6А, сопротивление R1 =100 Ом, а R2 = 20 Ом.
Решение: По формуле (18) вычисляем : I1 = 0,6 * 20 / (100 + 20) = 0,1 А; По формуле (19) вычисляем : I2 = 0,6 * 100 / (100 + 20) = 0,5 А; Не забывайте, что резисторы поглощают мощность, поэтому её необходимо рассчитать, (формула3):
P = I * I * R
Определим рассеиваемую мощность резисторов по формуле (3):
Для резистора R1 : P = 0,1 * 0,1 * 100 = 1 Вт; по правилу (1) выбираем резистор мощностью P = 2 Вт;
Для резистора R2 : P = 0,5 * 0,5 * 20 = 5 Вт; по правилу (1) выбираем резистор мощностью P = 10 Вт.
2. Рассчитать шунт R2 в цепи измерительного прибора, при известных: внутреннем сопротивлении R1, максимальном токе обмотки катушки прибора I1 и максимальном значении общего тока Iобщ цепи делителя тока, представленного на схеме:
(19)
Пример: Полное отклонение стрелки миллиамперметра при значении I1 = 1 мА, внутреннее сопротивление катушки прибора R1 = 200 Ом. Рассчитайте шунт R2, чтобы стрелка прибора отклонялась на максимальное значение при общем токе Iобщ = 1 А.
Решение: По формуле (19) вычисляем : R2 = 0,001 * 200 / (1 – 0,001) = 0,2 Ом; Рассчитаем поглощаемую (рассеиваемую) мощность R2 (формула 3): P = I2 * I2 * R2 , где I2 = Iобщ — I1 = 999 мА, P = 0,999 * 0,999 * 0,2 = 0,199 Вт; по правилу (1) выбираем резистор мощностью P = 0,25 Вт
Для достижения точности в измерительных цепях, выбирают высокоточные резисторы, кроме того, используют их последовательное и параллельное соединение.
Как и в случае с делителем напряжения, Вы спросите: Если это делитель, должен быть коэффициент деления? Да он есть, но в определении необходимых величин, пользоваться им крайне неудобно, поэтому не буду ломать голову ни себе, ни Вам.
Далее будем рассматривать Конденсатор.
meanders.ru
Википедия — свободная энциклопедия
Избранная статья
Первое сражение при реке Булл-Ран (англ. First Battle of Bull Run), также Первое сражение при Манассасе) — первое крупное сухопутное сражение Гражданской войны в США. Состоялось 21 июля 1861 года возле Манассаса (штат Виргиния). Федеральная армия под командованием генерала Ирвина Макдауэлла атаковала армию Конфедерации под командованием генералов Джонстона и Борегара, но была остановлена, а затем обращена в бегство. Федеральная армия ставила своей целью захват важного транспортного узла — Манассаса, а армия Борегара заняла оборону на рубеже небольшой реки Булл-Ран. 21 июля Макдауэлл отправил три дивизии в обход левого фланга противника; им удалось атаковать и отбросить несколько бригад конфедератов. Через несколько часов Макдауэлл отправил вперёд две артиллерийские батареи и несколько пехотных полков, но южане встретили их на холме Генри и отбили все атаки. Федеральная армия потеряла в этих боях 11 орудий, и, надеясь их отбить, командование посылало в бой полк за полком, пока не были израсходованы все резервы. Между тем на поле боя подошли свежие бригады армии Юга и заставили отступить последний резерв северян — бригаду Ховарда. Отступление Ховарда инициировало общий отход всей федеральной армии, который превратился в беспорядочное бегство. Южане смогли выделить для преследования всего несколько полков, поэтому им не удалось нанести противнику существенного урона.
Хорошая статья
«Хлеб» (укр. «Хліб») — одна из наиболее известных картин украинской советской художницы Татьяны Яблонской, созданная в 1949 году, за которую ей в 1950 году была присуждена Сталинская премия II степени. Картина также была награждена бронзовой медалью Всемирной выставки 1958 года в Брюсселе, она экспонировалась на многих крупных международных выставках.
В работе над полотном художница использовала наброски, сделанные летом 1948 года в одном из наиболее благополучных колхозов Советской Украины — колхозе имени В. И. Ленина Чемеровецкого района Каменец-Подольской области, в котором в то время было одиннадцать Героев Социалистического Труда. Яблонская была восхищена масштабами сельскохозяйственных работ и людьми, которые там трудились. Советские искусствоведы отмечали, что Яблонская изобразила на своей картине «новых людей», которые могут существовать только в социалистическом государстве. Это настоящие хозяева своей жизни, которые по-новому воспринимают свою жизнь и деятельность. Произведение было задумано и создано художницей как «обобщённый образ радостной, свободной творческой работы». По мнению французского искусствоведа Марка Дюпети, эта картина стала для своего времени программным произведением и образцом украинской реалистической живописи XX столетия.
Изображение дня
Рассвет в деревне Бёрнсте в окрестностях Дюльмена, Северный Рейн-Вестфалия
ru.wikipedia.green
Делитель напряжения: устройство, принцип работы, назначение
Часто при проектировании электронной схемы возникает необходимость получить точку с определенным уровнем сигнала. Например, создать опорную точку или смещение напряжения, запитать маломощный потребитель, понизив его уровень и ограничить ток. Именно в таких случаях нужно использовать делитель напряжения. Что это такое и как его рассчитать мы расскажем в этой статье.
Определение
Делителем напряжения называется прибор или устройство, которое понижает уровень выходного напряжения относительно входного, пропорционально коэффициенту передачи (он будет всегда ниже нуля). Такое название он получил, потому что представляет собой два и более последовательно соединенных участка цепи.

Они бывают линейными и нелинейными. При этом первые представляют собой активное или реактивное сопротивление, в которых коэффициент передачи определяется соотношением из закона Ома. К ярко выраженным нелинейным делителям относят параметрические стабилизаторы напряжения. Давайте разберемся как устроен это прибор и зачем он нужен.
Виды и принцип действия
Сразу стоит отметить, что принцип работы делителя напряжения в общем одинаков, но зависит от элементов, из которых он состоит. Различают три основных вида линейных схем:
- резистивные;
- емкостные;
- индуктивные.
Наиболее распространен делитель на резисторах, из-за своей простоты и легкости расчетов. На его примере и рассмотрим основные сведения об этом устройстве.
У любого делителя напряжения есть Uвходное и Uвыходное, если он состоит из двух резисторов, если резисторов три, то выходных напряжений будет два, и так далее. Можно сделать любое количество ступеней деления.

Uвходное равно напряжению питания, Uвыходное зависит от соотношения резисторов в плечах делителя. Если рассматривать схему на двух резисторах, то верхним, или как его еще называют, гасящим плечом будет R1. Нижним или выходным плечом будет R2.
Допустим у нас Uпитания 10В, сопротивление R1 — 85 Ом, а сопротивление R2 — 15 Ом. Нужно рассчитать Uвыходное.
Тогда:
U=I*R
Так как они соединены последовательно, то:
U1=I*R1
U2=I*R2
Тогда если сложить выражения:
U1+U2=I(R1+R2)
Если выразить отсюда ток, получится:
Подставив предыдущее выражение, имеем следующую формулу:
Посчитаем для нашего примера:
Делитель напряжения может быть выполнен и на реактивных сопротивлениях:

Тогда расчеты будут аналогичны, но сопротивления рассчитывают по нижеприведенным формулам.
Для конденсаторов:
Для индуктивности:
Особенностью и различием этих видов делителей является то, что резистивный делитель может использоваться в цепях переменного и в цепях постоянного тока, а емкостной и индуктивный только в цепях переменного тока, потому что только тогда будет работать их реактивное сопротивление.
Интересно! В некоторых случаях емкостной делитель будет работать в цепях постоянного тока, хорошим примером является использование такого решения во входной цепи компьютерных блоков питания.
Использование реактивного сопротивления обусловлено тем, что при их работе не выделяется такого количества тепла, как при использовании в конструкциях активных сопротивлений (резисторов)
Примеры использования в схеме
Есть масса схем, где используются делители напряжения. Поэтому мы приведем сразу несколько примеров.

Допустим мы проектируем усилительный каскад, на транзисторе, который работает в классе А. Исходя из его принципа действия, нам нужно задать на базе транзистора такое напряжение смещения (U1), чтобы его рабочая точка была на линейном отрезке ВАХ, при этом чтобы ток через транзистор не был чрезмерным. Допустим нам нужно обеспечить ток базы в 0,1 мА при U1 в 0,6 Вольта.
Тогда нам нужно рассчитать сопротивления в плечах делителя, а это обратный расчет относительно того, что мы привели выше. В первую очередь находят ток через делитель. Чтобы ток нагрузки не сильно влиял на напряжения на его плечах, зададим ток через делитель на порядок выше тока нагрузки в нашем случае 1 мА. Uпитания пусть будет 12 Вольт.
Тогда общее сопротивление делителя равняется:
Rд=Uпитания/I=12/0.001=12000 Ом
R2/R=U2/U
Или:
R2/(R1+R2)=U2/Uпитания
10/20=3/6
20*3/6=60/6/10
R2=(R1+R2)*U1/Uпитания=12000*0.6/12=600
R1=12000-600=11400
Проверим расчеты:
U2=U*R2/(R1+R2)=12*600/12000=7200/12000=0,6 Вольт.
Соответственное верхнее плече погасит
U2=U*R2/(R1+R2)=12*11400/12000=136800/12000=11,4 Вольт.
Но это еще не весь расчет. Для полного расчета делителя нужно определить и мощность резисторов, чтобы они не сгорели. При токе 1 мА на R1 выделится мощность:
P1=11,4*0,001=0,0114 Ватт
А на R2:
P2=0,6*0,001=0,000006 Ватт
Здесь она ничтожно мала, но представьте какой мощности нужны были бы резисторы, если бы ток делителя составлял 100 мА или 1 А?
Для первого случая:
P1=11,4*0,1=1,14 Ватт
P2=0,6*0,1=0,06 Ватт
Для второго случая:
P1=11,4*1=11,4 Ватт
P2=0,6*1=0,6 Ватт
Что уже немалые для электроники цифры, в том числе и для использования в усилителях. Это не эффективно, поэтому в настоящее время используют импульсные схемы, хотя и линейные продолжают использоваться либо в любительских конструкциях, либо в специфичном оборудовании с особыми требованиями.
Второй пример – это делитель для формирования Uопорного для регулируемого стабилитрона TL431. Они применяются в большинстве недорогих блоков питания и зарядных устройств для мобильных телефонов. Схема подключения и расчетные формулы вы видите ниже. С помощью двух резисторов здесь создается точка с Uопорным в 2.5 вольта.

Еще один пример — это подключение всевозможных датчиков к микроконтроллерам. Рассмотрим несколько схем подключения датчиков к аналоговому входу популярного микроконтроллера AVR, на примере семейства плат Arduino.

В измерительных приборах есть разные пределы измерения. Такая функция реализуется также с помощью группы резисторов.

Но на этом область применения делителей напряжения не заканчивается. Именно таким образом гасятся лишние вольты при ограничении тока через светодиод, также распределяется напряжение на лампочках в гирлянде, и также вы можете запитать маломощную нагрузку.
Нелинейные делители
Мы упомянули, что к нелинейным делителям относится параметрический стабилизатор. В простейшем виде он состоит из резистора и стабилитрона. У стабилитрона условное обозначение на схеме похоже на обычный полупроводниковый диод. Разница лишь в наличии дополнительной черты на катоде.
Расчет происходит, отталкиваясь от Uстабилизации стабилитрона. Тогда если у нас есть стабилитрон на 3.3 вольта, а Uпитания равно 10 вольт, то ток стабилизации берут из даташита на стабилитрон. Например, пусть он будет равен 20 мА (0.02 А), а ток нагрузки 10 мА (0.01 А).
Тогда:
R=12-3,3/0,02+0,01=8,7/0,03=290 Ом
Разберемся как работает такой стабилизатор. Стабилитрон включается в цепь в обратном включении, то есть если Uвыходное ниже Uстабилизации – ток через него не протекает. Когда Uпитания повышается до Uстабилизации, происходит лавинный или туннельный пробой PN-перехода и через него начинает протекать ток, который называется током стабилизации. Он ограничен резистором R1, на котором гасится разница между Uвходным и Uстабилизации. При превышении максимального тока стабилизации происходит тепловой пробой и стабилитрон сгорает.

Кстати иногда можно реализовать стабилизатор на диодах. Напряжение стабилизации тогда будет равно прямому падению диодов или сумме падений цепи диодов. Ток задаете подходящий под номинал диодов и под нужды вашей схемы. Тем не менее такое решение используется крайне редко. Но такое устройство на диодах лучше назвать ограничителем, а не стабилизатором. И вариант такой же схемы для цепей переменного тока. Так вы ограничите амплитуду переменного сигнала на уровне прямого падения — 0,7В.

Вот мы и разобрались что это такое делитель напряжения и для чего он нужен. Примеров, где применяется любой из вариантов рассмотренных схем можно привести еще больше, даже потенциометр в сущности является делителем с плавной регулировкой коэффициента передачи, и часто используется в паре с постоянным резистором. В любом случае принцип действия, подбора и расчетов элементов остается неизменным.
Напоследок рекомендуем посмотреть видео, на котором более подробно рассматривается, как работает данный элемент и из чего состоит:
Материалы по теме:
samelectrik.ru

