Как работает система преобразователь-двигатель с токовой отсечкой. Для чего нужна токовая отсечка в электроприводе. Какие преимущества дает использование токовой отсечки. Где применяется данная система управления.
Принцип работы системы преобразователь-двигатель с токовой отсечкой
Система преобразователь-двигатель (П-Д) с токовой отсечкой представляет собой замкнутую систему управления электроприводом. Ее главная особенность заключается в ограничении тока двигателя на заданном уровне при увеличении нагрузки.
Основные элементы системы:
- Преобразователь (U)
- Двигатель постоянного тока (M)
- Датчик тока (ДТ)
- Источник опорного напряжения (Uоп)
- Диод (VD)
- Резистор обратной связи (R)
Как работает данная система управления электроприводом?
- На вход преобразователя подается задающее напряжение Uз.
- Преобразователь регулирует напряжение на якоре двигателя.
- Датчик тока измеряет ток якоря и выдает пропорциональное напряжение UДТ.
- При превышении током заданного значения Iотс срабатывает отрицательная обратная связь по току.
- Напряжение управления преобразователем Uуп уменьшается, ограничивая ток двигателя.
Функциональная схема системы П-Д с токовой отсечкой
Рассмотрим подробнее функциональную схему системы преобразователь-двигатель с токовой отсечкой:

- Преобразователь U может быть электромашинным, магнитным или полупроводниковым.
- Двигатель M — двигатель постоянного тока.
- Датчик тока ДТ — в простейшем случае резистор.
- Источник опорного напряжения Uоп — потенциометр RP.
- Диод VD — обеспечивает однонаправленное действие обратной связи.
- Резистор R — формирует сигнал обратной связи Uот.
Какую роль играют основные элементы схемы?
- Преобразователь U регулирует напряжение на якоре двигателя в соответствии с сигналом управления Uуп.
- Датчик тока ДТ измеряет ток якоря и выдает пропорциональный сигнал UДТ.
- Источник Uоп задает уровень тока отсечки Iотс.
- Диод VD обеспечивает срабатывание обратной связи только при UДТ > Uоп.
Принцип действия токовой отсечки в системе П-Д
Токовая отсечка в системе преобразователь-двигатель работает следующим образом:
- При малой нагрузке UДТ < Uоп, обратная связь не действует.
- С ростом нагрузки увеличивается ток якоря и напряжение UДТ.
- При достижении током значения Iотс срабатывает UДТ = Uоп.
- Через диод VD начинает протекать ток обратной связи.
- Формируется сигнал обратной связи Uот на резисторе R.
- Уменьшается управляющее напряжение Uуп = Uз — Uот.
- Снижается выходное напряжение преобразователя.
- Ограничивается дальнейший рост тока двигателя.
Таким образом, токовая отсечка обеспечивает защиту двигателя от перегрузки по току.

Электромеханические характеристики системы с токовой отсечкой
Электромеханические характеристики системы преобразователь-двигатель с токовой отсечкой имеют характерный вид:
- При малых нагрузках характеристики линейны.
- При достижении тока отсечки Iотс происходит загиб характеристик.
- Далее ток практически не растет при увеличении момента нагрузки.
- Скорость двигателя снижается по мере роста нагрузки.
- Характеристики при разных Uз сходятся в одну точку при Iст.
Какие параметры влияют на вид характеристик?
- Задающее напряжение Uз определяет начальную скорость.
- Ток отсечки Iотс задает точку перегиба характеристик.
- Жесткость обратной связи влияет на крутизну загиба.
Преимущества использования токовой отсечки в электроприводе
Применение токовой отсечки в системе управления электроприводом дает ряд важных преимуществ:
- Защита двигателя от перегрузок по току
- Ограничение пусковых токов и моментов
- Формирование экскаваторной характеристики
- Повышение перегрузочной способности привода
- Улучшение динамических свойств системы
Как токовая отсечка улучшает характеристики электропривода?

- Предотвращает выход из строя двигателя при перегрузках.
- Снижает нагрузку на механическую часть при пусках.
- Обеспечивает высокий момент в широком диапазоне скоростей.
- Позволяет кратковременно превышать номинальный ток.
- Демпфирует колебания в переходных режимах.
Области применения систем П-Д с токовой отсечкой
Системы преобразователь-двигатель с токовой отсечкой широко применяются в различных отраслях промышленности:
- Металлургическое производство
- Горнодобывающая промышленность
- Подъемно-транспортные механизмы
- Бумагоделательные машины
- Экскаваторы и драглайны
Для каких механизмов наиболее эффективно использование токовой отсечки?
- Механизмы с частыми пусками и реверсами
- Приводы с большими инерционными нагрузками
- Устройства с переменным моментом сопротивления
- Механизмы, требующие ограничения момента
Настройка параметров токовой отсечки
Правильная настройка системы П-Д с токовой отсечкой позволяет оптимизировать работу электропривода. Основные параметры для настройки:

- Ток отсечки Iотс
- Коэффициент усиления обратной связи
- Постоянная времени цепи обратной связи
Как выбрать оптимальные параметры токовой отсечки?
- Ток отсечки задается в пределах 2-2,5 номинального тока двигателя.
- Коэффициент усиления ОС влияет на жесткость ограничения тока.
- Постоянная времени определяет быстродействие системы.
Правильная настройка позволяет добиться максимальной эффективности работы электропривода с токовой отсечкой.
Система преобразователь-двигатель постоянного тока с токовой отсечкой
ЭЛЕКТРИЧЕСКИЙ ПРИВОД
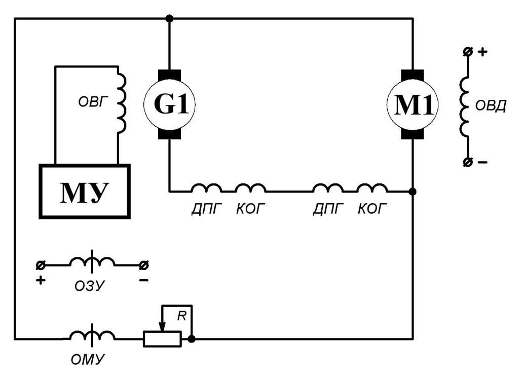
Функциональная схема системы преобразователь-двигатель (П-Д) с токовой отсечкой изображена на рис. 6.2.
На вход преобразователя U с любой физической природой (элек — тромашинный, магнитный, полупроводниковый преобразователь и др.) подается задающее напряжение U3. Преобразователь управляет двигателем по цепи обмотки якоря изменением напряжения. Датчик тока UA — в простейшем случае резистор — выдает напряжение, пропорциональное току якоря двигателя М. В цепь обратной связи включены: диод VD и источник опорного напряжения 1/оп, которое снимается с потенциометра RP. Сигнал обратной связи U0T формируется на резисторе R.
Рис. 6.2. Функциональная схема системы преобразователь — двигатель с токовой отсечкой |
Семейство электромеханических характеристик разомкнутой системы П-Д изображено на рис.
6.3. Каждая из этих характеристик соответствует определенному значению задающего напряжения U3j, которое в разомкнутой системе регулирования равно и j.
Рис. 6.3. Электромеханические характеристики системы преобразователь-двигатель с токовой отсечкой |
Пусть двигатель работает на электромеханической характеристике, соответствующей напряжению управления £/уп5. При холостом ходе
двигателя напряжение датчика тока иДТ < и0П и токовая связь не действует. С увеличением нагрузки напряжение идт датчика тока растёт и при токе якоря / = /отс становится равным опорному напряжению иоп. Дальнейшее увеличение нагрузки, например, до тока 1 приводит к превышению напряжением идт значения опорного напряжения (идт >иоп). В цепи обратной связи через диод VD начинает протекать ток /дт. Напряжение управления преобразователем Uyn при действии обратной связи, равное разности задающего напряжения U3 и напряжения обратной связи U0T, уменьшается.
Дальнейшее увеличение нагрузки, благодаря действию обратной связи, приводит к уменьшению сигнала управления иуп, который последовательно принимает значения иуп3,иуп2, что отвечает переходу
изображающей точки экскаваторной характеристики по соответствующим электромеханическим характеристикам разомкнутой системы. Двигатель останавливается при достижении током значения /ст. При неподвижном якоре двигателя ЭДС преобразователя уравновешивается падением напряжения в якорной цепи двигателя.
Изменяя с помощью потенциометра RP напряжение 110п, можно изменить ток /охс, при котором вступает в действие отрицательная обратная связь, и, следовательно, регулировать предельный момент двигателя.
VS1…VS 4 |
Рис. 6.4. Датчик тока, выполненный на трансформаторе тока |
Необходимость гальванической развязки схемы управления и силовых цепей электропривода позволяет использовать активное сопротивление в качестве датчика тока только в электроприводах с электро — машинными и магнитными усилителями или в качестве первичного датчика.
В тиристорных электроприводах сигнал, пропорциональный току якоря, получают, как правило, с помощью трансформатора тока ТА, включаемого в силовые цепи переменного тока тиристорного преобразователя (рис. 6.4).
Области применения червячного редуктора
Снижение оборотов вращения с усилением крутящего момента используется в механизмах с перекрещивающимися валами, которые востребованы в машиностроении, сельском хозяйстве, на транспорте. Киевский НТЦ «Редуктор» производит промышленные червячные редуктора, модернизирует старые …
Система векторного управления асинхронным электроприводом без датчика скорости
В частотно-регулируемых асинхронных электроприводах векторное управление связано как с изменением частоты и текущих значений переменных (напряжения, тока статора, потокосцепления), так и со взаимной ориентацией их векторов в декартовой системе координат. …
Частотное управление асинхронным электроприводом с компенсацией момента и скольжения
Сигналом тока можно воздействовать как на канал напряжения, так и на канал частоты.
Функциональная схема электропривода с положительными обратными связями по току в канале регулирования напряжения и частоты приведена на …
鸿通电子0
Цена и количествоЦена:
US $ —
- $0 — $25
- $25 — $50
- $50 — $100
- $100 — $200
- $200 and above
- Все категории
- Этикетка: 鸿通电子0
7,119 похожий продукт
Transient подавление диод SMBJ6 5CA silk print AK patch TVS двунаправленный 6 5V SMB Price: $2.0410000 уже купили
Патч диод SZ2570-23T3G ON SMB 100% реальный кузовой магазин (100 RMB50) Рядный Price: $2.

1010000 уже купилиP0640SB твердый полупроводниковой молниеносный патрубок TVS газоразрядный газоразрядный патрубок DO-214AB Price: $2.0510000 уже купили
Patch diode SS510 silk-print SS510 SMC DO214AB 5A 100V Schottky Price: $2.109990 уже купили
Ректификация диодов S2A 2A 50V SMB DO-214AA 100 RMB15 Price: $5.3310000 уже купили
Патч-диод STTh4L06S шёлк-принт 3L6 SMC Ultra high high high prectifier Price: $2.
1210000 уже купилиИсправление diode SDT3500SB Imprint P35B A3 SMD 100 RMB25 Price: $7.5610000 уже купили
Patch diode B2100 Schottky 2A100V SMB 100 только Price: $13.149998 уже купили
Patch diode SS54 silk-print SK54 SMC DO214AB 5A 40V Schottky Price: $2.1010000 уже купили
Исправление исправления Diode M7 1N4007 patch 1A 1000V DO-214 SMA 100 только 5 юаней Price: $3.
109950 уже купилиSS310B SS310B SK310B SK310B 3A100V 3A100V patch Schottky diode SMB DO-214AA Price: $2.0510000 уже купили
Исправление SS32 SS32 SK32 SR320 SB320 Schottky 3A 20V DO-214AA SMB Price: $2.0310000 уже купили
SMBJ30CA SMBJ30CA P6SMBJ30CA 600W 30V двунаправленный TVS временный подавление диодных исправлений SMB Price: $2.0310000 уже купили
FS1D FS1D 1A200V D0-214AC D0-214AC патч быстрого восстановления диод 100 RMB10 Price: $4.
2110000 уже купилиПатч диод SMBYW04-200 MURS420 silk-print D20 SMC fast recovery 4A 200V Price: $2.1210000 уже купили
SSS54 patch diode SK54 1N5824 patch 5A 40V DO-214AC SMA 100 только RMB30 Price: $8.6810000 уже купили
SS54 SMC 5A 40V patch Schottky (размеры 6 8 * 5 9) патч 1N5824 IN5824 Price: $2.0710000 уже купили
Patch diode SS34 silk-print SS34 SMC DO214AB 3A 40V Schottky Price: $2.
0710000 уже купилиИсправление исправления Diode S1M 1A1000V DO-214AC DO-214AC SMA) 100 8 Юань Price: $3.779997 уже купили
Патч TVS трубка SMBJ24A DO-214AA silk print LZ 24V односторонний SMB transient подавления диод Price: $2.0410000 уже купили
Патч TVS трубка SMAJ9 0A DO-214AC SILK PRINT AV 9V однонаправленный SMA временный подавление Price: $2.0510000 уже купили
EES2D ES2D ES2D-E3 SMB Fast Recovery diode исправлено 2A200V Price: $2.
039870 уже купилиСпециальная цена SK24 SS24 Schottky диод SMB 2A 40V Price: $2.0210000 уже купили
Patch Transient подавления Diode SMCJ60A SMCJ60CA TVS Tube одиночный двунаправленный SMC DO-214AB Price: $2.1010000 уже купили
STTh4L06S 3A 600V ультра-быстрое восстановление вторичного тюбика SMC пакет оригинальный ST итальянский корпус Price: $2.1010000 уже купили
30V 3A Schottky diode D1Fh4 код :h4 SMA SHINDENGE Japan New electrometa straight beat Price: $2.
2110000 уже купилиTVS transient patch однонаправленный SMCJ170A DO-214AB 170V 1500W SMC diode 1 5SMCJ Price: $2.0510000 уже купили
Patch diode MURS360 silk-print U3J SMC DO214AB 3A 600V Fast Recovery diode Price: $2.1010000 уже купили
Patch Schottky diode SK24 SS24 SMB 2A 40V диод SS24 Price: $2.0210000 уже купили
Исправление 1N5817 1N5817 IN5817 SS12 20V 1A SMA DO214AC 50 только 3 Юань Price: $2.
6510000 уже купилиPatch Schottky SMA SK24 SS24 SR240 Schottky диод 40В 2A Price: $2.0110000 уже купили
Патч TVS трубка SMBJ13A DO-214AA шёлк принт LG 13V односторонний SMB transient подавления диод Price: $2.0410000 уже купили
RS1B 1A 100V SMA 1808 DO-214AC патч быстрого восстановления Price: $2.0110000 уже купили
Исправление исправления Diode S1G SMA DO-214AC 1A 400V 100 только 5 Юань Price: $3.
1010000 уже купилиPatch Schottky diode SS310 SS310 SK310 SS310B SS310B 3A 100V новый оригинальный SMB Price: $2.0410000 уже купили
Тип A GS1J-E3 61T 1A 600V, исправлена дополнительная трубка DO-214AC SMA 100 RMB10 Price: $4.2110000 уже купили
HS3J 3A 600V ultra-fast Recovery вторичный патрубок SMC Packaging Desk Half TSC D0-214AB Price: $2.0710000 уже купили
Patch quick recovery diode US1G UF4004 400V 1A recified diode SMA 100 RMB10 Price: $4.
2110000 уже купилиPatch ultra fast diodes ER3JB 3A 600V SMB DO214AA Price: $2.0310000 уже купили
Yoycart на: Facebook Pinterest Twitter
диод%20b31%20u3j техническое описание и примечания по применению
диод%20b31%20u3j Листы данных Context Search
| Лист данных по каталогу | MFG и тип | ПДФ | Теги документов |
|---|---|---|---|
фгт313 Реферат: транзистор fgt313 SLA4052 RG-2A диод SLA5222 fgt412 RBV-3006 FMN-1106S SLA5096 диод ry2a | Оригинал | 2SA1186 2SC4024 2SA1215 2SC4131 2SA1216 2SC4138 100 В переменного тока 2SA1294 2SC4140 фгт313 транзистор фгт313 SLA4052 Диод РГ-2А SLA5222 фгт412 РБВ-3006 ФМН-1106С SLA5096 диод ry2a | |
перекрестный диод Реферат: перекрестный референс диода Шоттки MV3110 AH513 AH761 AH512 диод импатта Gunn Diode Ah470 DMK-6606 | OCR-сканирование | MA40401 MA40402 MA40404 MA40405 MA40406 MA40408 перекрестная ссылка на диод перекрестная ссылка на диод шоттки МВ3110 AH513 AH761 AH512 ударный диод Ганн Диод Ач470 ДМК-6606 | |
2002 — SE012 Реферат: SE090 SE140N SE115N диод 2SC5487 sta474a 8050e SE110N SLA-7611 | Оригинал | 2SA1186 2SA1215 2SA1216 2SA1262 2SA1294 2SA1295 2SA1303 2SA1386 2SA1386A 2SA1488 SE012 SE090 SE140N SE115N диод 2SC5487 sta474a 8050е SE110N SLA-7611 | |
Антенна GPS AT65 Резюме: MA4EX580L1-1225T MA4ST1081CK-287 MA4ST1081 ELDC-17LITR MASWSS0169MAAVSS0007 MAALSS0042 и т.д.1-1-13tr MADRCC0013 | Оригинал | АМ50-0002 АМ50-0003 АМ50-0004 АМ50-0006 АТ10-0009 АТ10-0017 АТ10-0019 АТ-108 АТ-110-2 АТ-113 GPS-антенна AT65 MA4EX580L1-1225T МА4СТ1081СК-287 MA4ST1081 ЭЛДК-17ЛИТР MASWSS0169 MAAVSS0007 МААЛСС0042 и т.д.1-1-13тр MADRCC0013 | |
диод Реферат: Стабилитрон диод 1N4148 «Диод ВЧ» стабилитрон А 36 коде диод диод Шоттки 1n4148 стабилитрон 1n4148 Стабилитрон частотный высокочастотный диод 8889 | OCR-сканирование | 1Н4148 1N4148W 1Н4150 1N4150W 1Н914 1Н4151 1N4151W 1Н4448 1N4448W 1N4731 диод диод стабилитрон 1N4148 «высокочастотный диод» стабилитрон А 36 кодовый диод диод Шоттки 1н4148 стабилитрон Частота стабилитрона высокочастотный диод 8889 | |
КИА78*ПИ Реферат: Транзистор КИА78*р ТРАНЗИСТОР 2Н3904хб*9Д5Н20П хб9д0н90н КИД65004АФ ТРАНЗИСТОР мосфет КИА7812АПИ хб*2Д0Н60П | Оригинал | 2N2904E до н.э.859 КДС135С 2N2906E до н.э.860 KAC3301QN КДС160 2Н3904 BCV71 KDB2151E КИА78*пи транзистор КИА78*р ТРАНЗИСТОР 2N3904 хб*9Д5Н20П хб9д0н90н КИД65004AF ТРАНЗИСТОР MOSFET KIA7812API хб*2Д0Н60П | |
СТХ12С Реферат: SLA4038 fn651 SLA4037 sla1004 CTB-34D SAP17N 2SC5586 2SK1343 CTPG2F | Оригинал | 2SA744 2SA745 2SA746 2SA747 2SA764 2SA765 2SA768 2SA769 2SA770 2SA771 CTX12S SLA4038 фн651 SLA4037 sla1004 СТВ-34Д SAP17N 2SC5586 2SK1343 CTPG2F | |
2SC5586 Реферат: транзистор 2SC5586 диод RU 3AM 2SA2003 диод СВЧ однофазный мостовой выпрямитель IC с выходом 1A 2SC5487 RG-2A диод Dual MOSFET 606 TFD312S-F | Оригинал | 2SA1186 2SA1215 2SA1216 2SA1262 2SA1294 2SA1295 2SA1303 2SA1386 2SA1386A 2SA1488 2SC5586 транзистор 2SC5586 диод РУ 3АМ 2SA2003 диод для микроволновой печи однофазный мостовой выпрямитель IC с выходом 1A 2SC5487 Диод РГ-2А Двойной МОП-транзистор 606 ТФД312С-Ф | |
2001 — Диод RU 3AM Реферат: диод РУ 4Б РГ-2А Диод диод РУ 4АМ МН638С ФММ-32 СПФ0001 красный зеленый зеленый стабилитрон Диод RJ 4Б sta464c | Оригинал | ||
Варистор RU Реферат: Транзистор СЭ110Н 2SC5487 2SA2003 Транзистор СЭ090Н высоковольтный Транзистор СЭ090 РБВ-406 2SC5586 | Оригинал | 2SA1186 2SA1215 2SA1216 2SA1262 2SA1294 2SA1295 2SA1303 2SA1386 2SA1386A 2SA1488 Варистор RU SE110N транзистор 2SC5487 2SA2003 SE090N высоковольтный транзистор SE090 РБВ-406 2SC5586 | |
фн651 Реферат: CTB-34D 2SC5586 hvr-1×7 STR20012 sap17n 2sd2619 RBV-4156B SLA4037 2sk1343 | Оригинал | 2SA744 2SA745 2SA746 2SA747 2SA764 2SA765 2SA768 2SA769 2SA770 2SA771 фн651 СТВ-34Д 2SC5586 ХВР-1×7 STR20012 sap17n 2сд2619 РБВ-4156Б SLA4037 2ск1343 | |
1N4007 ДИОД ЗЕНЕРА Реферат: диод А14А диод ст4 диак диод а15а стабилитрон дб3 стабилитрон 1н4744 стабилитрон 1н4002 стабилитрон 5А стабилитрон 400в | OCR-сканирование | 1N4001 1N4002 1N4003 1Н4004 1N4005 1Н4006 1Н4007 1N5400 1N5401 1N5402 1N4007 ЗЕНЕРСКИЙ ДИОД диод А14А диод ст4 диак диод а15а стабилитрон дб3 стабилитрон 1n4744 диод стабилитрон 1н4002 стабилитрон 5А стабилитрон 400в | |
хб*9Д5Н20П Реферат: khb9d0n90n 6v стабилитрон khb * 2D0N60P транзистор KHB7D0N65F BC557 транзистор kia * 278R33PI KHB9D0N90N схема ktd998 транзистор | Оригинал | 2N2904E до н.э.859 КДС135С 2N2906E до н.э.860 KAC3301QN КДС160 2Н3904 BCV71 KDB2151E хб*9Д5Н20П хб9д0н90н 6В стабилитрон хб*2Д0Н60П транзистор КХБ7Д0Н65Ф Транзистор BC557 киа*278R33PI Схема КХБ9Д0Н90Н транзистор ктд998 | |
К2Н4401 Резюме: D1N3940 Q2N2907A D1N1190 Q2SC1815 Q2N3055 Q2N1132 D1N750 D02CZ10 D1N751 | Оригинал | РД91ЭБ Q2N4401 Д1Н3940 Q2N2907A Д1Н1190 Q2SC1815 Q2N3055 Q2N1132 Д1Н750 D02CZ10 Д1Н751 | |
2012 — SR506 Диод Реферат: диод 6А 1000в SM4007 Диод Диод SR360 диод her307 | Оригинал | СМД4001-4007) СР560 ДО-27 UF4004 ДО-41 UF4007 10А10 LL4148 ФР101-ФР107 SR506 Диод диод 6А 1000в SM4007 Диод Диод SR360 диод her307 | |
2006 — термодиод Реферат: Термодиод PowerPC970MP CY8C27243 PPC970MP PowerPC970MPTM PowerPC970MP PowerPC 970 PowerPC-970mp Использование термодиодов в процессоре PowerPC 970MP | Оригинал | PowerPC970MP® 64-битный PowerPC970MP™ 970MP) 970MP термодиод Термодиод PowerPC970MP CY8C27243 PPC970MP PowerPC970MP™ PowerPC970MP PowerPC 970 PowerPC-970мп Использование термодиодов в процессоре PowerPC 970MP | |
Антибликовое покрытие OZ Optics Fiber Реферат: Лазерный диод 1550nm 1300nm 1550nm лазерный диод Radial sma ОПТИЧЕСКОЕ ВОЛОКНО LDC-21A лазерный соединитель LASER DISTANCE METER SMA 905 размеры волокна лазерные диоды для оптического источника линзы лазерный диод | Оригинал | -40 дБ Оптическое просветляющее покрытие оптического волокна OZ Optics Лазерный диод 1550нм 1300нм лазерный диод 1550нм Радиальное ОПТИЧЕСКОЕ ВОЛОКНО ЛДЦ-21А лазерный соединитель ЛАЗЕРНЫЙ ДАЛЬНОМЕР СМА 905 размеры волокна лазерные диоды для оптического источника линза лазерный диод | |
Германиевый диод Реферат: 5-амперный диодный выпрямитель Германиевый диод OA91 aa117 диод 2-амперный выпрямительный диод 2-амперный стабилитрон DIODE 1N649 германиевый выпрямительный диод OA95 диод | OCR-сканирование | 1Н34А 1Н38А 1Н60А 1Н100А 1Н270 1Н276 1Н277 1Н456 1Н459 1Н456А германиевый диод Диодные выпрямители на 5 ампер Германиевый диод OA91 диод аа117 диод Выпрямительный диод на 2 ампера 2-амперный стабилитрон ДИОД 1N649 германиевый выпрямительный диод Диод ОА95 | |
диод Шоттки 60В 5А Реферат: 30А Быстродействующий диод Шоттки Диод 20В 5А Диод Шоттки высокое обратное напряжение код маркировки 1А Диод Шоттки Диод 40В 2А Шоттки Барьер 3А Диод Шоттки код 10 Шоттки БАРЬЕР ДИОД ERG81-004 | Оригинал | 5В/10А) 500нс, диод шоттки 60В 5А 30A быстродействующий диод Диод Шоттки 20В 5А Диод Шоттки высокого обратного напряжения код маркировки 1А диод Диод Шоттки 40В 2А Барьер Шоттки 3А диод Шоттки код 10 БАРЬЕР ШОТТКИ ДИОД ЭРГ81-004 | |
Диод Ганна Реферат: Микроволновый кремниевый детектор Диод DW9248 микроволновый волновод Marconi gunn Silicon Detector УВЧ-диодный варактор диодный варактор с фильтром | OCR-сканирование | DA1304 DA1307 DA1321 DA1321-1 DA1338 DA1338-1 DA1338-2 DA1338-3 DA1349-2 DA1349-4 Ганн Диод Микроволновый кремниевый детекторный диод DW9248 микроволновый волновод Маркони Ганн Кремниевый детектор УВЧ диод варикапный диодный фильтр варактор | |
м2222а Реферат: SOD80C PHILIPS BCB47B 1N4148 SOD80C PMBTA64 PXTA14 BF960 FET BFW11 BF345C BC558B PHILIPS | OCR-сканирование | БА582 ОД123 БА482 BA682 BA683 БА483 БАЛ74 БАВ62, 1Н4148 pm2222a SOD80C ФИЛИПС BCB47B 1N4148 СОД80С ПМБТА64 PXTA14 BF960 полевой транзистор BFW11 BF345C BC558B ФИЛИПС | |
схемы сварки Реферат: многопереходная «солнечная батарея» EMCORE CIC Солнечная батарея Emcore дуговой реактор солнечной батареи Многопереходная ячейка «солнечная батарея» с диодом Шоттки | Оригинал | ||
2009 — 2850КТ Реферат: 2850MT 1200 RTV 1N5550 1N6515 2850FT RTV-615 scotchcast эпоксидный диод с piv 40v | Оригинал | 1Н6515 1Н5550 2850КТ 2850 тонн 1200 РТВ 1Н5550 1Н6515 2850 футов РТВ-615 скотчкаст эпоксидная смола горшечный материал диод с пив 40v | |
1998 — Стабилитрон 3 В 400 мВт Реферат: транзистор bc548b BC107 транзистор TRANSISTOR bc108 bc547 таблица перекрестных ссылок Транзистор BC109 DIAC OB3 DIAC Br100 74HCT Спецификация семейства IC TRANSISTOR mosfet BF998 | Оригинал | DS750 87C750 80С51 ПЗ3032-12А44 БУК101-50ГС BUW12AF БУ2520АФ 16 кГц BY328 Стабилитрон 3В 400мВт транзистор bc548b Транзистор BC107 ТРАНЗИСТОР bc108 Таблица перекрестных ссылок bc547 Транзистор BC109 ДИАК OB3 ДИАК Br100 Спецификация семейства микросхем 74HCT ТРАНЗИСТОР MOSFET BF998 | |
УВЧ фазовращатель Резюме: нет абстрактного текста | OCR-сканирование | ||
Предыдущий 1 2 3 … 23 24 25 Далее
U3J pdf Datasheet P1 Part Num — IC-ON-LINE
U3J pdf Datasheet P1 Part Num — IC-ON-LINE
|
| gif»> U3J Лист данных в формате PDF | Для U3J Found Datasheets File :: 4+ Страница :: | | |
|
| |||||||||||||||||||||||||||||||||||||||||||||||||||||||||||||||||||||||||||||||||||||||||
| Цена и наличие U3J от |
Все права защищены © IC-ON-LINE 2003 — 2022 |
| [Добавить закладку] [Контакты Нам] [Обмен ссылками] [Политика конфиденциальности] |
| Сайты-зеркала: [www.datasheet.hk] [www.maxim4u.com] [www.ic-on-line.cn] [www.ic-on-line.com] [www.ic-on-line.net] [www.alldatasheet.com.cn] [www.gdcy.com] [www.gdcy.net] |
Мы используем файлы cookie, чтобы предоставлять наилучшие
веб-опыт и помощь в наших рекламных усилиях. Продолжая использовать
этот сайт, вы даете согласие на использование файлов cookie.![]() |


1210000 уже купили
109950 уже купили
2110000 уже купили
0710000 уже купили
039870 уже купили
2110000 уже купили
6510000 уже купили
1010000 уже купили
2110000 уже купили
com
