Как работает система плавного пуска вентилятора охлаждения двигателя. Какие преимущества дает плавное включение. Как собрать устройство плавного пуска своими руками. На каких элементах строятся схемы плавного пуска вентилятора.
Зачем нужно плавное включение вентилятора охлаждения
Вентилятор охлаждения двигателя является важным элементом системы охлаждения автомобиля. Он включается при достижении определенной температуры охлаждающей жидкости, чтобы усилить отвод тепла от радиатора. Однако резкое включение вентилятора на полную мощность имеет ряд недостатков:
- Большая нагрузка на бортовую электросеть автомобиля в момент пуска
- Механические нагрузки на подшипники и крепления вентилятора
- Необходимость использования предохранителя большого номинала
- Шумность при резком включении
Плавное включение вентилятора позволяет избежать этих проблем и обеспечить более мягкий запуск. Рассмотрим, как работают устройства плавного пуска вентилятора охлаждения и как их можно реализовать самостоятельно.

Принцип работы устройства плавного пуска
В основе работы большинства устройств плавного включения вентилятора лежит принцип широтно-импульсной модуляции (ШИМ). Суть его заключается в следующем:
- На вентилятор подается не постоянное напряжение, а импульсы
- Частота импульсов фиксированная (обычно 200-400 Гц)
- Изменяется ширина (длительность) импульсов
- Чем шире импульс, тем больше мощность вентилятора
При включении ширина импульсов плавно увеличивается от минимума до максимума за несколько секунд. Это обеспечивает плавный разгон вентилятора без резких бросков тока.
Основные элементы схемы плавного пуска
Типовая схема устройства плавного включения вентилятора содержит следующие основные элементы:
- Генератор ШИМ-сигнала (на основе таймера NE555 или микроконтроллера)
- Силовой ключ (MOSFET-транзистор)
- Драйвер для управления силовым ключом
- Цепь плавного изменения ширины импульсов
Генератор ШИМ формирует управляющие импульсы нужной частоты. Силовой ключ коммутирует ток через вентилятор. Драйвер обеспечивает быстрое переключение ключа. Цепь плавного изменения задает нарастание ширины импульсов при включении.

Варианты реализации устройства плавного пуска
Существует несколько вариантов построения схемы плавного включения вентилятора охлаждения:
На основе таймера NE555
Простая схема на широко распространенной микросхеме. Основные преимущества:
- Доступность компонентов
- Простота повторения
- Не требует программирования
Недостатки — ограниченная функциональность, сложность изменения алгоритма работы.
На микроконтроллере
Более гибкий вариант с расширенными возможностями:
- Программная реализация алгоритма
- Легкость модификации
- Дополнительные функции (диагностика, индикация и т.д.)
Минус — необходимость программирования микроконтроллера.
На специализированной микросхеме
Наиболее простой вариант для самостоятельной сборки:
- Минимум внешних компонентов
- Не требует настройки
- Высокая надежность
Недостаток — ограниченный выбор микросхем, сложность изменения параметров.
Сборка устройства плавного пуска своими руками
Рассмотрим пример реализации простого устройства плавного включения вентилятора на базе таймера NE555:

Необходимые компоненты:
- Микросхема NE555
- Транзистор MOSFET IRF4905
- Биполярный транзистор КТ315
- Резисторы, конденсаторы
- Диоды 1N4148, SBR1040CT
Этапы сборки:
- Подготовка корпуса от автомобильного реле
- Изготовление печатной платы
- Монтаж компонентов на плату
- Установка радиатора на силовой транзистор
- Сборка устройства в корпус реле
Готовое устройство устанавливается в штатное место реле включения вентилятора и не требует изменений в проводке автомобиля.
Преимущества использования плавного пуска
Применение устройства плавного включения вентилятора охлаждения дает следующие преимущества:
- Снижение нагрузки на бортовую сеть автомобиля
- Уменьшение механических нагрузок на вентилятор
- Снижение шума при включении
- Возможность использования предохранителя меньшего номинала
- Увеличение срока службы вентилятора и реле
Все это повышает надежность и долговечность системы охлаждения двигателя в целом.
Советы по эксплуатации устройства плавного пуска
При использовании самодельного устройства плавного включения вентилятора охлаждения следует учитывать несколько моментов:

- Необходимо обеспечить хороший теплоотвод от силового транзистора
- Желательно применять влагозащитное покрытие платы
- Следует периодически проверять надежность соединений
- При неисправности нужно вернуть штатную схему включения
При правильной установке и эксплуатации устройство плавного пуска вентилятора будет надежно работать в течение длительного времени.
Плавное включение вентилятора охлаждения двигателя своими руками
Реле плавного включения вентилятора охлаждения своими руками

Во всех автомобилях, когда температура двигателя близка до критической отметки, включается вентилятор охлаждения радиатора. Но есть массу минусов резкого старта, которая отображается на электрике автомобиля. Особенно это касается русского автопрома. В данной статье приведена схема своими руками реле плавного включения вентилятора охлаждения
.
Схема устройства:

И так выше было сказано о минусах резкого включения, и которые мы минуем собрав схему реле плавного включения:
1. Большая нагрузка на бортовую сеть (генератор, аккумулятор, проводка).
2. Большая механическая нагрузка на подшипник и на крепления электро вентилятора.
3. Использование необоснованно большого предохранителя. Пусковой ток электродвигателя 20 — 30А в зависимости от модели, и редко превышает 4 — 8А на ходу.
Задача, поставленная мной, состояла в следующем:
1. Использовать штатную проводку
2. Не ставить дополнительных кнопок.
3. Изначально, в данной модели автомобиля не было реле включение вентилятора, по этому есть возможность это исправить.
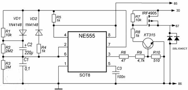
Устройство представляет собой ШИМ генератор импульсов. ШИМ запускается и начинает генерировать импульсы на выходе 3 с постоянной частотой и изменяющийся во времени шириной следования импульса. Время задается емкостью конденсатора С3. Далее, эти импульсы подаются на драйвер мощного полевого транзистора который управляет нагрузкой на выходе устройства. Драйвер для IRF4905 собран на отечественном транзисторе КТ315. Время полного открытия затвора IRF4905 напрямую зависит от емкости конденсатора и скорости его заряда. Диод на выходе служит для сглаживание обратных выбросов электродвигателя. В качестве диода я применял диодную сборку Шоттки с общим катодом. Полевик Р-канальный, так как должен регулировать положительное напряжение. Можно было бы использовать и N-канальный, но тогда бы пришлось переделывать всю проводку связанную с электроникой охлаждения. Все выводы на схемы указаны с учетом выходов контактов реле. Схема простая и выполнена в SMD, поэтому удалось ее поместить на плате размером с автомобильное реле. Некоторая часть схемы выполнена навесным, плотным монтажом, а другая на маленькой печатной плате.
Плату я рисовал ЛУТом, всем известным, далее травил хлорным железом. На этом сайте я много встречал людей у которых процесс травление занимает более 2-х часом, лично у меня это занимает 5-7 минут. Дело в том, что бы протравить плату (не важно какого размера) нужно подогреть раствор до температуры 60-70 градусов,при этом нужно как можно чаще болтать текстолит в растворе, и периодически на него поглядывать.
Первым делом необходимо достать реле. Оно может быть рабочим так и нет, собственно нас это не интересует. Главное размер! Теперь нужно разобрать его и аккуратно извлечь внутренности, оставив выходные клеммы.


Должно получится примерно следущее


После того как мы отрезали все ненужное, займемся навесным монтажом. Навесная часть, будет вся правая часть схема, все что выходит с 3 ножки NE555. «Почему нельзя спаять все на плате?» Да потому что, ни по длине ни по ширине оно не влезет. Это относиться только к стандартному (по размерам) реле.




Навесная часть почти завершена. Теперь приступим к самой плате. У меня получилось так, что пришлось обрезать готовую плату до нужных размеров, потому как транзистор и диоды были вынесены за пределы платы. Сама плата, которая выложена в конце статьи, имеет полный размер в связи с тем, что бы ее можно было подогнать по размерам.


Теперь впаиваем обрезанную плату в реле.



Осталось допаять перемычки и можно переходить к креплению радиатора (через изоляционную прокладку) и обрезанию крышки реле.

Собственно устройство готово. Осталось покрыть его лаком или залить канифолью. Хотя если реле будет стоять под приборной панелью, то вскрытие лаком можно исключить. После окончательной сборки устройство не требует настройки, подходит к любым (по мощности) электродвигателям, так как имеет максимальный ток в 74А! Это все таки автомобиль, должен быть 200% запас по мощности. Чтобы ничего не работало в пике своих характеристик. IRF4905 довольно дешевый, распространенный, проблем с его приобретением возникнуть не должно.
Ну вот и все. Фото готового устройства.

Список радиодеталей
| Обозначение | Тип | Номинал | Количество |
| Программируемые таймеры и осцилляторы | NE555D | 1 | |
| MOSFET | IRF4905 | 1 | |
| Биполярные | КТ315А | 1 | |
| Выпрямительные | SBR1040CT | 1 | |
| VD1, VD2 | Выпрямительные | 1N4148 | 2 |
| R1, R7 | Резистор | 10 кОм | 2 |
| R2 | Резистор | 2.2 МОм | 1 |
| R3 | Резистор | 2 МОм | 1 |
| R4, R5, R8 | Резистор | 1 кОм | 3 |
| R6 | Резистор | 47 Ом | 1 |
| R9 | Резистор | 4.7 кОм | 1 |
| R10 | Резистор | 510 Ом | 1 |
| C1 | Конденсатор | 0.1 мкФ | 1 |
| C2 | Электролитический конденсатор | 220 мкФ/16В | 1 |
| Корпус от авто-реле | 1 |
Скачать плату в LAY
radiostroi.ru
Интеллектуальное реле управления вентилятором охлаждения двигателя / Habr
Прочитав пост mrsom о пересадке микроконтроллерной начинки в ретротахометр от Жигулей, решил рассказать об одной своей давней микроконтроллерной разработке (2006 год), сделанной для плавного управления электровентилятором охлаждения двигателей переднеприводных моделей ВАЗа.
Надо сказать, что на тот момент уже существовало немало разнообразных решений — от чисто аналоговых до микроконтроллерных, с той или иной степенью совершенства выполняющих нужную функцию. Одним из них был контроллер вентилятора компании Силычъ (то, что сейчас выглядит вот так, известной среди интересующихся своим автоматическим регулятором опережения зажигания, программно детектирующим детонационные стуки двигателя. Я некоторое время следил за форумом изготовителя этих устройств, пытаясь определить, чтов устройстве получилось хорошо, а что — не очень, и в результате решил разработать свое.
По задумке, в отличие от существующих на то время решений, новый девайс должен был a) помещаться в корпус обычного автомобильного реле;
б) не требовать изменений в штатной проводке автомобиля; в) не иметь регулировочных элементов; г) надежно и устойчиво работать в реальных условиях эксплуатации.
История появления девайса и алгоритм работы первой версии обсуждалась здесь — для тех, кто не хочет кликать, опишу ключевые вещи инлайн:
-1. Алгоритм работы устройства предполагался следующий: измерялось напряжение на штатном датчике температуры двигателя; по достижении нижней пороговой температуры вентилятор начинал крутится на минимальных оборотах, и в случае дальнейшего роста линейно увеличивал скорость вращения вплоть до 100% в тот момент, когда по мнению ЭСУД (контроллера управления двигателем), пора бы включать вентилятор на полную мощность.
То есть, величина температуры, соответствующая 100% включению могла быть получена при первом включении устройства, т.к. оно имеет вход, соответствующий выводу обмотки штатного реле.
Нижний порог в первой версии нужно было каким-то образом установить, проведя таким образом через две точки линейную характеристику регулирования.
0. При токах порядка 20А очевидно, что для плавного регулирования применяется ШИМ, а в качестве ключевого элемента — мощный полевик.
1. Размещение устройства в корпусе обычного реле означает практическое отсутствие радиатора теплоотвода. А это в свою очередь накладывает жесткие требования к рассеиваемой ключевым элементом мощности в статическом (сопротивление канала) и динамическом (скорость переключения) режимах — исходя из теплового сопротивления кристалл-корпус она не должна превышать 1 Вт ни при каких условиях
2. Решением для п.1 может являться либо применение драйвера полевика, либо работа на низкой частоте ШИМ.
В отличие от аналогов, из соображений компактности и помехозащищенности был выбран вариант с низкой частотой ШИМ — всего 200 Гц.
3. Работа устройства со штатной проводкой и датчиком температуры неминуемо приводит к ПОС, т.к. ТКС штатного датчика температуры — отрицательный, а при включенном вентиляторе из-за конечно сопротивления общего провода и ‘проседания’ бортсети измеряемое на датчике напряжение неминуемо падает. Стабилизировать же, или использовать четырехпроводную схему включения нельзя — изменения в штатной проводке запрещены.
С этим решено было бороться программно — измерением напряжения на датчике только в тот момент, когда ключ ШИМ выключен — то есть паразитное падение напряжения отсутствует. Благо, низкая частота ШИМ оставляла достаточно времени для этого.
4. Программирование порога включения устройства должно быть либо очень простым, либо быть полностью автоматическим. Изначально в устройстве был установлен геркон, поднесением магнита к которому сквозь корпус программировался нижний порог (значение естественно, запоминалось в EEPROM). Верхний порог устанавливался сам в момент первого импульса от контроллера ЭСУД.
В дальнейшем я придумал и реализовал алгоритм полностью автоматической установки порогов, основанный на нахождении термостабильной точки двигателя (точки срабатывания термостата) в условиях отсутствия насыщения по теплопередаче радиатор-воздух.
5. Устройство должно предоставлять диагностику пользователю. Для этого был добавлен светодиод, который промаргивал в двоичном коде два байта — текущий код АЦП и слово флагов состояния.
Устройство было собрано частично навесным монтажом прямо на выводах бывшего реле, частично на подвернувшейся откуда-то печатной платке.
Силовой MOSFET выводом стока был припаян прямо к ламелю вывода реле, что увеличило запас по рассеиваемой мощности. Устройство без глюков проработало на ВАЗ-2112 c 2006 по 2010 год, когда я его снял перед продажей, и побывало не только в холодном питерском климате, но и на горных крымских дорогах (да еще на машине в наддувном варианте — стоял у меня на впуске приводной компрессор), несмотря на монтаж уровня прототипа и контроллер в панельке.
Вот оригинальная схема (рисовал только на бумаге):
А это вид устройства изнутри:

Устройство было повторено несколькими людьми, один из них (офф-роудер Геннадий Оломуцкий из Киева) применил его на УАЗе, нарисовав схему в sPlan и разведя печатную плату — в его варианте это выглядит так:
— схема, печатка и последняя версия кода лежат здесь: http://code.google.com/p/mc-based-radiator-cooling-fan-control-relay
А вот кусок из переписки с одним из повторивших этот девайс — в нем впервые детально выписан алгоритм (!) — до этого писал прямо из мозга в ассемблер:
Теперь идея и реализация собственно алгоритма автоустановки (все шаги ниже соответствуют неустановленным порогам):
1. Ждем сигнала включения вентилятора от ЭСУД (либо от датчика температуры в радиаторе в варианте Геннадия)
2. Запоминаем температуру в момент появления сигнала как T1 (реально запоминается код канала АЦП оцифровки сигнала датчика — назовем его C1)
3. Включаем вентилятор на 100%. Ставим флаг «режим автоустановки активен (бит 3)»
4. Через 3 секунды считываем код АЦП (назовем его C1′). Это действие нужно для того, чтобы определить величину компенсации значения температуры из-за влияния тока, протекающего через вентилятор, и вызванного им падения напряжения в измерительной цепи, на оцифрованное значение температуры. Реально за 3 секунды мотор не успевает охладиться, зато вентилятор стартует и выходит на номинальный ток.
5. Вычисляем коррекцию АЦП для 100% мощности вентилятора (назовем ее K100 = C1 — C1′). Запоминаем К100.
6. Ждем снятия сигнала включения вентилятора от ЭСУД (либо отключения датчика в радиаторе).
7. Плавно снижаем мощность с 75% до 12% примерно на 1.5% в секунду.
8. Выключаем вентилятор, ждем 60 секунд.
9. Запоминаем температуру как T2 (код АЦП С2).
10. Корректируем нижний порог (увеличиваем на 1/8 разницы между верхним и нижним), для того, чтобы он был выше термостабильной точки термостата. T2 = T2 + (T1 — T2) / 8. В кодах АЦП это C2 = C2 — (C2 — C1) / 8, т.к. напряжение на датчике с ростом температуры падает.
11. Сохраняем C1, C2, K100 во внутреннем EEPROM реле.
12. Устанавливаем флаг «пороги установлены» (бит 5), снимаем флаг «режим автоустановки активен», выходим из режима автоустановки в рабочий режим
Идея алгоритма в том, что он продувает радиатор до термостабильной точки термостата, но дует не сильно, чтобы не остужать двигатель прямым охлаждением блока и головки. Затем вентилятор выключается и реле дает мотору чуть нагреться — таким образом мы автоматически получаем точку для начала работы вентилятора.
Во время автоустановки реле воспринимает сигнал с геркона в течение шагов 7 и 8 — поднесение магнита к реле в эти моменты вызывает последовательность шагов 9, 11, 12. Коррекция порога на шаге 10 при этом не производится).
Если во время автоустановки нарушились некоторые ожидаемые реле условия, устанавливается флаг «ошибка автоконфигурации (бит 4)» и реле выходит из режима автоустановки. Чтобы реле опять смогло войти в этот режим по условию шага 1, надо выключить и включить питание реле.
Ошибки ловятся такие:
Шаг 2 — значение АЦП вне диапазона (слишком низкое или высокое). Диапазон автоконфигурации по коду АЦП 248..24 (11111000…00011000). В этом случае реле просто не входит в режим автоконфигурации без установки флага ошибки.
Шаг 4 — в течение времени ожидания 3 секунд обнаружено снятие внешнего сигнала включения вентилятора.
Шаг 7 — во время снижения оборотов обнаружен активный внешний сигнал включения вентилятора Шаг 8 — во время ожидания обнаружен активный внешний сигнал включения вентилятора Шаг 11 — установленные пороги вне диапазона 248..24, либо разница C2 — C1 < 4 (то есть они слишком близко друг к другу, либо по какой-то причине C2 > C1 — например, когда вентилятор на самом деле не срабатывает, и температура продолжает расти)
Теперь рабочий режим:
Расчет требуемой мощности (Preq)
1. Если внешний сигнал активен — Preq = 100% 2. Если неактивен, то смотрится текущий код АЦП © и соответствующая ему температура T:
T < T2 (C > C2): Preq = 0%
T > T1 (C < C1): Preq = 100%
T2 <= T <= T1 (C2 >= C >= C1): Preq = Pstart + (100% — Pstart) * (C2 — C) / (C2 — C1), где Pstart = начальная мощность (12%)
При этом, требуемая мощность не сразу подается на вентилятор, а проходит через алгоритм плавного разгона и органичения частоты пуска/останова вентилятора.
Этот алгоритм работает только в рабочем режиме и при отсутствии внешнего сигнала включения:
Пусть Pcurr — текущая мощность вентилятора
1. Если Pcurr > 0 и Preq = 0, либо Pcurr = 0 и Preq > 0 — то есть требуется запуск остановленного или останов работающего вентилятора, то:
— Смотрится время находжения вентилятора в данном состоянии (запущен или остановлен). Если время меньше порога — состояние вентилятора не меняется.
— При этом, если Pcurr > Pstart и Preq = 0, то на остаток времени запущенного состояния устанавливается Pcurr = Pstart (то есть вентилятор крутится на минимальных оборотах) 2. Если п.1 не выполняется, либо время нахождения в состоянии прошло, то:
— Если Preq < Pcurr, то устанавливается Pcurr = Preq (то изменение скорости вращения в сторону снижения происходит сразу, как рассчитано новое значение)
— Если Preq > Pcurr, то набор скорости вращения ограничивается сверху величиной примерно 1.5% в секунду (кроме случая, когда включение вентилятора запрашивается внешним сигналом) — то есть если Preq — Pcurr > Pdelta, то Pcurr = Pcurr + Pdelta, иначе Pcurr = Preq
Теперь про алгоритм оцифровки значения АЦП датчика и компенсации паразитной обратной связи при работе вентилятора:
При расчете мощности используется усредненное значение кода текущей температуры С (см. Расчет требуемой мощности), получаемое средним арифметическим последних 8 значений Сm1, Cm2, Cm3… Cm8. Усреднение происходит методом «скользящего окна» — то есть помещение нового значения в буфер из 8 значений выталкивает наиболее старое и вызывает пересчет среднеарифметического С. Цикл АЦП (и пересчет среднего) происходит каждые 640 мс.
«Сырое» (считанное из АЦП) значение Cadc, прежде чем попадет в буфер подсчета, участвует в следующем алгоритме:
1. Проверяется, что Cadc > Cdisc, где Cdics — макс. Значение АЦП для неподключенного измерительного вывода.
2. Если Cadc > Cdisc, то выставляется флаг «датчик не подключен (бит 6)», значение не попадает в буфер 8 последних значений, и пересчет среднего не выполняется.
3. Если Cadc >= Cdisc — то есть датчик подключен, то Сadc корректируется на определенную величину в зависимости от текущей мощности вентилятора и величины коррекции для 100% мощности (см. шаг 4 алгоритма автоустановки): Cadc = Cadc + Кcurr, где Кcurr = К100 * (Pcurr / 100%). Если при этом Кcurr > 0, то устанавливается флаг «значение АЦП скорректировано (бит 7)». Алгоритм коррекции работает только в рабочем режиме и не работает в режиме автоконфигурации.
4. Выполняется ограничение отрицательной динамики Cadc, чтобы подавить резкие снижения С из-за импульсной нагрузки в общих с датчиком температуры цепях питания автомобиля: Если C — Cadc > Сdelta, то Cadc = C — Cdelta. Ограничение не работает в течение первых 15 секунд после включения зажигания, для того, чтобы в буфере значений быстро сформировались правильные значения Cm1, Cm2…Cm8.
5. Скорректированное по мощности и динамике значение Cadc заталкивается в буфер значений для усреднения как Cm1..Cm8 в зависимости от текущего значения указателя головы буфера (буфер циклический, указатель головы принимает значения от 1 до 8).
Теперь про диагностику светодиодом:
Первый байт — это «сырой» код АЦП (в ранних версиях здесь индицировалось среднее значение C) Второй байт — слово состояния Между первым и вторым байтом пауза порядка 1.5 секунд.
Между циклами индикации пауза 3-4 секунды.
Байты индицируются побитно, начиная со старшего (бит 7, бит 6,… бит 0).
Длинная вспышка соответствует биту, установленному в «1», короткая — в «0».
Расшифровка слова состояния:
Бит 7 — значение АЦП откорректировано по текущей мощности вентилятора
Бит 6 — датчик температуры не подключен
Бит 5 — пороги установлены
Бит 4 — ошибка установки порогов
Бит 3 — режим автоконфигурации активен
Бит 2 — внутренний сброс процессора из-за зависания — нештатная ситуация
Бит 1 — внешний сигнал включения вентилятора активен
Бит 0 — режим продувки при остановке двигателя активен
Когда я описал алгоритм, то удивился как его удалось впихнуть в 1024 слова программной памяти tiny15. Однако, со скрипом, но поместился! ЕМНИП, оставалось всего пару десятков свободных ячеек. Вот что такое сила Ассемблера 🙂
UPD: Многие спрашивают ссылку на скачивание кода — вот ссылка на страницу, на которой можно кликнуть на Download и получить архив: https://code.google.com/archive/p/mc-based-radiator-cooling-fan-control-relay/source/default/source
habr.com
Плавное включение вентилятора охлаждения двигателя своими руками
Во всех автомобилях, когда температура двигателя близка до критической отметки, включается вентилятор охлаждения радиатора. Но есть массу минусов резкого старта, которая отображается на электрике автомобиля. Особенно это касается русского автопрома. В данной статье приведена схема своими руками реле плавного включения вентилятора охлаждения.

И так выше было сказано о минусах резкого включения, и которые мы минуем собрав схему реле плавного включения:
- Большая нагрузка на бортовую сеть (генератор, аккумулятор, проводка).
- Большая механическая нагрузка на подшипник и на крепления электро вентилятора.
- Использование необоснованно большого предохранителя. Пусковой ток электродвигателя 20 — 30А в зависимости от модели, и редко превышает 4 — 8А на ходу.
Задача, поставленная мной, состояла в следующем:
- Использовать штатную проводку.
- Не ставить дополнительных кнопок.
- Изначально, в данной модели автомобиля не было реле включение вентилятора, по этому есть возможность это исправить.
Устройство представляет собой ШИМ генератор импульсов. ШИМ запускается и начинает генерировать импульсы на выходе 3 с постоянной частотой и изменяющийся во времени шириной следования импульса. Время задается емкостью конденсатора С3. Далее, эти импульсы подаются на драйвер мощного полевого транзистора который управляет нагрузкой на выходе устройства. Драйвер для IRF4905 собран на отечественном транзисторе КТ315. Время полного открытия затвора IRF4905 напрямую зависит от емкости конденсатора и скорости его заряда. Диод на выходе служит для сглаживание обратных выбросов электродвигателя. В качестве диода я применял диодную сборку Шоттки с общим катодом. Полевик Р-канальный, так как должен регулировать положительное напряжение. Можно было бы использовать и N-канальный, но тогда бы пришлось переделывать всю проводку связанную с электроникой охлаждения. Все выводы на схемы указаны с учетом выходов контактов реле. Схема простая и выполнена в SMD, поэтому удалось ее поместить на плате размером с автомобильное реле. Некоторая часть схемы выполнена навесным, плотным монтажом, а другая на маленькой печатной плате.
Плату я рисовал ЛУТом, всем известным, далее травил хлорным железом. На этом сайте я много встречал людей у которых процесс травление занимает более 2-х часом, лично у меня это занимает 5-7 минут. Дело в том, что бы протравить плату (не важно какого размера) нужно подогреть раствор до температуры 60-70 градусов,при этом нужно как можно чаще болтать текстолит в растворе, и периодически на него поглядывать.
Первым делом необходимо достать реле. Оно может быть рабочим так и нет, собственно нас это не интересует. Главное размер! Теперь нужно разобрать его и аккуратно извлечь внутренности, оставив выходные клеммы.
| |
Должно получится примерно следущее
| |
После того как мы отрезали все ненужное, займемся навесным монтажом. Навесная часть, будет вся правая часть схема, все что выходит с 3 ножки NE555. «Почему нельзя спаять все на плате?» Да потому что, ни по длине ни по ширине оно не влезет. Это относиться только к стандартному (по размерам) реле.
Навесная часть почти завершена. Теперь приступим к самой плате. У меня получилось так, что пришлось обрезать готовую плату до нужных размеров, потому как транзистор и диоды были вынесены за пределы платы. Сама плата, которая выложена в конце статьи, имеет полный размер в связи с тем, что бы ее можно было подогнать по размерам.
| |
Теперь впаиваем обрезанную плату в реле.
Осталось допаять перемычки и можно переходить к креплению радиатора (через изоляционную прокладку) и обрезанию крышки реле.
Собственно устройство готово. Осталось покрыть его лаком или залить канифолью. Хотя если реле будет стоять под приборной панелью, то вскрытие лаком можно исключить. После окончательной сборки устройство не требует настройки, подходит к любым (по мощности) электродвигателям, так как имеет максимальный ток в 74А! Это все таки автомобиль, должен быть 200% запас по мощности. Чтобы ничего не работало в пике своих характеристик. IRF4905 довольно дешевый, распространенный, проблем с его приобретением возникнуть не должно.
Ну вот и все. Фото готового устройства.

Список радиодеталей
| Обозначение | Тип | Номинал | Количество |
| Программируемые таймеры и осцилляторы | NE555D | 1 | |
| MOSFET | IRF4905 | 1 | |
| Биполярные | КТ315А | 1 | |
| Выпрямительные | SBR1040CT | 1 | |
| VD1, VD2 | Выпрямительные | 1N4148 | 2 |
| R1, R7 | Резистор | 10 кОм | 2 |
| R2 | Резистор | 2.2 МОм | 1 |
| R3 | Резистор | 2 МОм | 1 |
| R4, R5, R8 | Резистор | 1 кОм | 3 |
| R6 | Резистор | 47 Ом | 1 |
| R9 | Резистор | 4.7 кОм | 1 |
| R10 | Резистор | 510 Ом | 1 |
| C1 | Конденсатор | 0.1 мкФ | 1 |
| C2 | Электролитический конденсатор | 220 мкФ/16В | 1 |
| Корпус от авто-реле | 1 |
Плату в LAY
shemu.ru
Плавный пуск вентилятора охлаждения | Каталог самоделок
О самодельных устройствах плавного пуска, построенных на принципах широкоимпульсной модуляции (ШИМ) сказано уже немало. Такие схемы ограничивают пусковые токи электродвигателей, обеспечивая более продолжительную их работу.Принципиальная электрическая схема реле плавного пуска на базе микроконтроллера PIC12F629 не должна вызвать затруднений при выполнении даже у тех, кто не имеет большого опыта в электронике.
IRF1010, которым управляет контроллер -мощный МОП-транзистор (MOSFET) N-канального типа с встроенным обратным диодом, использующийся для работы в ключевом режиме.Его цоколевка для корпуса ТО-220 показана ниже.
Вместо транзистора 2SC1815 возможно использовать 2N232, 2SC1000 или отечественный аналог КТ3102 А(Б). Эти транзисторы чаще всего выпускают в корпусе ТО-92 с цоколевкой, как на рисунке.
Так выглядят структурная схема расположения деталей на плате и сама плата со стороны дорожек:


Практическое применение микроконтроллеров имеет сравнительные достоинства. Основным таким преимуществом можно назвать возможность изготовления компактных печатных плат, что обуславливает комфортную установку.
В данном случае электронная плата рассчитана на размеры 23мм на 33 мм, чтопозволяет поместить его в корпус от стандартного реле поворотов классики.

В виду небольших габаритных размеров готового устройства можно удобно разместить его. Один из вариантов – на перекладине вентилятора охлаждения. Такой монтаж обеспечивает свободный доступ к установленному оборудованию.
Рекомендуется подключать устройство через дополнительный предохранитель, а запитываться устройство должно вместе с работой бензонасоса.
Если реле выйдет из строя или в случае необходимости, реле можно отключить просто, переделав контакт, который идёт с выхода реле на клемму «минус». Таким образом перекидывая один проводок, электродвигатель подключается по штатному. Более практичным может быть использование для этих целей тумблера.
Проект построен в среде программирования Flowcode. Помимо стандартного плавного пуска, прошивка предусматривает и плавный останов вентилятора, что делает его еще более функциональным.Все необходимые файлы даны в прилагаемом архиве.
Прикрепленные файлы: Скачать.
Автор: Николай Владимирович.
volt-index.ru
Плавное Включение Вентилятора Охлаждения Двигателя Своими Руками ~ TOP-GEER.RU
В многочисленных автомобилях, когда температура мотора близка до критичной отметки, врубается вентилятор остывания радиатора. Однако конечно массу минусов резкого старта, которая отображается на электрике автомобиля. В особенности это касается российского автопрома. Ниже приведена схема в кустарных условиях реле плавного включения вентилятора остывания.
Плавное включение вентиллятора (схема включения).
И так то выше было сказано о минусах резкого включения, и которые мы минуем собрав схему реле плавного включения:
1. Большая нагрузка на бортовую сеть (генератор, аккумулятор, проводка).
4. Большая механическая нагрузка на подшипник на крепления электро вентилятора.
3. Внедрение неоправданно огромного предохранителя. Пусковой ток электродвигателя 20. 30А исходя из модели, и изредка превосходит 4. 8А на ходу.
Задачка, поставленная мной, состояла в последующем:
1. Использовать штатную проводку
2. Не ставить дополнительных кнопок.
3. Вначале, в данной модели автомобиля не иметь реле включение вентилятора, по этому имеется возможность это поправить.
Устройство представляет из себя ШИМ генератор импульсов. ШИМ запускается и начинает генерировать импульсы на выходе 3 с неизменной частотой и изменяющийся во времени шириной следования импульса. Время задается емкостью конденсатора С3. Дальше, эти импульсы подаются на драйвер массивного полевого транзистора который управляет нагрузкой на выходе устройства. Драйвер для IRF4905 собран на российском транзисторе КТ315. Время полного открытия затвора IRF4905 впрямую находится в зависимости от емкости конденсатора и скорости его заряда. Диодик на выходе служит для сглаживание оборотных выбросов электродвигателя. Как диодика я использовал диодную сборку Шоттки с общим катодом.
Полевик Р-канальный, потому что должен регулировать положительное напряжение. Вы могли бы использовать и N-канальный, но тогда бы пришлось переделывать всю проводку связанную с электроникой остывания. Что остается сделать нашему клиенту выводы на схемы указаны учитывая выходов контактов реле. Схема обычная и выполнена в SMD, потому удалось ее поместить на плате размером с авто реле. Некая часть схемы выполнена навесным, плотным монтажом, а другая на малеханькой печатной плате.
Плату я отрисовывал ЛУТом, всем известным, дальше травил хлорным железом. Здесь я много встречал людей у каких процесс травление занимает более 2-х часом, лично у меня это занимает 5-7 минут. Что существует, что бы протравить плату (не так уж важно какого размера) необходимо подогреть раствор до температуры 60-70 градусов,в этом случае необходимо самые почаще болтать текстолит в растворе, и временами ему посматривать. Сперва нужно достать реле. Оно а возможно рабочим так и нет, фактически нас это не интересует. Главное размер! Сейчас необходимо разобрать его и аккуратненько извлечь внутренности, оставив выходные клеммы.
Должно получится приблизительно следущее
Если мы отрезали нашему клиенту остается ненадобное, займемся навесным монтажом. Подвесная часть, будет вся правая часть схема, что остается сделать нашему клиенту что выходит с 3 ножки NE555. Почему нельзя спаять нашему клиенту остается на плате? Потому что, ни в длину ни по ширине оно не влезет. Это относиться только к стандартному (по размерам) реле.
Плавный пуск электродвигателя охлаждения радиатора
Подвесная часть практически завершена. Сейчас приступим к самой плате. У меня вышло так, что пришлось обрезать готовую плату до подходящих размеров, так-как транзистор и диоды были вынесены за границы платы. Сама плата, которая выложена в завершение статьи, имеет полный размер по причине того, что бы ее было можно подогнать по размерам.
Сейчас впаиваем обрезанную плату в реле.
Осталось допаять перемычки можно перебегать к креплению радиатора (через изоляционную прокладку) и обрезанию крышки реле.
Фактически устройство готово. Осталось покрыть его лаком по другому залить канифолью. Хотя если реле будет стоять под приборной панелью, то вскрытие лаком есть вариант исключить. После конечной сборки устройство не просит опции, подходит к хоть каким (по мощности) электродвигателям, потому что имеет наибольший ток в 74А! Это все же автомобиль, обязан быть 200% припас по мощности. Чтоб ничего не работало в пике собственных черт. IRF4905 достаточно дешевенький, всераспространенный, заморочек с его приобретением появиться не должно.
Плавный запуск вентилятора.
И на этом все. Фото готового устройства.
Скачать плату в LAY:
У вас нет доступа к скачке файлов с нашего сервера
top-geer.ru

