Какие электронные схемы можно сделать своими руками для дома. Как автоматизировать бытовые процессы с помощью простых электронных устройств. Где найти схемы и инструкции для самостоятельного изготовления полезной бытовой электроники.
Простые электронные схемы для автоматизации домашних процессов
Современные технологии позволяют значительно упростить и автоматизировать многие бытовые процессы. При этом не обязательно покупать дорогостоящие готовые решения — многие полезные электронные устройства можно сделать своими руками, имея базовые навыки работы с электроникой. Рассмотрим несколько простых, но эффективных схем для дома и быта.
Автоматическое управление освещением
Одна из самых востребованных бытовых задач — автоматизация освещения. Для этого можно использовать простые схемы на основе фоторезистора или датчика движения. Принцип работы такой:
- Фоторезистор реагирует на уровень освещенности и при наступлении сумерек включает свет
- Датчик движения активирует освещение при появлении человека в зоне действия
- Микроконтроллер обрабатывает сигналы с датчиков и управляет реле, коммутирующим нагрузку
Такие схемы позволяют экономить электроэнергию и повышают комфорт, избавляя от необходимости вручную включать/выключать свет.

Регулятор температуры для бытовых приборов
Многие бытовые приборы — обогреватели, холодильники, инкубаторы и др. — нуждаются в поддержании заданной температуры. Для этого можно использовать простой терморегулятор на основе термистора и операционного усилителя. Схема работает следующим образом:
- Термистор измеряет текущую температуру
- Операционный усилитель сравнивает показания с заданным значением
- При отклонении температуры включается или выключается исполнительное устройство (нагреватель/охладитель)
Такой регулятор обеспечивает точное поддержание температуры в нужном диапазоне.
Системы безопасности и контроля доступа своими руками
Домашняя автоматика позволяет не только повысить комфорт, но и обеспечить безопасность жилища. Рассмотрим несколько простых схем для защиты дома.
Датчик протечки воды
Простейший датчик протечки можно сделать из двух проводников, размещенных на небольшом расстоянии друг от друга. При попадании воды между ними возникает проводимость, что фиксируется схемой и включает сигнализацию. Более сложные варианты используют специальные сенсоры влажности.

Охранная сигнализация на основе датчиков движения
Базовая охранная система может состоять из нескольких инфракрасных датчиков движения, подключенных к микроконтроллеру. При срабатывании датчика контроллер включает сирену и отправляет SMS-уведомление владельцу. Такую систему несложно собрать самостоятельно из доступных компонентов.
Электронный кодовый замок
Для ограничения доступа в помещение можно изготовить простой кодовый замок на основе микроконтроллера и клавиатуры. Принцип работы следующий:
- Пользователь вводит код на клавиатуре
- Микроконтроллер сравнивает введенный код с сохраненным в памяти
- При совпадении кодов активируется электромагнитный замок
Такое устройство обеспечивает базовую защиту от несанкционированного доступа.
Автоматизация систем полива и ухода за растениями
Для садоводов-любителей будут полезны простые схемы автоматизации полива и контроля состояния растений.
Автоматическая система полива на Arduino
Базовая система автополива может состоять из следующих компонентов:

- Arduino в качестве управляющего контроллера
- Датчик влажности почвы
- Водяной насос или электромагнитный клапан
- Реле для коммутации насоса
Arduino считывает показания датчика влажности и при необходимости включает полив на заданное время. Это позволяет поддерживать оптимальный уровень влажности без участия человека.
Измеритель освещенности для растений
Простой измеритель освещенности можно сделать на основе фоторезистора и микроконтроллера. Устройство позволяет контролировать уровень освещенности и при необходимости включать дополнительную подсветку для растений.
Схемы для экономии электроэнергии
Домашняя электроника может помочь не только автоматизировать процессы, но и сэкономить на оплате счетов за электричество.
Устройство отключения бытовых приборов в режиме ожидания
Многие современные бытовые приборы потребляют энергию даже в выключенном состоянии. Для экономии можно сделать простое устройство на основе реле времени, которое будет полностью обесточивать технику в ночное время или когда никого нет дома.

Регулятор яркости освещения
Диммер для плавной регулировки яркости ламп позволяет создавать комфортное освещение и экономить электроэнергию. Простейшую схему диммера можно сделать на основе симистора и переменного резистора.
Где найти схемы и инструкции для самостоятельного изготовления
Существует множество ресурсов, где можно найти схемы и пошаговые инструкции для изготовления полезных электронных устройств:
- Радиолюбительские форумы и сайты
- Видеохостинги с обучающими роликами по электронике
- Специализированные журналы для радиолюбителей
- Книги по бытовой электронике
При выборе схемы важно учитывать свой уровень навыков и наличие необходимых компонентов. Начинать лучше с простых проектов, постепенно усложняя задачи.
Меры безопасности при работе с электроникой
При самостоятельном изготовлении электронных устройств важно соблюдать правила безопасности:
- Использовать качественные компоненты от проверенных производителей
- Тщательно изолировать все токоведущие части
- Не превышать допустимые токи и напряжения для компонентов
- При работе с сетевым напряжением использовать устройства защитного отключения
- Проверять собранные устройства перед подключением к сети
Соблюдение этих простых правил позволит избежать опасных ситуаций и обеспечит долгую и безопасную работу самодельных электронных устройств.

Заключение
Самостоятельное изготовление электронных устройств для дома — увлекательное и полезное хобби. Оно позволяет не только сэкономить на покупке готовых решений, но и получить уникальные приборы, максимально адаптированные под конкретные задачи. При этом важно помнить о безопасности и начинать с простых проектов, постепенно наращивая опыт и знания в области электроники.
Электронные схемы для дома и быта своими руками. Радиосхемы Схемы электрические принципиальные
ГлавнаяРазноеЭлектронные схемы для дома и быта своими руками
|
Радиотехника начинающимперейти в раздел |
Букварь телемастераперейти в раздел |
Основы спутникового телевиденияперейти в раздел |
|||
|
Каталог схемперейти в раздел |
Литератураперейти в раздел |
Статьиперейти в раздел |
|||
|
Схемы телевизоровперейти в раздел |
Файловое хранилищеперейти в раздел |
Доска объявленийперейти в раздел |
|||
|
Радиодетали и ремонт в Вашем городеперейти в раздел |
ФОРУМперейти в раздел |
Справочные материалыСправочная литератураМикросхемыПрочее |
radio-uchebnik.
ru
Схемы для дома, электронника своими руками в дом
Подробности Создано: 12 сентября 2017
Когда нужно получить 12 Вольт для светодиодной ленты, или еще для каких то целей, есть вариант сделать такой блок питания из энергосберегающей лампочки своими руками.
Подробнее…
Подробности Создано: 14 июня 2017
Данный регулятор позволяет плавно регулировать переменным резистором скорость вращения вентилятора.
Схема регулятора скорости напольного вентилятора вышла простейшей. Чтобы влезть в корпус от старой зарядки телефона Nokia. Туда же влезли клеммы от обычной электро розетки.
Монтаж довольно плотный, но это было обусловлено размерами корпуса..
Подробнее…
Подробности Создано: 09 июня 2017
Освещение для растений своими руками
Бывает проблема в недостатке освещения растений, цветов или рассады,и возникает необходимость в искусственном свете для них,и вот такой свет мы сможем обеспечить на светодиодах своими руками.
Подробнее…
Подробности Создано: 14 мая 2017
Всё началось с того,что после того как я установил дома галогенные лампы на освещение. При включении которые не редко перегорали. Иногда даже 1 лампочка в день. Поэтому и решил сделать плавное включение освещения на основе регулятора яркости своими руками,и прилагаю схему регулятора яркости.
Подробнее… Подробности Создано: 10 мая 2017
Термостат для холодильника своими руками
Всё началось с того, что вернувшись с работы и открыв холодильник обнаружил там тепло. Поворот регулятора термостата не помог — холод не появлялся. Поэтому решил не покупать новый блок, который к тому же редкий, а сам сделать электронный термостат на ATtiny85. С оригинальным термостатом разница в том, что датчик температуры лежит на полке, а не спрятан в стенке. Кроме того, появились 2 светодиода — они сигнализируют что агрегат включен или температура выше верхнего порога.
Подробнее…
Подробности Создано: 30 апреля 2017
Датчик влажности почвы своими руками
Данное устройство можно использовать для автоматического полива в теплицах, цветочных оранжереях, клумбах и комнатных растениях. Ниже представлена схема, по который можно изготовить простейший датчик (детектор) влажности (или сухости) почвы своими руками. При высыхании почвы,подается напряжение,силой тока до 90мА,чего вполне хватит,включить реле.
Так же подойдет,для автоматического включения капельного полива,что бы избежать избытка влаги.
Подробнее…
Подробности Создано: 04 января 2017
Схема питания люминесцентной лампы.
Часто при выхода из строя энергосберегающих ламп,в ней сгорает схема питания,а не сама лампа. Как известно, ЛДС со сгоревшими нитями накала надо питать выпрямленным током сети с использованием бесстартерного устройства запуска.
При этом нити накала лампы шунтируют перемычкой и на который подают высокое напряжение для включения лампы. Происходит мгновенное холодное зажигание лампы, резким повышением напряжения на ней, при пуске без предварительного подогрева электродов. В данной статье мы рассмотрим пуск лдс лампы своими руками.
Подробнее…
Подробности Создано: 29 декабря 2016
Как-то вдруг, чего-то взял и удумал купить для своего ПК новую клавиатуру. Желание новизны не поборимо. Поменял цвет фона с белого на чёрный, а цвет букв с красно — чёрного на белый. Через неделю желание новизны закономерно ушло как вода в песок (старый друг лучше новых двух) и обновка была отправлена в шкаф на хранение – до лучших времён. И вот они для неё наступили, даже не предполагал, что это случиться так быстро. И поэтому название даже лучше подошло бы не которое есть,а как подключить usb клавиатуру к планшету.
Подробнее…
Подробности Создано: 30 октября 2015
Часы на ИН-14 лампах своими руками
Давно хотел выложить статью,по изготовлению своими руками часов на лампах ИН-14,или как еще отзываются-часы в стиле стим-панк.
Постараюсь поэтапно и останавливаясь на ключевых моментах изложить только самое главное. Индикация часов хорошо видна как днем так и ночью, и сами по себе очень красиво смотрятся,особенно в хорошем деревянном корпусе.Общем,приступаем.
Подробнее…
Подробности Создано: 28 февраля 2015
Уличное фотореле своими руками
Данная схема предназначена для автоматического включения фонаря уличного освещения в тёмное время суток. Основа фотореле — микросхема КР544УД1Б.
Схема собрана из широкодоступных радиодеталей, которые найдутся у каждого радиолюбителя.
Подробнее…
radiostroi.ru
Электронные схемы для дома и быта
Простой логический пробник
Простой логический пробник состоит из двух независимых пороговых устройств, одно из которых срабатывает при напряжении на входе, соответствующем логической «1», а второе — логическому «О».
Когда напряжение на входе пробника находится между 0 и +0,4 В, транзисторы V7 и V8 закрыты, транзистор V9 закрыт, а V10 открыт, горит зеленый светодиод V6, индицируя «0».
При напряжении на входе от +0,4 до +2,3 В транзисторы V7 и V8 по-прежнему закрыты, V9, открыт, V10 закрыт. Светодиоды не горят. При напряжении выше +2,3 В открываются транзисторы V8, V9 и загорается красный светодиод V5, индицируя «1». Диоды V1- V4 служат для повышения напряжения, при котором срабатывает пороговое устройство, индицирующее «1».
Коэффициент передачи тока транзисторов должен быть не менее 400. Налаживание производится подбором R5* и R7* по четкому срабатыванию пороговых устройств при напряжении от +0,4 В до +2,4 В.
Сетевая «КОНТРОЛЬКА»
Обычно для обнаружения сетевого напряжения применяют пробники-искатели с неоновыми лампочками. Увы, в наше время даже такой пробник приобрести нелегко. Зато довольно просто собрать контрольное устройство, схема которого приведена на рисунке.
Усовершенствованный светодиодный индикатор сетевого напряжения
Предлагаю для повторения радиолюбителями усовершенствованный светодиодный индикатор сетевого напряжения, который отличается от всех ранее опубликованных большей помехозащищенностью.
Например, индикаторы, изображенные на рис. 1 и рис.2, способны давать ложные показания, когда проверяется наличие напряжения в длинном кабеле, а кабель при этом имеет обрыв фазного провода. Эти индикаторы дают ложные показания и в том случае, когда с их помощью проверяют наличие напряжения в сетевой проводке с плохой изоляцией — в подвалах, сырых помещениях, т.е. там, где наблюдается низкое сопротивление изоляции.
Предлагаемый индикатор (рис.3) прост в изготовлении и надежен в работе, лишен ложных показаний при любых условиях эксплуатации. Им можно проверить как линейное напряжение 380 В, так и фазное. А отличается он от всех предыдущих использованием в схеме динистора КН102Д. Благодаря последнему, индикатор регистрирует только чистую фазу и не реагирует на наводки. В индикаторе применены конденсатор С1 — МБМ 0,1 мкФ на 400 В и резистор R1 — МЛТ 0,5.
Простой испытатель транзисторов
Простой испытатель транзисторов позволяет проверить работоспособность биполярных транзисторов n-p-n- и p-n-p-структуры.![]()
Проверяемый транзистор совместно с одним из установленных в приборе (в зависимости от структуры проверяемого транзистора, определяемой положением переключателя S1) V1 или V2 образует мультивибратор, генерирующий колебания низкой частоты. Индикаторами наличия колебаний, а значит и исправности проверяемого транзистора, служат светодиоды V3 и V4, которые вспыхивают с частотой, генерируемой мультивибратором.
Этим прибором можно проверять транзисторы малой, средней и, в ряде случаев, большой мощности. С помощью резистора R1 оценивают (приблизительно) усилительные свойства проверяемого маломощного транзистора — чем больше сопротивление введенной части резистора, при котором еще работает мультивибратор, тем выше коэффициент передачи по току этого транзистора. Источником питания прибора служит одна батарея 3336Л.
Автомат — выключатель освещения
Автомат состоит из датчика освещенности — фоторезистора и фотореле, выполненного на транзисторах VI, V2, исполнительной цепи на тиристорах V4, V10 и двухполупериодного выпрямителя на диодах V6, V7.
Автомат работает следующим образом. С уменьшением освещенности сопротивление фоторезистора R3 возрастает с 1…2 кОм до 3…5 МОм, что приводит к увеличению коллекторного тока транзисторов VI и V2. В результате этого тиристор V4 открывается, цепочка R7, СЗ, V9 вырабатывает импульс, открывающий тиристор V10, и лампы освещения включаются. При увеличении освещенности фоторезистора его сопротивление уменьшается, уменьшается и коллекторный ток транзистора V2, что приводит к запиранию тиристоров V4 и V10. Лампы освещения гаснут, а конденсатор СЗ разряжается через диод V8 и резисторы R5, R6 и R7. Порог включения автомата устанавливается резистором R1.
Детали .
Переменный резистор R1 типа СПО-0,5, резисторы типа МЛТ-0,5; фоторезисторы типов СФ2-2, СФ2-5 или ФСК-1; транзисторы — любые низкочастотные структуры р-п-р с B> 50; конденсатор С2 типа МБМ, МБГЦ, МБГП на напряжение 400 В.
При наладке требуется подобрать резисторы R5—R7, добиваясь надежного открывания тиристора V10 при заданном (резистором R1) пороге срабатывания фотореле.
mirznanii.com
Для дома и быта — Меандр — занимательная электроника
Схемы для дома и быта
В доме автора нередко отключают электропитание, что очень некстати в тёмное время суток, когда детям нужно делать уроки, а у остальных членов семьи остаются незаконченными домашние дела. Это побудило его изготовить резервную систему питания. Было выяснено, что потребляемая полностью включённым освещением дома мощность при использовании люминесцентных ламп не превышает 600 Вт. В наличии имелся компьютерный …
Читать далее
Постоянная ссылка на это сообщение: http://meandr.org/archives/36457
Для видеозаписи происходящего на лестничной клетке жилого дома можно в дверь квартиры вмонтировать автомобильный видеорегистратор. Внешне это будет выглядеть как оптический глазок. Большинство автомобильных видеорегистраторов сделаны в форме фотоаппарата, — спереди выступающий объектив видеокамеры, а сзади дисплей, на экране которого видно то что снимает видеокамера.
Вот таким образом и можно установить видеорегистратор на дверь квартиры, …
Читать далее
Постоянная ссылка на это сообщение: http://meandr.org/archives/36450
Обычно индивидуальная водопроводная система, подающая воду из колодца в дом состоит из погружного насоса, находящегося в колодце, резервуара, например, на чердаке, и водопровода. Резервуар на чердаке нужен на тот случай, если уровень воды в колодце будет временно недостаточен для работы насоса. Для того чтобы при недостаточном уровне воды в колодце насос не мог включиться и …
Читать далее
Постоянная ссылка на это сообщение: http://meandr.org/archives/36447
Сейчас очень популярны электронные замки с ключами i-Button. Прикладываешь такой ключик к разъему и микроконтроллер замка считывает его код. Но не всегда требуется такая точность и секретность. В некоторых случаях замок с цифровыми ключами i-Button можно заменить внешне похожим устройством с ключами — резисторами. То есть, точно так же подключаешь к разъему ключ.
Но в …
Читать далее
Постоянная ссылка на это сообщение: http://meandr.org/archives/36444
В некоторых случаях кажется более удобным управлять светильником дистанционно. При этом желательно использовать готовый пульт дистанционного управления. Наиболее доступны пульты для аудио и видеотехники. Например, пульт протокола RC-5 при нажатии кнопок генерирует командную импульсную последовательность, с эквивалентной частотой около 500-1000 Гц. Если такой сигнал подать непосредственно на транзисторный ключ с электромагнитным реле на выходе, то …
Читать далее
Постоянная ссылка на это сообщение: http://meandr.org/archives/36441
meandr.org
Заметки для мастера — СХЕМЫ ДЛЯ ДОМА
Дистанционное управление лазером
Металлоискатели в быту
Электроника на кухне
Таймер для кухни
Фотоэлектронный кран
Приставка для кофемолки
Бытовой термостабилизатор
Термометр со звуковой сигнализацией
Домашний «кондиционер»
Автоматика управления уличным освещением
Автоматика лестничного освещения
Включение электроприбора «на хлопок в ладоши»
Автоматика для насоса
Бытовой таймер
Датчики и сигнализаторы воды в быту
ИК дистанционные системы управления
Управление электроосвещением
Домашние бытовые сигнализаторы
Регуляторы мощности
Регулятор оборотов дрели
Регулятор мощности с обратной связью
Сенсорный регулятор освещения
Симисторный регулятор мощности
Простые схемы регуляторов мощности
Регулятор мощности на симисторе BTA16-600
Сетевые индикаторы
Защита домашнего электрооборудования
Домашняя телефония
Автоматика для полива домашних растений
Электронный звонок на входные двери
Домашние охранные устройства
Домофон
Индикаторы перегорания предохранителя
Освещение на светодиодах
Управление нагрузкой
Электронная защита от насекомых и грызунов
Преобразователи напряжения
Бесконтактный переключатель
Защита ламп накаливания от перегораний
Емкостное реле в быту
Разное
Видеорегистратор как дверной глазок с включением от звонка
USB зарядное устройство для Ni-Mh аккумуляторов
Автомат включения вентиляции
Индикатор уровня жидкости
Индикатор уровня сигнала усилителя
Простой звуколокатор на микросхеме
Генератор световых импульсов
Вытяжка для электролобзика
Питание 12 вольтового вентилятора от сети 220В
Простой робот
Простой фонарик на аккумуляторах
Простая эффективная сирена
Автомат ночной сигнализации
Самоделки для подъезда, переговорное устройство
Простой усилитель на микросхеме LM317
Зависимый выключатель для бытовой техники
Защита телевизора от удара грозовым разрядом через антенну
Автоматический выключатель дежурного освещения
Сенсорная кнопка
Сигнализатор открытой двери
kopilkasovetov.
ucoz.ru
Различные схемы электронных устройств для дома и быта. Электронные схемы Кравцова Виталия. Авторская страница изобретателя.
Различные электронные устройства для дома и быта
> Драйвер для питания сверхярких светодиодов и светодиодных матриц мощностью 10 — 100 Вт и рабочим напряжением 15 -50 В от источника напряжения =12 В, например автомобильного аккумулятора.
> Преобразователь напряжения =12В в напряжение =220В (DC/DC конвертер =12В/=220В) для питания энергосберегающих ламп в походных условиях от 12-вольтового аккумулятора.
> Прибор для сбора пчелиного яда «Пчёлка-1» с подробным описанием специальной ядосборной рамки и режимов работы.
> Прибор для сбора пчелиного яда «Пчёлка-2» с задержкой пуска с помощью таймера.
> Перезапись защищённых от копирования видеокассет VHS на DVD рекордер или видеомагнитофон.
> Измеритель толщины немагнитного покрытия на стальной поверхности. Измерение толщины лакокрасочного покрытия металла.
> Регулятор оборотов коллекторного двигателя стиральной машины, кухонного комбайна, электродрели, швейной машинке и т.д.
> Простой осциллятор сварочного аппарата переменного тока для обеспечения сварки электродами постоянного тока.
> Коммутатор звуковых сигналов автомобиля.
> Аппарат виброакустической и магниторезонансной терапии для лечения заболеваний почек (камни), артрита и внутренних органов.
> Генератор опорной частоты 50 Гц для доработки дешёвых электронных часов, работающих от сети, с целью повышения точности работы.
> Электронный термометр с цифровой индикацией. В качестве датчиков температуры используются широко распространённые медные термометры сопротивления различных градуировок.
> Четырёхпроводный нормирующий преобразователь сопротивления. Для использования в схемах точного измерения температуры и схемах автоматики. Очень лёгкая настройка, высокая точность и стабильность в работе. Малая критичность к точности номиналов элементов измерительной схемы.
> Терморегулятор с цифровой индикацией температуры. Предназначен для использования в холодильниках, инкубаторах, различных
электронагревательных приборах, в системах отопления и кондиционирования для поддержания заданной температуры, в качестве цифрового термометра с сигнализацией достижения определённой температуры и т.д.
> Схема реле времени на КР512ПС10 для управления освещением, охранной сигнализацией, электронагревательными приборами и другими нагрузками.
> Электронный таймер для суточного управления включением / выключением различных приборов
> Управление освещением из нескольких мест для оснащения подъездов многоквартирных жилых домов и домовладений.
> Приборы для электропунктурного воздействия на биологически активные точки кожи с целью лечения различных заболеваний.
> Многофункциональный прибор для электропунктурной рефлексотерапии
> Аппарат аэроионной терапии Элион -132С (Люстра Чижевского)
> Пробник электромонтажника для прозвонки многожильных кабелей
> Электромеханический стабилизатор сетевого напряжения
> Ступенчатый стабилизатор сетевого напряжения
> Устройство защиты бытовой техники от недопустимых перепадов сетевого напряжения
kravitnik.narod.ru
Простые схемы для начинающих радиолюбителей
Как сделать 100 Вт усилитель на микросхеме за пол часа
Электроника / Простые схемы
Сделать мощный усилитель на одной микросхеме LM3886, навесным монтажом, вполне реально за 15-30 минут.
При использовании хорошего блока питания такой усилитель запросто выдаст до 100 Вт мощности на один канал чистого и качественного звука.
Как сделать полицейскую мигалку на реле
Электроника / Простые схемы
Очень простую светодиодную полицейскую мигалку можно сделать самому примерно за 15 минут. В ней нет ни микросхем, ни транзисторов. Эту схему сможет собрать даже тот кто очень отдаленно знаком с электроникой. В роли задающего генератора будет
Как сделать мощную мигалку на одном MOSFET
Электроника / Простые схемы
Эта схема мигалки обладает рядом очень значительных плюсов. Во-первых — это простота, во-вторых мощность: коммутируемый ток может быть до 50 А, что явно не мало. В третьих: схема включается в разрыв цепи ламы и не требует дополнительного питания. И
Светодиодная акустическая мигалка
Электроника / Простые схемы
В интернете есть множество различных схем светодиодных мигалок – простых, сложных, с микросхемами и без.
Но обычным мигающим светодиодом сейчас уже никого не удивишь, поэтому появляется необходимость собрать что-то более продвинутое. Например,
Мощный линейный стабилизатор напряжения
Простые схемы / Блок питания своими руками
Для питания различных электронных устройств и схем, сделанных своими руками нужен такой источник питания, напряжение на выходе которого можно регулировать в широких пределах. С его помощью можно наблюдать, как ведёт себя схема при том или ином
Детектор скрытой проводки
Простые схемы / Электроника своими руками
Довольно часто у жителей многоквартирных домов возникает необходимость закрепить на стене квартиры картину, вешалку, полку или ещё какой-нибудь предмет интерьера. Для этого необходимо отметить точку на стене и пробурить небольшое отверстие
Самое надежное реле для поворотников
Электроника / Простые схемы
Как известно, все современные автомобили оборудованы указателями поворотов, которые представляют собой мигающую на левой или правой части кузова лампочку или светодиод.
Иногда штатное электромеханическое реле выходит из строя, а достать мощное
Автоматический регулятор оборотов кулера
Простые схемы / Компьютерные самоделки
Вентиляторы охлаждения сейчас стоят во многих бытовых приборах, будь то компьютеры, музыкальные центры, домашние кинотеатры. Они хорошо, справляются со своей задачей, охлаждают нагревающиеся элементы, однако издают при этом истошный, и весьма
Инфракрасный барьер
Простые схемы / Электроника своими руками
Как известно, помимо видимого светового спектра существует также инфракрасное излучение, которое не воспринимается глазом человека. Его часто используют в пультах дистанционного управления для передачи различных команд. Интересный факт – чтобы
Светодиодная цветомузыка
Простые схемы / Электроника своими руками
Порой так хочется создать у себя дома яркое световое шоу, позвать друзей, включить громче музыку и окунуться в атмосферу дискотеки.
С музыкой и друзьями проблем обычно не возникает, а вот организовать цветомузыку бывает достаточно проблематично.
Двухполосный темброблок
Электроника / Простые схемы
Во многих современных аудиосистемах, будь то музыкальный центр, домашний кинотеатр или даже портативная колонка для телефона имеется эквалайзер, или, иначе говоря, темброблок. С его помощью можно регулировать АЧХ сигнала, т.е. менять количество
Схема простого металлоискателя
Простые схемы / Электроника своими руками
Привет, друзья, сегодня поговорим о самодельном металлоискателе. Сначала я нашел схему в интернете на базе микросхемы-таймера NE555P, но она показалась мне слишком сложной для тех, кто не понимает в обозначениях на радиосхемах, да и выводить ее на
Простой усилитель на TDA2822
Простые схемы / Усилитель своими руками
Привет, друзья. Сегодня я расскажу, как сделать маленький усилитель мощности на микросхеме tda2822m.
Вот схема, которую я нашел в datasheet микросхемы. Мы будем делать стерео усилитель, то есть будут два динамика – правый и левый каналы.
Беспроводной светодиод
Простые схемы / Розыгрыши и приколы
Я покажу вам способ как заставить светодиод светиться без подключения к нему проводов. Для это нужно будет собрать несложное устройство на одном транзисторе. И вы сможете разыграть друзей, продемонстрировав им свои магические возможности.
Приставка-регулятор к блоку питания
Простые схемы / Электроника из Китая
Это хороший и бюджетный способ сделать регулируемый блок питания без особых затрат и усилий. К примеру, у меня есть в наличии хороший блок питания на 12 В и 2 А. Я соберу к нему приставку, с помощью которой можно будет регулировать напряжение в
Простейший инверт без транзисторов
Электроника / Простые схемы
Вам нужно всего два компонента, чтобы собрать простейший инвертор, преобразующий постоянный ток 12 В в 220 В переменного тока.
Абсолютно никаких дорогих или дефицитных элементов или деталей. Все можно собрать за 5 минут! Даже паять не надо! Скрутил
Простой ШИМ регулятор на NE555
Электроника / Простые схемы
С аналоговым интегральным таймером SE555/NE555 (КР1006), выпускаемым компанией Signetics Corporation с далекого 1971 года прекрасно знакомо большинство советских и зарубежных радиолюбителей. Трудно перечислить, для каких только целей не
Зарядка для телефона от батареи 9 В
Электроника / Простые схемы
Этот мастер-класс покажет вам, как можно получить 5 В для USB из батареи 9 В, и с помощью этого зарядить мобильный телефон. На фотографии собранная схема в работе, но это не конечный вариант, так как я сделаю для него ещё и корпус в конце.
Освещение для клавиатуры
Простые схемы / Компьютерные самоделки
Хочу с вами поделиться своим примером, как я сделал простую подсветку клавиатуры для своего любимого компьютера.
Эта подсветка не светит в глаза и имеет электронную регулировку яркости свечения. Она может быть подключена как к блоку питания самого
Автоматическое зарядное устройство 12 В
Авто самоделки / Простые схемы
Это очень простая схема приставки к вашему уже имеющемуся зарядному устройству. Которая будет контролировать напряжение заряда аккумуляторной батареи и при достижении выставленного уровня — отключать его от зарядника, тем самым предотвращая
Простейшее противоугонное устройство
Авто самоделки / Простые схемы
Такой прибор изготовить можно довольно быстро и просто. Сложных и дорогих деталей не потребуется, но, несмотря на это, прибор очень может пригодиться в охране вашего любимого «коня». В настоящее время противоугонные приборы пошли по пути
Звуковой пъезоизлучатель своими руками
Простые схемы / Электроника своими руками
Схема, представленная в этой статье, очень проста в повторении и не должна вызвать ни каких затруднения в сборке.
Она может применяться в различных устройствах для звукового оповещения. Например, сигнализации, звукового дублирования сигнала
Объяснение цепей клипера и фиксатора
В этом посте мы собираемся изучить схемы клипера и фиксатора. Ограничитель и фиксатор называются схемами формирования волны, потому что они преобразуют входящую сигнальную волну в другую полезную волну. Они широко используются в источниках питания, схемах фильтров, радиочастотных передатчиках/приемниках, подавителях напряжения, аудиоусилителях, и этот список можно продолжить.
Цепь клипера:
Что такое цепь клипера?
Схема Clipper представляет собой схему с диодами и другими пассивными компонентами, которая предотвращает превышение электрическими сигналами заданного уровня напряжения на выходе. Когда вход превышает порог, на который рассчитана схема ограничителя, избыточное пиковое напряжение просто обрезается или отсекается от остальной части сигнала.
Следует отметить, что обрезается только избыточная амплитуда, а остальная часть сигнала остается неизменной.
Цепи Clipper часто обозначаются как схемы защиты.
Классификация схемы ограничителя:
На приведенной выше блок-схеме показаны различные типы ограничителей на основе диодов. Существует два основных типа схем клипера: это клипер серии и шунтирующий клипер серии , а остальные являются производными от этих двух типов.
- Цепь ограничителя классифицируется как последовательная, если диод включен последовательно с нагрузкой.
- Цепь ограничителя классифицируется как шунтирующая, когда диод подключен параллельно нагрузке.
- Цепь ограничителя считается смещенной, когда мы подаем напряжение на схему ограничителя для управления уровнем ограничения на выходе.
- Полярность смещения определяет, смещен ли ограничитель положительно или отрицательно.
- Схема двойного ограничителя представляет собой схему с использованием двух диодов, в которой оба полупериода отсекаются, а также могут быть смещены.
Теперь давайте рассмотрим каждую из схем ограничителя, упомянутых на блок-схеме.
Ограничитель положительного напряжения:
Ограничитель положительного напряжения сериисостоит из диода и нагрузочного резистора RL, положительные циклы сигнала обрезаются, а отрицательные циклы проходят на выходе без изменений.
Когда на катод диода поступает положительный сигнал, диод смещается в обратном направлении и на выход сигнал не поступает. Когда диод встречает отрицательный сигнал на катодной клемме, диод смещается в прямом направлении, и этот сигнал без изменений передается на выход.
Вышеприведенная схема по существу представляет собой однополупериодный выпрямитель и является самой простой схемой ограничителя.
Серия отрицательных ограничителей:
Серия отрицательных ограничителей отсекает отрицательные циклы входного сигнала. Устройство этой схемы такое же, как и предыдущее, за исключением того, что положение диода изменено на противоположное.
Когда диод встречает положительный сигнал на аноде, диод смещается в прямом направлении и не влияет на положительные сигналы на выходе.
Когда диод встречает отрицательный сигнал на аноде, диод смещается в обратном направлении, и на выходе устраняются отрицательные циклы.
с положительным смещением:
Мы обсудили два типа схем ограничения, которые полностью отсекают один полупериод сигнала. А что, если мы хотим обрезать только часть сигнала? Чтобы достичь этого, мы применяем опорное напряжение к последовательному положительному ограничителю цепи, как показано выше.
Приведенная выше схема аналогична последовательному положительному ограничителю, за исключением того, что мы подаем напряжение смещения на нагрузочный резистор. Напряжение батареи определяет амплитуду обрезанного сигнала.
Теперь давайте попробуем понять схему во время обоих полупериодов.
Теперь рассмотрим, что мы подаем +Ve в точку A и –Ve в точку B. Диод смещен в обратном направлении, и ток на выходе не будет, но, поскольку у нас есть источник напряжения последовательно с нагрузочным резистором, напряжение от аккумулятор передается на выход; следовательно, мы получаем положительное напряжение на графике.
Теперь рассмотрим применение –Ve в точке A и +Ve в точке B. Диод смещен в прямом направлении, и когда входное напряжение превышает напряжение смещения (батарея), выход становится отрицательным.
Положительный ограничитель сериис отрицательным смещением:
Приведенная выше схема такая же, как и предыдущая, за исключением того, что напряжение смещения имеет обратную полярность.
Теперь рассмотрим приложение +Ve к точке A и –Ve к точке B. Теперь катод диода подключен к +Ve входного питания, диод смещен в обратном направлении и действует как разомкнутая цепь. Поскольку на выходе подключен аккумулятор, мы увидим выходное напряжение, равное аккумулятору (плоский участок графика).
Теперь, учитывая, что мы подаем -Ve к точке A и +Ve к точке B, диод смещается в прямом направлении и проводит входное напряжение к выходу. Пока входное напряжение ниже напряжения батареи, мы будем видеть напряжение, равное потенциалу батареи, но когда входное напряжение превышает напряжение смещения, мы увидим отрицательное пиковое напряжение, соответствующее входному сигналу.
Отрицательный ограничитель с положительным смещением:
В этой схеме ограничителя диод поменял местами выводы по сравнению с предыдущим типом. Теперь давайте посмотрим, что происходит в каждом полупериоде ввода.
Теперь подадим -Ve на точку A и +Ve на точку B. Диод смещен в обратном направлении и на выходе не будет напряжения, но поскольку у нас есть источник напряжения, выходное напряжение будет равно напряжению источника; мы можем видеть плоскую часть графика.
Теперь подадим +Ve на точку A и –Ve на точку B. Теперь диод смещен в прямом направлении, и входное напряжение достигает выхода. Выходное напряжение не изменится, если входное напряжение ниже напряжения источника, поскольку преобладает напряжение смещения, но когда входное напряжение превышает напряжение источника, мы увидим положительный всплеск, определяемый входным сигналом.
СерияОтрицательный ограничитель с отрицательным смещением:
В этой схеме мы просто изменили полярность источника смещения; теперь давайте посмотрим, что происходит для каждого полупериода.
Давайте применим –Ve к точке A и +Ve к точке B. Теперь диод смещен в обратном направлении, потому что полярность –Ve входа подключена к аноду диода, поэтому на выходе нет напряжения. Поскольку у нас есть напряжение смещения, выход будет равен потенциалу батареи смещения, и поэтому мы наблюдаем отрицательное напряжение на графике.
Теперь поменяем полярность входного питания. Теперь диод смещен в прямом направлении, и когда входное напряжение превышает напряжение смещения, мы увидим положительное напряжение в положительном квадранте графика.
На этом завершается схема последовательного ограничителя.
Кусачки для шунтирования:
Кусачки для шунтирования выполняют функцию, противоположную серийным кусачкам; вход передается на выход, когда диод смещен в обратном направлении, что противоположно последовательному ограничителю.
Положительный клиппер шунта:
Выше показан шунтирующий положительный ограничитель, нагрузочный резистор включен последовательно с входным сигналом, а диод параллельно выходу.
Давайте попробуем понять, что происходит в обоих полупериодах.
Теперь подадим +Ve на точку A и –Ve на точку B. Диод смещен в прямом направлении, поскольку анод подключен к +Ve входа, и диод направит сигнал обратно к источнику входа. Диод действует как обратный путь с низким сопротивлением для входного сигнала, следовательно, без выхода.
Теперь давайте применим -Ve к точке A и +Ve к точке B. Диод смещен в обратном направлении, и диод действует как разомкнутая цепь, и входной сигнал появится на выходе, поэтому мы видим отрицательные циклы на выходе.
Шунтирующий отрицательный ограничитель:
В схеме шунтирующего отрицательного ограничителя диод перевернут, давайте разберемся, как он работает на обоих полупериодах.
Рассмотрим +Ve в точке A –Ve в точке B. Диод смещен в обратном направлении, так как катод диода контактирует с +Ve входа. Теперь диод ведет себя как разомкнутая цепь и, следовательно, на выходе появляется сигнал.
Теперь давайте применим -Ve в точке A и +Ve в точке B.
Диод смещен в прямом направлении и действует как обратный путь с низким сопротивлением, и сигнал возвращается обратно к источнику входного сигнала в течение этого полупериода, поэтому мы не видим отрицательного значения. полупериод на выходе.
Шунтирующий положительный ограничитель с положительным смещением
Вышеприведенная схема представляет собой положительный шунтирующий ограничитель с напряжением смещения. Давайте применим те же правила, что и раньше, и определим вывод.
Когда мы прикладываем +Ve к точке A и –Ve к точке B, диод смещен в прямом направлении, но напряжение смещения пытается сделать диод частично смещенным в обратном направлении, поэтому мы получим положительное напряжение на выходе, которое ограничивается.
Теперь, если мы применим -Ve в точке A и +Ve в точке B, диод будет смещен в обратном направлении, и диод станет разомкнутым, а отрицательный полупериод не изменится.
Шунтирующий положительный ограничитель с отрицательным смещением:
Приведенная выше схема такая же, как и предыдущая, за исключением того, что полярность напряжения смещения изменена на противоположную.
Приложим +Ve к точке A и –Ve к точке B, диод смещен в прямом направлении и действует как замкнутый переключатель, а напряжение смещения также делает диод смещенным в прямом направлении. Теперь вход и напряжение смещения (два источника напряжения) соединены последовательно, но, поскольку выход снимается через напряжение смещения, на выходе появляется только напряжение смещения (плоская часть графика).
Теперь, если мы изменим полярность входа, диод будет смещен в обратном направлении, и на выходе появится напряжение, но напряжение смещения делает диод смещенным в прямом направлении, и этот потенциал напряжения также появится на выходе.
Если входное напряжение в этот отрицательный полупериод меньше напряжения смещения, на выходе будет преобладать напряжение смещения. Если входное напряжение больше, чем напряжение смещения, входное напряжение будет преобладать над выходным.
Шунтирующий отрицательный ограничитель с положительным смещением:
В этой схеме полярность диода меняется на противоположную и применяется положительное смещение.
Теперь применим правила.
Когда мы подаем +Ve к точке A и –Ve к точке B, диод смещается в обратном направлении, но напряжение смещения смещает диод в прямом направлении, и на выходе появляется напряжение батареи.
Когда входное напряжение в положительный полупериод больше, чем напряжение смещения, входное напряжение доминирует над выходом, а когда входное напряжение меньше напряжения смещения, напряжение батареи доминирует над выходом.
Шунтирующий отрицательный ограничитель с отрицательным смещением:
В этой схеме напряжение источника смещения инвертировано, и давайте применим правила, чтобы найти выход.
Когда мы подаем +Ve к точке A и –Ve к точке B, диод смещается в обратном направлении, а напряжение смещения также вызывает обратное смещение диода, поэтому диод действует как разомкнутая цепь, и входной сигнал не ограничивается .
Когда мы применяем -Ve к точке A и +Ve к точке B, диод смещается в прямом направлении, а напряжение смещения вызывает частичное обратное смещение диода, поэтому мы получаем выходное напряжение, которое ограничивается, как показано выше.
Если входное напряжение в отрицательном полупериоде превышает напряжение смещения, диод начинает полностью открываться и сигнал направляется обратно к источнику, а на выходе сигнал отсутствует.
Схема двойного ограничителя:
Изображенная выше схема называется двойным ограничителем, ее также называют комбинированным ограничителем. Он состоит из двух диодов и двух источников напряжения смещения, включенных встречно-параллельно.
До сих пор схема, которую мы обсуждали, отсекала только один из полупериодов, но эта схема отсекает сигнал в обоих полупериодах.
Давайте подадим +Ve в точку A и –Ve в точку B, диод с левой стороны сместится в обратном направлении, и напряжение его источника смещения также сместит диод в обратном направлении, и, следовательно, диод будет работать как разомкнутая цепь.
Диод с правой стороны смещается в прямом направлении и частично в обратном направлении за счет напряжения источника смещения; из-за этого выходное напряжение (положительный полупериод) обрезается до уровня напряжения смещения.
Теперь обратим входное напряжение. Диод с правой стороны смещается в обратном направлении и действует как разомкнутая цепь. Диод с левой стороны смещается в прямом направлении, и его напряжение смещения делает диод частично смещенным в обратном направлении, поэтому, как и в предыдущем случае, выходной сигнал (отрицательный полупериод) ограничивается потенциалом напряжения смещения.
Обратите внимание, что если входное напряжение превышает оба напряжения смещения, выходной сигнал не появится, потому что диод начинает проводить полностью, как путь с низким сопротивлением.
Сюда входят различные типы цепей клипера.
Цепь фиксатора:
Что такое контур фиксатора?
Фиксатор представляет собой схему, состоящую из конденсатора, диода и резистора. Цепь ограничителя не изменяет внешний вид сигнала (как это делает ограничитель), но сдвигает входящую волну выше или ниже нуля на графике напряжения. Сдвиг формы сигнала достигается за счет применения смещения постоянного тока к входящему сигналу переменного тока.
Мы также можем определить схему ограничителя другими словами: форма волны сигнала не изменяется, но его значение от пика к пику изменяется путем приложения желаемого напряжения смещения постоянного тока, как показано ниже:
Классификация ограничителя:
Положительный Цепь фиксатора:
Вышеуказанная схема фиксатора состоит из неполяризованного конденсатора, диода и нагрузочного резистора; эта схема сдвигает входной сигнал переменного тока в сторону положительной стороны графика, не изменяя форму волны, как показано выше.
Ограничитель, который сдвигает форму выходного сигнала больше в сторону положительного квадранта графика, называется положительным ограничителем. Теперь давайте попробуем понять, как работает приведенная выше схема.
Теперь давайте применим -Ve к точке A и +Ve к точке B, диод смещен в прямом направлении и заряжает конденсатор, и его отрицательно заряженный вывод находится в точке A, а его положительно заряженный вывод находится на другой стороне.
Теперь, когда начинается следующий полупериод, вход +Ve находится в точке A, а –Ve в точке B, если мы внимательно наблюдаем, что вход и заряженный конденсатор соединены последовательно, а диод смещен в обратном направлении / разомкнутая цепь.
В этот момент вывод: ВЫХОД = Vin + Vcap .
Теперь выход будет реагировать на входной сигнал, а уровень положительного сдвига определяется зарядом конденсатора.
Цепь отрицательного фиксатора:
Приведенная выше схема не требует пояснений и аналогична предыдущей; единственная разница в том, что полярность диода обратная, и сигнал фиксируется ниже нуля.
Цепь положительного фиксатора с положительным смещением:
Зажим положительного смещения выглядит, как показано выше; попробуем понять, как это работает.
Теперь давайте применим -Ve к точке A и +Ve к точке B, диод смещен в прямом направлении и конденсатор заряжается. Если вы внимательно посмотрите, этот отрицательный входной полупериод и напряжение смещения соединены последовательно, и конденсатор заряжается от двух источников напряжения, т.
е. входное напряжение и напряжение смещения, это увеличивает уровень фиксации.
В следующем (положительном) полупериоде конденсатор и источник входного сигнала будут соединены последовательно, а выходное напряжение = Vcap + Vin , следовательно, мы получим результат, показанный на изображении выше.
Цепь положительного фиксатора с отрицательным смещением:
Приведенная выше схема аналогична предыдущей; теперь полярность напряжения смещения меняется на противоположную.
Приложим –Ve к точке A и +Ve к точке B, диод сместится в прямом направлении и зарядит конденсатор, теперь входное и смещающее напряжения включены последовательно, но эти два напряжения не складываются, а вычитаются, из-за полярности входного напряжения и напряжения смещения, следовательно, конденсатор не будет заряжаться полностью, и мы получим отрицательный пик ниже нуля, пропорциональный напряжению смещения.
В следующем (положительном) полупериоде, +Ve в точке A и –Ve в точке B, диод не смещается в прямом направлении, а конденсатор и вход складываются, и мы получаем выходное напряжение, как показано на рисунке выше.
изображение.
Отрицательный фиксатор с положительным смещением:
В этой схеме полярность диода обратная по сравнению с положительным фиксатором, и вводится источник положительного смещения.
Приложим +Ve к точке A и -Ve к точке B, диод смещен в прямом направлении и заряжает конденсатор, но он не зарядит конденсатор полностью, потому что входное напряжение и напряжение смещения соединены последовательно, но в полярности вычитания (как пояснено в предыдущем разделе). Следовательно, мы получим положительную форму волны, как продиктовано напряжением смещения.
Теперь, если мы применим -Ve к точке A и +Ve к точке B, диод будет смещен в обратном направлении, а входное и конденсаторное напряжения складываются, и выходное напряжение будет таким, как показано выше.
Отрицательный фиксатор с отрицательным смещением:
Приведенная выше схема аналогична предыдущей; теперь напряжение смещения было изменено на противоположное.
Теперь подадим +Ve на точку A и –Ve на точку B, диод смещен в прямом направлении и заряжает конденсатор, входное напряжение и напряжение смещения складываются и заряжают конденсатор выше входного напряжения.
Теперь в следующем (положительном) полупериоде конденсатор и входное напряжение складываются, и мы получаем выход, как показано выше.
Завершает различные типы цепей фиксатора.
Более 200 электронных схем — простые схемы и мини-проекты
Изучение электроники интересно, особенно если вы можете изучить ее, строя свои собственные схемы. Чтобы помочь вам в этом, Circuit Digest предоставляет вам список популярных электронных схем и электронных проектов 9.0008 с хорошо иллюстрированной принципиальной схемой и подробным объяснением для полного опыта «сделай сам «. Все проекты тестируются и проверяются с помощью рабочего видео для беспроблемного обучения. Независимо от того, являетесь ли вы экспертом или новичком в области электроники, у нас есть что-то интересное для всех вас. Ниже представлена наша огромная коллекция из 200+ бесплатных электронных схем , которые вы можете собрать уже сегодня.
17 марта 2023 г.
Простой самодельный беспроводной коммутатор с радиочастотным модулем 433 МГц
Когда дело доходит до беспроводных возможностей ваших проектов, радиочастотный модуль 433 МГц является наиболее распространенным и простым способом…
30 января 2023 г.
Автоматический беспроводной контроллер водяного насоса
18 января 2023 г.
Зевс: блок питания высокой мощности от переменного тока к постоянному
При изготовлении индивидуальной RGB-светодиодной установки в нашем доме, в основном это была куча адресные светодиоды 5v WS2812, но…
22 декабря 2022 г.
Простые схемы FM-приемников своими руками в Интернете — действительно ли они работают?
Недавно мы подумали о создании простой схемы FM-приемника, поэтому, как всегда, мы начали искать возможные схемы… Импульсные источники питания
(SMPS) являются одними из наиболее часто используемых преобразователей переменного тока в постоянный на рынке, поскольку они рассчитаны на напряжение 110 В…
10 августа 2022 г.
Самодельный резак для пенопласта с использованием полевого МОП-транзистора IRF540N
Пенополистирол и полистирол были одним из наиболее эффективных методов изготовления моделей среди сообщества производителей,…
7 июля 2022 г.
DC to Convert Управление постоянным током (CC) и постоянным напряжением (CV) — схемы, печатная плата, список деталей и работа
В этой статье мы узнаем о функциях и работе XL4015, который представляет собой 5A 180KHz 36V Buck DC to DC…
24 июня 2022 г.
Создайте свой собственный внешний аккумулятор
Внешний аккумулятор представляет собой портативную перезаряжаемую батарею, которая позволяет подключаться к внешнему источнику зарядки, когда вам не нужно…
3 июня 2022 г.
12-вольтовый аккумулятор с использованием литий-ионных элементов
В этом посте мы будем делать 12-вольтовый литий-ионный аккумулятор емкостью 2000 мАч. Мы начнем с разработки аккумуляторной батареи 3s, а затем…
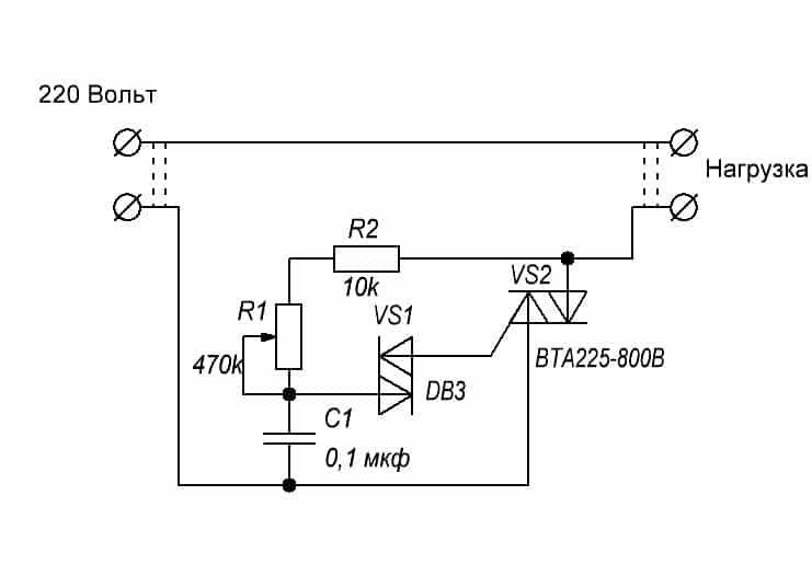
27 мая 2022 г.


Его можно использовать в термостатах, калориметрах и других устройствах с потребляемой мощностью до 1 кВт.
Этим обеспечивается плавное изменение угла отсечки тока тиристора, а значит, и тока через нагрузку.
