Как сделать электронную нагрузку самостоятельно. Какие компоненты нужны для сборки. На каких принципах работает электронная нагрузка. Какие преимущества у самодельной электронной нагрузки перед готовыми устройствами. Как правильно собрать и настроить электронную нагрузку.
Принцип работы электронной нагрузки
Электронная нагрузка — это устройство, которое позволяет имитировать нагрузку для тестирования источников питания, аккумуляторов и других электронных компонентов. В отличие от обычных резисторов, электронная нагрузка может плавно регулировать потребляемый ток в широком диапазоне.
Основной принцип работы электронной нагрузки заключается в использовании мощных транзисторов, работающих в линейном режиме. Ток через транзистор регулируется с помощью операционного усилителя, который поддерживает заданное падение напряжения на токоизмерительном резисторе.
Основные компоненты электронной нагрузки
Для сборки простейшей электронной нагрузки потребуются следующие основные компоненты:

- Мощный полевой или биполярный транзистор (например, IRFP260N)
- Операционный усилитель (например, LM324)
- Прецизионный токоизмерительный резистор малого номинала
- Источник опорного напряжения (например, TL431)
- Радиатор для охлаждения силового транзистора
- Вентилятор для принудительного обдува
Схема простой электронной нагрузки
Рассмотрим принципиальную схему простейшей электронной нагрузки на одном канале:
«` «`На этой схеме:
- Q1 — силовой транзистор (например, IRFP260N)
- U1 — операционный усилитель (например, LM324)
- R1 — токоизмерительный резистор (обычно 0.1-1 Ом)
- R2 — подстроечный резистор для регулировки тока
Принцип работы схемы электронной нагрузки
Работа схемы основана на поддержании постоянного тока через транзистор Q1. Операционный усилитель U1 сравнивает падение напряжения на резисторе R1 с опорным напряжением, задаваемым резистором R2. Если ток через R1 увеличивается, то U1 уменьшает напряжение на затворе Q1, приоткрывая его и уменьшая ток. И наоборот, при уменьшении тока U1 увеличивает напряжение на затворе, открывая транзистор сильнее.

Расчет компонентов электронной нагрузки
При расчете компонентов электронной нагрузки необходимо учитывать следующие параметры:
- Максимальный ток нагрузки
- Максимальное входное напряжение
- Максимальная рассеиваемая мощность
Формула для расчета максимального тока через нагрузку:
I_max = V_ref / R1
Где V_ref — опорное напряжение, R1 — сопротивление токоизмерительного резистора.
Максимальная рассеиваемая мощность на транзисторе:
P_max = V_in * I_max
Где V_in — входное напряжение, I_max — максимальный ток нагрузки.
Модульная конструкция электронной нагрузки
Для увеличения мощности и гибкости использования электронную нагрузку можно сделать модульной. Это позволяет наращивать ток нагрузки, добавляя дополнительные каналы. Модульная конструкция может включать:
- Несколько идентичных силовых модулей
- Общий модуль управления
- Модуль индикации
- Модуль питания схемы управления
- Модуль управления вентилятором охлаждения
Преимущества самодельной электронной нагрузки
Создание электронной нагрузки своими руками имеет ряд преимуществ:

- Низкая стоимость по сравнению с готовыми устройствами
- Возможность точной настройки под свои задачи
- Модульность и возможность наращивания мощности
- Понимание принципов работы устройства
- Возможность ремонта и модернизации
Сборка и настройка электронной нагрузки
При сборке электронной нагрузки важно обратить внимание на следующие моменты:
- Качественный монтаж компонентов
- Надежное крепление силовых транзисторов к радиатору
- Использование термопасты для улучшения теплоотвода
- Правильный выбор сечения проводов для силовых цепей
- Экранирование чувствительных участков схемы
Настройка электронной нагрузки включает в себя:
- Проверку работоспособности всех модулей
- Калибровку измерительных цепей
- Настройку защиты от перегрузки и перегрева
- Тестирование на различных режимах работы
Меры безопасности при работе с электронной нагрузкой
При использовании электронной нагрузки необходимо соблюдать следующие меры безопасности:
- Не превышать максимально допустимые значения напряжения и тока
- Обеспечить хорошую вентиляцию устройства
- Использовать изолированные инструменты при настройке
- Не касаться радиатора во время работы — он может быть очень горячим
- Периодически проверять надежность всех соединений
Соблюдение этих мер поможет обеспечить безопасную и долговременную работу самодельной электронной нагрузки.

Электронная нагрузка своими руками
Приветствую, Самоделкины!
Все мы прекрасно знаем, что китайские интернет магазины и площадки продают электронные наборы для самостоятельной сборки. Схемы, по которым они сделаны, созданы далеко не китайцами и даже не советскими инженерами. Любой радиолюбитель подтвердит, что во время повседневных изысканий очень часто приходится нагружать те или иные схемы для выявления выходных характеристик последних. Нагрузкой может являться обычная лампа, резистор или нихромовый нагревательный элемент.
Зачастую с проблемой поиска нужной нагрузки сталкиваются те радиолюбители, которые изучают силовую электронику. Проверяя выходные характеристики того или иного блока питания, будь он самодельный или промышленный необходима нагрузка, притом нагрузка с возможностью регулировки. Самым простым решением этой проблемы является использование учебных реостатов в качестве нагрузки.
Но найти мощные реостаты в наши дни проблематично, к тому же реостаты тоже не резиновые, их сопротивление ограничено.
Есть только 1 вариант решения проблемы — электронная нагрузка. В электронной нагрузке вся мощность выделяется на силовых элементах – транзисторах. Фактически, электронные нагрузки можно делать на любую мощность, и они гораздо универсальнее, чем обычный реостат. Профессиональные лабораторные электронные нагрузки стоят кучу денег.Китайцы же, как всегда, предлагают аналоги и этих аналогов бесчисленное множество. Один из вариантов такой нагрузки на 150Вт стоит всего 9-10 долларов, это немного за прибор, который по важности сопоставим, наверное, с лабораторным блоком питания.
В общем автор данной самоделки AKA KASYAN, предпочел сделать свой вариант. Найти схему устройства не составило труда.
В данной схеме применена микросхема операционного усилителя lm324, в состав которой входят 4 отдельных элемента.
Если смотреть внимательно на схему, то сразу становится ясно, что она состоит из 4-ех отдельных нагрузок, которые соединены параллельно, благодаря чему общая нагрузочная способность схемы в разы больше.
Это обычный стабилизатор тока на полевых транзисторах, которые без проблем можно заменить биполярными транзисторами обратной проводимости. Рассмотрим принцип работы на примере одного из блоков. Операционный усилитель имеет 2 входа: прямой и инверсный, ну и 1 выход, который в данной схеме управляет мощным n-канальным полевым транзистором.
Низкоомный резистор у нас в качестве датчика тока. Для работы нагрузки необходим слаботочный источник питания 12-15В, точнее он нужен для работы операционного усилителя.
Операционный усилитель всегда стремится к тому, чтобы разница напряжений между его входами равнялась нулю, и делает это путем изменения выходного напряжения. При подключении источника питания к нагрузке будет образовываться падение напряжения на датчике тока, чем больше ток в цепи, тем больше и падения на датчике.
Таким образом, на входах операционного усилителя мы получим разность напряжений, а операционный усилитель постарается скомпенсировать эту разность, изменяя свое выходное напряжение плавно открывая или закрывая транзистор, что приводит к уменьшению или увеличению сопротивления канала транзистора, а, следовательно, изменится и ток протекающий в цепи.

В схеме у нас имеется источник опорного напряжения и переменный резистор, вращением которого у нас появляется возможность принудительно менять напряжение на одном из входов операционного усилителя, а дальше происходит вышеупомянутый процесс, и как следствие, меняется ток в цепи.
Нагрузка работает в линейном режиме. В отличие от импульсного, в котором транзистор либо полностью открыт, либо закрыт, в нашем случае мы можем заставить транзистор приоткрыться настолько, насколько нам нужно. Иными словами, плавно изменять сопротивление его канала, а, следовательно, изменять ток цепи буквально от 1 мА. Важно заметить, что выставленное переменным резистором значение тока не меняется в зависимости от входного напряжения, то есть ток стабилизирован.
В схеме у нас 4 таких блока. Опорное напряжение формируется с одного и того же источника, а значит все 4 транзистора будут открываться равномерно. Как вы заметили, автор использовал мощные полевые ключи IRFP260N.
Это очень хорошие транзисторы на 45А, 300Вт мощности.
В схеме у нас 4 таких транзистора и по идее такая нагрузка должна рассеивать до 1200Вт, но увы. Наша схема работает в линейном режиме. Каким бы мощным не был транзистор, в линейном режиме все иначе. Мощность рассеивания ограничена корпусом транзистора, вся мощность выделяется в виде тепла на транзисторе, и он должен успеть передать это тепло радиатору. Поэтому даже самый крутой транзистор в линейном режиме не такой уж и крутой. В данном случае максимум, что может рассеивать транзистор в корпусе ТО247 — это где-то 75Вт мощности, вот так-то.С теорией разобрались, теперь перейдем к практике.
Печатная плата была разработана всего за пару часов, разводка хорошая.
Готовую плату нужно залудить, силовые дорожки армировать одножильным медным проводом и все обильно залить припоем для минимизации потерь на сопротивление проводников.
На плате предусмотрены посадочные места для установки транзисторов, как в корпусе ТО247, так и ТО220.
В случае использования последних, нужно запомнить, максимум на что способен корпус ТО220 — это скромные 40Вт мощности в линейном режиме.
Датчики тока представляют из себя низкоомные резисторы на 5Вт, с сопротивлением от 0,1 до 0,22 Ом.Операционные усилители желательно установить на панельку для беспаячного монтажа. Для более точной регулировки токов в схему стоит добавить еще 1 переменный резистор низкого сопротивления. Первый позволит осуществить грубую регулировку, второй более плавную.
Меры предосторожности. Нагрузка не имеет защиты, поэтому использовать ее нужно с умом. Например, если в нагрузке стоят транзисторы на 50В, значит запрещается подключать испытуемые блоки питания с напряжением выше 45В. ну чтобы был небольшой запас. Не рекомендуется выставить значение тока более 20А, если транзисторы в корпусе ТО247 и 10-12А, в случае если транзисторы в корпусе ТО220. И, пожалуй, самый важный момент — не превысить допустимую мощность 300Вт, в случае если использованы транзисторы в корпусе от ТО247. Для этого необходимо встроить в нагрузку ваттметр, чтобы следить за рассеиваемой мощностью и не превысить максимальное значение.
Также автор настоятельно рекомендует использовать транзисторы из одной партии, чтобы минимизировать разброс характеристик.
Охлаждение. Надеюсь все понимают, что 300Вт мощности у нас тупо пойдет на нагрев транзисторов, это как обогреватель на 300Вт. Если эффективно не отводить тепло, то транзисторам хана, поэтому транзисторы устанавливаем на массивный цельный радиатор.
Место прижатия подложки ключа к радиатору необходимо тщательно очистить, обезжирить и отполировать. Даже небольшие бугорки в нашем случае могут все испортить. Если решили намазать термопасту, то делайте это тонким слоем, используя только хорошую термопасту. Не нужно использовать термопрокладки, изолировать подложки ключей от радиатора тоже не нужно, все это ухудшает теплоотдачу.
Ну а теперь, наконец-то, давайте проверим работу нашей нагрузки. Нагружать будем вот такой лабораторный блок питания, который выдает максимум 30В при токе до 7А, то есть выходная мощность около 210Вт.
В самой нагрузки в данном случае установлено 3 транзистора вместо 4-ех, поэтому все 300Вт мощности мы получить не сможем, слишком рискованно, да и лабораторник больше 210Вт не выдаст.
Тут вы можете заметить 12-вольтовый аккумулятор.В данном случае он только для питания операционного усилителя. Плавно увеличиваем ток и доходим до нужной отметки.
30В, 7А — все работает отлично. Нагрузка выдержала несмотря на то, что ключи у автора из разных партий и больно сомнительные, но походу оригинальные, если не лопнули разом.
Такую нагрузку можно использовать для проверки мощности компьютерных блоков питания и не только. А также в целях разряда аккумулятора, для выявления емкости последнего. В общем радиолюбители по достоинству оценят пользу электронной нагрузки. Штука реально полезная в лаборатории радиолюбителя, а мощность такой нагрузки можно увеличить хоть до 1000Вт, включив параллельно несколько таких плат. Схема нагрузки на 600Вт представлена ниже:
Пройдя по ссылке «Источник» в конце статьи, вы сможете скачать архив проекта со схемой и печатной платой.
Благодарю за внимание. До новых встреч!
Видео:
youtube.com/embed/1z_VhYNfS2w?feature=oembed» frameborder=»0″ allow=»accelerometer; autoplay; clipboard-write; encrypted-media; gyroscope; picture-in-picture» allowfullscreen=»»/>
Источник (Source) Становитесь автором сайта, публикуйте собственные статьи, описания самоделок с оплатой за текст. Подробнее здесь.
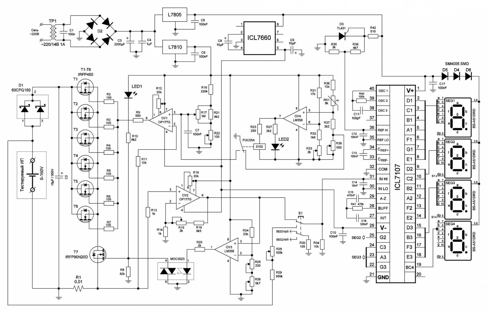
РадиоКот :: Модульная электронная нагрузка
РадиоКот >Схемы >Аналоговые схемы >Измерения >Модульная электронная нагрузка
Еще одно достаточно простое устройство, которое необходимо тем, кто постоянно имеет дело с изготовлением и/или ремонтом блоков питания. Легко адаптируется и масштабируется под свои задачи и собирается из имеющихся под рукой остатков потрошеных блоков питания, материнок и пр.История.
Понадобилась как-то протестировать очередной блок питания, а резистора необходимой мощности и сопротивления под рукой не оказалось.
Поскольку эта ситуация происходила не первый раз и изрядно надоела, пришлось по-быстрому сделать электронную нагрузку. Поиск в Интернете показал самую простую схему «Электронная нагрузка из операционного усилителя и мощного полевого транзистора» [1]:
Что и было по-быстрячку с небольшими модификациями успешно сделано, а потом и переделано.
Но чувство внутренней неудовлетворенности не дает покоя. А какой нужен радиатор? А если понадобиться больший ток? А как задействовать вторую половину операционника?
Порывшись на складах и найдя оставшиеся от замены вентиляторов на процессорах подходящие по размеру радиаторы (муха не сидела!), которые с трудом, но влезли в корпус от компьютерного БП, рабочая лаборатория была расширена Модульной электронной нагрузкой.
Да, радиаторы влезли, а вот вентилятор пришлось прикрутить снаружи.
В принципе, подобных устройств в интернете много, но это отличается возможностью расширения для получения необходимой токовой нагрузки и простотой подключения амперметра, не требующего огромных и низкоомных шунтов на большие токи.
Устройство представляет собой двухполюсник, не требующий внешнего питания (питается от испытуемого блока) и работающий в диапазоне напряжений 2,5-25В. Данная конструкция рассчитана на ток до 20А, но как мне кажется, легко масштабируется до 100А и более увеличением количества модулей. Также заменой модулей питания и транзисторов можно модифицировать под более высокие напряжения.
Схема устройства состоит из независимых сдвоенных модулей нагрузки и модуля управления:
Модуль нагрузки.
Модули нагрузки конструктивно сдвоенные, чтобы использовать оба канала операционника. Каждое плечо модуля при таких номиналах (R22=0.1 Ohm) и максимального управляющего напряжения Uref = 0.4В позволяет стабилизировать ток до 4А. Такой ток выбран исходя из того, что при максимальном напряжении 25В на транзисторе будет рассеиваться около 80Вт. Если не планируется использовать нагрузку при больших напряжениях, максимальный ток можно увеличить, уменьшив сопротивление резистора R22 и пересчитав остальную часть схемы по приведенным ниже формулам.
Максимальное входное напряжение определяется рассеиваемой на транзисторах мощностью и максимальным напряжением элементов схемы (транзисторы, операционники, TL431).
Число модулей можно увеличивать для достижения необходимого тока нагрузки.
Рассмотрим работу модуля нагрузки на примере верхнего (по схеме) плеча. На U20, Q20 и R22 собран стабилизатор тока, управляемый напряжением по входу «+». Светодиод HL20 — для контроля наличия напряжения на модуле (заваляласть у меня парочка выпаяных SMD). Резистор R21 — чтобы при обрыве проводника с управляющим напряжением ток не начал определяться наводками и помехами. Резистор R24 используется для суммирования токов на измеритель. Диоды VD20-VD22 — для защиты от переполюсовки (периодически путаю красный с черным, сапером работать нельзя!).
Напряжение от испытуемого блока питания подается на контакты «U+» и «Gnd». На вход Uref подается управляющее напряжение от модуля управления. С выхода Uti снимается сигнал на модуль индикации для работы сумматора токов.
Резистор-перемычка R26 — для удобства разводки платы.
Вентилятор охлаждения подключается на один из модулей параллельно транзистору к точкам Jmp27-Jmp26 (Cooler+, Cooler-). Это обеспечивает учет тока через вентилятор сумматором.
Таким образом минимальный ток через электронную нагрузку примерно равен току через вентилятор+25мА (операционники и пр.).
Фото готового сдвоенного модуля нагрузки.
Все детали паяются как SMD, т.е. со стороны дорожек. Транзисторы с диодами выступают за плату и прижаты к радиаторам через резиновые термопроводные прокладки и термопасту, образуя вместе с прикрученой платой жесткую конструкцию.
Каждый модуль подключается отдельными толстыми (и короткими) проводами непосредственно на входные клеммы (на фото — красный и черный). Тонкими проводами (на фото — белый и зеленый) подается опорное напряжение и снимается сигнал с шунта для измерения тока. Транзисторы я использовал 40N03, но по-моему подойдут любые аналогичные более дешевые типа IRFZ44, поскольку их основная задача — греться, а основной параметр — рассеиваемая мощность.
Диодные сборки — от блоков питания AT(X), от них же и большая часть остальных деталей.
Модуль управления.
Модуль управления состоит из источника опорного напряжения Uref, который задает максимальный ток через нагрузку и неинвертирующего сумматора с усилением, который суммирует значения токов всех модулей.
В качестве источника опорного напряжения применена TL431 — для работы в широком диапазоне входных напряжений (от 3 до 25В).
Неинвертирующий сумматор с усилением построен по стандартной схеме и суммирует падение напряжений на токозадающих резисторах *R22 (R23 и других модулей). Состоит из U1, обвязки и суммирующих резисторов R24-R25, расположеных на модулях. Стандартная формула для расчета коэффициента усиления К расписана на схеме. Коэффициент усиления К нужно пересчитывать в зависимости от числа подключеных модулей. Сумматор обеспечивает выход на блок измерения тока, например для тока через нагрузку 10А (по 2.
5А на каждом из 4 модулей, по 0.25В на резисторах R22-R23) на выходе будет 1В. При расчетах следует учесть, что из-за особенностей микросхемы LM358 при напряжении питания 5В на ее выходе напряжение не поднимется выше 3.5В.
Расчет сумматора проводится в такой последовательности:
- Из конструктива берем число модулей: N
- Исходя их максимального тока всего блока Imax и сопротивления токозадающих резисторов (R22-R23) определяем максимальное «токовое напряжение» одного модуля (падение напряжения на R22-R23): Ui= Imax * R22 / N
- Задаем максимальное выходное напряжение сумматора (для подачи на измерительный модуль): Usum
- Вычисляем коэффициент усиления сумматора: К = Usum / (Ui * N)
- Вычисляем соотношение резисторов для сумматора: (R4+R5) = R3 * (K * N — 1) = R3 * (Usum / Ui — 1)
Например, при Uref(max)=0.5В, R23=R22=0.1 Ohm, Imax(для одного модуля)=5А. Для 4-х модулей (двух сдвоенных) — N=4, Imax=20А.
Отсюда для Usum=UOutMax=2В получаем К=1, (R4+R5) = 3 * R3. Аналогично для Usum=UOutMax=1В получаем К=0.5, (R4+R5) = R3
При изменении количества модулей нужно пересчитать резисторы сумматора!
Настройка сумматора заключается в подстройке резистором R4 коэффициента усиления, чтобы напряжение на выходе соответствовало току через нагрузку.
Диод VD1 — защита от переполюсовки.
Фото модуля управления. Справа видно, что первоначально планировалось ставить стабилитрон, но потом переиграно на TL431.
Модуль индикации.
В принципе можно использовать любой с соответствующими пределами (или входными делителями). Подключается к разъему XP1 «Выход на измеритель» по такой схеме: 1 — корпус, 2 — ключ, 3 — питание измерителя (в первом варианте контакты 3 и 4 объединены, во втором — питание отделено от измеряемого напряжения), 4 — входное напряжение нагрузки, 5 — ток нагрузи.
Я использовал слегка измененный (добавил защитные стабилитроны по входам и вернул подстроечный резистор по напряжению) «Суперпростой амперметр и вольметр на супердоступных деталях II (автовыбор диапазона)» с сайта https://vrtp.ru/index.php?act=categories&CODE=article&article=2792 от Eddy71 , который после полугода задалбываний (не только моих) любезно предоставил прошивку для «сильнотокового» режима до 99,9А [2]. Модуль индикации сфотографирован еще в процессе настройки, поэтому на нем висят всякие лишние детали.
Особенности работы (недостатки).
Модульня электронная нагрузка в первом варианте начинает устойчиво работать примерно от 5 вольт или выше, т.к. при более низком напряжении плохо работают модули нагрузки, не работает модуль индикации, не запускается вентилятор. А ведь добавлять отдельный блок питания лень, хочется оставить двухполюсник. Думаем, развиваем конструкцию, добавляем модули и получаем.
..
Пошерстив еще интернет в поисках решений, слегка изменена схема коммутации модулей. Чтобы нагрузка работала при меньшем напряжении (до 2.5В), нужно операционники и схему управления запитать через преобразователь, например через StepUp, от более высокого напряжения. Такое решение применено в «Эквивалент нагрузки с индикацией» [3].
В принципе, моя конструкция отличается от «Эквивалента нагрузки с индикацией» только модульностью и возможностью расширения (указаную выше статью я нашел, когда первый вариант моего устройства был уже собран). Поэтому добавлены модули питания (преобразователей напряжения) для модуля управления и вентилятора. А заодно изучена и на практике проверена топология SEPIC.
Таким образом в первую версию внесены следующие изменения.
- Добавлены резисторы и конденсаторы в затворы транзисторов для снижения помех.
- Все управление (операционники в модулях нагрузки и модуле управления) а также модуль индикации запитаны от отдельного источника напряжения (назовем его Модуль Step-Up).

- Вентилятор запитан от второго источника, назовем его Модуль Back-Boost.
- При переходе от первой версии даже не пришлось резать дорожки — были отпаяны диоды VD1, VD20 и питание подано в соответствующие точки, что показало готовность первой версии изделия к усовершенствованию и развитию.
Почему добавлено два модуля?
Потому, что я хочу учитывать ток, потребляемый преобразователем вентилятора в общем токе нагрузки. К сожалению, ток преобразователя для питания модуля индикации и модуля управления не учитывается в измерениях, но он достаточно мал — 50-100мА по сравнению с тем, на который расчитана вся система.
Дополнительные модули питания собраны на MC34063. По принципам их работы отошлю к [4] «Повышающе-понижающий преобразователь напряжения для зарядки КПК от батареек» (https://www.radiohlam.ru/pitanie/KPK_sepic_34063.htm). Там же находится калькулятор для расчета подобных схем.
Модуль Step-Up (Модуль питания схем управления).
Собран по типовой схеме со стабилизатором на выходе. При входных напряжениях ниже 12В работает схема Step-Up, выдавая на выходе 11.5В, которые 78M09 стабилизирует до 9В. При повышении входного напряжения выше 12В схема отключается, пропуская все через себя на 78M09. Модуль порадовал тем, что запускается и работает при входном напряжении 2.5В !!!
Детали стандартные, без особенностей, SMD элементы размера 1206. Диод VD1 — шоттки, снят с платы винчестера. Конструктивно модуль крепится к корпусу, играющему роль радиатора, за 78M09, что не помешает при входных напряжениях выше 15В (все-таки модуль индикации кушает 50-80мА). Тестирование показало, что не стоит жадничать со входным конденсатором С1 — лучше поставить его 470-1000 мкФ, чтобы уменьшить импульсную помеху, которая пролезет на тестируемый блок питания.
Фото модуля питания схем управления
Рисунок платы и расположение деталей модуля питания схем управления
Модуль Back-Boost (Модуль питания вентилятора).
Собрать модуль по такой же схеме, как предыдущий, не удалось. Средний ток потребления стандартного вентилятора составляет 120-200мА и расчеты показывают, что при входном напряжении около 5В ток ключа микросхемы MC34063 достигает максимально допустимого 1500мА, а при снижении входного напряжения до 3В превысит его.
К тому же жалко повышать напряжение преобразователем до 15В, а потом снижать его стабилизатором до 7В для снижения оборотов вентилятора. Поэтому применена (а заодно и проверена на практике) топология SEPIC и внешний транзистор.
Останавливаться на работе схеме не буду, все описано в первоисточнике [4]. Мной в схему добавлен терморезистор в цепь обратной связи — чтобы зря не гонять воздух через холодные радиаторы. Т.е. цепь обратной связи, задающая выходное напряжение, состоит из верхнего плеча (R3) и параллельно-последовательного нижнего (R4, R5 и терморезистор R41). Простую формулу расчета вывести не удалось, поэтому прилагаю файл расчета резисторов делителя ElectronicLoad.
Результат работы Модуля Back-Boost заключается в том, при изменении входного напряжения от 4 до 25В на выходе будет стабильные 12Вольт (без применения терморезистора). А терморезистор добавляет функцию автоматической регулировки выходного напряжения от 8В при холодных радиаторах до 12,5В при нагретых. Терморезистор на проводочках вставляется в ребра радиатора Модуля нагрузки.
Детали такие же, как в предыдущем модуле. Транзистор Q1 можно ставить и менее мощный на ток от 3-4А, у меня стоит выпаяный с какой-то материнки 55N03 пока работает, хотя по напряжению маловато. Аналогично не стоит жадничать со входным конденсатором С1 — лучше поставить его 470-1000 мкФ, чтобы уменьшить импульсную помеху, которая пролезет на тестируемый блок питания. А вот выходной С3 увеличивать не стоит, можно даже уменьшить — вентилятору все равно.
Модуль Back-Boost имеет стандартные разъемы для подключения вентилятора (папа и мама) и просто включается перед вентилятором в разрыв цепи.
Работает удовлетворительно, но при определенных напряжениях греется дроссель L1. Из существенных недостатков — не работает при входном напряжении ниже 4В. Но я вряд-ли буду использовать устройство при таких напряжениях, поэтому оставил все как есть.
Дальнейшие исследования показали, что при напряжении ниже 4В модуль работает, но обеспечивает необходимое выходное напряжения только на холостом ходу. При подключении вентилятора мощности не хватает для его питания. Я с детства не дружу с импульсными преобразователями, поэтому мои эксперименты в изменением конденсатора C4 и индуктивностями ни к чему не привели. Может кто-нибудь другой усовершенствует этот модуль. А пока запомним, что если планируется нагрузку использовать при больших токах и при низком напряжении, то следует позаботиться о хорошем пассивном охлаждении или отдельном вентиляторе.
Внимание! В процессе тестирования выяснилось, что модуль Back-Boost нельзя подсоединять к точкам Cooler+, Cooler- так как импульсная помеха от него лезет на вход операционного усилителя и поступает на затвор силового транзистора Q20, что в свою очередь приводит к сильным броскам тока нагрузки.
Поэтому во втором варианте в модуль Back-Boost добавлены резисторы R6, R7 и он тоже подключен к сумматору токов. При этом, учитывая что его ток намного меньше, чем ток каждого модуля нагрузки, пересчитывать сумматор нет необходимости.
Фото модуля питания вентилятора (до доработки, резисторы R6, R7 отсутствуют)
Рисунок платы и расположение деталей модуля питания вентилятора
В результате схема Модульной электронной нагрузки (второй вариант) выглядит так:
Рисунок дорожек и расположение деталей второго варианта платы силового модуля
Рисунок платы и расположения деталей для модифицированого варианта модуля управления:
Рисунок платы и расположения деталей модуля управления.
Провода питания и «земли» всех модулей соединяются на входных клеммах.
Заменой этих модулей можно подогнать устройство для работы с другим входным напряжением без существенной модернизации основной схемы. Например установить высоковольтные силовые транзисторы и заменить модули Step-Up, Back-Bust для увеличения тестируемого напряжения. А те, кто не любит импульсные преобразователи, может всесто модулей Step-Up и Back-Bust установить обычный трансформаторный источник питания с выходным напряжением 12В и током около 300 мА (правда, при этом исчезнет «фича», когда нагрузка запитывается от испытуемого блока».
Блок питания слева на фото имеет почтенный возраст более 20 лет, и в принципе давно просится на модернизацию, но функции свои вполне выполняет, например ограничивает ток в нагрузке, хотя и не светится нижний сегмент в старшем разряде. Вольт-амперметр в нем также калибровался один раз при рождении уже не помню по каким приборам. (На момент опубликования статьи уже переделан)
Собраное устройство
На переднюю панель установлены гнезда для подключения нагрузки и стандартный разъем MOLEX для тестирования компьютерных блоков питания (оставлен только вход +12В).
Подано напряжение 2.5В, ток установлен 0.69А. Модуль Step-Up работает, обеспечивая функционирование нагрузки и индикации. Модуль Back-Boost не запустился (вентилятор не крутится).
Напряжение около 14В, ток 1.3А. Модуль Step-Up работает, Модуль Back-Boost работает (вентилятор крутится).
Все то же самое, только на блоке питания режим измерения тока (кнопочка В/мА нажата). Различие в показаниях спишем на некалиброваность обоих приборов. По идее на блоке питания должно показывать больший ток, чем на нагрузке за счет тока питания модуля индикации.
Ток нагрузки увеличен до 2.3А, в блоке питания сработала защита по току, напряжение снизилось до 2.5-3В (ручка регулятора U1 установлена по-прежнему на 13В). Модуль Step-Up продолжает работать, Модуль Back-Boost отключился (вентилятор не крутится).
Тестирование блока питания ATX с применением модульной электронной нагрузки (12В/11А).
P.S. Вот такое вот получилось устройство, как конструктор состоящее из модулей с возможностью расширения, добавления, замены или исключения отдельных модулей под конкретные задачи.
P.P.S. При испытания успешно со спецэффектами и выпусканием волшебного дыма, на котором работает вся электроника, при напряжении 12В и токе 10А минут через десять показал свою несостоятельность лабораторный блок питания, переделаный из компьютерного… А нагрузка улыбнулась и продолжает работать..
Источники вдохновения (Литература):
- Электронная нагрузка из операционного усилителя и мощного полевого транзистора (https://www.radiohlam.ru/raznoe/nagruzka.htm).
- Суперпростой амперметр и вольметр на супердоступных деталях II (автовыбор диапазона) (https://vrtp.ru/index.php?act=categories&CODE=article&article=2792)
- Эквивалент нагрузки с индикацией (https://remont-aud.net/publ/stati/prochie/ehkvivalent_nagruzki_s_indikaciej/34-1-0-99).
- radiohlam.ru — собери сам, помоги собрать другу (https://www.radiohlam.ru/index.htm)
Файлы:
Расчетка для управления вентилятором
Файлы схем и плат
Все вопросы в Форум.
Как вам эта статья? | Заработало ли это устройство у вас? |
Простая аналоговая электронная нагрузка » Журнал практической электроники Датагор (Datagor Practical Electronics Magazine)
Все, кто хоть как-то сталкивался с изготовлением, ремонтом блоков питания задавался вопросом – где взять подходящую нагрузку, чтобы в полной мере оценить характеристики конструкции?
Содержание / Contents
Обычно для этого используется первое, что попадется под руку – мощные лампы, обрезки высокоомного провода и т.д. Но не все имеющиеся нагрузки подходят по сопротивлению и по мощности. Как назло каждый раз один из этих параметров нам не подходит . Как только не приходиться исхитряться: применять последовательное и параллельное соединение резисторов, топить нагрузку в стакане с водой (для увеличения рассеиваемой мощности).Когда запасы мощных нагрузок превращаются в залежи, приходит время поменять их на одну универсальную. взята классическая с небольшими усовершенствованиями.
Исключён фрагмент. Полный вариант статьи доступен меценатам и полноправным членам сообщества. Читай условия доступа.
Собственно роль нагрузки выполняют переходы КЭ двух мощных транзисторов, представляющих собой управляемый ключ. При этом сопротивление переходов транзисторов имитируют активную нагрузку, подобно мощному резистору. Система подключается параллельно источнику напряжения и работает практически в режиме КЗ, поэтому вольность в обращении с регуляторами тока недопустима.
Выпрямитель VDS1 с конденсатором С1 служат для прогрузки источников переменного напряжения (об этом позже). Диод VD1 предназначен для развязки между конденсатором С1 и цепями постоянного тока электронной нагрузки, чтобы последний не влиял на выходную характеристику испытуемого БП. Мощные резисторы R1, R2 выравнивают токи через переходы транзисторов VT2, VT3.
R9, R10 – добавочные резисторы для измерительной головки указателя напряжения, R10 и R11 – токоизмерительные шунты амперметра. Переключатели S1 и S2 позволяют расширить пределы измерения вольтметра и амперметра.
Резистор R8 исключает сквозные токи через переходы БЭ мощных транзисторов. Для увеличения крутизны характеристики (больший ток при меньшем напряжении) следует уменьшать сопротивление резистора R8, а лучше перераспределять его между коллектором и эмиттером VT1. В идеале диоды VD1 и VDS1 — Шотки.
Для более эффективного теплоотвода устройство снабжено кулером. Стабилизатор VR1 ограничивает рабочее напряжение кулера на уровне 12В, на участке входных напряжений 12…30В. Двигатель кулера начинает работать уже при 6В на входе нагрузки, причем потребляемый кулером ток тоже включен в общий бюджет нагрузки и отображается амперметром.
Входное постоянное напряжение = 1,5..30ВВходное переменное напряжение = 1…25В
Входной ток = 0,08…10А
Рассеиваемая мощность = 200Вт
Разумеется, параметры могут меняться как в лучшую, так и худшую сторону в зависимости от применяемых деталей и схемотехники. В данном случае входные напряжения ограничены характеристиками стабилизатора VR1.Главное в электронной нагрузке что? Правильно, радиаторы и транзисторы! Они трудятся в поте лица, т.к. их главная задача перевести всю подводимую мощность в тепло (КПД наоборот 😎 ).
Радиаторы у меня оказались такие (мало точно не покажется).
Мощные транзисторы выбираем в соответствии с
В качестве корпуса используем старый добрый БП АТХ.
Измерители тока и напряжения изготовлены из индикаторов уровня записи от старых магнитофонов.
Шкала у них нелинейная, поэтому при градуировке используется 75-80% рабочей шкалы. Несмотря на всю примитивность, удалось достигнуть точности измерения не хуже 1,5%. Передняя панель выпиливается из текстолита и крепится при помощи длинных винтов к корпусу.
Как еще можно использовать электронную нагрузку? Например, для регулировки тока в цепях переменного и постоянного напряжения. Достаточно включить электронную нагрузку последовательно с объектом регулирования и все это подключить к источнику напряжения (при зарядке аккумуляторов, управлении двигателем, нагревателем и пр.).У меня долгое время лежало несколько силовых трансформаторов с известными выходными напряжениями и неизвестными нагрузочными характеристиками. Определить диаметры проводов вторичных обмоток без вскрытия не представлялось возможным. И я проделал такой эксперимент: с помощью электронной нагрузки нагружал номинальным (паспортным) током вторичные обмотки трансформаторов известных марок ТА и ТС.
Выяснилось, что под нагрузкой напряжения на вторичных обмотках уменьшаются на 10-15 % по отношению к напряжению холостого хода. Потом тоже самое проделал с неизвестными трансформаторами и методом от обратного вычислил допустимый ток вторичных обмоток.
Подключаемся к источнику напряжения, при этом регуляторы тока должны быть выведены в минимум (нижнее по схеме положение).Далее не спеша, вращаем регулятор «ток грубо» в сторону увеличения тока, пока стрелка амперметра чуть-чуть не отойдет от начального положения, можно сказать «дрогнет в положении нуль». Это значит, что ключи выведены из зоны нечувствительности. Если нам нужен ток до 1А дальше пользуемся регулятором « ток плавно», если более 1А, то продолжаем крутить регулятор «ток грубо» дальше. Плавно выводим ток на требуемый уровень, при этом на индикаторах в режиме, так сказать, «on line», наблюдаем Вольт-амперную характеристику тестируемого БП.
Картину дополнит осциллограф, подключенный к выходным клеммам БП. По нему можно будет определить уровень пульсаций выходного напряжения при различных режимах загруженности.
При эксплуатации нагрузки необходимо помнить о максимальной рассеиваемой мощности, которая вычисляется по известной формуле P=U2/R.
Токовая электронная нагрузка
Электронная нагрузка вещь очень полезная, предназначена для теста источников питания, в том числе и аккумуляторов.
Например если имеется сомнительный блок питания и нужно выяснить его выходные параметры первым делом нужно его нагрузить, при этом каждый блок питания требует индивидуального расчета нагрузочного резистора и чем мощнее блок, тем мощнее должен быть нагрузочный резистор.
Электронная нагрузка выполняет ту же функцию, только является универсальным вариантом для любых источников питания.
Наш вариант очень простой и построен всего на одном операционном усилителе LM358, но задействован всего один элемент ОУ.
Мощность рассеивается на транзисторах, поэтому чем больше их количество и ток коллектора каждого транзистора, тем больше может быть общая мощность рассеиваемая электронной нагрузкой.
В теории общий ток может доходить до 40 Ампер с учетом тока коллектора кт827, но в деле естественно все будет зависеть от напряжения тестируемого источника питания, если мощность превышает 250 ватт, транзисторам придет кирдык, уделите этому моменту должное внимание.
Мощные резисторы в этой схеме тоже рассеивают некоторую мощность (и не малую). Эмиттерные резисторы предназначены для выравнивания тока через транзисторы, мощный низкоомный шунт R12 служит датчиком тока, на нем будет рассеиваться колоссальная мощность, поэтому этот резистор подбираем с мощностью около 40 ватт.
Принцип работы довольно прост. При подключении нагрузки образуется падение напряжения на шунте R12 и нарушается баланс напряжений на входах операционного усилителя, последний будет стараться уравновесить это напряжение за счет изменения выходного напряжения, уменьшая или увеличивая его. Тем самым измениться напряжение на базах составных транзисторов, в следствии чего изменится и ток проходящий по ключам.
Переменными резисторами мы можем искусственным образом изменить напряжение на неинвертирующем входе ОУ, этим управляем током протекающий по транзисторам.
Трансформатор в схеме нужен только для питания операционного усилителя и блока индикаторов, поэтому он нужен маломощный. Вторичное напряжение трансформатора от 9 до 15 Вольт, все ровно потом это напряжение будет стабилизировано до уровня 12 Вольт.
Нынче КТ827 очень дороги, но уверяю, они являются наилучшим решением в этой схеме, знаю что появятся вопросы на счет внедрения полевых транзисторов и должен сказать, что пробовал и с ними. Проблема в том, что при больших токах полевики тупо коротят, я думаю в случае их использования не помешает отдельное управление.
А так можно использовать любые составные ключи, в том числе и кт829, естественно нужно учитывать, что ток этих транзисторов в несколько раз ниже, чем ток коллектора КТ827.
Кнопкой S1 меняем чувствительность ОУ, этим можем переключить нагрузку на более точных измерений малых токов.
Свою конструкцию я дополнил ваттметром, который имеет функцию измерения емкости и в итоге получил электронную нагрузку с функцией разряда аккумуляторов с целью выявления их емкости, притом система может разряжать аккумуляторы большим током (лично тестировал на токах до 20 Ампер, никаких нареканий).
Монтаж простенький, корпус позаимствован у лабораторного источника питания PS-1502.
Каждый транзистор установлен на свой радиатор, вся система дополнена активным охлаждение, притом имеется простенькая схема регулировки оборотов кулера.
В архиве находится печатная плата. А с вами был Ака Касьян, удачи в творчестве, до новых встреч!
Архив
Электронная нагрузка
Устройство заменяет нагрузку в виде набора постоянных или переменных резисторов и поможет при испытании и налаживании блоков питания.
Выбор силового транзистора зависит от того какой максимальный ток нагрузки вы желаете получить, соответственно подбирается измерительная головка и шунт. Допустимо использовать параллельное включение силовых транзисторов, при этом нагрузка на каждый из них уменьшиться, а общий ток увеличиться.Испытуемый блок питания подключается к входным клеммам и резистором R2 выставляется желаемый ток.
Конструкцию
можно выполнить навесным монтажом в любом подходящем корпусе, например
от компьютерного блока питания, с вентилятором для обдува радиатора.
Основные параметры транзистора TIP36. Datasheet
Pc max | Ucb max | Uce max | Ueb max | Ic max | Tj max, °C | Ft max | Cc tip | Hfe |
90W | 80V | 40V | 5V | 25A | 150°C | 3MHz | — | 20/100 |
Общий вид транзистора TIP36. | Цоколевка транзистора TIP36. |
Обозначение контактов:
Международное: C — коллектор, B — база, E — эмиттер.
Российское: К — коллектор, Б — база, Э — эмиттер.
Источник: http://www.cqham.ru/
————————————————————
Улучшенная схема электронной нагрузки с плавной регулировкой тока.
В качестве
нагрузочного элемента здесь применен мощный полевой транзистор, обеспечивающий
значительные преимущества по сравнению с традиционно используемыми для
этой цели громоздкими реостатами. Однако в процессе испытаний
нагрузочные элементы нагреваются, и температурный дрейф их параметров
затрудняет проведение испытаний.
В предлагаемом устройстве ток через
нагрузочный элемент стабилизирован, поэтому он практически не подвержен
температурному дрейфу и не зависит от напряжения проверяемого
источника, что очень удобно при снятии нагрузочных характеристик и
проведении других испытаний, особенно длительных.
С помощью
эквивалента нагрузки можно проверять не только стабилизированные и
нестабилизированные блоки питания, но и батареи (гальванические,
аккумуляторные, солнечные и т. д.).
Схема эквивалента нагрузки показана на рис. 1.
По
принципу работы это — источник тока, управляемый напряжением (ИТУН).
Эквивалент нагрузки — мощный полевой транзистор IRF3205, который
выдерживает ток до 110А, напряжение до 55V и рассеиваемую мощность до
200W. Резистор R1 — датчик тока. Резистором R5 изменяют ток через
резистор R2 и соответственно напряжение на нем, которое равно Uпит =
R2/(R2+R3+R5), где Uпит — напряжение питания. На ОУ DA1.1 и транзисторе
VT1 собран усилитель с отрицательной обратной связью с истока этого
транзистора на инвертирующий вход ОУ. Действие ООС проявляется в том,
что напряжение на выходе ОУ вызывает такой ток через транзистор VT1,
чтобы напряжение на резисторе R1 было равно напряжению на резисторе R2.
Поэтому резистором R5 регулируют напряжение на резисторе R2 и
соответственно ток через нагрузку (транзистор VT1), равный Uпит =
R2/[R1(R2+R3+R5)]. Пока ОУ находится в линейном режиме, указанное
значение тока через транзистор VT1 не зависит ни от напряжения на его
стоке, ни от дрейфа параметров транзистора при его разогреве. Цепь R4C2
подавляет самовозбуждение транзистора и обеспечивает его устойчивую
работу в линейном режиме. Для питания устройства необходимо напряжение
9…12V, которое обязательно должно быть стабильным, поскольку от него
зависит стабильность тока нагрузки. Ток, потребляемый устройством, не
превышает 10 мА.
Рис.2 Конструкция и детали.
В
устройстве использованы детали для поверхностного монтажа, размещенные
на печатной плате (рис. 2) из фольгированного стеклотекстолита, которая
вместе с транзистором установлены на теплоотводе. Транзистор
прикрепляют к теплоотводу винтом. Плату допустимо приклеить к
теплоотводу для большей механической прочности. При изготовлении
теплоотвода в виде пластины его площадь должна быть не менее 100….150
см2 на 10 Вт рассеиваемой мощности. Для повышения эффективности при
длительных испытаниях желательно применить вентилятор. Резистор R1
составлен из девяти сопротивлением по 0,1 Ом (мощностью 1 Вт),
включенных параллельно и последовательно, как показано на рис. 2.
Остальные постоянные резисторы — типоразмера 1206 и мощностью 0,125 Вт.
Переменный резистор R5 -СПО, СП4. Конденсатор — С2 К10-17В, остальные —
танталовые.
Вместо
компонентов для поверхностного монтажа можно применить обычные, но
тогда топологию печатной платы придется немного изменить. Номинальное
напряжение конденсатора С1 должно быть не меньше напряжения
проверяемого источника. Конденсатор С2 следует установить
непосредственно на выводах транзистора VT1.
В устройстве применен ОУ
LM358AM в случае использования других ОУ следует иметь в виду, что его
питание в этом устройстве однополярное, поэтому он должен быть
работоспособен при нулевом напряжении на обоих входах. Заменяя полевой
транзистор, будьте внимательны: для этого устройства подходит большое
число транзисторов фирмы IR, но некоторые из них могут работать
неустойчиво. При отсутствии полевого можно применить составной
биполярный транзистор структуры n-p-n с коэффициентом передачи тока не
менее 1000 и соответствующим током коллектора, например, КТ827А—КТ827В.
Выводы такого транзистора подключают соответственно: затвор — база,
сток — коллектор, исток — эмиттер.
В этом случае сопротивление
резистора R4 надо уменьшить до 510 Ом. Сильноточные цепи выполняют
проводом соответствующего сечения.
Устройство
не требует налаживания. Проверяемый источник питания с напряжением от 3
до 35V подключают к устройству с соблюдением полярности. Для уменьшения
минимального значения напряжения контролируемого источника питания
следует пропорционально уменьшить сопротивление резисторов R1 и R2.
Ток, потребляемый эквивалентом нагрузки, регулируют резистором R5.
Интервал регулировки тока при указанных на схеме номиналах элементов и
напряжении питания 12V равен 0,5… 11А. Для уменьшения минимального
значения тока можно ввести дополнительный переключатель, с помощью
которого параллельно резистору R2 подключают резистор сопротивлением
100 Ом. В этом случае минимальное и максимальное значения тока
уменьшатся в 10 раз.
Источник: журнал «Радио» №1 2005
Электронный предохранитель
Электронный предохранитель,
осуществляет эффективную защиту в цепях электропитания с напряжением до
45V. Номиналы деталей приведены в таблице для разных токов срабатывания
предохранителя.
| I макс (A) | R1 (Ом) | R2 (Ом) | VT1 | VT2 | VT3 |
| 5 | 100 | 0,12 | 2N1613 | 2N3055 | BC148 |
| 0,5 | 1000 | 1 | BC107 | 2N1613 | BC148 |
| 0,1 | 4700 | 4,7 | BC107 | 2N1613 | BC148 |
Источник: http://gete.ru/
—————————————————-Еще один вариант решения проблемы защиты блока питания от короткого замыкания (КЗ) в нагрузке, это включение последовательно с нагрузкой полевого транзистора со встроенным каналом.
В транзисторах такого типа на вольтамперной характеристике есть участок, на котором ток стока не зависит от напряжения между стоком и истоком. Поэтому на этом участке транзистор будет работает как стабилизатор или ограничитель тока.
Рис.1
Схема
подключения транзистора к блоку питания показана на Рис.1, а
вольтамперные характеристики транзистора для различных сопротивлений
резистора R1 — на Рис.2.
Работает защита следующим образом. Если
сопротивление резистора равно нулю (т. е. исток соединен с затвором), а
нагрузка потребляет ток около 0,25А, то падение напряжения на полевом
транзисторе не превышает 1,5V, и практически на нагрузке будет все
выпрямленное напряжение. При появлении же в цепи нагрузки КЗ ток через
выпрямитель резко возрастает и при отсутствии транзистора может достичь
нескольких ампер. Транзистор ограничивает ток короткого замыкания на
уровне 0,45…0,5А независимо от падения напряжения на нем. В этом
случае выходное напряжение станет равным нулю, а все напряжение упадет
на полевом транзисторе. Таким образом, в случае КЗ мощность,
потребляемая от источника питания, увеличится в данном примере не более
чем вдвое, что в большинстве случаев вполне допустимо и не отразится на
«здоровье» деталей блока питания.
Рис. 2
Уменьшить ток короткого замыкания можно увеличением сопротивления резистора R1.
Нужно выбирать такой резистор, чтобы ток короткого замыкания был примерно вдвое больше максимального тока нагрузки.
Подобный способ защиты особенно удобен для блоков питания со
сглаживающим RC-фильтром — тогда полевой транзистор включают вместо
резистора фильтра (пример показан на рис. 3).
Поскольку во время КЗ на полевом транзисторе падает почти все
выпрямленное напряжение, его можно использовать для световой или
звуковой сигнализации. Вот, к примеру, схема включения световой
сигнализации — рис.7. Когда с нагрузкой все в порядке, горит светодиод
HL2 зеленого цвета. При этом падения напряжения на транзисторе
недостаточно для зажигания светодиода HL1. Но стоит появиться КЗ в
нагрузке, как светодиод HL2 гаснет, но зато вспыхивает HL1 красного
свечения.
Рис. 3
Резистор R2 выбирают в зависимости от нужного ограничения тока КЗ по высказанным выше рекомендациям.
Схема подключения звукового сигнализатора приведена на рис. 4. Его
можно подключать либо между стоком и истоком транзистора, либо между
стоком и затвором, как светодиод HL1.
При появлении
на сигнализаторе достаточного напряжения вступает в действие генератор
ЗЧ, выполненный на однопереходном транзисторе VT2, и в головном
телефоне BF1 раздается звук.
Однопереходный
транзистор может быть КТ117А — КТ117Г, телефон — низкоомный (можно
заменить динамической головкой небольшой мощности).
Рис. 4
Для
слаботочных нагрузок в блок питания можно ввести ограничитель тока КЗ
на полевом транзисторе КП302В. При выборе транзистора для других блоков
следует учитывать его допустимую мощность и напряжение сток — исток.
Конечно, подобную автоматику можно ввести и в стабилизированный блок питания, не имеющий защиты от КЗ в нагрузке.
Источник: журнал «Радио» №7, 1989 г., стр.78
——————————————————————————————-
ЭЛЕКТРОННАЯ НАГРУЗКА С РЕГУЛИРОВКОЙ ТОКА
Для чего нужно такое устройство, как электронная нагрузка, наверное все в курсе — она позволяет создать имитацию очень мощного резистора на выходе блоков питания, зарядок, усилителей, ИБП и других схем при их настройке. Данная электронная нагрузка может выдержать более 100 Ампер тока, рассеивая более 500 Вт непрерывно и выдерживая 1 кВт мощности в импульсном режиме.
Схема самодельной электронной нагрузки на 500 Вт
Схема в принципе несложная и тут используются два полевых транзистора с регулирующими ОУ. Каждый из двух каналов одинаков и включены они параллельно. Управляющие напряжения связаны между собой и нагрузка делится поровну между двумя мощными полевыми транзисторами. Здесь использованы для шунта 2 резистора на 50 А, формируя напряжение обратной связи 75 мВ. Очевидным преимуществом в выборе такого малого значения сопротивления (каждый шунт сопротивлением всего 1,5 миллиом) в том, что падение напряжения практически ничтожно. Даже при работе с нагрузкой 100 А, падение напряжения на каждом шунтирующем резисторе будет менее 0,1 В.
Недостатком использования такой схемы в том, что требуется ставить ОУ с очень низким входным смещением, так как даже небольшое изменение смещения может привести к большой погрешности в контролируемом токе. Например, при лабораторных испытаниях, всего 100 мкВ напряжения смещения приведет к изменению тока нагрузки на 0,1 А. Кроме того, трудно создать такие стабильные управляющие напряжения без использования ЦАП и прецизионных ОУ. Если вы планируете использовать микроконтроллер для управления нагрузкой, нужно будет либо использовать прецизионные ОУ для усиления напряжения с шунта, совместимые с ЦАП на выходе (например, 0-5 В) или использовать прецизионный делитель напряжения для создания управляющего сигнала.
Вся схема была собрана на куске текстолита методом упрощённого монтажа и размещена на верхней части большого алюминиевого блока. Поверхность металла отполирована для того, чтобы обеспечить хорошую теплопроводность между транзисторами и радиатором. Все соединения с большим током — не менее 5 проводов толстого многожильного провода, тогда они смогут выдерживать не менее 100 А без существенного нагрева или падения напряжения.
Выше приведено фото макетки, на которой впаяны два операционных усилителя повышенной точности LT1636. А модуль DC-DC преобразователя используется для преобразования входного напряжения на стабильных 12 В для контроллера вентилятора системы охлаждения. Вот они — 3 вентилятора на боковой стороне радиатора.
Форум по схеме
Обсудить статью ЭЛЕКТРОННАЯ НАГРУЗКА С РЕГУЛИРОВКОЙ ТОКА
Эквивалент нагрузки
— журнал DIYODE
Мы покажем вам, как легко сделать собственный фиктивный груз и как использовать его в некоторых распространенных приложениях для любителей.
Цепь под нагрузкой очень по-разному реагирует на ненагруженную цепь. Лучший способ проверить правильность работы схемы — это проверить ее, пока она находится в ожидаемом диапазоне нагрузок. Для чисто резистивных цепей с минимальными колебаниями напряжения это можно легко сделать, поместив резистор подходящего номинала на потенциал напряжения.
Однако что, если у вас есть динамическая нагрузка или напряжение питания, которое меняется со временем, например, аккумулятор? Для этих динамических ситуаций нет замены фиктивной нагрузки постоянного тока.
Это, конечно, не единственное применение для моделирования нагрузки постоянного тока. Например, в выпуске 20 мы использовали нагрузку с постоянным током для проверки выходного сигнала нашего зарядного устройства для мобильных телефонов, работающего от огня. Использование нагрузки постоянного тока во время тестирования устройства позволило нам снять показания напряжения устройства при нагрузке постоянного тока для расчета выходной мощности.
Вы также можете использовать постоянную токовую нагрузку, например, для проверки емкости аккумуляторных элементов и даже тепловой мощности транзисторов, регуляторов и полевых МОП-транзисторов.
Электронные нагрузки бывают самых разных размеров и стилей, как это видно из нашей коллекции ниже. Все они имеют очень похожий дизайн; все они используют комбинацию нагрузочных резисторов / токовых шунтов для определения тока, полевого МОП-транзистора для управления током и способа отвода тепла от полевого МОП-транзистора, поскольку он рассеивает мощность.Конечно, у них также есть возможность выбрать желаемый ток.
Наш дизайн с постоянной текущей нагрузкой — это итерация очень популярного дизайна, который вы можете найти в Интернете, возможно, он был разработан или популярен Дэйвом Джонсом из EEVblog. Наша конструкция построена с использованием легко доступных компонентов, и мы увеличили входное напряжение с 5 В до 9 В, что позволит нам полностью заполнить затвор полевого МОП-транзистора для повышения производительности. Этот дополнительный запас позволяет на выходе операционного усилителя достигать 5 В, необходимых для управления MOSFET.Это приводит к гораздо более высокому току, превышающему 3 А, при условии, что вы можете держать MOSFET достаточно холодным.
Схема представляет собой не более чем операционный усилитель в конфигурации компаратора напряжения, подключенный к полевому МОП-транзистору и шунтирующему резистору. Вход операционного усилителя подключен к потенциометру, который выдает эталонное значение. Операционный усилитель сделает все возможное, чтобы на обоих входах было одинаковое напряжение. Следовательно, когда неинвертирующий вывод операционного усилителя (присоединенный к потенциометру) больше, чем напряжение на инвертирующем выводе (присоединенном к шунтирующему резистору 1 Ом), операционный усилитель попытается исправить эту разницу, увеличив напряжение на выходе.Это, в свою очередь, насыщает затвор полевого МОП-транзистора, что позволяет току течь от стока полевого МОП-транзистора к источнику.
Затем этот ток увеличивает напряжение инвертирующего входа. Если это напряжение больше, чем опорное напряжение от потенциометра ОУ будет отсечной напряжение на затвор полевого МОП-транзистора, который будет также остановить ток, протекающий в шунтирующий резистор.
Этот пониженный ток снизит напряжение на инвертирующем входе, и процесс будет повторяться.Это приводит к высокочастотному переключению, которое вы видите здесь.
Примечание. Мы можем видеть, что операционный усилитель имеет определенную задержку, прежде чем он сможет определить дифференциальное напряжение на своих входных контактах, что приведет к сигналу выше. Этот снимок был сделан при рассеивании тока 1 А от источника питания 12 В. то есть 12Вт.
Несмотря на то, что это не идеальная система из-за неэффективности как полевого МОП-транзистора, так и операционного усилителя, это, безусловно, очень эффективное и недорогое решение, которое любой любитель мог бы сделать, используя детали, которые они спасли или купили за небольшие изменения у предпочитаемого дистрибьютора.
* Указано количество, возможна продажа упаковками.Мы нашли потенциометры 16 мм, более подходящие для прототипирования.
Эта схема довольно проста в сборке. Следуйте приведенной здесь диаграмме Фритзинга и убедитесь, что вы вставляете диод и электролитический конденсатор с правильной полярностью. Если вы намереваетесь испытать макетный прототип при сильном токе, используйте более толстые и короткие соединения, чтобы улучшить текущие возможности обработки. С учетом сказанного, вам все равно нужно будет поддерживать потребляемую мощность на этом устройстве ниже 3 Вт или около того, потому что компоненты могут перегреваться без надлежащего охлаждения, а сама макетная плата не предназначена для работы с высокими токами слишком долго, не вызывая повреждений.
Мы обнаружили, что потенциометры 9 мм было трудно использовать в макетной плате, потому что у них короткие и тонкие ножки. Если у вас под рукой есть потенциометры 16 мм, используйте их для надежного подключения. Однако 9-миллиметровый потенциометр подходит для финальной сборки.
Примечание. Вы можете заметить, что потенциометры на схеме Фритцинга подключены иначе, чем на принципиальной схеме. Потенциометр будет нормально работать в любой ориентации.Однако направление движения другое.
Для тестирования прототипа мы подключили наш стенд питания Powertech MP3084 к цепи, установленной на 12 В с ограничением тока 3 А. Затем мы устанавливаем потенциометры на макетной плате, чтобы определить максимально возможную рассеиваемую мощность, которую мы измерили на настольном мультиметре Unit-T UT804.
В этой схеме наша схема могла рассеивать только около 15 Вт, потребляя максимальный ток 1,25 А при 12 В. Мы подозреваем, что это было в значительной степени результатом всего дополнительного сопротивления со стороны соединений макетной платы и тонких проводов.
ДОПОЛНИТЕЛЬНО:
| 1 × LM7805 регулятор напряжения (для целей тестирования) | ZV1509 |
| 1 × черный банановый штекер | PP0391 |
| 1 × красный банановый штекер | PP0390 |
| 1 × USB-штекер | PP0790 |
| 1 × LM7805 регулятор напряжения (для целей тестирования) | Z0509 |
| 1 × черный банановый штекер | P9282 |
| 1 × красный банановый штекер | P9281 |
| 1 × USB-штекер | — |
* Указано количество, продается только упаковками.Плата предназначена для потенциометров 16 мм. Можно использовать потенциометры 9 мм, но их необходимо подключить к печатной плате.
Примечание. Наша сборка была создана с использованием компонентов, полученных от Jaycar. В корпусе может потребоваться некоторая модификация, если вы покупаете компоненты у альтернативного поставщика.
Печатная плата была разработана в новой версии Eagle 9.3.0 с использованием стандартных библиотек. Это однослойная конструкция, поэтому ее можно легко фрезеровать на фрезерном станке для печатных плат или протравить методом переноса тонера.Мы разместим плату Eagle Board и файлы схем на веб-сайте для всех, кто хочет создать свою собственную печатную плату.
Плата предназначена для размещения всех компонентов, включая потенциометры. Если вы встраиваете его в корпус, потенциометры и светодиоды не будут припаиваться непосредственно к печатной плате, а их необходимо подключать с помощью проводов, которые можно припаять к контактным площадкам. В нашей сборке использовалась печатная плата, фрезерованная на нашем фрезерном станке для настольных ПК Bantam.
Создать устройство довольно просто.Используйте показанное здесь изображение наложения, чтобы помочь вам разместить и припаять компоненты к печатной плате. Однако будьте осторожны, так как отсутствие паяльной маски может затруднить пайку некоторых компонентов. Для всех соединений проводов, за исключением потенциометров и входа от тестируемого источника питания, мы использовали штыревые и розеточные штыревые разъемы, чтобы упростить их размещение. Светодиод разместили на передней панели, а проводка была продолжена от печатной платы.
Мы разработали корпус, чтобы вы могли распечатать его сами.Файлы доступны в разделе ресурсов нашего сайта. Вы можете рассмотреть другие варианты корпуса, если у вас нет доступа к 3D-принтеру, например, большой ящик Jiffy, если вы обеспечите ему достаточную вентиляцию.
КОРПУС
Мы напечатали наш корпус с помощью белой нити Flashforge на Flashforge Creator Pro на высоте слоя 200 микрон. Он был напечатан двумя частями, которые располагались на рабочей поверхности. При этих настройках для печати каждой стороны потребуется около 5 часов.
ПЕРЕДНЯЯ ПАНЕЛЬ
Мы напечатали лицевую панель на высоте слоя 200 микрон, используя белую и черную нить Flashforge. Двухцветная передняя панель была напечатана с использованием одного экструдера. Чтобы получить двухцветный цвет, мы просто встроили надпись в панель толщиной 3 мм на определенную глубину 0,5 мм. Затем мы устанавливаем принтер на печать от 0 мм до 2,5 мм белым цветом. Это произвело основу панели, как показано здесь.
Это было просто — напечатать верхнюю часть после указания слайсеру начать печать с 2.5 мм и заменив нить на черную.
Изображение панели, показанное выше, было первой попыткой использования передней панели. Он пострадал от деформации, которую вы можете увидеть в правом верхнем углу панели. Пытаясь замаскировать это искажение, мы попытались использовать черную краску, чтобы скрыть видимый белый цвет, выступающий через черную поверхность. Это, конечно, было неэффективно, и нам не оставалось ничего другого, кроме как перепечатать. Мы настоятельно рекомендуем вам использовать плот или край на нижней половине, чтобы уменьшить коробление.
футов
Мы выбрали ТПУ / резину, потому что использовали вентилятор, который постоянно работал. Резиновые ножки должны помочь снизить уровень шума и вибрации, передаваемых на стол или скамейку. Если вас не особенно беспокоит шум, то достаточно обычного PLA. Мы напечатали ножки на 200 микрон, используя TPU / резиновую нить с очень низкой скоростью 25 мм / с. Низкая скорость означает, что печать одной ноги занимает около 25 минут.
Для сборки проекта сначала необходимо прикрепить светодиод, потенциометры, переключатели и банановые гнезда к передней панели.Затем прикрепите разъем постоянного тока и вентилятор к заднему корпусу с помощью болтов и гаек 3 мм.
Используя проводку толстого сечения (например, 22AWG), подключите отрицательный (черный) банановый разъем к одной стороне 2-контактного разъема «мама». Он подключается к контакту заземления на печатной плате, который помечен на плате как PSU_IN. Другой вывод — положительный вход от нагрузки. Подключите его к положительному (красному) разъему типа «банан» через тумблер. Этот переключатель позволит нам быстро снимать или прикладывать нагрузку со схемы, что может быть очень полезно для анализа перерегулирования, как мы покажем позже.
Для подключения светодиода с лицевой панели к печатной плате мы сделали короткий вывод с двумя двухконтактными разъемами. Мы подрезали ножки светодиода и использовали термоусадочную пленку для более аккуратного вида. Обратите внимание, что вы подключаете светодиод к плате с соблюдением полярности.
Мы использовали радужный кабель для подключения потенциометров от передней панели к печатной плате. Припаяйте провода непосредственно к печатной плате, обращая внимание на то, что первый контакт потенциометра точной настройки (10K) не используется.
Подключите отрицательный контакт разъема постоянного тока к одной стороне 2-контактного разъема.Другая сторона этого разъема должна быть подключена к выключателю питания.
Положительное соединение гнезда постоянного тока будет подключено к оставшемуся контакту переключателя. Этот переключатель позволит нам отключить питание самого устройства.
После этого подключите разъем «мама» к печатной плате в разъеме «INPUT», убедившись, что полярность правильная.
Припаяйте провода вентилятора к 2-контактному гнездовому разъему. Это подключается к заголовку на печатной плате.
На изображении, показанном здесь, вы заметите, что мы использовали термоусадку на соединениях и кабельных стяжках, чтобы провода не касались радиатора или вентилятора.
Наши тесты не только проверит схему, но и дадут вам представление о том, как можно использовать нагрузку.
Три наиболее распространенных варианта использования нашей USB-нагрузки:
Прежде всего, давайте посмотрим, как устройство работает и какие нагрузки оно может рассеивать.
Чтобы определить радиус действия устройства, первое, что нам нужно сделать, это определить минимальное разрешение устройства. То есть, какую наименьшую нагрузку может смоделировать устройство.
Для этого нам просто нужно подключить нагрузку постоянного тока к источнику питания и набрать наименьшее возможное значение нагрузки. Для нашего устройства это оказалось 1,125 мА, однако при таких очень малых токах сложно набрать конкретный ток.
Для проверки максимальной выходной мощности нагрузки мы использовали лабораторный источник питания Powertech MP3084, установленный на 12 В с ограничением тока 3 А.Мы устанавливаем мощность рассеивания 250 мА, что соответствует нагрузке 3 Вт.
Мы контролировали температуру радиатора с помощью мультиметра Digitech QM1571 и сделали запись через 10 минут. После этого увеличиваем ток и повторяем до достижения отметки 3A / 36W. Этот тест позволяет нам определить, насколько нагревается полевой МОП-транзистор при рассеивании более высоких нагрузок, и, следовательно, дает нам представление о максимальной производительности.
Хотя нагрузка, кажется, справляется с рассеянием 36 Вт, повышение температуры на этом уровне рассеивания менее оптимально.
В техническом описании IRF540N указано, что полевой МОП-транзистор имеет рабочую температуру до 175 ° C, как показано здесь.
Однако эта температура будет относиться к температуре внутреннего PN перехода, которую мы не можем измерить, и, вероятно, будет намного выше, чем внешняя температура, которую мы измеряем.
Это также будет относиться к абсолютной максимальной температуре до отказа, а не к устойчивой долгосрочной температуре.
Для увеличения срока службы устройства рекомендуется поддерживать повышение температуры на уровне менее 80 ° C выше температуры окружающей среды.Если вы хотите более регулярно рассеивать более высокие нагрузки, рассмотрите возможность использования радиатора большего размера или других методов охлаждения.
Однако это устройство в его нынешнем виде отлично подходит для длительного использования с нагрузкой менее 20 Вт.
Теперь у нас есть базовый уровень того, на что нагрузка способна рассеивать, давайте продемонстрируем ее использование для выполнения множества различных задач, которые мы часто выполняем.
Нашим основным использованием нашей электронной фиктивной нагрузки было испытание емкости аккумуляторных батарей USB.Хотя на большинстве аккумуляторных батарей указана заявленная емкость, мы обнаружили, что это очень редко соответствует реальному использованию. Поэтому мы часто проверяем емкость нашего аккумуляторного блока в реальных условиях.
Чтобы сделать это с помощью нашей электронной нагрузки, вам необходимо подключить несколько банановых вилок и проводов к штекерному разъему USB. Это позволит вам легко прикрепить аккумуляторную батарею USB к нагрузке. Когда вы закончите, он должен выглядеть примерно так:
Примечание. Для уменьшения сопротивления используйте более толстую проводку.Нам нужна нагрузка, а не проводка, чтобы рассеивать мощность. Если вы чувствуете, что проводка нагревается под нагрузкой, используйте провод более толстого или лучшего качества.
Затем мы хотим измерить ток и напряжение. Вы можете использовать для этого мультиметр, но с USB-тестером это намного проще. Он одновременно измеряет напряжение и ток и даже рассчитывает для вас мАч. Мы используем USB-тестер Uni-T UT658.
Подключите полностью заряженный внешний аккумулятор и USB-тестер аналогично тому, как вы видите нашу настройку здесь.Затем вам нужно набрать желаемый ток, используя текущий дисплей на мультиметре или USB-тестере. Нагрузка будет обеспечивать постоянный расход выбранного вами диапазона на батарею, пока не будет достигнуто напряжение отключения банка и батарея не отключится.
Если вы просто используете USB-тестер, все, что вам нужно сделать, это отключить тестер и вставить его в разъем USB, чтобы определить максимальную емкость, которую они записывают.
Однако, если вы используете гораздо более точный подход мультиметра, вам необходимо регистрировать напряжение каждые несколько минут.Используя результаты, вы можете построить график и рассчитать мощность и емкость аккумулятора. В нашем тесте емкость аккумулятора составила 1404 мАч, что близко к заявленной емкости 1500 мАч.
Другое использование этого устройства — проверка емкости ваших батарей. Допустим, у вас есть свинцово-кислотная батарея на 12 В, которую вы хотите использовать для проекта, но не знаете, какова ее фактическая емкость. Это идеальное устройство, потому что независимо от того, на что изменяется входное напряжение, устройство по-прежнему будет поддерживать постоянный ток, потребляемый батареей.
Следовательно, если, допустим, мы набираем 500 мА, потребляемую полностью заряженной батареей 12 В, напряжение батареи будет начинаться примерно с 13,8 В (без нагрузки) и будет считаться «разряженным» примерно при 10,9 В.
Поскольку ток постоянный, все, что нам нужно сделать, это контролировать и записывать напряжение во времени. Для этого просто подключите полностью заряженный аккумулятор к устройству с помощью мультиметра последовательно, чтобы измерить ток. Наберите желаемый ток, в нашем случае 500 мА.
Затем мы подключаем нагрузку к батарее с помощью мультиметра параллельно, чтобы измерить напряжение.Затем нам нужно записывать показания напряжения каждые 15 минут. Чтобы получить приблизительное представление о том, сколько времени должно хватить на батарею, мы можем использовать следующую формулу.
Время разряда = номинал Ач / ток
Так как наша свинцово-кислотная батарея имеет рейтинг 1,3 Ач, мы можем ожидать, что время тестирования составит около:
1,3 / 0,5 = 2,6 часа
Это означает, что если мы записываем напряжение каждые 15 минут в течение двух с половиной часов, мы должны фиксировать полный диапазон заряда аккумулятора от полностью заряженного до полностью разряженного.Мы можем отобразить эти данные в виде легко читаемого графика и, следовательно, иметь возможность легко рассчитать фактическую емкость аккумулятора.
Хотя это не очень хороший график из-за слишком малого количества точек данных, он показывает, что емкость аккумулятора намного меньше, чем мы рассчитали:
(ток × время) = (0,500 × 60 минут) = ~ 500 мАч
Изначально это не имело смысла, пока мы не вспомнили, что промышленным стандартом для свинцово-кислотных аккумуляторов является разрядка и зарядка на основе 20-часового периода.
потребление = емкость / часы = 1,3 / 20 = 0,065 А (65 мА)
Таким образом, номинал 1,3 Ач существует только при потребляемом токе 65 мА. Что показано в таблице данных здесь.
Таким образом, каким бы разочаровывающим ни был тест, мы смогли доказать, что аккумулятор будет иметь емкость около 500 мАч при использовании вместе с нагрузкой 500 мА. Этот тест можно легко провести на различных уровнях, и с его помощью вы можете воспроизвести и проверить утверждения, сделанные в таблицах данных.Например, после проведения этого эксперимента я смог убедиться, что моя батарея не работает в соответствии со спецификациями. Открыв аккумулятор, я узнал, что в одной из ячеек был низкий уровень электролита.
Еще одно возможное использование этого устройства — проверка производительности источника питания в определенных ситуациях. Например, допустим, у вас есть требование к определенному напряжению, которое требует использования линейного регулятора напряжения. Мы можем использовать это устройство для тестирования схемы в реальном приложении.
Предположим, у вас есть блок питания на 12 В и вам нужно понизить напряжение до 5 В с помощью регулятора напряжения. Эта схема регулятора должна быть помещена в корпус. Вы можете использовать эту фиктивную нагрузку для моделирования нагрузки в цепи источника питания при различных условиях нагрузки, чтобы контролировать температурную кривую в зависимости от нагрузки.
Чтобы продемонстрировать это, мы будем использовать линейный стабилизатор напряжения 7805, чтобы понизить напряжение питания 12 В до 5 В и увеличить нагрузку с 50 мА до 400 мА.Мы запишем температуру регулятора через 20 минут на каждом уровне нагрузки.
Этот тест можно использовать, чтобы определить, нуждается ли ваша схема в дополнительном охлаждении, или требуется ли модификация корпуса для улучшения рассеивания тепла и т. Д.
Этот эксперимент позволяет нам проанализировать повышение температуры линейного регулятора напряжения 7805 при увеличении требований по току в цепи. В то время как мы проводили этот эксперимент на открытом воздухе, в прошлом мы использовали этот же процесс для анализа повышения температуры в закрытых помещениях.Это помогает при разработке источников питания для проектов, которые должны быть полностью закрытыми, чтобы защитить их от элементов и т. Д. Стоит отметить, что в закрытом пространстве температура не является линейной. Небольшое увеличение тока может привести к значительному повышению температуры, когда тепло внутри корпуса невозможно отвести.
С учетом сказанного, это довольно ясно показывает, что эта марка 7805 на открытом воздухе, без каких-либо радиаторов, становится нестабильной при токах, превышающих 240 мА.
Еще одно интересное применение электронной нагрузки — это проверка и сравнение производительности источников питания. Мы часто используем нагрузку, чтобы убедиться, что источник питания может поддерживать заявленные характеристики приобретенного устройства, а также для определения характеристик источника питания, который мы спроектировали и построили.
Допустим, у нас есть зарядное устройство USB для телефона, которое рассчитано на постоянный ток зарядки 1 А. Мы можем использовать нашу нагрузку с постоянным током, чтобы убедиться, что устройство способно передавать заявленный ток, и мы можем использовать осциллограф для отслеживания пульсаций напряжения на этой нагрузке.
Затем мы можем использовать это для сравнения с другими расходными материалами аналогичного номинала. Возьмем, к примеру, следующий эксперимент. Здесь мы сравниваем зарядное устройство USB от Huawei с фирменным зарядным устройством Apple с аналогичными характеристиками.
Оба были в состоянии обеспечить заявленный зарядный ток 1А, и оба показали допустимые колебания нагрузки.
ВЫДЕРЖКА
Оба источника питания реагировали почти одинаково, когда к ним была быстро приложена нагрузка 1 А с помощью переключателя нагрузки.Оба очень кратковременно превышают выходное напряжение 5 В, при этом Apple звонит немного короче.
ШУМ ПЕРЕКЛЮЧЕНИЯ
В этой ситуации обе поставки были на одном уровне. Зарядное устройство Apple немного впереди из-за немного меньшей пульсации и немного более высокой скорости переключения.
Результаты этого теста нас очень удивили. Эти два устройства были выбраны, поскольку мы сочли, что разница в качестве равна разнице в стоимости.В действительности два устройства вели себя почти одинаково. Оба смогли легко обеспечить свой номинальный ток, и ни у одного из них не было никаких серьезных проблем с пульсациями, шумом или выбросами.
Есть много способов улучшить функциональность этой электронной нагрузки постоянного тока, включая способ отображения тока на устройстве. Аналоговый счетчик, например MU45 от Jaycar, подойдет. Это поможет избежать необходимости сначала подключать устройство с мультиметром последовательно, чтобы набрать желаемый ток.
Вы можете добавить ЖК-дисплей для отображения напряжения и тока, а также для расчета мощности / емкости тестируемого устройства. Это можно сделать с помощью коммутационной платы датчика тока Adafruit INA219 и стандартной комбинации ЖК-дисплея и микроконтроллера. Однако это также означает, что стоимость значительно возрастает.
Это также было бы простым обновлением, добавив к вентилятору контроль температуры. Это позволило бы устройству работать бесшумно, если оно не работало под большими нагрузками. Это можно легко сделать с помощью другого операционного усилителя, термистора NTC и транзистора.Что-то похожее на настройку ниже должно работать нормально. Обратите внимание, что потенциометр можно использовать для установки порогового значения, при котором включается вентилятор.
Электронный контроллер нагрузки (ELC) Схема
В сообщении объясняется простой электронный контроллер нагрузки или схема регулятора, которая автоматически регулирует и контролирует скорость вращения системы гидроэлектрического генератора, добавляя или вычитая набор фиктивных нагрузок. Процедура обеспечивает стабильное выходное напряжение и частоту для пользователя.Идея была запрошена г-ном Апонсо
Технические характеристики:
Спасибо за ответ, и меня не было в стране на две недели. Спасибо за информацию, и схема таймера теперь работает очень хорошо.
Случай II, мне нужен электронный контроллер нагрузки (ELC) Моя гидроэлектростанция — 5 кВт однофазная, 220 В и 50 Гц, и мне нужно контролировать избыточную мощность с помощью ELC. Пожалуйста, предоставьте надежную схему для моих требований
Aponso
The Design
Если вы один из тех счастливчиков, у которых есть свободный ручей, речной ручей или даже активный небольшой водопад возле вашего заднего двора, вы можете очень хорошо подумайте о том, чтобы преобразовать его в бесплатное электричество, просто установив мини-гидрогенератор на пути потока воды и получив доступ к бесплатному электричеству на всю жизнь.
Однако основной проблемой таких систем является скорость генератора, которая напрямую влияет на его характеристики напряжения и частоты.
Здесь частота вращения генератора зависит от двух факторов: мощности водяного потока и нагрузки, связанной с генератором. Если что-либо из этого изменится, скорость генератора тоже изменится, что приведет к эквивалентному уменьшению или увеличению его выходного напряжения и частоты.
Как мы все знаем, для многих устройств, таких как холодильники, кондиционеры, двигатели, сверлильные станки и т. Д., Напряжение и частота могут иметь решающее значение и могут быть напрямую связаны с их эффективностью, поэтому к любому изменению этих параметров нельзя относиться легкомысленно.
Чтобы справиться с вышеупомянутой ситуацией, чтобы и напряжение, и частота поддерживались в допустимых пределах, во всех гидроэнергетических системах обычно используется ELC или электронный контроллер нагрузки.
Поскольку управление потоком воды не может быть осуществимым вариантом, управление нагрузкой расчетным способом становится единственным выходом из обсуждаемой выше проблемы.
На самом деле это довольно просто, все дело в использовании схемы, которая отслеживает напряжение генератора и включает или выключает несколько фиктивных нагрузок, которые, в свою очередь, контролируют и компенсируют увеличение или уменьшение скорости генератора.
Две простые схемы электронного регулятора нагрузки (ELC) обсуждаются ниже (разработанные мной), которые можно легко собрать дома и использовать для предлагаемого регулирования любой мини-ГЭС. Давайте изучим их работу со следующими точками:
Схема ELC с использованием микросхемы LM3915
Первая схема, в которой используется пара каскадных микросхем LM3914 или LM3915, в основном сконфигурирована как схема драйвера детектора напряжения с 20 шагами.
Изменяющийся входной сигнал от 0 до 2,5 В постоянного тока на его контакте № 5 дает эквивалентный последовательный отклик на 20 выходах двух ИС, начиная с светодиода № 1 и заканчивая светодиодом № 20, то есть с 0.125V, горит первый светодиод. при достижении входного напряжения 2,5 В загорается 20-й светодиод (горят все светодиоды).
Все, что находится между ними, приводит к переключению соответствующих промежуточных выходов светодиодов.
Предположим, что генератор имеет характеристики 220 В / 50 Гц, это означает, что снижение его скорости приведет к снижению заданного напряжения, а также частоты, и наоборот.
В предлагаемой первой схеме ELC мы уменьшаем 220 В до необходимого низкого напряжения постоянного тока через резистивный делитель и подаем на вывод 5 ИС так, чтобы первые 10 светодиодов (светодиод 1 и остальные синие точки) просто освещать.
Теперь эти выводы светодиодов (от светодиода №2 до светодиода №20) также подключаются к отдельным фиктивным нагрузкам через отдельные драйверы МОП-транзисторов в дополнение к внутренней нагрузке.
Бытовые полезные нагрузки подключаются через реле к выходу светодиода №1.
В указанном выше состоянии он гарантирует, что при напряжении 220 В, когда все бытовые нагрузки используются, также включаются 9 дополнительных фиктивных нагрузок и компенсируются для выработки требуемых 220 В при 50 Гц.
Теперь предположим, что скорость генератора имеет тенденцию подниматься выше отметки 220 В, это повлияет на контакт № 5 ИС, который, соответственно, включит светодиоды, отмеченные красными точками (от светодиода № 11 и выше).
Когда эти светодиоды включаются, соответствующие имитирующие нагрузки добавляются к драке, таким образом снижая скорость генератора так, что он возвращается к нормальным характеристикам, когда это происходит, фиктивные нагрузки снова выключаются в обратной последовательности, это продолжает саморегулироваться, так что скорость двигателя никогда не превышает нормальных значений.
Далее, предположим, что скорость двигателя имеет тенденцию к снижению из-за снижения мощности потока воды, светодиоды, отмеченные синим цветом, начинают последовательно отключаться (начиная с светодиода №10 и ниже), это снижает фиктивные нагрузки и, в свою очередь, освобождает двигатель от чрезмерной нагрузки. тем самым восстанавливая свою скорость к исходной точке, в процессе нагрузки имеют тенденцию последовательно включаться / выключаться, чтобы поддерживать точную рекомендованную скорость двигателя генератора.
Эквивалентные нагрузки могут быть выбраны в соответствии с предпочтениями пользователя и условными спецификациями. Увеличение мощности каждого светодиода на 200 Вт, вероятно, будет наиболее подходящим вариантом.
Эквивалентные нагрузки должны быть резистивными по своей природе, например лампы накаливания мощностью 200 Вт или катушки нагревателя.
Принципиальная схема
Схема ELC с использованием ШИМ
Второй вариант весьма интересен и даже проще. Как видно на приведенной диаграмме, пара из 555 микросхем используется в качестве генератора ШИМ, который изменяет соотношение метка / пространство в ответ на соответственно изменяющийся уровень напряжения, подаваемого на вывод № 5 микросхемы IC2.
Хорошо рассчитанная фиктивная нагрузка с высокой мощностью подключена с помощью единственного каскада контроллера mosfet к выводу №3 микросхемы №2.
Как обсуждалось в предыдущем разделе, здесь также более низкое постоянное напряжение выборки, соответствующее 220 В, подается на вывод № 5 IC2, так что подсветка фиктивных нагрузок регулируется с бытовыми нагрузками, чтобы удерживать выход генератора в диапазоне 220 В.
Теперь предположим, что частота вращения генератора смещается в сторону более высокого уровня, что приведет к эквивалентному повышению потенциала на выводе № 5 микросхемы IC2, что, в свою очередь, приведет к увеличению отношения метки к МОП-транзистору, что позволит ему проводить больше тока в Загрузка.
С увеличением тока нагрузки двигателю будет труднее вращаться, и он вернется к своей исходной скорости.
Совершенно противоположное происходит, когда скорость стремится к более низким уровням, когда фиктивная нагрузка ослабляется, чтобы поднять скорость двигателя до его нормальных характеристик.
Постоянное «перетягивание каната» продолжается, так что скорость двигателя никогда не отклоняется слишком сильно от требуемых характеристик.
Вышеупомянутые схемы ELC могут использоваться со всеми типами микрогидросистем, водяных мельниц, а также систем ветряных мельниц.
Теперь давайте посмотрим, как мы можем использовать аналогичную схему ELC для регулирования скорости и частоты ветряного генератора. Идея была предложена г-ном Нилешем Патилом.
Технические характеристики
Я большой поклонник ваших электронных схем и хобби их создавать. В основном я из сельской местности, где проблема с отключением электроэнергии на 15 часов, с которой мы сталкиваемся каждый год
, Даже если я пойду и куплю инвертор, который также не заряжается из-за сбоя питания.
Я создал ветряную мельницу (по очень низкой цене), которая будет поддерживать зарядку аккумулятора 12 В.
Для того же я хочу купить Контроллер заряда турбины ветряной мельницы, который слишком дорог.
Поэтому мы планируем создать наш собственный, если у вас будет подходящий дизайн
Мощность генератора: 0 — 230 В переменного тока
вход 0 — 230 В переменного тока (зависит от скорости ветра)
выход : 12 В постоянного тока (достаточный повышающий ток).
Перегрузка / разрядка / работа с фиктивной нагрузкой
Не могли бы вы предложить или помочь мне разработать его и требуемый компонент и печатную плату от вас
Мне может потребоваться много одинаковых схем, когда вы добьетесь успеха.
Конструкция
Запрошенная выше конструкция может быть реализована просто с помощью понижающего трансформатора и регулятора LM338, как уже обсуждалось во многих моих сообщениях ранее.
Схема, описанная ниже, не имеет отношения к вышеупомянутому запросу, скорее, она решает очень сложную проблему в ситуациях, когда ветряная мельница используется для работы нагрузок переменного тока, назначенных с частотными характеристиками сети 50 Гц или 60 Гц.
Как работает ELC
Электронный контроллер нагрузки — это устройство, которое освобождает или снижает скорость соответствующего электродвигателя электрогенератора, регулируя переключение группы фиктивных или самосвальных нагрузок, подключенных параллельно фактическим используемым нагрузкам.
Вышеупомянутые операции становятся необходимыми, потому что соответствующий генератор может приводиться в действие нерегулярным, переменным источником, например, текущей водой из ручья, реки, водопада или ветром.
Поскольку вышеуказанные силы могут значительно варьироваться в зависимости от связанных параметров, определяющих их величину, генератор также можно заставить соответственно увеличивать или уменьшать свою скорость.
Увеличение скорости будет означать увеличение напряжения и частоты, которые, в свою очередь, могут подвергаться воздействию подключенных нагрузок, вызывая нежелательные эффекты и повреждение нагрузок.
Добавление разгрузочных нагрузок
Добавляя или вычитая внешние нагрузки (разгрузочные нагрузки) на генераторе, его скорость может эффективно противодействовать принудительной энергии источника, так что скорость генератора поддерживается приблизительно на заданных уровнях частоты и напряжения.
Я уже обсуждал простую и эффективную схему электронного контроллера нагрузки в одном из моих предыдущих постов, настоящая идея вдохновлена этим и очень похожа на эту конструкцию.
На рисунке ниже показано, как можно настроить предлагаемый ELC.
Сердцем схемы является микросхема IC LM3915, которая, по сути, представляет собой драйвер светодиода с точкой / полосой, используемый для отображения изменений подаваемого аналогового входного напряжения посредством последовательного включения светодиодов.
Вышеупомянутая функция ИС была использована здесь для реализации функций ELC.
Генератор 220 В сначала понижается до 12 В постоянного тока через понижающий трансформатор и используется для питания электронной схемы, состоящей из микросхемы LM3915 и связанной с ней сети.
Это выпрямленное напряжение также подается на вывод № 5 ИС, который является входом считывания ИС.
Генерация пропорциональных чувствительных напряжений
Если мы предположим, что напряжение 12 В от трансформатора пропорционально 240 В от генератора, это означает, что если напряжение генератора возрастет до 250 В, это приведет к увеличению 12 В от трансформатора пропорционально:
12 / x = 240/250
x = 12,5 В
Аналогично, если напряжение генератора падает до 220 В, напряжение трансформатора пропорционально падает до:
12 / x = 240/220
x = 11 В
и так далее.
Приведенные выше расчеты ясно показывают, что частота вращения, частота и напряжение генератора чрезвычайно линейны и пропорциональны друг другу.
В предлагаемой ниже схеме электронного контроллера нагрузки выпрямленное напряжение, подаваемое на вывод № 5 ИС, регулируется таким образом, что при включенных всех используемых нагрузках только три фиктивные нагрузки: лампа № 1, лампа № 2 и лампа №. 3 могут оставаться включенными.
Это становится разумно управляемой установкой для контроллера нагрузки, конечно, диапазон изменения регулировки может быть установлен и отрегулирован до различных величин в зависимости от предпочтений и технических характеристик пользователя.
Это может быть сделано путем случайной настройки заданной предустановки на выводе № 5 ИС или с помощью различных наборов нагрузок на 10 выходах ИС.
Настройка ELC
Теперь с вышеупомянутой настройкой давайте предположим, что генератор работает при 240 В / 50 Гц с включенными первыми тремя лампами в последовательности IC, а также с включенными всеми внешними используемыми нагрузками (устройствами). НА.
В этой ситуации, если несколько устройств отключены, это освободит генератор от некоторой нагрузки, что приведет к увеличению его скорости, однако увеличение скорости также приведет к пропорциональному увеличению напряжения на выводе № 5 ИС. .
Это побудит ИС включить свои последующие выводы в том порядке, в котором включение может быть лампой №4,5,6 и так далее, пока скорость генератора не снизится, чтобы поддерживать желаемую назначенную скорость и частоту. .
И наоборот, предположим, что если скорость генератора имеет тенденцию к снижению из-за ухудшения состояния источника энергии, IC будет выключать лампу №1,2,3 один за другим или несколько из них, чтобы предотвратить падение напряжения ниже набор, правильные характеристики.
Все фиктивные нагрузки подключаются последовательно через каскады буферных транзисторов PNP и последующие каскады силовых транзисторов NPN.
Все PNP-транзисторы — 2N2907, а NPN — TIP152, которые можно заменить на N-mosfet, например IRF840.
Поскольку вышеупомянутые устройства работают только с постоянным током, выходной сигнал генератора соответствующим образом преобразуется в постоянный ток через диодный мост на 10 ампер для th
Электронная фиктивная нагрузка с открытым исходным кодом — Обзор перегрузки / ITEAD Studio
В этом месяце мы продали около 80 единиц OverLoad и получаем некоторые отзывы, вот самый подробный обзор Богдана Кецмана:
1.Я пробовал его на низком уровне, поэтому заряжал несколько аккумуляторов nimh, и он очень точный, 0-1A это было 1: 1 с моим настольным амперметром, но после того, как он превысил 1A, он начал немного дрейфовать, отображалось 1,5A как 1530 мА, 2 А было 2011 мА… так что он имеет приличную точность и на нижних частотах, я доволен.
— Это означает ошибку 2% и 0,5%, и мы используем резистор выборки 1R 1%, это будет стоить этой ошибки.
2. ток устанавливается через потенциометр, а не через программное обеспечение. Я еще не проверял схему, но предварительная проверка платы показывает, что горшок идет напрямую на lm335, поэтому он не управляет микроконтроллером, поэтому микроконтроллер только измеряет материал, а не контролирует ничего.Этот горшок хорош, однооборотный, поэтому 0-3A на однооборотном горшке означает, что вы его касаетесь, и он перескакивает на 5 мА в ту или иную сторону. Имхо было бы просто использовать какой-нибудь многооборотный горшок.
— Да, поэтому изменяемое значение является непрерывным. Мы не можем найти мультиэлементный горшок, который подошел бы для этой платы — размер, площадь основания, любые предложения приветствуются 🙂
3. терминалы — они мне нравятся
— Установка заняла много времени, но мы очень рады, что он вам понравился
4.Я пропустил руководство, я загрузил схему и прошивку, но не руководство…. вероятно скоро будет доступно
— Руководство скоро выйдет, сейчас мы делаем руководство по OverLoad и DDS.
5. Функция амперметра — когда я закорачиваю клеммы — он показывает 300 мА, когда я протягиваю 100 мА, он показывает 430 мА, так что … это неточно на нижнем конце .. не знаю, как он ведет себя на верхнем конце и каков предел ( жду мануал)
— Вы можете откалибровать амперметр в прошивке, мы не выполняли этот шаг для этой перегрузки, но теперь мы делаем калибровку перед отправкой всех плат.Как откалибровать текущее значение: в прошивке вы можете увидеть функцию вычисления примерно в строке 251: DispilayValue = (int) ((CalValue-1480) * 9.2857) , вы можете изменить значение 1480, чтобы откалибровать начальное значение.
6. функция вольтметра — 0-5 В очень точная, не знаю, может ли он измерять более 5 В (ждем ручного)
— Он может измерять 0-30 В
8. энкодер — приятно
— Этот же кодировщик будет использоваться в нашем генераторе сигналов DDS и LC-метре
9.дисплей — проблемы с контрастностью — могут быть связаны с прошивкой, если вы говорите о том, что контраст слишком низкий, некоторые позиции также имеют слишком низкий контраст, и я думаю, что подсветка может быть слишком яркой время от времени
— мы попробуем модифицировать библиотеку дисплея, чтобы исправить это
10. прошивка ..
— проблема контрастности дисплея является наиболее заметной проблемой.
— Нет нагрузки постоянного напряжения, только постоянный ток. Вопрос в том, возможно ли вообще, что вы устанавливаете ток нагрузки с потенциометром непосредственно на операционном усилителе, не уверен, есть ли на плате ЦАП вообще
— Нет NF-фильтра для отображения (в любом режиме), поэтому числа меняются слишком быстро
11.доска / дизайн
— качество сборки — отличное
— радиатор на плате ориентирован таким образом, что воздух проходит через разъемы, если повернуть радиатор на 90 градусов, можно протолкнуть воздушный желоб силового резистора и его тоже охладить. Это важно, поскольку чем круче резистор, тем точнее будут измерения.
— когда мы получили радиатор, мы обнаружили эту проблему, поэтому мы добавили в него прорезь для охлаждения резистора. Да, вы совершенно правы, если мы можем повернуть его на 90 градусов, это принесет лучший охлаждающий эффект для резистора выборки, а затем, возможно, более небольшую ошибку:)
В целом, интересный аппарат.Единственный серьезный недостаток, который я вижу в attn, заключается в том, что вместо использования ЦАП и передачи текущего значения через микроконтроллер они используют этот аналог … Я проверю схему, чтобы увидеть, есть ли вообще ЦАП на плате, но если нет, я вижу, что есть i2c на разъеме, может быть, было бы проще добавить туда ЦАП и ссылку вместо горшка .. Я не использовал i2c dac в основном spi, но я предполагаю, что есть и несколько хороших версий i2c
— Сообщите нам, сделали ли вы этот взлом 🙂 Мы также закупаем некоторые ЦАПы IIC, и мы будем использовать их в каком-нибудь другом проекте.
Теги: Инструмент, Предварительный просмотрбесплатных электронных схем и 8085 проектов »Архив блога Производство электронных фиктивных нагрузок
Эта фиктивная нагрузка для создания электронной альтернативы традиционным коробкам сопротивления нагрузки, реостату с скользящей проволокой и т. Д., В частности, может устанавливать постоянный ток или постоянное напряжение, подаваемое на традиционную линию скольжения, поле не может быть разрешено реостатом. Для генераторов, преобразователей переменного / постоянного тока, постоянного / постоянного тока, источников бесперебойного питания (ИБП), батарей, батарей, трансформаторов, зарядных устройств и других проверяемых выходных характеристик.Оставьте максимальную мощность нагрузки 600 Вт, оставьте сопротивление нагрузки можно регулировать в диапазоне 30 мОм ~ 14,352 кОм.
Во-первых, основная идея
Электронные устройства питания с ложной нагрузкой, обычно используемые в малой мощности, необходимой для управления полевым транзистором и IGBT, и выбор должен быть больше, чем запас мощности полной нагрузки, чтобы избежать использования сжигания; e-load много тепла, выделяемого при работе, необходимо установить радиатор, а силовые устройства и тепловое сопротивление радиатора должны быть как можно меньшими, между необходимыми охлаждающими вентиляторами можно установить; Силовые устройства с электронной нагрузкой склонны к паразитным автоколебаниям, когда колебания не только полностью изменяются в рабочем состоянии, но и сгорают силовые устройства.Таким образом, антипаразитные автоколебания являются очень важным и успешным фактором определения электронной фиктивной нагрузки. Эта продукция генерирует опорное напряжение для трех операционных усилителей, соответственно, через постоянное напряжение, постоянный ток для достижения основных функций электронной нагрузки фиктивной. Общая блок-схема показана на рисунке 1.
Схема, показанная на рисунке 2, основная схема для добавления и два счетчика 5, нанесенные пунктирной линией вне части схемы постоянным давлением, цепь постоянного тока, схема защиты от перегрузки по току, схема драйвера.V = 1 входного напряжение, после того, как ограничение тока резистора R1 к трехтерминальному регулируемому опорному шунту U1 (TL431) катод K, R, полученный с помощью ссылки на сторону выходного напряжения VR является 2.5V, регулируется путем скольжения реостата резистора R1, чтобы R6, полностью через резистор R2, чтобы обеспечить напряжение для U3A, резистор R7 к U3C другой путь для обеспечения напряжения.
(Щелкните, чтобы просмотреть исходное изображение)
1. Цепь постоянного напряжения
1 пунктирная рамка, показанная на Рисунке 2. При увеличении входного напряжения нагрузки увеличивается входное напряжение фазы U3A.Когда входное напряжение фазы больше, чем напряжение на инвертирующем входе (опорное напряжение), выход высокой U3A, полевой транзистор Q1, Q2, Q3, Q4 напряжения на затворе VG G, чтобы генерировать падение напряжения, в результате чего VDS напряжение стока D и источника между S уменьшается , чтобы достичь цели постоянного давления.
2. Цепь постоянного тока
2 пунктирной рамки, показанной на рисунке 2. Когда ток нагрузки увеличивается, R19, R22, R25, R28 напряжение увеличивается. R18, R21, R24, R27 на напряжении выборки увеличивается, то есть U3C инвертирующее входное напряжение увеличивается, когда U3C инвертирующее входное напряжение больше, чем входное напряжение той же фазы, выход U3C низкий, полевая трубка Q1, Q2, Q3 , Напряжение VG затвора G Q4 уменьшается, внутреннее сопротивление Q1, Q2, Q3, Q4 RDS увеличивается, ток нагрузки уменьшается, чтобы достичь цели постоянного тока.
3. Схема защиты от перегрузки по току
3 пунктирной рамки показаны на рисунке 2. Когда ток нагрузки увеличивается, R19, R22, R25, R28 напряжение увеличивается, R18, R21, R24, R27 на образце напряжения увеличивается, U3B инвертирует входное напряжение. увеличивается, но ток продолжает увеличиваться. Когда инвертирования напряжения на клеммах больше, чем ток заданной максимальной токовой защиты опорного напряжения (фаза состава входного напряжения), U3B выход низкой, полевой транзистор Q1, Q2, Q3, Q4 G напряжение затвора VG уменьшается Q1, Q2, Q3, Q4 из внутреннего сопротивление RDS увеличивается, ток нагрузки уменьшается и, таким образом, играет роль в защите от сверхтоков.
4. Драйвер
4 пунктирной рамки, показанной на рисунке 2. Q1, Q2, Q3, Q4 Полевой транзистор IRF540, используемый в качестве силового устройства, но многотрубный параллельный, из-за чрезвычайно распределенной емкости между емкостью и соответствующего увеличения ухудшение высокочастотных характеристик усилителя, легко приводит к усилителю через обратную связь высокочастотных паразитных колебаний. Для этого в параллельных композитных трубах обычно не более 4-х, а в каждой трубке на базе или затворном резисторе последовательно идут антипаразитные колебания.R17, R20, R23, R26 для сопротивления драйвера, R18, R21, R24, R27 для резистора напряжения выборки, R19, R22, R25, R28 — резистор ограничения тока. C9 IRF540 MOSFET сток окончания, другой конец для защиты от ударов.
В-третьих, проверка цепи
E-load будет выполнена после производственных испытаний, схема подключения испытательной цепи показана на рисунке 2. 5 пунктирных линий и два сечения метров. 1 измеритель выходного напряжения мощности, измеритель мощности 2 выходной ток измерения, два скользящих переменного сопротивления играют на 50%.Переключатель J1 SPDT в терминале при игре в режиме постоянного напряжения, выбранное выходное напряжение источника питания, измеренное при 12,501 В, показывает, что электронная нагрузка имеет постоянную функцию. Переключатель J1 SPDT при игре в 2-стороннем режиме, в качестве режима постоянного тока, выбранный выходной ток для поддержания измеренной мощности на уровне 19,993 А, показывает, что электронные фиктивные нагрузки имеют функцию постоянного тока. Режим постоянного тока можно использовать для проверки источника напряжения питания и регулирования нагрузки. Скользящий переменный резистор R6 для изменения положения линии откачки может изменять заданные значения постоянного напряжения и тока.Защита от перегрузки по току может быть предустановлена токовым ползунком для изменения переменного резистора R14.
5 часть в пунктирной диаграмме измерения указаны источник питания (другая мощность также может использоваться в качестве измерительной мощности), V ∞ — напряжение 15 В переменного тока, выпрямленный мостовой выпрямитель D1, D2, D3, D4, полученный конденсатором фильтра постоянного тока напряжения, а затем трехконтактным стабилизатором U2 (ML7812), чтобы обеспечить стабильное напряжение +12 В постоянного тока.
Zhiyu ZBP30A1 Электронный манекен
Электронная нагрузка постоянного тока 60 Вт
Вот полезный инструмент для проверки блоков питания и батарей, фиктивная нагрузка.Это устройство рассчитано на мощность до 60 Вт при напряжении от 1 В до 25 В, токе от 200 мА до 9,99 А.
Для этого устройства требуется источник питания 12 В постоянного тока, отдельный от самой нагрузки, для питания логической схемы.
Секция микроконтроллера
Как и многие из этих модулей, мозгом операции является микроконтроллер STM8. Слева есть заголовок с некоторыми контактами связи, контакт T передает напряжение, когда устройство работает, вместе с состоянием через RS232 115200 8N1. Этот последовательный сигнал присутствует только в режиме нагрузки постоянного тока, в режиме тестирования батареи вывод разряжается.4 контакта под кристаллом часов являются контактами программирования для STM8.
Последовательная связь
Вентилятор охлаждения
Основной радиатор охлаждается вентилятором, скорость вращения ШИМ регулируется микроконтроллером в зависимости от температуры.
Основной полевой МОП-транзистор
MOSFET с основной нагрузкой — IRFP150N от Infineon. Это устройство рассчитано на 100 В, 42 А, с максимальной рассеиваемой мощностью 160 Вт. Справа — двойной диод для защиты от обратной полярности, он включен последовательно с MOSFET.Слева находится термистор для управления скоростью вентилятора.
Клеммы нагрузки
Нагрузка обычно подключается через клеммную колодку с подъемными зажимами. В этом случае я заменил его коннектором XT60, так как все держатели моих батарей оснащены им. Это также устраняет контактное сопротивление большего количества соединений для переходного кабеля. Небольшой разъем JST Xh3 слева предназначен для дистанционного измерения напряжения. Используется для 4-проводных измерений.
Функция 1 — нагрузка постоянного тока
При включении устройства при нажатой кнопке RUN вы попадаете в меню для выбора режимов работы.Функция 1 — это простая нагрузка постоянного тока.
Функция 2 — Режим емкости аккумулятора
Для выбора опции используется поворотный энкодер. Функция 2 — это режим проверки емкости аккумулятора.
Режим звукового сигнала
После выбора режима появляется опция включения или выключения звукового сигнала.
Набор ампер
В режиме ожидания можно установить пороговое напряжение и ток нагрузки. Здесь горит светодиод Amps, поэтому можно настроить ток нагрузки. Пара светодиодов между дисплеями показывает, какая цифра будет изменена.Нажатие кнопки энкодера позволяет переключаться между опциями.
Набор вольт
Если горит светодиод Volts, можно изменить пороговое напряжение.
В режиме нагрузки постоянного тока (Fun1) устройство будет помещать фиксированную нагрузку на источник питания до тех пор, пока он не будет остановлен вручную. Настройка напряжения в этом режиме — аварийный сигнал низкого напряжения. Сила тока может быть изменена во время работы нагрузки.
В режиме тестирования разряда батареи (Fun2) установленное напряжение является напряжением отключения — разряд прекратится, когда оно будет достигнуто.Как и в режиме нагрузки постоянного тока, ток можно изменять во время работы нагрузки. После того, как аккумулятор полностью разрядится, в верхнем 7-сегменте будет отображаться емкость в Ач и Втч. Эти результаты можно выбрать с помощью кодировщика.
Ниже приведены таблицы со всеми вариантами устройства, а также кодами ошибок, которые я смог расшифровать из информации на китайском языке, доступной в различных местах в Интернете. (Если кто-то знает лучше, дайте мне знать!).
| Опция | Функция |
|---|---|
| Fun1 | Базовая нагрузка постоянного тока |
| Fun 2 | Тест емкости аккумулятора |
| BeOn | Beeper On |
| BeOf | Звуковой сигнал выключен |
| Код ошибки | Значение | |||
|---|---|---|---|---|
| Err1 | Перенапряжение на входе | |||
| Err2 | Низкое напряжение батареи / батарея отсутствует / обратная полярность | |||
| Err3 | Слишком высокое ESR батареи / Невозможно поддерживать выбранный ток разряда | |||
| Err4 | Общий отказ | |||
| Err6 | Напряжение источника питания слишком низкое / слишком высокое.Минимум 12В 0,5А. | |||
| ОТП | Защита от перегрева | |||
| Ert | Отказ датчика температуры / слишком низкая температура | |||
| ouP | Защита от перенапряжения источника питания | |||
| oPP | Защита питания нагрузки |


