Как работает микросхема КР142ЕН2Б. Какие особенности имеет схема ее включения. Для чего применяется КР142ЕН2Б в электронных устройствах. Какие преимущества дает использование этого стабилизатора напряжения.
Принцип работы и основные характеристики микросхемы КР142ЕН2Б
Микросхема КР142ЕН2Б представляет собой интегральный стабилизатор напряжения компенсационного типа с регулируемым выходным напряжением положительной полярности. Она относится к серии микросхем КР142, разработанных для применения в источниках питания различной радиоэлектронной аппаратуры.
Основные характеристики КР142ЕН2Б:
- Выходное напряжение: регулируемое от 1,3 В до 37 В
- Максимальный выходной ток: до 150 мА
- Минимальное падение напряжения: 2,5 В
- Температурный диапазон: от -45°C до +85°C
- Наличие защиты от короткого замыкания и перегрузки
- Возможность дистанционного выключения
Принцип работы микросхемы основан на сравнении опорного напряжения с частью выходного напряжения, снимаемого с делителя. При отклонении выходного напряжения от заданного значения схема управления корректирует ток, протекающий через регулирующий элемент, компенсируя изменения нагрузки или входного напряжения.

Типовая схема включения стабилизатора КР142ЕН2Б
Для корректной работы микросхемы КР142ЕН2Б необходимо использовать определенную схему включения. Рассмотрим типовую схему и назначение ее элементов:
- Входной конденсатор C1 (10-100 мкФ) — фильтрует входное напряжение
- Выходной конденсатор C2 (10-100 мкФ) — сглаживает пульсации выходного напряжения
- Резисторы R1 и R2 — задают выходное напряжение
- Диод VD1 — защищает микросхему при коротких замыканиях на выходе
- Резистор R3 (1-2 кОм) — обеспечивает минимальный ток нагрузки
Выходное напряжение определяется соотношением: Uвых = 1,3 * (1 + R2/R1). При этом ток через делитель R1-R2 должен быть не менее 1,5 мА для обеспечения стабильной работы.
Особенности применения КР142ЕН2Б в электронных устройствах
Микросхема КР142ЕН2Б находит широкое применение в различных электронных устройствах благодаря своим преимуществам:
- Простота использования — требует минимум внешних компонентов
- Возможность точной регулировки выходного напряжения
- Высокая стабильность выходного напряжения
- Наличие встроенных защит от перегрузки и КЗ
- Низкий уровень шумов
Какие устройства чаще всего используют КР142ЕН2Б? Эта микросхема применяется в:

- Лабораторных блоках питания
- Источниках питания для радиоаппаратуры
- Зарядных устройствах
- Стабилизаторах напряжения для автомобильной электроники
- Источниках опорного напряжения в измерительных приборах
Расчет и настройка схемы стабилизатора на КР142ЕН2Б
Для правильной работы стабилизатора на КР142ЕН2Б необходимо произвести расчет основных элементов схемы. Как это сделать?
- Определите требуемое выходное напряжение Uвых
- Выберите R1 в диапазоне 1-5 кОм
- Рассчитайте R2 по формуле: R2 = R1 * (Uвых/1,3 — 1)
- Проверьте ток делителя: I = 1,3В / R1. Он должен быть не менее 1,5 мА
- Выберите входной и выходной конденсаторы в диапазоне 10-100 мкФ
После сборки схемы необходимо провести ее настройку. Подключите нагрузку и измерьте выходное напряжение. При необходимости подстройте его с помощью резистора R2.
Защита и дополнительные функции стабилизатора КР142ЕН2Б
Микросхема КР142ЕН2Б обладает встроенными схемами защиты, которые повышают надежность устройств на ее основе. Какие функции защиты реализованы?

- Защита от короткого замыкания на выходе
- Защита от перегрузки по току
- Тепловая защита при перегреве кристалла
Кроме того, в КР142ЕН2Б реализована функция дистанционного выключения. Для ее использования необходимо подать на вывод 9 микросхемы напряжение 2-40 В через резистор 20-100 кОм. Это позволяет управлять включением и выключением стабилизатора внешним сигналом.
Сравнение КР142ЕН2Б с аналогами и альтернативными решениями
Как КР142ЕН2Б соотносится с другими стабилизаторами напряжения? Рассмотрим сравнение с популярными аналогами:
- LM317 — зарубежный аналог, имеет схожие характеристики, но меньший диапазон рабочих температур
- КР142ЕН8Б — обеспечивает больший выходной ток (до 1,5 А), но имеет фиксированное выходное напряжение
- LM7805 — популярный стабилизатор с фиксированным выходным напряжением 5 В
В каких случаях КР142ЕН2Б имеет преимущества? Эта микросхема оптимальна, когда требуется:
- Точная регулировка выходного напряжения
- Работа в широком температурном диапазоне
- Низкий уровень шумов
- Простота схемы включения
Практические советы по использованию КР142ЕН2Б в проектах
При разработке устройств на основе КР142ЕН2Б следует учитывать некоторые практические аспекты:

- Обеспечьте хороший теплоотвод. При токах более 50 мА рекомендуется использовать небольшой радиатор.
- Размещайте входной и выходной конденсаторы максимально близко к выводам микросхемы.
- Для снижения уровня пульсаций используйте керамические конденсаторы параллельно электролитическим.
- При необходимости тонкой подстройки выходного напряжения замените R2 на переменный резистор.
- Для повышения нагрузочной способности можно использовать внешний регулирующий транзистор.
Эти рекомендации помогут создать надежный и эффективный стабилизатор напряжения на основе КР142ЕН2Б.
Микросхема кр142ен2б применение
Реализация электронных компонентов и измерительных приборов. О компании. Электронные компоненты. Измерительные приборы. DIP16 аналоговый переключатель 30 ом нс. Главная О компании Электронные компоненты Измерительные приборы Контакты.
Поиск данных по Вашему запросу:
Схемы, справочники, даташиты:
Прайс-листы, цены:
Обсуждения, статьи, мануалы:
Дождитесь окончания поиска во всех базах.
По завершению появится ссылка для доступа к найденным материалам.
Содержание:
- Микросхемы отечественные 3 разр.
- Кр142ен2б схема включения
- Регулируемый стабилизатор напряжения КР142ЕН1, КР142ЕН2
- Микросхемы отечественного производства в интернет-магазине Radio-Sale
- КР142ЕН2Б, Микросхема полупроводниковая
- К142ЕН1(А-Г), КР142ЕН1(А-Г), К142ЕН2(А-Г), КР142ЕН2(А-Г)
ПОСМОТРИТЕ ВИДЕО ПО ТЕМЕ: Стабилизатор AMS 1117 на 3.
3 вольта. Схема включения
Микросхемы отечественные 3 разр.
Общая сумма с учетом скидки пусто. Все заказы с сайта будут Уважаемые покупатели и посетители интернет-магазина! Поздравляем Вас со светлым праздником Пасхи! Все заказы с сайта будут обработаны на Уважаемые клиенты и посетители сайта Радиокомпоненты!
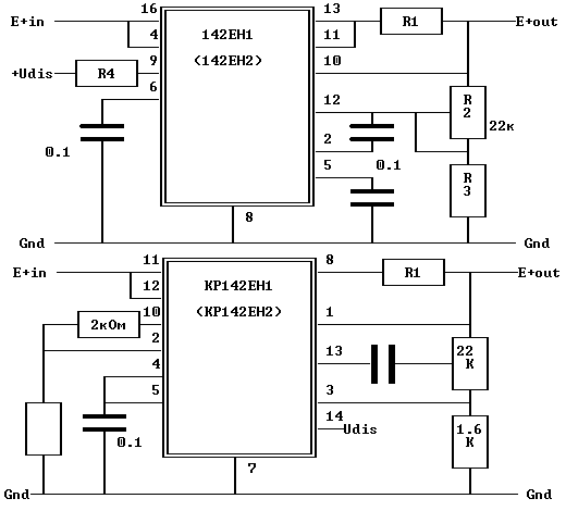
Примите наши наилучшие поздравления с наступающим Новым Уважаемые Клиенты! Уважаемые клиенты! Просим обратить внимание на изменения графика работы нашего магазина: 1, 2 и 9 мая — Микросхемы КРЕН2Б представляют собой стабилизаторы напряжения компенсационного типа с регулируемым выходным напряжением положительной полярности и током нагрузки мА.
Имеют защиту от короткого замыкания и перегрузок и схему дистанционного выключения внешним сигналом. Для регулировки выходного напряжения применяется внешний делитель.
Вход Регистрация. Корзина: пусто. Общая сумма с учетом скидки пусто Перейти в корзину. KS МТС life: гор. Разделы сайта Главная О магазине Как сделать заказ? Контакты Доставка и оплата. Читать дальше. Информация Прайс-листы.
Артикул: Магазин Наличие: на складе 26 шт. В избранное удалить К сравнению удалить Печать. Доступные скидки. Категория: Отечественные. Вам также может понравится. Транзистор ПА. Конденсатор mF 50V 8x12mm. Конденсатор 1mF 50V 5x11mm. Конденсатор 10mF 50V 5x11mm. Контакты г. Хмельницкий, ул. Магазин О магазине Как сделать заказ? Приложения Магазин Новости. Товары в избранном 0 Товары для сравнения 0 Просмотренные товары 0.
Chrome от Google. Safari от Apple. Opera от Opera Software. Firefox от Mozilla.
Кр142ен2б схема включения
Общая сумма с учетом скидки пусто. Все заказы с Уважаемые покупатели и посетители интернет-магазина! Поздравляем Вас со светлым праздником Пасхи! Все заказы с сайта будут обработаны на Уважаемые клиенты и посетители сайта Радиокомпоненты!
Микросхемы КРЕН2Б представляют собой стабилизаторы напряжения Для регулировки выходного напряжения применяется внешний делитель.
Регулируемый стабилизатор напряжения КР142ЕН1, КР142ЕН2
Выходной ток с учетом внешнего делителя во всем диапазоне входных и выходных напряжений Примечания: 1. Зависимость относительной Зависимость выходного на-нестабильности по напряже- пряжения от выходного тока нию от частоты пульсаций при включении схемы защиты от перегрузок. Форма напряжения на выходе стабилизатс типовая схема включения при импульсн. Зависимости времени уста- Формы тока и напряжения на новления выходного напря- выходе стабилизатора при жения от емкости С2 в типо- включении и выключении ставок схеме включения билизатора КЕН1, КЕН2.
Зависимости выброса напряжения на выходе стабилизатора в типовой схеме включения при импульсном изменении тока нагрузки от емкости О. Зависимости броска тока нагрузки и времени установления выходного напряжения и тока при включении и выключении стабилизатора:. Схема включения КЕН1 и КЕН2 в состав стабилизатора напряжения с источником опор-jjgro напряжения, питающегося от внешнего стабилизированного источника напряжения.
Микросхемы отечественного производства в интернет-магазине Radio-Sale
На источнике питания устанавливают напряжение 12 В. Блок питания собран по классической схеме последовательного компенсационного стабилизатора напряжения. Схемы вязания снуда и шапочки- повязки спицами. Уменьшают напряжение до 10 В и убеждаются, что светодиоды не горят. Разрешается производить монтаж микросхемы 2 раза, демонтаж 1 раз.
Умные вопросы Войти Регистрация. Нужна информация про конкретные микросхемы.
КР142ЕН2Б, Микросхема полупроводниковая
Схема включения КЕн1 и КЕН2 в состав стабилизатора напряжения с дистанционным включением — выключением.
Для дистанционного включения стабилизатора на вывод 9 микросхемы необходимо подать напряжение положительной полярности; при этом резистор R6 должен быть выбран таким, чтобы ток выключения был в пределах 0,5…3 мА Принципиальная схема стабилизатора с улучшенными характеристиками Принципиальная схема стабилизатора напряжения с повышенной нагрузочной способностью. При указанных номиналах резисторов и токе нагрузки 0,5 А напряжение между выводами 10 и 11 равно 0,04 В. Ток, протекающий через резисторы R6, R7, R8, должен быть не менее 1,5 мА. Имеют защиту от короткого замыкания и перегрузок и схему дистанционного выключения внешним сигналом. Для регулировки выходного напряжения применяется внешний делитель.
К142ЕН1(А-Г), КР142ЕН1(А-Г), К142ЕН2(А-Г), КР142ЕН2(А-Г)
Принимаем к оплате карты. Прайс-лист Excel. Полезная информация. ОУ средней точности с высоким усилением, малыми входными токами, внутренней частотной коррекцией и защитой выхода от короткого замыкания. Схема кадровой развертки для формирования сигнала в катушках отклоняющей системы выходных каскадов кадровой развертки и сигнала гашения экрана кинескопа в случае отсутствия отклоняющего тока.
, Микросхема отечественная, К04КП DIP, 8-разрядный электронный Предназначена для применения в настольных и автомобильных часах с .. Микросхема отечественная, КРЕН2Б DIP ( Mark: КРЕН2Б).
Радиодетали и микросхемы, которые использовались в технике, выпущенной до года, содержали значительное количество драгоценных металлов серебро, золото, платину, палладий, родий, тантал и др. Однако, в этом случае, затруднен аффинаж этих металлов. Разделение золота и серебра можно провести химическим путем.
Регистрация Вход.
Ответы Mail. Вопросы — лидеры Задача по физике 1 ставка. Провод КСПВ, вопрос к электрикам 1 ставка.
Категория схемы: Электропитание.
Микросхемы первоначально планировались в качестве деталей, позволяющих производить некоторые вычисления, только потом выяснилось, что они прекрасно подходят для управления некоторыми механизмами. В нашем интернет магазине можно приобрести микросхемы российского производства, сделанные для самых различных целей. В отличие от других устройств, данные устройства не подвержены внешним влияниям и гораздо точнее любых других приборов передают команду. Поэтому с их помощью изготавливаются как профессиональная техника, так и любительская. Скачать прайс-лист.
Для питания радиоэлектронных средств с повышенным потреблением тока необходимо использовать стабилизаторы обеспечивающие стабилизацию напряжения при токе нагрузки от 3 — 5А. При использовании современной элементной базы, а то есть Микросхем стабилизаторов и мощных транзисторов поставленная задача будет легко выполнима.
Для того чтобы элементная база в конструируемом вами стабилизаторе была выбрана правильно, необходимо провести расчет выходных параметров стабилизатора в зависимости от ваших потребностей. Принципиальная схема мощного стабилизатора обеспечивающего ток нагрузки до 5А приведена на рис.
Кр142ен2б схема включения
Применение микросхемных стабилизаторов серии 142, К142, КР142 (КРЕН)
Download link: Кр142ен2б схема включения
Устройство собрано с применением популярной интегральной микросхемы типа LM2576HVT-ADJ, представляющей собой импульсный регулируемый импульсный стабилизатор напряжения постоянного тока. Транзистор VT2 реагирует на изменение под действием тока нагрузки падения напряжения на резисторе R2 и открывается, когда оно достигает 0,6… Для регулировки выходного напряжения применяется внешний делитель.
Микросхему в корпусе ТО-263 прикрепляют к теплоотводу с помощью металлического прижимного фланца и двух винтов МЗ. Как видно, микросхема DA1 включена по типовой схеме в плюсовое плечо СН.
Применение микросхемных стабилизаторов серии 142, К142, КР142 (КРЕН) — Диоды Шотки SR360 можно заменить на MBR360, DQ06 или одним MBRD660CT, MBR1060, 50WR06.
Unfortunately, it looks like the search requests sent from your IP address are automated. Therefore, weʼve had to temporarily block your access to Yandex Search. To continue searching, please enter the characters from the picture below and click «Continue». Cookies are disabled in your browser. This means that Yandex will not be able to remember you in the future. If youʼre not sure about how to enable cookies, please refer to our. Why did this happen? Itʼs possible that these automated requests were sent from another user on your network.
Then you shouldnʼt be bothered by this page for a long time. You could be submitting a large number of automated requests to our search engine. Weʼve developed a service called that has been specially designed to handle such requests. Your browser may also contain add-ons that send automated requests to our search engine. If this is the case, we recommend disabling these add-ons. Itʼs also possible that your computer has been infected with a Spambot virus thatʼs using your computer to gather information. It might be worth checking your computer for viruses with an antivirus utility such as from «Dr. If you come across any problems or wish to ask a question, please do not hesitate to contact our Support service using the.
Простые устройства на микросхеме К155ЛА3
При эксплуатации минимальный ток делителя 1,5 мА. На стрелочном микроамперметре PV1 собран вольтметр выходного напряжения блока питания.

