Как правильно протестировать тиристор КУ202Н. Какие приборы и схемы использовать для проверки. На что обратить внимание при диагностике тиристора. Как интерпретировать результаты измерений.
Особенности и принцип работы тиристора КУ202Н
Тиристор КУ202Н представляет собой полупроводниковый прибор с p-n-p-n структурой, выполняющий роль управляемого ключа в силовых электрических цепях. Его основные особенности:
- Способность коммутировать большие токи (до 10 А)
- Управление слаботочным сигналом
- Напряжение до 400 В
- Наличие эффекта защелкивания — тиристор остается открытым после снятия управляющего сигнала
Принцип работы КУ202Н основан на переключении между высокоомным (закрытым) и низкоомным (открытым) состояниями под воздействием управляющего тока. Это позволяет управлять мощной нагрузкой с помощью слабого сигнала.
Необходимые приборы и инструменты для проверки
Для полноценного тестирования тиристора КУ202Н потребуются:

- Мультиметр
- Источник постоянного напряжения 6-12 В
- Лампа накаливания на соответствующее напряжение
- Резистор 100-1000 Ом
- Соединительные провода
Дополнительно может понадобиться паяльник для выпаивания тиристора из платы. Рекомендуется использовать цифровой мультиметр с функцией «прозвонки» для более точных измерений.
Пошаговая инструкция по проверке тиристора КУ202Н мультиметром
Проверка тиристора КУ202Н мультиметром включает следующие этапы:
- Переключите мультиметр в режим измерения сопротивления (диапазон 2-20 кОм).
- Подключите щупы к аноду и катоду тиристора. Сопротивление должно стремиться к бесконечности.
- Замкните перемычкой анод и управляющий электрод. Сопротивление должно резко упасть.
- Уберите перемычку. Сопротивление снова должно стать бесконечным.
- Повторите проверку, замыкая управляющий электрод на катод.
При исправном тиристоре сопротивление будет меняться от бесконечности до низких значений при подаче управляющего сигнала. Если сопротивление постоянно низкое или высокое, тиристор неисправен.

Метод проверки тиристора КУ202Н с помощью лампы
Данный метод позволяет наглядно убедиться в работоспособности тиристора:
- Подключите лампу последовательно с тиристором к источнику питания.
- Подайте управляющий импульс на тиристор (замкните УЭ на анод).
- Лампа должна загореться и продолжать гореть после снятия импульса.
- Для выключения разомкните цепь питания.
Если лампа не загорается или гаснет сразу после снятия управляющего сигнала, тиристор неисправен. Этот метод демонстрирует эффект защелкивания тиристора.
Измерение основных параметров тиристора КУ202Н
Для полной диагностики важно измерить ключевые параметры тиристора:
- Отпирающее напряжение управления (Uy) — 0,5-2 В
- Максимальное обратное напряжение (Uобр max) — до 400 В
- Средний рабочий ток (Iос ср) — до 10 А
- Ток удержания — 15-150 мА
Измерение этих параметров требует специальных приборов и методик. Для оценки работоспособности обычно достаточно базовой проверки мультиметром и лампой.
Проверка тиристора КУ202Н в схеме без выпаивания
Тестирование тиристора непосредственно в устройстве возможно, но имеет ограничения:

- Отключите питание схемы.
- Отсоедините управляющий электрод тиристора.
- Измерьте сопротивление между анодом и катодом.
- Подайте сигнал на управляющий электрод и повторите измерение.
Однако, точность такой проверки ниже из-за влияния других элементов схемы. Для полноценной диагностики рекомендуется выпаивание тиристора.
Частые неисправности тиристора КУ202Н и их признаки
Основные проблемы, возникающие с тиристорами КУ202Н:
- Пробой — постоянно низкое сопротивление между анодом и катодом
- Обрыв — бесконечное сопротивление во всех режимах
- Потеря управляемости — тиристор не открывается при подаче сигнала
- Самопроизвольное открывание — работает без управляющего сигнала
При обнаружении любого из этих признаков тиристор подлежит замене. Ремонт таких приборов обычно невозможен.
Интерпретация результатов проверки тиристора КУ202Н
Как правильно оценить полученные при тестировании данные:
- Исправный тиристор имеет высокое сопротивление в закрытом состоянии и низкое в открытом
- Сопротивление должно меняться при подаче и снятии управляющего сигнала
- Тиристор должен оставаться открытым после снятия управляющего импульса при наличии тока нагрузки
- Отсутствие изменений сопротивления или постоянно низкое/высокое сопротивление указывает на неисправность
При сомнениях рекомендуется сравнить показания с заведомо исправным тиристором аналогичного типа.

Как проверить тиристор мультиметром на примере прозвона ку202н
Тиристор – это полупроводниковый прибор p-n-p-n структуры, который играет роль ключа в цепях с большими токами, при этом управление им осуществляется слаботочным сигналом. Применяется для включения силовых электроприводов, систем возбуждения генераторов. Коммутируемые токи доходят до 10 кА.
Особенность тиристоров заключается в том, что при подаче управляющего сигнала, они открываются и остаются в этом состоянии, даже если сигнал в последующем будет снят. Единственное требование – протекающий через них ток должен превышать определенное значение, который называется током удержания.
Одни тиристоры пропускают ток только в одну сторону. Это динисторы, срабатывающие от превышения значимого напряжения. Есть также тринисторы, управляемые подачей тока на третий вывод прибора.
Тиристоры пропускающие ток в обе стороны называются симисторы или триаки. Кроме этого, бывают фототиристоры управляемые светом.
Основные характеристики
Для проверки тринистора необходимо знать и понимать, что скрывается за основными параметрами и для чего их нужно измерять.
Отпирающее напряжение управления Uy – это постоянный потенциал на управляющем электроде, вызывающий открывание тиристора.
Uобр max – это максимальное обратное напряжение, при котором тиристор еще находится в рабочем состоянии.
Iос ср – это среднее значение протекающего через тиристор тока в прямом направлении с сохранением его работоспособности.
Определение управляющего напряжения
Теперь можно приступать к тестированию тринистора. Для этого возьмем КУ202Н с рабочим током 10 А и напряжением 400 В.
У большинства радиолюбителей имеется мультиметр и неизбежно возникает вопрос, как проверить тиристор мультиметром, возможно ли это и, что дополнительно может понадобиться. Последовательность действий такая:
для начала переключаем мультиметр в положение измерения сопротивления с диапазоном 2 кОм. В этом режиме на измерительных щупах будет присутствовать напряжение внутреннего источника питания тестера;
- подключаем щупы к аноду и катоду тринистора. Мультиметр должен показывать сопротивление близкое к бесконечности;
- перемычкой замыкаем анод и управляющий электрод. Сопротивление должно упасть, тринистор открылся;
- убираем перемычку, прибор опять показывает бесконечность. Это произошло из-за того, что удерживающий ток слишком мал.
Так как тиристор управляется как отрицательными, так и положительными сигналами, то его можно открыть, подключая перемычкой управляющий электрод к катоду.
Мультиметр должен находиться в режиме омметра, и щупы подсоединены к аноду и катоду. Так можно определить, каким напряжением управляется тиристор.
Проверка исправности
Второй вариант тестирования заключается в следующем. К блоку питания постоянного тока через тринистор подключается лампа на это же напряжение.
К аноду и катоду подключается мультиметр в режиме измерения постоянного напряжения. Диапазон измерения должен превышать напряжение источника.
Затем на управляющий электрод с помощью батарейки любого номинала и пары проводов подается управляющее напряжение. Тринистор должен открыться, лампочка загореться.
Тестер сначала показывает напряжение источника питания, после воздействия маленького значения, которое соответствует падению потенциалов на тиристоре в открытом состоянии.
После этого можно снять управляющее воздействие, лампа продолжит гореть, так как протекающий через прибор ток больше тока удержания.
Проверка динистора
Для определения работоспособности динистора может потребоваться источник питания с напряжением, превышающим напряжение включения динистора.
Для ограничения тока потребуется резистор на 100-1000 Ом. Теперь можно подключать плюс источника к аноду, а катод к одному из выводов ограничивающего резистора.
Второй конец сопротивления подключается к минусу источника питания. До этого необходимо мультиметр в режиме измерения постоянного напряжения подключить к аноду и катоду.
Значения тестера должны лежать в пределах милливольт. Динистор открылся.
Необычный способ
Есть еще один вариант проверки тиристора мультиметром, без прозвона. Но в этом случае прибор должен быть маломощным, с малым током удержания.
Для проверки используется разъем проверки транзисторов. Обычно он располагается ниже переключателя и представляет собой круглый разъем в диаметре примерно 1 см.
На нем должны быть следующие обозначения: В – означает база транзистора, С – коллектор, Е – эмиттер.
Если тринистор открывается положительным напряжением, то управляющий вывод надо подключить к базе, анод с катодом к коллектору и эмиттеру соответственно.
Так как тестер при проверке транзистора измеряет коэффициент усиления, то и в этом случае он выдаст какие-то значения, которые будут неверные. Но это не важно, главное убедиться в исправности тринистора.
Проверка в схеме
Иногда требуется проверка тиристора, без выпаивания его из схемы. Для этого необходимо отключить управляющий электрод. После этого к аноду и катоду подключается мультиметр в режиме измерения постоянного напряжения.
Вторым тестером подключаются к аноду и управляющему электроду тиристора. Второй прибор должен находиться в режиме омметра.
Если измерительные щупы подсоединены правильно, то показания первого тестера будут лежать в пределах нескольких десятков милливольт.
Если нет, то щупы нужно поменять местами и все повторить. Перед измерениями нужно убедиться, что плата и весь прибор обесточен.
Тестирование высоковольтного тиристора
В случае проверки высоковольтного тиристора потребуется мультиметр с токовыми клещами. И проверка будет производиться при включенном оборудовании, так как сложно создать условия имитирующие рабочие параметры системы.
Все внешние воздействия необходимо делать в соответствии с инструкцией по эксплуатации на оборудование.
Измерения делаются с соблюдением техники безопасности, в остальном все, как и с обычными тиристорами.
Как проверить тиристор | Практическая электроника
Как проверить тиристор, если вы полный чайник? Итак, обо всем по порядку.
Принцип работы тиристора
Принцип работы тиристора основан на принципе работы электромагнитного реле. Реле – это электромеханическое изделие, а тиристор – чисто электрическое. Давайте же рассмотрим принцип работы тиристора, а иначе как мы его тогда сможем проверить? Думаю, все катались на лифте ;-). Нажимая кнопку на какой-нибудь этаж, электродвигатель лифта начинает свое движение, тянет трос с кабиной с вами и соседкой тетей Валей килограммов под двести и вы перемещаетесь с этажа на этаж. Как же так с помощью малюсенькой кнопочки мы подняли кабину с тетей Валей на борту?
В этом примере и основан принцип работы тиристора. Управляя маленьким напряжением кнопочки мы управляем большим напряжением… разве это не чудо? Да еще и в тиристоре нет никаких клацающих контактов, как в реле. Значит, там нечему выгорать и при нормальном режиме работы такой тиристор прослужит вам, можно сказать, бесконечно.
Тиристоры выглядят как-то вот так:
А вот и схемотехническое обозначение тиристора
В настоящее время мощные тиристоры используются для переключения (коммутации) больших напряжений в электроприводах, в установках плавки металла с помощью электрической дуги ( короче говоря с помощью короткого замыкания, в результате чего происходит такой мощный нагрев, что даже начинает плавиться металл)
Тиристоры, которые слева, устанавливают на алюминиевые радиаторы, а тиристоры-таблетки даже на радиаторы с водяным охлаждением, потому что через них проходит бешеная сила тока и коммутируют они очень большую мощность.
Маломощные тиристоры используются в радиопромышленности и, конечно же, в радиолюбительстве.
Параметры тиристоров
Давайте разберемся с некоторыми важными параметрами тиристоров. Не зная эти параметры, мы не догоним принцип проверки тиристора. Итак:
1) Uy – отпирающее постоянное напряжение управления – наименьшее постоянное напряжение на управляющем электроде, вызывающее переключение тиристора из закрытого состояния в открытое. Короче говоря простым языком, минимальное напряжение на управляющем электроде, которое открывает тиристора и электрический ток начинает спокойно себе течь через два оставшихся вывода – анод и катод тиристора. Это и есть минимальное напряжение открытия тиристора.
2) Uобр max – обратное напряжение, которое может выдержать тиристор, когда, грубо говоря, плюс подают на катод, а минус – на анод.
3) Iос ср – среднее значение тока, которое может протекать через тиристор в прямом направлении без вреда для его здоровья.
Остальные параметры не столь критичны для начинающих радиолюбителей. Познакомиться с ними можете в любом справочнике.
Как проверить тиристор КУ202Н
Ну и наконец-то переходим к самому важному – проверке тиристора. Будем проверять самый ходовый и знаменитый советский тиристор – КУ202Н.
А вот и его цоколевка
Для проверки тиристора нам понадобится лампочка, три проводка и блок питания с постоянным током. На блоке питания выставляем напряжение загорания лампочки. Привязываем и припаиваем проводки к каждому выводу тиристора.
На анод подаем “плюс” от блока питания, на катод через лампочку “минус”.
Теперь же нам надо подать относительно анода напряжение на Управляющий Электрод (УЭ). Для такого вида тиристора Uy – отпирающее постоянное напряжение управления больше чем 0,2 Вольта. Берем полуторавольтовую батарейку и подаем напряжение на УЭ. Вуаля! Лампочка зажглась!
также можно использовать щупы мультиметра в режиме прозвонки, на щупах напряжение тоже больше 0,2 Вольта
Убираем батарейку или щупы, лампочка должна продолжать гореть.
Мы открыли тиристор с помощью подачи на УЭ импульса напряжения. Все элементарно и просто! Чтобы тиристор опять закрылся, нам надо или разорвать цепь, ну то есть отключить лампочку или убрать щупы, или же подать на мгновение обратное напряжение.
Как проверить тиристор мультиметром
Можно также проверить тиристор с помощью мультиметра. Для этого собираем его по этой схемке:
Так как на щупах мультиметра в режиме прозвонки имеется напряжение, то подаем его на УЭ. Для этого замыкаем между собой анод и УЭ и сопротивление через Анод-Катод тиристора резко падает. На мультике мы видим 112 милливольт падение напряжения. Это значит, что он открылся.
После отпускания мультиметр снова показывает бесконечно большое сопротивление.
Почему же тиристор закрылся? Ведь лампочка в прошлом примере у нас горела? Все дело в том, что тиристор закрывается, когда ток удержания стает очень малым. В мультиметре ток через щупы очень малый, поэтому и тиристор закрылся без напряжения УЭ.
Есть также схема отличного прибора для проверки тиристора, ее можно глянуть в этой статье.
Также советую глянуть видео от ЧипДипа про проверку тиристора и ток удержания:
Как проверить тиристор мультиметром: особенности тестирования
Довольно большое распространение получили тиристоры. Они применяются при создании различных электрических приборов и мощных силовых установок. Особенности рассматриваемых полупроводников заключаются в том, что проверить их при применении мультиметра достаточно сложно. Для полноценной проверки нужно собрать сложную схему. Важно понимать, как проверить тиристор мультиметром, так как пробой и внутренний обрыв являются распространенными проблемами.
Предварительная подготовка
Подобный измерительный прибор получил широкое распространение: применяется для определения различной информации. Предварительная подготовка предусматривает расшифровку спецификации, для чего достаточно рассмотреть маркировку на полупроводниковом изделии.
После определения типа изделия и цоколевки можно приступить к тесту пробоя при помощи мультиметра. В большинстве случаев проводится проверка на пробой, для чего изделие можно оставить на плате, поэтому на этом этапе не требуется паяльник.
Тест на пробой
Проверка тиристора начинается с определения пробоя. Рекомендуется начинать с предварительного тестирования, которое связано с измерением сопротивления между двумя выходами «А» и «К», «К» и «УЭ». Алгоритм действий имеет следующие особенности:
Для тестирования применяется мультиметр. Его включают в режим «прозвонки», и снимаются показатели между двумя выводами «УЭ» и «К». Если устройство находится в хорошем техническом состоянии, то снятые показатели будут в диапазоне от 40 Ом до 0,55 кОм. Низкое значение может указывать на некоторые проблемы с устройством.
- Далее рекомендуется сменить положение щупов, и процесс повторяется. Снятые показатели должны соответствовать тем, которые были получены в первом случае.
- Следующий шаг заключается в измерении сопротивления между выводами «К» и «А». В этом случае показатель сопротивления должен стремиться к бесконечности. Значение может варьироваться в зависимости от полярности измерительного устройства. Низкий показатель указывает на то, что есть пробой в переходе. Для более точного результата рекомендуют выпаивать устройство, которое тестируется.
Проверка симистора мультиметром подобным образом не позволяет получить точный показатель. Немного усложнив процесс тестирования, можно существенно повысить точность полученных результатов.
Проверка открытого и закрытого положения
Тестирование на пробой не позволяет определить, есть ли внутренний обрыв. Именно поэтому применяемая схема существенно усложняется. Более точный показатель можно достигнуть следующим образом:
Применяемый мультиметр переводится в режим «прозвонки», после чего к нему подключается тиристор. Щуп, который имеет черный провод, подключается к выводу «К», а красный к «А».
- При применении подобной схемы подключения измерительный прибор указывает бесконечное сопротивление.
- Следующий шаг заключается в подключении «УЭ» с выходом «А». В этом случае происходит частичное падение показателя сопротивления, и после обрыва соединения он снова стремится к значению бесконечности. Тока, проходящего через штыри измерительного прибора, недостаточно для сдерживания тиристора в закрытом состоянии.
Еще больше повысить точность измерений можно при сборке собственного измерительного прибора.
Самодельный пробник
Простейший вариант исполнения представлен сочетанием только лампочки и батарейки, но он неудобен в применении. Более сложная схема позволяет протестировать устройство при подаче постоянного или переменного тока.
Схема самодельного пробника представлена сочетанием следующих элементов:
Лампочка небольшого размера с показателями 0,3 А и 6,3 В.
- Трансформатор со вторичной обмоткой 6,3 В. Рекомендуется использовать вариант исполнения ТН2.
- Диод выпрямительного типа с обратным напряжением около 10 Вольт и сопротивлением не менее 300 мА. Примером можно назвать вариант исполнения Д226.
- В схему также включается конденсатор, емкость которого составляет 1000 мкФ. Устройство должно быть рассчитано на напряжение 16 В.
- Создается сопротивление с номиналом 47 Ом.
- Предохранитель на 0,5 А. При применении мощного силового трансформатора следует повысить номинал предохранителя.
Самодельная конструкция может иметь компактные размеры. При необходимости все элементы можно собрать в защитном корпусе, за счет чего прибор можно будет использовать постоянно и транспортировать к месту проверки.
Особенности процедуры
Следует учитывать, что самодельная конструкция позволяет точно определить работоспособность устройства. Пошаговая инструкция выглядит следующим образом:
- К собранной самодельной конструкции подключается полупроводниковый элемент.
- Для того чтобы тесты могли проводиться в режиме постоянного тока, устанавливается переключатель.
Включается пробник при помощи тумблера. При этом ток не должен попасть на лампу.
- К тестируемому устройству подводится напряжение через резистор. В этом случае тиристор переводится в открытие положение, на лампочку подается напряжение, и она начинает светиться.
- Далее отпускается кнопка, но тиристор находится в открытом положении, и индикатор должен гореть.
- Проводится смена положения переключателя, после чего тиристор переходит в закрытое состояние, и лампочка гаснет.
- При переводе измерительного устройства в режим работы с переменным током лампочка начинает гореть не полностью.
Если проверяемое устройство проявляло себя так, как в описании, то тиристор находится в хорошем техническом состоянии и работает правильно. Если лампочка горит постоянно, то это говорит о пробое. Если при нажатии на клавишу она не загорается, то это указывает на внутренний обрыв. Именно поэтому можно обойтись без мультиметра.
Тестирование детали на плате
При необходимости можно проверить тиристор мультиметром без демонтажа детали. Однако при применении самодельной конструкции придется выпаять элемент, так как в качестве индикатора используется лампочка. К особенностям этого процесса относятся следующие моменты:
- Требуется паяльник. Подобный инструмент требуется при проведении различной работы с электроникой. Мощность и диаметр жилы выбираются в соответствии с тем, какие размеры имеет плата.
- При проведении работы следует учитывать, что нельзя оказывать слишком высокую температуру на плату. Это может привести к повреждению дорожек и других элементов.
- Нельзя повредить выходы, так как это может осложнить проводимые тесты.
Необходимость в выпаивании детали определяет то, что многие решают использовать мультиметр для проверки. В большинстве случаев полученных результатов вполне достаточно для оценки состояния тиристора.
Прозвонка динистора
При необходимости можно провести проверку динистора. К ключевым моментам относятся следующие моменты:
Для проведения теста требуется источник питания с высоким напряжением, показатель которого выше, чем у динистора.
- Ограничить ток можно при подключении резистора с показателем сопротивления от 100 до 1000 Ом.
- Плюсовой провод подключается к аноду, а катод к клемме ограничительного резистора. Свободный конец сопротивления соединяется с минусом блока питания.
Применяемый измерительный прибор в соответствующем режиме через специальные щупы соединяется с анодом и катодом. Тестер должен лежать в пределе милливольта, после чего динистор открывается.
Определение исправности устройства
Исправность рассматриваемого устройства можно проверить при применении обычного источника света и измерительного прибора. К особенностям этой техники относятся следующие моменты:
Источник постоянного тока соединяется через тринистор. В цепь также включается лампа с соответствующим напряжением.
- Щупы мультиметра подводятся к катоду и аноду. Следует установить режим измерения, соответствующий постоянному напряжению.
- Устройство должно быть рассчитано на измерение показателей, которые превышают значения применяемого источника напряжения.
- В качестве источника питания можно использовать батарейку любого номинала.
- Осуществляется подача напряжения для теста устройства.
На момент подключения источника питания тринистор открывается, ток подводится к лампочке, и она загорается. После снятия управляющего воздействия лампа должна продолжать гореть, так как проходит ток удержания.
Выбор мультиметра
Для тестирования различного электрического оборудования требуется специальный измерительный прибор, который называют мультиметром. Основные критерии выбора:
- При выборе практически всегда уделяется внимание степени функциональности устройства.
- Практически все устройства можно разделить на две основные категории: стрелочные и цифровые. Сегодня стрелочные практически не применяются, так как они отображают небольшое количество информации, точность данных может быть невысокой.
- Показатель погрешности может варьировать в довольно большом диапазоне. Качественные модели имеют погрешность не более 3%. Лучше выбирать мультиметр с наименьшим значением погрешности, однако они обходятся дорого.
- Степень комфорта при использовании конструкции. Измерительное устройство может иметь самые различные размеры и форму. Если оно будет некомфортным в применении, то могут возникнуть серьезные проблемы.
- Уделяется внимание и степени защиты от пыли, влаги, ударных нагрузок. При изготовлении измерительного устройства могут использоваться самые различные материалы, некоторые из них характеризуются высокой защитой от воздействия влаги и пыли.
- Класс электробезопасности. По этому показателю устройства классифицируются согласно установленным стандартам.
- Популярность бренда. Хорошие производители цифровых тестеров неоднократно проверяют надежность и качество выпускаемой продукции.
Рассматривая то, как проверить тиристор ку202н мультиметром, следует учитывать, что все подобные измерительные приборы разделяются на несколько классов:
- CAT 1 — устройства, подходящие для работы с низковольтными сетями.
- CAT 11 — класс устройства, подходящего к сети питания.
- CAT 111 — класс, предназначенный для работы внутри сооружений.
- CAT 1 V — для работы с цепью, которая расположена вне здания. Устройства этого класса имеют высокую защиту от воздействия окружающей среды.
После выбора измерительного инструмента можно приступить к тестам. Полученная информация может записываться в блокнот или сохраняться в память устройства, если у него есть соответствующая функция.
Как проверить тиристор ку202
Тиристор – это полупроводниковый прибор p-n-p-n структуры, который играет роль ключа в цепях с большими токами, при этом управление им осуществляется слаботочным сигналом. Применяется для включения силовых электроприводов, систем возбуждения генераторов. Коммутируемые токи доходят до 10 кА.
Особенность тиристоров заключается в том, что при подаче управляющего сигнала, они открываются и остаются в этом состоянии, даже если сигнал в последующем будет снят. Единственное требование – протекающий через них ток должен превышать определенное значение, который называется током удержания.
Одни тиристоры пропускают ток только в одну сторону. Это динисторы, срабатывающие от превышения значимого напряжения. Есть также тринисторы, управляемые подачей тока на третий вывод прибора.
Тиристоры пропускающие ток в обе стороны называются симисторы или триаки. Кроме этого, бывают фототиристоры управляемые светом.
Основные характеристики
Для проверки тринистора необходимо знать и понимать, что скрывается за основными параметрами и для чего их нужно измерять.
Отпирающее напряжение управления Uy – это постоянный потенциал на управляющем электроде, вызывающий открывание тиристора.
Uобр max – это максимальное обратное напряжение, при котором тиристор еще находится в рабочем состоянии.
Iос ср – это среднее значение протекающего через тиристор тока в прямом направлении с сохранением его работоспособности.
Определение управляющего напряжения
Теперь можно приступать к тестированию тринистора. Для этого возьмем КУ202Н с рабочим током 10 А и напряжением 400 В.
У большинства радиолюбителей имеется мультиметр и неизбежно возникает вопрос, как проверить тиристор мультиметром, возможно ли это и, что дополнительно может понадобиться. Последовательность действий такая:
для начала переключаем мультиметр в положение измерения сопротивления с диапазоном 2 кОм. В этом режиме на измерительных щупах будет присутствовать напряжение внутреннего источника питания тестера;
- подключаем щупы к аноду и катоду тринистора. Мультиметр должен показывать сопротивление близкое к бесконечности;
- перемычкой замыкаем анод и управляющий электрод. Сопротивление должно упасть, тринистор открылся;
- убираем перемычку, прибор опять показывает бесконечность. Это произошло из-за того, что удерживающий ток слишком мал.
Так как тиристор управляется как отрицательными, так и положительными сигналами, то его можно открыть, подключая перемычкой управляющий электрод к катоду.
Мультиметр должен находиться в режиме омметра, и щупы подсоединены к аноду и катоду. Так можно определить, каким напряжением управляется тиристор.
Проверка исправности
Второй вариант тестирования заключается в следующем. К блоку питания постоянного тока через тринистор подключается лампа на это же напряжение.
К аноду и катоду подключается мультиметр в режиме измерения постоянного напряжения. Диапазон измерения должен превышать напряжение источника.
Затем на управляющий электрод с помощью батарейки любого номинала и пары проводов подается управляющее напряжение. Тринистор должен открыться, лампочка загореться.
Тестер сначала показывает напряжение источника питания, после воздействия маленького значения, которое соответствует падению потенциалов на тиристоре в открытом состоянии.
После этого можно снять управляющее воздействие, лампа продолжит гореть, так как протекающий через прибор ток больше тока удержания.
Проверка динистора
Для определения работоспособности динистора может потребоваться источник питания с напряжением, превышающим напряжение включения динистора.
Для ограничения тока потребуется резистор на 100-1000 Ом. Теперь можно подключать плюс источника к аноду, а катод к одному из выводов ограничивающего резистора.
Второй конец сопротивления подключается к минусу источника питания. До этого необходимо мультиметр в режиме измерения постоянного напряжения подключить к аноду и катоду.
Значения тестера должны лежать в пределах милливольт. Динистор открылся.
Необычный способ
Есть еще один вариант проверки тиристора мультиметром, без прозвона. Но в этом случае прибор должен быть маломощным, с малым током удержания.
Для проверки используется разъем проверки транзисторов. Обычно он располагается ниже переключателя и представляет собой круглый разъем в диаметре примерно 1 см.
На нем должны быть следующие обозначения: В – означает база транзистора, С – коллектор, Е – эмиттер.
Если тринистор открывается положительным напряжением, то управляющий вывод надо подключить к базе, анод с катодом к коллектору и эмиттеру соответственно.
Так как тестер при проверке транзистора измеряет коэффициент усиления, то и в этом случае он выдаст какие-то значения, которые будут неверные. Но это не важно, главное убедиться в исправности тринистора.
Проверка в схеме
Иногда требуется проверка тиристора, без выпаивания его из схемы. Для этого необходимо отключить управляющий электрод. После этого к аноду и катоду подключается мультиметр в режиме измерения постоянного напряжения.
Вторым тестером подключаются к аноду и управляющему электроду тиристора. Второй прибор должен находиться в режиме омметра.
Если измерительные щупы подсоединены правильно, то показания первого тестера будут лежать в пределах нескольких десятков милливольт.
Если нет, то щупы нужно поменять местами и все повторить. Перед измерениями нужно убедиться, что плата и весь прибор обесточен.
Тестирование высоковольтного тиристора
В случае проверки высоковольтного тиристора потребуется мультиметр с токовыми клещами. И проверка будет производиться при включенном оборудовании, так как сложно создать условия имитирующие рабочие параметры системы.
Все внешние воздействия необходимо делать в соответствии с инструкцией по эксплуатации на оборудование.
Измерения делаются с соблюдением техники безопасности, в остальном все, как и с обычными тиристорами.
Источник: evosnab.ru
Как проверить тиристор?
Дата: 24.10.2015 // 0 Комментариев
Существует множество приборов и схем, в которых применяются тиристоры. Собирая обычный регулятор накала лампочки или схему зарядного устройства необходимо быть уверенным в том, что тиристор исправен. Сегодня мы расскажем о том, как проверить тиристор самым быстрым и простым способом.
Как проверить тиристор?
Наглядная проверка тиристора будет производиться с самым ходовым отечественным тиристором КУ202Н. Такой метод подойдет для большинства тиристоров. Для самой простой проверки тиристора необходимо использовать схему, очень подобную той, которую использовали для проверки симистора.
Как видим, для проверки тиристора нужен источник постоянного напряжения (блок питания на 12В) и лампочка способная гореть от этого блока.
Плюс от блока питания подаем на анод тиристора, а минус через лампочку подключаем к катоду. При таком подключении лампочка не должна гореть (тиристор закрыт), если лампочка загорится сразу – тиристор пробит.
Дальше кратковременно замыкаем перемычкой анод и управляющий электрод, после этого исправный тиристор должен открыться – лампочка засветиться.
Свечение лампочки не должно прекращаться после того, как убралась перемычка. Тиристор будет в открытом состоянии до тех пор, пока не поменяется полярность источника питания или пока ток в цепи не станет меньше тока удержания тиристора.
Как проверить тиристор мультиметром?
Иногда для проверки тиристора хочется использовать только то, что есть под рукой: мультиметр или тестер. Проверяя тиристор с помощью мультиметра необходимо использовать следующую схему.
Важно помнить, что не каждый мультиметр или тестер способен открыть тиристор.
Источник: diodnik.com
Как проверить тиристор мультиметром?
Тиристоры используются во многих электронных устройствах, начиная от бытовых приборов и заканчивая мощными силовыми установками. Ввиду особенностей этих полупроводниковых элементов проверить их на исправность с помощью только одного мультиметра затруднительно. В крайнем случае, можно определить пробой перехода. Для полноценного тестирования потребуется собрать несложную схему, ее описание будет приведено в статье.
Начнем с подготовительного этапа, а именно с того, что нам потребуется сделать перед проверкой.
Предварительная подготовка
Перед тестированием любого радиокомпонента будь то тиристор, транзистор или диод, нам необходимо ознакомиться с его спецификацией. Для этого находим маркировку на корпусе полупроводникового элемента.
Маркировка обозначена красным овалом
Найдя маркировку, начинаем поиск спецификации (достаточно сделать соответствующий запрос в поисковике или в тематических форумах). Даташит на электронный компонент содержит много полезной информации, начиная от технических характеристик и заканчивая расположением выводов и списком аналогов (что особенно полезно при поиске замены).
Даташит на BT151 (аналог КУ202Н)
Определившись с типом и цоколевкой, приступаем к первому этапу проверки, для этого нам понадобится только мультиметр. В большинстве случаев проверить элемент на пробой, можно не выпаивая его из платы, поэтому на данном этапе паяльник не нужен.
Тестирование на пробой
Начнем с предварительной проверки, которая будет заключаться в измерении сопротивления между выходами «К» и «УЭ», потом «А» и «К». Алгоритм наших действий будет следующим:
- Включаем прибор в режим «прозвонки» и снимаем измерения с перехода между выводами «К» и «УЭ», в соответствии с рисунком 3. Если полупроводник исправен, отобразится сопротивление перехода в диапазоне от 40 Ом до 0,55 кОм.
Рис 3. Измеряем сопротивление между УЭ и К
- Меняем щупы местами и повторяем процесс, результат должен быть примерно таким же, как в пункте 1. Заметим, что чем больше сопротивление между выводами «УЭ» и «К», тем меньше ток открытия, а значит — выше чувствительность устройства.
- Меряем сопротивление между выводами «А» и «К» (см. рис. 4). На индикаторе мультиметра должно высветиться бесконечно большое сопротивление, причем, вне зависимости от полярности подключенного измерительного устройства. Иное значение указывает на пробой в переходе. Для «чистоты» проверки лучше выпаять подозрительную деталь и повторить тестирование.
Рис 4. Измеряем сопротивление перехода Анод-Катод
Как уже упоминалось выше, такая методика проверки мультиметром не позволяет полностью протестировать работоспособность тиристора, нам потребуется несколько усложнить процесс.
Проверка на открытие-закрытие
Предыдущее тестирование позволяет определить, имеется ли пробой, но не дает возможности проверить отсутствие внутреннего обрыва. Поэтому переводим мультиметр в режим «прозвонки» и подключаем к нему тиристор, в соответствии с рисунком 5 (щуп с черным проводом к выводу «К», красный — к «А»).
Рис. 5. Подключение для проверки на открытие
При таком подключении отобразится бесконечно большое сопротивление. Теперь соединяем на несколько мгновений «УЭ» с выходом «А», прибор покажет падение сопротивления, и после отключения «УЭ», показание опять вырастет до бесконечности. Это связано с тем, что идущего через щупы тока недостаточно для удержания тиристора в открытом состоянии. Поэтому, чтобы убедиться в работоспособности полупроводникового элемента, необходимо собрать несложную схему.
Самодельный пробник для тиристоров
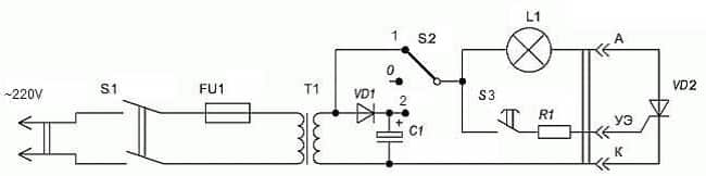
В интернете можно найти более простые схемы, где используется только лампочка и батарейка, но такой вариант не совсем удобен. На рисунке 6 представлена схема, позволяющая протестировать работу устройства, подавая на него постоянное и переменное питание.
Рисунок 6. Пробник для тиристоров
Обозначения:
- Т1 – трансформатор, в нашем случае использовался ТН2, но подойдет любой другой, если у него имеется вторичная обмотка 6,3 V.
- L1 – обычная миниатюрная лампочка на 6,3 V и 0,3 А (например, МН6,3-0,3).
- VD1 – выпрямительный диод любого типа с обратным напряжением более 10 вольт и током от 300 мА и выше (например, Д226).
- С1 – конденсатор емкостью 1000 мкФ, и рассчитанный на напряжение 16 В.
- R1 – сопротивление с номиналом 47 Ом.
- VD2 – тестируемый тиристор.
- FU1 – предохранитель на 0,5 А, если в схеме для проверки тиристоров используется мощный силовой трансформатор, номинал предохранителя нужно увеличить (узнать потребляемый ток можно воспользовавшись мультиметром).
После того, как пробник собран, приступаем к проверке, выполняется она по следующему алгоритму:
- Подключаем к собранному прибору тестируемый полупроводниковый элемент (например, КУ202Н), в соответствии с рисунком 5 (для определения цоколевки следует обратиться к справочной информации).
- Переводим переключатель S2 для тестирования в режиме постоянного тока (положение «2»).
- Включаем пробник тумблером S1, индикатор L1 не должен засветиться.
- Нажимаем S3, в результате на «УЭ» подается напряжение через резистор R1, что переводит тиристор в открытое состояние, на индикаторную лампочку поступает напряжение, и она начинает светиться.
- Отпускаем S3, поскольку полупроводниковый элемент остается открытым, лампочка продолжает гореть.
- Меняем положение переключателя, переводя его в положение «О», тем самым мы отключаем питание от тиристора, в результате он закрывается и лампа гаснет.
- Теперь проверяем работу элемента в режиме переменного напряжения, для этой цели переводим S2 в положение «1». Благодаря такой манипуляции мы берем питание непосредственно со вторичной обмотки трансформатора (до выпрямительного диода). Индикаторная лампа не горит.
- Нажимаем S3, лампа начинает светиться в половину своей мощности, это связано с тем, что при открытии через тиристор проходит только одна полуволна переменного напряжения. Отпускаем S3 – индикаторная лампочка гаснет.
Если тестируемый элемент вел себя так, как описывается, то можно констатировать, что он находится в рабочем состоянии. Соответственно, если индикатор горит постоянно, это указывает на пробой, а когда при нажатии S3 он не загорается, можно определить внутренний обрыв (при условии, что лампочка рабочая).
Проверка без выпаивания детали с платы
В большинстве случаев проверить тиристор мультиметром на пробой можно прямо на плате, но чтобы выполнить диагностику самодельным тестером, полупроводник придется выпаять.
Источник: www.asutpp.ru
Методы проверки тиристоров на исправность
Тиристоры принадлежат к классу диодов. Но помимо анода и катода, у тиристоров есть третий вывод – управляющий электрод.
Тиристор – это своего рода электронный выключатель, состоящий из четырех слоев, который может быть в двух состояниях:
- Высокая проводимость (открытое).
- Низкая проводимость (закрытое).
Тиристоры обладают высокой мощностью, благодаря чему они проводят коммутацию цепи при напряжении доходящей до 5 тысяч вольт и с силой тока равняющейся 5 тысячам ампер. Подобные выключатели способны проводить ток лишь в прямом направлении, а в состоянии низкой проводимости они способны выдержать даже обратное напряжение.
Есть разные тиристоры, которые отличаются друг от друга характеристиками, управлением и т.д.
Самые известные типы данных устройств:
- Диодный. Переходит в проводящий режим, когда уровень тока повышается.
- Инверторный. Он переходит в режим низкой проводимости быстрей подобных устройств.
- Симметричный. Устройство похоже на 2 устройства со встречно-параллельными диодами.
- Оптотиристор. Работает благодаря потоку света.
- Запираемые.
Применение тиристоров
Применение тиристоров очень широкое, начиная от устройств зарядки для автомобиля и заканчивая генераторами и трансформаторами.
Общее применение делится на четыре группы:
Экспериментальные устройства.
- Пороговые устройства.
- Силовые ключи.
- Подключение постоянного тока.
Цены на устройства бывают разные, всё зависит от марки производителя и технических характеристик. Отечественные производители делают отличные тиристоры, по небольшой стоимости. Одни из самых распространенных отечественных тиристоров, это устройства серии КУ 202е – используются в бытовых приборах.
Вот некоторые характеристики данного тиристора:
- Обратное напряжение в состоянии высокой проводимости, максимально 100 В.
- Напряжение в положении низкой проводимости 100 В.
- Импульс в состоянии высокой проводимости – 30 А.
- Повторный импульс в этом же положении – 10 А.
- Постоянное напряжение 7 В.
- Обратный ток – 4 мА
- Ток постоянного типа – 200 мА.
- Среднее напряжение -1,5 В.
- Время включения – 10мкс.
- Выключение – 100 мкс.
Иногда возникают ситуации, в которых необходимо проверить тиристор на работоспособность. Есть различные методы проверки, в этой статье будут рассмотрены основные из них.
Тиристоры быстродействующие ТБ333-250
Проверка с помощью метода лампочки и батарейки
Для этого метода достаточно иметь под рукой лишь лампочку, батарейку, 3 проводка и паяльник, чтобы припаять провода к электродам. Такой набор найдется в доме у каждого.
При проверке прибора с помощью метода батарейки и лампочки, нужно оценить нагрузку тока сто mA, которую создает лампочка, на внутренней цепи. Применять нагрузку следует кратковременно. При использовании данного метода, редко случается короткое замыкание, но чтобы быть уверенным на сто процентов, что его точно не будет, достаточно пропустить ток через все пары электродов тиристора в обоих направлениях.
Проверка методом лампочки и батарейки осуществляется по трём схемам:
- В первой схеме на управляющий электрод положительный потенциал не подается, благодаря чему не пропускается ток и лампочка не загорается. В случае если лампочка горит, тиристор работает неправильно.
- Во второй схеме тиристор приводится в состояние высокой проводимости. Для этого нужно подать плюсовой потенциал на управляющий электрод (УЭ). В этом случае, если лампочка не горит, значит с тиристором что-то не так.
- На третьей схеме с УЭ питание отключается, ток в этом случае проходит через анод и катод. Ток проходит благодаря удержанию внутреннего перехода. Но в этом случае, лампочка может не загореться не только из-за неисправности тиристора, но и из-за протекания тока меньшей величины через цепь, чем крайнее значение удержания.
Так исправность тиристора легко проверить в домашних условиях, не имея под рукой специального оборудования. Если разорвать цепь через анод или катод, у тиристора активируется состояние низкой проводимости.
При использовании данного метода, редко случается короткое замыкание, но чтобы быть уверенным на сто процентов, что его точно не будет, достаточно пропустить ток через все пары электродов тиристора в обоих направлениях
Проверка мультиметром
Это самый простой вариант для проверки. В этом методе анод и контакты УЭ подключаются к прибору для измерения (мультиметру). Роль постоянного источника тока здесь играют батареи мультиметра. В качестве индикатора – стрелки или цифровые показатели.
Что нужно, чтобы проверить тиристор мультиметром:
- Подцепить черный щуп с минусом к катоду.
- Подцепить красный щуп с плюсом к аноду.
- Один конец выключателя соединить с разъемом красного щупа.
- Настроить мультиметр для измерения сопротивления, не превышающего 2 тысячи ОМ.
- Быстро включить и отключить выключатель.
- Если проход тока удерживается, значит с тиристором всё хорошо. Чтобы его отключить достаточно, отсоединить напряжение от одного из электродов (анод или катод).
- В случае если удерживания проводимости нет, нужно поменять щупы местами и проделать всё с самого начала.
- Если перекидывание щупов не помогло, то тиристор неисправен.
Чтобы проверить тиристор не выпаивая, нужно отсоединить УЭ от цепной схемы. Далее нужно проделать все пункты, которые описаны выше.
Роль постоянного источника тока здесь играют батареи мультиметра, в качестве индикатора – стрелки или цифровые показатели
Другие варианты проверки
Также тиристор можно проверить с помощью тестера. Для этого понадобится тестер, батарейка шести – десяти вольт и проводки.
Чтобы проверить устройство тестером нужно следовать следующей схеме:
Проверка тимистора с помощью омметра Включить тестер между катодом и анодом: должно показать «бесконечность», потому что тиристор в состоянии низкой проводимости.
- Подключить батарейку между УЭ и катодом. На тестере должно спасть сопротивление, так как появилась проводимость.
- Если подачи питания совсем нет, то устройство работает неправильно.
- Если подача питания постоянная, при любом напряжении на электроды, то и в этом случае с тиристором что-то не так.
Еще тиристор можно проверить с помощью омметра. Этот метод похож на проверку мультиметром и тестером. Потребуется:
- Подключить плюс омметра к аноду, а минус к катоду. На датчике омметра должно быть показано высокое сопротивление.
- Замкнуть вывод анода и УЭ, сопротивление на датчике омметра должно резко спасть.
Вот в принципе и вся инструкция для проверки. Если после этих действий отсоединить УЭ от анода, но не разрывать связь анода с омметром, датчик устройства должен показывать низкое сопротивление (это возникает, если ток анода, больше тока удержания).
Также существует еще один способ проверки тиристора с помощью омметров, для этого понадобится дополнительный омметр. Нужно плюсовой вывод одного омметра подключить к аноду, сопротивление в этот момент должно показываться высокое. Далее следует, также плюсовой вывод, но уже другого омметра, быстро подключить и отключить от управляющего электрода (УЭ), в этот момент сопротивление первого омметра резко уменьшится.
Блиц-советы
Рекомендации:
- Перед тем как проверять тиристор, следует внимательно ознакомиться с техническими характеристиками данного устройства. Эти знание помогут быстрей и эффективней проверить тиристор.
- Обычные, стандартные устройства для измерения (омметр, тестер, мультиметр) хорошо зарекомендовали себя для проверки тиристора, но современные приборы, дадут информацию намного точней. К тому же их гораздо легче использовать.
- Во избежание неприятных ситуаций все схемы должны собираться в точности.
- В работе с любыми диодными устройствами, включая тиристоры, нужно соблюдать технику безопасности.
Защита тиристора:
Тиристоры действуют на скорость увеличение прямого тока. В тиристорах обратный ток восстановления. Если этот ток упадет до низшего значения, может возникнуть перенапряжение. Чтобы предотвратить перенапряжения используются схемы ЦФТП. Также для защиты используют варисторы, их подключают к местам, где выводы индуктивной нагрузки.
Источник: housetronic.ru
Как проверить тиристор мультиметром
Прежде потрудитесь узнать, как работает тиристор. Заимейте представление о разновидностях: триак, динистор. Требуется правильно оценить результат теста. Ниже расскажем, как проверить тиристор мультиметром, даже приведем небольшую схему, помогающую выполнить задуманное в массовом порядке.
Разновидности тиристоров
Тиристор отличается от биполярного транзистора наличием большего количества p-n переходов:
- Типичный тиристор p-n переходов содержит три. Структуры с дырочной, электронной проводимостью чередуются на манер зебры. Можно встретить понятие n-p-n-p тиристор. Присутствует или отсутствует управляющий электрод. В последнем случае получаем динистор. Работает по приложенному меж катодом и анодом напряжением: при некотором пороговом значении открывается, начинается спад, ход электронам отсекается. Что касается тиристоров с электродами, управление производится в любом из двух срединных p-n переходов – стороны коллектора, либо эмиттера. Коренное отличие изделий от транзистора в неизменности режим после пропадания управляющего импульса. Тиристор остается открытым, пока ток не упадет ниже фиксированного уровня. Обычно называют током удержания. Позволяет строить экономичные схемы. Объясняет популярность тиристоров.
- Симисторы отличаются количеством p-n переходов, становится больше минимум на один. Способны пропускать ток в обоих направлениях.
Начало тестирования тиристора мультиметром
Сначала потрудитесь расположение электродов определить:
Для открытия тиристорного ключа катод прибора снабжается минусом (черный щуп мультиметра), на анод присоединяется плюс (красный щуп мультиметра). Тестер выставляется в режим омметра. Сопротивление открытого тиристора невелико. Хватит поставить предел 2000 Ом. Пришло время напомнить: тиристор способен управляться (открываться) положительными или отрицательными импульсами. В первом случае перемычкой из тонкой булавки замыкаем на базу анод, втором – катод. Тут и там должен тиристор открыться, в результате сопротивление станет меньше бесконечности.
Процесс тестирования сводится к пониманию, каким напряжением управляется тиристор. Минусовым или плюсовым. Попробуйте так и сяк (если отсутствует маркировка). Одна попытка точно сработает, если тиристор исправен.
Дальше процесс расходится с проверкой транзистора. При пропадании управляющего сигнала тиристор останется открытым, если ток превышает порог удержания. Ключ может закрыться. Если ток не дотягивает порога удержания.
- Ток удержания прописан техническими характеристиками тиристора. Потрудитесь скачать из интернета полную документацию, быть в курсе вещей.
- Многое определяет мультиметр. Какое напряжение подает на щупы (традиционно 5 вольт), сколько мощности обеспечит. Проверить можно, заручившись помощью конденсатора большой емкости. Нужно правильно подключить щупы на выводы прибора в режиме измерения сопротивления, подождать, пока цифры на дисплее вырастут от нуля до бесконечности. Конденсатор процесс зарядки прошел. Теперь перейдем в режим измерения постоянного напряжения посмотреть величину разницы потенциалов на ножках конденсатор (мультиметр подает в режиме измерения сопротивления). По вольт-амперным характеристикам тиристора несложно определить, хватит ли значения создать ток удержания.
Динисторы звонятся проще. Попытайтесь открыть ключ. Зависит от того, хватит ли мощности мультиметра преодолеть барьер. Для гарантированной проверки тиристора лучше собрать отдельную схему. Наподобие представленной рисунком. Схеме сформирована следующими элементами:
- Три резистора послужат заданию режима тиристора. Один номиналом 300 Ом ограничивает ток. Если параметр нужно изменить, перестараться при наличии питания +5 вольт чрезвычайно сложно. Ничего страшного, если резистор убрать. Старайтесь руководствоваться вольт-амперными характеристиками тиристора. Идеально поставить переменный резистор диапазоном 100 – 1000 Ом. Два резистора правой ветки задают рабочую точку. В схеме на управляющий электрод подано 2,5 вольта. Если не согласуется с вольт-амперными характеристиками тиристора (см. документацию), измените номиналы. Образуют резистивный делитель. Напряжение 5 вольт делится пропорционально номиналам. Поскольку сопротивления равны друг другу, на управляющий электрод приходит ровно половина напряжения питания.
- Светодиод послужит нагрузкой. Стоит в «силовой» ветке, рядом находятся эмиттер, коллектор. Здесь после открытия ключа должен течь ток. Светодиод загорится, увидим, работает ли тиристор. Светодиод не инфракрасный. Возьмите видимый диапазон.
Схема проверки тиристора
Почему выбрали питание +5 вольт. Напряжение несложно найти на адаптере телефона (зарядное устройство). Присмотритесь: присутствует надпись наподобие 5V– /420 mA. Выходные значения напряжения, тока (сразу посмотрите, хватит ли удержать тиристор). Каждый знаток в курсе: +5 вольт доступно взять на шине USB. Портом снабжается теперь (в разном формате) практически любой гаджет, компьютер. С питанием проблем избегните. На всякий случай рассмотрим момент подробнее.
Проверка тиристоров на разъеме мультиметра для транзисторов
Многих интересует, возможно ли прозвонить тиристор мультиметром, используя штатное гнездо проверки транзисторов передней панели, обозначенное pnp/npn. Ответ положительный. Нужно просто подать правильно напряжения. Коэффициент усиления, выданный на дисплей, наверняка будет неверным. Поэтому руководствоваться цифрами избегайте. Давайте посмотрим, как примерно делается. Если открывается тиристор положительным потенциалом, подключать нужно на пин B (base) полугнезда npn. Анод втыкается на пин C (коллектор), катод – E (emitter). Едва ли удастся проверить мощный тиристор мультиметром, для микроэлектроники методика сгодится.
Где взять питание тестировщику
Положение электродов мультиметра
Адаптер телефона дает ток 100 – 500 мА. Часто бывает мало (если понадобится проверить тиристор КУ202Н мультиметром, отпирающий ток 100 мА). Где взять больше? Посмотрим шину USB: третья версия выдаст 5 А. Чрезвычайно большой ток для микроэлектроники, бросьте сомневаться в мощностных характеристиках интерфейса. Распиновку посмотрим в сети. Приводим рисунок, указывающий раскладку типичных портов USB. Показаны два типа интерфейсов:
- Первый USB тип А характерен компьютерам. Максимально распространенный. Найдете на адаптерах (зарядных устройствах) портативных плееров, iPad. Можно использовать в качестве источников питания схемы тестирования тиристора.
- Второй тип В характерен больше как концевой. Подключаются периферийные устройства наподобие принтеров, прочей оргтехники. Найти в качестве исходного источника питания сложно, игнорируя факт недоступности, авторы проверили раскладку.
Если кабель USB разрезать – уверены, многие ринутся курочить старую технику, обрывать хвосты мышкам – внутри провод питания +5 вольт традиционно красный, оранжевый. Информация поможет правильно прозвонить схему, добыть нужное напряжение. Присутствует на выключенном системном блоке (к розетке подсоединено). Вот почему огонек мышки продолжает гореть. На время теста компьютер достаточно будет ввести в режим гибернации. Кстати, напрямую не имеется в Windows 10 (полазить по настройкам, найдете в управлении энергопотреблением).
Раскладка портов USB
Заручившись помощью схемы, проверим тиристор, не выпаивая. Рабочая точка задана относительно земли порта, поэтому внешние устройства будут играть малую роль. Традиционно заземление персонального компьютера завязано на корпус, куда выходит провод входного фильтра гармоник. Схемные +5 вольт, земля развязаны с шиной. Достаточно тестируемую схему отключить от питания. Для проверки тиристора понадобится напаять усики на каждый вывод. Чтобы подвести питание, управляющий сигнал.
Многие, елозят на стуле, не понимая одной вещи: тут рассказываем, как прозвонить тиристор мультиметром, причем здесь светодиод плюс все навороты? Место светодиода можно – даже лучше – включить щупы тестера, регистрировать ток. Удается использовать малое напряжение питания, всегда безопаснее одновременно. Что касается персонального компьютера, дает широкие возможности тестирования любых элементов, включая тиристоры. Блок питания системника дает набор напряжений:
- +5 В идет кулерам, многим другим системам. Фактически стандартное напряжение питания. Провода вольтажа красного цвета.
- Напряжение +12 вольт используется для питания многих потребителей. Провод желтого цвета (не путать с оранжевым).
- – 12 вольт оставлено обеспечить совместимость с RS. Старый добрый COM-порт, через который сегодня программируются адаптеры промышленных систем. Некоторые источники бесперебойного питания. Провод обычно синий.
- Оранжевый провод обычно несет напряжение +3,3 В.
Видите, разброс великий, главное – ток. Мощность блоков питания компьютеров колеблется в области 1 кВт. Откроет любой тиристор! Пора пришла заканчивать. Надеемся, теперь читатели знают, как проводится прозвонка тиристора мультиметром. Иногда придется повозиться. Упомянутый выше тиристор КУ202Н снабжен структурой pnpn, незапираемый. После пропадания управляющего напряжения ключ не закрывается. Нужно убрать питание, чтобы погас светодиод. Отпирающее напряжение положительное. Подходит схеме. Единственно, ток удержания составляет 300 мА. Случай, когда не любой телефонный зарядник годится провести опыт.
Источник: vashtehnik.ru
Как проверять тиристоры исправность не выпаивая
Тиристоры принадлежат к классу диодов. Но помимо анода и катода, у тиристоров есть третий вывод – управляющий электрод.
Тиристор – это своего рода электронный выключатель, состоящий из четырех слоев, который может быть в двух состояниях:
- Высокая проводимость (открытое).
- Низкая проводимость (закрытое).
Тиристоры обладают высокой мощностью, благодаря чему они проводят коммутацию цепи при напряжении доходящей до 5 тысяч вольт и с силой тока равняющейся 5 тысячам ампер. Подобные выключатели способны проводить ток лишь в прямом направлении, а в состоянии низкой проводимости они способны выдержать даже обратное напряжение.
Чтобы приключаться между состояниями, используется специальная технология, которая передает сигналы. С помощью сигнала от объекта управления, тиристор станет в положении высокой проводимости (открытое), а для того чтобы его выключить нужно заряженный конденсатор соединить с ключом.
Есть разные тиристоры, которые отличаются друг от друга характеристиками, управлением и т.д.
Самые известные типы данных устройств:
- Диодный. Переходит в проводящий режим, когда уровень тока повышается.
- Инверторный. Он переходит в режим низкой проводимости быстрей подобных устройств.
- Симметричный. Устройство похоже на 2 устройства со встречно-параллельными диодами.
- Оптотиристор. Работает благодаря потоку света.
- Запираемые.
Применение тиристоров
Применение тиристоров очень широкое, начиная от устройств зарядки для автомобиля и заканчивая генераторами и трансформаторами.
Общее применение делится на четыре группы:
Экспериментальные устройства.
- Пороговые устройства.
- Силовые ключи.
- Подключение постоянного тока.
Цены на устройства бывают разные, всё зависит от марки производителя и технических характеристик. Отечественные производители делают отличные тиристоры, по небольшой стоимости. Одни из самых распространенных отечественных тиристоров, это устройства серии КУ 202е – используются в бытовых приборах.
Вот некоторые характеристики данного тиристора:
- Обратное напряжение в состоянии высокой проводимости, максимально 100 В.
- Напряжение в положении низкой проводимости 100 В.
- Импульс в состоянии высокой проводимости – 30 А.
- Повторный импульс в этом же положении – 10 А.
- Постоянное напряжение 7 В.
- Обратный ток – 4 мА
- Ток постоянного типа – 200 мА.
- Среднее напряжение -1,5 В.
- Время включения – 10мкс.
- Выключение – 100 мкс.
Иногда возникают ситуации, в которых необходимо проверить тиристор на работоспособность. Есть различные методы проверки, в этой статье будут рассмотрены основные из них.

Тиристоры быстродействующие ТБ333-250
Проверка с помощью метода лампочки и батарейки
Для этого метода достаточно иметь под рукой лишь лампочку, батарейку, 3 проводка и паяльник, чтобы припаять провода к электродам. Такой набор найдется в доме у каждого.
При проверке прибора с помощью метода батарейки и лампочки, нужно оценить нагрузку тока сто mA, которую создает лампочка, на внутренней цепи. Применять нагрузку следует кратковременно. При использовании данного метода, редко случается короткое замыкание, но чтобы быть уверенным на сто процентов, что его точно не будет, достаточно пропустить ток через все пары электродов тиристора в обоих направлениях.
Проверка методом лампочки и батарейки осуществляется по трём схемам:
- В первой схеме на управляющий электрод положительный потенциал не подается, благодаря чему не пропускается ток и лампочка не загорается. В случае если лампочка горит, тиристор работает неправильно.
- Во второй схеме тиристор приводится в состояние высокой проводимости. Для этого нужно подать плюсовой потенциал на управляющий электрод (УЭ). В этом случае, если лампочка не горит, значит с тиристором что-то не так.
- На третьей схеме с УЭ питание отключается, ток в этом случае проходит через анод и катод. Ток проходит благодаря удержанию внутреннего перехода. Но в этом случае, лампочка может не загореться не только из-за неисправности тиристора, но и из-за протекания тока меньшей величины через цепь, чем крайнее значение удержания.
Так исправность тиристора легко проверить в домашних условиях, не имея под рукой специального оборудования. Если разорвать цепь через анод или катод, у тиристора активируется состояние низкой проводимости.

При использовании данного метода, редко случается короткое замыкание, но чтобы быть уверенным на сто процентов, что его точно не будет, достаточно пропустить ток через все пары электродов тиристора в обоих направлениях
Проверка мультиметром
Это самый простой вариант для проверки. В этом методе анод и контакты УЭ подключаются к прибору для измерения (мультиметру). Роль постоянного источника тока здесь играют батареи мультиметра. В качестве индикатора – стрелки или цифровые показатели.
Что нужно, чтобы проверить тиристор мультиметром:
- Подцепить черный щуп с минусом к катоду.
- Подцепить красный щуп с плюсом к аноду.
- Один конец выключателя соединить с разъемом красного щупа.
- Настроить мультиметр для измерения сопротивления, не превышающего 2 тысячи ОМ.
- Быстро включить и отключить выключатель.
- Если проход тока удерживается, значит с тиристором всё хорошо. Чтобы его отключить достаточно, отсоединить напряжение от одного из электродов (анод или катод).
- В случае если удерживания проводимости нет, нужно поменять щупы местами и проделать всё с самого начала.
- Если перекидывание щупов не помогло, то тиристор неисправен.
Чтобы проверить тиристор не выпаивая, нужно отсоединить УЭ от цепной схемы. Далее нужно проделать все пункты, которые описаны выше.

Роль постоянного источника тока здесь играют батареи мультиметра, в качестве индикатора – стрелки или цифровые показатели
Другие варианты проверки
Также тиристор можно проверить с помощью тестера. Для этого понадобится тестер, батарейка шести – десяти вольт и проводки.
Чтобы проверить устройство тестером нужно следовать следующей схеме:
Проверка тимистора с помощью омметра
Включить тестер между катодом и анодом: должно показать «бесконечность», потому что тиристор в состоянии низкой проводимости.- Подключить батарейку между УЭ и катодом. На тестере должно спасть сопротивление, так как появилась проводимость.
- Если подачи питания совсем нет, то устройство работает неправильно.
- Если подача питания постоянная, при любом напряжении на электроды, то и в этом случае с тиристором что-то не так.
Еще тиристор можно проверить с помощью омметра. Этот метод похож на проверку мультиметром и тестером. Потребуется:
- Подключить плюс омметра к аноду, а минус к катоду. На датчике омметра должно быть показано высокое сопротивление.
- Замкнуть вывод анода и УЭ, сопротивление на датчике омметра должно резко спасть.
Вот в принципе и вся инструкция для проверки. Если после этих действий отсоединить УЭ от анода, но не разрывать связь анода с омметром, датчик устройства должен показывать низкое сопротивление (это возникает, если ток анода, больше тока удержания).
Также существует еще один способ проверки тиристора с помощью омметров, для этого понадобится дополнительный омметр. Нужно плюсовой вывод одного омметра подключить к аноду, сопротивление в этот момент должно показываться высокое. Далее следует, также плюсовой вывод, но уже другого омметра, быстро подключить и отключить от управляющего электрода (УЭ), в этот момент сопротивление первого омметра резко уменьшится.
Блиц-советы
Рекомендации:
- Перед тем как проверять тиристор, следует внимательно ознакомиться с техническими характеристиками данного устройства. Эти знание помогут быстрей и эффективней проверить тиристор.
- Обычные, стандартные устройства для измерения (омметр, тестер, мультиметр) хорошо зарекомендовали себя для проверки тиристора, но современные приборы, дадут информацию намного точней. К тому же их гораздо легче использовать.
- Во избежание неприятных ситуаций все схемы должны собираться в точности.
- В работе с любыми диодными устройствами, включая тиристоры, нужно соблюдать технику безопасности.
Защита тиристора:
Тиристоры действуют на скорость увеличение прямого тока. В тиристорах обратный ток восстановления. Если этот ток упадет до низшего значения, может возникнуть перенапряжение. Чтобы предотвратить перенапряжения используются схемы ЦФТП. Также для защиты используют варисторы, их подключают к местам, где выводы индуктивной нагрузки.
Как проверить тиристор мультиметром + видео
Тиристоры используются во многих электронных устройствах, начиная от бытовых приборов и заканчивая мощными силовыми установками. Ввиду особенностей этих полупроводниковых элементов проверить их на исправность с помощью только одного мультиметра затруднительно. В крайнем случае, можно определить пробой перехода. Для полноценного тестирования потребуется собрать несложную схему, ее описание будет приведено в статье.
Начнем с подготовительного этапа, а именно с того, что нам потребуется сделать перед проверкой.
Предварительная подготовка
Перед тестированием любого радиокомпонента будь то тиристор, транзистор или диод, нам необходимо ознакомиться с его спецификацией. Для этого находим маркировку на корпусе полупроводникового элемента.

Найдя маркировку, начинаем поиск спецификации (достаточно сделать соответствующий запрос в поисковике или в тематических форумах). Даташит на электронный компонент содержит много полезной информации, начиная от технических характеристик и заканчивая расположением выводов и списком аналогов (что особенно полезно при поиске замены).

Определившись с типом и цоколевкой, приступаем к первому этапу проверки, для этого нам понадобится только мультиметр. В большинстве случаев проверить элемент на пробой, можно не выпаивая его из платы, поэтому на данном этапе паяльник не нужен.
Тестирование на пробой
Начнем с предварительной проверки, которая будет заключаться в измерении сопротивления между выходами «К» и «УЭ», потом «А» и «К». Алгоритм наших действий будет следующим:
- Включаем прибор в режим «прозвонки» и снимаем измерения с перехода между выводами «К» и «УЭ», в соответствии с рисунком 3. Если полупроводник исправен, отобразится сопротивление перехода в диапазоне от 40 Ом до 0,55 кОм.
Рис 3. Измеряем сопротивление между УЭ и К
- Меняем щупы местами и повторяем процесс, результат должен быть примерно таким же, как в пункте 1. Заметим, что чем больше сопротивление между выводами «УЭ» и «К», тем меньше ток открытия, а значит — выше чувствительность устройства.
- Меряем сопротивление между выводами «А» и «К» (см. рис. 4). На индикаторе мультиметра должно высветиться бесконечно большое сопротивление, причем, вне зависимости от полярности подключенного измерительного устройства. Иное значение указывает на пробой в переходе. Для «чистоты» проверки лучше выпаять подозрительную деталь и повторить тестирование.

Как уже упоминалось выше, такая методика проверки мультиметром не позволяет полностью протестировать работоспособность тиристора, нам потребуется несколько усложнить процесс.
Проверка на открытие-закрытие
Предыдущее тестирование позволяет определить, имеется ли пробой, но не дает возможности проверить отсутствие внутреннего обрыва. Поэтому переводим мультиметр в режим «прозвонки» и подключаем к нему тиристор, в соответствии с рисунком 5 (щуп с черным проводом к выводу «К», красный — к «А»).

При таком подключении отобразится бесконечно большое сопротивление. Теперь соединяем на несколько мгновений «УЭ» с выходом «А», прибор покажет падение сопротивления, и после отключения «УЭ», показание опять вырастет до бесконечности. Это связано с тем, что идущего через щупы тока недостаточно для удержания тиристора в открытом состоянии. Поэтому, чтобы убедиться в работоспособности полупроводникового элемента, необходимо собрать несложную схему.
Самодельный пробник для тиристоров
В интернете можно найти более простые схемы, где используется только лампочка и батарейка, но такой вариант не совсем удобен. На рисунке 6 представлена схема, позволяющая протестировать работу устройства, подавая на него постоянное и переменное питание.

Обозначения:
- Т1 – трансформатор, в нашем случае использовался ТН2, но подойдет любой другой, если у него имеется вторичная обмотка 6,3 V.
- L1 – обычная миниатюрная лампочка на 6,3 V и 0,3 А (например, МН6,3-0,3).
- VD1 – выпрямительный диод любого типа с обратным напряжением более 10 вольт и током от 300 мА и выше (например, Д226).
- С1 – конденсатор емкостью 1000 мкФ, и рассчитанный на напряжение 16 В.
- R1 – сопротивление с номиналом 47 Ом.
- VD2 – тестируемый тиристор.
- FU1 – предохранитель на 0,5 А, если в схеме для проверки тиристоров используется мощный силовой трансформатор, номинал предохранителя нужно увеличить (узнать потребляемый ток можно воспользовавшись мультиметром).
После того, как пробник собран, приступаем к проверке, выполняется она по следующему алгоритму:
- Подключаем к собранному прибору тестируемый полупроводниковый элемент (например, КУ202Н), в соответствии с рисунком 5 (для определения цоколевки следует обратиться к справочной информации).
- Переводим переключатель S2 для тестирования в режиме постоянного тока (положение «2»).
- Включаем пробник тумблером S1, индикатор L1 не должен засветиться.
- Нажимаем S3, в результате на «УЭ» подается напряжение через резистор R1, что переводит тиристор в открытое состояние, на индикаторную лампочку поступает напряжение, и она начинает светиться.
- Отпускаем S3, поскольку полупроводниковый элемент остается открытым, лампочка продолжает гореть.
- Меняем положение переключателя, переводя его в положение «О», тем самым мы отключаем питание от тиристора, в результате он закрывается и лампа гаснет.
- Теперь проверяем работу элемента в режиме переменного напряжения, для этой цели переводим S2 в положение «1». Благодаря такой манипуляции мы берем питание непосредственно со вторичной обмотки трансформатора (до выпрямительного диода). Индикаторная лампа не горит.
- Нажимаем S3, лампа начинает светиться в половину своей мощности, это связано с тем, что при открытии через тиристор проходит только одна полуволна переменного напряжения. Отпускаем S3 – индикаторная лампочка гаснет.
Если тестируемый элемент вел себя так, как описывается, то можно констатировать, что он находится в рабочем состоянии. Соответственно, если индикатор горит постоянно, это указывает на пробой, а когда при нажатии S3 он не загорается, можно определить внутренний обрыв (при условии, что лампочка рабочая).
Проверка без выпаивания детали с платы
В большинстве случаев проверить тиристор мультиметром на пробой можно прямо на плате, но чтобы выполнить диагностику самодельным тестером, полупроводник придется выпаять.
Тиристор КУ202Н — технические характеристики, схема включения, цоколевка
Технические характеристики кремниевова тиристора КУ202Н, говорят нам что он триодный, не запираемый, изготовлен по планарно-диффузионной технологии. Используется как переключающий элемент в схемах автоматики. Также применяется в управляемых выпрямителях.
Распиновка
Цоколевка КУ202Н выполнена в металлостеклянном корпусе. Он имеет один вывод под резьбу — анод и два вывода под пайку — катод и управляющий электрод. Анодный вывод сделан под гайку М6. Маркировка тиристора нанесена на корпус. Вес — не более 14 грамм.
Характеристики
Все его параметры можно разделить на два типа предельные и электрические. Давайте разберем их подробнее. Обратите внимание, что на указанных ниже предельных значениях устройство работать долгое время не может, это пиковые показатели которое он выдержит за очень маленький период.
Электрические параметры ку202н характеризуют работу тиристора в рабочих условиях. Ниже приведены их значения:
Аналоги
Зарубежными аналогами тиристора КУ202Н являются ВТХ32S100, h30T15CN, 1N4202. Зарубежные производители не выпускают устройств таких же геометрических размеров, что и КУ202Н, поэтому нужно будет изменить место под монтаж устройства. Следует также учитывать, что их параметры могут незначительно отличаться от рассматриваемого тиристора, например, средний ток может быть равен 7,5 А.
Кроме иностранных устройств можно использовать российский аналог — Т112-10. Как и КУ202Н он имеет металлический корпус и анодный выход под резьбу. Однако его размеры меньше, поэтому монтажное место все равно придется изменить.
Схема подключения
Существует стандартная схема включения ку202н которой нужно придерживаться. Согласно ей между катодом и управляющим электродом подключается шунтирующий резистор сопротивлением 51 Ом. Отклонение от номинального значения не должно превышать 5 %.
Чтобы тиристор не вышел из строя не допускается подача управляющего тока, если напряжение на аноде отрицательное. Это может привести к выходу из строя устройства без возможности восстановления.
Особенности монтажа
К катоду и управляющему электроду нельзя прилагать усилие, большее 0,98 Н. Во время крепления прибора к теплоотводу усилие затяжки не должно быть выше 2,45 Нм.
Нельзя паять катод на расстоянии ближе 7 мм. от стеклянного корпуса. Для управляющего электрода допустимое расстояние для пайки 3,5 мм. Температура паяльника не должна быть выше +2600С. Время пайки не более 3 с.
Проверка на исправность
Проверить тиристор ку202н на исправность можно мультиметром, начать ее следует с проверки n-p перехода между анодом и управляющим электродом. Он должен прозваниваться так же, как обычный диод, то есть при прямом подключении (положительное напряжение на управляющий электрод, а отрицательное на катод) сопротивление перехода должно быть небольшим, а при обратном подключении большим.
Для более детальной проверки требуется выполнить такие действия:
- Переключаем мультиметр в положение для измерения сопротивления до 2 кОм. На щупы прибора должно подаваться напряжение от источника питания.
- Теперь нужно подключить щупы мультиметра к аноду и катоду тиристора. При этом прибор должен показывать большое сопротивление, близкое к бесконечности.
- При помощи перемычки соединяем анод и управляющий электрод. Сопротивление между анодом и катодом, показываемое мультиметром, должно упасть.
- Разъединяем анод и управляющий электрод. Сопротивление должно вырасти.
Можно также проверить тиристор при помощи лампочки и блока питания постоянного тока. Лампочка должна быть рассчитана на то напряжение, которое выдает блок питания. Подключаем положительный полюс блока питания на анод, а отрицательный на катод проверяемого тиристора.
При помощи батарейки, или щупов мультиметра включенного в режиме омметра, подаем отпирающее напряжение на управляющий электрод. Для этого подключаем положительное напряжение к аноду, а отрицательное к управляющему электроду. Если тиристор исправен, лампочка должна зажечься.
Если убрать напряжение между анодом и управляющим электродом лампочка должна продолжать гореть.
Существует способ проверить тиристор ку202н, не выпаивая его из схемы. Для этого нужно:
- Отключите плату, на которой находится тиристор, от питания.
- Отключаем от схемы управляющий электрод.
- Один тестер, настроенный на измерение постоянного напряжения, подключаем к аноду и катоду тиристора.
- Второй мультиметр включаем между анодом и управляющим электродом.
- Первый тестер должен показывать небольшое напряжение (десятки милливольт).
Хотя он уже снят с производства, его еще можно купить в некоторых местах. Кроме того он присутствует во многих старых электронных приборах, из которых его при желании можно выпаять. Его DataSheet можно скачать здесь.
Образец экзаменаKU PGCET 2020, схема выставления оценок и программа
KU PGCET 2020, широко известный как общий вступительный тест для аспирантов Университета Какатия, начнется в последнюю неделю мая в автономном режиме. Уведомления и детали экзаменов очень скоро будут загружены на официальный сайт университета.
- Вопросы являются вопросами объективного типа с несколькими вариантами ответов.
- Всего 100 вопросов, каждый по 1 баллу. Check KU PGCET Marking Scheme
- Экзамен должен быть выполнен за 150 минут.
- Обратите внимание, что для каждого курса схема экзамена может соответственно отличаться.
KU PGCET 2020 предлагает прием кандидатов на курсы PG в области искусства, науки и торговли, предлагаемые в университете, а также в университете Сатавахана, Каримнагар.
Основные характеристики KU PGCET 2020
Название университета | Университет Какатия |
Название экзамена | Общий вступительный тест для аспирантов Университета Какатия (KU PGCET) |
Официальный веб-сайт | kudoa ,в |
Уровень экзамена | Государственный уровень |
Режим экзамена | Автономный |
Знать о KU PGCET 2020 Допускная карта
Подробная информация о схеме экзамена KU PGCET 2020
Проверить Схема экзамена KU PGCET 2020 подробно описана ниже:
- KU PGCET 2020 будет проводиться в автономном режиме.
- Шаблон вопросов будет представлять собой вопросы с несколькими вариантами ответов.
- Вступительное испытание состоит из 100 вопросов, за каждый вопрос выставляется 1 балл.
- Продолжительность 150 минут.
- Все вопросы на английском.
- Для M. Ped, KU PGCET 2020 будет иметь 75 баллов с 75 вопросами с несколькими вариантами ответов.
- Оставшиеся 25 баллов будут выставлены на основе спортивных достижений кандидатов и будут выставлены Департаментом физического воспитания.
- M.Com. Вступительный тест должен быть общим для M.Com. Генерал, М.Com. (FA), M.Com. (B & I), M.Com. (СА).
- M.Sc. (Математика) Вступительный тест должен быть общим для M.Sc. (Математика), M.Sc. (статистика) и M.Sc. (Прикладная математика).
- В Массачусетском технологическом институте не будет вступительных испытаний на курсы PG по санскриту, хинди, урду, пищевым наукам и технологиям и магистратуре.
Основные характеристики схемы экзамена KUPGCET 2020
Режим экзамена | Автономный режим (на основе перьевой бумаги) оба |
Количество документов | 1 |
Тип бумаги вопроса | Тип вопросов с множественным выбором цели |
Всего оценок | 100 |
Продолжительность экзамена | 150 минут |
Язык экзамена | Английский |
Схема выставления оценок
- Всего оценок KU PGCET 2020 составляет 100
- Всего вопросов 100
- Каждый вопрос имеет 100 баллов
- В KU PGCET 2020 нет отрицательной оценки
KU PGCET 2020 Syllabus
KU PGCET будет проводиться для допуска в разные потоки, и каждый поток будет иметь свой собственный учебный план.Некоторые курсы с их программой приведены ниже:
Курс | Syllabus |
---|---|
Английский язык | Грамматика английского языка, книги и авторы, образы речи, литературные термины, возраст и движения, литературная оценка стихов и отрывков из прозы |
Экономика | Микроэкономика, макроэкономика, экономическое развитие и экономические проблемы Индии, |
Государственное управление | Концепции и теории, администрация Индии, управление ресурсами, |
Политология | Концепции, теории и институты, История Индии, История современной Европы |
Социология | Определение, масштаб и природа, ее отношение к другим наукам, человеческое общество, социализация, теория социальных договоров, статус женщин в индуистском обществе |
Человек Управление ресурсами | Понимание языка, общее Знания, проверка рассуждений, управленческие способности |
Магистр социальной работы | Человеческое общество, социальные группы, социальные институты, социальные проблемы, социальная работа |
Магистр образования | Фонд образования, Психологические основы образования, Образовательные технологии и компьютерное образование, управление школами и система образования |
Магистр управления туризмом | Географические условия Индии, ведическая культура, империя Маурьев, западное влияние на Индию |
M.Com | Экономика бизнеса, Промышленная организация и управление, Финансовый учет, Количественные методы, Финансовый менеджмент |
Ботаника | Разнообразие микробов, Разнообразие криптогам, Разнообразие цветущих растений: |
Зоология | Биология беспозвоночных и клеточная биология, биомолекулы клетки, физиология животных, прикладная зоология |
Рекомендуемые книги для KU PGCET 2020
Предметы | Имя | Автор | Издатель |
---|---|---|---|
Английский язык | Современный английский язык , Структура и композиция | Дэвид Грин | Мадрас: Macmillan |
Английский язык | Глоссарий литературных терминов | M.Х. Абрамс | Бангалор: Prism Books |
Комбинированные предметы | Общий вступительный тест для аспирантов Всеиндийского университета Какатия (KU PGCET) Книги 201 | Редакционная коллегия Викрама | — |
KU PGCET 2020 Важные инструкции
Кандидатам следует внимательно прочитать следующие инструкции, чтобы узнать больше о KU PGCET 2020:
- Ответы должны быть даны на листе ответов OMR.
- Все вопросы KU PGCET 2020 — это вопросы с несколькими вариантами ответов.
- Кандидатам следует внимательно прочитать инструкции, прежде чем переходить к ответу.
- Кандидаты должны отметить правильные ответы на листе ответов OMR.
- Кандидатам необходимо использовать шариковую ручку с синими или черными чернилами только для маркировки листа OMR.
- Отметьте круг полностью.
- Не отмечайте два ответа на один и тот же вопрос. В этом случае ваш ответ будет считаться неправильным.
- После завершения теста кандидаты должны поставить свою подпись в отведенном для этого месте на листе ответов OMR.
- Не складывайте, не рвите, не морщите и не скрепляйте лист для ответов.
- Если бланк для ответов неисправен, свяжитесь со своим наблюдателем до начала экзамена.
* В статье может быть информация за предыдущие учебные годы, которая будет скоро обновлена после уведомления, выпущенного Университетом / колледжем
.KU PGCET 2020 Право на участие, форма заявки, образец экзамена и консультации
Kakatiya University каждый приглашает студентов для поступления во все P.G., P.G. Диплом и Интегрированная программа магистра наук (5 год ) в различных дочерних колледжах через общий вступительный тест для аспирантов КУ. KU PGCET 2020 начнется в последнюю неделю мая 2020 года только на государственном уровне .
- KU PGCET 2020 Форма заявки будет доступна как в онлайн, так и в автономном режиме с 20 апреля 2020 года (предварительно).
- Кандидаты, которые не смогут подать заявку в установленные сроки, могут подать ее после этого с уплатой пошлины в размере рупий. 600 / -.
- Кандидаты, сдавшие 10 + 2 от признанной комиссии, имеют право подать заявку на экзамен. Проверка KU PGCET Право на участие
- Вопросник KU PGCET 2020 обычно будет содержать вопросов объективного типа с общим количеством 100 баллов .
- Общая продолжительность экзамена два с половиной часа.Проверьте образец экзамена KU PGCET
Основные характеристики KU PGCET 2020
Кандидаты должны взглянуть на приведенную ниже таблицу, чтобы быстро получить информацию за один раз:
Проводящий орган | Университет Какатия (KU) |
Режим экзамена | Автономный режим |
Продолжительность экзамена | Два с половиной часа |
Тип вопросов | Тип цели Вопрос |
Предлагаемые курсы | Различные P.G./P.G. Диплом и 5-летние интегрированные курсы магистратуры |
Даты экзаменов KU PGCET
Даты экзаменов KU PGCET 2020
Форма заявки KU PGCET 2020 будет опубликована на их официальном сайте. Плата за просрочку будет взиматься с тех, кто не подаст заявку в последний срок, указанный университетом. Приложение будет доступно на сайте университета kupgcet2020.com.
Событие | Важная дата (предварительно)) |
---|---|
Начало доступа и подачи онлайн-заявки | 3 -я неделя апреля 2020 года |
Последняя дата доступа и подачи онлайн-заявки | 3 рд неделя мая 2020 года |
Доступ к дате окончания и подача онлайн-заявки в дополнение к штрафу за просрочку в размере 600 индийских рупий | 3 рд неделя мая 2020 года |
Выпуск пропускных карт | 4 -я неделя мая 2020 года |
KU PGCET 2020 экзамен | 4 -й неделя мая — 1 -я неделя июня 2020 года |
KU PGCET Право на участие
KU PGCET 2020 Право на участие
Перед тем, как появиться на вступительных экзаменах, студенты должны проверить критерии отбора.Ниже приводится подробное объяснение критериев отбора на KU PGCET 2020:
- Кандидаты должны быть гражданами Индии.
- Они должны принадлежать только штату Телангана и соответствовать местным / неместным требованиям, установленным в Государственном образовательном учреждении Телангана.
- Студенты, которые сдали или явились на выпускной промежуточный экзамен 2020 года, имеют право на 5-летний интегрированный курс магистратуры.
- Для KUPGCET нет возрастных ограничений.
- Учащиеся, принадлежащие к общей категории, должны иметь гарантированные оценки в диапазоне от 45 до 50%, а кандидаты в зарезервированную категорию должны иметь 40% оценок на квалификационном экзамене.
KU PGCET Registration
KU PGCET 2020 Application Form
Те, кто желает подать заявку на KU PGCET 2020, должны быть гражданами Индии с соответствующей степенью окончания. KU PGCET 2020 Форма заявки доступна на официальном сайте с третьей недели апреля 2020 года.
Форма заявки может быть заполнена из любого места при наличии надежного подключения к Интернету. Перед заполнением формы заявки кандидаты должны иметь под рукой следующие документы при заполнении формы заявки:
- Мобильный номер
- KUPGCET — 2020 Информационная брошюра
- Документы, касающиеся личных данных и академической успеваемости
- Электронные копии сканированного паспорта размер фотографии фото и подпись.
Как заполнить форму заявки KU PGCET 2020:
- Посетите официальный сайт
- Нажмите «Ссылка для регистрации» в верхнем меню, чтобы зарегистрироваться в KU PGCET 2020.
- Введите имя и личные данные, а также идентификатор электронной почты, номер мобильного телефона и дату рождения, как указано в SSC или эквивалентном сертификате.
- После завершения ввода данных вам будет выслан идентификатор пользователя и пароль на номер мобильного телефона и идентификатор электронной почты, введенные при регистрации.
- Нажмите ссылку «ПРОДОЛЖИТЬ ОПЛАТУ», чтобы оплатить регистрационный взнос.
- Отправьте сообщение, и вы будете перенаправлены на следующую страницу.
- Введите другие личные данные, сведения о бронировании, сведения для связи.
- Загрузить фотографию паспортного размера и подпись в формате jpg / jpeg.
- Нажмите «СОХРАНИТЬ И ПРОДОЛЖИТЬ».
- Введите все сведения об образовании
- Нажмите «Сохранить».
- На странице предварительного просмотра откроется обзор всех введенных вами данных, которые можно сохранить или распечатать для дальнейшего использования.
KU PGCET 2020 Регистрационный взнос
Режим оплаты регистрационного сбора — онлайн. Регистрационный взнос KU PGCET 2020, переведенный кандидатами, не возвращается. Плата за подачу заявления взимается в соответствии с категорией кандидатов и одинакова для каждого курса.
Категория | Регистрационный взнос |
---|---|
Кандидаты в OC / BC | INR 450 |
Кандидаты в SC / ST / PH | INR 350 |
KU PGCET Admit Card
Приемная карта KU PGCET 2020
Приемная карта KU PGCET 2020 будет размещена онлайн на сайте университета. Допускная карта — это обязательный документ, который необходимо предъявить в экзаменационном центре, чтобы иметь право явиться на экзамен.Допускная карта будет содержать соответствующую информацию, такую как:
- Номер заявки
- Номер билета в зал
- Имя кандидата
- Имя отца
- Дата рождения
- Адрес места жительства соискателя
- Имя экзамена
- Подробная информация об экзамене центр
- Дата и время экзамена
- Фотография и подпись соискателя
- Важные инструкции
Шаги по загрузке допуска:
- Посетите сайт https: // www.kupgcet2020.com .
- Щелкните ссылку «ВХОД» в верхнем меню, чтобы загрузить карту доступа.
- Введите идентификатор пользователя и пароль и войдите в систему.
- Щелкните ссылку «Загрузить билет зала» в верхней части этого окна.
- Загрузите и распечатайте его для дальнейшего использования.
Экзаменационный центр KU PGCET 2020
KU PGCET 2020 будет проходить в центрах Варангал или Каримнагар. Кандидатам необходимо выбрать удобные для них центры при заполнении анкеты.Экзаменационные центры могут быть изменены университетом в случае, если для конкретной программы недостаточно или менее 100 кандидатов.
Для 5-летней интегрированной программы M.Sc экзаменационные центры будут расположены только в Варангале. Вступительные испытания не будут проводиться для программ MA (санскрит, индуизм, урду), M.Sc (пищевые науки и технологии) и M.Sc, MIT.
KU PGCET Exam Pattern
KU PGCET 2020 Exam Pattern
KU PGCET 2020 Exam Pattern будет включать 100 объективных вопросов.Общая продолжительность экзамена составит два с половиной часа по 100 оценок. За неправильные или неправильные ответы отрицательная оценка не ставится. Другая необходимая информация о KU PGCET 2020 представлена в таблице ниже:
Основные характеристики схемы экзамена
Режим экзамена | Автономный режим (на основе перьевой бумаги) оба |
Количество работ | 1 |
Вопросник Тип | Объективный тип вопросов с множественным выбором |
Всего оценок | 100 |
Продолжительность экзамена | 150 минут |
Язык экзамена | Английский |
KU PGCET 2020 Syllabus
Там такой конкретной программы для экзамена KU PGCET 2020 не существует.Это потому, что программа обучения будет меняться от курса к курсу. Контрольные работы не будут идентичны для каждого курса. Учебная программа будет охватывать часть соответствующих предметов, на которые претендует человек.
Программа некоторых курсов приведена ниже для удобства кандидатов:
Курс | Программа |
---|---|
Английский язык | Грамматика английского языка, книги и авторы, образы речи, литературные термины, возраст и движение , Литературная оценка стихотворения и отрывка из прозы |
Экономика | Микроэкономика, макроэкономика, экономическое развитие и экономические проблемы Индии, |
Государственное управление | Концепции и теории, администрация Индии, управление ресурсами, |
Политология | Концепции, теории и институты, история Индии, история современной Европы |
Социология | Определение, масштаб и природа, ее отношение к другим наукам, человеческое общество, социализация, теория общественного договора, статус женщин в индуистском обществе |
Мана человеческих ресурсов gement | Понимание языка, общие знания, тест рассуждений, управленческие способности |
Магистр социальной работы | Человеческое общество, социальные группы, социальные институты, социальные проблемы, социальная работа |
Магистр образования | Фонд Образование, Психологические основы образования, Образовательные технологии и компьютерное образование, Управление школами и система образования |
Магистр управления туризмом | Географические условия Индии, Ведическая культура, Империя Маурьев, Западное влияние на Индию |
Mcom | Экономика бизнеса, Промышленная организация и управление, Финансовый учет, Количественные методы, Финансовый менеджмент |
Ботаника | Разнообразие микробов, Разнообразие криптогам, Разнообразие цветущих растений: |
Зоология | Биология беспозвоночных и клеточная биология logy, Биомолекулы клетки, Физиология животных, Прикладная зоология |
KU PGCET Books
KU PGCET 2020 Рекомендуемые книги
Помимо ответов на вопросы предыдущего года и типовых вопросов, рекомендуется следовать книгам которые доступны как онлайн, так и офлайн.Несколько названий популярных книг сведены в следующую таблицу:
Книги | Автор | Номер ISBN |
---|---|---|
Руководство по успеху PGCET-ME / M.Tech / EC / TC | Команда экспертов | — |
Последний штрих к PGCET | Доктор Шрадха Ранвал Гадия | 9789385915840, 9385915843 |
Руководство по успеху PGCET-ME / M.Tech / CSE / ISE | Книжный дом Васанта | — |
Руководство по успеху PGCET-M.E./M.Tech/Mech Engg | Команда экспертов | — |
KU PGCET Result
KU PGCET 2020 Result
KU PGCET 2020 Результат будет эквивалентен своему рангу открытка. Кандидаты могут перейти на официальный сайт для проверки своего результата. Результат будет опубликован вскоре после сдачи экзамена. Результат будет состоять из информации, включая рейтинг, результат и оценку.
Шаги для загрузки результата:
- Перейдите по ссылке www.kupgcet2020.com.
- Щелкните ссылку «KU PGCET 2020 Result».
- Введите регистрационный номер и дату рождения.
- Нажмите кнопку «Отправить».
- Загрузить результат для дальнейшей процедуры приема
KU PGCET Cutoff
KU PGCET 2020 Cut Off
Кандидат, получивший самые высокие оценки, будет предпочтительнее для процедуры консультирования. Точно так же кандидату, имеющему лучший ранг, будут предоставлены возможности приема в лучшие колледжи, входящие в KU.Ожидаемое сокращение на 2020 год представлено в таблице ниже:
Категория | Знаки отсечения |
---|---|
Открытая категория | 30 |
Обратное забрасывание | 30 |
Физически инвалиды | 30 |
Расписание Cast | 0 |
Расписание Tribe | 0 |
Консультации KU PGCET 2020
Консультации KU PGCET 2020 будут проводиться в три раунда.Кандидаты, успешно прошедшие вступительное испытание, имеют право на консультацию. Первый раунд консультации начнется вскоре после объявления результатов. В день консультации кандидаты должны следовать приведенным ниже инструкциям:
- Все кандидаты обязаны принести в центр свидетельства о переводе в день консультации для проверки. Один комплект фотокопий необходимо отправить в место консультации.
- Плата за консультацию должна быть снята в день консультации, чтобы получить форму приема и пропускную карту для консультации.
- После подтверждения приема кандидаты должны сообщить в соответствующий колледж в течение указанной даты, указанной в приемной карте, и предоставить следующие документы:
- Приемная карта
- Приемная форма
- Сертификат о переводе в дополнение ко всем оригиналам ,
* В статье может быть информация за предыдущие учебные годы, которая будет скоро обновлена после уведомления, выпущенного Университетом / колледжем
.