Что такое приемник прямого усиления. Как устроены детекторные, рефлексные и другие типы приемников прямого усиления. Каковы преимущества и недостатки таких схем по сравнению с супергетеродинными приемниками. Где применяются приемники прямого усиления в современной радиотехнике.
Принцип работы приемников прямого усиления
Приемники прямого усиления представляют собой один из старейших типов радиоприемных устройств. Их главная особенность заключается в том, что принимаемый радиосигнал усиливается на той же частоте, на которой он был передан, без преобразования в промежуточную частоту.
Основные элементы схемы приемника прямого усиления включают:
- Входной колебательный контур для выделения нужного сигнала
- Усилитель высокой частоты
- Детектор для выделения модулирующего сигнала
- Усилитель низкой частоты
Как работает такая схема? Сигнал с антенны поступает на входной контур, который настроен на частоту принимаемой радиостанции. Далее сигнал усиливается на этой же частоте в УВЧ и поступает на детектор. После детектирования выделенный звуковой сигнал усиливается в УНЧ и подается на громкоговоритель.

Детекторные приемники — простейший вариант прямого усиления
Самым простым типом приемника прямого усиления является детекторный приемник. Его схема включает только входной колебательный контур и детектор. Усилительные каскады в нем отсутствуют.
Как работает детекторный приемник?
- Антенна принимает радиосигналы от разных станций
- Входной контур выделяет сигнал нужной частоты
- Детектор преобразует модулированный ВЧ сигнал в НЧ
- Выделенный звуковой сигнал подается на наушники
Преимущества детекторного приемника — предельная простота и отсутствие источников питания. Недостаток — очень низкая чувствительность и избирательность. Такой приемник способен принимать только мощные местные радиостанции при использовании хорошей наружной антенны.
Особенности рефлексных приемников
Рефлексная схема позволяет повысить эффективность приемника прямого усиления за счет двойного использования усилительных каскадов. Как это работает?
- Сигнал сначала усиливается на высокой частоте
- После детектирования НЧ сигнал возвращается на вход УВЧ
- Тот же каскад усиливает теперь уже низкую частоту
- Далее усиленный НЧ сигнал поступает на громкоговоритель
Таким образом, один каскад выполняет функции и УВЧ, и УНЧ. Это позволяет получить большее усиление при меньшем количестве активных элементов. Недостаток — сложность настройки из-за возможной неустойчивости схемы.

Многокаскадные приемники прямого усиления
Для повышения чувствительности и избирательности в приемниках прямого усиления может использоваться несколько каскадов УВЧ. Какие особенности имеют такие схемы?
- Каждый каскад содержит резонансный контур
- Настройка всех контуров производится синхронно
- Между каскадами необходима тщательная экранировка
- Часто применяется автоматическая регулировка усиления
Многокаскадные приемники прямого усиления позволяют получить высокую чувствительность. Однако они сложны в настройке и подвержены самовозбуждению. Поэтому в современной технике они практически не применяются.
Преимущества и недостатки приемников прямого усиления
Приемники прямого усиления имеют ряд достоинств по сравнению с супергетеродинными схемами:
- Простота конструкции
- Отсутствие побочных каналов приема
- Высокая линейность тракта
- Малые искажения при приеме АМ сигналов
К недостаткам можно отнести:
- Низкую избирательность по соседнему каналу
- Сложность обеспечения высокого усиления
- Трудности при создании многодиапазонных приемников
Из-за этих недостатков приемники прямого усиления практически не используются в современной бытовой радиоаппаратуре. Однако в некоторых специальных областях они по-прежнему находят применение.

Области применения приемников прямого усиления
Несмотря на то, что приемники прямого усиления во многом уступают супергетеродинным схемам, они до сих пор используются в некоторых областях:
- Простейшие детекторные приемники — для обучения основам радиотехники
- Измерительная техника — в качестве селективных микровольтметров
- Радиолюбительская аппаратура — простые коротковолновые приемники
- Профессиональная связь — для приема сигналов телеуправления
В каких случаях применение приемников прямого усиления может быть оправдано? Прежде всего там, где требуется предельная простота конструкции или высокая линейность тракта. Также они находят применение на очень высоких частотах, где супергетеродинный принцип работает хуже.
Современные модификации приемников прямого усиления
В настоящее время разрабатываются новые варианты приемников прямого усиления, позволяющие улучшить их характеристики:
- Приемники с цифровой обработкой сигнала
- Приемники прямого преобразования
- Программно-определяемые радиосистемы
Такие решения позволяют реализовать преимущества прямого усиления при существенном улучшении избирательности и чувствительности. Это открывает новые возможности применения подобных схем в современной радиоаппаратуре.

Сравнение приемников прямого усиления и супергетеродинных
Чтобы лучше понять особенности приемников прямого усиления, сравним их с наиболее распространенными супергетеродинными схемами:
| Параметр | Прямое усиление | Супергетеродин |
|---|---|---|
| Чувствительность | Низкая | Высокая |
| Избирательность | Низкая | Высокая |
| Линейность тракта | Высокая | Средняя |
| Побочные каналы | Отсутствуют | Присутствуют |
| Сложность настройки | Высокая | Низкая |
Как видно из таблицы, приемники прямого усиления уступают супергетеродинным по основным параметрам. Однако в некоторых специфических применениях их преимущества могут оказаться решающими.
Радиоприемники. Радиоэлектроника, схемы радиолюбителям
1. Телеграфный гетеродин
2. Конвертер
3. Радиоприемник рефлексный
4. Радиоприемник прямого усиления
5. Радиоприемник детекторный
1. Телеграфный гетеродин
Если Вы уже освоили телеграфную азбуку, можете послушать радиолюбительский эфир и понаблюдать за связями между коротковолновиками. Наиболее просто это сделать на любительском диапазоне 40 м (7…7,1 МГц), который охватывают многие современные радиовещательные приемники с коротковолновым диапазоном. Правда, сразу услышать «морзянку» не удается. Дело в том, что приемник рассчитан на прием модулированных сигналов по амплитуде, а любительские передатчики излучают «порции» радиочастотных сигналов разной длительности. Настроившись на такую радиостанцию, Вы ничего не услышите в громкоговорителе, реагировать на сигналы будет лишь индикатор настройки (если он есть) приемника.
Чтобы услышать телеграфные сигналы, в приемник следует ввести второй гетеродин — телеграфный. Он представляет собой генератор колебаний с частотой, близкой к промежуточной. Сигнал второго гетеродина подают на один из каскадов тракта промежуточной частоты. В результате смещения обоих сигналов на детекторе выделяется разностный сигнал звуковой часто ты, хорошо слышимый в громкоговорителе. Теперь каждому излучению любительского передатчика будет соответствовать тональный сигнал разности частот тракта ПЧ приемника и телеграфного гетеродина.
Схема одного из вариантов телеграфного гетеродина приведена на рис. Т-7. Гетеродин рассчитан на работу с супергетеродинными приемниками, имеющими промежуточную частоту 465 кГц. Мощности гетеродина достаточно для того, чтобы его вообще не подключать к приемнику, а располагать рядом с ним — на расстоянии до 10 см. Сигнал гетеродина будет поступать на каскады приемника через индуктивные и емкостные связи.
Колебания в гетеродине возникают из-за положительной обратной связи между коллекторной и базовой цепями транзистора.
Она, в свою очередь, образуется катушкой индуктивности L1, связанной индуктивно с L2, и конденсатором С1. Режим работы транзистора по постоянному току задается резистором.
Катушки намотаны на каркасе унифицированного регулятора размера строк (РРС) от телевизоров устаревших моделей (например, «Рубин-102»), Имеющуюся обмотку используют в качестве катушки L2, a L1 наматывают поверх нее примерно в середине — 30 витков провода ПЭВ-1 0,15…0,3. При отсутствии РРС можно воспользоваться тюбиком от губной помады и намотать катушки на нем: L2 должна содержать 300 витков провода ПЭВ-1 0,3, размещенных внавал по всей поверхности тюбика, L1 — 30 витков такого же провода. В подвижную часть тюбика вместо помады вставляют отрезок ферритового стержня с магнитной проницаемостью 400 или 600.
Как и в РРС, при вращении ручки тюбика будет изменяться индуктивность катушки L2, а значит, перестраиваться частота телеграфного гетеродина.
Источник питания — два элемента 316, соединенные последовательно. Выключатель питания — тумблер, конденсатор — КТК, резистор — МЛТ-0,125.
Для размещения деталей гетеродина подойдет небольшая коробка (рис. Т-8) из изоляционного материала. К съемной стенке крепят РРС, выключатель питания и перегородку с установленными на ней элементами. К перегородке удобно прикрепить планку с металлическими лепестками и на планке разместить транзистор, резистор и конденсатор.
Налаживать изготовленный гетеродин лучше всего с осциллографом. Его подключают через конденсатор небольшой емкости к выводам эмиттера и коллектора транзистора. При включении гетеродина на экране осциллографа должны наблюдаться колебания. Если их нет, следует изменить полярность подключения выводов катушки L1.
При использовании транзистора с малым коэффициентом передачи может понадобиться уменьшить сопротивление резистора. Добившись надежной работы гетеродина, подбирают его частоту около 465 кГц вращением ручки РРС. Контроль частоты ведут по меткам осциллографа или с помощью фигур Лиссажу (в этом случае понадобится, естественно, высокочастотный генератор).
Затем проверяют гетеродин в работе. Настроив приемник на какую- либо вещательную радиостанцию, подносят к нему гетеродин и вращают ручку РРС. В одном из положений ручки в громкоговорителе приемника раздастся свист — сигнал биений частоты гетеродина и промежуточной. Ручку оставляют в таком положении, при котором частота этого сигнала равна примерно 1 кГц. При расстройке приемника в сторону от частоты радиостанции свист должен пропадать. В таком положении можно принимать любительские радиостанции, работающие в диапазоне 40 м телеграфом. Наилучшее расстояние между гетеродином и приемником подбирают экспериментально.
Возможно, Вы пожелаете встроить второй гетеродин в радиоприемник.
Тогда его можно собрать по несколько иной схеме, приведенной на рис. Т-9. Генерация возникает из-за связи между коллекторной и эмиттерной цепями транзистора через конденсатор С4. Частоту колебаний определяет контур C3L1.
Транзистор может быть любым из серий МП39—МП42 с коэффициентом передачи тока не менее 40. В качестве L1 следует использовать катушку контура ПЧ вещательного радиоприемника. Конденсаторы С1, С2 — МБМ, СЗ и С4 — КСО, КТК. Источник питания — любой гальванический элемент (316, 332, 343, 373), выключатель питания — любой конструкции. Если гетеродин будет использоваться с транзисторным радиоприемником, его можно питать от источника приемника cнизив с помощью делителя напряжение до 1,5…3 В.
Все детали гетеродина следует смонтировать на плате из изоляционного материала и расположить ее вблизи каскадов усилителя ПЧ. Выключатель можно расположить на задней стенке приемника.
Налаживание гетеродина сводится к подстройке его на заданную частоту подбором конденсатора СЗ и вращением подстроечника катушки.
Контролировать колебания можно, как и в предыдущем случае, с помощью осциллографа, подключенного к коллектору транзистора и общему проводу (плюсовой вывод источника питания). Этими же деталями устанавливают наиболее приятную тональность сигналов.
2. Конвертер
Конвертер — слово латинского происхождения, означает «перевертывать», «превращать», «преобразовывать». Устройство, именуемое конвертером, действительно преобразовывает — сигнал одной частоты в сигнал другой частоты. Если, например, у Вас есть радиоприемник с длинно- и средневолновым диапазонами, а Вы желаете принимать на него еще и коротковолновые радиостанции, без конвертера не обойтись — он преобразует сигналы радиостанций КВ диапазона в сигналы, частота которых лежит в СВ диапазоне.
Принцип работы конвертера схож с принципом работы преобразователя частоты супергетеродинного приемника. Он также имеет смеситель, гетеродин, входной и выходной контуры (рис. К-7). Промежуточная частота конвертера иная, перестройка на частоты принимаемых радиостанций производится в небольших пределах.
Конвертер, подключенный к антенному гнезду приемника прямого усиления, позволяет слушать передачи коротковолновых радиостанций не во всем диапазоне, а только в его наиболее насыщенном радиостанциями участке. Почему так происходит?
Промежуточной частотой конвертера является частота одного из диапазонов приемника. Обычно для этих целей принимают частоту 1,2 МГц, которая соответствует длине волны 250 м в диапазоне СВ. На эту частоту настраивают выходной контур конвертера. Входной контур настраивают на выбранный коротковолновый диапазон. Это могут быть диапазоны 25, 31, 41, 49 м и другие. Из них диапазон 25 м наиболее насыщен радиостанциями. На него нередко и рассчитывают конвертеры.
Все радиостанции диапазона 25 м занимают полосу частот около 0,4 МГц (400 кГц). Конвертер должен пропускать всю эту полосу частот, иначе приемник будет реагировать на сигналы только части радиостанций. Зависит это в основном от настройки и полосы пропускания выходного контура конвертера.
Принцип приема радиостанции выбранного диапазона КВ иллюстрируют графики, приведенные на рис. К-8. На первом графике (рис. К-8, а) показано расположение частот гетеродина конвертера по отношению к частотам радиостанций. Возьмем только три радиостанции. Две из них имеют частоты на краю диапазона (fj и f3), третья — в середине (f2). Частоту гетеродина конвертера freT устанавливают такой, чтобы разность freT — f2 соответствовала промежуточной частоте 1,2 МГц. Разность частоты гетеродина по отношению к крайним частотам f, и f3 будет другим значением промежуточной частоты.
На графике на рис. К-8, б показана характеристика выходного контура конвертера. Поскольку его резонансная частота 1,2 МГц, то напряжение промежуточной частоты от средней радиостанции будет максимальным, а от остальных несколько меньше.
На графике на рис. К-8,в показана полоса пропускания приемника. В данном случае приемник настроен на частоту fnp2, поэтому будет принимать передачу средней радиостанции.
Для приема программ других радиостанций нужно перестроить приемник на другую частоту. Например, при настройке на частоту fnpi будет приниматься первая радиостанция, а на fnp3 — третья. Таким образом, приемник будет перестраиваться в диапазоне СВ, а принимать будет радиостанции диапазона КВ.
Можно поступить и так: установить частоту входного контура приемника равной 1,2 МГц (длина волны 250 м), а настраиваться на радиостанции изменением частоты гетеродина конвертера. Этот способ хотя и позволяет несколько повысить чувствительность системы конвертер — приемник (за счет максимальной амплитуды сигнала промежуточной частоты для каждой радиостанции), но дает меньшую точность настройки на радиостанции.
Можно избрать и другой, более оптимальный режим: грубую на стройку осуществлять конвертером, а точную — настройкой входного контура приемника.
Следует уточнить, что конвертер пригоден как для работы с приемниками прямого усиления, так и с супергетеродинными.
Познакомимся с некоторыми конкретными конструкциями конвертеров.
Однодиапазонный конвертер
Схема его приведена на рис. К-9. Конвертер предназначен для работы с малогабаритным транзисторным приемником и рассчитан на прием радиостанций в диапазоне 25 м. Причем в приемнике никаких изменений или подпаек делать не нужно — достаточно расположить конвертер рядом с приемником и установить на приемнике диапазон СВ.
Сигнал радиостанции, на которую настроен входной контур L1C2, через катушку связи L2 и конденсатор СЗ поступает на базу транзистора VT1 смесительного каскада. Сигнал гетеродина подается в эмиттерную цепь этого транзистора через катушку L4, индуктивно связанную с контуром гетеродина. Контур в коллекторной цепи транзистора, состоящий из катушки L3 и ее собственной емкости, выделяет сигнал промежуточной частоты, который и улавливает магнитная антенна приемника.
Колебательный контур гетеродина образуют катушка L5 и подстроечный конденсатор С5.
Конденсатор С6Г включенный между коллектором и эмиттером транзистора VT2, создает положительную обратную связь, необходимую для возбуждения гетеродина. Необходимое напряжение смещения на базе транзистора снимается с делителя R2R3. Такой способ подачи напряжения смещения повышает устойчивость работы гетеродина при изменении окружающей температуры. По радиочастоте база соединена с общим проводом через конденсатор С4.
Питается конвертер от батареи GB1 напряжением 9 В.
Для хорошей работы конвертера в нем должны использоваться только высокочастотные транзисторы, например П402, П403, П416, П417 с коэффициентом передачи тока не менее 40.
Для катушек индуктивности нужны два каркаса из изоляционного материала диаметром 7 и высотой 18 мм с подстроечниками из феррита и провод ПЭВ-1 0,1. У самого основания одного из каркасов наматывают катушку L1 (9 витков), а отступив от нее 1…2 мм — катушку L2 (2 витка). Витки катушек закрепляют нитками или клеем.
Индуктивность катушки L1 должна быть 4,2 мкГн (подгоняют подстроечником).
Аналогично наматывают и катушки гетеродина. Катушка L5, намотанная у основания каркаса, должна содержать 11 витков (ее индуктивность 3,3 мкГн также подгоняют подстроечником), a L4 — 3 витка. Катушку L3 наматывают на плоском ферритовом стержне размерами 125X16X4 мм. Она должна содержать 80 витков провода ПЭЛШО 0,1…0,2, уложенных на стержень виток к витку.
Подстроечные конденсаторы — КПК-1, конденсаторы СЗ и С4 — КДС или другие малогабаритные емкостью 3300…6800 пФ. Остальные конденсаторы могут быть типа КТК, КТМ.
Источник питания — батарея «Крона» или аккумуляторная батарея 7Д-0,115. Но конвертер можно питать и от батареи приемника, что значительно уменьшает габариты конвертера. Но в этом варианте следует в разрыв минусового провода питания конвертера включить RC фильтр из резистора сопротивлением 100…300 Ом и конденсатора емкостью 3300…9100 пФ.
Антенной служит отрезок провода длиной 1…1,5 м. Если же Вы встроите конвертер непосредственно в приемник, то к корпусу приемника можно прикрепить выдвижную телескопическую антенну.
Большинство деталей конвертера размещено на плате (рис. К-10), габариты которой определяются имеющимися у Вас деталями. Плату устанавливают внутри небольшого корпуса, а рядом с платой крепят плоский ферритовый стержень с намотанной на нем катушкой L3. Внутри корпуса размещают и источник питания, а на одной из стенок корпуса крепят выключатель и антенное гнездо. Во время работы конвертер располагают вплотную к задней стенке приемника (рис. К-11), для чего на ней желательно предусмотреть, например, крепежные скобки.
Налаживание конвертера начинают с проверки монтажа, а затем режима работы транзисторов. При необходимости ток коллекторной цепи транзистора VT2, равный 1…1,2 мА, устанавливают подбором резистора R2, а коллекторный ток транзистора VT1 (0,8.
..1 мА) — подбором резистора R1. Затем к базе транзистора VT1 через конденсатор емкостью 10…15 пФ подключают наружную антенну (отрезок провода). Конденсатор СЗ временно отключают от базы транзистора. Конвертер со стороны катушки L3 вплотную подносят к магнитной антенне приемника, настроенного на длину волны 250 м, и, вращая отверткой из изоляционного материала (текстолит, органическое стекло) ротор подстроечного конденсатора С5, добиваются приема сигналов радиостанций. Ротор этого конденсатора устанавливают в такое положение, чтобы при расстройке приемника в обе стороны от волны 250 м была слышна примерно половина радиостанций диапазона 25 м. Если только подстроечным конденсатором этого еделать не удается, изменяют индуктивность катушки гетеродина подстроечником или подключают параллельно подстроечному конденсатор емкостью 10…15 пФ.
После этого восстанавливают соединение конденсатора СЗ с базой транзистора VT1, антенну включают в гнездо XS1, настраивают приемник на слабо слышимую радиостанцию и подстроечным конденсатором С2 и подстроечником катушки L1 входного контура добиваются максимальной громкости сигналов этой станции.
В случае необходимости можно подключить постоянный конденсатор параллельно подстроечному С2. Иногда повысить громкость удается подключением параллельно катушке L3 конденсатора, емкость которого подбирают экспериментально.
В том случае, когда в приемнике есть гнездо для подключения внешней антенны, выход конвертера можно соединить с ним. Тогда удастся получить большую чувствительность при приеме коротковолновых радиостанций. Конвертер для такого варианта лучше всего собрать по схеме, приведенной на рис. К-12, — она немного отличается от предыдущей. Режим работы транзистора VT1 по постоянному току определяется резисторами R1, R2 и R8 и в процессе налаживания его устанавливают резистором R1. Режим работы транзистора VT2 определяется резисторами R4—R6, при необходимости его устанавливают точнее подбором резистора R5. По цепям питания каскады (смеситель и гетеродин) конвертера развязаны с помощью фильтра R3C4. Потребляемый конвертером ток не превышает 2 мА.
Питать конвертер можно как от автономного источника, например, «Кроны» или 7Д-0,115, так и от батареи приемника.
В первом случае резистор R9 ставить не надо, а во втором он необходим, поскольку с конденсатором С6 образует фильтр, предотвращающий паразитную связь между конвертером и приемником по цепи питания.
Контурные катушки конвертера намотаны на стандартных полистироловых каркасах диаметром 8 мм с подстроечником диаметром 2,8 мм из феррита (100НН или 100ВЧ). Каркасы со стороны прямоугольной части с впрессованными выводами отрезают, укорачивают до длины 20 мм и вклеивают в отверстия платы с помощью полистиролового клея или клея БФ. Катушки L1 и L3 наматывают вблизи основания каркасов, а катушки связи L2 и L4 — на подвижных каркасах, изготовленных из кабельной бумаги (подойдет и обычная писчая бумага, пропитанная парафином). Катушка L1 содержит 1S, а катушка L3 — 12 витков провода ПЭЛШО 0,41. Катушки L2 и L4 содержат по 3 витка провода ПЭЛШО 0,12.
Катушку L5 наматывают на кольце внешним диаметром 8…10 мм из феррита 600НН или 100СНН и приклеивают к плате клеем.
Ее обмотка содержит 300 витков провода ПЭВ-1 диаметром 0,1…0,12 мм.
Резисторы — МЛТ-0,125 или МЛТ- 0,25. Конденсаторы СЗ, С4, С7, С10 и С11—КЛС или КДС; С1, С5 и С8 — КТМ или КТ-1 А; С6 — К50-6; С2 и С9 —КПК-1 или КПК-1 М емкостью 6…25 или 5…20 пФ. Транзисторы П423 можно заменить на П403, П410 или ГТ308 с коэффициентом передачи тока 60…80.
Большая часть деталей конвертера смонтирована на плате (рис. К-13) из одностороннего фольгированного стеклотекстолита толщиной 1,5…2 мм. Соединение, обозначенное штриховой линией, выполняют со стороны деталей (можно и печати) монтажным проводом в изоляции. Плату размещают в корпусе подходящих габаритов, а на стенке корпуса крепят входное и выходное гнезда и выключатель питания. Источник питания размещают внутри корпуса. Конечно, как и в предыдущем случае, конвертер можно разместить внутри приемника.
Налаживание конвертера начинают с проверки и установки указанных на схеме режимов работы транзисторов.
Дальнейшие действия — такие же, что и для предыдущей конструкции, за исключением того, что конвертер располагают рядом с приемником и соединяют проводником его выходное гнездо с антенным гнездом приемника.
Трехдиапазонный конвертер
Аналогичен по схеме (рис. К-14) предыдущему конвертеру и отличается от него введением нескольких новых элементов, в частности переключателя диапазонов SA1 и конденсаторов С2, СЗ, С10, С11, С15—С18, позволивших осуществить прием радиовещательных станций еще в двух коротковолновых диапазонах — 31 и 41 м.
Конвертер смонтирован на плате из одностороннего фольгированного стеклотекстолита толщиной 2 мм (рис. К-15). Конфигурация платы обусловлена использованием конвертера совместно с радиоприемником «Атмосфера» (со стороны размещения деталей конвертер закрывается экраном и устанавливается на боковой стенке внутри корпуса приемника вблизи антенного гнезда). Ручка переключения диапазонов при этом выводится на наружную боковую стенку.
Соединение, показанное на рисунке штриховой линией, выполняют (с любой стороны) экранированным проводом, экран подпаивают к плюсу питания (общий провод конвертера) и надевают на экран трубку из поливинилхлорида или другого изоляционного материала. Намоточные данные катушек индуктивности те же, что и предыдущего конвертера. Переключателем SA1 может быть одноплатный малогабаритный галетный переключатель на три или пять положений. Конденсаторы С15 — С18 — КТМ или КТ-1 А. Они распаяны непосредственно на соответствующих подстроечных конденсаторах.
Налаживают конвертер (после проверки и установки режимов работы транзисторов) так же, как и предыдущий, на каждом диапазоне. Конечно, при наличии генератора стандартных сигналов (ГСС) и осциллографа налаживание значительно упростится, а главное, станет более наглядным. При этом сигнал от генератора подают на антенное гнездо конвертера (или вначале на базу транзистора VT1), а на антенном гнезде приемника контролируют сигнал с помощью осциллографа.
На его экране удастся увидеть даже небольшие изменения амплитуды сигнала как при перестройке генератора по частоте, так и при налаживании конвертера в том или ином диапазоне.
Конвертер коротковолновика-наблюдателя
Предназначен для приема сигналов любительских станций двадцатиметрового диапазона (14…14,35 МГц) на вещательный радиоприемник, имеющий диапазон СВ.
Схема конвертера приведена на рис. К-16. Сигнал из антенны (ее подключают к гнезду XS1) поступает через конденсатор С1 на колебательный контур L1C2C3, настроенный на середину любительского диапазона. Емкость конденсатора С1 небольшая, чтобы уменьшить влияние антенны на частоту настройки контура.
Конденсаторы С2 и СЗ образуют емкостный делитель, способствующий лучшему согласованию контура с входным сопротивлением смесителя, выполненного на транзисторе VT1. Сигнал с этого делителя поступает на базу транзистора. Одновременно на базу подается через конденсатор С4 напряжение гетеродина, имеющего частоту 12,8 МГц. В итоге на выходе смесительного каскада появляется целый спектр сигналов суммарных, разностных и кратных частот. Полезным для нас является сигнал с частотой, равной разности принимаемой частоты и частоты гетеродина, — его и выделяет из спектра сигналов катушка L3, стоящая в коллекторной цепи транзистора как нагрузка, а также приемник, подключенный к катушке через конденсатор С7.
Гетеродин конвертера собран на транзисторе VT2, включенном по схеме с общей базой. Колебательный контур гетеродина L2C11 включен в цепь коллектора транзистора.
В конвертере можно применить любые транзисторы серии КТ315. Резисторы — МЛТ-0,125 или 0,25; конденсаторы С1, С4, С7, С9 — С11—КТ-1; С5, С8, С12, С13 — КЛС или КМ; С6 — К50-6. Катушка L1 намотана проводом ИЭВ-2 0,25 и содержит 24 витка, катушка L2 содержит 14 витков такого же провода. Обе катушки намотаны на каркасах диаметром 8 и длиной 13 мм из диэлектрика. Внутри каркасов нарезана резьба для подстроечников СЦР-1. Катушка L3 должна содержать 30…40 витков провода ПЭВ-2 0,08…0,15, намотанных на магнитном сердечнике, например СЦР-1. Ее можно заменить дросселем Д-0,1 (индуктивностью 100 мкГн).
Детали конвертера смонтированы на плате из гетинакса (можно текстолита) методом навесного монтажа (рис. К-17 — линии черного цвета). Монтаж выполнен на стойках, представляющих собой отрезки провода диаметром около 1 мм, вставленных с трением в отверстия платы. Плату укрепляют внутри подходящего корпуса, который в дальнейшем располагают в непосредственной близости от вспомогательного приемника. Еще лучше установить плату внутри приемника, например на картонной крышке задней стенки вблизи антенного гнезда.
Настройку конвертера начинают с проверки постоянных напряжений на коллекторах и эмиттерах транзисторов. Напряжения на коллекторах должны быть соответственно + 4,5 и +7,5 В, на эмиттерах — + 1 и +0,3 В (допускаются отклонения до ±10%).
После этого выход конвертера подключают к антенному гнезду приемника. Стрелку указателя настройки устанавливают вблизи 1,2 МГц (250 м). Ко входу конвертера подключают генератор модулированных сигналов (выходной уровень — около 1 мВ) и перестраивают его частоту в пределах от 13 до 15 МГц. В каком-то из положений ручки перестройки генератора в динамической головке приемника будет слышен тон звуковой частоты. Если частота генератора при этом будет ниже 14 МГц, увеличивают частоту гетеродина, вывинчивая подстроечник катушки L2. Если она окажется выше 14 МГц, наоборот, ввинчивают подстроечник.
В том случае, когда изменением индуктивности катушки L2 не удается настроить конвертер на 14 МГц, надо изменить емкость конденсатора С11.
Когда частота приема сигнала совпадает с отметкой 14 МГц на генераторе, перестраивают приемник на 1350 кГц (1,35 МГц). Уровень выходного сигнала генератора уменьшают до 200 мкВ (0,2 В) и перестраивают генератор вверх по частоте — на 14,15 МГц, после чего настраивают подстроечником катушки L1 входной контур по наибольшей громкости звука в приемнике. По мере возрастания громкости входное напряжение от генератора постепенно уменьшают. Если этого не сделать, в супергетеродинном приемнике сработает система автоматической регулировки усиления, что может привести к ошибке при настройке.
Вот теперь можно подключить ко входу конвертера наружную антенну и приступить к наблюдениям за работой любительских станций. Если градуированного генератора сигналов у вас нет, придется настраивать конвертер по сигналам работающих станций. Общие принципы настройки при этом сохраняются, но сама процедура, естественно, намного усложняется. При работе с конвертером нужно учесть следующее: используемый приемник не должен иметь встроенной магнитной антенны. Если же она есть, ее следует отключить. В противном случае приемник станет принимать также и станции средневолнового диапазона, которые будут мешать приему любительских станций. Не забудьте также, что любители в основном работают телеграфом и на SSB. Чтобы на обычный приемник можно было принимать такие сигналы, нужно оснастить приемник телеграфным гетеродином.
Чувствительность конвертера в основном зависит от чувствительности вспомогательного приемника. Чтобы принимать сигналы дальних, а значит, слабых станций, конвертер можно дополнить усилителем радиочастоты, схема которого приведена на рис. К-18. Коэффициент усиления его составляет примерно 10, значит, общая чувствительность системы конвертер — приемник увеличится еще в 10 раз. Усилитель собран на транзисторе VT3 по схеме с общим эмиттером. Детали в нем применены точно такие же, что и в смесителе конвертера, включая и катушки L4, L5.
Усилитель можно собрать на общей плате с конвертером — на рис. К-17 показана именно такая конструкция.
Детали усилителя выделены цветом.
Налаживание усилителя сводится к тому, что после проверки и установки режимов работы транзистора, а также после подключения к уже работающему конвертеру на вход усилителя подают сигнал частотой 14,15 МГц (напряжением около 50 мкВ) и настраивают контур L4C16C17 по наибольшему уровню звукового сигнала в приемнике. Для максимального упрощения конструкции конвертер сделан однодиапазонным. При этом был выбран самый оживленный любительский диапазон — 14 МГц. Возможно, что, приобретя опыт наблюдений за любительскими станциями, Вы захотите освоить и другие любительские диапазоны. Это можно будет сделать, добавив к конвертеру сменные входные и гетеродинные контуры либо введя переключатель диапазонов, как это было в трехдиапазонном конвертере на радиовещательные диапазоны. А чтобы удалось распознавать «разговор» между станциями, работающими телеграфом, понадобится еще одна приставка к приемнику — телеграфный гетеродин.
3. Радиоприемник рефлексный
Рефлексными называют приемники, в которых одни и те же каскады выполняют двойную функцию — усиливают как радиочастотный сигнал, так и колебания звуковой частоты. Благодаря подобному использованию каскадов удается практически вдвое уменьшить общее число транзисторов и других радиоэлементов. Правда, рефлексные приемники более склонны к само-возбуждению по сравнению с приемниками прямого усиления и поэтому требуют более тщательного налаживания.
Познакомимся с одной из конструкций рефлексного радиоприемника, габариты которого настолько малы, что он свободно умещается, даже в нагрудном кармане. Питается радиоприемник от одного элемента 316 и может работать без смены его несколько месяцев. Передачи с достаточной громкостью прослушивают на миниатюрный головной телефон. Правда, из-за необходимости получить наименьшие габариты приемник настраивают лишь на одну радиостанцию, например «Маяк».
Если взглянуть на схему приемника (рис. Р-32), она сравнительно проста — всего два транзистора. Но поскольку каждый из них выполняет двойную функцию — усиливает сигналы и высоких (радио) и низких (звуковых) частот, поэтому можно считать, что приемник четырехтранзисторный. Прежде чем начать собирать приемник, нужно познакомиться с его работой, прохождением сигналов через каскады, назначением деталей. Тогда легче будет в случае необходимости отыскать появившуюся неисправность и устранить ее.
Итак, о работе приемника. Один из важных элементов его — магнитная антенна WA1. Она представляет собой отрезок ферритового стержня с высокой магнитной проницаемостью. На ферритовом стержне намотаны две катушки индуктивности. Одна из них — L1 является контурной, поскольку с конденсаторами С1 и С2 составляет колебательный контур. Тогда индуктивность катушки и общая емкость конденсаторов составят такую частоту колебаний, на которой работает радиостанция, на выводах катушки появится радиочастотный сигнал наибольшей амплитуды (по сравнению с амплитудой сигнала, когда частота контура отличается от частоты радиостанции). Часть этого сигнала трансформируется в катушку связи L2 — ведь обе катушки совместно с ферритовым сердечником составляют радиочастотный трансформатор.
С выводов катушки L2 сигнал поступает через конденсатор СЗ на первый каскад усиления высокой частоты — он собран на транзисторе VT1. Конденсатор нужен для того, чтобы цепь базы транзистора не оказалась замкнутой по постоянному току через катушку связи на цепь эмиттера. На базу транзистора подается через резистор R1 постоянное напряжение смещения, необходимое для нормальной работы транзистора. Для более точного подбора этого напряжения иногда приходится во время налаживания приемника изменять сопротивление резистора R1, поэтому у его буквенного обозначения стоит «звездочка» (знак подбора элемента).
Усиленный первым транзистором высокочастотный сигнал выделяется на резисторе R2 — это так называемая нагрузка каскада. С резистора нагрузки сигнал поступает через конденсатор С5 на следующий каскад усиления, собранный на транзисторе VT2. Как и в первом каскаде, напряжение смещения на базе транзистора образуется благодаря включению резистора (R3) между базой и коллектором.
В цепи коллектора транзистора VT2 две нагрузки: одна по радиочастоте, одна — по низкой (звуковой). Радиочастотной нагрузкой служит катушка L3, поскольку она представляет для сигналов такой частоты значительно большее сопротивление по сравнению с обмоткой миниатюрного головного телефона BF1. Верхний по схеме вывод катушки L3 «заземлен» (то есть соединен с общим проводом — минусом источника питания) по радиочастоте через конденсатор С6.
Выделенный катушкой L3 сигнал трансформируется (как в магнитной антенне) и через катушку связи L4 поступает на детектор — диод VD1. Нагрузкой детектора является резистор R5 — на нем и выделяются колебания звуковой частоты. А оставшиеся после детектирования радиочастотные колебания замыкаются на общий провод через конденсатор С7.
Итак, на детекторе появился сигнал звуковой частоты — он весьма слаб и еще не может быть подан на головной телефон. Поэтому он подается на транзисторный усилитель, выступающий теперь во второй роли — усилителя сигналов звуковой частоты.
С нагрузки детектора сигнал подается на вход усилителя через цепочку из последовательно соединенных резистора R4 и конденсатора С4. Конденсатор служит для развязки по постоянному току базовой и детекторной цепей. А резистор позволяет подобрать такую связь детектора с усилителем, при которой получается наибольшая громкость звука и отсутствует самовозбуждение усилителя.
Усиленный сигнал звуковой частоты в коллекторной цепи транзистора VT2 выделяется на обмотке телефона BF1 — он представляет для этих колебаний значительно большее сопротивление по сравнению с катушкой L3. Из телефона и слышна передача радиостанции.
Как видите, усилительные каскады работают одновременно и на радио- и на звуковых частотах. Такова суть рефлексного приемника.
Настало время поговорить о деталях приемника. Транзисторы должны быть серии КТ315 с буквенными индексами на конце Б, Г, Е и статическим коэффициентом передачи тока (коэффициентом усиления) около 100. Диод — любой из серии Д9 (Д9А, Д9Б и т. д.).
Для изготовления магнитной антенны понадобится отрезок ферритового стержня диаметром 8 и длиной 50 мм. Феррит должен быть марки 400НН или 600НН, то есть с магнитной проницаемостью 400 или 600. На стержень надевают бумажный каркас длиной 40 мм. На одном из концов каркаса наматывают виток к витку катушку связи L2 — 15 витков провода марки ПЭВ диаметром 0,15 мм. На оставшейся поверхности каркаса наматывают внавал контурную катушку — 220 витков такого же провода. При таких данных магнитной антенны можно принимать радиостанцию в диапазоне длинных волн. Если же в Вашей местности работает мощная радиостанция средневолнового диапазона, число витков контурной катушки нужно уменьшить примерно до 120…100 (точнее число витков подбирают при налаживании).
Катушки L3 и L4 радиочастотного трансформатора наматывают на ферритовом кольце толщиной 2, внутренним диаметром 4 и внешним диаметром 7 мм (или, как говорят, на кольце типоразмера К7Х4Х2 — так кольцо обозначают в справочной литературе). Феррит должен быть с такой же магнитной проницаемостью, что и для магнитной антенны. Катушка L3 содержит 65 витков, a L4 — 170 витков провода марки ПЭВ или ПЭЛШО диаметром 0,1 мм. Провод наматывают равномерно по всей длине кольца.
Подстроечный конденсатор С2 (он нужен для более точной настройки на радиостанцию) — малогабаритный типа КПК-МП или КПК-МН с номинальной емкостью (она обозначена на корпусе конденсатора) 6…25 или 8…30 пФ. Оксидный конденсатор С4 может быть типа К50-6, К53-6 или другой малогабаритный конденсатор емкостью от 1 до 10 мкФ на любое напряжение. Остальные конденсаторы — любого типа (например, КЛС), возможно меньших габаритов. Все резисторы — типа ВС или МЛТ мощностью 0,125 или 0,25 Вт. Головной телефон — ТМ-2А либо аналогичный, сопротивлением 65…200 Ом. Выключатель питания SA1 — миниатюрный любой конструкции. Источник питания, как было сказано выше, — элемент 316.
Детали приемника, кроме источника питания, выключателя и головного телефона, смонтированы на печатной плате (рис. Р-33) из одностороннего фольгированного стеклотекстолита. Если такого материала нет, возьмите обычный стеклотекстолит, гетинакс или другой аналогичный изоляционный материал толщиной 1…1,5 мм, просверлите в нем показанные на рисунке отверстия, вставьте в отверстия выводы деталей и соедините их между собой, как показано на рисунке залитыми площадками и утолщенными линиями.
При наличии фольгированного материала совсем не обязательно вытравливать на фольге показанные площадки. Можно просто прорезать изоляционные канавки, например, острым перочинным ножом или специальным резаком, изготовленным из отрезка ножовочного полотна. Конец отрезка делают закругленным и заостряют, чтобы он мог процарапывать фольгу на плате.
Плату вставляют внутрь корпуса из-под миниатюрного головного телефона (рис. Р-34). Выключатель укрепляют на боковой стенке корпуса, провода от головного телефона выводят через паз в задней стенке корпуса. Можно, конечно, установить на корпусе миниатюрный разъем и подключать телефон к приемнику через него. Источник питания вставляют между контактными пластинами (из меди или жести), припаянными к соответствующим фольгированным площадкам платы.
Прежде чем монтировать детали на плате, желательно собрать приемник на макетной панели (либо на обычной картонке) и проверить его работу, а заодно настроить на нужную радиостанцию.
После монтажа деталей вместо конденсаторов С1 и С2 сначала подключают к выводам катушки L1 конденсатор переменной емкости любого типа на 350…450 пФ (это его максимальная емкость). Включив питание, переменным конденсатором настраиваются на хорошо слышимую радиостанцию первой программы (или «Маяк»). При этом ротор переменного конденсатора должен быть примерно в среднем положении. Если же он окажется близко к положению минимальной емкости (то есть выведен), следует отмотать часть витков от контурной катушки магнитной антенны. Затем, ориентируя магнитную антенну в горизонтальной плоскости, добейтесь наибольшей громкости звучания. Еще большую громкость можно попытаться получить подбором резисторов R1, R3, R4. При каждой перепайке резисторов питание приемника нужно выключать.
Остается возможно точнее измерить получившуюся емкость переменного конденсатора и подключить к выводам контурной катушки постоянный конденсатор примерно такой же емкости, а также подстроечный. При точном подборе постоянного конденсатора подстроечный можно вообще не устанавливать (его и нет на рис. Р-34), а настроиться на радиостанцию перемещением ферритового стержня антенны внутри каркаса.
Вот теперь можно перенести детали на плату и окончательно собрать приемник.
4. Радиоприемник прямого усиления
Радиоприемник прямого усиления — так называют устройство, в котором принятый антенной радиочастотный сигнал усиливается без преобразования частоты вплоть до детектора. Полученные же в результате детектирования колебания ЗЧ обычно также усиливаются (хотя в простейших радиоприемниках этого может и не быть), чтобы обеспечить необходимую для нормальной работы головных телефонов или динамической головки выходную мощность.
Рассмотрим несколько конструкций радиоприемников прямого усиления.
Радиоприемник на одном транзисторе
Его схема приведена на рис. Р-12. Это детекторно-транзисторный радиоприемник. Колебательный контур его состоит из катушки индуктивности L1 и конденсатора переменной емкости С1. А далее следует каскад на транзисторе VT1, подключенный параллельно колебательному контуру. Между базой транзистора и кол лектором помещен резистор — через этот резистор на базу подается напряжение смещения, необходимое для работы транзистора. В цепи эмиттера транзистора включены конденсатор С2 и головные телефоны BF1. Питание на транзисторный каскад подается через выключатель SA1.
Почему же приемник называется детекторно-транзисторным? Объясняется это тем, что при выключенном питании участок база — эмиттер транзистора работает как обычный диод и вся конструкция превращается в уже известный детекторный радиоприемник. Когда же на транзистор подано питание, он начинает не только детектировать, но и усиливать звуковые колебания, благодаря чему громкость передачи возрастает.
Настраивают приемник на радиостанции переменным конденсатором С1. Антенну включают в гнездо XS1, а заземление — в гнездо XS2.
А теперь о деталях приемника. Резистор может быть МЛТ-0,5, МЛТ-0,25 или МЛТ-0,125. Транзистор лучше взять П416Б (можно П401— П403, П422) с коэффициентом передачи 60…100, Источником питания может быть, например, элемент 316, 332, 343, 373. Выключатель SA1 — тумблер или другой. Конденсатор С1 — КП-180 или другой малогабаритный переменный конденсатор с максимальной емкостью не менее 180 пФ. Если, например, применить конденсатор от радиоприемника «Селга», диапазон приемника расширится в сторону более длинных волн, поскольку максимальная емкость этого конденсатора равна 270 пФ. Конденсатор С2 — БМТ-2 или другого типа, емкость его может быть от 3300 до 9100 пФ. Головные телефоны BF1 — ТОН-1, ТОН-2 или любые другие высокоомные.
Катушку L1 намотайте проводом ПЭЛ или ПЭВ диаметром 0,15…0,2 мм на ферритовом стержне диаметром 8 мм и длиной 40…50 мм (как получить такой стержень из более длинного, можно узнать из описаний детекторных приемников). Всего нужно уложить на стержень 80 витков, намотка — виток к витку. С такой катушкой и указанным на схеме переменным конденсатором приемник будет работать в диапазоне средних волн (примерно от 250 до 600 м).
Катушку индуктивности, переменный конденсатор и несколько других деталей смонтируйте на плате (рис. Р-13) из изоляционного материала (гетинакс, текстолит, картон, фанера). Катушку закрепите в стойках из проволоки, как это было сделано при сборке детекторного приемника, а переменный конденсатор прикрепите к плате винтами (или, в крайнем случае, приклейте его к плате). Для подпайки выводов деталей установите на плате монтажные стойки-шпильки из толстой луженой медной проволоки. Транзистор припаивайте после того, как будут припаяны все остальные детали, причем желательно соблюдать определенную последовательность. Первым припаивают вывод базы, затем эмиттера и в последнюю очередь коллектора. Смонтировав детали на плате, убедитесь в работоспособности приемника. Для этого подсоедините к стойкам платы недостающие детали (рис. Р-14) и подключите антенну и заземление. При разомкнутых контактах выключателя (источник питания не подключен) настройте приемник переменным конденсатором на какую-нибудь радиостанцию.
Теперь подсоедините источник питания — громкость звука в телефонах должна возрасти в несколько раз. Если этого не происходит, проверьте правильность подключения элемента — при обратной полярности по сравнению с указанной на схеме транзистор работать не будет. Лучше всего в этом случае измерить напряжение между коллектором транзистора и плюсовым проводом питания (нижние по схеме выводы конденсатора С2 и телефонов, которые соединены с плюсовым выводом источника питания). При замкнутых контактах выключателя напряжение должно быть, естественно, 1,5 В.
После устранения неполадки сразу же проверьте, сколько станций принимает приемник при полном повороте ручки настройки переменного конденсатора. Если какая-то станция прослушивается в одном из крайних положений ручки, измените число витков катушки, включите последовательно с антенной постоянный конденсатор или подключите параллельно переменному конденсатору постоянный (емкость его надо подобрать так, чтобы обеспечить уверенный прием станции в положении ручки переменного конденсатора вблизи от границы его настройки).
Наверное, у Вас возникает вопрос, как же правильно выбрать тот или иной способ налаживания Вашего приемного устройства. Нужно исходить из следующего. В крайнем (по часовой стрелке) положении ручки переменного конденсатора емкость его минимальна. Если станция прослушивается при таком положении ручки, надо или отмотать от катушки несколько витков провода, или включить последовательно с антенной постоянный конденсатор (как это Вы уже делали в опытах с детекторным приемником). При другом крайнем положении конденсатора емкость его максимальная. Поэтому для того чтобы сместить настройку приемника, нужно добавить к катушке несколько витков или подключить параллельно переменному конденсатору постоянный. После такой проверки и подстройки можно укрепить плату в корпусе подходящих размеров. На боковых стенках корпуса установите гнезда для подключения антенны и заземления и разъем под вилку головных телефонов. Источник питания прикрепите металлической скобкой к боковой стенке корпуса с внутренней стороны. Выключатель можно установить как на верхней панели, так и на боковой стенке. Нижняя крышка корпуса должна быть, конечно, съемной.
Еще одна схема однотранзисторного радиоприемника приведена на рис. Р-15. Этот радиоприемник обладает значительно большей чувствительностью, потому что головные телефоны включены в цепь коллектора. В таком режиме транзистор обеспечивает большее усиление сигнала, чем при включении телефонов в эмиттерную цепь.
Несколько иначе выполнена и входная часть приемника. На общем ферритовом стержне размещены две катушки индуктивности — контурная L1 (с переменным конденсатором С1 она составляет колебательный контур) и катушка связи L2. Число витков катушки связи значительно меньше, чем у контурной, и на транзистор поступает лишь часть принятого сигнала. Сделано это для того, чтобы транзистор не влиял на колебательный контур и тем самым не изменял его настройки.
Итак, с катушки связи сигнал поступает на базу транзистора через конденсатор С2. Здесь он детектируется, то есть из него выделяется сигнал звуковой частоты, который затем усиливается транзистором и поступает на головные телефоны. Как и в предыдущем приемнике, смещение на базу транзистора подается через резистор R1.
Переменный и постоянные конденсаторы, а также резистор, транзистор, выключатель и головные телефоны такие же, что и в предыдущем приемнике. Катушки намотаны на ферритовом стержне диаметром 8 мм и длиной 40…50 мм. Катушка L1 содержит 80 витков, a L2—20 витков провода ПЭЛ или ПЭВ диаметром 0,15…0,2 мм. Расстояние между обмотками около 5 мм, намотка — виток к витку.
Часть деталей приемника смонтируйте на плате (рис. Р-16) из изоляционного материала, которая напоминает плату детекторного приемника. После монтажа проверьте правильность всех соединений и только после этого подключите к стойкам платы источник питания, головные телефоны, антенну и заземление. Выключателем подайте питание на приемник (в головных телефонах при этом должен раздаться щелчок) и сразу же измерьте напряжение между эмиттером и коллектором транзистора — к эмиттерной цепи подключите плюсовой щуп вольтметра, а к коллекторной — минусовой.
Стрелка вольтметра должна показать напряжение около 4,5 В. Если оно значительно отличается (более чем на 20%) от указанного, подберите резистор R1 — установите вместо него другой (с меньшим или большим сопротивлением).
Узнать, какой именно резистор нужен, нетрудно. При меньшем измеренном напряжении нужно поставить резистор с большим по сравнению с указанным по схеме сопротивлением (например, 390, 430, 470 кОм и т. д.). Наоборот, если измеренное напряжение превышает заданное, сопротивление резистора следует уменьшить (установить резистор сопротивлением 300, 270, 240 кОм).
Можно поступить иначе — включить вместо резистора R1 два по-следовательно соединенных резистора: постоянный сопротивлением около 100 кОм и переменный (любого типа, например СП-1, СПО-0,5) сопротивлением 1 МОм. Перемещая движок переменного резистора, добейтесь нужного напряжения, измерьте получившееся общее сопротивление (цепочку при этом на до отпаять от платы) и установите на плату постоянный резистор примерно с таким же сопротивлением.
На практике такую подстройку приходится делать редко, поскольку оговорен требуемый коэффициент передачи тока транзистора (60…100), и при использовании транзистора с таким параметром указанный на схеме резистор смещения обеспечивает нужный режим работы. Все сказанное справедливо, конечно, лишь при использовании свежей батареи. Поэтому измерьте ее напряжение при подключенном приемнике (иначе говоря, под нагрузкой) — оно не должно быть ниже 8,5 В, иначе батарею придется заменить.
После проверки и установки напряжения на коллекторе дотроньтесь пинцетом (или просто пальцем) до вывода базы транзистора. В телефонах должен раздаться слабый гул — фон переменного тока. Если до базы не дотрагиваться, в телефонах должен прослушиваться слабый шум, свидетельствующий о нормальной работе транзистора.
Вот теперь можно проверить, сколько радиостанций и с какой громкостью принимает смонтированная вами самоделка. Если заметите, что звук в телефонах искажается, отмотайте один-два витка от катушки связи L2. Если громкость звучания будет чрезмерной, включите между наружной антенной и антенным гнездом приемника постоянный конденсатор небольшой емкости (10…15 пФ). Изменить рабочий диапазон приемника в любом случае можно теми же средствами, что и для предыдущей конструкции.
Плату и детали, не уместившиеся на ней (гнезда, разъем, выключатель и батарею), укрепите в корпусе, который конструктивно может быть таким же, что и для детекторного приемника. Проводники питания можно припаять непосредственно к выводам батареи или использовать для подключения батареи к приемнику разъем-колодку от пришедшей в негодность «Кроны».
Радиоприемник на двух транзисторах
Ваши познания и опыт в изготовлении приемников, несомненно, обогатились, и настала пора собрать более сложную самоделку — на двух транзисторах. Она ненамного сложнее предыдущей, но зато обладает большей чувствительностью и обеспечивает более громкое звучание принимаемых радиостанций. Прослушивание по- прежнему ведется на высокоомные головные телефоны.
Схема радиоприемника приведена на рис. Р-17. Один из основных узлов приемника — магнитная антенна WA1. Это, по сути дела, тот же ферритовый стержень с намотанными на нем катушками L1 и L2, причем катушка L1 является контурной и вместе с переменным конденсатором С2 составляет колебательный контур, a L2 — катушка связи. Чувствительность приемника в данном случае достаточна для того, чтобы мощные близлежащие радиостанции принимать без наружной антенны — ее роль выполняет ферритовый стержень с контуром L1C2 (иначе говоря, магнитная антенна). Конечно, и в предыдущей конструкции приемника такой же узел мог быть обозначен как магнитная антенна, но из-за малой чувствительности приемника он не использовался в этом качестве и поэтому обозначался как колебательный контур с катушкой связи. Для приема менее мощных и удаленных радиостанций к колебательному контуру магнитной антенны нужно подключить наружную антенну и заземление.
С катушки связи L2 сигнал подается на первый каскад, собранный на транзисторе VT1. После него сигнал поступает на детектор из диодов VD1 и VD2. Выделенный на детекторе звуковой сигнал подается через конденсатор С6 на последний каскад, собранный на транзисторе VT2. Питается приемник от батареи GB1 напряжением 9 В, но работать может и при меньшем напряжении, например 4,5 В. Правда, громкость звучания при этом падает примерно вдвое.
Какие же детали понадобятся для сборки двухтранзисторного приемника? Прежде всего, конечно, транзисторы. В первом каскаде можно использовать транзистор типа П416Б, П401—П403, П422 с коэффициентом передачи тока от 60 до 100. Для выходного каскада подойдет транзистор МП39Б или МП42Б с коэффициентом передачи тока не менее 40. Диоды могут быть типа Д9 или Д2 с любой буквой на конце.
Магнитную антенну надо намотать на ферритовый стержень диаметром 8 мм и длиной 45…50 мм. Катушка L1 содержит 90 витков провода ПЭЛ или ПЭВ диаметром 0,1 5…0,2 мм, a L2—15 витков. Расстояние между катушками около 5 мм, намотка — виток к витку.
Переменный конденсатор С2 типа КП-180 или другой, например от радиоприемника «Селга» (используется, естественно, только одна секция). Важно, чтобы максимальная емкость конденсатора была не менее 180 пФ, тогда приемник будет принимать радиостанции средневолнового диапазона (примерно от 150 до 600 м).
Конденсатор С1 можно взять КТ, КТК, КД емкостью от 33 до 47 пФ; СЗ, С4, С5, С7 — БМТ-2, МБМ, К40П-2, ПМ-1 емкостью от 3300 до 9100 пФ; оксидный конденсатор С6—К50-6, К50-12, К50-16 емкостью от 2 до 10 мкФ на напряжение не ниже 10 В. Учтите, что конденсаторы разных типов отличаются габаритами, постарайтесь выбрать наиболее компактные.
Все постоянные резисторы — МЛТ-0,5 (можно, конечно, МЛТ-0,25 и даже МЛТ-0,125). Головные телефоны BF1—ТОН-1, ТОН-2 или аналогичные высокоомные. Батарея питания GB1— «Крона».
Как и в предыдущих конструкциях, часть деталей размещают на плате из изоляционного материала (рис. Р-18). В последнюю очередь припаивают к монтажным стойкам транзисторы. Важно не перепугать местами их выводы и, кроме того, соблюдать заданную последовательность подпайки выводов: сначала — базовый, затем — эмиттерный, в последнюю очередь — коллекторный. Смонтировав плату, проверьте монтаж и убедитесь, что все соединения соответствуют схеме, а пайки надежные (покачайте их пинцетом). Только после этого подключите к стойкам платы источник питания с выключателем и головные телефоны. Антенну и заземление можно пока не подсоединять.
Подайте выключателем питание на приемник. В головных телефонах должен послышаться слабый шум, свидетельствующий о работе транзисторов. Измерьте вольтметром напряжение между коллектором и эмиттером транзистора VT2 — оно должно равняться примерно половине напряжения источника питания, то есть около 4,5 В. Если измеренное напряжение значительно отличается от указанного, подберите резистор R4. Измерьте также напряжение между эмиттером и коллектором транзистора VT1 — оно должно быть в пределах 3…6 В. При необходимости точнее установить это напряжение можно подбором резистора R1.
Проверив и установив режимы работы транзисторов, подключите к приемнику антенну (можно даже комнатную или просто отрезок провода метровой длины) и заземление и попробуйте настроиться на какую-нибудь радиостанцию. Если появятся сильные искажения звука даже при небольшой громкости, сразу отмотайте от катушки L2 несколько витков (не более 5). Про-верьте, сколько радиостанций можно услышать при вращении ручки переменного конденсатора. Помните, что с указанными параметрами магнитной антенны приемник рассчитан на работу в средневолновом диапазоне (примерно от 250 до 600 м). Несколько сместить диапазон настройки при крайних положениях ручки переменного конденсатора Вы уже можете самостоятельно, пользуясь методикой, описанной ранее.
Мощную близлежащую радиостанцию можно принимать без наружной антенны и заземления. Настраиваясь на нее переменным конденсатором, нужно держать приемник горизонтально и поворачивать его из стороны в сторону. Наибольшая громкость будет в том случае, когда ось стержня магнит-ной антенны окажется перпендикулярной направлению на радиостанцию. Наверное, такое явление Вы наблюдали, когда пользовались промышленным малогабаритным («карманным») приемником.
А как быть, если смонтированный приемник должен принимать длинноволновые радиостанции? Тогда сразу же при изготовлении магнитной антенны надо намотать на ферритовый стержень другую катушку L1 — она должна содержать 220… 240 витков провода ПЭЛ или ПЭВ диаметром 0,15…0,2 мм, уложенных на длине 20…25 мм в четырех-пяти секциях с равным числом витков в каждой. Ширина секции около 4 мм, расстояние между секциями 1…2 мм.
Закончив проверку и налаживание приемника, установите монтажную плату и все остальные детали (гнезда XS1 и XS2, разъем XI, выключатель SA1 и источник питания) в корпусе подходящих размеров. Не исключена возможность, что Вы придумаете оригинальный корпус или используете готовый от малогабаритного приемника.
Радиоприемник на трех транзисторах
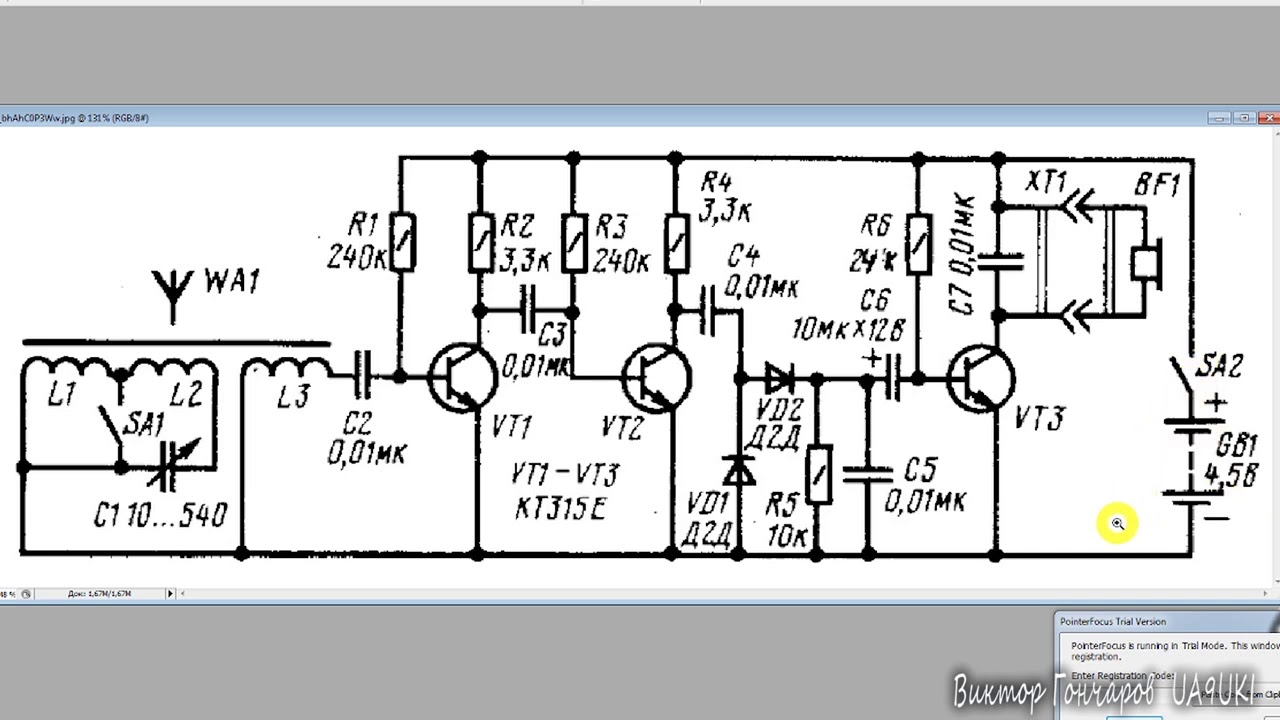
Не всегда можно соорудить хорошую антенну и слушать передачи на детекторный, одно- и двухтранзисторный радиоприемник. Зачастую, особенно в городах, такой возможности нет, и в качестве антенны можно использовать отрезок провода небольшой длины. С такой антенной простейший приемник, особенно детекторный, работать не сможет. Выход из положения — построить более чувствительный радиоприемник, способный принимать радиостанции на небольшую комнатную или магнитную антенну. Схема одного из таких приемников приведена на рис. Р-19.
Особенность приемника в том, что он выполнен в форме заушины, на которой смонтированы все детали, включая миниатюрный головной телефон и источник питания G1 — аккумулятор Д-0,06. Такого питания хватает на 20…30 ч работы, поскольку потребляемый ток не превышает 2 мА. Принимает же приемник всего одну радиостанцию в средневолновом диапазоне.
Вернемся к принципиальной схеме приемника и познакомимся с его работой. Прием ведется на магнитную антенну WA1. Выделенный ее колебательным контуром L1C1 сигнал радиостанции подается через катушку связи L2 на усилитель радиочастоты, собранный на транзисторе VT1. Начальное напряжение смещения транзистора задается резистором R1, нагрузкой каскада является высокочастотный трансформатор Т1. С его вторичной обмотки радиочастотный сигнал подается через конденсатор СЗ на детектор— он собран на диоде VD1. Выделенный детектором сигнал звуковой частоты поступает на усилитель, который собран на составном транзисторе VT2VT3. В цепи эмиттера транзистора VT3 включена нагрузка — миниатюрный головной телефон BF1 типа ТМ-2М.
Как уже было сказано, приемник выполнен в форме заушины. Плату такой конфигурации выпиливают из фольгированного стеклотекстолита, но вполне пригоден и обычный стеклотекстолит или гетинакс — в последних случаях придется делать навесной монтаж. Размеры платы не критичны и зависят от габаритов используемых деталей. Вообще лучше всего сначала собрать все детали, вырезать шаблон из картона, разложить на нем детали, уточнить оптимальные размеры будущей платы и выпилить ее по шаблону. Пример платы с расположенными на ней деталями показан на рис. Р-20.
Магнитная антенна выполнена на стержне из феррита 600НН (можно 400НН), имеющего форму подковки сечением 7X3 мм и длиной 30…35 мм. Такую подковку выпиливают из плоского стержня, обрабатывая его на наждачном круге и доводя до нужной формы крупнозернистой наждачной бумагой. Катушка L1 содержит 60…100 витков провода ПЭВ-2 0,12, намотанного в один слой посредине стержня. Катушку L2 наматывают вплотную к L1 — она содержит 5…7 витков такого же провода. Трансформатор выполнен на кольце наружным диаметром 7 мм из феррита 600НН. Обмотки трансформатора содержат по 120 витков провода ПЭВ-2 0,07. Транзисторы могут быть другие из серии КТ315, но с коэффициентом передачи тока не менее 50 для VT1 и не менее 100 для остальных. Подойдут, конечно, и транзисторы других серий с такими параметрами. Конденсаторы можно взять КЛС или КМ, резисторы — МЛТ-0,125, диод — любой из серии Д9. Выключатель питания SA1 — самодельный. Он представляет собой латунное кольцо с выступом. Когда кольцо поворачивают, оно касается выступом латунной пластины, за-крепленной на плате, и подключает к приемнику положительный вывод аккумулятора (его корпус). Второй вывод аккумулятора подключен через латунную пластину, прижимающую его к кольцу-выключателю и плате.
Налаживание приемника начинают с проверки потребляемого им тока. Для этого миллиамперметр подключают параллельно контактам выключателя — они должны быть разомкнуты. Ток не должен превышать 2 мА, даже если сразу же появился звук в телефоне. Затем включают приемник и подбором конденсатора С1 настраивают его на местную радиостанцию. Временно вместо постоянного конденсатора удобно подключить переменный и, настроившись на радиостанцию, определить требуемую емкость конденсатора, а затем впаять постоянный конденсатор такой емкости.
После этого вновь проверяют потребляемый приемником ток, но теперь при максимальной громкости звука. Подбором резистора R1 добиваются, чтобы ток не превышал 2 мА, но громкость была максимальной.
Убедившись в нормальной работе приемника, можно покрыть все его детали эпоксидной смолой или клеем (кроме, конечно, источника питания и выключателя), чтобы повысить его механическую прочность и защитить от влаги.
Несмотря на малые габариты магнитной антенны, чувствительность приемника достаточно высока, поскольку использованы транзисторы с большими коэффициентами передачи тока. Если же увеличить длину стержня магнитной антенны и повысить напряжение питания, чувствительность приемника резко возрастет — он уже будет способен принимать радиостанции, удаленные от места приема на сотни километров. Схема такого приемника приведена на рис. Р-21.
Те же три транзистора, что и в предыдущей конструкции, включены здесь несколько иначе. Так, на транзисторах VT1 и VT2 собран усилитель радиочастоты, а на транзисторе VT3 — усилитель звуковой частоты.
Приемник двухдиапазонный. Колебательный контур магнитной антенны составлен катушками индуктивности L1, L2 и конденсатором переменной емкости С1. При приеме длинноволновых радиостанций катушки включаются последовательно (контакты выключателя SA1 разомкнуты), на средневолновом работает лишь катушка L2 (L1 замыкается контактами выключателя SA1).
Выделенный колебательным контуром сигнал радиостанции поступает через катушку связи L3 и конденсатор С2 на усилитель радиочастоты. С нагрузки усилителя (резистор R4) сигнал поступает на детектор, собранный на диодах VD1 и VD2 по схеме с удвоением напряжения. Колебания звуковой частоты выделяются на резисторе нагрузки R5, а колебания радиочастоты фильтруются конденсатором С5. Далее колебания звуковой частоты усиливаются каскадом на транзисторе VT3 и подаются через разъем Х1 на телефон BJ4. Питается приемник от источника GB1 напряжением 4,5 В, питание подается через выключатель SA2. Потребляемый приемником ток не превышает 3 мА.
Как и в предыдущем приемнике, транзисторы могут быть другие из серии КТ315 или аналогичные, но со статическим коэффициентом передачи около 100. Диоды — любые из серий Д2, Д9. Оксидный конденсатор С6—К50-3, остальные постоянные конденсаторы — БМ-2; конденсатор переменной емкости — малогабаритный двухсекционный от транзисторного радиоприемника. Обе секции конденсатора соединены параллельно для получения большей максимальной емкости. Все резисторы — МЛТ-0,25, но вполне пригодны и МЛТ-0,125.
Под эти детали и рассчитана монтажная плата (рис. Р-22). Она вырезана из изоляционного материала. Под выводы деталей в плате просверлены отверстия. Вставленные в отверстия выводы загибают снизу платы. Для подпайки выводов транзисторов на плате укреплены контактные полоски из луженой проволоки. Соединения между выводами деталей выполняют тонким одножильным монтажным проводом в изоляции как сверху, так и снизу платы.
Магнитная антенна выполнена на стержне диаметром 8 и длиной 85 мм из феррита 600НН. На стержень надевают щечки из толстого картона или колечки шириной 2 мм, нарезанные из резиновой трубки,— они образуют секции. Всего должно быть семь секций шириной по 2 мм. На концы стержня надевают кольца шириной 8 мм — за них стержень можно прикреплять к основной плате приемника.
Катушку L1 наматывают в секциях проводом ПЭВ-2 0,2 — по 30 витков в каждой секции. Катушку L2 размещают на расстоянии 13…15 мм от L1 —она содержит 65 витков такого же провода, намотанного виток к витку. Катушка связи L3 содержит 13 витков провода ПЭВ-2 0,2, причем 6 витков ее размещают равномерным шагом поверх катушки L2, а остальные — по витку в каждой секции катушки L1.
Магнитную антенну, конденсатор переменной емкости, плату с деталями прикрепляют к основной плате приемника, вырезанной из изоляционного материала (рис. Р-23). На этой же плате устанавливают «карман» для элементов батареи питания — его можно склеить из органического стекла. А чтобы элементы не выскакивали из «кармана», напротив них на плате устанавливают упоры — винты. Между элементами и упорами устанавливают отрезок резины средней твердости. «Карман» рассчитан на элементы «Уран-М», при использовании других элементов габариты «кармана» и его расположение могут быть иными.
Основную плату размещают в корпусе подходящих габаритов. В съемной крышке корпуса сверлят отверстие под ось конденсатора переменной емкости. Когда крышка закрыта, на ось надевают ручку настройки.
Выключатели могут быть любой конструкции, например движковые от детских карманных приемников или типа тумблер. Разъем Х1 —ответная часть разъема миниатюрного телефона ТМ-2А (он используется в приемнике для прослушивания передач). Возможно, будет сложно приобрести указанные детали, особенно в сельской местности. Поэтому расскажем о том, как их изготовить самим буквально из подручных материалов. Надеемся, что эти советы помогут оснащать подобными деталями и другие конструкции.
Итак, о самодельных выключателях. Для каждого из них (рис. Р-24,а) понадобится прежде всего толстая металлическая пластина с двумя отверстиями. В одном из них нарезана резьба М4. Винтом и гайкой пластину прикрепляют к стенке корпуса. Снаружи между пластиной и стенкой на винт надевают шайбу, с внутренней — земляной лепесток (это один из выводов выключателя).
Напротив отверстия с резьбой в корпусе заранее проделывают две прорези и вставляют в них П-образную скобу из жести от консервной банки. Концы скобы с внутренней стороны стенки загибают. Скоба служит вторым выводом выключателя. Подвижным же контактом его является винт с большой головкой (лучше всего с накатной), который ввинчивают в пластину до тех пор, пока он не коснется скобы,— тогда цепь между скобой и лепестком замкнется. Достаточно немного вывернуть винт — и цепь разомкнется.
А теперь о разъеме (рис. Р-24,б). Его гнезда согнуты из отрезков жести от консервной банки. Отгибы-лепестки вставляют в прорези в стенке корпуса и загибают внутри, Лепестки гнезд соединяют монтажными проводниками с выводами конденсатора С7. Чтобы подключить к таким гнездам телефон ТМ-2А, его разъем удаляют и подпаивают концы проводов шнура к штырькам самодельного разъема. Удобно использовать, например, в качестве разъема отрезок готового разъема с ножевидными штырьками. Можно поступить иначе. Выпилить небольшую пластину из пластмассы, просверлить в ней отверстия диаметром 2 мм под штырьки и вставить в них нагреваемые паяльником контактные пружины от реле. После остывания пластмассы пружины окажутся запрессованными. К концам пружин подпаивают проводники шнура и обматывают это место изоляционной лентой.
Но вот крепление деталей и монтаж приемника закончены. Пора проверять его и налаживать. Как правило, при исправных транзисторах и безошибочно выполненном монтаже приемник начинает работать сразу после включения питания. Ориентируя приемник в горизонтальном положении и медленно вращая ручку конденсатора переменной емкости, настраиваются на какую-нибудь радиостанцию. Если максимальная громкость достаточна и отсутствуют искажения в виде свистов (самовозбуждение) — все в порядке. При недостаточной громкости можно точнее подобрать резисторы R6, R3, R1. Возбуждение удается устранить изменением полярности подключения выводов катушки L2 или L1.
Надо сказать, что размещение деталей приемника выбрано практически и, как показали эксперименты и многократные повторения конструкции, оно обеспечивает более устойчивую работу по сравнению с другими вариантами, например при размещении антенны вдоль длинной стенки корпуса или между конденсатором переменной емкости и монтажной платой. Это следует учитывать при самостоятельном конструировании приемника.
Приемником можно «ловить» и более удаленные радиостанции. Для этого нужно подключать к правому по схеме выводу катушки L2 наружную антенну в виде провода длиной 1…2 м. Ориентировать приемник в горизонтальной плоскости в этом случае не нужно. Конечно, подобный вариант можно предусмотреть заранее и установить антенное гнездо (как и гнездо разъема) на боковой стенке корпуса вблизи катушки L2, соединив его с выводом катушки отрезком провода. Если антенна будет заметно влиять на настройку приемника на радиостанцию и уменьшать его избирательность, нужно включить между гнездом и катушкой конденсатор емкостью 10…20 пФ.
Радиоприемник на одиннадцати транзисторах
Конечно же, каждый из вас после сборки простейших конструкций радиоприемников пожелает изготовить такой, чтобы он позволял принимать наибольшее число маломощных удаленных радиостанций. И к тому же обладал бы сравнительно большой громкостью звука. Этим требованиям отвечает сравнительно несложный радиоприемник, схема которого приведена на рис. Р-25.
Чувствительность радиоприемника по входу первого каскада усилителя радиочастоты (база транзистора VT1) составляет 10 мкВ, т. е. сравнима с чувствительностью промышленного транзисторного супергетеродинного радиоприемника, а ток покоя не превышает 8 мА. Работоспособность приемника сохраняется при снижении напряжения питания до 1,5 В. При изменении амплитуды входного радиочастотного сигнала до 2 мВ (в 200 раз) громкость звука изменяется незначительно благодаря действию использованного в приемнике устройства сжатия динамического диапазона сигнала.
Усилитель РЧ приемника — трехкаскадный, с непосредственной связью между каскадами и глубокими отрицательными обратными связями. Изменением глубины связи через резистор R3 можно в широких пределах варьировать входным сопротивлением усилителя и коэффициентом усиления по напряжению. К примеру, с увеличением сопротивления резистора R3 до 30…50 Ом входное сопротивление усилителя возрастает до сотен килоом. В результате колебательный контур можно полностью подключить ко входу усилителя через резистор сопротивлением 1…2 кОм, избавившись от катушки связи. Правда, из-за внутренних обратных связей транзисторов серии КТ315 усилитель может возбуждаться на частотах около 1 МГц, но при использовании транзисторов серии КТ316, КТ306, КТ325 это явление пропадет.
Глубокая отрицательная обратная связь стабилизирует параметры усилителя при разбросе коэффициента передачи транзисторов.
К выходу усилителя РЧ подключен детекторный каскад. Его отличительная особенность — применение дополнительного диода VD1. В итоге получается устройство сжатия динамического диапазона сигнала перед его детектированием, которое практически заменяет систему автоматической регулировки усиления (АРУ).
В устройстве сжатия должны работать германиевые диоды, поскольку у них напряжение отсечки значительно меньше, чем у кремниевых. А малое напряжение отсечки позволяет уменьшать сигнал уже с амплитуды 30…40 мкВ.
Усилитель звуковой частоты, подключенный к детектору, также содержит ряд особенностей. Прежде всего это гальваническая связь между каскадами, позволяющая сократить количество переходных оксидных конденсаторов. Благодаря взаимной компенсации температурной зависимости р-n переходов транзисторов VT4 и VT6 повышается температурная стабильность усилителя 34, и в итоге стабилизируются параметры приемника при изменении напряжения питания в широких пределах.
Глубокая отрицательная обратная связь, которой охвачены первые два каскада предварительного усилителя и последующие каскады усилителя мощности, стабилизируют характеристики усилителя 34 при разбросе параметров транзисторов.
С целью уменьшения искажений типа «ступенька» коэффициент усиления по напряжению усилителя мощности выбран небольшим (около 5), а ток покоя (примерно 1 мА) задан прямым напряжением последовательно включенных диодов VD4 и VD5. Один из диодов должен быть кремниевый, а другой германиевый. Тогда напряжение смещения не превысит 1 В, а температурный коэффициент напряжения будет примерно равен суммарному температурному коэффициенту напряжения эмиттерных переходов кремниевых Транзисторов VT8 и VT9.
Для улучшения акустических свойств приемника применена динамическая головка 0,25ГД-19, в результате чего возросла громкость звука по сравнению, скажем, с вариантом использования головки 0.2ГД-1.
Благодаря высокой чувствительности приемника удалось обойтись без внешней антенны, а значит, несколько упростить конструкцию приемника.
Печатная плата и вид на монтаж приемника приведены на рис. Р-26. Плата рассчитана на установку в корпусе распространенного радиоконструктора «Юность-105» (рис. Р-27), но подойдет и другой корпус.
Контурная катушка L1 магнитной антенны содержит 75 витков (для диапазона СВ), а катушка связи L2— 3 витка провода ЛЭШО 8X0,07 либо ПЭЛШО 0,15…0,25. Их наматывают на плоском стержне размерами 3X19X75 мм из феррита 400НН.
Транзисторы VT1—VT9 могут быть указанных на схеме серий, но с другими буквенными индексами. Возможна замена такими транзисторами соответствующей структуры выходных транзисторов (VT10 и VT11), но в этом случае уменьшится выходная мощность приемника. Источник питания — четыре последовательно соединенных элемента 316, резисторы — МЛТ-0,25, переменный резистор R12 — СПЗ-Вм, конденсаторы — любые малогабаритные, конденсатор переменной емкости — КП-180. Диоды VD1 — VD4 — любые из серии Д9 или другие германиевые, VD5 — любой кремниевый.
Правильно собранный приемник в налаживании не нуждается. Однако в некоторых случаях наблюдается влияние выходного каскада усилителя РЧ на входную цепь — ведь при одной из полярностей включения катушки связи магнитной антенны возникает положительная обратная связь. Появляются свистящие звуки. Избавиться от них можно изменением полярности включения катушки связи, уменьшением числа ее витков до двух, прикрытием участка монтажной платы со стороны печати над выходным каскадом усилителя РЧ и детектора пластиной фольгированного стеклотекстолита, фольгу которого соединяют с общим проводом приемника.
Радиоприемник на микросхемах
Всего две аналоговые микросхемы понадобятся для сборки такого радиоприемника, работающего в диапазоне средних волн. Передачи прослушивают через малогабаритный головной телефон. Подобный радиоприемник достаточно компактен, и его удобно взять с собой в лес по грибы, на рыбалку или в поход.
В приемнике применены две одинаковые микросхемы К118УН1Д. Эта микросхема (рис. Р-28) представляет собой двухкаскадный усилитель с непосредственной (гальванической) связью между каскадами и стабилизацией режима работы по постоянному току. Нагрузкой транзистора VT1 является резистор R1, но для получения большего усиления последовательно с ним можно включать и резистор R3. Чаще же всего резистор R3 выполняет роль элемента RC-фильтра, и тогда между выводами 11 и 14 включают конденсатор. Напряжение питания подают в любом случае на выводы 7 и 14 (соответственно плюс и минус напряжения).
Для транзистора VT2 нагрузкой может быть резистор R6 (тогда соединяют между собой выводы 9 и 10) или внешняя нагрузка, например, обмотка дросселя или трансформатора.
Резисторы R2, R4, R5, R7 определяют режим работы усилителя. Чтобы можно было подключать к ним внешние детали и в зависимости от назначения усилителя изменять режим работы его каскадов, микросхема имеет выводы 2, 5, 12, 14. При работе, например, в режиме усиления колебаний РЧ номиналы внешних деталей будут одни, а при работе усилителя в режиме усиления сигнала 34 — другие. Это наглядно видно на схеме предлагаемого радиоприемника (рис. Р-29), принятый магнитной антенной WA1 и выделенный колебательным контуром L1C1 сигнал радиостанции подается через катушку связи L2 и конденсатор С2 на вход микросхемы DA1. Чтобы входное сопротивление первого каскада усиления микросхемы было достаточно высоким, он работает с обратной связью по переменному току (вывод 2, а значит, резистор R2 не зашунтированы конденсатором). В то же время для повышения коэффициента усиления микросхемы полностью устранена отрицательная обратная связь по переменному току между каскадами (выводы 5 и 12 зашунтированы конденсаторами СЗ и С4).
С выхода микросхемы (соединенные вместе выводы 9 и 10) радио-частотный сигнал поступает через конденсатор С5 на детектор, выполненный на диодах VD1 и VD2 по схеме удвоения напряжения. Нагрузкой детектора является резистор R1. Конденсатор С6 шунтирует нагрузку на радиочастоте.
Выделенный на нагрузке сигнал звуковой частоты поступает через конденсатор С7 на вход микросхемы DA2. Здесь для повышения коэффициента усиления микросхемы устранена обратная связь по пе-ременному току между каскадами (к выводу 5 подключен оксидный конденсатор С8) и, кроме того, соединены накоротко выводы резистора R2 первого каскада (между выводами 2 и 14 установлена перемычка).
Усиленный микросхемой сигнал 34 поступает далее через конденсатор С9 и разъем XI на нагрузку — головной телефон BF1. В данном случае второй каскад микросхемы работает как эмиттерный повторитель, что позволяет лучше согласовать микросхему со сравнительно низкоомной нагрузкой, какой является малогабаритный телефон ТМ-2 (его сопротивление постоянному току равно 65 Ом). Если же прослушивать передачи на головные телефоны ТОН-1 или ТОН-2 (их сопротивление превышает 1000 Ом), их следует подключать через конденсатор С9 к выводам 9, 10 микросхемы. Звучание в этом случае будет громче.
Радиоприемник питается от батареи GB1 напряжением 9 В (батарея «Крона») и потребляет ток не более 5 мА.
Вместо микросхем К118УН1Д можно применить К118УН1Б, но напряжение питания в этом случае следует уменьшить до 6 В (например, пять последовательно соединенных аккумуляторов Д-0,1). Работоспособность приемника с этими микросхемами сохранится и при 4,5 В (батарея 3336 или четыре последовательно соединенных элемента 316, 332). Разводка выводов микросхемы остается такой же, поэтому никаких изменений на плате делать не придется.
Магнитная антенна намотана на стержне диаметром 8 и длиной 80 мм из феррита 600НН. Катушка L1 содержит 170 витков провода ПЭВ-1 0,15, намотанного виток к витку, a L2 — 20 витков такого же провода, намотанного на бумажном кольце шириной 8 мм. Кольцо должно с трением перемещаться по стержню.
Конденсатор переменной емкости С1 — малогабаритный, от «карманного» приемника, с максимальной емкостью не менее 350 пФ и минимальной 5…10 пФ. Подойдет и двухсекционный конденсатор с меньшим диапазоном изменения емкости, например от приемника «Селга-404» (или аналогичного), но тогда обе его секции следует соединить параллельно.
Конденсаторы С2—С6 — БМ-2; С7—С9 — К53-1, ЭМ (старых выпусков) или аналогичные, на номинальное напряжение не ниже 6 В. Диоды могут быть любые из серий Д2, Д9. Резистор — МЛТ-0,125. В качестве разъема применена гнездовая часть под вилку малогабаритного телефона ТМ-2, но вполне подойдет и любой другой малогабаритный разъем — одна его часть прикрепляется к корпусу приемника, а к другой подсоединяют выводы телефона. Выключатель питания SA1 — любой, даже самодельный.
Большинство деталей радиоприемника смонтировано на плате (рис. Р-30) из текстолита. Под выводы деталей в плате просверлены отверстия. Выводы предварительно изгибают и укорачивают настолько, чтобы после установки на плату их концы выступали на 5 мм. После этого концы изгибают, прижимают к плате и соединяют их между собой в соответствии со схемой монтажным проводом в изоляции.
Выводы микросхемы не укорачивают, а лишь загибают с обратной стороны платы, благодаря чему микросхема оказывается прочно прикрепленной к плате.
Можно, конечно, предварительно расклепать на плате пустотелые заклепки или установить монтажные шпильки и к ним припаять выводы деталей — эти варианты на Ваш выбор.
Магнитную антенну, конденсатор переменной емкости, батарею питания, выключатель и разъем для телефона прикрепляют к корпусу приемника (рис. Р-31). Плату располагают над конденсатором переменной емкости, но предварительно к ней должны быть подсоединены проводники от остальных деталей. Для подключения батареи питания к ее выводам подпаивают проводники в изоляции. Но если у вас есть негодная «Крона», можно вынуть из нее колодку с контактами и подсоединить к контактам проводники от платы и выключателя. Тогда колодка станет разъемом, позволяющим быстро заменять батарею.
При правильно выполненном монтаже приемник начинает работать сразу после включения. Вращением ручки конденсатора переменной емкости настройтесь на хорошо слышимую радиостанцию и перемещением кольца с катушкой L2 по ферритовому стержню добейтесь максимальной громкости звука. Если приемник возбуждается, поменяйте местами подключение выводов катушки L2.
Хотя в приемнике отсутствует регулятор громкости, при желании громкость можно изменять ориентацией приемника относительно радиостанции. Не забывайте об этой особенности приемника и при настройке на удаленные радиостанции. Если же в последнем варианте громкости будет явно недостаточно, подключите к левому по схеме выводу катушки L1 наружную антенну (через конденсатор емкостью 5…15 пФ), а правый вывод катушки соедините с общим проводом (минус источник питания).
5. Радиоприемник детекторный
Как правило, практическое знакомство начинающего радиолюбителя с удивительным миром электроники начинается именно с детекторного радиоприемника. Это самая простая конструкция, не требующая ни дефицитных деталей, ни источника питания. В то же время в детекторном радиоприемнике есть основные элементы любого современного приемника: колебательный контур, детектор, преобразователь электрических сигналов в звуковые.
Детекторному радиоприемнику не страшны короткие замыкания между деталями или их неправильные подключения, поэтому с ним удобно проводить самые разнообразные эксперименты, позволяющие лучше познать принцип работы радиоприемного устройства и научиться самостоятельно настраивать его на нужные радиостанции.
Схема простейшего детекторного радиоприемника приведена на рис. Р-1. Катушка индуктивности L1 — один из главных элементов радиоприемника. Другим таким элементом является подстроечный конденсатор С1. Вместе с катушкой индуктивности он образует так называемый колебательный контур, позволяющий настраивать приемник на выбранную радиостанцию. Подстроечный конденсатор состоит из двух частей: неподвижной, называемой статором, и подвижной — ротора. Поворачивая ротор, изменяют емкость конденсатора и настраивают контур на волну той или иной радиостанции. При этом величина сигнала на контуре, то есть на выводах катушки, возрастает.
Этот сигнал подается далее на устройство, называемое детектором и состоящее из полупроводникового диода VD1, постоянного конденсатора С2 и головных телефонов BF1. Детектор преобразует сигнал радиостанции так, что через головные телефоны начинает протекать переменный ток звуковой частоты. А он в свою очередь преобразуется телефонами в звук. Телефоны и позволяют слышать передачу радиостанции. Чтобы передача была слышна возможно громче, к приемнику нужно подключить хорошую наружную антенну (к гнезду XS1) и заземление (к гнезду XS2).
Для постройки приемника в первую очередь нужно приобрести подстроечный конденсатор С1 типа КПК-3 с выступами-лапками для крепления. В крайнем случае подойдет конденсатор КПК-2 без лапок, тогда его придется прикрепить к плате приемника через центральное отверстие винтом с гайкой. В любом случае при вращении ротора конденсатора его емкость должна изменяться от 25 до 150 пФ. Эти пределы изменения на корпусе конденсатора обозначены так: 25/150. Конденсатор С2 — КСО-2 или другой, емкостью от 2000 до 4700 пФ. Диод можно взять любой из серии Д2 или Д9 (например, Д2А, Д2Б, Д9А, Д9Б, Д9В и т. д.).
Головные телефоны должны быть высокоомные, например ТОН-1, ТОН-2. Если у Вас будут телефоны других типов, измерьте их сопротивление, подключив омметр к штырькам вилки,— оно должно быть не менее 3000 Ом. Иначе не удастся получить достаточной громкости звука. Возможно, капсюли окажутся высокоомными, но соединенными параллельно. Тогда для получения нужных результатов соедините капсюли последовательно.
Гнезда XS1 и XS2 могут быть как готовые (например, клеммы, зажимы), так и самодельные. В последнем случае удобно использовать гнезда обычной сетевой розетки. Для этого розетку разбирают, гнезда отвинчивают, отгибают их хвостовики и прикрепляют гнезда к панели приемника.
Разъем Х1 нетрудно изготовить из жести от консервной банки (рис. Р-2) и толстой фанеры или другого изоляционного материала. Из фанеры выпиливают планку и сверлят в ней два отверстия диаметром 4,5 мм, расстояние между их центрами должно быть 19 мм (под стандартную вилку головных телефонов). Для гнезд вырезают из жести заготовку, делают на ней ножницами надрезы и обжимают заготовку вокруг вилки. Получившийся цилиндр вставляют в отверстие планки, отгибают с помощью кернов (или толстых гвоздей) края цилиндра и расправляют отгибы молотком. Планку с гнездами прикрепляют к монтажной панели приемника винтом М3, но предварительно сверлят в панели напротив гнезд отверстия диаметром 7…8 мм и пропускают через них проводники, заранее припаянные к отгибам гнезд.
Катушку индуктивности (рис. Р-3) удобнее всего намотать на картонный каркас с параметрами: наружный диаметр 20 мм, длина 58…60 мм, толщина стенок 1…2 мм. При отсутствии готового каркаса можно склеить его из плотной бумаги. Вверху и внизу каркаса устанавливают контакты под выводы катушки. Для этого в каркасе прокалывают шилом по два отверстия и пропускают через них отрезки луженого медного провода. Кроме того, если каркас самодельный, нужно прикрепить к нему внизу две лапки из жести, которыми каркас будут крепить к панели приемника.
Катушку наматывают медным проводом в эмалевой изоляции (марка провода ПЭ, ПЭЛ и ПЭВ) диаметром 0,15…0,25 мм. Начало провода припаивают к верхнему контакту каркаса. Для этого с конца провода на длине примерно 10…15 мм счищают изоляцию. Сделать это можно с помощью лезвия бритвы или мелкозернистой шлифовальной шкуркой. Затем провод облуживают и только после этого припаивают к контакту. Провода наматывают виток к витку, чтобы получилась сплошная намотка. Всего нужно уложить 135 витков. Конец провода подпаивают к нижнему контакту каркаса.
Итак, все детали подготовлены, можно размещать их на плате приемника (рис. Р-4). Саму плату выпилите из любого изоляционного материала (гетинакс, текстолит, фанера) толщиной не менее 1,5 мм. Размеры платы 70X125 мм. На плате предварительно расставьте катушку, подстроечный конденсатор, гнезда, разъем, пометьте точки их крепления и просверлите отверстия нужного диаметра. По углам платы сделайте отверстия диаметром 3 мм под стойки — пластмассовые колпачки от тюбиков зубной пасты.
Простейшие приёмники | | Кое-что из радиотехники
Приёмник предназначен для приёма сигналов радиостанций, работающих на средних волнах ( MW ). Схема показана на Рис.1. Высокочастотный узел на транзисторе VT1 построен довольно необычно, – входной контур, образованный переменным конденсатором C1 и магнитной антенной L1 включён в базовую цепь транзистора последовательно с резистором R1, задающим смещение на базе VT1 и устанавливающим его режим работы. Сопротивление катушки, по сравнению с R1, пренебрежимо мало, но эта катушка выполняет роль антенны и в ней наводится ВЧ-напряжение, которое поступает на базу транзистора VT1. Конденсатор С2 подключён к отводу катушки L1 и на общий минус. Он разделяет катушку L1 на контур, состоящий из переменного конденсатора С1 ( последовательно которому он включён ) и верхней части этой катушки, и на катушку связи, состоящую из нижней ( по схеме ) части этой катушки.
Усиленное напряжение ВЧ выделяется на дросселе L2 и непосредственно без применения разделительного конденсатора, поступает на детектор, выполненный на кремневом детекторе VD1. Диод расположен так, что через него протекает ток от источника питания через дроссель L2 и резистор R2, выполняющего роль токоограничительного резистора. Диод оказывается смещённым в прямом направлении и детектирование происходит в точке с наибольшей крутизной ВАХ диода. Это увеличивает чувствительность детектора и позволяет использовать в нём доступный кремниевый диод.
Магнитная антенна намотана ферритовом стержне диаметром 8 мм и длинной 40-50 мм. Катушка содержит 90 витков обмоточного провода, сечением около 0,2 мм. Отвод от 10-го витка. Намотка – виток к витку. Дроссель L2 намотан на ферритовом кольце диаметром 7 мм, и содержит 100 витков такого же провода.
Переменный конденсатор подходит от любого карманного приёмника с АМ диапазоном.
Динамик – любой от малогабаритного приёмника, сопротивлением не менее 4 Ом.
Приёмник можно разместить в любом подходящем корпусе, имеющим отсек для батареек и место для динамика.
источник: ” РАДИОКОНСТРУКТОР “, 05 – 2006, стр. 11
Принцип прямого усиления, применяемый в соответствующих приёмниках, основан на отсутствии преобразования принимаемого сигнала в другую, промежуточную частоту ( ПЧ ). Принимаемый сигнал проходит детектирование, т. е. выделение полезного НЧ сигнала из промодулированного радиосигнала принимаемой станции ( детектор ). Также схема приёмника прямого усиления может ( или не может ) содержать один или несколько каскадов усиления РЧ ( до детектора ), и каскады усиления НЧ ( после детектора ). Простота схемы является основным достоинством данного типа приёмников. К недостаткам можно отнести невысокую чувствительность и низкую селективность ( избирательность по соседнему каналу ). Именно последнее ограничивает их применение на частотах выше средних волн.
И всё же существуют способы повышения чувствительности и селективности приёмника прямого усиления, один из которых, – введения регулируемой положительной обратной связи в усилитель РЧ. Способ состоит в том, что уровень положительной обратной связи ( ПОС ) в каскаде РЧ устанавливают таким образом, чтобы он находился на грани возбуждения. Оперируя органами настройки входного контура и регулировки глубины ПОС можно достигнуть чувствительности и селективности достаточной для уверенного приёма удалённых радиостанций в КВ вещательном диапазоне.
Схема приёмника приведена на Рис.1. Первый усилительный каскад выполнен на полевом транзисторе VT1. Входной сигнал выделяется контуром L1C2C3C4. Транзистор включён по схеме с общим стоком. Положительная обратная связь осуществляется с затвора на исток через С5. Глубина ПОС устанавливается переменным резистором RP1, регулирующим степень связи С5 между затвором и истоком VT1. Конденсатор С7 снижает вероятность неконтролируемого самовозбуждения.
На транзисторе VT2 выполнен второй каскад усиления, по схеме с общим эмиттером. С9 необходим для уменьшения склонности каскада к самовозбуждению.
Третий каскад на транзисторе VT3 выполняет функции третьего каскада УРЧ и детектора. Продетектированный сигнал фильтруется конденсатором С11. Резистор RP2 служит регулятором громкости. С него сигнал можно подавать на вход любого УНЧ.
Приёмник работает в диапазонах 41 и 49 метров.
В качестве контурной катушки L1 применяется готовый высокочастотный дроссель индуктивностью 5 мкГн. Настройка на принимаемый сигнал производится переменным конденсатором С4 ( одна секция сдвоенного переменного конденсатора 2Х10…495p ) с воздушным диэлектриком от старых ламповых приёмников. Можно применить и другой соответствующей ёмкости.
Антенна – отрезок монтажного провода длинной около двух метров.
Транзисторы КТ315 можно заменить на КТ3102, транзистор SST310 на J310, T310 или КП302, КП303.
.источник: ” РАДИОКОНСТРУКТР “, 12 – 2006, стр. 2
Детекторные и прямого усиления приёмники УКВ (FM) диапазона.
Практикум для начинающих.
От детекторного приёмника к супергетеродину.
Самодельный радиоконструктор. Часть 6.
В Москве радиовещательные станции работают в двух диапазонах. УКВ 1 занимает частоту 65,9 -74 МГц и в УКВ 2 радиостанции работают в интервале частот 87,5 – 108 МГц. В двух диапазонах используется частотная модуляция (ЧМ) и на всех приёмниках иностранного производства этот вид модуляции сокращённо обозначается FM (frequency modulation – частотная модуляция). В переводе встречается и такое сочетание букв ФМ.
С 90-х годов импортные радиоприёмники с диапазоном УКВ 2 (FM) основательно заполонили рынок, и в настоящий момент эфир полностью освоен радиовещательными компаниями и на этом участке волн уже работают более 40 станций.| Рис. 1. Детекторный УКВ (FM) приёмник. |
Простота конструкции детекторного УКВ приёмника соблазняет. Соединяете вместе тройку — четвёрку деталей, и несколько радиовещательных станций слышны в наушниках. В городских условиях, где много помех этот приёмник будет работать лучше, чем выполненный на средних или длинных волнах, правда при условии, что радиовещательный УКВ передатчик или ретранслятор находится недалеко от вашего дома. В моём случае дальность уверенного приёма составила шесть километров.
Нужен ли такой приёмник? Детекторный, самый простой, сделанный по классической схеме? Чтобы ответить на эти вопросы соберите эту конструкцию, а когда соберёте, то поймёте, что не зря провели время. Много интересных опытов можно провести с простым приёмником. Возможно, вам захочется усовершенствовать его, добавить каскад усиления, улучшить селективность, сделать антенну с большим коэффициентом усиления и т. д. То, что вы не остановитесь на достигнутом — уже хорошо.
Детекторный УКВ приёмник.
Это было нечто похожее на старинный фрегат. Его корпус, объёмный резонатор, длиной 0,75метров (4-я часть длины волны = 3-м метрам, что соответствует 100МГц), свинченный из двух оцинкованных корыт, с мачтами направленных антенн типа волновой канал, поднимался на верёвках, переброшенных через блоки на крышу загородного дома. Я бы отнёс этот эпизод к первоапрельской шутке, но в городе эта груда металла будет работать, стоит только подсоединить к ней германиевый диод с высокоомными наушниками.| Рис. 2 Детекторный УКВ (FM) приёмник с УНЧ, 0 — V — 1. |
Самый простой УКВ ЧМ детекторный приёмник по схеме не отличается от амплитудного детектора диапазонов: ДВ, СВ, КВ, но по конструкции он будет отличаться катушкой индуктивности, она будет иметь всего несколько витков провода. Такой контур с конденсатором переменной ёмкости около 30 пФ перекрывает сразу 2 диапазона с запасом от 65 до 108 МГц.
С целью повышения добротности, учитывая, что токи ВЧ текут по поверхности проводов, я выбрал диаметр 2 мм, используя медный провод для электропроводки, сняв с него изоляцию и намотав 4 витка на оправке диаметром 1,2 см.
| Фото 1. Катушка индуктивности. |
Теория здесь! Но услышать эфир с такого приёмника возможно в непосредственной близости передатчика, поэтому желательно сразу же подключить УНЧ с низкоомным телефоном или компьютерную колонку, так как скат контура на принимаемой частоте очень пологий и изменение амплитуды в результате преобразования ЧМ сигнала в АМ очень малы. Когда я всё это подсоединял, то мне самому было интересно чего же я услышу. Ведь колебательный контур имеет на этой частоте полосу около 5 МГц, а это значит, что около 10 станций я должен услышать одновременно.
Практически я впервые собирал такой простой радиоприёмник на эту частоту для ЧМ сигнала.
| Рис. 3. Детекторный УКВ приёмник ЧМ. Схема удвоения напряжения (по Вильярду), 0 — V — 1. |
| Рис. 4. УКВ (FM) приёмник с эмиттерным детектором. 0 — V — 1. Схема детектора на транзисторе обладает большим коэффициентом передачи. |
| Фото 2. Детекторный УКВ радиоприёмник с УНЧ для подключения головных телефонов. |
Фото 3. В качестве антенн я также использовал раздвижной разрезной вибратор, строительное правило, проволочный разрезной вибратор от компьютерной радио приставки. Последняя антенна тоже показала неплохие результаты. Такой простой приёмник является хорошим индикатором в определении качества антенн. |
| Фото 4. С помощью конденсатора настройки (пластмассовой трубки со слоем фольги сверху, соединённой с тазиком), одетого на алюминиевую трубку, настроился на 56 МГц. Расстояние между двумя настройками на скатах, которое составило 2 МГц, принял за полосу контура. Но вещательный канал 1-ой программы телевидения принять не удалось. Приёмник принимал только сигнал с генератора, хотя без конденсатора станции УКВ диапазона были слышны, но до них ещё надо пилить и пилить трубку. |
| Фото 5. К колебательному контуру, выполненному в виде трубки, с помощью хомутов подсоединяется антенна, эмиттерный детектор с УНЧ. С помощью хомутов удобно подбирать согласование с катушкой (трубкой), добиваясь максимальной громкости и селективности. Проводки, подсоединяющие монтажную плату, необходимо сделать как можно короче, а наушники подключить через дросселя с индуктивностью 1,5 мкГн. |
Была ещё идея пристроить к тазику направленную спиральную антенну с высоким коэффициентом усиления, используя медную водопроводную трубу с диаметром витка 0,5 метров и длиной шаговой намотки до 5 метров, но в период резкого спада спроса на алкоголь в результате растущих на него цен, такая конструкция напоминала бы самогонный аппарат производственного масштаба. От затеи пришлось отказаться.
Применение. Несколько десятков таких приёмников, состоящих из с вибраторов в виде отрезков проводов, направленных на ближайший передатчик, колебательные контура, настроенные на мощную радиостанцию, и такое же количество диодов, и — готов неиссякаемый источник энергии, который займёт намного меньше места, чем аналогичные детекторы-накопители ДВ и СВ диапазонов.
Я попробовал избавиться от назойливых соседей и поставил ещё один перестраиваемый резонансный каскад усиления перед детектором, сделав, таким образом,
приёмник УКВ (FM) прямого усиления 1 – V – 1.| Рис. 5. Приёмник УКВ (FM) прямого усиления с УВЧ (Т1), детектором (Т2), УНЧ DD1. 1 — V — 1 |
В конструкции приёмника использован двухсторонний фольгированный стеклотекстолит. А края платы пропаяны медной лентой, обеспечивающий двухсторонний контакт проводящего слоя. Катушки расположены с двух сторон печати, а сама плата является экраном между контурами. Таким образом, убираются паразитные связи (положительная обратная связь), которые способны на этих частотах превратить данный приёмник в регенеративный, то есть, работающий на грани самовозбуждения. В этой части желательно позаботиться об устойчивом усилении резонансного каскада, а регенеративный приёмник — это отдельная тема для творчества.
| Фото 6. Конструкция УКВ приёмника прямого усиления по схеме 1 — V — 1. |
При использовании 2-х резонансных контуров полоса должна сузиться в 1,4 раза, а подавление соседнего канала увеличиться в 2 раза, что и получилось на практике, но оставшаяся довольно широкая полоса (3,5 МГц) захватывала по две станции. Такая конструкция работала только в городе, а в дачной местности, в 70 км от города и в 20 км от ретранслятора, я не смог поймать ни одной станции, только ровный белый шум УНЧ. Правда, стоило мне подсоединиться к телевизионной антенне с усилителем, что-то стало проявляться на уровне шумов, но для качественного функционирования устройства было ещё далеко. Для нормальной работы такого приёмника мне необходимо было вернуться в 50-е годы прошлого столетия и позаимствовать схему телевизора КВН-49, приёмный тракт этого устройства был сделан по схеме прямого усиления. Приёмник имел только два канала. Это была линейка ламп с контурами, которые переключались рычажком-переключателем, замыкающим контактные лепестки по всей длине шасси. А всего 20 лет назад, когда FM диапазон ещё не был освоен, такой самодельный приёмник оказался бы вполне приемлемым в использовании, по крайней мере, в городских условиях. Возвращаться в прошлое с целью усложнения схемы не хотелось.
Применение. Приведённая схема перестраиваемого резонансного усилителя (Рис. 5) прошла испытание временем и довольно успешно применяется по сей день в качестве преселектора в супергетеродинных приёмниках. В более серьёзных аппаратах все подстроечные и переменные конденсаторы заменяются варикапами, а настройка на станцию осуществляется с помощью микропроцессора.
Неперестраиваемый резонансный усилитель ВЧ находит применение для сверхдальней связи, будучи использован в качестве антенного усилителя, установленного непосредственно в антенне. Благодаря узкой полосе приёма, он будет обладать меньшим коэффициентом шума, лучшей защитой от помех по сравнению с широкополосным апериодическим каскадом, который в основном используется в стандартных антенных усилителях. Возвращаясь к теме простых приёмников УКВ прямого усиления, я, пожалуй, откажусь от наращивания контуров с целью сужения полосы пропускания, а соберу сверхрегенеративный детекторный каскад для диапазона УКВ-2Сверхрегенеративный приёмник УКВ (FM) диапазона.
Не видел человека счастливее в момент, когда он демонстрировал работу своего сверхрегенеративного приёмника. Всего три транзистора на картонке, штыревая антенна и несколько сверхдальних станций захлёбываясь иностранной речью, перебивают друг друга.
Я тоже собирал аналогичные приёмники КВ диапазона для радиоуправляемых моделей и простеньких переговорных устройств. Этот вид детектирования сигнала подкупает своей простотой, но в настоящий момент переходит в разряд ретро, уступая место супергетеродинному приёмнику, который благодаря современной элементной базе будет иметь преимущество.
Но надо отдать должное этому устройству, ибо собрав его, вы не сможете от него оторваться, крутя подстроечные конденсаторы, подбирая режимы, добиваясь согласования с контурами и т. д. в попытке получить от этого радиоприёмника нечто сверхъестественное, как и следует из его названия. Не буду никого разочаровывать, так как сам собрал такой приёмник на диапазон УКВ – 2 (88 – 108 МГц) и уже не один вечер колдую над ним.
| Рис. 6. УКВ (FM) приёмник со сверхрегенеративным детектором. 1 — V — 1 |
У этого приёмника лучше селективность по соседнему каналу, практически переехал в отдельную квартиру. Лучше чувствительность, я уже могу слушать его на даче. Но про остальные параметры мне лучше помолчать. А то пропадёт весь интерес к нему и счастливое лицо, демонстрирующее работу приёмника, никому не суждено будет увидеть.
Конструкция приёмника аналогична предыдущей, но у вас появится непреодолимое желание экранировать сверхрегенеративный детектор ибо, уже поднося руку к катушке демодулятора, его настройка меняется, ведь он включает в себя генератор высокой частоты, излучающий высокочастотную генерацию вспышками благодаря второму генератору, более низкой частоты, и всё это выполнено на одном транзисторе. Я специально немного изменил предыдущую схему, превратив резонансный каскад УВЧ в апериодический, чтобы такую конструкцию легко можно было переделать. Изменению в основном подвергается детектор. Однако лучшую развязку с антенной обеспечит каскодный УВЧ. О нём всё написано в 3-й части радиолюбительского конструктора.
Такой простой УКВ радиоприёмник целесообразно сделать в виде макета в стиле ретро, который может быть использован на школьной выставке творчества в качестве практического задания на каникулы. Как демонстрационный радиоприёмник он будет более работоспособен в городских условиях, где много помех, по сравнению с диапазонами СВ и ДВ. Смотрите продолжение этого поста «Ламповый регенеративный детектор FM диапазона».В этом посте собран макет приёмника прямого усиления по схеме 0 – V – 1. К ламповому (высокочастотный пентод 6Ж5П) регенеративному детектору подсоединяется активная колонка и приёмник готов. В городе приём ведётся на штыревую антенну без заземления. Приобретите билет в детство или в прошлое и соберите эту ретро-конструкцию. Не пожалеете!
От детекторного приёмника к супергетеродину. Самодельный радиоконструктор. Часть 3.
Практикум для начинающих.
От длинноволнового приёмника прямого усиления к супергетеродину, работающему в УКВ (FM) диапазоне.
1. Радиоприёмник прямого усиления с частотной модуляцией (ЧМ) для линейной радиосвязи.
2. Супергетеродин с низкой промежуточной частотой для диапазона УКВ (FM).
3. Супергетеродин УКВ (FM) диапазона с двойным преобразованием частоты.
Это факультативное занятие, получить на него допуск могут те, кто прошёл первый тур и смастерил этот «интересный приёмник длинноволнового диапазона». На всякий случай приведу его полную схему.Вот эта схема.
| Рис. 1. Приёмник прямого усиления диапазона ДВ волн. |
1. Сначала сделаем из этой конструкции приёмник с частотной модуляцией для линейной связи.
Изменению подвергнется только амплитудный детектор, он станет частотным детектором, хотя представляет собой разновидность импульсно счётного детектора, как самого простого, поскольку отсутствуют катушки индуктивности. Именно эта разновидность частотного детектора является составной частью микросхем для простых УКВ приёмников с частотной модуляцией, например микросхема TDA7088Т – это приёмник супергетеродинного типа с низкой промежуточной частотой рассчитан на приём радиостанций в УКВ диапазоне (до 115 МГц).
Вряд ли кого заинтересует приёмник прямого усиления, работающий в режиме ЧМ (FM), в диапазоне длинных и сверхдлинных волн. Но такие приёмники существуют и служат для линейной связи, которую необходимо осуществить, имея уже готовые провода, например сетевые. Таким образом, коттедж или дачный посёлок можно оборудовать громкой или телефонной связью, используя сетевую проводку. Частотная модуляция, использованная в радиосвязи, имеет лучшую защиту от помех, по крайней мере, по сравнению с амплитудной модуляцией. Да это видно из графиков. Принимаемый сигнал сжимается по амплитуде в ограничителе, отсекая помехи и паразитную амплитудную модуляцию. Сам импульс укорачивается, но его закон изменения по времени не меняется в процессе приёмо-передачи. Фильтр нижних частот выделяет звуковую частоту из меняющихся последовательностей импульсов. Чем чаще частота колебаний импульсов, тем выше уровень звука, чем реже частота – тем ниже уровень.| Рис. 2. Ограничение импульсов. |
| Рис. 3.Укорачивание импульсов. |
| Рис. 4. Восстановление импульсов. |
| Рис. 5. После ФНЧ. |
На всякий случай я приведу полную схему линейного приёмника прямого усиления с частотной модуляцией для диапазона длинных волн.
| Рис. 6. Схема частотного детектора. С = 270пФ (р) |
| Рис. 7. Линейный приёмник ЧМ на ДВ диапазон. |
| Рис. 8. Схемы передатчика и приёмника линейной связи из книги «Электронные схемы». |
Если сделать приёмник и передатчик с частотной модуляцией для диапазона длинных волн, то высокое качество звучания гарантировано.
Дальность радиосвязи на этих частотах окажется лучше, чем в УКВ диапазоне при тех же мощностях, а так же больше дальность при использовании частотной модуляции, последнее свойство вытекает из особенностей спектров. Недостаток – это очень громоздкие антенны. Короче будет, о чём подумать, если окажетесь на необитаемом острове, и решить каким образом подать сигнал SOS. В статье «Импульсный блок питания из деталей компьютера» есть подсказка, как из этого блока питания сделать передатчик на диапазон длинных волн. Творите, дерзайте, пробуйте и вас услышат, даже на обычный приёмник с АМ модуляцией.2. От линейного приёмника к супергетеродину диапазона УКВ (FM)..
Теперь, чтобы наслаждаться хорошим качеством вещания в диапазонах УКВ (FM), к линейному приёмнику осталось сделать преобразователь частоты, он займёт место магнитной антенны, при этом высокочастотная часть линейного приёмника превратится в усилитель промежуточной частоты 175 кГц, с полосой пропускания от 100 до 250 кГц.
Здесь я приведу схему самого простого преобразователя частоты на транзисторах, только, чтобы его смогли повторить.
| Рис.9. Преобразователь принимаемой частоты диапазона УКВ (88 — 108 МГц) в 175 кГц. |
| Фото 1. Преобразователь. |
Когда я подключил преобразователь к приёмнику, раздвигая или сжимая катушку гетеродина, стал настраиваться на радиовещательные станции, то обнаружил, что одни станции работают превосходно, а другие с искажениями. Чувствительность что ли не хватает, решил я и начал делать УВЧ. Но с усилителем стало ещё хуже. Наверно приёмник ловит свой же гетеродин, ведь частота входного сигнала и гетеродина рядом, разница между ними 175 кГц (промежуточная частота). На частотах порядка 100 МГц сделать узкополосный контур практически невозможно. Начал экранировать УВЧ, гетеродин, уменьшать его амплитуду. Могли пройти годы, если бы я не вспомнил, что все простые приёмники в этом месте работали аналогичным образом, а сделаны они на однокристальной микросхеме TDA7088Т с низкой промежуточной частотой. В то время ещё никто не думал, что сегодня в городе Москве, диапазон 88 -108 МГц будет весь заполнен радиовещательными станциями, расстояние между которыми 400 кГц, таким образом, получается более 40 передающих частот.
| Фото 2. Спектры радиовещательных станций в диапазоне 88 — 108 МГц. Ближе всего передатчики Останкино ( максимальные амплитуды), меньшие — улица Казакова, Шаболовка, Балашиха. |
Недостаток супергетеродина это наличие дополнительного зеркального канала, отстоящего на сумму двух промежуточных частот, в нашем случае 350 кГц.
Во всём виноват преобразователь, по-другому он работать не может. На объяснение потребуются время. Необходимо пройти курс высшей математики, затем приложить её непосредственно к радиотехнике и к теории нелинейных электрических цепей. Тогда станет понятно, почему под воздействием амплитуды гетеродина и входного сигнала возникают основной канал, он же промежуточный, на частоте (F сигнала + F гетеродина) и зеркальный канал (F сигнала – F гетеродина). При настройке на станции будут двигаться сразу два канала приёма с разницей в 350 кГц, то есть 2 станции будут приниматься одновременно, так как будут попадать как в зеркальный, так и в промежуточный канал приёма, мешая друг другу и создавая искажения. Только самая первая радиостанция, в самом начале диапазона, работала превосходно, и неплохо прослушивался сигнал, если в зеркальный канал попадала радиостанция с меньшей мощностью, то есть отдалённая. Подавить мешающий канал, отстоящий на 350 кГц колебательными контурами невозможно.
Выход один – увеличивать промежуточную частоту, чтобы легче было подавить зеркальную помеху. В «Тюнере FM для приёмника ретро» я использовал промежуточную частоту 10,7 МГц, это стандартная частота и специально для этой частоты выпускают пьезокерамические фильтры. Теперь зеркальный канал будет отстоять на 21,4 МГц, достаточно далеко и помехи, попадающие в него, теперь легко подавятся колебательными контурами. Перестраиваю гетеродин на 10,7 МГц выше, путём уменьшения конденсатора контура гетеродина или просто раздвигаю катушку, а нагрузкой смесителя теперь служит пьезокерамический фильтр. Дело за УВЧ, усилителем промежуточной частоты (УПЧ), детектором — и приёмник готов. Вот только детектор на импульсах, из предыдущей схемы, на таких высоких частотах работать не будет. Но не всё потеряно, конструктор есть конструктор, и такой детектор можно оставить, если поставить ещё один преобразователь с кварцевой стабилизацией частоты в гетеродине, выбрав частоту кварца равной: 10,7 МГц + 175 кГц = 10, 88 МГц, (точного значения частоты кварца в продаже может не оказаться, тогда нужно выбрать ближайшее верхнее по частоте значение, и на столько же измениться промежуточная частота).3. Супергетеродин с двойным преобразованием частоты.
Таким образом, получится приёмник с двойным преобразованием частоты, где за селекцию бороться будут сразу два промежуточных канала (ПЧ1 и ПЧ2), причём зеркальный канал первого преобразователя будет подавляться резонансным усилителем высокой частоты (УВЧ), а зеркальный канал второго преобразователя будет подавляться узкополосными пьезокерамическими фильтрами первого промежуточного канала (ПЧ1), настроенного на частоту 10,7 МГц.
| Рис. 10. Структурная схема приёмника с двойным преобразованием частоты. УВЧ — усилитель высокой частоты, настраивается на частоты 88- 108 МГц. С — смеситель первого преобразователя частоты. Г 1- гетеродин, настроен на частоты 98,7 — 118,7 МГц. ПЧ 1 — усилитель промежуточной частоты 10,7 МГц. С — смеситель второго преобразователя частоты. Г 2 гетеродин с кварцевой стабилизацией частоты 10,9 или 11 МГц. ПЧ 2 — усилитель с низкой промежуточной частотой. Частотный детектор импульсно-счётного типа. УНЧ — усилитель низкой частоты. |
Усилитель высокой частоты для УКВ приёмника. УВЧ.
Каскодная схема включения транзисторов.| Рис.12 Каскодная схема включения. |
| Фото 3. Макетная плата каскода. |
Всегда уважаю свободу выбора, поэтому провожу ещё одну схему.
Неплохие результаты получились
с УВЧ, выполненным на полевом транзисторе,
здесь так же можно использовать как связанные, так и одиночные контура. Коэффициент усиления около 15 дБ.
| Фото 4. УВЧ на полевом транзисторе BF1212 |
| Рис 13. УВЧ на полевом транзисторе. |
.
Усилитель первой промежуточной частоты. (ПЧ1).
Проще не видел схем. Промежуточная частота выбрана 10,7 МГц. Частотную характеристику задают два пьезокерамических фильтра. По уровню 3 дБ — полоса пропускания получилась 240 кГц. Обычно выбираю фильтры с самой широкой полосой, обеспечивая запас при уходе гетеродина. При желании фильтры можно подобрать, для получения минимальной неравномерности частотной характеристики.
Транзистор компенсирует потери фильтров и добавляет дополнительное усиление в общем тракте приёмника, необходимое для получения хорошей чувствительности. Усиление каскада сильно зависит от питания, время подумать о стабилизаторе напряжения. Один фильтр с усилителем даёт усиление не менее 5 раз. Резистором со звёздочкой можно регулировать общее усиление тракта.
| Фото 5. Макет ПЧ1. |
| Рис. 14. Усилитель первой промежуточной частоты. ПЧ1. |
Неплохо
зарекомендовал себя усилитель промежуточной частоты на операционном усилителе.
Такая схема выглядит серьёзнее, поскольку обладает более стабильными
параметрами, не меняющимися как от изменения напряжения, так и от температуры,
обладает отличной линейностью, хорошо развязывает вход от выхода. В части 1 на этой микросхеме была проба амплитудного детектора для приёмника
прямого усиления.
| Рис 15. Схема усилителя первой промежуточнойчастоты на ОУ. ПЧ1. |
Этот гетеродин принадлежит второму преобразователю и его частота выше первой промежуточной частоты 10,7 МГц на величину второй промежуточной частоты, равной 175 кГц. Особенностью данного блока, который имеет частоты ниже принимаемого частотного диапазона, является возможность попадания его высших гармоник в полосу приёма, которые создадут поражённые точки, уменьшат чувствительность в этих местах, и ухудшат динамический диапазон, создавая биения с несущей частотой приёма.
Этот блок, а также входные цепи должны иметь хорошую экранировку. Пожалуй, я сделал всё возможное, добившись подавления высших гармоник на 65 дБ.
L 1, L2 – контур, настроенный на первую гармонику кварца.
L 3, L4 – фильтр нижних частот, с частотой среза выше 11 МГц.
Этому фильтру помогают два фильтра пробки, выполненные на этих же индуктивностях и подавляющие вторую и третью гармоники кварцевого гетеродина.
| Фото 6. Макет гетеродинн на F=10,9 МГц |
| Рис. 16. Кварцевый гетеродин. Г2. |
Смеситель.
Этому гетеродину нужен смеситель и тогда второй преобразователь промежуточной частоты скомплектован. Поскольку гетеродин на кварце получился достаточно хорошо, я наверно каждую деталь подобрал, получив, таким образом, неплохое подавление высших гармоник. Вот и со смесителем решил постараться и сделать его на полевом транзисторе, всё лучше, чем на биполярном, тем более УВЧ на этом транзисторе уже собирал, а сама схема смесителя от УВЧ мало чем отличается, если часть деталей исключить, то добавляется только один резистор.
| Рис. 17 Смеситель на полевом транзисторе. С2. |
Усиливает такой смеситель в три раза, что составляет 10 дБ.
Чтобы проверить такой смеситель, а подал на один вход сигнал с гетеродина (Г 2), таким образом, получился второй преобразователь. С измерительного генератора подаю частоту 10,7 МГц, а с выхода снимаю разностный сигнал, равный 10,9 – 10,7 = 0,2 МГц.
Всегда думал и предполагал, что смесителю на полевом транзисторе нужна большая амплитуда гетеродина, а он у меня всего 100 мВ он выдавал. Повинуясь теории, первоначально на выход гетеродина подключил усилитель на ОУ, аналогично, что усилитель ПЧ1, ограничив усиление по его входу последовательным резистором в 3,6 кОм. Гетеродин стал выдавать 1 вольт, правда подавление высших гармоник ухудшилось и стало 45 дБ. Поэкспериментировав, пришёл к выводу, что усилитель не нужен, 100 мВ вполне достаточно.
Осталось соединить все квадратики и радиоприёмник готов!
Автомобиль всё дальше и дальше уходил в восточном направлении от Москвы.После Богородска, что в 40 км от окружной автомагистрали, трасса стала спускаться в пойму реки Клязьмы. Громкость звучания уменьшилась щелчком – это автомобильный приёмник настроился на местный ретранслятор УКВ (FM) диапазона, разбавляя интервал между музыкальными треками блоком областной рекламы. После 100 км пути, когда еловый заснеженный лес вплотную подошёл к дороге, моя любимая музыкальная композиция стала теряться в шумах, я стал давить на кнопки других радиостанций – картина была аналогичной, и только на подъёме дороги приёмник оживал, но чем дальше, тем реже и реже было его пробуждение. Не менялся только зимний пейзаж за окном, красивый лес будет сопровождать меня ещё долго. Я включил средние волны, уверенно принимаемая радиостанция, сетовала на запоздалую весну… Теперь я понял, почему на мой факультатив, посвященный приёмнику УКВ, никто не заходит. Время заканчивать. Возвращаюсь к всеволновому приёмнику.
Продолжение второй части факультатива.
Я вернулся и соединил все квадратики!
И не поверил ушам своим. Как можно описать звучание? Динамичный, сочный, живой, естественный, предельный, разборчивый, мягкий… Короче я заметил разницу в звучании своего приёмника в сравнении с профессиональным РПУ, аналогичным по выходным характеристикам (двойное преобразование, выходная мощность, частотная характеристика).
В природе среднестатистическое человеческое ухо различает разницу в уровнях звучания около 6 дБ, что составляет 2 раза. Заранее предвидя, что мне никто не поверит, подключил приборы.
На графиках записаны фрагменты музыкальных произведений с радиостанции
«Радио Джаз». Особенность этого канала – преобладание композиций с ограниченным количеством музыкальных инструментов, что позволяет выделить каждый и изучить их путём сравнения. Первоначально по одному тональному сигналу с генератора на приёмниках был установлен одинаковый выходной уровень. На всех фотографиях, приведено два одновременно записавших во времени звучание музыкального инструмента и на всех — нижний график — звучание самодельного радиоприёмника.
Ну, ведь я же говорил, что свой приёмник будет звучать лучше!
Даже невооружённым глазом видно, что при одинаковом статическом сигнале размах больше на нижних графиках, а, следовательно, больше динамический диапазон. Все мелкие детали чётко вырисовываются, и в результате легко отделим каждый инструмент на слух. Отсутствует зашумленность самого звука. Сам синусоидальный сигнал более ровный, поэтому коэффициент нелинейных искажений минимален.
| Рис. 18 |
| Рис. 19. |
| Рис. 20. |
| Рис. 21. |
Музыка вырвалась на свободу!
Освободите музыку! Научитесь её слушать!
Все эти положительные характеристики получились благодаря импульсно-счётному детектору. Кроме того, его линейная характеристика не ограничивается колебательными контурами, способными расстраиваться от температуры и его полоса пропускания будет определяться полосой пропускания полосовых фильтров первой промежуточной частоты. То есть, если суммарная полоса пьезокерамических фильтров составляет 260 кГц, то приёмник пропустит без искажений девиацию частоты +/- 130 кГц, почти в 2 раза больше спектра радиовещательных передатчиков.
| фото 7. УВЧ, смеситель 1 (С1), гетеродин1(Г1), ПЧ1, смеситель 2 (С2), гетеродин 2 (Г2). |
| Рис. 22. Схема УВЧ, первый преобразователь, ПЧ1, второй преобразователь. |
Несколько слов о полной схеме приёмника.
Саму схему, как и сам приёмник можно модернизировать до бесконечности, в этом и заключается творчество. Поэтому, чтобы не быть эгоистом, оставляю возможность для самостоятельной работы.
Полная схема получится, если соединить вместе последнюю схему со схемой приёмника прямого усиления для линейной связи, исключив магнитную антенну.
В испытаниях участвовал усилитель низкой частоты, выполненный на микросхеме МС34119. Его схема включения дана во второй части.
В первом преобразователе у меня вышел из строя полевой транзистор в смесителе, когда я «выжимал из него сок», поэтому оставил старую схему, чуть доработав гетеродин, добившись ослабления гармоник 35 дБ. Настройка осуществляется изменением напряжения на варикапе.
Кварц во второй гетеродин я поставил на 11 МГц, у меня такой был, а, следовательно, вторая промежуточная частота получилась 400 кГц, что составило потерю по коэффициенту передачи на 6 дБ, поскольку вторая ПЧ с ростом частоты резко теряет усиление, зато помеха по зеркальному каналу приёма при более высокой частоте подавляется лучше. Попытка поставить ОУ с высокой граничной частотой не увенчалась успехом, уменьшился динамический диапазон. Это связано с возбуждением ОУ на СВЧ, всё будет зависеть от качества монтажа.
Чувствительность получилась 5 мкВ при соотношении сигнала к шуму — 20 дБ. Но это не предел. Реально чувствительность можно довести до 1 мкВ, если добавить резонансный каскад в первое ПЧ.
Я уже говорил – модернизировать можно до бесконечности.
Макет приёмника.
В макете приёмника все сигнальные проводники должны быть как можно короче. В качестве заземляющих площадок я использовал лужёную медную ленту.
Провода, соединяющие питание должны припаиваться непосредственно к блокировочным конденсаторам.| Фото 8. Полный макет приёмника. |
| Фото 9. Радиолампу поставил для куража. Такому приёмнику не помешает двухтактный усилитель мощности на лампах. |
А полная схема приёмника на сегодня выглядит так.
| Рис. 23. Приёмник УКВ. |
Напомню, что эта схема содержит приёмник прямого усиления для линейной связи, который является составной частью супергетеродина с двойным преобразованием частоты, отдельный усилитель низкой частоты с линейным выходом и усилитель мощности.
Думаю, что реплики типа:
— Полный отстой!
Или.
— Да здесь всё на одной микросхеме можно сделать!
Не исключены. От себя скажу, что можно просто купить готовый приёмник.
Или сделать на одной микросхеме.
Структурная схема радиоприемника прямого усиления. Принцип действия схемы . Достоинства и недостатки радиоприемника прямого усиления .
Базовым приемником можно считать так называемый приемник прямого усиления (рис. 4), структурная схема которого соответствует принципу получения звукового сообщения из радиосигнала.
Линейная (высокочастотная) часть приемника представляет собой входную цепь и УВЧ, низкочастотная часть приемника – УНЧ.
Высокочастотная часть приемника содержит резонансные элементы, которые выделяют требуемый сигнал из множества других сигналов. В УВЧ, кроме селекции, также осуществляется и усиление сигнала.
| Рис. 4. Структурная схема приемника прямого усиления |
Особенностью такого приемника является то, что фильтрация полезного сигнала по частоте, его усиление и детектирование осуществляется на несущей частоте принимаемого сигнала , поэтому его и называют приемником прямого усиления.
Принцип работы приемника прямого усиления.
Принятый антенной радиосигнал (как правило, смесь сигнала и помехи) через входную цепь поступает на вход усилителя высокой частоты. Здесь сигнал усиливается одним или несколькими каскадами.
Выходной сигнал УВЧ и поступает на вход детектора, где преобразуется в сигнал UД(t)=Uс(t)+Uп(t), где Uc(t) – сигнальная (полезная) составляющая, а Uп (t) – помеховая составляющая, искажающая сообщение.
УНЧ усиливает сигнал UД(t) до уровня, необходимого для нормальной работы выходного устройства (телефонов).
В некоторых приемниках при достаточной мощности входного сигнала детектор подключается непосредственно к входной цепи. Такие приемники называются детекторными. Детекторные приемники имеют низкую чувствительность и плохую избирательность, поэтому они нашли ограниченное применение.
Достоинствамиприемников прямого усиления являются их простота, отсутствие дополнительных каналов приема.
Недостатками таких приемников являются: широкая полоса пропускания на высокой частоте; низкая чувствительность из-за высокого коэффициента шума; отличие формы АЧХ, в пределах диапазона рабочих частот, от прямоугольной; сложная перестройка по частоте.
Супергетеродинный приемник.
Недостатков приемника прямого усиления лишен супергетеродинный приемник (с преобразованием частоты).
Структурная схема супергетеродинного приемника представлена на рисунке 5.
Приемник состоит из входной цепи (ВЦ), усилителя высокой (радио) частоты, преобразователя частоты (ПЧ) (смеситель и гетеродин), усилителя промежуточной частоты (УПЧ), детектора и усилителя низкой (звуковой) частоты (УНЧ). Для повышения чувствительности и избирательности в данном приемнике, как правило, используется УВЧ с настраиваемым контуром.
Назначение ВЦ, УВЧ, детектора и УНЧ аналогично приемнику прямого усиления.
Известно, что в радиоприемниках, на высокой частоте, достаточно сложно технически обеспечить требуемую форму АЧХ, узкую полосу пропускания и большой коэффициент усиления. Однако эти сложности устраняются с помощью преобразования частоты, когда радиосигнал переносят на более низкую частоту называемую промежуточной .
Принципиальной особенностью супергетеродинного приемника является то, что частотная селекция полезного сигнала, основное усиление и его детектирование осуществляется на постоянной частоте, значительно меньшей частоты принимаемого сигнала , называемой промежуточной частотой.
В супергетеродинном приемнике перенос принимаемого радиосигнала на промежуточную частоту осуществляют с помощью преобразователя частоты.
ПЧ обеспечивает перенос спектра принимаемого радиосигнала с частоты на более низкую промежуточную частоту .
Структурная схема преобразователя частоты представлена на рисунке 6. На схеме: СМ – смеситель, Г – гетеродин, УПФ – узкополосный фильтр.
| Рис. 5. Структурная схема супергетеродинного приемника |
Рис. 6. Структурная схема преобразователя частоты
Характер преобразований, производимых в ПЧ, иллюстрируется аналитическими выкладками, представленными ниже.
Если радиосигнал, поступающий на вход ПЧ обозначить (для примера рассмотрим АМ-радиосигнал), а сигнал гетеродина , то на выходе СМ (рис. 6) будет сформирован сложный сигнал, содержащий составляющие как суммарной, так и разностной частоты:
,
где: k – коэффициент пропорциональности.
С помощью УПФ выделяется только составляющая на частоте . В результате на выходе преобразователя частоты формируется сигнал , спектр амплитуд которого показан на рисунке 7.
Особенность работы преобразователя частоты заключается в том, что он всегда формирует сигнал с частотой , и не реагирует на знак разности, хотя частота может быть больше или меньше . Изменять частоту выходного сигнала ПЧ можно путем изменения частоты , что очень упрощает настройку приемника на частоту сигнала .
Поскольку преобразователь частоты не способен определять знак разности частот сигналов fc и fг, поступающих на смеситель, то приемник может одновременно принимать радиосигналы нужной станции — с частотой и мешающей станции – с частотой зеркального канала , где . При этом частоты и располагаются на частотной оси симметрично (зеркально) относительно частоты гетеродина (рис. 7).
| Рис. 7. Изменение спектра радиосигналов при преобразовании частоты |
Поэтому, при наличии помехи с частотой fз, она, как и сигнал попадает в полосу пропускания УПЧ.
Для подавления помехи на зеркальной частоте используются специальные меры:
— полоса пропускания УВЧ выполняется такой, что не превышает 2fпр;
— на входе УВЧ размещается синхронно перестраиваемый с УВЧ режекторный фильтр с частотой подавления fз;
— в состав линейной части приемника включается специальная схема компенсации зеркальной помехи;
— в приемнике используется двукратное или трехкратное преобразование частоты для повышения его избирательности.
На работу супергетеродинного приемника также могут оказывать негативное влияние и помехи на промежуточной частоте . Для уменьшения влияния таких помех, в приемнике используются заградительные (режекторные) фильтры.
Необходимо также отметить, что: результирующая АЧХ приемника получается в результате перемножения АЧХ УВЧ, СМ и УПЧ; коэффициент усиления линейной части приемника равен произведению коэффициентов усиления УВЧ, СМ и УПЧ. Полоса пропускания линейной части приемника определяется самым узкополосным элементом — УПЧ. При этом частота настройки и полоса пропускания УПЧ являются постоянными и при перестройке не меняются.
Таким образом, к достоинствам приемника можно отнести высокую избирательность и чувствительность, а к недостаткам — сложность, наличие кроме основного и побочных каналов приема (зеркального канала, канала на ).
Схемы приемников на транзисторах, мастерим радиоприемные устройства своими руками (Страница 4)
Простой СВ-ДВ приемник на транзисторах с различным типом проводимостиСхема простого приемника прямого усиления 1-V-2 на четырех транзисторах, предназначенного для приема местных радиостанций, работающих в диапазоне средних и длинных волн. Настройка на станции плавная. Прием производится на внутреннюю магнитную антенну МА, а прослушивание …
0
0
1000
Схема приемника 1-V-2 на четырех транзисторах с транзисторным детекторомСхема простого приемника прямого усиления 1-V-2 на четырех транзисторах, предназначенного для приема мощных местных радиостанций, работающих в диапазоне средних волн. Прием станций осуществляется на внутреннюю магнитную антенну МА, а прослушивание с помощью электромагнитного…
1
0
1092
Трехтранзисторный приемник 1-V-З с настраивающимся рефлексным каскадомСхема приемника прямого усиления 1-V-З на трех транзисторах и одном полупроводниковом диоде, обладающего повышенной чувствительностью около 7— 8 мв/м с выключенной обратной связью и 2— 3 мв/м с включенной обратной связью и с улучшенной избирательностью. Такой приемник…
0
0
878
Схема рефлексного 1-V-2 приемника с двухтактным выходомСхема приемника прямого усиления 1-V-2 на трех транзисторах и одном полупроводниковом диоде, предназначенного для приема местных средневолновых радиостанций, обеспечивающего при этом достаточно большую громкость и неплохое качество звучания. Схема приемника содержит…
1
0
899
Схема рефлексного 1-V-З с двухтактным выходомСхема приемника прямого усиления 1-V-З на трех транзисторах и одном полупроводниковом диоде, предназначенного для приема местных средневолновых радиостанций. Настройка на станции плавная. Прием осуществляется на внутреннюю магнитную антенну МА, а прослушивание радиопрограмм на…
0
0
878
Трехтранзисторный приемник 1-V-3Принципиальная схема приемника прямого усиления 1-Ѵ-З на трех транзисторах и одном полупроводниковом диоде. При работе на магнитную антенну приемник обладает чувствительностью порядка 8— 12 мв/м и выходной мощностью около 30 мвт, что позволяет вести уверенный…
0
0
915
Схема рефлексного громкоговорящего ДВ-СВ приемникаСхема простого приемника прямого усиления 1-Ѵ-З на трех транзисторах и одном полупроводниковом диоде. Чувствительность приемника порядка 12—15 мв/м, что обеспечивает громкоговорящий прием мощных радиостанций, работающих либо в диапазоне средних…
0
0
970
Приемник на трех транзисторах 1-V-2 с регулируемой обратной связьюСхема приемника прямого усиления 1-V-2 на трех транзисторах, предназначенного для приема мощных местных средневолновых радиостанций. Прием осуществляется на внутреннюю магнитную антенну МА, к которой в случае необходимости можно присоединить через специальное гнездо …
2
1
1088
Схема рефлексного приемника 1-v-2Схема простого приемника прямого усиления 1-Ѵ -2 на трех транзисторах, предназначенного для приема мощных местных радиостанций, работающих либо в длинноволновом, либо в средневолновом диапазонах. Схема приемника содержит три усилительных каскада. Первый на…
0
0
913
Трехтранзисторный рефлексный приемник 2-v-3, схемаПриведена схема приемника прямого усиления 2-Ѵ-З на трех транзисторах и одном полупроводниковом диоде, предназначенного для приема одной заранее выбранной местной средневолновой или длинноволновой радиостанции. Прием осуществляется на внутреннюю магнитную антенну МА, прослушивание…
0
0
1072
Приемник с прямым усилением Устройства для приема и обработки …
Мы определили, что для увеличения чувствительности приемника-детектора можно применить принцип прямого преобразования частоты. Однако в этом случае необходимо подавить часть выходных колебаний (составляющая спектра с удвоенной частотой сигнала). Это означает, что мощность полезного сигнала на выходе умножителя (смесителя) будет в два раза меньше мощности сигнала на входе.Другими словами, коэффициент усиления микшера не может превышать –3 дБ. В реальных схемах ситуация хуже из-за потерь в элементах умножителя. Активный умножитель (умножитель с усилением) не меняет ситуацию в корне, поскольку он усиливает не только сигнал, но и шум, а это значит, что коэффициент шума в лучшем случае останется точно таким же.
Для увеличения чувствительности радиоприемника (снижения коэффициента шума приемника) между входом синхронного детектора и выходом входного устройства приемника размещается малошумящий высокочастотный усилитель (УВЧ). .Его коэффициент усиления рассчитывается по формуле:
где U det — напряжение на входе синхронного (квадратурного) детектора;
У а — напряжение на выходе антенны;
K in. Devices — коэффициент передачи входного устройства.
Блок-схема приемника прямого усиления с квадратурным детектором, способным принимать сигнал с любой модуляцией, показана на рисунке 1.
Рисунок 1. Структурная схема радиоприемника с прямым усилением
Использование высокочастотного усилителя позволяет поднять чувствительность приемника до нескольких десятков микровольт. Однако в то же время именно этот каскад усилителей будет в основном определять уровень интермодуляционных искажений. Здесь следует отметить, что схему, показанную на Рисунке 1, можно определить как схему прямого усиления, так и схему прямого преобразования. Все зависит от того, какой каскад будет определять избирательность соседнего канала и где будет сосредоточено основное усиление.
Если в схеме, показанной на рис. 1, основное усиление определяется усилителем низкой частоты, а избирательность по соседнему каналу обеспечивается фильтром нижних частот на выходе квадратурного детектора, то это Схема рассматривается как приемник прямого преобразования. Выбор частотных параметров блоков схемы показан на рисунке 2.
Рисунок 2. Требования к характеристикам фильтра приемника прямого преобразования
Если основная избирательность радиоприемника по соседнему каналу и его основное усиление составляет сконцентрированный на квадратурном детекторе, то он рассматривается как приемник прямого усиления.В этом случае частотные параметры схемы радиоприемника выбираются в соответствии с рисунком 3.
Рисунок 3. Требования к характеристикам фильтра приемника с прямым усилением
Так как в этом случае все параметры приемника определяются устройством ввода и практически не зависят от параметров квадратурного детектора, схему приемника с прямым усилением можно представить, как показано на рисунке 4.
Рисунок 4. Блок-схема приемника с прямым усилением
Требования к низкочастотному квадратурному детектору в этой схеме значительно уменьшены по сравнению со схемой прямого преобразования.Здесь фильтр нижних частот должен подавлять составляющие удвоенной частоты принимаемого радиосигнала и не искажать полезный сигнал.
В худшем случае частотный сдвиг можно определить следующим образом:
В этом случае расчет фильтра низких частот (ФНЧ) выполняется так же, как мы рассматривали в главе о прямом приемник преобразования.
Частотные параметры радиотракта приемника с прямым усилением определены на рисунке 5.На этом рисунке показан спектр рабочего канала и спектры двух соседних радиоканалов. Полосовой фильтр входного устройства приемника с прямым усилением не должен искажать полезный сигнал и в то же время подавлять спектр соседних каналов.
Рисунок 5. Частотные параметры радиотракта приемника с прямым усилением
Известно, что расчет полосового фильтра осуществляется через расчет фильтра нижних частот фильтра-прототипа, который рассчитывается в так же, как и в случае приемника прямого преобразования.Используя эти результаты, вы можете определить, что требуется полосовой фильтр не менее седьмого порядка.
Теперь определимся, на какой частоте можно будет применить схему прямого усиления. Известно, что конструктивную добротность схемы сложно получить более 200. При условии, что фильтр Баттерворта имеет добротность схемы с наивысшей добротностью, отличную от добротности схемы с наименьшей добротностью пять раз, мы будем использовать добротность для определения максимальной частоты:
Добротность контура определяется по следующей формуле:
Тогда максимальная рабочая частота для системы связи, использующей сигналы с частотой 9 кГц. Полоса пропускания может быть определена из следующего выражения:
Это означает, что область применения приемников с прямым усилением ограничена длинноволновым диапазоном.Радиолюбители используют приемники прямого усиления в средневолновом диапазоне, но это достигается за счет уменьшения подавления соседнего канала. Для профессиональных систем связи это недопустимо.
Коэффициент усиления радиочастотного усилителя в схеме прямого усиления ограничен внеполосными помехами, которые могут попасть на его вход и вызвать перегрузку. Приемники, собранные прямым усилением, обычно предназначены для приема одной определенной частоты. Это связано со сложностью разработки настраиваемого полосового фильтра.Частота, принимаемая приемником с прямым усилением, определяется частотой настройки фильтра входного устройства. Учитывая, что данная схема в основном используется в системах дистанционного управления, и они работают в микроволновом диапазоне, то фильтры поверхностных акустических волн обычно используются в качестве частотно-селективных цепей входного устройства.
На приемнике прямого преобразования — Учебное пособие
TUTORIAL
On the Direct Conversion Receiver — A Tutorial
Повышенное давление для низкого энергопотребления, малого форм-фактора, низкой стоимости и меньшего количества материалов в таких радиоприложениях, как мобильная связь, побудило академические круги и промышленность возродить приемник прямого преобразования .Прямое преобразование, от которого давно отказались в пользу зрелого супергетеродинного приемника, появилось в последнее десятилетие или около того благодаря усовершенствованным технологиям обработки полупроводников и хитрым методам проектирования. В этой статье описываются характеристики приемника прямого преобразования и проблемы, которые он поднимает.
Ашкан Машхур,
Уильям Домино
и Норман Бимиш
Conexant Systems
Ньюпорт-Бич, Калифорния
Очень похоже на его хорошо зарекомендовавший себя супергетеродинный аналог приемника, впервые представленный в 1918 году Армстронгом, 1 происхождение приемника прямого преобразования ( DCR) относятся к первой половине прошлого века, когда одиночный приемник понижающего преобразования был впервые описан Ф.M. Colebrook в 1924 г., 2 и термин гомодин. Дополнительные разработки в 1947 году привели к публикации статьи Д.Г. Tucker, 3 , который первым ввел термин «синхродин» для обозначения приемника, который был разработан как прецизионный демодулятор для измерительного оборудования, а не радиоприемника. Другая статья Такера в 1954 г. 4 сообщает о различных одиночных приемниках понижающего преобразования, опубликованных в то время, и разъясняет разницу между гомодинным (иногда называемым когерентным детектором) и синхродинными приемниками — гомодинный приемник получает гетеродин напрямую ( от передатчика, например), тогда как синхронизирующий приемник синхронизирует автономный гетеродин с входящей несущей.
За последнее десятилетие или около того стремление беспроводного рынка и создание технологии монолитной интеграции вызвали исследовательскую деятельность по приемникам прямого преобразования, которые интегрированы с оставшимися аналоговыми и цифровыми частями приемопередатчика, имеют потенциал для достижения «единого». -чип радио «гол. Кроме того, он поддерживает многорежимные, мультистандартные приложения и тем самым представляет собой еще один шаг к программному радио.
Настоящая статья ссылается на несколько недавних публикаций 5,6 , которые содержат подробный обзор и понимание, а также демонстрируют возобновившийся интерес к приемникам прямого преобразования.Преодолевая некоторые проблемы, связанные с традиционным супергетеродином, и будучи более склонным к интеграции, DCR, тем не менее, имеет ряд присущих ему проблем. После краткого описания альтернативных и хорошо зарекомендовавших себя архитектур приемников в этой статье представлена методика приема с прямым преобразованием и освещены некоторые проблемы системного уровня, связанные с DCR.
ТРАДИЦИОННЫЕ МЕТОДЫ ПРИЕМА
Супергетеродинный приемник
Супергетеродинный или гетеродинный приемник является наиболее широко используемой техникой приема и находит множество применений от персональных устройств связи до радио и ТВ-тюнеров.Он широко используется и хорошо изучен. Он доступен во множестве комбинаций, 7,8,9 , но по существу основан на том же принципе — РЧ-сигнал сначала усиливается в частотно-селективном каскаде с низким уровнем шума, а затем преобразуется на более низкую промежуточную частоту (ПЧ) со значительным усиление и дополнительная фильтрация, и, наконец, преобразование с понижением частоты в полосу модулирующих частот с помощью фазового дискриминатора или прямого смесителя, в зависимости от формата модуляции. Этот метод показан на схеме на Рисунке 1.
Использование супергетеродинной техники влечет за собой несколько компромиссов. Отказ от изображения — основная проблема в этой архитектуре. Во время первого преобразования с понижением частоты в ПЧ любая нежелательная активность на частоте, разнесенной на f смещение от частоты гетеродина (f LO ) на противоположной стороне f LO от желаемого радиочастотного канала, вызовет продукт смешения попадает прямо в канал понижающего преобразования при f IF .На практике полосовой фильтр RF, обычно устройство на поверхностных акустических волнах (SAW), используется для выбора полосы перед малошумящим усилителем (LNA), а второй фильтр следует за LNA для подавления изображения. Если эти фильтры идентичны, они разделяют бремя двух функций. Но некоторое количество подавления изображения должно следовать за LNA, поскольку без него коэффициент шума LNA фактически удвоится из-за подмешивания усиленного шума изображения в канал ПЧ. Вместо RF SAW-фильтра также могут использоваться другие технологии пассивной фильтрации, такие как диэлектрические или керамические резонаторы.Чем выше IF, тем менее строгие требования к частоте среза фильтра подавления изображения. Находясь на промежуточной частоте, наличие мешающего сигнала вблизи канала требует резкой фильтрации по всему каналу; эта фильтрация выполняется после первого микшера фильтром выбора канала, который также часто является фильтром ПЧ на ПАВ. На рисунке 2 показан этот процесс фильтрации. По сути, упражнение заключается в тщательно разработанном балансе между несколькими переменными, включая подавление, обеспечиваемое различными фильтрами, частотное планирование и линейность активных каскадов.Двойные ПЧ предоставляют дополнительное пространство для маневра с избирательностью фильтра, но несколько усложняют частотное планирование.
Селективность, требуемая от двух вышеупомянутых фильтров (с точки зрения дробной полосы пропускания), делает их в обозримом будущем неподходящими кандидатами для интеграции из-за низких добротностей текущих кремниевых процессов, и их приходится реализовывать громоздкими компоненты вне кристалла. Фильтр канала ПЧ, в частности, требует для его реализации резонаторов с высокой добротностью — чем выше ПЧ, тем меньше относительная полоса пропускания фильтра (то есть его отношение полосы пропускания к центральной частоте), что требует еще более высокой добротности.Это требование высокой добротности обычно достигается за счет использования пьезоэлектрических ПАВ и кварцевых фильтров. Это вводит дополнительные ограничения, так как эти фильтры часто требуют неудобных оконечных сопротивлений, а согласование может влиять на такие проблемы, как шум, усиление, линейность и рассеиваемая мощность соседних активных каскадов. Чем уже дробная полоса пропускания, тем более вероятно, что форма полосы пропускания фильтра будет проявлять крайнюю чувствительность к изменениям в значениях согласующих элементов. Кроме того, специфика фильтра ПЧ для полосы пропускания сигнала и, следовательно, используемого стандарта делает супергетеродинные приемники непригодными для работы с несколькими стандартами.Тем не менее супергетеродин известен своей высокой избирательностью и чувствительностью.
Приемники отклонения изображения
В качестве альтернативы, за счет интеллектуального использования тригонометрических идентификаторов изображение может быть удалено без необходимости какой-либо фильтрации после LNA-отклонения изображения. Это принцип приемников с отклонением изображения 8,10 , первой из которых является архитектура Хартли, представленная в 1928 году 11 . Он использует два смесителя с их гетеродинами в квадратурном фазовом соотношении; это разделяет сигнал ПЧ на синфазную (I) и квадратурную (Q) составляющие.Затем он сдвигает компонент Q на 90 ° перед повторным объединением двух путей, где полезный сигнал, присутствующий на обоих путях с одинаковой полярностью, усиливается, а изображение, присутствующее на обоих путях с противоположной полярностью, нейтрализуется. Двойная архитектура Хартли, известная как приемник с отклонением изображения Уивера, 12 , обеспечивает относительный фазовый сдвиг одного пути на 90 ° за счет использования второго гетеродина на маршруте к другой ПЧ или к основной полосе частот. Достигается тот же результат. Однако надежность этих приемников сильно зависит от точности трактов I / Q, то есть от коэффициента усиления и фазового дисбаланса между двумя ветвями.На рисунках 3 и 4 показаны схемы архитектур Хартли и Уивера с отклонением изображения соответственно (продукты высокочастотного смешения удаляются с помощью фильтрации нижних частот — на рисунках не показано).
Приемник с одинарным преобразованием с низкой ПЧ
Одиночный преобразователь с низкой ПЧ, показанный на рис. 5, является порождением DCR. Его основная цель — защитить приемник от всех связанных с DCR проблем, связанных с DCR, при этом сохранив преимущество DCR, заключающееся в устранении высокодобротных фильтров ПЧ. Как видно из названия, вместо прямого преобразования сигнала в основную полосу, гетеродин немного смещен от несущей RF, обычно от одного до двух каналов.Низкая ПЧ означает, что относительная полоса пропускания полосовой фильтрации ПЧ велика, что позволяет реализовать ее с компонентами с низкой добротностью. ПЧ ПАВ или кварцевый фильтр, необходимый в случае высокой ПЧ, можно заменить активным RC-фильтром или другим фильтром, подходящим для работы на низких частотах, что также способствует интеграции кремния. Сигнал с низкой ПЧ может быть преобразован в основную полосу частот через другой смеситель или, предпочтительно, в цифровой области после аналого-цифрового (A / D) преобразования. Конечно, это происходит за счет более быстрых аналого-цифровых преобразователей с более высоким разрешением.Если частота ПЧ равна ширине только одного или двух каналов, то невозможно обеспечить подавление изображения на РЧ, так как РЧ фильтр должен быть достаточно широким, чтобы пропустить все каналы системы. В этом случае все отклонение изображения должно происходить из-за квадратурного преобразования с понижением частоты до низкой ПЧ, которое само по себе напоминает архитектуру Хартли, после добавления преобразования основной полосы частот.
Широкополосная ПЧ с двойным преобразованием
Эта архитектура, показанная на рисунке 6, очень похожа на конфигурацию супергетеродина.В этом случае первый смеситель использует гетеродин с фиксированной частотой, и все каналы в диапазоне RF переводятся в IF, сохраняя свои позиции относительно друг друга. Второй смеситель использует настраиваемый гетеродин, таким образом выбирая желаемый канал для преобразования в полосу модулирующих частот. Последующий фильтр нижних частот подавляет соседние каналы.
ПРИЕМНИКИ ПРЯМОГО ПРЕОБРАЗОВАНИЯ
Прием с прямым преобразованием, показанный на рисунке 7, также называемый гомодинным или нулевым ПЧ, является наиболее естественным решением для приема информации, передаваемой несущей.Однако только в последнее десятилетие или около того этот тип приема нашел применение помимо пейджеров. 13 Прием с прямым преобразованием имеет несколько качеств, которые делают его очень подходящим для интеграции, а также для многополосной, многостандартной работы, но существуют серьезные внутренние препятствия, которые долгое время держали его в тени супергетеродинной техники.
Во-первых, проблема изображения была устранена, так как IF равен нулю, а изображение для желаемого канала (для всех сигналов, кроме однополосных) является самим каналом.Тогда требуется только один гетеродин, что означает только один вклад фазового шума. Следовательно, отпадает необходимость в громоздких внешних фильтрах. Фильтрация теперь происходит только на низких частотах (основная полоса) с некоторым усилением, что означает меньшее потребление тока, чем на более высоких частотах (для управления паразитами устройства), меньшее количество компонентов и меньшая стоимость. Однако на практике перед преобразованием с понижением частоты может потребоваться удалить сильные внеполосные помехи или сигналы блокировки, чтобы избежать снижения чувствительности приемника за счет насыщения последующих каскадов, а также создания гармоник и интермодуляционных составляющих, которые затем появятся в основная полоса.Такой фильтр можно установить, например, после МШУ. Однако DCR порождает ряд проблем.
Смещения постоянного тока
При прямом преобразовании, поскольку интересующий сигнал преобразуется в полосу модулирующих частот очень рано в цепочке приема, без какой-либо фильтрации, кроме выбора диапазона РЧ, различные явления способствуют созданию сигналов постоянного тока, которые непосредственно появляются как мешающие сигналы в интересующей полосе частот, как показано на рисунке 8.
LO может проводиться или излучаться по непредусмотренному пути к входному порту RF смесителя, таким образом эффективно смешиваясь с самим собой, создавая нежелательную составляющую постоянного тока на выходе смесителя.Что еще хуже, эта утечка гетеродина может достигнуть входа LNA, что приведет к еще более сильному результату. Этот эффект представляет собой высокий барьер против интеграции гетеродина, смесителя и LNA на единой кремниевой подложке, где многочисленные механизмы могут способствовать плохой изоляции. К ним относятся связь подложки, отскок заземления, излучение связующего провода, а также емкостная и магнитная связь.
И наоборот, сильный сигнал внутриполосной интерференции, однажды усиленный LNA, может найти путь к входному порту гетеродина смесителя, тем самым снова вызывая самосмешивание.
Некоторое количество мощности гетеродина будет проходить через смеситель и МШУ (из-за их неидеальной обратной развязки) на антенну. Излучаемая мощность, создавая помехи для других приемников в соответствующей полосе частот, может нарушать стандарты излучения данной системы. Важно отметить, что, поскольку частота гетеродина находится внутри полосы приема, входные фильтры ничего не делают для подавления этого излучения гетеродина. Кроме того, излучаемый сигнал гетеродина может затем отражаться зданиями или движущимися объектами и повторно улавливаться антенной.Этот эффект, однако, не имеет существенного значения по сравнению с упомянутым выше самосмешиванием гетеродина и самосмешиванием сигнала блокировки.
Утечка сигналов гетеродина или радиочастоты на противоположный порт смесителя — не единственный способ создания нежелательного постоянного тока. Любой каскад, демонстрирующий нелинейность четного порядка, также будет генерировать выход постоянного тока. Подробнее об этом позже.
Будет ли продукт постоянного тока снижать чувствительность приемника, зависит от типа системы. Очевидно, что для устранения постоянного тока на выходе смесителя предпочтительно использовать пару переменного тока.Некоторые схемы модуляции, такие как частотная манипуляция (FSK), используемые в пейджинговых приложениях, демонстрируют небольшое ухудшение, если низкочастотные компоненты спектра отфильтрованы, как показано на рисунке 9. Однако другие схемы модуляции представляют пик на постоянном токе и емкостной Связь по переменному току приведет к значительной потере информации и, следовательно, к значительному снижению коэффициента ошибок по битам (BER). В системах TDMA, таких как GSM, нет значительного низкочастотного спектрального пика, но связь по переменному току все равно становится невозможной.Это происходит из-за противоречивых требований к конденсатору связи переменного тока в системе TDMA — конденсатор должен быть достаточно большим, чтобы избежать появления широкой выемки на постоянном токе, но он должен быть достаточно маленьким, чтобы все переходные процессы стабилизировались при включении питания приемник (каждый кадр) до начала приема данных.
В приемниках TDMA, которые не могут быть связаны по переменному току, временной интервал ожидания (непосредственно перед приемом) все еще может быть хорошо использован, сохраняя значение смещения в конденсаторе и затем вычитая его из пути прохождения сигнала во время взрыв.Это точно такой же метод, который обычно используется для исправления смещений постоянного тока, возникающих во втором миксе супергетеродинных приемников TDMA, где этот микс переходит в полосу модулирующих частот (в этом случае единственной проблемой, вызывающей постоянный ток, является самосмешивание гетеродина). В этом методе значение DC, создаваемое приемником, получается в предварительном измерении перед приемом пакета. При использовании этого метода важно, чтобы путь прохождения сигнала до смесителя был открыт во время предварительного измерения постоянного тока, чтобы предотвратить влияние больших сигналов блокировки на результат.Переменные или блуждающие смещения чаще всего вызываются блокирующими сигналами, которые могут появиться в любое время. Эти смещения нельзя скорректировать с помощью процесса измерения и вычитания, потому что сигналы блокировки могут появляться во время измерения, а не во время пакета, или наоборот. Для постоянного тока, вызванного блокировкой, наиболее эффективными мерами являются устранение путей самосмешивания и максимизация линейности для предотвращения постоянного тока с самого начала. В противном случае сохраняется возможность постфактум коррекции постоянного тока при цифровой обработке сигнала, происходящей в основной полосе частот.
Методы цифровой обработки сигналов (DSP) могут использоваться для удаления смещения постоянного тока в системах TDMA таким образом, чтобы его нельзя было дублировать в аналоговой области — можно буферизовать полный временной интервал принятого сигнала, среднее значение которого определяется а затем удаляется из каждой точки данных сигнала. Результирующий сигнал имеет нулевое среднее. Для таких систем, как GSM, нежелательным результатом этого является потеря любого постоянного тока, который является частью сигнала, но типичный эффект от этого минимален. На рисунке 10 показано использование такого метода для типичного приемника GSM.Этот метод может быть дополнительно усовершенствован, отслеживая среднее значение по частям пакета, что позволяет обнаруживать внезапные источники помех или блокаторов и отменять их произведение постоянного тока только там, где оно возникает. Тщательная компоновка также может улучшить изоляцию.
Нелинейности
Как упоминалось ранее, другой проблемой для DCR является нелинейность. Как и в случае супергетеродинного приемника, DCR демонстрирует ложные отклики.Для супергетеродина это происходит на входных РЧ частотах, где N (RF) ± M (LO) = IF, в то время как для DCR они возникают, когда N (RF) M (LO) = 0. Когда несущая блокирующего сигнала падает на одну из этих частот. паразитные частоты, сигнал преобразуется в основную полосу частот с сопутствующим сдвигом в его полосе частот в зависимости от порядка паразитных составляющих.
Что еще более важно, большие блокирующие сигналы также вызывают постоянный ток в приемнике прямого преобразования, будь то паразитная частота или нет. Постоянный ток создается на выходе смесителя и усиливается каскадами основной полосы частот.В первую очередь это связано с нелинейностью смесителя второго порядка, характеризующейся точкой пересечения второго порядка (IP2) и интермодуляцией второго порядка (IM2). Ее можно смягчить за счет чрезвычайно хорошо сбалансированной схемы. Однако смеситель и МШУ обычно требовали несимметричной конструкции, поскольку антенна и гипотетический фильтр предварительной селекции обычно были несимметричными.
В большинстве систем интермодуляция третьего порядка важна, поскольку она обычно попадает в полосу частот вблизи интересующих сигналов и характеризуется точкой пересечения третьего порядка (IP3).При прямом преобразовании нелинейность второго порядка становится критической, поскольку она создает сигналы основной полосы частот, которые теперь появляются как мешающие сигналы в полезном сигнале, преобразованном с понижением частоты. IM2 измеряется IP2. IP2 определяется так же, как IP3, как показано на рисунке 11. Может быть проведен двухтональный или однотональный тест, а IP2 определяется путем экстраполяции низкочастотного тона биений в первом или составляющей постоянного тока в первом. последний, пока он не пересечет основную кривую. Чтобы проиллюстрировать случай однотонального теста, входной сигнал —
.x (t) = Acost (ωt).
Предполагая нелинейность, моделируемую полиномом
Можно видеть, что составляющая постоянного тока из-за нелинейности второго порядка растет с удвоением наклона основной гармоники в логарифмическом масштабе. В точке пересечения:
Из-за удвоенного наклона продукта второго порядка
IIP2 = Pin + Δ с Δ = Pout IM2
Шум
Низкочастотный шум 14 становится серьезной проблемой в DCR, поскольку значительный прирост распределяется каскадам основной полосы частот после смесителя.Слабые уровни сигнала в несколько милливольт в основной полосе частот все еще очень уязвимы для шума. Это требует более сильного усиления РЧ-каскада, чтобы уменьшить низкий коэффициент шума блоков основной полосы частот, но, конечно, это должно быть компенсировано проблемами линейности, только что описанными, которые сопровождают более высокое РЧ-усиление.
Фликкер-шум, или шум 1 / f, является основным источником шума основной полосы частот. Связанный с потоком постоянного тока, он имеет спектральный отклик, пропорциональный 1 / f. В ВЧ схемах 1 / f-шум имеет тенденцию модулироваться на ВЧ-сигнал, а в случае смесителя с выходом основной полосы частот 1 / f-шум имеет особенно высокий коэффициент преобразования.На практике фликкер-шум становится проблемой для МОП-устройств, а не биполярным, и моделируется как источник напряжения, включенный последовательно с затвором. Шум 1 / f усложняет использование МОП-транзисторов для ВЧ-схем, поскольку основной метод его уменьшения в МОП-транзисторе — это увеличение размера транзистора, что увеличивает емкость устройства, отрицательно влияя на усиление ВЧ-сигнала. По этой причине в конструкциях смесителей DCR предпочтительно использовать биполярные транзисторы. На первых каскадах основной полосы частот после смесителя становится возможным использовать МОП-устройства, так как компромисс размера транзистора возможен на низких частотах.
I / Q Mismatches
Из-за высокой частоты гетеродина невозможно реализовать IQ-демодулятор в цифровом виде. Аналоговый демодулятор IQ демонстрирует дисбаланс усиления и фазы между двумя ветвями, а также появление смещений постоянного тока. Такие недостатки искажают восстановленное созвездие. Если предположить, что и — амплитуда и фазовая несовпадение, соответственно, между квадратурными портами демодулятора, и комплексный сигнал, падающий на него, имеет синфазные и квадратурные компоненты I и Q, тогда
I из | = | (Icos (ωt) + Qsin (ωt)) 2cos (ωt) |
Q из | = | (Icos (ωt) + Qsin (ωt)) 2 (1 +) sin (ωt +) |
Фильтрация высокочастотных членов дает
I из | = | Я |
Q из | = | (1 +) (Isin + Qcos) |
На рисунке 12 показано, как это влияет на данную диаграмму созвездия.Однако в системах DCR соответствие IQ не так важно, как в архитектурах с отклонением изображения. Скорее, это важно только постольку, поскольку речь идет о точности модуляции.
Аналоговые и цифровые (на основе DSP) методы калибровки и адаптации были описаны для корректировки этих дисбалансов. 15
ЗАКЛЮЧЕНИЕ
Приемник с прямым преобразованием — привлекательный, но сложный прием.Он успешно применяется к таким устройствам, как пейджеры, мобильные телефоны, карты беспроводного подключения к ПК и Интернету, спутниковые приемники и т. Д. В различных технологических процессах и с повышенным уровнем интеграции. В ближайшем будущем он появится во многих других приложениях.
БЛАГОДАРНОСТИ
Авторы хотели бы поблагодарить Дариуша Агахи и Мортена Дамгаарда из Conexant Systems за их ценный вклад в эту статью. *
Ссылки
1.Л. Лессинг, «Человек высокой верности: Эдвин Ховард Армстронг, биография», Bantam Books, Нью-Йорк, 1969.
2. Ф.М. Коулбрук, «Homodyne», Wireless World and Radio Rev., 13, 1924, стр. 774.
3. D.G. Такер, «Синхродин», Electronic Engng, 19, март 1947 г., стр. 7576.
4. D.G. Такер, «История гомодина и синхродина», Журнал Британского института радиоинженеров, апрель 1954 г.
5. А.А. Абиди, «Радиоприемопередатчики с прямым преобразованием для цифровой связи», Журнал IEEE по твердотельным схемам, Vol.30, No. 12, December 1995.
6. Б. Разави, «Конструктивные соображения для приемников прямого преобразования», IEEE Transactions on Circuits and Systems-II: Analog and Digital Signal Processing, Vol. 44, No. 6, June 1997.
7. S.J. Franke, «ECE 353 Radio Communication Circuits», Департамент электротехники и вычислительной техники, Университет Иллинойса, Урбана, Иллинойс, 1994.
8. Б. Разави, «RF Microelectronics», Прентис-Холл, Верхняя Седл-Ривер, Нью-Джерси, 1998
9.Дж. К. Руделл и др., «Последние разработки в области мультистандартных КМОП-трансиверов с высокой степенью интеграции для систем персональной связи», Международный симпозиум по маломощной электронике и дизайну, 1998 г.
10. Дж. К. Руделл, «Проблемы проектирования RFIC», лекция примечания, Калифорнийский университет в Беркли / Национальный технологический университет, 1997.
11. Р. Хартли, «Модулятор с одной боковой полосой», Патент США № 1666206, апрель 1928 г.
12. DK Уивер, «Третий метод генерации и обнаружения сигналов с одной боковой полосой», Труды IRE, Vol.44, декабрь 1956 г., стр. 17031705.
13. I.A.W. Вэнс, «Полностью интегрированный приемник радиопейджинга», IEE Proc., Vol. 129, No. 1, 1982, pp. 26.
14. П.Р. Грей, Р.Г. Мейер, «Анализ и проектирование аналоговых интегральных схем», третье издание, John Wiley & Sons, New York, 1993.
15. J.K. Каверс и М.В. Ляо, «Адаптивная компенсация потерь дисбаланса и смещения в приемопередатчиках прямого преобразования», IEEE Transactions on Vehicle Technology, Vol. 42, ноябрь 1993 г., стр.581588.
Ашкан Машхур получил диплом инженера ENST в Бретани, Франция, и степень магистра в Университетском колледже Лондона, Великобритания, в 1997 году. Затем он перешел в Nokia Networks, Камберли, Великобритания, где работал инженером-радиотехником. Его исследования включали разработку новых технологий RF / DSP и архитектур линейных трансиверов для базовых станций будущего поколения. В настоящее время он работает в Conexant Systems, Ньюпорт-Бич, США. С ним можно связаться по адресу: [email protected].
Уильям Домино получил степень BSEE в Университете Южной Калифорнии в 1979 году и степень MEng в Калифорнийском государственном политехническом университете, Помона, Калифорния, в 1985 году.В 1979 году он присоединился к бизнесу Collins Radio в Rockwell International, Ньюпорт-Бич, США, где он разработал модели электромеханических фильтров ПЧ, методы проектирования и производственные процессы. В настоящее время он является главным инженером по радиочастотным системам в подразделении беспроводных систем компании Conexant Systems, также в Ньюпорт-Бич, США. Он участвовал в проектировании и разработке архитектур интегрированных приемопередатчиков для IS-136, пакетной радиосвязи Mobitex и мобильных телефонов GSM. С ним можно связаться по адресу: [email protected].
Норман Бимиш получил степень бакалавра наук и докторскую степень в Университетском колледже Дублина, Ирландия, в 1989 и 1994 годах соответственно. Его докторская диссертация была в области DSP и цифровой связи с особым интересом к выравниванию каналов, содержащих нелинейности. С 1994 по 1995 год он занимал должность инженера-исследователя в компании Teltec, Ирландия. В настоящее время он является главным инженером в компании Conexant Systems, Ньюпорт-Бич, США, где его основные интересы связаны с системами беспроводной связи в основной полосе частот, в частности, для сотовой связи GSM и 3G. системы и связь с расширенным спектром.С ним можно связаться по адресу: [email protected].
Обзор вариантов архитектуры широкополосного РЧ-приемника
Гетеродинный приемник уже несколько десятилетий является стандартным вариантом приемника. В последние годы быстрое развитие частоты дискретизации аналого-цифрового преобразователя (АЦП), включение встроенной цифровой обработки и интеграция согласованных каналов теперь предлагает архитектору приемника варианты, которые были непрактичными всего несколько лет назад.
В этой статье сравниваются преимущества и недостатки трех распространенных архитектур приемников: гетеродинного приемника, приемника прямой выборки и приемника прямого преобразования.Также обсуждается дополнительное рассмотрение паразитных системных шумов и динамического диапазона. Намерение состоит не в том, чтобы продвигать один вариант по сравнению с другими, а скорее в описании плюсов и минусов этих вариантов и поощрении дизайнера к выбору с помощью инженерной дисциплины архитектуры, наиболее подходящей для приложения.
Сравнение архитектуры
В таблице 1 сравниваются архитектуры гетеродина, прямой выборки и прямого преобразования. Показана базовая топология вместе с некоторыми преимуществами и проблемами каждой архитектуры.
| Тип | Конфигурация | Преимущества | Вызовы |
Гетеродин |
| ||
Прямая выборка |
|
| |
Прямое преобразование |
|
|
Гетеродинный подход хорошо зарекомендовал себя и обеспечивает исключительную производительность.Реализация заключается в микшировании до промежуточной частоты (IF). ПЧ выбирается на достаточно высокой частоте, чтобы использовать практические фильтры в рабочем диапазоне, чтобы обеспечить хорошее подавление изображения и изоляцию гетеродина. Также часто добавляется дополнительный каскад микширования для понижения частоты там, где доступны АЦП с очень высоким динамическим диапазоном. Кроме того, усиление приемника распределяется на разных частотах, что сводит к минимуму риск колебаний в приемниках с высоким коэффициентом усиления. При правильном частотном планировании можно получить гетеродинный приемник с очень хорошими характеристиками побочной энергии и шума.К сожалению, эта архитектура самая сложная. Обычно для него требуется наибольшая мощность и наибольшая физическая занимаемая площадь по сравнению с доступной полосой пропускания. Кроме того, частотное планирование может быть довольно сложной задачей при большой относительной полосе пропускания. Эти проблемы являются значительными в условиях современного стремления к малым размерам, весу и мощности (SWaP) в сочетании со стремлением к широкой полосе пропускания и побуждают дизайнеров по возможности рассматривать другие варианты архитектуры.
Метод прямой выборки давно востребован.Препятствия заключаются в том, что преобразователи работают на скоростях, соизмеримых с прямой выборкой РЧ, и обеспечивают большую входную полосу пропускания. В этой архитектуре все усиление приемника находится на частоте рабочей полосы, поэтому требуется тщательная компоновка, если требуется большое усиление приемника. Сегодня преобразователи доступны для прямой выборки в более высоких диапазонах Найквиста как в L-, так и в S-диапазоне. Достижения продолжаются, и скоро станет возможным отбор проб в C-диапазоне, а затем и в X-диапазоне.
Архитектурас прямым преобразованием обеспечивает наиболее эффективное использование пропускной способности преобразователя данных.Преобразователи данных работают в первом фильтре Найквиста, где производительность оптимальна, а фильтрация нижних частот проще. Два преобразователя данных работают вместе, выбирая I / Q-сигналы, тем самым увеличивая полосу пропускания пользователя без проблем с перемежением. Основная проблема, которая годами преследовала архитектуру прямого преобразования, заключалась в поддержании баланса I / Q для приемлемых уровней отклонения изображения, утечки гетеродина и смещения постоянного тока. В последние годы расширенная интеграция всей цепочки сигналов прямого преобразования в сочетании с цифровой калибровкой позволила преодолеть эти проблемы, и архитектура прямого преобразования может стать очень практичным подходом во многих системах.
Перспектива частотного плана
На рисунке 1 показаны блок-схемы и примеры частотных планов для трех архитектур. На рисунке 1а показан пример гетеродинного приемника с гетеродинным гетеродином, смешивающим рабочую полосу с зоной Найквиста 2 и АЦП. Далее сигнал подвергается наложению на зону Найквиста 1 st для обработки. На рисунке 1b показан пример приемника с прямой выборкой. Рабочая полоса дискретизируется в зоне Найквиста 3 rd и псевдониме в зоне Найквиста 1 st , затем NCO помещается в центр полосы, цифровое преобразование с понижением частоты в полосу модулирующих частот с последующей фильтрацией и прореживанием, снижая скорость передачи данных. соразмерно полосе пропускания канала.На рис. 1c показан пример архитектуры прямого преобразования. Путем сопряжения сдвоенного АЦП с квадратурным демодулятором канал 1 дискретизирует сигнал I (синфазный), а канал 2 выбирает сигнал Q (квадратурный).
Рисунок 1. Примеры частотного плана.
Многие современные АЦП поддерживают все три архитектуры. Например, AD9680 представляет собой сдвоенный АЦП 1,25 GSPS с программируемым цифровым понижающим преобразованием. Сдвоенный АЦП этого типа поддерживает двухканальную гетеродинную архитектуру и архитектуру с прямой выборкой, либо преобразователи могут работать в паре в архитектуре прямого преобразования.
Проблемы с отклонением изображения в архитектуре прямого преобразования могут быть довольно трудно преодолеть в дискретной реализации. Дальнейшая интеграция в сочетании с обработкой с цифровой поддержкой позволяет хорошо согласовывать I / Q-каналы, что приводит к значительному улучшению подавления изображений. Приемная часть недавно выпущенного AD9371 является приемником прямого преобразования и показана на рисунке 2 — обратите внимание на сходство с рисунком 1c.
Рис. 2. Приемная часть AD9371: монолитный приемник прямого преобразования.
Паразитный шум
Любая конструкция с преобразованием частоты требует больших усилий, чтобы свести к минимуму нежелательное сворачивание частот в полосе частот. Это искусство частотного планирования, которое включает в себя баланс доступных компонентов и практичный дизайн фильтра. Кратко обсуждаются некоторые проблемы складывания шпоров, и разработчик отсылается к ссылкам для дальнейшего объяснения.
На рисунке 3 показано изменение входной частоты АЦП и первых двух гармоник как функции входной частоты относительно частот полосы Найквиста.Для ширины полосы канала, намного меньшей, чем ширина полосы Найквиста, цель разработчика приемника — выбрать рабочие точки, которые выводят сложенные гармоники за пределы полосы пропускания канала.
Рисунок 3. Сворачивание частоты АЦП.
Смеситель с понижающим преобразованием приемника имеет дополнительные сложности. Любой микшер создает внутри устройства гармоники. Все эти гармоники смешиваются вместе и создают дополнительные частоты. Этот эффект показан на Рисунке 4.
Рисунок 4. Паразитный смеситель с понижающим преобразованием.
На рисунках 3 и 4 показаны только шпоры до третьего порядка. На практике это дополнительные стимулы более высокого порядка, которые быстро создают для разработчика проблему с динамическим диапазоном без паразитов. Для узких фракционных полос частот тщательное частотное планирование может решить проблемы, связанные с паразитными помехами смесителя. По мере увеличения полосы пропускания проблема паразитных помех смесителя становится доминирующим препятствием. По мере увеличения частоты дискретизации АЦП иногда более практично для архитектуры прямой дискретизации иметь более низкие характеристики паразитных составляющих.
Шум приемника
Большое внимание при разработке приемника уделяется минимизации коэффициента шума (NF). Коэффициент шума — это мера ухудшения отношения сигнал / шум.
Влияние коэффициента шума компонента или подсистемы заключается в том, что выходная мощность шума увеличивается по сравнению с уровнем теплового шума, а коэффициент усиления — на коэффициент шума.
Коэффициент каскадного шума рассчитывается как
Выбор коэффициента усиления приемника до АЦП и определение требуемого отношения сигнал / шум АЦП представляет собой баланс общего коэффициента шума приемника и мгновенного динамического диапазона.На рисунке 5 представлены параметры, которые необходимо учитывать. Для наглядности показано, что шум приемника формируется фильтром антиалиасинга, установленным перед АЦП. Шум АЦП отображается в виде плоского белого шума, а интересующий сигнал отображается в виде непрерывного тона (CW) с уровнем –1 дБ полной шкалы.
Рисунок 5. Приемник + шум АЦП.
Во-первых, необходимы общие единицы дБм или дБFS. Преобразование шума АЦП из dBFS в dBm известно из полного уровня преобразователя и плотности шума преобразователя.Кроме того, мощность шума пропорциональна полосе пропускания, поэтому требуется единая единица измерения полосы пропускания. Некоторые разработчики будут использовать полосу пропускания канала, здесь мы нормализуем полосу пропускания 1 Гц, а мощность шума равна / Гц.
Суммарный шум рассчитывается как
Это приводит к концепции потери чувствительности АЦП. Потеря чувствительности АЦП — это мера ухудшения шума приемника из-за АЦП. Чтобы свести к минимуму это ухудшение, желательно, чтобы шум приемника был намного выше шума АЦП.Ограничение возникает в виде динамического диапазона, а большее усиление приемника ограничивает максимальный сигнал, принимаемый без насыщения АЦП.
Таким образом, разработчик приемника постоянно сталкивается с проблемой балансировки динамического диапазона и коэффициента шума.
Заключение
Были рассмотрены архитектуры приемников с гетеродином, прямой выборкой и прямым преобразованием с акцентом на преимущества и недостатки каждой архитектуры. Также были представлены последние тенденции и соображения в конструкции приемника.Учитывая всемирное стремление к увеличению пропускной способности в сочетании с развитием преобразователей данных GSPS, ожидается, что в будущем будет распространяться множество разнообразных конструкций приемников.

