Как работает термореле. Какие бывают виды терморегуляторов. Как собрать простое термореле своими руками. Схемы и принцип работы самодельных терморегуляторов. Где применяются термореле в быту и промышленности.
Что такое термореле и для чего оно нужно
Термореле (терморегулятор) — это устройство для автоматического поддержания заданной температуры. Основные функции термореле:
- Измерение текущей температуры с помощью датчика
- Сравнение измеренной температуры с заданной
- Включение/выключение нагревательного или охлаждающего элемента
Термореле позволяет точно контролировать температуру в различных системах отопления, охлаждения, технологических процессах. Это помогает экономить энергию и поддерживать оптимальный температурный режим.
Виды и принцип работы терморегуляторов
По принципу действия терморегуляторы делятся на два основных типа:
Механические терморегуляторы
Работают за счет теплового расширения материалов или газов. Основные виды:

- Биметаллические — используют пластину из двух металлов с разным коэффициентом расширения
- Газонаполненные — работают на расширении газа в герметичной капсуле
Механические терморегуляторы просты, но имеют невысокую точность (±2-5°C).
Электронные терморегуляторы
Используют электронные датчики температуры и микроконтроллеры. Преимущества:
- Высокая точность (до ±0,1°C)
- Возможность программирования
- Удаленное управление
Электронные терморегуляторы сложнее, но обеспечивают гибкое и точное управление температурой.
Как собрать простое термореле своими руками
Для сборки простейшего термореле понадобятся следующие компоненты:
- Термистор (терморезистор) — датчик температуры
- Операционный усилитель
- Электромагнитное реле
- Резисторы, конденсаторы
- Источник питания 12В
Принцип работы: при изменении температуры меняется сопротивление термистора. Операционный усилитель сравнивает напряжение с термистора с опорным и включает/выключает реле.
Схема простого термореле на стабилитроне
Одна из самых простых схем термореле использует стабилитрон в качестве порогового элемента:

- R1 — подстроечный резистор для настройки порога срабатывания
- R4 — термистор (датчик температуры)
- VD1 — стабилитрон на 2,5В
- VT1 — транзистор для управления реле
- K1 — электромагнитное реле
При нагреве термистора его сопротивление падает, напряжение на стабилитроне становится ниже 2,5В, он закрывается и отключает реле.
Термореле на операционном усилителе
Более точная схема использует операционный усилитель в качестве компаратора:
- DA1 — операционный усилитель LM358
- R1 — подстроечный резистор для задания температуры
- R5 — термистор
- VT1 — транзистор для управления реле
ОУ сравнивает напряжение с термистора и подстроечного резистора. При превышении заданной температуры выход ОУ переключается, отключая реле.
Где применяются термореле
Термореле широко используются в быту и промышленности:
- Системы отопления — управление котлами, теплыми полами
- Холодильное оборудование
- Инкубаторы
- Аквариумы
- Термостаты в автомобилях
- Системы вентиляции и кондиционирования
- Технологические процессы в промышленности
Как настроить и проверить работу термореле
Для настройки самодельного термореле потребуется:

- Подключить нагрузку (лампочку) к выходу реле
- Подать питание на схему
- Нагреть/охладить датчик до нужной температуры
- Подстроечным резистором добиться срабатывания реле при заданной температуре
- Проверить гистерезис — разницу температур включения и выключения
Для точной настройки желательно использовать эталонный термометр.
Преимущества и недостатки самодельных термореле
Плюсы изготовления термореле своими руками:
- Низкая стоимость
- Возможность адаптации под конкретную задачу
- Понимание принципа работы устройства
Минусы:
- Требуются навыки пайки и знание электроники
- Меньшая надежность по сравнению с промышленными образцами
- Отсутствие сертификации
Типичные неисправности термореле
Основные проблемы, возникающие при эксплуатации термореле:
- Окисление контактов реле — периодически требуется чистка
- Выход из строя датчика температуры — необходима замена
- Сбой настроек в электронных терморегуляторах — требуется перепрограммирование
- Механический износ подвижных частей в механических термореле
При правильном изготовлении и эксплуатации самодельное термореле может надежно прослужить много лет. Однако в ответственных системах лучше использовать сертифицированные промышленные образцы.

Подключение терморегулятора (термостата): схема подсоединения и разновидности
Терморегулятор (ТР), или термостат, играет важную роль в обогревательном оборудовании. Это универсальный прибор, который управляет нагревательными системами. Его конструкция может быть различной, функция одна: ТР стабилизирует температуру заданной среды в течение определённого промежутка времени. Надо знать, как подключить терморегулятор, чтобы он правильно выполнял своё предназначение.
Механический терморегулятор
Что собой представляет терморегулятор
Термостат в своей основе содержит чувствительный элемент, который под воздействием колебаний температуры окружающей среды меняет свои свойства. В составе присутствуют геометрическая форма (биметаллическая пластина), электрическое сопротивление (термопара) и фоточувствительность (инфракрасные датчики).
Назначение
Подключение терморегулятора направлено на то, чтобы сохранять нужный уровень температуры в конкретном объёме определённого содержания.
Принцип действия
Все терморегуляторы включают нагревательные системы при падении заданного уровня температуры и отключают питание ТЭНов при превышении уровня прогрева среды.
Важно! Главная цель терморегуляторов – это своевременное включение/отключение термо энергетических элементов. Это приносит существенную экономию энергоресурсов.
Виды терморегуляторов
В основном терморегуляторы бывают 3-х видов:
- Биметаллическая пластина;
- Термопара;
- Инфракрасный датчик.
Биметаллическая пластина
Под воздействием нагрева или охлаждения пластинка изгибается в ту или иную сторону. Тем самым замыкая или размыкая контакты, питающие электричеством нагревательные элементы. Пластина представляет собой двухслойную полоску, сваренную из двух металлов с разным коэффициентом теплового расширения. Из-за этого при нагреве силы расширения «заставляют» пластинку изгибаться.
Термопара
Элемент представляет собой V-образную скобу из термочувствительного металлического сплава. По проволоке проходит слабый ток. При изменении температуры сопротивление проводника меняется, что сказывается на характеристике тока. Этот фактор воздействует через управляющую схему на реле питания обогревателей.
Инфракрасный датчик
Светочувствительная плёнка датчика воспринимает степень нагрева окружающего пространства в инфракрасном диапазоне. Проходящие токи в приборе меняют свои характеристики, что отражается на работе релейной системы питания нагревательных элементов.
Сферы применения терморегуляторов
В быту примером применения терморегулятора может быть стиральная машина. Термодатчик, соединённый с ТЭНом в баке, «следит» за уровнем нагрева воды. В автомобиле термопара системы охлаждения «руководит» режимом включения вентилятора радиатора.
Автомобильный термостат
В различные комнатные обогревательные приборы достаточного уровня сложности обязательно встроен регулятор температуры.
Ни одна система тёплых полов не обходится без твердотельных ТР. В холодильнике термостат является неотъемлемой частью. Во всех ПК и ноутбуках датчики температуры включают вентиляторы, сохраняя аппаратуру от перегрева. Кондиционеры, микроволновки, электропечи – все они в своём составе имеют термостаты. Различные водонагреватели, электрокотлы, газовые котлы, включённые в систему отопления зданий и сооружений, работают только вместе терморегуляционными блоками управления.
Электронный терморегулятор
Подключение и установка термостата
Известны два варианта подключения терморегулятора. Это способы подсоединения двужильных и одножильных проводов.
Подсоединение двужильного кабеля к термостату
Двужильный провод используют в том случае, когда ТР требует полноценного питания от электросети для функционирования замкнутой системы управления режимом обогрева определённого объёма. Это интегральные схемы, построенные на микропроцессорах.
Полученные данные от датчика в виде изменения силы тока, величины сопротивления анализируются прибором.
В результате подаются команды на пускатель нагревательных элементов с заданным промежутком времени и граничным порогом прогрева конкретного пространства.
Обратите внимание! Примером подсоединения двужильного провода может служить схема, как нужно подключить термостат к циркуляционному насосу водонагревательного котла.
Схема подключения к циркуляционному насосу
Подсоединение к термостату одножильного кабеля
Кабель из одной жилы применяется в схеме подключения терморегуляторов в том случае, когда сам прибор установлен в разрыв фазового провода, ведущего к плюсовой клемме ТЭНа. То есть кабель служит разрывом фазы сетевого тока, питающего нагревательные элементы.
Варианты подключения
- К системе тёплого пола;
- К ТЭНу;
- К обогревателю.
Подключение термостата к системе тёплого пола
Стандартный терморегулятор тёплого пола идёт в комплекте поставки с подробной инструкцией подключения прибора к системе тёплых полов.
Можно подключать ТР самостоятельно, пользуясь обозначениями под клеммниками.
Нагревательный мат тёплого пола
На тыльной стороне регулятора расположены три пары клеммных гнёзд для проводов. Первая пара предназначена для подсоединения двужильного сетевого кабеля. Гнездо «L» – фаза, «N» – ноль.
Вторая пара гнёзд предназначена для соединения с выводами тёплого пола – L1 и N1. Пятую и шестую клемму используют для того, чтобы подключаться к датчику температуры.
Подключение терморегулятора
Регуляторы температуры полов могут быть вставленными в подрозетник или закреплёнными на стене. Термодатчик бывает, как встроенным в корпус прибора, так и установленным на конце выносного кабеля.
В первом случае происходит замер температуры воздуха внутри помещения. Во втором варианте датчик измеряет степень нагрева финишного покрытия пола.
Подключение термостата к ТЭНу
Подключение термостата к электрическому нагревателю приходится осуществлять через магнитный пускатель.
Это связано с тем, что мощность регулятора далеко несопоставима с мощностью ТЭНов.
Магнитный пускатель (МП) нужен при управлении термостатом сразу несколькими приборами обогрева. МП врезают в фазовый провод параллельно с терморегулятором. Регулировка режимами работы тенов осуществляется термостатом, ток питания проходит через МП. Это даёт возможность использовать трёхфазную электросеть, что позволяет эксплуатировать нагревательные элементы большой мощности.
Многие ТР оснащены электронными микропроцессорами, которые выдают дополнительно показатели уровня влажности, давления и времени, необходимого для достижения величин заданных параметров.
Подсоединение терморегулятора к обогревателю
Термостаты бывают механического и электронного действия. Последнее время вторые модели активно вытесняют своих механических аналогов. Применение современной электроники позволяет более эффективно управлять температурным режимом в заданной среде.
ТР для обогревателей помещений встраивают в корпуса калориферов или выносят на удаление от приборов отопления.
Регулятор, прежде всего, подключается к электрической сети, затем через схему управления соединяется непосредственно с термодатчиком.
Дополнительная информация. Инфракрасные обогреватели соединяются с термостатом в большинстве вариантов через магнитный пускатель. Чтобы выполнить правильное подключение прибора, нужно строго следовать пунктам прилагаемой инструкции.
Особенности, как подсоединяют устройства регуляции температурного режима, зависят от вида отопительных приборов. Это может быть одножильное или двужильное подключение ТР тёплых полов. Подключение двухфазного термостата к нагревательным элементам трёхфазного тока осуществляется только через магнитный пускатель. Для водяного отопления терморегулятор врезают прямо в радиатор. В каждом конкретном случае существует своя схема подключения терморегулятора.
Советы по установке
Несколько советов:
- Перед покупкой ТР надо убедиться в совместимости характеристик регулятора и нагревательных элементов.

- Выбирать установку прибора нужно в наиболее доступном месте.
- Решая вопрос о приобретении прибора, следует оценить экономическую целесообразность применения конкретной модели терморегулятора.
- Если не хватает опыта в установке таких устройств, то лучше обратиться за помощью к специалистам.
Человек порой не догадывается о количестве окружающих его терморегулирующих устройств. Они плотно вошли в быт. Их работа приносит существенную экономию затрат на электроэнергию.
Видео
Мастер Винтик. Всё своими руками!Простейшая схема терморегулятора.
Добавил: Chip,Дата: 19 Апр 2016Простой терморегулятор можно сделать на основе регулируемого стабилитрона TL431. В схеме он используется в качестве компаратора, которым управляет терморезистор.
Всё это позволяет упростить схему и уменьшить количество деталей.
У TL431 только один вход, второго входа для подачи опорного напряжения не требуется, так как оно вырабатывается внутри самой микросхемы.
Принцип работы терморегулятора
Напряжение на управляющем электроде задается с помощью делителя R1, R2, R3. В качестве R3 используется NTC термистор, у которого сопротивление уменьшается при нагревании.
Когда на выводе «1» микросхемы TL431 напряжение выше 2,5В микросхема открыта — реле включено.
Контакты реле включает симистор, который, в свою очередь, включает нагрузку.
С повышением температуры сопротивление термистора падает, в результате чего, напряжение на выводе «1» становится ниже 2,5В — поэтому реле отключается, следовательно отключается и нагрузка.
С помощью переменного резистора R1 производится настройка температуры срабатывания терморегулятора.
Видео о работе простого терморегулятора на TL431
youtube.com/embed/jlrNh9sn4ss» frameborder=»0″ allowfullscreen=»allowfullscreen»/>
Валерий Харыбин
P.S. Можно ещё упростить схему, если не ставить симистор, а коммутировать нагрузку непосредственно контактами реле. Для этого должно быть выбрано реле с соответствующим допустимым коммутируемым током для данной нагрузки.
ПОДЕЛИТЕСЬ С ДРУЗЬЯМИ
П О П У Л Я Р Н О Е:
- Простой малогабаритный электроскоп своими руками
- Простой способ изготовления печатной платы
- Разнообразие простых схем на NE555
Малогабаритный электроскоп с индикацией знака электростатического заряда тела.
Схема предлагаемого прибора непосредственно показывает знак электростатического заряда тела.
Принципиальная схема прибора проста, она приводится на рисунке ниже. В основе её полевой транзистор КП302 и пояризованное реле. Подробнее…
Как быстро сделать дорожки на плате?
Самый простой и быстрый способ изготовления печатных плат для небольших схем с помощью резака.
Не нужно принтера, растворов для травления и др.
Этот метод годится для быстрого изготовления печатной платы для несложных радиолюбительских схем.
Подробнее…
Микросхема NE555 (аналог КР1006ВИ1) — универсальный таймер, предназначена для генерации одиночных и повторяющихся импульсов со стабильными временными характеристиками. Она не дорогая и широко используется в различных радиолюбительских схемах. На ней можно собрать различные генераторы, модуляторы, преобразователи, реле времени, пороговых устройств и прочих узлов электронной аппаратуры…
Подробнее…
Популярность: 6 703 просм.
Термореле своими руками: схема, подключение к котлу
Работу газового или электрического котла можно оптимизировать, если задействовать внешнее управление агрегатом. Для этой цели предназначены выносные терморегуляторы, имеющиеся в продаже.
Понять, что это за приборы и разобраться в их разновидностях поможет данная статья. Также в ней будет рассмотрен вопрос, как собрать термореле своими руками.
Назначение терморегуляторов
Любой электрический или газовый котел оборудован комплектом автоматики, отслеживающей нагрев теплоносителя на выходе из агрегата и отключающей основную горелку при достижении заданной температуры. Снабжены подобными средствами и твердотопливные котлы. Они позволяют поддерживать температуру воды в определенных пределах, но не более того.
При этом климатические условия в помещениях или на улице не учитываются. Это не слишком удобно, домовладельцу приходится постоянно подбирать подходящий режим работы котла самостоятельно. Погода может изменяться в течении дня, тогда в комнатах становится жарко либо прохладно. Было бы гораздо удобнее, если автоматика котла ориентировалась на температуру воздуха в помещениях.
Чтобы управлять работой котлав зависимости от фактической температуры, используются различные термореле для отопления.
Будучи подключенным к электронике котла, такое реле отключает и запускает нагрев, поддерживая необходимую температуру воздуха, а не теплоносителя.
Виды термореле
Обычный терморегулятор представляют собой небольшой электронный блок, устанавливаемый на стене в подходящем месте и присоединенный к источнику тепла проводами. На передней панели есть только регулятор температуры, это самая дешевая разновидность прибора.
Кроме нее, существуют и другие виды термореле:
- программируемые: ммеют жидкокристаллический дисплей, подключаются с помощью проводов либо используют беспроводную связь с котлом. Программа позволяет задать изменение температуры в определенные часы суток и по дням в течение недели;
- такой же прибор, только снабженный модулем GSM;
- автономный регулятор с питанием от собственной батареи;
- беспроводное термореле с выносным датчиком для управления процессом нагрева в зависимости от температуры окружающей среды.

Примечание. Модель, где датчик расположен снаружи здания, обеспечивает погодозависимое регулирование работой котельной установки. Способ считается наиболее эффективным, так как источник тепла реагирует на изменение погодных условий еще до того, как они повлияют на температуру внутри здания.
Многофункциональные термореле, которые можно программировать, существенно экономят энергоносители. В те часы суток, когда дома никого нет, поддерживать высокую температуру в комнатах нет смысла. Зная рабочее расписание своей семьи, домовладелец всегда может запрограммировать реле температуры так, чтобы в определенные часы температура воздуха снижалась, а за час до прихода людей включался нагрев.
Бытовые терморегуляторы, укомплектованные GSM – модулем, способны обеспечить дистанционное управление котельной установкой посредством сотовой связи. Бюджетный вариант – отправка уведомлений и команд в виде SMS – сообщений с мобильного телефона.
Продвинутые версии приборов имеют собственные приложения, устанавливаемые на смартфон.
Как собрать термореле самостоятельно?
Приборы для регулирования отопления, имеющиеся в продаже, достаточно надежны и нареканий не вызывают. Но при этом они стоят денег, а это не устраивает тех домовладельцев, кто хоть немного разбирается в электротехнике или электронике. Ведь понимая, как должно функционировать такое термореле, можно собрать и подключить его к теплогенератору своими руками.
Конечно, сделать сложный программируемый прибор под силу далеко не каждому. Кроме того, для сборки подобной модели необходимо закупить комплектующие, тот же микроконтроллер, цифровой дисплей и прочие детали. Если вы в этом деле человек новый и разбираетесь в вопросе поверхностно, то стоит начать с какой-нибудь простой схемы, собрать и запустить ее в работу. Достигнув положительного результата, можно замахнуться на что-то более серьезное.
Для начала надо иметь представление, из каких элементов должно состоять термореле с регулировкой температуры.
Ответ на вопрос дает принципиальная схема, представленная выше и отражающая алгоритм действия прибора. Согласно схеме, любой терморегулятор должен иметь элемент, измеряющий температуру и отправляющий электрический импульс в блок обработки. Задача последнего – усилить либо преобразовать этот сигнал таким образом, чтобы он послужил командой исполнительному элементу – реле. Дальше мы представим 2 простые схемы и поясним их работу в соответствии с этим алгоритмом, не прибегая к специфическим терминам.
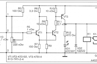
Схема со стабилитроном
Стабилитрон – это тот же полупроводниковый диод, пропускающий ток лишь в одну сторону. Отличие от диода заключается в том, что у стабилитрона имеется управляющий контакт. Пока к нему подводится установленное напряжение, элемент открыт и ток идет по цепи. Когда его величина становится ниже предельной, цепь разрывается. Первый вариант – это схема термореле, где стабилитрон играет роль логического управляющего блока:
Как видите, схема разделена на две части.
С левой стороны изображена часть, предшествующая управляющим контактам реле (обозначение К1). Здесь измерительным блоком является термический резистор (R4), его сопротивление уменьшается с ростом температуры окружающей среды. Ручной регулятор температуры – это переменный резистор R1, питание схемы – напряжение 12 В. В обычном режиме на управляющем контакте стабилитрона присутствует напряжение более 2.5 В, цепь замкнута, реле включено.
Совет. Блоком питания 12 В может служить любой прибор из недорогих, имеющихся в продаже. Реле – герконовое марки РЭС55А или РЭС47, термический резистор – КМТ, ММТ или им подобный.
Как только температура возрастет выше установленного предела, сопротивление R4 упадет, напряжение станет меньше, чем 2.5 В, стабилитрон разорвет цепь. Следом то же самое сделает и реле, отключив силовую часть, чья схема показана справа. Тут простое термореле для котла снабжено симистором D2, что вместе с замыкающими контактами реле служит исполнительным блоком.
Через него проходит напряжение питания котла 220 В.
Схема с логической микросхемой
Эта схема отличается от предыдущей тем, что вместо стабилитрона в ней задействована логическая микросхема К561ЛА7. Датчиком температуры по-прежнему служит терморезистор (обозначение – VDR1), только теперь решение о замыкании цепи принимает логический блок микросхемы. Кстати, марка К561ЛА7 производится еще с советских времен и стоит сущие копейки.
Для промежуточного усиления импульсов задействован транзистор КТ315, с той же целью в конечном каскаде установлен второй транзистор – КТ815. Данная схема соответствует левой части предыдущей, силовой блок здесь не показан. Как нетрудно догадаться, он может быть аналогичным – с симистором КУ208Г. Работа такого самодельного термореле проверена на котлах ARISTON, BAXI, Дон.
Заключение
Самостоятельно подключить термореле к котлу – дело несложное, на эту тему в интернете имеется масса материалов. А вот изготовить его своими руками с нуля не так и просто, кроме того, нужен измеритель напряжения и тока, чтобы произвести настройку.
Покупать готовое изделие или браться за его изготовление самому – решение принимать вам.
принцип работы, схемы устройств, как настроить и проверить, основные неисправности
Необходимость настройки температурного режима возникает при использовании различных систем теплового или холодильного оборудования. Вариантов много, и все они требуют наличия управляющего устройства, без которого работа систем возможна либо в режиме максимальной мощности, либо на полном минимуме возможностей. Контроль и настройка производятся с помощью терморегулятора — устройства, способного воздействовать на систему через датчик температуры и включать или отключать её по необходимости. При использовании готовых комплектов оборудования блоки управления входят в комплект поставки, но для самодельных систем приходится собирать терморегулятор своими руками. Задача не самая простая, но вполне решаемая.
Рассмотрим её внимательнее.
Принцип работы терморегулятора
Терморегулятор — это устройство, способное реагировать на изменения температурного режима. По типу действия различают терморегуляторы триггерного типа, отключающие или включающие нагрев при достижении заданного предела, или устройства плавного действия с возможностью тонкой и точной настройки, способные контролировать изменения температуры в диапазоне долей градуса.
Существуют две разновидности терморегуляторов:
- Механический. Представляет собой устройство, использующее принцип расширения газов при изменении температуры, или биметаллические пластины, изменяющие свою форму от нагревания или охлаждения.
- Электронный. Состоит из основного блока и датчика температуры, подающего сигналы об увеличении или понижении заданной температуры в системе. Используется в системах, требующих высокой чувствительности и тонкой регулировки.
Механические устройства не позволяют обеспечить высокой точности настройки.
Они являются одновременно и датчиком температуры, и исполнительным органом, объединёнными в единый узел. Биметаллическая пластина, используемая в нагревательных устройствах, представляет собой термопару из двух металлов с разным коэффициентом теплового расширения.
Главное предназначение терморегулятора — автоматическое поддержание необходимой температуры
Нагреваясь, один из них становится больше другого, отчего пластина изгибается. Контакты, установленные на ней, размыкаются и прекращают нагрев. При охлаждении пластина возвращается в изначальную форму, контакты вновь замыкаются и нагрев возобновляется.
Камера с газовой смесью — чувствительный элемент термостата холодильника или отопительного терморегулятора. При изменениях температуры меняется объём газа, что вызывает перемещение поверхности мембраны, соединённой с рычагом контактной группы.
В терморегуляторе для отопления используется камера с газовой смесью, работающая по закону Гей-Люссака — при изменении температуры меняется объём газа
Механические термостаты надёжны и обеспечивают устойчивую работу, но настройка режима работы происходит с большой погрешностью, практически «на глазок».
При необходимости тонкой настройки, обеспечивающей регулировку в пределах нескольких градусов (или ещё тоньше), используются электронные схемы. Датчиком температуры для них служит терморезистор, способный различить мельчайшие изменения режима нагрева в системе. Для электронных схем ситуация обратная — чувствительность датчика слишком высока и её искусственно загрубляют, доводя до пределов разумного. Принцип действия состоит в изменении сопротивления датчика, вызванном колебаниями температуры контролируемой среды. Схема реагирует на смену параметров сигнала и повышает/понижает нагрев в системе до получения другого сигнала. Возможности электронных блоков контроля намного выше и позволяют получить настройку температуры любой точности. Чувствительность таких термостатов даже избыточна, поскольку нагрев и охлаждение — процессы, обладающие высокой инерционностью, которые замедляют время реакции на смену команд.
Область применения самодельного устройства
Изготовление механического терморегулятора в домашних условиях достаточно сложно и нерационально, поскольку результат будет работать в слишком широком диапазоне и не сможет обеспечить требуемой точности настройки.
Чаще всего собирают самодельные электронные терморегуляторы, которые позволяют поддерживать оптимальный режим температуры тёплого пола, инкубатора, обеспечивать желаемую температуру воды в бассейне, нагрев парилки в сауне и т.д. Вариантов применения самодельного терморегулятора может быть столько, сколько систем, подлежащих настройке и регулировке температурного режима, имеется в доме. Для грубой настройки с помощью механических устройств проще приобрести готовые элементы, они недороги и вполне доступны.
Преимущества и недостатки
Самодельный терморегулятор обладает определёнными достоинствами и недостатками. Плюсами устройства являются:
- Высокая ремонтопригодность. Терморегулятор, сделанный самостоятельно, легко отремонтировать, поскольку его конструкция и принцип работы известны до мелочей.
- Расходы на создание регулятора намного ниже, чем при покупке готового блока.
- Существует возможность изменения рабочих параметров для получения более подходящего результата.

К недостаткам следует отнести:
- Сборка такого устройства доступна только людям, имеющим достаточную подготовку и определённые навыки работы с электронными схемами и паяльником.
- Качество работы устройства в большой степени зависит от состояния использованных деталей.
- Собранная схема требует настройки и юстировки на контрольном стенде или с помощью эталонного образца. Получить сразу готовый вариант устройства невозможно.
Основной проблемой является необходимость подготовки или, как минимум, участие специалиста в процессе создания прибора.
Как сделать простой терморегулятор
Изготовление терморегулятора происходит поэтапно:
- Выбор типа и схемы устройства.
- Приобретение необходимых материалов, инструментов и деталей.
- Сборка прибора, настройка, запуск в эксплуатацию.
Стадии изготовления прибора имеют свои особенности, поэтому их следует рассмотреть подробнее.
Необходимые материалы
В число необходимых для сборки материалов входят:
- Фольгированный гетинакс или монтажная плата;
- Паяльник с припоем и канифолью, в идеале — паяльная станция;
- Пинцет;
- Пассатижи;
- Лупа;
- Кусачки;
- Изолента;
- Медный соединительный провод;
- Необходимые детали, согласно электрической схемы.

В процессе работы могут понадобиться и другие инструменты или материалы, поэтому данный список не следует считать исчерпывающим и окончательным.
Схемы устройств
Выбор схемы обусловлен возможностями и уровнем подготовки мастера. Чем сложнее схема, тем больше нюансов возникнет при сборке и настройке устройства. В то же время самые простые схемы позволяют получить лишь наиболее примитивные приборы, работающие с высокой погрешностью.
Рассмотрим одну из несложных схем.
В данной схеме в качестве компаратора используется стабилитрон
На рисунке слева изображена схема регулятора, а справа — блок реле, включающий нагрузку. Датчик температуры — это резистор R4, а R1 — переменный резистор, используемый для настройки режима нагрева. Управляющим элементом является стабилитрон TL431, который открыт до тех пор, пока на его управляющем электроде имеется нагрузка выше 2,5 В. Нагрев терморезистора вызывает снижение сопротивления, отчего напряжение на управляющем электроде падает, стабилитрон закрывается, отсекая нагрузку.
Другая схема несколько сложнее. В ней использован компаратор — элемент, производящий сравнение показаний термодатчика и эталонного источника напряжения.
Подобная схема с компаратором применима для регулировки температуры тёплого пола
Любое изменение напряжения, вызванное увеличением или уменьшением сопротивления терморезистора, создаёт разницу между эталоном и рабочей линией схемы, вследствие чего на выходе устройства генерируется сигнал, вызывающий включение или отключение нагрева. Подобные схемы, в частности, используются для регулировки режима работы тёплого пола.
Пошаговая инструкция
Порядок сборки каждого устройства имеет свои особенности, но некоторые общие шаги выделить можно. Рассмотрим ход сборки:
- Готовим корпус прибора. Это важно, поскольку оставлять плату незащищённой нельзя.
- Готовим плату. Если используется фольгированный гетинакс, придётся травить дорожки при помощи электролитических методов, предварительно нарисовав их нерастворимой в электролите краской.
Монтажная плата с готовыми контактами значительно упрощает и ускоряет процесс сборки. - Проверяем с помощью мультиметра работоспособность деталей, при необходимости заменяем их на исправные образцы.
- По схеме собираем и соединяем все необходимые детали. Необходимо следить за точностью соединения, правильной полярностью и направлением установки диодов или микросхем. Любая ошибка может привести к выходу из строя важных деталей, которые придётся приобретать снова.
- После окончания сборки рекомендуется ещё раз внимательно осмотреть плату, проверить точность соединений, качество пайки и прочие важные моменты.
- Плата помещается в корпус, производится пробный запуск и настройка работы устройства.
Как настроить
Для настройки прибора необходимо либо иметь эталонное устройство, либо знать номинал напряжений, соответствующих той или иной температуре контролируемой среды. Для отдельных устройств существуют собственные формулы, показывающие зависимость напряжения на компараторе от температуры.
Например, для датчика LM335 такая формула имеет вид:
V = (273 + T) • 0,01,
где Т — требуемая температура по Цельсию.
В других схемах настройка производится путём подбора номиналов регулировочных резисторов при создании определённой, известной температуры. В каждом конкретном случае могут быть использованы собственные методики, оптимальным образом подходящие к имеющимся условиям или используемому оборудованию. Требования к точности прибора также отличаются друг от друга, поэтому единой технологии настройки не существует в принципе.
Основные неисправности
Наиболее распространённой неисправностью самодельных терморегуляторов является нестабильность показаний терморезистора, вызванная низким качеством деталей. Кроме того, нередко встречаются сложности с настройкой режимов, вызванные несоответствием номиналов или изменением состава деталей, необходимых для правильной работы устройства. Большинство возможных проблем напрямую зависят от уровня подготовки мастера, производящего сборку и настройку прибора, так как навыки и опыт в этом деле значат очень много.
Тем не менее, специалисты утверждают, что изготовление терморегулятора своими руками — полезная практическая задача, дающая неплохой опыт в создании электронных устройств.
Если уверенности в своих силах нет, лучше использовать готовое устройство, которых достаточно в продаже. Необходимо учитывать, что отказ регулятора в самый неподходящий момент может стать причиной серьёзных неприятностей, для устранения которых потребуются усилия, время и деньги. Поэтому, принимая решение о самостоятельной сборке, следует подойти к вопросу максимально ответственно и тщательно взвесить свои возможности.
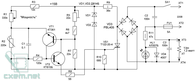
Оцените статью: Поделитесь с друзьями!СХЕМА ТЕРМОСТАТА
Предлагаемый проверенный и неплохо себя зарекомендовавший термостат работает в диапазоне 0 — 100°С. Он осуществляет электронный контроль температуры, коммутируя нагрузку через реле. Схема собрана с использованием доступных микросхем LM35 (датчик температуры), LM358 и TL431.
Схема электрическая термостата
Детали для устройства
- IC1: LM35DZ температурный датчик
- IC2: TL431 прецизионный источник опорного напряжения
- IC3: двойной однополярный ОУ LM358.
- LED1: 5 мм светодиод
- В1: PNP транзистор A1015
- Д1 — Д4: 1n4148 и 1N400x кремниевые диоды
- ZD1: стабилитрон на 13 В, 400 мВт
- Подстроечный резистор 2.2 к
- Р1 — 10к
- R2 — 4,7 М
- Р3 — 1.2 К
- Р4 — 1к
- Р5 — 1к
- Р6 — 33 Ом
- С1 — 0.1 мкф керамический
- С2 — 470 мкФ электролитический
- Реле на 12 В постоянного тока однополюсное двухпозиционное 400 Ω или выше
Устройство выполняет простой, но очень точный тепловой контроль тока, которая может использоваться там, где необходим автоматический контроль температуры. Схема переключает реле в зависимости от температуры, определяемой однокристальным датчиком LM35DZ. Когда LM35DZ обнаруживает температуру выше, чем заданный уровень (установленный регулятором), реле срабатывает. Когда температура падает ниже заданной температуры — реле обесточивается. Таким образом и удерживается нужное значение инкубатора, термостата, системы подогрева дома и так далее.
Схема может питаться от любого источника переменного или постоянного тока 12 В, или от автономного аккумулятора. Существует несколько версий датчика температуры LM35:
- LM35CZ и LM35CAZ (в to-92 корпусе) − 40 — +110C
- LM35DZ (в to-92 корпус) 0 — 100с.
- LM35H и LM35AH (в-46 корпус) − 55 — +150C
Принцип работы
Как работает терморегулятор. Основой схемы является температурный датчик, который представляет собой преобразователь градусы — вольты. Выходное напряжение (на выводе 2) линейно изменяется вместе с температурой от 0 В (при нуле) до 1000 мВ (при 100 градусах). Это значительно упрощает расчет цепи, так как нам нужно только обеспечить прецизионный источник опорного напряжения (TL431) и точный компаратор (А1 LM358) с целью построения полной тепловой управляемости коммутатором. Регулятор и резистор задают опорное напряжение (vref) 0 — 1.62 В. Компаратор (А1) сравнивает опорное напряжение vref от (установленного регулятором) с выходным напряжением LM35DZ и решает, следует ли включить или выключить питание реле.
Цель резистора R2 создать гистерезис, который помогает предотвратить дребезг реле. Гистерезис обратно пропорционален значению R2.
Настройка
Никаких специальных приборов требуется. Например, чтобы установить 70С срабатывания подключите цифровой вольтметр или мультиметр через тестовые точки «ТР1» и «масса». Отрегулируйте vr1, пока не получите точное значение 0,7 В на вольтметре. Другой вариант схемы, с использованием микроконтроллера, смотрите здесь.
принцип работы, схема включения и выключения
Часто для работы какого-либо устройства или целой системы необходимо поддерживать определённый температурный режим. Это актуально при работе контуров отопления или охлаждения, построении устройств типа «инкубатор». Одним из простых приборов, позволяющих контролировать температуру, является термореле. Такое приспособление возможно приобрести в специализированных торговых точках, но можно изготовить такой регулятор температуры и своими руками.
Назначения и характеристики
В основе работы термореле лежит способность устройства управлять включением и выключением узлов схемы в зависимости от изменения температуры.
Фактически — это приспособление, располагающееся между управляемыми элементами и датчиками температуры. Конструктивно прибор представляет собой электронную схему или же устройство, выполненное из специального материала.
Первый вид предполагает использование выносных или встроенных датчиков, а второй — использует свойства различных материалов изменять свои параметры при изменении характеристик электрической сети. То есть контроль происходит контактным или бесконтактным способом. Но несмотря на принципиальные различия, суть работы терморегуляторов одинаков. Регистрируя изменение температуры, устройство разрывает или подсоединяет подключённые к нему узлы аппаратуры или оборудования в автоматическом режиме.
Благодаря их применению, температура воздуха, воды, поверхностей различных приборов и радиоэлементов имеет стабильное значение.
Для каждой среды используются свои особенности размещения устройства. Его точность срабатывания зависит не только от качества исполнения самого регулятора, но и правильного размещения.
Выпускаются терморегуляторы разных видов. Классифицировать их можно по следующим признакам:
- По назначению. Разделяются на внутренние и наружные.
- Способу установки. Существуют независимые терморегуляторы, как способные располагаться на любой поверхности, так и размещаемые только внутри оборудования.
- Функциональностью. Терморегуляторы могут регистрировать только один сигнал или сразу несколько. При этом второго типа называются многоканальными. Они могут поддерживать значение температуры как на нескольких устройствах одновременно, используя независимые каналы, так и только на одном.
- Способу настройки. Управление режимами работы и настройка приспособления может быть механической, электронной или электромеханической.
- Гистерезису. В терморегуляторах под ним понимают значение температуры, при которой сигнал изменяется на противоположный знак, а также явление, когда происходит задержка переключения сигнала в зависимости от величины влияния. Именно он даёт возможность снизить частоту переключения, например, при повышении температуры в нагревателе. Но при этом следует понимать, что большая величина гистерезиса приводит к температурному скачку.
- Виду термодатчиков. Подключаемые к терморегуляторам датчики могут быть контактного и бесконтактного действия. Например, использующие в работе инфракрасное излучение или свойство биметаллической пластины.
Параметры приспособления
Как и любое оборудование, регуляторы температуры характеризуются набором параметров. От них в первую очередь зависит точность срабатывания устройства. Зависят эти характеристики не только от качества применяемых при построении схемы терморегулятора элементов, но и реализации системы, позволяющей избегать влияния посторонних факторов. К основным характеристикам относят:
- Время переключения. Зависит от схемы реализации регулятора и способа установки датчика, определяющего его инерционность.
- Регулируемый диапазон. Устанавливает граничные значения температурного режима, в котором может происходить работа устройства.
- Напряжение питания. Это значение рабочего напряжения, необходимого для нормальной работы устройства.
- Активная нагрузка. Показывает, какой максимальной мощностью может управлять регулятор температуры.
- Класс защиты. Характеризует безопасность прибора. Обозначается согласно международной классификации по электрической безопасности.
- Система сигнализации. В регуляторе может использоваться светодиодный сигнализатор или жидкокристаллический экран. Ориентируясь на него, пользователь может сразу видеть, в каком режиме работает прибор контроля.
- Рабочая температура. Обозначает диапазон, в рамках которого обеспечивается правильная работа терморегулятора.
- Вид термодатчика. Являясь чувствительным элементом, он выступает в качестве индикатора температуры, отправляя данные на контроллер. Такие термодатчики на включение и выключение устройства бывают разных типов и конструкций, а также отличаются по способу передачи данных.
Кроме этого, к качественным характеристикам устройства относят: удобство использования, габариты, дополнительные возможности, общий вид.
Поэтому собирая терморегулятор своими руками, для получения законченного вида устройства желательно продумывать не только схему приспособления, но и корпус, в котором он будет располагаться.
Принцип работы
В общем виде терморегулятор можно представить в виде блок-схемы, состоящей из датчика температуры, блока обработки и регулирующего механизма. В основе работы механического теплового реле лежит способность биметаллической пластины изменять свою форму в зависимости от температуры. Для её изготовления используются два материала, жёстко скреплённые между собой с разным температурным коэффициентом расширения.
При нагреве такой пластины происходит её изгиб. Именно это свойство и используется при производстве тепловых реле. Во время деформирования пластинка замыкает или размыкает контактную группу, вследствие чего разрывается или восстанавливается электрический контакт. Такое реле может применяться в цепях как переменного, так и постоянного тока, а выбор граничной температуры в них обычно устанавливается с помощью механического регулятора.
Кроме этого, существуют твердотельные реле (электронные). В их конструкции уже нет движущихся и механических частей, а используется электронная схема, вычисляющая изменения температуры.
В качестве основных элементов таких приборов является термистор и микропроцессор. В первом происходит изменение электрических параметров при колебаниях температуры, а второй обрабатывает и в зависимости от запрограммированного алгоритма коммутирует контактные группы.
Схемотехника регуляторов
Из-за сложности настройки механического реле самостоятельное его изготовление практически невозможно, поэтому радиолюбители изготавливают твердотельные регуляторы. На сегодняшний день известно большое количество схем термореле разного класса. Так что подобрать подходящую для возможного повторения не составит сложности.
Но перед тем как приступить к самостоятельному изготовлению терморегулятора, необходимо подготовить ряд инструментов и материалов. Для этого, кроме электрической схемы и необходимых согласно ей радиоэлементов, понадобится:
- Паяльник или в случае использования сложных микроконтроллеров паяльная станция.
- Односторонний фольгированный стеклотекстолит. Если электрическая схема содержит большое количество радиоэлементов и относится к средней или высокой группе сложности, то изготовить её навесным монтажом не представляется возможным. Поэтому используется стеклотекстолит, на котором удобным методом, например, лазурно-утюжным или фотолитографией, наносится печатная схема будущего термореле.
- Мультиметр. Он необходим для настройки работы устройства и проверки правильности установки радиоэлементов.
- Мини-дрель. С помощью неё выполняют отверстия, в которые устанавливаются радиоэлементы.
- Рабочие материалы. К ним относятся: флюс, припой, спиртовой раствор, изолента или термоусадочные трубочки.
Последовательность действий при изготовлении сводится к следующему. На первом этапе выбирается схема и изучается её описание, доступность радиоэлементов. При этом не стоит забывать, что почти для каждой радиодетали существует аналог. Затем, изготавливается печатная схема, а по ней уже плата. На плату запаиваются радиоэлементы, коммутационные гнёзда и провода. Как только всё готово, производится тестовый запуск и в случае необходимости подстройка работы.
Простые устройства
Простейшее устройство, реагирующее на изменение температуры, можно собрать из нескольких сопротивлений и интегрального усилителя. Использующиеся резисторы представляют собой два полуплеча, образующие собой измерительную и опорную часть схемы. В качестве R2 используется термистор, то есть резистор, сопротивление которого меняется в зависимости от воздействующей на него температуры.
Интегральный усилитель LM393 работает в режиме компаратора, то есть сравнивает два сигнала, снимаемые с R1-R2 и R3-R4. Как только уровень сигнала на двух входах микросхемы сравняется, LM393 переключает нагрузку к питающей сети. В качестве нагрузки можно использовать вентилятор. Как только вентилятор охладит контролируемое устройство, уровень сигнала на втором и третьем входе компаратора снова начнёт различаться. Устройство снова переключит свои выходы, и питание прекратит поступать в нагрузку.
Несложную схему можно собрать и на тиристоре. В качестве её нагрузки можно использовать нагреватель, температуру которого и будет регулировать самодельный терморегулятор.
Эта схема может использоваться в инкубаторе или аквариуме.
В основе схемы также лежит способность компаратора сравнивать уровни напряжения на своих входах и в зависимости от этого открывать свои выходы. При одинаковом сигнале ток через транзистор VT1 не течёт, а значит, на управляющем выводе тиристора VS1 находится низкий уровень, и он закрыт. Появившееся напряжение на сопротивлении R8 приводит к его открытию. Запитывается схема через диод VD2 и R10. Для стабилизации питания используется стабилитрон VD1. Перечень и номиналы элементов приведены в таблице:
| Обозначение | Наименование | Аналог |
|---|---|---|
| R1 | 10 кОм | |
| R2 | 22 кОм | |
| R3 | 100 кОм | |
| R4 =R6 | 6,8 кОм | |
| R5 | 1 кОм | |
| R8 | 470 Ом | |
| R9 | 5,1 кОм | |
| R10 | 27 кОм | |
| С1 | 0,33 мкФ | |
| VT1 | КТ117 | 2N6027 |
| VD1 | КС212Ж | BZX30C12 |
| VD2 | КД105 | 1N4004 |
| VS1 | КУ208Г | TAG307— 800 |
Термореле на микроконтроллере
Собрав такой термостат, его можно использовать совместно с отопительной системой, например, совместно с котлом. В основе конструкции используется микросхема DS1621, которая совмещает в себе термометр и термостат. Её цифровой ввод-вывод обеспечивает точность ±0,5 °C.
При использовании DS1621 в качестве термостата в её внутреннюю энергонезависимую память (EEPROM) помещаются данные о температуре, которую необходимо поддерживать. А также контрольные точки, по достижении которых температура повышается или понижается. Разница между ними образует гистерезис, при этом на третьем выводе микросхемы формируется логическая единица или ноль.
Данные в микросхему заносятся с помощью микроконтроллера, выполненного на ATTINY2313. Устройство может поддерживать температуру в диапазоне от 10 до 40 градусов. Управление термоэлементом котла осуществляется через тиристор. С помощью кнопки S1 осуществляется включение и выключение термометра. А кнопками S2 и S3 устанавливается температура. Светодиод HL1 сигнализирует о работоспособности прибора. Во время нагревания термоэлемента котла он мигает. В качестве трансформатора используется TAIWAN 110—230V 6−0−6V 150TA.
При программировании в Features необходимо выбрать: int. RC Osc. 4 MHz; Start-up time: 14 CK + 0 ms; [CKSEL=0010 SUT=00] и Brown-out detection disabled; [B0DLEVEL=111] поставить галочку на Serial program downloading (SPI) enabled; [SPIEN=0]. А также отметить фьюзы: SUT1, SPIEN, SUTO, CKSEL3, CKSEL2, CKSELO. Правильно собранное устройство работает сразу и в наладке не нуждается.
Поиск и устранение неисправностей термостатаHoneywell — Шестишаговое руководство
Термостаты служат одной цели — устанавливать температуру в помещении. С этой целью все они обладают разными функциями с точки зрения точности, надежности, размера и т. Д. Хотя между моделями есть небольшие различия, дизайн, простота установки и обслуживания, как правило, являются основными факторами для большинства клиентов. Почему-то список критериев кажется слишком коротким. Мы что-то упустили? Почему да, бренд. Выбирая изящный первоклассный бытовой прибор, вы доверяете гигантам в этой области продавать вам гениальные устройства, граничащие с областью научной фантастики.Honeywell — один из таких лейблов, присутствующий почти в каждом доме на американском континенте. Наряду с простым программным обеспечением для управления их продукция хорошо адаптируется к вашим требованиям к климату в помещении. Однако, если возникнут проблемы, вам, возможно, придется участвовать в поиске неисправностей термостата Honeywell.
Но не позволяйте этой мысли обескураживать вас. Вы можете этого не осознавать, но когда дело доходит до проблем с вашим термостатом Honeywell, вы можете просто решить проблему самостоятельно.Даже если вы плохо разбираетесь в термостатах Honeywell, как и в любой другой бытовой технике в вашем доме, вы всегда можете попробовать несколько советов по поиску и устранению неисправностей, которые помогут вам вернуться к работе. Сегодня мы и будем этим заниматься. В нашей статье мы собираемся изучить несколько наиболее важных приемов устранения неполадок, которые должен знать каждый владелец термостата Honeywell. Хотя наши советы могут не решить все проблемы, с которыми вы столкнетесь, эти советы, безусловно, являются правильными шагами, которые помогут вам выбрать, что делать дальше.Скорее всего, вы обнаружите, что с помощью пары щелчков крышки, щелчков и отсоединений вы сможете избавить себя от хлопот, чтобы профессионал вышел взглянуть на ваше устройство. А если у вас еще нет проблем с термостатом Honeywell, то знание этих советов избавит вас от нервного срыва, когда что-то пойдет не так. Давайте начнем!
Наши любимые термостаты Honeywell
Какая бы проблема ни возникла, мы все можем согласиться с тем, что неисправный термостат — не лучший способ начать день.Вы просыпаетесь утром, а вставать с постели слишком холодно. С другой стороны, вы можете зажариться посреди ночи при температурах глобального потепления, если ваш термостат решит пересечь порог Фаренгейта. Выявление проблемы — это часть решения, поэтому давайте посмотрим, подошло ли ваше устройство к концу срока годности или вы все еще можете рассчитывать на старую систему отопления / охлаждения для комфорта в вашем доме.
Даже если в вашей системе есть проблемы, не перечисленные ниже, сначала попробуйте эти советы по поиску и устранению неисправностей термостата Honeywell.Кто бы не хотел избежать расходов на вызов внешнего специалиста для решения внутренней проблемы?
Аналоговый или цифровой термостат?
В зависимости от термостата Honeywell в вашем доме проблемы, которые необходимо решить, могут быть разными. Термостат регулирует микроклимат в помещении — кондиционер, тепловой насос или печь — для создания желаемой температуры.
Электронные термостаты — Охлаждение термостата Honeywell при мигании и проверка батареи
Электронный термостат в основном работает от автоматического выключателя.Его задача — включать и выключать кондиционер при определенных температурах. Если ваше устройство мигает, проблема обычно коренится в:
- Защита компрессора. В этом случае, наряду с миганием термостата Honeywell, также появляется сообщение «охлаждение включено» или «нагревание включено».
- Разряд батарей. Если ваш аналоговый термостат не работает, и вы не сомневаетесь, что он был правильно установлен и запрограммирован, попробуйте заменить батареи. Во многих домах есть электронные термостаты, работающие от батареи.В то время как сообщение «Замените батарею» всегда подает сигнал тревоги, когда ваш термостат разряжается, тем не менее, разумно было бы периодически менять их.
Могут возникнуть и другие проблемы. Старые модели термостатов обычно представляют собой аналоговые модели типа с минимальными функциями. Они оснащены тремя основными кнопками для нагрева , охлаждения и отключения . Они не программируются, как их цифровые аналоги.По ходу дела вы можете решить проблему с помощью нескольких простых настроек.
Во-первых, убедитесь, что ваш термостат установлен на уровне стены. В противном случае, , ртутный переключатель может быть наклонен. и показание комнатной температуры отключено. Проверьте это с помощью небольшого уровня торпеды. Обычно , он должен располагаться на высоте около 5 футов от пола. Ни в коем случае не кладите его в угол или за шкаф. В идеале он должен иметь возможность беспрепятственно отбирать пробы воздуха в комнате.
Начните со снятия крышки термостата . Проверьте внутреннюю часть на предмет пыли, грязи или коррозии. В таком случае протрите его мягкой щеткой или тканью. Обычно главный виновник — тот, кого вы меньше всего подозреваете. В нашем случае пыль.
Затем, убедитесь, что цветная проводка правильно подключена внутри блока . Используйте свое руководство для теста. Если все в порядке, то проблема либо в печи, либо в кондиционере. В худшем случае и если все поиски и устранение неисправностей термостатов Honeywell не помогут, вам потребуется новый термостат.
Honeywell Home RTH9585WF1004 Wi-Fi Умный цветной термостат, 7 дней …- КОМФОРТ В ВАШЕМ ЦВЕТЕ. Настройте программируемый термостат Wi-Fi Smart Color в соответствии с вашим интерьером.
- ВАШ РАСПИСАНИЕ. ТВОЙ ПУТЬ. Гибкие возможности программирования в соответствии с вашим графиком или пиковыми ценами коммунальной компании.
- ПРОСТОТА УПРАВЛЕНИЯ И ИНТУИТИВНЫЙ. Яркий, легко читаемый сенсорный экран упрощает работу.
Устраните перепады настроения на цифровом термостате
Цифровые программируемые термостаты работают по вашему графику. Если вы устанавливаете их в офисе или дома, вы знаете, что имеете дело с технологией интеллектуального реагирования. Некоторые устройства Honeywell оснащены клавиатурами с цифровыми дисплеями. Другие работают через сенсорный экран, поэтому здесь нет неудобных кнопок прошлых лет. В то время как новейшее поколение термостатов позволяет вам полностью управлять на расстоянии с вашего смартфона, компьютера или планшета.
Конечно, чем больше вариантов в термостате, тем больше может пойти не так. Однако, прежде чем звонить в сервисный центр, убедитесь, что вы испробовали все простые способы устранения проблемы самостоятельно.
Программируемый термостат Honeywell, руководство по устранению неисправностей
Шаг 1 — Никаких признаков жизни на дисплее
Цифровые термостатыHoneywell имеют одну общую проблему. Иногда экран дисплея ничего не читает. Если ваш термостат подключен к печи, проверьте дверцу печи.Если он не закрыт должным образом, дверной переключатель не активирует центральную систему HVAC. Вы можете найти подробную информацию об этих процессах в руководстве по программируемому термостату Honeywell.
Шаг 2 — Извлеките комнатный термометр
Просто интуитивно понятная вспышка, но перед тем, как разобрать устройство и объявить его необратимо мертвым, вы можете проверить температуру в помещении с помощью термометра. Если ваш термостат не соответствует вашим результатам, возможно, датчик температуры неисправен.
Это может оказаться большим бременем, чем вы думаете, поскольку покупка совершенно нового устройства будет более рентабельной, чем покупка замены сломанной детали.
В случае термостата, подключенного к печи, установите температуру термостата на пять градусов выше, чем комнатная температура. В этот момент должна заработать печь.
Шаг 3 — Баланс двух температур
Следующий шаг — отметка калибровочного теста заданного значения.Это означает, что вам необходимо согласовать уставку или желаемую температуру с комнатными датчиками на вашем термостате, то есть температуру вашего окружающего пространства. Прочтите руководство по эксплуатации для получения дополнительных указаний. Термостаты бывают разных моделей, поэтому они могут демонстрировать различные методы калибровки.
Вы также можете проверить, есть ли на вашем термостате какие-либо инструкции, написанные на внутренней стороне крышки. Снимите опорную плиту и проверьте перед тем, как позвонить производителю.
Шаг 4 — Блок с коротким предохранителем и пустой экран термостата Honeywell
Если ваш термостат выходит из строя, проверьте предохранители устройства.Одна из причин, по которой на дисплее термостата может отображаться пустой экран, может быть отключение автоматических выключателей на центральном кондиционере или печи.
Сначала попробуйте повернуть выключатель в положение «Выкл.» И обратно в положение «Вкл.». Сброс предохранителя позволит вам узнать, отключены ли цепи. Если в конце концов вам понадобится заменить предохранители, и вы не знаете, что делать дальше, вы можете вызвать профессионала на место происшествия.
Шаг 5 — Провода переменного тока или печи должны быть перекрещены
Обычно внутри термостата Honeywell маленькие цветные провода маркируются R, W, Y, G, C.Если какой-либо из них не находится в правильном положении, то у вас действительно пересеченный AC. Вам просто нужно все это разрядить и переустановить незакрепленную проводку.
Красный провод обычно обозначает основной источник питания 24 В для термостата, белый — тепло, желтый — охлаждение, зеленый — внутренний вентилятор, а клемма C — общее заземление. Этот провод обеспечивает питание от блока нагрева или охлаждения до термостата через низкое напряжение. Если вы не видите никаких проводов, подключенных к C, значит, термостат питается от батареи.
Мы упоминаем об этом еще раз — не все термостаты соответствуют приведенным выше правилам, поэтому безопаснее обратиться к таблице цветовых кодов в инструкции по эксплуатации перед тем, как приступить к подключению проводов.
Кроме того, помимо отсоединения, ваши провода могут серьезно пострадать от коррозии. С другой стороны, возможно, вы имеете дело с коротким замыканием. Чтобы обеспечить непрерывность электрической цепи, попробуйте зацепить провода с помощью поворотных соединителей или гаек. Убедитесь, что все соединения надежны, чтобы электричество проходило должным образом.В большинстве случаев устранение неисправностей термостата Honeywell сводится к соединению нескольких проводов вместе.
Предупреждение! Даже если через термостат проходит всего 24 В, всегда полезно отключать основной источник питания при соприкосновении проводов.
Беспроводной Wi-Fi термостат, 7 программируемых- Доступно приложение Total Connect Comfort, позволяющее удаленно контролировать / управлять комфортом в доме и потреблением энергии
- Режим энергосбережения и 7-дневное простое программирование
- Пользовательский дисплей с информацией о комфорте на экране
Шаг 6 — Установите правильный день и время
Если ничего из вышеперечисленного не сработает, не теряйте надежды.Последний шаг, который необходимо предпринять в ходе крестового похода по поиску и устранению неисправностей термостата Honeywell, прежде чем вы выбросите статистику, — это убедиться, что часы установлены на правильный день и время . Электронные термостаты имеют эти незначительные сбои, когда неправильный день и время могут помешать правильной работе.
Обычно настройка по умолчанию читает четыре сегмента дня:
- 6:00 — это Пробуждение .
- 8:00 — это Выход .
- 18:00 это Возврат .
- 22:00 это Сон .
Конечно, вы можете изменить настройки, если ваше расписание отличается от графика.
Шаг 7 — Если все остальное не удается, рассмотрите возможность замены
Если вы выполнили поиск и устранение неисправностей термостата Honeywell с помощью всех этих простых тестов, а устройство по-прежнему не отвечает должным образом, возможно, вы имеете дело не с электрической проблемой, а с большей механической проблемой. Или может быть неисправен сам термостат.
Убедитесь, что ваш термостат действительно сломан, прежде чем вы начнете отсоединять провода и отсоединять его от печи или блока переменного тока. Чтобы переход на новый термостат был минимальным, просто выберите новую модель, которая примерно того же размера и формы, что и старая.
Ваш термостат — это центр управления вашей системой HVAC. Понятно, что вам не нужно переходить к моменту, когда вы будете включать и выключать устранение неисправностей термостата Honeywell.Так что просто нацельтесь на проблему, используя все имеющееся в вашем распоряжении оружие для разнорабочих, и устраните проблему.
Источники изображений: 1, 2, 3, 4, 5, 6
Последнее обновление 18.01.2021 / Партнерские ссылки / Изображения из Amazon Product Advertising API
Похожие сообщения
Как установить термостат WiFi без провода C | Обновил
Итак, у меня оригинальный (?) Контроллер Honeywell. Он имеет две клеммы T и две клеммы F.
Тройники идут на термостат… один обеспечивает постоянное напряжение 25 В (или выше, у меня 30 В), другой — возврат для замыкания цепи. Постоянная 25 В подключается непосредственно к одной клемме на стороне низкого напряжения трансформатора внутри контроллера, обратная связь связана с внутренними компонентами (концевыми выключателями, реле и т. Д.), Которые управляют компонентами печи (двигатели, зажигание и т. Д.)
Буквы F идут на датчик пламени. Один терминал также привязан к внутренним компонентам. Однако второй подключается непосредственно к ДРУГОЙ клемме низковольтной стороны трансформатора.
Вы сможете найти электронную схему для новых контроллеров в технической документации на веб-сайте Honeywell. Вот руководство для контроллера R8184G Protectorelay:
https://customer.honeywell.com/resources/techlit/TechLitDocuments/69-0000s/69-0617.pdf
Как вы можете видеть на странице 1 (см. Следующее изображение ) на схеме показаны прямые линии от стороны низкого напряжения трансформатора до клемм, как я описал выше. На схеме два внешних терминала представляют интерес.Я проверил два крайних вывода на моем старом винтажном контроллере с помощью мультиметра, и, конечно же, у меня было 30 В.
Что это значит? Это означает, что вы можете использовать внешнюю клемму F как провод C для термостатов, которым нужен провод C. У меня есть WiFi-термостат Honeywell RTH6580WF, который я пытаюсь заставить работать с моей старинной печью.
К счастью, у меня в жгуте был неиспользованный третий провод (зеленый), поэтому я прикрепил его к внешнему F у печи, чтобы использовать его как провод C. Красный провод прикреплен к внешнему Т, а белый — к внутреннему Т.Изначально красный и белый были поменяны местами, поэтому я поменял их местами в печи. Итак, красный, по сути, связан с трансформатором и несет постоянную мощность.
На термостате белый просто присоединяется к W (тепло), красный присоединяется к R (мощность), а зеленый присоединяется к C (общий). Поскольку термостату также требуется питание на Rc, мне нужно было использовать перемычку с R на Rc. По какой-то причине в моем термостате не было заводской перемычки (она выглядит как небольшая скоба), поэтому я просто использовал короткий кусок провода.
Престо-чанго, включается термостат.
GeekTeches TMC-D6000 Одноконтурный Двухконтурный светодиодный цифровой термостат с регулятором температуры Переключатель управления нагревом и охлаждением с 2 датчиками
Описание продукта
Описание:Этот профессиональный терморегулятор имеет один выход за счет простого набора разницы температур между двумя датчиками для контроля температуры, а светодиодный дисплей показывает текущую температуру и заданную температуру.Этот термостат очень легко настроить и отрегулировать, переключитесь на
.режим нагрева или охлаждения свободно. Он очень точно поддерживает температуру на желаемом уровне. Подходит для морозильной камеры, кондиционера, теплицы, собачьей будки, инкубаторов и т. Д.
Характеристики:
Отображение текущей температуры и заданной температуры одновременно.
Широкий диапазон измерения температуры -40 ℃ ~ 110 ℃, разрешение: 0,1 ℃.
4 кнопки для удобного управления температурой.
Оснащен скрытыми прорезями для проводов с настенным корпусом, прост в установке и энергосбережении, безопасен и прост в использовании.
Режимы нагрева и охлаждения, вы можете свободно устанавливать температуру запуска / остановки.
С большим и четким двойным светодиодным дисплеем для лучшей читаемости.
Поддержка аварийного запоминания (установленные параметры остаются действительными после короткого замыкания).
Также с функцией калибровки температуры и защиты от задержки.
Подходит для широкого спектра применений, таких как разведение домашних животных, сельское хозяйство, аквариумы, сельское хозяйство, напольное отопление, теплица и т. Д.
Заявка:
1. Выращивание домашних животных — аквариум, аквариум, ящик для рептилий, змеи, черепахи и т. Д.
2. Разведение — Инкубация и вывод расплода, контроль температуры в инкубаторе, вентиляция и отвод тепла, определение температуры и предупреждение и т. Д.
3. Сельское хозяйство — Ферментированные штаммы, выращивание рассады, теплицы, выращивание и уход за цветами, съедобные грибы и т. Д.
4. Интеллектуальный дом — полы с подогревом, водяное отопление, обогреватель, электротермическая мембрана, электротермическая кровать, электрическое одеяло, электровентилятор, кондиционер, холодильник и др.
5. Продукты питания — Производство вина, ферментированного клейкого рисового вина, ферментация муки, ростков сои, производство йогурта, консервирование фруктов и овощей и т. Д.
6. Промышленность — Шкафы контроля температуры, лабораторная печь, складские испытания, циркуляционные насосы, нагревательные стержни, вентилятор и т. Д.
Технические характеристики:
Фирменное наименование: GeekTeches
Выходная цепь: Одноконтурный / двухконтурный (дополнительно)
Одноконтурная операционная система : Контроль разницы температур (температура первого контура минус температура второго контура)
Двухконтурная операционная система : 2 режима контроля температуры, автоматическая идентификация рабочих схем
Источник питания: 110-240 В переменного тока
Цвет: белый
Материал: АБС-пластик
Модель датчика: NTC 10K 0.5% водонепроницаемый зонд
Дисплей: двойной светодиодный дисплей с цифровой трубкой
Диапазон регулирования температуры: -40 ℃ ~ 110 ℃
Точность температуры: ± 0,1 ℃
Разрешение: 0,1 ℃
Температурная компенсация: -15 ℃ ~ 15 ℃
Точность компенсации: 0,1 ℃
Задержка датчика: 0 ~ 300 с
Частота обновления: 0,5 с
Выходной контакт: 30A
Рабочая температура: -10 ℃ ~ 50 ℃
Относительная влажность: RH≤93%
Рассеиваемая мощность: статический ток ≤ 40 мА, динамический ток ≤ 65 мА
Режимы работы: режим нагрева или охлаждения
Длина кабеля Porobe: прибл.2 м / 6,56 футов
Размер изделия: 163 x 127 x 36 мм / 6,42 x 5,0 x 1,42 дюйма
Вес изделия: 247 ~ 266 г / 8,72 ~ 9,39 унций
Размер упаковки: 17 x 13 x 4,5 см / 6,69 x 5,12 x 1,77 дюйма
Вес упаковки: 277 ~ 298 г / 9,77 ~ 10,54 унции
В пакет включено:
1 x цифровой контроллер температуры
2 датчика
1 х Руководство пользователяПодробные изображения:
Более подробные фотографии:
Как исправить | Как проверить сушильную машину, которая не нагревается, и заменить неисправный термостат
Почему не работают термостаты сушильной машины?
В большинстве случаев это неисправность, вызванная использованием или неправильным использованием и обслуживанием сушильной машины.Небольшая осторожность может предотвратить хлопоты и затраты на этот ремонт:
1 — Фильтры барабанной сушилки необходимо очистить!
Если воздух не поступает, машина может перегреться и сработает предохранитель. Любое препятствие для скорости воздушного потока повлияет на работу осушителя и почти наверняка вызовет срабатывание термостата или предохранительного термостата. Если вы не очистите ворсовые или ворсовые фильтры, не установите их должным образом или используете сушильную машину с поврежденными или сломанными фильтрами, это повлияет на эффективность вашей сушильной машины, и, поскольку температура не поддерживается более прохладным воздухом. втягивается в сушильную машину.Это повышение температуры может и действительно поднимается достаточно высоко, чтобы сработать предохранительные термостаты. Любое препятствие для скорости воздушного потока повлияет на работу осушителя и почти наверняка вызовет срабатывание термостата или предохранительного термостата.
2 — Вентиляционный шланг сушильной машины!
Засоренный вентиляционный шланг с ворсом или загнутым сзади машины останавливает поток воздуха из машины, срабатывая термостаты.
3 — Сушильная машина перегружена!
Если положить слишком много одежды в барабанную сушилку, это повлияет на воздушный поток и почти наверняка вызовет срабатывание термостата или предохранительного термостата.
4 — Всегда содержите конденсатор барабанной сушилки в чистоте!
Алюминиевые пластины в нижней части сушильных машин с конденсатором для предотвращения засорения, вызванного скоплением ворса.
5 — Открытие дверцы во время цикла сушки!
Сушильная машина была выключена до окончания цикла сушки, и сушильная машина не остыла должным образом. ВСЕГДА ПРОПУСКАЙТЕ ОСУШИТЕЛЬ ЧЕРЕЗ ОХЛАЖДАЮЩИЙ ЦИКЛ.
Что такое провод термостата C и какой он обычно цвет?
Одной из распространенных проблем при установке интеллектуального термостата является отсутствие провода c в проводке вашего дома.По мере того, как все больше потребителей устанавливают устройство самостоятельно, нам внезапно необходимо стать экспертами в области электрики. Это краткое руководство объяснит, что такое «c-образный провод», какого цвета он может быть и как лучше всего его установить при необходимости.
Что такое C-Wire и зачем он вам нужен?
Важно!
Как правило, всякий раз, когда вы проверяете или меняете домашнюю электропроводку, убедитесь, что вы отключили автоматический выключатель, чтобы избежать поражения электрическим током.
С момента появления устройства Nest умные термостаты стали популярным товаром для домовладельцев.Они помогают эффективно обогревать дом и могут использовать умные функции для управления температурой из любого места и экономить деньги за счет разумного бюджетирования.
Традиционная проводка HVAC в домах состоит из четырех или более проводов, один из которых называется «общим» проводом или c-проводом . Базовая схема типичной домашней электропроводки:
- R провод (красный, для питания).
- G провод (зеленый, для вентилятора).
- Y-провод (желтый, для кондиционера). Провод
- Вт (белый, для тепла).
- C провод (синий или черный, общий для питания 24 В на термостат).
- Обратите внимание, что цвета могут отличаться, а маркировка на системах может быть несовместимой.
Проблема в том, что c-провод не так распространен во многих (старых) домах, поскольку традиционный термостат не требовал большой мощности. Современные термостаты поставляются с подключениями Wi-Fi и цветными сенсорными экранами с высоким разрешением, требуя больше энергии, чем старые модели.
Они, скорее всего, потребуют один для этой цели, либо для того, чтобы замкнуть цепь, которая помогает питать интеллектуальный термостат, либо для зарядки его батареи .
Полезно знать
Для справки, общий провод функционирует как провод обратного пути, замыкая цепь, питаемую проводом питания.
Тем не менее, он может использоваться установщиками для подачи питания на термостат. Для некоторых интеллектуальных термостатов, не требующих провода C, это сбивает людей с толку.
Те, у кого в проводке отсутствует провод c, могут использовать одно из нескольких решений для питания своего интеллектуального термостата. Поскольку большинство брендов продают свои умные технологии, не упоминая об этом на упаковке, это легко узнать после того, как вы их купите.
Какие умные термостаты не нуждаются в общем проводе
Рынок термостатов для умных домов переживает бум, появляется много новых моделей. Большинству из них для работы нужен общий провод. Некоторые из ведущих моделей на рынке могут работать без провода c, но только с некоторыми системами HVAC, а не со всеми. К ним относятся:
- Nest Learning Термостат
- Nest Термостат E
- Honeywell Lyric Round 2.0. (но требуется C-Wire для функциональности Apple HomeKit)
- ecobee3
- ecobee3 lite
- Экоби4
- Программируемый термостат Sensi Wi-Fi
- Термостат Sensi Wi-Fi (но требуется c-провод для функциональности Apple HomeKit)
Даже тогда в Nest используется аккумулятор, который со временем может разрядиться .
Sensi рекомендует подключаться к общему проводу , чтобы увеличить срок службы батареи и производительность. Компания ecobee предлагает стандартное крепление проводов, предлагая комплект удлинителя питания Power Extender Kit , который входит в комплект.
Как проверить, есть ли у вас общий провод
Самый простой способ проверить, есть ли у вас общий провод в существующей проводке, — это открыть установленный термостат и взглянуть. Найдите терминал , рядом с которым стоит буква «c» .Если этот вывод подключен к проводу, значит, у вас общий провод.
В некоторых редких случаях, если вы не видите соединения, возможно, вам придется снять термостат за стеной. Проверьте там, есть ли провод, идущий к клемме «c», чтобы убедиться, что у вас есть провод c.
Что делать, если у вас нет кабеля C-Wire
Для домов, в которых отсутствует общий провод, доступен ряд решений, от практичных до довольно рискованных.
Добавление C-Wire
Лучшее универсальное решение — это добавить в дом проволоку типа «c».Когда дело доходит до добавления проволоки c, , вам следует использовать проволоку калибра 18/5 . Если вы используете только контур отопления, тогда 18/3 wil
8 причин, почему дисплей вашего термостата не отображается
Рабочий термостат необходим для комфортной жизни в солнечном штате. Тем не менее, очень легко принять это как должное, ежедневно проходя мимо, не задумываясь. Однако в тот день, когда он перестает работать, он внезапно становится центром вашей вселенной.
Почему у меня пустой дисплей термостата?
На этот вопрос нет универсального ответа.Есть несколько причин, по которым ваш термостат мог внезапно сделать перерыв. Ниже приведен список наиболее частых причин.
1. Кто-то выключил его
Вы можете посмеяться или закатить глаза над этим, но если вы не живете один, всегда есть вероятность, что кто-то слишком замерз и подумал, что лучшим решением будет выключить его. выкл. Поэтому, прежде чем нервничать, убедитесь, что он действительно включен.
2. Слишком низкая яркость ЖК-дисплея
Некоторые термостаты позволяют пользователям регулировать яркость дисплея.Те, которые это делают, обычно настраиваются автоматически в зависимости от того, сколько света вокруг них. Вы можете проверить руководство пользователя, чтобы узнать, можете ли вы отрегулировать его вручную или увеличить яркость вокруг термостата, чтобы дисплей стал темнее.
3. Разрядились батареи
В зависимости от модели вашей системы переменного тока вы либо увидите на экране индикатор низкого заряда батареи, либо время от времени будете слышать низкий звуковой сигнал. Всегда обращайте внимание, когда это происходит, чтобы не выбежать из дома в самое неудобное время, например, посреди ночи или во время грозы.
4. Грязь внутри термостата
Частицы в воздухе могут попасть внутрь термостата. Это еще более вероятно, если кто-то в вашем доме курит или вы любите зажигать ароматические свечи. Снимите крышку и прочистите проводку сжатым воздухом.
5. Сработал автоматический выключатель
Если вы задействовали слишком много приборов одновременно, или если в вашем доме произошел скачок напряжения, может сработать автоматический выключатель. Подойдите к панели выключателя и найдите выключатель с надписью «AC».Каждый переключатель имеет три положения: «Вкл.», «Выкл.» И среднее. При срабатывании выключателя устанавливается среднее значение. Переключите его в положение «Выкл.», Прежде чем снова включить «Вкл.».
6. Сработавший поплавковый выключатель
Кондиционеры работают, поглощая теплый воздух изнутри вашего дома, выводя из него влагу и выдувая охлажденный воздух через возвратные вентиляционные отверстия. Когда влага удаляется, капли воды стекают в так называемый поддон. Затем эта вода сливается из вашего дома через конденсатопровод кондиционера.Если конденсатопровод забит, вода не будет стекать должным образом, и поддон для сбора конденсата станет слишком заполненным водой. Когда это происходит, поплавковый выключатель в вашем кондиционере активируется и выключает ваш кондиционер.
7. Перегорел предохранитель
Хотя автоматические выключатели предназначены для защиты бытовой техники от скачков напряжения, некоторые модели термостатов имеют внутри предохранитель для дополнительного уровня защиты. Чтобы проверить, исправен ли предохранитель, выйдите на улицу дома, где находится конденсатор переменного тока.На внешней стене стоит небольшой ящик с крышкой. Поднимите крышку, выньте предохранители и проверьте напряжение мультиметром. Если предохранитель перегорел, купите замену в любом хозяйственном магазине.
8. Возможно, вам потребуется заменить термостат
Если вы попробовали все описанные выше способы устранения неисправностей, но ваш термостат остается пустым, позвоните специалисту по HVAC, чтобы помочь вам определить, пришло ли время заменить термостат, или вам нужно: вы имеете дело с более сложной проблемой, которую еще можно исправить.


Будучи подключенным к электронике котла, такое реле отключает и запускает нагрев, поддерживая необходимую температуру воздуха, а не теплоносителя.

Монтажная плата с готовыми контактами значительно упрощает и ускоряет процесс сборки.
