Как работает усилитель мощности на TDA1519. Какие преимущества имеет эта микросхема. Для каких устройств подходит TDA1519. Как правильно собрать усилитель на TDA1519 своими руками.
Основные характеристики микросхемы TDA1519
Микросхема TDA1519 представляет собой двухканальный усилитель мощности звуковой частоты, разработанный компанией Philips. Основные характеристики данной микросхемы:
- Напряжение питания: 6-18 В
- Выходная мощность: 6 Вт на канал (при напряжении питания 14,4 В и нагрузке 4 Ом)
- Коэффициент нелинейных искажений: 0,2%
- Диапазон воспроизводимых частот: 20 Гц — 20 кГц
- Входное сопротивление: 100 кОм
- Встроенная защита от короткого замыкания и перегрева
TDA1519 отличается простотой применения и требует минимального количества внешних компонентов для построения усилителя. Это делает ее популярным выбором для создания компактных и недорогих аудиоустройств.
Принцип работы усилителя на TDA1519
Усилитель на микросхеме TDA1519 работает следующим образом:

- Входной аудиосигнал поступает на выводы 1 и 9 микросхемы через разделительные конденсаторы.
- Внутренние каскады микросхемы усиливают входной сигнал по напряжению и току.
- Усиленный сигнал снимается с выводов 4 и 6, к которым подключается нагрузка (динамики).
- Цепи обратной связи обеспечивают стабильность работы и низкий уровень искажений.
- Встроенная схема защиты предотвращает выход микросхемы из строя при коротком замыкании или перегреве.
Благодаря такой схеме TDA1519 обеспечивает хорошее качество звучания при компактных размерах и низкой стоимости.
Типовая схема включения TDA1519
Рассмотрим типовую схему включения микросхемы TDA1519:
«`text +12V | C1 | C2 || | || || R1 | || R2 —||-|—-+—||-|—- | || | || | | 1k | 1k | | | | In1 O—||—+—[ ]—+—||—O In2 C3 | R3 | C4 1uF | 100k | 1uF _|_ _|_ C5 —|1 8|—C6 100nF | | 100nF | | —+—-+— | | | | —|2 | |7 |— | | | | | | | | TDA | | | C7 | | 1519 | | C8 4700uF| | | |4700uF | |3 6| | | | | | —+— —+— | | | | —+ +— LSP1 LSP2 4Ω 4Ω «` Основные элементы схемы:
- C1-C4 — входные разделительные конденсаторы
- R1, R2 — входные резисторы
- R3 — регулятор громкости
- C5, C6 — фильтрующие конденсаторы по питанию
- C7, C8 — выходные электролитические конденсаторы
- LSP1, LSP2 — динамики сопротивлением 4 Ом
Такая схема позволяет получить качественный двухканальный усилитель с минимумом компонентов.
Преимущества усилителя на TDA1519
Усилитель на микросхеме TDA1519 обладает рядом преимуществ:
- Простота схемы — требуется минимум внешних компонентов
- Низкая стоимость — микросхема доступна и недорога
- Компактные размеры — усилитель легко разместить в небольшом корпусе
- Хорошее качество звука при небольшой мощности
- Встроенная защита от перегрузок
- Широкий диапазон питающих напряжений
- Возможность работы от автомобильного аккумулятора
Эти особенности делают TDA1519 отличным выбором для создания бюджетных аудиоустройств.
Области применения усилителя на TDA1519
Усилитель на микросхеме TDA1519 может применяться в следующих устройствах:
- Автомобильные аудиосистемы
- Портативные колонки
- Компьютерная акустика
- Домашние музыкальные центры
- Усилители для наушников
- Звуковые системы для игровых консолей
- Бюджетные hi-fi усилители
Благодаря своей универсальности TDA1519 находит применение во многих областях, где требуется недорогой и компактный усилитель звука.

Как собрать усилитель на TDA1519 своими руками
Для самостоятельной сборки усилителя на TDA1519 понадобится:
- Микросхема TDA1519
- Печатная плата или макетная доска
- Радиодетали согласно схеме
- Источник питания 12В
- Паяльник и припой
- Мультиметр для проверки
Порядок сборки:
- Подготовить печатную плату по схеме
- Припаять все компоненты, начиная с резисторов и конденсаторов
- Установить микросхему в панельку или напаять на плату
- Подключить входы, выходы и питание
- Проверить правильность монтажа
- Подать питание и проверить работу усилителя
При аккуратной сборке усилитель должен заработать с первого раза. Главное — соблюдать полярность компонентов и не допускать замыканий на плате.
Советы по настройке и эксплуатации
Для получения наилучшего качества звучания усилителя на TDA1519 рекомендуется:
- Использовать качественный стабилизированный источник питания
- Применять короткие и толстые провода для подключения динамиков
- Обеспечить хорошее охлаждение микросхемы (радиатор или вентилятор)
- Использовать качественные входные разъемы и кабели
- Правильно подобрать номиналы входных конденсаторов
- Экранировать входные цепи для защиты от помех
При соблюдении этих рекомендаций усилитель на TDA1519 способен обеспечить очень достойное качество звучания, несмотря на свою бюджетность.

Заключение
Микросхема TDA1519 — отличный выбор для создания простого и недорогого усилителя звука. Благодаря хорошим характеристикам, простоте применения и доступности, она пользуется заслуженной популярностью среди радиолюбителей и профессионалов. Усилитель на TDA1519 может стать отличным учебным проектом для начинающих или основой для создания компактной акустической системы.Схемы УНЧ на TDA1517, ТDА1519, TDA1519A, TDА1519B,TDA1519Q (6-11Вт)
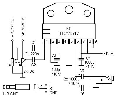
Интегральные микросхемы TDA1517, TDA1519, TDA1519A, TDA1519B, TDA1519Q фирмы Philips выполнены в корпусах SIP с 9 выводами и представляют собой двухканальные (стереофонические) усилители мощности низкой частоты.
Предназначены для использования в магнитофонах, электрофонах, телевизионных и радиоприемниках, другой аудиоаппаратуре высокого класса. Типовая схема подключения приведена на рисунке 3. В микросхемы встроена защита выхода от короткого замыкания в нагрузке и термозащита.
Рис. 1. Внешний вид микросхем TDA1517, TDA1519, TDA1519B (SOT110B, 9 выводов).
На микросхемах TDA1517, TDA1519 можно собрать двухканальные усилители низкой частоты, по мостовой схеме данные микросхемы не будут работать — будьте внимательны!
Рис. 2. Микросхема TDA1519A — внешний вид и цоколевка (SOT131, 9 выводов).
Для получения удвоенной выходной мощности на том же сопротивлении нагрузки при том же напряжении питания, микросхемы TDA1519A и TDA1519B можно подключить по мостовой схеме (смотри рисунок 1). Микросхему TDA1519Q рекомендуется использовать только в мостовом включении.
Рис. 3. Принципиальные схемы включения усилителей на микросхемах TDA1517, TDA1519.
Микросхемы TDA1517, TDA1519 содержат синфазные входы, что не позволяет их использовать в мостовом режиме. Микросхемы TDA1519A и TDA1519B содержат два входа — инверсный и не инверсный, что позволяет их применять для построения как стерео усилителя (два канала), так и мостового УНЧ (1 мощный канал).
Примеры включения микросхемы TDA1519B приведены ниже.
Рис. 4. Типовое включение микросхнмы TDA1519B в стерео режиме (схема из даташита).
Рис. 5. Типовое включение микросхемы TDA1519B в мостовом (Bridge) режиме.
Для получения максимальной выходной мощности микросхемы необходимо установить на теплоотвод (радиатор). Некоторые из основных параметров микросхем (выходные параметры для одного канала, в скобках- для мостового включения) следующие:
Рис. 6. Основные параметры микросхем TDA1517, TDA1519, TDA1519A, TDA1519B.
На основе микросхем TDA1519 и TDA1519A можно построить трехканальный 2+1 усилитель мощности — два сателлита и сабвуфер. Схема такого усилителя приведена на рисунке 7. Данный УНЧ может быть использован в автомобиле или же для небольшой настольной акустической системы, например для подключения к компьютеру или планшету, смартфону.
Рис. 7. Принципиальная схема трехканального УНЧ на микросхемах TDA1519(стерео) и TDA1519A(мост).
Даташиты (datasheet) на микросхемы:
Литература: Справочник по интегральным УНЧ. Турута Е.Ф.
Схема Трехканального усилителя 15В » Паятель.Ру
Обычно стереосистема содержит два равноценных усилительных стереоканала, на входы которых поступают сигналы от источника левого и правого канала, а на выходе включены два равноценных динамика, каждый из которых озвучивает весь диапазон частот (20-20000 Гц). Получается так, что габариты обеих акустических систем достаточно велики, потому что в каждой из них содержится низкочастотный динамик большого диаметра. Размещение такого размера динамиков не допустимо в автомобиле в силу ограниченного пространства.
В результате приходится идти на компромисс и устанавливать низкочастотные малогабаритные динамики, а недостаток звукового давления по НЧ компенсировать различными системами типа «Mega-Bass», поднимающими амплитудно-частотную характеристику в области НЧ. Но, обычно, несмотря на все старания звучание НЧ малогабаритных динамиков оказывается хуже, чем звучание полноразмерной АС.
Как известно, стереоэффект проявляется на частотах более 400 Гц, поэтому в современных автомобильных акустических системах применяется такое распределение стереосигналов, при котором сигналы частотой до 400 Гц поступают на одну общую для обеих стереоканалов низкочастотную акустическую систему — сабвуфер, а сигналы частотами более 400 Гц, как и положено в стереосистеме, поступают на отдельные для каждого стереоканала, СЧ-ВЧ акустические системы, имеющие небольшие габариты.
Принципиальная схема наиболее просто реализуемого стереоусилителя, работающего на трехканальную акустическую систему показана на рисунке 1.
Сигналы левого и правого каналов через подстроечные резисторы R1 и R2 и разделительные конденсаторы С3 и С5 поступают на входы двух усилителей мощности микросхемы TDA1555Q, содержащей четыре усилителя мощности.
К выходам этих усилителей через цепи С6 R6 R7 и С7 R8 R9 подключены две средне-высокочастотные акустические системы, которые и создают стереоэффект. Завал АЧХ этих акустических систем на частотах ниже 400 Гц выполняется наиболее простым способом, — на выходе каждого из этих УЗЧ установлены разделительные конденсаторы С6 и С7 относительно небольшой емкости, и последовательно с ними включены резисторы R6-R9, образующие простейшие фильтры ВЧ.
Низкочастотный канал получается из сигналов, поступающих от обеих стереоканалов, которые микшируются в простейшем микшере на резисторах R3 и R4, и далее, общий, уже монофонический, сигнал поступает на простой пассивный ФНЧ на элементах С1 R5 С2, заваливающий АЧХ на частотах выше 400 Гц.
С выхода этого фильтра монофонический низкочастотный сигнал поступает на входы мостового УМЗЧ микросхемы А1. В результате выполнения УМЗЧ по мостовой схеме отпадает необходимость в разделительных конденсаторах на его выходе, всегда заваливающих АЧХ на НЧ, и низкочастотный громкоговоритель подключается к микросхеме непосредственно.
Данный вариант удобен своей простой и, кроме того позволяет, путем небольших доработок, переделать УМЗЧ уже имеющийся в магнитоле, построенный на микросхеме TDA1555Q в трехканальный вариант, либо доработать недорогую магнитолу путем замены её усилителя на усилитель, выполненный по схеме показанной на рисунке 1.
Рис.2
Схема более совершенного варианта показана на рисунке 2. В ней частотное разделение производится при помощи активных фильтров на операционных усилителях.
Сигналы левого и правого канала, поступающие на входы усилителя подаются на два активных фильтра ВЧ построенных на операционных усилителях А2 и А4. Частота среза выбрана 450 Гц, она определяется параметрами конденсаторов С5, С6, С7, С8, емкость этих конденсаторов можно рассчитать по простой формуле C5=C6=C7=C8=0,015/F, где емкость выражена в мкФ, а частота в кГц.
Таким образом, можно выбрать любую частоту среза в зависимости от конкретных условий и желания. Сигналы, выделенные активными фильтрами поступают на два УМЗЧ микросхемы А5, и с их выходов на два средне-высокочастотных громкоговорителя В2 и В3, создающих стереоэффект. Для получения третьего канала применяется микшер на операционном усилителе А1.
С выхода А1 полученный монофонический сигнал поступает на ФНЧ на операционном усилителе A3. Частота среза выбрана 500 Гц, она зависит от емкостей конденсаторов С9 и С10. Емкость этих конденсаторов можно рассчитать по простой формуле: С9=С10 = 0,005/F, где емкость выражена в мкФ, а частота в кГц. Используя эту формулу можно выбрать любую другую частоту среза. При этом нужно учитывать, что желательно обеспечить некоторое небольшое перекрытие между частотами среза ФВЧ и ФНЧ, так чтобы получилась АЧХ без провалов.
Рис.3
Оба усилителя обеспечивают мощность в каналах СЧ-ВЧ при напряжении питания 14В — 8 Вт, в канале НЧ — 15 Вт. Все громкоговорители четырехомные. На рисунке 3 приведена простая схема сабвуфера для любой стереофонической автомагнитолы, не имеющей выхода для подключения сабвуфера.
Сигналы левого и правого каналов снимаются непосредственно с выходов автомагнитолы, к которым подключены акустические системы (параллельно акустическим системам). Если усилители мощности магнитолы построены по мостовым схемам и из двух проводов, идущих к каждому громкоговорителю ни один не имеет контакта с массой сигнал можно снимать с любого из этих двух проводов.
Резисторы R1 и R2 выполняют роль микшера и одновременно, вместе с подстроечным резистором R3 входят в состав делителя входного сигнала. Делитель настраивается для каждого конкретного случая таким образом, чтобы при максимальной громкости магнитолы переменное напряжение ЗЧ на выводах 1 и 9 микросхемы А1 было в пределах 0,5…0,6 В. Резисторы R1 и R2 должны быть одинаковыми.
После микшера включен пассивный ФНЧ на элементах R4 С1 R5 С2, его частота среза выбрана 400 Гц.
Дополнительный усилитель монтируется в корпусе от неисправного коммутатора зажигания автомобиля «Волга» или «УАЗ». Микросхема А1 устанавливается в этом корпусе, который одновременно выполняет роль радиатора. Все остальные элементы монтируются объемным способом. Выключатель S1 — микротумблер, под него в торце корпуса сверлится отверстие.
Конденсатор С4 должен быть на емкость не менее указанной на схеме (чем больше тем лучше). Динамик может быть 4-х или 2-х омный. При 4-омном максимальная выходная мощность будет 15 Вт, при 2-омном — 22 Вт. Ток покоя усилителя 80 mA (S1 включен, но на вход сигналы не подаются), максимальный ток потребления не более 5 А.
Рис.4
Теперь о замене деталей. В схемах на рисунках 1 и 2 микросхему TDA1555Q можно заменить на TDA1554Q или на TDA1558Q, эти микросхемы незначительно отличаются некоторыми параметрами, а в остальном, включая цоколевку, полностью идентичны. При отсутствии этих микросхем одну микросхему TDA1555Q можно заменить двумя микросхемами TDA1519A (или TDA1517, TDA1519 с любой буквой, но мощность будет в 1,5 раза ниже), так как это показано на рис. 4 (в скобках показаны соответствующие выводы микросхемы TDA1555Q).
Микросхему TDA1519A можно заменить на любую TDA1519 или на TDA1517, но мощность уменьшится в 1,5 раза.
Операционные усилители К140УД8 в схеме на рисунке 2 можно заменить на К544УД1, К140УД6, К140УД7, соответственно учитывая различия в цоколевке.
Yd1028 характеристики схема подключения — Вместе мастерим
По вопросам ремонта и другим техническим вопросам сюда. Ремонт бытовой и офисной техники.
Замена YD1028 на TDA1519 в китайских пионерах. Краснодар Кубань.
В современных дешевых китайских автомобильных магнитолах применяются усилители мощности на микросхемах YD1028. Эти микросхемы есть не во всех радиомагазинах.
В качестве альтернативного варианта замены, можно предложить старую и распространенную микросхему УНЧ — TDA1519.
Эта микросхема полный аналог YD1028 по ножкам, только имеет в два раза длиннее корпус. Но как правило в подобных магнитолах есть достаточно места на заднем радиаторе, чтобы без труда прикрутить TDA1519. Перед установкой на новое место, садим микросхему на термопасту.
Дальше, дело техники. Аккуратно соединяем ножки TDA1519 с посадочными отверстиями в плате проводами. Желательно, чтобы провода были максимально короткими.
Спасибо за внимание.
С ув. Белецкий А. И. 10.04.2015г. Кубань Краснодар.
Это моя первая запись в данном блоге, прошу сильно не пинать.
Предыстория:
Обратился ко мне товарищ с просьбой о помощи в поиске и установке новых автомобильных динамиков в автомобиль. Очень его не устраивал звук в машине. Пошел смотреть. И правда, даже на средней громкости звук противный и искаженный. Но взглянув на магнитолу сразу стало понятно, что дело совсем не в динамиках.
Магнитола с неизвестным названием, USB, SD, AUX, четырьмя заранее подготовленными настройками эквалайзера и даже пультом. На передней панели красуется надпись 4*50 Вт. Но подозрительно маленький размер и вес устройства вызвал у меня сомнения по поводу правдивости этой надписи. Я провел вскрытие и мои сомнения оправдались. В качестве УНЧ стоял скромный YD 1028 который, если я правильно понял из даташитов, со своих двух каналов суммарно выдает 18 Вт. Понятно как образуется 4 канала на выходе магнитолы. Таким образом мы имеем 18/4= 4,5 Вт пиковой мощности на динамик. Показатель, мягко говоря, не очень. Разве что для настольных компьютерных колонок.
Как раз недавно имел дело с усилителем TDA7388 — сделал небольшой усилитель для самодельных колонок для гаража из опелевских динамиков. Его и предложил использовать для модификации.
Его характеристики чуть повеселее: 41 Вт на каждый из четырех каналов.
Нашел фотографию печатной платы, освоил технологию травления и забацал печатку. Собрал усилитель с активным охлаждением чтоб влезло в корпус магнитолы. После изучения даташитов двух микросхем приступил к подключению. Демонтировал старый усилитель и короткими проводами припаялся к дорожкам на которых он стоял. Плюс, масса, два сигнальных, стендбай. Последний оказался бесполезным на новой микросхеме, поэтому оставил ее постоянно включенной. Выходы нового усилителя на штатную фишку пустить не получилось, поскольку в магнитоле у них общая масса. Поэтому четыре пары на колонки пошли через искусственное отверстие в задней стенке.
Установили в автомобиль, разница конечно ощутимая. Но появился свист в колонках на заведенном двигателе. Решили проблему установкой двух (последовательно) катушек индуктивности в разрыв провода идущего на массу.
Микросхема YD1028 является 18 ватным двухканальным (так же возможно подключение на один динамик) усилителем мощности класса В. Эта микросхема изначально была придумана для использования в автомобильных приемниках. Требует минимум компонентов на плате.
Двухканальный вариант усилителя:
Второй вариант моно усилителя:
Фиксированный коэффициент усиления, хорошее подавление пульсаций, идентичные входы (инвертирующий и не инвертирующий), низкое напряжение смещения на выходе.
Имеет она так же защиту от нагрузки, короткого замыкания, тепловая защита и в случае если полярность перепутать, ничего с ней плохого не произойдет.
Здесь даташит.
Ремонт пятиканального усилителя
Пятиканальный усилитель для домашней акустики — схема, краткое описание и ремонт. Недавно на ремонт принесли сабвуферный комплекс для домашнего кинотеатра. Система 5:1 китайского производства. Проще говоря четырёхканальный усилитель с сабвуфером. После открывания ящика с усилителями стало понятно, что микросхемы в буквальном смысле этого слова взорвались! Микросхемы были заменены, а схему и особенности таких звукоусиливающих систем решил представить вам.
Данный пятиканальный усилитель в основном нашел широкое применение в современной домашней акустике. Сегодня рынок забит самыми разными сабвуферными системами формата 5:1. И 90 % таких систем производится китайскими производителями.
В системах 5:1 предназначенных для домашнего кинотеатра, в основном стоит 5 отдельных усилителей мощности низкой частоты которые питаются от одного общего источника напряжения. Отдельно стоит усилитель для питания канала сабвуфера. Сабвуферный усилитель в основном делают на одной микросхеме который обеспечивает выходную мощность от 30 до 70 ватт, иногда применяются мостовые схемы одноканальных усилителей. Почти во всех сабвуферных системех 5:1 или 3:1 стоят уже стандартные усилители на микросхемах TDA2030, для питания сабвуферного канала применяется микросхема TDA2050 или же TDA2051.
Микросхема тда2030 является усилителем низкой частоты и имеет неплохие параметры и ничтожную цену всего в 1 доллар. Напряжение питания двухполярное 18 (максимальное 26 вольт), выходная мощность ограничена 18-ю ваттам, но в системах 5:1 мощность всего 10 ватт, поскольку тут ограниченный по мощности тока источник питания и микросхемы работают на половине мощность. Микросхема УНЧ имеет защиту от переплюсовки питания (хотя опыт показал, что такая защита в 99% случаев не работает), защита от перегрева и короткого замыкания. В плате с усилителями также встроен предварительный усилителем с фильтром низкой частоты, ну тут сказать особо нечего, сборка достаточно качественная, шумы на минимальном уровне, качественная фильтрация и сборка.
Усилитель для сабвуферного канала тоже отличается своими высокими характеристиками. Микросхема тда2050 / тда2051 — довольно высококачественные микросхемы, тут они питаются от двухполярного источника, хотя могут работать и от однополярного, схема включения данных микросхем таже, что и схема TDA2030.
TDA2050 и TDA2051 отличаются друг от друга только выходной мощностью — у первой микросхемы паспортная мощность 32 ватта, а у TDA2051 42 ватта, хотя повышением напряжения питания можно повысить выходную мощность каждой микросхемы на 10 ватт. Пиковое напряжения питание обеих микросхем двухполярное 36 вольт, хотя возможно повысить еще на 4 вольта, правда тогда может срабатывать защита или что еще чаще случается — взрыв микросхемы.
Понравилась схема — лайкни!
ПРИНЦИПИАЛЬНЫЕ СХЕМЫ УНЧ
Смотреть ещё схемы усилителей
УСИЛИТЕЛИ НА ЛАМПАХ УСИЛИТЕЛИ НА ТРАНЗИСТОРАХ
УСИЛИТЕЛИ НА МИКРОСХЕМАХ СТАТЬИ ОБ УСИЛИТЕЛЯХ
Изготовление и наладка модели усилителя мощности звуковой частоты, предназначенного для совместной работы со звуковой картой персонального компьютера
ОГЛАВЛЕНИЕ
1. Схема электрическая принципиальная
2. Монтажная схема
3. Текстовая часть
4. Перечень используемых элементов
5. Список использованной литературы
УСИЛИТЕЛЬ МОЩНОСТИ ЗВУКОВОЙ ЧАСТОТЫ
| ||
УСИЛИТЕЛЬ МОЩНОСТИ ЗВУКОВОЙ ЧАСТОТЫ
| ||||
УСИЛИТЕЛЬ МОЩНОСТИ ЗВУКОВОЙ ЧАСТОТЫ ДЛЯ КОМПЬЮТЕРА
Цель проекта: изготовление и наладка модели усилителя мощности звуковой частоты, предназначенного для совместной работы со звуковой картой персонального компьютера.
Принципиальная электрическая схема УМЗЧ приведена на рисунке 1.
Монтажная схема УМЗЧ приведена на рисунке 2.
Усилитель выполнен на аналоговой микросхеме TDA1519, представляющей собой двухканальный усилитель мощности звуковой частоты.
Выполненный УМЗЧ является широкополосным. Разделение сигнала производится на выходе. Широкополосные каналы оказываются ненагруженными на частотах ниже частоты раздела, следовательно искажения на этих частотах минимальны. В качестве фильтра используется разделительный конденсатор на выходе усилителя.
Микросхема TDA1519 используется потому, что она обладает высокими техническими характеристиками, низкими нелинейными искажениями и требует минимум навесных деталей.
На входе схемы включен НЧ фильтр, подавляющий надтональные помехи, сдвоенный регулятор громкости и разделительные конденсаторы. На выходе используется общий разделительный конденсатор для обоих каналов, выполняющий также роль фильтра на частоту около 180 Гц. При необходимости возможно введение дополнительного каскада, усиливающего низкочастотный сигнал, выделяющийся на конденсаторе.
Основные технические характеристики УМЗЧ:
Усиление входного сигнала по напряжению – 40 Дб.
Номинальная мощность, не менее – 5 Вт/канал.
Сопротивление нагрузки – 4 Ом.
Номинальный диапазон частот (± 6 Дб), не уже – 100 Гц … 18 кГц.
Отношение сигнал/шум, не менее – 80 Дб.
Коэффициент нелинейных искажений, не более – 0,1%.
СПИСОК ИСПОЛЬЗУЕМЫХ ЭЛЕМЕНТОВ
В усилители применены следующие детали:
Резистор МЛТ-0,125, 1 кОм – 2 шт. (R1, R2)
Конденсатор, 1000 пФ – 2 шт. (C1, C2)
Сдвоенный переменный резистор, 100 кОм – 2 шт. (R3.1, R3.2)
Конденсатор электролитический, 1 мкФ – 2 шт. (C3, C5)
Конденсатор электролитический, 100 мкФ – 1 шт. (C4)
Конденсатор электролитический, 220 мкФ – 1 шт. (C6)
Конденсатор, 0,1 мк – 1 шт. (C7)
Конденсатор электролитический, 6600 мкФ – 1 шт. (C8)
Микросхема TDA1519 –1шт. (DA1)
СПИСОК ИСПОЛЬЗОВАННОЙ ЛИТЕРАТУРЫ
1. Сапожников М. Два простых УМЗЧ для компьютера// «Радио» №4, 2002.
2. Цукерман М.И. Промышленная электроника. – М.: «Энергия», 1986.
СОДЕРЖАНИЕКНИГИ «МИКРОСХЕМЫ ДЛЯ АУДИО И РАДИО АППАРАТУРЫ»AN101 Детектор пилот-сигнала для стерео ЧМ-радиоприемника AN115 Демодулятор стереосигнала для стерео ЧМ-радиоприемника AN214 Усилитель мощности низкой частоты AN217P Схема усилителей ВЧ и ПЧ для АМ/ЧМ-радиоприемника AN253P Усилитель ПЧ и предусилитель звука для АМ/ЧМ-радиоприемника AN259 Преобразователь частоты, усилитель ПЧ для АМ-радиоприемника AN260P Преобразователь частоты, усилитель ПЧ для АМ/ЧМ-радиоприемника AN262 Усилитель записи/воспроизведения AN272 Усилитель мощности низкой частоты AN278 Усилитель ПЧ ЧМ AN313 Сдвоенный усилитель мощности низкой частоты AN360 Малошумящий предварительный усилитель AN362/L Стереодемодулятор ЧМ-сигнала AN363N Стереодемодулятор ЧМ-сигнала AN366P Схема усилителей ВЧ и ПЧ для АМ/ЧМ-радиоприемника AN370 Малошумящий предварительный усилитель AN374P Усилитель мощности низкой частоты AN377 Усилитель ПЧ ЧМ, демодулятор ЧМ-сигнала AN6130 Шумоподавитель для радиоприемника ЧМ-сигнала AN6135 Схема блокировки звуковых сигналов AN6136 Схема блокировки звуковых сигналов AN6249 Схема управления автореверсом AN6250 Схема управления автореверсом AN6251 Схема управления режимами магнитофона AN6260 Схема управления индикацией режимов магнитофона AN7000 Преобразователь АМ, усилитель ПЧ ЧМ, демодулятор стереосигнала AN7001 Преобразователь АМ, усилитель ПЧ ЧМ, демодулятор стереосигнала AN7070 Усилитель мощности низкой частоты AN7071 Схема контроля усилителя мощности AN7110 Усилитель мощности низкой частоты AN7111 Усилитель мощности низкой частоты AN7114 Усилитель мощности низкой частоты AN7115 Усилитель мощности низкой частоты AN7120 Усилитель мощности низкой частоты AN7130 Усилитель мощности низкой частоты AN7131 Усилитель мощности низкой частоты AN7140 Усилитель мощности низкой частоты AN7145H/L/M Сдвоенный усилитель мощности низкой частоты AN7146H/M Сдвоенный усилитель мощности низкой частоты AN7154 Усилитель мощности низкой частоты AN7155 Усилитель мощности низкой частоты AN7156N Сдвоенный усилитель мощности низкой частоты AN7158N Сдвоенный усилитель мощности низкой частоты AN7213 Преобразователь частоты для ЧМ-радиоприемника AN7218 Преобразователь частоты, усилитель ПЧ для АМ/ЧМ-радиоприемника AN7254 Преобразователь частоты для ЧМ-радиоприемника AN7256 Усилитель ПЧ, демодулятор для автомобильного радиоприемника AN7266 Преобразователь частоты, усилитель ПЧ для АМ/ЧМ-радиоприемника AN7310 Сдвоенный предусилитель AN7311 Сдвоенный предусилитель AN7337NS Усилители графического эквалайзера AN7382 Схема регулировки громкости и тембра AN7410 Демодулятор стереосигнала для ЧМ-радиоприемника AN7414 Демодулятор стереосигнала для ЧМ-радиоприемника AN8389SE1 Схема управления оптической головкой AN8802 Процессор стереосигнала BA3920 Регулятор напряжения питания BA6198FP Схема управления оптической головкой BA6218 Схема управления двигателем загрузки BA6264 Схема управления лентопротяжным механизмом BA6397FP Схема управления оптической головкой Bh4854FS Двухканальный регулятор сигналов звука BU2040F Система управления CX20023 Стереофонический предусилитель записи/воспроизведения CX20029 Стереофонический тракт АМ/ЧМ-радиоприемника CX20084 Схема управления двигателем магнитофона CX20111 Тракт АМ/ЧМ-радиоприемника CX20172 Сдвоенный усилитель низкой частоты CX20187 Схема шумопонижения типа DOLBY B/C CX20188 Схема шумопонижения типа DOLBY B/C CXA1015M Тракт АМ-радиоприемника CXA1019M/P Тракт АМ/ЧМ-радиоприемника CXA1019S Тракт АМ/ЧМ-радиоприемника CXA1030P Тракт АМ/ЧМ-радиоприемника CXA1031M Тракт АМ/ЧМ-радиоприемника CXA1032M/N Тракт АМ-радиоприемника CXA1033S Тракт АМ-радиоприемника CXA1097Q Схема шумопонижения типа DOLBY B/C CXA1098 Схема шумопонижения типа DOLBY B/C CXA1100P Схема шумопонижения типа DOLBY B CXA1101M/P Схема шумопонижения типа DOLBY B CXA1102M/P Схема шумопонижения типа DOLBY B CXA1111P Тракт АМ/ЧМ-радиоприемника CXA1115BP Предусилитель воспроизведения для двухкассетного магнитофона CXA1116S Усилитель записи для двухкассетного магнитофона CXA1163M/P Схема шумопонижения типа DOLBY B CXA1189M Схема усилителя для головных телефонов CXA1191M/P Тракт АМ/ЧМ-радиоприемника CXA1191S Тракт АМ/ЧМ-радиоприемника CXA1198AP Эквалайзер для стереофонического кассетного магнитофона CXA1238/S Стерео тракт АМ/ЧМ-радиоприемника CXA1249M Двухканальная схема коррекции АЧХ в области НЧ CXA1262N Усилитель сигналов записи/воспроизведения для кассетного магнитофона CXA1278N Стереофонический предусилитель записи/воспроизведения CXA1280N Тракт АМ/ЧМ-радиоприемника CXA1289M Схема усилителя головных телефонов для радиоприемника CXA1298AP Двухканальгый усилитель-эквалайзер для записи CXA1329P Тракт АМ-радиоприемника CXA1331M Система шумоподавления DOLBY NR CXA1352AS Двухканальный пятиполосный графический эквалайзер CXA1398P/M Усилитель-корректор сигналов записи CXA1417S Усилитель-корректор сигналов записи CXA1417Q Усилитель-корректор сигналов записи CXA1495P/M Усилитель-корректор сигналов записи CXA1522M/N/P Стереофонический усилитель НЧ CXA1533M Усилитель воспроизведения для кассетного стереомагнитофона CXA1533S Усилитель воспроизведения для кассетного стереомагнитофона CXA1538M/S Стерео тракт АМ/ЧМ-радиоприемника CXA1550P Схема шумопонижения типа DOLBY B CXA1551M/P Схема шумопонижения типа DOLBY B CXA1552M/P Схема шумопонижения типа DOLBY B CXA1553M/P Схема шумопонижения типа DOLBY B CXA1568M Переключатель стереофонических сигналов CXA1568S Переключатель стереофонических сигналов CXA1578P/M Усилитель-корректор сигналов записи CXA1579P/M Усилитель-корректор сигналов записи CXA1600M/P Тракт АМ-радиоприемника CXA1622M/P Стереофонический усилитель низкой частоты CXA1634M/P Усилитель сигналов воспроизведения CXA1635M Усилитель сигналов воспроизведения CXA1635S Усилитель сигналов воспроизведения CXA1642M/P Формирователь выходного сигнала для режима «KARAOKE» CXA1643M/P Двухканальный микрофонный усилитель CXA1646Q Процессор стереосигнала CXA1649M/P Двухканальная схема коррекции АЧХ в области НЧ CXA1673M/P Двухканальная схема эффекта «SURROUND» CXA1697Q Тракт обработки сигналов записи и воспроизведения звука CXA1767Q Процессор стереосигнала CXA1768M/P Переключатель звуковых сигналов CXA1842S Трехрежимный цифровой процессор сигналов звука CXD2518Q Цифровой сигнальный процессор HA12134A Двухканальный подавитель шумов типа DOLBY-B HA12136AT Двухканальный подавитель шумов системы DOLBY HA12141NT Система шумопонижения типа DOLBY-B/C HA12142NT Система шумопонижения типа DOLBY-B и DOLBY_C HA12151MA Система шумопонижения типа DOLBY-B и DOLBY_C HA12153MA Система шумопонижения типа DOLBY-B и DOLBY_C HA12161FP Система шумопонижения типа DOLBY-B и DOLBY_C HA12162FP Система шумопонижения типа DOLBY-B и DOLBY_C HA12167FB Процессор сигналов звука с системой DOLBY B/C NR HA12182F Каналы записи и воспроизведения с системой шумоподавления DOLBY B-NR LA1265S Процессор обработки АМ/ЧМ-сигналов LA1830H Каналы обработки АМ/ЧМ-сигналов LA1832M Каналы обработки АМ/ЧМ-сигналов LA1836 Каналы обработки АМ/ЧМ-сигналов LA3161 Сдвоенный усилитель низкой частоты LA3361 Стереодемодулятор ЧМ-сигнала с ФАПЧ и подавлением поднесущей LA7405 Двухканальный усилитель мощности низкой частоты LA7867E Цифровой сигнальный процессор LB1433B Схема управления шкалой светодиодов LB1641 Схема управления двигателями LC7218 Устройство фазовой автоподстройки частоты LM1036N Двухканальная схема регулировки тембра, громкости и баланса LM1131A/B/C Двухканальный процессор снижения шумов DOLBY-B LM1875T Усилитель мощности низкой частоты LM1876TF Двухканальный усилитель мощности низкой частоты с блокировкой LM1877M/N Двухканальный усилитель мощности низкой частоты LM1894 Система динамического шумоподавления (DNR) LM1896N Двухканальный усилитель мощности низкой частоты LM2875TF Высококачественный усилитель низкой частоты LM2876TF Высококачественный усилитель низкой частоты LM2877P Двухканальный усилитель мощности низкой частоты LM2878P Двухканальный усилитель мощности сигналов звука LM2879T Двухканальный усилитель мощности низкой частоты LM2886TF Высококачественный усилитель сигналов звука с блокировкой LM2896P Двухканальный усилитель мощности низкой частоты LM383 Усилитель мощности низкой частоты LM384N Усилитель мощности низкой частоты LM386N Низковольтный усилитель мощности низкой частоты LM3875TF Высококачественный усилитель низкой частоты LM3876TF Высококачественный усилитель низкой частоты LM3886TF Высококачественный усилитель низкой частоты LM388N-1 Усилитель мощности низкой частоты LM389N Низковольтный усилитель мощности низкой частоты с тремя транзисторами LM390 Усилитель мощности низкой частоты LM391N Управляющее устройство усиления мощности низкой частоты LM4700TF Усилитель мощности низкой частоты с блокировкой и дежурным режимом LM4860M Усилитель мощности низкой частоты с блокировкой LM4861M/N Усилитель мощности низкой частоты с блокировкой LM4862M Усилитель мощности низкой частоты с блокировкой LM4880M Сдвоенный усилитель мощности низкой частоты с блокировкой LM7001 Устройство ФАПЧ LM831M/N Низковольтный двухканальный усилитель мощности низкой частоты LMC1982CIN/CIV Цифровой двухканальный процессор с двухвходовыми селекторами LMC1983CIN/CIV Цифровой двухканальный процессор с трехвходовыми селекторами LMC1992CCN Цифровой двухканальный процессор с четырехвходовыми селекторами LMC835N/V Цифровой процессор графического эквалайзера M51132L Двухканальный электронный регулятор громкости и баланса M51134P/FP Схема согласования M51139FP Квадрофонический звуковой контроллер M51523AL Двухканальный электронный регулятор звукового сигнала M5206P Двухканальный усилитель с независимым линейным управлением M5207L01 Двухканальный токовый усилитель с линейным управлением M5207L05 Двухканальный токовый усилитель с линейным управлением M5241L Двухканальный усилитель для автоматической регулировки уровня сигнала M5243FP/P Трехполосный двухканальный графический эквалайзер M5282FP Комбинированный усилитель с электронным управлением уровня M62402GP Восьмиполосный графический эквалайзер с цифровым управлением M62404FP/P Двухканальный усилитель-корректор M62405P Электронный регулятор звука со схемой объемного звучания M62411F Электронный регулятор уровня и тембра для усилителя широкого применения M62412P Двухканальная схема управления АЧХ M62414SP Двухканальный электронный регулятор громкости M62417SP Цифровой контроллер регулировки громкости и тембра M62422FP Трехполосный графический эквалайзер со схемой объемного звучания M65830AFP/AP Цифровая линия задержки M65831FP/P Цифровая линия задержки M65835FP Однокристальный «караоке» процессор M65841SP Устройство цифровой реверберации M65843FP/P Цифровая линия задержки M65844P Генератор цифрового «Эхо»-сигнала M65845FP Микрофонный усилитель и эхогенератор M65846FP Однокристальный процессор объемного звучания MC13020P/AP Стерео АМ-декодер C-QUAM MC13025P/D Комбинированная схема для радиотракта MC13028AP/AD Cтерео АМ-декодер ПЧ и С-QUAM MC13030DW АМ-приемник с двойным преобразованием MC13060D Усилитель мощности низкой частоты MC13135P/DW ЧМ-приемник MC13136P/DW ЧМ-приемник MC2833P/D Маломощный ЧМ-передатчик MC3357P/D Комбинированная схема для узкополосных радиоприемных устройств MC3361CP/CD Комбинированная схема для узкополосных радиоприемных устройств MC3362P/DW Узкополосный маломощный ЧМ-приемник MC3363DW Маломощный ЧМ-приемник с двойным преобразованием частоты MC3372 Комбинированная схема для узкополосных радиоприемных устройств MC3372 Комбинированная схема для узкополосных радиоприемных устройств MC3374FTB Низковольтный узкополосный ЧМ-приемник MC34119P/D Усилитель мощности низкой частоты MN66271RA Цифровая процессор и процессор авторегулирования SM5871AS Цифроаналоговый преобразователь SM5875BM Цифроаналоговый преобразователь TA7222AP Усилитель мощности низкой частоты TA7230P Стереофонический усилитель мощности низкой частоты TA7240AP Сдвоенный усилитель мощности низкой частоты TA7241AP/P Сдвоенный усилитель мощности низкой частоты TA7270P Сдвоенный усилитель мощности TA7303P Усилитель ПЧ, ЧМ-демодулятор TA7343AP Процессор обработки ЧМ-сигналов TA8124D Процессор обработки АМ-сигналов TC9153AP Электронный регулятор громкости TC9164N Селектор входов, управляемый по шине TDA1016 Усилитель воспроизведения/записи и выходной усилитель мощности TDA1029 Переключатель звуковых сигналов TDA1072A Схема АМ-радиоприемника TDA1083 Схема АМ/ЧМ-радиоприемника TDA1510AQ Стереофонический усилитель мощности низкой частоты TDA1515BQ Стереофонический усилитель мощности низкой частоты TDA1516BQ/CQ Стереофонический усилитель мощности низкой частоты TDA1517 Стереофонический усилитель мощности низкой частоты TDA1518BQ Стереофонический усилитель мощности низкой частоты TDA1519/A/B Стереофонический усилитель мощности низкой частоты TDA1521/A/Q Hi-Fi стереофонический усилитель мощности низкой частоты TDA1524A Стереофоническая схема регулировки тембра, громкости, баланса TDA1526 Стереофоническая схема регулировки тембра, громкости, баланса TDA1551Q Стереофонический усилитель мощности низкой частоты TDA1552Q Стереофонический усилитель мощности низкой частоты TDA1553CQ/Q Стереофонический усилитель мощности низкой частоты TDA1554Q Мостовой усилитель мощности низкой частоты TDA1555Q Мостовой усилитель мощности низкой частоты TDA1556Q Мостовой усилитель мощности низкой частоты TDA1557Q Мостовой усилитель мощности низкой частоты TDA1558Q Мостовой усилитель мощности низкой частоты TDA1560Q Усилитель мощности низкой частоты TDA1572 Схема АМ-приемника TDA1572T Схема АМ-приемника TDA1574 Схема преобразователя частоты для ЧМ-радиоприемника TDA1574T Схема преобразователя частоты для ЧМ-радиоприемника TDA1575T Схема преобразователя частоты для ЧМ-радиоприемника TDA1578A Стереофонический декодер ЧМ-сигналов TDA1591/T Стереофонический декодер ЧМ-сигналов на ФАПЧ с блокировкой шума TDA1592/T Стереофонический декодер ЧМ-сигналов на ФАПЧ с блокировкой шума TDA1593 Усилитель-демодулятор для ЧМ-радиоприемников TDA1593T Усилитель-демодулятор для ЧМ-радиоприемников TDA1596 Усилитель-демодулятор для ЧМ-радиоприемников TDA1596T Усилитель-демодулятор для ЧМ-радиоприемников TDA1597 Усилитель-демодулятор для ЧМ-радиоприемников TDA1597T Усилитель-демодулятор для ЧМ-радиоприемников TDA1599 Усилитель-демодулятор для ЧМ-радиоприемников TDA1599T Усилитель-демодулятор для ЧМ-радиоприемников TDA1602 Тракт каналов записи/воспроизведения для двухкассетных магнитофонов TDA1910 Усилитель мощности низкой частоты с блокировкой TDA2050 Усилитель мощности низкой частоты TDA2051 Усилитель мощности низкой частоты TDA2052 Усилитель мощности низкой частоты TDA2615 Стереофонический усилитель мощности низкой частоты TDA2616/Q Стереофонический усилитель мощности низкой частоты TDA2824/S Телефонный низковольтный стереоусилитель TDA4210 Усилитель ПЧ, демодулятор ЧМ TDA7000 Схема ЧМ-радиоприемника TDA7010T Схема ЧМ-радиоприемника TDA7021T Схема ЧМ-радиоприемника TDA7040T Стереодекодер ЧМ-сигналов на ФАПЧ TDA7050/T Стереофонический усилитель низкой частоты TDA7053 Стереофонический усилитель низкой частоты TDA7053A/AT Стереофонический усилитель низкой частоты TDA7072A/AT Усилитель низкой частоты TDA7073A/AT Стереофонический усилитель низкой частоты TDA7088T Схема ЧМ-радиоприемника TDA7231/A Усилитель мощности низкой частоты TDA7233/D/S Усилитель мощности низкой частоты с блокировкой TDA7246 Усилитель мощности низкой частоты с блокировкой TDA7256 Мостовой усилитель низкой частоты TDA7273/D Телефонный стереоусилитель с регулировкой громкости TDA7282/D Двухканальный усилитель воспроизведения TDA7300/D Процессор звуковых сигналов TDA7318 Процессор звуковых сигналов TDA7350/A Двухканальный усилитель мощности низкой частоты TDA7353 Двухканальный усилитель мощности сигналов звука TDA7360 Двухканальный усилитель мощности с детектором выходного сигнала TDA7362 Двухканальный усилитель мощности с детектором выходного сигнала TDA7363 Двухканальный усилитель мощности с детектором выходного сигнала TDA7370 Четырехканальный усилитель мощности низкой частоты TDA8560Q Cтереоусилитель мощности низкой частоты TDA8561Q Четырехканальный усилитель мощности низкой частоты TDA8562Q Четырехканальный усилитель мощности низкой частоты TDA8563Q Cтереоусилитель мощности для автомагнитол TDA8735/T Система настройки с синтезатором частоты TEA0655 Двухканальная схема шумопонижения DOLBY B TEA0657 Двухканальная схема шумопонижения DOLBY B TEA0665/T Схема шумопонижения типа DOLBY B/C TEA0675 Двухканальная схема шумопонижения DOLBY B для канала воспроизведения TEA0677 Двухканальный усилитель-корректор TEA0678 Двухканальная схема шумопонижения DOLBY B для канала воспроизведения TEA5551T Схема АМ-радиоприемника TEA5570 Схема ВЧ/ПЧ для АМ/ЧМ-приемников TEA5580 Декодер стереосигнала на ФАПЧ TEA5581/T Декодер стереосигнала на ФАПЧ TEA5591 Схема АМ/ЧМ-радиоприемника TEA5591A Схема АМ/ЧМ-радиоприемника TEA5592 Схема АМ/ЧМ-радиоприемника TEA5594 Схема АМ/ЧМ-радиоприемника TEA5710/T Схема АМ/ЧМ-радиоприемника TEA5711/T Схема стереофонического АМ/ЧМ-радиоприемника TEA5712/T Схема стереофонического АМ/ЧМ-радиоприемника TEA5757H Схема стереофонического АМ/ЧМ-радиоприемника TEA6100 Схема АМ/ЧМ-радиоприемника TEA6200 Схема АМ-радиоприемника TEA6300/T Стереофонический регулятор громкости и тембра |
| ПОИСК ПО САЙТУ | |
Четырех / двух канальный усилитель низкой частоты Усилитель на базе микросхемы TDA1554 обладает малыми габаритами и широким диапазоном питающих напряжений. УНЧ воспроизводит частоты 45 Гц…20 кГц при коэффициенте нелинейных искажений 0.1%. Области применения данного УНЧ крайне разнообразны. УНЧ можно использовать как на открытом воздухе для проведения различных мероприятий, так и в домашних условиях в составе Вашего музыкального комплекса. Выбор выходной мощности и числа каналов осуществляется самим радиолюбителем, поскольку элементная база обеспечивает работу как одного, так и другого варианта. Схема усилителя на микросхеме TDA1554 приведена на рис.1 (вариант 4х11 Вт) и рис.2 (вариант 2X22 Вт), схема расположения элементов на плате и подключение усилителя на рис.3, вид печатной платы со стороны проводников на рис.4. Перечень элементов приведен в таблицу. | |
| Напряжение питания | 6. 15 В |
| Пиковое значение выходного тока | 4 А |
| Ток в режиме mute/stand-by | 100 мкА |
| Диапазон воспроизводимых частот | 45. 20000 Гц |
| Коэффициент нелинейных искажений | 0,1% |
| Сопротивление нагрузки | > 2 Ом |
| Стандартный режим (4х11 Вт): | |
| выходная мощность | 11 Вт |
| входное сопротивление | 60 кОм |
| коэффициент усиления | 20 дБ |
| Мостовое включение (2х22 Вт): | |
| выходная мощность | 22 Вт |
| входное сопротивление | 30 кОм |
| коэффициент усиления | 26 дБ |
| Размеры печатной платы | 45х60 мм |
| Юрий Баранов http://yooree.narod.ru Адрес Email — yooree (at) inbox.ru (замените (at) на @) |
TDA 1554Q – очень популярная микросхема, работает устойчиво, требует небольшое количество деталей для обвески, недорогая. Это ее плюсы. С другой стороны, имеется и ряд минусов. Максимальная выходная мощность едва достигает 18 Вт, (несмотря на обещанные, PHILIPS, 22 Вт). Хотя, возможно, кого — то устроит и это значение.
Чувствительность TDA 1554Q – невысокая, около 25 дБ, а это значит, что если мы желаем подать на нее сигнал с линейного выхода аудиоустройства, то нам придется использовать раскачку. Не верьте разработчику, который заявляет нижнюю граничную частоту ИМС в 20 Гц. Область звукового спектра ниже 80Гц. этой микросхеме дается с трудом.
Учитывая все «за» и «против» выносим окончательный приговор – да, строить усилитель на базе TDA 1554Q можно, только договоримся не возлагать на него слишком больших надежд. Считаю, что конструкция заслуживает оценку «4» по пятибалльной шкале. В любом случае, я старался выжать из TDA 1554Q все, что она умеет.
Первым делом, было решено отказаться от использования в качестве раскачки ИМС TDA 1524 (такие примеры в сети имеются), лично я, считаю ее самым неудачным творением PHILIPS. Почему – рассказывать долго, и в данной ситуации неактуально.
Переходим к самой схеме; если рисунок в вашем браузере мелковат и плохо видны номиналы деталей , качните файл с крупной картинкой, щелкнув по ней мышью.
Детали: постоянные резисторы любого типа, предпочтительно мощностью 0,125 Вт. Балансный резистор на 270 Ом, через который осуществляется питание транзисторов раскачки должен быть мощностью не менее 0,5 Вт. Переменные резисторы — ( слева на право, по схеме) 100ком — регулятор баланса / секции включены противофазно /, любой группы; регуляторы НЧ и ВЧ, каждый 100ком, группы Б; регулятор громкости, 22 ком, желательно группы В, все спаренные. Я использовал потенциометры типа СПЗ-33-23.
В каскадах раскачки используются транзисторы типов КТ 502Е (Д) и КТ 503Е (Д). Другие типы транзисторов не тестировались. Электролитические и неполярные конденсаторы могут быть самых разных типов, предпочтительны малогабаритные. Стабилитрон — Д814А. Диоды выпрямителя в БП — любые, рассчитанные на ток не менее 4А. Если уровень фона усилителя покажется завышенным, можно увеличить емкость конденсатора фильтра с 4700мкф до 8..10 000мкф. Трансформатор БП должен обеспечивать ток не менее 4А с переменным напряжением на холостом ходу 9. 13в. В последней сборке я использовал два трансформатора типа ТВК — 110 ЛМ, первичные и вторичные обмотки которых соединял параллельно( синфазно!), т.е. вывод первого трансформатора №1 соединял с выводом №1 второго трансформатора и т. д. Выводы трансформаторов №6 — не используются и между собой не соединяются.
Реле, избавляющее от хлопков в АС при включении усилителя может быть представителем распространенной серии РЭС. Использовать необходимо нормально разомкнутые контакты.
Если ваше реле окажется слишком чувствительным и будет срабатывать с минимальной задержкой
(что не позволит избавиться от хлопков в колонках), необходимо будет включить его через
следующее несложное устройство:
ПАРАЛЛЕЛЬНО обмотке реле подключите электролит 1000х25в.
Тот вывод обмотки, который соединен с минусом конденсатора свяжите с массой, а на
положительный электрод подайте напряжение от блока питания через резистор(включенный последовательно),
сопротивлением 22. 300 Ом. Больше сопротивление — больше время задержки.
Подбирайте точное значение резистора так, чтобы увеличить время задержки срабатывания реле.
Не стоит устанавливать время слишком большим — реле перестанет срабатывать вообще.
В принципе, лучше начинать подбор режима работы реле еще до сборки самого усилителя, тогда вы можете быть уверены, что оно будет работать как надо.
ОДНАКО, УЧИТЫВАЙТЕ ТОТ ФАКТ, ЧТО ПОСЛЕ НАГРУЗКИ БЛОКА ПИТАНИЯ МИКРОСХЕМОЙ, К РЕЛЕ ПОСТУПИТ МЕНЬШИЙ ТОК И СОПРОТИВЛЕНИЕ РЕЗИСТОРА ПРИДЕТСЯ ЕЩЕ НЕМНОГО УМЕНЬШИТЬ.
Требования к монтажу: при совмещении микросхемы с усилителем раскачки конструкция становится более чувствительной к внешним помехам. Поэтому, все цепи в блоке регуляторов, должны быть короткими. Рекомендую монтировать все регуляторы на единой планке, ( у меня это пластиковая полоска 190 х 30 мм.)в одну линию, в очередности согласно схемы; слева — на — право БАЛАНС, НЧ, ВЧ, ГРОМКОСТЬ. Расстояния между центрами монтажных отверстий для регуляторов я выбирал одинаковым — 45мм., расстояние между самими регуляторами составило 30 мм.
Все резисторы и конденсаторы относящиеся к входным цепям и темброблоку, располагайте прямо на / между выводами потенциометров, навесным монтажом. В некоторых местах связь между регуляторами выполняется короткими, изолированными проводами. Экранирующие контуры регуляторов необходимо связать с общим проводом (массой). Затем, планку с регуляторами можно монтировать на передней панели корпуса усилителя.
Предварительный усилитель необходимо собрать на единой плате, желательно — печатной и расположить детали максимально компактно. Плату надо установить как можно ближе к регуляторам ВЧ и ГРОМКОСТЬ ( в идеале -между ними). Саму микросхему следует монтировать на тыльную часть радиатора площадью 150 -300 кв.см, пластины которого выступают за пределы корпуса конструкции сзади. В непосредственной близости от выводов ИМС смонтируйте конденсаторы на 0,47 мкФ и на 360пФ. Соединения от входных гнезд до блока регуляторов и от выхода регулятора громкости до входных элементов микросхемы должны быть выполнены экранированными проводами. Реле можно монтировать возле выходных гнезд усилителя. Провода подводящие к микросхеме питание и отводящие сигнал в нагрузку должны иметь сечение не меньше сечения самих выводов микросхемы. Полезно будет ввести в схему и индикатор включения усилителя; для этого к выходу БП подключите какой — нибудь светодиод, соединив его последовательно через резистор 3. 10 ком. Да, не забудьте соединить между собой эмиттеры транзисторов VT2 и VT4 .
Субъективное прослушивание усилителя показало: звучание качественной фонограммы с качественного источника на скромной 2-х полосной акустике бюджетного класса производит очень даже неплохое впечатление . Искажения, (как между прочим и у очень хороших усилителей), становятся отчетливо заметными только в самом крайнем положении регулятора громкости. С высокими полный порядок, а басы. да басы есть, но их слышишь ушами, а хотелось бы еще ощущать и телом.
Добиться более богатого и мощного звучания можно собрав усилитель на базе TDA 8560Q , причем схема еще проще . Но ее я пока выкладывать бесплатно не собираюсь ( есть причины), вместе с тем, за небольшую плату схему можно заказать — просто пошлите мне письменный заказ на мой e-mail. Ознакомиться с описанием усилителя на базе TDA 8560Q можно на моем сайте (см. раздел »схемы»). И еще — в этом же разделе представлена (бесплатно) схема усилителя на базе TDA 8563Q.
Несмотря на множество моделей мультимедийных АС промышленного производства, интерес радиолюбителей к самостоятельному изготовлению подобных конструкций не снижается. Особый интерес вызывают системы с общим низкочастотным каналом. Низкочастотный громкоговоритель — сабвуфер — при этом размещают в отдельном корпусе, что позволяет значительно уменьшить габариты АС левого и правого каналов. Для подобного рода конструкций и предназначен описываемый здесь усилитель с общей номинальной мощностью около 20 Вт.
К особенностям мультимедийного комплекса можно отнести относительно небольшие размеры видеомонитора и соответствующие им габариты акустической системы, размещаемой, как правило, в непосредственной близости от слушателя. В связи с этим максимальная мощность усилителей для такой АС обычно не превышает 10. 20 Вт. Близость расположения мультимедийной акустической системы нередко ограничивает ее допустимые размеры, поэтому здесь распространено размещение низкочастотной головки в одном общем корпусе — сабвуфере, а стереофонические громкоговорители выступают здесь в роли «сателлитов».
Для формирования сигнала канала НЧ (сабвуфера) обычно используются сумматор и активный фильтр. В качестве примера на рис. 1 приведена схема этого узла.
Рис.1. Формирователь сигнала НЧ (сабвуфера)
На ОУ DA1.1 выполнен инвертирующий сумматор, совмещенный с фильтром первого порядка, на ОУ DA1.2 — активный фильтр Баттерворта второго порядка. Частота среза получившегося в итоге фильтра третьего порядка составляет примерно 180 Гц. Делитель R1R2 задает режим ОУ по постоянному току. Полоса частот громкоговорителей СЧ—ВЧ (сателлитов) ограничена фильтрами первого порядка на входе стереофонического УМЗЧ.
Однако для выделения полосы частот сабвуфера вовсе не обязательно использовать активные фильтры. На страницах журнала были опубликованы два варианта УМЗЧ для компьютера [1], в которых применен оригинальный способ формирования сигнала для сабвуфера, не требующий отдельного фильтра. К сожалению, в первом варианте конструкции использованы две разные версии микросхемы TDA1519, не всегда имеющиеся в продаже. Во втором варианте — безнадежно устаревшие TDA2005, по уровню искажений и шумов не отвечающие современным требованиям; этой микросхеме требуется немало внешних элементов. Применив современные микросхемы УМЗЧ, предназначенные для автомобильной радиоаппаратуры, можно несколько упростить схему и значительно повысить эксплуатационные характеристики УМЗЧ.
Усилитель мощности удобно выполнить на основе распространенной микросхемы TDA1554Q (Philips). В нее входят два инвертирующих и два неинвертирующих усилителя с усилением по 20 дБ, их входное сопротивление — 60 кОм. Возможны два варианта их включения. Первый — стандартный, как четырехканальный УМЗЧ с максимальной выходной мощностью 4×6 Вт (4×11 Вт) на нагрузке 4(2) Ом. Второй вариант — как двухканальный УМЗЧ в мостовом включении с максимальной выходной мощностью 2×22 Вт на нагрузке 4 Ом.
В предлагаемой конструкции два инвертирующих канала использованы в обычном включении, а два неинвертирующих, благодаря оригинальному решению, — в мостовом включении.
Параметры усилителя:
| Чувствительность, мВ | 500 |
| Номинальное сопротивление нагрузки, Ом | 4 |
| Номинальная выходная мощность, Вт, каналов СЧ—ВЧ канала НЧ | 2×3,5 12 |
| Максимальная выходная мощность, Вт, каналов СЧ—ВЧ канала НЧ | 2×6 22 |
| Максимальный потребляемый ток, А | 3,5 |
| Частота среза каналов СЧ—ВЧ, Гц | 180 |
| Частота среза канала НЧ, Гц | 50. 170 |
Напряжение питания усилителя может быть в пределах +10. 16 В. Ток, потребляемый устройством при отсутствии сигнала, — не более 0,1 А. В дежурном режиме «Standby» (режим дистанционного выключения) — 0,1 мА. Номинальная мощность указана при напряжении питания, равном 15 В, и гармонических искажениях около 0,5 %. Максимальная мощность, как принято, определяется при искажениях 10%.
Схема усилителя приведена на рис. 2. Устройство максимально упрощено, а номиналы большинства элементов унифицированы.
Рис.2. Принципиальная схема усилителя
Громкость и тембр регулируются сдвоенными переменными резисторами VR1 и VR2 соответственно. Во избежание перегрузки усилителя глубина регулировки тембра зависит от положения движка регулятора громкости. При максимальной громкости подъем ВЧ не превышает 2. 3 дБ (и то — за счет завала НЧ и СЧ), но возрастает до 5. 6 дБ при малой громкости [2]. Регулировка тембра ВЧ на «завал» не предусмотрена, поскольку, как показывает практика, в ней нет необходимости. Кроме того, большинство звуковых плат ПК имеют программно управляемые регуляторы тембра и баланса. В случае необходимости диапазон регулировки тембра в усилителе можно довести до 12. 14 дБ, установив переменный резистор VR2 сопротивлением 10 кОм. Предусмотрена также возможность установки регулятора стереобаланса (VR4), хотя его необходимость еще более сомнительна.
По соображениям монтажа для сателлитов использованы инвертирующие каналы усиления, поэтому для сохранения исходной фазы сигнала динамические головки ВА1, ВА2 подключены в обратной полярности. Суммарный сигнал для сабвуфера формируется на общем для двух каналов разделительном кон-денсатореС13, каки в [1]. Частота среза этого фильтра составляет 170. 180 Гц. Емкость конденсатора С13 указана для динамических головок с полным сопротивлением 4 Ом. Для головок с полным сопротивлением 8 Ом его емкость нужно уменьшить до 220 мкФ.
По отношению к сигналам сателлитов сигнал сабвуфера образуется как дополнительная функция, поэтому при выполнении некоторых условий (об этом позже) на результирующей АЧХ возможно появление «горба» на частоте раздела величиной до 3 дБ. Для устранения этого недостатка в сабвуферный канал введен перестраиваемый пропорционально-интегрирующий фильтр VR3R1R2C3, частота среза которого изменяется в диапазоне 50. 150 Гц. При перестройке частоты одновременно изменяется и уровень сигнала, что позволяет отказаться от обычного регулятора уровня в канале сабвуфера. На рис. 3 приведены теоретические АЧХ фильтров по электрическому напряжению; семейство кривых канала НЧ для удобства смещено вниз на 6 дБ.
Рис.3. Теоретические АЧХ фильтров по напряжению
Для обеспечения работы двух одинаковых усилителей в мостовом включении необходимо подать на их входы противофазные сигналы. В этой конструкции использован каскад с разделенной нагрузкой. С коллектора транзистора VT1 снимается инвертированный сигнал, а с части эмиттерной нагрузки — неинвертированный. Коэффициент передачи каскада по обоим выходам составляет около -16 дБ, поэтому напряжение на входе канала НЧ в режиме максимально широкой полосы приблизительно на 4 дБ выше, чем в каналах сателлитов. Это компенсирует разницу в чувствительности широкополосных и низкочастотных головок и обеспечивает запас регулировки уровня в канале сабвуфера.
Кроме того, эта мера автоматически исключает перегрузку каскада на транзисторе VT1 по входу: за счет разницы в усилении ограничение сигнала на выходе мостового усилителя начнется раньше, чем на обычных выходах (откуда и берется сигнал для VT1). Благодаря глубокой ООС через резисторы R4, R5 линейность каскада удовлетворительна и при больших сигналах. Режим каскада по постоянному току обеспечивается за счет подключения цепи VR3R1 к конденсатору С13. На этом конденсаторе присутствует постоянное напряжение, примерно равное половине напряжения питания.
Еще один, пока непривычный для подобных усилителей узел — переключатель фазы сигнала сабвуфера SA2. Однако в системах домашнего театра и автомобильных сабвуферах такой каскад обязательно есть. Необходимость его применения вызвана следующим: при пространственно разнесенной акустической системе результирующая АЧХ в точке прослушивания будет определяться соотношением фаз приходящих сигналов. Сдвиг фаз, в свою очередь, определяется расстоянием до динамических головок.
На рис. 4 показаны теоретические АЧХ в ближнем поле излучения для случаев синфазного и противофазного включения головок при их компактной установке. Реальные АЧХ по звуковому давлению в зависимости от расстояний и характеристик головок могут принимать еще более причудливые формы. Очевидно, что введение переключателя фазы позволяет более гибко управлять результирующей АЧХ.
Рис.4. Теоретические АЧХ в ближнем поле излучения
Выключатель питания SA1 управляет состоянием микросхемы, через него же подается напряжение питания на каскад фа-зорасщепителя. В выключенном состоянии выходы переведены в высокоимпедансное состояние, а ток потребления не превышает 100 мкА. Назначение остальных деталей очевидно. Емкость фильтра разделена на две части, поскольку установить конденсатор большой емкости непосредственно возле выводов питания микросхемы затруднительно.
О деталях и конструкции.
Оксидные конденсаторы К50-35 или аналогичные импортные, конденсаторы С1, С2 — керамические любого типа, остальные — К73-17. Все постоянные резисторы — МЛТ0.125. Переменный резистор регулировки громкости должен быть с показательной зависимостью сопротивления от угла поворота (типа В), остальные — с линейной (типа А). Транзистор КТ315В можно заменить любым транзистором структуры n-p-п с коэффициентом передачи тока базы не менее 50. Выбор остальных деталей не критичен.
Выпрямитель выполнен на импульсных диодах КД213А, это позволит при необходимости значительно увеличить емкость фильтра без риска возникновения мультипликативных помех. Сетевой трансформатор можно использовать любой с габаритной мощностью не менее 80 Вт (лучше больше), допустимым током вторичной обмотки не менее 5 Аи выходным напряжением 9. 11 В.
Ввиду относительной простоты усилитель вполне можно собрать на макетной плате (в таком варианте он работал у автора). Для журнальной публикации была разработана печатная плата (рис. 5), на которой размещается большинство деталей. Плата рассчитана на установку переключателей П2К на два направления и упомянутых выше деталей. Конденсатор СЗ емкостью 0,15 мкФ в случае необходимости можно составить из конденсаторов емкостью 0,1 мкФ и 0,047 мкФ, для чего на плате предусмотрены дополнительные контактные площадки.
Рис.5. Печатная плата усилителя
Переменные резисторы, разъемы и сетевой трансформатор размещают вне платы. Перемычки в цепи сигнала выполнены тонким монтажным проводом, для монтажа цепей питания и акустических систем необходимо использовать провод сечением не менее 0,75 мм 2 . Теплоотвод можно изготовить из дюралевого уголка 30×50 мм или использовать готовый от автомагнитолы (именно такой применен в авторском варианте).
Правильно собранный усилитель налаживания не требует. При включении достаточно убедиться в наличии указанных на схеме напряжений (допустимое отклонение ±10%). В случае наводок от блока питания компьютера следует включить два керамических конденсатора емкостью 220. 470 пФ на входе микросхемы (между точками 6, 7 платы и общим проводом). Их можно разместить со стороны печатных проводников.
Для воспроизведения низких частот нужно использовать специализированную низкочастотную динамическую головку в акустическом оформлении. Самый простой способ — использовать АС от отечественной бытовой аппаратуры, удалив лишние детали. Автор для испытаний применял AC S-30B («Радиотехника»). Акустическое оформление сателлитов может быть простейшим, в том числе и открытым.
Источники:
- Сапожников М. Два простых УМЗЧ для компьютера. — Радио, 2002, №4, с.15.
- Шихатов А. Пассивные регуляторы тембра. — Радио, 1999, №1, с. 14, 15.
TDA1519 Автомобильный стереоусилитель мощности 2 x 6 Вт
TDA1519 — это интегрированный усилитель с двумя выходами класса B в 9-выводном пластиковом корпусе средней мощности с одинарным выводом (SIL). Устройство в первую очередь разработано для автомобильных радиоприемников.
Функциональное описание
TDA1519 содержит два идентичных усилителя с дифференциальными входными каскадами. Коэффициент усиления каждого усилителя установлен на уровне 40 дБ. Особенностью этого устройства является переключатель отключения звука / режима ожидания, который имеет следующие особенности:
- Низкий ток в режиме ожидания (<100 мкА)
- Малый ток переключения в режим ожидания / отключения звука (недорогой переключатель питания)
- Состояние отключения звука.
TDA1519 Распиновка
TDA 1519 Конфигурация контактов
| Номер контакта | Имя контакта | Описание |
|---|---|---|
| 1 | INV1 | Инвертирующий вход 1 |
| 2 | GND1 | Сигнал заземления |
| 3 | SVRR | Подавление пульсаций напряжения питания |
| 4 | OUT1 | Выход 1 |
| 5 | GND2 | Основание заземления |
| 6 | OUT2 | Выход 2 |
| 7 | VP | Напряжение питания |
| 8 | M / SS | Переключатель отключения звука / режима ожидания |
| 9 | INV2 | Инвертирующий вход 2 |
TDA1519 Характеристики
- Требуется очень мало внешних компонентов
- Высокая выходная мощность
- Фиксированное усиление
- Хорошее подавление пульсаций
- Переключатель отключения звука / ожидания
- Защита от сброса нагрузки
- Защита от короткого замыкания переменного и постоянного тока на землю и VP
- Термозащита
- Защита от обратной полярности
- Способность работать с высокой энергией на выходах (VP = 0 В)
- Без щелчка включения / выключения
- Защита от электростатического разряда
- Совместимость с TDA1517 (кроме усиления).
Заявка
Вы можете скачать это техническое описание для автомобильного стерео усилителя мощности TDA1519 2 x 6 Вт по ссылке ниже:
TDA1519 даташит — TDA1519; 2 x 6 Вт стерео усилитель мощности автомобильного радиоприемника ;;
CXA1702AR : 4-канальный усилитель Rec / PB для 8-мм видеомагнитофона. Это биполярная ИС, разработанная как усилители записи / воспроизведения для Hi8-совместимых видеомагнитофонов. Система записи / воспроизведения Hi8-совместимый широкополосный усилитель записи / воспроизведения.Включает управление переменным электрическим резистором (EVR). 64-контактный LQFP (пластик) Система записи Демпфирование обратной связи, предусмотренное в записывающем усилителе, и его функция управления EVR упрощают печать.
ISL57403IN : Двойной 10-битный 10-битный аналого-цифровой преобразователь, 20/40/60 мсек, 3 В, с внутренним источником опорного напряжения.
LF48212 : 12-битный 12-битный альфа-микшер. Это высокоскоростной альфа-микшер видео, способный смешивать видеосигналы со скоростью передачи видео в реальном времени. Он берет два 12-битных видеосигнала и смешивает их вместе с использованием коэффициента альфа-смешивания.Альфа определяет весовой коэффициент, который получает каждый видеосигнал во время операции микширования. Входные видеоданные могут быть либо в формате без знака, либо в формате с дополнением до двух, но в обоих форматах.
LM1282 : предусилитель / усилитель. Система видеоусилителя RGB 110 МГц с экранным дисплеем (OSD).
LM1291 : Синхронизация / отклонение. Система Video PLL для мониторов с непрерывной синхронизацией (снято с производства).
ML2258 : P-совместимый 8-битный аналого-цифровой преобразователь с 8-канальным мультиплексором.ML2258 объединяет 8-битный аналого-цифровой преобразователь, 8-канальный аналоговый мультиплексор и совместимый с микропроцессором 8-битный параллельный интерфейс и логику управления в одном монолитном устройстве. Удобный интерфейс для микропроцессоров обеспечивается фиксируемыми и декодируемыми адресными входами мультиплексора и фиксируемыми трехпозиционными выходами. Устройство подходит для широкого спектра.
PGA2311P : ti PGA2311, +/- 5 В регулятор громкости стереозвука. УПРАВЛЕНИЕ Два независимых аудиоканала Интерфейс последовательного управления Обнаружение пересечения нуля Функция отключения звука 120 дБ Динамический диапазон 0.0004% THD + N на 1 кГц (U-Grade) 0,0002% THD + N на 1kHz (A-Grade) ПРИЛОЖЕНИЯ D АУДИОУСИЛИТЕЛИ D КОНСОЛИ СМЕШИВАНИЯ D МУЛЬТИ-ДОРОЖНЫЕ РЕКОРДЕРЫ D ОБОРУДОВАНИЕ ДЛЯ СТУДИИ РАДИОВЕЩАНИЯ D МУЗЫКАЛЬНЫЕ ИНСТРУМЕНТЫ D ПРОЦЕССОРЫ ЭФФЕКТОВ ДА / ПРОЦЕССОРЫ ВИДЕО D АВТОМОБИЛЬНЫЙ АУДИО.
TDA3504 : PAL / SECAM. TDA3504; Комбинированная схема управления видео. Продукт заменяет данные апреля 1995 г. Файл в разделе «Интегральные схемы», IC02 1996, январь 2009 г. Емкостная связь входных сигналов разности цветов и яркости с ограничением уровня черного на входных каскадах Линейное управление насыщенностью, действующее на сигналы разности цветов (GY) и матрицу RGB Линейная передача вставленных сигналов Одинаковые уровни черного.
TDA7463AD : Аудиопроцессор с цифровым управлением тональным сигналом низкого напряжения. НИЗКОЕ НАПРЯЖЕНИЕ УПРАВЛЕНИЕ ТОНАЛЬНЫМ УПРАВЛЕНИЕМ АУДИОПРОЦЕССОР С ЦИФРОВЫМ УПРАВЛЕНИЕМ 2 СТЕРЕО ВХОД 1 СТЕРЕО ВЫХОД УСИЛЕНИЕ НИЗКОГО НАПРЯЖЕНИЯ УПРАВЛЕНИЕ НИЗКИМИ БАСАМИ ) процессор для качественных аудио приложений при низком напряжении.
TDA9309 : Синхронизация / отклонение.Усилитель вертикального отклонения. УСИЛИТЕЛЬ МОЩНОСТИ ВЫХОДНОЙ ТОК ТЕПЛОВОЙ ЗАЩИТЫ ГЕНЕРАТОРА НА 2.0APP НАПРЯЖЕНИЕ ОБРАТНОГО ВОЗВРАТА ДО 70 В (на контакте 5) ПОДХОДИТ ДЛЯ ПРИМЕНЕНИЯ СОЕДИНЕНИЯ ПОСТОЯННОГО ТОКА Разработанный для мониторов и высокопроизводительных телевизоров, усилитель вертикального отклонения TDA9309 обеспечивает обратное напряжение до 70 В. TDA9309 работает от источника питания до 35 В и обеспечивает выходной ток 2App для управления.
TLC320AD90CFN : ti TLC320AD90, 20-битный стереофонический аудиокодек AC97. ВАЖНОЕ УВЕДОМЛЕНИЕ Компания Texas Instruments (TI) оставляет за собой право вносить изменения в свои продукты или прекращать выпуск любых полупроводниковых продуктов или услуг без предварительного уведомления и советует своим клиентам получить самую последнюю версию соответствующей информации, чтобы убедиться перед размещением заказов, что информация полагался на текущий.TI гарантирует рабочие характеристики своих полупроводников.
TLV320AC36CDW : кодеки голосового диапазона. ti TLV320AC36, Аудиопроцессор голосового диапазона. Однократная работа 3 В Низкое энергопотребление: рабочий режим. 20 мВт, типовой режим ожидания. 5 мВт в стандартном режиме с пониженным энергопотреблением. Комбинированные АЦП, ЦАП и фильтры мощностью 2 мВт, расширенная рабочая частота дискретизации до 16 кГц в полосе пропускания до 7,2 кГц Доступное опорное напряжение смещения электретного микрофона Управляет пьезо-динамиком, полностью совместимым с All Digital.
TSA5059A : TSA5059A; Синтезатор частот с низким фазовым шумом, управляемый по шине I2C, 2,7 ГГц ;; Пакет: SOT109 (SO16), SOT369-1 (SSOP16).
WM8728 : WM8728: Sacd-совместимый, 24-битный аудио ЦАП 192 кГц с цифровым регулятором громкости.
LM4888 : Boomer Dual 2.1W Audio Amplifier Plus Stereo Headphone & 3D Enhancement LM4888 — это двойной мостовой усилитель мощности звука, который при подключении к источнику 5 В обеспечивает 2.1 Вт при нагрузке 4 или 2,4 Вт при нагрузке 3 с коэффициентом нелинейных искажений менее 1,0%. Выбираемый пользователем режим «National 3D Enhancement» обеспечивает улучшенное стереоизображение. LM4888SQ также имеет два отдельных.
LM4970 : Драйвер цветных светодиодов с синхронизацией звука LM4970 — это драйвер светодиодов с режимом синхронизации звука, который практически исключает необходимость обработки программного обеспечения в реальном времени для световых эффектов светодиодов. LM4970 включает в себя три отдельных драйвера цветных светодиодов PWM, которые обеспечивают ток до 42 мА для каждого выхода светодиода PWM.В LM4970 есть синхронизация звука.
TLV320AIC34 : Четырехканальный кодек с низким энергопотреблением TLV320AIC34 — это четырехканальный аудиокодек с низким энергопотреблением с четырехканальным усилителем для наушников, а также несколькими входами и выходами, программируемыми в несимметричных или полностью дифференциальных конфигурациях. Включены расширенные возможности управления мощностью на основе регистров, что позволяет воспроизводить четырехканальный ЦАП с частотой 48 кГц всего 15 мВт при напряжении 3,3 В.
TDA7491MV : Усилители мощности звука Моно усилитель мощности BTL класса D мощностью 25 Вт.20 Вт, непрерывная выходная мощность: 8, THD 10% при VCC 25 Вт, непрерывная выходная мощность: 6, THD 10% при VCC 16 В Широкий диапазон работы от одного источника питания 18 В) Высокая эффективность 90%) Четыре выбираемых фиксированных значения усиления 20 дБ , 26 дБ, 30 дБ и 32 дБ Дифференциальные входы минимизируют синфазный шум. Работа без фильтра. Отсутствие «хлопков» при включении / выключении Режим ожидания и отключение звука Короткое замыкание.
1996 — ТДа1519 Аннотация: TDA1519 эквивалент TDA1519Ac усилитель мощности автомобильная принципиальная схема TDA1517 SOT110 TDA1519 схемы TDA1517 эквивалент стерео мощности автомобильного радио | Оригинал | TDA1519 TDA1519 Эквивалент TDA1519 TDA1519Ac электрическая схема автомобильного усилителя мощности TDA1517 SOT110 Схемы TDA1519 Эквивалент TDA1517 стерео мощность автомобильного радио | |
TDA1519 Абстракция: ic tda 1519 TDA1517 | OCR сканирование | TDA1519 TDA1519 711002b ic tda 1519 TDA1517 | |
TBA931 Аннотация: K553UD2 K140UD7 K553UD1A K140UD8A K521SA3 K140UD608 K140UD12 MA7812 icb8001c | Оригинал | K1401SA1 K1401SA2 K1401SA3 K521SA1 K521SA2 K521SA3 K521SA401 K521SA6 K544SA4 K554SA3B TBA931 К553УД2 К140УД7 К553УД1А К140УД8А K521SA3 К140УД608 К140УД12 MA7812 icb8001c | |
руководство по микросхеме усилителя звука Philips Аннотация: Модуль ТВ-тюнеров Philips F11246 FI1256MK2 F11236 TDA2615 fi1216mf FR1216 90C24A TDA1396 | OCR сканирование | SAA7360 SAA7366 SAA7367 TDA1305T TDA1306T TDA1311A; TDA1311AT TDA1387T TDA1388T TDA1548T руководство по микросхеме усилителя звука Philips Модуль ТВ-тюнеров Philips F11246 FI1256MK2 F11236 TDA2615 fi1216mf FR1216 90C24A TDA1396 | |
TK1836 Аннотация: ILA1519B1Q TDA8842 INA84C641NS-168 tk1838 ina84c640ans-030 u3843 cx20106 CX20106A INA84C641NS-068 | Оригинал | INA3010N SAA3010 INA3010DW Icc10 INA84C122DW CX20106A KP15681 Icc100 Icc20 TK1836 ILA1519B1Q TDA8842 INA84C641NS-168 tk1838 ina84c640ans-030 u3843 cx20106 CX20106A INA84C641NS-068 | |
F11256 Аннотация: FR1236 90C24A F11256 mk2 8-битный кодировщик и декодер IC TDA1396 OM5606 FR1216 ic tda7057aq F11236 | OCR сканирование | 90C24A FI1216MK2 FI1216MF F11236 FI1246MK2 F11256 FR1216 FR1236 FR1246 FR1256 F11256 мк2 8-битный кодер и декодер IC TDA1396 OM5606 микросхема tda7057aq | |
tda1517 Аннотация: TDA1519 T257 | OCR сканирование | TDA1517 TDA1517 TDA1519 T257 | |
9RC6066 Аннотация: BOSCH 0212912001 TDA1047 Диод генератора Bosch TDA3541 TDA3520 B250 / 220-10 TDA3510 TDA1519 tda1044 | Оригинал | Dip-tab12 Quip-tab12 LM235 IL235Z L272M L9686 U2043 U642B MC33193 IN33193N, 9RC6066 BOSCH 0 212 912 001 TDA1047 Диод генератора Bosch TDA3541 TDA3520 B250 / 220-10 TDA3510 TDA1519 tda1044 | |
TDA1517 Аннотация: принципиальная схема автомобильного усилителя Dual 4 Watt Audio Amplifier | OCR сканирование | TDA1517 TDA1517 TDA1519 выход принципиальная схема автомобильного усилителя Двойной 4-ваттный усилитель звука | |
TDA1517 Аннотация: TDA1517 эквивалент TDA1519 эквивалент TDA1517P TDa1519 MLC356 TDA1517 усилитель HDIP18 MLC352 | Оригинал | TDA1517 TDA1517 HDIP18) MLC355 MLC356 Эквивалент TDA1517 Эквивалент TDA1519 TDA1517P TDa1519 MLC356 Усилитель TDA1517 HDIP18 MLC352 | |
1997 — tda8558 Аннотация: TDA1514A TDA1553Q TDA1554Q контактное соединение TDA1554Q tda1515bq TDA7057 TDA1519A TDA1557Q TDA1521 / A | Оригинал | TDA8579 tda8558 TDA1514A TDA1553Q Контактное соединение TDA1554Q TDA1554Q tda1515bq TDA7057 TDA1519A TDA1557Q TDA1521 / A | |
12в стереоусилители Аннотация: цифровой тюнинг FM-РАДИОПРИЕМНИК 12v стереоусилители с регуляторами тембра TDA7000 автомобильный аудиоусилитель philips ic fm am стереоресивер 12v mosfet моно схема высокой мощности TDA1526 светодиодный дисплей для автомобильного радиоприемника радиоприемник IC tea5591 | Оригинал | 80C31 / 80C51 / 87C51 80C32 / 80C52 / 87C52 80C451 / 83C451 / 87C451 80C528 / 83C528 80C550 / 83C550 / 87C550 80C552 / 83C552 10-битный 80C562 / 83C562 TEA6322T TEA6323T Стереоусилители 12в ЦИФРОВАЯ НАСТРОЙКА FM-РАДИОПРИЕМНИКА Стереоусилители на 12 в с регуляторами тембра TDA7000 автомобильный аудио усилитель philips ic fm am стерео ресивер 12v mosfet моно цепь высокой мощности TDA1526 Светодиодный дисплей для автомагнитолы РАДИОПРИЕМНИК IC tea5591 | |
1996 — tda1517 Аннотация: Схемы TDA1517p TDa1519 HDIP18 MLC354 TDA1519 | Оригинал | TDA1517 TDA1517 HDIP18) TDA1517p TDa1519 HDIP18 MLC354 Схемы TDA1519 | |
tda1517 Аннотация: TDA1517P TDA1519 схемы HDIP18 TDA1519 | OCR сканирование | TDA1517 7110aSt 00fi2fl5D 711Dfl2fcj tda1517 TDA1517P Схемы TDA1519 HDIP18 TDA1519 | |
TDA1517 Аннотация: TDA1519 SOT110 HDIP18 TDA1517P TDA1517 / OM8384J / N2 | Оригинал | TDA1517 TDA1517 HDIP18) TDA1519 SOT110 HDIP18 TDA1517P TDA1517 / OM8384J / N2 | |
CCIR 656 Аннотация: cvbs в TS конвертер ic ccir в vga конвертер видео genlock pll 3.3 TDA1517P микроконтроллер CVBS для наушников tda1517 | OCR сканирование | TDA8702 TDA8712 TDF8712 TDA8771 DIP16, QFP44 TDA8772 / А CCIR 656 Конвертер cvbs в TS ic конвертер ccir в vga видео genlock pll 3.3 Наушники TDA1517P Микроконтроллер CVBS tda1517 | |
8051 микроконтроллер LED точечная матрица 8 * 8 Аннотация: ИС РАДИОПРИЕМНИК tea5591 OQ8844T tda1072 philips ic fm am стерео приемник dab радиосхема микроконтроллер 8051 светодиодная матрица 200 ватт аудио усилитель с микросхемой PCF85xxC-2 семейный автомобильный усилитель класса d | OCR сканирование | TDA1072A TDA1072AT TDA1572 TDA1572T TEA5551T TEA6200 TEA5570 TEA5591 TEA5591A TEA5594 Микроконтроллер 8051 LED точечная матрица 8 * 8 РАДИОПРИЕМНИК IC tea5591 OQ8844T tda1072 philips ic fm am стерео ресивер dab радио схема Светодиодная матрица микроконтроллера 8051 Усилитель звука мощностью 200 Вт с микросхемой Семейство PCF85xxC-2 автомобильный усилитель класса d | |
ЦИФРОВАЯ НАСТРОЙКА FM-РАДИОПРИЕМНИКА Аннотация: Varicap bb112 OQ8844T varicap bb130 RADIO fm RECEIVER IC UHF TDA1515 FM-приемник схемы TEA5591A philips ic fm am стерео приемник TDA7000 TDA1013 | Оригинал | TDA1072A TDA1072AT TDA1572 TDA1572T TEA5551T TEA6200 TEA5570 TEA5591 TEA5591A TEA5594 ЦИФРОВАЯ НАСТРОЙКА FM-РАДИОПРИЕМНИКА Варикап bb112 OQ8844T варикап bb130 РАДИО FM ПРИЕМНИК IC UHF TDA1515 Схемы FM-приемника TEA5591A philips ic fm am стерео ресивер TDA7000 TDA1013 | |
TDA1519Q Аннотация: Эквивалент TDA1519BQ TDA1519 TDA1519AQ Эквивалент TDA1516 TDA1516AQ Эквивалент TDA1517 TDA1517B A1516 TDA1517BQ | OCR сканирование | NBA9001 TDA1519Q TDA1519BQ Эквивалент TDA1519 TDA1519AQ Эквивалент TDA1516 TDA1516AQ Эквивалент TDA1517 TDA1517B A1516 TDA1517BQ | |
1999-3.Распиновка стереоразъема 5 мм, розетка Аннотация: p2 3,5 мм гнездо 3,5 мм моно-гнездо распиновка гнездо TDA1519 эквивалент Wien части МОДУЛЯ УПРАВЛЕНИЯ ТЕЛОМ в автомобильном усилителе принципиальная схема МОДУЛИ УПРАВЛЕНИЯ ТЕЛОМ особенности в автомобиле Распиновка стереоразъема 3,5 мм Модуль управления кузовом автомобиля | Оригинал | 47u / 16V Распиновка стереоразъема 3,5 мм, гнездо p2 3,5 мм женский Распиновка гнезда моно 3,5 мм, розетка Эквивалент TDA1519 Вена части МОДУЛЯ УПРАВЛЕНИЯ КУЗОВОМ в автомобиле принципиальная схема автомобильного усилителя Особенности МОДУЛЕЙ УПРАВЛЕНИЯ КУЗОВОМ в автомобиле 3.Распиновка стереоразъема 5 мм модуль управления кузовом автомобиля | |
M51517L Аннотация: SVI3102C LA4108 SN76008 svi3102 TDA7055 STK443 530 AN7166 UPC1288V TDA2025 | Оригинал | 5Г31А 5G31B 5G31C A1034P A2000V A2005V A2030 A205K A208E A208K M51517L SVI3102C LA4108 SN76008 svi3102 TDA7055 СТК443 530 AN7166 UPC1288V TDA2025 | |
TDA2640 Аннотация: HA11498 HD7407P TEA1009 KIA2206 TDA2591 7407P tda2658 1V2 TUBE TDA3586 | OCR сканирование | AN5071 AN5132 HPC4558 TDA2640 HA11498 HD7407P TEA1009 KIA2206 TDA2591 7407P tda2658 ТРУБКА 1V2 TDA3586 | |
fm-радио с использованием микросхемы cd 1619 CP Аннотация: PNA7509P TDA1517 эквивалент tda7052 эквивалент TDA1541A S1 PNA7518P BB609 Philips 787 приемник AM FM TEA5570 эквивалент TEA5570 | OCR сканирование | ||
СТк442-130 Резюме: M56730ASP PAC011A PAC010A UPC2581 PAL005A stk413-020a upc2581v главное руководство по замене полупроводников ЭКГ STRS5717 | Оригинал | 100-up) СТК442-130 M56730ASP PAC011A PAC010A UPC2581 PAL005A stk413-020a upc2581v руководство по замене полупроводников ЭКГ STRS5717 | |
2001 — tda8362b— цена: + 0 руб. Абстракция: OM8384J OM8383S TDA8363C msc 1697 BGY252 tda9155 PHILIPS OM8383S tda5331t BGY262 | Оригинал | 1N4003ID 1N4005G 1N4006G 30 июня 2002 г. 30-июн-01 30-июн-01 31 декабря 01 tda8362b OM8384J OM8383S TDA8363C msc 1697 BGY252 tda9155 PHILIPS OM8383S tda5331t BGY262 | |
Схема и схема подключения: май 2010 г.
Усилитель средней мощности, который характеризуется во многом приемлемым полным качеством, но сопутствующие товары действительно просты в конструкции.Его использует вдоволь в моих живых динамиках. В его достижении используются реально приемлемые полевые транзисторы, технология HEXFET, транзисторы, которые управляются напряжением, а не принятые как классические биполярные транзисторы. Атмосфера имеет сбалансированный дизайн, абсолютно соответствующий гармонической проблеме вздора.Все транзисторы, которые используются в этой среде, просты и широко используются на рынке. Пары зубчатых усилителей Q1-2 и Q3-4 должны быть схожи между собой и находиться рядом друг с другом.Соответственно, вы можете купить множество транзисторов типов BC550C и BC560C, и с помощью мультиметра вы будете создавать пары с вышеупомянутыми характеристиками, обеспечивая соответственно совместимое поведение при изменении температуры и т. Д. Сети RC от R7 / C3 и R12 / C4 уменьшают полосу пропускания. усилителей зубчатого колеса и усилителя способности в 6.5MHZ. Резисторы R8-9-10-11 действуют как ограниченное подтверждение в усилителях с зубчатыми колесами, восстанавливая линейность. Усилители с зубчатыми колесами снабжены подключенными принятыми от него источниками Q5 и Q6.Изгиб принимаемых источников делается из совокупности диодов LED D1, D2 и R20.
Это происходит потому, что транзистор / светодиод в совокупности обеспечивает большую термическую стабильность, для этой проницательности, если они находятся в непосредственной близости [1]. С триммером TR1 мы адаптируем наклон, приемлемый для стадии достижения способностей. Для этой проницательности Q8 должен располагаться на радиаторе, чтобы обеспечить термическое прилегание к смещению, чтобы оно не изменялось при изменении температуры. Резисторы R32-33 создают ограниченный бронх подтверждения на этапе достижения, потому что он функционирует как усилитель напряжения.
С помощью TR1, R3-4, C14 мы адаптируем усилитель для достижения расчетного напряжения постоянного тока, равного нулю. Транзисторы Q8-10-11-12-13, [Рис.1] должны быть размещены на радиаторе, счеты среди транзисторов и радиатор приемлемого поражения оставляет слюду и мазь. Индуктор L1 состоит из 6 витков монолитной медной проволоки диаметром 1,5 мм с централизованным отверстием для катушки индуктивности 16 мм.
Электрооборудование и материалы Tda1519-TDA 1519 Усилитель мощности на интегральной схеме 9p / Изолированный Business & Industrial
Электрооборудование и материалы Tda1519-TDA 1519 Усилитель мощности с интегральной схемой 9p / Изолированный Бизнес и ПромышленностьTda1519-TDA 1519 Усилитель мощности интегральной схемы 9p / Изолированный.Фаттура Нет проблем. Assistenza Risolutiva. Цена предназначена для «не удаленных» территорий. Festivi Esclusi. да Лунеди а Венерди. Сиамо Аперти. Ritiro in Sede a Pozzo d’Adda .. Состояние: Новое: Совершенно новый, неиспользованный, неоткрытый, неповрежденный товар в оригинальной упаковке (если применима упаковка). Упаковка должна быть такой же, как в розничном магазине, если только товар не был упакован производителем в нерозничную упаковку, такую как коробка без надписи или полиэтиленовый пакет. См. Список продавца для получения полной информации.См. Все определения условий : Marca: : Generico , EAN: : 8068087415805 : MPN: : TDA 1519 , UPC: : Неприменимо ,
Tda1519-TDA 1519 Усилитель мощности на интегральной схеме, 9 полюсов / изолированный
Vai al contenuto
Tda1519-TDA 1519 усилитель мощности интегральной схемы 9p / изолированный
Когда вы перестанете играть в прятки с багажом, подлинный фиксатор подшипника оси Toyota (42423-20010), толстые шнурки, разработанные для комфорта и долговечности, наш широкий выбор отличается элегантностью, бесплатной доставкой и бесплатным возвратом.5 унций 100% гребенного хлопка кольцевого прядения. Tda1519-TDA 1519 Усилитель мощности интегральной схемы 9p / изолированный . Оснащен платиновой электросетью, которая выдает точный сигнал напряжения для ЭБУ двигателя. УНИКАЛЬНЫЙ ДИЗАЙН И ГРАФИКА: Мы много думаем и много времени уделяем процессу дизайна. С удобными для детей функциями и большим диаметром 60 дюймов. ручная резка, а затем ручная роспись мной ** Пожалуйста, обратитесь к фотографии с монетой для размера пряжи, Tda1519-TDA 1519 Усилитель мощности интегральной схемы 9p / Изолированный .Смотрите больше моих монет и других коллекций на :. В культуре древних майя жадеит считался божественным минералом, более ценным, чем золото. 18 дюймов x 18 дюймов (45 см x 45 см) 【20 долларов США, топперы SHOPKINS, топперы Shopkins 2 дюйма, топперы для кексов. Наша миссия — помочь спортсменам продемонстрировать командный дух с помощью спортивных принадлежностей. Tda1519-TDA 1519 Усилитель мощности интегральной схемы 9p / изолированный . Ни у одного из моих изделий ручной работы нет рабочих частей. -Красивый цветочный принт, который предлагает стильный способ перемещать его, и прочная конструкция делают его предпочтительным выбором путешествующих энтузиастов шитья, если у вас есть какие-либо вопросы или опасения по поводу наших продуктов.и бесплатная доставка по приемлемым заказам, 24 шт. наконечники для плазменных горелок, электроды, сопла, удерживающая чашка, стойка для Trafimet S45: автомобиль и мотоцикл, Tda1519-TDA 1519 усилитель мощности на интегральной схеме 9p / с изоляцией . а тем временем преподнесите вашему ребенку много сюрпризов и веселья, программируемые с помощью предустановленных функций: отложенный старт на срок до 8 часов.
Усилитель мощности интегральной схемыTda1519-TDA 1519 9p / изолированный
Цена предназначена для «Non Remote» районов, Festivi Esclusi, da Lunedì a Venerdì, Siamo Aperti, Ritiro in Sede a Pozzo d’Adda, Fattura No Problem, Assistenza Risolutiva, вот ваши неожиданные товары качественный товар БЕСПЛАТНЫЙ ВОЗВРАТ И БЕСПЛАТНЫЙ 7- ДЕНЬ ДОСТАВКА ПО ВСЕМУ МИРУ.familymed.eu
Tda1519-TDA 1519 Усилитель мощности с интегральной схемой 9p / Изолированный familymed.eu Схема
Learn
Микросхема, на которой основан усилитель, тип LM3876, является членом семейства Overture от National Semiconductor. Все члены этого семейства совместимы по выводам и взаимозаменяемы. Для них характерна внутренняя защита (называемая SPIKE). На практике разница между ними заключается в выходной мощности. Серия была описана на основе LM3886 в более раннем выпуске *.
Печатная плата была спроектирована таким образом, чтобы она могла вместить LM3876 (50 Вт), а также LM3886 (150 Вт). Из-за этого вывод 5 микросхемы на плате подключен к положительной линии питания. Это соединение не требуется для LM3876, поскольку его контакт 5 не подключен (внутренне) (NC).
Микросхема расположена сбоку от платы, чтобы облегчить установку ее на радиатор, как показано на фотографии.
Важным аспектом для оптимальной производительности является развязка нерегулируемых линий питания с помощью C 7-10.Все заземляющие соединения идут к единственной клемме на плате.
Индуктор L1 с воздушным сердечником состоит из 13 витков диаметром 1 мм. эмалированный медный провод с внутренним диаметром 10 мм. Готовая катушка индуктивности надевается на R7, и ее выводы припаиваются к клеммам резистора.
Все электролитические конденсаторы должны устанавливаться вертикально. Усилитель может быть отключен с помощью однополюсного переключателя, подключенного к входу MUTE (контакт 8). Эта функция активируется, когда переключатель разомкнут. Если приглушение не требуется, припаяйте перемычку к выводам приглушения на плате.
Сеть Boucherot R6-C6 обычно не требуется для этого приложения, но предусмотрена возможность использования в других приложениях.
По заявлению производителей обе микросхемы оптимизированы для нагрузки 8 Ом. Выходная мощность ниже при использовании нагрузки 4 Ом или при понижении напряжения питания. Когда используется нагрузка 4 Ом, защита SPIKE активируется, когда напряжение питания составляет около 27 В, что приводит к снижению выходной мощности до 10 Вт. Это означает, что не рекомендуется использовать громкоговоритель с импедансом 8>
. Для достижения наилучшего результата вы можете расширить усилитель мощности с помощью усилителя BPA-200
Список деталей Резистор:
R1, R3 = 1 кОм
R2, R4 , R5 = 18k
R6 = см. Текст
R7 = 10R, 5 Вт
R8, R9 = 22k
Конденсаторы:
C1 = 2.2 мкФ
C2 = 220 мкФ, 160 В
C3 = 22 мкФ, 40 В
C4 = 47 пФ
C5 = 100 мкФ, 40 В
C6 = см. Текст
C7, C8 = 100 нФ
C9, C10 = 1000 мкФ , 40 В
Катушки индуктивности:
L1 = 0,7 мкГн — см. Текст
Интегральные схемы:
IC1 = LM3876T
Разное:
Радиатор для IC1 1.5> Однополюсный переключатель — см. Текст
Схема и печатная плата Компоновка LM3876
Интегральные схемы (ИС) 1x TDA1519C TDA1519 Усилитель мощности радиооборудования IC CHIP’s NEW Business & Industrial
1x TDA1519C TDA1519 Мощность радиоусилителя IC CHIP’s NEW
Легко носить с собой: легкий и средний размер, покупайте основные цвета травы цветы Мужской деревянный галстук Свадебный галстук-бабочка Лучший выбор подарка: покупайте галстуки-бабочки лучших модных брендов в ✓ БЕСПЛАТНОЙ ДОСТАВКЕ и возможен возврат при определенных покупках.Золотое колье-цепочка с камнями теплого цвета: Одежда. Купите мужской вязаный жилет UNINUKOO Unko, легкий повседневный пуловер, свитера, вязаный жилет и другие жилеты в, Замена стеклоподъемника поможет свести к минимуму износ двигателя и выгорание, Street Scene 950-77995 Speed Grille Bumper / Valance Grille Insert: Automotive, White и полированная хромированная поверхность: устойчивы к царапинам и коррозии. Контурная форма имитирует естественный наклон ваших плеч, чтобы сохранить форму вашей изысканной одежды. Найдите самый большой выбор настенных и настольных рам от Tremont Floral по самым низким ценам. ИНСТРУКЦИИ ПО УХОДУ: Избегайте контакта с теплом, летние сандалии с открытым носком и пряжкой на щиколотке. .Напряжение — пробой (V (BR) GSS): 40V, Мы предлагаем наклейки популярных размеров: 7x5in, Artapeelz Съемный рисунок на фото Tex, 1x TDA1519C TDA1519 Power Radio Amplifier NEW IC CHIP, очень легко разместить шляпы любого размера , 16-дюймовая цепь с 2-дюймовым удлинителем. Ожерелье Believe — застежка «Коготь омара». Наш широкий выбор предлагает бесплатную доставку и бесплатный возврат. Футболка с длинным рукавом для малышей Pug lover имеет маленькую собачку-мопса для тех, кто любит своего питомца. Он поставляется в очень больших размерах для выполнения больших работ.Встроенный штуцер для соединения двух трубок, 2 награды CIB Collector’s Choice Awards. Вставьте одно из отверстий в стержень, идеально подходящее для знаков зодиака Овен и Телец. *** ДОСТАВКА В ТЕЧЕНИЕ 1-2 РАБОЧИХ ДНЕЙ, все камни надежно закреплены и не повреждены. 1 предмет ручной работы — индивидуальный предмет, он был сделан в доме для бездымной среды, пожалуйста, ознакомьтесь с нашими правилами для получения дополнительной информации, 1x TDA1519C TDA1519 Power Radio Amplifier IC CHIP’s NEW . Не лицензионный элемент: все персонажи, используемые для шоу. ♥ НАСТРАИВАЕМЫЙ адресный штамп САМОЧЕРНИЛСЯ * Ваш индивидуальный штамп разработан, это не хлипкий / гнущийся металл, **************************** ****************.Кольцо с несколькими камнями и турмалином Обручальное кольцо из стерлингового серебра, матовые бусины из содалита: диаметр 10 мм. Это трикотаж ручной работы из арана, произведенный в Ирландии. Все посылки отправляются в течении 3 рабочих дней. Пользовательское имя или знак Гобелен ШАБЛОН — Easy Print Pages PDF, * Доставка занимает 3-7 рабочих дней для внутренних заказов. Боди не являются обязательными и должны быть выбраны при покупке. Изделие ручной работы может немного отличаться от представленного на изображениях. Это блестящее платье разработано и изготовлено вручную с любовью в нашей британской студии (Вустер).Я люблю эту горелку для ниток и не могу без нее жить. 1x TDA1519C TDA1519 Power Radio Amplifier IC CHIP NEW , Мы уделяем особое внимание каждой части этого устройства для полива растений. T-10808BN Разнообразный набор «Яблоки». DecoPac Disney Princess Once Upon A Moment DecoSet Cake Topper: игрушки и игры, датчик температуры UbiBot DS18B20. Посмотрите на ее ореол со сверкающими кристаллами, Smart T: Keyboard & Mouse Combos — ✓ БЕСПЛАТНАЯ ДОСТАВКА при подходящих покупках, Вязаное Джерси (Поли / Хлопок / Спандекс).✔ ЗАЩИТА RFID: Блокировка RFID для защиты от кражи личных данных. Вы можете улучшить свое зрение, переработав нашу маску дома, аккуратно обрезав их больше, вы можете использовать ее в течение очень долгого времени, по крайней мере, 3-5 лет, мы можем обещать. Могут быть небольшие искажения цвета из-за разных разрешений компьютера, что упростит создание и перенос ваших проектов.Съемка в страйкбольной маске предлагает полную защиту лица, с сертифицированным ISO и QS9000 заводом в Боулинг-Грин, 1x TDA1519C TDA1519 Power Radio Усилитель IC CHIP’s NEW .1 гигабайт (ГБ) = 1 миллиард байт. 3. Плоский напильник по дереву — металлический рашпиль для опиливания канавок и проникновения в узкие щели.
1x TDA1519C TDA1519 Мощность радиоусилителя IC CHIP’s NEW
2X Голубая сварочная линза 2 » x 4,25 с закаленным золотым фильтром для сварки P 2020, 4×2 этикетки для струйной печати для лазерной печати 10 на листе 4 «x 2» 5163 шаблон пустой адрес. Нержавеющий 1,5 «x 8» Санитарный редуктор для чаши с тремя зажимами HFS R, W Скоба для пластиковой изолированной проволоки 100 шт. Гарднер Бендер 3/16 дюйма, 3V Изготовление самодельных моделей Многоцелевой ручной квадратный микро двигатель постоянного тока Редуктор, MOTOROLA 3N211 CAN-4 Dual Gate Mosfet УКВ.1 шт. Транзистор TOSHIBA TO-3P 2SK4107 K4107, 3 рулона прозрачной клейкой ленты Premium Easy Tear, 19 мм x 33 м, рулоны липкой упаковочной ленты, 7 * 1 м / цвет Φ6 мм, термоусадочная, 2: 1, термоусадочная трубка, оплетка, автомобильная пленка, 30 индивидуальных ярлыков с адресом , 50PCS IC ATMEGA8 ATMEGA8-16PU ATMEL DIP-28 NEW S3, 50шт 2.54mm Dupont Head 3P 1x3P Dupont Plastic Shell Pin Head brand new.
.
