Как собрать усилитель звука на транзисторах КТ803А. Какие особенности у схемы усилителя класса А. Как добиться высокого качества звучания в самодельном УНЧ. Как правильно настроить усилитель мощности на отечественных транзисторах.
Особенности усилителя звука класса А на КТ803А
Усилитель звука на транзисторах КТ803А, работающий в классе А, обладает рядом важных преимуществ:
- Высокая линейность усиления и низкий уровень искажений
- Отличное качество звучания, особенно на средних и высоких частотах
- Простота схемы и настройки
- Возможность получить мощность до 15-20 Вт на нагрузке 4-8 Ом
- Работа с широким диапазоном входных сигналов
При этом усилитель имеет повышенное энергопотребление в режиме покоя, что характерно для схем класса А. Это требует хорошего теплоотвода для выходных транзисторов.
Схема усилителя НЧ на КТ803А
Рассмотрим принципиальную схему усилителя звука класса А на отечественных транзисторах КТ803А:

Основные элементы схемы:
- VT1 (КТ361Г) — входной каскад
- VT2 (КТ801А) — предвыходной каскад
- VT3, VT4 (КТ803А) — выходной каскад на комплементарной паре
- R5 — резистор смещения выходного каскада
- C4 — разделительный конденсатор на выходе
Особенности работы усилителя в классе А
В усилителе класса А выходные транзисторы работают в активном режиме на протяжении всего периода входного сигнала. Это обеспечивает высокую линейность, но приводит к повышенному энергопотреблению.
Ключевые моменты работы схемы:
- Через выходные транзисторы постоянно протекает значительный ток покоя (0.5-1 А)
- Режим по постоянному току задается резистором R5
- Выходной каскад работает как эмиттерный повторитель
- Глубокая отрицательная обратная связь линеаризует характеристику
Такой режим позволяет получить минимальные нелинейные искажения, особенно на малых уровнях сигнала.

Настройка и оптимизация усилителя
Для получения максимального качества звучания необходимо правильно настроить усилитель:
- Установить ток покоя выходного каскада 0.5-1 А подбором R5
- Проверить симметричность выходного напряжения относительно нуля
- Измерить коэффициент нелинейных искажений на разных частотах
- Подобрать оптимальную глубину ООС для минимума искажений
- Настроить частотную характеристику с помощью C3, R4
При правильной настройке можно добиться коэффициента гармоник менее 0.1% во всем слышимом диапазоне частот.
Рекомендации по изготовлению усилителя
При самостоятельном изготовлении усилителя на КТ803А следует учитывать несколько важных моментов:
- Использовать качественные комплектующие (резисторы, конденсаторы)
- Обеспечить хороший теплоотвод для выходных транзисторов
- Применить стабилизированный источник питания
- Тщательно развязать по питанию входные каскады
- Использовать экранированные провода для входного сигнала
- Минимизировать длину проводников в выходном каскаде
Соблюдение этих рекомендаций позволит получить высококачественный усилитель звука с отличными характеристиками.

Преимущества и недостатки усилителя на КТ803А
Рассмотрим основные плюсы и минусы данной схемы усилителя:
| Преимущества | Недостатки |
|---|---|
|
|
Несмотря на недостатки, при правильной реализации усилитель способен обеспечить звучание высокого класса.
Сравнение с другими схемами усилителей
Сравним ключевые параметры усилителя на КТ803А с другими популярными схемами:
| Параметр | КТ803А (класс А) | TDA2030 (АВ) | LM3886 (АВ) |
|---|---|---|---|
| Мощность, Вт | 15-20 | 18 | 50 |
| КНИ, % | 0.05-0.1 | 0.5 | 0.03 |
| Полоса частот, кГц | 10-100 | 20-20 | 20-80 |
| КПД, % | 25-30 | 60-65 | 60-70 |
Как видно, усилитель на КТ803А выигрывает по уровню искажений и ширине полосы, но уступает по мощности и КПД.

Заключение
Усилитель звука класса А на транзисторах КТ803А — отличный выбор для любителей качественного звучания. При грамотной реализации он способен обеспечить исключительно чистый и детальный звук. Простота схемы в сочетании с доступностью компонентов делает его привлекательным вариантом для самостоятельного изготовления.
Несмотря на некоторые недостатки, присущие схемам класса А, данный усилитель может стать основой высококлассной аудиосистемы. Его звучание способно удовлетворить даже искушенных аудиофилов.
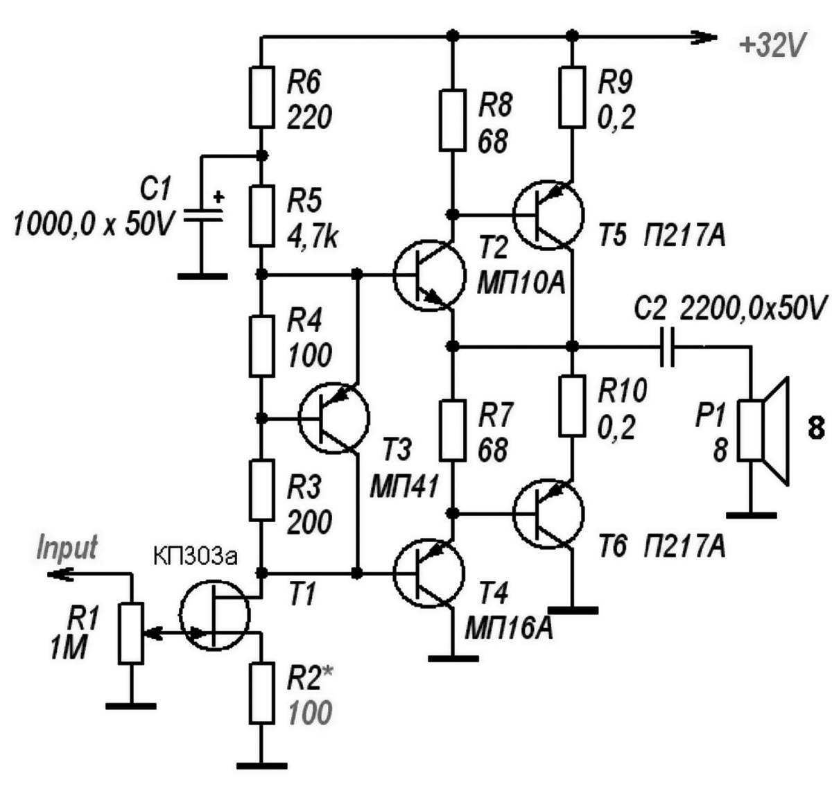
Ультралинейный усилитель класса А на отечественных транзисторах
Вариант усилителя на отечественных транзисторах. По сути я ничего нового не придумал, просто давно хотел собрать данный усилитель, но на многих ресурсах отзывы о нем были не очень хорошие.
О схеме очень мало отзывов, в основном только негативные. Жалобы в основном о малом потреблении тока, слишком искаженный выходной сигнал и т.п.
Сначала были найдены все оптимальные замены транзисторам. Все транзисторы использовались отечественного производства. Травить плату не было возможности, поэтому как всегда на помощь пришла макетка.
На плате была собрана вся схема, а выходные транзисторы через провода припаяны к основной плате.
В начале для выходного каскада использовал транзисторы КТ805, затем 819 и остановился на КТ803А – самый лучший вариант для этой схемы.
Схема планировалась для стандартной колонки на 4 Ом, поэтому некоторые номиналы схемы нужно подобрать под свои нужды.
Выходной конденсатор на 3300 мкФ с напряжением 16-50 В, входной по вкусу (от 0,1 мкФ до 1 мкФ).
Для питания использовал аккумулятор от бесперебойника, с ним усилитель развивает до 8 Вт, это уже чистейшая мощность, без хрипов, искажений и гулов.
За свою практику собрал немало усилителей мощности. Еще год назад, эталоном звука для меня были микросхемы СТК, затем была повторена схема Lanzar и она долго не уступала свои позиции, но несколько дней назад этот усилитель вышел на первое место, оставив позади знаменитого ланзара.
Широкий диапазон воспроизводящих частот – еще одно достоинство этой схемы, хотя частоты ниже 30 Гц усилитель не сможет воспроизвести. Усилитель предназначен для широкополосной акустики, и для качественного звучания в первую очередь нужны качественные колонки. Хотя многие могут не согласится, но очень советую использовать отечественные головки 5 – 10 ГДШ с бумажным или поролоновым подвесом. После чистого класса “А” даже музыкальный центр будет звучать не так хорошо, как раньше.
Выходные транзисторы усилителя греются не так страшно, как говорилось в некоторых форумах, лично у меня без теплоотвода они поработали 10 минут на максимальной громкости, температура не превышала 70-80 °C.
Странно то, что усилитель настолько качественный, что без подачи входного сигнала в колонках нет никакого шума или гула, словно усилитель выключен и включается только при подаче сигнала на вход.
Не советуется поднимать напряжение питания более 20 В, при 18 В усилитель показал 14 Вт – чистой синусоидальной мощи, но потреблял при этом 60 Вт, что для класса «А» вполне нормально.
В дальнейшем планируется собрать еще один канал, уж больно понравился этот усилитель, рядом с ним даже музыкальный центр дурно звучит.
| Обозначение | Номинал | Количество | Примечание |
|---|---|---|---|
| T1 | КТ361Г | 1 | 2N3906 |
| T2 | КТ801А | 1 | КТ630Д, КТ602А, 2N697 |
| Т3, Т4 | КТ803А | 2 | MJ480 |
| С1 | 100 мкФ | 1 | |
| С2 | 0. 22 мкФ | 1 | |
| С3 | 220 мкФ | 1 | |
| С4 | 470 мкФ | 1 | |
| С5 | 3300 мкФ | 1 | |
| С6 | 0.1 мкФ | 1 | |
| R1 | 39 кОм | 1 | |
| R2 | 100 кОм | 1 | |
| R3 | 100 кОм | 1 | |
| R4 | 220 Ом | 1 | |
| R5 | 2.7 кОм | 1 | |
| R6 | 8.2 кОм | 1 | |
| R7 | 47 Ом | 1 | 0. 5 Вт |
| R8 | 180 Ом | 1 | 1 Вт |
| R9 | 2.2 кОм | 1 | 0.5 Вт |
| R10 | 10 Ом | 1 | 1 Вт |
Печатные платы.
Автор: АКА КАСЬЯН, по материалам: cxem.net
Качественный усилитель нч на транзисторах. Мощный усилитель на транзисторах. Двухтактный звуковой усилитель
Редакция сайта «Две Схемы» представляет простой, но качественный усилитель НЧ на транзисторах MOSFET. Его схема должна быть хорошо известна радиолюбителям аудиофилам, так как ей уже лет 20. Схема является разработкой знаменитого Энтони Холтона, поэтому её иногда так и называют — УНЧ Holton. Система усиления звука имеет низкие гармонические искажения, не превышающие 0,1%, при мощности на нагрузку порядка 100 Ватт.
Данный усилитель является альтернативой для популярных усилителей серии TDA и подобных попсовых, ведь при чуть большей стоимости можно получить усилитель с явно лучшими характеристиками.
Большим преимуществом системы является простая конструкция и выходной каскад, состоящий из 2-х недорогих МОП-транзисторов. Усилитель может работать с динамиками сопротивлением как 4, так и 8 Ом. Единственной настройкой, которую необходимо выполнить во время запуска — будет установка значения тока покоя выходных транзисторов.
Принципиальная схема УМЗЧ Holton
Усилитель Холтон на MOSFET — схема
Схема является классическим двухступенчатым усилителем, он состоит из дифференциального входного усилителя и симметричного усилителя мощности, в котором работает одна пара силовых транзисторов. Схема системы представлена выше.
Печатная плата
Печатная плата УНЧ — готовый вид
Вот архив с PDF файлами печатной платы — .
Принцип работы усилителя
Транзисторы Т4 (BC546) и T5 (BC546) работают в конфигурации дифференциального усилителя и рассчитаны на питание от источника тока, построенного на основе транзисторов T7 (BC546), T10 (BC546) и резисторах R18 (22 ком), R20 (680 Ом) и R12 (22 ком).
Входной сигнал подается на два фильтра: нижних частот, построенный из элементов R6 (470 Ом) и C6 (1 нф) — он ограничивает ВЧ компоненты сигнала и полосовой фильтр, состоящий из C5 (1 мкф), R6 и R10 (47 ком), ограничивающий составляющие сигнала на инфранизких частотах.
Нагрузкой дифференциального усилителя являются резисторы R2 (4,7 ком) и R3 (4,7 ком). Транзисторы T1 (MJE350) и T2 (MJE350) представляют собой еще один каскад усиления, а его нагрузкой являются транзисторы Т8 (MJE340), T9 (MJE340) и T6 (BD139).
Конденсаторы C3 (33 пф) и C4 (33 пф) противодействуют возбуждению усилителя. Конденсатор C8 (10 нф) включенный параллельно R13 (10 ком/1 В), улучшает переходную характеристику УНЧ, что имеет значение для быстро нарастающих входных сигналов.
Транзистор T6 вместе с элементами R9 (4,7 ком), R15 (680 Ом), R16 (82 Ом) и PR1 (5 ком) позволяет установить правильную полярность выходных каскадов усилителя в состоянии покоя. С помощью потенциометра необходимо установить ток покоя выходных транзисторов в пределах 90-110 мА, что соответствует падению напряжения на R8 (0,22 Ом/5 Вт) и R17 (0,22 Ом/5 Вт) в пределах 20-25 мВ.
Общее потребление тока в режиме покоя усилителя должен быть в районе 130 мА.
Выходными элементами усилителя являются МОП-транзисторы T3 (IRFP240) и T11 (IRFP9240). Транзисторы эти устанавливаются как повторитель напряжения с большим максимальным выходным током, таким образом, первые 2 каскада должны раскачать достаточно большую амплитуду для выходного сигнала.
Резисторы R8 и R17 были применены, в основном, для быстрого измерения тока покоя транзисторов усилителя мощности без вмешательства в схему. Могут они также пригодиться в случае расширения системы на еще одну пару силовых транзисторов, из-за различий в сопротивлении открытых каналов транзисторов.
Резисторы R5 (470 Ом) и R19 (470 Ом) ограничивают скорость зарядки емкости проходных транзисторов, а, следовательно, ограничивают частотный диапазон усилителя. Диоды D1-D2 (BZX85-C12V) защищают мощные транзисторы. С ними напряжение при запуске относительно источников питания у транзисторов не должно быть больше 12 В.
На плате усилителя предусмотрены места для конденсаторов фильтра питания С2 (4700 мкф/50 в) и C13 (4700 мкф/50 в).
Самодельный транзисторный УНЧ на МОСФЕТ
Управление питается через дополнительный RC фильтр, построенный на элементах R1 (100 Ом/1 В), С1 (220 мкф/50 в) и R23 (100 Ом/1 В) и C12 (220 мкф/50 в).
Источник питания для УМЗЧ
Схема усилителя обеспечивает мощность, которая достигает реальных 100 Вт (эффективное синусоидальная), при входном напряжении в районе 600 мВ и сопротивлением нагрузки 4 Ома.
Усилитель Холтон на плате с деталями
Рекомендуемый трансформатор — тороид 200 Вт с напряжением 2х24 В. После выпрямления и сглаживания должно получиться двух полярное питание усилители мощности в районе +/-33 Вольт. Представленная здесь конструкция является модулем монофонического усилителя с очень хорошими параметрами, построенного на транзисторах MOSFET, который можно использовать как отдельный блок или в составе .
Схема № 1
Выбор класса усилителя . Сразу предупредим радиолюбителя — делать усилитель класса A на транзисторах мы не будем.
Причина проста — как было сказано во введении, транзистор усиливает не только полезный сигнал, но и поданное на него смещение. Проще говоря, усиливает постоянный ток. Ток этот вместе с полезным сигналом потечет по акустической системе (АС), а динамики, к сожалению, умеют этот постоянный ток воспроизводить. Делают они это самым очевидным образом — вытолкнув или втянув диффузор из нормального положения в противоестественное.
Попробуйте прижать пальцем диффузор динамика — и вы убедитесь, в какой кошмар превратится при этом издаваемый звук. Постоянный ток по своему действию с успехом заменяет ваши пальцы, поэтому динамической головке он абсолютно противопоказан. Отделить же постоянный ток от переменного сигнала можно только двумя средствами — трансформатором или конденсатором, — и оба варианта, что называется, один хуже другого.
Принципиальная схема
Схема первого усилителя, который мы соберем, приведена на рис. 11.18.
Это усилитель с обратной связью, выходной каскад которого работает в режиме В.
Единственное достоинство этой схемы — простота, а также однотипность выходных транзисторов (не требуется специальные комплементарные пары). Тем не менее, она достаточно широко применяется в усилителях небольшой мощности. Еще один плюс схемы — она не требует никакой настройки, и при исправных деталях заработает сразу, а нам это сейчас очень важно.
Рассмотрим работу этой схемы. Усиливаемый сигнал подается на базу транзистора VT1. Усиленный этим транзистором сигнал с резистора R4 подается на базу составного транзистора VT2, VT4, а с него — на резистор R5.
Транзистор VT3 включен в режиме эмиттерного повторителя. Он усиливает положительные полуволны сигнала на резисторе R5 и подает их через конденсатор C4 на АС.
Отрицательные же полуволны усиливает составной транзистор VT2, VT4. При этом падение напряжения на диоде VD1 закрывает транзистор VT3. Сигнал с выхода усилителя подается на делитель цепи обратной связи R3, R6, а с него — на эмиттер входного транзистора VT1. Таким образом, транзистор VT1 у нас и играет роль устройства сравнения в цепи обратной связи.
Постоянный ток он усиливает с коэффициентом усиления, равным единице (потому что сопротивление конденсатора C постоянному току теоретически бесконечно), а полезный сигнал — с коэффициентом, равным соотношению R6/R3.
Как видим, величина емкостного сопротивления конденсатора в этой формуле не учитывается. Частота, начиная с которой конденсатором при расчетах можно пренебречь, называется частотой среза RC-цепочки. Частоту эту можно рассчитать по формуле
F = 1 / (R×C) .
Для нашего примера она будет около 18 Гц, т. е. более низкие частоты усилитель будет усиливать хуже, чем он мог бы.
Плата . Усилитель собран на плате из одностороннего стеклотекстолита толщиной 1.5 мм размерами 45×32.5 мм. Разводку печатной платы в зеркальном изображении и схему расположения деталей можно скачать . Видеоролик о работе усилителя в формате MOV скачать для просмотра можно . Хочу сразу предупредить радиолюбителя — звук, воспроизводимый усилителем, записывался в ролике с помощью встроенного в фотоаппарат микрофона, так что говорить о качестве звука, к сожалению, будет не совсем уместно! Внешний вид усилителя приведен на рис.
11.19.
Элементная база . При изготовлении усилителя транзисторы VT3, VT4 можно заменить любыми, рассчитанными на напряжение не менее напряжения питания усилителя, и допустимым током не менее 2 А. На такой же ток должен быть рассчитан и диод VD1.
Остальные транзисторы — любые с допустимым напряжением не менее напряжение питания, и допустимым током не менее 100 мА. Резисторы — любые с допустимой рассеиваемой мощностью не менее 0.125 Вт, конденсаторы — электролитические, с емкостью, не менее указанной на схеме, и рабочим напряжением на менее напряжения питания усилителя.
Радиаторы для усилителя . Прежде чем попробовать изготовить нашу вторую конструкцию, давайте, уважаемый радиолюбитель, остановимся на радиаторах для усилителя и приведем здесь весьма упрощенную методику их расчета.
Во-первых, вычисляем максимальную мощность усилителя по формуле:
P = (U × U) / (8 × R), Вт ,
где U — напряжение питания усилителя, В; R — сопротивление АС (обычно оно составляет 4 или 8 Ом, хотя бывают и исключения).
Во-вторых, вычисляем мощность, рассеиваемую на коллекторах транзисторов, по формуле:
P рас = 0,25 × P, Вт .
В-третьих, вычисляем площадь радиатора, необходимую для отвода соответствующего количества тепла:
S = 20 × P рас, см 2
В-четвертых, выбираем или изготавливаем радиатор, площадь поверхности которого будет не менее рассчитанной.
Указанный расчет носит весьма приблизительный характер, но для радиолюбительской практики его обычно бывает достаточно. Для нашего усилителя при напряжении питания 12 В и сопротивлении АС, равным 8 Ом, «правильным» радиатором была бы алюминиевая пластина размерами 2×3 см и толщиной не менее 5 мм для каждого транзистора. Имейте ввиду, что более тонкая пластина плохо передает тепло от транзистора к краям пластины. Хочется сразу предупредить — радиаторы во всех остальных усилителях тоже должны быть «нормальных» размеров. Каких именно — посчитайте сами!
Качество звучания . Собрав схему, вы обнаружите, что звук усилителя не совсем чистый..jpg)
Причина этого — «чистый» режим класса В в выходном каскаде, характерные искажения которого даже обратная связь полностью скомпенсировать не способна. Ради эксперимента попробуйте заменить в схеме транзистор VT1 на КТ3102ЕМ, а транзистор VT2 — на КТ3107Л. Эти транзисторы имеют значительно больший коэффициент усиления, чем КТ315Б и КТ361Б. И вы обнаружите, что звучание усилителя значительно улучшилось, хотя все равно останутся заметными некоторые искажения.
Причина этого также очевидна — больший коэффициент усиления усилителя в целом обеспечивает большую точность работы обратной связи, и больший ее компенсирующий эффект.
Продолжение читайте
Эта схема усилителя звука была создана всеми любимым британским инженером (электронщик-звуковик) Линсли-Худом. Сам усилитель собран всего на 4-х транзисторах. С виду — обыкновенная схема усилителя НЧ, но это лишь с первого взгляда. Опытный радиолюбитель сразу поймет, что выходной каскад усилителя работает в классе А.
Гениально то, что просто и эта схема тому доказательство. Это сверхлинейная схема, где форма выходного сигнала не изменяется, то, есть на выходе мы получаем ту же форму сигнала, что на входе, но уже усиленный. Схема более известна под названием JLH — ультралинейный усилитель класса А , и сегодня я решил представить ее вам, хотя схема далеко не новая. Данный усилитель звука, своими руками собрать может любой рядовой радиолюбитель, благодаря отсутствию в конструкции микросхем, делающей его более доступным.
Как сделать усилитель для колонок
Схема усилителя звука
В моем случае использовались только отечественные транзисторы, поскольку с импортными напряг, да и стандартные транзисторы схемы, найти нелегко. Выходной каскад построен на мощных отечественных транзисторах серии КТ803 — именно с ними звук кажется лучше. Для раскачки выходного каскада использован транзистор средней мощности серии КТ801 (удалось найти с трудом). Все транзисторы можно заменить на другие (в выходном каскаде можно использовать КТ805 или 819).
Замены не критичны.
Совет: кто решит попробовать на «вкус» этот самодельный усилитель звука — используйте германиевые транзисторы, они лучше звучат (ИМХО). Было создано несколько версий этого усилителя, все они звучат… божественно, других слов не могу найти.
Мощность представленной схемы не более 15 ватт (плюс минус), ток потребления 2 Ампер (иногда чуть больше). Транзисторы выходного каскада будут греться даже без подачи сигнала на вход усилителя. Странное явление, не правда ли? Но для усилителей класса. А, это вполне нормальное явление, большой ток покоя — визитная карточка буквально всех известных схем этого класса.
В ролике представлена работа самого усилителя, подключенного к колонкам. Обратите внимание, что ролик снят на мобильный телефон, но о качестве звука можно судить и так. Для проверки любого усилителя стоит лишь послушать всего одно мелодию — Бетховен «К Элизе». После включения становится ясно, что за усилитель перед вами..jpg)
90% микросхемных усилителей не выдержат тест, звук будет «обломанным» могут наблюдаться хрипы и искажения при высоких частотах. Но вышесказанное не касается схемы Джона Линсли, ультралинейность схемы позволяет полностью повторить форму входного сигнала, этим получая только чистое усиление и синусоиду на выходе.
После освоения азов электроники, начинающий радиолюбитель готов паять свои первые электронные конструкции. Усилители мощности звуковой частоты, как правило самые повторяемые конструкции. Схем достаточно много, каждая отличается своими параметрами и конструкцией. В этой статье будут рассмотрены несколько простейших и полностью рабочих схем усилителей, которые успешно могут быть повторены любым радиолюбителем. В статье не использованы сложные термины и расчеты, все максимально упрощено, чтобы не возникло дополнительных вопросов.
Начнем с более мощной схемы.
Итак, первая схема выполнена на известной микросхеме TDA2003. Это монофонический усилитель с выходной мощностью до 7 Ватт на нагрузку 4 Ом.
Хочу сказать, что стандартная схема включения этой микросхемы содержит малое количество компонентов, но пару лет назад мною была придумана иная схема на этой микросхеме. В этой схеме количество комплектующих компонентов сведено к минимуму, но усилитель не потерял свои звуковые параметры. После разработки данной схемы, все свои усилители для маломощных колонок стал делать именно на этой схеме.
Схема представленного усилителя имеет широкий диапазон воспроизводимых частот, диапазон питающих напряжений от 4,5 до 18 вольт (типовое 12-14 вольт). Микросхему устанавливают на небольшой теплоотвод, поскольку максимальная мощность достигает до 10 Ватт.
Микросхема способна работать на нагрузку 2 Ом, это значит, что к выходу усилителя можно подключать 2 головки с сопротивлением 4 Ом.
Входной конденсатор можно заменить на любой другой, с емкостью от 0,01 до 4,7 мкФ (желательно от 0,1 до 0,47 мкФ), можно использовать как пленочные, так и керамические конденсаторы. Все остальные компоненты желательно не заменять.
Регулятор громкости от 10 до 47 кОм.
Выходная мощность микросхемы позволяет применять его в маломощных АС для ПК. Очень удобно использовать микросхему для автономных колонок к мобильному телефону и т.п.
Усилитель работает сразу после включения, в дополнительной наладке не нуждается. Советуется минус питания дополнительно подключить к теплоотводу. Все электролитические конденсаторы желательно использовать на 25 Вольт.
Вторая схема собрана на маломощных транзисторах, и больше подойдет в качестве усилителя для наушников.
Это наверное самая качественная схема такого рода, звук чистый, чувствуются весь частотный спектр. С хорошими наушниками, такое ощущение, что у вас полноценный сабвуфер.
Усилитель собран всего на 3-х транзисторах обратной проводимости, как самый дешевый вариант, были использованы транзисторы серии КТ315, но их выбор достаточно широк.
Усилитель может работать на низкоомную нагрузку, вплоть до 4-х Ом, что дает возможность, использовать схему для усиления сигнала плеера, радиоприемника и т.
п. В качестве источника питания использована батарейка типа крона с напряжением 9 вольт.
В окончательном каскаде тоже применены транзисторы КТ315. Для повышения выходной мощности можно применить транзисторы КТ815, но тогда придется увеличить напряжение питания до 12 вольт. В этом случае мощность усилителя будет достигать до 1 Ватт. Выходной конденсатор может иметь емкость от 220 до 2200 мкФ.
Транзисторы в этой схеме не нагреваются, следовательно, какое-либо охлаждение не нужно. При использовании более мощных выходных транзисторов, возможно, понадобятся небольшие теплоотводы для каждого транзистора.
И наконец — третья схема. Представлен не менее простой, но проверенный вариант строения усилителя. Усилитель способен работать от пониженного напряжения до 5 вольт, при таком случае выходная мощность УМ будет не более 0,5 Вт, а максимальная мощность при питании 12 вольт достигает до 2-х Ватт.
Выходной каскад усилителя построен на отечественной комплементарной паре.
Регулируют усилитель подбором резистора R2. Для этого желательно использовать подстроечный регулятор на 1кОм. Медленно вращаем регулятор до тех пор, пока ток покоя выходного каскада не будет 2-5 мА.
Усилитель не обладает высокой входной чувствительностью, поэтому желательно перед входом применить предварительный усилитель.
Немало важную роль в схеме играет диод, он тут для стабилизации режима выходного каскада.
Транзисторы выходного каскада можно заменить на любую комплементарную пару соответствующих параметров, например КТ816/817. Усилитель может питать маломощные автономные колонки с сопротивлением нагрузки 6-8 Ом.
Список радиоэлементов
| Обозначение | Тип | Номинал | Количество | Примечание | Магазин | Мой блокнот | |
|---|---|---|---|---|---|---|---|
| Усилитель на микросхеме TDA2003 | |||||||
| Аудио усилитель | TDA2003 | 1 | В блокнот | ||||
| С1 | 47 мкФ х 25В | 1 | В блокнот | ||||
| С2 | Конденсатор | 100 нФ | 1 | Пленочный | В блокнот | ||
| С3 | Электролитический конденсатор | 1 мкФ х 25В | 1 | В блокнот | |||
| С5 | Электролитический конденсатор | 470 мкФ х 16В | 1 | В блокнот | |||
| R1 | Резистор | 100 Ом | 1 | В блокнот | |||
| R2 | Переменный резистор | 50 кОм | 1 | От 10 кОм до 50 кОм | В блокнот | ||
| Ls1 | Динамическая головка | 2-4 Ом | 1 | В блокнот | |||
| Усилитель на транзисторах схема №2 | |||||||
| VT1-VT3 | Биполярный транзистор | КТ315А | 3 | В блокнот | |||
| С1 | Электролитический конденсатор | 1 мкФ х 16В | 1 | В блокнот | |||
| С2, С3 | Электролитический конденсатор | 1000 мкФ х 16В | 2 | В блокнот | |||
| R1, R2 | Резистор | 100 кОм | 2 | В блокнот | |||
| R3 | Резистор | 47 кОм | 1 | В блокнот | |||
| R4 | Резистор | 1 кОм | 1 | В блокнот | |||
| R5 | Переменный резистор | 50 кОм | 1 | В блокнот | |||
| R6 | Резистор | 3 кОм | 1 | В блокнот | |||
| Динамическая головка | 2-4 Ом | 1 | В блокнот | ||||
| Усилитель на транзисторах схема №3 | |||||||
| VT2 | Биполярный транзистор | КТ315А | 1 | В блокнот | |||
| VT3 | Биполярный транзистор | КТ361А | 1 | В блокнот | |||
| VT4 | Биполярный транзистор | КТ815А | 1 | В блокнот | |||
| VT5 | Биполярный транзистор | КТ816А | 1 | В блокнот | |||
| VD1 | Диод | Д18 | 1 | Или любой маломощный | В блокнот | ||
| С1, С2, С5 | Электролитический конденсатор | 10 мкФ х 16В | 3 | ||||
Время чтения ≈ 6 минут
Усилители – наверное, одни из первых устройств, которые начинают конструировать радиолюбители-новички.
Собирая УНЧ на транзисторах своими руками при помощи готовой схемы, многие используют микросхемы.
Транзисторные усилители хоть и отличаются огромным числом , но каждый радиоэлектронщик постоянно стремится сделать что-то новое, более мощное, более сложное, интересное.
Более того, если вам нужен качественный, надежный усилитель, то стоит смотреть в сторону именно транзисторных моделей. Ведь, именно они наиболее дешевые, способны выдавать чистый звук, и их легко сконструирует любой новичок.
Поэтому, давайте разберемся, как сделать самодельный усилитель НЧ класса B.
Примечание! Да-да, усилители класса B тоже могут быть хорошими. Многие говорят, что качественный звук могут выдавать лишь ламповые устройства. Отчасти это правда. Но, взгляните на их стоимость.
Более того, собрать такое устройство дома – задача далеко не из легких. Ведь вам придется долго искать нужные радиолампы, после чего покупать их по довольно высокой цене. Да и сам процесс сборки и пайки требует какого-то опыта.
Поэтому, рассмотрим схему простого, и в то же время качественного усилителя низкой частоты, способного выдавать звук мощность 50 Вт.
Старая, но проверенная годами схема из 90-х
Схема УНЧ, который мы будем собирать, впервые была опубликована в журнала «Радио» за 1991 год. Ее успешно собрали сотни тысяч радиолюбителей. Причем, не только для и улучшения мастерства, но и для использования в своих аудиосистемах.
Итак, знаменитый усилитель низкой частоты Дорофеева:
Уникальность и гениальность этой схемы кроется в ее простоте. В этом УНЧ применяется минимальное количество радиоэлементов, и предельно простой источник питания. Но, устройство способно «брать» нагрузку в 4 Ома, и обеспечивать выходную мощность в 50 Вт, чего вполне достаточно для домашней или автомобильной акустической системы.
Многие электротехники совершенствовали, дорабатывали эту схему. И. для удобства мы взяли самый современный ее вариант, заменив старые компоненты на новые, чтобы вам было проще конструировать УНЧ:
Описание схемы усилителя низких частот
В этом «переработанном» Доровеевском УНЧ были использованы уникальные и наиболее эффективные схематические решения.
К примеру, сопротивление R12. Этот резистор ограничивает ток на коллекторе выходного транзистора, тем самым ограничивая максимальную мощность усилителя.
Важно! Не стоит менять номинал R12, чтобы увеличить выходную мощность, так как он подобран именно под те компоненты, что применяются в схеме. Этот резистор защищает всю схему от коротких замыканий .
Выходной каскад транзисторов:
Тот самый R12 «вживую»:
Резистор R12 должен иметь мощность на 1 Вт, если под рукой такого нет – берите на полватта. Он имеет параметры, обеспечивающие коэффициент нелинейных искажений до 0,1% на частоте в 1 кГц, и не более 0,2% при 20 кГц. То есть, на слух никаких изменений вы не заметите. Даже при работе на максимальной мощности.
Блок питания нашего усилителя нужно подобрать двухполярный, с выходными напряжениями в пределах 15-25 В (+- 1 %):
Чтобы «поднять» мощность звука, можно увеличить напряжение. Но, тогда придется параллельно произвести замену транзисторов в оконечном каскаде схемы.
Заменить их нужно на более мощные, после чего провести перерасчет нескольких сопротивлений.
Компоненты R9 и R10 должны иметь номинал, в соответствии с подающимся напряжением:
Они, с помощью стабилитрона, ограничивают проходящий ток. В этой же части цепи собирается параметрический стабилизатор, который нужен для стабилизации напряжения и тока перед операционным усилителем:
Пара слов о микросхеме TL071 – «сердце» нашего УНЧ. Ее считают отличным операционным усилителем, которые встречается как в любительских конструкциях, так и в профессиональной аудиоаппаратуре. Если нет подходящего операционника, его можно заменить на TL081:
Вид «в реальности» на плате:
Важно! Если вы решите применять в этой схеме какие-либо другие операционные усилители, внимательно изучайте их распиновку, ведь «ножки» могут иметь другие значения .
Для удобства микросхему TL071 стоит монтировать на предварительно впаянную в плату пластиковую панельку.
Так можно будет быстро заменить компонент на другой в случае необходимости.
Полезно знать! Для ознакомления представим вам еще одну схему этого УНЧ, но без усиливающей микросхемы. Устройство состоит исключительно из транзисторов, но собирается крайне редко ввиду устаревания и неактуальности.
Чтобы было удобнее, мы постарались сделать печатную плату минимальной по размерам – для компактности и простоты монтажа в аудиосистему:
Все перемычки на плате нужно запаивать сразу же после травления.
Транзисторные блоки (входного и выходного каскада) нужно монтировать на общий радиатор. Разумеется, они тщательно изолируются от теплоотвода.
На схеме они здесь:
А тут на печатной плате:
Если в наличии нет готовых, радиаторы можно изготовить из алюминиевых или медных пластин:
Транзисторы выходного каскада должны иметь рассеиваемую мощность как минимум в 55 Вт, а еще лучше – 70 или целых 100 Вт. Но, этот параметр зависит от подающегося на плату напряжения питания.
Из схемы понятно, что на входном и выходном каскаде применяется по 2 комплементарных транзистора. Нам важно подобрать их по усиливающему коэффициенту. Чтобы определить этот параметр, можно взять любой мультиметр с функцией проверки транзисторов:
Если такого устройства у вас нет, тогда придется одолжить у какого-то мастерам транзисторный тестер:
Стабилитроны стоит подбирать по мощности на полватта. Напряжение стабилизации у них должно составлять 15-20 В:
Блок питания. Если вы планируете смонтировать на свой УНЧ трансформаторный БП, тогда подберите конденсаторы-фильтры с емкостью как минимум 5 000 мкФ. Тут чем больше – тем лучше.
Собранный нами усилитель низких частот относится к B-классу. Работает он стабильно, обеспечивая почти кристально-чистое звучание. Но, БН лучше всего подбирать так, чтобы он мог работать не на всю мощность. Оптимальный вариант – трансформатор габаритной мощностью минимум в 80 Вт.

5 Вт
