Каковы основные параметры диода Д219А. Для чего используется этот полупроводниковый прибор. Какие особенности конструкции и эксплуатации следует учитывать при работе с Д219А. На что обратить внимание при выборе и покупке этого диода.
Основные характеристики диода Д219А
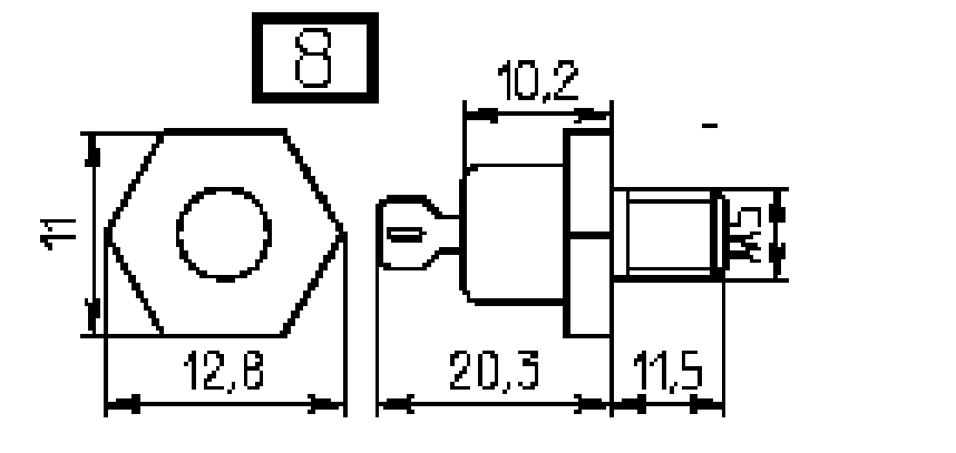
Диод Д219А относится к классу кремниевых выпрямительных диодов средней мощности. Основные технические параметры этого полупроводникового прибора:
- Максимальное постоянное обратное напряжение: 400 В
- Максимальный прямой ток: 10 А
- Максимальное импульсное обратное напряжение: 500 В
- Максимальный импульсный прямой ток: 150 А
- Прямое падение напряжения при токе 10 А: не более 1,2 В
- Обратный ток при напряжении 400 В: не более 100 мкА
- Рабочая температура перехода: от -60°C до +130°C
- Корпус: металлостеклянный КД-7
Диод Д219А имеет хорошие выпрямительные свойства и способен работать на высоких частотах до 100 кГц. Его основные преимущества — высокая надежность, стойкость к перегрузкам и широкий диапазон рабочих температур.

Области применения диода Д219А
Благодаря своим характеристикам, диод Д219А нашел широкое применение в различных областях электроники и электротехники:
- Выпрямительные устройства в источниках питания
- Высокочастотные преобразователи напряжения
- Сварочные аппараты и зарядные устройства
- Системы защиты от перенапряжений
- Электроприводы и системы управления двигателями
- Импульсные источники питания
- Устройства плавного пуска электродвигателей
Диод Д219А часто используется в мощных выпрямителях для преобразования переменного тока в постоянный. Его высокая надежность позволяет применять его в ответственной промышленной и специальной аппаратуре.
Особенности конструкции диода Д219А
Диод Д219А имеет следующие конструктивные особенности, которые следует учитывать при его использовании:
- Металлостеклянный корпус КД-7 обеспечивает хорошую герметичность
- Анод соединен с корпусом диода
- Катод выведен на отдельный вывод
- Корпус диода электрически изолирован от подложки
- Возможен монтаж на радиатор для лучшего теплоотвода
- Масса диода составляет около 8 грамм
При монтаже диода Д219А важно обеспечить надежный теплоотвод, особенно при работе на больших токах. Рекомендуется использовать теплопроводящую пасту между корпусом диода и радиатором.

На что обратить внимание при выборе диода Д219А
При покупке диодов Д219А следует обратить внимание на следующие моменты:
- Проверить соответствие основных параметров требованиям схемы
- Убедиться в целостности корпуса и выводов диода
- Проверить маркировку и дату изготовления
- Приобретать у надежных поставщиков электронных компонентов
- При больших объемах закупки запросить сертификаты качества
- Обратить внимание на условия хранения диодов у продавца
Важно помнить, что характеристики диода могут несколько отличаться у разных производителей. Поэтому при замене диода Д219А в существующих устройствах рекомендуется проводить дополнительное тестирование.
Аналоги диода Д219А
В некоторых случаях диод Д219А может быть заменен аналогичными приборами. Возможные аналоги включают:
- Д242Б — близкий по параметрам отечественный диод
- 1N5408 — распространенный зарубежный аналог
- FR307 — быстродействующий диод с похожими характеристиками
- MUR1560 — сверхбыстрый диод для высокочастотных применений
При замене диода Д219А на аналог важно тщательно сравнить все ключевые параметры и убедиться в их совместимости с требованиями конкретной схемы. В ответственных устройствах замена не рекомендуется без проведения испытаний.

Рекомендации по эксплуатации диода Д219А
Для обеспечения длительной и надежной работы диода Д219А следует соблюдать следующие правила эксплуатации:
- Не превышать максимально допустимые значения напряжения и тока
- Обеспечить эффективный теплоотвод при работе на больших токах
- Защищать диод от перенапряжений в цепи
- Не допускать механических ударов и вибраций
- Соблюдать полярность при монтаже
- Проводить периодическую проверку параметров диода
При соблюдении этих рекомендаций диод Д219А способен надежно работать в течение длительного срока, обеспечивая стабильные характеристики в различных устройствах силовой электроники.
Заключение
Диод Д219А является надежным полупроводниковым прибором, широко применяемым в силовой электронике. Его основные преимущества — высокая нагрузочная способность, стойкость к перегрузкам и широкий температурный диапазон. При правильном применении диод Д219А обеспечивает стабильную работу различных электронных устройств в течение длительного срока эксплуатации.

пр-кт. Дзержинского д. 219 А г. Новороссийск
пр-кт. Дзержинского д. 219 А г. Новороссийскпр-кт. Дзержинского д. 219 А г. Новороссийск
фасад здания
По адресу дома
По названию УК ЖКХ
Например: Москва, ул. Вавилова 43 или Воронеж УК Ленинского района
Единый Реестр Управляющих Компании России
Домом управляет:Адрес дома:
УК не найдена
Управление дома
край. Краснодарский, г. Новороссийск, пр-кт. Дзержинского, д. 219 А
Всего квартир в доме:
36
Жильцов:
54
Зарегистрировано:
0 (0%)
Цель для улучшений:
0 (0%)
Главный по дому:
стать главным
Оставить отзыв / задать вопрос
Бесплатный доступ к закрытой информации, общению с соседями, принимайте участие в голосовании по дому, получайте извещения о всех событиях
Я живу в этом доме >
Тип дома:
крупнопанельный
Год постройки:
2006 г.
Площадь дома:
3 560,40 м2
Этажей:
9 эт.
Квартир на этаже:
4 квартиры
Статус:
Введен в 2006 г.
Кол-во квартир:
36 квартир
Парковка:
Отсутствует
Управляющая компания:
ООО «АВАНГАРД»
Фотографии дома (1)
*Фотографии были добавлены пользователями сайта, могут содержать неточности
Типы планировок квартир в доме (2)
2 комнаты
40.6 — 66 кв.м.
*Фотографии планировок загружены пользователями сайта
Инфраструктура
Адрес: край. Краснодарский, г. Новороссийск, пр-кт. Дзержинского, д. 219 А
Управляющая компания дома:
ООО «АВАНГАРД»
ИНН 2315991510, ОГРН 1162315055320
Адрес: г. Новороссийск, ш. Анапское, д. 37А, п. 2
Пн. -Пят. с 9-00 до 18-00
Написать жалобу на УК
Протокол общего собрания собственников от 09.03.2017г.
Домом управляет с 01.03.2017
Тарифы на коммунальные услуги:
Газоснабжение
не предоставляется
Горячее водоснаб.
не предоставляется
Отопление
не предоставляется
Электроснабжение
не предоставляется
Холодное водоснаб.
не предоставляется
Водоотведение
не предоставляется
Тарифы взяты с официальных данных Управляющей компании, предоставляемых в открытом доступе. Сведения публикуются без изменений, возможно часть данных не обновлялась.
Много платите за коммунальные платежи ?
Если жильцы дома проголосуют за снижение тарифов, то инспекторы проведут проверку работы УК и взымаемых тарифов.
Да, снизить тарифы! (0
)
Нет, тарифы в норме (0
)
Отчёт о расходах УК:
Сведения о выполненых работах УК по содержанию, ремонту дома инженерных систем и благоустройства территории за год.
Работы (услуги) по управлению многоквартирным домом
603 886,24 р.
2017 год.
603 886,24 р.
Следующее собрание
На собраниях принимаются важные решения по дому, принимайте участие в них!
Примеры темы:
— Решение вопросов о сборах / тарифах
— Благоустройство / улучшения
— Проблемы дома / двора / парковки
Открыть доступ для жильцов >
Доступно после регистрации
Характеристики дома
Кратко
край. Краснодарский, г. Новороссийск, пр-кт. Дзержинского, д. 219 А
 Краснодарский, г. Новороссийск, пр-кт. Дзержинского, д. 219 А
крупнопанельный
9 этажей
2006 г. (17 лет)
36 квартир
Год постройки:
2006 г.
Год ввода дома в эксплуатацию:
2006 г.
Серия, тип постройки здания:
крупнопанельный
Тип дома:
Многоквартирный дом
Способ формирования ФКР:
На специальном счете у регионального оператора
Дом признан аварийным:
Нет
Кол-во этажей наибольшее:
9
Кол-во этажей наименьшее:
9
Количество подъездов:
1
Количество лифтов:
1
Общая площадь дома:
3 560,40 м2
— жилых помещений:
3 010,40 м2
— нежилых помещений:
520,00 м2
Класс энергетической эффектив.:
B+
Детская площадка:
Имеется
Спортивная площадка:
Не имеется
Земельный участок:
Площадь зем. участка, входящего в состав общего имущества:
700,00 м2
Парковка в границах участка:
неизвестно
Кадастровый номер:
неизвестно
Конструктивные и инженерные элементы:
Тип фундамента:
Бетонные столбы
Тип перекрытий:
Смешанные
Материал несущих стен:
Блочные
Площадь подвала по полу:
356,00 м2
Тип мусоропровода:
Отсутствует
Количество мусоропроводов:
неизвестно
Тип фасада:
Окрашенный
Тип крыши:
Скатная
Тип кровли:
Из оцинкованной стали
Тип системы электроснабжения:
Центральное
Количество вводов в МКД:
3 ед.
Тип системы теплоснабжения:
Индивидуальный тепловой пункт (ИТП)
Тип системы горячего водоснаб.:
Закрытая с приготовлением горячей воды на ИТП
Тип системы холодного водоснаб.:
Центральное
Тип системы водоотведения:
Центральное
Тип системы газоснабжения:
Центральное
Тип системы вентиляции:
Вытяжная вентиляция
Тип системы пожаротушения:
Пожарный кран
Тип системы водостоков:
Наружные водостоки
Соседние дома в этом районе
г. Новороссийск
пр-кт. Дзержинского д. 164
5 этажей 1969 г.
Подробнее >
г. Новороссийск
пр-кт. Дзержинского д. 174
5 этажей 1972 г.
Подробнее >
г. Новороссийск
пр-кт. Дзержинского д. 234
9 этажей 2011 г.
Подробнее >
г. Новороссийск
пр-кт. Дзержинского д. 231
20 этажей 2015 г.
Подробнее >
г. Новороссийск
пр-кт. Дзержинского д. (в/г 68, инв.№
3 этажа   2007 г.
Подробнее >
«Searent Мадрид Парк 2» апартаментный комплекс. Сочи. Цены на 2023
Способы оплаты
Билеты
Туристам
Трансферы
О компании
Я агент
Агентам
Личный кабинет
Россия, Краснодарский край, г. Сочи, Адлерский р-н, ул. Ленина, д. 219 А/1
 Сочи, Адлерский р-н, ул. Ленина, д. 219 А/1
еще 21 фото
Рейтинг по отзывам Алеан
Средняя стоимость
От 3 223 ₽/ночь
Питание
Завтрак, «меню-заказ» 2-разовое (завтрак+ужин), «меню-заказ» 3-разовое, «меню-заказ» Без питания, —
Wi-Fi на территории
Дети допускаются
с 0 лет
Время заезда/выезда
15:00/12:00
Бассейн
открытый
Пляж
оборудованный галечный
Расстояние до пляжа
200 м
Парковка
Рядом с апартаментным комплексом ведутся строительные работы.
- Огороженная территория с бассейном
- 5 минут до моря по парковой зоне
- В пешей доступности кафе, магазины, дельфинарий , океанариум Sochi Discovery World
- Почти все апартаменты оборудованы кухонной зоной
Апартаментный комплекс «SeaRent Мадрид парк 2» находится
центре Курортного городка в 250 метрах от моря.
Трехэтажный апартаментный комплекс занимает благоустроенную территорию площадью 2 га. Гостей ожидают однокомнатные и двухкомнатные номера, часть из которых оснащена мини-кухней и меблированным балконом. В номерах светлый приятный интерьер. В распоряжении отдыхающих небольшой бассейн с пресной водой, зона отдыха с шезлонгами, беспроводной интернет на всей территории и парковка по предварительному заказу. Для детей организована игровая площадка с горками.
Городской галечный пляж находится в 200 метрах от отеля. Пляж хорошо оснащен — есть душевые, раздевалки, работают кафе и бары, отдыхающим доступны водные развлечения, прокат шезлонгов и зонтиков.
Завтрак «меню-заказ» в столовой «Борщ»
2-разовое (завтрак+ужин) «меню-заказ» в столовой «Борщ»
3-разовое «меню-заказ» в столовой «Борщ»
Без питания —
| Бассейны | открытый детское отделение в бассейне для взрослых не подогреваемый пользование бассейном входит в стоимость работает сезонно | 
| Парковка | открытая охраняемая: (по предварительному заказу) | 
| Интернет | wi-fi в номерах wi-fi на территории | 
- проживание в номере выбранной категории
- питание (завтрак, 2-разовое или 3-разовое при выбранном тарифе)
Бесплатно предоставляются услуги:
- пользование открытым бассейном
- пользование пляжем
- интернет Wi-Fi
- детская кроватка (при наличии)
- парковка (по предварительному заказу)
| Оборудованный | бар душевые кабинки для переодевания кафе навесы туалет | 
| Характеристики пляжа | галечный городской | 
| Инфраструктура для детей | детская площадка | 
Cамолетом до аэропорта Адлер, далее автобусом №105, 105с, 105э до остановки «Фрегат», затем пройти 460 м до отеля.
Поездом до ж/д вокзала Адлер, далее автобусом №105, 105с, 105э, 115, 117, 123, 50, 55, 60, 88 до остановки «Фрегат», затем пешком 460 м до отеля.
Рекомендуем заказывать трансфер.
| Для взрослых | Общее ваучер общегражданский российский паспорт страховой медицинский полис | 
| Для детей | Общее общегражданский российский паспорт (от 14 лет и старше) оригинал свидетельства о рождении (до 14 лет) согласие родителей письменное — без сопровождающих лиц (от 14 лет и старше) согласие родителей письменное — в сопровождении третьих лиц (не родителей, законных опекунов) страховой медицинский полис | 
| Для иностранных граждан дополнительно | НЕ ПРИНИМАЮТСЯ | 
| Количество комнат | 3-комнатный | 
| Тип номера | Апартаменты | 
| Кол-во номеров | 2 | 
| Кол-во основных мест | 6 | 
| Площадь (кв.  м) | 50 | 
| Балкон | с мебелью | 
| Мебель | вешалка диван раскладной зеркало кровати односпальные: 2 кровать двуспальная кухонная мебель стол стулья шкаф | 
| Мини-кухня | |
| Оборудование | гладильная доска микроволновая печь мини-холодильник набор посуды сейф сплит-система стиральная машина телевизор ЖК утюг чайный набор посуды электрическая плита электрочайник | 
| Санузел | с душем | 
| Сервис | Wi-Fi бесплатно смена полотенец: 1 раз в 4 дня смена постельного белья: 1 раз в 8 дней | 
| Количество комнат | 1-комнатный | 
| Тип номера | Апартаменты | 
| Кол-во номеров | 2 | 
| Кол-во основных мест | 3 | 
| Площадь (кв.  м) | комната — 20, терраса — 20 | 
| Мебель | вешалка зеркало кровать двуспальная кухонная мебель прикроватные тумбочки раскладушка стол стулья шкаф | 
| Мини-кухня | |
| Оборудование | гладильная доска микроволновая печь мини-холодильник набор посуды сейф сплит-система стиральная машина телевизор ЖК утюг холодильник чайный набор посуды электрическая плита электрочайник | 
| Санузел | с душем туалетные принадлежности фен | 
| Сервис | Wi-Fi бесплатно смена полотенец: 1 раз в 4 дня смена постельного белья: 1 раз в 8 дней | 
| Терраса | оборудована мебелью | 
| Количество комнат | 1-комнатный | 
| Тип номера | Апартаменты | 
| Кол-во номеров | 10 | 
| Кол-во основных мест | 3 | 
| Площадь (кв.  м) | 20 | 
| Балкон | с мебелью | 
| Мебель | вешалка зеркало кровать двуспальная прикроватные тумбочки раскладушка стол стулья | 
| Оборудование | микроволновая печь мини-холодильник сейф сплит-система стиральная машина телевизор ЖК утюг чайный набор посуды электрочайник | 
| Санузел | с душем туалетные принадлежности фен | 
| Сервис | Wi-Fi бесплатно смена полотенец: 1 раз в 4 дня смена постельного белья: 1 раз в 8 дней | 
| Количество комнат | 1-комнатный | 
| Тип номера | Апартаменты | 
| Кол-во номеров | 10 | 
| Кол-во основных мест | 3 | 
| Площадь (кв.  м) | 20 | 
| Балкон | с мебелью | 
| Мебель | вешалка зеркало кровать двуспальная кухонная мебель прикроватные тумбочки раскладушка стол стулья шкаф | 
| Мини-кухня | |
| Оборудование | гладильная доска микроволновая печь мини-холодильник набор посуды сейф сплит-система стиральная машина телевизор ЖК утюг чайный набор посуды электрическая плита электрочайник | 
| Санузел | с душем туалетные принадлежности фен | 
| Сервис | Wi-Fi бесплатно смена полотенец: 1 раз в 4 дня смена постельного белья: 1 раз в 8 дней | 
| Количество комнат | 2-комнатный | 
| Тип номера | Апартаменты | 
| Кол-во номеров | 4 | 
| Кол-во основных мест | 4 | 
| Площадь (кв.  м) | 40 | 
| Мебель | вешалка диван раскладной зеркало кровать двуспальная кухонная мебель прикроватные тумбочки стол стулья шкаф | 
| Мини-кухня | |
| Оборудование | гладильная доска микроволновая печь мини-холодильник набор посуды сейф сплит-система стиральная машина телевизор утюг чайный набор посуды электрическая плита электрочайник | 
| Санузел | с душем туалетные принадлежности фен | 
| Сервис | Wi-Fi бесплатно смена полотенец: 1 раз в 4 дня смена постельного белья: 1 раз в 8 дней | 
| Количество комнат | 2-комнатный | 
| Тип номера | Апартаменты | 
| Кол-во номеров | 4 | 
| Кол-во основных мест | 4 | 
| Площадь (кв.  м) | 40 | 
| Балкон | с мебелью | 
| Мебель | вешалка диван раскладной зеркало кровать двуспальная кухонная мебель прикроватные тумбочки стол стулья шкаф | 
| Мини-кухня | |
| Оборудование | гладильная доска микроволновая печь мини-холодильник набор посуды сейф сплит-система телевизор ЖК утюг чайный набор посуды электрическая плита электрочайник | 
| Санузел | с душем туалетные принадлежности фен | 
| Сервис | Wi-Fi бесплатно смена полотенец: 1 раз в 4 дня смена постельного белья: 1 раз в 8 дней | 
| Количество комнат | 1-комнатный | 
| Тип номера | Апартаменты | 
| Кол-во номеров | 8 | 
| Кол-во основных мест | 3 | 
| Площадь (кв.  м) | 20 | 
| Балкон | с мебелью | 
| Мебель | вешалка зеркало кровать двуспальная кухонная мебель прикроватные тумбочки раскладушка стол стулья | 
| Мини-кухня | |
| Оборудование | микроволновая печь мини-холодильник набор посуды сейф сплит-система стиральная машина телевизор ЖК утюг холодильник чайный набор посуды электрическая плита электрочайник | 
| Санузел | с душем туалетные принадлежности фен | 
| Сервис | Wi-Fi бесплатно смена полотенец: 1 раз в 4 дня смена постельного белья: 1 раз в 8 дней | 
| Количество комнат | 1-комнатный | 
| Тип номера | Апартаменты | 
| Кол-во номеров | 6 | 
| Кол-во основных мест | 3 | 
| Площадь (кв.  м) | 20 | 
| Балкон | с мебелью | 
| Мебель | диван раскладной раскладушка стол стулья шкаф | 
| Мини-кухня | |
| Оборудование | кондиционер микроволновая печь стиральная машина телевизор электрическая плита электрочайник | 
| Санузел | с душевой кабиной туалетные принадлежности | 
| Сервис | смена полотенец: 1 раз в 4 дня смена постельного белья: 1 раз в 8 дней | 
| Количество комнат | 1-комнатный | 
| Тип номера | Апартаменты | 
| Кол-во номеров | 10 | 
| Кол-во основных мест | 3 | 
| Площадь (кв.  м) | 18-20 | 
| Балкон | с мебелью | 
| Мебель | вешалка зеркало кровать двуспальная прикроватные тумбочки раскладушка стол стулья тумба шкаф | 
| Мини-кухня | |
| Оборудование | кондиционер микроволновая печь стиральная машина телевизор ЖК утюг холодильник | 
| Санузел | с ванной или душевой кабиной фен | 
| Сервис | Wi-Fi бесплатно смена полотенец: 1 раз в 4 дня смена постельного белья: 1 раз в 8 дней | 
| Количество комнат | 1-комнатный | 
| Тип номера | Апартаменты | 
| Кол-во номеров | 1 | 
| Кол-во основных мест | 2 | 
| Площадь (кв.  м) | 16-18 | 
| Мебель | вешалка зеркало кровать двуспальная кухонная мебель стол стулья шкаф | 
| Мини-кухня | |
| Оборудование | гладильная доска микроволновая печь мини-холодильник набор посуды сейф сплит-система стиральная машина телевизор утюг чайный набор посуды электрическая плита электрочайник | 
| Санузел | с душем | 
| Сервис | Wi-Fi бесплатно смена полотенец: 1 раз в 4 дня смена постельного белья: 1 раз в 8 дней | 
D219A — реестр DA
D219A — реестр DAРеестр гитар Дэна Армстронга
 Этот очень ранний бас Дэна Армстронга появился на аукционе в декабре 2011 года по первоначальной запрашиваемой цене 1975 долларов. Поставляется с оригинальным футляром Ess & Ess, печатной брошюрой с инструкциями размером 8 x 11 дюймов и несколькими дополнительными мостиками. Звукосниматель был заменен на новый Kent Armstrong, как описано ниже.
 Поставляется с оригинальным футляром Ess & Ess, печатной брошюрой с инструкциями размером 8 x 11 дюймов и несколькими дополнительными мостиками. Звукосниматель был заменен на новый Kent Armstrong, как описано ниже. 
|    «Продается очень ранняя бас-гитара Dan Armstrong Bass производства Ampeg 1969 года выпуска с оригинальным жестким корпусом Ess & Ess. Серийный номер D219A идентифицирует ее как 119-ю бас-гитару из оригинального производственного цикла в 3000 экземпляров. Помимо редкого бриджа с прорезными винтами, у этой бас-гитары также есть уникальная особенность перехода конструкции.Самые первые модели имели большую полость звукоснимателя для размещения хромированной стопорной пластины, ввернутой в корпус.У этой бас-гитары полость звукоснимателя большего размера, но вместо передней монтажной пластины, задний винт с накатанной головкой, который стал стандартным методом крепления звукоснимателей.    «Ранний альбом Дэна Армстронга (в отличие от некоторых переизданий) имел короткую шкалу 30 1/2 дюйма. Более короткая шейка позволяет быстро и легко играть пальцами. Вы почти чувствуете, что играете на гитаре. Тем не менее, мощный звукосниматель (на самом деле два звукоснимателя с одной катушкой) обеспечивает насыщенный, глубокий басовый тон. Корпус изготовлен из обработанного и отполированного прозрачного акрила, того же материала, который продается под названиями Lucite и Plexiglas. Дэн Армстронг был широко известен как «прозрачные» гитары и бас-гитары, когда они впервые были представлены. Гриф из клена с накладкой из бразильского палисандра. Головка грифа и накладка выполнены из Formica. В самых ранних моделях, таких как эта, использовалась формика с гладкой поверхностью. Более поздние модели имели тот же рисунок текстуры древесины, но с текстурированной поверхностью.    «Ручки тюнера оригинальные Schaller.    «Бас-гитара поставляется в оригинальном жестком футляре, изготовленном Ess & Ess.    «Я сделаю все возможное, чтобы ответить на любые вопросы об этой бас-гитаре. | 
30 августа 2016 г. — D219A теперь выставлен на продажу в Чикаго и, как полагают, был продан по запрашиваемой цене 1495 долларов.
|    «Корпус этого Ampeg в отличной форме, с очень небольшим износом. Гриф глянцевый и гладкий, можно почувствовать лишь несколько небольших вмятин, в то время как передняя бабка имеет значительный износ по краям. Струны хорошо настроены, средний строй, отличная игра и четкое звучание по всем направлениям. | 
| Галерея | <- Назад | Отказ от ответственности | Далее -> | 
Addgene: Thy1.1-muSOX D219A
- Изображение: Иллюстрированная плазмидная карта в формате PNG 
- Файл GenBank: Последовательность плазмиды и аннотации. Используйте текстовый редактор или программное обеспечение для картирования плазмид для просмотра последовательности. 
- Файл SnapGene: Последовательность плазмиды и расширенные аннотации SnapGene. Используйте с программным обеспечением SnapGene или бесплатным средством просмотра для визуализации дополнительных данных и выравнивания других последовательностей.  
- Увеличить
- Просмотреть все последовательности
- Назначение - кодирует Thy1.1, за которым следует сайт P2A и каталитический мутант muSOX D219A для обогащения чистых популяций трансфицированных клеток 
- Депонирующая лаборатория - Бритт Глаунсингер 
- Публикация - Гилбертсон и др.  Элиф. 2018 3;7 октября. pii: 37663. doi: 10.7554/eLife.37663.   ( Как цитировать ) Элиф. 2018 3;7 октября. pii: 37663. doi: 10.7554/eLife.37663.   ( Как цитировать )
- Информация о последовательности - Последовательности (1) 
 
Заказ
| Товар | № по каталогу | Описание | Количество | Цена (долл.  США) | |
|---|---|---|---|---|---|
| Плазмида | 131704 | Стандартный формат: плазмида отправлена в бактерии в виде агарового мазка. | 1 | $85 | добавить в корзину | 
Этот материал доступен только для ученых и некоммерческих организаций.
Магистраль
Рост бактерий
Ген/Вставка
- Имя гена/вставки Thy1. 1-muSOX 1-muSOX
- Альтернативное имя CD90.1
- Вид МХВ68
- Размер вставки (bp) 2016
- Мутация Аспарагиновая кислота 219 мутировала в аланин
- Промоутер ЦМВ
Информация о клонировании
- Метод клонирования Рестрикционный фермент
- 5′ сайт клонирования ЭкоРИ (неизвестно, уничтожено ли)
- 3′ сайт клонирования БамХИ (неизвестно, уничтожено ли)
- 5′-праймер для секвенирования CGCAAATGGGCGGTAGGCGTG
- 3′-праймер для секвенирования ttgtttattgcagcttataatggtt (Общие праймеры для секвенирования)
Условия и лицензии
Торговые марки:
-  Zeocin® является товарным знаком InvivoGen. 
Как цитировать эту плазмиду (Вернуться к началу)
Эти плазмиды были созданы вашими коллегами. Пожалуйста, подтвердите Главный исследователь, процитируйте статью, в которой были описаны плазмиды, и включите Addgene в материалы и методы ваших будущих публикаций.
- Для раздела «Материалы и методы» : - Thy1.1-muSOX D219A был подарком от Бритт Глаунсингер (Плазмида Addgene # 131704; http://n2t.  

 Много информации об эволюции басов Дэна Армстронга можно найти на авторитетном веб-сайте www.danarmstrong.org».
 Много информации об эволюции басов Дэна Армстронга можно найти на авторитетном веб-сайте www.danarmstrong.org».   Элементы управления включают одну ручку для громкости и другую, которая сочетает в себе два звукоснимателя с одной катушкой, сложенные друг на друга. Регулятор смешивания позволяет вам настроить глубокий бас, который переходит в четкие высокие частоты при вращении ручки. Оригинальный звукосниматель идет вместе с басом, но он был удален, поскольку работала только одна из катушек. Сын Дэна Армстронга, Кент Армстронг, построил новый пикап на замену в своей мастерской в Вермонте. Он имеет внутренние компоненты и размеры, идентичные оригинальным звукоснимателям. Единственная разница заключается в том, что оригинальный звукосниматель заключен в каучукоподобное эпоксидное вещество, а сменный звукосниматель заключен в твердую эпоксидную смолу и имеет более глубокий коричневый цвет. Бас-гитара с новым звукоснимателем показана на фото на бирюзовом фоне. За исключением сменного звукоснимателя (помните, что оригинальный звукосниматель входит в комплект), все детали оригинальные.»
 Элементы управления включают одну ручку для громкости и другую, которая сочетает в себе два звукоснимателя с одной катушкой, сложенные друг на друга. Регулятор смешивания позволяет вам настроить глубокий бас, который переходит в четкие высокие частоты при вращении ручки. Оригинальный звукосниматель идет вместе с басом, но он был удален, поскольку работала только одна из катушек. Сын Дэна Армстронга, Кент Армстронг, построил новый пикап на замену в своей мастерской в Вермонте. Он имеет внутренние компоненты и размеры, идентичные оригинальным звукоснимателям. Единственная разница заключается в том, что оригинальный звукосниматель заключен в каучукоподобное эпоксидное вещество, а сменный звукосниматель заключен в твердую эпоксидную смолу и имеет более глубокий коричневый цвет. Бас-гитара с новым звукоснимателем показана на фото на бирюзовом фоне. За исключением сменного звукоснимателя (помните, что оригинальный звукосниматель входит в комплект), все детали оригинальные.»   Более поздние модели басов Дэна Армстронга использовали тюнеры Grover. Корпус в отличном состоянии, только мелкие «микро» царапины и несколько микроскопических сколов на передней правой верхней части. почти не чувствуется, не отображается на фотографиях и может быть легко удален Лютье Билл Ричардсон из Studio Guitars в Санта-Фе, штат Нью-Мексико, всемирно известен своими реставрационными работами на инструментах Дэна Армстронга. За очень доступную плату он восстанавливает акриловые корпуса Дэна Армстронга до состояния, как новое.Такие работы, выполняемые с гитарами и бас-гитарами Дэна Армстронга, не влияют на их стоимость, по словам эксперта Дэна Армстронга Марка Шнура, который создал и поддерживает веб-сайт Дэна Армстронга по адресу www.danarmstrong.org. . Также есть небольшая полукруглая царапина на лицевой панели передней бабки Formica, вызванная вращающимся кончиком струны. На фотографиях ее также не видно».
 Более поздние модели басов Дэна Армстронга использовали тюнеры Grover. Корпус в отличном состоянии, только мелкие «микро» царапины и несколько микроскопических сколов на передней правой верхней части. почти не чувствуется, не отображается на фотографиях и может быть легко удален Лютье Билл Ричардсон из Studio Guitars в Санта-Фе, штат Нью-Мексико, всемирно известен своими реставрационными работами на инструментах Дэна Армстронга. За очень доступную плату он восстанавливает акриловые корпуса Дэна Армстронга до состояния, как новое.Такие работы, выполняемые с гитарами и бас-гитарами Дэна Армстронга, не влияют на их стоимость, по словам эксперта Дэна Армстронга Марка Шнура, который создал и поддерживает веб-сайт Дэна Армстронга по адресу www.danarmstrong.org. . Также есть небольшая полукруглая царапина на лицевой панели передней бабки Formica, вызванная вращающимся кончиком струны. На фотографиях ее также не видно».   Внешний вид футляра находится в грубом состоянии, что неудивительно для инструмента 42-летней давности. Внутри часть плюшевого материала потерта. , но без разрывов.Корпус работает отлично, но вы, вероятно, захотите отложить его в пользу чего-то более современного.Также в комплекте четыре дополнительных бриджа из палисандра разной высоты, которые шли в комплекте с басом, а также инструкция по эксплуатации, который был написан на пишущей машинке, а затем отпечатан на мимеографе.Более поздние басы поставлялись с профессионально напечатанными инструкциями.Бас имеет тонкую струну (45-90) Rotosound flatwounds, предназначенные для игры на басах с короткой мензурой. Оригинальные басы Дэна Армстронга также поставлялись с тонкими струнами с плоской обмоткой. Одна вещь о басах Дэна Армстронга: несмотря на более тонкие струны, вы получаете массивный, глубокий басовый тон. Традиционные плоские заводы также мягче ладов, которые в этой модели практически не изнашиваются.»
 Внешний вид футляра находится в грубом состоянии, что неудивительно для инструмента 42-летней давности. Внутри часть плюшевого материала потерта. , но без разрывов.Корпус работает отлично, но вы, вероятно, захотите отложить его в пользу чего-то более современного.Также в комплекте четыре дополнительных бриджа из палисандра разной высоты, которые шли в комплекте с басом, а также инструкция по эксплуатации, который был написан на пишущей машинке, а затем отпечатан на мимеографе.Более поздние басы поставлялись с профессионально напечатанными инструкциями.Бас имеет тонкую струну (45-90) Rotosound flatwounds, предназначенные для игры на басах с короткой мензурой. Оригинальные басы Дэна Армстронга также поставлялись с тонкими струнами с плоской обмоткой. Одна вещь о басах Дэна Армстронга: несмотря на более тонкие струны, вы получаете массивный, глубокий басовый тон. Традиционные плоские заводы также мягче ладов, которые в этой модели практически не изнашиваются.»   Как я уже отмечал ранее, на сайте www.danarmstrong.com можно найти массу информации о прозрачных инструментах Дэна Армстронга. Этот бас планируется разместить на этом сайте из-за его состояния и уникальной полости звукоснимателя. Поскольку этот бас — винтажная вещь, я не буду разбирать его для отправки. В некоторых странах есть ограничения по размеру посылок, отправляемых по почте, и, если ваш регион находится в списке исключений, эти ограничения могут быть причиной».
 Как я уже отмечал ранее, на сайте www.danarmstrong.com можно найти массу информации о прозрачных инструментах Дэна Армстронга. Этот бас планируется разместить на этом сайте из-за его состояния и уникальной полости звукоснимателя. Поскольку этот бас — винтажная вещь, я не буду разбирать его для отправки. В некоторых странах есть ограничения по размеру посылок, отправляемых по почте, и, если ваш регион находится в списке исключений, эти ограничения могут быть причиной».   Эта бас-гитара из плексигласа явно выигрывает.»
     Эта бас-гитара из плексигласа явно выигрывает.»  
 Элиф. 2018 3;7 октября. pii: 37663. doi: 10.7554/eLife.37663.   ( Как цитировать )
 Элиф. 2018 3;7 октября. pii: 37663. doi: 10.7554/eLife.37663.   ( Как цитировать )  1-muSOX
 1-muSOX
