ΠΠ°ΠΊ ΠΏΡΠ°Π²ΠΈΠ»ΡΠ½ΠΎ Π²ΡΠ±ΡΠ°ΡΡ Π²Π°ΡΡΠΌΠ΅ΡΡ Π΄Π»Ρ ΠΈΠ·ΠΌΠ΅ΡΠ΅Π½ΠΈΠΉ. ΠΠ°ΠΊΠΈΠ΅ Π±ΡΠ²Π°ΡΡ ΡΡ Π΅ΠΌΡ ΠΏΠΎΠ΄ΠΊΠ»ΡΡΠ΅Π½ΠΈΡ Π²Π°ΡΡΠΌΠ΅ΡΡΠ°. ΠΠ°ΠΊ ΠΏΠΎΠ΄ΠΊΠ»ΡΡΠΈΡΡ Π²Π°ΡΡΠΌΠ΅ΡΡ Π² ΡΠ΅ΠΏΡ ΠΏΠΎΡΡΠΎΡΠ½Π½ΠΎΠ³ΠΎ ΡΠΎΠΊΠ°. ΠΠ°ΠΊ ΠΏΠΎΠ΄ΠΊΠ»ΡΡΠΈΡΡ Π²Π°ΡΡΠΌΠ΅ΡΡ Π² ΡΠ΅ΠΏΡ ΠΏΠ΅ΡΠ΅ΠΌΠ΅Π½Π½ΠΎΠ³ΠΎ ΡΠΎΠΊΠ°. ΠΠ° ΡΡΠΎ ΠΎΠ±ΡΠ°ΡΠΈΡΡ Π²Π½ΠΈΠΌΠ°Π½ΠΈΠ΅ ΠΏΡΠΈ ΠΏΠΎΠ΄ΠΊΠ»ΡΡΠ΅Π½ΠΈΠΈ Π²Π°ΡΡΠΌΠ΅ΡΡΠ°.
Π§ΡΠΎ ΡΠ°ΠΊΠΎΠ΅ Π²Π°ΡΡΠΌΠ΅ΡΡ ΠΈ Π΄Π»Ρ ΡΠ΅Π³ΠΎ ΠΎΠ½ Π½ΡΠΆΠ΅Π½
ΠΠ°ΡΡΠΌΠ΅ΡΡ — ΡΡΠΎ ΡΠ»Π΅ΠΊΡΡΠΎΠΈΠ·ΠΌΠ΅ΡΠΈΡΠ΅Π»ΡΠ½ΡΠΉ ΠΏΡΠΈΠ±ΠΎΡ, ΠΏΡΠ΅Π΄Π½Π°Π·Π½Π°ΡΠ΅Π½Π½ΡΠΉ Π΄Π»Ρ ΠΈΠ·ΠΌΠ΅ΡΠ΅Π½ΠΈΡ Π°ΠΊΡΠΈΠ²Π½ΠΎΠΉ ΠΌΠΎΡΠ½ΠΎΡΡΠΈ Π² ΡΠ΅ΠΏΡΡ ΠΏΠΎΡΡΠΎΡΠ½Π½ΠΎΠ³ΠΎ ΠΈ ΠΏΠ΅ΡΠ΅ΠΌΠ΅Π½Π½ΠΎΠ³ΠΎ ΡΠΎΠΊΠ°. ΠΡΠ½ΠΎΠ²Π½ΠΎΠ΅ Π½Π°Π·Π½Π°ΡΠ΅Π½ΠΈΠ΅ Π²Π°ΡΡΠΌΠ΅ΡΡΠ° — ΠΎΠΏΡΠ΅Π΄Π΅Π»Π΅Π½ΠΈΠ΅ ΠΌΠΎΡΠ½ΠΎΡΡΠΈ, ΠΏΠΎΡΡΠ΅Π±Π»ΡΠ΅ΠΌΠΎΠΉ ΡΠ»Π΅ΠΊΡΡΠΈΡΠ΅ΡΠΊΠΈΠΌΠΈ ΡΡΡΡΠΎΠΉΡΡΠ²Π°ΠΌΠΈ ΠΈ ΠΎΠ±ΠΎΡΡΠ΄ΠΎΠ²Π°Π½ΠΈΠ΅ΠΌ.
ΠΠ°ΡΡΠΌΠ΅ΡΡΡ ΠΏΡΠΈΠΌΠ΅Π½ΡΡΡΡΡ Π² ΡΠ»Π΅Π΄ΡΡΡΠΈΡ ΡΠ»ΡΡΠ°ΡΡ :
- ΠΠ»Ρ ΠΈΠ·ΠΌΠ΅ΡΠ΅Π½ΠΈΡ ΠΌΠΎΡΠ½ΠΎΡΡΠΈ ΠΎΡΠ΄Π΅Π»ΡΠ½ΡΡ ΡΠ»Π΅ΠΊΡΡΠΎΠΏΡΠΈΠ±ΠΎΡΠΎΠ² ΠΈ ΡΡΡΡΠΎΠΉΡΡΠ²
- ΠΠ»Ρ ΠΎΠΏΡΠ΅Π΄Π΅Π»Π΅Π½ΠΈΡ ΡΡΠΌΠΌΠ°ΡΠ½ΠΎΠΉ ΠΌΠΎΡΠ½ΠΎΡΡΠΈ Π³ΡΡΠΏΠΏΡ ΠΏΠΎΡΡΠ΅Π±ΠΈΡΠ΅Π»Π΅ΠΉ
- ΠΡΠΈ ΠΏΡΠΎΠ²Π΅Π΄Π΅Π½ΠΈΠΈ ΡΠ½Π΅ΡΠ³ΠΎΠ°ΡΠ΄ΠΈΡΠ° Π΄Π»Ρ Π²ΡΡΠ²Π»Π΅Π½ΠΈΡ ΡΠ½Π΅ΡΠ³ΠΎΡΡΡΠ΅ΠΊΡΠΈΠ²Π½ΠΎΡΡΠΈ ΠΎΠ±ΠΎΡΡΠ΄ΠΎΠ²Π°Π½ΠΈΡ
- ΠΠ»Ρ Π½Π°ΡΡΡΠΎΠΉΠΊΠΈ ΠΈ ΡΠ΅ΡΡΠΈΡΠΎΠ²Π°Π½ΠΈΡ ΡΠ»Π΅ΠΊΡΡΠΈΡΠ΅ΡΠΊΠΈΡ ΡΠ΅ΠΏΠ΅ΠΉ ΠΈ ΡΡΡΡΠΎΠΉΡΡΠ²
- Π Π»Π°Π±ΠΎΡΠ°ΡΠΎΡΠ½ΡΡ ΠΈΡΡΠ»Π΅Π΄ΠΎΠ²Π°Π½ΠΈΡΡ ΠΈ ΠΈΡΠΏΡΡΠ°Π½ΠΈΡΡ ΡΠ»Π΅ΠΊΡΡΠΎΠΎΠ±ΠΎΡΡΠ΄ΠΎΠ²Π°Π½ΠΈΡ
ΠΡΠ°Π²ΠΈΠ»ΡΠ½ΠΎΠ΅ ΠΏΠΎΠ΄ΠΊΠ»ΡΡΠ΅Π½ΠΈΠ΅ Π²Π°ΡΡΠΌΠ΅ΡΡΠ° Π² ΡΠ»Π΅ΠΊΡΡΠΈΡΠ΅ΡΠΊΡΡ ΡΠ΅ΠΏΡ ΠΊΡΠ°ΠΉΠ½Π΅ Π²Π°ΠΆΠ½ΠΎ Π΄Π»Ρ ΠΏΠΎΠ»ΡΡΠ΅Π½ΠΈΡ ΡΠΎΡΠ½ΡΡ ΡΠ΅Π·ΡΠ»ΡΡΠ°ΡΠΎΠ² ΠΈΠ·ΠΌΠ΅ΡΠ΅Π½ΠΈΠΉ. Π Π°ΡΡΠΌΠΎΡΡΠΈΠΌ ΠΎΡΠ½ΠΎΠ²Π½ΡΠ΅ ΡΡ Π΅ΠΌΡ ΠΈ ΠΏΡΠ°Π²ΠΈΠ»Π° Π²ΠΊΠ»ΡΡΠ΅Π½ΠΈΡ Π²Π°ΡΡΠΌΠ΅ΡΡΠΎΠ² ΡΠ°Π·Π»ΠΈΡΠ½ΡΡ ΡΠΈΠΏΠΎΠ².

ΠΡΠ½ΠΎΠ²Π½ΡΠ΅ ΡΠΈΠΏΡ Π²Π°ΡΡΠΌΠ΅ΡΡΠΎΠ²
Π‘ΡΡΠ΅ΡΡΠ²ΡΠ΅Ρ Π½Π΅ΡΠΊΠΎΠ»ΡΠΊΠΎ ΠΎΡΠ½ΠΎΠ²Π½ΡΡ ΡΠΈΠΏΠΎΠ² Π²Π°ΡΡΠΌΠ΅ΡΡΠΎΠ², ΠΎΡΠ»ΠΈΡΠ°ΡΡΠΈΡ ΡΡ ΠΏΠΎ ΠΏΡΠΈΠ½ΡΠΈΠΏΡ Π΄Π΅ΠΉΡΡΠ²ΠΈΡ ΠΈ ΠΊΠΎΠ½ΡΡΡΡΠΊΡΠΈΠΈ:
- ΠΠ»Π΅ΠΊΡΡΠΎΠ΄ΠΈΠ½Π°ΠΌΠΈΡΠ΅ΡΠΊΠΈΠ΅ — Π½Π°ΠΈΠ±ΠΎΠ»Π΅Π΅ ΡΠ°ΡΠΏΡΠΎΡΡΡΠ°Π½Π΅Π½Π½ΡΠΉ ΡΠΈΠΏ Π΄Π»Ρ ΠΈΠ·ΠΌΠ΅ΡΠ΅Π½ΠΈΠΉ Π² ΡΠ΅ΠΏΡΡ ΠΏΠΎΡΡΠΎΡΠ½Π½ΠΎΠ³ΠΎ ΠΈ ΠΏΠ΅ΡΠ΅ΠΌΠ΅Π½Π½ΠΎΠ³ΠΎ ΡΠΎΠΊΠ°
- Π€Π΅ΡΡΠΎΠ΄ΠΈΠ½Π°ΠΌΠΈΡΠ΅ΡΠΊΠΈΠ΅ — Π΄Π»Ρ ΠΈΠ·ΠΌΠ΅ΡΠ΅Π½ΠΈΠΉ Π² ΡΠ΅ΠΏΡΡ ΠΏΠ΅ΡΠ΅ΠΌΠ΅Π½Π½ΠΎΠ³ΠΎ ΡΠΎΠΊΠ° ΠΏΡΠΎΠΌΡΡΠ»Π΅Π½Π½ΠΎΠΉ ΡΠ°ΡΡΠΎΡΡ
- ΠΠ»Π΅ΠΊΡΡΠΎΠ½Π½ΡΠ΅ ΡΠΈΡΡΠΎΠ²ΡΠ΅ — ΡΠΎΠ²ΡΠ΅ΠΌΠ΅Π½Π½ΡΠ΅ ΠΏΡΠΈΠ±ΠΎΡΡ Ρ Π²ΡΡΠΎΠΊΠΎΠΉ ΡΠΎΡΠ½ΠΎΡΡΡΡ ΠΈΠ·ΠΌΠ΅ΡΠ΅Π½ΠΈΠΉ
- Π’Π΅ΡΠΌΠΎΡΠ»Π΅ΠΊΡΡΠΈΡΠ΅ΡΠΊΠΈΠ΅ — Π΄Π»Ρ ΠΈΠ·ΠΌΠ΅ΡΠ΅Π½ΠΈΠΉ Π½Π° Π²ΡΡΠΎΠΊΠΈΡ ΡΠ°ΡΡΠΎΡΠ°Ρ
- ΠΠ»Π΅ΠΊΡΡΠΎΡΡΠ°ΡΠΈΡΠ΅ΡΠΊΠΈΠ΅ — Π΄Π»Ρ ΠΈΠ·ΠΌΠ΅ΡΠ΅Π½ΠΈΠΉ Π² Π²ΡΡΠΎΠΊΠΎΠ²ΠΎΠ»ΡΡΠ½ΡΡ ΡΠ΅ΠΏΡΡ
ΠΡΠ±ΠΎΡ ΡΠΈΠΏΠ° Π²Π°ΡΡΠΌΠ΅ΡΡΠ° Π·Π°Π²ΠΈΡΠΈΡ ΠΎΡ ΠΏΠ°ΡΠ°ΠΌΠ΅ΡΡΠΎΠ² ΠΈΠ·ΠΌΠ΅ΡΡΠ΅ΠΌΠΎΠΉ ΡΠ΅ΠΏΠΈ ΠΈ ΡΡΠ΅Π±ΡΠ΅ΠΌΠΎΠΉ ΡΠΎΡΠ½ΠΎΡΡΠΈ. ΠΠ»Ρ Π±ΡΡΠΎΠ²ΡΡ ΠΈΠ·ΠΌΠ΅ΡΠ΅Π½ΠΈΠΉ ΡΠ°ΡΠ΅ Π²ΡΠ΅Π³ΠΎ ΠΏΡΠΈΠΌΠ΅Π½ΡΡΡΡΡ ΡΠ»Π΅ΠΊΡΡΠΎΠ΄ΠΈΠ½Π°ΠΌΠΈΡΠ΅ΡΠΊΠΈΠ΅ ΠΈ ΡΠ»Π΅ΠΊΡΡΠΎΠ½Π½ΡΠ΅ ΡΠΈΡΡΠΎΠ²ΡΠ΅ Π²Π°ΡΡΠΌΠ΅ΡΡΡ.
Π‘Ρ Π΅ΠΌΡ ΠΏΠΎΠ΄ΠΊΠ»ΡΡΠ΅Π½ΠΈΡ Π²Π°ΡΡΠΌΠ΅ΡΡΠ° Π² ΡΠ΅ΠΏΡ ΠΏΠΎΡΡΠΎΡΠ½Π½ΠΎΠ³ΠΎ ΡΠΎΠΊΠ°
ΠΡΠΈ ΠΈΠ·ΠΌΠ΅ΡΠ΅Π½ΠΈΠΈ ΠΌΠΎΡΠ½ΠΎΡΡΠΈ Π² ΡΠ΅ΠΏΠΈ ΠΏΠΎΡΡΠΎΡΠ½Π½ΠΎΠ³ΠΎ ΡΠΎΠΊΠ° Π²Π°ΡΡΠΌΠ΅ΡΡ ΠΏΠΎΠ΄ΠΊΠ»ΡΡΠ°Π΅ΡΡΡ ΠΏΠΎ ΡΠ»Π΅Π΄ΡΡΡΠ΅ΠΉ ΡΡ Π΅ΠΌΠ΅:
- Π’ΠΎΠΊΠΎΠ²Π°Ρ ΠΊΠ°ΡΡΡΠΊΠ° (Π½Π΅ΠΏΠΎΠ΄Π²ΠΈΠΆΠ½Π°Ρ) Π²ΠΊΠ»ΡΡΠ°Π΅ΡΡΡ ΠΏΠΎΡΠ»Π΅Π΄ΠΎΠ²Π°ΡΠ΅Π»ΡΠ½ΠΎ Ρ Π½Π°Π³ΡΡΠ·ΠΊΠΎΠΉ
- ΠΠ°ΡΡΡΠΊΠ° Π½Π°ΠΏΡΡΠΆΠ΅Π½ΠΈΡ (ΠΏΠΎΠ΄Π²ΠΈΠΆΠ½Π°Ρ) ΠΏΠΎΠ΄ΠΊΠ»ΡΡΠ°Π΅ΡΡΡ ΠΏΠ°ΡΠ°Π»Π»Π΅Π»ΡΠ½ΠΎ Π½Π°Π³ΡΡΠ·ΠΊΠ΅
- ΠΠ΅Π½Π΅ΡΠ°ΡΠΎΡΠ½ΡΠ΅ Π·Π°ΠΆΠΈΠΌΡ ΠΏΡΠΈΠ±ΠΎΡΠ° (ΠΎΠ±ΠΎΠ·Π½Π°ΡΠ΅Π½Π½ΡΠ΅ *) ΠΏΡΠΈΡΠΎΠ΅Π΄ΠΈΠ½ΡΡΡΡΡ ΠΊ ΠΈΡΡΠΎΡΠ½ΠΈΠΊΡ ΠΏΠΈΡΠ°Π½ΠΈΡ
ΠΠ°ΠΆΠ½ΠΎ ΡΠΎΠ±Π»ΡΠ΄Π°ΡΡ ΠΏΠΎΠ»ΡΡΠ½ΠΎΡΡΡ ΠΏΠΎΠ΄ΠΊΠ»ΡΡΠ΅Π½ΠΈΡ — Π³Π΅Π½Π΅ΡΠ°ΡΠΎΡΠ½ΡΠ΅ Π·Π°ΠΆΠΈΠΌΡ Π΄ΠΎΠ»ΠΆΠ½Ρ Π±ΡΡΡ ΡΠΎ ΡΡΠΎΡΠΎΠ½Ρ ΠΈΡΡΠΎΡΠ½ΠΈΠΊΠ°. ΠΡΠΈ Π½Π΅ΠΏΡΠ°Π²ΠΈΠ»ΡΠ½ΠΎΠΌ Π²ΠΊΠ»ΡΡΠ΅Π½ΠΈΠΈ Π²ΠΎΠ·ΠΌΠΎΠΆΠ½Ρ ΠΏΠΎΠ²ΡΠ΅ΠΆΠ΄Π΅Π½ΠΈΠ΅ ΠΏΡΠΈΠ±ΠΎΡΠ° ΠΈ Π½Π΅Π²Π΅ΡΠ½ΡΠ΅ ΠΏΠΎΠΊΠ°Π·Π°Π½ΠΈΡ.

ΠΡΠΎΠ±Π΅Π½Π½ΠΎΡΡΠΈ ΠΏΠΎΠ΄ΠΊΠ»ΡΡΠ΅Π½ΠΈΡ Π²Π°ΡΡΠΌΠ΅ΡΡΠ° Π² ΡΠ΅ΠΏΡ ΠΏΠ΅ΡΠ΅ΠΌΠ΅Π½Π½ΠΎΠ³ΠΎ ΡΠΎΠΊΠ°
Π‘Ρ Π΅ΠΌΠ° Π²ΠΊΠ»ΡΡΠ΅Π½ΠΈΡ Π²Π°ΡΡΠΌΠ΅ΡΡΠ° Π² ΡΠ΅ΠΏΡ ΠΏΠ΅ΡΠ΅ΠΌΠ΅Π½Π½ΠΎΠ³ΠΎ ΡΠΎΠΊΠ° Π°Π½Π°Π»ΠΎΠ³ΠΈΡΠ½Π° ΠΏΠΎΡΡΠΎΡΠ½Π½ΠΎΠΌΡ ΡΠΎΠΊΡ, Π½ΠΎ ΠΈΠΌΠ΅Π΅Ρ Π½Π΅ΠΊΠΎΡΠΎΡΡΠ΅ ΠΎΡΠΎΠ±Π΅Π½Π½ΠΎΡΡΠΈ:
- ΠΠ΅ΠΎΠ±Ρ ΠΎΠ΄ΠΈΠΌΠΎ ΡΡΠΈΡΡΠ²Π°ΡΡ Π½Π°ΠΏΡΠ°Π²Π»Π΅Π½ΠΈΠ΅ ΠΌΠ°Π³Π½ΠΈΡΠ½ΠΎΠ³ΠΎ ΠΏΠΎΠ»Ρ Π² ΠΊΠ°ΡΡΡΠΊΠ°Ρ — Π³Π΅Π½Π΅ΡΠ°ΡΠΎΡΠ½ΡΠ΅ Π·Π°ΠΆΠΈΠΌΡ ΠΏΠΎΠ΄ΠΊΠ»ΡΡΠ°ΡΡΡΡ ΠΊ ΡΠ°Π·Π½ΠΎΠΌΡ ΠΏΡΠΎΠ²ΠΎΠ΄Ρ
- Π ΡΡΠ΅Ρ ΡΠ°Π·Π½ΡΡ ΡΠ΅ΠΏΡΡ ΠΈΡΠΏΠΎΠ»ΡΠ·ΡΠ΅ΡΡΡ ΡΡ Π΅ΠΌΠ° ΠΈΠ· ΡΡΠ΅Ρ Π²Π°ΡΡΠΌΠ΅ΡΡΠΎΠ² ΠΈΠ»ΠΈ ΡΠΏΠ΅ΡΠΈΠ°Π»ΡΠ½ΡΠ΅ ΡΡΠ΅Ρ ΡΠ°Π·Π½ΡΠ΅ Π²Π°ΡΡΠΌΠ΅ΡΡΡ
- ΠΡΠΈ Π±ΠΎΠ»ΡΡΠΈΡ ΡΠΎΠΊΠ°Ρ ΠΈ Π½Π°ΠΏΡΡΠΆΠ΅Π½ΠΈΡΡ ΠΏΡΠΈΠΌΠ΅Π½ΡΡΡΡΡ ΠΈΠ·ΠΌΠ΅ΡΠΈΡΠ΅Π»ΡΠ½ΡΠ΅ ΡΡΠ°Π½ΡΡΠΎΡΠΌΠ°ΡΠΎΡΡ ΡΠΎΠΊΠ° ΠΈ Π½Π°ΠΏΡΡΠΆΠ΅Π½ΠΈΡ
Π ΡΠ΅ΠΏΡΡ ΠΏΠ΅ΡΠ΅ΠΌΠ΅Π½Π½ΠΎΠ³ΠΎ ΡΠΎΠΊΠ° Π²Π°ΡΡΠΌΠ΅ΡΡ ΠΈΠ·ΠΌΠ΅ΡΡΠ΅Ρ Π°ΠΊΡΠΈΠ²Π½ΡΡ ΠΌΠΎΡΠ½ΠΎΡΡΡ. ΠΠ»Ρ ΠΈΠ·ΠΌΠ΅ΡΠ΅Π½ΠΈΡ ΠΏΠΎΠ»Π½ΠΎΠΉ ΠΈ ΡΠ΅Π°ΠΊΡΠΈΠ²Π½ΠΎΠΉ ΠΌΠΎΡΠ½ΠΎΡΡΠΈ ΠΏΡΠΈΠΌΠ΅Π½ΡΡΡΡΡ ΡΠΏΠ΅ΡΠΈΠ°Π»ΡΠ½ΡΠ΅ ΠΏΡΠΈΠ±ΠΎΡΡ.
ΠΠΎΡΠ°Π³ΠΎΠ²Π°Ρ ΠΈΠ½ΡΡΡΡΠΊΡΠΈΡ ΠΏΠΎ ΠΏΠΎΠ΄ΠΊΠ»ΡΡΠ΅Π½ΠΈΡ Π²Π°ΡΡΠΌΠ΅ΡΡΠ°
ΠΠ»Ρ ΠΏΡΠ°Π²ΠΈΠ»ΡΠ½ΠΎΠ³ΠΎ ΠΏΠΎΠ΄ΠΊΠ»ΡΡΠ΅Π½ΠΈΡ Π²Π°ΡΡΠΌΠ΅ΡΡΠ° Π½Π΅ΠΎΠ±Ρ ΠΎΠ΄ΠΈΠΌΠΎ Π²ΡΠΏΠΎΠ»Π½ΠΈΡΡ ΡΠ»Π΅Π΄ΡΡΡΠΈΠ΅ ΡΠ°Π³ΠΈ:
- ΠΠΏΡΠ΅Π΄Π΅Π»ΠΈΡΡ ΠΏΠ°ΡΠ°ΠΌΠ΅ΡΡΡ ΠΈΠ·ΠΌΠ΅ΡΡΠ΅ΠΌΠΎΠΉ ΡΠ΅ΠΏΠΈ (Π½Π°ΠΏΡΡΠΆΠ΅Π½ΠΈΠ΅, ΡΠΎΠΊ, ΡΠ°ΡΡΠΎΡΠ°)
- ΠΡΠ±ΡΠ°ΡΡ ΠΏΠΎΠ΄Ρ ΠΎΠ΄ΡΡΠΈΠΉ Π²Π°ΡΡΠΌΠ΅ΡΡ Ρ ΡΠΎΠΎΡΠ²Π΅ΡΡΡΠ²ΡΡΡΠΈΠΌΠΈ ΠΏΡΠ΅Π΄Π΅Π»Π°ΠΌΠΈ ΠΈΠ·ΠΌΠ΅ΡΠ΅Π½ΠΈΠΉ
- ΠΠ±Π΅ΡΡΠΎΡΠΈΡΡ ΠΈΠ·ΠΌΠ΅ΡΡΠ΅ΠΌΡΡ ΡΠ΅ΠΏΡ
- ΠΠΎΠ΄ΠΊΠ»ΡΡΠΈΡΡ ΡΠΎΠΊΠΎΠ²ΡΡ ΠΊΠ°ΡΡΡΠΊΡ ΠΏΠΎΡΠ»Π΅Π΄ΠΎΠ²Π°ΡΠ΅Π»ΡΠ½ΠΎ Ρ Π½Π°Π³ΡΡΠ·ΠΊΠΎΠΉ
- ΠΠΎΠ΄ΠΊΠ»ΡΡΠΈΡΡ ΠΊΠ°ΡΡΡΠΊΡ Π½Π°ΠΏΡΡΠΆΠ΅Π½ΠΈΡ ΠΏΠ°ΡΠ°Π»Π»Π΅Π»ΡΠ½ΠΎ Π½Π°Π³ΡΡΠ·ΠΊΠ΅
- ΠΡΠΎΠ²Π΅ΡΠΈΡΡ ΠΏΡΠ°Π²ΠΈΠ»ΡΠ½ΠΎΡΡΡ ΠΈ Π½Π°Π΄Π΅ΠΆΠ½ΠΎΡΡΡ ΡΠΎΠ΅Π΄ΠΈΠ½Π΅Π½ΠΈΠΉ
- ΠΠΎΠ΄Π°ΡΡ ΠΏΠΈΡΠ°Π½ΠΈΠ΅ Π½Π° ΡΠ΅ΠΏΡ ΠΈ ΠΏΡΠΎΠΈΠ·Π²Π΅ΡΡΠΈ ΠΈΠ·ΠΌΠ΅ΡΠ΅Π½ΠΈΡ
ΠΡΠΈ ΡΠ°Π±ΠΎΡΠ΅ Ρ Π²Π°ΡΡΠΌΠ΅ΡΡΠΎΠΌ Π½Π΅ΠΎΠ±Ρ ΠΎΠ΄ΠΈΠΌΠΎ ΡΠΎΠ±Π»ΡΠ΄Π°ΡΡ ΠΏΡΠ°Π²ΠΈΠ»Π° ΡΠ»Π΅ΠΊΡΡΠΎΠ±Π΅Π·ΠΎΠΏΠ°ΡΠ½ΠΎΡΡΠΈ ΠΈ ΡΠ»Π΅Π΄ΠΎΠ²Π°ΡΡ ΠΈΠ½ΡΡΡΡΠΊΡΠΈΠΈ ΠΏΠΎ ΡΠΊΡΠΏΠ»ΡΠ°ΡΠ°ΡΠΈΠΈ ΠΏΡΠΈΠ±ΠΎΡΠ°.

Π’ΠΈΠΏΠΈΡΠ½ΡΠ΅ ΠΎΡΠΈΠ±ΠΊΠΈ ΠΏΡΠΈ ΠΏΠΎΠ΄ΠΊΠ»ΡΡΠ΅Π½ΠΈΠΈ Π²Π°ΡΡΠΌΠ΅ΡΡΠ°
ΠΡΠΈ Π²ΠΊΠ»ΡΡΠ΅Π½ΠΈΠΈ Π²Π°ΡΡΠΌΠ΅ΡΡΠ° Π² ΡΠ»Π΅ΠΊΡΡΠΈΡΠ΅ΡΠΊΡΡ ΡΠ΅ΠΏΡ ΡΠ°ΡΡΠΎ Π΄ΠΎΠΏΡΡΠΊΠ°ΡΡΡΡ ΡΠ»Π΅Π΄ΡΡΡΠΈΠ΅ ΠΎΡΠΈΠ±ΠΊΠΈ:- ΠΠ΅ΠΏΡΠ°Π²ΠΈΠ»ΡΠ½Π°Ρ ΠΏΠΎΠ»ΡΡΠ½ΠΎΡΡΡ ΠΏΠΎΠ΄ΠΊΠ»ΡΡΠ΅Π½ΠΈΡ Π³Π΅Π½Π΅ΡΠ°ΡΠΎΡΠ½ΡΡ Π·Π°ΠΆΠΈΠΌΠΎΠ²
- ΠΠΊΠ»ΡΡΠ΅Π½ΠΈΠ΅ ΡΠΎΠΊΠΎΠ²ΠΎΠΉ ΠΊΠ°ΡΡΡΠΊΠΈ ΠΏΠ°ΡΠ°Π»Π»Π΅Π»ΡΠ½ΠΎ Π½Π°Π³ΡΡΠ·ΠΊΠ΅
- ΠΠΎΠ΄ΠΊΠ»ΡΡΠ΅Π½ΠΈΠ΅ ΠΊΠ°ΡΡΡΠΊΠΈ Π½Π°ΠΏΡΡΠΆΠ΅Π½ΠΈΡ ΠΏΠΎΡΠ»Π΅Π΄ΠΎΠ²Π°ΡΠ΅Π»ΡΠ½ΠΎ Ρ Π½Π°Π³ΡΡΠ·ΠΊΠΎΠΉ
- ΠΡΠ΅Π²ΡΡΠ΅Π½ΠΈΠ΅ Π΄ΠΎΠΏΡΡΡΠΈΠΌΡΡ ΠΏΡΠ΅Π΄Π΅Π»ΠΎΠ² ΠΏΠΎ ΡΠΎΠΊΡ ΠΈ Π½Π°ΠΏΡΡΠΆΠ΅Π½ΠΈΡ
- ΠΠ΅ΡΡΠ΅Ρ ΠΊΠΎΡΡΡΠΈΡΠΈΠ΅Π½ΡΠΎΠ² ΡΡΠ°Π½ΡΡΠΎΡΠΌΠ°ΡΠΈΠΈ ΠΏΡΠΈ ΠΈΡΠΏΠΎΠ»ΡΠ·ΠΎΠ²Π°Π½ΠΈΠΈ ΡΡΠ°Π½ΡΡΠΎΡΠΌΠ°ΡΠΎΡΠΎΠ²
ΠΡΠΈ ΠΎΡΠΈΠ±ΠΊΠΈ ΠΌΠΎΠ³ΡΡ ΠΏΡΠΈΠ²Π΅ΡΡΠΈ ΠΊ ΠΏΠΎΠ²ΡΠ΅ΠΆΠ΄Π΅Π½ΠΈΡ ΠΏΡΠΈΠ±ΠΎΡΠ° ΠΈ ΠΏΠΎΠ»ΡΡΠ΅Π½ΠΈΡ Π½Π΅Π²Π΅ΡΠ½ΡΡ ΡΠ΅Π·ΡΠ»ΡΡΠ°ΡΠΎΠ² ΠΈΠ·ΠΌΠ΅ΡΠ΅Π½ΠΈΠΉ. ΠΠΎΡΡΠΎΠΌΡ Π²Π°ΠΆΠ½ΠΎ Π²Π½ΠΈΠΌΠ°ΡΠ΅Π»ΡΠ½ΠΎ ΠΈΠ·ΡΡΠΈΡΡ ΡΡ Π΅ΠΌΡ ΠΏΠΎΠ΄ΠΊΠ»ΡΡΠ΅Π½ΠΈΡ ΠΈ Ρ Π°ΡΠ°ΠΊΡΠ΅ΡΠΈΡΡΠΈΠΊΠΈ Π²Π°ΡΡΠΌΠ΅ΡΡΠ° ΠΏΠ΅ΡΠ΅Π΄ ΠΏΡΠΎΠ²Π΅Π΄Π΅Π½ΠΈΠ΅ΠΌ ΠΈΠ·ΠΌΠ΅ΡΠ΅Π½ΠΈΠΉ.
ΠΠ΅ΡΡ Π±Π΅Π·ΠΎΠΏΠ°ΡΠ½ΠΎΡΡΠΈ ΠΏΡΠΈ ΡΠ°Π±ΠΎΡΠ΅ Ρ Π²Π°ΡΡΠΌΠ΅ΡΡΠΎΠΌ
ΠΡΠΈ ΠΏΡΠΎΠ²Π΅Π΄Π΅Π½ΠΈΠΈ ΠΈΠ·ΠΌΠ΅ΡΠ΅Π½ΠΈΠΉ Ρ ΠΏΠΎΠΌΠΎΡΡΡ Π²Π°ΡΡΠΌΠ΅ΡΡΠ° Π½Π΅ΠΎΠ±Ρ ΠΎΠ΄ΠΈΠΌΠΎ ΡΠΎΠ±Π»ΡΠ΄Π°ΡΡ ΡΠ»Π΅Π΄ΡΡΡΠΈΠ΅ ΠΌΠ΅ΡΡ Π±Π΅Π·ΠΎΠΏΠ°ΡΠ½ΠΎΡΡΠΈ:
- ΠΡΠΏΠΎΠ»ΡΠ·ΠΎΠ²Π°ΡΡ ΠΏΡΠΈΠ±ΠΎΡ ΡΠΎΠ»ΡΠΊΠΎ Π² ΠΏΡΠ΅Π΄Π΅Π»Π°Ρ Π΄ΠΎΠΏΡΡΡΠΈΠΌΡΡ Π·Π½Π°ΡΠ΅Π½ΠΈΠΉ ΡΠΎΠΊΠ° ΠΈ Π½Π°ΠΏΡΡΠΆΠ΅Π½ΠΈΡ
- ΠΠ΅ ΠΏΡΠΈΠΊΠ°ΡΠ°ΡΡΡΡ ΠΊ ΡΠΎΠΊΠΎΠ²Π΅Π΄ΡΡΠΈΠΌ ΡΠ°ΡΡΡΠΌ Π²ΠΎ Π²ΡΠ΅ΠΌΡ ΠΈΠ·ΠΌΠ΅ΡΠ΅Π½ΠΈΠΉ
- ΠΡΠΎΠ²ΠΎΠ΄ΠΈΡΡ ΠΏΠΎΠ΄ΠΊΠ»ΡΡΠ΅Π½ΠΈΠ΅ ΡΠΎΠ»ΡΠΊΠΎ ΠΏΡΠΈ ΠΎΠ±Π΅ΡΡΠΎΡΠ΅Π½Π½ΠΎΠΉ ΡΠ΅ΠΏΠΈ
- ΠΡΠΏΠΎΠ»ΡΠ·ΠΎΠ²Π°ΡΡ ΠΈΠ·ΠΌΠ΅ΡΠΈΡΠ΅Π»ΡΠ½ΡΠ΅ ΠΏΡΠΎΠ²ΠΎΠ΄Π° Ρ ΡΠΎΠΎΡΠ²Π΅ΡΡΡΠ²ΡΡΡΠ΅ΠΉ ΠΈΠ·ΠΎΠ»ΡΡΠΈΠ΅ΠΉ
- ΠΡΠΈ ΡΠ°Π±ΠΎΡΠ΅ Π² Π²ΡΡΠΎΠΊΠΎΠ²ΠΎΠ»ΡΡΠ½ΡΡ ΡΠ΅ΠΏΡΡ ΠΏΡΠΈΠΌΠ΅Π½ΡΡΡ Π·Π°ΡΠΈΡΠ½ΡΠ΅ ΡΡΠ΅Π΄ΡΡΠ²Π°
- ΠΠ΅ ΠΎΡΡΠ°Π²Π»ΡΡΡ ΠΏΡΠΈΠ±ΠΎΡ Π±Π΅Π· ΠΏΡΠΈΡΠΌΠΎΡΡΠ° Π² ΠΏΡΠΎΡΠ΅ΡΡΠ΅ ΠΈΠ·ΠΌΠ΅ΡΠ΅Π½ΠΈΠΉ
Π‘ΡΡΠΎΠ³ΠΎΠ΅ ΡΠΎΠ±Π»ΡΠ΄Π΅Π½ΠΈΠ΅ ΠΏΡΠ°Π²ΠΈΠ» Π±Π΅Π·ΠΎΠΏΠ°ΡΠ½ΠΎΡΡΠΈ ΠΏΠΎΠ·Π²ΠΎΠ»ΠΈΡ ΠΈΠ·Π±Π΅ΠΆΠ°ΡΡ ΠΏΠΎΡΠ°ΠΆΠ΅Π½ΠΈΡ ΡΠ»Π΅ΠΊΡΡΠΈΡΠ΅ΡΠΊΠΈΠΌ ΡΠΎΠΊΠΎΠΌ ΠΈ ΠΏΠΎΠ²ΡΠ΅ΠΆΠ΄Π΅Π½ΠΈΡ ΠΎΠ±ΠΎΡΡΠ΄ΠΎΠ²Π°Π½ΠΈΡ ΠΏΡΠΈ ΡΠ°Π±ΠΎΡΠ΅ Ρ Π²Π°ΡΡΠΌΠ΅ΡΡΠΎΠΌ.

Π‘Ρ Π΅ΠΌΠ° Π²ΠΊΠ»ΡΡΠ΅Π½ΠΈΡ Π²Π°ΡΡΠΌΠ΅ΡΡΠ° Π² ΡΠ»Π΅ΠΊΡΡΠΈΡΠ΅ΡΠΊΡΡ ΡΠ΅ΠΏΡ
ΠΠ· Π²ΡΡΠ°ΠΆΠ΅Π½ΠΈΡ Π΄Π»Ρ ΠΌΠΎΡΠ½ΠΎΡΡΠΈ Π½Π° ΠΏΠΎΡΡΠΎΡΠ½Π½ΠΎΠΌ ΡΠΎΠΊΠ΅ Π²ΠΈΠ΄Π½ΠΎ, ΡΡΠΎ Π΅Π΅ ΠΌΠΎΠΆΠ½ΠΎ ΠΈΠ·ΠΌΠ΅ΡΠΈΡΡ Ρ ΠΏΠΎΠΌΠΎΡΡΡ Π°ΠΌΠΏΠ΅ΡΠΌΠ΅ΡΡΠ° ΠΈ Π²ΠΎΠ»ΡΡΠΌΠ΅ΡΡΠ° ΠΊΠΎΡΠ²Π΅Π½Π½ΡΠΌ ΠΌΠ΅ΡΠΎΠ΄ΠΎΠΌ. ΠΠ΄Π½Π°ΠΊΠΎ Π² ΡΡΠΎΠΌ ΡΠ»ΡΡΠ°Π΅ Π½Π΅ΠΎΠ±Ρ ΠΎΠ΄ΠΈΠΌΠΎ ΠΏΡΠΎΠΈΠ·Π²ΠΎΠ΄ΠΈΡΡ ΠΎΠ΄Π½ΠΎΠ²ΡΠ΅ΠΌΠ΅Π½Π½ΡΠΉ ΠΎΡΡΡΠ΅Ρ ΠΏΠΎ Π΄Π²ΡΠΌ ΠΏΡΠΈΠ±ΠΎΡΠ°ΠΌ ΠΈ Π²ΡΡΠΈΡΠ»Π΅Π½ΠΈΡ, ΡΡΠ»ΠΎΠΆΠ½ΡΡΡΠΈΠ΅ ΠΈΠ·ΠΌΠ΅ΡΠ΅Π½ΠΈΡ ΠΈ ΡΠ½ΠΈΠΆΠ°ΡΡΠΈΠ΅ Π΅Π³ΠΎ ΡΠΎΡΠ½ΠΎΡΡΡ. ΠΠ»Ρ ΠΈΠ·ΠΌΠ΅ΡΠ΅Π½ΠΈΡ ΠΌΠΎΡΠ½ΠΎΡΡΠΈ Π² ΡΠ΅ΠΏΡΡ ΠΏΠΎΡΡΠΎΡΠ½Π½ΠΎΠ³ΠΎ ΠΈ ΠΎΠ΄Π½ΠΎΡΠ°Π·Π½ΠΎΠ³ΠΎ ΠΏΠ΅ΡΠ΅ΠΌΠ΅Π½Π½ΠΎΠ³ΠΎ ΡΠΎΠΊΠ° ΠΏΡΠΈΠΌΠ΅Π½ΡΡΡ ΠΏΡΠΈΠ±ΠΎΡΡ, Π½Π°Π·ΡΠ²Π°Π΅ΠΌΡΠ΅ Π²Π°ΡΡΠΌΠ΅ΡΡΠ°ΠΌΠΈ, Π΄Π»Ρ ΠΊΠΎΡΠΎΡΡΡ ΠΈΡΠΏΠΎΠ»ΡΠ·ΡΡΡ ΡΠ»Π΅ΠΊΡΡΠΎΠ΄ΠΈΠ½Π°ΠΌΠΈΡΠ΅ΡΠΊΠΈΠ΅ ΠΈ ΡΠ΅ΡΡΠΎΠ΄ΠΈΠ½Π°ΠΌΠΈΡΠ΅ΡΠΊΠΈΠ΅ ΠΈΠ·ΠΌΠ΅ΡΠΈΡΠ΅Π»ΡΠ½ΡΠ΅ ΠΌΠ΅Ρ Π°Π½ΠΈΠ·ΠΌΡ. ΠΠ»Π΅ΠΊΡΡΠΎΠ΄ΠΈΠ½Π°ΠΌΠΈΡΠ΅ΡΠΊΠΈΠ΅ Π²Π°ΡΡΠΌΠ΅ΡΡΡ Π²ΡΠΏΡΡΠΊΠ°ΡΡ Π² Π²ΠΈΠ΄Π΅ ΠΏΠ΅ΡΠ΅Π½ΠΎΡΠ½ΡΡ ΠΏΡΠΈΠ±ΠΎΡΠΎΠ² Π²ΡΡΠΎΠΊΠΈΡ ΠΊΠ»Π°ΡΡΠΎΠ² ΡΠΎΡΠ½ΠΎΡΡΠΈ 0,1 — 0,5 ΠΈ ΠΈΡΠΏΠΎΠ»ΡΠ·ΡΡΡ Π΄Π»Ρ ΡΠΎΡΠ½ΡΡ ΠΈΠ·ΠΌΠ΅ΡΠ΅Π½ΠΈΠΉ ΠΌΠΎΡΠ½ΠΎΡΡΠΈ ΠΏΠΎΡΡΠΎΡΠ½Π½ΠΎΠ³ΠΎ ΠΈ ΠΏΠ΅ΡΠ΅ΠΌΠ΅Π½Π½ΠΎΠ³ΠΎ ΡΠΎΠΊΠ° Π½Π° ΠΏΡΠΎΠΌΡΡΠ»Π΅Π½Π½ΠΎΠΉ ΠΈ ΠΏΠΎΠ²ΡΡΠ΅Π½Π½ΠΎΠΉ ΡΠ°ΡΡΠΎΡΠ΅ Π΄ΠΎ ΠΡ.
ΠΠΎΠΈΡΠΊ Π΄Π°Π½Π½ΡΡ ΠΏΠΎ ΠΠ°ΡΠ΅ΠΌΡ Π·Π°ΠΏΡΠΎΡΡ:
Π‘Ρ Π΅ΠΌΡ, ΡΠΏΡΠ°Π²ΠΎΡΠ½ΠΈΠΊΠΈ, Π΄Π°ΡΠ°ΡΠΈΡΡ:
ΠΡΠ°ΠΉΡ-Π»ΠΈΡΡΡ, ΡΠ΅Π½Ρ:
ΠΠ±ΡΡΠΆΠ΄Π΅Π½ΠΈΡ, ΡΡΠ°ΡΡΠΈ, ΠΌΠ°Π½ΡΠ°Π»Ρ:
ΠΠΎΠΆΠ΄ΠΈΡΠ΅ΡΡ ΠΎΠΊΠΎΠ½ΡΠ°Π½ΠΈΡ ΠΏΠΎΠΈΡΠΊΠ° Π²ΠΎ Π²ΡΠ΅Ρ Π±Π°Π·Π°Ρ .
ΠΠΎ Π·Π°Π²Π΅ΡΡΠ΅Π½ΠΈΡ ΠΏΠΎΡΠ²ΠΈΡΡΡ ΡΡΡΠ»ΠΊΠ° Π΄Π»Ρ Π΄ΠΎΡΡΡΠΏΠ° ΠΊ Π½Π°ΠΉΠ΄Π΅Π½Π½ΡΠΌ ΠΌΠ°ΡΠ΅ΡΠΈΠ°Π»Π°ΠΌ.
Π‘ΠΎΠ΄Π΅ΡΠΆΠ°Π½ΠΈΠ΅:
- ΠΠΎΠ»ΡΡΠ°Ρ ΠΠ½ΡΠΈΠΊΠ»ΠΎΠΏΠ΅Π΄ΠΈΡ ΠΠ΅ΡΡΠΈ ΠΈ ΠΠ°Π·Π°. Π‘Ρ Π΅ΠΌΠ° Π²ΠΊΠ»ΡΡΠ΅Π½ΠΈΡ Π²Π°ΡΡΠΌΠ΅ΡΡΠ°
- Please turn JavaScript on and reload the page.
- ΠΠ·ΠΌΠ΅ΡΠ΅Π½ΠΈΠ΅ ΡΠΎΠΊΠΎΠ², Π½Π°ΠΏΡΡΠΆΠ΅Π½ΠΈΠΉ, ΠΌΠΎΡΠ½ΠΎΡΡΠ΅ΠΉ ΠΈ ΡΠ½Π΅ΡΠ³ΠΈΠΈ
- Π‘Ρ Π΅ΠΌΡ Π²ΠΊΠ»ΡΡΠ΅Π½ΠΈΡ ΠΈΠ·ΠΌΠ΅ΡΠΈΡΠ΅Π»ΡΠ½ΡΡ ΠΏΡΠΈΠ±ΠΎΡΠΎΠ²
- Β§102. ΠΠ·ΠΌΠ΅ΡΠ΅Π½ΠΈΠ΅ ΠΌΠΎΡΠ½ΠΎΡΡΠΈ ΠΈ ΡΠ»Π΅ΠΊΡΡΠΈΡΠ΅ΡΠΊΠΎΠΉ ΡΠ½Π΅ΡΠ³ΠΈΠΈ
- ΠΠ·ΠΌΠ΅ΡΠ΅Π½ΠΈΠ΅ ΡΠΈΠ»Ρ ΡΠΎΠΊΠ°, Π½Π°ΠΏΡΡΠΆΠ΅Π½ΠΈΡ ΠΈ ΠΌΠΎΡΠ½ΠΎΡΡΠΈ Π² ΡΠ»Π΅ΠΊΡΡΠΈΡΠ΅ΡΠΊΠΈΡ ΡΠ΅ΠΏΡΡ
- ΠΠ°ΡΡΠΌΠ΅ΡΡ Π΄Π»Ρ ΠΈΠ·ΠΌΠ΅ΡΠ΅Π½ΠΈΡ ΠΌΠΎΡΠ½ΠΎΡΡΠΈ: Π½Π°Π·Π½Π°ΡΠ΅Π½ΠΈΠ΅, ΡΠΈΠΏΡ, ΠΏΠΎΠ΄ΠΊΠ»ΡΡΠ΅Π½ΠΈΠ΅, ΠΏΡΠΈΠΌΠ΅Π½Π΅Π½ΠΈΠ΅
- ΠΠ·ΠΌΠ΅ΡΠ΅Π½ΠΈΠ΅ ΠΌΠΎΡΠ½ΠΎΡΡΠΈ ΠΈ ΡΠ½Π΅ΡΠ³ΠΈΠΈ
- ΠΠΊΠ»ΡΡΠ΅Π½ΠΈΠ΅ Π²Π°ΡΡΠΌΠ΅ΡΡΠ° Π² ΠΈΠ·ΠΌΠ΅ΡΡΠ΅ΠΌΡΡ ΡΠ΅ΠΏΡ
- ΠΠ·ΠΌΠ΅ΡΠ΅Π½ΠΈΠ΅ ΠΌΠΎΡΠ½ΠΎΡΡΠΈ ΡΠΎΠΊΠ°.
Π‘Ρ Π΅ΠΌΠ° Π²ΠΊΠ»ΡΡΠ΅Π½ΠΈΡ Π²Π°ΡΡΠΌΠ΅ΡΡΠ°. Π‘Ρ Π΅ΠΌΡ ΠΈΠ·ΠΌΠ΅ΡΠ΅Π½ΠΈΡ ΠΌΠΎΡΠ½ΠΎΡΡΠΈ.
ΠΠΠ‘ΠΠΠ’Π ΠΠ’Π ΠΠΠΠΠ ΠΠ Π’ΠΠΠ: Π’ΡΠ΅Ρ ΡΠ°Π·Π½ΡΠ΅ ΡΠ»Π΅ΠΊΡΡΠΈΡΠ΅ΡΠΊΠΈΠ΅ ΡΠ΅ΠΏΠΈ βΠ’Π΅ΠΎΡΠΈΡ Ρ. 2
ΠΠΎΠ»ΡΡΠ°Ρ ΠΠ½ΡΠΈΠΊΠ»ΠΎΠΏΠ΅Π΄ΠΈΡ ΠΠ΅ΡΡΠΈ ΠΈ ΠΠ°Π·Π°. Π‘Ρ Π΅ΠΌΠ° Π²ΠΊΠ»ΡΡΠ΅Π½ΠΈΡ Π²Π°ΡΡΠΌΠ΅ΡΡΠ°
ΠΠ·ΠΌΠ΅ΡΠ΅Π½ΠΈΠ΅ ΠΌΠΎΡΠ½ΠΎΡΡΠΈ. Π ΡΠ΅ΠΏΡΡ ΠΏΠΎΡΡΠΎΡΠ½Π½ΠΎΠ³ΠΎ ΡΠΎΠΊΠ° ΠΌΠΎΡΠ½ΠΎΡΡΡ ΠΈΠ·ΠΌΠ΅ΡΡΡΡ ΡΠ»Π΅ΠΊΡΡΠΎ- ΠΈΠ»ΠΈ ΡΠ΅ΡΡΠΎΠ΄ΠΈΠ½Π°ΠΌΠΈΡΠ΅ΡΠΊΠΈΠΌ Π²Π°ΡΡΠΌΠ΅ΡΡΠΎΠΌ. ΠΠΎΡΠ½ΠΎΡΡΡ ΠΌΠΎΠΆΠ΅Ρ Π±ΡΡΡ ΡΠ°ΠΊΠΆΠ΅ ΠΏΠΎΠ΄ΡΡΠΈΡΠ°Π½Π° ΠΏΠ΅ΡΠ΅ΠΌΠ½ΠΎΠΆΠ΅Π½ΠΈΠ΅ΠΌ Π·Π½Π°ΡΠ΅Π½ΠΈΠΉ ΡΠΎΠΊΠ° ΠΈ Π½Π°ΠΏΡΡΠΆΠ΅Π½ΠΈΡ, ΠΈΠ·ΠΌΠ΅ΡΠ΅Π½Π½ΡΡ Π°ΠΌΠΏΠ΅ΡΠΌΠ΅ΡΡΠΎΠΌ ΠΈ Π²ΠΎΠ»ΡΡΠΌΠ΅ΡΡΠΎΠΌ. Π ΡΠ΅ΠΏΡΡ ΠΎΠ΄Π½ΠΎΡΠ°Π·Π½ΠΎΠ³ΠΎ ΡΠΎΠΊΠ° ΠΈΠ·ΠΌΠ΅ΡΠ΅Π½ΠΈΠ΅ ΠΌΠΎΡΠ½ΠΎΡΡΠΈ ΠΌΠΎΠΆΠ΅Ρ Π±ΡΡΡ ΠΎΡΡΡΠ΅ΡΡΠ²Π»Π΅Π½ΠΎ ΡΠ»Π΅ΠΊΡΡΠΎΠ΄ΠΈΠ½Π°ΠΌΠΈΡΠ΅ΡΠΊΠΈΠΌ, ΡΠ΅ΡΡΠΎΠ΄ΠΈΠ½Π°ΠΌΠΈΡΠ΅ΡΠΊΠΈΠΌ ΠΈΠ»ΠΈ ΠΈΠ½Π΄ΡΠΊΡΠΈΠΎΠ½Π½ΡΠΌ Π²Π°ΡΡΠΌΠ΅ΡΡΠΎΠΌ.
ΠΠ°ΡΡΠΌΠ΅ΡΡ 4 ΡΠΈΡ. ΠΠ°ΡΡΠΌΠ΅ΡΡ ΡΠ²Π»ΡΠ΅ΡΡΡ ΠΏΡΠΈΠ±ΠΎΡΠΎΠΌ, ΡΡΠ΅Π±ΡΡΡΠΈΠΌ ΠΏΡΠΈ Π²ΠΊΠ»ΡΡΠ΅Π½ΠΈΠΈ ΡΠΎΠ±Π»ΡΠ΄Π΅Π½ΠΈΡ ΠΏΡΠ°Π²ΠΈΠ»ΡΠ½ΠΎΠΉ ΠΏΠΎΠ»ΡΡΠ½ΠΎΡΡΠΈ, ΠΏΠΎΡΡΠΎΠΌΡ Π΅Π³ΠΎ Π³Π΅Π½Π΅ΡΠ°ΡΠΎΡΠ½ΡΠ΅ Π·Π°ΠΆΠΈΠΌΡ Π·Π°ΠΆΠΈΠΌΡ, ΠΊ ΠΊΠΎΡΠΎΡΡΠΌ ΠΏΡΠΈΡΠΎΠ΅Π΄ΠΈΠ½ΡΡΡ ΠΏΡΠΎΠ²ΠΎΠ΄Π½ΠΈΠΊΠΈ, ΠΈΠ΄ΡΡΠΈΠ΅ ΡΠΎ ΡΡΠΎΡΠΎΠ½Ρ ΠΈΡΡΠΎΡΠ½ΠΈΠΊΠ° 1 ΠΎΠ±ΠΎΠ·Π½Π°ΡΠ°ΡΡ Π·Π²Π΅Π·Π΄ΠΎΡΠΊΠ°ΠΌΠΈ.
Π‘Ρ Π΅ΠΌΠ° Π΄Π»Ρ ΠΈΠ·ΠΌΠ΅ΡΠ΅Π½ΠΈΡ ΠΌΠΎΡΠ½ΠΎΡΡΠΈ. ΠΠ»Ρ ΡΠ°ΡΡΠΈΡΠ΅Π½ΠΈΡ ΠΏΡΠ΅Π΄Π΅Π»ΠΎΠ² ΠΈΠ·ΠΌΠ΅ΡΠ΅Π½ΠΈΡ Π²Π°ΡΡΠΌΠ΅ΡΡΠΎΠ² ΠΈΡ ΡΠΎΠΊΠΎΠ²ΡΠ΅ ΠΊΠ°ΡΡΡΠΊΠΈ Π²ΠΊΠ»ΡΡΠ°ΡΡ Π² ΡΠ΅ΠΏΡ ΠΏΡΠΈ ΠΏΠΎΠΌΠΎΡΠΈ ΡΡΠ½ΡΠΎΠ² ΠΈΠ»ΠΈ ΠΈΠ·ΠΌΠ΅ΡΠΈΡΠ΅Π»ΡΠ½ΡΡ ΡΡΠ°Π½ΡΡΠΎΡΠΌΠ°ΡΠΎΡΠΎΠ² ΡΠΎΠΊΠ°, Π° ΠΊΠ°ΡΡΡΠΊΠΈ Π½Π°ΠΏΡΡΠΆΠ΅Π½ΠΈΡ β ΡΠ΅ΡΠ΅Π· Π΄ΠΎΠ±Π°Π²ΠΎΡΠ½ΡΠ΅ ΡΠ΅Π·ΠΈΡΡΠΎΡΡ ΠΈΠ»ΠΈ ΠΈΠ·ΠΌΠ΅ΡΠΈΡΠ΅Π»ΡΠ½ΡΠ΅ ΡΡΠ°Π½ΡΡΠΎΡΠΌΠ°ΡΠΎΡΡ Π½Π°ΠΏΡΡΠΆΠ΅Π½ΠΈΡ.
ΠΠ·ΠΌΠ΅ΡΠ΅Π½ΠΈΠ΅ ΡΠ»Π΅ΠΊΡΡΠΈΡΠ΅ΡΠΊΠΎΠΉ ΡΠ½Π΅ΡΠ³ΠΈΠΈ. Π‘ΠΏΠΎΡΠΎΠ± ΠΈΠ·ΠΌΠ΅ΡΠ΅Π½ΠΈΡ. ΠΠ»Ρ ΡΡΠ΅ΡΠ° ΡΠ»Π΅ΠΊΡΡΠΈΡΠ΅ΡΠΊΠΎΠΉ ΡΠ½Π΅ΡΠ³ΠΈΠΈ, ΠΏΠΎΠ»ΡΡΠ°Π΅ΠΌΠΎΠΉ ΠΏΠΎΡΡΠ΅Π±ΠΈΡΠ΅Π»ΡΠΌΠΈ ΠΈΠ»ΠΈ ΠΎΡΠ΄Π°Π²Π°Π΅ΠΌΠΎΠΉ ΠΈΡΡΠΎΡΠ½ΠΈΠΊΠ°ΠΌΠΈ ΡΠΎΠΊΠ°, ΠΏΡΠΈΠΌΠ΅Π½ΡΡΡ ΡΡΠ΅ΡΡΠΈΠΊΠΈ ΡΠ»Π΅ΠΊΡΡΠΈΡΠ΅ΡΠΊΠΎΠΉ ΡΠ½Π΅ΡΠ³ΠΈΠΈ. Π‘ΡΠ΅ΡΡΠΈΠΊ ΡΠ»Π΅ΠΊΡΡΠΈΡΠ΅ΡΠΊΠΎΠΉ ΡΠ½Π΅ΡΠ³ΠΈΠΈ ΠΏΠΎ ΠΏΡΠΈΠ½ΡΠΈΠΏΡ ΡΠ²ΠΎΠ΅Π³ΠΎ Π΄Π΅ΠΉΡΡΠ²ΠΈΡ Π°Π½Π°Π»ΠΎΠ³ΠΈΡΠ΅Π½ Π²Π°ΡΡΠΌΠ΅ΡΡΡ.
ΠΠ΄Π½Π°ΠΊΠΎ Π² ΠΎΡΠ»ΠΈΡΠΈΠ΅ ΠΎΡ Π²Π°ΡΡΠΌΠ΅ΡΡΠΎΠ² Π²ΠΌΠ΅ΡΡΠΎ ΡΠΏΠΈΡΠ°Π»ΡΠ½ΠΎΠΉ ΠΏΡΡΠΆΠΈΠ½Ρ, ΡΠΎΠ·Π΄Π°ΡΡΠ΅ΠΉ ΠΏΡΠΎΡΠΈΠ²ΠΎΠ΄Π΅ΠΉΡΡΠ²ΡΡΡΠΈΠΉ ΠΌΠΎΠΌΠ΅Π½Ρ, Π² ΡΡΠ΅ΡΡΠΈΠΊΠ°Ρ ΠΏΡΠ΅Π΄ΡΡΠΌΠ°ΡΡΠΈΠ²Π°ΡΡ ΡΡΡΡΠΎΠΉΡΡΠ²ΠΎ, ΠΏΠΎΠ΄ΠΎΠ±Π½ΠΎΠ΅ ΡΠ»Π΅ΠΊΡΡΠΎΠΌΠ°Π³Π½ΠΈΡΠ½ΠΎΠΌΡ Π΄Π΅ΠΌΠΏΡΠ΅ΡΡ, ΡΠΎΠ·Π΄Π°ΡΡΠ΅Π΅ ΡΠΎΡΠΌΠΎΠ·ΡΡΠ΅Π΅ ΡΡΠΈΠ»ΠΈΠ΅, ΠΏΡΠΎΠΏΠΎΡΡΠΈΠΎΠ½Π°Π»ΡΠ½ΠΎΠ΅ ΡΠ°ΡΡΠΎΡΠ΅ Π²ΡΠ°ΡΠ΅Π½ΠΈΡ ΠΏΠΎΠ΄Π²ΠΈΠΆΠ½ΠΎΠΉ ΡΠΈΡΡΠ΅ΠΌΡ.
ΠΠΎΡΡΠΎΠΌΡ ΠΏΡΠΈ Π²ΠΊΠ»ΡΡΠ΅Π½ΠΈΠΈ ΠΏΡΠΈΠ±ΠΎΡΠ° Π² ΡΠ»Π΅ΠΊΡΡΠΈΡΠ΅ΡΠΊΡΡ ΡΠ΅ΠΏΡ Π²ΠΎΠ·Π½ΠΈΠΊΠ°ΡΡΠΈΠΉ Π²ΡΠ°ΡΠ°ΡΡΠΈΠΉ ΠΌΠΎΠΌΠ΅Π½Ρ Π±ΡΠ΄Π΅Ρ Π²ΡΠ·ΡΠ²Π°ΡΡ Π½Π΅ ΠΎΡΠΊΠ»ΠΎΠ½Π΅Π½ΠΈΠ΅ ΠΏΠΎΠ΄Π²ΠΈΠΆΠ½ΠΎΠΉ ΡΠΈΡΡΠ΅ΠΌΡ Π½Π° Π½Π΅ΠΊΠΎΡΠΎΡΡΠΉ ΡΠ³ΠΎΠ», Π° Π²ΡΠ°ΡΠ΅Π½ΠΈΠ΅ Π΅Π΅ Ρ ΠΎΠΏΡΠ΅Π΄Π΅Π»Π΅Π½Π½ΠΎΠΉ ΡΠ°ΡΡΠΎΡΠΎΠΉ. Π§ΠΈΡΠ»ΠΎ ΠΎΠ±ΠΎΡΠΎΡΠΎΠ² ΠΏΠΎΠ΄Π²ΠΈΠΆΠ½ΠΎΠΉ ΡΠ°ΡΡΠΈ ΠΏΡΠΈΠ±ΠΎΡΠ° Π±ΡΠ΄Π΅Ρ ΠΏΡΠΎΠΏΠΎΡΡΠΈΠΎΠ½Π°Π»ΡΠ½ΠΎ ΠΏΡΠΎΠΈΠ·Π²Π΅Π΄Π΅Π½ΠΈΡ ΠΌΠΎΡΠ½ΠΎΡΡΠΈ ΡΠ»Π΅ΠΊΡΡΠΈΡΠ΅ΡΠΊΠΎΠ³ΠΎ ΡΠΎΠΊΠ° Π½Π° Π²ΡΠ΅ΠΌΡ, Π² ΡΠ΅ΡΠ΅Π½ΠΈΠ΅ ΠΊΠΎΡΠΎΡΠΎΠ³ΠΎ ΠΎΠ½ Π΄Π΅ΠΉΡΡΠ²ΡΠ΅Ρ, Ρ.
Π§ΠΈΡΠ»ΠΎ ΠΎΠ±ΠΎΡΠΎΡΠΎΠ² ΡΡΠ΅ΡΡΠΈΠΊΠ° ΡΠΈΠΊΡΠΈΡΡΠ΅ΡΡΡ ΡΡΠ΅ΡΠ½ΡΠΌ ΠΌΠ΅Ρ
Π°Π½ΠΈΠ·ΠΌΠΎΠΌ. ΠΠ΅ΡΠ΅Π΄Π°ΡΠΎΡΠ½ΠΎΠ΅ ΡΠΈΡΠ»ΠΎ ΡΡΠΎΠ³ΠΎ ΠΌΠ΅Ρ
Π°Π½ΠΈΠ·ΠΌΠ° Π²ΡΠ±ΠΈΡΠ°ΡΡ ΡΠ°ΠΊ, ΡΡΠΎΠ±Ρ ΠΏΠΎ ΠΏΠΎΠΊΠ°Π·Π°Π½ΠΈΡΠΌ ΡΡΠ΅ΡΡΠΈΠΊΠ° ΠΌΠΎΠΆΠ½ΠΎ Π±ΡΠ»ΠΎ ΠΎΡΡΡΠΈΡΡΠ²Π°ΡΡ Π½Π΅ ΠΎΠ±ΠΎΡΠΎΡΡ, Π° Π½Π΅ΠΏΠΎΡΡΠ΅Π΄ΡΡΠ²Π΅Π½Π½ΠΎ ΡΠ»Π΅ΠΊΡΡΠΈΡΠ΅ΡΠΊΡΡ ΡΠ½Π΅ΡΠ³ΠΈΡ Π² ΠΊΠΈΠ»ΠΎΠ²Π°ΡΡ-ΡΠ°ΡΠ°Ρ
.
ΠΠ°ΠΈΠ±ΠΎΠ»ΡΡΠ΅Π΅ ΡΠ°ΡΠΏΡΠΎΡΡΡΠ°Π½Π΅Π½ΠΈΠ΅ ΠΏΠΎΠ»ΡΡΠΈΠ»ΠΈ ΡΠ΅ΡΡΠΎΠ΄ΠΈΠ½Π°ΠΌΠΈΡΠ΅ΡΠΊΠΈΠ΅ ΠΈ ΠΈΠ½Π΄ΡΠΊΡΠΈΠΎΠ½Π½ΡΠ΅ ΡΡΠ΅ΡΡΠΈΠΊΠΈ; ΠΏΠ΅ΡΠ²ΡΠ΅ ΠΏΡΠΈΠΌΠ΅Π½ΡΡΡ Π² ΡΠ΅ΠΏΡΡ ΠΏΠΎΡΡΠΎΡΠ½Π½ΠΎΠ³ΠΎ ΡΠΎΠΊΠ°, Π²ΡΠΎΡΡΠ΅ β Π² ΡΠ΅ΠΏΡΡ ΠΏΠ΅ΡΠ΅ΠΌΠ΅Π½Π½ΠΎΠ³ΠΎ ΡΠΎΠΊΠ°.
Π‘ΡΠ΅ΡΡΠΈΠΊΠΈ ΡΠ»Π΅ΠΊΡΡΠΈΡΠ΅ΡΠΊΠΎΠΉ ΡΠ½Π΅ΡΠ³ΠΈΠΈ Π²ΠΊΠ»ΡΡΠ°ΡΡ Π² ΡΠ»Π΅ΠΊΡΡΠΈΡΠ΅ΡΠΊΠΈΠ΅ ΡΠ΅ΠΏΠΈ ΠΏΠΎΡΡΠΎΡΠ½Π½ΠΎΠ³ΠΎ ΠΈ ΠΏΠ΅ΡΠ΅ΠΌΠ΅Π½Π½ΠΎΠ³ΠΎ ΡΠΎΠΊΠ° ΡΠ°ΠΊ ΠΆΠ΅, ΠΊΠ°ΠΊ ΠΈ Π²Π°ΡΡΠΌΠ΅ΡΡΡ. Π€Π΅ΡΡΠΎΠ΄ΠΈΠ½Π°ΠΌΠΈΡΠ΅ΡΠΊΠΈΠΉ ΡΡΠ΅ΡΡΠΈΠΊ ΡΠΈΡ. ΠΠ½ ΠΈΠΌΠ΅Π΅Ρ Π΄Π²Π΅ ΠΊΠ°ΡΡΡΠΊΠΈ: Π½Π΅ΠΏΠΎΠ΄Π²ΠΈΠΆΠ½ΡΡ 4 ΠΈ ΠΏΠΎΠ΄Π²ΠΈΠΆΠ½ΡΡ 6.
ΠΠ΅ΠΏΠΎΠ΄Π²ΠΈΠΆΠ½Π°Ρ ΡΠΎΠΊΠΎΠ²Π°Ρ ΠΊΠ°ΡΡΡΠΊΠ° 4 ΡΠ°Π·Π΄Π΅Π»Π΅Π½Π° Π½Π° Π΄Π²Π΅ ΡΠ°ΡΡΠΈ, ΠΊΠΎΡΠΎΡΡΠ΅ ΠΎΡ
Π²Π°ΡΡΠ²Π°ΡΡ ΡΠ΅ΡΡΠΎΠΌΠ°Π³Π½ΠΈΡΠ½ΡΠΉ ΡΠ΅ΡΠ΄Π΅ΡΠ½ΠΈΠΊ 5 ΠΎΠ±ΡΡΠ½ΠΎ ΠΈΠ· ΠΏΠ΅ΡΠΌΠ°Π»Π»ΠΎΡ. ΠΠΎΡΠ»Π΅Π΄Π½ΠΈΠΉ ΠΏΠΎΠ·Π²ΠΎΠ»ΡΠ΅Ρ ΡΠΎΠ·Π΄Π°ΡΡ Π² ΠΏΡΠΈΠ±ΠΎΡΠ΅ ΡΠΈΠ»ΡΠ½ΠΎΠ΅ ΠΌΠ°Π³Π½ΠΈΡΠ½ΠΎΠ΅ ΠΏΠΎΠ»Π΅ ΠΈ Π·Π½Π°ΡΠΈΡΠ΅Π»ΡΠ½ΡΠΉ Π²ΡΠ°ΡΠ°ΡΡΠΈΠΉ ΠΌΠΎΠΌΠ΅Π½Ρ, ΠΎΠ±Π΅ΡΠΏΠ΅ΡΠΈΠ²Π°ΡΡΠΈΠΉ Π½ΠΎΡΠΌΠ°Π»ΡΠ½ΡΡ ΡΠ°Π±ΠΎΡΡ ΡΡΠ΅ΡΡΠΈΠΊΠ° Π² ΡΡΠ»ΠΎΠ²ΠΈΡΡ
ΡΡΡΡΠΊΠΈ ΠΈ Π²ΠΈΠ±ΡΠ°ΡΠΈΠΉ. ΠΡΠΈΠΌΠ΅Π½Π΅Π½ΠΈΠ΅ ΠΏΠ΅ΡΠΌΠ°Π»Π»ΠΎΡ ΡΠΏΠΎΡΠΎΠ±ΡΡΠ²ΡΠ΅Ρ ΡΠΌΠ΅Π½ΡΡΠ΅Π½ΠΈΡ ΠΏΠΎΠ³ΡΠ΅ΡΠ½ΠΎΡΡΠΈ ΡΡΠ΅ΡΠ½ΠΎΠ³ΠΎ ΠΌΠ΅Ρ
Π°Π½ΠΈΠ·ΠΌΠ° 2 ΠΎΡ Π³ΠΈΡΡΠ΅ΡΠ΅Π·ΠΈΡΠ° ΠΌΠ°Π³Π½ΠΈΡΠ½ΠΎΠΉ ΡΠΈΡΡΠ΅ΠΌΡ ΠΎΠ½ ΠΈΠΌΠ΅Π΅Ρ Π²Π΅ΡΡΠΌΠ° ΡΠ·ΠΊΡΡ ΠΏΠ΅ΡΠ»Ρ Π³ΠΈΡΡΠ΅ΡΠ΅Π·ΠΈΡΠ°.
Π§ΡΠΎΠ±Ρ ΡΠΌΠ΅Π½ΡΡΠΈΡΡ Π²Π»ΠΈΡΠ½ΠΈΠ΅ Π²Π½Π΅ΡΠ½ΠΈΡ ΠΌΠ°Π³Π½ΠΈΡΠ½ΡΡ ΠΏΠΎΠ»Π΅ΠΉ Π½Π° ΠΏΠΎΠΊΠ°Π·Π°Π½ΠΈΡ ΡΡΠ΅ΡΡΠΈΠΊΠ°, ΠΌΠ°Π³Π½ΠΈΡΠ½ΡΠ΅ ΠΏΠΎΡΠΎΠΊΠΈ ΠΎΡΠ΄Π΅Π»ΡΠ½ΡΡ ΡΠ°ΡΡΠ΅ΠΉ ΡΠΎΠΊΠΎΠ²ΠΎΠΉ ΠΊΠ°ΡΡΡΠΊΠΈ ΠΈΠΌΠ΅ΡΡ Π²Π·Π°ΠΈΠΌΠ½ΠΎ ΠΏΡΠΎΡΠΈΠ²ΠΎΠΏΠΎΠ»ΠΎΠΆΠ½ΠΎΠ΅ Π½Π°ΠΏΡΠ°Π²Π»Π΅Π½ΠΈΠ΅ Π°ΡΡΠ°ΡΠΈΡΠ΅ΡΠΊΠ°Ρ ΡΠΈΡΡΠ΅ΠΌΠ°.
ΠΡΠΈ ΡΡΠΎΠΌ Π²Π½Π΅ΡΠ½Π΅Π΅ ΠΏΠΎΠ»Π΅, ΠΎΡΠ»Π°Π±Π»ΡΡ ΠΏΠΎΡΠΎΠΊ ΠΎΠ΄Π½ΠΎΠΉ ΡΠ°ΡΡΠΈ, ΡΠΎΠΎΡΠ²Π΅ΡΡΡΠ²Π΅Π½Π½ΠΎ ΡΡΠΈΠ»ΠΈΠ²Π°Π΅Ρ ΠΏΠΎΡΠΎΠΊ Π΄ΡΡΠ³ΠΎΠΉ ΡΠ°ΡΡΠΈ ΠΈ ΠΎΠΊΠ°Π·ΡΠ²Π°Π΅Ρ Π² ΡΠ΅Π»ΠΎΠΌ Π½Π΅Π±ΠΎΠ»ΡΡΠΎΠ΅ Π²Π»ΠΈΡΠ½ΠΈΠ΅ Π½Π° ΡΠ΅Π·ΡΠ»ΡΡΠΈΡΡΡΡΠΈΠΉ Π²ΡΠ°ΡΠ°ΡΡΠΈΠΉ ΠΌΠΎΠΌΠ΅Π½Ρ, ΡΠΎΠ·Π΄Π°Π²Π°Π΅ΠΌΡΠΉ ΠΏΡΠΈΠ±ΠΎΡΠΎΠΌ. ΠΠΎΠ΄Π²ΠΈΠΆΠ½Π°Ρ ΠΊΠ°ΡΡΡΠΊΠ° 6 ΡΡΠ΅ΡΡΠΈΠΊΠ° ΠΊΠ°ΡΡΡΠΊΠ° Π½Π°ΠΏΡΡΠΆΠ΅Π½ΠΈΡ ΡΠ°ΡΠΏΠΎΠ»ΠΎΠΆΠ΅Π½Π° Π½Π° ΡΠΊΠΎΡΠ΅, Π²ΡΠΏΠΎΠ»Π½Π΅Π½Π½ΠΎΠΌ Π² Π²ΠΈΠ΄Π΅ Π΄ΠΈΡΠΊΠ° ΠΈΠ· ΠΈΠ·ΠΎΠ»ΡΡΠΈΠΎΠ½Π½ΠΎΠ³ΠΎ ΠΌΠ°ΡΠ΅ΡΠΈΠ°Π»Π° ΠΈΠ»ΠΈ Π² Π²ΠΈΠ΄Π΅ Π°Π»ΡΠΌΠΈΠ½ΠΈΠ΅Π²ΠΎΠΉ ΡΠ°ΡΠΈ.
ΠΠ°ΡΡΡΠΊΠ° ΡΠΎΡΡΠΎΠΈΡ ΠΈΠ· ΠΎΡΠ΄Π΅Π»ΡΠ½ΡΡ
ΡΠ΅ΠΊΡΠΈΠΉ, ΡΠΎΠ΅Π΄ΠΈΠ½Π΅Π½Π½ΡΡ
Ρ ΠΏΠ»Π°ΡΡΠΈΠ½Π°ΠΌΠΈ ΠΊΠΎΠ»Π»Π΅ΠΊΡΠΎΡΠ° 7 ΡΡΠΈ ΡΠΎΠ΅Π΄ΠΈΠ½Π΅Π½ΠΈΡ Π½Π° ΡΠΈΡ. Π€Π΅ΡΡΠΎΠ΄ΠΈΠ½Π°ΠΌΠΈΡΠ΅ΡΠΊΠΈΠΉ ΡΡΠ΅ΡΡΠΈΠΊ ΡΠ°Π±ΠΎΡΠ°Π΅Ρ ΠΏΡΠΈΠ½ΡΠΈΠΏΠΈΠ°Π»ΡΠ½ΠΎ ΠΊΠ°ΠΊ Π΄Π²ΠΈΠ³Π°ΡΠ΅Π»Ρ ΠΏΠΎΡΡΠΎΡΠ½Π½ΠΎΠ³ΠΎ ΡΠΎΠΊΠ°, ΠΎΠ±ΠΌΠΎΡΠΊΠ° ΡΠΊΠΎΡΡ ΠΊΠΎΡΠΎΡΠΎΠ³ΠΎ ΠΏΠΎΠ΄ΠΊΠ»ΡΡΠ΅Π½Π° ΠΏΠ°ΡΠ°Π»Π»Π΅Π»ΡΠ½ΠΎ, Π° ΠΎΠ±ΠΌΠΎΡΠΊΠ° Π²ΠΎΠ·Π±ΡΠΆΠ΄Π΅Π½ΠΈΡ β ΠΏΠΎΡΠ»Π΅Π΄ΠΎΠ²Π°ΡΠ΅Π»ΡΠ½ΠΎ Ρ ΠΏΠΎΡΡΠ΅Π±ΠΈΡΠ΅Π»Π΅ΠΌ ΡΠ»Π΅ΠΊΡΡΠΎΡΠ½Π΅ΡΠ³ΠΈΠΈ. Π―ΠΊΠΎΡΡ Π²ΡΠ°ΡΠ°Π΅ΡΡΡ Π² Π²ΠΎΠ·Π΄ΡΡΠ½ΠΎΠΌ Π·Π°Π·ΠΎΡΠ΅ ΠΌΠ΅ΠΆΠ΄Ρ ΠΏΠΎΠ»ΡΡΠ°ΠΌΠΈ ΡΠ΅ΡΠ΄Π΅ΡΠ½ΠΈΠΊΠ°. Π’ΠΎΡΠΌΠΎΠ·Π½ΠΎΠΉ ΠΌΠΎΠΌΠ΅Π½Ρ ΡΠΎΠ·Π΄Π°Π΅ΡΡΡ Π² ΡΠ΅Π·ΡΠ»ΡΡΠ°ΡΠ΅ Π²Π·Π°ΠΈΠΌΠΎΠ΄Π΅ΠΉΡΡΠ²ΠΈΡ ΠΏΠΎΡΠΎΠΊΠ° ΠΏΠΎΡΡΠΎΡΠ½Π½ΠΎΠ³ΠΎ ΠΌΠ°Π³Π½ΠΈΡΠ° 1 Ρ Π²ΠΈΡ
ΡΠ΅Π²ΡΠΌΠΈ ΡΠΎΠΊΠ°ΠΌΠΈ, Π²ΠΎΠ·Π½ΠΈΠΊΠ°ΡΡΠΈΠΌΠΈ Π² Π°Π»ΡΠΌΠΈΠ½ΠΈΠ΅Π²ΠΎΠΌ Π΄ΠΈΡΠΊΠ΅ 3 ΠΏΡΠΈ Π΅Π³ΠΎ Π²ΡΠ°ΡΠ΅Π½ΠΈΠΈ.
ΠΠ»Ρ ΠΊΠΎΠΌΠΏΠ΅Π½ΡΠ°ΡΠΈΠΈ Π²Π»ΠΈΡΠ½ΠΈΡ ΠΌΠΎΠΌΠ΅Π½ΡΠ° ΡΡΠ΅Π½ΠΈΡ ΠΈ ΡΠΌΠ΅Π½ΡΡΠ΅Π½ΠΈΡ Π±Π»Π°Π³ΠΎΠ΄Π°ΡΡ ΡΡΠΎΠΌΡ ΠΏΠΎΠ³ΡΠ΅ΡΠ½ΠΎΡΡΠΈ ΠΏΡΠΈΠ±ΠΎΡΠ° Π² ΡΠ΅ΡΡΠΎΠ΄ΠΈΠ½Π°ΠΌΠΈΡΠ΅ΡΠΊΠΈΡ ΡΡΠ΅ΡΡΠΈΠΊΠ°Ρ ΡΡΡΠ°Π½Π°Π²Π»ΠΈΠ²Π°ΡΡ ΠΊΠΎΠΌΠΏΠ΅Π½ΡΠ°ΡΠΈΠΎΠ½Π½ΡΡ ΠΊΠ°ΡΡΡΠΊΡ ΠΈΠ»ΠΈ Π² ΠΌΠ°Π³Π½ΠΈΡΠ½ΠΎΠΌ ΠΏΠΎΠ»Π΅ Π½Π΅ΠΏΠΎΠ΄Π²ΠΈΠΆΠ½ΠΎΠΉ ΡΠΎΠΊΠΎΠ²ΠΎΠΉ ΠΊΠ°ΡΡΡΠΊΠΈ ΠΏΠΎΠΌΠ΅ΡΠ°ΡΡ Π»Π΅ΠΏΠ΅ΡΡΠΎΠΊ ΠΈΠ· ΠΏΠ΅ΡΠΌΠ°Π»Π»ΠΎΡ, ΠΊΠΎΡΠΎΡΡΠΉ ΠΈΠΌΠ΅Π΅Ρ Π²ΡΡΠΎΠΊΡΡ ΠΌΠ°Π³Π½ΠΈΡΠ½ΡΡ ΠΏΡΠΎΠ½ΠΈΡΠ°Π΅ΠΌΠΎΡΡΡ ΠΏΡΠΈ ΠΌΠ°Π»ΠΎΠΉ Π½Π°ΠΏΡΡΠΆΠ΅Π½Π½ΠΎΡΡΠΈ ΠΏΠΎΠ»Ρ.
ΠΡΠΈ Π½Π΅Π±ΠΎΠ»ΡΡΠΈΡ Π½Π°Π³ΡΡΠ·ΠΊΠ°Ρ ΡΡΠΎΡ Π»Π΅ΠΏΠ΅ΡΡΠΎΠΊ ΡΡΠΈΠ»ΠΈΠ²Π°Π΅Ρ ΠΌΠ°Π³Π½ΠΈΡΠ½ΡΠΉ ΠΏΠΎΡΠΎΠΊ ΡΠΎΠΊΠΎΠ²ΠΎΠΉ ΠΊΠ°ΡΡΡΠΊΠΈ, ΡΡΠΎ ΠΏΡΠΈΠ²ΠΎΠ΄ΠΈΡ ΠΊ ΡΠ²Π΅Π»ΠΈΡΠ΅Π½ΠΈΡ Π²ΡΠ°ΡΠ°ΡΡΠ΅Π³ΠΎ ΠΌΠΎΠΌΠ΅Π½ΡΠ° ΠΈ ΠΊΠΎΠΌΠΏΠ΅Π½ΡΠ°ΡΠΈΠΈ ΡΡΠ΅Π½ΠΈΡ. ΠΡΠΈ ΡΠ²Π΅Π»ΠΈΡΠ΅Π½ΠΈΠΈ Π½Π°Π³ΡΡΠ·ΠΊΠΈ ΠΈΠ½Π΄ΡΠΊΡΠΈΡ ΠΌΠ°Π³Π½ΠΈΡΠ½ΠΎΠ³ΠΎ ΠΏΠΎΠ»Ρ ΠΊΠ°ΡΡΡΠΊΠΈ ΡΠ²Π΅Π»ΠΈΡΠΈΠ²Π°Π΅ΡΡΡ, Π»Π΅ΠΏΠ΅ΡΡΠΎΠΊ Π½Π°ΡΡΡΠ°Π΅ΡΡΡ ΠΈ Π΅Π³ΠΎ ΠΊΠΎΠΌΠΏΠ΅Π½ΡΠΈΡΡΡΡΠ΅Π΅ Π΄Π΅ΠΉΡΡΠ²ΠΈΠ΅ ΠΏΠ΅ΡΠ΅ΡΡΠ°Π΅Ρ Π²ΠΎΠ·ΡΠ°ΡΡΠ°ΡΡ.
ΠΡΠΈ ΡΠ°Π±ΠΎΡΠ΅ ΡΡΠ΅ΡΡΠΈΠΊΠ° Π½Π° Ρ. ΠΡΠΈ ΡΡΠΎΠΌ ΠΏΠΎΠ΄ ΡΠ΅ΡΠΊΠ°ΠΌΠΈ Π±ΡΠ΄Π΅Ρ Π²ΠΎΠ·Π½ΠΈΠΊΠ°ΡΡ ΠΈΡΠΊΡΠ΅Π½ΠΈΠ΅. ΠΠ»Ρ Π΅Π³ΠΎ ΠΏΡΠ΅Π΄ΠΎΡΠ²ΡΠ°ΡΠ΅Π½ΠΈΡ ΠΌΠ΅ΠΆΠ΄Ρ ΡΠ΅ΡΠΊΠ°ΠΌΠΈ Π²ΠΊΠ»ΡΡΠ°ΡΡ ΠΊΠΎΠ½Π΄Π΅Π½ΡΠ°ΡΠΎΡ Π‘ ΠΈ ΡΠ΅Π·ΠΈΡΡΠΎΡ R1. ΠΠΎΠΌΠΏΠ΅Π½ΡΠ°ΡΠΈΡ ΡΠ΅ΠΌΠΏΠ΅ΡΠ°ΡΡΡΠ½ΠΎΠΉ ΠΏΠΎΠ³ΡΠ΅ΡΠ½ΠΎΡΡΠΈ ΠΎΡΡΡΠ΅ΡΡΠ²Π»ΡΠ΅ΡΡΡ Ρ ΠΏΠΎΠΌΠΎΡΡΡ ΡΠ΅ΡΠΌΠΈΡΡΠΎΡΠ° RΡ ΠΏΠΎΠ»ΡΠΏΡΠΎΠ²ΠΎΠ΄Π½ΠΈΠΊΠΎΠ²ΠΎΠ³ΠΎ ΠΏΡΠΈΠ±ΠΎΡΠ°, ΡΠΎΠΏΡΠΎΡΠΈΠ²Π»Π΅Π½ΠΈΠ΅ ΠΊΠΎΡΠΎΡΠΎΠ³ΠΎ Π·Π°Π²ΠΈΡΠΈΡ ΠΎΡ ΡΠ΅ΠΌΠΏΠ΅ΡΠ°ΡΡΡΡ.
ΠΠ½ Π²ΠΊΠ»ΡΡΠ°Π΅ΡΡΡ ΡΠΎΠ²ΠΌΠ΅ΡΡΠ½ΠΎ Ρ Π΄ΠΎΠ±Π°Π²ΠΎΡΠ½ΡΠΌ ΡΠ΅Π·ΠΈΡΡΠΎΡΠΎΠΌ R2 ΠΏΠ°ΡΠ°Π»Π»Π΅Π»ΡΠ½ΠΎ ΠΏΠΎΠ΄Π²ΠΈΠΆΠ½ΠΎΠΉ ΠΊΠ°ΡΡΡΠΊΠ΅.
Π§ΡΠΎΠ±Ρ ΡΠΌΠ΅Π½ΡΡΠΈΡΡ Π²Π»ΠΈΡΠ½ΠΈΠ΅ ΡΡΡΡΠΊΠΈ ΠΈ Π²ΠΈΠ±ΡΠ°ΡΠΈΠΉ Π½Π° ΡΠ°Π±ΠΎΡΡ ΡΡΠ΅ΡΡΠΈΠΊΠΎΠ², ΠΈΡ
ΡΡΡΠ°Π½Π°Π²Π»ΠΈΠ²Π°ΡΡ Π½Π° Ρ. ΠΠ½Π΄ΡΠΊΡΠΈΠΎΠ½Π½ΡΠΉ ΡΡΠ΅ΡΡΠΈΠΊ ΠΈΠΌΠ΅Π΅Ρ Π΄Π²Π° ΡΠ»Π΅ΠΊΡΡΠΎΠΌΠ°Π³Π½ΠΈΡΠ° ΡΠΈΡ. ΠΡΠ°ΡΠ°ΡΡΠΈΠΉ ΠΌΠΎΠΌΠ΅Π½Ρ Π² ΠΏΡΠΈΠ±ΠΎΡΠ΅ ΡΠΎΠ·Π΄Π°Π΅ΡΡΡ Π² ΡΠ΅Π·ΡΠ»ΡΡΠ°ΡΠ΅ Π²Π·Π°ΠΈΠΌΠΎΠ΄Π΅ΠΉΡΡΠ²ΠΈΡ ΠΏΠ΅ΡΠ΅ΠΌΠ΅Π½Π½ΡΡ
ΠΌΠ°Π³Π½ΠΈΡΠ½ΡΡ
ΠΏΠΎΡΠΎΠΊΠΎΠ² Π€1 ΠΈ Π€2, ΡΠΎΠ·Π΄Π°Π½Π½ΡΡ
ΠΊΠ°ΡΡΡΠΊΠ°ΠΌΠΈ ΡΠ»Π΅ΠΊΡΡΠΎΠΌΠ°Π³Π½ΠΈΡΠΎΠ², Ρ Π²ΠΈΡ
ΡΠ΅Π²ΡΠΌΠΈ ΡΠΎΠΊΠ°ΠΌΠΈ I Π²1 ΠΈ I Π²2 , ΠΈΠ½Π΄ΡΡΠΈΡΡΠ΅ΠΌΡΠΌΠΈ ΠΈΠΌΠΈ Π² Π°Π»ΡΠΌΠΈΠ½ΠΈΠ΅Π²ΠΎΠΌ Π΄ΠΈΡΠΊΠ΅ ΡΠ°ΠΊ ΠΆΠ΅, ΠΊΠ°ΠΊ ΠΈ Π² ΠΎΠ±ΡΡΠ½ΠΎΠΌ ΠΈΠ½Π΄ΡΠΊΡΠΈΠΎΠ½Π½ΠΎΠΌ ΠΈΠ·ΠΌΠ΅ΡΠΈΡΠ΅Π»ΡΠ½ΠΎΠΌ ΠΌΠ΅Ρ
Π°Π½ΠΈΠ·ΠΌΠ΅, ΡΠΌ.
ΠΠ»Ρ ΡΡΠΎΠ³ΠΎ ΠΊΠ°ΡΡΡΠΊΡ 6 ΠΎΠ΄Π½ΠΎΠ³ΠΎ ΠΈΠ· ΡΠ»Π΅ΠΊΡΡΠΎΠΌΠ°Π³Π½ΠΈΡΠΎΠ² ΡΠΎΠΊΠΎΠ²ΡΡ Π²ΠΊΠ»ΡΡΠ°ΡΡ ΠΏΠΎΡΠ»Π΅Π΄ΠΎΠ²Π°ΡΠ΅Π»ΡΠ½ΠΎ Ρ Π½Π°Π³ΡΡΠ·ΠΊΠΎΠΉ 5, Π° ΠΊΠ°ΡΡΡΠΊΡ 2 Π΄ΡΡΠ³ΠΎΠ³ΠΎ ΠΊΠ°ΡΡΡΠΊΡ Π½Π°ΠΏΡΡΠΆΠ΅Π½ΠΈΡ β ΠΏΠ°ΡΠ°Π»Π»Π΅Π»ΡΠ½ΠΎ Π½Π°Π³ΡΡΠ·ΠΊΠ΅. Π ΡΡΠΎΠΌ ΡΠ»ΡΡΠ°Π΅ ΠΌΠ°Π³Π½ΠΈΡΠ½ΡΠΉ ΠΏΠΎΡΠΎΠΊ Π€1 Π±ΡΠ΄Π΅Ρ ΠΏΡΠΎΠΏΠΎΡΡΠΈΠΎΠ½Π°Π»Π΅Π½ ΡΠΎΠΊΡ I Π² ΡΠ΅ΠΏΠΈ Π½Π°Π³ΡΡΠ·ΠΊΠΈ, Π° ΠΏΠΎΡΠΎΠΊ Π€2 β Π½Π°ΠΏΡΡΠΆΠ΅Π½ΠΈΡ U, ΠΏΡΠΈΠ»ΠΎΠΆΠ΅Π½Π½ΠΎΠΌΡ ΠΊ Π½Π°Π³ΡΡΠ·ΠΊΠ΅.
ΠΠ»Ρ ΠΎΠ±Π΅ΡΠΏΠ΅ΡΠ΅Π½ΠΈΡ ΡΡΠ΅Π±ΡΠ΅ΠΌΠΎΠ³ΠΎ ΡΠ³Π»Π° ΡΠ΄Π²ΠΈΠ³Π° ΡΠ°Π·? Π€Π΅ΡΡΠΎΠ΄ΠΈΠ½Π°ΠΌΠΈΡΠ΅ΡΠΊΠΈΠΉ ΡΡΠ΅ΡΡΠΈΠΊ ΡΠ»Π΅ΠΊΡΡΠΈΡΠ΅ΡΠΊΠΎΠΉ ΡΠ½Π΅ΡΠ³ΠΈΠΈ. ΠΠ½Π΄ΡΠΊΡΠΈΠΎΠ½Π½ΡΠΉ ΡΡΠ΅ΡΡΠΈΠΊ ΡΠ»Π΅ΠΊΡΡΠΈΡΠ΅ΡΠΊΠΎΠΉ ΡΠ½Π΅ΡΠ³ΠΈΠΈ.
Π£Π³ΠΎΠ» ΡΠ΄Π²ΠΈΠ³Π° ΡΠ°Π· ΠΌΠ΅ΠΆΠ΄Ρ ΠΏΠΎΡΠΎΠΊΠ°ΠΌΠΈ Π€1 ΠΈ Π€2 ΡΠΎΡΠ½ΠΎ ΡΠ΅Π³ΡΠ»ΠΈΡΡΠ΅ΡΡΡ ΠΈΠ·ΠΌΠ΅Π½Π΅Π½ΠΈΠ΅ΠΌ ΠΏΠΎΠ»ΠΎΠΆΠ΅Π½ΠΈΡ ΠΌΠ΅ΡΠ°Π»Π»ΠΈΡΠ΅ΡΠΊΠΎΠ³ΠΎ ΡΠΊΡΠ°Π½Π° 1, ΡΠ°ΡΠΏΠΎΠ»ΠΎΠΆΠ΅Π½Π½ΠΎΠ³ΠΎ Π½Π° ΠΏΡΡΠΈ ΠΏΠΎΡΠΎΠΊΠ°, ΠΎΡΠ²Π΅ΡΠ²Π»ΡΡΡΠ΅Π³ΠΎΡΡ ΡΠ΅ΡΠ΅Π· ΠΌΠ°Π³Π½ΠΈΡΠ½ΡΠΉ ΡΡΠ½Ρ 3.
Π’ΠΎΡΠΌΠΎΠ·Π½ΠΎΠΉ ΠΌΠΎΠΌΠ΅Π½Ρ ΡΠΎΠ·Π΄Π°Π΅ΡΡΡ ΡΠ°ΠΊ ΠΆΠ΅, ΠΊΠ°ΠΊ Π² ΡΠ΅ΡΡΠΎΠ΄ΠΈΠ½Π°ΠΌΠΈΡΠ΅ΡΠΊΠΎΠΌ ΡΡΠ΅ΡΡΠΈΠΊΠ΅. ΠΠΎΠΌΠΏΠ΅Π½ΡΠ°ΡΠΈΡ ΠΌΠΎΠΌΠ΅Π½ΡΠ° ΡΡΠ΅Π½ΠΈΡ ΠΎΡΡΡΠ΅ΡΡΠ²Π»ΡΠ΅ΡΡΡ ΠΏΡΡΠ΅ΠΌ ΡΠΎΠ·Π΄Π°Π½ΠΈΡ Π½Π΅Π±ΠΎΠ»ΡΡΠΎΠΉ Π½Π΅ΡΠΈΠΌΠΌΠ΅ΡΡΠΈΠΈ Π² ΠΌΠ°Π³Π½ΠΈΡΠ½ΠΎΠΉ ΡΠ΅ΠΏΠΈ ΠΎΠ΄Π½ΠΎΠ³ΠΎ ΠΈΠ· ΡΠ»Π΅ΠΊΡΡΠΎΠΌΠ°Π³Π½ΠΈΡΠΎΠ² Ρ ΠΏΠΎΠΌΠΎΡΡΡ ΡΡΠ°Π»ΡΠ½ΠΎΠ³ΠΎ Π²ΠΈΠ½ΡΠ°.
ΠΠ»Ρ ΠΏΡΠ΅Π΄ΠΎΡΠ²ΡΠ°ΡΠ΅Π½ΠΈΡ Π²ΡΠ°ΡΠ΅Π½ΠΈΡ ΡΠΊΠΎΡΡ ΠΏΡΠΈ ΠΎΡΡΡΡΡΡΠ²ΠΈΠΈ Π½Π°Π³ΡΡΠ·ΠΊΠΈ ΠΏΠΎΠ΄ Π΄Π΅ΠΉΡΡΠ²ΠΈΠ΅ΠΌ ΡΡΠΈΠ»ΠΈΡ, ΡΠΎΠ·Π΄Π°Π½Π½ΠΎΠ³ΠΎ ΡΡΡΡΠΎΠΉΡΡΠ²ΠΎΠΌ, ΠΊΠΎΠΌΠΏΠ΅Π½ΡΠΈΡΡΡΡΠΈΠΌ ΡΡΠ΅Π½ΠΈΠ΅, Π½Π° ΠΎΡΠΈ ΡΡΠ΅ΡΡΠΈΠΊΠ° ΡΠΊΡΠ΅ΠΏΠ»ΡΠ΅ΡΡΡ ΡΡΠ°Π»ΡΠ½ΠΎΠΉ ΡΠΎΡΠΌΠΎΠ·Π½ΠΎΠΉ ΠΊΡΡΡΠΎΠΊ.
ΠΡΠΎΡ ΠΊΡΡΡΠΎΠΊ ΠΏΡΠΈΡΡΠ³ΠΈΠ²Π°Π΅ΡΡΡ ΠΊ ΡΠΎΡΠΌΠΎΠ·Π½ΠΎΠΌΡ ΠΌΠ°Π³Π½ΠΈΡΡ 4, Π±Π»Π°Π³ΠΎΠ΄Π°ΡΡ ΡΠ΅ΠΌΡ ΠΏΡΠ΅Π΄ΠΎΡΠ²ΡΠ°ΡΠ°Π΅ΡΡΡ Π²ΠΎΠ·ΠΌΠΎΠΆΠ½ΠΎΡΡΡ Π²ΡΠ°ΡΠ΅Π½ΠΈΡ ΠΏΠΎΠ΄Π²ΠΈΠΆΠ½ΠΎΠΉ ΡΠΈΡΡΠ΅ΠΌΡ Π±Π΅Π· Π½Π°Π³ΡΡΠ·ΠΊΠΈ. Π§ΡΠΎΠ±Ρ Π΄ΠΈΡΠΊ ΡΡΠ΅ΡΡΠΈΠΊΠ° Π²ΡΠ°ΡΠ°Π»ΡΡ Π² ΡΡΠ΅Π±ΡΠ΅ΠΌΠΎΠΌ Π½Π°ΠΏΡΠ°Π²Π»Π΅Π½ΠΈΠΈ, Π½Π΅ΠΎΠ±Ρ ΠΎΠ΄ΠΈΠΌΠΎ ΡΠΎΠ±Π»ΡΠ΄Π°ΡΡ ΠΎΠΏΡΠ΅Π΄Π΅Π»Π΅Π½Π½ΡΠΉ ΠΏΠΎΡΡΠ΄ΠΎΠΊ ΠΏΠΎΠ΄ΠΊΠ»ΡΡΠ΅Π½ΠΈΡ ΠΏΡΠΎΠ²ΠΎΠ΄ΠΎΠ² ΠΊ Π΅Π³ΠΎ Π·Π°ΠΆΠΈΠΌΠ°ΠΌ. ΠΠ°Π³ΡΡΠ·ΠΎΡΠ½ΡΠ΅ Π·Π°ΠΆΠΈΠΌΡ ΠΏΡΠΈΠ±ΠΎΡΠ°, ΠΊ ΠΊΠΎΡΠΎΡΡΠΌ ΠΏΠΎΠ΄ΠΊΠ»ΡΡΠ°ΡΡ ΠΏΡΠΎΠ²ΠΎΠ΄Π°, ΠΈΠ΄ΡΡΠΈΠ΅ ΠΎΡ ΠΏΠΎΡΡΠ΅Π±ΠΈΡΠ΅Π»Ρ, ΠΎΠ±ΠΎΠ·Π½Π°ΡΠ°ΡΡ Π±ΡΠΊΠ²Π°ΠΌΠΈ Π― ΡΠΈΡ.
Please turn JavaScript on and reload the page.
Π€ΠΈΠ·ΠΈΡΠ΅ΡΠΊΠΈΠΉ ΡΠ½ΡΠΈΠΊΠ»ΠΎΠΏΠ΅Π΄ΠΈΡΠ΅ΡΠΊΠΈΠΉ ΡΠ»ΠΎΠ²Π°ΡΡ. ΠΠ»Π°Π²Π½ΡΠΉ ΡΠ΅Π΄Π°ΠΊΡΠΎΡ Π. ΠΠΎΠ²ΡΠΉ ΡΠ»ΠΎΠ²Π°ΡΡ ΠΈΠ½ΠΎΡΡΡΠ°Π½Π½ΡΡ
ΡΠ»ΠΎΠ². ΠΠ°ΡΡΠΌΠ΅ΡΡ β Π£Π°ΡΡΠΌΠ΅ΡΡ ΠΏΡΠΈΠ±ΠΎΡ, ΠΈΠΌΠ΅ΡΡΠΈΠΉ Π½Π°Π·Π½Π°ΡΠ΅Π½ΠΈΠ΅ ΠΈΠ·ΠΌΠ΅ΡΡΡΡ ΡΠ°Π±ΠΎΡΡ,ΡΠΎΠ²Π΅ΡΡΠ°Π΅ΠΌΡΡ ΡΠ»Π΅ΠΊΡΡΠΈΡΠ΅ΡΠΊΠΈΠΌ ΡΠΎΠΊΠΎΠΌ Π² Π΅Π΄ΠΈΠ½ΠΈΡΡ Π²ΡΠ΅ΠΌΠ΅Π½ΠΈ ΠΏΡΠΈ ΠΏΡΠΎΡ
ΠΎΠΆΠ΄Π΅Π½ΠΈΠΈ ΡΠΎΠΊΠ°ΡΡΠ΅Π· ΠΊΠ°ΠΊΠΎΠΉ Π»ΠΈΠ±ΠΎ ΠΏΡΠΎΠ²ΠΎΠ΄Π½ΠΈΠΊ; ΡΠ°ΠΊ, Π½Π°ΠΏΡ.
ΠΡΠΈΠ±ΠΎΡ Π΄Π»Ρ ΠΈΠ·ΠΌΠ΅ΡΠ΅Π½ΠΈΡ ΡΠ»Π΅ΠΊΡΡΠΈΡΠ΅ΡΠΊΠΎΠΉ ΠΌΠΎΠ΄Π½ΠΎΡΡΠΈ ΠΏΠΎΡΡΠΎΡΠ½Π½ΠΎΠ³ΠΎ ΠΈΠ»ΠΈ ΠΏΠ΅ΡΠΌΠ΅Π½Π½ΠΎΠ³ΠΎ ΡΠΎΠΊΠ°. ΠΡΡΡΠΈΠ½
Π‘Ρ Π΅ΠΌΡ Π²ΠΊΠ»ΡΡΠ΅Π½ΠΈΡ Π²Π°ΡΡΠΌΠ΅ΡΡΠ° Π² ΡΠ΅ΠΏΡ ΠΏΠ΅ΡΠ΅ΠΌΠ΅Π½Π½ΠΎΠ³ΠΎ ΡΠΎΠΊΠ° Ρ Π±ΠΎΠ»ΡΡΠΈΠΌ ΡΠΎΠΊΠΎΠΌ (Π°) ΠΈ Π² ΠΠ»Ρ Π²ΡΠΏΠΎΠ»Π½Π΅Π½ΠΈΡ ΡΡΠΎΠ³ΠΎ ΠΎΠΏΡΡΠ° ΡΠΎΠ±ΠΈΡΠ°ΡΡ ΡΠ»Π΅ΠΊΡΡΠΈΡΠ΅ΡΠΊΡΡ ΡΠ΅ΠΏΡ ΠΏΠΎ ΡΡ Π΅ΠΌΠ΅.
ΠΠ·ΠΌΠ΅ΡΠ΅Π½ΠΈΠ΅ ΡΠΎΠΊΠΎΠ², Π½Π°ΠΏΡΡΠΆΠ΅Π½ΠΈΠΉ, ΠΌΠΎΡΠ½ΠΎΡΡΠ΅ΠΉ ΠΈ ΡΠ½Π΅ΡΠ³ΠΈΠΈ
ΠΠ»Ρ ΠΏΡΠ°Π²ΠΈΠ»ΡΠ½ΠΎΠ³ΠΎ ΠΏΠΎΠΊΠ°Π·Π°Π½ΠΈΡ Π²Π°ΡΡΠΌΠ΅ΡΡΠ° ΠΎΠ±Π° Π³Π΅Π½Π΅ΡΠ°ΡΠΎΡΠ½ΡΡ
Π·Π°ΠΆΠΈΠΌΠ° Π΄ΠΎΠ»ΠΆΠ½Ρ Π±ΡΡΡ ΠΏΡΠΈΡΠΎΠ΅Π΄ΠΈΠ½Π΅Π½Ρ ΠΊ ΠΎΠ΄Π½ΠΎΠΌΡ ΠΏΡΠΎΠ²ΠΎΠ΄Ρ ΡΠΎ ΡΡΠΎΡΠΎΠ½Ρ Π³Π΅Π½Π΅ΡΠ°ΡΠΎΡΠ° ΠΈΡΡΠΎΡΠ½ΠΈΠΊΠ° ΡΠΎΠΊΠ°, Π° Π½Π΅ Π½Π°Π³ΡΡΠ·ΠΊΠΈ. ΠΠ°ΡΠ΅ΠΌ Π΄ΡΡΠ³ΠΈΠΌ ΠΏΡΠΎΠ²ΠΎΠ΄ΠΎΠΌ Π²ΠΊΠ»ΡΡΠ°Π΅ΡΡΡ ΠΏΠΎΡΠ»Π΅Π΄ΠΎΠ²Π°ΡΠ΅Π»ΡΠ½ΠΎ Π² ΡΠ΅ΠΏΡ Π½Π΅ΠΏΠΎΠ΄Π²ΠΈΠΆΠ½Π°Ρ ΠΊΠ°ΡΡΡΠΊΠ°; ΠΏΡΠΈ ΡΡΠΎΠΌ Π² Π·Π°Π²ΠΈΡΠΈΠΌΠΎΡΡΠΈ ΠΎΡ ΠΏΡΠ΅Π΄Π΅Π»Π° ΡΠΎΠΊΠ° ΡΡΠΎΡ ΠΏΡΠΎΠ²ΠΎΠ΄ ΠΏΠΎΠ΄ΠΊΠ»ΡΡΠ°Π΅ΡΡΡ ΠΊ Π·Π°ΠΆΠΈΠΌΡ 1Π β ΠΏΡΠΈ ΠΈΠ·ΠΌΠ΅ΡΡΠ΅ΠΌΠΎΠΌ ΡΠΎΠΊΠ΅ Π½Π΅ ΠΏΡΠ΅Π²ΡΡΠ°ΡΡΠ΅ΠΌ 1Π, ΠΈΠ»ΠΈ 5Π ΠΏΡΠΈ ΡΠΎΠΊΠ΅, Π½Π΅ ΠΏΡΠ΅Π²ΡΡΠ°ΡΡΠ΅ΠΌ 5Π. ΠΠ°ΡΠ΅ΠΌ Π²ΠΊΠ»ΡΡΠ°Π΅ΡΡΡ ΠΏΠ°ΡΠ°Π»Π»Π΅Π»ΡΠ½ΠΎ ΡΠ΅ΠΏΠΈ ΡΠ°ΠΌΠΊΠΈ; Π΄Π»Ρ ΡΡΠΎΠ³ΠΎ ΠΏΡΠ΅Π΄Π²Π°ΡΠΈΡΠ΅Π»ΡΠ½ΠΎ ΠΊ Π·Π°ΠΆΠΈΠΌΡ ΠΏΠΎΠ΄ΠΊΠ»ΡΡΠ°Π΅ΡΡΡ ΠΎΠ΄Π½ΠΎ ΠΈΠ· Π΄ΠΎΠΏΠΎΠ»Π½ΠΈΡΠ΅Π»ΡΠ½ΡΡ
ΡΠΎΠΏΡΠΎΡΠΈΠ²Π»Π΅Π½ΠΈΠΉ Π² Π·Π°Π²ΠΈΡΠΈΠΌΠΎΡΡΠΈ ΠΎΡ ΠΏΡΠ΅Π΄Π΅Π»Π° Π½Π°ΠΏΡΡΠΆΠ΅Π½ΠΈΡ: 30V β Π΄ΠΎ 30Π, V β Π΄ΠΎ Π ΠΈ V β Π. Π ΠΏΠ΅ΡΠ΅Π΄Π½ΠΈΠΉ ΠΏΠ°Π· ΠΊΡΡΡΠΊΠΈ ΠΏΡΠΈΠ±ΠΎΡΠ° ΡΡΡΠ°Π½Π°Π²Π»ΠΈΠ²Π°Π΅ΡΡΡ ΡΠ°Π±ΠΎΡΠ°Ρ ΡΠΊΠ°Π»Π° ΡΠ°ΠΊ, ΡΡΠΎΠ±Ρ Π»ΠΈΡΠ΅Π²Π°Ρ ΡΡΠΎΡΠΎΠ½Π° ΠΏΡΠΈΠ±ΠΎΡΠ° Π±ΡΠ»Π° ΠΎΠ±ΡΠ°ΡΠ΅Π½Π° ΠΊ ΡΠΊΠ°Π»Π΅ Ρ ΠΏΡΠ΅Π΄Π΅Π»ΠΎΠΌ ΠΈΠ·ΠΌΠ΅ΡΠ΅Π½ΠΈΡ, ΡΠ°Π²Π½ΡΠΌ ΠΏΡΠΎΠΈΠ·Π²Π΅Π΄Π΅Π½ΠΈΡ ΠΏΡΠ΅Π΄Π΅Π»Π° ΠΏΠΎ ΡΠΎΠΊΡ Π½Π° ΠΏΡΠ΅Π΄Π΅Π» ΠΏΠΎ Π½Π°ΠΏΡΡΠΆΠ΅Π½ΠΈΡ.
ΠΠΈΠΆΠ΅ ΠΎΠΏΠΈΡΠ°Π½Ρ ΡΠΎΠ»ΡΠΊΠΎ ΠΎΡΠ΄Π΅Π»ΡΠ½ΡΠ΅ ΠΎΠΏΡΡΡ, Ρ
Π°ΡΠ°ΠΊΡΠ΅ΡΠΈΠ·ΡΡΡΠΈΠ΅ Π²ΠΎΠ·ΠΌΠΎΠΆΠ½ΠΎΡΡΠΈ Π΄Π΅ΠΌΠΎΠ½ΡΡΡΠ°ΡΠΈΠΎΠ½Π½ΠΎΠ³ΠΎ Π²Π°ΡΡΠΌΠ΅ΡΡΠ°. ΠΠ»Ρ Π²ΡΠΏΠΎΠ»Π½Π΅Π½ΠΈΡ ΡΡΠΎΠ³ΠΎ ΠΎΠΏΡΡΠ° ΡΠΎΠ±ΠΈΡΠ°ΡΡ ΡΠ»Π΅ΠΊΡΡΠΈΡΠ΅ΡΠΊΡΡ ΡΠ΅ΠΏΡ ΠΏΠΎ ΡΡ
Π΅ΠΌΠ΅, ΠΏΡΠΈΠ²Π΅Π΄ΡΠ½Π½ΠΎΠΉ Π½Π° ΡΠΈΡΡΠ½ΠΊΠ΅ 3. ΠΡΠΈ ΠΏΡΠΎΠ²Π΅Π΄Π΅Π½ΠΈΠΈ ΠΎΠΏΡΡΠ° ΡΠ΅Π»Π΅ΡΠΎΠΎΠ±ΡΠ°Π·Π½ΠΎ ΠΈΠΌΠ΅ΡΡ Π²ΠΎΠ·ΠΌΠΎΠΆΠ½ΠΎΡΡΡ ΠΏΠ»Π°Π²Π½ΠΎΠ³ΠΎ ΠΈΠ·ΠΌΠ΅Π½Π΅Π½ΠΈΡ Π½Π°ΠΏΡΡΠΆΠ΅Π½ΠΈΡ, ΠΏΠΎΡΡΠΎΠΌΡ ΡΠ»Π΅Π΄ΡΠ΅Ρ ΠΏΡΠΎΠ²ΠΎΠ΄Π° Π, Π ΠΏΠΎΠ΄ΠΊΠ»ΡΡΠΈΡΡ ΠΊ Π·Π°ΠΆΠΈΠΌΠ°ΠΌ ΡΠ΅Π³ΡΠ»ΠΈΡΡΠ΅ΠΌΠΎΠ³ΠΎ Π½Π°ΠΏΡΡΠΆΠ΅Π½ΠΈΡ ΡΠΊΠΎΠ»ΡΠ½ΠΎΠ³ΠΎ ΡΠ°ΡΠΏΡΠ΅Π΄Π΅Π»ΠΈΡΠ΅Π»ΡΠ½ΠΎΠ³ΠΎ ΡΠΈΡΠ° ΠΈΠ»ΠΈ Π²ΠΎΡΠΏΠΎΠ»ΡΠ·ΠΎΠ²Π°ΡΡΡΡ ΡΠΊΠΎΠ»ΡΠ½ΡΠΌ ΡΠ΅Π³ΡΠ»ΡΡΠΎΡΠΎΠΌ Π½Π°ΠΏΡΡΠΆΠ΅Π½ΠΈΡ ΠΈΠ»ΠΈ ΠΈΠ½ΡΠΌ ΡΡΠ°Π½ΡΡΠΎΡΠΌΠ°ΡΠΎΡΠΎΠΌ , Π΄ΠΎΠΏΡΡΠΊΠ°ΡΡΠΈΠΌ ΠΏΠ»Π°Π²Π½ΠΎΠ΅ ΠΈΠ»ΠΈ ΡΡΡΠΏΠ΅Π½ΡΠ°ΡΠΎΠ΅ ΡΠ΅Π³ΡΠ»ΠΈΡΠΎΠ²Π°Π½ΠΈΠ΅ Π½Π°ΠΏΡΡΠΆΠ΅Π½ΠΈΡ.
Π‘Ρ Π΅ΠΌΡ Π²ΠΊΠ»ΡΡΠ΅Π½ΠΈΡ ΠΈΠ·ΠΌΠ΅ΡΠΈΡΠ΅Π»ΡΠ½ΡΡ ΠΏΡΠΈΠ±ΠΎΡΠΎΠ²
ΠΠ»Ρ ΠΈΠ·ΠΌΠ΅ΡΠ΅Π½ΠΈΡ ΠΌΠΎΡΠ½ΠΎΡΡΠΈ ΠΏΠΎΡΡΠΎΡΠ½Π½ΠΎΠ³ΠΎ ΡΠΎΠΊΠ° Π΄ΠΎΡΡΠ°ΡΠΎΡΠ½ΠΎ ΠΈΠ·ΠΌΠ΅ΡΠΈΡΡ Π½Π°ΠΏΡΡΠΆΠ΅Π½ΠΈΠ΅ ΠΈ ΡΠΎΠΊ. Π Π΅Π·ΡΠ»ΡΡΠ°Ρ ΠΎΠΏΡΠ΅Π΄Π΅Π»ΡΠ΅ΡΡΡ ΠΏΠΎ ΡΠΎΡΠΌΡΠ»Π΅:. Π§Π°ΡΠ΅ Π²ΡΠ΅Π³ΠΎ ΠΈΠ·ΠΌΠ΅ΡΠ΅Π½ΠΈΠ΅ ΠΌΠΎΡΠ½ΠΎΡΡΠΈ ΠΎΡΡΡΠ΅ΡΡΠ²Π»ΡΠ΅ΡΡΡ ΠΎΠ΄Π½ΠΈΠΌ ΠΏΡΠΈΠ±ΠΎΡΠΎΠΌ β Π²Π°ΡΡΠΌΠ΅ΡΡΠΎΠΌ. ΠΠ°ΠΊ Π±ΡΠ»ΠΎ ΡΠΊΠ°Π·Π°Π½ΠΎ ΡΠ°Π½Π΅Π΅, Π΄Π»Ρ ΠΈΠ·ΠΌΠ΅ΡΠ΅Π½ΠΈΡ ΠΌΠΎΡΠ½ΠΎΡΡΠΈ Π»ΡΡΡΠ΅ΠΉ ΡΠ²Π»ΡΠ΅ΡΡΡ ΡΠ»Π΅ΠΊΡΡΠΎΠ΄ΠΈΠ½Π°ΠΌΠΈΡΠ΅ΡΠΊΠ°Ρ ΡΠΈΡΡΠ΅ΠΌΠ°. ΠΠ°ΡΡΠΌΠ΅ΡΡ ΡΠ½Π°Π±ΠΆΠ΅Π½ Π΄Π²ΡΠΌΡ ΠΈΠ·ΠΌΠ΅ΡΠΈΡΠ΅Π»ΡΠ½ΡΠΌΠΈ ΡΠ»Π΅ΠΌΠ΅Π½ΡΠ°ΠΌΠΈ Π² Π²ΠΈΠ΄Π΅ Π΄Π²ΡΡ ΠΊΠ°ΡΡΡΠ΅ΠΊ: ΠΏΠΎΡΠ»Π΅Π΄ΠΎΠ²Π°ΡΠ΅Π»ΡΠ½ΠΎΠΉ ΠΈ ΠΏΠ°ΡΠ°Π»Π»Π΅Π»ΡΠ½ΠΎΠΉ.
ΠΠ· ΡΠΎΡΠΌΡΠ»Ρ Π²ΠΈΠ΄Π½ΠΎ, ΡΡΠΎ ΠΌΠΎΡΠ½ΠΎΡΡΡ Π² ΡΠ΅ΠΏΠΈ ΠΏΠ΅ΡΠ΅ΠΌΠ΅Π½Π½ΠΎΠ³ΠΎ ΡΠΎΠΊΠ° ΠΌΠΎΠΆΠ½ΠΎ ΠΎΠΏΡΠ΅Π΄Π΅Π»ΠΈΡΡ ΠΊΠΎΡΠ²Π΅Π½Π½ΡΠΌ ΠΏΡΡΠ΅ΠΌ, Π΅ΡΠ»ΠΈ Π²ΠΊΠ»ΡΡΠΈΡΡ ΡΡΠΈ ΠΏΡΠΈΠ±ΠΎΡΠ°: Π°ΠΌΠΏΠ΅ΡΠΌΠ΅ΡΡ, Π²ΠΎΠ»ΡΡΠΌΠ΅ΡΡ ΠΈ ΡΠ°Π·ΠΎΠΌΠ΅ΡΡ.
Β§102. ΠΠ·ΠΌΠ΅ΡΠ΅Π½ΠΈΠ΅ ΠΌΠΎΡΠ½ΠΎΡΡΠΈ ΠΈ ΡΠ»Π΅ΠΊΡΡΠΈΡΠ΅ΡΠΊΠΎΠΉ ΡΠ½Π΅ΡΠ³ΠΈΠΈ
ΠΠ΄Π½Π°ΠΊΠΎ Π½Π° ΠΏΡΠ°ΠΊΡΠΈΠΊΠ΅ ΠΈΠ·ΠΌΠ΅ΡΠ΅Π½ΠΈΠ΅ ΠΌΠΎΡΠ½ΠΎΡΡΠΈ ΠΎΠ±ΡΡΠ½ΠΎ ΠΏΡΠΎΠΈΠ·Π²ΠΎΠ΄ΠΈΡΡΡ ΠΏΡΠΈ ΠΏΠΎΠΌΠΎΡΠΈ ΡΠΏΠ΅ΡΠΈΠ°Π»ΡΠ½ΡΡ ΠΏΡΠΈΠ±ΠΎΡΠΎΠ² — Π²Π°ΡΡΠΌΠ΅ΡΡΠΎΠ². ΠΠ°ΡΡΠΌΠ΅ΡΡ ΡΠΈΡ. ΠΡΠΈ Π²ΠΊΠ»ΡΡΠ΅Π½ΠΈΠΈ Π²Π°ΡΡΠΌΠ΅ΡΡΠ° ΡΠΎΠΊ Π½Π°Π³ΡΡΠ·ΠΊΠΈ ΠΏΡΠΎΡ ΠΎΠ΄ΠΈΡ ΡΠ΅ΡΠ΅Π· Π½Π΅ΠΏΠΎΠ΄Π²ΠΈΠΆΠ½ΡΡ ΠΊΠ°ΡΡΡΠΊΡ, ΠΏΠΎΡΠ»Π΅Π΄ΠΎΠ²Π°ΡΠ΅Π»ΡΠ½ΠΎ Π²ΠΊΠ»ΡΡΠ΅Π½Π½ΡΡ Π² ΡΠ΅ΠΏΡ, Π° ΠΏΠΎΠ΄Π²ΠΈΠΆΠ½Π°Ρ ΠΊΠ°ΡΡΡΠΊΠ° Π²ΠΊΠ»ΡΡΠ°Π΅ΡΡΡ ΠΏΠ°ΡΠ°Π»Π»Π΅Π»ΡΠ½ΠΎ ΠΏΠΎΡΡΠ΅Π±ΠΈΡΠ΅Π»Ρ. ΠΠ»Ρ ΡΠΌΠ΅Π½ΡΡΠ΅Π½ΠΈΡ ΠΏΠΎΡΡΠ΅Π±Π»ΡΠ΅ΠΌΠΎΠΉ ΠΌΠΎΡΠ½ΠΎΡΡΠΈ Π² ΠΏΠ°ΡΠ°Π»Π»Π΅Π»ΡΠ½ΠΎΠΉ ΠΎΠ±ΠΌΠΎΡΠΊΠ΅ ΠΈ ΡΠΌΠ΅Π½ΡΡΠ΅Π½ΠΈΡ Π²Π΅ΡΠ° ΠΏΠΎΠ΄Π²ΠΈΠΆΠ½ΠΎΠΉ ΠΊΠ°ΡΡΡΠΊΠΈ ΠΏΠΎΡΠ»Π΅Π΄ΠΎΠ²Π°ΡΠ΅Π»ΡΠ½ΠΎ Ρ Π½Π΅ΠΉ Π²ΠΊΠ»ΡΡΠ°Π΅ΡΡΡ Π΄ΠΎΠ±Π°Π²ΠΎΡΠ½ΠΎΠ΅ ΡΠΎΠΏΡΠΎΡΠΈΠ²Π»Π΅Π½ΠΈΠ΅ 3 ΠΈΠ· ΠΌΠ°Π½Π³Π°Π½ΠΈΠ½Π°. Π ΡΠ΅Π·ΡΠ»ΡΡΠ°ΡΠ΅ Π²Π·Π°ΠΈΠΌΠΎΠ΄Π΅ΠΉΡΡΠ²ΠΈΡ ΠΌΠ°Π³Π½ΠΈΡΠ½ΡΡ ΠΏΠΎΠ»Π΅ΠΉ ΠΏΠΎΠ΄Π²ΠΈΠΆΠ½ΠΎΠΉ ΠΈ Π½Π΅ΠΏΠΎΠ΄Π²ΠΈΠΆΠ½ΠΎΠΉ ΠΊΠ°ΡΡΡΠ΅ΠΊ Π²ΠΎΠ·Π½ΠΈΠΊΠ°Π΅Ρ ΠΌΠΎΠΌΠ΅Π½Ρ Π²ΡΠ°ΡΠ΅Π½ΠΈΡ, ΠΏΡΠΎΠΏΠΎΡΡΠΈΠΎΠ½Π°Π»ΡΠ½ΡΠΉ ΡΠΎΠΊΠ°ΠΌ ΠΎΠ±Π΅ΠΈΡ ΠΊΠ°ΡΡΡΠ΅ΠΊ:. Π’ΠΎΠΊ ΠΏΠ°ΡΠ°Π»Π»Π΅Π»ΡΠ½ΠΎΠΉ ΠΎΠ±ΠΌΠΎΡΠΊΠΈ I 2 ΠΏΡΠΈ ΠΏΠΎΡΡΠΎΡΠ½Π½ΠΎΠΌ ΡΠΎΠΏΡΠΎΡΠΈΠ²Π»Π΅Π½ΠΈΠΈ ΠΏΠ°ΡΠ°Π»Π»Π΅Π»ΡΠ½ΠΎΠΉ ΡΠ΅ΠΏΠΈ ΠΏΡΠΎΠΏΠΎΡΡΠΈΠΎΠ½Π°Π»Π΅Π½ Π½Π°ΠΏΡΡΠΆΠ΅Π½ΠΈΡ ΡΠ΅ΠΏΠΈ.
ΠΠ·ΠΌΠ΅ΡΠ΅Π½ΠΈΠ΅ ΡΠΈΠ»Ρ ΡΠΎΠΊΠ°, Π½Π°ΠΏΡΡΠΆΠ΅Π½ΠΈΡ ΠΈ ΠΌΠΎΡΠ½ΠΎΡΡΠΈ Π² ΡΠ»Π΅ΠΊΡΡΠΈΡΠ΅ΡΠΊΠΈΡ ΡΠ΅ΠΏΡΡ
Please enable JavaScript on your browser to best view this site. ΠΠ°Π½ Π²Π°ΡΡΠΌΠ΅ΡΡ Π½Π° Π½ΠΎΠΌΠΈΠ½Π°Π»ΡΠ½ΡΠΉ ΡΠΎΠΊ 5 Π ΠΈ Π½ΠΎΠΌΠΈΠ½Π°Π»ΡΠ½ΠΎΠ΅ Π½Π°ΠΏΡΡΠΆΠ΅Π½ΠΈΠ΅ Π. ΠΠ°ΠΊ Π΅Π³ΠΎ Π²ΠΊΠ»ΡΡΠΈΡΡ Π² ΡΠ΅ΡΡ? ΠΡΠ»ΠΈ ΡΠΎΠΊ Π½Π°Π³ΡΡΠ·ΠΊΠΈ I Ρ
ΠΌΠ΅Π½ΡΡΠ΅ Π΄ΠΎΠΏΡΡΡΠΈΠΌΠΎΠ³ΠΎ ΡΠΎΠΊΠ°, Π΄ΡΡΠ³ΠΈΠΌΠΈ ΡΠ»ΠΎΠ²Π°ΠΌΠΈ Π² ΡΡΠΎΠΌ ΡΠ»ΡΡΠ°Π΅ ΠΌΠ΅Π½ΡΡΠ΅ 5 Π, ΠΈ Π΅ΡΠ»ΠΈ Π½Π°ΠΏΡΡΠΆΠ΅Π½ΠΈΠ΅ Π² ΠΈΠ·ΠΌΠ΅ΡΠΈΡΠ΅Π»ΡΠ½ΠΎΠΉ ΡΠ΅ΠΏΠΈ ΠΌΠ΅Π½ΡΡΠ΅ Π΄ΠΎΠΏΡΡΡΠΈΠΌΠΎΠ³ΠΎ Π½Π°ΠΏΡΡΠΆΠ΅Π½ΠΈΡ ΠΊΠ°ΡΡΡΠΊΠΈ, Π΄ΡΡΠ³ΠΈΠΌΠΈ ΡΠ»ΠΎΠ²Π°ΠΌΠΈ ΠΌΠ΅Π½ΡΡΠ΅ Π, ΡΠΎ ΡΡ
Π΅ΠΌΠ° Π²ΠΊΠ»ΡΡΠ΅Π½ΠΈΡ ΠΈΠΌΠ΅Π΅Ρ ΠΏΠΎΡΠ»Π΅Π΄ΡΡΡΠΈΠΉ Π²ΠΈΠ΄ ΡΠΈΡ.
ΠΠ°Π±ΡΠΎΡΠΎΠΊ 1. Π‘Ρ
Π΅ΠΌΡ Π²ΠΊΠ»ΡΡΠ΅Π½ΠΈΡ Π²Π°ΡΡΠΌΠ΅ΡΡΠ°: Π° β ΠΊΠΎΠ½ΠΊΡΠ΅ΡΠ½ΠΎ Π² ΡΠ΅ΡΡ Π²Π΅ΡΠ½ΠΎ, Π± β Π½Π΅ΠΊΠΎΡΡΠ΅ΠΊΡΠ½ΠΎ, Π² β Π² ΡΠ΅ΡΡ Ρ ΠΎΠ³ΡΠΎΠΌΠ½ΡΠΌ Π½Π°ΠΏΡΡΠΆΠ΅Π½ΠΈΠ΅ΠΌ ΠΈ ΠΎΠ³ΡΠΎΠΌΠ½ΡΠΌ ΡΠΎΠΊΠΎΠΌ. ΠΡΠ΅ΠΌΡ ΠΎΡ Π²ΡΠ΅ΠΌΠ΅Π½ΠΈ ΠΏΡΠΈ Π²ΡΠΏΠΎΠ»Π½Π΅Π½ΠΈΠΈ ΡΠΎΠΊΠΎΠ²ΠΎΠΉ ΡΠ΅ΠΏΠΈ Π² Π½Π΅Π΅ Π²ΠΊΠ»ΡΡΠ°ΡΡ ΡΠΎΠΏΡΠΎΡΠΈΠ²Π»Π΅Π½ΠΈΠ΅ ΠΏΠ΅ΡΠ΅ΠΌΡΡΠΊΠΈ ΡΠΈΡ. ΠΡΠΎΠ³ΠΎ Π΄Π΅Π»Π°ΡΡ Π½Π΅Π»ΡΠ·Ρ, ΠΏΠΎΡΠΎΠΌΡ ΡΡΠΎ Π² Π΄Π°Π½Π½ΠΎΠΌ ΡΠ»ΡΡΠ°Π΅ ΡΠ΅ΡΠ΅Π· ΠΏΠ΅ΡΠ΅ΠΌΡΡΠΊΡ ΠΏΡΠΎΡ
ΠΎΠ΄ΠΈΡ ΡΠ°Π±ΠΎΡΠΈΠΉ ΡΠΎΠΊ, Π° Π½Π΅ ΠΌΠ°Π»ΡΠΉ ΡΠΎΠΊ ΡΠ΅ΠΏΠΈ Π½Π°ΠΏΡΡΠΆΠ΅Π½ΠΈΡ, ΠΊΠ°ΠΊ Π² ΡΠ°ΡΡΠΌΠΎΡΡΠ΅Π½Π½ΠΎΠΉ ΡΠ°Π½Π΅Π΅ ΡΡ
Π΅ΠΌΠ΅.
βΠΠ°ΠΊ ΠΏΡΠ°Π²ΠΈΠ»ΡΠ½ΠΎ ΠΏΠΎΠ΄ΠΊΠ»ΡΡΠΈΡΡ Π²Π°ΡΡΠΌΠ΅ΡΡ Π² ΡΠ»Π΅ΠΊΡΡΠΈΡΠ΅ΡΠΊΡΡ ΡΠ΅ΠΏΡ ΠΠ° ΡΠΈΡΡΠ½ΠΊΠ°Ρ ΠΏΡΠ΅Π΄ΡΡΠ°Π²Π»Π΅Π½Ρ 2 ΠΊΠΎΡΡΠ΅ΠΊΡΠ½ΡΠ΅ ΡΡ Π΅ΠΌΡ Π²ΠΊΠ»ΡΡΠ΅Π½ΠΈΡ Π²Π°ΡΡΠΌΠ΅ΡΡΠ°.
ΠΠ°ΡΡΠΌΠ΅ΡΡ Π΄Π»Ρ ΠΈΠ·ΠΌΠ΅ΡΠ΅Π½ΠΈΡ ΠΌΠΎΡΠ½ΠΎΡΡΠΈ: Π½Π°Π·Π½Π°ΡΠ΅Π½ΠΈΠ΅, ΡΠΈΠΏΡ, ΠΏΠΎΠ΄ΠΊΠ»ΡΡΠ΅Π½ΠΈΠ΅, ΠΏΡΠΈΠΌΠ΅Π½Π΅Π½ΠΈΠ΅
ΠΠ·ΠΌΠ΅ΡΠ΅Π½ΠΈΠ΅ ΠΌΠΎΡΠ½ΠΎΡΡΠΈ. Π ΡΠ΅ΠΏΡΡ ΠΏΠΎΡΡΠΎΡΠ½Π½ΠΎΠ³ΠΎ ΡΠΎΠΊΠ° ΠΌΠΎΡΠ½ΠΎΡΡΡ ΠΈΠ·ΠΌΠ΅ΡΡΡΡ ΡΠ»Π΅ΠΊΡΡΠΎ- ΠΈΠ»ΠΈ ΡΠ΅ΡΡΠΎΠ΄ΠΈΠ½Π°ΠΌΠΈΡΠ΅ΡΠΊΠΈΠΌ Π²Π°ΡΡΠΌΠ΅ΡΡΠΎΠΌ. ΠΠΎΡΠ½ΠΎΡΡΡ ΠΌΠΎΠΆΠ΅Ρ Π±ΡΡΡ ΡΠ°ΠΊΠΆΠ΅ ΠΏΠΎΠ΄ΡΡΠΈΡΠ°Π½Π° ΠΏΠ΅ΡΠ΅ΠΌΠ½ΠΎΠΆΠ΅Π½ΠΈΠ΅ΠΌ Π·Π½Π°ΡΠ΅Π½ΠΈΠΉ ΡΠΎΠΊΠ° ΠΈ Π½Π°ΠΏΡΡΠΆΠ΅Π½ΠΈΡ, ΠΈΠ·ΠΌΠ΅ΡΠ΅Π½Π½ΡΡ Π°ΠΌΠΏΠ΅ΡΠΌΠ΅ΡΡΠΎΠΌ ΠΈ Π²ΠΎΠ»ΡΡΠΌΠ΅ΡΡΠΎΠΌ. Π ΡΠ΅ΠΏΡΡ ΠΎΠ΄Π½ΠΎΡΠ°Π·Π½ΠΎΠ³ΠΎ ΡΠΎΠΊΠ° ΠΈΠ·ΠΌΠ΅ΡΠ΅Π½ΠΈΠ΅ ΠΌΠΎΡΠ½ΠΎΡΡΠΈ ΠΌΠΎΠΆΠ΅Ρ Π±ΡΡΡ ΠΎΡΡΡΠ΅ΡΡΠ²Π»Π΅Π½ΠΎ ΡΠ»Π΅ΠΊΡΡΠΎΠ΄ΠΈΠ½Π°ΠΌΠΈΡΠ΅ΡΠΊΠΈΠΌ, ΡΠ΅ΡΡΠΎΠ΄ΠΈΠ½Π°ΠΌΠΈΡΠ΅ΡΠΊΠΈΠΌ ΠΈΠ»ΠΈ ΠΈΠ½Π΄ΡΠΊΡΠΈΠΎΠ½Π½ΡΠΌ Π²Π°ΡΡΠΌΠ΅ΡΡΠΎΠΌ.
ΠΠ·ΠΌΠ΅ΡΠ΅Π½ΠΈΠ΅ ΠΌΠΎΡΠ½ΠΎΡΡΠΈ ΠΈ ΡΠ½Π΅ΡΠ³ΠΈΠΈ
ΠΠ°ΠΏΡΡΠΆΠ΅Π½ΠΈΠ΅ ΠΈ ΡΠΎΠΊ Π² ΡΠ΅ΡΡΡ
ΠΏΠΎΡΡΠΎΡΠ½Π½ΠΎΠ³ΠΎ ΡΠΎΠΊΠ° ΠΈΠ·ΠΌΠ΅ΡΡΡΡ ΠΌΠ°Π³Π½ΠΈΡΠΎΡΠ»Π΅ΠΊΡΡΠΈΡΠ΅ΡΠΊΠΈΠΌΠΈ ΠΏΡΠΈΠ±ΠΎΡΠ°ΠΌΠΈ Π²ΠΎΠ»ΡΡΠΌΠ΅ΡΡΠ°ΠΌΠΈ, Π°ΠΌΠΏΠ΅ΡΠΌΠ΅ΡΡΠ°ΠΌΠΈ ΡΠΈΡ.
ΠΠ»Ρ ΡΠ°ΡΡΠΈΡΠ΅Π½ΠΈΡ ΠΏΡΠ΅Π΄Π΅Π»ΠΎΠ² ΠΈΠ·ΠΌΠ΅ΡΠ΅Π½ΠΈΡ Π²ΠΎΠ»ΡΡΠΌΠ΅ΡΡΠΎΠ² ΠΏΡΠΈΠΌΠ΅Π½ΡΡΡ Π΄ΠΎΠ±Π°Π²ΠΎΡΠ½ΡΠ΅ ΡΠΎΠΏΡΠΎΡΠΈΠ²Π»Π΅Π½ΠΈΡ ΠΠ΄ΠΎΠ± , Π° Π΄Π»Ρ Π°ΠΌΠΏΠ΅ΡΠΌΠ΅ΡΡΠΎΠ² β ΡΡΠ½ΡΡ. Π‘Ρ
Π΅ΠΌΠ° Π²ΠΊΠ»ΡΡΠ΅Π½ΠΈΡ ΠΏΡΠΈΠ±ΠΎΡΠΎΠ² Π² ΡΠ΅ΡΡ ΠΏΠΎΠΊΠ°Π·Π°Π½Π° Π½Π° ΡΠΈΡ. ΠΠ·ΠΌΠ΅ΡΠ΅Π½ΠΈΠ΅ Π½Π°ΠΏΡΡΠΆΠ΅Π½ΠΈΡ, ΡΠΎΠΊΠ° ΠΈ ΠΌΠΎΡΠ½ΠΎΡΡΠΈ Π² ΡΠ΅ΡΡΡ
ΠΏΠ΅ΡΠ΅ΠΌΠ΅Π½Π½ΠΎΠ³ΠΎ ΡΠΎΠΊΠ° ΠΏΡΠΎΠΈΠ·Π²ΠΎΠ΄ΠΈΡΡΡ ΡΠ»Π΅ΠΊΡΡΠΎΠ΄ΠΈΠ½Π°ΠΌΠΈΡΠ΅ΡΠΊΠΈΠΌΠΈ ΠΏΡΠΈΠ±ΠΎΡΠ°ΠΌΠΈ Π²ΠΎΠ»ΡΡΠΌΠ΅ΡΡΠ°ΠΌΠΈ, Π°ΠΌΠΏΠ΅ΡΠΌΠ΅ΡΡΠ°ΠΌΠΈ, Π²Π°ΡΡΠΌΠ΅ΡΡΠ°ΠΌΠΈ. Π‘Ρ
Π΅ΠΌΠ° Π²ΠΊΠ»ΡΡΠ΅Π½ΠΈΡ Π°ΠΌΠΏΠ΅ΡΠΌΠ΅ΡΡΠ° ΠΈ Π²ΠΎΠ»ΡΡΠΌΠ΅ΡΡΠ° Π² ΠΎΠ΄Π½ΠΎΡΠ°Π·Π½ΡΡ ΡΠ΅ΡΡ ΡΠ΅ΡΠ΅Π· ΡΡΠ°Π½ΡΡΠΎΡΠΌΠ°ΡΠΎΡΡ ΡΠΎΠΊΠ° ΠΈ Π½Π°ΠΏΡΡΠΆΠ΅Π½ΠΈΡ ΠΏΡΠΈΠ²Π΅Π΄Π΅Π½Π° Π½Π° ΡΠΈΡ.
ΠΠΎΡΠ½ΠΎΡΡΡ β ΡΠΈΠ·ΠΈΡΠ΅ΡΠΊΠ°Ρ Π²Π΅Π»ΠΈΡΠΈΠ½Π°, ΡΠ°Π²Π½Π°Ρ Π²ΡΠΏΠΎΠ»Π½ΡΠ΅ΠΌΠΎΠΉ ΡΠ°Π±ΠΎΡΠ΅ Π·Π° Π΅Π΄ΠΈΠ½ΠΈΡΡ Π²ΡΠ΅ΠΌΠ΅Π½ΠΈ, ΡΡΠΎ ΡΠ°Π²Π½ΠΎΡΠΈΠ»ΡΠ½ΠΎ ΡΠΊΠΎΡΠΎΡΡΠΈ ΠΈΠ·ΠΌΠ΅Π½Π΅Π½ΠΈΡ ΡΠ½Π΅ΡΠ³ΠΈΠΈ ΡΠΈΡΡΠ΅ΠΌΡ.
ΠΠΊΠ»ΡΡΠ΅Π½ΠΈΠ΅ Π²Π°ΡΡΠΌΠ΅ΡΡΠ° Π² ΠΈΠ·ΠΌΠ΅ΡΡΠ΅ΠΌΡΡ ΡΠ΅ΠΏΡ
ΠΠ·ΠΌΠ΅ΡΠ΅Π½ΠΈΠ΅ ΡΠΎΠΊΠ° ΠΏΡΠΎΠΈΠ·Π²ΠΎΠ΄ΠΈΡΡΡ ΠΏΡΠΈΠ±ΠΎΡΠΎΠΌ, Π½Π°Π·ΡΠ²Π°Π΅ΠΌΡΠΌ Π°ΠΌΠΏΠ΅ΡΠΌΠ΅ΡΡΠΎΠΌ. Π‘ΡΡΠ΅ΡΡΠ²ΡΡΡ ΡΠ΅ΡΡΡΠ΅ ΡΡ
Π΅ΠΌΡ Π²ΠΊΠ»ΡΡΠ΅Π½ΠΈΡ Π°ΠΌΠΏΠ΅ΡΠΌΠ΅ΡΡΠ° Π² ΡΠ΅ΠΏΡ. ΠΠ΅ΡΠ²ΡΠ΅ Π΄Π²Π΅ ΡΠΈΡ. ΠΡΠΎΡΠ°Ρ ΠΈ ΡΠ΅ΡΠ²Π΅ΡΡΠ°Ρ ΡΡ
Π΅ΠΌΡ ΠΏΡΠΈΠΌΠ΅Π½ΡΡΡΡΡ Π² ΡΠ΅Ρ
ΡΠ»ΡΡΠ°ΡΡ
, ΠΊΠΎΠ³Π΄Π° Π½ΠΎΠΌΠΈΠ½Π°Π»ΡΠ½ΡΠ΅ Π΄Π°Π½Π½ΡΠ΅ Π°ΠΌΠΏΠ΅ΡΠΌΠ΅ΡΡΠ° ΠΌΠ΅Π½ΡΡΠ΅ ΠΈΠ·ΠΌΠ΅ΡΡΠ΅ΠΌΠΎΠΉ Π²Π΅Π»ΠΈΡΠΈΠ½Ρ ΡΠΎΠΊΠ°. Π ΡΡΠΎΠΌ ΡΠ»ΡΡΠ°Π΅ ΠΏΡΠΈ ΠΎΠΏΡΠ΅Π΄Π΅Π»Π΅Π½ΠΈΠΈ ΠΈΡΡΠΈΠ½Π½ΠΎΠ³ΠΎ Π·Π½Π°ΡΠ΅Π½ΠΈΡ ΡΠΎΠΊΠ° Π½ΡΠΆΠ½ΠΎ ΡΡΠΈΡΡΠ²Π°ΡΡ ΠΊΠΎΡΡΡΠΈΡΠΈΠ΅Π½Ρ ΠΏΡΠ΅ΠΎΠ±ΡΠ°Π·ΠΎΠ²Π°Π½ΠΈΡ:. ΠΠ·ΠΌΠ΅ΡΠ΅Π½ΠΈΠ΅ Π½Π°ΠΏΡΡΠΆΠ΅Π½ΠΈΡ ΠΏΡΠΎΠΈΠ·Π²ΠΎΠ΄ΠΈΡΡΡ Π²ΠΎΠ»ΡΡΠΌΠ΅ΡΡΠΎΠΌ.
ΠΠ·ΠΌΠ΅ΡΠ΅Π½ΠΈΠ΅ ΠΌΠΎΡΠ½ΠΎΡΡΠΈ ΡΠΎΠΊΠ°. Π‘Ρ Π΅ΠΌΠ° Π²ΠΊΠ»ΡΡΠ΅Π½ΠΈΡ Π²Π°ΡΡΠΌΠ΅ΡΡΠ°. Π‘Ρ Π΅ΠΌΡ ΠΈΠ·ΠΌΠ΅ΡΠ΅Π½ΠΈΡ ΠΌΠΎΡΠ½ΠΎΡΡΠΈ.
ΠΠ°Π½ Π²Π°ΡΡΠΌΠ΅ΡΡ Π½Π° Π½ΠΎΠΌΠΈΠ½Π°Π»ΡΠ½ΡΠΉ ΡΠΎΠΊ 5 Π ΠΈ Π½ΠΎΠΌΠΈΠ½Π°Π»ΡΠ½ΠΎΠ΅ Π½Π°ΠΏΡΡΠΆΠ΅Π½ΠΈΠ΅ Π. ΠΠ°ΠΊ Π΅Π³ΠΎ Π²ΠΊΠ»ΡΡΠΈΡΡ Π² ΡΠ΅ΡΡ? ΠΡΠ»ΠΈ ΡΠΎΠΊ Π½Π°Π³ΡΡΠ·ΠΊΠΈ I Ρ ΠΌΠ΅Π½ΡΡΠ΅ Π΄ΠΎΠΏΡΡΡΠΈΠΌΠΎΠ³ΠΎ ΡΠΎΠΊΠ°, ΡΠΎ Π΅ΡΡΡ Π² Π΄Π°Π½Π½ΠΎΠΌ ΡΠ»ΡΡΠ°Π΅ ΠΌΠ΅Π½ΡΡΠ΅ 5 Π, ΠΈ Π΅ΡΠ»ΠΈ Π½Π°ΠΏΡΡΠΆΠ΅Π½ΠΈΠ΅ Π² ΠΈΠ·ΠΌΠ΅ΡΠΈΡΠ΅Π»ΡΠ½ΠΎΠΉ ΡΠ΅ΠΏΠΈ ΠΌΠ΅Π½ΡΡΠ΅ Π΄ΠΎΠΏΡΡΡΠΈΠΌΠΎΠ³ΠΎ Π½Π°ΠΏΡΡΠΆΠ΅Π½ΠΈΡ ΠΊΠ°ΡΡΡΠΊΠΈ, ΡΠΎ Π΅ΡΡΡ ΠΌΠ΅Π½ΡΡΠ΅ Π, ΡΠΎ ΡΡ Π΅ΠΌΠ° Π²ΠΊΠ»ΡΡΠ΅Π½ΠΈΡ ΠΈΠΌΠ΅Π΅Ρ ΡΠ»Π΅Π΄ΡΡΡΠΈΠΉ Π²ΠΈΠ΄ ΡΠΈΡ.
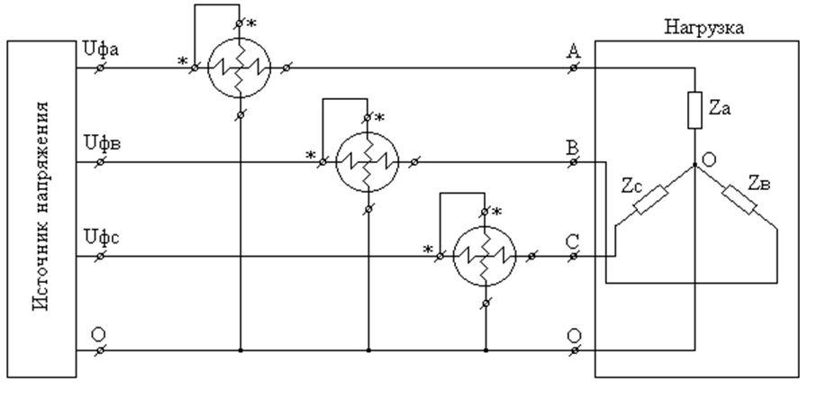
ΠΠ°ΠΊ ΠΏΠΎΠ΄ΠΊΠ»ΡΡΠ°Π΅ΡΡΡ Π²Π°ΡΡΠΌΠ΅ΡΡ
ΠΠ±ΠΌΠΎΡΠΊΠ° Π½Π°ΠΏΡΡΠΆΠ΅Π½ΠΈΡ Π²Π°ΡΡΠΌΠ΅ΡΡΠ° ΠΏΠΎΠ΄ΠΊΠ»ΡΡΠ°Π΅ΡΡΡ ΠΊ ΠΈΡΡΠΎΡΠ½ΠΈΠΊΡ ΡΠΈΠ½ΡΡΠΎΠΈΠ΄Π°Π»ΡΠ½ΠΎΠ³ΠΎ Π½Π°ΠΏΡΡΠΆΠ΅Π½ΠΈΡ ΠΏΠΎΠΎΡΠ΅ΡΠ΅Π΄Π½ΠΎ Π½Π° ΡΠ°Π·Ρ UAB, UBC ΠΈ UCA ΡΠ°ΠΊ, ΡΡΠΎΠ±Ρ Π°Π±ΡΠΎΠ»ΡΡΠ½Π°Ρ Π²Π΅Π»ΠΈΡΠΈΠ½Π° Π½Π°ΠΏΡΡΠΆΠ΅Π½ΠΈΡ Π±ΡΠ»Π° ΠΈΠ·Π²Π΅ΡΡΠ½Π° ΠΈ Π²ΠΎ Π²ΡΠ΅ΠΌΡ Π·Π°ΠΌΠ΅ΡΠΎΠ² Π½Π΅ΠΈΠ·ΠΌΠ΅Π½Π½Π°. Π Π½ΡΠ»Π΅Π²ΠΎΠΌ ΠΏΡΠΎΠ²ΠΎΠ΄Π΅ ΡΡΠ΅Ρ
ΡΡΠ°Π½ΡΡΠΎΡΠΌΠ°ΡΠΎΡΠΎΠ² ΡΠΎΠΊΠ°, ΡΠΎΠ΅Π΄ΠΈΠ½Π΅Π½Π½ΡΡ
Π½Π° ΡΡΠΌΠΌΡ ΡΠΎΠΊΠΎΠ², ΠΊΠ°ΠΊ ΡΠΊΠ°Π·ΡΠ²Π°Π»ΠΎΡΡ ΡΠ°Π½Π΅Π΅, ΡΠΎΠΊ Π½Π΅Π±Π°Π»Π°Π½ΡΠ° ΡΠΎΠ΄Π΅ΡΠΆΠΈΡ Π·Π½Π°ΡΠΈΡΠ΅Π»ΡΠ½ΡΠΉ ΠΏΡΠΎΡΠ΅Π½Ρ Π²ΡΡΡΠΈΡ
Π³Π°ΡΠΌΠΎΠ½ΠΈΠΊ. ΠΡΠΈ Π²ΡΠ΅Ρ
ΡΡΠ΅Ρ
Π·Π°ΠΌΠ΅ΡΠ°Ρ
Π²ΡΠ²ΠΎΠ΄ Π²Π°ΡΡΠΌΠ΅ΡΡΠ°, ΠΎΠ±ΠΎΠ·Π½Π°ΡΠ΅Π½Π½ΡΠΉ Π·Π²Π΅Π·Π΄ΠΎΡΠΊΠΎΠΉ, Π½Π΅ΠΎΠ±Ρ
ΠΎΠ΄ΠΈΠΌΠΎ ΠΏΠΎΠ΄ΡΠΎΠ΅Π΄ΠΈΠ½ΡΡΡ ΠΊ Π²ΡΠ²ΠΎΠ΄Π°ΠΌ ΡΡΠ΅ΡΡΠΈΠΊΠ°, ΡΠΎΠΎΡΠ²Π΅ΡΡΡΠ²ΡΡΡΠΈΠΌ Π±ΡΠΊΠ²Π°ΠΌ Π, Π‘ ΠΈ Π.
Π’ΠΎΠΊΠΎΠ²Π°Ρ ΠΊΠ°ΡΡΡΠΊΠ° Π΄ΠΎΠ»ΠΆΠ½Π° Π±ΡΡΡ Π²ΠΊΠ»ΡΡΠ΅Π½Π° ΡΠ°ΠΊ, ΡΡΠΎΠ±Ρ ΡΠΎΠΊΠΎΠ²ΡΠΉ Π²ΡΠ²ΠΎΠ΄ Π²Π°ΡΡΠΌΠ΅ΡΡΠ°, ΠΎΠ±ΠΎΠ·Π½Π°ΡΠ΅Π½Π½ΡΠΉ Π·Π²Π΅Π·Π΄ΠΎΡΠΊΠΎΠΉ, ΡΠΎΠ΅Π΄ΠΈΠ½ΡΠ»ΡΡ Ρ ΠΏΡΠ°Π²ΡΠΌ ΡΠΎΠΊΠΎΠ²ΡΠΌ Π²ΡΠ²ΠΎΠ΄ΠΎΠΌ ΡΠ°Π·Ρ Π ΡΡΠ΅ΡΡΠΈΠΊΠ°. Π’Ρ ΠΆΠ΅ ΠΎΠΏΠ΅ΡΠ°ΡΠΈΡ ΠΏΠΎΠ²ΡΠΎΡΡΡΡ Π΄Π»Ρ ΡΠΎΠΊΠ° ΡΠ°Π·Ρ Π‘.
ΠΠΎΠΈΡΠΊ Π΄Π°Π½Π½ΡΡ ΠΏΠΎ ΠΠ°ΡΠ΅ΠΌΡ Π·Π°ΠΏΡΠΎΡΡ:
Π‘Ρ Π΅ΠΌΡ, ΡΠΏΡΠ°Π²ΠΎΡΠ½ΠΈΠΊΠΈ, Π΄Π°ΡΠ°ΡΠΈΡΡ:
ΠΡΠ°ΠΉΡ-Π»ΠΈΡΡΡ, ΡΠ΅Π½Ρ:
ΠΠ±ΡΡΠΆΠ΄Π΅Π½ΠΈΡ, ΡΡΠ°ΡΡΠΈ, ΠΌΠ°Π½ΡΠ°Π»Ρ:
ΠΠΎΠΆΠ΄ΠΈΡΠ΅ΡΡ ΠΎΠΊΠΎΠ½ΡΠ°Π½ΠΈΡ ΠΏΠΎΠΈΡΠΊΠ° Π²ΠΎ Π²ΡΠ΅Ρ Π±Π°Π·Π°Ρ .
ΠΠΎ Π·Π°Π²Π΅ΡΡΠ΅Π½ΠΈΡ ΠΏΠΎΡΠ²ΠΈΡΡΡ ΡΡΡΠ»ΠΊΠ° Π΄Π»Ρ Π΄ΠΎΡΡΡΠΏΠ° ΠΊ Π½Π°ΠΉΠ΄Π΅Π½Π½ΡΠΌ ΠΌΠ°ΡΠ΅ΡΠΈΠ°Π»Π°ΠΌ.
Π‘ΠΎΠ΄Π΅ΡΠΆΠ°Π½ΠΈΠ΅:
- ΠΠ°ΠΊΡΡ ΠΌΠΎΡΠ½ΠΎΡΡΡ ΠΈΠ·ΠΌΠ΅ΡΡΠ΅Ρ Π²Π°ΡΡΠΌΠ΅ΡΡ
- ΠΠ°ΠΊ ΠΏΠΎΠ΄ΠΊΠ»ΡΡΠΈΡΡ Π²Π°ΡΡΠΌΠ΅ΡΡ
- ΠΠΊΠ»ΡΡΠ΅Π½ΠΈΠ΅ Π²Π°ΡΡΠΌΠ΅ΡΡΠ° Π² ΠΈΠ·ΠΌΠ΅ΡΡΠ΅ΠΌΡΡ ΡΠ΅ΠΏΡ
- ΠΠ°ΡΡΠΌΠ΅ΡΡ ΠΏΠΎΡΡΠΎΡΠ½Π½ΠΎΠ³ΠΎ ΡΠΎΠΊΠ°
- ΠΠ»Π΅ΠΊΡΡΠΎΠ΄ΠΈΠ½Π°ΠΌΠΈΡΠ΅ΡΠΊΠΈΠ΅ Π²Π°ΡΡΠΌΠ΅ΡΡΡ.
- ΠΠ½Π°Π»ΠΎΠ³ΠΎΠ²ΡΠΉ ΠΈ ΡΠΈΡΡΠΎΠ²ΠΎΠΉ Π²Π°ΡΡΠΌΠ΅ΡΡ
- ΠΠ·ΠΌΠ΅ΡΠ΅Π½ΠΈΠ΅ ΠΌΠΎΡΠ½ΠΎΡΡΠΈ ΡΠΎΠΊΠ°. Π‘Ρ Π΅ΠΌΠ° Π²ΠΊΠ»ΡΡΠ΅Π½ΠΈΡ Π²Π°ΡΡΠΌΠ΅ΡΡΠ°. Π‘Ρ Π΅ΠΌΡ ΠΈΠ·ΠΌΠ΅ΡΠ΅Π½ΠΈΡ ΠΌΠΎΡΠ½ΠΎΡΡΠΈ.
- ΠΠ°ΡΡΠΌΠ΅ΡΡ Π΄Π»Ρ ΠΈΠ·ΠΌΠ΅ΡΠ΅Π½ΠΈΡ ΠΌΠΎΡΠ½ΠΎΡΡΠΈ: Π½Π°Π·Π½Π°ΡΠ΅Π½ΠΈΠ΅, ΡΠΈΠΏΡ, ΠΏΠΎΠ΄ΠΊΠ»ΡΡΠ΅Π½ΠΈΠ΅, ΠΏΡΠΈΠΌΠ΅Π½Π΅Π½ΠΈΠ΅
- 176. ΠΠ·ΠΌΠ΅ΡΠ΅Π½ΠΈΠ΅ Π°ΠΊΡΠΈΠ²Π½ΠΎΠΉ ΡΠ»Π΅ΠΊΡΡΠΈΡΠ΅ΡΠΊΠΎΠΉ ΠΌΠΎΡΠ½ΠΎΡΡΠΈ
- ΠΠ°ΠΊ ΠΏΡΠ°Π²ΠΈΠ»ΡΠ½ΠΎ Π²ΠΊΠ»ΡΡΠΈΡΡ Π²Π°ΡΡΠΌΠ΅ΡΡ Π² ΡΠ΅ΠΏΡ ΠΏΠΎΡΡΠΎΡΠ½Π½ΠΎΠ³ΠΎ ΡΠΎΠΊΠ°
ΠΠΠ‘ΠΠΠ’Π ΠΠ’Π ΠΠΠΠΠ ΠΠ Π’ΠΠΠ: ΠΠΎΠ΄ΠΊΠ»ΡΡΠ΅Π½ΠΈΠ΅ Π²Π°ΡΡΠΌΠ΅ΡΡΠ°. ΠΠΎΠΏΠΎΠ»Π½ΠΈΡΠ΅Π»ΡΠ½ΠΎΠ΅ ΠΏΠΈΡΠ°Π½ΠΈΠ΅ ΡΠ²ΠΎΠΈΠΌΠΈ ΡΡΠΊΠ°ΠΌΠΈ
ΠΠ°ΠΊΡΡ ΠΌΠΎΡΠ½ΠΎΡΡΡ ΠΈΠ·ΠΌΠ΅ΡΡΠ΅Ρ Π²Π°ΡΡΠΌΠ΅ΡΡ
ΠΠ»Π΅ΠΊΡΡΠΎΠ΄ΠΈΠ½Π°ΠΌΠΈΡΠ΅ΡΠΊΠΈΠΉ Π²Π°ΡΡΠΌΠ΅ΡΡ ΡΡΡΡΠΎΠ΅Π½ ΠΏΡΠΈΠ½ΡΠΈΠΏΠΈΠ°Π»ΡΠ½ΠΎ ΡΠ°ΠΊ ΠΆΠ΅, ΠΊΠ°ΠΊ ΠΈ ΡΠ»Π΅ΠΊΡΡΠΎΠ΄ΠΈΠ½Π°ΠΌΠΈΡΠ΅ΡΠΊΠΈΠΉ Π°ΠΌΠΏΠ΅ΡΠΌΠ΅ΡΡ ΠΈ Π²ΠΎΠ»ΡΡΠΌΠ΅ΡΡ, ΠΎΡΠ»ΠΈΡΠΈΠ΅ Π·Π°ΠΊΠ»ΡΡΠ°Π΅ΡΡΡ ΡΠΎΠ»ΡΠΊΠΎ Π² ΠΏΠ°ΡΠ°ΠΌΠ΅ΡΡΠ΅ ΠΊΠ°ΡΡΡΠ΅ΠΊ ΠΈ Π² ΠΈΡ
ΡΠΏΠΎΡΠΎΠ±Π΅ ΠΈΡ
ΠΏΠΎΠ΄ΠΊΠ»ΡΡΠ΅Π½ΠΈΠΉ.
ΠΠ°ΡΡΠΌΠ΅ΡΡ ΠΈΠΌΠ΅Π΅Ρ Π½Π΅ ΠΌΠ΅Π½ΡΡΠ΅ ΠΊΠΎΠ½ΡΠ°ΠΊΡΠΎΠ². ΠΠ³ΠΎ Π½Π΅Π΄Π²ΠΈΠΆΠ½Π°Ρ ΠΊΠ°ΡΡΡΠΊΠ° ΠΎΠ±ΠΌΠΎΡΠ°Π½Π° ΡΠΎΠ»ΡΡΡΠΌ ΠΏΡΠΎΠ²ΠΎΠ΄ΠΎΠΌ ΠΈ ΠΏΠΎΡΠ»Π΅Π΄ΠΎΠ²Π°ΡΠ΅Π»ΡΠ½ΠΎ Π²ΠΊΠ»ΡΡΠ°Π΅ΡΡΡ Ρ ΡΠ΅ΠΌ ΡΡΠ°ΡΡΠΊΠΎΠΌ ΡΠ΅ΠΏΠΈ, ΠΊΠΎΡΠΎΡΠΎΠ³ΠΎ ΠΌΠΎΡΠ½ΠΎΡΡΡ ΠΈΠ·ΠΌΠ΅ΡΡΠ΅ΡΡΡ.
ΠΠΎΠ΄Π²ΠΈΠΆΠ½Π°Ρ ΠΆΠ΅ ΠΊΠ°ΡΡΡΠΊΠ° ΡΠΎΠ΄Π΅ΡΠΆΠΈΡ ΠΎΠ³ΡΠΎΠΌΠ½ΠΎΠ΅ ΡΠΈΡΠ»ΠΎ Π²ΠΈΡΠΊΠΎΠ² ΠΈΠ· ΡΠΎΠ½ΠΊΠΎΠΉ ΠΏΡΠΎΠ²ΠΎΠ»ΠΎΠΊΠΈ ΠΈ ΠΏΠΎΠ΄ΠΊΠ»ΡΡΠ°Π΅ΡΡΡ ΠΏΠ°ΡΠ°Π»Π»Π΅Π»ΡΠ½ΠΎ ΠΏΠΎΡΡΠ΅Π±ΠΈΡΠ΅Π»Ρ. ΠΠΎΡΠ»Π΅Π΄ΠΎΠ²Π°ΡΠ΅Π»ΡΠ½ΠΎ Ρ Π΄Π²ΠΈΠΆΠΈΠΌΠΎΠΉ ΠΊΠ°ΡΡΡΠΊΠΎΠΉ Π²Π²ΠΎΠ΄ΠΈΡΡΡ ΠΈ Π΄ΠΎΠ±Π°Π²ΠΎΡΠ½ΠΎΠ΅ ΡΠΎΠΏΡΠΎΡΠΈΠ²Π»Π΅Π½ΠΈΠ΅. Π’ΠΎΠΊ, ΠΊΠΎΡΠΎΡΡΠΉ ΠΈΠ΄Π΅Ρ ΠΏΠΎ Π΄Π²ΠΈΠΆΡΡΠ΅ΠΉ ΠΊΠ°ΡΡΡΠΊΠ΅, ΠΏΡΠΎΠΏΠΎΡΡΠΈΠΎΠ½Π°Π»Π΅Π½ Π½Π°ΠΏΡΡΠΆΠ΅Π½ΠΈΡ, ΠΊΠΎΡΠΎΡΠΎΠ΅ ΠΏΠΎΠ΄Π°Π΅ΡΡΡ Π½Π° Π½Π°Π³ΡΡΠ·ΠΊΡ. Π’Π°ΠΊΠΈΠΌ ΠΎΠ±ΡΠ°Π·ΠΎΠΌ, ΠΎΡΠΊΠ»ΠΎΠ½Π΅Π½ΠΈΡ Π΄Π²ΠΈΠΆΡΡΠ΅ΠΉΡΡ ΡΠ°ΡΡΠΈ ΠΏΡΠΎΠΏΠΎΡΡΠΈΠΎΠ½Π°Π»ΡΠ½ΠΎ ΠΌΠΎΡΠ½ΠΎΡΡΠΈ, ΠΈ ΠΏΠΎΡΠΎΠΌΡ ΡΠΊΠ°Π»Ρ ΠΏΡΠΈΠ±ΠΎΡΠ° Π²ΠΏΠΎΠ»Π½Π΅ ΠΌΠΎΠΆΠ½ΠΎ Π³ΡΠ°Π΄ΡΠΈΡΠΎΠ²Π°ΡΡ Π² Π²Π°ΡΡΠ°Ρ . Π ΠΈΠ· ΡΠΎΡΠ½ΠΎΠΉ ΡΠΎΡΠΌΡΠ»Ρ ΡΠ»Π΅Π΄ΡΠ΅Ρ, ΡΡΠΎ ΡΠΊΠ°Π»Π° Π²Π°ΡΡΠΌΠ΅ΡΡΠ° ΡΠ°Π²Π½ΠΎΠΌΠ΅ΡΠ½Π°Ρ.
ΠΠ°ΠΏΡΠΈΠΌΠ΅Ρ, ΡΠ»Π΅ΠΊΡΡΠΈΡΠ΅ΡΠΊΠΈΠΉ ΡΡΠ΅ΡΡΠΈΠΊ ΠΏΡΠΈΠ±ΠΎΡ ΡΠ»Π΅ΠΊΡΡΠΎΠ΄ΠΈΠ½Π°ΠΌΠΈΡΠ΅ΡΠΊΠΎΠΉ ΡΠΈΡΡΠ΅ΠΌΡ, ΠΊΠΎΡΠΎΡΡΠΉ ΠΌΠΎΠΆΠ½ΠΎ ΠΏΡΠΈΠΌΠ΅Π½ΡΡΡ ΠΈ Π΄Π»Ρ ΠΎΠΏΡΠ΅Π΄Π΅Π»Π΅Π½ΠΈΠΉ ΡΠ°Π±ΠΎΡΡ ΡΠΎΠΊΠ°. Π’Π°ΠΊΠΈΠ΅ ΠΏΡΠΈΠ±ΠΎΡΡ, ΡΠΎΠΊΡΠ°ΡΠ΅Π½Π½ΠΎ Π΅ΡΠ΅ Π½Π°Π·ΡΠ²Π°ΡΡ ΡΡΠ΅ΡΡΠΈΠΊΠ°ΠΌΠΈ. Π Π°Π±ΠΎΡΡ, ΠΏΡΠΎΠΈΠ·Π²ΠΎΠ΄ΠΈΠΌΡΡ ΡΠΎΠΊΠΎΠΌ, ΠΌΠΎΠΆΠ½ΠΎ ΠΏΠΎΡΡΠΈΡΠ°ΡΡ ΠΏΠΎ ΡΠΎΡΠΌΡΠ»Π°ΠΌ, ΡΠΎ Π΅ΡΡΡ ΡΡΠ΅ΡΡΠΈΠΊ ΡΡΠΎ ΠΏΠΎ ΡΡΡΠΈ ΠΈΠ½ΡΠ΅Π³ΡΠΈΡΡΡΡΠΈΠΉ ΠΏΡΠΈΠ±ΠΎΡΠΎΠΌ.
ΠΠ»Ρ ΡΠΎΠ³ΠΎ ΡΡΠΎΠ±Ρ ΠΏΡΠΈΠ±ΠΎΡΡ ΡΠ»Π΅ΠΊΡΡΠΎΠ΄ΠΈΠ½Π°ΠΌΠΈΡΠ΅ΡΠΊΠΎΠΉ ΡΠΈΡΡΠ΅ΠΌΡ ΡΠ΄Π΅Π»Π°ΡΡ ΡΡΠ΅ΡΡΠΈΠΊΠ°ΠΌΠΈ, Π½Π΅ Π½ΡΠΆΠ½ΠΎ ΠΊ ΠΎΡΠΈ Π΄Π²ΠΈΠΆΡΡΠ΅ΠΉ ΠΊΠ°ΡΡΡΠΊΠΈ ΠΏΡΠΈΠΊΡΠ΅ΠΏΠ»ΡΡΡ ΠΏΡΡΠΆΠΈΠ½Ρ, Π° Π½Π°ΡΠ°ΠΆΠ΄Π°ΡΡ Π½Π° ΠΎΡΡ Π΄ΠΈΡΠΊ ΠΈΠ· ΠΌΠ΅ΡΠ°Π»Π»Π°, ΠΊΠΎΡΠΎΡΡΠΉ ΠΊΠΎΠ³Π΄Π° Π±ΡΠ΄Π΅Ρ Π²ΡΠ°ΡΠ°ΡΡΡΡ, Π±ΡΠ΄Π΅Ρ ΠΏΡΠΎΡ
ΠΎΠ΄ΠΈΡΡ ΠΌΠ΅ΠΆΠ΄Ρ ΠΏΠΎΠ»ΡΡΠ°ΠΌΠΈ ΠΏΠΎΡΡΠΎΡΠ½Π½ΠΎΠ³ΠΎ ΠΌΠ°Π³Π½ΠΈΡΠ°.
ΠΠ°ΠΈΠ±ΠΎΠ»Π΅Π΅ ΡΠ°ΡΠΏΡΠΎΡΡΡΠ°Π½Π΅Π½Ρ ΡΠ»Π΅ΠΊΡΡΠΎΠ΄ΠΈΠ½Π°ΠΌΠΈΡΠ΅ΡΠΊΠΈΠ΅ Π. ΠΠ»Π΅ΠΊΡΡΠΎΠ΄ΠΈΠ½Π°ΠΌΠΈΡΠ΅ΡΠΊΠΈΠΉ ΠΏΡΠΈΠ±ΠΎΡ , ΠΌΠ΅Ρ
Π°Π½ΠΈΠ·ΠΌ ΠΊΠΎΡΠΎΡΡΡ
ΡΠΈΡ. Π Π°Π±ΠΎΡΠ° Π. ΠΡΠΈ ΡΡΠΎΠΌ Π²ΡΠ°ΡΠ°ΡΡΠΈΠΉ ΠΌΠΎΠΌΠ΅Π½Ρ, Π²ΡΠ·ΡΠ²Π°ΡΡΠΈΠΉ ΠΎΡΠΊΠ»ΠΎΠ½Π΅Π½ΠΈΠ΅ ΠΏΠΎΠ΄Π²ΠΈΠΆΠ½ΠΎΠΉ ΡΠ°ΡΡΠΈ ΠΏΡΠΈΠ±ΠΎΡΠ° ΠΈ ΡΠΎΠ΅Π΄ΠΈΠ½ΡΠ½Π½ΠΎΠΉ Ρ Π½Π΅ΠΉ ΡΡΡΠ΅Π»ΠΊΠΈ ΡΠΊΠ°Π·Π°ΡΠ΅Π»Ρ , ΠΏΡΠΈ ΠΏΠΎΡΡΠΎΡΠ½Π½ΠΎΠΌ ΡΠΎΠΊΠ΅ ΠΏΡΠΎΠΏΠΎΡΡΠΈΠΎΠ½Π°Π»Π΅Π½ ΠΏΡΠΎΠΈΠ·Π²Π΅Π΄Π΅Π½ΠΈΡ ΡΠΈΠ»Ρ ΡΠΎΠΊΠ° Π½Π° Π½Π°ΠΏΡΡΠΆΠ΅Π½ΠΈΠ΅, Π° ΠΏΡΠΈ ΠΏΠ΅ΡΠ΅ΠΌΠ΅Π½Π½ΠΎΠΌ ΡΠΎΠΊΠ΅ β ΡΠ°ΠΊΠΆΠ΅ ΠΊΠΎΡΠΈΠ½ΡΡΡ ΡΠ³Π»Π° ΡΠ΄Π²ΠΈΠ³Π° ΡΠ°Π· ΠΌΠ΅ΠΆΠ΄Ρ ΡΠΎΠΊΠΎΠΌ ΠΈ Π½Π°ΠΏΡΡΠΆΠ΅Π½ΠΈΠ΅ΠΌ.
ΠΡΠΈΠΌΠ΅Π½ΡΡΡΡΡ ΡΠ°ΠΊΠΆΠ΅ ΡΠ΅ΡΡΠΎΠ΄ΠΈΠ½Π°ΠΌΠΈΡΠ΅ΡΠΊΠΈΠ΅ Π. ΠΠ°ΡΠ° Π΄ΠΎΠ±Π°Π²Π»Π΅Π½ΠΈΡ: ; ΠΏΡΠΎΡΠΌΠΎΡΡΠΎΠ²: 47 ; ΠΠ°ΡΡΡΠ΅Π½ΠΈΠ΅ Π°Π²ΡΠΎΡΡΠΊΠΈΡ ΠΏΡΠ°Π². ΠΠ»Π΅ΠΊΡΡΠΎΠ΄ΠΈΠ½Π°ΠΌΠΈΡΠ΅ΡΠΊΠΈΠ΅ Π²Π°ΡΡΠΌΠ΅ΡΡΡ. Π§ΠΈΡΠ°ΠΉΡΠ΅ ΡΠ°ΠΊΠΆΠ΅: ΠΠ»Π΅ΠΊΡΡΠΎΠ΄ΠΈΠ½Π°ΠΌΠΈΡΠ΅ΡΠΊΠΈΠ΅ Π°ΠΌΠΏΠ΅ΡΠΌΠ΅ΡΡΡ ΠΈ Π²ΠΎΠ»ΡΡΠΌΠ΅ΡΡΡ.
ΠΠ»Π΅ΠΊΡΡΠΎΠ΄ΠΈΠ½Π°ΠΌΠΈΡΠ΅ΡΠΊΠΈΠ΅ ΠΈ ΡΠ΅ΡΡΠΎΠ΄ΠΈΠ½Π°ΠΌΠΈΡΠ΅ΡΠΊΠΈΠ΅ ΠΏΡΠΈΠ±ΠΎΡΡ. ΠΠ»Π΅ΠΊΡΡΠΎΠΌΠ°Π³Π½ΠΈΡΠ½ΡΠ΅ ΠΏΡΠΈΠ±ΠΎΡΡ. ΠΠ»Π΅ΠΊΡΡΠΎΠΌΠ°Π³Π½ΠΈΡΠ½ΡΠΉ ΠΏΡΠΈΠ±ΠΎΡ ΠΈΠΌΠ΅Π΅Ρ ΡΠ»Π΅ΠΊΡΡΠΎΠΌΠ°Π³Π½ΠΈΡΠ½ΡΠΉ ΠΈΠ·ΠΌΠ΅ΡΠΈΡΠ΅Π»ΡΠ½ΡΠΉ ΠΌΠ΅Ρ Π°Π½ΠΈΠ·ΠΌ Ρ Π½Π΅ΠΏΠΎΠ΄Π²ΠΈΠΆΠ½ΠΎΠΉ ΠΊΠ°ΡΡΡΠΊΠΎΠΉ, ΠΏΠΎ ΠΎΠ±ΠΌΠΎΡΠΊΠ΅ ΠΊΠΎΡΠΎΡΠΎΠΉ ΠΏΡΠΎΡΠ΅ΠΊΠ°Π΅Ρ ΡΠ»Π΅ΠΊΡΡΠΈΡΠ΅ΡΠΊΠΈΠΉ ΡΠΎΠΊ.
ΠΠ°ΠΊ ΠΏΠΎΠ΄ΠΊΠ»ΡΡΠΈΡΡ Π²Π°ΡΡΠΌΠ΅ΡΡ
ΠΠ°Π½ Π²Π°ΡΡΠΌΠ΅ΡΡ Π½Π° Π½ΠΎΠΌΠΈΠ½Π°Π»ΡΠ½ΡΠΉ ΡΠΎΠΊ 5 Π ΠΈ Π½ΠΎΠΌΠΈΠ½Π°Π»ΡΠ½ΠΎΠ΅ Π½Π°ΠΏΡΡΠΆΠ΅Π½ΠΈΠ΅ Π. ΠΠ°ΠΊ Π΅Π³ΠΎ Π²ΠΊΠ»ΡΡΠΈΡΡ Π² ΡΠ΅ΡΡ? ΠΡΠ»ΠΈ ΡΠΎΠΊ Π½Π°Π³ΡΡΠ·ΠΊΠΈ I Ρ
ΠΌΠ΅Π½ΡΡΠ΅ Π΄ΠΎΠΏΡΡΡΠΈΠΌΠΎΠ³ΠΎ ΡΠΎΠΊΠ°, ΡΠΎ Π΅ΡΡΡ Π² Π΄Π°Π½Π½ΠΎΠΌ ΡΠ»ΡΡΠ°Π΅ ΠΌΠ΅Π½ΡΡΠ΅ 5 Π, ΠΈ Π΅ΡΠ»ΠΈ Π½Π°ΠΏΡΡΠΆΠ΅Π½ΠΈΠ΅ Π² ΠΈΠ·ΠΌΠ΅ΡΠΈΡΠ΅Π»ΡΠ½ΠΎΠΉ ΡΠ΅ΠΏΠΈ ΠΌΠ΅Π½ΡΡΠ΅ Π΄ΠΎΠΏΡΡΡΠΈΠΌΠΎΠ³ΠΎ Π½Π°ΠΏΡΡΠΆΠ΅Π½ΠΈΡ ΠΊΠ°ΡΡΡΠΊΠΈ, ΡΠΎ Π΅ΡΡΡ ΠΌΠ΅Π½ΡΡΠ΅ Π, ΡΠΎ ΡΡ
Π΅ΠΌΠ° Π²ΠΊΠ»ΡΡΠ΅Π½ΠΈΡ ΠΈΠΌΠ΅Π΅Ρ ΡΠ»Π΅Π΄ΡΡΡΠΈΠΉ Π²ΠΈΠ΄ ΡΠΈΡ.
Π ΠΈΡΡΠ½ΠΎΠΊ 1. Π‘Ρ
Π΅ΠΌΡ Π²ΠΊΠ»ΡΡΠ΅Π½ΠΈΡ Π²Π°ΡΡΠΌΠ΅ΡΡΠ°: Π° β Π½Π΅ΠΏΠΎΡΡΠ΅Π΄ΡΡΠ²Π΅Π½Π½ΠΎ Π² ΡΠ΅ΡΡ ΠΏΡΠ°Π²ΠΈΠ»ΡΠ½ΠΎ, Π± β Π½Π΅ΠΏΡΠ°Π²ΠΈΠ»ΡΠ½ΠΎ, Π² β Π² ΡΠ΅ΡΡ Ρ Π±ΠΎΠ»ΡΡΠΈΠΌ Π½Π°ΠΏΡΡΠΆΠ΅Π½ΠΈΠ΅ΠΌ ΠΈ Π±ΠΎΠ»ΡΡΠΈΠΌ ΡΠΎΠΊΠΎΠΌ. ΠΠ½ΠΎΠ³Π΄Π° ΠΏΡΠΈ Π²ΡΠΏΠΎΠ»Π½Π΅Π½ΠΈΠΈ ΡΠΎΠΊΠΎΠ²ΠΎΠΉ ΡΠ΅ΠΏΠΈ Π² Π½Π΅Π΅ Π²ΠΊΠ»ΡΡΠ°ΡΡ ΡΠΎΠΏΡΠΎΡΠΈΠ²Π»Π΅Π½ΠΈΠ΅ ΠΏΠ΅ΡΠ΅ΠΌΡΡΠΊΠΈ ΡΠΈΡ.
ΠΠ°ΡΡΠΌΠ΅ΡΡ, Π²ΠΎΠ»ΡΡΠΌΠ΅ΡΡ, Π°ΠΌΠΏΠ΅ΡΠΌΠ΅ΡΡ, ΠΈΠ·ΠΌΠ΅ΡΠΈΡΠ΅Π»Ρ ΠΊΠΎΡΡΡΠΈΡΠΈΠ΅Π½ΡΠ° . ΠΠΈΠΊΡΠΎΡΡ Π΅ΠΌΠ° DD2 ΠΏΠΎΠ΄ΠΊΠ»ΡΡΠ°Π΅ΡΡΡ ΠΊ ΠΏΠΈΡΠ°ΡΡΠ΅ΠΌΡ Π½Π°ΠΏΡΡΠΆΠ΅Π½ΠΈΡ +5 Π.
ΠΠΊΠ»ΡΡΠ΅Π½ΠΈΠ΅ Π²Π°ΡΡΠΌΠ΅ΡΡΠ° Π² ΠΈΠ·ΠΌΠ΅ΡΡΠ΅ΠΌΡΡ ΡΠ΅ΠΏΡ
ΠΠ°Π½ Π²Π°ΡΡΠΌΠ΅ΡΡ Π½Π° Π½ΠΎΠΌΠΈΠ½Π°Π»ΡΠ½ΡΠΉ ΡΠΎΠΊ 5 Π ΠΈ Π½ΠΎΠΌΠΈΠ½Π°Π»ΡΠ½ΠΎΠ΅ Π½Π°ΠΏΡΡΠΆΠ΅Π½ΠΈΠ΅ Π. ΠΠ°ΠΊ Π΅Π³ΠΎ Π²ΠΊΠ»ΡΡΠΈΡΡ Π² ΡΠ΅ΡΡ? ΠΡΠ»ΠΈ ΡΠΎΠΊ Π½Π°Π³ΡΡΠ·ΠΊΠΈ IΡ
ΠΌΠ΅Π½ΡΡΠ΅ Π΄ΠΎΠΏΡΡΡΠΈΠΌΠΎΠ³ΠΎ ΡΠΎΠΊΠ°, ΡΠΎ Π΅ΡΡΡ Π² Π΄Π°Π½Π½ΠΎΠΌ ΡΠ»ΡΡΠ°Π΅ ΠΌΠ΅Π½ΡΡΠ΅ 5 Π, ΠΈ Π΅ΡΠ»ΠΈ Π½Π°ΠΏΡΡΠΆΠ΅Π½ΠΈΠ΅ Π² ΠΈΠ·ΠΌΠ΅ΡΠΈΡΠ΅Π»ΡΠ½ΠΎΠΉ ΡΠ΅ΠΏΠΈ ΠΌΠ΅Π½ΡΡΠ΅ Π΄ΠΎΠΏΡΡΡΠΈΠΌΠΎΠ³ΠΎ Π½Π°ΠΏΡΡΠΆΠ΅Π½ΠΈΡ ΠΊΠ°ΡΡΡΠΊΠΈ, ΡΠΎ Π΅ΡΡΡ ΠΌΠ΅Π½ΡΡΠ΅ Π, ΡΠΎ ΡΡ
Π΅ΠΌΠ° Π²ΠΊΠ»ΡΡΠ΅Π½ΠΈΡ ΠΈΠΌΠ΅Π΅Ρ ΡΠ»Π΅Π΄ΡΡΡΠΈΠΉ Π²ΠΈΠ΄ ΡΠΈΡ. Π ΠΈΡΡΠ½ΠΎΠΊ 1. Π‘Ρ
Π΅ΠΌΡ Π²ΠΊΠ»ΡΡΠ΅Π½ΠΈΡ Π²Π°ΡΡΠΌΠ΅ΡΡΠ°: Π° β Π½Π΅ΠΏΠΎΡΡΠ΅Π΄ΡΡΠ²Π΅Π½Π½ΠΎ Π² ΡΠ΅ΡΡ ΠΏΡΠ°Π²ΠΈΠ»ΡΠ½ΠΎ, Π± β Π½Π΅ΠΏΡΠ°Π²ΠΈΠ»ΡΠ½ΠΎ, Π² β Π² ΡΠ΅ΡΡ Ρ Π±ΠΎΠ»ΡΡΠΈΠΌ Π½Π°ΠΏΡΡΠΆΠ΅Π½ΠΈΠ΅ΠΌ ΠΈ Π±ΠΎΠ»ΡΡΠΈΠΌ ΡΠΎΠΊΠΎΠΌ. ΠΠ½ΠΎΠ³Π΄Π° ΠΏΡΠΈ Π²ΡΠΏΠΎΠ»Π½Π΅Π½ΠΈΠΈ ΡΠΎΠΊΠΎΠ²ΠΎΠΉ ΡΠ΅ΠΏΠΈ Π² Π½Π΅Π΅ Π²ΠΊΠ»ΡΡΠ°ΡΡ ΡΠΎΠΏΡΠΎΡΠΈΠ²Π»Π΅Π½ΠΈΠ΅ ΠΏΠ΅ΡΠ΅ΠΌΡΡΠΊΠΈ ΡΠΈΡ. ΠΡΠΎΠ³ΠΎ Π΄Π΅Π»Π°ΡΡ Π½Π΅Π»ΡΠ·Ρ, ΡΠ°ΠΊ ΠΊΠ°ΠΊ Π² ΡΡΠΎΠΌ ΡΠ»ΡΡΠ°Π΅ ΡΠ΅ΡΠ΅Π· ΠΏΠ΅ΡΠ΅ΠΌΡΡΠΊΡ ΠΏΡΠΎΡ
ΠΎΠ΄ΠΈΡ ΡΠ°Π±ΠΎΡΠΈΠΉ ΡΠΎΠΊ, Π° Π½Π΅ ΠΌΠ°Π»ΡΠΉ ΡΠΎΠΊ ΡΠ΅ΠΏΠΈ Π½Π°ΠΏΡΡΠΆΠ΅Π½ΠΈΡ, ΠΊΠ°ΠΊ Π² ΡΠ°ΡΡΠΌΠΎΡΡΠ΅Π½Π½ΠΎΠΉ ΡΠ°Π½Π΅Π΅ ΡΡ
Π΅ΠΌΠ΅.
ΠΡΠΎΠΌΠ΅ ΡΠΎΠ³ΠΎ, Π² ΡΠ΅ΠΏΠΈ ΡΠΎΠΊΠΎΠ²ΠΎΠΉ ΠΊΠ°ΡΡΡΠΊΠΈ Π²Π°ΡΡΠΌΠ΅ΡΡΠ°, ΠΈΠΌΠ΅ΡΡΠ΅ΠΉ ΠΌΠ°Π»ΠΎΠ΅ ΡΠΎΠΏΡΠΎΡΠΈΠ²Π»Π΅Π½ΠΈΠ΅, Π΄ΠΎΠ±Π°Π²Π»ΡΠ΅ΡΡΡ ΡΠΎΠΏΡΠΎΡΠΈΠ²Π»Π΅Π½ΠΈΠ΅ ΡΠ°ΠΌΠΎΠΉ ΠΏΠ΅ΡΠ΅ΠΌΡΡΠΊΠΈ ΠΈ Π΄Π²Π° ΠΊΠΎΠ½ΡΠ°ΠΊΡΠ½ΡΡ
ΠΏΠ΅ΡΠ΅Ρ
ΠΎΠ΄Π½ΡΡ
ΡΠΎΠΏΡΠΎΡΠΈΠ²Π»Π΅Π½ΠΈΡ. ΠΡΠ΅ ΡΡΠΎ ΠΏΡΠΈΠ²ΠΎΠ΄ΠΈΡ ΠΊ ΠΏΠΎΡΠ²Π»Π΅Π½ΠΈΡ Π΄ΠΎΠΏΠΎΠ»Π½ΠΈΡΠ΅Π»ΡΠ½ΠΎΠΉ ΠΏΠΎΠ³ΡΠ΅ΡΠ½ΠΎΡΡΠΈ ΠΏΡΠΈ ΠΈΠ·ΠΌΠ΅ΡΠ΅Π½ΠΈΠΈ ΠΌΠΎΡΠ½ΠΎΡΡΠΈ.
ΠΠ°ΡΡΠΌΠ΅ΡΡ ΠΏΠΎΡΡΠΎΡΠ½Π½ΠΎΠ³ΠΎ ΡΠΎΠΊΠ°
ΠΠ°ΡΡΠΌΠ΅ΡΡΡ ΡΠ°Π΄ΠΈΠΎΠ΄ΠΈΠ°ΠΏΠ°Π·ΠΎΠ½Π° ΠΏΠΎ Π½Π°Π·Π½Π°ΡΠ΅Π½ΠΈΡ Π΄Π΅Π»ΡΡΡΡ Π½Π° Π΄Π²Π° Π²ΠΈΠ΄Π°: ΠΏΡΠΎΡ ΠΎΠ΄ΡΡΠ΅ΠΉ ΠΌΠΎΡΠ½ΠΎΡΡΠΈ, Π²ΠΊΠ»ΡΡΠ°Π΅ΠΌΡΠ΅ Π² ΡΠ°Π·ΡΡΠ² Π»ΠΈΠ½ΠΈΠΈ ΠΏΠ΅ΡΠ΅Π΄Π°ΡΠΈ, ΠΈ ΠΏΠΎΠ³Π»ΠΎΡΠ°Π΅ΠΌΠΎΠΉ ΠΌΠΎΡΠ½ΠΎΡΡΠΈ, ΠΏΠΎΠ΄ΠΊΠ»ΡΡΠ°Π΅ΠΌΡΠ΅ ΠΊ ΠΊΠΎΠ½ΡΡ Π»ΠΈΠ½ΠΈΠΈ Π² ΠΊΠ°ΡΠ΅ΡΡΠ²Π΅ ΡΠΎΠ³Π»Π°ΡΠΎΠ²Π°Π½Π½ΠΎΠΉ Π½Π°Π³ΡΡΠ·ΠΊΠΈ. Π Π·Π°Π²ΠΈΡΠΈΠΌΠΎΡΡΠΈ ΠΎΡ ΡΠΏΠΎΡΠΎΠ±Π° ΡΡΠ½ΠΊΡΠΈΠΎΠ½Π°Π»ΡΠ½ΠΎΠ³ΠΎ ΠΏΡΠ΅ΠΎΠ±ΡΠ°Π·ΠΎΠ²Π°Π½ΠΈΡ ΠΈΠ·ΠΌΠ΅ΡΠΈΡΠ΅Π»ΡΠ½ΠΎΠΉ ΠΈΠ½ΡΠΎΡΠΌΠ°ΡΠΈΠΈ ΠΈ Π΅Ρ Π²ΡΠ²ΠΎΠ΄Π° ΠΎΠΏΠ΅ΡΠ°ΡΠΎΡΡ Π²Π°ΡΡΠΌΠ΅ΡΡΡ Π±ΡΠ²Π°ΡΡ Π°Π½Π°Π»ΠΎΠ³ΠΎΠ²ΡΠ΅ ΠΏΠΎΠΊΠ°Π·ΡΠ²Π°ΡΡΠΈΠ΅ ΠΈ ΡΠ°ΠΌΠΎΠΏΠΈΡΡΡΠΈΠ΅ ΠΈ ΡΠΈΡΡΠΎΠ²ΡΠ΅. ΠΠ§-Π²Π°ΡΡΠΌΠ΅ΡΡΡ ΠΈΡΠΏΠΎΠ»ΡΠ·ΡΡΡΡΡ ΠΏΡΠ΅ΠΈΠΌΡΡΠ΅ΡΡΠ²Π΅Π½Π½ΠΎ Π² ΡΠ΅ΡΡΡ ΡΠ»Π΅ΠΊΡΡΠΎΠΏΠΈΡΠ°Π½ΠΈΡ ΠΏΡΠΎΠΌΡΡΠ»Π΅Π½Π½ΠΎΠΉ ΡΠ°ΡΡΠΎΡΡ Π΄Π»Ρ ΠΈΠ·ΠΌΠ΅ΡΠ΅Π½ΠΈΡ ΠΏΠΎΡΡΠ΅Π±Π»ΡΠ΅ΠΌΠΎΠΉ ΠΌΠΎΡΠ½ΠΎΡΡΠΈ, ΠΌΠΎΠ³ΡΡ Π±ΡΡΡ ΠΎΠ΄Π½ΠΎΡΠ°Π·Π½ΡΠ΅ ΠΈ ΡΡΠ΅Ρ ΡΠ°Π·Π½ΡΠ΅. Π¦ΠΈΡΡΠΎΠ²ΡΠ΅ ΠΏΡΠΈΠ±ΠΎΡΡ ΠΎΠ±ΡΡΠ½ΠΎ ΡΠΎΠ²ΠΌΠ΅ΡΠ°ΡΡ Π²ΠΎΠ·ΠΌΠΎΠΆΠ½ΠΎΡΡΡ ΠΈΠ·ΠΌΠ΅ΡΠ΅Π½ΠΈΡ Π°ΠΊΡΠΈΠ²Π½ΠΎΠΉ ΠΈ ΡΠ΅Π°ΠΊΡΠΈΠ²Π½ΠΎΠΉ ΠΌΠΎΡΠ½ΠΎΡΡΠΈ.
ΠΠ΅ΡΠ΅Π΄ΠΊΠΎ ΡΡΠ΅Π±ΡΠ΅ΡΡΡ ΠΈΠ·ΠΌΠ΅ΡΠΈΡΡ ΠΌΠΎΡΠ½ΠΎΡΡΡ ΡΠΎΠ³ΠΎ ΠΈΠ»ΠΈ ΠΈΠ½ΠΎΠ³ΠΎ ΡΠ»Π΅ΠΊΡΡΠΎΠΎΠ±ΠΎΡΡΠ΄ΠΎΠ²Π°Π½ΠΈΡ.
ΠΠ»Π΅ΠΊΡΡΠΎΠ΄ΠΈΠ½Π°ΠΌΠΈΡΠ΅ΡΠΊΠΈΠ΅ Π²Π°ΡΡΠΌΠ΅ΡΡΡ.

ΠΠ΄Π½Π°ΠΊΠΎ Π½Π° ΠΏΡΠ°ΠΊΡΠΈΠΊΠ΅ ΠΈΠ·ΠΌΠ΅ΡΠ΅Π½ΠΈΠ΅ ΠΌΠΎΡΠ½ΠΎΡΡΠΈ ΠΎΠ±ΡΡΠ½ΠΎ ΠΏΡΠΎΠΈΠ·Π²ΠΎΠ΄ΠΈΡΡΡ ΠΏΡΠΈ ΠΏΠΎΠΌΠΎΡΠΈ ΡΠΏΠ΅ΡΠΈΠ°Π»ΡΠ½ΡΡ ΠΏΡΠΈΠ±ΠΎΡΠΎΠ² — Π²Π°ΡΡΠΌΠ΅ΡΡΠΎΠ². ΠΠ°ΡΡΠΌΠ΅ΡΡ ΡΠΈΡ. ΠΡΠΈ Π²ΠΊΠ»ΡΡΠ΅Π½ΠΈΠΈ Π²Π°ΡΡΠΌΠ΅ΡΡΠ° ΡΠΎΠΊ Π½Π°Π³ΡΡΠ·ΠΊΠΈ ΠΏΡΠΎΡ ΠΎΠ΄ΠΈΡ ΡΠ΅ΡΠ΅Π· Π½Π΅ΠΏΠΎΠ΄Π²ΠΈΠΆΠ½ΡΡ ΠΊΠ°ΡΡΡΠΊΡ, ΠΏΠΎΡΠ»Π΅Π΄ΠΎΠ²Π°ΡΠ΅Π»ΡΠ½ΠΎ Π²ΠΊΠ»ΡΡΠ΅Π½Π½ΡΡ Π² ΡΠ΅ΠΏΡ, Π° ΠΏΠΎΠ΄Π²ΠΈΠΆΠ½Π°Ρ ΠΊΠ°ΡΡΡΠΊΠ° Π²ΠΊΠ»ΡΡΠ°Π΅ΡΡΡ ΠΏΠ°ΡΠ°Π»Π»Π΅Π»ΡΠ½ΠΎ ΠΏΠΎΡΡΠ΅Π±ΠΈΡΠ΅Π»Ρ. ΠΠ»Ρ ΡΠΌΠ΅Π½ΡΡΠ΅Π½ΠΈΡ ΠΏΠΎΡΡΠ΅Π±Π»ΡΠ΅ΠΌΠΎΠΉ ΠΌΠΎΡΠ½ΠΎΡΡΠΈ Π² ΠΏΠ°ΡΠ°Π»Π»Π΅Π»ΡΠ½ΠΎΠΉ ΠΎΠ±ΠΌΠΎΡΠΊΠ΅ ΠΈ ΡΠΌΠ΅Π½ΡΡΠ΅Π½ΠΈΡ Π²Π΅ΡΠ° ΠΏΠΎΠ΄Π²ΠΈΠΆΠ½ΠΎΠΉ ΠΊΠ°ΡΡΡΠΊΠΈ ΠΏΠΎΡΠ»Π΅Π΄ΠΎΠ²Π°ΡΠ΅Π»ΡΠ½ΠΎ Ρ Π½Π΅ΠΉ Π²ΠΊΠ»ΡΡΠ°Π΅ΡΡΡ Π΄ΠΎΠ±Π°Π²ΠΎΡΠ½ΠΎΠ΅ ΡΠΎΠΏΡΠΎΡΠΈΠ²Π»Π΅Π½ΠΈΠ΅ 3 ΠΈΠ· ΠΌΠ°Π½Π³Π°Π½ΠΈΠ½Π°. Π ΡΠ΅Π·ΡΠ»ΡΡΠ°ΡΠ΅ Π²Π·Π°ΠΈΠΌΠΎΠ΄Π΅ΠΉΡΡΠ²ΠΈΡ ΠΌΠ°Π³Π½ΠΈΡΠ½ΡΡ ΠΏΠΎΠ»Π΅ΠΉ ΠΏΠΎΠ΄Π²ΠΈΠΆΠ½ΠΎΠΉ ΠΈ Π½Π΅ΠΏΠΎΠ΄Π²ΠΈΠΆΠ½ΠΎΠΉ ΠΊΠ°ΡΡΡΠ΅ΠΊ Π²ΠΎΠ·Π½ΠΈΠΊΠ°Π΅Ρ ΠΌΠΎΠΌΠ΅Π½Ρ Π²ΡΠ°ΡΠ΅Π½ΠΈΡ, ΠΏΡΠΎΠΏΠΎΡΡΠΈΠΎΠ½Π°Π»ΡΠ½ΡΠΉ ΡΠΎΠΊΠ°ΠΌ ΠΎΠ±Π΅ΠΈΡ ΠΊΠ°ΡΡΡΠ΅ΠΊ:.
ΠΠ½Π°Π»ΠΎΠ³ΠΎΠ²ΡΠΉ ΠΈ ΡΠΈΡΡΠΎΠ²ΠΎΠΉ Π²Π°ΡΡΠΌΠ΅ΡΡ
ΠΠ°Π»ΠΈΡΠΈΠ΅ Π΄Π²ΡΡ
ΠΊΠ°ΡΡΡΠ΅ΠΊ Ρ ΡΠ»Π΅ΠΊΡΡΠΎΠ΄ΠΈΠ½Π°ΠΌΠΈΡΠ΅ΡΠΊΠΎΠ³ΠΎ ΠΏΡΠΈΠ±ΠΎΡΠ° ΠΈ Π²ΠΎΠ·ΠΌΠΎΠΆΠ½ΠΎΡΡΡ Π²ΠΊΠ»ΡΡΠ΅Π½ΠΈΡ ΠΈΡ
Π² Π΄Π²Π΅ ΡΠ°Π·Π½ΡΠ΅ ΡΠ΅ΠΏΠΈ ΠΏΠΎΠ·Π²ΠΎΠ»ΡΠ΅Ρ ΠΈΡΠΏΠΎΠ»ΡΠ·ΠΎΠ²Π°ΡΡ ΡΡΠΈ ΠΏΡΠΈΠ±ΠΎΡΡ Π΄Π»Ρ ΠΈΠ·ΠΌΠ΅ΡΠ΅Π½ΠΈΡ ΠΌΠΎΡΠ½ΠΎΡΡΠΈ ΡΠ»Π΅ΠΊΡΡΠΈΡΠ΅ΡΠΊΠΎΠ³ΠΎ ΡΠΎΠΊΠ°, Ρ. ΠΠ· Π²ΡΡΠ°ΠΆΠ΅Π½ΠΈΡ Π΄Π»Ρ ΡΠ³Π»Π° ΠΏΠΎΠ²ΠΎΡΠΎΡΠ° ΠΏΠΎΠ΄Π²ΠΈΠΆΠ½ΠΎΠΉ ΡΠΈΡΡΠ΅ΠΌΡ ΡΠ»Π΅ΠΊΡΡΠΎΠ΄ΠΈΠ½Π°ΠΌΠΈΡΠ΅ΡΠΊΠΎΠ³ΠΎ ΠΏΡΠΈΠ±ΠΎΡΠ° 2. Π’Π°ΠΊΠΎΠΉ ΠΏΡΠΈΠ±ΠΎΡ Π½Π°Π·ΡΠ²Π°ΡΡ Π²Π°ΡΡΠΌΠ΅ΡΡΠΎΠΌ. ΠΠ³ΠΎ ΡΠΊΠ°Π»Π° ΡΠ°Π²Π½ΠΎΠΌΠ΅ΡΠ½Π°Ρ. ΠΠ»Ρ ΠΈΠ·ΠΌΠ΅ΡΠ΅Π½ΠΈΡ ΡΠ»Π΅ΠΊΡΡΠΈΡΠ΅ΡΠΊΠΎΠΉ ΠΌΠΎΡΠ½ΠΎΡΡΠΈ Π² ΡΠ΅ΠΏΡΡ
ΠΏΠ΅ΡΠ΅ΠΌΠ΅Π½Π½ΠΎΠ³ΠΎ ΡΠΎΠΊΠ° ΠΈΡΠΏΠΎΠ»ΡΠ·ΡΡΡ Π²Π°ΡΡΠΌΠ΅ΡΡΡ Π°ΠΊΡΠΈΠ²Π½ΠΎΠΉ ΠΈ ΡΠ΅Π°ΠΊΡΠΈΠ²Π½ΠΎΠΉ ΠΌΠΎΡΠ½ΠΎΡΡΠΈ.
ΠΠ°ΡΡΠΌΠ΅ΡΡ Π°ΠΊΡΠΈΠ²Π½ΠΎΠΉ ΠΌΠΎΡΠ½ΠΎΡΡΠΈ. ΠΡΠ»ΠΈ Π² ΡΠ΅ΠΏΡ ΠΏΠΎΠ΄Π²ΠΈΠΆΠ½ΠΎΠΉ ΠΊΠ°ΡΡΡΠΊΠΈ Π²ΠΊΠ»ΡΡΠΈΡΡ Π°ΠΊΡΠΈΠ²Π½ΠΎΠ΅ Π΄ΠΎΠ±Π°Π²ΠΎΡΠ½ΠΎΠ΅ ΡΠΎΠΏΡΠΎΡΠΈΠ²Π»Π΅Π½ΠΈΠ΅ ΡΠ°ΠΊ, ΡΡΠΎΠ±Ρ ΠΎΠ±ΡΠ΅Π΅ ΡΠΎΠΏΡΠΎΡΠΈΠ²Π»Π΅Π½ΠΈΠ΅ ΡΡΠΎΠΉ ΡΠ΅ΠΏΠΈ R Π±ΡΠ»ΠΎ ΡΠ°Π²Π½ΠΎ ΡΠΎΠ³Π΄Π° ΠΏΡΠΈ Π½Π°ΠΏΡΡΠΆΠ΅Π½ΠΈΠΈ ΠΈ Π² ΡΠ΅ΡΠΈ ΠΈ ΠΏΡΠΈ ΡΠΎΠΊΠ΅ i Π² Π½Π°Π³ΡΡΠ·ΠΊΠ΅ ΡΠΎΠΊ Π² ΠΏΠΎΠ΄Π²ΠΈΠΆΠ½ΠΎΠΉ ΠΊΠ°ΡΡΡΠΊΠ΅ ΡΠ°Π²Π΅Π½ Π ΠΈΡ. ΠΠΎΠ»ΡΡΠ΅Π½Π½ΡΠΉ Π²ΡΠ²ΠΎΠ΄ ΠΈΠΌΠ΅Π΅Ρ ΠΏΡΠΎΡΡΠΎΠ΅ ΡΠΈΠ·ΠΈΡΠ΅ΡΠΊΠΎΠ΅ ΠΎΠ±ΡΡΡΠ½Π΅Π½ΠΈΠ΅.
ΠΠ»Ρ Π²ΠΊΠ»ΡΡΠ΅Π½ΠΈΡ Π²Π°ΡΡΠΌΠ΅ΡΡΠ° Π΅Π³ΠΎ Π³Π΅Π½Π΅ΡΠ°ΡΠΎΡΠ½ΡΠ΅ Π·Π°ΠΆΠΈΠΌΡ (Π·Π°ΠΆΠΈΠΌΡ, ΠΏΡΠΈ ΡΡΠΎΠΌ Π² Π·Π°Π²ΠΈΡΠΈΠΌΠΎΡΡΠΈ ΠΎΡ ΠΏΡΠ΅Π΄Π΅Π»Π° ΡΠΎΠΊΠ° ΡΡΠΎΡ ΠΏΡΠΎΠ²ΠΎΠ΄ ΠΏΠΎΠ΄ΠΊΠ»ΡΡΠ°Π΅ΡΡΡ ΠΊ.
ΠΠ·ΠΌΠ΅ΡΠ΅Π½ΠΈΠ΅ ΠΌΠΎΡΠ½ΠΎΡΡΠΈ ΡΠΎΠΊΠ°. Π‘Ρ Π΅ΠΌΠ° Π²ΠΊΠ»ΡΡΠ΅Π½ΠΈΡ Π²Π°ΡΡΠΌΠ΅ΡΡΠ°. Π‘Ρ Π΅ΠΌΡ ΠΈΠ·ΠΌΠ΅ΡΠ΅Π½ΠΈΡ ΠΌΠΎΡΠ½ΠΎΡΡΠΈ.
ΠΠ»Ρ Π½Π΅ΠΏΠΎΡΡΠ΅Π΄ΡΡΠ²Π΅Π½Π½ΠΎΠ³ΠΎ ΠΈΠ·ΠΌΠ΅ΡΠ΅Π½ΠΈΡ ΠΌΠΎΡΠ½ΠΎΡΡΠΈ ΡΠ΅ΠΏΠΈ ΠΏΠΎΡΡΠΎΡΠ½Π½ΠΎΠ³ΠΎ ΡΠΎΠΊΠ° ΠΏΡΠΈΠΌΠ΅Π½ΡΠ΅ΡΡΡ Π²Π°ΡΡΠΌΠ΅ΡΡ. ΠΠ΅ΠΏΠΎΠ΄Π²ΠΈΠΆΠ½Π°Ρ ΠΏΠΎΡΠ»Π΅Π΄ΠΎΠ²Π°ΡΠ΅Π»ΡΠ½Π°Ρ ΠΊΠ°ΡΡΡΠΊΠ° ΠΈΠ»ΠΈ ΠΊΠ°ΡΡΡΠΊΠ° ΡΠΎΠΊΠ° Π²Π°ΡΡΠΌΠ΅ΡΡΠ° ΡΠΎΠ΅Π΄ΠΈΠ½ΡΠ΅ΡΡΡ ΠΏΠΎΡΠ»Π΅Π΄ΠΎΠ²Π°ΡΠ΅Π»ΡΠ½ΠΎ Ρ ΠΏΡΠΈΠ΅ΠΌΠ½ΠΈΠΊΠ°ΠΌΠΈ ΡΠ»Π΅ΠΊΡΡΠΈΡΠ΅ΡΠΊΠΎΠΉ ΡΠ½Π΅ΡΠ³ΠΈΠΈ. ΠΠΎΠ΄Π²ΠΈΠΆΠ½Π°Ρ ΠΏΠ°ΡΠ°Π»Π»Π΅Π»ΡΠ½Π°Ρ ΠΊΠ°ΡΡΡΠΊΠ° ΠΈΠ»ΠΈ ΠΊΠ°ΡΡΡΠΊΠ° Π½Π°ΠΏΡΡΠΆΠ΅Π½ΠΈΡ, ΡΠΎΠ΅Π΄ΠΈΠ½Π΅Π½Π½Π°Ρ ΠΏΠΎΡΠ»Π΅Π΄ΠΎΠ²Π°ΡΠ΅Π»ΡΠ½ΠΎ Ρ Π΄ΠΎΠ±Π°Π²ΠΎΡΠ½ΡΠΌ ΡΠΎΠΏΡΠΎΡΠΈΠ²Π»Π΅Π½ΠΈΠ΅ΠΌ, ΠΎΠ±ΡΠ°Π·ΡΠ΅Ρ ΠΏΠ°ΡΠ°Π»Π»Π΅Π»ΡΠ½ΡΡ ΡΠ΅ΠΏΡ Π²Π°ΡΡΠΌΠ΅ΡΡΠ°, ΠΊΠΎΡΠΎΡΠ°Ρ ΠΏΡΠΈΡΠΎΠ΅Π΄ΠΈΠ½ΡΠ΅ΡΡΡ ΠΏΠ°ΡΠ°Π»Π»Π΅Π»ΡΠ½ΠΎ ΠΏΡΠΈΠ΅ΠΌΠ½ΠΈΠΊΠ°ΠΌ ΡΠ½Π΅ΡΠ³ΠΈΠΈ. Π£Π³ΠΎΠ» ΠΏΠΎΠ²ΠΎΡΠΎΡΠ° ΠΏΠΎΠ΄Π²ΠΈΠΆΠ½ΠΎΠΉ ΡΠ°ΡΡΠΈ Π²Π°ΡΡΠΌΠ΅ΡΡΠ°:.
ΠΠ°ΡΡΠΌΠ΅ΡΡ Π΄Π»Ρ ΠΈΠ·ΠΌΠ΅ΡΠ΅Π½ΠΈΡ ΠΌΠΎΡΠ½ΠΎΡΡΠΈ: Π½Π°Π·Π½Π°ΡΠ΅Π½ΠΈΠ΅, ΡΠΈΠΏΡ, ΠΏΠΎΠ΄ΠΊΠ»ΡΡΠ΅Π½ΠΈΠ΅, ΠΏΡΠΈΠΌΠ΅Π½Π΅Π½ΠΈΠ΅
ΠΠΠΠΠ ΠΠ Π’ΠΠΠ: ΠΠ°ΡΡΠΌΠ΅ΡΡ ΠΏΠΎΡΡΠΎΡΠ½Π½ΠΎΠ³ΠΎ ΡΠΎΠΊΠ° ΡΡΠ½Ρ ΠΈ ΠΏΠΎΠ΄ΠΊΠ»ΡΡΠ΅Π½ΠΈΠ΅ ΠΏΡΠΎΠ²ΠΎΠ΄ΠΎΠ²
youtube.com/embed/WSukCha6Su8″ frameborder=»0″ allowfullscreen=»»/>ΠΠ΄Π½ΠΎΠΉ ΠΈΠ· Π²Π°ΠΆΠ½Π΅ΠΉΡΠΈΡ Ρ Π°ΡΠ°ΠΊΡΠ΅ΡΠΈΡΡΠΈΠΊ ΡΠ»Π΅ΠΊΡΡΠΈΡΠ΅ΡΠΊΠΎΠΉ ΡΠ΅ΠΏΠΈ ΡΠ²Π»ΡΠ΅ΡΡΡ Π΅Π΅ ΠΌΠΎΡΠ½ΠΎΡΡΡ. Π‘ ΠΏΠΎΠΌΠΎΡΡΡ Π΄Π°Π½Π½ΠΎΠ³ΠΎ ΠΏΠ°ΡΠ°ΠΌΠ΅ΡΡΠ° ΠΎΠΏΡΠ΅Π΄Π΅Π»ΡΠ΅ΡΡΡ Π²Π΅Π»ΠΈΡΠΈΠ½Π° ΡΠ°Π±ΠΎΡΡ, ΠΊΠΎΡΠΎΡΡΡ ΡΠ»Π΅ΠΊΡΡΠΈΡΠ΅ΡΠΊΠΈΠΉ ΡΠΎΠΊ Π²ΡΠΏΠΎΠ»Π½ΡΠ΅Ρ Π·Π° ΠΎΠΏΡΠ΅Π΄Π΅Π»Π΅Π½Π½ΡΡ Π΅Π΄ΠΈΠ½ΠΈΡΡ Π²ΡΠ΅ΠΌΠ΅Π½ΠΈ. ΠΡΠ΅ ΡΡΡΡΠΎΠΉΡΡΠ²Π° Π²ΠΊΠ»ΡΡΠ°Π΅ΠΌΡΠ΅ Π² ΡΠ΅ΠΏΡ Π΄ΠΎΠ»ΠΆΠ½Ρ ΠΈΠΌΠ΅ΡΡ ΠΌΠΎΡΠ½ΠΎΡΡΡ, ΡΠΎΠΎΡΠ²Π΅ΡΡΡΠ²ΡΡΡΡΡ ΠΌΠΎΡΠ½ΠΎΡΡΠΈ ΠΊΠΎΠ½ΠΊΡΠ΅ΡΠ½ΠΎΠΉ ΡΠ΅ΡΠΈ. ΠΠ»Ρ Π·Π°ΠΌΠ΅ΡΠΎΠ² ΠΌΠΎΡΠ½ΠΎΡΡΠΈ ΡΠ»Π΅ΠΊΡΡΠΈΡΠ΅ΡΠΊΠΎΠ³ΠΎ ΡΠΎΠΊΠ° ΠΏΡΠΈΠΌΠ΅Π½ΡΠ΅ΡΡΡ ΡΠΏΠ΅ΡΠΈΠ°Π»ΡΠ½ΡΠΉ ΠΈΠ·ΠΌΠ΅ΡΠΈΡΠ΅Π»ΡΠ½ΡΠΉ ΠΏΡΠΈΠ±ΠΎΡ β Π²Π°ΡΡΠΌΠ΅ΡΡ. Π ΠΎΡΠ½ΠΎΠ²Π½ΠΎΠΌ ΠΎΠ½ Π½ΡΠΆΠ΅Π½ Π² ΡΠ΅ΡΡΡ ΠΏΠ΅ΡΠ΅ΠΌΠ΅Π½Π½ΠΎΠ³ΠΎ ΡΠΎΠΊΠ°, ΠΎΠΏΡΠ΅Π΄Π΅Π»ΡΡ ΠΌΠΎΡΠ½ΠΎΡΡΡ Π²ΠΊΠ»ΡΡΠ΅Π½Π½ΡΡ ΠΏΡΠΈΠ±ΠΎΡΠΎΠ², Π° ΡΠ°ΠΊΠΆΠ΅ Π΄Π»Ρ ΡΠ΅ΡΡΠΈΡΠΎΠ²Π°Π½ΠΈΡ ΡΠ΅ΡΠ΅ΠΉ ΠΈ ΠΈΡ ΠΎΡΠ΄Π΅Π»ΡΠ½ΡΡ ΡΡΠ°ΡΡΠΊΠΎΠ², ΠΊΠΎΠ½ΡΡΠΎΠ»Ρ ΠΈ ΡΠ»Π΅ΠΆΠ΅Π½ΠΈΡ Π·Π° ΡΠ΅ΠΆΠΈΠΌΠΎΠΌ ΡΠ°Π±ΠΎΡΡ ΡΠ»Π΅ΠΊΡΡΠΎΠΎΠ±ΠΎΡΡΠ΄ΠΎΠ²Π°Π½ΠΈΡ, ΡΡΠ΅ΡΠ° ΠΏΠΎΡΡΠ΅Π±Π»Π΅Π½Π½ΠΎΠΉ ΡΠ»Π΅ΠΊΡΡΠΎΡΠ½Π΅ΡΠ³ΠΈΠΈ.
ΠΠ»Π΅ΠΊΡΡΠΎΠ΄ΠΈΠ½Π°ΠΌΠΈΡΠ΅ΡΠΊΠΈΠΉ Π²Π°ΡΡΠΌΠ΅ΡΡ ΡΡΡΡΠΎΠ΅Π½ ΠΏΡΠΈΠ½ΡΠΈΠΏΠΈΠ°Π»ΡΠ½ΠΎ ΡΠ°ΠΊ ΠΆΠ΅, ΠΊΠ°ΠΊ ΠΈ ΡΠ»Π΅ΠΊΡΡΠΎΠ΄ΠΈΠ½Π°ΠΌΠΈΡΠ΅ΡΠΊΠΈΠΉ Π°ΠΌΠΏΠ΅ΡΠΌΠ΅ΡΡ ΠΈ Π²ΠΎΠ»ΡΡΠΌΠ΅ΡΡ, ΠΎΡΠ»ΠΈΡΠΈΠ΅ Π·Π°ΠΊΠ»ΡΡΠ°Π΅ΡΡΡ ΡΠΎΠ»ΡΠΊΠΎ Π² ΠΏΠ°ΡΠ°ΠΌΠ΅ΡΡΠ΅ ΠΊΠ°ΡΡΡΠ΅ΠΊ ΠΈ Π² ΠΈΡ ΡΠΏΠΎΡΠΎΠ±Π΅ ΠΈΡ ΠΏΠΎΠ΄ΠΊΠ»ΡΡΠ΅Π½ΠΈΠΉ. ΠΠ°ΡΡΠΌΠ΅ΡΡ ΠΈΠΌΠ΅Π΅Ρ Π½Π΅ ΠΌΠ΅Π½ΡΡΠ΅ ΠΊΠΎΠ½ΡΠ°ΠΊΡΠΎΠ².
176. ΠΠ·ΠΌΠ΅ΡΠ΅Π½ΠΈΠ΅ Π°ΠΊΡΠΈΠ²Π½ΠΎΠΉ ΡΠ»Π΅ΠΊΡΡΠΈΡΠ΅ΡΠΊΠΎΠΉ ΠΌΠΎΡΠ½ΠΎΡΡΠΈ
ΠΠ°ΡΡΠΌΠ΅ΡΡ, β ΡΠ½Π΅ΡΠ³ΠΎΠΌΠ΅Ρ, ΠΊΠΎΠΌΠΏΠ°ΠΊΡΠ½ΡΠΉ ΡΡΡΡΡΠΈΠΊ ΠΌΠΎΡΠ½ΠΎΡΡΠΈ ΠΠ°ΡΡΡ.
ΠΠΎΠ»Π΅Π΅ ΠΊΡΡΠΏΠ½ΡΠΉ Π°Π½Π°Π»ΠΎΠ³ β ΡΡΠ°ΡΠΈΠΎΠ½Π°ΡΠ½ΡΠΉ ΡΡΡΡΡΠΈΠΊ, ΡΡΡΠ°Π½Π°Π²Π»ΠΈΠ²Π°Π΅ΠΌΡΠΉ Π½Π° Π²Ρ
ΠΎΠ΄Π΅ ΡΠ»Π΅ΠΊΡΡΠΈΡΠ΅ΡΠΊΠΎΠΉ ΡΠ΅ΡΠΈ Π² ΠΏΠΎΠΌΠ΅ΡΠ΅Π½ΠΈΠ΅. ΠΡΠ²Π΅ΡΡΡΠ²Π΅Π½Π΅Π½ Π·Π° ΡΡΠΌΠΌΠ°ΡΠ½ΡΡ ΠΌΠΎΡΠ½ΠΎΡΡΡ Π²ΡΠ΅Ρ
ΠΏΠΎΡΡΠ΅Π±ΠΈΡΠ΅Π»Π΅ΠΉ ΡΠ½Π΅ΡΠ³ΠΈΠΈ. ΠΡΡΠΎΠ²ΠΎΠΉ ΠΏΡΠΈΠ±ΠΎΡ ΠΏΡΠΈΠΌΠ΅Π½ΡΠ΅ΡΡΡ ΡΠ°ΡΡΠ½ΡΠΌ ΠΏΠΎΡΡΠ΄ΠΊΠΎΠΌ Π΄Π»Ρ ΠΎΡΠ΄Π΅Π»ΡΠ½ΠΎΠ³ΠΎ ΠΏΠΎΡΡΠ΅Π±ΠΈΡΠ΅Π»Ρ, Π² ΠΌΠ°ΡΡΠ΅ΡΡΠΊΠΈΡ
ΠΏΠΎ ΡΠ΅ΠΌΠΎΠ½ΡΡ Π±ΡΡΠΎΠ²ΠΎΠΉ ΡΠ»Π΅ΠΊΡΡΠΎΡΠ΅Ρ
Π½ΠΈΠΊΠΈ, ΡΠ»Π΅ΠΊΡΡΠΎΠ½Π½ΡΡ
ΡΡΡΡΠΎΠΉΡΡΠ². ΠΡΠ΅Π΄ΡΡΠ°Π²Π»ΡΠ΅Ρ ΡΠΎΠ±ΠΎΠΉ ΠΊΠΎΠΌΠΏΠ°ΠΊΡΠ½ΠΎΠ΅ ΡΡΡΡΠΎΠΉΡΡΠ²ΠΎ, ΠΏΠ°ΡΠ°Π»Π»Π΅Π»ΡΠ½ΠΎ ΠΏΠΎΠ΄ΠΊΠ»ΡΡΠ°Π΅ΠΌΠΎΠ΅ Π² ΡΠ΅ΡΡ. Π§Π°ΡΠ΅ Π²ΡΠ΅Π³ΠΎ, ΡΠΎΠ²ΠΌΠ΅ΡΠ°Π΅Ρ Π² ΠΎΠ΄Π½ΠΎΠΌ ΠΊΠΎΡΠΏΡΡΠ΅ ΠΈΠ·ΠΌΠ΅ΡΠΈΡΠ΅Π»ΡΠ½ΡΠΉ Π±Π»ΠΎΠΊ ΠΈ ΡΠΎΠ·Π΅ΡΠΊΡ.
ΠΠ°ΠΊ ΠΏΡΠ°Π²ΠΈΠ»ΡΠ½ΠΎ Π²ΠΊΠ»ΡΡΠΈΡΡ Π²Π°ΡΡΠΌΠ΅ΡΡ Π² ΡΠ΅ΠΏΡ ΠΏΠΎΡΡΠΎΡΠ½Π½ΠΎΠ³ΠΎ ΡΠΎΠΊΠ°
Π Π°Π·ΠΌΠ΅ΡΡΠΈΡΡ ΡΠ΅Π½Π΄Π΅Ρ Π½Π° Π·Π°ΠΊΡΠΏΠΊΡ. ΠΠ°ΡΡΠΌΠ΅ΡΡΡ ΠΏΠΎΠ³Π»ΠΎΡΠ°Π΅ΠΌΠΎΠΉ ΠΌΠΎΡΠ½ΠΎΡΡΠΈ Π ΠΏΡΠ΅Π΄Π½Π°Π·Π½Π°ΡΠ΅Π½Ρ Π΄Π»Ρ ΠΈΠ·ΠΌΠ΅ΡΠ΅Π½ΠΈΡ ΠΌΠΎΡΠ½ΠΎΡΡΠΈ ΡΠΌΠΎΠ΄ΡΠ»ΠΈΡΠΎΠ²Π°Π½Π½ΡΡ
ΡΠΈΠ³Π½Π°Π»ΠΎΠ² ΠΎΡ 0,5 ΠΌΠΊΠΡ Π΄ΠΎ 80 ΠΌΠΡ Π² Π΄ΠΈΠ°ΠΏΠ°Π·ΠΎΠ½Π΅ ΡΠ°ΡΡΠΎΡ ΠΎΡ 20 ΠΠΡ Π΄ΠΎ 17,85 ΠΠΡ. ΠΡΠΈΠ½ΡΠΈΠΏ Π΄Π΅ΠΉΡΡΠ²ΠΈΡ Π²Π°ΡΡΠΌΠ΅ΡΡΠ° ΠΏΠΎΠ³Π»ΠΎΡΠ°Π΅ΠΌΠΎΠΉ ΠΌΠΎΡΠ½ΠΎΡΡΠΈ Π ΠΎΡΠ½ΠΎΠ²Π°Π½ Π½Π° ΠΏΡΠ΅ΠΎΠ±ΡΠ°Π·ΠΎΠ²Π°Π½ΠΈΠΈ Π²Ρ
ΠΎΠ΄Π½ΠΎΠΉ Π‘ΠΠ§ ΠΌΠΎΡΠ½ΠΎΡΡΠΈ ΠΈΠ·ΠΌΠ΅ΡΠΈΡΠ΅Π»ΡΠ½ΡΠΌ ΠΏΠΎΠ»ΡΠΏΡΠΎΠ²ΠΎΠ΄Π½ΠΈΠΊΠΎΠ²ΡΠΌ ΠΏΡΠ΅ΠΎΠ±ΡΠ°Π·ΠΎΠ²Π°ΡΠ΅Π»Π΅ΠΌ Π² Π½Π°ΠΏΡΡΠΆΠ΅Π½ΠΈΠ΅ ΠΏΠΎΡΡΠΎΡΠ½Π½ΠΎΠ³ΠΎ ΡΠΎΠΊΠ° Ρ Π΄Π°Π»ΡΠ½Π΅ΠΉΡΠΈΠΌ ΠΏΡΠ΅ΠΎΠ±ΡΠ°Π·ΠΎΠ²Π°Π½ΠΈΠ΅ΠΌ ΡΡΠΎΠ³ΠΎ Π½Π°ΠΏΡΡΠΆΠ΅Π½ΠΈΡ Π°Π½Π°Π»ΠΎΠ³ΠΎ-ΡΠΈΡΡΠΎΠ²ΡΠΌ ΠΏΡΠ΅ΠΎΠ±ΡΠ°Π·ΠΎΠ²Π°ΡΠ΅Π»Π΅ΠΌ Π² ΡΠΈΡΡΠΎΠ²ΠΎΠΉ ΠΊΠΎΠ΄, ΠΏΡΠΎΠΏΠΎΡΡΠΈΠΎΠ½Π°Π»ΡΠ½ΡΠΉ ΠΌΠΎΡΠ½ΠΎΡΡΠΈ, ΠΏΠΎΡΡΡΠΏΠ°ΡΡΠ΅ΠΉ Π½Π° Π²Ρ
ΠΎΠ΄ Π²Π°ΡΡΠΌΠ΅ΡΡΠ°.
ΠΠ°ΠΊ Π²Π°ΡΡΠΌΠ΅ΡΡ Π²ΠΊΠ»ΡΡΠ°Π΅ΡΡΡ Π² ΡΠ΅ΠΏΡ? β Squarerootnola.com
Π‘ΠΎΠ΄Π΅ΡΠΆΠ°Π½ΠΈΠ΅
ΠΠ°ΠΊ Π²Π°ΡΡΠΌΠ΅ΡΡ Π²ΠΊΠ»ΡΡΠ°Π΅ΡΡΡ Π² ΡΠ΅ΠΏΡ?
ΠΠ½ΡΡΡΠ΅Π½Π½ΡΡ ΡΠ΅ΠΏΡ Π²Π°ΡΡΠΌΠ΅ΡΡΠ° ΠΠ»Π΅ΠΌΠΌΠ° Π Π΄ΠΎΠ»ΠΆΠ½Π° Π±ΡΡΡ ΠΏΠΎΠ΄ΠΊΠ»ΡΡΠ΅Π½Π° ΠΊ ΠΈΡΡΠΎΡΠ½ΠΈΠΊΡ ΠΏΠΈΡΠ°Π½ΠΈΡ, Π° ΠΊΠ»Π΅ΠΌΠΌΠ° L Π΄ΠΎΠ»ΠΆΠ½Π° Π±ΡΡΡ ΠΏΠΎΠ΄ΠΊΠ»ΡΡΠ΅Π½Π° ΠΊ Π½Π°Π³ΡΡΠ·ΠΊΠ΅. ΠΠ²Π΅ ΠΊΠ»Π΅ΠΌΠΌΡ ΠΊΠ°ΡΡΡΠΊΠΈ Π½Π°ΠΏΡΡΠΆΠ΅Π½ΠΈΡ ΠΈΠ»ΠΈ Π΄Π°Π²Π»Π΅Π½ΠΈΡ ΠΎΠ±ΠΎΠ·Π½Π°ΡΠ΅Π½Ρ C ΠΈ V. ΠΠ»Π΅ΠΌΠΌΠ° C Π΄ΠΎΠ»ΠΆΠ½Π° Π±ΡΡΡ ΠΏΠΎΠ΄ΠΊΠ»ΡΡΠ΅Π½Π° ΠΊ ΡΠ°Π·Π΅, Π° ΠΊΠ»Π΅ΠΌΠΌΠ° V Π΄ΠΎΠ»ΠΆΠ½Π° Π±ΡΡΡ ΠΏΠΎΠ΄ΠΊΠ»ΡΡΠ΅Π½Π° ΠΊ Π½Π΅ΠΉΡΡΠ°Π»ΠΈ.
ΠΠ°ΠΊ ΠΏΠΎΠ΄ΠΊΠ»ΡΡΠΈΡΡ Π²Π°ΡΡΠΌΠ΅ΡΡ ΠΏΠΎΡΡΠΎΡΠ½Π½ΠΎΠ³ΠΎ ΡΠΎΠΊΠ° Π² ΡΠ΅ΠΏΡ?
ΠΠ°ΡΡΠΌΠ΅ΡΡ Π²ΡΠ΅Π³Π΄Π° ΠΏΠΎΠ΄ΠΊΠ»ΡΡΠ°Π΅ΡΡΡ ΠΊ ΡΠ΅ΠΏΠΈ Π² ΠΏΠΎΡΠ»Π΅Π΄ΠΎΠ²Π°ΡΠ΅Π»ΡΠ½ΠΎ-ΠΏΠ°ΡΠ°Π»Π»Π΅Π»ΡΠ½ΠΎΠΌ ΠΏΠΎΡΡΠ΄ΠΊΠ΅. ΠΠ°ΡΡΡΠΊΠ° ΡΠΎΠΊΠ° Π²Π°ΡΡΠΌΠ΅ΡΡΠ° Π΄ΠΎΠ±Π°Π²Π»Π΅Π½Π° ββΠΏΠΎΡΠ»Π΅Π΄ΠΎΠ²Π°ΡΠ΅Π»ΡΠ½ΠΎ, Π° ΠΊΠ°ΡΡΡΠΊΠ° Π΄Π°Π²Π»Π΅Π½ΠΈΡ Π΄ΠΎΠ±Π°Π²Π»Π΅Π½Π° ββΠΏΠ°ΡΠ°Π»Π»Π΅Π»ΡΠ½ΠΎ. ΠΠ»Ρ ΠΈΠ·ΠΌΠ΅ΡΠ΅Π½ΠΈΡ ΠΌΠΎΡΠ½ΠΎΡΡΠΈ ΠΊΠ°ΠΊΠΎΠΉ-Π»ΠΈΠ±ΠΎ ΡΠ»Π΅ΠΊΡΡΠΈΡΠ΅ΡΠΊΠΎΠΉ Π½Π°Π³ΡΡΠ·ΠΊΠΈ Π²Π°ΡΡΠΌΠ΅ΡΡΠΎΠΌ ΠΊΠ°ΡΡΡΠΊΠ° ΡΠΎΠΊΠ° Π΄ΠΎΠ»ΠΆΠ½Π° Π±ΡΡΡ Π²ΠΊΠ»ΡΡΠ΅Π½Π° ΠΏΠΎΡΠ»Π΅Π΄ΠΎΠ²Π°ΡΠ΅Π»ΡΠ½ΠΎ Ρ Π½Π°Π³ΡΡΠ·ΠΊΠΎΠΉ ΠΈ Π½Π΅ΠΎΠ±Ρ ΠΎΠ΄ΠΈΠΌΠ°.
Π‘ΠΊΠΎΠ»ΡΠΊΠΎ ΠΊΠ»Π΅ΠΌΠΌ Π² Π²Π°ΡΡΠΌΠ΅ΡΡΠ΅?
ΠΠ°ΡΡΠΌΠ΅ΡΡ ΠΈΠΌΠ΅Π΅Ρ Π΄Π²Π΅ ΠΊΠ°ΡΡΡΠΊΠΈ, Π° ΠΈΠΌΠ΅Π½Π½ΠΎ ΠΊΠ°ΡΡΡΠΊΡ ΡΠΎΠΊΠ° (CC) ΠΈ ΠΊΠ°ΡΡΡΠΊΡ Π½Π°ΠΏΡΡΠΆΠ΅Π½ΠΈΡ.
ΠΠ°ΠΆΠ΄Π°Ρ ΠΊΠ°ΡΡΡΠΊΠ° Ρ Π΄Π²ΡΠΌΡ Π²ΡΠ²ΠΎΠ΄Π°ΠΌΠΈ Π΄Π΅Π»Π°Π΅Ρ Π²Π°ΡΡΠΌΠ΅ΡΡ ΡΠ΅ΡΡΡΠ΅Ρ
Π²ΡΠ²ΠΎΠ΄Π½ΡΠΌ ΠΏΡΠΈΠ±ΠΎΡΠΎΠΌ.
Π§ΡΠΎ ΡΠ°ΠΊΠΎΠ΅ ΡΠ°Π΄ΠΈΠΎΡΠ°ΡΡΠΎΡΠ½ΡΠΉ Π²Π°ΡΡΠΌΠ΅ΡΡ?
ΠΠ§-ΠΈΠ·ΠΌΠ΅ΡΠΈΡΠ΅Π»ΠΈ ΠΌΠΎΡΠ½ΠΎΡΡΠΈ ΠΈΠ·ΠΌΠ΅ΡΡΡΡ ΠΌΠΎΡΠ½ΠΎΡΡΡ ΡΠ°Π΄ΠΈΠΎΡΠ°ΡΡΠΎΡΠ½ΡΡ ΡΠΈΠ³Π½Π°Π»ΠΎΠ² Π² Π΄ΠΠΌ ΠΈΠ»ΠΈ Π²Π°ΡΡΠ°Ρ . ΠΡ ΡΠ°ΠΊΠΆΠ΅ Π½Π°Π·ΡΠ²Π°ΡΡ ΠΠ§-Π²Π°ΡΡΠΌΠ΅ΡΡΠ°ΠΌΠΈ. ΠΡ ΠΊΠΎΠ½Π΅ΡΠ½ΠΎΠΉ ΡΠ΅Π»ΡΡ ΡΠ²Π»ΡΠ΅ΡΡΡ ΡΠ°ΡΡΠ΅Ρ Π²ΡΡ ΠΎΠ΄Π½ΠΎΠ³ΠΎ ΡΠΈΠ³Π½Π°Π»Π° ΠΏΠ΅ΡΠ΅Π΄Π°ΡΡΠΈΠΊΠ°. ΠΠ·ΠΌΠ΅ΡΠΈΡΠ΅Π»ΠΈ ΠΌΠΎΡΠ½ΠΎΡΡΠΈ Π Π§ ΡΠ°Π±ΠΎΡΠ°ΡΡ Π² ΠΎΠΏΡΠ΅Π΄Π΅Π»Π΅Π½Π½ΡΡ Π΄ΠΈΠ°ΠΏΠ°Π·ΠΎΠ½Π°Ρ ΡΠ°ΡΡΠΎΡ ΠΈ ΡΡΠΎΠ²Π½ΡΡ ΡΠ½Π΅ΡΠ³ΠΈΠΈ Π΄Π»Ρ ΠΊΠΎΠ»ΠΈΡΠ΅ΡΡΠ²Π΅Π½Π½ΠΎΠ³ΠΎ ΠΎΠΏΡΠ΅Π΄Π΅Π»Π΅Π½ΠΈΡ ΠΌΠΎΡΠ½ΠΎΡΡΠΈ ΠΏΠ΅ΡΠ΅Π΄Π°ΡΡΠΈΡ ΡΡΡΡΠΎΠΉΡΡΠ².
ΠΠ°ΠΊΠΈΠ΅ 4 ΠΊΠ»Π΅ΠΌΠΌΡ Ρ Π²Π°ΡΡΠΌΠ΅ΡΡΠ°?
ΠΠΎΡΠ΅ΠΌΡ 4 Π²ΡΠ²ΠΎΠ΄Π° Π²Π°ΡΡΠΌΠ΅ΡΡΠ° Π½Π°Π·ΡΠ²Π°ΡΡΡΡ Π³Π»Π°Π²Π½ΡΠΌ, Π»ΠΈΠ½Π΅ΠΉΠ½ΡΠΌ, ΠΎΠ±ΡΠΈΠΌ ΠΈ Π½Π°ΠΏΡΡΠΆΠ΅Π½ΠΈΠ΅ΠΌ (M, L, C, V)?
ΠΠ°ΠΊ Π²Π°ΡΡΠΌΠ΅ΡΡ Π²ΠΊΠ»ΡΡΠ°Π΅ΡΡΡ Π² ΡΠ΅ΠΏΡ ΠΏΠ΅ΡΠ΅ΠΌΠ΅Π½Π½ΠΎΠ³ΠΎ ΡΠΎΠΊΠ°?
Π’ΡΠ°Π΄ΠΈΡΠΈΠΎΠ½Π½ΡΠΉ Π°Π½Π°Π»ΠΎΠ³ΠΎΠ²ΡΠΉ Π²Π°ΡΡΠΌΠ΅ΡΡ ΡΠ²Π»ΡΠ΅ΡΡΡ ΡΠ»Π΅ΠΊΡΡΠΎΠ΄ΠΈΠ½Π°ΠΌΠΈΡΠ΅ΡΠΊΠΈΠΌ ΠΏΡΠΈΠ±ΠΎΡΠΎΠΌ. Π£ΡΡΡΠΎΠΉΡΡΠ²ΠΎ ΡΠΎΡΡΠΎΠΈΡ ΠΈΠ· ΠΏΠ°ΡΡ Π½Π΅ΠΏΠΎΠ΄Π²ΠΈΠΆΠ½ΡΡ ΠΊΠ°ΡΡΡΠ΅ΠΊ, ΠΈΠ·Π²Π΅ΡΡΠ½ΡΡ ΠΊΠ°ΠΊ ΠΊΠ°ΡΡΡΠΊΠΈ ΡΠΎΠΊΠ°, ΠΈ ΠΏΠΎΠ΄Π²ΠΈΠΆΠ½ΠΎΠΉ ΠΊΠ°ΡΡΡΠΊΠΈ, ΠΈΠ·Π²Π΅ΡΡΠ½ΠΎΠΉ ΠΊΠ°ΠΊ ΠΏΠΎΡΠ΅Π½ΡΠΈΠ°Π»ΡΠ½Π°Ρ ΠΊΠ°ΡΡΡΠΊΠ°. ΠΠ°ΡΡΡΠΊΠΈ ΡΠΎΠΊΠ° ΡΠΎΠ΅Π΄ΠΈΠ½Π΅Π½Ρ ΠΏΠΎΡΠ»Π΅Π΄ΠΎΠ²Π°ΡΠ΅Π»ΡΠ½ΠΎ Ρ ΡΠ΅ΠΏΡΡ, Π° ΠΎΠ±ΠΌΠΎΡΠΊΠΈ Π½Π°ΠΏΡΡΠΆΠ΅Π½ΠΈΡ — ΠΏΠ°ΡΠ°Π»Π»Π΅Π»ΡΠ½ΠΎ.
ΠΠ°ΠΊΠΈΠ΅ Π²ΠΎΠ·ΠΌΠΎΠΆΠ½Ρ ΠΎΡΠΈΠ±ΠΊΠΈ ΡΡΠ΅ΡΡΠΈΠΊΠ° ΡΠ»Π΅ΠΊΡΡΠΎΡΠ½Π΅ΡΠ³ΠΈΠΈ?
ΠΡΠΈΡΠΈΠ½Π°ΠΌΠΈ Π½Π΅ΠΏΡΠ°Π²ΠΈΠ»ΡΠ½ΠΎΠ³ΠΎ ΠΏΠΎΠ΄ΠΊΠ»ΡΡΠ΅Π½ΠΈΡ ΡΡΠ΅Ρ
ΡΠ°Π·Π½ΠΎΠ³ΠΎ ΡΡΠ΅Ρ
ΠΏΡΠΎΠ²ΠΎΠ΄Π½ΠΎΠ³ΠΎ ΠΏΡΠΈΠ±ΠΎΡΠ° ΡΡΠ΅ΡΠ° ΡΠ»Π΅ΠΊΡΡΠΎΡΠ½Π΅ΡΠ³ΠΈΠΈ ΠΌΠΎΠ³ΡΡ Π±ΡΡΡ: ΠΎΡΠΈΠ±ΠΊΠ° ΡΠΎΠ΅Π΄ΠΈΠ½Π΅Π½ΠΈΡ ΡΡΠ°Π½ΡΡΠΎΡΠΌΠ°ΡΠΎΡΠ° ΡΠΎ ΡΡΠ΅ΡΡΠΈΠΊΠΎΠΌ ΡΠ»Π΅ΠΊΡΡΠΎΡΠ½Π΅ΡΠ³ΠΈΠΈ, ΠΎΡΠΈΠ±ΠΊΠ° ΠΏΠΎΠ»ΡΡΠ½ΠΎΡΡΠΈ ΡΡΠ°Π½ΡΡΠΎΡΠΌΠ°ΡΠΎΡΠ° ΡΠΎΠΊΠ° ΠΈ ΠΎΡΠΈΠ±ΠΊΠ° ΠΏΠΎΠ»ΡΡΠ½ΠΎΡΡΠΈ ΡΡΠ°Π½ΡΡΠΎΡΠΌΠ°ΡΠΎΡΠ° Π½Π°ΠΏΡΡΠΆΠ΅Π½ΠΈΡ.
Π§ΡΠΎ ΠΎΠ·Π½Π°ΡΠ°Π΅Ρ ΡΠ°Π½ΡΠΎΠΌΠ½Π°Ρ Π·Π°Π³ΡΡΠ·ΠΊΠ°?
Π€Π°Π½ΡΠΎΠΌΠ½Π°Ρ Π½Π°Π³ΡΡΠ·ΠΊΠ°, ΡΠ°ΠΊΠΆΠ΅ ΠΈΠ·Π²Π΅ΡΡΠ½Π°Ρ ΠΊΠ°ΠΊ ΠΌΠΎΡΠ½ΠΎΡΡΡ Π² ΡΠ΅ΠΆΠΈΠΌΠ΅ ΠΎΠΆΠΈΠ΄Π°Π½ΠΈΡ ΠΈΠ»ΠΈ ΠΌΠΎΡΠ½ΠΎΡΡΡ Π²Π°ΠΌΠΏΠΈΡΠ°, ΠΏΡΠ΅Π΄ΡΡΠ°Π²Π»ΡΠ΅Ρ ΡΠΎΠ±ΠΎΠΉ ΡΠ»Π΅ΠΊΡΡΠΎΡΠ½Π΅ΡΠ³ΠΈΡ, ΠΏΠΎΡΡΠ΅Π±Π»ΡΠ΅ΠΌΡΡ ΡΠ»Π΅ΠΊΡΡΠΎΠ½Π½ΡΠΌ ΡΡΡΡΠΎΠΉΡΡΠ²ΠΎΠΌ, ΠΊΠΎΠ³Π΄Π° ΠΎΠ½ΠΎ Π²ΡΠΊΠ»ΡΡΠ΅Π½ΠΎ ΠΈΠ»ΠΈ Π½Π°Ρ ΠΎΠ΄ΠΈΡΡΡ Π² ΡΠ΅ΠΆΠΈΠΌΠ΅ ΠΎΠΆΠΈΠ΄Π°Π½ΠΈΡ. ΠΡΠΎ ΠΌΠΎΡΠ½ΠΎΡΡΡ, ΠΊΠΎΡΠΎΡΠ°Ρ ΠΏΠΎΠ΄Π΄Π΅ΡΠΆΠΈΠ²Π°Π΅Ρ Π½Π°ΡΡΡΠΎΠΉΠΊΠΈ Π²Π°ΡΠ΅Π³ΠΎ ΡΠ΅Π»Π΅Π²ΠΈΠ·ΠΎΡΠ° ΠΈ ΡΠ°ΡΡ Π²Π°ΡΠ΅Π³ΠΎ Π²ΠΈΠ΄Π΅ΠΎΠΌΠ°Π³Π½ΠΈΡΠΎΡΠΎΠ½Π° ΠΈ ΠΌΠΈΠΊΡΠΎΠ²ΠΎΠ»Π½ΠΎΠ²ΠΎΠΉ ΠΏΠ΅ΡΠΈ, Π½ΠΎ ΡΡΠ° ΠΌΠΎΡΠ½ΠΎΡΡΡ ΠΈΠΌΠ΅Π΅Ρ ΡΠ²ΠΎΡ ΡΠ΅Π½Ρ.
ΠΠ°ΠΊ ΡΠ°Π±ΠΎΡΠ°ΡΡ ΡΠ°Π΄ΠΈΠΎΡΠ°ΡΡΠΎΡΠ½ΡΠ΅ ΡΡΠ΅ΡΡΠΈΠΊΠΈ?
Π‘ΠΊΠΎΠ»ΡΠΊΠΎ ΠΊΠ°ΡΡΡΠ΅ΠΊ Π² Π²Π°ΡΡΠΌΠ΅ΡΡΠ΅?
Π΄Π²Π΅ ΠΊΠ°ΡΡΡΠΊΠΈ
ΠΠ»Π΅ΠΊΡΡΠΈΡΠ΅ΡΠΊΠΈΠΉ ΠΏΡΠΈΠ±ΠΎΡ, ΠΈΡΠΏΠΎΠ»ΡΠ·ΡΠ΅ΠΌΡΠΉ Π΄Π»Ρ ΠΈΠ·ΠΌΠ΅ΡΠ΅Π½ΠΈΡ ΡΠ»Π΅ΠΊΡΡΠΈΡΠ΅ΡΠΊΠΎΠΉ ΠΌΠΎΡΠ½ΠΎΡΡΠΈ Π² Π²Π°ΡΡΠ°Ρ
Π»ΡΠ±ΠΎΠΉ ΡΠ΅ΠΏΠΈ, Π½Π°Π·ΡΠ²Π°Π΅ΡΡΡ Π²Π°ΡΡΠΌΠ΅ΡΡ. ΠΠ½ ΡΠΎΡΡΠΎΠΈΡ ΠΈΠ· Π΄Π²ΡΡ
ΠΊΠ°ΡΡΡΠ΅ΠΊ, ΡΠ°ΠΊΠΈΡ
ΠΊΠ°ΠΊ ΠΊΠ°ΡΡΡΠΊΠ° ΡΠΎΠΊΠ° ΠΈ ΠΊΠ°ΡΡΡΠΊΠ° Π½Π°ΠΏΡΡΠΆΠ΅Π½ΠΈΡ.
ΠΠΎΡΠ΅ΠΌΡ Π²Π°ΡΡΠΌΠ΅ΡΡ ΠΈΡΠΏΠΎΠ»ΡΠ·ΡΠ΅ΡΡΡ Π² ΡΠ΅ΠΏΡΡ ΠΏΠ΅ΡΠ΅ΠΌΠ΅Π½Π½ΠΎΠ³ΠΎ ΡΠΎΠΊΠ°?
ΠΠ²Π΅Π΄Π΅Π½ΠΈΠ΅: ΠΠ°ΡΡΠΌΠ΅ΡΡ ΡΠ²Π»ΡΠ΅ΡΡΡ Π²Π°ΠΆΠ½ΡΠΌ ΠΈΠ·ΠΌΠ΅ΡΠΈΡΠ΅Π»ΡΠ½ΡΠΌ ΠΏΡΠΈΠ±ΠΎΡΠΎΠΌ. ΠΡΠΎ ΠΏΠΎΠ·Π²ΠΎΠ»ΡΠ΅Ρ ΠΈΠ·ΠΌΠ΅ΡΠΈΡΡ ΡΠ΅Π°Π»ΡΠ½ΡΡ ΡΠ»Π΅ΠΊΡΡΠΈΡΠ΅ΡΠΊΡΡ ΠΌΠΎΡΠ½ΠΎΡΡΡ (ΠΠ°ΡΡ). ΠΠΏΡΠ΅Π΄Π΅Π»Π΅Π½ΠΈΠ΅ ΠΈΡΡΠΈΠ½Π½ΠΎΠΉ ΠΌΠΎΡΠ½ΠΎΡΡΠΈ Π² ΡΠ΅ΠΏΡΡ
ΠΏΠ΅ΡΠ΅ΠΌΠ΅Π½Π½ΠΎΠ³ΠΎ ΡΠΎΠΊΠ° Π½Π΅Π²ΠΎΠ·ΠΌΠΎΠΆΠ½ΠΎ ΠΏΡΠΎΡΡΡΠΌ ΠΏΠ΅ΡΠ΅ΠΌΠ½ΠΎΠΆΠ΅Π½ΠΈΠ΅ΠΌ ΡΡΠ΅Π΄Π½Π΅ΠΊΠ²Π°Π΄ΡΠ°ΡΠΈΡΠ½ΡΡ
Π·Π½Π°ΡΠ΅Π½ΠΈΠΉ Π½Π°ΠΏΡΡΠΆΠ΅Π½ΠΈΡ ΠΈ ΡΠΎΠΊΠ°, ΠΏΠΎΡΠΊΠΎΠ»ΡΠΊΡ ΠΊΠΎΡΡΡΠΈΡΠΈΠ΅Π½Ρ ΠΌΠΎΡΠ½ΠΎΡΡΠΈ ΡΠ°ΡΡΠΎ Π½Π΅ ΡΠ°Π²Π΅Π½ 1.
Π§ΡΠΎ ΡΠ°ΠΊΠΎΠ΅ ΠΊΠ°Π»ΠΈΠ±ΡΠΎΠ²ΠΊΠ° ΡΡΠ΅ΡΡΠΈΠΊΠ° ΡΠ»Π΅ΠΊΡΡΠΎΡΠ½Π΅ΡΠ³ΠΈΠΈ?
ΠΠ°Π»ΠΈΠ±ΡΠΎΠ²ΠΊΠ° ΡΡΠ΅ΡΡΠΈΠΊΠ° ΡΠ»Π΅ΠΊΡΡΠΎΡΠ½Π΅ΡΠ³ΠΈΠΈ β ΡΡΠΎ ΠΏΡΠΎΡΠ΅ΡΡ, Π½Π΅ΠΎΠ±Ρ ΠΎΠ΄ΠΈΠΌΡΠΉ Π΄Π»Ρ ΠΎΠΏΡΠ΅Π΄Π΅Π»Π΅Π½ΠΈΡ ΠΈ ΡΠΌΠ΅Π½ΡΡΠ΅Π½ΠΈΡ ΠΏΠΎΠ³ΡΠ΅ΡΠ½ΠΎΡΡΠΈ ΠΏΡΠΈ ΠΈΠ·ΠΌΠ΅ΡΠ΅Π½ΠΈΠΈ ΡΠ½Π΅ΡΠ³ΠΈΠΈ. ΠΡΠΈΠ±ΠΊΠΈ Π² ΠΈΠ·ΠΌΠ΅ΡΠΈΡΠ΅Π»Π΅ ΡΠ½Π΅ΡΠ³ΠΈΠΈ ΠΌΠΎΠ³ΡΡ Π±ΡΡΡ Π²ΡΠ·Π²Π°Π½Ρ ΡΠ°Π·Π»ΠΈΡΠ½ΡΠΌΠΈ ΠΈΡΡΠΎΡΠ½ΠΈΠΊΠ°ΠΌΠΈ, ΡΠ°ΠΊΠΈΠΌΠΈ ΠΊΠ°ΠΊ ΡΡΠ°Π½ΡΡΠΎΡΠΌΠ°ΡΠΎΡΡ Π½Π°ΠΏΡΡΠΆΠ΅Π½ΠΈΡ, ΠΎΡΠΈΠ±ΠΊΠΈ ΡΡΠ°Π½ΡΡΠΎΡΠΌΠ°ΡΠΎΡΠΎΠ² ΡΠΎΠΊΠ° ΠΈΠ·-Π·Π° ΡΠ°Π·ΠΎΠ²ΠΎΠ³ΠΎ ΡΠ³Π»Π°, ΠΊΠ²Π°ΡΡΠ΅Π²ΡΠ΅ Π³Π΅Π½Π΅ΡΠ°ΡΠΎΡΡ ΠΈ Ρ. Π΄.
Π ΡΠ΅ΠΌ ΡΠ°Π·Π½ΠΈΡΠ° ΠΌΠ΅ΠΆΠ΄Ρ ΠΏΡΡΠΌΠΎΠΉ Π·Π°Π³ΡΡΠ·ΠΊΠΎΠΉ ΠΈ ΡΠ°Π½ΡΠΎΠΌΠ½ΠΎΠΉ Π·Π°Π³ΡΡΠ·ΠΊΠΎΠΉ?
ΠΡΡΠΌΠ°Ρ Π½Π°Π³ΡΡΠ·ΠΊΠ° ΡΡΠ΅Π±ΡΠ΅Ρ Π½ΠΎΠΌΠΈΠ½Π°Π»ΡΠ½ΠΎΠ³ΠΎ Π½Π°ΠΏΡΡΠΆΠ΅Π½ΠΈΡ ΠΈ ΡΠΎΠΊΠ°, ΠΏΠΎΡΡΠΎΠΌΡ ΠΌΠΎΡΠ½ΠΎΡΡΡ Π²Π΅Π»ΠΈΠΊΠ°. Π’Π΅ΡΡΠΈΡΠΎΠ²Π°Π½ΠΈΠ΅ ΠΏΡΠΈ ΡΠ°Π·Π»ΠΈΡΠ½ΡΡ ΠΊΠΎΡΡΡΠΈΡΠΈΠ΅Π½ΡΠ°Ρ ΠΌΠΎΡΠ½ΠΎΡΡΠΈ ΡΠ°ΠΊΠΆΠ΅ Π»Π΅Π³ΠΊΠΎ Π²ΡΠΏΠΎΠ»Π½ΡΠ΅ΡΡΡ ΠΏΡΠΈ ΡΠ°Π½ΡΠΎΠΌΠ½ΠΎΠΉ Π½Π°Π³ΡΡΠ·ΠΊΠ΅. ΠΠ»Ρ ΡΠ΄Π²ΠΈΠ³Π° ΡΠ°Π·Ρ Π½Π°ΠΏΡΡΠΆΠ΅Π½ΠΈΡ ΠΏΠΎ ΠΎΡΠ½ΠΎΡΠ΅Π½ΠΈΡ ΠΊ ΡΠΎΠΊΡ ΡΡΠ΅Π±ΡΠ΅ΡΡΡ ΡΠΎΠ»ΡΠΊΠΎ ΡΠ°Π·ΠΎΡΠ΄Π²ΠΈΠ³Π°ΡΡΠΈΠΉ ΡΡΠ°Π½ΡΡΠΎΡΠΌΠ°ΡΠΎΡ. ΠΠ΅ ΡΡΠ΅Π±ΡΠ΅ΡΡΡ ΡΠ»ΠΎΠΆΠ½ΠΎΠΉ ΡΡ Π΅ΠΌΡ Π·Π°Π³ΡΡΠ·ΠΊΠΈ Π΄Π»Ρ ΡΠ°Π·Π»ΠΈΡΠ½ΡΡ ΠΊΠΎΡΡΡΠΈΡΠΈΠ΅Π½ΡΠΎΠ² ΠΌΠΎΡΠ½ΠΎΡΡΠΈ.
Π§ΡΠΎ ΡΠ°ΠΊΠΎΠ΅ ΠΏΠΎΠ»Π·ΡΡΠ°Ρ ΠΎΡΠΈΠ±ΠΊΠ°?
ΠΡΠΎ ΡΠΈΠΏ ΠΎΡΠΈΠ±ΠΊΠΈ, ΠΏΡΠΈ ΠΊΠΎΡΠΎΡΠΎΠΉ ΡΡΠ΅ΡΡΠΈΠΊ ΡΠ½Π΅ΡΠ³ΠΈΠΈ ΠΏΠΎΡΡΠ΅Π±Π»ΡΠ΅Ρ ΠΎΡΠ΅Π½Ρ Π½Π΅Π±ΠΎΠ»ΡΡΠΎΠ΅ ΠΊΠΎΠ»ΠΈΡΠ΅ΡΡΠ²ΠΎ ΡΠ½Π΅ΡΠ³ΠΈΠΈ, Π΄Π°ΠΆΠ΅ Π΅ΡΠ»ΠΈ ΠΊ ΡΡΠ΅ΡΡΠΈΠΊΡ Π½Π΅ ΠΏΠΎΠ΄ΠΊΠ»ΡΡΠ΅Π½Π° Π½Π°Π³ΡΡΠ·ΠΊΠ°.
ΠΠΎΠ»Π·ΡΡΠ΅ΡΡΡ ΡΠ²Π΅Π»ΠΈΡΠΈΠ²Π°Π΅Ρ ΡΠΊΠΎΡΠΎΡΡΡ Π΄ΠΈΡΠΊΠ° Π΄Π°ΠΆΠ΅ Π² ΡΡΠ»ΠΎΠ²ΠΈΡΡ
Π»Π΅Π³ΠΊΠΎΠΉ Π½Π°Π³ΡΡΠ·ΠΊΠΈ, ΡΡΠΎ ΡΠ²Π΅Π»ΠΈΡΠΈΠ²Π°Π΅Ρ ΠΏΠΎΠΊΠ°Π·Π°Π½ΠΈΡ ΡΡΠ΅ΡΡΠΈΠΊΠ°.

Π‘Ρ
Π΅ΠΌΠ° Π²ΠΊΠ»ΡΡΠ΅Π½ΠΈΡ Π²Π°ΡΡΠΌΠ΅ΡΡΠ°. Π‘Ρ
Π΅ΠΌΡ ΠΈΠ·ΠΌΠ΅ΡΠ΅Π½ΠΈΡ ΠΌΠΎΡΠ½ΠΎΡΡΠΈ.
ΠΠΎΠ΄Π²ΠΈΠΆΠ½Π°Ρ ΠΊΠ°ΡΡΡΠΊΠ° Π½Π΅ΡΠ΅Ρ ΠΈΠ³Π»Ρ, ΠΊΠΎΡΠΎΡΠ°Ρ ΠΏΠ΅ΡΠ΅ΠΌΠ΅ΡΠ°Π΅ΡΡΡ ΠΏΠΎ ΡΠΎΠΎΡΠ²Π΅ΡΡΡΠ²ΡΡΡΠ΅ΠΉ
ΠΎΡΠΌΠ΅ΡΠ΅Π½Π½ΡΠΉ ΠΌΠ°ΡΡΡΠ°Π±. Π‘ΠΏΠΈΡΠ°Π»ΡΠ½ΡΠ΅ Π²ΠΈΠ½ΡΠΎΠ²ΡΠ΅ ΠΏΡΡΠΆΠΈΠ½Ρ ΡΠ΄Π΅ΡΠΆΠΈΠ²Π°ΡΡ ΠΈΠ³Π»Ρ Π² Π½ΡΠ»Π΅Π²ΠΎΠΌ ΠΏΠΎΠ»ΠΎΠΆΠ΅Π½ΠΈΠΈ.
Π΄Π°ΠΆΠ΅ ΠΊΠΎΠ³Π΄Π° ΡΠΎΠΊΠΎΠ²ΡΠ΅ ΠΈ ΠΏΠΎΡΠ΅Π½ΡΠΈΠ°Π»ΡΠ½ΡΠ΅ ΡΠ΅ΠΏΠΈ Π½Π°Π³ΡΡΠΆΠ΅Π½Ρ Π΄ΠΎ ΠΌΠ°ΠΊΡΠΈΠΌΠ°Π»ΡΠ½ΠΎ Π±Π΅Π·ΠΎΠΏΠ°ΡΠ½ΠΎΠ³ΠΎ ΠΏΡΠ΅Π΄Π΅Π»Π°. ΠΡΠΎΡ
Π Π΅ΠΉΡΠΈΠ½Π³ Π±Π΅Π·ΠΎΠΏΠ°ΡΠ½ΠΎΡΡΠΈ ΠΎΠ±ΡΡΠ½ΠΎ ΡΠΊΠ°Π·Π°Π½ Π½Π° Π»ΠΈΡΠ΅Π²ΠΎΠΉ ΡΡΠΎΡΠΎΠ½Π΅ ΠΏΡΠΈΠ±ΠΎΡΠ°. ΠΠ°ΡΡΠΌΠ΅ΡΡ Π²ΡΠ΅Π³Π΄Π°
ΠΈΠ·ΠΌΠ΅ΡΡΠ΅ΡΡΡ Π½Π΅ Π² Π²Π°ΡΡΠ°Ρ
, Π° Π² Π²ΠΎΠ»ΡΡΠ°Ρ
ΠΈ ββΠ°ΠΌΠΏΠ΅ΡΠ°Ρ
. Π ΠΈΡΡΠ½ΠΎΠΊ 1-45 ΠΏΠΎΠΊΠ°Π·ΡΠ²Π°Π΅Ρ ΠΏΡΠ°Π²ΠΈΠ»ΡΠ½ΡΠΉ ΡΠΏΠΎΡΠΎΠ±
Π΄Π»Ρ Π²ΠΊΠ»ΡΡΠ΅Π½ΠΈΡ Π²Π°ΡΡΠΌΠ΅ΡΡΠ° Π² ΡΠ°Π·Π»ΠΈΡΠ½ΡΠ΅ ΡΠ΅ΠΏΠΈ.

