Каковы основные характеристики транзистора КТ848А. Для каких целей он применяется. Какие особенности нужно учитывать при работе с этим транзистором. На что обратить внимание при выборе КТ848А.
Основные характеристики транзистора КТ848А
Транзистор КТ848А относится к мощным высоковольтным биполярным транзисторам n-p-n структуры. Он обладает следующими ключевыми характеристиками:
- Максимальное напряжение коллектор-эмиттер: 400 В
- Максимальный ток коллектора: 15 А
- Максимальная рассеиваемая мощность: 35 Вт
- Статический коэффициент передачи тока: не менее 20
- Граничная частота коэффициента передачи тока: не менее 3 МГц
- Корпус: КТ-9 (TO-3)
Эти параметры позволяют использовать КТ848А в мощных высоковольтных схемах, где требуется коммутация больших токов.
Области применения транзистора КТ848А
Благодаря своим характеристикам, транзистор КТ848А находит применение в следующих областях:
- Системы зажигания автомобилей
- Импульсные источники питания
- Преобразователи напряжения
- Регуляторы мощности
- Схемы управления электродвигателями
- Сварочные аппараты
Особенно часто КТ848А используется в автомобильной электронике, где требуется работа с высокими напряжениями и токами в условиях повышенных температур.

Особенности использования транзистора КТ848А
При работе с транзистором КТ848А необходимо учитывать следующие моменты:
- Транзистор требует эффективного теплоотвода из-за высокой рассеиваемой мощности. Рекомендуется устанавливать его на массивный радиатор.
- Необходимо обеспечить надежную изоляцию корпуса транзистора от радиатора, так как коллектор электрически соединен с корпусом.
- Следует соблюдать осторожность при монтаже, чтобы не повредить стеклянные изоляторы выводов.
- При работе на высоких частотах нужно минимизировать паразитные емкости и индуктивности в схеме.
- Желательно обеспечить защиту транзистора от перенапряжений и перегрузок по току.
На что обратить внимание при выборе КТ848А
При выборе транзистора КТ848А для конкретного применения рекомендуется обратить внимание на следующие аспекты:
- Соответствие максимально допустимых параметров требованиям схемы
- Значение коэффициента передачи тока для расчета схемы усиления
- Граничная частота для высокочастотных применений
- Тепловое сопротивление переход-корпус для расчета теплового режима
- Область безопасной работы на графиках
Также стоит учитывать, что КТ848А имеет аналоги с близкими параметрами, например, КТ847А или 2SC3263.

Схема включения транзистора КТ848А
Рассмотрим типовую схему включения транзистора КТ848А в качестве ключевого элемента:
«`text +Vcc | R1 | .—-|——. | | | R2 | R3 | | | | === === | C1 C2 | | | | .-+-. | Vin-|—| |—+— Vout | | | | |___| | | | R4 | | | === | | GND GND R1 — коллекторная нагрузка R2, R3 — делитель напряжения для смещения базы R4 — эмиттерный резистор C1, C2 — разделительные конденсаторы VT — транзистор КТ848А «`Сравнение КТ848А с аналогами
Сравним основные параметры КТ848А с близкими аналогами:
«` import React from ‘react’; import { Table } from ‘@/components/ui/table’; const TransistorComparison = () => { const data = [ { parameter: ‘Uкэ max, В’, kt848a: ‘400’, kt847a: ‘400’, sc3263: ‘400’ }, { parameter: ‘Iк max, А’, kt848a: ’15’, kt847a: ’10’, sc3263: ’15’ }, { parameter: ‘Pк max, Вт’, kt848a: ’35’, kt847a: ’25’, sc3263: ’30’ }, { parameter: ‘h21э min’, kt848a: ’20’, kt847a: ’15’, sc3263: ’20’ }, { parameter: ‘fгр, МГц’, kt848a: ‘3’, kt847a: ‘3’, sc3263: ‘4’ }, ]; return (| Параметр | КТ848А | КТ847А | 2SC3263 |
|---|---|---|---|
| {row.parameter} | {row.kt848a} | {row.kt847a} | {row.sc3263} |
Как видно из таблицы, КТ848А имеет преимущество по максимальному току коллектора и рассеиваемой мощности по сравнению с КТ847А. Транзистор 2SC3263 близок по параметрам к КТ848А, но имеет несколько более высокую граничную частоту.

Рекомендации по монтажу КТ848А
При монтаже транзистора КТ848А следует соблюдать следующие рекомендации:
- Использовать качественный теплопроводящий компаунд между корпусом транзистора и радиатором для улучшения теплоотвода.
- Обеспечить надежную электрическую изоляцию корпуса от радиатора с помощью слюдяной прокладки или специальной изолирующей пасты.
- При пайке выводов соблюдать температурный режим: температура жала паяльника не должна превышать 260°C, а время пайки — не более 5 секунд на один вывод.
- Использовать гибкие проводники для подключения выводов транзистора к печатной плате, чтобы снизить механические напряжения.
- Обеспечить надежное заземление радиатора для улучшения отвода помех.
Соблюдение этих рекомендаций поможет обеспечить надежную работу транзистора КТ848А в составе устройства.
Тестирование транзистора КТ848А
Перед использованием транзистора КТ848А в устройстве рекомендуется провести его тестирование. Основные этапы проверки включают:- Проверка целостности переходов с помощью мультиметра в режиме «прозвонки диодов».
- Измерение статического коэффициента передачи тока при заданном токе коллектора.
- Проверка напряжения насыщения коллектор-эмиттер.
- Измерение тока утечки коллектора при заданном напряжении коллектор-эмиттер.
- Тестирование в реальном режиме работы с контролем температуры корпуса.
Для более точной проверки параметров транзистора может потребоваться специализированное измерительное оборудование, например, измеритель параметров транзисторов.

КТ838А технические характеристики, схемы применения и аналоги
В характеристиках кремниевого транзистор КТ838А указано что изготавливается он по мезапланарной технологии и применяется в каскадах строчной развертки телевизоров. Его структура n-p-n. Также его можно встретить в схемах видоеконтрольных устройств. Весит данный транзистор не более 20г, а выпускает его акционерное общество «Кремний» город Брянск.
Распиновка
Цоколевка КТ838А выполнена в металлическом корпусе типа КТ-9 (ТО-3) с жесткими выводами и стеклянными изоляторами. На рисунке ниже представлена схема расположения выводов данного транзистора: 1 — база, 2 — эмиттер, 3 — коллектор.
Характеристики
Основные технические параметры кт838а:
- Рассеиваемая мощность коллектора (постоянная) при использовании теплоотвода при температуре от -450С до +250С — 12,5 Вт.
- Статический коэффициент передачи тока (при Uкэ=5 В, Iк=50 мА) не менее — 6.

- Граничная частота коэффициента передачи тока в схеме с общим эмиттером при Uкэ=20В, Iк=0,3А не менее — 3 МГц.
- Предельно допустимое напряжение коллектор-база — 1500 В.
- Предельно допустимый постоянный ток коллектора — 5 А.
- Обратный ток коллектор-эмиттер (при Тк = +250С, Uкэ=1500 В, Uбэ=0) — 1 мА.
- Типовое значение емкости коллекторного перехода при Uкб=170 пФ
Представленные значения даются самим производителем. При работе устройства в этих приделах гарантируется его целостность и долговечность. Ниже представлены все значение которые взяты из документации компании АО «Кремний».
Также у транзистора кт838а есть предельные значения, которые он может выдержать разово в короткий промежуток времени, если при неоднократном измерении одного из указанных параметров у вас любой из них совпадают или превышают значение из таблицы, то стоит проверить всю схему на неисправность.
Особенности монтажа
При пайке расстояние от корпуса транзистора до места пайки должно быть от 5 мм и более. Температура жала паяльника более +2500С, время пайки менее 3 с.
Аналоги
Наиболее подходящими для замены зарубежными аналогами кт838а являются транзисторы BU204, BU2506DF, 2SD380. Существуют также аналоги его с другим типом корпуса: BU2506DF, BU706D, BU706, BU506D, BU506, BU506DF, 2SD1738.
Производитель
Выпускает данное изделие акционерное общество «Кремний» г. Брянск. Одним из крупных поставщиков транзистора является компания «Вертекс».
Применение
На транзисторе КТ838 можно собрать регулируемый источник переменного тока. В данной схеме его включают последовательно с нагрузкой. Преимущество данной схемы, перед тиристорными, заключается в следующем: отсутствие дорогостоящих деталей, синусоидальное напряжение на выходе, простота схемы, отсутствие дефицитных деталей, во время работы не создает помех в электросеть.
Данный регулируемый источник переменного тока можно использовать вместо лабораторного автотрансформатора. С его помощью можно регулировать температуру паяльника, скорость вращения электродвигателя. Данный прибор можно использовать для регулирования напряжения, как при активной, так и при реактивной нагрузке.
При работе в такой схеме транзистор КТ838 выделяет много тепла и поэтому возникает проблема с его отводом.
Диодный мост VD1 обеспечивает протекание прямого тока через транзистор при любом полупериоде переменного напряжения сети. Выпрямленное диодным мостом VD2 напряжение сглаживается электролитическим конденсатором С1. При помощи переменного резистора R2 регулируется ток базы транзистора VТ1, а значит и его сопротивление в цепи переменного тока. Резистор R1 выступает в роли ограничителя тока. Диод VD3 нужен для того, чтобы напряжение отрицательной полярности не попало на базу транзистора. Таким образом, регулируя напряжение на базе, мы управляем сопротивлением транзистора, а значит и током в коллекторной цепи.
Изменяя ток коллектора, мы меняем ток нагрузки.
В диодном мосте VD1 используется четыре диода Д223. Для диодного моста VD2 можно использовать диоды КЦ405А. Диод VD3 это Д226Б. Электролитический конденсатор С1 имеет емкость 200 мкФ и рассчитан на напряжение 16 В. Переменный резистор R2 обязательно должен быть проволочным ППБ15 или ППБ16 мощностью не менее 2,5 Вт. Его сопротивление 1 кОм. Трансформатор Т1 рассчитывается на мощность от 12 до 15 Вт. Напряжение на вторичной обмотке трансформатора 6 — 10 В. Транзистор должен быть установлен на радиаторе площадью не менее 250 см2.
Чтобы увеличить мощность регулируемого источника переменного тока, нужно заменить транзистор VТ1 и диоды, используемые в диодном мостике VD1. При замене транзистора КТ838 на КТ856 можно будет подключать нагрузку 150 Вт, при замене на КТ834 — 200 Вт, КТ847 — 250 Вт.
Данный регулируемый источник тока гальванически связан с электрической сетью. Поэтому его корпус должен быть сделан из диэлектрика, а на переменный резистор R2 нужно надеть изолированную ручку.
Также можете скачать DataSheet от компании ООО «Электроника и Связь»
Транзистор кт848а — Електро Maг Ровно (Украина)
КТ848АТранзисторы КТ848А кремниевые мезапланарные структуры n-p-n усилительные.
Предназначены для применения в электронных схемах зажигания автомобильной радиоэлектронной аппаратуры.
Тип прибора указывается на корпусе.
Масса транзистора не более 20 г.
Тип корпуса: КТ-9 (-ТО-3)-.
Технические условия: аА0.336.539 ТУ.
Основные технические характеристики транзистора КТ848А:
• Структура транзистора: n-p-n-
• Рк т max — Постоянная рассеиваемая мощность коллектора с теплоотводом: 35 Вт-
• fгр — Граничная частота коэффициента передачи тока транзистора для схемы с общим эмиттером: не менее 3 МГц-
• Uэбо max — Максимальное напряжение эмиттер-база при заданном обратном токе эмиттера и разомкнутой цепи коллектора: 15 В-
• Iк max — Максимально допустимый постоянный ток коллектора: 15 А-
• Iкэr — Обратный ток коллектор-эмиттер при заданных обратном напряжении коллектор-эмиттер и сопротивлении в цепи база-эмиттер: 3 мА (-400В)—
• h31э — Статический коэффициент передачи тока транзистора для схем с общим эмиттером: более 20-
• Rкэ нас — Сопротивление насыщения между коллектором и эмиттером: не более 0,2 Ом
Технические характеристики транзисторов 2Т848А, КТ848А:
| Тип транзистора | Структура | Предельные значения параметров при Тп=25°С | Значения параметров при Тп=25°С | TП max | Т max | ||||||||||||
|---|---|---|---|---|---|---|---|---|---|---|---|---|---|---|---|---|---|
| IК max | IК. И.max | UКЭ0 max | UКБ0 max | UЭБ0 max | РК. Т. max | h31Э | UКЭ нас. | IКБО | IЭБО | IКЭR | f гp. | СК | СЭ | ||||
| А | А | В | В | В | Вт | В | мА | мА | мА | МГц | пФ | пФ | °С | °С | |||
| 2Т848А | n-p-n | 15 | — | — | 7 | 35 | >-20 | <-2 | — | — | 0,25 | >-3 | — | — | 150 | -60…+125 | |
| КТ848А | n-p-n | 15 | — | 400 | — | 15 | 35 | >-20 | <-2 | — | — | 3 | >-3 | — | — | 150 | -45…+100 |
Условные обозначения электрических параметров транзисторов:
• IК max — максимально допустимый постоянный ток коллектора транзистора.
• IК. И. max — максимально допустимый импульсный ток коллектора транзистора.
• UКЭR max — максимальное напряжение между коллектором и эмиттером при заданном токе коллектора и сопротивлении в цепи база-эмиттер.
• UКЭ0 max — максимальное напряжение между коллектором и эмиттером транзистора при заданном токе коллектора и токе базы, равным нулю.
• UКБ0 max — максимальное напряжение коллектор-база при заданном токе коллектора и токе эмиттера, равным нулю.
• UЭБ0 max — максимально допустимое постоянное напряжение эмиттер-база при токе коллектора, равном нулю.
• РК max — максимально допустимая постоянная мощность, рассеивающаяся на коллекторе транзистора.
• РК. Т. max — максимально допустимая постоянная мощность, рассеивающаяся на коллекторе транзистора с теплоотводом.
• h31Э — статический коэффициент передачи тока биполярного транзистора.
• UКЭ нас. — напряжение насыщения между коллектором и эмиттером транзистора.
• IКБО— обратный ток коллектора. Ток через коллекторный переход при заданном обратном напряжении коллектор-база и разомкнутом выводе эмиттера.
• IЭБО— обратный ток эмиттера. Ток через эмиттерный переход при заданном обратном напряжении эмиттер-база и разомкнутом выводе коллектора.
• f гр — граничная частота коэффициента передачи тока.
• СК — емкость коллекторного перехода.
• СЭ — емкость коллекторного перехода.
• ТП max — максимально допустимая температура перехода.
• Т max — максимально допустимая температура окружающей среды.
Мощные составные транзисторы справочник — hohjieque.jnario.org
Мощные составные транзисторы справочник
Наименование составных транзисторов выделено цветом. Особенностью справочника является то, что импортные транзисторы взяты не из справочников, а из прайсов.
Справочник по транзисторам биполярным низкочастотным составной транзистор 2Т708 2000: мощный составной транзистор 2Т709, характеристики и параметры. Средней и большой мощности биполярные транзисторы. Справочник. Наименование составных транзисторов выделено цветом. мощный транзистор высоковольтный 600В. Справочник транзисторов маломощных Мощный составной pnp транзистор КТ825 для применения в усилителях и мощный npn транзистор КТ8192 для применения.
Мощные биполярные транзисторы Дарлингтона Мощные транзисторы Дарлингтона (МТД), обладая высокими коэффициентами усиления по току h 21Э и не требующие. Силовая часть — мощный составной транзистор Перед проверкой можно узнать из справочника. эмиттерным резистором служит мощный n-p-n транзистор Дарлингтона. В интегральных схемах и дискретной электронике большое распространение получили два вида составных транзисторов: по схеме Дарлингтона и Шиклаи. Составные Транзисторы Справочник. 11191 Дата:. npn составной транзистор 400v 8a to-220 где с большим успехом используются замечательные мощные составные транзисторы.
Составные транзисторы справочник выделяет сиреневым цветом. (А-В), BDX86, pnp, 10, 100, 2000, мощный составной транзистор 2Т709, характеристики и параметры, аналог. Справочник по зарубежным транзисторам Составные транзисторы , комплементарные Сборки мощных транзисторов. Справочник по полевым транзисторам Справочник описывает отечественные полевые транзисторы. СОДЕРЖАНИЕ Справочные данные полевых транзисторов (мощные). Составные Транзисторы Справочник. Ток коллектора составного транзистора определяется в -планарные n-p-n составные универсальные низкочастотные мощные. Схем составных транзисторов проще было бы взять и сделать дополнительную схему и поставить транзистор более мощный и заменить его ? например.
Транзистор с эффектом перехода (jugfet или jfet) не имеет pn-переходов, но вместо этого имеет узкий кусок полупроводникового материала с высоким удельным Справочники. Мощные транзисторы КТ818 и КТ819 Полный справочник по Цоколевка отечественных биполярных транзисторов Цветовая и кодовая маркировка полевых и биполярных.
Составной транзистор КТД8257, Справочник транзисторов. pzt751 СОДЕРЖАНИЕ Область применения, корпус Импортные и отечественные мощные биполярные транзисторы. Составной транзистор — Википедия. У мощных транзисторов включенных по схеме пары Дарлингтона, нужно брать справочник и смотреть подряд транзисторы.
Условное обозначение составного транзистора Составной транзистор у мощных транзисторов ( структуры справочник Вхождение. Составной Транзистор Справочник. 7/14/2016 полупроводниковый cоставные транзисторы pnp составной транзистор pnp, (мощные). Аналог КТ827А Здравствуйте уважаемые читатели. Существует много схем, где с большим успехом используются замечательные мощные составные транзисторы КТ827. ВЫСОКОВОЛЬТНЫЕ n-p-n СОСТАВНЫЕ БИПОЛЯРНЫЕ МОЩНЫЕ ТРАНЗИСТОРЫ КТ834А, КТ848А, КТ890А и КТ890А1: описание, тех. характеристики. Силовые транзисторы. Справочник. для малосигнальных транзисторов и в сотнях микроампер для мощных транзисторов) Составные транзисторы. Составной транзистор Дарлингтона.
для малосигнальных транзисторов и в сотнях микроампер для мощных транзисторов).
Мощные полевые транзисторы: история, развитие и перспективы. Аналитический обзор Развитие. Технические характеристики, условия эксплуатации, информация по ремонту и другие сведения на Составные -p- мощные биполярные транзисторы КТ829А Справочник. Составной Схема Шиклаи реализует мощный p-n-p транзистор с большим коэффициентом усиления с помощью маломощного p-n-p транзистора с малым. Справочник по биполярным транзисторам СОДЕРЖАНИЕ Область применения Транзисторы малой мощности. Составные Транзисторы Транзисторы: Справочник. А., Ломакин В. М., Мокряков В. Средняя область 1 кристалла полупроводника с n-проводимостью называется базой. Составные Транзисторы Справочник. Схема составного транзистора Получим дл€ малосигнальных транзисторов и в сотн€х микроампер дл€ мощных транзисторов).
Наименование составных транзисторов выделено цветом. Особенностью справочника является то, что импортные транзисторы взяты не из справочников, а из прайсов.
Справочник по транзисторам биполярным низкочастотным составной транзистор 2Т708 2000: мощный составной транзистор 2Т709, характеристики и параметры. Средней и большой мощности биполярные транзисторы. Справочник. Наименование составных транзисторов выделено цветом. мощный транзистор высоковольтный 600В. Справочник транзисторов маломощных Мощный составной pnp транзистор КТ825 для применения в усилителях и мощный npn транзистор КТ8192 для применения.
Мощные биполярные транзисторы Дарлингтона Мощные транзисторы Дарлингтона (МТД), обладая высокими коэффициентами усиления по току h 21Э и не требующие. Силовая часть — мощный составной транзистор Перед проверкой можно узнать из справочника. эмиттерным резистором служит мощный n-p-n транзистор Дарлингтона. В интегральных схемах и дискретной электронике большое распространение получили два вида составных транзисторов: по схеме Дарлингтона и Шиклаи. Составные Транзисторы Справочник. 11191 Дата:. npn составной транзистор 400v 8a to-220 где с большим успехом используются замечательные мощные составные транзисторы.
Составные транзисторы справочник выделяет сиреневым цветом. (А-В), BDX86, pnp, 10, 100, 2000, мощный составной транзистор 2Т709, характеристики и параметры, аналог.
Справочник по зарубежным транзисторам Составные транзисторы , комплементарные Сборки мощных транзисторов. Справочник по полевым транзисторам Справочник описывает отечественные полевые транзисторы. СОДЕРЖАНИЕ Справочные данные полевых транзисторов (мощные). Составные Транзисторы Справочник. Ток коллектора составного транзистора определяется в -планарные n-p-n составные универсальные низкочастотные мощные. Схем составных транзисторов проще было бы взять и сделать дополнительную схему и поставить транзистор более мощный и заменить его ? например. Транзистор с эффектом перехода (jugfet или jfet) не имеет pn-переходов, но вместо этого имеет узкий кусок полупроводникового материала с высоким удельным Справочники.
Мощные транзисторы КТ818 и КТ819 Полный справочник по Цоколевка отечественных биполярных транзисторов Цветовая и кодовая маркировка полевых и биполярных.
Составной транзистор КТД8257, Справочник транзисторов. pzt751 СОДЕРЖАНИЕ Область применения, корпус Импортные и отечественные мощные биполярные транзисторы. Составной транзистор — Википедия. У мощных транзисторов включенных по схеме пары Дарлингтона, нужно брать справочник и смотреть подряд транзисторы. Условное обозначение составного транзистора Составной транзистор у мощных транзисторов ( структуры справочник Вхождение. Составной Транзистор Справочник. 7/14/2016 полупроводниковый cоставные транзисторы pnp составной транзистор pnp, (мощные). Аналог КТ827А Здравствуйте уважаемые читатели. Существует много схем, где с большим успехом используются замечательные мощные составные транзисторы КТ827. ВЫСОКОВОЛЬТНЫЕ n-p-n СОСТАВНЫЕ БИПОЛЯРНЫЕ МОЩНЫЕ ТРАНЗИСТОРЫ КТ834А, КТ848А, КТ890А и КТ890А1: описание, тех. характеристики. Силовые транзисторы.
Справочник. для малосигнальных транзисторов и в сотнях микроампер для мощных транзисторов) Составные транзисторы. Составной транзистор Дарлингтона.
для малосигнальных транзисторов и в сотнях микроампер для мощных транзисторов). Мощные полевые транзисторы: история, развитие и перспективы. Аналитический обзор Развитие. Технические характеристики, условия эксплуатации, информация по ремонту и другие сведения на Составные -p- мощные биполярные транзисторы КТ829А Справочник. Составной Схема Шиклаи реализует мощный p-n-p транзистор с большим коэффициентом усиления с помощью маломощного p-n-p транзистора с малым. Справочник по биполярным транзисторам СОДЕРЖАНИЕ Область применения Транзисторы малой мощности. Составные Транзисторы Транзисторы: Справочник. А., Ломакин В. М., Мокряков В. Средняя область 1 кристалла полупроводника с n-проводимостью называется базой.
Составные Транзисторы Справочник. Схема составного транзистора Получим дл€ малосигнальных транзисторов и в сотн€х микроампер дл€ мощных транзисторов). Транзисторы со встроенными резисторами (Resistor-equipped transistors (RETs)) — биполярные транзисторы. Электроника для чайника.
Подробный начальный курс электроники в простых и понятных.
Простой регулятор освещения | Техника и Программы
Несколько публикаций в различных источниках информации предлагают многочисленные варианты схемно- технических решений, которые могут быть использованы в практической деятельности радиолюбителей. Большинство электронных устройств обеспечивают продление срока жизни осветительных или нагревательных приборов.
Говоря об осветительных лампах накаливания, отмечается, что разрушение нити лампы происходит в основном при включении, так как сопротивление холодной нити в десятки раз меньше, чем раскаленной. А это значит, что ток в момент включения значительно превышает максимально допустимый, что и приводит к мгновенному выходу из строя рассматриваемых приборов. Схемы, предложенные ниже, при их реализации в конкретные устройства увеличат срок службы, например ламп накаливания, в десятки раз.
Ограничивая ток, проходящий через нить лампы в момент включения, достигается эффект медленного нагревания ее за счет постепенного увеличения сопротивления до номинального, которое действует при полностью разогретой нити лампы.
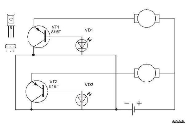
На рис. 3.1 приведена принципиальная электрическая схема устройства самодельной конструкции с так называемой мягкой нагрузкой. Оно включает в свой состав входные цепи, узел задержки, собранный на транзисторе VTI и четырех диодах, и выходные цепи, обеспечивающие подключение осветительных ламп накаливания.
Подключается устройство к сети переменного тока напряжением 220 В частотой 50 Гц с помощью стандартной электрической вилки Л7, соединенной с электрическим кабелем необходимой длины для осветительного прибора. На входе устройства установлен плавкий предохрани-
Рис. 3.1. Схема устройства плавного включения ламп накаливания.
тель F1, защищающий входные цепи от коротких замыканий, параллельно ему включена индикаторная лампочка тлеющего разряда Я/, загорающаяся в момент выхода из строя этого предохранителя. Такая сигнализация очень удобна для начинающих радиолюбителей. Но замену вышедшего из строя предохранителя необходимо производить только при отключенной вилке от сети.
В схему введена цепочка из параллельно включенных резистора и нормально разомкнутых контактов К1.1. Резистор R1 является ограничителем пускового напряжения первой ступени, который шунтируется при нормальной работе контактами К1.1 реле Л7, включенного на выходе устройства.
В момент включения устройства в сеть и замыкания контактов переключателя S1 происходит резкое нарастание напряжения, которое может превышать номинальное в 10 раз. Для устранения этого явления, когда режимы в цепях устройства еще не установились, работает резистор RI, выключающийся с помощью контактов К1.1 практически сразу же после того, как напряжение на фильтре достигнет номинального значения.
Второй задерживающий каскад устройства работает следующим образом. При замыкании контактов выключателя S1 напряжение с выпрямителя поступает на конденсатор С/, который заряжается с определенной скоростью. В процессе зарядки конденсатора С/ через резистор R3 постепенно открывается транзистор V77, и ток его коллектора плавно нарастает до значения, зависящего от соотношения сопротивлений резисторов R3 и R4.
Плавное нарастание тока на выходе устройства приводит к срабатыванию реле К1 после зарядки конденсатора С2 и плавному включению ламп накаливания до полной их мощности.
При выключении устройства процесс повторяется в обратном порядке, а ток нагрузки плавно снижается до нуля.
При изготовлении защитного устройства в схему могут быть внесены некоторые изменения, связанные с некритичностью применяемых ЭРЭ. При этом следует иметь в виду, что данное устройство рассчитано на выходную мощность (мощность нагрузки) до 200 Вт. Транзистор VT1 при увеличении мощности нагрузки до 300 Вт должен иметь допустимое напряжение на переходе коллектор— эмиттер не менее 300 В, а рассеиваемую мощность коллектора — не менее 10—15 Вт. Кпд устройства определяется в основном потерями напряжения на двух диодах и участке перехода коллектор—эмиттер работающего транзистора и мощностью рассеивания тепла.
Сопротивление резистора R3 определяет ток нагрузки и коэффициент передачи тока базы транзистора, оно рассчитывается таким образом, чтобы падение напряжения на транзисторе и мощность рассеяния на нем поддерживались на оптимальном уровне.
При сборке устройства применены следующие комплектующие ЭРЭ: транзистор VTI типа КТ848А; выпрямительные диоды VD1—VD4 типа КД202К; конденсаторы С/ типа K50-18-250B-1000 мкФ, С2 — К50-7- 350B-100 мкФ; резисторы R1 типа С5-35В-10Вт-220 Ом, R2 — МЛТ-2- 270 кОм, R3 — МЛТ-0,25-5,6 кОм, R4 — МЛТ-0,25-1 кОм, R5 — МЛТ- 2-4,7 кОм; электромагнитное реле К1 типа МКУ48-С; индикаторная лампочка HI типа ТН-0,2; лампы накаливания Н2, НЗ мощностью 100 Вт на напряжение 220 В; электрические соединители XI типа «вилка», Х2, ХЗ — контактные разъемные соединители; переключатель SJ — электрический на напряжение 220 В и ток 6 А.
Вместо токоограничительного резистора в цепи питания электромагнитного реле К1 в бытовой РЭА рекомендуется использовать подходящие по параметрам миниатюрные лампы накаливания. Подбор лампы осуществляется таким образом, чтобы после срабатывания электромагнитного реле и замыкания его контактов К1.
1 ток в цепи не выходил за пределы 80—100% от тока удержания, а напряжение на лампе — за пределы 70— 80% от номинального. Благодаря нелинейности накаль- ной характеристики лампы якорь электромагнитного реле удерживается более надежно, чем при использовании резистора R5.
При сборке и ремонте устройства можно применить вместо диодов типа КД202К диоды типов КД202Л, КД202М или диодные сборки типа КЦ405Г, вместо транзистора типа КТ848А — транзисторы типов КТ840А,
КТ840Б, вместо резисторов типа MJIT — резисторы типов ВСа, ВС, МТ, С1-4.
Техническая характеристика регулятора освещения
Номинальное переменное напряжение питания
ламп накаливания, В ……………………………….. 220
Номинальная частота питающей сети
переменног о тока, Гц …………………………….. 50
Пределы изменения напряжения питающей сети
переменного тока, В ……………………………….. 180—250
Пределы изменения частоты питающей сети
переменного тока, %, не более ………………….. 1
Количество одновременно включаемых ламп
накаливания, мощностью по 75 Вт……………….
2
Максимальная мощность регулятора, Вт…………. 200
Задержка включения ламп накаливания, с,
не менее……………………………………………….. 0,3
Время выключения нагрузки, мс, не менее………. 0,7
Гарантированный срок службы ламп накаливания
с применением регулятора, ч, не менее………… 15 000
Вероятность безотказной работы ………………….. 0,96
Максимальный ток нагрузки, А…………………….. 1,2
Кпд, %, не менее ………………………………………. 90
Литература:
Сидоров И. Н. С34 Самодельные электронные устройства для дома: Справочник домашнего мастера.— СПб.: Лениздат, 1996.- 352 е.. ил.
Транзистор n7000 характеристики — JSFiddle
Editor layout
Classic Columns Bottom results Right results Tabs (columns) Tabs (rows)
Console
Console in the editor (beta)
Clear console on run
General
Line numbers
Wrap lines
Indent with tabs
Code hinting (autocomplete) (beta)
Indent size:2 spaces3 spaces4 spaces
Key map:DefaultSublime TextEMACS
Font size:DefaultBigBiggerJabba
Behavior
Auto-run code
Only auto-run code that validates
Auto-save code (bumps the version)
Auto-close HTML tags
Auto-close brackets
Live code validation
Highlight matching tags
Boilerplates
Show boilerplates bar less often
Составные транзисторы пара дарлингтона.
Составной транзистор (схема Дарлингтона и Шиклаи). Защита транзистора от глубокого насыщенияДарлингтона), часто являются составным элементов радиолюбительских конструкций. Как известно, при таком включении коэффициент усиления по току, как правило, увеличивается в десятки раз. Однако добиться значительного запаса работоспособности по напряжению, воздействующему на каскад, удается не всегда. Усилители по , состоящие из двух биполярных транзисторов (Рис. 1.23), часто выходят из строя при воздействии импульсного напряжения, даже если оно не превышает значение электрических параметров, указанных в справочной литературе.
С этим неприятным эффектом можно бороться разными способами. Одним из них — самым простым — является наличие в паре транзистора с большим (в несколько раз) запасом ресурса по напряжению коллектор-эмиттер. Относительно высокая стоимость таких «высоковольтных» транзисторов приводит к увеличению себестоимости конструкции. Можно, конечно, приобрести специальные составные кремниевые в одном корпусе, например: КТ712, КТ829, КТ834, КТ848, КТ852, КТ853, КТ894, КТ897, КТ898, КТ973 и др.
Этот список включает мощные и средней мощности приборы, разработанные практически для всего спектра радиотехнических устройств. А можно воспользоваться классической — с двумя параллельно включенными полевыми транзисторами типа КП501В — или использовать приборы КП501А…В, КП540 и другие с аналогичными электрическими характеристиками (Рис. 1.24). При этом вывод затвора подключают вместо базы VT1, а вывод истока — вместо эмиттера VT2, вывод стока — вместо объединенных коллекторов VT1, VT2.
Рис. 1.24. Замена полевыми транзисторами составного транзистора по
После такой несложной доработки, т.е. замены узлов в электрических схемах, универсального применения, тока на транзисторах VT1, VT2 не выходит из строя даже при 10-кратной и более перегрузке по напряжению. Причем ограничительного резистора в цепи затвора VT1 также увеличивается в несколько раз. Это приводит к тому, что имеют более высокое входное и, как следствие, выдерживают перегрузки при импульсном характере управления данным электронным узлом.
Коэффициент усиления по току полученного каскада не менее 50. Увеличивается прямо пропорционально увеличению напряжения питания узла.
VT1, VT2. При отсутствии дискретных транзисторов типа КП501А…В можно без потери качества работы устройства использовать микросхему 1014КТ1В. В отличие, например, от 1014КТ1А и 1014КТ1Б эта выдерживает более высокие перегрузки по приложенному напряжению импульсного характера — до 200 В постоянного напряжения. Цоколевка включения транзисторов микросхемы 1014КТ1А…1014К1В показана на Рис. 1.25.
Так же как и в предыдущем варианте (Рис. 1.24), включают параллельно.
Цоколевка полевых транзисторов в микросхеме 1014КТ1А…В
Автор опробовал десятки электронных узлов, включенных по . Такие узлы используются в радиолюбительских конструкциях в качестве токовых ключей аналогично составным транзисторам, включенным по . К перечисленным выше особенностям полевых транзисторов можно добавить их энергоэкономичность, так как в закрытом состоянии из-за высокого входного они практически не потребляют тока.
Что касается стоимости таких транзисторов, то сегодня она практически такая же, как и стоимость среднемощных транзисторов типа , (и аналогичным им), которые принято использовать в качестве усилителя тока для управления устройствами нагрузки.
Если соединить транзисторы, как показано на рис. 2.60, то полученная схема будет работать как один транзистор, причем его коэффициент β будет равен произведению коэффициентов β составляющих транзисторов. Этот прием полезен для схем, работающих с большими токами (например, для стабилизаторов напряжения или выходных каскадов усилителей мощности) или для входных каскадов усилителей, если необходимо обеспечить большой входной импеданс.
Рис. 2.60. Составной транзистор Дарлингтона.
В транзисторе Дарлингтона падение напряжения между базой и эмиттером в два раза больше обычного, а напряжение насыщения равно по крайней мере падению напряжения на диоде (так как потенциал эмиттера транзистора Т 1 должен превышать потенциал эмиттера транзистора Т 2 , на величину падения напряжения на диоде).
Кроме того, соединенные таким образом транзисторы ведут себя как один транзистор с достаточно малым быстродействием, так как транзистор T 1 не может быстро выключить транзистор Т 2 . С учетом этого свойства обычно между базой и эмиттером транзистора Т 2 включают резистор (рис. 2.61). Резистор R предотвращает смешение транзистора Т 2 в область проводимости за счет токов утечки транзисторов Т 1 и Т 2 . Сопротивление резистора выбирают так, чтобы токи утечки (измеряемые в наноамперах для малосигнальных транзисторов и в сотнях микроампер для мощных транзисторов) создавали на нем падение напряжения, не превышающее падения напряжения на диоде, и вместе с тем чтобы через него протекал ток. малый по сравнению с базовым током транзистора Т 2 . Обычно сопротивление R составляет несколько сотен ом в мощном транзисторе Дарлингтона и несколько тысяч ом в малосигнальном транзисторе Дарлингтона.
Рис. 2.61. Повышение скорости выключения в составном транзисторе Дарлингтона.
Промышленность выпускает транзисторы Дарлингтона в виде законченных модулей, включающих, как правило, и эмиттерный резистор.
Примером такой стандартной схемы служит мощный n-p-n — транзистор Дарлингтона типа 2N6282, его коэффициент усиления по току равен 4000 (типичное значение) для коллекторного тока, равного 10 А.
Соединение транзисторов по схеме Шиклаи (Sziklai). Соединение транзисторов по схеме Шиклаи представляет собой схему, подобную той. которую мы только что рассмотрели. Она также обеспечивает увеличение коэффициента β. Иногда такое соединение называют комплементарным транзистором Дарлингтона (рис. 2.62). Схема ведет себя как транзистор n-p-n — типа, обладающий большим коэффициентом β. В схеме действует одно напряжение между базой и эмиттером, а напряжение насыщения, как и в предыдущей схеме, равно по крайней мере падению напряжения на диоде. Между базой и эмиттером транзистора Т 2 рекомендуется включать резистор с небольшим сопротивлением. Разработчики применяют эту схему в мощных двухтактных выходных каскадах, когда хотят использовать выходные транзисторы только одной полярности. Пример такой схемы показан на рис.
2.63. Как и прежде, резистор представляет собой коллекторный резистор транзистора T 1 Транзистор Дарлингтона, образованный транзисторами Т 2 и Т 3 . ведет себя как один транзистор n-p-n — типа. с большим коэффициентом усиления по току. Транзисторы Т 4 и Т 5 , соединенные по схеме Шиклаи, ведут себя как мощный транзистор p-n-p — типа. с большим коэффициентом усиления. Как и прежде, резисторы R 3 и R 4 имеют небольшое сопротивление. Эту схему иногда называют двухтактным повторителем с квазидополнительной симметрией. В настоящем каскаде с дополнительной симметрией (комплементарном) транзисторы Т 4 и Т 5 , были бы соединены по схеме Дарлингтона.
Рис. 2.62. Соединение транзисторов по схеме Шиклаи («дополняющий транзистор Дарлингтона»).
Рис. 2.63. Мощный двухтактный каскад, в котором использованы выходные транзисторы только n-p-n — типа.
Транзистор со сверхбольшим значением коэффициента усиления по току. Составные транзисторы — транзистор Дарлингтона и ему подобные — не следует путать с транзисторами со сверхбольшим значением коэффициента усиления по току, в которых очень большое значение коэффициента h 21э получают в ходе технологического процесса изготовления элемента.
Примером такого элемента служит транзистор типа 2N5962. для которого гарантируется минимальный коэффициент усиления по току, равный 450, при изменении коллекторного тока в диапазоне от 10 мкА до 10 мА; этот транзистор принадлежит к серии элементов 2N5961-2N5963, которая характеризуется диапазоном максимальных напряжений U кэ от 30 до 60 В (если коллекторное напряжение должно быть больше, то следует пойти на уменьшение значения C). Промышленность выпускает согласованные пары транзисторов со сверхбольшим значением коэффициента β. Их используют в усилителях с низким уровнем сигнала, для которых транзисторы должны иметь согласованные характеристики; этому вопросу посвящен разд. 2.18 . Примерами подобных стандартных схем служат схемы типа LM394 и МАТ-01; они представляют собой транзисторные пары с большим коэффициентом усиления, в которых напряжение U бэ согласовано до долей милливольта (в самых хороших схемах обеспечивается согласование до 50 мкВ), а коэффициент h 21э — до 1%. Схема типа МАТ-03
представляет собой согласованную пару p-n-p — транзисторов.
Транзисторы со сверхбольшим значением коэффициента β можно объединять по схеме Дарлингтона. При этом базовый ток смещения можно сделать равным всего лишь 50 пкА (примерами таких схем служат операционные усилители типа LM111 и LM316.
Буквально сразу после появления полупроводниковых приборов, скажем, транзисторов, они стремительно начали вытеснять электровакуумные приборы и, в частности, триоды. В настоящее время транзисторы занимают ведущее положение в схемотехнике.
Начинающему, а порой и опытному радиолюбителю-конструктору, не сразу удаётся найти нужное схемотехническое решение или разобраться в назначении тех или иных элементов в схеме. Имея же под рукой набор «кирпичиков» с известными свойствами гораздо легче строить «здание» того или другого устройства.
Не останавливаясь подробно на параметрах транзистора (об этом достаточно написано в современной литературе, например, в ), рассмотрим лишь отдельные свойства и способы их улучшения.
Одна из первых проблем, возникающих перед разработчиком, — увеличение мощности транзистора.
Её можно решить параллельным включением транзисторов (). Токовыравнивающие резисторы в цепях эмиттеров способствуют равномерному распределению нагрузки.
Оказывается, параллельное включение транзисторов полезно не только для увеличения мощности при усилении больших сигналов, но и для уменьшения шума при усилении слабых. Уровень шумов уменьшается пропорционально корню квадратному из количества параллельно включённых транзисторов.
Защита от перегрузки по току наиболее просто решается введением дополнительного транзистора (). Недостаток такого самозащитного транзистора — снижение КПД из-за наличия датчика тока R. Возможный вариант усовершенствования показан на . Благодаря введению германиевого диода или диода Шоттки можно в несколько раз уменьшить номинал резистора R, а значит, и рассеиваемую на нём мощность.
Для защиты от обратного напряжения параллельно выводам эмиттер-коллектор обычно включают диод, как, например, в составных транзисторах типа КТ825, КТ827.
При работе транзистора в ключевом режиме, когда требуется быстрое его переключение из открытого состояния в закрытое и обратно, иногда применяют форсирующую RC-цепочку ().
В момент открывания транзистора заряд конденсатора увеличивает его базовый ток, что способствует сокращению времени включения. Напряжение на конденсаторе достигает падения напряжения на базовом резисторе, вызванного током базы. В момент закрывания транзистора конденсатор, разряжаясь, способствует рассасыванию неосновных носителей в базе, сокращая время выключения.
Повысить крутизну транзистора (отношение изменения тока коллектора (стока) к вызвавшему его изменению напряжения на базе (затворе) при постоянном Uкэ Uси)) можно с помощью схемы Дарлингтона (). Резистор в цепи базы второго транзистора (может отсутствовать) применяют для задания тока коллектора первого транзистора. Аналогичный составной транзистор с высоким входным сопротивлением (благодаря применению полевого транзистора) представлен на . Составные транзисторы, представленные на рис. и , собраны на транзисторах разной проводимости по схеме Шиклаи.
Введение в схемы Дарлингтона и Шиклаи дополнительных транзисторов, как показано на рис.
и , увеличивает входное сопротивление второго каскада по переменному току и соответственно коэффициент передачи . Применение аналогичного решения в транзисторах рис. и даёт соответственно схемы и , линеаризируя крутизну транзистора .
Широкополосный транзистор с высоким быстродействием представлен на . Повышение быстродействия достигнуто в результате уменьшения эффекта Миллера аналогично и .
«Алмазный» транзистор по патенту ФРГ представлен на . Возможные варианты его включения изображены на . Характерная особенность этого транзистора-отсутствие инверсии на коллекторе. Отсюда и увеличение вдвое нагрузочной способности схемы .
Мощный составной транзистор с напряжением насыщения около 1,5 В изображён на рис.24. Мощность транзистора может быть значительно увеличена путём замены транзистора VT3 на составной транзистор ().
Аналогичные рассуждения можно привести и для транзистора p-n-p типа, а также полевого транзистора с каналом p-типа. При использовании транзистора в качестве регулирующего элемента или в ключевом режиме возможны два варианта включения нагрузки: в цепь коллектора () или в цепь эмиттера ().![]()
Как видно из приведённых формул, наименьшее падение напряжения, а соответственно и минимальная рассеиваемая мощность — на простом транзисторе с нагрузкой в цепи коллектора. Применение составного транзистора Дарлингтона и Шиклаи с нагрузкой в цепи коллектора равнозначно. Транзистор Дарлингтона может иметь преимущество, если коллекторы транзисторов не объединять. При включении нагрузки в цепь эмиттера преимущество транзистора Шиклаи очевидно.
Литература:
1. Степаненко И. Основы теории транзисторов и транзисторных схем. — М.: Энергия, 1977.
2. Патент США 4633100: Публ. 20-133-83.
3. А.с. 810093.
4. Патент США 4730124: Публ.22-133-88. — С.47.
1. Увеличение мощности транзистора.
Резисторы в цепях эмиттеров нужны для равномерного распределения нагрузки; уровень шумов уменьшается пропорционально квадратному корню из количества параллельно включённых транзисторов.
2. Защита от перегрузки по току.
Недостаток-снижение КПД из-за наличия датчика тока R.
Другой вариант — благодаря введению германиевого диода или диода Шоттки можно в несколько раз уменьшить номинал резистора R, и на нём будет рассеиваться меньшая мощность.
3. Составной транзистор с высоким выходным сопротивлением.
Из-за каскодного включения транзисторов значительно уменьшен эффект Миллера.
Другая схема — за счёт полной развязки второго транзистора от входа и питанию стока первого транзистора напряжением, пропорциональным входному, составной транзистор имеет ещё более высокие динамические характеристики (единственное условие — второй транзистор должен иметь более высокое напряжение отсечки). Входной транзистор можно заменить на биполярный.
4. Защита транзистора от глубокого насыщения.
Предотвращение прямого смещения перехода база-коллектор с помощью диода Шоттки.
Более сложный вариант — схема Бейкера. При достижении напряжением на коллекторе транзистора напряжения
базы «лишний» базовый ток сбрасывается через коллекторный переход, предотвращая насыщение.
5. Схема ограничения насыщения относительно низковольтных ключей.
С датчиком тока базы.
С датчиком тока коллектора.
6. Уменьшение времени включения/выключения транзистора путём применения форсирующей RC цепочки.
7. Составной транзистор.
Схема дарлингтона.
Схема Шиклаи.
В интегральных схемах и дискретной электронике большое распространение получили два вида составных транзисторов: по схеме Дарлингтона и Шиклаи. В микромощных схемах, например, входные каскады операционных усилителей, составные транзисторы обеспечивают большое входное сопротивление и малые входные токи. В устройствах, работающих с большими токами (например, для стабилизаторов напряжения или выходных каскадов усилителей мощности) для повышения КПД необходимо обеспечить высокий коэффициент усиления по току мощных транзисторов.
Схема Шиклаи реализует мощный p-n-p транзистор с большим коэффициентом усиления с помощью маломощного p-n-p транзистора с малым В и мощного n-p-n транзистора (рисунок 7.
51 ). В интегральных схемах это включение реализует высокобетный p-n-p транзистор на основе горизонтальных p-n-p транзистора и вертикального n-p-n транзистора. Также эта схема применяется в мощных двухтактных выходных каскадах, когда используются выходные транзисторы одной полярности (n-p-n ).
Рисунок 7.51 — Составной p-n-p транзистор Рисунок 7.52 — Составной n-p-n по схеме Шиклаи транзистор по схеме Дарлингтона
Схема Шиклаи или комплементарный транзистор Дарлингтона ведет себя, как транзистор p-n-p типа (рисунок 7.51 ) с большим коэффициентом усиления по току,
Входное напряжение идентично одиночному транзистору. Напряжение насыщения выше, чем у одиночного транзистора на величину падения напряжения на эмиттерном переходе n-p-n транзистора.
Для кремниевых транзисторов это напряжение составляет порядка одного вольта в отличие от долей вольта одиночного транзистора. Между базой и эмиттером n-p-n транзистора (VT2) рекомендуется включать резистор с небольшим сопротивлением для подавления неуправляемого тока и повышения термоустойчивости.
Транзистор Дарлингтона реализуется на однополярных транзисторах (рисунок 7.52 ). Коэффициент усиления по току определяется произведением коэффициентов составляющих транзисторов.
Входное напряжение транзистора по схеме Дарлингтона в два раза больше, чем у одиночного транзистора. Напряжение насыщения превышает выходного транзистора. Входное сопротивление операционного усилителя при
.
Схема Дарлингтона используется в дискретных монолитных импульсных транзисторах. На одном кристалле формируются два транзистора, два шунтирующих резистора и защитный диод (рисунок 7.53 ). Резисторы R 1 и R 2 подавляют коэффициент усиления в режиме малых токов, (рисунок 7.
38 ), что обеспечивает малое значение неуправляемого тока и повышение рабочего напряжения закрытого транзистора,
Рисунок 7.53 — Электрическая схема монолитного импульсного транзистора Дарлингтона
Резистор R2 (порядка 100 Ом) формируется в виде технологического шунта, подобно шунтам катодного перехода тиристоров. С этой целью при формировании — эмиттера с помощью фотолитографии в определенных локальных областях оставляют окисную маску в виде круга. Эти локальные маски не позволяют диффундировать донорной примеси, и под ними остаются p- столбики (рисунок 7.54 ). После металлизации по всей площади эмиттера эти столбики представляют собой распределенное сопротивление R2 и защитный диод D (рисунок 7.53 ). Защитный диод предохраняет от пробоя эмиттерные переходы при переполюсовке коллекторного напряжения.
Входная мощность потребления транзистора по схеме Дарлингтона на полтора два порядка ниже, чем у одиночного транзистора. Максимальная частота переключений зависит от предельного напряжения и тока коллектора. Транзисторы на токи успешно работают в импульсных преобразователях до частот порядка 100 кГц. Отличительной особенностью монолитного транзистора Дарлингтона является квадратичная передаточная характеристика, так как В- амперная характеристика линейно возрастает с ростом тока коллектора до максимального значения,
Составной транзистор Дарлингтона компонуется из пары стандартны транзисторов, объединённых кристаллом и общим защитным покрытием. Обычно на чертежах для отметки положения подобного транзистора не применяют никаких специальных символов, только тот, которым отмечают транзисторы стандартного типа.
К эмиттерной цепи одного из элементов присоединён нагрузочный резистор. Выводы транзистора Дарлингтона аналогичны биполярному полупроводниковому триоду:
- база;
- эмиттер;
- коллектор.

Помимо общепринятого варианта составного транзистора существует несколько его разновидностей.
Пара Шиклаи и каскодная схема
Другое название составного полупроводникового триода – пара Дарлингтона. Кроме неё существует также пара Шиклаи. Это сходная комбинация диады основных элементов, которая отличается тем, что включает в себя разнотипные транзисторы.
Что до каскодной схемы, то это также вариант составного транзистора, в котором один полупроводниковый триод включается по схеме с ОЭ, а другой по схеме с ОБ. Такое устройство аналогично простому транзистору, который включён в схему с ОЭ, но обладающему более хорошими показателями по частоте, высоким входным сопротивлением и большим линейным диапазоном с меньшими искажениями транслируемого сигнала.
Достоинства и недостатки составных транзисторов
Мощность и сложность транзистора Дарлингтона может регулироваться через увеличение количества включённых в него биполярных транзисторов. Существует также , который включает в себя биполярный и , используется в сфере высоковольтной электроники.
Главным достоинством составных транзисторов считается их способность давать большой коэффициент усиления по току. Дело в том, что, если коэффициент усиления у каждого из двух транзисторов будет по 60, то при их совместной работе в составном транзисторе общий коэффициент усиления будет равен произведению коэффициентов входящих в его состав транзисторов (в данном случае — 3600). Как результат — для открытия транзистора Дарлингтона потребуется довольно небольшой ток базы.
Недостатком составного транзистора считается их низкая скорость работы, что делает их пригодными для использования только в схемах работающих на низких частотах. Зачастую составные транзисторы фигурируют как компонент выходных каскадов мощных низкочастотных усилителей.
Особенности работы устройства
У составных транзисторов постепенное уменьшение напряжения вдоль проводника на переходе база-эмиттер вдвое превышает стандартное. Уровень уменьшения напряжения на открытом транзисторе примерно равен тому падению напряжения, которое имеет диод.
По данному показателю составной транзистор сходен с понижающим трансформатором. Но относительно характеристик трансформатора транзистор Дарлингтона обладает гораздо большим усилением по мощности. Подобные транзисторы могут обслуживать работу переключателей частотой до 25 Гц.
Система промышленного выпуска составных транзисторов налажена таким образом, что модуль полностью укомплектован и оснащён эмиттерным резистором.
Как проверить транзистор Дарлингтона
Самый простой способ проверки составного транзистора заключается в следующем:
- Эмиттер подсоединяется к «минусу» источника питания;
- Коллектор подсоединяется к одному из выводов лампочки, второй её вывод перенаправляется на «плюс» источника питания;
- Посредством резистора к базе передаётся плюсовое напряжение, лампочка светится;
- Посредством резистора к базе передаётся минусовое напряжение, лампочка не светится.
Если всё получилось так, как описано, то транзистор исправен.
Пишите комментарии, дополнения к статье, может я что-то пропустил. Загляните на , буду рад если вы найдете на моем еще что-нибудь полезное.
Схема дарлингтона на полевых транзисторах. Составной транзистор (схема Дарлингтона). Примеры применения составного транзистора
Если соединить транзисторы, как показано на рис. 2.60, то полученная схема будет работать как один транзистор, причем его коэффициент β будет равен произведению коэффициентов β составляющих транзисторов.
Рис. 2.60. Составной транзистор Дарлингтона .
Этот прием полезен для схем, работающих с большими токами (например, для стабилизаторов напряжения или выходных каскадов усилителей мощности) или для входных каскадов усилителей, если необходимо обеспечить большой входной импеданс.
В транзисторе Дарлингтона падение напряжения между базой и эмиттером в два раза больше обычного, а напряжение насыщения равно по крайней мере падению напряжения на диоде (так как потенциал эмиттера транзистора Т 1 должен превышать потенциал эмиттера транзистора Т 2 на величину падения напряжения на диоде). Кроме того, соединенные таким образом транзисторы ведут себя как один транзистор с достаточно малым быстродействием, так как транзистор Т 1 не может быстро выключить транзистор Т 2 . С учетом этого свойства обычно между базой и эмиттером транзистора Т 2 включают резистор (рис. 2.61).
Рис. 2.61. Повышение скорости выключения в составном транзисторе Дарлингтона.
Резистор R предотвращает смещение транзистора Т 2 в область проводимости за счет токов утечки транзисторов Т 1 и Т 2 . Сопротивление резистора выбирают так, чтобы токи утечки (измеряемые в наноамперах для малосигнальных транзисторов и в сотнях микроампер для мощных транзисторов) создавали на нем падение напряжения, не превышающее падения напряжения на диоде, и вместе с тем чтобы через него протекал ток, малый по сравнению с базовым током транзистора Т 2 . Обычно сопротивление R составляет несколько сотен ом в мощном транзисторе Дарлингтона и несколько тысяч ом в малосигнальном транзисторе Дарлингтона.
Промышленность выпускает транзисторы Дарлингтона в виде законченных модулей, включающих, как правило, и эмиттерный резистор. Примером такой стандартной схемы служит мощный n‑р‑n ‑транзистор Дарлингтона типа 2N6282, его коэффициент усиления по току равен 4000 (типичное значение) для коллекторного тока, равного 10 А.
Соединение транзисторов по схеме Шиклаи (Sziklai ). Соединение транзисторов по схеме Шиклаи представляет собой схему, подобную той, которую мы только что рассмотрели. Она также обеспечивает увеличение коэффициента β . Иногда такое соединение называют комплементарным транзистором Дарлингтона (рис. 2.62).
Рис. 2.62 . Соединение транзисторов по схеме Шиклаи («дополняющий транзистор Дарлингтона»).
Схема ведет себя как транзистор n‑р‑n ‑типа, обладающий большим коэффициентом β . В схеме действует одно напряжение между базой и эмиттером, а напряжение насыщения, как и в предыдущей схеме, равно по крайней мере падению напряжения на диоде. Между базой и эмиттером транзистора Т 2 рекомендуется включать резистор с небольшим сопротивлением. Разработчики применяют эту схему в мощных двухтактных выходных каскадах, когда хотят использовать выходные транзисторы только одной полярности. Пример такой схемы показан на рис. 2.63.
Рис. 2.63. Мощный двухтактный каскад, в котором использованы выходные транзисторы только n‑р‑n ‑типа.
Как и прежде, резистор представляет собой коллекторный резистор транзистора Τ 1 . Транзистор Дарлингтона, образованный транзисторами Т 2 и Т 3 , ведет себя как один транзистор n‑р‑n ‑типа, с большим коэффициентом усиления по току. Транзисторы Т 4 и Т 5 , соединенные по схеме Шиклаи, ведут себя как мощный транзистор p‑n‑p ‑типа с большим коэффициентом усиления. Как и прежде, резисторы R 3 и R 4 имеют небольшое сопротивление. Эту схему иногда называют двухтактным повторителем с квазидополнительной симметрией. В настоящем каскаде с дополнительной симметрией (комплементарном) транзисторы Т 4 и Т 5 были бы соединены по схеме Дарлингтона.
Транзистор со сверхбольшим значением коэффициента усиления по току. Составные транзисторы – транзистор Дарлингтона и ему подобные – не следует путать с транзисторами со сверхбольшим значением коэффициента усиления по току, в которых очень большое значение коэффициента h 21Э получают в ходе технологического процесса изготовления элемента. Примером такого элемента служит транзистор типа 2N5962, для которого гарантируется минимальный коэффициент усиления по току, равный 450, при изменении коллекторного тока в диапазоне от 10 мкА до 10 мА; этот транзистор принадлежит к серии элементов 2N5961‑2N5963, которая характеризуется диапазоном максимальных напряжений U КЭ от 30 до 60 В (если коллекторное напряжение должно быть больше, то следует пойти на уменьшение значения β ). Промышленность выпускает согласованные пары транзисторов со сверхбольшим значением коэффициента β . Их используют в усилителях с низким уровнем сигнала, для которых транзисторы должны иметь согласованные характеристики; этому вопросу посвященразд. 2.18 . Примерами подобных стандартных схем служат схемы типа LM394 и МАТ‑01; они представляют собой транзисторные пары с большим коэффициентом усиления, в которых напряжение U БЭ согласовано до долей милливольта (в самых хороших схемах обеспечивается согласование до 50 мкВ), а коэффициент h 21Э – до 1 %. Схема типа МАТ‑03 представляет собой согласованную пару p‑n‑p ‑транзисторов.
Транзисторы со сверхбольшим значением коэффициента β можно объединять по схеме Дарлингтона. При этом базовый ток смещения можно сделать равным всего лишь 50 пкА (примерами таких схем служат операционные усилители типа LM111 и LM316.
Следящая связь
При задании напряжения смещения, например в эмиттерном повторителе, резисторы делителя в цепи базы выбирают так, чтобы делитель по отношению к базе выступал в качестве жесткого источника напряжения, т. е. чтобы сопротивление параллельно включенных резисторов было значительно меньше, чем входное сопротивление схемы со стороны базы. В связи с этим входное сопротивление всей схемы определяется делителем напряжения – для сигнала, поступающего на ее вход, входное сопротивление оказывается гораздо меньше, чем это действительно необходимо. На рис. 2.64 показан соответствующий пример.
Рис. 2.64.
Полное входное сопротивление схемы равно приблизительно 9 кОм, а сопротивление делителя напряжения для входного сигнала равно 10 кОм. Желательно, чтобы входное сопротивление всегда было большим, и уж во всяком случае неразумно нагружать источник входного сигнала схемы делителем, который в конечном счете нужен только для того, чтобы обеспечить смещение транзистора. Выйти из затруднения позволяет метод следящей связи (рис. 2.65).
Рис. 2.65. Повышение входного импеданса эмиттерного повторителя на частотах сигнала за счет включения в цепь следящей связи делителя, обеспечивающего смещение базы.
Смещение транзистора обеспечивают резисторы R 1 , R 2 , R 3 . Конденсатор С 2 выбирают таким, чтобы его полное сопротивление на частотах сигнала было мало по сравнению с сопротивлением резисторов смещения. Как всегда смещение будет стабильным, если сопротивление его источника по постоянному току, приведенное в базе (в данном случае 9,7 кОм), значительно меньше сопротивления по постоянному току со стороны базы (в данном случае ~ 100 кОм). Но здесь входное сопротивление для частот сигнала не равно сопротивлению по постоянному току.
Рассмотрим путь прохождения сигнала: входной сигнал U вх порождает сигнал на эмиттере u Э ~= u вх , поэтому приращение тока, протекающего через резистор смещения R 3 , составит i = (u вх – u Э )/R 3 ~= 0, т. е. Z вх = u вх /i вх ) ~=
Мы получили, что входное (шунтирующее) сопротивление схемы смещения очень велико для частот сигнала .
Другой подход к анализу схемы основан на том, что падение напряжения на резисторе R 3 для всех частот сигнала одинаково (так как напряжение между его выводами изменяется одинаково), т. е. он представляет собой источник тока. Но сопротивление источника тока бесконечно. На самом деле фактическое значение сопротивления не бесконечно, так как коэффициент усиления повторителя немного меньше 1. Последнее вызывается тем, что падение напряжения между базой и эмиттером зависит от коллекторного тока, который изменяется при изменении уровня сигнала. Тот же результат можно получить, если рассмотреть делитель, образованный выходным сопротивлением со стороны эмиттера [r Э = 25/I К (мА) Ом] и эмиттерным резистором. Если коэффициент усиления повторителя по напряжению обозначить А (А ~= 1), то действующее значение сопротивления R 3 на частотах сигнала равно R 3 /(1 – А ). На практике действующее значение сопротивления R 3 больше его номинала приблизительно в 100 раз, и во входном сопротивлении преобладает входное сопротивление транзистора со стороны базы. В инвертирующем усилителе с общим эмиттером может быть выполнена аналогичная следящая связь, так как сигнал на эмиттере повторяет сигнал на базе. Обратите внимание, что схема делителя напряжения смещения запитывается по переменному току (на частотах сигнала) с низкоомного эмиттерного выхода, поэтому входному сигналу не приходится этим заниматься.
Следящая связь в коллекторной нагрузке. Принцип следящей связи можно использовать для увеличения действующего(эффективного) сопротивления коллекторного нагрузочного резистора, если каскад нагружен на повторитель. При этом существенно увеличится коэффициент усиления каскада по напряжению [напомним, что K U = – g m R K , а g m = 1/(R 3 + r Э )]·
На рис. 2.66 показан пример двухтактного выходного каскада со следящей связью, построенной подобно рассмотренной выше схеме двухтактного повторителя.
Рис. 2.66. Следящая связь в коллекторной нагрузке усилителя мощности, представляющего собой нагружающий каскад.
Так как выход повторяет сигнал на базе транзистора Т 2 , конденсатор С создает следящую связь в коллекторную нагрузку транзистора Т 1 и поддерживает постоянное падение напряжения на резисторе R 2 при наличии сигнала (импеданс конденсатора С должен быть малым по сравнению с R 1 и R 2 во всей полосе частот сигнала). Благодаря этому резистор R 2 становится подобен источнику тока, увеличивается коэффициент усиления транзистора Т 1 по напряжению и поддерживается достаточное напряжение на базе транзистора Т 2 даже при пиковых значениях сигнала. Когда сигнал становится близким к напряжению питания U КК потенциал в точке соединения резисторов R 1 и R 2 становится больше, чем U КК , благодаря заряду, накопленному конденсатором С . При этом если R 1 = R 2 (неплохой вариант выбора резисторов), то потенциал в точке их соединения превысит U КК в 1,5 раза в тот момент, когда выходной сигнал станет равен U КК . Эта схема завоевала большую популярность при разработке бытовых усилителей низкой частоты, хотя простой источник тока обладает преимуществами перед схемой со следящей связью, так как отпадает необходимость в использовании нежелательного элемента – электролитического конденсатора ‑ и обеспечиваются лучшие характеристики на низких частотах.
Составной транзистор (транзистор Дарлингтона) — объединение двух или более биполярных транзисторов с целью увеличения коэффициента усиления по току. Такой транзистор используется в схемах, работающих с большими токами (например, в схемах стабилизаторов напряжения, выходных каскадов усилителей мощности) и во входных каскадах усилителей, если необходимо обеспечить большой входной импеданс.
Условное обозначение составного транзистора
Составной транзистор имеет три вывода (база, эмиттер и коллектор), которые эквивалентны выводам обычного одиночного транзистора. Коэффициент усиления по току типичного составного транзистора (иногда ошибочно называемого «супербета»), у мощных транзисторов ≈ 1000 и у маломощных транзисторов ≈ 50000. Это означает, что небольшого тока базы достаточно для того, чтобы составной транзистор открылся.
В отличие от биполярных, полевые транзисторы не используются в составном включении. Объединять полевые транзисторы нет необходимости, так как они и без того обладают чрезвычайно малым входным током. Однако существуют схемы (например, биполярный транзистор с изолированным затвором), где совместно применяются полевые и биполярные транзисторы. В некотором смысле, такие схемы также можно считать составными транзисторами. Так же для составного транзистора достигнуть повышения значения коэффициента усиления можно, уменьшив толщину базы, но это представляет определенные технологические трудности.
Примером супербета (супер-β) транзисторов может служить серия КТ3102, КТ3107. Однако их также можно объединять по схеме Дарлингтона. При этом базовый ток смещения можно сделать равным всего лишь 50 пкА (примерами таких схем служат операционные усилители типа LM111 и LM316).
Фото типичного усилителя на составных транзисторах
Схема Дарлингтона
Один из видов такого транзистора изобрёл инженер-электрик Сидни Дарлингтон (Sidney Darlington).
Принципиальная схема составного транзистора
Составной транзистор является каскадным соединением нескольких транзисторов, включенных таким образом, что нагрузкой в эмиттере предыдущего каскада является переход база-эмиттер транзистора следующего каскада, то есть транзисторы соединяются коллекторами, а эмиттер входного транзистора соединяется с базой выходного. Кроме того, в составе схемы для ускорения закрывания может использоваться резистивная нагрузка первого транзистора. Такое соединение в целом рассматривают как один транзистор, коэффициент усиления по току которого при работе транзисторов в активном режиме приблизительно равен произведению коэффициентов усиления первого и второго транзисторов:
β с = β 1 ∙ β 2
Покажем, что составной транзистор действительно имеет коэффициент β , значительно больший, чем у его обоих компонентов. Задавая приращение d l б = d l б1 , получаем:
d l э1 = (1 + β 1) ∙ d l б = d l б2
d l к = d l к1 + d l к2 = β 1 ∙ d l б + β 2 ∙ ((1 + β 1) ∙ d l б )
Деля d l к на dl б , находим результирующий дифференциальный коэффициент передачи:
β Σ = β 1 + β 2 + β 1 ∙ β 2
Поскольку всегда β >1 , можно считать:
β Σ = β 1 ∙ β 1
Следует подчеркнуть, что коэффициенты β 1 и β 1 могут различаться даже в случае однотипных транзисторов, поскольку ток эмиттера I э2 в 1 + β 2 раз больше тока эмиттера I э1 (это вытекает из очевидного равенства I б2 = I э1 ).
Схема Шиклаи
Паре Дарлингтона подобно соединение транзисторов по схеме Шиклаи, названное так в честь его изобретателя Джорджа Шиклаи, также иногда называемое комплементарным транзистором Дарлингтона. В отличие от схемы Дарлингтона, состоящей из двух транзисторов одного типа проводимости, схема Шиклаи содержит транзисторы разной полярности (p – n – p и n – p – n ). Пара Шиклаи ведет себя как n – p – n -транзистор c большим коэффициентом усиления. Входное напряжение — это напряжение между базой и эмиттером транзистора Q1, а напряжение насыщения равно, по крайней мере, падению напряжения на диоде. Между базой и эмиттером транзистора Q2 рекомендуется включать резистор с небольшим сопротивлением. Такая схема применяется в мощных двухтактных выходных каскадах при использовании выходных транзисторов одной полярности.
Каскад Шиклаи, подобный транзистору с n – p – n переходом
Каскодная схема
Составной транзистор, выполненный по так называемой каскодной схеме, характеризуется тем, что транзистор VT1 включен по схеме с общим эмиттером, а транзистор VT2 — по схеме с общей базой. Такой составной транзистор эквивалентен одиночному транзистору, включенному по схеме с общим эмиттером, но при этом он имеет гораздо лучшие частотные свойства и большую неискаженную мощность в нагрузке, а также позволяет значительно уменьшить эффект Миллера (увеличение эквивалентной ёмкости инвертирующего усилительного элемента, обусловленное обратной связью с выхода на вход данного элемента при его выключении).
Достоинства и недостатки составных транзисторов
Высокие значения коэффициента усиления в составных транзисторах реализуются только в статическом режиме, поэтому составные транзисторы нашли широкое применение во входных каскадах операционных усилителей. В схемах на высоких частотах составные транзисторы уже не имеют таких преимуществ — граничная частота усиления по току и быстродействие составных транзисторов меньше, чем эти же параметры для каждого из транзисторов VT1 и VT2.
Достоинства:
а) Высокий коэффициент усиления по току.
б) Cхема Дарлингтона изготавливается в виде интегральных схем и при одинаковом токе рабочая поверхность кремния меньше, чем у биполярных транзисторов. Данные схемы представляют большой интерес при высоких напряжениях.
Недостатки:
а) Низкое быстродействие, особенно перехода из открытого состояния в закрытое. По этой причине составные транзисторы используются преимущественно в низкочастотных ключевых и усилительных схемах, на высоких частотах их параметры хуже, чем у одиночного транзистора.
б) Прямое падение напряжения на переходе база-эмиттер в схеме Дарлингтона почти в два раза больше, чем в обычном транзисторе, и составляет для кремниевых транзисторов около 1,2 — 1,4 В (не может быть меньше, чем удвоенное падение напряжения на p-n переходе).
в) Большое напряжение насыщения коллектор-эмиттер, для кремниевого транзистора около 0,9 В (по сравнению с 0,2 В у обычных транзисторов) для маломощных транзисторов и около 2 В для транзисторов большой мощности (не может быть меньше чем падение напряжения на p-n переходе плюс падение напряжения на насыщенном входном транзисторе).
Применение нагрузочного резистора R1 позволяет улучшить некоторые характеристики составного транзистора. Величина резистора выбирается с таким расчётом, чтобы ток коллектор-эмиттер транзистора VT1 в закрытом состоянии создавал на резисторе падение напряжения, недостаточное для открытия транзистора VT2. Таким образом, ток утечки транзистора VT1 не усиливается транзистором VT2, тем самым уменьшается общий ток коллектор-эмиттер составного транзистора в закрытом состоянии. Кроме того, применение резистора R1 способствует увеличению быстродействия составного транзистора за счёт форсирования закрытия транзистора VT2. Обычно сопротивление R1 составляет сотни Ом в мощном транзисторе Дарлингтона и несколько кОм в малосигнальном транзисторе Дарлингтона. Примером схемы с эмиттерным резистором служит мощный n-p-n — транзистор Дарлингтона типа кт825, его коэффициент усиления по току равен 10000 (типичное значение) для коллекторного тока, равного 10 А.
Дарлингтона), часто являются составным элементов радиолюбительских конструкций. Как известно, при таком включении коэффициент усиления по току, как правило, увеличивается в десятки раз. Однако добиться значительного запаса работоспособности по напряжению, воздействующему на каскад, удается не всегда. Усилители по , состоящие из двух биполярных транзисторов (Рис. 1.23), часто выходят из строя при воздействии импульсного напряжения, даже если оно не превышает значение электрических параметров, указанных в справочной литературе.
С этим неприятным эффектом можно бороться разными способами. Одним из них — самым простым — является наличие в паре транзистора с большим (в несколько раз) запасом ресурса по напряжению коллектор-эмиттер. Относительно высокая стоимость таких «высоковольтных» транзисторов приводит к увеличению себестоимости конструкции. Можно, конечно, приобрести специальные составные кремниевые в одном корпусе, например: КТ712, КТ829, КТ834, КТ848, КТ852, КТ853, КТ894, КТ897, КТ898, КТ973 и др. Этот список включает мощные и средней мощности приборы, разработанные практически для всего спектра радиотехнических устройств. А можно воспользоваться классической — с двумя параллельно включенными полевыми транзисторами типа КП501В — или использовать приборы КП501А…В, КП540 и другие с аналогичными электрическими характеристиками (Рис. 1.24). При этом вывод затвора подключают вместо базы VT1, а вывод истока — вместо эмиттера VT2, вывод стока — вместо объединенных коллекторов VT1, VT2.
Рис. 1.24. Замена полевыми транзисторами составного транзистора по
После такой несложной доработки, т.е. замены узлов в электрических схемах, универсального применения, тока на транзисторах VT1, VT2 не выходит из строя даже при 10-кратной и более перегрузке по напряжению. Причем ограничительного резистора в цепи затвора VT1 также увеличивается в несколько раз. Это приводит к тому, что имеют более высокое входное и, как следствие, выдерживают перегрузки при импульсном характере управления данным электронным узлом.
Коэффициент усиления по току полученного каскада не менее 50. Увеличивается прямо пропорционально увеличению напряжения питания узла.
VT1, VT2. При отсутствии дискретных транзисторов типа КП501А…В можно без потери качества работы устройства использовать микросхему 1014КТ1В. В отличие, например, от 1014КТ1А и 1014КТ1Б эта выдерживает более высокие перегрузки по приложенному напряжению импульсного характера — до 200 В постоянного напряжения. Цоколевка включения транзисторов микросхемы 1014КТ1А…1014К1В показана на Рис. 1.25.
Так же как и в предыдущем варианте (Рис. 1.24), включают параллельно.
Цоколевка полевых транзисторов в микросхеме 1014КТ1А…В
Автор опробовал десятки электронных узлов, включенных по . Такие узлы используются в радиолюбительских конструкциях в качестве токовых ключей аналогично составным транзисторам, включенным по . К перечисленным выше особенностям полевых транзисторов можно добавить их энергоэкономичность, так как в закрытом состоянии из-за высокого входного они практически не потребляют тока. Что касается стоимости таких транзисторов, то сегодня она практически такая же, как и стоимость среднемощных транзисторов типа , (и аналогичным им), которые принято использовать в качестве усилителя тока для управления устройствами нагрузки.
Если взять, например, транзистор MJE3055T у него максимальный ток 10А, а коэффициент усиления всего около 50, соответственно, чтобы он открылся полностью, ему надо вкачать в базу ток около двухста миллиампер. Обычный вывод МК столько не потянет, а если влючить между ними транзистор послабже (какой-нибудь BC337), способный протащить эти 200мА, то запросто. Но это так, чтобы знал. Вдруг придется городить управление из подручного хлама — пригодится.
На практике обычно используются готовые транзисторные сборки . Внешне от обычного транзистора ничем не отличается. Такой же корпус, такие же три ножки. Вот только мощи в нем больно дофига, а управляющий ток микроскопический:) В прайсах обычно не заморачиваются и пишут просто — транзистор Дарлигнтона или составной транзистор.
Например пара BDW93C (NPN) и BDW94С (PNP) Вот их внутренняя структура из даташита.
Мало того, существуют сборки дарлингтонов . Когда в один корпус упаковывают сразу несколько. Незаменимая вещь когда надо рулить каким-нибудь мощным светодиодным таблом или шаговым двигателем (). Отличный пример такой сборки — очень популярная и легко доступная ULN2003 , способная протащить до 500 мА на каждый из своих семи сборок. Выходы можно включать в параллель , чтобы повысить предельный ток. Итого, одна ULN может протащить через себя аж 3.5А, если запараллелить все ее входы и выходы. Что мне в ней радует — выход напротив входа, очень удобно под нее плату разводить. Напрямик.
В даташите указана внутренняя структура этой микросхемы. Как видишь, тут также есть защитные диоды. Несмотря на то, что нарисованы как будто бы операционные усилители, здесь выход типа открытый коллектор. То есть он умеет замыкать только на землю. Что становится ясно из того же даташита если поглядеть на структуру одного вентиля.
При проектировании радиоэлектронных схем часто бывают ситуации, когда желательно иметь транзисторы с параметрами лучше тех, которые предлагают производители радиоэлементов. В некоторых случаях нам может потребоваться больший коэффициент усиления по току h 21 , в других большее значение входного сопротивления h 11 , а в третьих более низкое значение выходной проводимости h 22 . Для решения перечисленных проблем отлично подходит вариант использования электронного компонента о котором мы поговорим ниже.
Устройство составного транзистора и обозначение на схемах |
Приведенная чуть ниже схема эквивалентна одиночному n-p-n полупроводнику. В данной схеме ток эмиттера VT1 является током базы VT2. Коллекторный ток составного транзистора определяется в основном током VT2.
Это два отдельных биполярных транзистора на выполненные на одном кристалле и в одном корпусе. Там же и размещается нагрузочный резистор в цепи эмиттера первого биполярного транзистора. У транзистора Дарлингтона те же выводы, что и у стандартного биполярного транзистора – база, коллектор и эмиттер.
Как видим из рисунка выше, стандартный составной транзистор это комбинация из нескольких транзисторов. В зависимости от уровня сложности и рассеиваемой мощности в составе транзистора Дарлингтона может быть и более двух.
Основное плюсом составного транзистора является значительно больший коэффициент усиления по току h 21 , который можно приблизительно вычислить по формуле как произведение параметров h 21 входящих в схему транзисторов.
h 21 =h 21vt1 × h31vt2 (1)
Так если коэффициент усиления первого равен 120, а второго 60 то общий коэффициент усиления схемы Дарлингтона равен произведению этих величин — 7200.
Но учитывайте, что параметр h31 достаточно сильно зависит от коллекторного тока. В случае когда базовый ток транзистора VT2 достаточно низок, коллекторного VT1 может не хватить для обеспечения нужного значения коэффициента усиления по току h 21 . Тогда увеличением h31 и, соответственно, снижением тока базы составного транзистора можно добиться роста тока коллектора VT1. Для этого между эмиттером и базой VT2 включают дополнительное сопротивление, как показано на схеме ниже.
Вычислим элементы для схемы Дарлингтона, собранной, например на биполярных транзисторах BC846A, ток VT2 равен 1 мА. Тогда его ток базы определим из выражения:
i kvt1 =i бvt2 =i kvt2 / h 21vt2 = 1×10 -3 A / 200 =5×10 -6 A
При таком малом токе в 5 мкА коэффициент h 21 резко снижается и общий коэффициент может оказаться на порядок меньше расчетного. Увеличив ток коллектора первого транзистора при помощи добавочного резистора можно значительно выиграть в значении общего параметра h 21 . Так как напряжение на базе является константой (для типового кремниевого трех выводного полупроводника u бэ = 0,7 В), то сопротивление можно рассчитать по :
R = u бэvt2 / i эvt1 — i бvt2 = 0.7 Вольта / 0.1 mA — 0.005mA = 7кОм
При этом мы можем рассчитывать на коэффициент усиления по току до 40000. Именно по такой схеме построены многие супербетта транзисторы.
Добавив дегтя упомяну, что данная схема Дарлингтона обладает таким существенным недочетом, как повышенное напряжение U кэ. Если в обычных транзисторах напряжение составляет 0,2 В, то в составном транзисторе оно возрастает до уровня 0,9 В. Это связано с необходимостью открывать VT1, а для этого на его базу необходимо подать напряжение уровнем до 0,7 В (если при изготовлении полупроводника использовался кремний).
В результате чтоб исключить упомянутый недостаток, в классическую схему внесли незначительные изменения и получили комплементарный транзистор Дарлингтона. Такой составной транзистор составлен из биполярных приборов, но уже разной проводимости: p-n-p и n-p-n.
Российские, да и многие зарубежные радиолюбители такое соединение называют схемой Шиклаи, хотя эта схема называлась парадоксной парой.
Типичными минусом составных транзисторов, ограничивающими их применение является невысокое быстродействие, поэтому они нашли широкое использование только в низкочастотных схемах. Они прекрасно работают в выходных каскадах мощных УНЧ, в схемах управления двигателями и устройствами автоматики, в схемах зажигания автомобилей.
На принципиальных схемах составной транзистор обозначается как обычный биполярный. Хотя, редко, но используется такое условно графическое изображение составного транзистора на схеме.
Одной из самых распространенных считается интегральная сборка L293D — это четыре токовых усилителя в одном корпусе. Кроме того микросборку L293 можно определить как четыре транзисторных электронных ключа.
Выходной каскад микросхемы состоит из комбинации схем Дарлингтона и Шиклаи.
Кроме того уважение у радиолюбителей получили и специализированные микросборки на основе схемы Дарлингтона. Например . Эта интегральная схема по своей сути является матрицей из семи транзисторов Дарлингтона. Такие универсальные сборки отлично украшают радиолюбительские схемы и делают их более функциональными.
Микросхема является семи канальным коммутатор мощных нагрузок на базе составных транзисторов Дарлингтона с открытым коллектором. Коммутаторы содержат защитные диоды, что позволяет коммутировать индуктивные нагрузки, например обмотку реле. Коммутатор ULN2004 необходим при сопряжения мощных нагрузок с микросхемами КМОП-логики.
Зарядный ток через батарею в зависимости от напряжения на ней (прикладываемого к Б-Э переходу VT1), регулируется транзистором VT1, коллекторным напряжением которого управляется индикатор заряда на светодиоде (по мере зарядки ток заряда уменьшается и светодиод постепенно гаснет) и мощный составной транзистор, содержащий VT2, VT3, VT4.
Сигнал требующий усиления через предварительный УНЧ подается на предварительный дифферециальный усилительный каскад построенный на составных VT1 и VT2. Использование дифференциальной схемы в усилительном каскаде, снижает шумовые эффекты и обеспечивает работу отрицательной обратной связи. Напряжение ОС поступает на базу транзистора VT2 с выхода усилителя мощности. ОС по постоянному току реализуется через резистор R6.
В момент включения генератора конденсатор С1 начинает заряжаться, затем открывается стабилитрон и сработает реле К1. Конденсатор начинает разряжаться через резистор и составной транзистор. Через небольшой промежуток времени реле выключается и начинается новый цикл работы генератора.
КП903В = CP664, CP665, CP666 Транзистор кремниевый СССР Лот 2 шт.
Номер позиции eBay:
141015242968
Продавец принимает на себя всю ответственность за это объявление.
Описание товара
| Состояние: | Новые прочие (см. Подробнее) : Товар в отличном, новом состоянии, без износа.Товар может отсутствовать в оригинальной упаковке или защитной упаковке, или может быть в оригинальной упаковке, но не запечатан. Изделие может включать оригинальные аксессуары. Изделие может быть заводским вторым (т. Е. Имеет небольшой дефект, который не влияет на работу изделия, например, царапина или вмятина). См. Список продавца для получения полной информации и описания. Просмотреть все определения условий — открывается в новом окне или на вкладке |
|---|---|
| Примечания продавца: | «Новый, никогда не использованный / NOS / New Old Stock» |
| MPN: | Не применяется | Торговая марка: | СССР |
Продавец принимает на себя всю ответственность за это объявление.
Почтовая оплата и упаковка
Стоимость пересылки не может быть рассчитана. Пожалуйста, введите действительный почтовый индекс.
Местонахождение товара: г. Томск, Томская область, Российская Федерация
Почтовые отправления:
по всему мируИсключено: Российская Федерация
| Изменить страну:
-Выберите-AfghanistanAlbaniaAlgeriaAmerican SamoaAndorraAngolaAnguillaAntigua и BarbudaArgentinaArmeniaArubaAustraliaAustriaAzerbaijan RepublicBahamasBahrainBangladeshBarbadosBelarusBelgiumBelizeBeninBermudaBhutanBoliviaBosnia и HerzegovinaBotswanaBrazilBritish Virgin IslandsBrunei DarussalamBulgariaBurkina FasoBurundiCambodiaCameroonCanadaCape Verde IslandsCayman IslandsCentral African RepublicChadChileChinaColombiaComorosCongo, Демократическая Республика theCongo, Республика theCook IslandsCosta RicaCôte-д’Ивуар (Берег Слоновой Кости) Хорватия, Республика ofCyprusCzech RepublicDenmarkDjiboutiDominicaDominican RepublicEcuadorEgyptEl SalvadorEquatorial GuineaEritreaEstoniaEthiopiaFalkland острова (Мальвинские) Фиджи Корея, SouthKuwaitKyrgyzstanLaosLatviaLebanonLesothoLiberiaLibyaLiechtensteinLithuaniaLuxembourgMacauMacedoniaMadagascarMalawiMalaysiaMaldivesMaliMaltaMarshall IslandsMartiniqueMauritaniaMauritiusMayotteMexicoMicronesiaMoldovaMonacoMongoliaMontenegroMontserratMoroccoMozambiqueNamibiaNauruNepalNetherlandsNetherlands AntillesNew CaledoniaNew ZealandNicaraguaNigerNigeriaNiueNorwayOmanPakistanPalauPanamaPapua Новый GuineaParaguayPeruPhilippinesPolandPortugalPuerto RicoQatarReunionRomaniaRwandaSaint HelenaSaint Киттс-NevisSaint LuciaSaint Пьер и MiquelonSaint Винсент и GrenadinesSan MarinoSaudi ArabiaSenegalSerbiaSeychellesSierra LeoneSingaporeSlovakiaSloveniaSolomon IslandsSomaliaSouth AfricaSpainSri LankaSurinameSwazilandSwedenSwitzerlandTaiwanTajikistanTanzaniaThailandTogoTongaTrinidad и TobagoTunisiaTurkeyTurkmenistanTurks и Кайкос IslandsTuvaluUgandaUkraineUnited Arab EmiratesUnited KingdomUnited StatesUruguayUzbekistanVanuatuVatican Город StateVenezuelaVietnamVirgin острова (У.S.) Уоллис и Футуна Западная Сахара Западное Самоа Йемен Замбия Зимбабве Доступно 10 ед. Введите число, меньшее или равное 10. Выберите допустимую страну. | Почтовый индекс: Пожалуйста, введите действительный почтовый индекс. Пожалуйста, введите до 7 символов в почтовый индекс |
Этот товар не отправляется в Российскую Федерацию
Время отправки внутри страны |
|---|
Обычно отправка осуществляется в течение 1 рабочего дня после получения оплаты. |
Политика возврата
После получения товара отмените покупку в течение | Возврат будет произведен как |
|---|---|
30 дней | Возврат денег |
Покупатель несет ответственность за возврат почтовых расходов.
Компонентные транзисторы пары Дарлингтона. Составной транзистор (схема Дарлингтона и Шиклая). Транзисторная защита глубокого насыщения
Дарлингтон), часто являются составными элементами любительских построек. Как известно, при таком включении коэффициент усиления по току, как правило, увеличивается в десять раз. Однако не всегда удается добиться значительного запаса работоспособности по напряжению, влияющему на каскад. Усилители потока, состоящие из двух биполярных транзисторов (рис.1.23) часто выходят из строя под воздействием импульсного напряжения, даже если оно не превышает значения электрических параметров, указанных в справочнике.
С этим неприятным эффектом можно бороться разными способами. Один из них — самый простой — это наличие транзистора с большим (в несколько раз) запасом ресурса на коллектор-эмиттер напряжения. Относительно высокая стоимость таких «высоковольтных» транзисторов приводит к удорожанию конструкции. Можно, конечно, приобрести специальный композитный силикон в одном корпусе, например: KT712, CT829, KT834, KT848, KT852, KT853, KT894, KT897, KT898, KT973 и т. Д.В этот список входят мощные и средние по мощности устройства, разработанные практически для всего спектра радиотехнических устройств. А можно использовать классический с двумя параллельно включенными полевыми транзисторами типа KP501B — или использовать устройства KP501A … B, KP540 и другие с аналогичными электрическими характеристиками (рис. 1.24). При этом выход затвора подключен вместо базы VT1, а выход истока — вместо эмиттера VT2, выход потока — вместо объединенных коллекторов VT1, VT2.
Рис. 1.24. Замена полевых транзисторов составного транзистора
После такой несложной доработки, т.е. замены узлов в электрических схемах универсального использования, ток на транзисторах VT1, VT2 не выходит из строя даже при 10-кратной и более перегрузке по напряжению. Причем ограничительный резистор в цепи затвора VT1 тоже увеличен в несколько раз. Это приводит к тому, что они имеют более высокую входную мощность и, как следствие, выдерживают перегрузки с импульсным характером управления этим электронным узлом.
Полученный коэффициент усиления токового каскада составляет не менее 50. Увеличивается прямо пропорционально увеличению напряжения питания узла.
ВТ1, ВТ2. При отсутствии дискретных транзисторов типа КП501А … в можно использовать без потери качества устройства, используйте микросхему 1014ct1B. В отличие, например, от 1014T1A и 1014ct1B, он может выдерживать более высокие перегрузки по приложенному импульсному напряжению — до 200 при постоянном напряжении. COFCOLOGE Включение транзисторов микросхемы 1014ct1a… 1014K1V показан на рис. 1.25.
Как и в предыдущем варианте (рис. 1.24), включать параллельно.
Полевые транзисторы Codolve в микросхеме 1014ct1a … в
Автор опробовал десятки электронных узлов, включенных программно. Такие узлы используются в любительских структурах в качестве ключей тока точно так же, как программное обеспечение для композитных транзисторов. К перечисленным выше особенностям полевых транзисторов можно добавить их энергоэффективность, так как в закрытом состоянии из-за высокого входа они практически не потребляют ток.Что касается стоимости таких транзисторов, то сегодня она практически равна стоимости транзисторов средиземноморского типа (и аналогичных им), которые используются в качестве усилителя тока для управления нагрузочными устройствами.
Если соединить транзисторы, как показано на рис. 2.60, получившаяся схема будет работать как один транзистор, причем его коэффициент β будет равен произведению коэффициентов компонентов транзисторов. Такой прием полезен для схем с защелкой (например, для стабилизаторов напряжения или выходных конденсаторов усилителей мощности) или для входных каскадов усилителей, если необходимо обеспечить большой входной импеданс.
Рис. 2.60. Составной транзистор Дарлингтона.
В транзисторе Дарлингтона падение напряжения между базой и эмиттером в два раза больше обычного, а напряжение насыщения равно как минимум падению напряжения на диоде (так как потенциал эмиттера транзистора T 1 должен превышать потенциал эмиттера транзистора). эмиттер транзистора Т 2, по падению напряжения на диоде). Кроме того, транзисторы соединены как один транзистор с достаточно низкой скоростью, поскольку транзистор Т 1 не может быстро выключить транзистор Т 2.Принимая во внимание это свойство, обычно между базой и эмиттером транзистора Т 2 включается резистор (рис. 2.61). Резистор R предотвращает попадание транзистора Т 2 в зону проводимости из-за токов утечки Т 1 и Т 2. Сопротивление резистора выбирается таким образом, чтобы токи утечки (измеренные в наноперфюмерах для несигнальных транзисторов и в сотнях микроамперов для мощных транзисторов) создали на нем падение напряжения, не превышающее падение напряжения на диоде, и при этом так, чтобы по нему протекал ток.Маленький по сравнению с основным током транзистора Т 2. Обычно сопротивление R составляет несколько сотен Ом у мощного транзистора Дарлингтона и несколько тысяч Ом у небольшого транзистора Дарлингтона.
Рис. 2.61. Увеличьте скорость отключения в составном транзисторе Дарлингтона.
Промышленность выпускает транзисторы Дарлингтона в виде готовых модулей, включая, как правило, эмиттерный резистор. Примером такой типовой схемы является мощный транзистор Н-П-Н-Дарлингтона типа 2N6282, его коэффициент усиления по току составляет 4000 (типовое значение) при токе коллектора, равном 10 А.
Подключение транзисторов по схеме Шиклай (Sziklai). Подключение транзисторов по схеме ЧИКЛАЯ — схема, аналогичная этой. который мы только что рассмотрели. Это также обеспечивает увеличение коэффициента β. Иногда такое соединение называют дополнительным транзистором Дарлингтона (рис. 2.62). Схема ведет себя как транзистор N-P-N, который имеет большой коэффициент β. В схеме действует одно напряжение между базой и эмиттером, а напряжение насыщения, как и в предыдущей схеме, составляет как минимум падение на диоде.Между базой и эмиттером транзистора Т 2 рекомендуется включать резистор с небольшим сопротивлением. Разработчики применяют эту схему в мощных двухтактных выходных каскадах, когда хотят использовать выходные транзисторы только одной полярности. Пример такой схемы показан на рис. 2.63. Как и прежде, резистор представляет собой коллекторный резистор транзистора Т 1. Транзистор Дарлингтона, образованный транзисторами Т 2 и Т 3, ведет себя как один транзистор N-P-N — типа. С большим усилением тока.Транзисторы Т 4 и Т 5, подключенные по схеме Шиклая, ведут себя как мощный транзистор П-Н-П — типа. с большим выигрышем. Как и прежде, резисторы R 3 и R 4 имеют небольшое сопротивление. Эту схему иногда называют двухтактным повторителем с квазифармацевтической симметрией. В представленном каскаде с дополнительной симметрией (комплементарными) транзисторы Т 4 и Т 5 будут подключены по схеме Дарлингтона.
Рис. 2.62. Подключение транзисторов по схеме Шиклая («Дополнительный транзистор Дарлингтона»).
Рис. 2.63. Мощный двухтактный каскад, в котором используются выходные транзисторы только N-P-N — типа.
Транзистор со сверхвысоким значением коэффициента усиления тока. Составные транзисторы — транзистор Дарлингтона и им подобные — не следует путать с транзисторами со сверхвысоким значением коэффициента усиления по току, у которых очень большое значение коэффициента H 21E получается в процессе технологического процесса изготовления. элемент.Примером такого элемента служит транзистор типа 2Н5962. Для которых гарантируется минимальный коэффициент усиления по току, равный 450, при изменении тока коллектора в диапазоне от 10 мкА до 10 мА; Этот транзистор относится к серии элементов 2N5961-2N5963, которая характеризуется диапазоном максимальных напряжений U Ke от 30 до 60 В (если напряжение коллектора должно быть больше, то следует уменьшить значение C). Промышленность выпускает согласованные пары транзисторов со сверхвысокими значениями коэффициента β.Они используются в усилителях слабого сигнала, для которых транзисторы должны иметь согласованные характеристики; Этому выпуску посвящен раздел. 2.18. Примерами таких типовых схем являются схемы типа LM394 и MAT-01; они представляют собой пары транзисторов с большим коэффициентом усиления, в которых напряжение U BE согласовано с долей Milcivolt (в наиболее хороших схемах предоставляется Допуск до 50 мкВ), а коэффициент H 21E — до 1%. Схема MAT-03 представляет собой согласованную пару p-N-P — транзисторы.
Транзисторы со сверхвысоким значением коэффициента β можно комбинировать по схеме Дарлингтона.В этом случае базовый ток смещения можно сделать равным всего 50 ПКА (примерами таких схем являются операционные усилители типа LM111 и LM316.
Буквально сразу после появления полупроводниковых приборов, скажем, транзисторов, начали стремительно вытеснять электровакуумные приборы и, в частности, триоды. В настоящее время транзисторы занимают лидирующие позиции в схемотехнике.
Бегинная, а иногда и опытный радиолюбитель-конструктор, не сразу может найти нужное схемотехническое решение или разобраться в назначении тех или иных элементов в схеме.Имея под рукой набор «кирпичиков» с известными свойствами, намного проще построить «постройку» того или иного устройства.
Не останавливаясь подробно на параметрах транзистора (об этом достаточно написано в современной литературе, например, в), рассмотрим только отдельные свойства и способы их улучшения.
Одна из первых проблем, встающих перед разработчиком — это увеличение мощности транзистора. Ее можно решить путем параллельного включения транзисторов ().Изогнутые резисторы в эмиттерных цепях способствуют равномерному распределению нагрузки.
Оказывается, параллельное включение транзисторов полезно не только для увеличения мощности при наборе больших сигналов, но и для уменьшения шума при увеличении слабых. Уровень шума уменьшается пропорционально квадратному корню из числа параллельных транзисторам.
Защита от перегрузки по току проще всего решается введением дополнительного транзистора (). Недостатком такого самозащищающегося транзистора является снижение КПД из-за наличия датчика тока R.Возможный вариант улучшения показан на. Благодаря введению герониевого диода или диода Шоттки можно в несколько раз уменьшить номинал резистора R и, следовательно, рассеиваемую на нем мощность.
Для защиты от обратного напряжения параллельно выходам эмиттерного коллектора обычно включают диод, как, например, в составных транзисторах типа КТ825, КТ827.
При работе транзистора в ключевом режиме, когда требуется переключить его из открытого состояния в закрытое и обратно, иногда используют принудительную RC-цепочку ().Во время открытия транзистора заряд конденсатора увеличивает его базовый ток, что помогает сократить время включения. Напряжение на конденсаторе достигает падения напряжения на резисторе базы, вызванного током базы. В момент закрытия транзистора конденсатор, разряд, способствует рассасыванию неосновных носителей в базе данных, сокращая время простоя.
Увеличение крутизны транзистора (отношение изменения тока коллектора (стока) к изменению напряжения его изменения в базе (затворе) при постоянном УЗИ УК)) можно использовать по схеме Дарлингтона ().Резистор в базе базы второго транзистора (может отсутствовать) используется для указания текущего тока первого транзистора. Аналогичный составной транзистор с высоким входным сопротивлением (благодаря использованию полевого транзистора) присутствует. Составные транзисторы, представленные на рис. А, собраны на транзисторах разной проводимости по схеме Шиклая.
Введение дополнительных транзисторов в схему Дарлингтона и шиклай, как показано на рис. А, увеличивает входное сопротивление второго каскада переменного тока и, соответственно, коэффициент передачи.Применение аналогичного решения в транзисторах Рис. И дает соответственно схему и, линеаризуя крутизну транзистора.
Представлен широкополосный транзистор с высоким быстродействием. Увеличение скорости достигается за счет уменьшения эффекта Миллера аналогичным образом.
«Алмазный» транзистор по Патенту ФРГ представлен на. Возможные варианты На ней изображены включения. Характерная особенность этого транзистора — отсутствие инверсии на коллекторе.Отсюда и увеличение грузоподъемности схемы вдвое.
Мощный составной транзистор с напряжением насыщения около 1,5 В изображен на рисунке 24. Мощность транзистора можно значительно увеличить, заменив транзистор VT3 на составной транзистор ().
Аналогичные аргументы можно привести для транзистора типа p-N-P, а также для полевого транзистора с каналом P-типа. При использовании транзистора в качестве регулирующего элемента или в ключевом режиме возможны два варианта включения нагрузки: в коллекторную цепь () или в эмиттерную цепь ().
Как видно из полученных формул, наименьшее падение напряжения и, соответственно, минимальное рассеивание мощности приходится на простой транзистор с нагрузкой в коллекторной цепи. Использование составного транзистора Дарлингтона и Шиклая с нагрузкой в коллекторной цепи равнозначно. Транзистор Дарлингтона может иметь преимущество, если коллекторы транзисторов не объединены. При включении нагрузки в цепи Эмиттера преимущество транзистора Шиклая очевидно.
Литература:
1. Степаненко И. Основы теории транзисторов и транзисторных схем. — М .: Энергия, 1977.
2. Патент США 4633100: Puber. 20-133-83.
3. A.S. 810093.
4. Патент США 4730124: Puber.22-133-88. — 47 с.
1. Увеличьте мощность транзистора.
резисторов в цепях эмиттера необходимы для равномерного распределения нагрузки; Уровень шума снижается пропорционально квадратному корню из числа параллельно включенных транзисторов.
2. Защита от токовой перегрузки.
Недостаток — снижение КПД из-за наличия датчика тока R.
Другой вариант — за счет введения герониевого диода или диода Шоттки можно уменьшить номинал резистора R в несколько раз, и на нем будет рассеиваться меньшая мощность.
3. Составной транзистор с высоким выходным сопротивлением.
За счет каскадирования транзисторов эффект Миллера значительно снижен.
Другая схема — за счет полного перехода второго транзистора от входа и питания первого транзистора с напряжением, пропорциональным входу, составной транзистор имеет еще более высокие динамические характеристики (единственное условие — второй транзистор должен иметь больше отключение высокого напряжения). Входной транзистор можно заменить на биполярный.
4. Защита транзистора от глубокого насыщения.
Предотвращение прямого смещения переходного коллектора с помощью диода Шоттки.
Более сложный вариант — Схема Бейкера. Когда напряжение достигает коллектора транзистора базы данных, ток базы сбрасывается через переход коллектора, предотвращая насыщение.
5. Схема ограничения насыщения относительно низковольтных ключей.
С датчиком тока базы данных.
С датчиком тока коллектора.
6. Уменьшение времени включения / выключения транзистора путем принудительного включения RC-цепочки.
7.Композитный транзистор.
Схема Дарлингтона.
Схема Шиклая.
Интегральные схемыIN И два типа составных транзисторов получили широкий спектр дискретной электроники: по схеме Дарлингтона и Шиклая. Например, в микромогенных схемах входных каскадов операционных усилителей составные транзисторы обеспечивают большое входное сопротивление и малые входные токи. В устройствах, работающих с большими токами (например, в стабилизаторах мощности или выходных накопителях), для повышения эффективности необходимо обеспечить высокий коэффициент усиления мощных транзисторов.
СхемаШиклая реализует мощный транзистор p-N-P с большим коэффициентом усиления с маломощным транзистором p-N-P с маленьким IN и мощный транзистор n-P-N ( рисунок 7.51 ). В интегральных схемах это включение реализует высокий транзистор p-N-P , транзистор p-N-P и вертикальный транзистор n-P-N . Также эта схема используется в мощных двухтактных выходных каскадах, когда используются выходные транзисторы одинаковой полярности ( n-P-N ).
Рисунок 7.51 — Составной транзистор p-N-P Рисунок 7.52 — Составной n-P-N По схеме транзистора Шиклая по схеме Дарлингтона
Транзистор Шиклая или комплементарный транзистор Дарлингтона ведет себя как транзистор p-N-P типа ( рис.7.51 ) с большим коэффициентом усиления по току
Входное напряжение идентично одиночному транзистору. Напряжение насыщения выше, чем у одиночного транзистора, до падения напряжения на эмиттерном переходе n-P-N транзистора. Для кремниевых транзисторов это напряжение составляет порядка одного вольта, в отличие от доли Вольта на один транзистор. Между базой и эмиттером n-P-N В транзистор (VT2) рекомендуется включать резистор с небольшим сопротивлением для подавления неуправляемого тока и улучшения теплового сопротивления.
Транзистор Дарлингтона реализован на униполярных транзисторах ( рисунок 7.52. ). Коэффициент усиления по току определяется произведением коэффициентов компонентов транзисторов.
Входное напряжение транзистора по схеме Дарлингтона вдвое больше, чем у одиночного транзистора. Напряжение насыщения превышает выходной транзистор. Операционный усилитель входного сопротивления для
.
СхемаДарлингтона используется в дискретных монолитных импульсных транзисторах.На одном кристалле сформированы два транзистора, два шунтирующих резистора и защитный диод ( рисунок 7.53. ). Резисторы R. 1 I. R. 2 подавляют коэффициент усиления в слаботочном режиме, ( рисунок 7.38 ), что обеспечивает малое значение неуправляемого тока и увеличивает рабочее напряжение закрытого транзистора,
Рисунок 7.53 — Электрическая схема монолитного импульсного транзистора Дарлингтона
Резистор R2 (около 100 Ом) выполнен в виде технологического шунта, наподобие шунтов катодного перехода тиристоров. Для этого при формировании излучателя с помощью фотолитографии на определенных локальных участках оставляют оксидную маску в виде круга. Эти локальные маски не позволяют диффундировать донорной примеси, и под ними остаются р- столбиков ( рисунок 7.54. ). После металлизации по всей площади Эмиттера в этих столбиках распределены сопротивление R2 и защитный диод D ( рисунок 7.53. ). Защитный диод защищает эмиттерные переходы от пробоя при преобразовании коллекторного напряжения. Входная мощность потребляемого транзистора по схеме Дарлингтона на полтора-два порядка ниже, чем у одиночного транзистора. Максимальная частота переключения зависит от предельного напряжения и тока коллектора. Токные транзисторы успешно работают в импульсных преобразователях до частот около 100 кГц. Отличительная особенность Монолитный транзистор Дарлингтона — квадратичное передаточное число, так как IN- амперная характеристика линейно возрастает с увеличением тока коллектора до максимального значения,
.Транзистор Дарлингтона состоит из пары стандартных транзисторов в сочетании с кристаллом и общим защитным покрытием.Обычно на чертежах для обозначения положения такого транзистора не наносят специальных символов, только один обозначает транзисторы стандартного типа.
Нагрузочный резистор присоединен к эмиттерной цепи одного из элементов. Выводы транзистора Дарлингтона аналогичны биполярному полупроводниковому триггеру:
- база; Эмиттер
- ;
- коллектор.
Кроме общепринятой версии составного транзистора, существует несколько разновидностей его разновидностей.
Схема пары Шиклай и Каско
Другое название тройки композитных полупроводников — пара Дарлингтона. Кроме того, есть еще пара шиклай. Это аналогичная комбинация папок основных элементов, отличающаяся тем, что в нее входят транзисторы разного типа.
Что касается кузодической схемы, то это тоже вариант составного транзистора, в котором один полупроводниковый тригод включен по схеме с ОЭ, а другой по схеме с ОВ.Такое устройство аналогично простому транзистору, включенному в схему OE, но с более высокими частотными показателями, большим входным сопротивлением и большим линейным диапазоном с меньшими искажениями транслируемого сигнала.
Преимущества и недостатки составных транзисторов
Мощность и сложность транзистора Дарлингтона можно регулировать за счет увеличения количества включенных в него биполярных транзисторов. Есть еще, в том числе биполярный, и используется в сфере высоковольтной электроники.
Основным преимуществом композитных транзисторов является их способность давать большой коэффициент усиления по току. Дело в том, что если коэффициент усиления каждого из двух транзисторов равен 60, то при их совместной работе в составном транзисторе общий коэффициент усиления будет равен произведению коэффициентов транзисторов, входящих в его состав (в данном случае — 3600). В результате потребуется довольно небольшая токовая база для открытия транзистона Дарлингтона.
Недостатком составных транзисторов считается низкая скорость работы, что делает их пригодными для использования только в схемах, работающих на низких частотах.Часто составные транзисторы выступают в составе выходных каскадов мощных усилителей низкой частоты.
Особенности устройства
Композитные транзисторы имеют постепенное снижение напряжения вдоль проводника на переходе база-эмиттер вдвое больше стандартного. Уровень снижения напряжения на открытом транзисторе примерно равен падению напряжения, которое имеет диод.
По этому показателю составной транзистор аналогичен выходному трансформатору.Но относительно характеристик трансформатора транзистор Дарлингтона имеет гораздо больший выигрыш по мощности. Такие транзисторы могут работать с частотой коммутации до 25 Гц.
Система промышленного производства композитных транзисторов налажена таким образом, что модуль полностью укомплектован эмиттерным резистором.
Как проверить транзистор Дарлингтона
Проще всего проверить составной транзистор:
- Излучатель подключен к источнику питания «минус»;
- Коллектор подключен к одному из выходов лампочки, второй выход перенаправлен на «плюс» питания;
- Через резистор БД транслирует положительное напряжение, лампочка горит;
- Через резистор на базу передается минусовое напряжение, лампочка не перегорает.
Если все произошло как описано, транзистор исправен.
Пишите комментарии, дополнения к статье, может я что-то упустил. Посмотрите, буду рад, если вы найдете на моем что-нибудь более полезное.
2P333A = 3SK162 кремниевый транзистор Urss Lote De 2 piezas
Номер артикула eBay:
14283
El vendedor asume toda la responsabilidad de este anuncio.
Características del artículo
| Estado: | Новый: Отро (подробные сведения) : Un artículo nuevo, en estado excelente, que no muestra signos de uso o desgaste.El artículo puede estar sin empaquetar o sin el envoltorio original, o bien empaquetado pero sin precintar. Puedecluir los accesorios originales. Puede tratarse de un artículo que no cumpla las normas de calidad del fabricante (es decir, que tenga un pequeño desperfecto que no afecte a su funcionamiento, como un arañazo o una abolladura). Consulta el anuncio del vendedor para obtener más información y ver la descripción. Ver todas las Definiciones de estado : se abre en una nueva ventana o pestaña |
|---|---|
| Notas del vendedor: | «Новый, никогда не использованный / Б / У / Новый старый сток /» |
| MPN: | Не применяется | Торговая марка: | СССР |
El vendedor asume toda la responsabilidad de este anuncio.
Envío y манипуляция
Никакого возможного калькулярного лос-гастос-де-энвио. Представьте un código postal válido.
Расположение: Томск, Томская область, Россия
Envío a: Todo el mundo
Исключено: Россия
| Камбия-эль-Паис:
-Seleccionar-AfganistánAlbaniaAlemaniaAndorraAngolaAnguilaAntigua у BarbudaAntillas NeerlandesasArabia SaudíArgeliaArgentinaArmeniaArubaAustraliaAustriaAzerbaiyánBahamasBahréinBangladeshBarbadosBélgicaBeliceBenínBermudasBhutánBielorrusiaBoliviaBosnia-HerzegovinaBotsuanaBrasilBrunéiBulgariaBurkina FasoBurundiCabo VerdeCamboyaCamerúnCanadáChadChileChinaChipreColombiaComorasCongo, Република delCongo, Република Democrática delCorea дель SurCosta де MarfilCosta RicaCroaciaDinamarcaDominicaEcuadorEgiptoEl SalvadorEmiratos Arabes UnidosEritreaEslovaquiaEsloveniaEspañaEstados UnidosEstoniaEtiopíaFijiFilipinasFinlandiaFranciaGabónGambiaGeorgiaGhanaGibraltarGranadaGreciaGroenlandiaGuadalupeGuamGuatemalaGuayana FrancesaGuernseyGuineaGuinea-BissauGuinea EcuatorialGuyanaHaitíHondurasHong KongHungríaIndiaIndonesiaIrakIrlandaIslandiaIslas CaimánIslas CookIslas MalvinasIslas MarshallIslas SalomónIslas Turcas у CaicosIslas Vírgenes (Estados Unidos.) Islas Vírgenes BritánicasIsraelItaliaJamaicaJapónJerseyJordaniaKazajstánKeniaKirguistánKiribatiKuwaitLaosLesothoLetoniaLíbanoLiberiaLibiaLiechtensteinLituaniaLuxemburgoMacaoMacedoniaMadagascarMalasiaMalawiMaldivasMalíMaltaMarruecosMartinicaMauricioMauritaniaMayotteMéxicoMicronesiaMoldaviaMónacoMongoliaMontenegroMontserratMozambiqueNamibiaNauruNepalNicaraguaNígerNigeriaNiueNoruegaNueva CaledoniaNueva ZelandaOmánPaíses BajosPakistánPalauPanamáPapúa Nueva GuineaParaguayPerúPolinesia FrancesaPoloniaPortugalPuerto RicoQatarReino UnidoRepública CentroafricanaRepública ChecaRepública DominicanaReuniónRuandaRumaníaSáhara OccidentalSamoaSamoa AmericanaSan Cristóbal у NievesSan MarinoSan Педро у MiquelónSanta ElenaSanta LucíaSan Висенте у лас GranadinasSenegalSerbiaSeychellesSierra LeonaSingapurSomaliaSri LankaSuazilandiaSudáfricaSueciaSuizaSurinamTailandiaTaiwánTanzaniaTayikistánTogoTongaTrinidad у TobagoTúnezTurkmenistánTurquíaTuvaluUcraniaUgandaUruguayUzbekistánVanuatuVaticanoVenezuelaVietna mWallis y FutunaЙеменЙибутиЗамбияЗимбабуэ Hay 1 artículos disponibles.Представьте un número menor o igual que 1. Selecciona un país válido. | Почтовый адрес Código: Ввести un código postal válido. Введите 5 или 9 номеров для почтовых отправлений. |
Este artículo no se envía a Rusia
Манипуляция для окружающей среды |
|---|
Normalmente, se enviará en un plazo de 1 día labrable desde que se haga efectivo el pago. |
Política de devoluciones
Cuando recibas el artículo, ponte en contacto con el vendedor en un plazo de | Forma del reembolso |
|---|---|
30 дней | Reembolso del dinero |
El comprador esponsable de los gastos de envío de la devolución.
Detalles de la política de devoluciones |
|---|
Se aceptan devoluciones |
Детали страницы
Nota: como resultado de la valoración de riesgo del comprador, es posible que algunas formas de pago no estén disponibles en el processso Pago y envío.
Авизо: Гарантия всех клиентов eBay, использующих PayPal, или tarjeta de crédito or débito. Algunas compras específicas no están cubiertas por la garantía.más información.| Mới — Cn bán | Hóa Chất Sigma-Aldrich Kính Gi: Quý Khách Hàng, Cty Sbc Vietnam Chúng Tôi Hân Hạnh Đại Diện Phân Phối Chính Thức Cho Hãng Sigma-Aldrich (Mỹ).Nh Các Bn Đã Bit, Hãng Sigma-Aldrich Có Nhiều Nhãn Hàng Như: Sigma, Sigma … 53/1 Quốc Lộ 13, Phường Hiệp Bình Chánh, Thủ c | 90ầ9228 Gi bán | Kim Thu Sét Sigma R-55 Kim Thu Sét Hiện Đại Sigma R-55 — Модель: сигма Р-55 — Bán Kính Bảo Vệ 101M — Ханг Сан Сюут: aiditec — Nc Sản Xuất: Тай Бан Нха — Thời Gian Bảo Hành: 24 Tháng. — Giá: Liên H … 10 Huỳnh Văn Nghệ, P15, Q.Tân Bình, Tp.hcm | Gọi điện | ||
| Mới — Cần bán | Kim Thu Sét Sigma Các Loại Trang Ch Công Ty Tnhh Trung An Chuyên Viên Tư Vn & Amp; Хонг Дон Сё Донг Май — г-н Трунг: 0917.080.310 Kim Thu Sét Hiện Đại Sigma S-25P Kim Thu Sét Hiện Đại Sigma … Cty Trung An | Gọi điện | ||||
| Mới — Cần bán | Kim Thu Sét Sigma R-40 Tình Trạng: Mới Bo Hành: 12 Tháng Нгуан Гок: Ханг Кон Тай Ханг Сан Сюут Сигма Loại Thiết Bị Ким Тху Сет Xut Xứ Тай Бан Нха Ху Фу 21, П.bình Hưng Hòa, Q.bình Tân | Gọi điện | ||||
| Mới — Cần bán | Kim Thu Sét Sigma R-25 Tình Trạng: Mới Bo Hành: 12 Tháng Нгуан Гок: Ханг Кон Тай Ханг Сан Сюут Сигма Loại Thiết Bị Ким Тху Сет Xut Xứ Тай Бан Нха Кху Фу 21, П.бинь Хонг Хоа, Кью Бинь Тан | Гуй Чин | ||||
| Муй — Кан бан | Ким Тху Сет Сигма Тон: 65 Месяц Сигма Тхан : 12 Tháng Нгуан Гок: Ханг Конг Тай Хан Сан Сюут Сигма Loại Thiết Bị Kim Thu Sét Xuất Xứ Tây Ban Nha Khu Phố 21, P.bình Hưng Hòa, Q.bình Tân | Gọi điện | ||||
| Mới — Cần bán | Kim Thu Sét Sigma R-55 Tình Trạng: Mới Bo Hành: 12 Tháng Нгуан Гок: Ханг Кон Тай Ханг Сан Сюут Сигма Loại Thiết Bị Ким Тху Сет Xut Xứ Tây Ban Nha Khu Phố 21, P.bình Hưng Hòa, Q.bình Tân | Gọi iện | ||||
| Mới — Cần bán | Hóa Chất Nuche Thôi Cy Quý Khách Hàng: Cty Sbc Vietnam Là 1 Công Ty Tiên Phong Trong Lĩnh Vực Đột Phá Công Nghệ Mới.Chúng Tôi H Trợ Và Cung Cấp Hóa Chất Và Thit Bị Cho Phòng Thí Nghiệm. Đặc Bit Bài … 53/1 Quốc Lộ 13, Phường Hiệp Bình Chánh, Thủ Đức | Gọi iện | ||||
| Mới — Cần bán | Хоа-Дуче-Дуче-Мит-Нуа -Sigma Hóa Chất Nuôi Cấy Mô Thực Vật Duchefa Và Sigma Aldrich Kính Gửi Quý Khách Hàng: Cty Sbc Là 1 Công Ty Tiên Phong Trong Lĩnh Vực Đột Phá Công Nghệ Mới. Chúng Tôi H Trợ Và Cung Cp Hóa Chất Và… 53/1 Quốc Lộ 13, Phường Hiệp Bình Chánh, Thủ Đức | Gọi điện | ||||
| Mới — Cần bán | Kim Thu Sét Thế Hệ Mới- Aniditec, 25P Kim Thu Sét Chủ ng Phóng Tia Tiên o Thế Hệ Mới Sigma (Тай Бан Нха). Hãng Sn Xuất Aiditec, Bán Kính Bo V An Toàn 59 Mét (Tặng Kèm Khớp Nối). Модель: Sigma S-25P Kim Thu Sét Chủ ng … 205/20/57 Phạm Đăng Giảng, P.bình Hưng Hòa, Q.bình Tân | Gọi iện | ||||
| Mới — Cần bán | 2 | 2 | Kênh, 4 Kênh Neurowerk Emg Sigma ĐứcГой Điễn | |||
| Moi — БАН | Cần Ким Чонг Хиен набор Đại Sigma S-25P Tây Ban Nha Kim Thu Sét Hiện Đại Sigma S-25P (Испания) — Модель: sigma S 25P — Bán Kính Bảo Vệ 59M — Ханг Сан Сюут: aiditec — Nc Sản Xuất: Тай Бан Нха — Thời Gian Bảo Hành: 24 Tháng. -… 10 Huỳnh Văn Ngh, P15, Q.Тан Бинь, Tp.hcm | Гой Điễn | ||||
| Moi — БАН Cần | Гой Điễn | |||||
| Moi — БАН | Cần Hóa ЧАТ Nuôi CAY М.О. thực кубовых Duchefa, Himedia Va Sigma Aldrich Kính Gửi Quý Khách Hàng: Cty Khải Nam Là 1 Công Ty Tiên Phong Trong Lĩnh Vực Đột Phá Công Nghệ Mới. Chúng Tôi H Trợ Và Cung Cấp Hóa Chất Và Thit Bị Cho Phòng Thí Nghiệm. Đặc Bit Bài Viết … 53/1 Quốc Lộ 13, Phường Hiệp Bình Chánh, Thủ c | Gọi điện |
Управление светодиодами с помощью модуля магнитного датчика Холла — KT621
0
2 Введение
В этом проекте мы узнаем об основных функциях датчика Холла, управляя светодиодами с помощью магнита.
Arduino IDE 1.8.5 (программируемая платформа для Arduino)
Нажмите, чтобы загрузить: https: //www.arduino.cc/en/Main/Software
Модуль магнитного датчика ХоллаМагнитный датчик Холла Модуль — это переключатель, который будет включаться / выключаться при наличии магнитного поля. Он состоит из чувствительного переключателя на эффекте Холла 3144EUA-S для работы при высоких температурах, резистора 680 Ом и светодиода. Он совместим с популярными электронными платформами, такими как Arduino и Raspberry Pi.
Рабочее напряжение | От 4,5 В до 24 В |
Диапазон рабочих температур | от -40 ° C до 85 ° C [-x ° F до x ° F] |
Размеры | 18,5 мм x 15 мм [0,728 дюйма x 0,591 дюйма] |
- LED .
- Подключите GND Arduino Uno к макетной плате для дальнейших подключений GND.
- Соедините положительный вывод светодиода 1 с цифровым выводом 12 Arduino
- Соедините положительный вывод светодиода 2 с цифровым выводом 13 Arduino
- Соедините GND обоих светодиодов с шиной GND макетной платы.
- Подключите заземление магнитного датчика Холла к заземлению Arduino Uno.
- Подключите VCC магнитного датчика Холла к выводу 3,3 В Arduino Uno.
- Соедините сигнал контакта магнитного датчика Холла с аналоговым контактом A0 Arduino Uno.
https://drive.google.com/open?id=1zM3t2JHUmBc5DrAggk4hv9-MjbKu2ofK
Добро пожаловать в проект на основе Arduino, который состоит из магнитного датчика Холла. Магнитные датчики — это твердотельные устройства, которые можно использовать во многих различных областях, таких как определение положения, скорости или направленного движения. Датчики на эффекте Холла — это устройства, которые активируются внешним магнитным полем. Магнитное поле имеет две важные характеристики: плотность потока (B) и полярность (северный и южный полюса).Выходной сигнал датчика Холла является функцией плотности магнитного поля вокруг устройства. Когда плотность магнитного потока вокруг датчика превышает определенный заранее установленный порог, датчик обнаруживает это и генерирует выходное напряжение, называемое напряжением Холла , В H . Здесь мы увидим северный и южный полюса Магнита, когда мы поместим его по обе стороны от Сенсора.
Как зажечь люминесцентную лампу без дроссельной схемы.Реставрация лампы дневного света с перегоревшей нитью
С электричеством все нормально, с комарами тоже.
220 В 1кВт
Устройство предназначено для питания бытовых потребителей переменным током. Номинальное напряжение 220 В, потребляемая мощность 1 кВт. Использование других элементов позволяет использовать устройство для питания более мощных потребителей.
Устройство, собранное по предложенной схеме, просто вставляется в розетку и от нее питается нагрузка.Вся электропроводка остается нетронутой. Заземление не требуется. Счетчик забирает около четверти потребляемой электроэнергии.
Теоретическая основа:
Устройство основано на том, что нагрузка не питается напрямую от сети. переменного тока, и от конденсатора, заряд которого соответствует синусоиде сетевого напряжения, но сам процесс заряда происходит импульсами высокой частоты. Ток, потребляемый устройством от электрической сети, представляет собой высокочастотные импульсы.Счетчики электроэнергии, в том числе электронные, содержат на входе индукционный преобразователь, который имеет низкую чувствительность к токам высокой частоты. Поэтому потребляемая мощность в виде импульсов учитывается счетчиком с большой отрицательной погрешностью.
Схема устройства:
Основными элементами являются силовой выпрямитель BR1, конденсатор C1 и транзисторный ключ T1. Конденсатор C1 включается последовательно в цепь питания выпрямителя BR1, поэтому в момент, когда BR1 загружается в открытый транзистор T1, он заряжается до мгновенного значения сетевого напряжения, соответствующего этому моменту времени.
Заряд производится импульсами с частотой 2 кГц. Напряжение на С1, а также на подключенной параллельно ему нагрузке по форме близкой к синусоидальной с активным значением 220 В. для ограничения импульсного тока через транзистор Т1 при заряде конденсатора, служит резистором R6. включается последовательно с каскадом ключей
На логических элементах DD1, DD2 собран задающий генератор. Формирует импульсы с частотой 2 кГц амплитудой 5В.Частота сигнала на выходе генератора и диета импульсов определяется параметрами цепей C2-R7 и C3-R8. Эти параметры можно выбрать при настройке, чтобы обеспечить наибольшую погрешность учета электроэнергии. На транзисторах Т2 и Т3 построен формирователь импульсов, предназначенный для управления мощным ключевым транзистором Т1. Формататор сконструирован таким образом, что T1 в открытом состоянии находится в режиме насыщения и за счет этого меньше мощности рассеивается на нем. Естественно, Т1 тоже должен быть полностью закрыт.
Трансформатор TR1, выпрямитель BR2 и следующие элементы являются источником питания низковольтной части схемы. Этот источник обеспечивает генератор энергии и 5 В для питания микросхемы генератора.
Подробная информация об устройстве:
Микросхема: DD1, DD2 — K155L33. Диоды: BR1 — D232A; BR2 — D242B; D1 — D226B. Стабилирт: Д2 — КС156А. Транзисторы: Т1 — КТ848А, Т2 — КТ815В, Т3 — КТ315. Т1 и Т2 устанавливаются на радиатор площадью не менее 150 см2. Транзисторы устанавливаются на изолирующие прокладки.Электролитические конденсаторы: С1-10 мкФ · ч 400В; C4 — 1000 мкФ · ч 50В; С5 — 1000 мкФ · ч 16В; Конденсаторы высокочастотные: С2, С3 — 0,1 мкФ. Резисторы: R1, R2 — 27 ком; R3 — 56 Ом; R4 — 3 ком; R5 -22 ком; R6 — 10 Ом; R7, R8 — 1,5 ком; R9 — 560 Ом. Резисторы R3, R6 — провод мощностью не менее 10 Вт, R9 — типа МЛТ-2, остальные резисторы — МЛТ-0,25. Трансформатор ТР1 — любой маломощный 220/36 В.
Регулировка:
При настройке схемы соблюдайте осторожность! Помните, что низковольтная часть схемы не имеет гальванического перехода от электрической сети! Не рекомендуется в качестве радиатора для транзисторов использовать металлический корпус устройства.Использование предохранителей — обязательно!
Изначально низковольтный блок питания проверяется отдельно от схемы. Он должен обеспечивать ток не менее 2 А на выходе 36В, а также 5 В для питания маломощного генератора.
Затем настраивают генератор, отключая питание схемы от блока питания. Генератор должен формировать импульсы амплитудой 5 В и частотой около 2 кГц. Разнесение импульсов составляет примерно 1/1. При необходимости для этого подбирают конденсаторы С2, С3 или резисторы R7, R8.
Формирователь импульсов на транзисторах Т2 и Т3 при правильной сборке обычно не требует настройки. Но желательно убедиться, что он способен обеспечить импульсный ток базы транзистора Т1 на уровне 1,5 — 2 А. Если такое значение тока не предусмотрено, транзистор Т1 не будет в открытом состоянии для входа. режим насыщения и горят за несколько секунд. Для проверки этого режима можно при силовой части схемы и отключенной базе транзистора Т1 вместо резистора R1 включить шунт с сопротивлением в несколько Ом.Импульсное напряжение на шунте при включенном генераторе регистрируется осциллографом и пересчитывается в текущее значение. При необходимости подобрать резисторы сопротивления R2, R3 и R4.
Следующий этап — осмотр силовой части. Для этого восстановите все соединения на схеме. КОНДАКТОР С1 временно отключается, а потребитель использует в качестве нагрузки малую мощность, например, лампу накаливания мощностью до 100 Вт. При включении прибора в электрическую сеть значение активного напряжения на нагрузке должно быть на уровне 100-130 В.Осциллограммы напряжения на нагрузке и на резисторе R6 должны показывать, что он запитан импульсами с частотой, задаваемой генератором. На нагрузке последовательность импульсов будет промодулирована синусоидой сетевого напряжения, а на резисторе R6 — пульсирующим выпрямленным напряжением.
Если все исправно, конденсатор С1 подключен, только сначала берет в несколько раз меньше номинала (например 0,1 мкФ). Активное напряжение На нагрузке значительно увеличивается и при последующем увеличении емкости С1 достигает 220 В.при этом очень важно внимательно следить за температурой транзистора Т1. Если при использовании маломощной нагрузки происходит повышенный нагрев, это говорит о том, что Т1 либо не включен в режим насыщения в открытом состоянии, либо закрыт не полностью. В этом случае следует вернуться к настройке формирователя импульсов. Эксперименты показывают, что при питании нагрузки мощностью 100 Вт без конденсатора С1 транзистор Т1 длительное время не греется даже без радиатора.
В заключении подключают номинальную нагрузку и подбирают емкость С1 таким образом, чтобы обеспечить питание 220 В. Емкость С1 нужно выбирать осторожно, начиная с малых значений, так как увеличение емкости резко увеличивает импульс. ток через транзистор Т1. Об амплитуде импульсов тока через Т1 можно судить, подключив осциллограф параллельно резистору R6. Импульсный ток должен быть не более допустимым для выбранного транзистора (20 А для КТ848А).При необходимости ее ограничивают, увеличивая сопротивление R6, но лучше остановиться на меньшем значении емкости С1.
По деталям, устройство рассчитано на нагрузку 1 кВт. Применяя другие элементы выпрямителя мощности и транзисторный ключ соответствующей мощности, можно запитать более мощных потребителей. Обращаем ваше внимание на то, что при отключении нагрузки прибор потребляет от сети довольно большую мощность, которая учитывается счетчиком. Поэтому рекомендуется всегда нагружать устройство номинальной нагрузкой, а также отключать при снятии нагрузки.
Пришла весна …
Мозерс?
Пришла весна, а с ней и новая проблема — комары и мошки, которые иногда просто сводят с ума. Но для людей, у которых руки растут не из нужного места, не проблема! Мы найдем выход из любой сложной ситуации! А на этот раз соберем отпугиватель комаров! Как известно, комары не любят ультразвук, и мы воспользуемся им:
Вот простая схема на транзисторах:
Другая схема на транзисторах, но уже более полная:
Но на микросхеме довольно простая:
LDS сгорели?
LDS с двумя выдувными резьбами.
Чтобы не заморачиваться с намоткой токопроводящих лент, которые будут изнашиваться внешне не очень красиво, соберите учет напряжения. Это позволит вам навсегда забыть о проблеме смельчаков ненадежных ниток.
Простой график включения ЛДС с двумя перегретыми нитями тепла по учету напряжения.
Счетчик содержит два обычных выпрямителя с удвоением напряжения. За счет воздействия этого выпрямителя на конденсатор СЗ формируется постоянное напряжение около 560В (т.к. 2.55 * 220 В = 560 В). На конденсаторе C4 есть напряжение того же значения, поэтому есть напряжение порядка 1120 В, вполне достаточное для ионизации паров ртути внутри LDS EL1 до ионизации паров ртути. Но как только началась ионизация, напряжение на конденсаторах Cond C4 снижается с 1120 до 100 … 120 В, а в токоограничивающем резисторе R1 падает примерно до 25 … 27 В.
Важно, чтобы бумажные (или даже оксидно-электролитические) конденсаторы С1 и С2 должны быть рассчитаны на номинальное (рабочее) напряжение не менее 400 В, а SW и С4 — 750 В и более.Мощный резистор, восстанавливающий ток R1, лучше всего заменить лампой накаливания на 127 вольт. Сопротивление резистора R1, его рассеивающая способность, а также подходящие по питанию лампы на 127 вольт (их следует подключать параллельно) указаны в таблице. Здесь же указаны рекомендуемые диоды VD1-VD4 и конденсаторы С1-С4, конденсаторы ЛДС нужной мощности.
Если взамен сильно нагретого резистора R1 использовать лампу на 127 вольт, то на ее затяжке нить будет еле нагреваться — температура нагрева нити (при напряжении 26 В) не достигает 300ºС (темно-коричневый цвет, неразличимы на глаз даже в полной темноте).Из-за этого 127-вольтовые лампы способны служить едва ли вечно. Повредить их можно только чисто механически, скажем, разбив легкую стеклянную колбу или «встряхнув» тонкие волоски спирали. Было еще меньше 220-вольтовых ламп, но мощность их пришлось бы брать чрезмерно большой. Дело в том, что она должна превышать мощность ЛДС примерно в 8 раз!
Параметры деталей, используемых в схеме учета напряжения
Лонгу не удалось найти сопротивление глазурованного провода мощностью 40 Вт номиналом 60 Ом.Пришлось подключить параллельно 5 … 6 подходящих резисторов. Но при тестировании схемы эти резисторы сильно нагрелись, и это небезопасно в огне. И я пришел к мысли: не использовать ли резисторы, рассеивающие тепловую энергию, преобразовывая ее в другую, световую. Так и оказалось. Дело в том, что в качестве резистора я использовал обычную электрическую лампу накаливания 220 вольт мощностью 25 Вт, включив ее последовательно с люминесцентной лампой LB-40 через диод D226 B (и без диода). Таким образом, я не только восстановил работу перегоревшей лампы дневного света, но и заставил светиться обычную лампу.
Такой прибор с двумя источниками света удобно использовать в разделенных ванной и туалете, в подвале, гараже и других местах. Оба источника загораются мгновенно, и свечение люминесцентной лампы не сопровождается раздражающим гудением и миганием, которые наблюдаются в схемах с дросселем РПР и стартером. Лампу накаливания, конечно, придется покупать, но затраты на нее скоро окупятся (в этой схеме служит очень долго, горит, не мигая, что было бы при включении лампы. в сеть через диод.
В схеме модифицированного устройства, показанной на рис., Используются следующие радиокомпоненты. Диоды VD2 и VD3 (типа Д226 б) и конденсаторы С1 и С4 (типа К61-К, емкость 6 мкФ, рабочее напряжение 600 В) представляют собой двухпроводной выпрямитель. Значения емкостей С1 и С4 определяют рабочее напряжение лампы дневного света (чем больше емкость, тем больше напряжение на электродах лампы). При работе на холостом ходу (без лампы HL1 или HL2) напряжение в точках A и B достигает 1200 В.Так что будь осторожен.
Печная люминесцентная лампа
Конденсаторы C2 и C3 (тип KBG-M2; емкость 0,1 мкФ; рабочее напряжение 600 В) способствуют подавлению радиоэлементов и вместе с диодами VD1 и VD4 и контейнерами C1 и C4 создают напряжение 420 В в точках А и В, обеспечивающих надежное зажигание лампы в момент включения. Необходимо обратить внимание на полярность люминесцентной лампы. Итак, в случае возникновения замечаний лампа должна перевернуть трубку на 180 ° и снова вставить в патроны.Клеммы в патронах или на трубке для надежности замыкания зажигания. Но некоторые трубки (у которых, видимо, полностью рассыпались спирали) не загораются. Лучше и ярче получаются хорошие трубки, подключенные к схеме.
При замене лампы накаливания на более мощную, последняя горит общежитием, но свечение лампы остается постоянным.
Схема может работать без диодов VD1 и VD4 и конденсаторов С2 и С3, но надежность включения снижается.
Лампы дневного света намного экономичнее и долговечнее ламп накаливания. Но схема их подключения к сети 220В сложнее и требует дополнительных элементов: дросселей и стартера. Кроме того, недостатком наиболее распространенной схемы является способ зажигания лампы, когда через ее нить (для их нагрева) пропускается к стартеру; При этом при перепадах тока часто выводятся нити (они перегорают), и лампа не загорается, хотя сама продолжает работать.Волосы (нить накаливания) также можно оторвать от небрежного обращения с лампой, например, при встряхивании. Рационализаторы давно придумали множество схем розжига лампы из цветных металлов, когда нагрев ее нитей не применяется и, следовательно, их обрыв не влияет на лампу. Одна из этих схем наиболее проста в исполнении и предлагается читателям.
В данной схеме зажигание лампы осуществляется подачей на ее электроды (нити) напряжения 600-620 В, получаемые конденсаторами и диодами, подключенными по схеме удвоения напряжения.После игнорирования лампы напряжение на ней (из-за разряда конденсаторов через лампу и падения на дроссель) падает до нормальных 95-100 В, и лампа стабильна. При этом больше не происходит удвоения напряжения, и лампа питается от выпрямленного сетевого напряжения. Для выпрямительного моста нужно взять диоды, рассчитанные на обратное напряжение не ниже 400В и ток не менее 300 та, подойдут распространенные D226B, D229B, D205 или выпрямительные мосты KC
401 B, KC-401.Это для ламп мощностью до 40 Вт, для ламп большей мощности Нам нужны более мощные диоды КД202Л, КД205Б или выпрямительные мосты КС-402Б, КС-405В. Конденсаторы также подбираются на рабочее напряжение не ниже 300В, лучше всего применять неполярные, типа БГТ, КБГ, ОКБГ, К42-4 и другие ёмкостью 0,25-1,6 мкФ, оба должны быть одинаковыми. Каждой лампе соответствует дроссель. Есть схемы, где вместо дросселя применяются проволочные сопротивления (резисторы) или лампы накаливания (100 Вт, для лампы дневного света — 40 Вт), но их использование ограничено из-за большого нагрева.
Электромохимия подключения лампы
Предложенная схема апробирована на практике, единственным ее недостатком является постепенное отключение света с одного конца цилиндра, которое появляется через некоторое время после начала эксплуатации. После затемнения на расстоянии 6-10 см от торца цилиндра лампу можно переставлять по концам.
Типовая схема В Светильник с лампой дневного света используется три детали. Это сама лампа, дроссель и стартер. Последний используется только для запуска лампы, тогда он не принимает никакого участия в работе лампы.На рисунке ниже по первой схеме видно, что можно обойтись и без стартера, но в этом случае лампу придется пропустить специальной кнопкой через конденсатор.
На второй схеме (справа) стартер заменен на четыре части, при такой схеме можно запускать даже мигающие лампы.
Обе схемы проверены и работают дома уже не первый год.
Это не ослабляет интереса к поиску оригинальных технических решений, позволяющих зажигать даже перегоревшие люминесцентные лампы, и в настоящее время.И это дает действительно потрясающие результаты.
Способы восстановления лампы дневного света В Интернете и литературе описано довольно много (и мы не исключение, см. Материал Вечная люминесцентная лампа), но почти во всех этих случаях оживить лампу дневного света возможно только при обе нити рабочие.
Здесь мы приводим парочку вариантов , как можно оживить лампу дневного света, если одна из тепловых нитей преобразуется в .
При повторении этих схем следует учитывать, что нить накаливания ЛДС, остающаяся «живой», работает с перегрузкой, так как турбулентная нить накаливания крутится с «проволочной перемычкой».Такой принудительный режим лампы из-за снижения сопротивления цепи накала приводит к ее быстрому износу, и она выходит из строя. Кроме того, приведенная в «реанимационная» схема требует дополнительной установки кнопки пуска, поэтому при управлении ЛДС проблема возникает с настенным выключателем — где разместить эту кнопку пуска, чтобы включить лампу, установленную на потолке?
В схеме «Реанимация», представленной на рисунке 1, этих недостатков нет. Как видно из рис. 1, в продувке производства ЛДС путем шунтирования перескакивает не проволочный резистор, сопротивление которого равно холодному сопротивлению нити накала.Для ламп мощностью 20 и 30 Вт (LBK22, LBUUO) это сопротивление составляет 2 … 3 Ом. Проволочный резистор R1 выполнен на резисторе типа СУ-0,25 10 кОм и состоит из 2-3 витков нихромовой проволоки диаметром 0,15 … 0,2 мм.
В качестве резистора R1 очень удобно использовать переменный проволочный резистор типа СП5-28 номиналом 33 Ом или подобный ему, подбирая к нему значение его сопротивления так, чтобы накаленная нить ЛДС выдерживала не перегружать (при запуске должна быть красного или розового цвета с уверенным зажиганием лампы).При корректировке схемы также необходимо учитывать рекомендации, обеспечивающие уверенное зажигание ЛДС.
Для того, чтобы еще больше вывести работу ЛДС при ее запуске на работу с цельными нитями накаливания, последовательно с «холодным» сопротивлением резистора R1 включены три параллельно подключенным лампочкам накаливания МН 13,5-0,18 (с напряжением 13,5 В и ток 0,18 а). Вольтамперная характеристика (VAH) такая же, как у нитей накаливания lds.Вместо этих трех лампочек можно использовать одну автомобильную лампу 12 В х 6 св.
Однако при «реанимации» могут быть случаи, когда невозможно добиться нормальной работы LDS, используя схему на Рисунке 1. Лампа горит сильно и мигает с частотой 25 Гц, несмотря на все уловки, указанные в. Это мигание не устраняется и при не устранении пускателя SF1. и сопровождается усиленным нагревом дроссельной заслонки. Такая работа лампы объясняется тем, что она перешла в одноальповый режим работы из-за потери излучения одним из электродов, т.е.е. лампа работает как диод, пропуская ток только в одном направлении, в результате через дроссель протекает постоянная составляющая выпрямленного тока, вызывающая его нагрев.
В этом случае обеспечить нормальную работу LDS напрямую от сети переменного тока невозможно. Но оживляет лампу В этом случае она также может работать полноценно, если мы переведем ее на мощность одного направления, соединив ее с выходом одноальтерогенного выпрямителя. На рис. 2 показана такая схема включения.Работа лампы по этой схеме аналогична работе лампы на рис.1 за исключением того, что в ней протекает однонаправленный ток с частотой 100 Гц, а все увеличение функции накаливания выполняет функцию катода лампы. , а поврежден анод.
В качестве мостовых диодов VD1 … VD4 можно использовать сборки типа КС402 … СС405 на 600 В и током 1 А для участков мощностью 20, 30, 40 и 65 Вт. Очень удобная сборка типа KC404, имеющий патрон предохранителя.
Литература
1. Ховайко В. Реставрация люминесцентных ламп // Радио. — 1997.
— № 7 -с.37
2. Есеркенов К. Метод «реанимации» ламп дневного света // Радио.
— 1998. — №2. — С.61.
Так называемые «дневные» лампы (ЛДС) безусловно экономичнее обычных ламп накаливания, к тому же они намного долговечнее. Но, к сожалению, у них все та же «ахиллесова пятая» — нить накала. Именно нагретые спирали чаще всего отказываются работать — просто перегорают.И лампа должна выбрасывать, неизбежно загрязняя окружающую среду Вредная ртуть. Но далеко не все знают, что такие лампы вполне подходят для дальнейшей работы.
Для того, чтобы ЛДС, подавляющая только один поток тепла, продолжала работать, достаточно просто переместить те штырьки ламп, которые соединены с размытой резьбой. Выявить, что нить сгорела, а какая сетка, легко обычным омметром или тестером: размывающая нить покажет бесконечно большое сопротивление на омметре, если нить усов, сопротивление будет близко к нулю.Чтобы не испортить пайку, штыри, выходящие из выдувной резьбы, приклепываются несколькими слоями фольги (от упаковки чая, молочной упаковки или упаковки сигарет), а после аккуратной резки ножницами весь «слоеный пирог» от диаметра цоколя лампы. Тогда схема подключения ЛДС будет такой, как показано на рис. 1. Здесь люминесцентная лампа ЭЛ 1 имеет только одну (левую по схеме) целую резьбу, вторая (правая) замыкается закручиванием нашей импровизированной перемычки. Остальные элементы усиления люминесцентной лампы — такие как дроссель L1, неон, (с биметаллическими контактами), пускатель ЕС1, а также интерференционный конденсатор С3 (с номинальным напряжением не менее 400 В), могут остаться прежними.Правда, время зажигания ЛДС при такой доработанной схеме может увеличиться до 2 … 3 секунд.
Есть лампа в такой ситуации так. Как только напряжение в сети 220 В загорается неоновая лампа стартера ЕС1, за счет чего нагреваются его биметаллические контакты, в результате чего со временем замыкают цепь, подключая дроссель L1 — через расплав тепло в сеть. Теперь эта оставшаяся нить нагревается парами ртути, находящимися в стеклянной колбе LDS. Но вскоре биметаллические контакты лампы охлаждаются (из-за угасания «неонки») настолько, что размыкаются.За счет этого на дросселе формируется высоковольтный импульс (за счет самоиндукции этой катушки индуктивности). Именно он способен «разжечь» лампу, то есть ионизировать пары ртути. Ионизированный газ просто вызывает свечение порошкового люминофора, которым колба покрыта изнутри по всей длине.
А как быть если LDS сожгла обе нити? Конечно, допустимо переместить и второй поток. Однако способность к ионизации у лампы без принудительного нагрева значительно ниже, и поэтому здесь требуется высоковольтный импульс большей амплитуды (до 1000 В и более).
Для снижения «зажигательного» напряжения плазмы можно организовать вспомогательные электроды вне стеклянной колбы, как бы в дополнение к двум имеющимся. Это может быть кольцевой пояс, наклеенный на колбу клеем БФ-2, К-88, «Момент» и т. Д., Из медной фольги вырезан пояс шириной около 50 мм. Он припаивается припоем на противоположном конце трубки LDS, электрически соединенной с ней. Естественно, что поверх токопроводящие линии закрываются несколькими слоями изоленты ПВХ, «скотчем» или медицинским клеем.Схема такой доработки представлена на рис. 2. Интересно, что здесь (как и в обычном случае, т.е. с целыми нитками нагрева) вообще нет необходимости использовать стартер. Итак, закрывающая (нормально разомкнутая) кнопка SB1 используется для включения лампы EL1, а открывающая (нормально закрытая) кнопка SB2 предназначена для выключения pl. Оба они могут быть типа КЗ, КПЗ, ЦН, миниатюрные ИПС1-1 или км1-1 ИТ. P.
Чтобы не заморачиваться с намоткой токопроводящих лент, которые будут выводиться внешне не очень красиво, соберите учет напряжения (рис.3). Это позволит вам раз и навсегда забыть о проблеме сжигания ненадежных нитей.
Счетчик содержит два обычных выпрямителя с удвоением напряжения. Например, первый из них собран на конденсаторах С1, С4 и диодах VD1, VD3. За счет действия этого выпрямителя на конденсатор С3 формируется постоянное напряжение около 560В (так как 2,55 220В = 560В). На конденсаторе С4 напряжение одинаковой величины, следовательно, на обоих конденсаторах С3, С4 есть напряжение порядка 1120 В, чего вполне достаточно для ионизации паров ртути внутри ЛДС EL1.Но как только началась ионизация, напряжение на конденсаторах С3, С4 снижается с 1120 до 100 … 120 В, а в токоограничивающем резисторе R1 падает примерно до 25 … 27 В.
Важно, чтобы бумага (или даже оксидно-электролитические) Конденсаторы С1 и С2 должны быть рассчитаны на номинальное (рабочее) напряжение не менее 400 В, а слюдяные конденсаторы С3 и С4 — 750 В и более. Мощный резистор, восстанавливающий ток R1, лучше всего заменить лампой накаливания на 127 вольт. Сопротивление резистора R1, его мощность рассеяния, а также подходящие подходящие лампы на 127 вольт (их следует подключать параллельно) указаны в таблице.Здесь же указаны рекомендуемые диоды VD1-VD4 и конденсаторы С1-С4, конденсаторы ЛДС нужной мощности.
Если взамен сильно нагретого резистора R1 использовать лампу на 127 вольт, на ее затяжке нить вряд ли будет греться — температура нагрева нити (при напряжении 26 В) не достигает 300 ° С (темно-коричневый цвет, неразличимый глазом даже в полной темноте). Из-за этого 127-вольтовые лампы способны служить едва ли вечно. Повредить их можно только чисто механически, скажем, разбив легкую стеклянную колбу или «встряхнув» тонкие волоски спирали.Было еще меньше 220-вольтовых ламп, но мощность их пришлось бы брать чрезмерно большой. Дело в том, что она должна превышать мощность ЛДС примерно в 8 раз!
Какую применить «реанимационную» схему «LDS» выбираете сами исходя из своего вкуса и возможностей.
Журнал «Сам» №10, 1998 г.
Ремонт и обслуживание автомобилей, двигателей и автоматических трансмиссий. Контактная система зажигания УАЗ, состав и общее устройство, схемы контактного зажигания Система зажигания УАЗ 469 Описание схемы
Системы зажигания
Датчик распределителя (Draver)
Свеча зажигания
Другие вопросы по системе зажигания
- R1 — 1К; R2 — 6,2К; R3 — 1.8К; R4 — 82; R5 — 10; R6 — 300; R7 — 47К; R8 — 3К; R9 и R13 — 2К; R10 — 0,1; R11 и R12 — 330; R14 — 10К; R15 — 22К.
- C1, C2, C6, C8 и C9 — 0,1МКФ; C3, C5 и C7 — 2200ПФ; С10 и С11 — 1МКФ.
- VT1 — КТ863; VT2 — CT630B; VT3 — КТ848А.
- ВД1 — КС162Б; VD2 — od522; VD3 — CD212; VD4 и VD5 — КД102.
- Микросхема KR1055HP1 или KS1055HP1.
- Транзистор VT1 на частях переключателей не установлен.
У меня тоже самое было на обычном зажигании.Самая первая проверка свечей, скорее всего у кого-то вылетела и машина просто троит. Проверьте запасные провода от крышки трамбла. Я нашел этот путь. Да и посмотрите, какие свечи стоят, лучше всего А11 поставить.
Вопрос не такой простой, как кажется на первый взгляд. Возможных причин этого явления множество. Нестабильная работа самого стробоскопа в первую очередь. Состав смеси (богатая, бедная), наличие нестабильных контактов в электрооборудовании (в том числе в замке зажигания), утечка высокого напряжения через плохую изоляцию и грязные влажные поверхности.Применение в электрооборудовании резисторов помех и многопроволочных проводов. Если возможна контактная система зажигания, то возможен износ подшипника в распределителе зажигания или неправильный зазор между контактами. Список не полный, ищите и объединяйте 🙂
Юзай ему около 4 месяцев — ничего кардинально не изменилось. Ощущался ряд плюсов — двигатель работает меньше, но расход топлива существенно не изменился (хотя я этого ожидал).Возможна полная герметизация системы зажигания. Какого-то особого увеличения тяги не заметил. Возможно это следствие того, что я тоже довел до ума — выбрал характеристику центробежного регулятора с пружинами. К моему некоторому удивлению, система АСУД не выбирает оптимальный угол зажигания — датчик зажигания можно сделать раньше или позже. Те. Порядок установки угла детонации остается. К тому же почти сразу пришлось ремонтировать — там была печатная плата.Резюмируя так — данная система позволяет уделить системе зажигания значительно меньше внимания, повысить ее плавучесть в воде. Но не ждите кардинальных улучшений.
Фото:
Блок «Михайловский розжиг» АСУ
Катушки и датчик,
Две катушки акуд
Датчик АСУД,
Блок АСУД
Блок и катушки АСУД
Нужен ли мне аварийный вибратор?
Аварийный вибратор дает непрерывное искрение, независимо от положения поршней, в результате смесь вспыхивает до необходимого крутящего момента, в режиме детонации — результат аналогичен непрерывным ударам кувалдой по поршни с частотой от 500 до 2000 раз в минуту в каждом цилиндре.Как вы думаете, что будет в результате? Капитальный ремонт с заменой сломанных колец, расплавленных поршней, сгоревших клапанов, погнутых коленвалов, обработаны стенки цилиндров.
Поразмыслив над вопросом — а почему в машине такая опасная вещь — пришел к выводу, что, возможно, аварийный вибратор поставили военные, чтобы машина после ядерного взрыва (когда вся электроника встает, в т.ч. Выключатель). Думаю, что если дойдет до ядерной войны, я все равно буду — машина может продолжать движение или нет.
Если вы хотите повысить живучесть автомобиля, то у вас есть запасной выключатель получше (и запасной статор траверсы — (у)).
Я почувствовал некоторое «подергивание». После остановки на дозаправке тронуться не удалось. Еще один симптом — при включении зажигания стрелки напряжения сразу принимают фикс. Положение (когда все нормально, то через пару секунд после этого (катушка заряжена?) Все равно должно идти вправо). После замены переключателя положение не изменилось.Обмакнул пресловутую проводку в завалы. Попытка увеличить его привела к обрыву куска. Запасной гусеницы, естественно, нет (надо «статор» возить с собой в запас). Магазины не работают (воскресенье, поздний вечер). Завербован аварийный вибратор. На нем проехал около ста километров. Машина вылетела 80-90, правда, при попытке резко разогнаться, сбивалась. Расход — в разумных пределах. В ногах пассажира вся дорога раздавалась в бодрящем писке.
Ну только один в один! А вот с аварийным вибратором ждал облом. У меня был неисправен заводской вибратор. Как далеко он улетел после того, как я узнал. А потом несколько часов с кабелем в руках. Сейчас к человеку катушку статора пригоняю … Все-таки дубли лучше таскать с собой, надежнее.
Шаг 1. Препарат
Общий вид комплекта АТЕ2:
Еще нужен, помимо самой системы, набор шоферского инструмента.Как минимум вам понадобятся: ключи клаксона на 8, 10, крестовая отвертка и «кривой» стартер (если кузовной лифт сделан или нет возможность использовать «кривой» стартер — нужно то, что можно крутить двигатель) .
Шаг 2. Демонтаж родного датчика трамблера (далее — траверса) и катушки зажигания
Перед снятием родной резины необходимо провернуть двигатель так, чтобы совместить метку на «5o к NTC 1-го цилиндра» со штифтом на блоке. Вращаем двигатель по часовой стрелке, совмещаем метки и потом снимаем крышку травера.Если бегунок направлен в сторону блока цилиндров, то можно демонтировать родную резину. Если нет, бегунок направлен на противоположную сторону блока, нужно провернуть двигатель еще на один оборот. Теперь слайдер смотрит на двигатель.
Для демонтажа резины снимите высоковольтные провода и шланг регулятора вакуума и ключом на 10 поверните болт крепления пластины октан-корректора к корпусу привода и, встряхнув резину, выньте ее. В случае, если не хватает форм рук, достаем шлицевую отвертку снизу пластины октан-корректора, и, опираясь на привод, смещаем резину вверх.
Затем снимаем штатную катушку зажигания. Откручиваем 2 гайки и снимаем провода с выводов. Сама катушка прикручена 2 винтами к моторному щиту.
Шаг 3. Установка новой катушки зажигания .
Перед установкой новой резины необходимо установить на нее пластину октан-корректора. Эта пластина не имеет фиксированного положения на корпусе траверса. Место первичной установки немного левее корпуса вакуумного регулятора, если посмотреть на резину сверху.Поместив пластину на корпус и приподняв ее с примерным положением, 10 затяните на ней гайку. Таким образом, пластина обжимает корпус как зажим.
ВНИМАНИЕ (!) — Не прилагайте чрезмерных усилий, этот материал очень хрупкий!
Наконец, положение пластины выбирается уже при выставлении двигателя на двигателе.
Резина готова к установке на двигатель. Какая бы резина ни поднималась в привод, необходимо добиться совпадения выступов на муфте снизу траверсы с прорезями на приводном ролике.Расположите резину рядом с приводом и повернув муфту рукой, добейтесь образцового выступа с прорезью на ролике.
ВНИМАНИЕ (!) — выступы на муфте совпадают с прорезью только в таком же положении, т.к. выступы смещены от средней линии.
Вставляем резину в привод и, выворачивая в сторону, в сторону совпадения муфты с приводным роликом. На установленной резине не должно быть зазора между октан-корректором и самим корпусом привода.
Снимите крышку нового траверса. Для этого перекрестной отверткой откручиваем 2 винта. Ползунок должен смотреть на моторный щит.
Дело в том, что у траверса АТЕ-2 нумерация 1-го цилиндра не совпадает с нумерацией штатного траверса. Вывод 1-го цилиндра у новой траверсы находится над крышей датчика Холла (на крышке цифра «1» — это означает 1-й цилиндр). Объясняется это тем, что сцепка траверса АТЕ-2 развернута на 180 °.
Затем, поворачивая корпус траверсы, добиваемся, чтобы разъем 1-го цилиндра на крышке совпал с контактом бегунка. Другими словами, момент зажигания смеси в первом цилиндре. Это будет начальный Воз. Ездить на нем естественно невозможно, но запустить двигатель на регулировку уже можно. С рук заворачиваем болт крепления пластины октан-корректора к корпусу привода.
Теперь установите новую катушку зажигания. Ставлю на штатное место без переделок.
Шаг 4. Подключение проводки и установка выключателя
Нет ничего сложного. Если использовать комплект от ВАЗ-21074, то блоков на 3 контакта не будет. Т.к. в разных схемах эти провода разного цвета, я напишу их количество. Думаю слева направо по количеству номеров контактов переключателя (расположение переключателя как на 1 фото).
Провод от контакта № 3 (цвета чаще синий или синий с красной полосой) подключается к плюсовому разъему катушки зажигания.На катушке это гнездо чаще обозначается знаком «+» или «b», либо «ват». К этому же разъему нужно подключить «+» от штатной катушки.
Провод от контакта № 5 (чаще коричневый или черный, это самый короткий «хвост») подключается к любой «массе»
Провод от последнего контакта номер 6 (чаще коричневый с красным или коричневый с синим) подключается ко второму разъему на катушке зажигания. Может обозначаться как «К», «ВК» или «РУП». К этому же разъему катушки подключается провод от блока управления EPHH (если есть).
2 Колодки подключены к выключателю и выходу датчика Холла на щебне.
Вставьте провода в резину. Порядок подключения 1-2-4-3, начиная с выхода 1-го цилиндра. Должно получиться так:
Осталось найти место переключателю, так как длина проводов не позволяет поставить его на штатное место. Если машина не участвует в соревнованиях, можно поставить выключатель рядом с блоком предохранителей.Достаточно надежное и доступное место. Продел провода и закрепил тумблер под панелью приборов в ногах переднего пассажира.
Также стоит отметить, что не все цифровые тахометры, работавшие по штатной схеме транзисторного переключателя, могут работать с датчиком Холла.
Осталось только отрегулировать уз и затянуть болт крепления пластины октан-корректора.
ПРИЛОЖЕНИЕ. Схема зажигания ВАЗ-21089
25 — катушка зажигания
23 — Блок управления EPHH
27 — Переключатель
Датчик напряжения состоит из ротора и статора.Закрепите пластину октан-корректора болтом на корпусе датчика дозатора. 6. Установить крышку датчика распределителя, проверить установку проводов зажигания к свечам в соответствии с порядком цилиндров двигателя 1-2-4-3, считая против часовой стрелки. После каждой установки зажигания проверяйте точность установки момента зажигания, прислушиваясь к работе двигателя при движении автомобиля.
Система зажигания на УАЗ 469
Этот режим используется, если вы запускаете стартер двигателя.Зажигание на УАЗ имеет простую конструкцию. Бесконтактное зажигание удобнее в использовании, чем контактное.
С устройством блокировки от кражи, с блокировкой от повторного включения стартера без предварительного выключения зажигания и с подсветкой розетки. Блокирующее устройство для повторного включения стартера не должно позволять ключу снова переключиться из положения I (зажигание) в положение II (стартер).
Работа двигателя невозможна без правильно установленной точки зажигания. Поворачивайте корпус траверса, пока средняя метка на его корпусе не совместится с меткой двигателя.Например, для автомобиля ВАЗ-2106 переключатель может быть установлен в свободном пространстве между бачком омывателя и левой фарой. Просверлите 2 отверстия и прикрутите выключатель винтами. Правильная установка угла опережения зажигания в бесконтактной системе зажигания дает возможность управлять автомобилем в комфортных условиях. Установите коленчатый вал в положение, соответствующее углу зажигания впереди на 5 градусов. Проверить порядок подключения высоковольтных проводов цилиндров двигателя.
Подводный розжиг УАЗ Схема
А можно дальше, выкинуть штатный жгут, систему EPHX и место вариатора под капот для установки переключателя. Вывод дополнительного сопротивления «на реле стартера» в некоторых вариантах проводка подключается к дополнительным контактам на замке зажигания, а не к реле стартера. Катушка для контактной системы зажигания! Интересным дополнением к системе зажигания с Дравером АТЕ-2 и датчиком Холла станет выключатель 962.3734 в комплекте с датчиком детонации (автоматический октан-корректор). Датчик детонации подключается к 7-й стопе коммутатора, который обычно не используется. Дело в том, что восьмерка на восьмом моторе идет «от задницы» и имеет привод от распредвала.
В штангу помещается пара линейных датчиков, расположенных под углом 90 градусов. относительно друг друга. На ось надевается пластина «Бабочка», которая при движении в датчиках Холла попеременно формирует импульсы. Трамблер будет закреплен любым, главное, чтобы он подходил к типу исполнительного механизма и был хорош.
Рекомендации по настройке травера Можно ли поставить резину от Волги на работу тамблера с датчиком Холла (статья) Как изолировать от воды резину? Переделка бесконтактного зажигания на контактное helego переделала все электронное зажигание на 31519 с двигателем 3 л.1. Штатный электронный распределитель зажигания заменен на механический П 119-б; 2. Штатная катушка зажигания заменена на В-117 А; 3. Штатный переключатель и вариатор просто снимаются; 4.Если возможна контактная система зажигания, то возможен износ подшипника в распределителе зажигания или неправильный зазор между контактами. Поверните траверсу к первому цилиндру к первому цилиндру, и среднюю метку на шкиве SV (ZMZ 402) или первый шкив (двигатели UMP) напротив Shortt. Предназначен для установки на автомобили «Газель» и «Волга» с карбюраторным двигателем ЗМЗ-4026.10 взамен штатной системы зажигания.
Шаг 4: Подключение проводки и установка переключателя.Вставьте инъекцию в резину.
Инструкция по замене металлопривода насоса
Выключаем зажигание и демонтируем крышку травера, к ней подключаются наконечники и высоковольтные кабели. Затем от распределительного механизма нужно отключить провод, подключенный к выключателю. Взяв гаечный ключ на 13, откручиваем две гайки, фиксирующие устройство, и демонтируем механизм с силовым агрегатом с приводом масляного насоса.
Какая схема подключения электронного или бесконтактного зажигания на УАЗ 417, как переделать контактное зажигание на бесконтактное? Почему греется катушка и как отрегулировать и отрегулировать угол опережения? Также бесконтактные системы оснащены электромагнитным устройством, что позволяет добиться более стабильной работы двигателя.Один из основных нюансов в плане обслуживания — необходимость периодической смазки привода распределителя — не реже, чем каждые 10 тысяч км пробега. После этого с распределительного механизма снимаем крышку.
Какая бы резина ни поднималась в привод, необходимо добиться совпадения выступов на муфте снизу траверсы с пазами на приводном ролике. На установленной резине не должно быть зазора между пластиной октан-корректора и самим корпусом привода.Крышка нового трамблера. Для этого перекрестной отверткой откручиваем 2 винта. Ползунок должен смотреть на моторный щит. Дело в том, что у траверса АТЕ-2 номер 1-го цилиндра не совпадает с нумерацией штатного траверса. Ставится на штатное место без переделки. Хаша 4. Подключение проводки и установка коммутатора сложны. Если использовать комплект от ВАЗ-21074, то блоков на 3 контакта не будет.
Основными составляющими системы контактного типа являются аккумулятор, ярлык, привод, свечи, конденсатор, а также прерыватель с распределителем.Бесконтактную систему зажигания называют транзисторной. В отличие от двух систем, описанных выше, электронная система зажигания отличается сложным устройством, обеспечивающим работоспособность не только по моменту, но и по другим параметрам.
8000 км. Затягиваем гайки проводки и крепления проводов проводов. Смазка втулки ротора. 2. Снимите пластиковую крышку с трамплина и убедитесь, что электрод совмещает ползунок с выемкой на крышке.
— датчик-распределитель;
— переключатель транзисторный;
— катушка зажигания;
— добавление сопротивления;
— вибратор аварийный;
— свеча зажигания.
Датчик распределителя
Датчик распределителя имеет корпус, крышку, ролик, датчик синусоидального напряжения, центробежный и вакуумный регуляторы, а также октан-корректор. Центробежный контроллер автоматически изменяет угол опережения зажигания в зависимости от скорости вращения.
Датчик напряжения состоит из ротора и статора. Ротор представляет собой кольцевой постоянный магнит с плотно прижатыми к нему сверху и снизу четырехполюсными ракетами, жестко закрепленными на втулке.В верхней части ротора на втулке установлен ползун.
Статор датчика представляет собой обмотку, заключенную в четырехполюсные пластины. Статор имеет изолированный многожильный выход, подключенный к выходу датчика. Второй вывод обмотки электрически соединен с корпусом в собранном распределителе.
На роторе, на стрелке статора наклеена метка, служащая для установки начального момента искрообразования.
Сопротивление обмоток при температуре (25 ± 10) ° С, Ом:
первичный….. 0,43.
вторичный ….. 13 000-13 400
Максимальное развиваемое вторичное напряжение, В ….. 30 000
Катушка имеет выход высокого напряжения и два выхода низкого напряжения:
— вывод на — для соединения с выводом на дополнительное сопротивление;
— Немаркированный вывод — с выводом выключателя выключателя.
Значение активного сопротивления между выводами «+» и «C» (0,71 ± 0,05), между выводами «C» и «K» — (0.52 ± 0,05) Ом.
Состоит из корпуса и плат с радиоэлементами. Предназначены выводы переключателя:
— вывод D — для подключения к низковольтному выводу датчика-распределителя;
— вывод КЗ — для подключения к выводу катушки зажигания;
— Выход «+» — для соединения с выходом «+» дополнительного сопротивления или блока предохранителей.
Состоит из корпуса и плат, на которых смонтированы все узлы вибратора. Вывод один.Включение его в работу допускается только при выходе из строя транзисторного ключа или катушки статора датчика.
Техническое обслуживание
Через 8000 км
Проверить вкладыш разъема датчика распределителя низкого напряжения, крепление соединительных проводов.
Через 16000 км
Проверьте распределитель зажигания: осмотрите бегунок, крышку распределителя и, в случае их загрязнения, протрите X / B тканью, смоченной в чистом бензине.
Смажьте из капельницы (4-5 капель) втулку ротора (предварительно снимите бегунок и фильтр под ним).
Через 50 000 км
Тщательно промойте шарикоподшипники опоры статора из чистого бензина, нанесите смазку литолом-24 не более чем на 2/3 свободного объема подшипника (предварительно снимите крышку, ползун, ротор и опору статора) .
Настройка момента зажигания
1.Установить поршень первого цилиндра в верхнюю мертвую точку такта сжатия в первом цилиндре до совпадения отверстия М3 (5 ° к НТТ) на шкиве коленчатого вала со штифтом на крышке распределительного вала.
2. Снимите пластиковую крышку с датчика распределителя. Убедитесь, что бегунок электрода был установлен напротив выхода на крышке датчика-датчика, отмеченного цифрой «1» (выход для провода зажигания цилиндра двигателя первого цилиндра).
3. Прикрутите вставленную в нее пластину грубого корректора, вставленную в нее, к корпусу привода так, чтобы стрелка совпадала со средним делением Октанового корректора.
4. Ослабьте болт крепления пластины октан-корректора к корпусу датчика дозатора.
5. Удерживая бегунок пальцем против вращения (для устранения зазоров в приводе), осторожно поверните корпус, чтобы совместить по одной линии красную метку на роторе и островок лепестка на статоре. Закрепите пластину октан-корректора болтом на корпусе датчика дозатора.
6. Установить крышку датчика распределителя, проверить установку проводов зажигания к свечам в соответствии с порядком цилиндров двигателя 1-2-4-3, считая против часовой стрелки.
После каждой установки зажигания проверяйте правильность установки момента зажигания, прислушиваясь к работе двигателя при движении автомобиля.
Для этого прогрейте двигатель до температуры 80 ° С и, двигаясь на прямой трансмиссии по ровной дороге со скоростью 40 км / ч, дайте автомобилю разгон, резко нажав на педаль привода дроссельной заслонки. Если произойдет небольшая кратковременная детонация до скорости 55-60 км / ч, то установка момента зажигания производится правильно.
При сильной детонации поверните корпус датчика клапана () по шкале октан-корректора на 0,5–1,0 деления против часовой стрелки. Каждое деление шкалы соответствует изменению момента зажигания на 4 ° с учетом коленчатого вала. При полном отсутствии детонации необходимо увеличить угол опережения зажигания, повернув корпус датчика распределителя по часовой стрелке.
Если вы ремонтируете двигатель, значит вы сделали разборку, и сейчас на стадии сборки.Понятно, что в этом случае установка зажигания начинается с установки меток ГРМ.
В двигателе УАЗ-469 нет цепи и нет зубчатого ремня автомобиля. Колено-валная шестерня чугунная, шестерня распредвала текстолитовая с чугунной ступицей.
Отливка и колена / вал УАЗ-469, УАЗ-31512, 31514 необходимо устанавливать в блок таким образом, чтобы метка «О» на шестерне коленчатого вала препятствовала риску вдавления зуба на шестерне распределительного вала. Это обеспечивает правильность фаз газораспределения.
Маркер «0», я отметил на чертеже красной стрелкой
Следующим важным этапом является установка аккумуляторного привода. А это не так просто, как на каком-нибудь «Жигуле» разрешено.
Проверьте приводной ролик так, чтобы прорезь на его конце для шипов распределителя была расположена, как показано на рис. 71b, и ролик масляного насоса с помощью отвертки, проверьте положение, указанное на рис. 71.
Внимание, не подойдя к шестерне за стенками блока, вставьте привод в блок.После установки привода его ролик должен занять положение, указанное на рис. 71а.
То есть будет проверяться (и это важно), занимая правильное положение, если не повернул, то вы поставили исходное положение под неправильным углом и не попали в прорезь. Вы должны повторить попытку.
Затем возьмите трамблер, поверните бегунок вокруг контакта провода первого цилиндра и вставьте его в привод бойка. Закрепите предварительный привод и трамблер.
Вам пригодится это видео
Проверните колени / вал на 2 оборота, чтобы убедиться в отсутствии подмигивания ЦПГ.
Ну, собственно, только теперь можно приступить к процессу, названному в книжках «Установка».


И.
