ΠΠ°ΠΊ ΡΠ°Π±ΠΎΡΠ°Π΅Ρ ΡΠ΅Π³Π΅Π½Π΅ΡΠ°ΡΠΈΠ²Π½ΡΠΉ ΠΏΡΠΈΠ΅ΠΌΠ½ΠΈΠΊ Π½Π° ΠΏΠΎΠ»Π΅Π²ΠΎΠΌ ΡΡΠ°Π½Π·ΠΈΡΡΠΎΡΠ΅. ΠΠ°ΠΊΠΈΠ΅ ΠΏΡΠ΅ΠΈΠΌΡΡΠ΅ΡΡΠ²Π° Ρ ΡΠ°ΠΊΠΎΠΉ ΡΡ Π΅ΠΌΡ. ΠΠ°ΠΊ ΡΠΎΠ±ΡΠ°ΡΡ ΠΏΡΠΎΡΡΠΎΠΉ ΠΠ ΡΠ΅Π³Π΅Π½Π΅ΡΠ°ΡΠΈΠ²Π½ΡΠΉ ΠΏΡΠΈΠ΅ΠΌΠ½ΠΈΠΊ Π½Π° ΠΠ307Π. ΠΠ°ΠΊΠΈΠ΅ ΠΎΡΠΎΠ±Π΅Π½Π½ΠΎΡΡΠΈ Π½Π°ΡΡΡΠΎΠΉΠΊΠΈ ΡΠ΅Π³Π΅Π½Π΅ΡΠ°ΡΠΈΠ²Π½ΠΎΠ³ΠΎ ΠΏΡΠΈΠ΅ΠΌΠ½ΠΈΠΊΠ°.
ΠΡΠΈΠ½ΡΠΈΠΏ ΡΠ°Π±ΠΎΡΡ ΡΠ΅Π³Π΅Π½Π΅ΡΠ°ΡΠΈΠ²Π½ΠΎΠ³ΠΎ ΠΏΡΠΈΠ΅ΠΌΠ½ΠΈΠΊΠ° Π½Π° ΠΏΠΎΠ»Π΅Π²ΠΎΠΌ ΡΡΠ°Π½Π·ΠΈΡΡΠΎΡΠ΅
Π Π΅Π³Π΅Π½Π΅ΡΠ°ΡΠΈΠ²Π½ΡΠΉ ΠΏΡΠΈΠ΅ΠΌΠ½ΠΈΠΊ — ΡΡΠΎ ΠΏΡΠΎΡΡΠ°Ρ ΠΈ ΡΡΡΠ΅ΠΊΡΠΈΠ²Π½Π°Ρ ΠΊΠΎΠ½ΡΡΡΡΠΊΡΠΈΡ ΡΠ°Π΄ΠΈΠΎΠΏΡΠΈΠ΅ΠΌΠ½ΠΈΠΊΠ°, ΠΏΠΎΠ·Π²ΠΎΠ»ΡΡΡΠ°Ρ Π΄ΠΎΡΡΠΈΡΡ Π²ΡΡΠΎΠΊΠΎΠΉ ΡΡΠ²ΡΡΠ²ΠΈΡΠ΅Π»ΡΠ½ΠΎΡΡΠΈ ΠΏΡΠΈ ΠΌΠΈΠ½ΠΈΠΌΡΠΌΠ΅ ΠΊΠΎΠΌΠΏΠΎΠ½Π΅Π½ΡΠΎΠ². ΠΠ»ΡΡΠ΅Π²ΠΎΠΉ ΠΎΡΠΎΠ±Π΅Π½Π½ΠΎΡΡΡΡ ΡΠ²Π»ΡΠ΅ΡΡΡ ΠΈΡΠΏΠΎΠ»ΡΠ·ΠΎΠ²Π°Π½ΠΈΠ΅ ΠΏΠΎΠ»ΠΎΠΆΠΈΡΠ΅Π»ΡΠ½ΠΎΠΉ ΠΎΠ±ΡΠ°ΡΠ½ΠΎΠΉ ΡΠ²ΡΠ·ΠΈ (ΡΠ΅Π³Π΅Π½Π΅ΡΠ°ΡΠΈΠΈ) Π΄Π»Ρ ΠΊΠΎΠΌΠΏΠ΅Π½ΡΠ°ΡΠΈΠΈ ΠΏΠΎΡΠ΅ΡΡ Π² ΠΊΠΎΠ»Π΅Π±Π°ΡΠ΅Π»ΡΠ½ΠΎΠΌ ΠΊΠΎΠ½ΡΡΡΠ΅.
Π ΡΡ Π΅ΠΌΠ΅ Π½Π° ΠΏΠΎΠ»Π΅Π²ΠΎΠΌ ΡΡΠ°Π½Π·ΠΈΡΡΠΎΡΠ΅ ΠΎΠ½ Π²ΡΠΏΠΎΠ»Π½ΡΠ΅Ρ ΡΠΎΠ»Ρ Π°ΠΊΡΠΈΠ²Π½ΠΎΠ³ΠΎ ΡΠ»Π΅ΠΌΠ΅Π½ΡΠ°, ΠΎΠ±Π΅ΡΠΏΠ΅ΡΠΈΠ²Π°ΡΡΠ΅Π³ΠΎ ΡΡΠΈΠ»Π΅Π½ΠΈΠ΅ ΠΈ ΡΠ΅Π³Π΅Π½Π΅ΡΠ°ΡΠΈΡ. Π‘ΠΈΠ³Π½Π°Π» Ρ Π°Π½ΡΠ΅Π½Π½Ρ ΠΏΠΎΡΡΡΠΏΠ°Π΅Ρ Π½Π° ΠΊΠΎΠ»Π΅Π±Π°ΡΠ΅Π»ΡΠ½ΡΠΉ ΠΊΠΎΠ½ΡΡΡ, Π·Π°ΡΠ΅ΠΌ ΡΡΠΈΠ»ΠΈΠ²Π°Π΅ΡΡΡ ΡΡΠ°Π½Π·ΠΈΡΡΠΎΡΠΎΠΌ ΠΈ ΡΠ°ΡΡΠΈΡΠ½ΠΎ Π²ΠΎΠ·Π²ΡΠ°ΡΠ°Π΅ΡΡΡ ΠΎΠ±ΡΠ°ΡΠ½ΠΎ Π² ΠΊΠΎΠ½ΡΡΡ, ΠΏΠΎΠ²ΡΡΠ°Ρ Π΅Π³ΠΎ Π΄ΠΎΠ±ΡΠΎΡΠ½ΠΎΡΡΡ. ΠΡΠΎ ΠΏΠΎΠ·Π²ΠΎΠ»ΡΠ΅Ρ Π·Π½Π°ΡΠΈΡΠ΅Π»ΡΠ½ΠΎ ΡΠ²Π΅Π»ΠΈΡΠΈΡΡ ΡΡΠ²ΡΡΠ²ΠΈΡΠ΅Π»ΡΠ½ΠΎΡΡΡ ΠΈ ΠΈΠ·Π±ΠΈΡΠ°ΡΠ΅Π»ΡΠ½ΠΎΡΡΡ ΠΏΡΠΈΠ΅ΠΌΠ½ΠΈΠΊΠ°.
ΠΡΠ΅ΠΈΠΌΡΡΠ΅ΡΡΠ²Π° ΡΠ΅Π³Π΅Π½Π΅ΡΠ°ΡΠΈΠ²Π½ΠΎΠ³ΠΎ ΠΏΡΠΈΠ΅ΠΌΠ½ΠΈΠΊΠ° Π½Π° ΠΏΠΎΠ»Π΅Π²ΠΎΠΌ ΡΡΠ°Π½Π·ΠΈΡΡΠΎΡΠ΅
ΠΡΠΏΠΎΠ»ΡΠ·ΠΎΠ²Π°Π½ΠΈΠ΅ ΠΏΠΎΠ»Π΅Π²ΠΎΠ³ΠΎ ΡΡΠ°Π½Π·ΠΈΡΡΠΎΡΠ° Π² ΡΠ΅Π³Π΅Π½Π΅ΡΠ°ΡΠΈΠ²Π½ΠΎΠΌ ΠΏΡΠΈΠ΅ΠΌΠ½ΠΈΠΊΠ΅ Π΄Π°Π΅Ρ ΡΡΠ΄ ΠΏΡΠ΅ΠΈΠΌΡΡΠ΅ΡΡΠ² ΠΏΠΎ ΡΡΠ°Π²Π½Π΅Π½ΠΈΡ Ρ Π±ΠΈΠΏΠΎΠ»ΡΡΠ½ΡΠΌΠΈ ΡΡΠ°Π½Π·ΠΈΡΡΠΎΡΠ°ΠΌΠΈ:

- ΠΡΡΠΎΠΊΠΎΠ΅ Π²Ρ ΠΎΠ΄Π½ΠΎΠ΅ ΡΠΎΠΏΡΠΎΡΠΈΠ²Π»Π΅Π½ΠΈΠ΅, ΠΌΠ΅Π½ΡΡΠ΅ Π½Π°Π³ΡΡΠΆΠ°Π΅Ρ ΠΊΠΎΠ»Π΅Π±Π°ΡΠ΅Π»ΡΠ½ΡΠΉ ΠΊΠΎΠ½ΡΡΡ
- ΠΠΈΠ·ΠΊΠΈΠΉ ΡΡΠΎΠ²Π΅Π½Ρ ΡΡΠΌΠΎΠ²
- ΠΠΎΠ»Π΅Π΅ ΠΏΠ»Π°Π²Π½Π°Ρ ΡΠ΅Π³ΡΠ»ΠΈΡΠΎΠ²ΠΊΠ° ΠΎΠ±ΡΠ°ΡΠ½ΠΎΠΉ ΡΠ²ΡΠ·ΠΈ
- ΠΠ΅Π½ΡΡΠ΅ ΠΈΡΠΊΠ°ΠΆΠ΅Π½ΠΈΠΉ ΠΏΡΠΈ ΠΏΡΠΈΠ΅ΠΌΠ΅ ΡΠΈΠ»ΡΠ½ΡΡ ΡΠΈΠ³Π½Π°Π»ΠΎΠ²
- Π₯ΠΎΡΠΎΡΠ°Ρ ΡΠ°Π±ΠΎΡΠ° Π½Π° Π²ΡΡΠΎΠΊΠΈΡ ΡΠ°ΡΡΠΎΡΠ°Ρ
ΠΠ»Π°Π³ΠΎΠ΄Π°ΡΡ ΡΡΠΎΠΌΡ ΡΠ΅Π³Π΅Π½Π΅ΡΠ°ΡΠΈΠ²Π½ΡΠΉ ΠΏΡΠΈΠ΅ΠΌΠ½ΠΈΠΊ Π½Π° ΠΏΠΎΠ»Π΅Π²ΠΎΠΌ ΡΡΠ°Π½Π·ΠΈΡΡΠΎΡΠ΅ ΠΎΠ±Π΅ΡΠΏΠ΅ΡΠΈΠ²Π°Π΅Ρ Π²ΡΡΠΎΠΊΡΡ ΡΡΠ²ΡΡΠ²ΠΈΡΠ΅Π»ΡΠ½ΠΎΡΡΡ ΠΈ ΠΈΠ·Π±ΠΈΡΠ°ΡΠ΅Π»ΡΠ½ΠΎΡΡΡ ΠΏΡΠΈ ΠΏΡΠΎΡΡΠΎΠΉ ΡΡ Π΅ΠΌΠ΅.
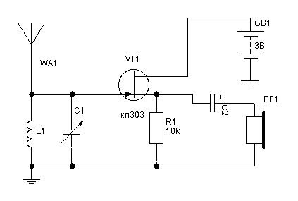
Π‘Ρ Π΅ΠΌΠ° ΠΏΡΠΎΡΡΠΎΠ³ΠΎ ΠΠ ΡΠ΅Π³Π΅Π½Π΅ΡΠ°ΡΠΈΠ²Π½ΠΎΠ³ΠΎ ΠΏΡΠΈΠ΅ΠΌΠ½ΠΈΠΊΠ° Π½Π° ΠΠ307Π
Π Π°ΡΡΠΌΠΎΡΡΠΈΠΌ ΡΡ Π΅ΠΌΡ ΠΏΡΠΎΡΡΠΎΠ³ΠΎ ΡΠ΅Π³Π΅Π½Π΅ΡΠ°ΡΠΈΠ²Π½ΠΎΠ³ΠΎ ΠΏΡΠΈΠ΅ΠΌΠ½ΠΈΠΊΠ° Π½Π° ΠΏΠΎΠ»Π΅Π²ΠΎΠΌ ΡΡΠ°Π½Π·ΠΈΡΡΠΎΡΠ΅ ΠΠ307Π Π΄Π»Ρ ΠΠ Π΄ΠΈΠ°ΠΏΠ°Π·ΠΎΠ½Π°:
«` «`ΠΡΠ½ΠΎΠ²Π½ΡΠ΅ ΡΠ»Π΅ΠΌΠ΅Π½ΡΡ ΡΡ Π΅ΠΌΡ:
- L1 — ΠΊΠ°ΡΡΡΠΊΠ° ΡΠ²ΡΠ·ΠΈ Ρ Π°Π½ΡΠ΅Π½Π½ΠΎΠΉ
- L2 — ΠΊΠΎΠ½ΡΡΡΠ½Π°Ρ ΠΊΠ°ΡΡΡΠΊΠ°
- C1 — ΠΊΠΎΠ½Π΄Π΅Π½ΡΠ°ΡΠΎΡ Π½Π°ΡΡΡΠΎΠΉΠΊΠΈ
- VT1 — ΠΏΠΎΠ»Π΅Π²ΠΎΠΉ ΡΡΠ°Π½Π·ΠΈΡΡΠΎΡ ΠΠ307Π
- R3 — ΡΠ΅Π³ΡΠ»ΡΡΠΎΡ ΠΎΠ±ΡΠ°ΡΠ½ΠΎΠΉ ΡΠ²ΡΠ·ΠΈ
- C2 — ΡΠ°Π·Π΄Π΅Π»ΠΈΡΠ΅Π»ΡΠ½ΡΠΉ ΠΊΠΎΠ½Π΄Π΅Π½ΡΠ°ΡΠΎΡ
Π‘ΠΈΠ³Π½Π°Π» Ρ Π°Π½ΡΠ΅Π½Π½Ρ ΡΠ΅ΡΠ΅Π· ΠΊΠ°ΡΡΡΠΊΡ ΡΠ²ΡΠ·ΠΈ L1 ΠΏΠΎΡΡΡΠΏΠ°Π΅Ρ Π² ΠΊΠΎΠ»Π΅Π±Π°ΡΠ΅Π»ΡΠ½ΡΠΉ ΠΊΠΎΠ½ΡΡΡ L2C1. ΠΠΎΠ»Π΅Π²ΠΎΠΉ ΡΡΠ°Π½Π·ΠΈΡΡΠΎΡ VT1 ΡΡΠΈΠ»ΠΈΠ²Π°Π΅Ρ ΡΠΈΠ³Π½Π°Π», ΡΠ°ΡΡΡ ΠΊΠΎΡΠΎΡΠΎΠ³ΠΎ ΡΠ΅ΡΠ΅Π· ΠΊΠΎΠ½Π΄Π΅Π½ΡΠ°ΡΠΎΡ C2 ΠΈ ΡΠ΅Π·ΠΈΡΡΠΎΡ R3 Π²ΠΎΠ·Π²ΡΠ°ΡΠ°Π΅ΡΡΡ ΠΎΠ±ΡΠ°ΡΠ½ΠΎ Π² ΠΊΠΎΠ½ΡΡΡ, ΡΠΎΠ·Π΄Π°Π²Π°Ρ ΠΏΠΎΠ»ΠΎΠΆΠΈΡΠ΅Π»ΡΠ½ΡΡ ΠΎΠ±ΡΠ°ΡΠ½ΡΡ ΡΠ²ΡΠ·Ρ. Π‘ Π²ΡΡ ΠΎΠ΄Π° ΡΡΠ°Π½Π·ΠΈΡΡΠΎΡΠ° ΡΠΈΠ³Π½Π°Π» ΠΏΠΎΡΡΡΠΏΠ°Π΅Ρ Π½Π° ΡΡΠΈΠ»ΠΈΡΠ΅Π»Ρ Π½ΠΈΠ·ΠΊΠΎΠΉ ΡΠ°ΡΡΠΎΡΡ.

ΠΡΠΎΠ±Π΅Π½Π½ΠΎΡΡΠΈ Π½Π°ΡΡΡΠΎΠΉΠΊΠΈ ΡΠ΅Π³Π΅Π½Π΅ΡΠ°ΡΠΈΠ²Π½ΠΎΠ³ΠΎ ΠΏΡΠΈΠ΅ΠΌΠ½ΠΈΠΊΠ°
ΠΠ°ΡΡΡΠΎΠΉΠΊΠ° ΡΠ΅Π³Π΅Π½Π΅ΡΠ°ΡΠΈΠ²Π½ΠΎΠ³ΠΎ ΠΏΡΠΈΠ΅ΠΌΠ½ΠΈΠΊΠ° ΡΡΠ΅Π±ΡΠ΅Ρ Π½Π΅ΠΊΠΎΡΠΎΡΠΎΠ³ΠΎ Π½Π°Π²ΡΠΊΠ°. ΠΡΠ½ΠΎΠ²Π½ΡΠ΅ ΠΌΠΎΠΌΠ΅Π½ΡΡ:
- Π£ΡΡΠ°Π½ΠΎΠ²ΠΈΡΠ΅ ΡΠ΅Π³ΡΠ»ΡΡΠΎΡ ΠΎΠ±ΡΠ°ΡΠ½ΠΎΠΉ ΡΠ²ΡΠ·ΠΈ R3 Π² ΠΏΠΎΠ»ΠΎΠΆΠ΅Π½ΠΈΠ΅ ΠΌΠΈΠ½ΠΈΠΌΠ°Π»ΡΠ½ΠΎΠΉ ΡΠ²ΡΠ·ΠΈ
- ΠΠ°ΡΡΡΠΎΠΉΡΠ΅ΡΡ Π½Π° ΠΆΠ΅Π»Π°Π΅ΠΌΡΡ ΡΡΠ°Π½ΡΠΈΡ ΠΊΠΎΠ½Π΄Π΅Π½ΡΠ°ΡΠΎΡΠΎΠΌ C1
- ΠΠ»Π°Π²Π½ΠΎ ΡΠ²Π΅Π»ΠΈΡΠΈΠ²Π°ΠΉΡΠ΅ ΠΎΠ±ΡΠ°ΡΠ½ΡΡ ΡΠ²ΡΠ·Ρ ΡΠ΅Π³ΡΠ»ΡΡΠΎΡΠΎΠΌ R3 Π΄ΠΎ ΠΏΠΎΡΠ²Π»Π΅Π½ΠΈΡ ΡΠ²ΠΈΡΡΠ°
- ΠΠ΅ΠΌΠ½ΠΎΠ³ΠΎ ΡΠΌΠ΅Π½ΡΡΠΈΡΠ΅ ΠΎΠ±ΡΠ°ΡΠ½ΡΡ ΡΠ²ΡΠ·Ρ — ΠΏΡΠΈΠ΅ΠΌΠ½ΠΈΠΊ Π±ΡΠ΄Π΅Ρ ΡΠ°Π±ΠΎΡΠ°ΡΡ Π½Π° Π³ΡΠ°Π½ΠΈ Π²ΠΎΠ·Π±ΡΠΆΠ΄Π΅Π½ΠΈΡ
- ΠΡΠΈ Π½Π΅ΠΎΠ±Ρ ΠΎΠ΄ΠΈΠΌΠΎΡΡΠΈ ΠΏΠΎΠ΄ΡΡΡΠΎΠΉΡΠ΅ ΡΠ°ΡΡΠΎΡΡ ΠΊΠΎΠ½Π΄Π΅Π½ΡΠ°ΡΠΎΡΠΎΠΌ C1
ΠΡΠ°Π²ΠΈΠ»ΡΠ½ΠΎ Π½Π°ΡΡΡΠΎΠ΅Π½Π½ΡΠΉ ΡΠ΅Π³Π΅Π½Π΅ΡΠ°ΡΠΈΠ²Π½ΡΠΉ ΠΏΡΠΈΠ΅ΠΌΠ½ΠΈΠΊ ΠΎΠ±Π΅ΡΠΏΠ΅ΡΠΈΠ²Π°Π΅Ρ Π²ΡΡΠΎΠΊΡΡ ΡΡΠ²ΡΡΠ²ΠΈΡΠ΅Π»ΡΠ½ΠΎΡΡΡ ΠΈ ΠΈΠ·Π±ΠΈΡΠ°ΡΠ΅Π»ΡΠ½ΠΎΡΡΡ. ΠΠ΄Π½Π°ΠΊΠΎ ΡΠ»ΠΈΡΠΊΠΎΠΌ ΡΠΈΠ»ΡΠ½Π°Ρ ΠΎΠ±ΡΠ°ΡΠ½Π°Ρ ΡΠ²ΡΠ·Ρ ΠΏΡΠΈΠ²ΠΎΠ΄ΠΈΡ ΠΊ ΡΠ°ΠΌΠΎΠ²ΠΎΠ·Π±ΡΠΆΠ΄Π΅Π½ΠΈΡ ΠΈ ΠΈΡΠΊΠ°ΠΆΠ΅Π½ΠΈΡΠΌ ΡΠΈΠ³Π½Π°Π»Π°.
ΠΠ·Π³ΠΎΡΠΎΠ²Π»Π΅Π½ΠΈΠ΅ ΠΊΠ°ΡΡΡΠ΅ΠΊ Π΄Π»Ρ ΡΠ΅Π³Π΅Π½Π΅ΡΠ°ΡΠΈΠ²Π½ΠΎΠ³ΠΎ ΠΏΡΠΈΠ΅ΠΌΠ½ΠΈΠΊΠ°
ΠΠ°ΠΆΠ½ΡΡ ΡΠΎΠ»Ρ Π² ΡΠ°Π±ΠΎΡΠ΅ ΡΠ΅Π³Π΅Π½Π΅ΡΠ°ΡΠΈΠ²Π½ΠΎΠ³ΠΎ ΠΏΡΠΈΠ΅ΠΌΠ½ΠΈΠΊΠ° ΠΈΠ³ΡΠ°ΡΡ ΠΊΠ°ΡΡΡΠΊΠΈ. Π Π°ΡΡΠΌΠΎΡΡΠΈΠΌ ΠΎΡΠΎΠ±Π΅Π½Π½ΠΎΡΡΠΈ ΠΈΡ ΠΈΠ·Π³ΠΎΡΠΎΠ²Π»Π΅Π½ΠΈΡ:
- ΠΠΎΠ½ΡΡΡΠ½Π°Ρ ΠΊΠ°ΡΡΡΠΊΠ° L2 Π½Π°ΠΌΠ°ΡΡΠ²Π°Π΅ΡΡΡ Π½Π° ΠΊΠ°ΡΠΊΠ°Ρ Π΄ΠΈΠ°ΠΌΠ΅ΡΡΠΎΠΌ 20-30 ΠΌΠΌ ΠΏΡΠΎΠ²ΠΎΠ΄ΠΎΠΌ 0.3-0.5 ΠΌΠΌ
- ΠΠΎΠ»ΠΈΡΠ΅ΡΡΠ²ΠΎ Π²ΠΈΡΠΊΠΎΠ² Π·Π°Π²ΠΈΡΠΈΡ ΠΎΡ Π΄ΠΈΠ°ΠΏΠ°Π·ΠΎΠ½Π° ΡΠ°ΡΡΠΎΡ, ΠΎΠ±ΡΡΠ½ΠΎ 20-50 Π²ΠΈΡΠΊΠΎΠ²
- ΠΠ°ΡΡΡΠΊΠ° ΡΠ²ΡΠ·ΠΈ L1 ΡΠΎΠ΄Π΅ΡΠΆΠΈΡ 3-5 Π²ΠΈΡΠΊΠΎΠ², Π½Π°ΠΌΠ°ΡΡΠ²Π°Π΅ΡΡΡ ΠΏΠΎΠ²Π΅ΡΡ L2
- ΠΠ»Ρ ΠΏΠΎΠ²ΡΡΠ΅Π½ΠΈΡ Π΄ΠΎΠ±ΡΠΎΡΠ½ΠΎΡΡΠΈ ΠΊΠ°ΡΡΡΠΊΠΈ ΠΏΠΎΠΊΡΡΠ²Π°ΡΡ Π»Π°ΠΊΠΎΠΌ
- ΠΠΎΠΆΠ½ΠΎ ΠΈΡΠΏΠΎΠ»ΡΠ·ΠΎΠ²Π°ΡΡ ΡΠ΅ΡΡΠΈΡΠΎΠ²ΡΠΉ ΠΈΠ»ΠΈ ΠΊΠ°ΡΠ±ΠΎΠ½ΠΈΠ»ΡΠ½ΡΠΉ ΡΠ΅ΡΠ΄Π΅ΡΠ½ΠΈΠΊ Π΄Π»Ρ ΠΏΠΎΠ²ΡΡΠ΅Π½ΠΈΡ ΠΈΠ½Π΄ΡΠΊΡΠΈΠ²Π½ΠΎΡΡΠΈ
ΠΠΊΡΠΏΠ΅ΡΠΈΠΌΠ΅Π½ΡΠΈΡΡΡ Ρ ΡΠΈΡΠ»ΠΎΠΌ Π²ΠΈΡΠΊΠΎΠ² ΠΈ ΡΠ°ΡΠΏΠΎΠ»ΠΎΠΆΠ΅Π½ΠΈΠ΅ΠΌ ΠΊΠ°ΡΡΡΠ΅ΠΊ, ΠΌΠΎΠΆΠ½ΠΎ Π΄ΠΎΠ±ΠΈΡΡΡΡ ΠΎΠΏΡΠΈΠΌΠ°Π»ΡΠ½ΠΎΠΉ ΡΠ°Π±ΠΎΡΡ ΠΏΡΠΈΠ΅ΠΌΠ½ΠΈΠΊΠ° Π² Π½ΡΠΆΠ½ΠΎΠΌ Π΄ΠΈΠ°ΠΏΠ°Π·ΠΎΠ½Π΅ ΡΠ°ΡΡΠΎΡ.

ΠΡΠΈΠΌΠ΅Π½Π΅Π½ΠΈΠ΅ ΡΠ΅Π³Π΅Π½Π΅ΡΠ°ΡΠΈΠ²Π½ΠΎΠ³ΠΎ ΠΏΡΠΈΠ΅ΠΌΠ½ΠΈΠΊΠ° Π² ΡΠΎΠ²ΡΠ΅ΠΌΠ΅Π½Π½ΠΎΠΉ ΡΠ°Π΄ΠΈΠΎΠ»ΡΠ±ΠΈΡΠ΅Π»ΡΡΠΊΠΎΠΉ ΠΏΡΠ°ΠΊΡΠΈΠΊΠ΅
ΠΠ΅ΡΠΌΠΎΡΡΡ Π½Π° ΠΏΠΎΡΠ²Π»Π΅Π½ΠΈΠ΅ Π±ΠΎΠ»Π΅Π΅ ΡΠ»ΠΎΠΆΠ½ΡΡ ΡΡ Π΅ΠΌ, ΡΠ΅Π³Π΅Π½Π΅ΡΠ°ΡΠΈΠ²Π½ΡΠ΅ ΠΏΡΠΈΠ΅ΠΌΠ½ΠΈΠΊΠΈ ΠΏΠΎ-ΠΏΡΠ΅ΠΆΠ½Π΅ΠΌΡ Π½Π°Ρ ΠΎΠ΄ΡΡ ΠΏΡΠΈΠΌΠ΅Π½Π΅Π½ΠΈΠ΅ Π² ΡΠ°Π΄ΠΈΠΎΠ»ΡΠ±ΠΈΡΠ΅Π»ΡΡΠΊΠΎΠΉ ΠΏΡΠ°ΠΊΡΠΈΠΊΠ΅:
- ΠΡΠΎΡΡΡΠ΅ ΠΏΠΎΡΡΠ°ΡΠΈΠ²Π½ΡΠ΅ ΠΏΡΠΈΠ΅ΠΌΠ½ΠΈΠΊΠΈ Π΄Π»Ρ ΠΏΠΎΡ ΠΎΠ΄ΠΎΠ² ΠΈ ΡΠΊΡΠΏΠ΅Π΄ΠΈΡΠΈΠΉ
- Π£ΡΠ΅Π±Π½ΡΠ΅ ΠΊΠΎΠ½ΡΡΡΡΠΊΡΠΈΠΈ Π΄Π»Ρ ΠΎΡΠ²ΠΎΠ΅Π½ΠΈΡ ΠΎΡΠ½ΠΎΠ² ΡΠ°Π΄ΠΈΠΎΠΏΡΠΈΠ΅ΠΌΠ°
- ΠΠΊΡΠΏΠ΅ΡΠΈΠΌΠ΅Π½ΡΠ°Π»ΡΠ½ΡΠ΅ ΠΏΡΠΈΠ΅ΠΌΠ½ΠΈΠΊΠΈ Π΄Π»Ρ ΠΈΠ·ΡΡΠ΅Π½ΠΈΡ ΡΠ°ΡΠΏΡΠΎΡΡΡΠ°Π½Π΅Π½ΠΈΡ ΡΠ°Π΄ΠΈΠΎΠ²ΠΎΠ»Π½
- ΠΠ²Π°ΡΠΈΠΉΠ½ΡΠ΅ ΠΏΡΠΈΠ΅ΠΌΠ½ΠΈΠΊΠΈ Ρ ΠΌΠΈΠ½ΠΈΠΌΡΠΌΠΎΠΌ Π΄Π΅ΡΠ°Π»Π΅ΠΉ
- QRP-ΡΡΠ°Π½ΡΠΈΠ²Π΅ΡΡ Ρ ΡΠ΅Π³Π΅Π½Π΅ΡΠ°ΡΠΈΠ²Π½ΡΠΌ ΠΏΡΠΈΠ΅ΠΌΠ½ΠΈΠΊΠΎΠΌ
ΠΡΠΎΡΡΠΎΡΠ° ΠΊΠΎΠ½ΡΡΡΡΠΊΡΠΈΠΈ Π² ΡΠΎΡΠ΅ΡΠ°Π½ΠΈΠΈ Ρ Ρ ΠΎΡΠΎΡΠ΅ΠΉ ΡΡΠ²ΡΡΠ²ΠΈΡΠ΅Π»ΡΠ½ΠΎΡΡΡΡ Π΄Π΅Π»Π°ΡΡ ΡΠ΅Π³Π΅Π½Π΅ΡΠ°ΡΠΈΠ²Π½ΡΠΉ ΠΏΡΠΈΠ΅ΠΌΠ½ΠΈΠΊ ΠΏΡΠΈΠ²Π»Π΅ΠΊΠ°ΡΠ΅Π»ΡΠ½ΡΠΌ Π΄Π»Ρ ΡΠ°Π΄ΠΈΠΎΠ»ΡΠ±ΠΈΡΠ΅Π»Π΅ΠΉ ΠΈ ΠΏΠΎ ΡΠ΅ΠΉ Π΄Π΅Π½Ρ.
Π‘ΡΠ°Π²Π½Π΅Π½ΠΈΠ΅ ΡΠ΅Π³Π΅Π½Π΅ΡΠ°ΡΠΈΠ²Π½ΠΎΠ³ΠΎ ΠΏΡΠΈΠ΅ΠΌΠ½ΠΈΠΊΠ° Ρ Π΄ΡΡΠ³ΠΈΠΌΠΈ ΡΠΈΠΏΠ°ΠΌΠΈ ΠΏΡΠΈΠ΅ΠΌΠ½ΠΈΠΊΠΎΠ²
ΠΠ°ΠΊ ΡΠ΅Π³Π΅Π½Π΅ΡΠ°ΡΠΈΠ²Π½ΡΠΉ ΠΏΡΠΈΠ΅ΠΌΠ½ΠΈΠΊ ΡΠΎΠΎΡΠ½ΠΎΡΠΈΡΡΡ Ρ Π΄ΡΡΠ³ΠΈΠΌΠΈ ΡΠΈΠΏΠ°ΠΌΠΈ ΠΏΡΠΈΠ΅ΠΌΠ½ΠΈΠΊΠΎΠ²? Π Π°ΡΡΠΌΠΎΡΡΠΈΠΌ ΠΎΡΠ½ΠΎΠ²Π½ΡΠ΅ ΠΎΡΠ»ΠΈΡΠΈΡ:
| ΠΠ°ΡΠ°ΠΌΠ΅ΡΡ | Π Π΅Π³Π΅Π½Π΅ΡΠ°ΡΠΈΠ²Π½ΡΠΉ | ΠΡΡΠΌΠΎΠ³ΠΎ ΡΡΠΈΠ»Π΅Π½ΠΈΡ | Π‘ΡΠΏΠ΅ΡΠ³Π΅ΡΠ΅ΡΠΎΠ΄ΠΈΠ½ |
|---|---|---|---|
| Π§ΡΠ²ΡΡΠ²ΠΈΡΠ΅Π»ΡΠ½ΠΎΡΡΡ | ΠΡΡΠΎΠΊΠ°Ρ | ΠΠΈΠ·ΠΊΠ°Ρ | ΠΡΠ΅Π½Ρ Π²ΡΡΠΎΠΊΠ°Ρ |
| ΠΠ·Π±ΠΈΡΠ°ΡΠ΅Π»ΡΠ½ΠΎΡΡΡ | Π‘ΡΠ΅Π΄Π½ΡΡ | ΠΠΈΠ·ΠΊΠ°Ρ | ΠΡΡΠΎΠΊΠ°Ρ |
| Π‘Π»ΠΎΠΆΠ½ΠΎΡΡΡ | ΠΠΈΠ·ΠΊΠ°Ρ | ΠΡΠ΅Π½Ρ Π½ΠΈΠ·ΠΊΠ°Ρ | ΠΡΡΠΎΠΊΠ°Ρ |
| Π‘ΡΠ°Π±ΠΈΠ»ΡΠ½ΠΎΡΡΡ | ΠΠΈΠ·ΠΊΠ°Ρ | ΠΡΡΠΎΠΊΠ°Ρ | ΠΡΡΠΎΠΊΠ°Ρ |
ΠΠ°ΠΊ Π²ΠΈΠ΄ΠΈΠΌ, ΡΠ΅Π³Π΅Π½Π΅ΡΠ°ΡΠΈΠ²Π½ΡΠΉ ΠΏΡΠΈΠ΅ΠΌΠ½ΠΈΠΊ Π·Π°Π½ΠΈΠΌΠ°Π΅Ρ ΠΏΡΠΎΠΌΠ΅ΠΆΡΡΠΎΡΠ½ΠΎΠ΅ ΠΏΠΎΠ»ΠΎΠΆΠ΅Π½ΠΈΠ΅, ΡΠΎΡΠ΅ΡΠ°Ρ Π½Π΅ΠΏΠ»ΠΎΡ ΠΈΠ΅ Ρ Π°ΡΠ°ΠΊΡΠ΅ΡΠΈΡΡΠΈΠΊΠΈ Ρ ΠΏΡΠΎΡΡΠΎΡΠΎΠΉ ΠΊΠΎΠ½ΡΡΡΡΠΊΡΠΈΠΈ.

Π‘ΠΎΠ²Π΅ΡΡ ΠΏΠΎ ΡΠ»ΡΡΡΠ΅Π½ΠΈΡ ΡΠ°Π±ΠΎΡΡ ΡΠ΅Π³Π΅Π½Π΅ΡΠ°ΡΠΈΠ²Π½ΠΎΠ³ΠΎ ΠΏΡΠΈΠ΅ΠΌΠ½ΠΈΠΊΠ°
ΠΠ»Ρ ΠΏΠΎΠ²ΡΡΠ΅Π½ΠΈΡ ΠΊΠ°ΡΠ΅ΡΡΠ²Π° ΠΏΡΠΈΠ΅ΠΌΠ° Π½Π° ΡΠ΅Π³Π΅Π½Π΅ΡΠ°ΡΠΈΠ²Π½ΠΎΠΌ ΠΏΡΠΈΠ΅ΠΌΠ½ΠΈΠΊΠ΅ ΠΌΠΎΠΆΠ½ΠΎ ΠΏΡΠΈΠΌΠ΅Π½ΠΈΡΡ ΡΠ»Π΅Π΄ΡΡΡΠΈΠ΅ ΠΌΠ΅ΡΡ:
- ΠΡΠΏΠΎΠ»ΡΠ·ΡΠΉΡΠ΅ ΠΊΠ°ΡΠ΅ΡΡΠ²Π΅Π½Π½ΡΠ΅ ΠΊΠΎΠΌΠΏΠΎΠ½Π΅Π½ΡΡ, ΠΎΡΠΎΠ±Π΅Π½Π½ΠΎ ΠΏΠ΅ΡΠ΅ΠΌΠ΅Π½Π½ΡΠ΅ ΠΊΠΎΠ½Π΄Π΅Π½ΡΠ°ΡΠΎΡΡ ΠΈ ΡΠ΅Π·ΠΈΡΡΠΎΡΡ
- ΠΠ±Π΅ΡΠΏΠ΅ΡΡΡΠ΅ Ρ ΠΎΡΠΎΡΠ΅Π΅ ΡΠΊΡΠ°Π½ΠΈΡΠΎΠ²Π°Π½ΠΈΠ΅ Π²Ρ ΠΎΠ΄Π½ΡΡ ΡΠ΅ΠΏΠ΅ΠΉ
- ΠΡΠΈΠΌΠ΅Π½ΡΠΉΡΠ΅ ΡΡΠ°Π±ΠΈΠ»ΠΈΠ·Π°ΡΠΈΡ Π½Π°ΠΏΡΡΠΆΠ΅Π½ΠΈΡ ΠΏΠΈΡΠ°Π½ΠΈΡ
- ΠΠΊΡΠΏΠ΅ΡΠΈΠΌΠ΅Π½ΡΠΈΡΡΠΉΡΠ΅ Ρ ΡΠ°Π·Π»ΠΈΡΠ½ΡΠΌΠΈ ΡΠΈΠΏΠ°ΠΌΠΈ Π°Π½ΡΠ΅Π½Π½
- ΠΠ»Ρ ΠΏΠΎΠ²ΡΡΠ΅Π½ΠΈΡ ΠΈΠ·Π±ΠΈΡΠ°ΡΠ΅Π»ΡΠ½ΠΎΡΡΠΈ Π΄ΠΎΠ±Π°Π²ΡΡΠ΅ Π΄ΠΎΠΏΠΎΠ»Π½ΠΈΡΠ΅Π»ΡΠ½ΡΠ΅ ΠΊΠΎΠ½ΡΡΡΡ
- ΠΡΠΏΠΎΠ»ΡΠ·ΡΠΉΡΠ΅ ΡΠ»Π΅ΠΊΡΡΠΎΠ½Π½ΡΡ ΡΠ΅Π³ΡΠ»ΠΈΡΠΎΠ²ΠΊΡ ΠΎΠ±ΡΠ°ΡΠ½ΠΎΠΉ ΡΠ²ΡΠ·ΠΈ
ΠΡΠΈΠΌΠ΅Π½Π΅Π½ΠΈΠ΅ ΡΡΠΈΡ ΠΌΠ΅Ρ ΠΏΠΎΠ·Π²ΠΎΠ»ΠΈΡ Π·Π½Π°ΡΠΈΡΠ΅Π»ΡΠ½ΠΎ ΡΠ»ΡΡΡΠΈΡΡ Ρ Π°ΡΠ°ΠΊΡΠ΅ΡΠΈΡΡΠΈΠΊΠΈ ΡΠ΅Π³Π΅Π½Π΅ΡΠ°ΡΠΈΠ²Π½ΠΎΠ³ΠΎ ΠΏΡΠΈΠ΅ΠΌΠ½ΠΈΠΊΠ° ΠΈ ΠΏΡΠΈΠ±Π»ΠΈΠ·ΠΈΡΡ ΠΈΡ ΠΊ ΠΏΠ°ΡΠ°ΠΌΠ΅ΡΡΠ°ΠΌ Π±ΠΎΠ»Π΅Π΅ ΡΠ»ΠΎΠΆΠ½ΡΡ ΠΊΠΎΠ½ΡΡΡΡΠΊΡΠΈΠΉ.
ΠΡΠΎΡΡΠΎΠΉ ΠΠ ΡΠ΅Π³Π΅Π½Π΅ΡΠ°ΡΠΈΠ²Π½ΡΠΉ ΠΏΡΠΈΠ΅ΠΌΠ½ΠΈΠΊ Π½Π° ΠΠ307Π.
ΠΡΠΎΠ΄ΠΎΠ»ΠΆΠ°Π΅ΠΌ ΡΠ΅ΠΌΡ ΠΏΠΎΡΡΡΠΎΠ΅Π½ΠΈΡ ΠΏΡΠ΅Π΄Π΅Π»ΡΠ½ΠΎ ΠΏΡΠΎΡΡΡΡ ΡΠ΅Π³Π΅Π½Π΅ΡΠ°ΡΠΈΠ²Π½ΡΡ ΡΠ°Π΄ΠΈΠΎΠΏΡΠΈΠ΅ΠΌΠ½ΠΈΠΊΠΎΠ².
Π’Π°ΠΊΠΈΡ ΠΏΡΠΈΠ΅ΠΌΠ½ΠΈΠΊΠΎΠ², Π½Π° ΠΏΠΎΠ²ΡΠΎΡΠ΅Π½ΠΈΠ΅ ΠΊΠΎΡΠΎΡΡΡ , Π½Π΅ Π½ΡΠΆΠ½ΠΎ ΡΡΠ°ΡΠΈΡΡ ΠΌΠ½ΠΎΠ³ΠΎ Π²ΡΠ΅ΠΌΠ΅Π½ΠΈ. Π Π΄Π΅ΡΠ°Π»ΠΈ Π΄Π»Ρ ΠΈΡ ΡΠ±ΠΎΡΠΊΠΈ Π²ΡΠ΅Π³Π΄Π° Π΅ΡΡΡ ΠΏΠΎΠ΄ ΡΡΠΊΠΎΠΉ.
Π‘Ρ Π΅ΠΌΠ° ΠΏΠΎΠ΄ΠΎΠ±Π½ΠΎΠ³ΠΎ ΡΠ΅Π³Π΅Π½Π΅ΡΠ°ΡΠΎΡΠ° ΠΏΠΎΠΏΠ°Π»Π°ΡΡ Π½Π° Π³Π»Π°Π·Π° ΠΏΡΠΈ ΠΏΡΠΎΡΠΌΠΎΡΡΠ΅ ΠΈΠ½ΡΠ΅ΡΠ½Π΅ΡΠ° (Π°Π²ΡΠΎΡ ΡΡ Π΅ΠΌΡ Π½Π΅ ΡΠΊΠ°Π·Π°Π½):
ΠΠ°ΠΊ Π²ΠΈΠ΄ΠΈΠΌ, ΡΡ Π΅ΠΌΠ° ΡΡΠΎΠ³ΠΎ ΡΠ΅Π³Π΅Π½Π΅ΡΠ°ΡΠΎΡΠ° ΠΏΡΠ΅Π΄Π΅Π»ΡΠ½ΠΎ ΠΏΡΠΎΡΡΠ° ΠΈ ΠΏΠΎΠ½ΡΡΠ½Π°. ΠΠΎΡΠ΅ΠΌΡ ΡΠ΅ΡΠΈΠ» ΠΏΠΎΠ²ΡΠΎΡΠΈΡΡ ΠΈΠΌΠ΅Π½Π½ΠΎ ΡΡΠΎΡ ΠΏΡΠΈΠ΅ΠΌΠ½ΠΈΠΊ?Β ΠΠΎΡΠΎΠΌΡ ΡΡΠΎ Π·Π΄Π΅ΡΡ Π΄Π»Ρ Π²ΡΠ΄Π΅Π»Π΅Π½ΠΈΡ ΠΏΠΎΠ»Π΅Π·Π½ΠΎΠ³ΠΎΒ ΠΠ§ ΡΠΈΠ³Π½Π°Π»Π° ΠΈΡΠΏΠΎΠ»ΡΠ·ΠΎΠ²Π°Π½ Π°ΡΠ΄ΠΈΠΎ-ΡΡΠ°Π½ΡΡΠΎΡΠΌΠ°ΡΠΎΡ. ΠΠ½ΡΠ΅ΡΠ΅ΡΠ½ΠΎ Π±ΡΠ»ΠΎ, ΠΊΠ°ΠΊ Π±ΡΠ΄Π΅Ρ ΡΠ°Π±ΠΎΡΠ°ΡΡ ΠΈΠΌΠ΅Π½Π½ΠΎ ΡΠ°ΠΊΠΎΠΉ ΡΠ΅Π³Π΅Π½Π΅ΡΠ°ΡΠΎΡ.
Π ΡΠ»ΠΎΠ²Ρ, Π°Π²ΡΠΎΡ ΠΏΡΠΈΠ²Π΅Π» ΡΡ Π΅ΠΌΡ Π½Π°ΠΌΠΎΡΠΊΠΈ ΠΊΠ°ΡΡΡΠ΅ΠΊ ΠΈΠ½Π΄ΡΠΊΡΠΈΠ²Π½ΠΎΡΡΠΈ, Π° ΡΠ°ΠΊΠΆΠ΅ Π΄Π°Π½Π½ΡΠ΅ ΡΠ»Π΅ΠΌΠ΅Π½ΡΠΎΠ² ΠΊΠΎΠ»Π΅Π±Π°ΡΠ΅Π»ΡΠ½ΠΎΠ³ΠΎ ΠΊΠΎΠ½ΡΡΡΠ° Π½Π° ΡΠ°Π·Π½ΡΠ΅ ΡΠ°ΡΡΠΎΡΡ.
Π ΡΠΎΠΆΠ°Π»Π΅Π½ΠΈΡ, Π΄Π°Π½Π½ΡΠ΅ ΡΡΠ°Π½ΡΡΠΎΡΠΌΠ°ΡΠΎΡΠ° Π’1 ΠΎΡΡΡΡΡΡΠ²ΡΡΡ, ΠΊΡΠΎΠΌΠ΅, ΡΠ°Π·Π²Π΅, ΡΠΊΠ°Π·Π°Π½ΠΈΡ, ΡΡΠΎ ΠΏΠ΅ΡΠ²ΠΈΡΠ½Π°Ρ ΠΎΠ±ΠΌΠΎΡΠΊΠ° Π΄ΠΎΠ»ΠΆΠ½Π° ΠΈΠΌΠ΅ΡΡ ΡΠΎΠΏΡΠΎΡΠΈΠ²Π»Π΅Π½ΠΈΠ΅ Π½Π΅ ΠΌΠ΅Π½Π΅Π΅Β ΠΎΠ΄Π½ΠΎΠ³ΠΎ ΠΊΠΈΠ»ΠΎΠΎΠΌΠ°.
Π’ΡΠ°Π½Π·ΠΈΡΡΠΎΡ MPF102, Π½Π° ΠΊΠΎΡΠΎΡΠΎΠΌ ΡΠΎΠ±ΡΠ°Π½ ΡΠ΅Π³Π΅Π½Π΅ΡΠ°ΡΠΎΡ, Π² ΠΌΠΎΠΈΡ
Π·Π°Π³Π°ΡΠ½ΠΈΠΊΠ°Ρ
ΠΎΡΡΡΡΡΡΠ²ΠΎΠ²Π°Π», ΠΈ ΠΈΡΠΊΠ°ΡΡ Π΅Π³ΠΎ Π½ΠΈΠΊΡΠΎ Π½Π΅ ΡΠΎΠ±ΠΈΡΠ°Π»ΡΡ.
Β ΠΠΌΠ΅ΡΡΠΎ Π½Π΅Π³ΠΎ ΠΈΡΠΏΠΎΠ»ΡΠ·ΠΎΠ²Π°Π» ΠΏΠΎΠ»Π΅Π²ΠΎΠΉ ΡΡΠ°Π½Π·ΠΈΡΡΠΎΡ ΠΠ307Π-ΠΏΠΎΠΏΠ°Π»ΡΡ ΠΏΠ΅ΡΠ²ΡΠΌ ΠΏΠΎΠ΄ ΡΡΠΊΡ.
Π ΠΏΠ΅ΡΠ²ΠΎΠΌ Π²Π°ΡΠΈΠ°Π½ΡΠ΅ ΠΏΡΠΈΠ΅ΠΌΠ½ΠΈΠΊ Π±ΡΠ» ΡΠΎΠ±ΡΠ°Π½ Π°Π½Π°Π»ΠΎΠ³ΠΈΡΠ½ΠΎΒ Π°Π²ΡΠΎΡΡΠΊΠΎΠΉ ΡΡ Π΅ΠΌΠ΅, Π΅Π΄ΠΈΠ½ΡΡΠ²Π΅Π½Π½ΠΎΠ΅, Π±ΡΠ» Π΄ΠΎΠ±Π°Π²Π»Π΅Π½Β ΠΎΠΊΠΎΠ½Π΅ΡΠ½ΡΠΉ ΡΡΠΈΠ»ΠΈΡΠ΅Π»Ρ ΠΠ§ Π½Π° ΠΌΠΈΠΊΡΠΎΡΡ Π΅ΠΌΠ΅ TDA2003.
ΠΡΠΎΡ Π²Π°ΡΠΈΠ°Π½Ρ ΠΎΠΊΠ°Π·Π°Π»ΡΡ ΠΊΡΠ°ΠΉΠ½Π΅ Π½Π΅ΡΠ΄Π°ΡΠ½ΡΠΌ. ΠΡΠΈΠ΅ΠΌΠ½ΠΈΠΊ ΡΠ°Π±ΠΎΡΠ°Π», ΡΡΠ°Π½ΡΠΈΠΈ ΠΏΡΠΈΠ½ΠΈΠΌΠ°Π». ΠΠΎ, ΠΎΠΊΠ°Π·Π°Π»ΡΡ ΠΎΡΠ΅Π½Ρ ΡΠΊΠ»ΠΎΠ½Π΅Π½ ΠΊ ΡΠ°ΠΌΠΎΠ²ΠΎΠ·Π±ΡΠΆΠ΄Π΅Π½ΠΈΡ. ΠΡΠΈΡΠ΅ΠΌ, ΠΊΠ°ΠΊ ΠΎΠΊΠ°Π·Π°Π»ΠΎΡΡ, ΡΠ°ΠΌΠΎΠ²ΠΎΠ·Π±ΡΠΆΠ΄Π°Π»ΡΡ Π½Π° Π½ΠΈΠ·ΠΊΠΈΡ ΡΠ°ΡΡΠΎΡΠ°Ρ ΡΠ΅Π³Π΅Π½Π΅ΡΠ°ΡΠΈΠ²Π½ΡΠΉ ΠΊΠ°ΡΠΊΠ°Π΄ Π½Π° ΡΡΠ°Π½Π·ΠΈΡΡΠΎΡΠ΅ VT1. ΠΡΠΎ ΠΏΡΠΎΡΠ²Π»ΡΠ»ΠΎΡΡ Π² ΡΠΎΠΌ, ΡΡΠΎ ΠΏΡΠΈ ΡΠ²Π΅Π»ΠΈΡΠ΅Π½ΠΈΠΈ Π°ΠΌΠΏΠ»ΠΈΡΡΠ΄Ρ ΠΊΠΎΠ»Π΅Π±Π°Π½ΠΈΠΉ ΡΠ΅Π³ΡΠ»ΡΡΠΎΡΠΎΠΌ ΡΠ΅Π³Π΅Π½Π΅ΡΠ°ΡΠΈΠΈ, Π²ΠΎΠ·Π½ΠΈΠΊΠ°Π»Π° ΠΏΠ°ΡΠ°Π·ΠΈΡΠ½Π°Ρ Π³Π΅Π½Π΅ΡΠ°ΡΠΈΡ Π½Π° ΡΠ°ΡΡΠΎΡΠ΅ ΠΎΠΊΠΎΠ»ΠΎ 1 ΠΊΠΡ, ΠΊΠΎΡΠΎΡΠ°Ρ ΠΌΠΎΠ΄ΡΠ»ΠΈΡΠΎΠ²Π°Π»Π° Π²ΡΡΠΎΠΊΠΎΡΠ°ΡΡΠΎΡΠ½ΡΠ΅ ΠΊΠΎΠ»Π΅Π±Π°Π½ΠΈΡ Π³Π΅Π½Π΅ΡΠ°ΡΠΎΡΠ°. ΠΡΠΎ Ρ ΠΎΡΠΎΡΠΎ Π±ΡΠ»ΠΎ Π²ΠΈΠ΄Π½ΠΎ Π½Π° ΠΎΡΡΠΈΠ»Π»ΠΎΠ³ΡΠ°ΠΌΠΌΠ΅. ΠΡΠ»ΠΎ ΠΎΡΠ΅Π½Ρ ΡΡΡΠ΄Π½ΠΎ Π²ΡΠ±ΠΈΡΠ°ΡΡ ΡΡΠΎΠ²Π΅Π½Ρ ΡΠ΅Π³Π΅Π½Π΅ΡΠ°ΡΠΈΠΈ Π΄Π»Ρ ΠΏΡΠΈΠ΅ΠΌΠ° ΡΡΠ°Π½ΡΠΈΠΉ.
ΠΠ΅ΡΠ΅Π±ΡΠΎΠ±ΠΎΠ²Π°Π» ΡΠΉΠΌΡ Π²Π°ΡΠΈΠ°Π½ΡΠΎΠ² ΠΊΠ°ΠΊ ΠΏΠΎΠ±Π΅Π΄ΠΈΡΡ ΡΠ°ΠΌΠΎΠ²ΠΎΠ·Π±ΡΠ΄. Π£ΠΆΠ΅ ΠΏΠ»ΡΠ½ΡΠ» Π±ΡΠ»ΠΎ, ΡΠ°ΠΊ ΠΊΠ°ΠΊ Π½ΠΈΡΠ΅Π³ΠΎ Π½Π΅ ΠΏΠΎΠ»ΡΡΠ°Π»ΠΎΡΡβ¦ ΠΠΎ, ΡΠ΅ΡΠ΅Π½ΠΈΠ΅ Π»Π΅ΠΆΠ°Π»ΠΎ Π½Π° ΠΏΠΎΠ²Π΅ΡΡ Π½ΠΎΡΡΠΈ, ΠΊΠ°ΠΊ ΠΎΠΊΠ°Π·Π°Π»ΠΎΡΡ.
ΠΠ·ΠΌΠ΅Π½ΠΈΠ» Π½Π΅ΠΌΠ½ΠΎΠ³ΠΎ ΡΡ
Π΅ΠΌΡ Π²ΠΊΠ»ΡΡΠ΅Π½ΠΈΡ ΡΡΠ°Π½Π·ΠΈΡΡΠΎΡΠ° ΡΠ΅Π³Π΅Π½Π΅ΡΠ°ΡΠΈΠ²Π½ΠΎΠ³ΠΎ ΠΊΠ°ΡΠΊΠ°Π΄Π°, ΠΈ Π²ΡΠ΅ ΠΊΠ°ΠΊ ΡΡΠΊΠΎΠΉ ΡΠ½ΡΠ»ΠΎ.
ΠΠ·ΠΌΠ΅Π½Π΅Π½ΠΈΡ Π±ΡΠ»ΠΈ ΠΌΠΈΠ½ΠΈΠΌΠ°Π»ΡΠ½Ρ-ΠΏΡΠΎΡΡΠΎ ΡΠ±ΡΠ°Π» ΡΠ΅Π·ΠΈΡΡΠΎΡ ΠΈ ΠΊΠΎΠ½Π΄Π΅Π½ΡΠ°ΡΠΎΡ Π² ΡΠ΅ΠΏΠΈ Π·Π°ΡΠ²ΠΎΡΠ°, ΠΈ ΠΏΠΎΠ΄ΠΊΠ»ΡΡΠΈΠ» Π·Π°ΡΠ²ΠΎΡ ΡΡΠ°Π½Π·ΠΈΡΡΠΎΡΠ° Π½Π΅ΠΏΠΎΡΡΠ΅Π΄ΡΡΠ²Π΅Π½Π½ΠΎ ΠΊ ΠΊΠΎΠ½ΡΡΡΠ½ΠΎΠΉ ΠΊΠ°ΡΡΡΠΊΠ΅.
ΠΠΎΡ ΡΠ°ΠΊ Π²ΡΠ³Π»ΡΠ΄ΠΈΡ ΡΠΈΠ½Π°Π»ΡΠ½Π°Ρ,Β ΡΡΠΏΠ΅ΡΠ½ΠΎ ΠΏΡΠΎΠ²Π΅ΡΠ΅Π½Π½Π°Ρ Π² ΡΠ°Π±ΠΎΡΠ΅ ΡΡ Π΅ΠΌΠ° ΡΠ΅Π³Π΅Π½Π΅ΡΠ°ΡΠΎΡΠ° Π½Π° ΠΠ307Π:
Β
ΠΡΠ°ΡΠΊΠΎ ΠΎ ΡΠ°Π±ΠΎΡΠ΅ ΠΏΡΠΈΠ΅ΠΌΠ½ΠΈΠΊΠ°.
Π‘ΠΈΠ³Π½Π°Π» Ρ Π°Π½ΡΠ΅Π½Π½Ρ ΡΠ΅ΡΠ΅Π· Π°ΡΡΠ΅Π½ΡΠ°ΡΠΎΡ Π½Π° ΡΠ΅Π·ΠΈΡΡΠΎΡΠ΅ R13 ( ΡΡΡΠ°Π½ΠΎΠ²Π»Π΅Π½ Π²Π½Π΅ ΠΏΠ΅ΡΠ°ΡΠ½ΠΎΠΉ ΠΏΠ»Π°ΡΡ) ΠΏΠΎΡΡΡΠΏΠ°Π΅Ρ Π½Π° ΠΊΠ°ΡΡΡΠΊΡ ΡΠ²ΡΠ·ΠΈ L1. ΠΠ° ΠΏΠΎΠ»Π΅Π²ΠΎΠΌ ΡΡΠ°Π½Π·ΠΈΡΡΠΎΡΠ΅ VT1 ΡΠΈΠΏΠ° ΠΠ307Π ( ΠΈΠ»ΠΈ ΠΏΠΎΠ΄ΠΎΠ±Π½ΡΠΉ) ΡΠΎΠ±ΡΠ°Π½ ΡΠ΅Π³Π΅Π½Π΅ΡΠ°ΡΠΈΠ²Π½ΡΠΉ ΠΊΠ°ΡΠΊΠ°Π΄. ΠΠΈΠ°ΠΏΠ°Π·ΠΎΠ½ ΡΠ°ΡΡΠΎΡ, Π³Π΅Π½Π΅ΡΠΈΡΡΠ΅ΠΌΡΡ ΡΡΠΈΠΌ ΠΊΠ°ΡΠΊΠ°Π΄ΠΎΠΌ, ΠΎΠΏΡΠ΅Π΄Π΅Π»ΡΠ΅ΡΡΡ ΡΠ»Π΅ΠΌΠ΅Π½ΡΠ°ΠΌΠΈ L2C1C2C3C4, ΠΈ ΠΌΠΎΠΆΠ΅Ρ Π²ΡΠ±ΠΈΡΠ°ΡΡΡΡ Π½Π° ΡΡΠΌΠΎΡΡΠ΅Π½ΠΈΠ΅ ΠΏΠΎΠ»ΡΠ·ΠΎΠ²Π°ΡΠ΅Π»Ρ. ΠΠ°ΡΡΡΠΎΠΉΠΊΠ° Π½Π° ΡΠ°Π΄ΠΈΠΎΡΡΠ°Π½ΡΠΈΠΈ ΠΎΡΡΡΠ΅ΡΡΠ²Π»ΡΠ΅ΡΡΡ ΠΏΠ΅ΡΠ΅ΠΌΠ΅Π½Π½ΡΠΌ ΠΊΠΎΠ½Π΄Π΅Π½ΡΠ°ΡΠΎΡΠΎΠΌΒ Π‘2. Π ΠΌΠΎΠ΅ΠΌ Π²Π°ΡΠΈΠ°Π½ΡΠ΅, ΠΏΡΠΈΠ΅ΠΌΠ½ΠΈΠΊ ΡΠ°Π±ΠΎΡΠ°Π΅Ρ Π² SSB ΡΡΠ°ΡΡΠΊΠ΅ Π΄ΠΈΠ°ΠΏΠ°Π·ΠΎΠ½Π° 80 ΠΌ.
Π£ΡΠΎΠ²Π΅Π½Ρ ΡΠ΅Π³Π΅Π½Π΅ΡΠ°ΡΠΈΠΈ ( ΡΠΈΡΠ°ΠΉ-ΡΡΠΎΠ²Π΅Π½Ρ ΠΠ§ ΠΊΠΎΠ»Π΅Π±Π°Π½ΠΈΠΉ) ΠΎΠΏΡΠ΅Π΄Π΅Π»ΡΠ΅ΡΡΡ ΠΏΠΎΠ»ΠΎΠΆΠ΅Π½ΠΈΠ΅ΠΌ Π΄Π²ΠΈΠΆΠΊΠ° ΠΏΠ΅ΡΠ΅ΠΌΠ΅Π½Π½ΠΎΠ³ΠΎ ΡΠ΅Π·ΠΈΡΡΠΎΡΠ° R3.Β Π Ρ
ΠΎΠ΄Π΅ Π½Π°Π»Π°Π΄ΠΊΠΈ ΠΏΡΠΈΡΠ»ΠΎΡΡ ΠΈΠ·ΠΌΠ΅Π½ΠΈΡΡ Π½ΠΎΠΌΠΈΠ½Π°Π»Ρ Π½Π΅ΠΊΠΎΡΠΎΡΡΡ
ΡΠ»Π΅ΠΌΠ΅Π½ΡΠΎΠ². Π’Π°ΠΊ, Π½ΠΎΠΌΠΈΠ½Π°Π» ΡΠ΅Π·ΠΈΡΡΠΎΡΠ° R2 ΡΠ²Π΅Π»ΠΈΡΠ΅Π½ Π΄ΠΎ 3,3 ΠΊΠΠΌ. . ΠΠ½Π°ΡΠ΅ Π½Π΅ ΠΏΠΎΠ»ΡΡΠ°Π»ΠΎΡΡ Π΄ΠΎΠ±ΠΈΡΡΡΡ ΠΏΠ»Π°Π²Π½ΠΎΠ³ΠΎ ΠΏΠΎΠ΄Ρ
ΠΎΠ΄Π° ΠΊ Π³Π΅Π½Π΅ΡΠ°ΡΠΈΠΈ.
ΠΡΠ΄Π΅Π»Π΅Π½Π½ΡΠΉ Π½Π° ΠΏΠ΅ΡΠ²ΠΈΡΠ½ΠΎΠΉ ΠΎΠ±ΠΌΠΎΡΠΊΠ΅ ΡΡΠ°Π½ΡΡΠΎΡΠΌΠ°ΡΠΎΡΠ° Π’1 ΡΠΈΠ³Π½Π°Π» Π·Π²ΡΠΊΠΎΠ²ΠΎΠΉ ΡΠ°ΡΡΠΎΡΡ ΡΠ½ΠΈΠΌΠ°Π΅ΡΡΡ ΡΠΎ Π²ΡΠΎΡΠΈΡΠ½ΠΎΠΉ Β ΠΎΠ±ΠΌΠΎΡΠΊΠΈ ΡΡΠΎΠ³ΠΎ ΠΆΠ΅ ΡΡΠ°Π½ΡΡΠΎΡΠΌΠ°ΡΠΎΡΠ°Β ΠΈ ΠΏΠΎΠ΄Π°Π΅ΡΡΡ Π½Π° ΠΏΡΠ΅Π΄Π²Π°ΡΠΈΡΠ΅Π»ΡΠ½ΡΠΉ ΠΊΠ°ΡΠΊΠ°Π΄ Π½Π° ΡΡΠ°Π½Π·ΠΈΡΡΠΎΡΠ΅Β VT2. ΠΠΊΠΎΠ½Π΅ΡΠ½ΡΠΉ ΡΡΠΈΠ»ΠΈΡΠ΅Π»Ρ ΠΠ§ ΡΠΎΠ±ΡΠ°Π½ Π½Π° ΠΌΠΈΠΊΡΠΎΡΡ Π΅ΠΌΠ΅ TDA2003 ΠΏΠΎ ΡΠΈΠΏΠΎΠ²ΠΎΠΉ ΡΡ Π΅ΠΌΠ΅.
ΠΡΠ»ΠΈ Π½Π΅Ρ Π½Π΅ΠΎΠ±Ρ ΠΎΠ΄ΠΈΠΌΠΎΡΡΠΈ Π² Π³ΡΠΎΠΌΠΊΠΎΠ³ΠΎΠ²ΠΎΡΡΡΠ΅ΠΌ ΠΏΡΠΈΠ΅ΠΌΠ΅, ΠΎΠΊΠΎΠ½Π΅ΡΠ½ΡΠΉ ΡΡΠΈΠ»ΠΈΡΠ΅Π»Ρ ΠΠ§ ΠΌΠΎΠΆΠ½ΠΎ ΡΠΎΠ±ΡΠ°ΡΡ Π½Π° LM386, ΠΊΠ°ΠΊ Π² ΠΎΡΠΈΠ³ΠΈΠ½Π°Π»ΡΠ½ΠΎΠΉ ΠΊΠΎΠ½ΡΡΡΡΠΊΡΠΈΠΈ, ΠΏΡΠΈΡΠ΅ΠΌ, ΠΌΠΎΠΆΠ½ΠΎ Π΄Π°ΠΆΠ΅ ΠΈΡΠΊΠ»ΡΡΠΈΡΡ ΠΊΠ°ΡΠΊΠ°Π΄ Π½Π° ΡΡΠ°Π½Π·ΠΈΡΡΠΎΡΠ΅Β VT2.
Β
Π Π΄Π΅ΡΠ°Π»ΡΡ .
ΠΠ°ΡΡΡΠΊΠ° ΠΊΠΎΠ»Π΅Π±Π°ΡΠ΅Π»ΡΠ½ΠΎΠ³ΠΎ ΠΊΠΎΠ½ΡΡΡΠ° Π½Π°ΠΌΠΎΡΠ°Π½Π° Π½Π° ΠΊΠΎΠ»ΡΡΠ΅ Amidon Π’50-2 ΡΠΎΠ³Π»Π°ΡΠ½ΠΎ ΡΡΠΊΠΈΠ·Π° Π°Π²ΡΠΎΡΠ° (ΡΠΌ. ΠΎΡΠΈΠ³ΠΈΠ½Π°Π»ΡΠ½ΡΡ ΡΡ Π΅ΠΌΡ Π²ΡΡΠ΅). ΠΠΎΠ½Π΄Π΅Π½ΡΠ°ΡΠΎΡ ΠΏΠ΅ΡΠ΅ΠΌΠ΅Π½Π½ΠΎΠΉ Π΅ΠΌΠΊΠΎΡΡΠΈ ΠΏΡΠΈΠΌΠ΅Π½Π΅Π½ Ρ Π²ΠΎΠ·Π΄ΡΡΠ½ΡΠΌ Π΄ΠΈΡΠ»Π΅ΠΊΡΡΠΈΠΊΠΎΠΌ. Π ΠΊΠ°ΡΠ΅ΡΡΠ²Π΅ ΡΡΠ°Π½Π·ΠΈΡΡΠΎΡΠ° VT1 ΠΌΠΎΠΆΠ½ΠΎ ΠΏΡΠΈΠΌΠ΅Π½ΠΈΡΡΒ ΠΠ303Π, Π, Π, ΠΠ307 , ΠΈΠ»ΠΈ ΠΈΠΌΠΏΠΎΡΡΠ½ΡΠ΅-BF245, J310 ΠΈ ΠΏΡΠΎΡΠΈΠ΅.
Π ΠΎΡΠΈΠ³ΠΈΠ½Π°Π»ΡΠ½ΠΎΠΉ ΡΡΠ°ΡΡΠ΅ ΠΊΠ°ΡΠ°ΡΠ΅Π»ΡΠ½ΠΎ ΡΡΠ°Π½ΡΡΠΎΡΠΌΠ°ΡΠΎΡΠ° Π’1 Π±ΡΠ»ΠΎ ΡΠΊΠ°Π·Π°Π½ΠΎ, ΡΡΠΎ ΠΌΠΎΠΆΠ½ΠΎ ΠΏΡΠΈΠΌΠ΅Π½ΠΈΡΡ Π»ΡΠ±ΠΎΠΉ ΠΠ§ ΡΡΠ°Π½ΡΡΠΎΡΠΌΠ°ΡΠΎΡ Ρ ΡΠΎΠΏΡΠΎΡΠΈΠ²Π»Π΅Π½ΠΈΠ΅ΠΌ ΠΏΠ΅ΡΠ²ΠΈΡΠ½ΠΎΠΉ ΠΎΠ±ΠΌΠΎΡΠΊΠΈ Π½Π΅ ΠΌΠ΅Π½Π΅Π΅ 1 ΠΊΠΠΌ. Β ΠΠ΅ΡΠ²Π°Ρ ΠΌΡΡΠ»Ρ Π±ΡΠ»Π° ΠΈΡΠΏΠΎΠ»ΡΠ·ΠΎΠ²Π°ΡΡΒ ΠΌΠ°Π»ΠΎΠ³Π°Π±Π°ΡΠΈΡΠ½ΡΠΉ Π²ΡΡ
ΠΎΠ΄Π½ΠΎΠΉ ΠΈΠ»ΠΈ ΡΠΎΠ³Π»Π°ΡΡΡΡΠΈΠΉ ΡΡΠ°Π½ΡΡΠΎΡΠΌΠ°ΡΠΎΡ ΠΎΡ ΡΡΠ°ΡΠΎΠ³ΠΎ ΡΡΠ°Π½Π·ΠΈΡΡΠΎΡΠ½ΠΎΠ³ΠΎ ΠΏΡΠΈΠ΅ΠΌΠ½ΠΈΠΊΠ°.
ΠΠΎ ΠΎΠ½ΠΈ ΠΏΠΎΠΊΠ°Π·Π°Π»ΠΈΡΡ Π²Π΅Π»ΠΈΠΊΠΎΠ²Π°ΡΡΠΌΠΈ. ΠΠΎΡΡΠΎΠΌΡ ΡΠΈΡΠΊΠ½ΡΠ» ΠΈΡΠΏΠΎΠ»ΡΠ·ΠΎΠ²Π°ΡΡΒ ΠΏΠΎΠΏΠ°Π²ΡΠΈΠΉΡΡ ΠΏΠΎΠ΄ ΡΡΠΊΡ ΡΠ½ΠΈΡΠΈΡΠΈΡΠΎΠ²Π°Π½Π½ΡΠΉ ΠΠ§ ΡΡΠ°Π½ΡΡΠΎΡΠΌΠ°ΡΠΎΡ ΡΠΈΠΏΠ° Π’ΠΠ’12. Π‘ΠΎΠΏΡΠΎΡΠΈΠ²Π»Π΅Π½ΠΈΠ΅ Π΅Π³ΠΎ ΠΏΠ΅ΡΠ²ΠΈΡΠ½ΠΎΠΉ ΠΎΠ±ΠΌΠΎΡΠΊΠΈ ΠΌΠ΅ΠΆΠ΄Ρ Π²ΡΠ²ΠΎΠ΄Π°ΠΌΠΈ 1 ΠΈ 3 ΡΠΎΡΡΠ°Π²Π»ΡΠ΅Ρ ΠΎΠΊΠΎΠ»ΠΎ 2,8 ΠΊΠΠΌ.
ΠΠΎΠ½ΡΡΡΡΠΊΡΠΈΠ²Π½ΠΎ, ΡΠ°Π΄ΠΈΠΎΠΏΡΠΈΠ΅ΠΌΠ½ΠΈΠΊ ΡΠΎΠ±ΡΠ°Π½ Π½Π° ΠΏΠ΅ΡΠ°ΡΠ½ΠΎΠΉ ΠΏΠ»Π°ΡΠ΅, Π½Π° ΠΊΠΎΡΠΎΡΠΎΠΉ ΡΠ°Π·ΠΌΠ΅ΡΠ΅Π½Ρ Π²ΡΠ΅ ΡΠ»Π΅ΠΌΠ΅Π½ΡΡ ΡΡ Π΅ΠΌΡ, Π·Π° ΠΈΡΠΊΠ»ΡΡΠ΅Π½ΠΈΠ΅ΠΌ Π°ΡΡΠ΅Π½ΡΠ°ΡΠΎΡΠ°.
ΠΠ½Π΅ΡΠ½ΠΈΠΉ Π²ΠΈΠ΄ ΡΠΎΠ±ΡΠ°Π½Π½ΠΎΠ³ΠΎ ΡΠ΅Π³Π΅Π½Π΅ΡΠ°ΡΠΎΡΠ° Π½Π°Β ΠΠ307Π:
Β
Π Π°ΡΠΏΠΎΠ»ΠΎΠΆΠ΅Π½ΠΈΠ΅ ΠΎΡΠ½ΠΎΠ²Π½ΡΡ ΡΠ»Π΅ΠΌΠ΅Π½ΡΠΎΠ².
ΠΠ°ΡΡΡΠΎΠΉΠΊΠ° ΠΏΡΠΈΠ΅ΠΌΠ½ΠΈΠΊΠ° Π½Π° ΠΠ307Π Π½Π΅ΡΠ»ΠΎΠΆΠ½Π°.
Π ΠΏΠ΅ΡΠ²ΡΡ ΠΎΡΠ΅ΡΠ΅Π΄Ρ ΠΏΡΠΎΠ²Π΅ΡΡΡΡ ΡΠ°Π±ΠΎΡΠΎΡΠΏΠΎΡΠΎΠ±Π½ΠΎΡΡΡ ΡΡΠΈΠ»ΠΈΡΠ΅Π»Ρ ΠΠ§, ΠΊΠΎΡΠΎΡΡΠΉ ΠΏΡΠΈ ΠΈΡΠΏΡΠ°Π²Π½ΡΡ Π΄Π΅ΡΠ°Π»ΡΡ ΡΠ°Π±ΠΎΡΠ°Π΅Ρ ΡΡΠ°Π·Ρ.
ΠΠ°ΡΠ΅ΠΌ ΡΠ±Π΅ΠΆΠ΄Π°ΡΡΡΡ Π² ΡΠ°Π±ΠΎΡΠΎΡΠΏΠΎΡΠΎΠ±Π½ΠΎΡΡΠΈ Π³Π΅Π½Π΅ΡΠ°ΡΠΎΡΠ° Π½Π° ΡΡΠ°Π½Π·ΠΈΡΡΠΎΡΠ΅ VT1. ΠΠ΅Π½Π΅ΡΠ°ΡΠΈΡ Π΄ΠΎΠ»ΠΆΠ½Π° Π²ΠΎΠ·Π½ΠΈΠΊΠ°ΡΡ ΠΏΡΠΈΠΌΠ΅ΡΠ½ΠΎ ΠΏΡΠΈ ΡΡΠ΅Π΄Π½Π΅ΠΌ ΠΏΠΎΠ»ΠΎΠΆΠ΅Π½ΠΈΠΈ Π΄Π²ΠΈΠΆΠΊΠ° ΠΏΠ΅ΡΠ΅ΠΌΠ΅Π½Π½ΠΎΠ³ΠΎ ΡΠ΅Π·ΠΈΡΡΠΎΡΠ° R5. ΠΡΠΈ Π½Π΅ΠΎΠ±Ρ ΠΎΠ΄ΠΈΠΌΠΎΡΡΠΈ, ΠΏΠΎΠ΄Π±ΠΈΡΠ°ΡΡ Π½ΠΎΠΌΠΈΠ½Π°Π» ΡΠ΅Π·ΠΈΡΡΠΎΡΠ° ΡΠ΅ΠΏΠΈ ΠΎΠ±ΡΠ°ΡΠ½ΠΎΠΉ ΡΠ²ΡΠ·ΠΈ R2. ΠΠ΅Π½Π΅ΡΠ°ΡΠΈΡ Π΄ΠΎΠ»ΠΆΠ½Π° Π²ΠΎΠ·Π½ΠΈΠΊΠ°ΡΡ ΠΏΠ»Π°Π²Π½ΠΎ, Π±Π΅Π· ΡΠΊΠ°ΡΠΊΠΎΠ², ΠΈ Π½Π΅ ΠΈΠΌΠ΅ΡΡ Π³ΠΈΡΡΠ΅ΡΠ΅Π·ΠΈΡΠ°.
ΠΠ°ΡΠ΅ΠΌ ΠΏΡΠΎΠΈΠ·Π²ΠΎΠ΄ΠΈΡΡΡ ΡΠΊΠ»Π°Π΄ΠΊΠ° Π½Π΅ΠΎΠ±Ρ
ΠΎΠ΄ΠΈΠΌΠΎΠ³ΠΎ Π΄ΠΈΠ°ΠΏΠ°Π·ΠΎΠ½Π° ΡΠ°ΡΡΠΎΡ ΠΏΡΡΠ΅ΠΌ ΠΈΠ·ΠΌΠ΅Π½Π΅Π½ΠΈΡ Π½ΠΎΠΌΠΈΠ½Π°Π»ΠΎΠ² ΡΠ°ΡΡΡΠ³ΠΈΠ²Π°ΡΡΠΈΡ
Β ΠΊΠΎΠ½Π΄Π΅Π½ΡΠ°ΡΠΎΡΠΎΠ² Π‘1Π‘4.
Π£ΠΆΠ΅ ΠΏΡΠΈ Π½Π°Π»Π°Π΄ΠΊΠ΅ ΠΏΡΠΈΠ΅ΠΌΠ½ΠΈΠΊΠ° ΠΎΡΠΌΠ΅ΡΠΈΠ», ΡΡΠΎ ΠΎΠ½ ΠΎΡΠ΅Π½Ρ ΡΡΠ²ΡΡΠ²ΠΈΡΠ΅Π»ΡΠ½ΡΠΉ-ΠΏΡΠΈΡΠΎΠ΅Π΄ΠΈΠ½Π΅Π½ΠΈΠ΅ ΠΊΡΡΠΎΡΠΊΠ° ΠΏΡΠΎΠ²ΠΎΠ΄Π° ΠΊ Π°Π½ΡΠ΅Π½Π½ΠΎΠΌΡ Π²Ρ ΠΎΠ΄Ρ ΡΠΆΠ΅ ΠΏΠΎΠ·Π²ΠΎΠ»ΡΠ»ΠΎ ΠΏΡΠΈΠ½ΠΈΠΌΠ°ΡΡ ΡΡΠ°Π½ΡΠΈΠΈ, Ρ ΠΎΡΡ ΠΈ Π½Π΅Π³ΡΠΎΠΌΠΊΠΎ.
ΠΡΠΏΡΡΠ°Π½ΠΈΠ΅ ΠΏΡΠΈΠ΅ΠΌΠ½ΠΈΠΊΠ° ΠΏΡΠΎΠΈΠ·Π²ΠΎΠ΄ΠΈΠ»ΠΎΡΡ Ρ ΠΏΡΠΈΠΌΠ΅Π½Π΅Π½ΠΈΠ΅ΠΌ ΠΏΠΎΠ»Π½ΠΎΡΠ°Π·ΠΌΠ΅ΡΠ½ΠΎΠΉ Π°Π½ΡΠ΅Π½Π½Ρ Inv V Π΄ΠΈΠ°ΠΏΠ°Π·ΠΎΠ½Π° 3,5 ΠΠΡ.
ΠΠ°ΠΊ ΠΈ ΠΎΠΆΠΈΠ΄Π°Π»ΠΎΡΡ, Π±Π»Π°Π³ΠΎΠ΄Π°ΡΡ Π²ΡΡΠΎΠΊΠΎΠΉ ΡΡΠ²ΡΡΠ²ΠΈΡΠ΅Π»ΡΠ½ΠΎΡΡΠΈ, ΡΡΠΎΡ ΡΠ΅Π³Π΅Π½Π΅ΡΠ°ΡΠΎΡ ΠΏΡΠΈΠ½ΠΈΠΌΠ°Π΅Ρ ΠΏΡΠ°ΠΊΡΠΈΡΠ΅ΡΠΊΠΈ Π²ΡΠ΅ ΡΡΠ°Π½ΡΠΈΠΈ, Π² ΡΠΎΠΌ ΡΠΈΡΠ»Π΅ ΠΈ ΡΠ°ΠΌΡΠ΅ ΡΠ»Π°Π±ΡΠ΅. ΠΠ°ΠΊ Π½Π΅Π΄ΠΎΡΡΠ°ΡΠΎΠΊ ΠΎΡΠΌΠ΅ΡΡ, ΡΡΠΎ ΠΏΡΠΈΡ ΠΎΠ΄ΠΈΡΡΡ Π΄ΠΎΠ²ΠΎΠ»ΡΠ½ΠΎ ΡΠ°ΡΡΠΎ ΠΏΠΎΠ»ΡΠ·ΠΎΠ²Π°ΡΡΡΡ Π°ΡΡΠ΅Π½ΡΠ°ΡΠΎΡΠΎΠΌ, Π½ΠΎ ΡΡΠΎ ΠΏΡΠΈΡΡΡΠ΅ Π²ΡΠ΅ΠΌ ΡΠ΅Π³Π΅Π½Π΅ΡΠ°ΡΠΎΡΠ°ΠΌ.
Β
ΠΠΎΡΠΎΡΠΊΠΎΠ΅ Π²ΠΈΠ΄Π΅ΠΎ ΠΎ ΡΠ°Π±ΠΎΡΠ΅ ΠΏΡΠΈΠ΅ΠΌΠ½ΠΈΠΊΠ° Π½Π° Π΄ΠΈΠ°ΠΏΠ°Π·ΠΎΠ½Π΅ 80 ΠΌ. ΠΡΠΎΡ ΠΎΠΆΠ΄Π΅Π½ΠΈΠ΅ Π±ΡΠ»ΠΎ ΠΎΡΠ²ΡΠ°ΡΠΈΡΠ΅Π»ΡΠ½ΠΎΠ΅, ΠΏΠΎΡΡΠΎΠΌΡ ΡΡΠ°Π½ΡΠΈΠΉ ΠΌΠ°Π»ΠΎ, ΠΈ ΠΎΠ½ΠΈ ΡΠ»ΡΡΠ½Ρ Π½Π΅ ΠΎΡΠ΅Π½Ρ Π³ΡΠΎΠΌΠΊΠΎ:
Β
Β
Β
Β
Π’ΡΠΈ ΡΡ Π΅ΠΌΡ ΡΠ΅Π³Π΅Π½Π΅ΡΠ°ΡΠΈΠ²Π½ΡΡ ΠΏΡΠΈΠ΅ΠΌΠ½ΠΈΠΊΠΎΠ² Π‘Π Π΄ΠΈΠ°ΠΏΠ°Π·ΠΎΠ½Π°
ΠΠ° ΡΡΠ΅Π΄Π½ΠΈΡ
Π²ΠΎΠ»Π½Π°Ρ
Π½Π΅ ΠΈΠΌΠ΅Π΅Ρ ΡΠΌΡΡΠ»Π° Π΄Π΅Π»Π°ΡΡ ΠΊΠΎΡΡΡΠΈΡΠΈΠ΅Π½Ρ ΡΠ΅Π³Π΅Π½Π΅ΡΠ°ΡΠΈΠΈ Π ΠΎΡΠ΅Π½Ρ Π±ΠΎΠ»ΡΡΠΈΠΌ, ΠΏΠΎΡΠΎΠΌΡ ΡΡΠΎ ΠΏΠΎΠ»ΠΎΡΠ° ΠΏΡΠΎΠΏΡΡΠΊΠ°Π½ΠΈΡ ΠΊΠΎΠ½ΡΡΡΠ° ΡΡΠ°Π½ΠΎΠ²ΠΈΡΡΡ ΡΠ»ΠΈΡΠΊΠΎΠΌ ΡΠ·ΠΊΠΎΠΉ.
Π’Π΅ΠΌ Π½Π΅ ΠΌΠ΅Π½Π΅Π΅ ΠΌΠΎΠΆΠ½ΠΎ ΡΠ΅ΡΠΈΡΡ Π΄Π²Π΅ ΠΏΡΠ°ΠΊΡΠΈΡΠ΅ΡΠΊΠΈΠ΅ Π·Π°Π΄Π°ΡΠΈ: ΡΠ²Π΅Π»ΠΈΡΠΈΡΡ Π΄ΠΎΠ±ΡΠΎΡΠ½ΠΎΡΡΡ ΠΌΠ°Π³Π½ΠΈΡΠ½ΠΎΠΉ Π°Π½ΡΠ΅Π½Π½Ρ, Π΅ΡΠ»ΠΈ ΠΎΠ½Π° Π½Π΅Π΄ΠΎΡΡΠ°ΡΠΎΡΠ½Π°, ΠΈ ΡΡΠ·ΠΈΡΡ ΠΏΠΎΠ»ΠΎΡΡ ΠΏΡΠΎΠΏΡΡΠΊΠ°Π½ΠΈΡ Π½Π° Π²ΡΡΠΎΠΊΠΎΡΠ°ΡΡΠΎΡΠ½ΠΎΠΌ ΠΊΡΠ°Ρ Π΄ΠΈΠ°ΠΏΠ°Π·ΠΎΠ½Π°, Π³Π΄Π΅ Π² Π²Π΅ΡΠ΅ΡΠ½Π΅Π΅ Π²ΡΠ΅ΠΌΡ ΠΏΡΠΎΡΠ»ΡΡΠΈΠ²Π°Π΅ΡΡΡ ΠΌΠ½ΠΎΠ³ΠΎ Π΄Π°Π»ΡΠ½ΠΈΡ
ΡΡΠ°Π½ΡΠΈΠΉ. ΠΠ΄Π½ΠΎΠ²ΡΠ΅ΠΌΠ΅Π½Π½ΠΎ Π²ΠΎΠ·ΡΠ°ΡΡΠ΅Ρ ΠΈ ΡΡΠ²ΡΡΠ²ΠΈΡΠ΅Π»ΡΠ½ΠΎΡΡΡ ΠΏΡΠΈΠ΅ΠΌΠ½ΠΈΠΊΠ° ΠΡΠ»ΠΈ ΠΆΠ΅ Π Π½Π΅Π²Π΅Π»ΠΈΠΊ, ΡΠΎ ΠΌΠΎΠΆΠ½ΠΎ ΠΈ ΠΎΡΠΊΠ°Π·Π°ΡΡΡΡ ΠΎΡ ΡΠ΅Π³ΡΠ»ΠΈΡΠΎΠ²ΠΊΠΈ ΠΠ‘, ΡΡΡΠ°Π½ΠΎΠ²ΠΈΠ² Π΅Π΅ Π½Π΅Π±ΠΎΠ»ΡΡΠΎΠΉ ΠΈ ΡΠΈΠΊΡΠΈΡΠΎΠ²Π°Π½Π½ΠΎΠΉ. ΠΠΌΠ΅Π½Π½ΠΎ ΡΠ°ΠΊ ΡΠ΄Π΅Π»Π°Π½ΠΎ Π² ΡΠ΅Π³Π΅Π½Π΅ΡΠ°ΡΠΈΠ²Π½ΠΎΠΌ Π‘Π ΠΏΡΠΈΠ΅ΠΌΠ½ΠΈΠΊΠ΅, ΡΡ
Π΅ΠΌΠ° ΠΊΠΎΡΠΎΡΠΎΠ³ΠΎ ΠΏΠΎΠΊΠ°Π·Π°Π½Π° Π½Π° ΡΠΈΡ. 1.
Π Π΅Π³Π΅Π½Π΅ΡΠ°ΡΠΈΠ²Π½ΡΠΉ ΠΊΠ°ΡΠΊΠ°Π΄ ΡΠΎΠ±ΡΠ°Π½ Π½Π° ΠΏΠΎΠ»Π΅Π²ΠΎΠΌ ΡΡΠ°Π½Π·ΠΈΡΡΠΎΡΠ΅ VT1 ΠΏΠΎ ΡΡ
Π΅ΠΌΠ΅ Ρ ΠΈΠ½Π΄ΡΠΊΡΠΈΠ²Π½ΠΎΠΉ ΠΠ‘, ΡΡΠΎΠ±Ρ Π±ΡΠ»Π° Π²ΠΎΠ·ΠΌΠΎΠΆΠ½ΠΎΡΡΡ ΡΠ΅Π³ΡΠ»ΠΈΡΠΎΠ²Π°ΡΡ Π΅Π΅ ΠΏΠ΅ΡΠ΅Π΄Π²ΠΈΠΆΠ΅Π½ΠΈΠ΅ΠΌ ΠΊΠ°ΡΡΡΠΊΠΈ ΠΎΠ±ΡΠ°ΡΠ½ΠΎΠΉ ΡΠ²ΡΠ·ΠΈ ΠΏΠΎ ΡΡΠ΅ΡΠΆΠ½Ρ ΠΌΠ°Π³Π½ΠΈΡΠ½ΠΎΠΉ Π°Π½ΡΠ΅Π½Π½Ρ. ΠΠΎΠ½ΡΡΡ ΠΏΡΠΈΠ΅ΠΌΠ½ΠΈΠΊΠ° ΠΎΠ±ΡΠ°Π·ΠΎΠ²Π°Π½ ΠΊΠ°ΡΡΡΠΊΠΎΠΉ ΠΌΠ°Π³Π½ΠΈΡΠ½ΠΎΠΉ Π°Π½ΡΠ΅Π½Π½Ρ L1 ΠΈ ΠΠΠ C1. Π§Π΅ΡΠ΅Π· Β«Π³ΡΠΈΠ΄Π»ΠΈΠΊΒ» C2R1 ΠΊΠΎΠ»Π΅Π±Π°Π½ΠΈΡ ΠΏΠΎΠ΄Π°ΡΡΡΡ Π½Π° Π·Π°ΡΠ²ΠΎΡ ΡΡΠ°Π½Π·ΠΈΡΡΠΎΡΠ° VT1. ΠΠ°ΡΡΡΠΊΠ° ΠΠ‘ L2 Π²ΠΊΠ»ΡΡΠ΅Π½Π° Π² ΡΠ΅ΠΏΡ ΠΈΡΡΠΎΠΊΠ°. ΠΠΎΡΡΠΎΡΠ½Π½Π°Ρ ΡΠΎΡΡΠ°Π²Π»ΡΡΡΠ°Ρ ΡΠΎΠΊΠ° ΡΡΠ°Π½Π·ΠΈΡΡΠΎΡΠ° ΠΏΡΠΎΡ
ΠΎΠ΄ΠΈΡ ΡΠ΅ΡΠ΅Π· ΡΠ΅Π·ΠΈΡΡΠΎΡ R3, ΠΎΠ±Π΅ΡΠΏΠ΅ΡΠΈΠ²Π°Ρ Π½Π΅ΠΎΠ±Ρ
ΠΎΠ΄ΠΈΠΌΠΎΠ΅ ΡΠΌΠ΅ΡΠ΅Π½ΠΈΠ΅ Π½Π° Π·Π°ΡΠ²ΠΎΡΠ΅ ΠΎΡΠ½ΠΎΡΠΈΡΠ΅Π»ΡΠ½ΠΎ ΠΈΡΡΠΎΠΊΠ°, Π° ΠΏΠ΅ΡΠ΅ΠΌΠ΅Π½Π½Π°Ρ — ΡΠ΅ΡΠ΅Π· ΠΊΠΎΠ½Π΄Π΅Π½ΡΠ°ΡΠΎΡ Π‘Π Π² ΠΊΠ°ΡΡΡΠΊΡ ΡΠ²ΡΠ·ΠΈ.
Π¦Π΅ΠΏΠΎΡΠΊΡ R3 — Π‘Π ΠΌΠΎΠΆΠ½ΠΎ Π±ΡΠ»ΠΎ Π±Ρ ΠΈ Π½Π΅ ΡΡΡΠ°Π½Π°Π²Π»ΠΈΠ²Π°ΡΡ, ΠΏΠΎΠ΄ΠΊΠ»ΡΡΠΈΠ² ΠΊΠ°ΡΡΡΠΊΡ ΡΠ²ΡΠ·ΠΈ ΠΏΡΡΠΌΠΎ ΠΊ ΠΈΡΡΠΎΠΊΡ. Π’ΠΎΠ³Π΄Π° ΡΡΠ°Π½Π·ΠΈΡΡΠΎΡ ΡΠ°Π±ΠΎΡΠ°Π» Π±Ρ Π² ΡΠ΅ΠΆΠΈΠΌΠ΅ Π΄Π΅ΡΠ΅ΠΊΡΠΈΡΠΎΠ²Π°Π½ΠΈΡ ΠΈ ΡΠΈΠ³Π½Π°Π» ΠΠ§ ΠΌΠΎΠΆΠ½ΠΎ Π±ΡΠ»ΠΎ Π±Ρ ΡΠ½ΡΡΡ ΡΠΎ ΡΡΠΎΠΊΠ°.
Π ΠΈΡ.1. Π‘Π ΡΠ΅Π³Π΅Π½Π΅ΡΠ°ΡΠΎΡ Ρ ΠΈΠ½Π΄ΡΠΊΡΠΈΠ²Π½ΠΎΠΉ ΠΠ‘.
ΠΠΎ ΠΏΡΠ°ΠΊΡΠΈΠΊΠ° ΠΏΠΎΠΊΠ°Π·Π°Π»Π°, ΡΡΠΎ Π² ΡΡΠΎΠΌ ΡΠ»ΡΡΠ°Π΅ Π±ΠΎΠ»ΡΡΠ΅ ΠΏΠΎΡΡΠ΅Π±Π»ΡΠ΅ΠΌΡΠΉ ΡΠΎΠΊ, Π° ΡΠ°ΠΌ ΠΊΠ°ΡΠΊΠ°Π΄ ΡΠ°Π±ΠΎΡΠ°Π΅Ρ Ρ ΡΠΆΠ΅. ΠΠΎΡΡΠΎΠΌΡ ΡΠΈΠ³Π½Π°Π» Π Π§ ΡΠ½ΠΈΠΌΠ°Π΅ΡΡΡ Ρ Π½Π°Π³ΡΡΠ·ΠΊΠΈ R2 ΠΈ ΠΏΠΎΠ΄Π°Π΅ΡΡΡ Π½Π° ΠΎΡΠ΄Π΅Π»ΡΠ½ΡΠΉ Π΄Π΅ΡΠ΅ΠΊΡΠΎΡ, ΡΠΎΠ±ΡΠ°Π½Π½ΡΠΉ Π½Π° ΡΡΠ°Π½Π·ΠΈΡΡΠΎΡΠ΅ VT2 ΠΏΠΎ Π½Π΅ΠΎΠ±ΡΡΠ½ΠΎΠΉ ΡΡ Π΅ΠΌΠ΅: ΡΠΎΠ±ΡΡΠ²Π΅Π½Π½ΠΎ Π΄Π΅ΡΠ΅ΠΊΡΠΎΡΠΎΠΌ ΡΠ»ΡΠΆΠΈΡ ΠΏΠ΅ΡΠ΅Ρ ΠΎΠ΄ ΠΊΠΎΠ»Π»Π΅ΠΊΡΠΎΡ — Π±Π°Π·Π° ΡΡΠ°Π½Π·ΠΈΡΡΠΎΡΠ°, Π° Π² ΡΠΌΠΈΡΡΠ΅ΡΠ½ΡΡ ΡΠ΅ΠΏΡ ΠΏΠΎΠ΄Π°Π΅ΡΡΡ ΠΎΡΠ΅Π½Ρ Π½Π΅Π±ΠΎΠ»ΡΡΠΎΠΉ ΡΠΎΠΊ ΡΠΌΠ΅ΡΠ΅Π½ΠΈΡ ΡΠ΅ΡΠ΅Π· ΡΠ΅Π·ΠΈΡΡΠΎΡ R6. ΠΡΠΎ Π»ΠΈΠ½Π΅Π°ΡΠΈΠ·ΡΠ΅Ρ Ρ Π°ΡΠ°ΠΊΡΠ΅ΡΠΈΡΡΠΈΠΊΡ Π΄Π΅ΡΠ΅ΠΊΡΠΎΡΠ° ΠΈ ΠΏΠΎΠ²ΡΡΠ°Π΅Ρ Π΅Π³ΠΎ ΡΡΠ²ΡΡΠ²ΠΈΡΠ΅Π»ΡΠ½ΠΎΡΡΡ. Π‘ Π²ΡΡ ΠΎΠ΄Π° Π΄Π΅ΡΠ΅ΠΊΡΠΎΡΠ° ΡΠ΅ΡΠ΅Π· ΡΠΈΠ»ΡΡΡΡΡΡΡΡ ΡΠ΅ΠΏΠΎΡΠΊΡ R5C5 ΡΠΈΠ³Π½Π°Π» ΠΏΠΎΠ΄Π°Π΅ΡΡΡ Π½Π° Π£ΠΠ§ Π»ΡΠ±ΠΎΠ³ΠΎ ΡΠΈΠΏΠ° Ρ Π²Ρ ΠΎΠ΄Π½ΡΠΌ ΡΠΎΠΏΡΠΎΡΠΈΠ²Π»Π΅Π½ΠΈΠ΅ΠΌ Π½Π΅ Π½ΠΈΠΆΠ΅ 30-50 ΠΊΠΠΌ.
ΠΠ°ΡΡΡΠΊΠ° ΠΌΠ°Π³Π½ΠΈΡΠ½ΠΎΠΉ Π°Π½ΡΠ΅Π½Π½Ρ L1 ΡΠΎΠ΄Π΅ΡΠΆΠΈΡ 90-110 Π²ΠΈΡΠΊΠΎΠ² ΠΏΡΠΎΠ²ΠΎΠ΄Π° ΠΠΠΠ¨Π 0,25 Π½Π° ΡΡΠ΅ΡΠΆΠ½Π΅ Π΄Π»ΠΈΠ½ΠΎΠΉ 160-200 ΠΌΠΌ ΠΈΠ· ΡΠ΅ΡΡΠΈΡΠ° 400ΠΠ ΠΈΠ»ΠΈ 600ΠΠ. ΠΠ°ΠΌΠΎΡΠΊΠ° Π²Π΅Π΄Π΅ΡΡΡ Π½Π° Π±ΡΠΌΠ°ΠΆΠ½ΠΎΠΌ ΠΏΡΠΎΠΏΠ°ΡΠ°ΡΠΈΠ½ΠΈΡΠΎΠ²Π°Π½Π½ΠΎΠΌ ΠΊΠ°ΡΠΊΠ°ΡΠ΅ Π² ΠΎΠ΄ΠΈΠ½ ΡΠ»ΠΎΠΉ.
ΠΠ°ΡΡΡΠΊΠ° ΡΠ²ΡΠ·ΠΈ L2 ΠΈΠΌΠ΅Π΅Ρ Π²ΡΠ΅Π³ΠΎ 3-4 Π²ΠΈΡΠΊΠ° ΡΠ°ΠΊΠΎΠ³ΠΎ ΠΆΠ΅ ΠΏΡΠΎΠ²ΠΎΠ΄Π°. ΠΠ½Π° Π½Π°ΠΌΠ°ΡΡΠ²Π°Π΅ΡΡΡ Π½Π° ΠΎΡΠ΄Π΅Π»ΡΠ½ΠΎΠΌ ΡΠ°ΠΊΠΎΠΌ ΠΆΠ΅ ΠΊΠ°ΡΠΊΠ°ΡΠ΅, Π½Π°Π΄Π΅Π²Π°Π΅ΠΌΠΎΠΌ Π½Π° ΡΡΠ΅ΡΠΆΠ΅Π½Ρ ΡΠΎ ΡΡΠΎΡΠΎΠ½Ρ Π·Π°Π·Π΅ΠΌΠ»Π΅Π½Π½ΠΎΠ³ΠΎ Π²ΡΠ²ΠΎΠ΄Π° ΠΊΠΎΠ½ΡΡΡΠ½ΠΎΠΉ ΠΊΠ°ΡΡΡΠΊΠΈ, ΡΡΠΎΠ±Ρ ΡΠ΅Π³ΡΠ»ΠΈΡΠΎΠ²ΠΊΠ° ΠΠ‘ ΠΌΠ΅Π½ΡΡΠ΅ Π²Π»ΠΈΡΠ»Π° Π½Π° Π½Π°ΡΡΡΠΎΠΉΠΊΡ. ΠΠ±ΡΠ°ΡΠΈΡΠ΅ Π²Π½ΠΈΠΌΠ°Π½ΠΈΠ΅ Π½Π° ΠΏΠΎΠ»ΡΡΠ½ΠΎΡΡΡ Π²ΠΊΠ»ΡΡΠ΅Π½ΠΈΡ ΠΊΠ°ΡΡΡΠ΅ΠΊ: ΠΏΠ΅ΡΠ΅ΠΊΠ»ΡΡΠ΅Π½ΠΈΠ΅ Π²ΡΠ²ΠΎΠ΄ΠΎΠ² (ΠΈΠ»ΠΈ ΠΏΠ΅ΡΠ΅Π²ΠΎΡΠΎΡ Π½Π°Π΄Π΅Π²Π°Π΅ΠΌΠΎΠΉ Π½Π° ΡΡΠ΅ΡΠΆΠ΅Π½Ρ ΠΊΠ°ΡΡΡΠΊΠΈ ΡΠ²ΡΠ·ΠΈ) ΠΏΡΠ΅Π²ΡΠ°ΡΠ°Π΅Ρ ΠΠΠ‘ Π² ΠΠΠ‘, Π΄ΠΎΠ±ΡΠΎΡΠ½ΠΎΡΡΡ ΠΊΠΎΠ½ΡΡΡΠ° ΠΏΡΠΈ ΡΡΠΎΠΌ ΠΏΠΎΠ½ΠΈΠΆΠ°Π΅ΡΡΡ. ΠΡΡΠ°Π»ΡΠ½ΡΠ΅ Π΄Π΅ΡΠ°Π»ΠΈ Π½Π΅Π΄Π΅ΡΠΈΡΠΈΡΠ½Ρ ΠΈ Π΄ΠΎΠΏΡΡΠΊΠ°ΡΡ ΡΠΈΡΠΎΠΊΠΈΠΉ Π°ΡΡΠΎΡΡΠΈΠΌΠ΅Π½Ρ Π·Π°ΠΌΠ΅Π½. ΠΡΠΎΡ ΡΠ°Π΄ΠΈΠΎΡΠ°ΡΡΠΎΡΠ½ΡΠΉ ΡΡΠ°ΠΊΡ ΠΏΡΠΈΠ΅ΠΌΠ½ΠΈΠΊΠ° ΠΎΡΠ΅Π½Ρ ΡΠΊΠΎΠ½ΠΎΠΌΠΈΡΠ΅Π½: ΠΏΠΎΡΡΠ΅Π±Π»ΡΠ΅ΠΌΡΠΉ ΡΠΎΠΊ Π½Π΅ ΠΏΡΠ΅Π²ΠΎΡΡ
ΠΎΠ΄ΠΈΡ 0,15 ΠΌΠ. ΠΠ΅ΡΠΌΠΎΡΡΡ Π½Π° ΠΎΡΡΡΡΡΡΠ²ΠΈΠ΅ Π£Π Π§, ΠΏΡΠΈΠ΅ΠΌΠ½ΠΈΠΊ Ρ
ΠΎΡΠΎΡΠΎ ΠΏΡΠΈΠ½ΠΈΠΌΠ°Π» ΠΌΠ΅ΡΡΠ½ΡΠ΅ ΡΡΠ°Π½ΡΠΈΠΈ, Π° Π² Π²Π΅ΡΠ΅ΡΠ½Π΅Π΅ Π²ΡΠ΅ΠΌΡ ΠΏΡΠΎΡΠ»ΡΡΠΈΠ²Π°Π»ΠΈΡΡ Π΄Π°ΠΆΠ΅ Π΄Π°Π»ΡΠ½ΠΈΠ΅.
ΠΡΡΠ³ΠΎΠΉ ΠΏΡΠΈΠ΅ΠΌΠ½ΠΈΠΊ, ΠΎΠ±Π»Π°Π΄Π°Ρ ΡΠΊΠΎΠ½ΠΎΠΌΠΈΡΠ½ΠΎΡΡΡΡ ΠΏΠ΅ΡΠ²ΠΎΠ³ΠΎ (ΠΏΠΎΡΡΠ΅Π±Π»ΡΠ΅ΠΌΡΠΉ ΡΠΎΠΊ ΠΎΠΊΠΎΠ»ΠΎ 0,3 ΠΌΠ), ΠΈΠΌΠ΅Π΅Ρ Π±ΠΎΠ»ΡΡΡΡ ΡΡΠ²ΡΡΠ²ΠΈΡΠ΅Π»ΡΠ½ΠΎΡΡΡ. Π Π½Π΅ΠΌ ΠΈΡΠΏΠΎΠ»ΡΠ·ΠΎΠ²Π°Π½Π° ΠΎΡΠΈΠ³ΠΈΠ½Π°Π»ΡΠ½Π°Ρ ΡΡ
Π΅ΠΌΠ° ΠΠ‘, ΠΏΠΎΠ·Π²ΠΎΠ»ΠΈΠ²ΡΠ°Ρ ΠΎΡΠΊΠ°Π·Π°ΡΡΡΡ ΠΎΡ ΠΊΠ°ΡΡΡΠΊΠΈ ΠΎΠ±ΡΠ°ΡΠ½ΠΎΠΉ ΡΠ²ΡΠ·ΠΈ ΠΈ ΡΠ΅Π³ΡΠ»ΠΈΡΠΎΠ²Π°ΡΡ ΠΠ‘ ΡΠ΅Π·ΠΈΡΡΠΎΡΠΎΠΌ (ΡΠΈΡ. 2). ΠΠ²Π° ΠΊΠ°ΡΠΊΠ°Π΄Π° Π£Π Π§ Π½Π° ΡΠ°ΠΊΠΈΡ
ΠΆΠ΅ ΡΡΠ°Π½Π·ΠΈΡΡΠΎΡΠ°Ρ
, ΡΡΠΎ ΠΈ Π² ΠΏΡΠ΅Π΄ΡΠ΄ΡΡΠ΅ΠΌ ΠΏΡΠΈΠ΅ΠΌΠ½ΠΈΠΊΠ΅, ΡΠΎΠ±ΡΠ°Π½Ρ ΠΏΠΎ ΡΡ
Π΅ΠΌΠ΅ Ρ Π½Π΅ΠΏΠΎΡΡΠ΅Π΄ΡΡΠ²Π΅Π½Π½ΠΎΠΉ ΡΠ²ΡΠ·ΡΡ ΠΏΠΎ ΠΏΠΎΡΡΠΎΡΠ½Π½ΠΎΠΌΡ ΡΠΎΠΊΡ.
Π’ΠΎΠΊ ΡΡΠΎΠΊΠ° ΠΏΠ΅ΡΠ²ΠΎΠ³ΠΎ ΡΡΠ°Π½Π·ΠΈΡΡΠΎΡΠ° ΡΠ»ΡΠΆΠΈΡ ΡΠΎΠΊΠΎΠΌ ΡΠΌΠ΅ΡΠ΅Π½ΠΈΡ Π±Π°Π·Ρ Π²ΡΠΎΡΠΎΠ³ΠΎ. Π ΠΊΠΎΠ»Π»Π΅ΠΊΡΠΎΡΠ½ΡΠΉ ΡΠΎΠΊ Π²ΡΠΎΡΠΎΠ³ΠΎ, ΠΏΡΠΎΡ
ΠΎΠ΄Ρ ΡΠ΅ΡΠ΅Π· ΡΠ΅Π·ΠΈΡΡΠΎΡ Π½Π°Π³ΡΡΠ·ΠΊΠΈ R3, ΡΠΎΠ·Π΄Π°Π΅Ρ ΠΏΠ°Π΄Π΅Π½ΠΈΠ΅ Π½Π°ΠΏΡΡΠΆΠ΅Π½ΠΈΡ, ΠΊΠΎΡΠΎΡΠΎΠ΅, ΠΏΠΎΡΡΡΠΏΠ°Ρ Π½Π° ΠΈΡΡΠΎΠΊ ΠΏΠ΅ΡΠ²ΠΎΠ³ΠΎ ΡΡΠ°Π½Π·ΠΈΡΡΠΎΡΠ°, ΡΠ²Π»ΡΠ΅ΡΡΡ Π΄Π»Ρ Π½Π΅Π³ΠΎ Π½Π°ΠΏΡΡΠΆΠ΅Π½ΠΈΠ΅ΠΌ ΡΠΌΠ΅ΡΠ΅Π½ΠΈΡ. Π‘ΡΠΎΠΏΡΠΎΡΠ΅Π½ΡΠ½Π°Ρ ΠΠΠ‘ ΠΏΠΎ ΠΏΠΎΡΡΠΎΡΠ½Π½ΠΎΠΌΡ ΡΠΎΠΊΡ ΡΡΠ°Π±ΠΈΠ»ΠΈΠ·ΠΈΡΡΠ΅Ρ ΡΠ΅ΠΆΠΈΠΌ ΡΠ°Π±ΠΎΡΡ ΡΡΠ°Π½Π·ΠΈΡΡΠΎΡΠΎΠ².
ΠΠΠ‘ ΠΏΠΎ ΠΏΠ΅ΡΠ΅ΠΌΠ΅Π½Π½ΠΎΠΌΡ ΡΠΎΠΊΡ ΠΎΡΡΡΡΡΡΠ²ΡΠ΅Ρ, ΠΊΠΎΠ³Π΄Π° Π΄Π²ΠΈΠΆΠΎΠΊ ΠΏΠ΅ΡΠ΅ΠΌΠ΅Π½Π½ΠΎΠ³ΠΎ ΡΠ΅Π·ΠΈΡΡΠΎΡΠ° ΡΠ΅Π³ΡΠ»ΠΈΡΠΎΠ²ΠΊΠΈ ΠΠ‘ Π½Π°Ρ ΠΎΠ΄ΠΈΡΡΡ Π² Π²Π΅ΡΡ Π½Π΅ΠΌ ΠΏΠΎ ΡΡ Π΅ΠΌΠ΅ ΠΏΠΎΠ»ΠΎΠΆΠ΅Π½ΠΈΠΈ ΠΈ ΠΊΠΎΠ½Π΄Π΅Π½ΡΠ°ΡΠΎΡ Π‘1 Π·Π°ΠΌΡΠΊΠ°Π΅Ρ ΠΈΡΡΠΎΠΊ ΡΡΠ°Π½Π·ΠΈΡΡΠΎΡΠ° VT1 Π½Π° ΠΎΠ±ΡΠΈΠΉ ΠΏΡΠΎΠ²ΠΎΠ΄. ΠΠ΅ΡΠ΅ΠΌΠ΅ΡΠ°Ρ Π΄Π²ΠΈΠΆΠΎΠΊ Π²Π½ΠΈΠ·, ΠΌΡ ΠΎΠ±ΡΠ°Π·ΡΠ΅ΠΌ Π΄Π΅Π»ΠΈΡΠ΅Π»Ρ ΠΈΠ· ΡΠ΅Π·ΠΈΡΡΠΎΡΠΎΠ² R1 ΠΈ R2, ΡΠΎΠ³Π΄Π° ΡΠ°ΡΡΡ Π²ΡΡ ΠΎΠ΄Π½ΠΎΠ³ΠΎ Π½Π°ΠΏΡΡΠΆΠ΅Π½ΠΈΡ Ρ Π½Π°Π³ΡΡΠ·ΠΊΠΈ Π£Π Π§ R3 ΠΏΠΎΡΡΡΠΏΠ°Π΅Ρ Π½Π° ΠΈΡΡΠΎΠΊ VT1. ΠΠ°ΠΌΠ΅ΡΠΈΠΌ, ΡΡΠΎ ΠΎΠ½ΠΎ ΠΈΠΌΠ΅Π΅Ρ ΡΠ°ΠΊΡΡ ΠΆΠ΅ ΡΠ°Π·Ρ, ΠΊΠ°ΠΊ ΠΈ Π½Π°ΠΏΡΡΠΆΠ΅Π½ΠΈΠ΅ Π½Π° Π·Π°ΡΠ²ΠΎΡΠ΅, ΠΏΠΎΡΠΊΠΎΠ»ΡΠΊΡ ΡΡΠ°Π½Π·ΠΈΡΡΠΎΡΡ Π΄Π²Π°ΠΆΠ΄Ρ ΠΈΠ½Π²Π΅ΡΡΠΈΡΡΡΡ ΡΠΈΠ³Π½Π°Π». ΠΠ΅Π±ΠΎΠ»ΡΡΠΎΠΉ ΠΌΠ΅ΠΆΠ΄ΡΡΠ»Π΅ΠΊΡΡΠΎΠ΄Π½ΠΎΠΉ Π΅ΠΌΠΊΠΎΡΡΠΈ ΠΈΡΡΠΎΠΊ -Π·Π°ΡΠ²ΠΎΡ Π²ΠΏΠΎΠ»Π½Π΅ Π΄ΠΎΡΡΠ°ΡΠΎΡΠ½ΠΎ, ΡΡΠΎΠ±Ρ ΡΠ½Π΅ΡΠ³ΠΈΡ ΡΠΈΠ³Π½Π°Π»Π° ΠΏΠΎΡΡΡΠΏΠ°Π»Π° ΠΎΠ±ΡΠ°ΡΠ½ΠΎ Π² ΠΊΠΎΠ½ΡΡΡ, ΡΠ½ΠΈΠΆΠ°Ρ Π΅Π³ΠΎ ΠΏΠΎΡΠ΅ΡΠΈ.
Π Π΅Π³ΡΠ»ΠΈΡΡΡ R1, ΠΌΠΎΠΆΠ½ΠΎ ΠΎΡΠ΅Π½Ρ Π±Π»ΠΈΠ·ΠΊΠΎ ΠΏΠΎΠ΄ΠΎΠΉΡΠΈ ΠΊ ΠΏΠΎΡΠΎΠ³Ρ Π³Π΅Π½Π΅ΡΠ°ΡΠΈΠΈ, ΡΡΠΎ Π·Π°ΠΌΠ΅ΡΠ½ΠΎ ΠΏΠΎ ΡΡΠΈΠ»Π΅Π½ΠΈΡ ΡΠ»Π°Π±ΡΡ
ΡΠΈΠ³Π½Π°Π»ΠΎΠ² ΠΈ ΡΡΠΌΠ°, ΠΏΠΎΡΡΡΠΏΠ°ΡΡΠΈΡ
Π½Π° Π²Ρ
ΠΎΠ΄.
ΠΡΠ»ΠΈ ΠΆΠ΅ ΠΏΠ΅ΡΠ΅ΠΉΡΠΈ Π·Π° ΠΏΠΎΡΠΎΠ³ Π³Π΅Π½Π΅ΡΠ°ΡΠΈΠΈ, Ρ
Π°ΡΠ°ΠΊΡΠ΅Ρ ΡΡΠΌΠ° ΡΠ΅Π·ΠΊΠΎ ΠΌΠ΅Π½ΡΠ΅ΡΡΡ — ΠΎΠ½ ΡΡΠ°Π½ΠΎΠ²ΠΈΡΡΡ ΡΠΎΠ²Π½Π΅Π΅, Ρ ΠΏΡΠ΅ΠΎΠ±Π»Π°Π΄Π°Π½ΠΈΠ΅ΠΌ Π²Π΅ΡΡ
Π½ΠΈΡ
ΡΠ°ΡΡΠΎΡ. ΠΠ΅ΡΡΡΠΈΠ΅ ΡΡΠ°Π½ΡΠΈΠΉ ΠΏΡΠΈ ΡΡΠΎΠΌ Π²ΡΠ·ΡΠ²Π°ΡΡ Π±ΠΈΠ΅Π½ΠΈΡ — ΡΠ²ΠΈΡΡ ΠΌΠ΅Π½ΡΡΡΠ΅Π³ΠΎΡΡ ΠΏΡΠΈ Π½Π°ΡΡΡΠΎΠΉΠΊΠ΅ ΡΠΎΠ½Π°. ΠΠ΅ΡΠ΅ΠΊΡΠΎΡ Π² ΡΡΠΎΠΌ ΠΏΡΠΈΠ΅ΠΌΠ½ΠΈΠΊΠ΅ ΠΌΠΎΠΆΠ½ΠΎ Π²ΡΠΏΠΎΠ»Π½ΠΈΡΡ ΡΠ°ΠΊ ΠΆΠ΅, ΠΊΠ°ΠΊ ΠΈ Π² ΠΏΡΠ΅Π΄ΡΠ΄ΡΡΠ΅ΠΌ, Π° ΠΌΠΎΠΆΠ½ΠΎ ΠΈΡΠΏΠΎΠ»ΡΠ·ΠΎΠ²Π°ΡΡ ΠΈ ΠΎΠ±ΡΡΠ½ΡΠΉ Π΄ΠΈΠΎΠ΄Π½ΡΠΉ Π΄Π΅ΡΠ΅ΠΊΡΠΎΡ, ΠΏΠΎΠ΄ΠΎΠ±Π½ΡΠΉ ΠΈΡΠΏΠΎΠ»ΡΠ·ΡΠ΅ΠΌΠΎΠΌΡ Π²ΠΎ ΠΌΠ½ΠΎΠ³ΠΈΡ
ΠΏΡΠΈΠ΅ΠΌΠ½ΠΈΠΊΠ°Ρ
ΠΏΡΠ΅Π΄ΡΠ΄ΡΡΠ΅ΠΉ Π³Π»Π°Π²Ρ.
Π’ΡΠ΅ΡΠΈΠΉ ΠΏΡΠΈΠ΅ΠΌΠ½ΠΈΠΊ, ΡΠ°Π·ΡΠ°Π±ΠΎΡΠ°Π½Π½ΡΠΉ Π. ΠΠΈΡ Π°ΠΉΠ»ΠΎΠ²ΡΠΌ, ΠΈΠ½ΡΠ΅ΡΠ΅ΡΠ΅Π½ ΡΠ΅ΠΌ, ΡΡΠΎ Π² Π½Π΅ΠΌ ΠΈΡΠΏΠΎΠ»ΡΠ·ΠΎΠ²Π°Π½Ρ Π½Π΅Π΄Π΅ΡΠΈΡΠΈΡΠ½ΡΠ΅ Π³Π΅ΡΠΌΠ°Π½ΠΈΠ΅Π²ΡΠ΅ Π±ΠΈΠΏΠΎΠ»ΡΡΠ½ΡΠ΅ ΡΡΠ°Π½Π·ΠΈΡΡΠΎΡΡ ΡΠΈΠΏΠ° ΠΠ’322, ΠΈΠΌΠ΅ΡΡΠΈΠ΅ Π½Π΅Π±ΠΎΠ»ΡΡΡΡ ΠΏΡΠΎΡ ΠΎΠ΄Π½ΡΡ Π΅ΠΌΠΊΠΎΡΡΡ ΠΈ ΡΠΏΠ΅ΡΠΈΠ°Π»ΡΠ½ΠΎ ΠΏΡΠ΅Π΄Π½Π°Π·Π½Π°ΡΠ΅Π½Π½ΡΠ΅ Π΄Π»Ρ ΡΡΠ°ΠΊΡΠΎΠ² Π Π§ ΠΈ ΠΠ§ (ΡΠΈΡ. 3).
Π ΠΈΡ.2. Π‘Π ΡΠ΅Π³Π΅Π½Π΅ΡΠ°ΡΠΎΡ Ρ ΡΠ΅Π³ΡΠ»ΠΈΡΠΎΠ²ΠΊΠΎΠΉ ΠΠ‘.
ΠΠ½ ΡΠ°Π±ΠΎΡΠ°Π΅Ρ Π² Π΄ΠΈΠ°ΠΏΠ°Π·ΠΎΠ½Π΅ Π²ΠΎΠ»Π½ 300-1500 ΠΌ. Π Π΄Π²ΡΡ
ΠΊΠ°ΡΠΊΠ°Π΄Π½ΠΎΠΌ Π£Π Π§ ΡΠ΄Π°Π»ΠΎΡΡ ΠΏΠΎΠ»ΡΡΠΈΡΡ ΡΡΠΈΠ»Π΅Π½ΠΈΠ΅ Π±ΠΎΠ»Π΅Π΅ 60 Π΄Π (1000 ΡΠ°Π· ΠΏΠΎ Π½Π°ΠΏΡΡΠΆΠ΅Π½ΠΈΡ) ΠΈ ΡΡΠ²ΡΡΠ²ΠΈΡΠ΅Π»ΡΠ½ΠΎΡΡΡ Π²ΡΠ΅Π³ΠΎ ΠΏΡΠΈΠ΅ΠΌΠ½ΠΈΠΊΠ° ΠΏΠΎ Π½Π°ΠΏΡΡΠΆΠ΅Π½Π½ΠΎΡΡΠΈ ΠΏΠΎΠ»Ρ ΠΎΠΊΠΎΠ»ΠΎ 2 ΠΌΠ/ΠΌ. ΠΠ΅ΡΠ²ΡΠΉ ΠΊΠ°ΡΠΊΠ°Π΄ Π£Π Π§ ΡΠΎΠ±ΡΠ°Π½ Π½Π° ΡΠΎΡΡΠ°Π²Π½ΠΎΠΌ ΡΡΠ°Π½Π·ΠΈΡΡΠΎΡΠ΅ VT1, VT2, ΠΈΠΌΠ΅ΡΡΠ΅ΠΌ ΠΏΠΎΠ²ΡΡΠ΅Π½Π½ΠΎΠ΅ Π²Ρ
ΠΎΠ΄Π½ΠΎΠ΅ ΡΠΎΠΏΡΠΎΡΠΈΠ²Π»Π΅Π½ΠΈΠ΅, ΠΈ ΡΠ²ΡΠ·Π°Π½ Ρ ΠΌΠ°Π³Π½ΠΈΡΠ½ΠΎΠΉ Π°Π½ΡΠ΅Π½Π½ΠΎΠΉ ΠΊΠ°ΡΡΡΠΊΠΎΠΉ L2.
Π ΠΈΡ.3. Π’ΡΠ°ΠΊΡ Π Π§ ΠΏΡΠΈΠ΅ΠΌΠ½ΠΈΠΊΠ° ΠΏΡΡΠΌΠΎΠ³ΠΎ ΡΡΠΈΠ»Π΅Π½ΠΈΡ.
ΠΡΠΎΡΠΎΠΉ ΠΊΠ°ΡΠΊΠ°Π΄ ΡΠΎΠ±ΡΠ°Π½ ΠΏΠΎ ΠΎΠ±ΡΡΠ½ΠΎΠΉ ΡΡ Π΅ΠΌΠ΅ Π½Π° ΡΡΠ°Π½Π·ΠΈΡΡΠΎΡΠ΅ Ρ΄Π’Π. Π‘ΠΈΠ³Π½Π°Π» Ρ Π΅Π³ΠΎ Π½Π°Π³ΡΡΠ·ΠΊΠΈ R5 ΠΏΠΎΠ΄Π°Π΅ΡΡΡ Π½Π° ΡΡΠ°Π½Π·ΠΈΡΡΠΎΡΠ½ΡΠΉ ΡΠΌΠΈΡ-ΡΠ΅ΡΠ½ΡΠΉ Π΄Π΅ΡΠ΅ΠΊΡΠΎΡ Π½Π° ΡΡΠ°Π½Π·ΠΈΡΡΠΎΡΠ΅ Ρ΄Π’4, Π²Π½ΠΎΡΡΡΠΈΠΉ ΠΌΠ°Π»ΡΠ΅ ΠΈΡΠΊΠ°ΠΆΠ΅Π½ΠΈΡ. ΠΡΠΎΠΌΠ΅ ΡΠΎΠ³ΠΎ, Ρ Π²ΡΡ ΠΎΠ΄Π° Π£Π Π§ ΡΠΈΠ³Π½Π°Π» ΡΠ΅ΡΠ΅Π· ΡΠ΅ΠΏΠΎΡΠΊΡ R1C3 Ρ ΠΎΡΠ΅Π½Ρ Π²ΡΡΠΎΠΊΠΈΠΌ ΠΏΠΎΠ»Π½ΡΠΌ ΡΠΎΠΏΡΠΎΡΠΈΠ²Π»Π΅Π½ΠΈΠ΅ΠΌ ΠΏΠΎΠ΄Π°Π΅ΡΡΡ ΠΎΠ±ΡΠ°ΡΠ½ΠΎ Π² ΠΊΠΎΠ½ΡΡΡ, ΡΠΎΠ·Π΄Π°Π²Π°Ρ ΠΠΠ‘. Π‘ Π²ΡΡ ΠΎΠ΄Π° Π΄Π΅ΡΠ΅ΠΊΡΠΎΡΠ° ΡΠΈΠ³Π½Π°Π» ΠΠ§ ΠΏΠΎΠ΄Π°Π΅ΡΡΡ Π½Π° Π»ΡΠ±ΠΎΠΉ Π£ΠΠ§ ΠΈΠ»ΠΈ ΡΠ΅Π»Π΅ΡΠΎΠ½Ρ.
ΠΠ°Π³Π½ΠΈΡΠ½Π°Ρ Π°Π½ΡΠ΅Π½Π½Π° Π½Π°ΠΌΠΎΡΠ°Π½Π° Π½Π° ΠΏΠ»ΠΎΡΠΊΠΎΠΌ ΡΡΠ΅ΡΠΆΠ½Π΅ Π΄Π»ΠΈΠ½ΠΎΠΉ 100 ΠΈ ΡΠΎΠ»ΡΠΈΠ½ΠΎΠΉ 4 ΠΌΠΌ ΠΈΠ· ΡΠ΅ΡΡΠΈΡΠ° 400ΠΠ. ΠΠ°ΡΡΡΠΊΠ° L1 ΡΠΎΠ΄Π΅ΡΠΆΠΈΡ 230 Π²ΠΈΡΠΊΠΎΠ² ΠΏΡΠΎΠ²ΠΎΠ΄Π° ΠΠΠ-2 0,25, L2 — 22 Π²ΠΈΡΠΊΠ° ΡΠ°ΠΊΠΎΠ³ΠΎ ΠΆΠ΅ ΠΏΡΠΎΠ²ΠΎΠ΄Π°, ΠΈ ΡΠ°Π·ΠΌΠ΅ΡΠ΅Π½Π° ΠΏΠΎΠ²Π΅ΡΡ L1. ΠΠ°ΡΡΡΠΎΠΉΠΊΠ° ΠΏΡΠΈΠ΅ΠΌΠ½ΠΈΠΊΠ° ΡΠ²ΠΎΠ΄ΠΈΡΡΡ ΠΊ ΠΏΠΎΠ΄Π±ΠΎΡΡ ΡΠ΅Π·ΠΈΡΡΠΎΡΠΎΠ² R2 ΠΈ R4 ΠΏΠΎ ΠΌΠ°ΠΊΡΠΈΠΌΡΠΌΡ ΡΡΠΈΠ»Π΅Π½ΠΈΡ ΠΈ ΠΌΠΈΠ½ΠΈΠΌΡΠΌΡ ΠΈΡΠΊΠ°ΠΆΠ΅Π½ΠΈΠΉ ΠΏΡΠΈ ΠΎΡΠΊΠ»ΡΡΠ΅Π½Π½ΠΎΠΉ ΡΠ΅ΠΏΠΈ ΠΠΠ‘. ΠΠ»ΡΠ±ΠΈΠ½Ρ ΠΏΠΎΡΠ»Π΅Π΄Π½Π΅ΠΉ ΠΏΠΎΠ΄Π±ΠΈΡΠ°ΡΡ Π΅ΠΌΠΊΠΎΡΡΡΡ Π‘Π Π½Π° Π²ΡΡΠΎΠΊΠΎΡΠ°ΡΡΠΎΡΠ½ΠΎΠΌ ΠΊΡΠ°Ρ Π΄ΠΈΠ°ΠΏΠ°Π·ΠΎΠ½Π°. ΠΠ°ΠΊ ΡΠΎΠΎΠ±ΡΠ°Π΅ΡΡΡ, Π² ΡΠ°Π·Π½ΡΡ ΡΠ°ΠΉΠΎΠ½Π°Ρ Π ΠΎΡΡΠΈΠΈ ΠΎΡΠΌΠ΅ΡΠ°Π»ΡΡ ΡΠ²Π΅ΡΠ΅Π½Π½ΡΠΉ ΠΏΡΠΈΠ΅ΠΌ Π±Π»ΠΈΠΆΠ½ΠΈΡ ΠΈ Π΄Π°Π»ΡΠ½ΠΈΡ ΡΠ°Π΄ΠΈΠΎΡΡΠ°Π½ΡΠΈΠΉ ΠΏΡΠΈ Ρ ΠΎΡΠΎΡΠ΅ΠΉ ΡΠ΅Π»Π΅ΠΊΡΠΈΠ²Π½ΠΎΡΡΠΈ.
ΠΡΡΠΎΡΠ½ΠΈΠΊ: ΠΠΎΠ»ΡΠΊΠΎΠ² Π. Π’. — Π’Π΅Ρ
Π½ΠΈΠΊΠ° ΡΠ°Π΄ΠΈΠΎΠΏΡΠΈΠ΅ΠΌΠ°, ΠΏΡΠΎΡΡΡΠ΅ ΠΏΡΠΈΠ΅ΠΌΠ½ΠΈΠΊΠΈ ΠΠ ΡΠΈΠ³Π½Π°Π»ΠΎΠ².
ΠΠΠ ΠΠ ΠΠΠΠΠΠΠ Π ΠΠΠΠΠΠ ΠΠ¦ΠΠ ΠΠ°ΡΡΠΈ ΠΠΈΡΡ ΠΎΠ»Π»
ΠΠΠ ΠΠ ΠΠΠΠΠΠΠ Π ΠΠΠΠΠΠ ΠΠ¦ΠΠ ΠΠ°ΡΡΠΈ ΠΠΈΡΡ ΠΎΠ»Π»Π― ΠΏΠΎ-ΠΏΡΠ΅ΠΆΠ½Π΅ΠΌΡ ΡΡΠΈΡΠ°Ρ, ΡΡΠΎ ΠΏΡΠΎΡΡΠΎΠΉ ΠΏΡΠΈΠ΅ΠΌΠ½ΠΈΠΊ ΡΠ²Π»ΡΠ΅ΡΡΡ ΠΎΡΠ΅Π½Ρ Π²Π°ΠΆΠ½ΠΎΠΉ ΡΠ°ΡΡΡΡ QRP-ΡΡΠ°Π½ΡΠΈΠΈ. Π 30-Ρ ΠΈ 40-Ρ Π³ΠΎΠ΄Π°Ρ Π±ΠΎΠ»ΡΡΠΎΠΉ ΠΏΠΎΠΏΡΠ»ΡΡΠ½ΠΎΡΡΡΡ ΠΏΠΎΠ»ΡΠ·ΠΎΠ²Π°Π»ΠΈΡΡ ΡΠ΅Π³Π΅Π½Π΅ΡΠ°ΡΠΈΠ²Π½ΡΠ΅ ΡΠ°Π΄ΠΈΠΎΠΏΡΠΈΠ΅ΠΌΠ½ΠΈΠΊΠΈ; ΠΎΠ½ΠΈ ΠΏΡΠΎΡΡΡ Π² ΡΠ±ΠΎΡΠΊΠ΅ ΠΈ Π΄Π°ΡΡ ΠΎΡΠ΅Π½Ρ Ρ ΠΎΡΠΎΡΠΈΠ΅ ΡΠ΅Π·ΡΠ»ΡΡΠ°ΡΡ, Π΄Π°ΠΆΠ΅ Π΄Π»Ρ ΡΠ°Π±ΠΎΡΡ CW ΠΈ SSB. ΠΠ΄Π΅ΡΡ Ρ ΠΏΡΠ΅Π΄ΡΡΠ°Π²Π»ΡΡ Π΄Π²Π΅ ΠΈΠ΄Π΅Π½ΡΠΈΡΠ½ΡΠ΅ ΡΡ Π΅ΠΌΡ, ΠΎΠ΄Π½Π° ΠΈΠ· ΠΊΠΎΡΠΎΡΡΡ ΠΈΡΠΏΠΎΠ»ΡΠ·ΡΠ΅Ρ ΠΏΠΎΠ»Π΅Π²ΡΠ΅ ΡΡΠ°Π½Π·ΠΈΡΡΠΎΡΡ, Π° Π΄ΡΡΠ³Π°Ρ β Π²Π΅Π½ΡΠΈΠ»ΠΈ. ΠΠ±Π° ΠΏΡΠΈΠ΅ΠΌΠ½ΠΈΠΊΠ° ΠΈΡΠΏΠΎΠ»ΡΠ·ΡΡΡ ΠΎΠ΄ΠΈΠ½Π°ΠΊΠΎΠ²ΡΠ΅ ΠΊΠ°ΡΡΡΠΊΠΈ.
ΠΠΎΠ»Π΅Π²ΡΠ΅ ΡΡΠ°Π½Π·ΠΈΡΡΠΎΡΡ Π΄Π»Ρ Π²Π΅ΡΡΠΈΠΈ FET ΠΌΠΎΠ³ΡΡ Π±ΡΡΡ ΠΏΠΎΡΡΠΈ Π»ΡΠ±ΡΠΌΠΈ JFET, ΡΠ°ΠΊΠΈΠΌΠΈ ΠΊΠ°ΠΊ BC256, J310 ΠΈΠ»ΠΈ MPF102. ΠΠ»Π°ΠΏΠ°Π½Ρ ΠΌΠΎΠ³ΡΡ Π±ΡΡΡ DF91, DF92, DF96, DF97, 1T4, 1L4 ΠΈΠ»ΠΈ 1AN5. ΠΠ±ΡΠ°ΡΠΈΡΠ΅ Π²Π½ΠΈΠΌΠ°Π½ΠΈΠ΅, ΡΡΠΎ Π² Π½Π΅ΠΊΠΎΡΠΎΡΡΡ Π»Π°ΠΌΠΏΠ°Ρ (Π½Π°ΠΏΡΠΈΠΌΠ΅Ρ, DF91 ΠΈ 1T4) ΡΠ΅ΡΠΊΠ° ΠΏΠΎΠ΄Π°Π²ΠΈΡΠ΅Π»Ρ (G3) Π²Π½ΡΡΡΠ΅Π½Π½Π΅ ΡΠΎΠ΅Π΄ΠΈΠ½Π΅Π½Π° Ρ ΠΊΠ°ΡΠΎΠ΄ΠΎΠΌ/ΡΠΈΠ»Π»Π°ΠΌΠ΅Π½ΡΠΎΠΌ. ΠΠ°ΠΏΡΠΈΠΌΠ΅Ρ, Π΄Π»Ρ DF97 ΡΡΠ΅Π±ΡΠ΅ΡΡΡ Π²Π½Π΅ΡΠ½Π΅Π΅ ΠΏΠΎΠ΄ΠΊΠ»ΡΡΠ΅Π½ΠΈΠ΅ G3.
T1 ΠΌΠΎΠΆΠ΅Ρ ΠΎΠΊΠ°Π·Π°ΡΡΡΡ ΠΏΡΠΎΠ±Π»Π΅ΠΌΠΎΠΉ. Π― ΠΈΡΠΏΠΎΠ»ΡΠ·ΠΎΠ²Π°Π» Π»Π°ΠΌΠΏΠΎΠ²ΡΠΉ ΠΌΠ΅ΠΆΠΊΠ°ΡΠΊΠ°Π΄Π½ΡΠΉ Π·Π²ΡΠΊΠΎΠ²ΠΎΠΉ ΠΏΡΠ΅ΠΎΠ±ΡΠ°Π·ΠΎΠ²Π°ΡΠ΅Π»Ρ, ΡΠΊΡΠ°Π΄Π΅Π½Π½ΡΠΉ ΠΈΠ· ΡΡΠ°ΡΠΎΠ³ΠΎ Π»Π°ΠΌΠΏΠΎΠ²ΠΎΠ³ΠΎ ΡΠ°Π΄ΠΈΠΎΠΏΡΠΈΠ΅ΠΌΠ½ΠΈΠΊΠ°.
6221 South Maple Ave Π’Π΅ΠΌΠΏΠ΅, ΠΡΠΈΠ·ΠΎΠ½Π°, Π‘ΠΎΠ΅Π΄ΠΈΠ½Π΅Π½Π½ΡΠ΅ Π¨ΡΠ°ΡΡ ΠΠΌΠ΅ΡΠΈΠΊΠΈ. ΠΠ΅ΡΠ°Π»Ρ β — P-T156.
ΠΡΠΎΡΡΠ΅Π»Ρ Π½Π° 2,2 ΠΌΠΠ½ ΠΌΠΎΠΆΠ½ΠΎ ΠΈΠ·Π³ΠΎΡΠΎΠ²ΠΈΡΡ, Π½Π°ΠΌΠΎΡΠ°Π² 34 Π²ΠΈΡΠΊΠ° ΠΏΡΠΎΠ²ΠΎΠ΄Π° Π½Π° ΡΠ΅ΡΡΠΈΡΠΎΠ²ΠΎΠ΅ ΠΊΠΎΠ»ΡΡΠΎ Π΄ΠΈΠ°ΠΌΠ΅ΡΡΠΎΠΌ 1/2 Π΄ΡΠΉΠΌΠ° (Π²Π½Π΅ΡΠ½ΠΈΠΉ Π΄ΠΈΠ°ΠΌΠ΅ΡΡ). ΠΡΠ»ΠΈ Π²Ρ ΠΌΠΎΠΆΠ΅ΡΠ΅ ΠΏΠΎΠ»ΡΡΠΈΡΡ Π±ΠΎΠ»Π΅Π΅ 34 Π²ΠΈΡΠΊΠΎΠ², ΡΠ΅ΠΌ Π»ΡΡΡΠ΅, ΠΌΠΈΠ½ΠΈΠΌΡΠΌ 2,2 ΠΌΠΠ½.
ΠΠ° ΠΏΡΠΈΠ½ΡΠΈΠΏΠΈΠ°Π»ΡΠ½ΡΡ
ΡΡ
Π΅ΠΌΠ°Ρ
ΡΠ°ΠΊΠΆΠ΅ ΡΠΊΠ°Π·Π°Π½Π° ΠΏΡΠ°Π²ΠΈΠ»ΡΠ½Π°Ρ ΡΠ°Π·ΠΈΡΠΎΠ²ΠΊΠ° ΠΊΠ°ΡΡΡΠ΅ΠΊ L1 ΠΈ L2. L3 ΠΏΡΠ΅Π΄ΡΡΠ°Π²Π»ΡΠ΅Ρ ΡΠΎΠ±ΠΎΠΉ 2-Π²ΠΈΡΠΊΠΎΠ²ΡΡ ΠΊΠ°ΡΡΡΠΊΡ Π΄ΠΈΠ°ΠΌΠ΅ΡΡΠΎΠΌ ΠΎΠΊΠΎΠ»ΠΎ 2 Π΄ΡΠΉΠΌΠΎΠ², ΡΡΡΠ°Π½ΠΎΠ²Π»Π΅Π½Π½ΡΡ Π²ΠΎΠΊΡΡΠ³ ΡΡΠ΅ΠΊΠ΅ΡΠ½ΠΎΠ³ΠΎ ΡΠ°Π·ΡΠ΅ΠΌΠ° ΠΊΠ°ΡΡΡΠΊΠΈ ΠΈ ΡΠ²Π»ΡΡΡΡΡΡΡ ΠΏΠΎΡΡΠΎΡΠ½Π½ΡΠΌ ΠΊΡΠ΅ΠΏΠ»Π΅Π½ΠΈΠ΅ΠΌ ΠΊ ΡΠ°ΡΡΠΈ ΠΏΡΠΈΠ΅ΠΌΠ½ΠΈΠΊΠ°. ΠΠ°ΡΡΡΠΊΠ° Π² ΡΠ±ΠΎΡΠ΅ ΠΌΠΎΠΆΠ΅Ρ Π±ΡΡΡ ΡΡΡΠ°Π½ΠΎΠ²Π»Π΅Π½Π° ββΠ½Π° Π·Π°Π³Π»ΡΡΠΊΠ΅ OCTAL ΠΈ Π²ΡΡΠ°Π²Π»Π΅Π½Π° ββΠ² ΠΎΡΠ½ΠΎΠ²Π°Π½ΠΈΠ΅ ΠΊΠ»Π°ΠΏΠ°Π½Π° OCTAL Π½Π° ΡΠ΅ΡΠΈΠ²Π΅ΡΠ΅. Π― ΡΠ°Π·Π±ΠΈΠ» ΠΏΠ°ΡΡ ΠΎΠΊΡΠ°Π»ΡΠ½ΡΡ
Π²Π΅Π½ΡΠΈΠ»Π΅ΠΉ, ΡΡΠΎΠ±Ρ ΠΈΡΠΏΠΎΠ»ΡΠ·ΠΎΠ²Π°ΡΡ Π±Π°ΠΊΠ΅Π»ΠΈΡΠΎΠ²ΡΠ΅ ΠΎΡΠ½ΠΎΠ²Π°Π½ΠΈΡ Π² ΠΊΠ°ΡΠ΅ΡΡΠ²Π΅ ΡΠΎΡΠΌΠΈΡΠΎΠ²Π°ΡΠ΅Π»Π΅ΠΉ. Π’ΡΡΠ±ΠΎΡΠΊΠΈ ΠΌΠΎΠΆΠ½ΠΎ ΡΠ½ΡΡΡ Ρ ΠΎΡΠ½ΠΎΠ²Ρ, ΠΏΡΠΎΠΊΠΈΠΏΡΡΠΈΠ² ΠΈΡ
Π² Π²ΠΎΠ΄Π΅ (Ρ ΠΊΡΡΡΠΊΠΎΠΉ Π½Π° ΠΊΠ°ΡΡΡΡΠ»Π΅) Π² ΡΠ΅ΡΠ΅Π½ΠΈΠ΅ 15 ΠΌΠΈΠ½ΡΡ, Π·Π°ΡΠ΅ΠΌ ΡΠΊΡΡΡΠΈΠ² ΠΈΠ· ΡΠ°Π·ΠΌΡΠ³ΡΠΈΠ²ΡΠ΅Π³ΠΎΡΡ ΠΊΠ»Π΅Ρ.
L2 ΡΠ°Π½ΡΡΠ΅ Π½Π°Π·ΡΠ²Π°Π»Π°ΡΡ ΠΎΠ±ΠΌΠΎΡΠΊΠΎΠΉ Β«ΡΠ΅ΠΊΠΎΡΠΊΠΈΒ», ΠΈ ΡΡΠ° ΠΊΠ°ΡΡΡΠΊΠ° Π½Π°ΠΌΠΎΡΠ°Π½Π° Π±Π»ΠΈΠ·ΠΊΠΎ ΠΈ ΡΠ°ΡΠΏΠΎΠ»ΠΎΠΆΠ΅Π½Π° Π½Π° ΡΠ°ΡΡΡΠΎΡΠ½ΠΈΠΈ 1/4 Π΄ΡΠΉΠΌΠ° ΠΎΡ Π·Π°Π·Π΅ΠΌΠ»ΡΡΡΠ΅Π³ΠΎ ΠΊΠΎΠ½ΡΠ° L1. ΠΠ±ΡΠ°ΡΠ½Π°Ρ ΡΠ²ΡΠ·Ρ ΠΈΠ·ΠΌΠ΅Π½ΡΠ΅ΡΡΡ Ρ ΠΏΠΎΠΌΠΎΡΡΡ ΠΏΠ΅ΡΠ΅ΠΌΠ΅Π½Π½ΠΎΠ³ΠΎ ΠΊΠΎΠ½Π΄Π΅Π½ΡΠ°ΡΠΎΡΠ° Π΅ΠΌΠΊΠΎΡΡΡΡ 100 ΠΏΡ, ΠΏΠΎΠ΄ΠΊΠ»ΡΡΠ΅Π½Π½ΠΎΠ³ΠΎ ΠΊ ΡΠΈΠΊΠΊΠ΅ΡΡ. L1 ΡΠ²Π»ΡΠ΅ΡΡΡ ΠΎΡΠ½ΠΎΠ²Π½ΠΎΠΉ Π½Π°ΡΡΡΠΎΠ΅ΡΠ½ΠΎΠΉ ΠΎΠ±ΠΌΠΎΡΠΊΠΎΠΉ ΠΈ ΡΠ°Π½ΡΡΠ΅ Π½Π°Π·ΡΠ²Π°Π»Π°ΡΡ ΠΠ’ΠΠ ΠΠ§ΠΠΠ!! ΠΡΠ΅ ΠΊΠ°ΡΡΡΠΊΠΈ Π½Π°ΠΌΠΎΡΠ°Π½Ρ Π½Π° Π΄ΠΈΠ°ΠΌΠ΅ΡΡΠ΅ 1,25 Π΄ΡΠΉΠΌΠ°. ΡΠΎΡΠΌΠΈΡΠΎΠ²Π°ΡΠ΅Π»Ρ ΠΈ ΠΈΡΠΏΠΎΠ»ΡΠ·ΡΠΉΡΠ΅ ΡΠΌΠ°Π»ΠΈΡΠΎΠ²Π°Π½Π½ΡΡ ΠΏΡΠΎΠ²ΠΎΠ»ΠΎΠΊΡ 26-SWG. ΠΠ±ΠΌΠΎΡΠΊΠ° ΡΠ΅ΠΊΠΎΡΠΊΠΈ Π½Π°ΠΌΠΎΡΠ°Π½Π° Π²ΠΎΡΡΠΎΠΌ ΡΠΈΡΠΈΠ½ΠΎΠΉ 1/4 Π΄ΡΠΉΠΌΠ°. ΠΡΠ΅ Π²ΡΠΎΡΠΈΡΠ½ΡΠ΅ (Π½Π°ΡΡΡΠΎΠ΅Π½Π½ΡΠ΅) ΠΎΠ±ΠΌΠΎΡΠΊΠΈ ΡΠ°Π·Π½Π΅ΡΠ΅Π½Ρ Π½Π° ΠΎΠ΄ΠΈΠ½ Π΄ΡΠΉΠΌ Π² ΡΠΈΡΠΈΠ½Ρ.
| ΠΠ΅Π½ΡΠ° | ΠΡΠΎΡΠΈΡΠ½Π°Ρ | Π©Π΅ΠΊΠΎΡΠΊΠ° |
|---|---|---|
| 10β20 ΠΌΠ΅ΡΡΠΎΠ² | 6 Π²ΠΈΡΠΊΠΎΠ² | 5 Π²ΠΈΡΠΊΠΎΠ² |
| 20 — 40 ΠΌΠ΅ΡΡΠΎΠ² | 12 Π²ΠΈΡΠΊΠΎΠ² | 7 ΠΎΠ±ΠΎΡΠΎΡΠΎΠ² |
| 40 — 80 ΠΌΠ΅ΡΡΠΎΠ² | 16 Π²ΠΈΡΠΊΠΎΠ² | 7 Π²ΠΈΡΠΊΠΎΠ² |
| 80 — 200 ΠΌΠ΅ΡΡΠΎΠ² | 46 Π²ΠΈΡΠΊΠΎΠ² | 15 Π²ΠΈΡΠΊΠΎΠ² |
| 200 — 350 ΠΌΠ΅ΡΡΠΎΠ² | 69 Π²ΠΈΡΠΊΠΎΠ² | 28 Π²ΠΈΡΠΊΠΎΠ² |
| 350 — 500 ΠΌΠ΅ΡΡΠΎΠ² | 131 Π²ΠΈΡΠΎΠΊ | 32 Π²ΠΈΡΠΊΠ° |
Π Π΅Π³Π΅Π½Π΅ΡΠ°ΡΠΈΡ ΠΎΡΠ΅Π½Ρ ΠΏΡΠΎΡΡΠ° ΠΈ ΠΏΠ»Π°Π²Π½Π° Π½Π° Π²ΡΠ΅Ρ
Π΄ΠΈΠ°ΠΏΠ°Π·ΠΎΠ½Π°Ρ
, Π½ΠΎ Π²Π°ΠΌ, Π²ΠΎΠ·ΠΌΠΎΠΆΠ½ΠΎ, ΠΏΡΠΈΠ΄Π΅ΡΡΡ Π½Π΅ΠΌΠ½ΠΎΠ³ΠΎ ΠΈΠ·ΠΌΠ΅Π½ΠΈΡΡ ΠΊΠΎΠ»ΠΈΡΠ΅ΡΡΠ²ΠΎ Π²ΠΈΡΠΊΠΎΠ² Π½Π° ΠΎΠ±ΠΌΠΎΡΠΊΠ΅ ΡΠ΅ΠΊΠΎΡΠΊΠ°.
Π‘ Π½Π°ΡΡΡΠΎΠ΅ΡΠ½ΡΠΌ ΠΊΠΎΠ½Π΄Π΅Π½ΡΠ°ΡΠΎΡΠΎΠΌ 100p ΠΈ ΠΏΠΎΠ»ΠΎΡΠΎΠΉ ΠΏΡΠΎΠΏΡΡΠΊΠ°Π½ΠΈΡ 15p ΠΏΡΠΈΠ΅ΠΌΠ½ΠΈΠΊ Π±ΡΠ» ΠΎΡΠ΅Π½Ρ ΡΠ΄ΠΎΠ±Π΅Π½ Π½Π° 10-ΠΌΠ΅ΡΡΠΎΠ²ΠΎΠΌ Π΄ΠΈΠ°ΠΏΠ°Π·ΠΎΠ½Π΅, Π½ΠΎ Ρ ΠΎΠ±Π½Π°ΡΡΠΆΠΈΠ», ΡΡΠΎ ΠΌΠ΅ΡΠ°Π»Π»ΠΈΡΠ΅ΡΠΊΠΈΠΉ ΠΊΠΎΡΠΏΡΡ Π±ΡΠ» Π½Π΅ΠΎΠ±Ρ
ΠΎΠ΄ΠΈΠΌ ΠΈΠ·-Π·Π° ΡΡΡΠ½ΠΎΠΉ Π΅ΠΌΠΊΠΎΡΡΠΈ, ΠΏΠΎΠ΄ΡΡΠ³ΠΈΠ²Π°ΡΡΠ΅ΠΉ ΡΠ°ΡΡΠΎΡΡ RX. ΠΠ°ΠΊ ΠΈ Π² ΡΠ»ΡΡΠ°Π΅ Π»ΡΠ±ΠΎΠ³ΠΎ ΡΠ΅Π³Π΅Π½Π΅ΡΠ°ΡΠΈΠ²Π½ΠΎΠ³ΠΎ ΡΠΈΠΏΠ° ΠΏΡΠΈΠ΅ΠΌΠ½ΠΈΠΊΠ°, ΠΎΠ½ Π΄ΠΎΠ»ΠΆΠ΅Π½ Π±ΡΡΡ ΠΏΠΎΡΡΡΠΎΠ΅Π½ Β«ΠΊΠ°ΠΊ ΠΊΠΈΡΠΏΠΈΡΠ½ΡΠΉ ΡΡΠ°Π»Π΅ΡΒ», Π° Π²ΡΠ΅ ΠΊΠ°ΡΡΡΠΊΠΈ Π΄ΠΎΠ»ΠΆΠ½Ρ Π±ΡΡΡ Ρ
ΠΎΡΠΎΡΠΎ ΠΎΡΠ»Π°ΠΊΠΈΡΠΎΠ²Π°Π½Ρ.
Π£ΡΡΠ°Π½ΠΎΠ²ΠΈΡΠ΅ ΡΠΏΡΠ°Π²Π»Π΅Π½ΠΈΠ΅ ΡΠ΅Π³Π΅Π½Π΅ΡΠ°ΡΠΈΠ΅ΠΉ ΡΠ°ΠΊ, ΡΡΠΎΠ±Ρ Π³Π΅Π½Π΅ΡΠ°ΡΠΈΡ ΡΠΎΠ»ΡΠΊΠΎ Π½Π°ΡΠΈΠ½Π°Π»Π°ΡΡ, ΠΈ Π²Ρ ΠΌΠΎΠ³Π»ΠΈ Π·Π°ΡΠ΅ΠΌ ΡΠ°Π·ΡΠ΅ΡΠ°ΡΡ CW ΠΈ SSB. ΠΡΠΈ ΡΠ΅Π³Π΅Π½Π΅ΡΠ°ΡΠΈΠΈ, ΡΡΡΠ°Π½ΠΎΠ²Π»Π΅Π½Π½ΠΎΠΉ ΠΏΠΎΠ΄ ΡΠΎΡΠΊΠΎΠΉ ΠΊΠΎΠ»Π΅Π±Π°Π½ΠΈΡ, Π²Ρ ΠΌΠΎΠΆΠ΅ΡΠ΅ ΠΊΠΎΠΏΠΈΡΠΎΠ²Π°ΡΡ ΡΡΠ°Π½ΡΠΈΠΈ AM ΠΈ FM.
ΠΠ΅ΡΠ΅Π»ΠΈΡΡ, Π΄Π΅ ΠΠΠ Π Π, ΠΡΠ½Π΄Π°, Π¨Π²Π΅ΡΠΈΡ.
ΠΠ΅ΡΠ½ΡΡΡΡΡ Π½Π° ΡΡΡΠ°Π½ΠΈΡΡ ΠΠΠ€ΠΠ ΠΠΠ¦ΠΠ―
Π‘Π°ΠΌΠΎΠ΄Π΅Π»ΡΠ½ΡΠ΅ ΡΠ΅Π³Π΅Π½Π΅ΡΠ°ΡΠΈΠ²Π½ΡΠ΅ ΠΏΡΠΈΠ΅ΠΌΠ½ΠΈΠΊΠΈ Π½Π° ΠΏΠΎΠ»Π΅Π²ΡΡ ΡΡΠ°Π½Π·ΠΈΡΡΠΎΡΠ°Ρ
ΠΡΠ½ΠΎΠ²ΡΠ²Π°ΡΡΡ Π½Π° ΡΠ²ΠΎΠ΅ΠΌ ΠΎΠΏΡΡΠ΅ ΡΠ°Π±ΠΎΡΡ Ρ Π½Π΅ΠΊΠΎΡΠΎΡΡΠΌΠΈ ΡΠ΅ΠΏΠ»ΠΈΠΊΠ°ΠΌΠΈ RIM Trabant KM , Ρ ΠΏΡΠ΅Π΄ΠΏΡΠΈΠ½ΡΠ» ΡΠ°Π·Π»ΠΈΡΠ½ΡΠ΅ ΠΏΠΎΠΏΡΡΠΊΠΈ ΡΠ΅ΡΠΈΡΡ ΡΠΏΠ΅ΡΠΈΡΠΈΡΠ΅ΡΠΊΠΈΠ΅ ΠΏΡΠΎΠ±Π»Π΅ΠΌΡ ΡΡ
Π΅ΠΌ ΡΠ΅Π³Π΅Π½Π΅ΡΠ°ΡΠΈΠ²Π½ΠΎΠ³ΠΎ ΠΏΡΠΈΠ΅ΠΌΠ½ΠΈΠΊΠ° Ρ Π±ΠΈΠΏΠΎΠ»ΡΡΠ½ΡΠΌ ΡΡΠ°Π½Π·ΠΈΡΡΠΎΡΠΎΠΌ. ΠΠ΄Π½Π°ΠΊΠΎ ΡΡΠΈ Π°ΡΠ°Π½ΠΆΠΈΡΠΎΠ²ΠΊΠΈ ΡΡΠ°Π»ΠΈ Π³ΠΎΡΠ°Π·Π΄ΠΎ Π±ΠΎΠ»Π΅Π΅ ΡΠ»ΠΎΠΆΠ½ΡΠΌΠΈ ΠΈ ΠΌΠ΅Π½Π΅Π΅ Π²ΠΎΡΠΏΡΠΎΠΈΠ·Π²ΠΎΠ΄ΠΈΠΌΡΠΌΠΈ, Π½Π΅ ΠΏΡΠΈΠ²Π½Π΅ΡΡ ΠΏΡΠΈ ΡΡΠΎΠΌ ΠΊΠ°ΠΊΠΈΡ
-Π»ΠΈΠ±ΠΎ ΡΡΡΠ΅ΡΡΠ²Π΅Π½Π½ΡΡ
ΡΠ»ΡΡΡΠ΅Π½ΠΈΠΉ.
ΠΠ°ΠΏΡΠΈΠΌΠ΅Ρ, Ρ ΠΏΡΡΠ°Π»ΡΡ Ρ ΡΠΌΠ΅ΡΠ΅Π½Π½ΡΠΌ ΡΡΠΏΠ΅Ρ
ΠΎΠΌ ΡΠΌΠ΅Π½ΡΡΠΈΡΡ Π΄Π΅ΠΌΠΏΡΠΈΡΠΎΠ²Π°Π½ΠΈΠ΅ ΡΠ΅Π·ΠΎΠ½Π°Π½ΡΠ½ΠΎΠ³ΠΎ ΠΊΠΎΠ½ΡΡΡΠ°, ΠΈΡΠΏΠΎΠ»ΡΠ·ΡΡ ΡΡ
Π΅ΠΌΡ ΠΠ°ΡΠ»ΠΈΠ½Π³ΡΠΎΠ½Π°, ΠΈΠ»ΠΈ ΡΠ²Π΅ΡΡΠΈ ΠΊ ΠΌΠΈΠ½ΠΈΠΌΡΠΌΡ ΡΡΡΠ΅ΠΊΡΡ ΡΠΈΠ½Ρ
ΡΠΎΠ½ΠΈΠ·Π°ΡΠΈΠΈ, ΠΈΡΠΏΠΎΠ»ΡΠ·ΡΡ ΠΎΡΠ΄Π΅Π»ΡΠ½ΡΠ΅ ΡΡΠ°Π½Π·ΠΈΡΡΠΎΡΡ Π΄Π»Ρ Π΄Π΅ΠΌΠΎΠ΄ΡΠ»ΡΡΠΈΠΈ ΠΈ ΡΠ΅Π³Π΅Π½Π΅ΡΠ°ΡΠΈΠΈ. ΠΠΎ ΠΏΠΎΡΠΎΠΌ ΠΏΠΎΠΏΡΠΎΠ±ΠΎΠ²Π°Π» ΠΏΠΎΠ»Π΅Π²ΡΠ΅ ΡΡΠ°Π½Π·ΠΈΡΡΠΎΡΡ ΠΈ ΠΎΡΠ΅Π½Ρ ΡΠ΄ΠΈΠ²ΠΈΠ»ΡΡ ΡΡΠΏΠ΅Ρ
Ρ. ΠΠΎΡΡΠΈΠ³Π½ΡΡΡΠ΅ ΡΠ΅Π·ΡΠ»ΡΡΠ°ΡΡ Π±ΡΠ»ΠΈ ΠΎΡΠ΅Π½Ρ Π±Π»ΠΈΠ·ΠΊΠΈ ΠΊ ΡΠ΅Π·ΡΠ»ΡΡΠ°ΡΠ°ΠΌ Π»Π°ΠΌΠΏΠΎΠ²ΡΡ
ΡΡ
Π΅ΠΌ.
ΠΠΎΡΠΊΠΎΠ»ΡΠΊΡ ΠΌΠ½Π΅ Π²ΡΠ΅Π³Π΄Π° Π±ΡΠ»ΠΎ ΠΈΠ½ΡΠ΅ΡΠ΅ΡΠ½ΠΎ Π½Π°ΠΉΡΠΈ ΡΠ°ΠΌΡΠΉ ΠΏΡΠΎΡΡΠΎΠΉ Π²Π°ΡΠΈΠ°Π½Ρ Π΄Π»Ρ ΡΠ°Π·Π»ΠΈΡΠ½ΡΡ ΡΠΈΠΏΠΎΠ² ΡΡ Π΅ΠΌ, Ρ ΠΏΡΠΈΡΠ΅Π» ΠΊ ΡΠ΅ΡΠ΅Π½ΠΈΡ Ρ ΡΠ΅Π³Π΅Π½Π΅ΡΠ°ΡΠΈΠ²Π½ΡΠΌ Π΄Π΅ΡΠ΅ΠΊΡΠΎΡΠΎΠΌ Π½Π° ΠΏΠΎΠ»Π΅Π²ΠΎΠΌ ΡΡΠ°Π½Π·ΠΈΡΡΠΎΡΠ΅, Π·Π° ΠΊΠΎΡΠΎΡΡΠΌ ΡΠ»Π΅Π΄ΡΠ΅Ρ ΠΊΠ°ΡΠΊΠ°Π΄ ΡΡΠΈΠ»Π΅Π½ΠΈΡ Π·Π²ΡΠΊΠ°, ΠΊΠ°ΠΊ ΠΏΠΎΠΊΠ°Π·Π°Π½ΠΎ Π½Π° ΡΡΠΎΠΉ ΡΡ Π΅ΠΌΠ΅. Π‘Ρ Π΅ΠΌΠ° Ρ ΠΏΠΎΠ»Π΅Π²ΡΠΌ ΡΡΠ°Π½Π·ΠΈΡΡΠΎΡΠΎΠΌ ΠΏΡΠ΅Π΄Π»Π°Π³Π°Π»Π° Π³ΠΎΡΠ°Π·Π΄ΠΎ Π±ΠΎΠ»ΡΡΠΈΠΉ ΠΊΠΎΡΡΡΠΈΡΠΈΠ΅Π½Ρ ΡΡΠΈΠ»Π΅Π½ΠΈΡ ΠΈ ΠΌΠ΅Π½ΡΡΠ΅ ΡΠ²Π»Π΅Π½ΠΈΠΉ ΠΏΠ΅ΡΠ΅Π³ΡΡΠ·ΠΊΠΈ, Π² ΡΠΎ ΠΆΠ΅ Π²ΡΠ΅ΠΌΡ Π»ΡΡΡΡΡ ΡΠ΅Π»Π΅ΠΊΡΠΈΠ²Π½ΠΎΡΡΡ. ΠΡΡΠ΅ΠΊΡΡ ΡΠΈΠ½Ρ ΡΠΎΠ½ΠΈΠ·Π°ΡΠΈΠΈ Π²ΠΎΠ·Π½ΠΈΠΊΠ°Π»ΠΈ ΡΠΎΠ»ΡΠΊΠΎ ΠΏΡΠΈ ΠΎΡΠ΅Π½Ρ ΡΠΈΠ»ΡΠ½ΠΎΠΌ ΡΠΈΠ³Π½Π°Π»Π΅. Π‘Π»Π΅Π΄ΠΎΠ²Π°ΡΠ΅Π»ΡΠ½ΠΎ, Π΄Π°ΠΆΠ΅ Ρ ΠΎΠ΄Π½ΠΎΠΊΠ°ΡΠΊΠ°Π΄Π½ΡΠΌ ΡΡΠ°Π½Π·ΠΈΡΡΠΎΡΠ½ΡΠΌ ΡΡΠΈΠ»ΠΈΡΠ΅Π»Π΅ΠΌ ΠΌΠΎΠΆΠ½ΠΎ Π±ΡΠ»ΠΎ Π΄ΠΎΠ±ΠΈΡΡΡΡ Π΄ΠΎΡΡΠ°ΡΠΎΡΠ½ΠΎ Π³ΡΠΎΠΌΠΊΠΎΠ³ΠΎ ΠΏΡΠΈΠ΅ΠΌΠ° Π² Π½Π°ΡΡΠ½ΠΈΠΊΠΈ Π»ΡΠ±ΠΈΡΠ΅Π»ΡΡΠΊΠΈΡ ΡΠ°Π΄ΠΈΠΎΡΡΠ°Π½ΡΠΈΠΉ.
Π‘ΠΎΠΎΡΡΠ΄ΠΈΠ» ΡΠ°ΠΊΠΎΠΉ ΠΏΡΠΈΠ±ΠΎΡ, Π²ΡΠΏΠΎΠ»Π½Π΅Π½Π½ΡΠΉ Π² Π²ΠΈΠ΄Π΅ ΠΎΠ΄Π½ΠΎΠ΄ΠΈΠ°ΠΏΠ°Π·ΠΎΠ½Π½ΠΎΠ³ΠΎ ΠΏΡΠΈΠ΅ΠΌΠ½ΠΈΠΊΠ° Π½Π° Π΄ΠΈΠ°ΠΏΠ°Π·ΠΎΠ½ 80ΠΌ, Π² ΠΏΠ»Π°ΡΡΠΈΠΊΠΎΠ²ΠΎΠΌ ΠΊΠΎΡΠΏΡΡΠ΅.
Π§ΡΠΎΠ±Ρ Π²ΠΊΠ»ΡΡΠΈΡΡ ΠΏΡΠΈΠ΅ΠΌ Π΄ΠΈΠ½Π°ΠΌΠΈΠΊΠΎΠ², Ρ ΠΏΠΎΠ·ΠΆΠ΅ Π·Π°ΠΌΠ΅Π½ΠΈΠ» ΠΎΠ΄Π½ΠΎΠΊΠ°ΡΠΊΠ°Π΄Π½ΡΠΉ Π°ΡΠ΄ΠΈΠΎΡΡΠΈΠ»ΠΈΡΠ΅Π»Ρ ΡΡ
Π΅ΠΌΠΎΠΉ Ρ LM386. ΠΠ΅ΡΠΌΠΎΡΡΡ Π½Π° ΠΎΡΠ΅Π½Ρ ΠΏΡΠΎΡΡΡΡ ΡΡ
Π΅ΠΌΡ, ΡΡΡΡΠΎΠΉΡΡΠ²ΠΎ ΠΎΠ±Π΅ΡΠΏΠ΅ΡΠΈΠ²Π°Π»ΠΎ ΠΎΡΠ΅Π½Ρ ΡΠ΄ΠΎΠ±Π½ΡΠΉ ΠΏΡΠΈΠ΅ΠΌ ΡΠ°Π΄ΠΈΠΎΠ»ΡΠ±ΠΈΡΠ΅Π»ΡΡΠΊΠΈΡ
ΠΏΠ΅ΡΠ΅Π΄Π°Ρ Π² ΡΠ΅ΠΆΠΈΠΌΠ°Ρ
ΡΠ°Π±ΠΎΡΡ SSB ΠΈ CW. ΠΡΡΠΈΠ»Π»ΡΡΠΈΠΈ ΠΎΠ±ΡΠ°ΡΠ½ΠΎΠΉ ΡΠ²ΡΠ·ΠΈ ΠΈΠΌΠ΅Π»ΠΈ ΠΌΡΠ³ΠΊΠΎΠ΅ Π½Π°ΡΠ°Π»ΠΎ, ΡΠ°ΠΊ ΡΡΠΎ Π²ΡΠ΅Π³Π΄Π° ΠΌΠΎΠΆΠ½ΠΎ Π±ΡΠ»ΠΎ Π±Π΅Π· ΡΡΠΈΠ»ΠΈΠΉ Π½Π°ΠΉΡΠΈ Π½Π°ΠΈΠ»ΡΡΡΡΡ Π½Π°ΡΡΡΠΎΠΉΠΊΡ.
Π‘ ΠΏΠΎΠΌΠΎΡΡΡ ΡΠ΅Π·ΠΈΡΡΠΎΡΠ°, Π²ΠΊΠ»ΡΡΠ΅Π½Π½ΠΎΠ³ΠΎ ΠΏΠΎΡΠ»Π΅Π΄ΠΎΠ²Π°ΡΠ΅Π»ΡΠ½ΠΎ Ρ ΠΊΠΎΠ½Π΄Π΅Π½ΡΠ°ΡΠΎΡΠΎΠΌ 10 ΠΌΠΊΠ€, ΠΌΠΎΠΆΠ½ΠΎ ΠΎΠΏΡΠ΅Π΄Π΅Π»ΠΈΡΡ ΡΡΠΈΠ»Π΅Π½ΠΈΠ΅ Π°ΡΠ΄ΠΈΠΎΡΠΈΠ³Π½Π°Π»Π°. ΠΠ»Ρ ΠΌΠ°ΠΊΡΠΈΠΌΠ°Π»ΡΠ½ΠΎΠ³ΠΎ ΠΊΠΎΡΡΡΠΈΡΠΈΠ΅Π½ΡΠ° ΡΡΠΈΠ»Π΅Π½ΠΈΡ ΠΎΠΊΠΎΠ»ΠΎ 200 Π΅Π³ΠΎ Π·Π½Π°ΡΠ΅Π½ΠΈΠ΅ ΡΠ°ΠΊΠΆΠ΅ ΠΌΠΎΠΆΠ΅Ρ Π±ΡΡΡ ΡΠ°Π²Π½ΡΠΌ Π½ΡΠ»Ρ ΠΠΌ. Π ΡΡΠΎΠΌ ΡΠ»ΡΡΠ°Π΅ ΠΌΠ΅ΠΆΠ΄Ρ Π²ΡΠ²ΠΎΠ΄ΠΎΠΌ 1 ΠΈ Π²ΡΠ²ΠΎΠ΄ΠΎΠΌ 8 ΠΏΠΎΠ΄ΠΊΠ»ΡΡΠ°Π΅ΡΡΡ ΡΠΎΠ»ΡΠΊΠΎ ΡΠ»Π΅ΠΊΡΡΠΎΠ»ΠΈΡΠΈΡΠ΅ΡΠΊΠΈΠΉ ΠΊΠΎΠ½Π΄Π΅Π½ΡΠ°ΡΠΎΡ. Π Π·Π°Π²ΠΈΡΠΈΠΌΠΎΡΡΠΈ ΠΎΡ ΡΠ°Π·Π²ΠΎΠ΄ΠΊΠΈ, ΠΏΡΠΈ ΡΠ°ΠΊΠΎΠΌ Π²ΡΡΠΎΠΊΠΎΠΌ ΡΡΠΈΠ»Π΅Π½ΠΈΠΈ, ΠΎΡΠΎΠ±Π΅Π½Π½ΠΎ ΠΏΡΠΈ Π±ΠΎΠ»Π΅Π΅ Π²ΡΡΠΎΠΊΠΈΡ
Π½Π°ΡΡΡΠΎΠΉΠΊΠ°Ρ
Π³ΡΠΎΠΌΠΊΠΎΡΡΠΈ, ΠΏΡΠΈΠ΅ΠΌΠ½ΠΈΠΊ ΠΌΠΎΠΆΠ΅Ρ Π³Π΅Π½Π΅ΡΠΈΡΠΎΠ²Π°ΡΡ Π½ΠΈΠ·ΠΊΠΎΡΠ°ΡΡΠΎΡΠ½ΡΠ΅ ΡΠΎΠ±ΡΡΠ²Π΅Π½Π½ΡΠ΅ ΠΊΠΎΠ»Π΅Π±Π°Π½ΠΈΡ. ΠΡΠΎ Π±ΡΠ΄Π΅Ρ Π·Π°ΠΌΠ΅ΡΠ½ΠΎ ΠΏΠΎ ΡΠΈΠ»ΡΠ½ΡΠΌ ΠΌΠ΅ΡΠ°ΡΡΠΈΠΌ ΡΡΠΌΠ°ΠΌ, ΡΠ°ΠΊΠΈΠΌ ΠΊΠ°ΠΊ ΠΆΡΠΆΠΆΠ°Π½ΠΈΠ΅ ΠΈΠ»ΠΈ ΡΠΊΡΠΈΠΏ. ΠΡΠΈ ΠΈΡΠΏΠΎΠ»ΡΠ·ΠΎΠ²Π°Π½ΠΈΠΈ Π³ΡΠΎΠΌΠΊΠΎΠ³ΠΎΠ²ΠΎΡΠΈΡΠ΅Π»Ρ Ρ ΠΎΡΠΎΠ±Π΅Π½Π½ΠΎ Ρ
ΠΎΡΠΎΡΠΈΠΌ ΠΠΠ ΠΊΠΎΠΌΠ±ΠΈΠ½Π°ΡΠΈΡ RC ΠΈΠ»ΠΈ ΠΊΠΎΠ½Π΄Π΅Π½ΡΠ°ΡΠΎΡ 10 ΠΌΠΊΠ€ ΡΠ°ΠΊΠΆΠ΅ ΠΌΠΎΠ³ΡΡ Π±ΡΡΡ ΠΏΠΎΠ»Π½ΠΎΡΡΡΡ ΠΈΡΠΊΠ»ΡΡΠ΅Π½Ρ.
Π ΡΡΠΎΠΌ ΡΠ»ΡΡΠ°Π΅ ΡΡΠΈΠ»Π΅Π½ΠΈΠ΅ Π·Π²ΡΠΊΠ° ΠΏΠ°Π΄Π°Π΅Ρ ΠΏΡΠΈΠΌΠ΅ΡΠ½ΠΎ Π΄ΠΎ 20, Π±Π»Π°Π³ΠΎΠ΄Π°ΡΡ ΡΠ΅ΠΌΡ Π³Π°ΡΠ°Π½ΡΠΈΡΡΠ΅ΡΡΡ ΠΎΡΠΎΠ±Π΅Π½Π½ΠΎ ΡΡΠ°Π±ΠΈΠ»ΡΠ½Π°Ρ ΡΠ°Π±ΠΎΡΠ°. Π£ΡΠΈΠ»Π΅Π½ΠΈΠ΅ ΡΠ°ΠΊΠΆΠ΅ ΠΌΠΎΠΆΠ½ΠΎ Π±ΡΠ»ΠΎ ΠΎΡΡΠ΅Π³ΡΠ»ΠΈΡΠΎΠ²Π°ΡΡ Ρ ΠΏΠΎΠΌΠΎΡΡΡ ΠΏΠΎΠ΄ΡΡΡΠΎΠ΅ΡΠ½ΠΎΠ³ΠΎ ΡΠ΅Π·ΠΈΡΡΠΎΡΠ° Π½Π° 1 ΠΊΠΠΌ.
Π£ΡΡΡΠΎΠΉΡΡΠ²ΠΎ, ΠΏΠΎΡΡΡΠΎΠ΅Π½Π½ΠΎΠ΅ ΡΠ°ΠΊΠΈΠΌ ΠΎΠ±ΡΠ°Π·ΠΎΠΌ, ΠΎΠ±Π΅ΡΠΏΠ΅ΡΠΈΠ²Π°Π»ΠΎ ΠΎΡΠ΅Π½Ρ ΠΏΠΎΠ»Π΅Π·Π½ΡΠΉ ΠΏΡΠΈΠ΅ΠΌ Π»ΡΠ±ΠΈΡΠ΅Π»ΡΡΠΊΠΈΡ
ΡΠ°Π΄ΠΈΠΎΠΏΠ΅ΡΠ΅Π΄Π°Ρ Π² ΡΠ΅ΠΆΠΈΠΌΠ°Ρ
ΡΠ°Π±ΠΎΡΡ SSB ΠΈ CW, Π½Π΅ΡΠΌΠΎΡΡΡ Π½Π° ΡΡΠ΅Π·Π²ΡΡΠ°ΠΉΠ½ΠΎ ΠΏΡΠΎΡΡΡΡ ΡΡ
Π΅ΠΌΡ. ΠΠ±ΡΠ°ΡΠ½Π°Ρ ΡΠ²ΡΠ·Ρ ΡΠ΅Π³Π΅Π½Π΅ΡΠ°ΡΠΈΠΈ Π½Π°ΡΠΈΠ½Π°Π»Π°ΡΡ ΠΌΡΠ³ΠΊΠΎ, ΡΠ°ΠΊ ΡΡΠΎ Π½Π°ΠΈΠ»ΡΡΡΠΈΠ΅ Π½Π°ΡΡΡΠΎΠΉΠΊΠΈ Π²ΡΠ΅Π³Π΄Π° ΠΌΠΎΠΆΠ½ΠΎ Π±ΡΠ»ΠΎ Π½Π°ΠΉΡΠΈ Π±Π΅Π· ΠΊΠ°ΠΊΠΈΡ
-Π»ΠΈΠ±ΠΎ ΡΡΠΈΠ»ΠΈΠΉ. ΠΠΎΠΎΠ΄ΡΡΠ΅Π²Π»Π΅Π½Π½ΡΠΉ ΡΡΠΈΠΌΠΈ Ρ
ΠΎΡΠΎΡΠΈΠΌΠΈ ΡΠ΅Π·ΡΠ»ΡΡΠ°ΡΠ°ΠΌΠΈ ΠΏΡΠΈΠ΅ΠΌΠ°, Ρ ΠΏΡΠΎΠ΄ΠΎΠ»ΠΆΠΈΠ» ΡΠΊΡΠΏΠ΅ΡΠΈΠΌΠ΅Π½ΡΡ ΠΈ ΠΏΡΠΈΠ΄ΡΠΌΠ°Π» ΡΡ
Π΅ΠΌΡ ΠΎΡΠ΅Π½Ρ Ρ
ΠΎΡΠΎΡΠΎ ΡΠ°Π±ΠΎΡΠ°ΡΡΠ΅Π³ΠΎ ΠΏΡΠΈΠ΅ΠΌΠ½ΠΈΠΊΠ° Ρ ΠΎΠ±ΡΠ°ΡΠ½ΠΎΠΉ ΡΠ²ΡΠ·ΡΡ, Π² ΠΊΠΎΡΠΎΡΠΎΠΌ ΠΏΠΎΠ»Π΅Π²ΠΎΠΉ ΡΡΠ°Π½Π·ΠΈΡΡΠΎΡ ΡΠ»ΡΠΆΠΈΡ ΡΠΎΠ»ΡΠΊΠΎ Π΄Π΅ΠΌΠΎΠ΄ΡΠ»ΡΡΠΎΡΠΎΠΌ. Π£ΡΠΈΠ»Π΅Π½ΠΈΠ΅, Π½Π΅ΠΎΠ±Ρ
ΠΎΠ΄ΠΈΠΌΠΎΠ΅ Π΄Π»Ρ ΠΎΠ±ΡΠ°ΡΠ½ΠΎΠΉ ΡΠ²ΡΠ·ΠΈ ΠΈΠ»ΠΈ ΡΡΡΡΠ°Π½Π΅Π½ΠΈΡ Π·Π°ΡΡΡ
Π°Π½ΠΈΡ, ΠΎΠ±Π΅ΡΠΏΠ΅ΡΠΈΠ²Π°Π΅ΡΡΡ Π΄ΠΎΠΏΠΎΠ»Π½ΠΈΡΠ΅Π»ΡΠ½ΡΠΌ Π±ΠΈΠΏΠΎΠ»ΡΡΠ½ΡΠΌ ΡΡΠ°Π½Π·ΠΈΡΡΠΎΡΠΎΠΌ (BJT). Π ΡΠ΅Π·ΡΠ»ΡΡΠ°ΡΠ΅ ΡΠ°ΠΊΠΎΠ³ΠΎ ΡΠ°ΡΠΏΠΎΠ»ΠΎΠΆΠ΅Π½ΠΈΡ ΠΊΠ°ΡΡΡΠΊΠ° ΡΠ΅Π·ΠΎΠ½Π°Π½ΡΠ½ΠΎΠ³ΠΎ ΠΊΠΎΠ½ΡΡΡΠ°, ΠΊΠ°ΠΊ ΠΈ Ρ RIM Trabant KM , Π½Π΅ ΡΡΠ΅Π±ΡΠ΅Ρ Π½ΠΈ ΠΎΡΠ²ΠΎΠ΄ΠΎΠ², Π½ΠΈ ΠΊΠ°ΡΡΡΠ΅ΠΊ ΡΠ²ΡΠ·ΠΈ. ΠΠΎ ΠΏΠΎ ΡΡΠ°Π²Π½Π΅Π½ΠΈΡ Ρ ΡΡΠΈΠΌ ΠΏΡΠΈΠ΅ΠΌΠ½ΡΠ΅ ΡΠ²ΠΎΠΉΡΡΠ²Π° ΠΏΡΠΈ ΡΠ°ΠΊΠΎΠΌ ΡΠ°ΡΠΏΠΎΠ»ΠΎΠΆΠ΅Π½ΠΈΠΈ Π·Π½Π°ΡΠΈΡΠ΅Π»ΡΠ½ΠΎ Π»ΡΡΡΠ΅.
ΠΠ»Ρ ΠΏΠΎΠ²ΡΡΠ΅Π½ΠΈΡ ΡΡΠ°Π±ΠΈΠ»ΡΠ½ΠΎΡΡΠΈ ΡΠ°ΡΡΠΎΡΡ ΠΏΡΠΈΠ΅ΠΌΠ½ΠΈΠΊ ΠΏΠΎΠ»ΡΡΠΈΠ» ΡΡΠ°Π±ΠΈΠ»ΠΈΠ·Π°ΡΠΈΡ ΠΏΠΎ Π½Π°ΠΏΡΡΠΆΠ΅Π½ΠΈΡ Ρ ΠΏΠΎΠΌΠΎΡΡΡ ΡΡΠ°Π±ΠΈΠ»ΠΈΡΡΠΎΠ½Π°.
ΠΡΡΠ°Π²Π½ΡΠ΅ ΠΊΠ°ΡΡΡΠΊΠΈ, ΠΊΠΎΡΠΎΡΡΠ΅ ΠΈΠ·Π½Π°ΡΠ°Π»ΡΠ½ΠΎ ΠΈΡΠΏΠΎΠ»ΡΠ·ΠΎΠ²Π°Π»ΠΈΡΡ Π΄Π»Ρ ΠΏΠ΅ΡΠ΅ΠΊΠ»ΡΡΠ΅Π½ΠΈΡ Π΄ΠΈΠ°ΠΏΠ°Π·ΠΎΠ½ΠΎΠ², ΠΏΠΎΠ·ΠΆΠ΅ Π±ΡΠ»ΠΈ Π·Π°ΠΌΠ΅Π½Π΅Π½Ρ Π½Π°Π±ΠΎΡΠΎΠΌ ΠΊΠ°ΡΡΡΠ΅ΠΊ Ρ ΠΏΠΎΠ²ΠΎΡΠΎΡΠ½ΡΠΌ ΠΏΠ΅ΡΠ΅ΠΊΠ»ΡΡΠ°ΡΠ΅Π»Π΅ΠΌ. ΠΠΎΠ»ΡΡΠΎΠ΅ Π·Π½Π°ΡΠ΅Π½ΠΈΠ΅ Π΅ΠΌΠΊΠΎΡΡΠΈ ΠΊΠΎΠ½Π΄Π΅Π½ΡΠ°ΡΠΎΡΠ° ΠΌΠ΅ΠΆΠ΄Ρ ΠΈΡΡΠΎΠΊΠΎΠΌ ΠΏΠΎΠ»Π΅Π²ΠΎΠ³ΠΎ ΡΡΠ°Π½Π·ΠΈΡΡΠΎΡΠ° ΠΈ ΡΠΌΠΈΡΡΠ΅ΡΠΎΠΌ Π±ΠΈΠΏΠΎΠ»ΡΡΠ½ΠΎΠ³ΠΎ ΡΡΠ°Π½Π·ΠΈΡΡΠΎΡΠ° ΠΏΡΠΈΠ²Π΅Π»ΠΎ ΠΊ ΡΠΎΠΌΡ, ΡΡΠΎ ΡΡ
Π΅ΠΌΠ° ΠΌΠΎΠ³Π»Π° Π³Π΅Π½Π΅ΡΠΈΡΠΎΠ²Π°ΡΡ ΠΊΠΎΠ»Π΅Π±Π°Π½ΠΈΡ Π΄Π°ΠΆΠ΅ Π² Π΄Π»ΠΈΠ½Π½ΠΎΠ²ΠΎΠ»Π½ΠΎΠ²ΠΎΠΌ Π΄ΠΈΠ°ΠΏΠ°Π·ΠΎΠ½Π΅. ΠΠΈΠ°ΠΏΠ°Π·ΠΎΠ½ Π½Π΅ΠΏΡΠ΅ΡΡΠ²Π½ΠΎΠ³ΠΎ ΠΏΡΠΈΠ΅ΠΌΠ° ΠΎΡ 160 ΠΊΠΡ Π΄ΠΎ 30 ΠΠΡ ΠΌΠΎΠΆΠ΅Ρ Π±ΡΡΡ ΠΏΠΎΠΊΡΡΡ ΠΏΡΡΡΡ ΠΏΠ΅ΡΠ΅ΠΊΠ»ΡΡΠ°Π΅ΠΌΡΠΌΠΈ Π΄ΠΈΠ°ΠΏΠ°Π·ΠΎΠ½Π°ΠΌΠΈ Π²ΠΎΠ»Π½. Π§ΡΠΎΠ±Ρ ΠΈΠΌΠ΅ΡΡ Π²ΠΎΠ·ΠΌΠΎΠΆΠ½ΠΎΡΡΡ ΡΠΎΠ½ΠΊΠΎΠΉ Π½Π°ΡΡΡΠΎΠΉΠΊΠΈ SSB ΠΈ ΡΠ΅Π»Π΅Π³ΡΠ°ΡΠ½ΡΡ
ΡΡΠ°Π½ΡΠΈΠΉ, Ρ ΠΏΠΎΠ΄ΠΊΠ»ΡΡΠΈΠ» Π΅ΠΌΠΊΠΎΡΡΠ½ΠΎΠΉ Π΄ΠΈΠΎΠ΄, ΠΏΠΎΠ΄ΡΡΡΠ°ΠΈΠ²Π°ΡΡΠΈΠΉ ΠΏΠ°ΡΠ°Π»Π»Π΅Π»ΡΠ½ΠΎ ΠΏΠ΅ΡΠ΅ΠΌΠ΅Π½Π½ΠΎΠΌΡ ΠΊΠΎΠ½Π΄Π΅Π½ΡΠ°ΡΠΎΡΡ. ΠΠ΄Π½ΠΎΠ²ΡΠ΅ΠΌΠ΅Π½Π½ΠΎ ΡΡΠ° ΡΠΎΡΠ½Π°Ρ Π½Π°ΡΡΡΠΎΠΉΠΊΠ° ΠΏΠΎΠ·ΠΆΠ΅ ΠΈΡΠΏΠΎΠ»ΡΠ·ΠΎΠ²Π°Π»Π°ΡΡ Π΄Π»Ρ Π½Π°ΡΡΡΠΎΠΉΠΊΠΈ Π΄ΠΎΠΏΠΎΠ»Π½ΠΈΡΠ΅Π»ΡΠ½ΠΎΠ³ΠΎ Π£ΠΠ-ΠΏΡΠΈΠ΅ΠΌΠ½ΠΈΠΊΠ° Ρ ΠΌΠΈΠΊΡΠΎΡΡ
Π΅ΠΌΠΎΠΉ TDA7000. Π’ΠΎΠ½ΠΊΠ°Ρ Π½Π°ΡΡΡΠΎΠΉΠΊΠ° ΡΠ°Π΄ΠΈΠΎΡΠ°ΡΡΠΎΡΠ½ΠΎΠ³ΠΎ ΠΊΠΎΠ½ΡΡΡΠ° ΡΠ°ΠΊΠΆΠ΅ ΠΏΠΎΠ·Π²ΠΎΠ»ΠΈΠ»Π° Π΄ΠΎΡΡΠ°ΡΠΎΡΠ½ΠΎ ΡΠΎΡΠ½ΠΎ Π½Π°ΡΡΡΠΎΠΈΡΡ Π²Π΅ΡΡ
Π½ΠΈΠΉ Π΄ΠΈΠ°ΠΏΠ°Π·ΠΎΠ½ ΡΠ°ΡΡΠΎΡ, ΡΡΠΎΠ±Ρ ΠΈΠΌΠ΅ΡΡ Π²ΠΎΠ·ΠΌΠΎΠΆΠ½ΠΎΡΡΡ Π΄Π΅ΠΌΠΎΠ΄ΡΠ»ΠΈΡΠΎΠ²Π°ΡΡ 10-ΠΌΠ΅ΡΡΠΎΠ²ΡΠ΅ Π»ΡΠ±ΠΈΡΠ΅Π»ΡΡΠΊΠΈΠ΅ ΡΠ°Π΄ΠΈΠΎΡΡΠ°Π½ΡΠΈΠΈ ΠΈ ΡΡΠ°Π½ΡΠΈΠΈ CB Π½Π° ΡΠ»Π°Π½Π³Π΅, ΠΈΡΠΏΠΎΠ»ΡΠ·ΡΡΡΠΈΠ΅ ΡΠ·ΠΊΠΎΠΏΠΎΠ»ΠΎΡΠ½ΡΡ ΡΠ°ΡΡΠΎΡΠ½ΡΡ ΠΌΠΎΠ΄ΡΠ»ΡΡΠΈΡ.

