ΠΠ°ΠΊΠΎΠ΅ ΡΠ°ΡΠΏΠΎΠ»ΠΎΠΆΠ΅Π½ΠΈΠ΅ ΠΏΡΠ΅Π΄ΠΎΡ ΡΠ°Π½ΠΈΡΠ΅Π»Π΅ΠΉ ΠΈ ΡΠ΅Π»Π΅ Π² ΠΠΠ-2115. ΠΠ»Ρ ΡΠ΅Π³ΠΎ Π½ΡΠΆΠ΅Π½ ΠΊΠ°ΠΆΠ΄ΡΠΉ ΠΏΡΠ΅Π΄ΠΎΡ ΡΠ°Π½ΠΈΡΠ΅Π»Ρ ΠΈ ΡΠ΅Π»Π΅. ΠΠ°ΠΊ ΠΏΠΎΠ΄ΠΊΠ»ΡΡΠ΅Π½Ρ ΡΠ»Π΅ΠΊΡΡΠΈΡΠ΅ΡΠΊΠΈΠ΅ ΡΠ΅ΠΏΠΈ. ΠΠ΄Π΅ Π½Π°Ρ ΠΎΠ΄ΡΡΡΡ ΠΌΠΎΠ½ΡΠ°ΠΆΠ½ΡΠ΅ Π±Π»ΠΎΠΊΠΈ. ΠΠ°ΠΊΠΈΠ΅ Π±ΡΠ²Π°ΡΡ Π½Π΅ΠΈΡΠΏΡΠ°Π²Π½ΠΎΡΡΠΈ ΡΠ»Π΅ΠΊΡΡΠΎΠΎΠ±ΠΎΡΡΠ΄ΠΎΠ²Π°Π½ΠΈΡ.
Π Π°ΡΠΏΠΎΠ»ΠΎΠΆΠ΅Π½ΠΈΠ΅ ΠΌΠΎΠ½ΡΠ°ΠΆΠ½ΡΡ Π±Π»ΠΎΠΊΠΎΠ² Ρ ΠΏΡΠ΅Π΄ΠΎΡ ΡΠ°Π½ΠΈΡΠ΅Π»ΡΠΌΠΈ ΠΈ ΡΠ΅Π»Π΅ Π² ΠΠΠ-2115
Π Π°Π²ΡΠΎΠΌΠΎΠ±ΠΈΠ»Π΅ ΠΠΠ-2115 ΠΈΠΌΠ΅Π΅ΡΡΡ Π΄Π²Π° ΠΎΡΠ½ΠΎΠ²Π½ΡΡ ΠΌΠΎΠ½ΡΠ°ΠΆΠ½ΡΡ Π±Π»ΠΎΠΊΠ° Ρ ΠΏΡΠ΅Π΄ΠΎΡ ΡΠ°Π½ΠΈΡΠ΅Π»ΡΠΌΠΈ ΠΈ ΡΠ΅Π»Π΅:
- ΠΡΠ½ΠΎΠ²Π½ΠΎΠΉ ΠΌΠΎΠ½ΡΠ°ΠΆΠ½ΡΠΉ Π±Π»ΠΎΠΊ — ΡΠ°ΡΠΏΠΎΠ»ΠΎΠΆΠ΅Π½ ΠΏΠΎΠ΄ ΠΏΠ°Π½Π΅Π»ΡΡ ΠΏΡΠΈΠ±ΠΎΡΠΎΠ² ΡΠΎ ΡΡΠΎΡΠΎΠ½Ρ Π²ΠΎΠ΄ΠΈΡΠ΅Π»Ρ. ΠΠ»Ρ Π΄ΠΎΡΡΡΠΏΠ° Π½Π΅ΠΎΠ±Ρ ΠΎΠ΄ΠΈΠΌΠΎ ΡΠ½ΡΡΡ Π·Π°ΡΠΈΡΠ½ΡΡ ΠΊΡΡΡΠΊΡ.
- ΠΠΎΠΏΠΎΠ»Π½ΠΈΡΠ΅Π»ΡΠ½ΡΠΉ ΠΌΠΎΠ½ΡΠ°ΠΆΠ½ΡΠΉ Π±Π»ΠΎΠΊ — Π½Π°Ρ ΠΎΠ΄ΠΈΡΡΡ Π² ΠΌΠΎΡΠΎΡΠ½ΠΎΠΌ ΠΎΡΡΠ΅ΠΊΠ΅ Π²ΠΎΠ·Π»Π΅ Π°ΠΊΠΊΡΠΌΡΠ»ΡΡΠΎΡΠ½ΠΎΠΉ Π±Π°ΡΠ°ΡΠ΅ΠΈ. ΠΠ°ΠΊΡΡΡ ΠΏΠ»Π°ΡΡΠΈΠΊΠΎΠ²ΠΎΠΉ ΠΊΡΡΡΠΊΠΎΠΉ.
Π’Π°ΠΊΠΎΠ΅ ΡΠ°ΡΠΏΠΎΠ»ΠΎΠΆΠ΅Π½ΠΈΠ΅ ΠΎΠ±Π΅ΡΠΏΠ΅ΡΠΈΠ²Π°Π΅Ρ Π·Π°ΡΠΈΡΡ ΡΠ»Π΅ΠΊΡΡΠΈΡΠ΅ΡΠΊΠΈΡ ΡΠ΅ΠΏΠ΅ΠΉ ΠΈ ΡΠ΄ΠΎΠ±Π½ΡΠΉ Π΄ΠΎΡΡΡΠΏ Π΄Π»Ρ ΠΎΠ±ΡΠ»ΡΠΆΠΈΠ²Π°Π½ΠΈΡ. ΠΡΠ½ΠΎΠ²Π½ΠΎΠΉ Π±Π»ΠΎΠΊ Π·Π°ΡΠΈΡΠ°Π΅Ρ Π±ΠΎΠ»ΡΡΠΈΠ½ΡΡΠ²ΠΎ ΠΏΠΎΡΡΠ΅Π±ΠΈΡΠ΅Π»Π΅ΠΉ Π² ΡΠ°Π»ΠΎΠ½Π΅, Π΄ΠΎΠΏΠΎΠ»Π½ΠΈΡΠ΅Π»ΡΠ½ΡΠΉ — ΠΌΠΎΡΠ½ΡΠ΅ ΠΏΠΎΡΡΠ΅Π±ΠΈΡΠ΅Π»ΠΈ Π² ΠΌΠΎΡΠΎΡΠ½ΠΎΠΌ ΠΎΡΡΠ΅ΠΊΠ΅.
ΠΠ°Π·Π½Π°ΡΠ΅Π½ΠΈΠ΅ ΠΏΡΠ΅Π΄ΠΎΡ ΡΠ°Π½ΠΈΡΠ΅Π»Π΅ΠΉ Π² ΠΎΡΠ½ΠΎΠ²Π½ΠΎΠΌ ΠΌΠΎΠ½ΡΠ°ΠΆΠ½ΠΎΠΌ Π±Π»ΠΎΠΊΠ΅ ΠΠΠ-2115
ΠΡΠ½ΠΎΠ²Π½ΠΎΠΉ Π±Π»ΠΎΠΊ ΠΏΡΠ΅Π΄ΠΎΡ ΡΠ°Π½ΠΈΡΠ΅Π»Π΅ΠΉ ΡΠ°ΡΠΏΠΎΠ»ΠΎΠΆΠ΅Π½ ΠΏΠΎΠ΄ ΠΏΠ°Π½Π΅Π»ΡΡ ΠΏΡΠΈΠ±ΠΎΡΠΎΠ² ΠΈ ΡΠΎΠ΄Π΅ΡΠΆΠΈΡ ΡΠ»Π΅Π΄ΡΡΡΠΈΠ΅ ΠΏΡΠ΅Π΄ΠΎΡ ΡΠ°Π½ΠΈΡΠ΅Π»ΠΈ:

- F1 (16A) — ΠΠ»Π΅ΠΊΡΡΠΎΠ΄Π²ΠΈΠ³Π°ΡΠ΅Π»Ρ Π²Π΅Π½ΡΠΈΠ»ΡΡΠΎΡΠ° ΠΎΡΠΎΠΏΠΈΡΠ΅Π»Ρ
- F2 (8A) — ΠΠ°Π»ΡΠ½ΠΈΠΉ ΡΠ²Π΅Ρ ΠΏΡΠ°Π²ΠΎΠΉ ΡΠ°ΡΡ
- F3 (8A) — ΠΠ°Π»ΡΠ½ΠΈΠΉ ΡΠ²Π΅Ρ Π»Π΅Π²ΠΎΠΉ ΡΠ°ΡΡ
- F4 (16A) — ΠΠ²ΡΠΊΠΎΠ²ΠΎΠΉ ΡΠΈΠ³Π½Π°Π», ΠΏΡΠΈΠΊΡΡΠΈΠ²Π°ΡΠ΅Π»Ρ
- F5 (8A) — ΠΠ»ΠΈΠΆΠ½ΠΈΠΉ ΡΠ²Π΅Ρ ΠΏΡΠ°Π²ΠΎΠΉ ΡΠ°ΡΡ
- F6 (8A) — ΠΠ»ΠΈΠΆΠ½ΠΈΠΉ ΡΠ²Π΅Ρ Π»Π΅Π²ΠΎΠΉ ΡΠ°ΡΡ
- F7 (16A) — ΠΠ²Π°ΡΠΈΠΉΠ½Π°Ρ ΡΠΈΠ³Π½Π°Π»ΠΈΠ·Π°ΡΠΈΡ
- F8 (8A) — ΠΠ°Π±Π°ΡΠΈΡΠ½ΡΠ΅ ΠΎΠ³Π½ΠΈ ΠΏΡΠ°Π²ΠΎΠ³ΠΎ Π±ΠΎΡΡΠ°, ΠΏΠΎΠ΄ΡΠ²Π΅ΡΠΊΠ° ΠΏΡΠΈΠ±ΠΎΡΠΎΠ² ΠΈ ΠΊΠ»Π°Π²ΠΈΡ
- F9 (8A) — ΠΠ°Π±Π°ΡΠΈΡΠ½ΡΠ΅ ΠΎΠ³Π½ΠΈ Π»Π΅Π²ΠΎΠ³ΠΎ Π±ΠΎΡΡΠ°, ΠΏΠΎΠ΄ΡΠ²Π΅ΡΠΊΠ° Π½ΠΎΠΌΠ΅ΡΠ½ΠΎΠ³ΠΎ Π·Π½Π°ΠΊΠ°
- F10 (16A) — ΠΠ»Π΅ΠΊΡΡΠΎΡΡΠ΅ΠΊΠ»ΠΎΠΏΠΎΠ΄ΡΠ΅ΠΌΠ½ΠΈΠΊΠΈ
- F11 (8A) — ΠΠ°Π΄Π½ΠΈΠ΅ ΠΏΡΠΎΡΠΈΠ²ΠΎΡΡΠΌΠ°Π½Π½ΡΠ΅ ΡΠΎΠ½Π°ΡΠΈ
- F12 (16A) — ΠΠ»Π΅ΠΊΡΡΠΎΠ΄Π²ΠΈΠ³Π°ΡΠ΅Π»Ρ ΠΎΡΠΈΡΡΠΈΡΠ΅Π»Ρ Π²Π΅ΡΡΠΎΠ²ΠΎΠ³ΠΎ ΡΡΠ΅ΠΊΠ»Π°
- F13 (8A) — ΠΠΎΠΌΠ±ΠΈΠ½Π°ΡΠΈΡ ΠΏΡΠΈΠ±ΠΎΡΠΎΠ², ΡΠ°ΡΡ
- F14 (8A) — Π£ΠΊΠ°Π·Π°ΡΠ΅Π»ΠΈ ΠΏΠΎΠ²ΠΎΡΠΎΡΠ°
- F15 (16A) — ΠΠ±ΠΎΠ³ΡΠ΅Π² Π·Π°Π΄Π½Π΅Π³ΠΎ ΡΡΠ΅ΠΊΠ»Π°
Π’Π°ΠΊΠΎΠ΅ ΡΠ°ΡΠΏΡΠ΅Π΄Π΅Π»Π΅Π½ΠΈΠ΅ ΠΏΡΠ΅Π΄ΠΎΡ ΡΠ°Π½ΠΈΡΠ΅Π»Π΅ΠΉ ΠΎΠ±Π΅ΡΠΏΠ΅ΡΠΈΠ²Π°Π΅Ρ Π·Π°ΡΠΈΡΡ Π²ΡΠ΅Ρ ΠΎΡΠ½ΠΎΠ²Π½ΡΡ ΠΏΠΎΡΡΠ΅Π±ΠΈΡΠ΅Π»Π΅ΠΉ ΡΠ»Π΅ΠΊΡΡΠΎΡΠ½Π΅ΡΠ³ΠΈΠΈ Π² Π°Π²ΡΠΎΠΌΠΎΠ±ΠΈΠ»Π΅. ΠΡΠΈ Π²ΡΡ ΠΎΠ΄Π΅ ΠΈΠ· ΡΡΡΠΎΡ ΠΊΠ°ΠΊΠΎΠΉ-Π»ΠΈΠ±ΠΎ ΡΠ΅ΠΏΠΈ ΡΠ»Π΅Π΄ΡΠ΅Ρ Π² ΠΏΠ΅ΡΠ²ΡΡ ΠΎΡΠ΅ΡΠ΅Π΄Ρ ΠΏΡΠΎΠ²Π΅ΡΠΈΡΡ ΡΠΎΠΎΡΠ²Π΅ΡΡΡΠ²ΡΡΡΠΈΠΉ ΠΏΡΠ΅Π΄ΠΎΡ ΡΠ°Π½ΠΈΡΠ΅Π»Ρ.
ΠΠ°Π·Π½Π°ΡΠ΅Π½ΠΈΠ΅ ΡΠ΅Π»Π΅ Π² ΠΎΡΠ½ΠΎΠ²Π½ΠΎΠΌ ΠΌΠΎΠ½ΡΠ°ΠΆΠ½ΠΎΠΌ Π±Π»ΠΎΠΊΠ΅ ΠΠΠ-2115
Π ΠΎΡΠ½ΠΎΠ²Π½ΠΎΠΌ ΠΌΠΎΠ½ΡΠ°ΠΆΠ½ΠΎΠΌ Π±Π»ΠΎΠΊΠ΅ ΠΠΠ-2115 ΡΡΡΠ°Π½ΠΎΠ²Π»Π΅Π½Ρ ΡΠ»Π΅Π΄ΡΡΡΠΈΠ΅ ΡΠ΅Π»Π΅:

- K1 — Π Π΅Π»Π΅ Π²ΠΊΠ»ΡΡΠ΅Π½ΠΈΡ Π²Π΅Π½ΡΠΈΠ»ΡΡΠΎΡΠ° ΠΎΡΠΎΠΏΠΈΡΠ΅Π»Ρ
- K2 — Π Π΅Π»Π΅ Π²ΠΊΠ»ΡΡΠ΅Π½ΠΈΡ Π΄Π°Π»ΡΠ½Π΅Π³ΠΎ ΡΠ²Π΅ΡΠ° ΡΠ°Ρ
- K3 — Π Π΅Π»Π΅ Π²ΠΊΠ»ΡΡΠ΅Π½ΠΈΡ Π±Π»ΠΈΠΆΠ½Π΅Π³ΠΎ ΡΠ²Π΅ΡΠ° ΡΠ°Ρ
- K4 — Π Π΅Π»Π΅ Π²ΠΊΠ»ΡΡΠ΅Π½ΠΈΡ Π·Π²ΡΠΊΠΎΠ²ΠΎΠ³ΠΎ ΡΠΈΠ³Π½Π°Π»Π°
- K5 — Π Π΅Π»Π΅ Π²ΠΊΠ»ΡΡΠ΅Π½ΠΈΡ ΠΎΠ±ΠΎΠ³ΡΠ΅Π²Π° Π·Π°Π΄Π½Π΅Π³ΠΎ ΡΡΠ΅ΠΊΠ»Π°
- K6 — Π Π΅Π»Π΅-ΠΏΡΠ΅ΡΡΠ²Π°ΡΠ΅Π»Ρ ΡΠΊΠ°Π·Π°ΡΠ΅Π»Π΅ΠΉ ΠΏΠΎΠ²ΠΎΡΠΎΡΠ° ΠΈ Π°Π²Π°ΡΠΈΠΉΠ½ΠΎΠΉ ΡΠΈΠ³Π½Π°Π»ΠΈΠ·Π°ΡΠΈΠΈ
- K7 — Π Π΅Π»Π΅ Π²ΠΊΠ»ΡΡΠ΅Π½ΠΈΡ ΠΏΡΠΎΡΠΈΠ²ΠΎΡΡΠΌΠ°Π½Π½ΡΡ ΡΠ°Ρ
Π Π΅Π»Π΅ ΠΎΠ±Π΅ΡΠΏΠ΅ΡΠΈΠ²Π°ΡΡ ΠΊΠΎΠΌΠΌΡΡΠ°ΡΠΈΡ ΡΠΈΠ»ΠΎΠ²ΡΡ ΡΠ΅ΠΏΠ΅ΠΉ ΠΏΠΎ ΡΠΈΠ³Π½Π°Π»Π°ΠΌ ΠΎΡ ΠΎΡΠ³Π°Π½ΠΎΠ² ΡΠΏΡΠ°Π²Π»Π΅Π½ΠΈΡ. ΠΡΠΎ ΠΏΠΎΠ·Π²ΠΎΠ»ΡΠ΅Ρ ΠΈΡΠΏΠΎΠ»ΡΠ·ΠΎΠ²Π°ΡΡ ΠΌΠ°Π»ΠΎΠΌΠΎΡΠ½ΡΠ΅ Π²ΡΠΊΠ»ΡΡΠ°ΡΠ΅Π»ΠΈ Π΄Π»Ρ ΡΠΏΡΠ°Π²Π»Π΅Π½ΠΈΡ ΠΌΠΎΡΠ½ΡΠΌΠΈ ΠΏΠΎΡΡΠ΅Π±ΠΈΡΠ΅Π»ΡΠΌΠΈ.
Π‘Ρ Π΅ΠΌΠ° ΠΏΠΎΠ΄ΠΊΠ»ΡΡΠ΅Π½ΠΈΡ ΠΏΡΠ΅Π΄ΠΎΡ ΡΠ°Π½ΠΈΡΠ΅Π»Π΅ΠΉ ΠΈ ΡΠ΅Π»Π΅ Π² ΠΠΠ-2115
ΠΠ»Π΅ΠΊΡΡΠΈΡΠ΅ΡΠΊΠ°Ρ ΡΡ Π΅ΠΌΠ° ΠΏΠΎΠ΄ΠΊΠ»ΡΡΠ΅Π½ΠΈΡ ΠΏΡΠ΅Π΄ΠΎΡ ΡΠ°Π½ΠΈΡΠ΅Π»Π΅ΠΉ ΠΈ ΡΠ΅Π»Π΅ Π² ΠΠΠ-2115 Π²ΡΠ³Π»ΡΠ΄ΠΈΡ ΡΠ»Π΅Π΄ΡΡΡΠΈΠΌ ΠΎΠ±ΡΠ°Π·ΠΎΠΌ:
- ΠΡ Π°ΠΊΠΊΡΠΌΡΠ»ΡΡΠΎΡΠ° ΠΏΠΈΡΠ°Π½ΠΈΠ΅ ΠΏΠΎΠ΄Π°Π΅ΡΡΡ Π½Π° ΡΠΈΠ»ΠΎΠ²ΡΠ΅ ΠΏΡΠ΅Π΄ΠΎΡ ΡΠ°Π½ΠΈΡΠ΅Π»ΠΈ Π² ΠΌΠΎΡΠΎΡΠ½ΠΎΠΌ ΠΎΡΡΠ΅ΠΊΠ΅
- ΠΡ Π½ΠΈΡ ΠΏΠΈΡΠ°Π½ΠΈΠ΅ ΠΈΠ΄Π΅Ρ Π½Π° Π·Π°ΠΌΠΎΠΊ Π·Π°ΠΆΠΈΠ³Π°Π½ΠΈΡ ΠΈ ΠΎΡΠ½ΠΎΠ²Π½ΠΎΠΉ ΠΌΠΎΠ½ΡΠ°ΠΆΠ½ΡΠΉ Π±Π»ΠΎΠΊ
- Π Π±Π»ΠΎΠΊΠ΅ ΠΏΠΈΡΠ°Π½ΠΈΠ΅ ΡΠ°ΡΠΏΡΠ΅Π΄Π΅Π»ΡΠ΅ΡΡΡ ΡΠ΅ΡΠ΅Π· ΠΏΡΠ΅Π΄ΠΎΡ ΡΠ°Π½ΠΈΡΠ΅Π»ΠΈ Π½Π° ΠΏΠΎΡΡΠ΅Π±ΠΈΡΠ΅Π»ΠΈ
- Π§Π°ΡΡΡ ΡΠ΅ΠΏΠ΅ΠΉ ΠΊΠΎΠΌΠΌΡΡΠΈΡΡΠ΅ΡΡΡ ΡΠ΅ΡΠ΅Π· ΡΠ΅Π»Π΅ ΠΏΠΎ ΡΠΈΠ³Π½Π°Π»Π°ΠΌ ΠΎΡ Π²ΡΠΊΠ»ΡΡΠ°ΡΠ΅Π»Π΅ΠΉ
- ΠΠΈΠ½ΡΡΠΎΠ²ΡΠ΅ ΠΏΡΠΎΠ²ΠΎΠ΄Π° Π²ΡΠ΅Ρ ΠΏΠΎΡΡΠ΅Π±ΠΈΡΠ΅Π»Π΅ΠΉ ΡΠΎΠ΅Π΄ΠΈΠ½Π΅Π½Ρ Ρ ΠΊΡΠ·ΠΎΠ²ΠΎΠΌ Π°Π²ΡΠΎΠΌΠΎΠ±ΠΈΠ»Ρ
Π’Π°ΠΊΠ°Ρ ΡΡ Π΅ΠΌΠ° ΠΎΠ±Π΅ΡΠΏΠ΅ΡΠΈΠ²Π°Π΅Ρ Π½Π°Π΄Π΅ΠΆΠ½ΡΡ Π·Π°ΡΠΈΡΡ ΡΠ»Π΅ΠΊΡΡΠΎΠΎΠ±ΠΎΡΡΠ΄ΠΎΠ²Π°Π½ΠΈΡ ΠΈ ΡΠ΄ΠΎΠ±ΡΡΠ²ΠΎ ΡΠΏΡΠ°Π²Π»Π΅Π½ΠΈΡ Π²ΡΠ΅ΠΌΠΈ ΠΏΠΎΡΡΠ΅Π±ΠΈΡΠ΅Π»ΡΠΌΠΈ.

ΠΡΠΎΠ±Π΅Π½Π½ΠΎΡΡΠΈ Π΄ΠΎΠΏΠΎΠ»Π½ΠΈΡΠ΅Π»ΡΠ½ΠΎΠ³ΠΎ ΠΌΠΎΠ½ΡΠ°ΠΆΠ½ΠΎΠ³ΠΎ Π±Π»ΠΎΠΊΠ° ΠΠΠ-2115
ΠΠΎΠΏΠΎΠ»Π½ΠΈΡΠ΅Π»ΡΠ½ΡΠΉ ΠΌΠΎΠ½ΡΠ°ΠΆΠ½ΡΠΉ Π±Π»ΠΎΠΊ Π² ΠΌΠΎΡΠΎΡΠ½ΠΎΠΌ ΠΎΡΡΠ΅ΠΊΠ΅ ΠΠΠ-2115 ΡΠΎΠ΄Π΅ΡΠΆΠΈΡ:
- Π‘ΠΈΠ»ΠΎΠ²ΡΠ΅ ΠΏΡΠ΅Π΄ΠΎΡ ΡΠ°Π½ΠΈΡΠ΅Π»ΠΈ Π΄Π»Ρ Π·Π°ΡΠΈΡΡ ΡΠ΅ΠΏΠ΅ΠΉ ΡΡΠ°ΡΡΠ΅ΡΠ°, Π³Π΅Π½Π΅ΡΠ°ΡΠΎΡΠ°, Π²Π΅Π½ΡΠΈΠ»ΡΡΠΎΡΠ° ΠΎΡ Π»Π°ΠΆΠ΄Π΅Π½ΠΈΡ
- Π Π΅Π»Π΅ Π²ΠΊΠ»ΡΡΠ΅Π½ΠΈΡ Π²Π΅Π½ΡΠΈΠ»ΡΡΠΎΡΠ° ΠΎΡ Π»Π°ΠΆΠ΄Π΅Π½ΠΈΡ Π΄Π²ΠΈΠ³Π°ΡΠ΅Π»Ρ
- Π Π΅Π»Π΅ Π²ΠΊΠ»ΡΡΠ΅Π½ΠΈΡ ΡΠΎΠΏΠ»ΠΈΠ²Π½ΠΎΠ³ΠΎ Π½Π°ΡΠΎΡΠ°
- Π Π΅Π»Π΅ Π²ΠΊΠ»ΡΡΠ΅Π½ΠΈΡ ΡΠΈΡΡΠ΅ΠΌΡ ΡΠΏΡΠ°Π²Π»Π΅Π½ΠΈΡ Π΄Π²ΠΈΠ³Π°ΡΠ΅Π»Π΅ΠΌ
ΠΡΠΎΡ Π±Π»ΠΎΠΊ Π·Π°ΡΠΈΡΠ°Π΅Ρ Π½Π°ΠΈΠ±ΠΎΠ»Π΅Π΅ ΠΌΠΎΡΠ½ΡΠ΅ ΠΏΠΎΡΡΠ΅Π±ΠΈΡΠ΅Π»ΠΈ ΠΈ ΠΎΠ±Π΅ΡΠΏΠ΅ΡΠΈΠ²Π°Π΅Ρ ΠΈΡ Π²ΠΊΠ»ΡΡΠ΅Π½ΠΈΠ΅. ΠΠ³ΠΎ ΡΠ°ΡΠΏΠΎΠ»ΠΎΠΆΠ΅Π½ΠΈΠ΅ Π² ΠΌΠΎΡΠΎΡΠ½ΠΎΠΌ ΠΎΡΡΠ΅ΠΊΠ΅ ΠΎΠ±ΡΡΠ»ΠΎΠ²Π»Π΅Π½ΠΎ Π±Π»ΠΈΠ·ΠΎΡΡΡΡ ΠΊ Π·Π°ΡΠΈΡΠ°Π΅ΠΌΡΠΌ ΡΠ΅ΠΏΡΠΌ.
Π’ΠΈΠΏΠΈΡΠ½ΡΠ΅ Π½Π΅ΠΈΡΠΏΡΠ°Π²Π½ΠΎΡΡΠΈ ΡΠ»Π΅ΠΊΡΡΠΎΠΎΠ±ΠΎΡΡΠ΄ΠΎΠ²Π°Π½ΠΈΡ ΠΠΠ-2115
ΠΠ°ΠΈΠ±ΠΎΠ»Π΅Π΅ ΡΠ°ΡΠΏΡΠΎΡΡΡΠ°Π½Π΅Π½Π½ΡΠ΅ ΠΏΡΠΎΠ±Π»Π΅ΠΌΡ Ρ ΡΠ»Π΅ΠΊΡΡΠΈΠΊΠΎΠΉ Π² ΠΠΠ-2115:
- ΠΠ΅ΡΠ΅Π³ΠΎΡΠ°Π½ΠΈΠ΅ ΠΏΡΠ΅Π΄ΠΎΡ ΡΠ°Π½ΠΈΡΠ΅Π»Π΅ΠΉ ΠΈΠ·-Π·Π° ΠΊΠΎΡΠΎΡΠΊΠΎΠ³ΠΎ Π·Π°ΠΌΡΠΊΠ°Π½ΠΈΡ
- ΠΠΊΠΈΡΠ»Π΅Π½ΠΈΠ΅ ΠΊΠΎΠ½ΡΠ°ΠΊΡΠΎΠ² Π² ΡΠ°Π·ΡΠ΅ΠΌΠ°Ρ ΠΌΠΎΠ½ΡΠ°ΠΆΠ½ΡΡ Π±Π»ΠΎΠΊΠΎΠ²
- ΠΡΡ ΠΎΠ΄ ΠΈΠ· ΡΡΡΠΎΡ ΡΠ΅Π»Π΅ ΠΈΠ·-Π·Π° ΠΏΠΎΠ΄Π³ΠΎΡΠ°Π½ΠΈΡ ΠΊΠΎΠ½ΡΠ°ΠΊΡΠΎΠ²
- ΠΠ°ΡΡΡΠ΅Π½ΠΈΠ΅ ΠΈΠ·ΠΎΠ»ΡΡΠΈΠΈ ΠΏΡΠΎΠ²ΠΎΠ΄ΠΎΠ² Π² ΠΌΠ΅ΡΡΠ°Ρ ΠΏΠ΅ΡΠ΅Π³ΠΈΠ±ΠΎΠ²
- ΠΡΠΊΠ°Π· Π΄Π°ΡΡΠΈΠΊΠΎΠ² ΠΈ ΠΈΡΠΏΠΎΠ»Π½ΠΈΡΠ΅Π»ΡΠ½ΡΡ ΠΌΠ΅Ρ Π°Π½ΠΈΠ·ΠΌΠΎΠ²
ΠΠ»Ρ Π΄ΠΈΠ°Π³Π½ΠΎΡΡΠΈΠΊΠΈ Π½Π΅ΠΈΡΠΏΡΠ°Π²Π½ΠΎΡΡΠ΅ΠΉ ΡΠ΅ΠΊΠΎΠΌΠ΅Π½Π΄ΡΠ΅ΡΡΡ ΠΈΡΠΏΠΎΠ»ΡΠ·ΠΎΠ²Π°ΡΡ ΠΌΡΠ»ΡΡΠΈΠΌΠ΅ΡΡ ΠΈ ΠΏΡΠΎΠ²Π΅ΡΡΡΡ ΡΠ΅Π»ΠΎΡΡΠ½ΠΎΡΡΡ ΡΠ΅ΠΏΠ΅ΠΉ ΠΈ Π½Π°ΠΏΡΡΠΆΠ΅Π½ΠΈΠ΅ Π² ΠΊΠΎΠ½ΡΡΠΎΠ»ΡΠ½ΡΡ ΡΠΎΡΠΊΠ°Ρ . ΠΡΠΈ ΡΠ΅ΠΌΠΎΠ½ΡΠ΅ Π²Π°ΠΆΠ½ΠΎ ΠΈΡΠΏΠΎΠ»ΡΠ·ΠΎΠ²Π°ΡΡ ΠΊΠ°ΡΠ΅ΡΡΠ²Π΅Π½Π½ΡΠ΅ Π·Π°ΠΏΡΠ°ΡΡΠΈ.

Π Π΅ΠΊΠΎΠΌΠ΅Π½Π΄Π°ΡΠΈΠΈ ΠΏΠΎ ΠΎΠ±ΡΠ»ΡΠΆΠΈΠ²Π°Π½ΠΈΡ ΡΠ»Π΅ΠΊΡΡΠΎΠΎΠ±ΠΎΡΡΠ΄ΠΎΠ²Π°Π½ΠΈΡ ΠΠΠ-2115
ΠΠ»Ρ ΠΏΠΎΠ΄Π΄Π΅ΡΠΆΠ°Π½ΠΈΡ ΡΠ»Π΅ΠΊΡΡΠΎΠΎΠ±ΠΎΡΡΠ΄ΠΎΠ²Π°Π½ΠΈΡ ΠΠΠ-2115 Π² ΠΈΡΠΏΡΠ°Π²Π½ΠΎΠΌ ΡΠΎΡΡΠΎΡΠ½ΠΈΠΈ ΡΠ΅ΠΊΠΎΠΌΠ΅Π½Π΄ΡΠ΅ΡΡΡ:
- Π Π΅Π³ΡΠ»ΡΡΠ½ΠΎ ΠΏΡΠΎΠ²Π΅ΡΡΡΡ ΡΠΎΡΡΠΎΡΠ½ΠΈΠ΅ ΠΏΡΠ΅Π΄ΠΎΡ ΡΠ°Π½ΠΈΡΠ΅Π»Π΅ΠΉ ΠΈ ΡΠ΅Π»Π΅
- ΠΡΠΈΡΠ°ΡΡ ΠΊΠΎΠ½ΡΠ°ΠΊΡΡ Π² ΡΠ°Π·ΡΠ΅ΠΌΠ°Ρ ΠΎΡ ΠΎΠΊΠΈΡΠ»ΠΎΠ²
- ΠΡΠΎΠ²Π΅ΡΡΡΡ Π½Π°Π΄Π΅ΠΆΠ½ΠΎΡΡΡ ΡΠΎΠ΅Π΄ΠΈΠ½Π΅Π½ΠΈΠΉ ΠΏΡΠΎΠ²ΠΎΠ΄ΠΎΠ²
- Π‘Π²ΠΎΠ΅Π²ΡΠ΅ΠΌΠ΅Π½Π½ΠΎ Π·Π°ΠΌΠ΅Π½ΡΡΡ Π½Π΅ΠΈΡΠΏΡΠ°Π²Π½ΡΠ΅ ΠΊΠΎΠΌΠΏΠΎΠ½Π΅Π½ΡΡ
- ΠΡΠΏΠΎΠ»ΡΠ·ΠΎΠ²Π°ΡΡ ΡΠΎΠ»ΡΠΊΠΎ ΡΡΠ°ΡΠ½ΡΠ΅ ΠΏΡΠ΅Π΄ΠΎΡ ΡΠ°Π½ΠΈΡΠ΅Π»ΠΈ Π½ΡΠΆΠ½ΠΎΠ³ΠΎ Π½ΠΎΠΌΠΈΠ½Π°Π»Π°
Π‘ΠΎΠ±Π»ΡΠ΄Π΅Π½ΠΈΠ΅ ΡΡΠΈΡ ΠΏΡΠΎΡΡΡΡ ΠΏΡΠ°Π²ΠΈΠ» ΠΏΠΎΠ·Π²ΠΎΠ»ΠΈΡ ΠΈΠ·Π±Π΅ΠΆΠ°ΡΡ Π±ΠΎΠ»ΡΡΠΈΠ½ΡΡΠ²Π° ΠΏΡΠΎΠ±Π»Π΅ΠΌ Ρ ΡΠ»Π΅ΠΊΡΡΠΈΠΊΠΎΠΉ ΠΈ ΠΎΠ±Π΅ΡΠΏΠ΅ΡΠΈΡ Π½Π°Π΄Π΅ΠΆΠ½ΡΡ ΡΠ°Π±ΠΎΡΡ Π²ΡΠ΅Ρ ΡΠΈΡΡΠ΅ΠΌ Π°Π²ΡΠΎΠΌΠΎΠ±ΠΈΠ»Ρ.
ΠΠΎΠ΄Π΅ΡΠ½ΠΈΠ·Π°ΡΠΈΡ ΡΠ»Π΅ΠΊΡΡΠΎΠΎΠ±ΠΎΡΡΠ΄ΠΎΠ²Π°Π½ΠΈΡ ΠΠΠ-2115
ΠΠ»Ρ ΡΠ»ΡΡΡΠ΅Π½ΠΈΡ Ρ Π°ΡΠ°ΠΊΡΠ΅ΡΠΈΡΡΠΈΠΊ ΡΠ»Π΅ΠΊΡΡΠΎΠΎΠ±ΠΎΡΡΠ΄ΠΎΠ²Π°Π½ΠΈΡ ΠΠΠ-2115 ΠΌΠΎΠΆΠ½ΠΎ Π²ΡΠΏΠΎΠ»Π½ΠΈΡΡ ΡΠ»Π΅Π΄ΡΡΡΠΈΠ΅ Π΄ΠΎΡΠ°Π±ΠΎΡΠΊΠΈ:
- Π£ΡΡΠ°Π½ΠΎΠ²ΠΊΠ° Π±ΠΎΠ»Π΅Π΅ ΠΌΠΎΡΠ½ΠΎΠ³ΠΎ Π³Π΅Π½Π΅ΡΠ°ΡΠΎΡΠ°
- ΠΠ°ΠΌΠ΅Π½Π° ΡΡΠ°ΡΠ½ΠΎΠΉ ΠΏΡΠΎΠ²ΠΎΠ΄ΠΊΠΈ Π½Π° ΠΏΡΠΎΠ²ΠΎΠ΄Π° Π±ΠΎΠ»ΡΡΠ΅Π³ΠΎ ΡΠ΅ΡΠ΅Π½ΠΈΡ
- Π£ΡΡΠ°Π½ΠΎΠ²ΠΊΠ° Π΄ΠΎΠΏΠΎΠ»Π½ΠΈΡΠ΅Π»ΡΠ½ΡΡ ΡΠ΅Π»Π΅ Π΄Π»Ρ ΡΠ°Π·Π³ΡΡΠ·ΠΊΠΈ ΡΡΠ°ΡΠ½ΡΡ ΡΠ΅ΠΏΠ΅ΠΉ
- ΠΠΎΠ½ΡΠ°ΠΆ ΡΠ²Π΅ΡΠΎΠ΄ΠΈΠΎΠ΄Π½ΠΎΠ³ΠΎ ΠΎΡΠ²Π΅ΡΠ΅Π½ΠΈΡ
- Π£ΡΡΠ°Π½ΠΎΠ²ΠΊΠ° Π±ΠΎΠ»Π΅Π΅ ΠΌΠΎΡΠ½ΡΡ Π»Π°ΠΌΠΏ Π² ΡΠ°ΡΡ
ΠΡΠΈ ΠΌΠΎΠ΄Π΅ΡΠ½ΠΈΠ·Π°ΡΠΈΠΈ Π²Π°ΠΆΠ½ΠΎ ΡΡΠΈΡΡΠ²Π°ΡΡ Π½Π°Π³ΡΡΠ·ΠΎΡΠ½ΡΡ ΡΠΏΠΎΡΠΎΠ±Π½ΠΎΡΡΡ ΠΈΠΌΠ΅ΡΡΠΈΡ ΡΡ ΡΠ΅ΠΏΠ΅ΠΉ ΠΈ ΠΏΡΠΈ Π½Π΅ΠΎΠ±Ρ ΠΎΠ΄ΠΈΠΌΠΎΡΡΠΈ ΡΡΠΈΠ»ΠΈΠ²Π°ΡΡ ΠΈΡ . ΠΡΠ΅ Π΄ΠΎΡΠ°Π±ΠΎΡΠΊΠΈ Π΄ΠΎΠ»ΠΆΠ½Ρ Π²ΡΠΏΠΎΠ»Π½ΡΡΡΡΡ ΠΊΠ²Π°Π»ΠΈΡΠΈΡΠΈΡΠΎΠ²Π°Π½Π½ΡΠΌΠΈ ΡΠΏΠ΅ΡΠΈΠ°Π»ΠΈΡΡΠ°ΠΌΠΈ.
ΠΡΠ΅Π΄ΠΎΡ ΡΠ°Π½ΠΈΡΠ΅Π»ΠΈ ΠΈ ΡΠ΅Π»Π΅ ΠΌΠΎΠ½ΡΠ°ΠΆΠ½ΡΡ Π±Π»ΠΎΠΊΠΎΠ² Π Π΅Π½ΠΎ ΠΠΎΠ³Π°Π½ 1.4
ΠΠ²ΡΠΎΠΌΠΎΠ±ΠΈΠ»Ρ Π Π΅Π½ΠΎ ΠΠΎΠ³Π°Π½ ΠΏΠ΅ΡΠ²ΠΎΠ³ΠΎ ΠΏΠΎΠΊΠΎΠ»Π΅Π½ΠΈΡ Ρ Π΄Π²ΠΈΠ³Π°ΡΠ΅Π»Π΅ΠΌ k7j 1,4 Π» ΠΈΠΌΠ΅Π΅Ρ Π΄Π²Π° ΠΌΠΎΠ½ΡΠ°ΠΆΠ½ΡΡ Π±Π»ΠΎΠΊΠ° Ρ ΠΏΡΠ΅Π΄ΠΎΡ ΡΠ°Π½ΠΈΡΠ΅Π»ΡΠΌΠΈ ΠΈ ΡΠ΅Π»Π΅, Π·Π°ΡΠΈΡΠ°ΡΡΠΈΠΌΠΈ ΡΠ»Π΅ΠΊΡΡΠΈΡΠ΅ΡΠΊΠΈΠ΅ ΡΠ΅ΠΏΠΈ.
ΠΠ΄ΠΈΠ½ ΠΌΠΎΠ½ΡΠ°ΠΆΠ½ΡΠΉ Π±Π»ΠΎΠΊ Ρ ΠΏΡΠ΅Π΄ΠΎΡ ΡΠ°Π½ΠΈΡΠ΅Π»ΡΠΌΠΈ, Π·Π°ΡΠΈΡΠ°ΡΡΠΈΠΌΠΈ ΡΠ»Π΅ΠΊΡΡΠΈΡΠ΅ΡΠΊΠΈΠ΅ ΡΠ΅ΠΏΠΈ ΠΌΠΎΡΠ½ΡΡ ΠΏΠΎΡΡΠ΅Π±ΠΈΡΠ΅Π»Π΅ΠΉ (Π²Π΅Π½ΡΠΈΠ»ΡΡΠΎΡ ΡΠ°Π΄ΠΈΠ°ΡΠΎΡΠ°, ΠΏΠ΅ΡΠΊΠΈ, Π±Π»ΠΎΠΊΠ° ΡΠΏΡΠ°Π²Π»Π΅Π½ΠΈΡ ΠΠ‘Π£Π ΠΈ ΠΏΡ.) ΡΠ°ΡΠΏΠΎΠ»ΠΎΠΆΠ΅Π½ Π² ΠΌΠΎΡΠΎΡΠ½ΠΎΠΌ ΠΎΡΡΠ΅ΠΊΠ΅ Π·Π° Π°ΠΊΠΊΡΠΌΡΠ»ΡΡΠΎΡΠ½ΠΎΠΉ Π±Π°ΡΠ°ΡΠ΅Π΅ΠΉ. ΠΡΡΠ³ΠΎΠΉ (Ρ ΠΎΡΡΠ°Π»ΡΠ½ΡΠΌΠΈ ΠΏΡΠ΅Π΄ΠΎΡ ΡΠ°Π½ΠΈΡΠ΅Π»ΡΠΌΠΈ), Ρ ΡΠΎΡΡΠ΅Π²ΠΎΠΉ ΡΡΠΎΡΠΎΠ½Ρ ΠΏΠ°Π½Π΅Π»ΠΈ ΠΏΡΠΈΠ±ΠΎΡΠΎΠ², ΡΠΎ ΡΡΠΎΡΠΎΠ½Ρ Π»Π΅Π²ΠΎΠΉ Π²ΠΎΠ΄ΠΈΡΠ΅Π»ΡΡΠΊΠΎΠΉ Π΄Π²Π΅ΡΠΈ (ΡΠΌ. ΡΠΎΡΠΎ Π²ΡΡΠ΅).
ΠΠ°Π»Π΅Π΅ ΠΏΠΎΠ΄ΡΠΎΠ±Π½ΠΎ ΠΎ Π½Π°Π·Π½Π°ΡΠ΅Π½ΠΈΠΈ ΠΏΡΠ΅Π΄ΠΎΡ ΡΠ°Π½ΠΈΡΠ΅Π»Π΅ΠΉ ΠΈ ΡΠ΅Π»Π΅ ΠΌΠΎΠ½ΡΠ°ΠΆΠ½ΡΡ Π±Π»ΠΎΠΊΠΎΠ² Π°Π²ΡΠΎΠΌΠΎΠ±ΠΈΠ»Ρ Π Π΅Π½ΠΎ ΠΠΎΠ³Π°Π½ Ρ Π΄Π²ΠΈΠ³Π°ΡΠ΅Π»Π΅ΠΌ k7j 1,4 Π» Π±Π΅Π· ΠΊΠΎΠ½Π΄ΠΈΡΠΈΠΎΠ½Π΅ΡΠ°, Π³ΠΈΠ΄ΡΠΎΡΡΠΈΠ»ΠΈΡΠ΅Π»Ρ ΠΈ ΠΠΠ‘.
Π Π΅Π»Π΅ ΠΈ ΠΏΡΠ΅Π΄ΠΎΡ ΡΠ°Π½ΠΈΡΠ΅Π»ΠΈ ΠΌΠΎΠ½ΡΠ°ΠΆΠ½ΠΎΠ³ΠΎ Π±Π»ΠΎΠΊΠ° Π² ΠΌΠΎΡΠΎΡΠ½ΠΎΠΌ ΠΎΡΡΠ΅ΠΊΠ΅
Π Π΅Π»Π΅ ΠΈ ΠΏΡΠ΅Π΄ΠΎΡ ΡΠ°Π½ΠΈΡΠ΅Π»ΠΈ ΠΌΠΎΠ½ΡΠ°ΠΆΠ½ΠΎΠ³ΠΎ Π±Π»ΠΎΠΊΠ° Π Π΅Π½ΠΎ ΠΠΎΠ³Π°Π½, ΠΏΠΎΠ΄ ΠΊΠ°ΠΏΠΎΡΠΎΠΌ (Π² ΠΌΠΎΡΠΎΡΠ½ΠΎΠΌ ΠΎΡΡΠ΅ΠΊΠ΅)Π Π΅Π»Π΅ Π Π΅Π½ΠΎ ΠΠΎΠ³Π°Π½
Π1 β ΡΠ΅Π»Π΅ Π²Π΅Π½ΡΠΈΠ»ΡΡΠΎΡΠ° ΠΎΡΠΎΠΏΠΈΡΠ΅Π»Ρ
Π2 β ΡΠ΅Π»Π΅ Π±ΠΎΠ»ΡΡΠΎΠΉ ΡΠΊΠΎΡΠΎΡΡΠΈ Π²Π΅Π½ΡΠΈΠ»ΡΡΠΎΡΠ° ΡΠΈΡΡΠ΅ΠΌΡ ΠΎΡ Π»Π°ΠΆΠ΄Π΅Π½ΠΈΡ Π½Π° ΡΠ°Π΄ΠΈΠ°ΡΠΎΡΠ΅ (Π½Π΅ ΠΏΡΠ΅Π΄ΡΡΠΌΠΎΡΡΠ΅Π½ΠΎ Π² Π΄Π°Π½Π½ΠΎΠΉ ΠΊΠΎΠΌΠΏΠ»Π΅ΠΊΡΠ°ΡΠΈΠΈ)
Π3 β ΡΠ΅Π»Π΅ Π²Π΅Π½ΡΠΈΠ»ΡΡΠΎΡΠ° ΡΠΈΡΡΠ΅ΠΌΡ ΠΎΡ Π»Π°ΠΆΠ΄Π΅Π½ΠΈΡ, Π½Π° ΡΠ°Π΄ΠΈΠ°ΡΠΎΡΠ΅
Π4 β ΡΠ΅Π»Π΅ ΠΊΠΎΠ½Π΄ΠΈΡΠΈΠΎΠ½Π΅ΡΠ° (Π² Π΄Π°Π½Π½ΠΎΠΉ ΠΊΠΎΠΌΠΏΠ»Π΅ΠΊΡΠ°ΡΠΈΠΈ ΠΎΡΡΡΡΡΡΠ²ΡΠ΅Ρ)
Π5 β ΡΠ΅Π»Π΅ ΡΠΎΠΏΠ»ΠΈΠ²Π½ΠΎΠ³ΠΎ Π½Π°ΡΠΎΡΠ° ΠΈ ΠΊΠ°ΡΡΡΠΊΠΈ Π·Π°ΠΆΠΈΠ³Π°Π½ΠΈΡ (ΠΌΠΎΠ΄ΡΠ»Ρ Π·Π°ΠΆΠΈΠ³Π°Π½ΠΈΡ)
Π6 β Π³Π»Π°Π²Π½ΠΎΠ΅ ΡΠ΅Π»Π΅ ΡΠΈΡΡΠ΅ΠΌΡ ΡΠΏΡΠ°Π²Π»Π΅Π½ΠΈΡ Π΄Π²ΠΈΠ³Π°ΡΠ΅Π»Π΅ΠΌ (ΠΠ‘Π£Π)
Π7 β ΡΠ΅Π»Π΅ Π½Π°ΡΠΎΡΠ° ΠΎΠΌΡΠ²Π°ΡΠ΅Π»Ρ ΡΠ°Ρ (Π² Π΄Π°Π½Π½ΠΎΠΉ ΠΊΠΎΠΌΠΏΠ»Π΅ΠΊΡΠ°ΡΠΈΠΈ ΠΎΡΡΡΡΡΡΠ²ΡΠ΅Ρ)
Π8 β ΡΠ΅Π»Π΅ ΠΏΡΠΎΡΠΈΠ²ΠΎΡΡΠΌΠ°Π½Π½ΡΡ ΡΠ°Ρ
1 β ΡΠΎΠ΅Π΄ΠΈΠ½ΠΈΡΠ΅Π»ΡΠ½Π°Ρ ΠΊΠΎΠ»ΠΎΠ΄ΠΊΠ° ΠΏΡΠΎΠ²ΠΎΠ΄ΠΎΠ²
ΠΡΠ΅Π΄ΠΎΡ ΡΠ°Π½ΠΈΡΠ΅Π»ΠΈ
F01 (60A) β ΡΠ΅ΠΏΠΈ ΡΠ»Π΅ΠΊΡΡΠΎΠΏΠΈΡΠ°Π½ΠΈΡ Π·Π°ΠΌΠΊΠ° Π·Π°ΠΆΠΈΠ³Π°Π½ΠΈΡ ΠΈ ΠΏΠΎΡΡΠ΅Π±ΠΈΡΠ΅Π»Π΅ΠΉ, Π·Π°ΠΏΠΈΡΡΠ²Π°Π΅ΠΌΡΡ ΠΎΡ Π·Π°ΠΌΠΊΠ°; ΠΏΠ΅ΡΠ΅ΠΊΠ»ΡΡΠ°ΡΠ΅Π»Ρ Π½Π°ΡΡΠΆΠ½ΠΎΠ³ΠΎ ΠΎΡΠ²Π΅ΡΠ΅Π½ΠΈΡ
F02 (30A) β ΡΠΈΠ»ΠΎΠ²Π°Ρ ΡΠ΅ΠΏΡ ΡΠ΅Π»Π΅ Π3 Π²Π΅Π½ΡΠΈΠ»ΡΡΠΎΡΠ° ΡΠΈΡΡΠ΅ΠΌΡ ΠΎΡ Π»Π°ΠΆΠ΄Π΅Π½ΠΈΡ
F03 (25Π) β ΡΠΈΠ»ΠΎΠ²ΡΠ΅ ΡΠ΅ΠΏΠΈ: ΡΠ΅Π»Π΅ Π5 ΡΠΎΠΏΠ»ΠΈΠ²Π½ΠΎΠ³ΠΎ Π½Π°ΡΠΎΡΠ° ΠΈ ΠΊΠ°ΡΡΡΠΊΠΈ Π·Π°ΠΆΠΈΠ³Π°Π½ΠΈΡ; Π³Π»Π°Π²Π½ΠΎΠ³ΠΎ ΡΠ΅Π»Π΅ Π6 ΡΠΈΡΡΠ΅ΠΌΡ ΡΠΏΡΠ°Π²Π»Π΅Π½ΠΈΡ Π΄Π²ΠΈΠ³Π°ΡΠ΅Π»Π΅ΠΌ (ΠΠ‘Π£Π)
F04 (5A) β ΡΠ΅ΠΏΠΈ: ΠΏΠΎΡΡΠΎΡΠ½Π½ΠΎΠ³ΠΎ ΠΏΠΈΡΠ°Π½ΠΈΡ Π±Π»ΠΎΠΊΠ° ΡΠΏΡΠ°Π²Π»Π΅Π½ΠΈΡ (ΠΠΠ£) ΡΠΈΡΡΠ΅ΠΌΡ ΡΠΏΡΠ°Π²Π»Π΅Π½ΠΈΡ Π΄Π²ΠΈΠ³Π°ΡΠ΅Π»Π΅ΠΌ; ΠΎΠ±ΠΌΠΎΡΠΊΠΈ Π³Π»Π°Π²Π½ΠΎΠ³ΠΎ ΡΠ΅Π»Π΅ Π6 ΡΠΈΡΡΠ΅ΠΌΡ ΡΠΏΡΠ°Π²Π»Π΅Π½ΠΈΡ Π΄Π²ΠΈΠ³Π°ΡΠ΅Π»Π΅ΠΌ
F05 (15A) β Π½Π΅ ΠΈΡΠΏΠΎΠ»ΡΠ·ΡΠ΅ΡΡΡ
F06 (60A) β ΡΠ΅ΠΏΡ ΡΠ»Π΅ΠΊΡΡΠΎΠΏΠΈΡΠ°Π½ΠΈΡ Π±Π»ΠΎΠΊΠ° ΠΏΡΠ΅Π΄ΠΎΡ ΡΠ°Π½ΠΈΡΠ΅Π»Π΅ΠΉ Π² ΡΠ°Π»ΠΎΠ½Π΅ Π°Π²ΡΠΎΠΌΠΎΠ±ΠΈΠ»Ρ
F07 (40A) β ΡΠΈΠ»ΠΎΠ²ΡΠ΅ ΡΠ΅ΠΏΠΈ: ΡΠ΅Π»Π΅ Π4 ΠΊΠΎΠ½Π΄ΠΈΡΠΈΠΎΠ½Π΅ΡΠ°; ΡΠ΅Π»Π΅ Π3 Π²Π΅Π½ΡΠΈΠ»ΡΡΠΎΡΠ° Π½Π° ΡΠ°Π΄ΠΈΠ°ΡΠΎΡΠ΅; ΡΠ΅Π»Π΅ Π2 Π±ΠΎΠ»ΡΡΠΎΠΉ ΡΠΊΠΎΡΠΎΡΡΠΈ Π²Π΅Π½ΡΠΈΠ»ΡΡΠΎΡΠ° Π½Π° Π°Π²ΡΠΎΠΌΠΎΠ±ΠΈΠ»Π΅ Ρ ΠΊΠΎΠ½Π΄ΠΈΡΠΈΠΎΠ½Π΅ΡΠΎΠΌ (ΠΎΡΡΡΡΡΡΠ²ΡΠ΅Ρ Π² Π΄Π°Π½Π½ΠΎΠΉ ΠΊΠΎΠΌΠΏΠ»Π΅ΠΊΡΠ°ΡΠΈΠΈ)
ΠΡΠ΅Π΄ΠΎΡ ΡΠ°Π½ΠΈΡΠ΅Π»ΠΈ ΠΌΠΎΠ½ΡΠ°ΠΆΠ½ΠΎΠ³ΠΎ Π±Π»ΠΎΠΊΠ° Π² ΡΠ°Π»ΠΎΠ½Π΅ Π°Π²ΡΠΎΠΌΠΎΠ±ΠΈΠ»Ρ
ΠΡΠ΅Π΄ΠΎΡ ΡΠ°Π½ΠΈΡΠ΅Π»ΠΈ Π Π΅Π½ΠΎ ΠΠΎΠ³Π°Π½ Π² ΠΌΠΎΠ½ΡΠ°ΠΆΠ½ΠΎΠΌ Π±Π»ΠΎΠΊΠ΅ (Π² ΡΠ°Π»ΠΎΠ½Π΅ Π°Π²ΡΠΎΠΌΠΎΠ±ΠΈΠ»Ρ)F01 (20A) β ΡΠ΅ΠΏΠΈ ΡΠ΅Π»Π΅ ΠΎΡΠΈΡΡΠΈΡΠ΅Π»Ρ Π²Π΅ΡΡΠΎΠ²ΠΎΠ³ΠΎ ΡΡΠ΅ΠΊΠ»Π°, ΠΎΠ±ΠΌΠΎΡΠΊΠΈ ΡΠ΅Π»Π΅ ΠΎΠ±ΠΎΠ³ΡΠ΅Π²Π° Π·Π°Π΄Π½Π΅Π³ΠΎ ΡΡΠ΅ΠΊΠ»Π°
F02 (5A) β ΡΠ΅ΠΏΠΈ: ΡΠ»Π΅ΠΊΡΡΠΎΠΏΠΈΡΠ°Π½ΠΈΠ΅ ΠΊΠΎΠΌΠ±ΠΈΠ½Π°ΡΠΈΠΈ ΠΏΡΠΈΠ±ΠΎΡΠΎΠ²; ΠΎΠ±ΠΌΠΎΡΠΊΠΈ ΡΠ΅Π»Π΅ Π5 ΡΠΎΠΏΠ»ΠΈΠ²Π½ΠΎΠ³ΠΎ Π½Π°ΡΠΎΡΠ° ΠΈ ΠΊΠ°ΡΡΡΠΊΠΈ Π·Π°ΠΆΠΈΠ³Π°Π½ΠΈΡ; ΡΠ»Π΅ΠΊΡΡΠΎΠΏΠΈΡΠ°Π½ΠΈΡ ΠΠΠ£ ΡΠΈΡΡΠ΅ΠΌΡ ΡΠΏΡΠ°Π²Π»Π΅Π½ΠΈΡ Π΄Π²ΠΈΠ³Π°ΡΠ΅Π»Π΅ΠΌ ΠΎΡ Π·Π°ΠΌΠΊΠ° Π·Π°ΠΆΠΈΠ³Π°Π½ΠΈΡ
F03 (10Π) β ΡΠ΅ΠΏΠΈ: Π»Π°ΠΌΠΏ ΡΠΈΠ³Π½Π°Π»ΠΎΠ² ΡΠΎΡΠΌΠΎΠΆΠ΅Π½ΠΈΡ; Π»Π°ΠΌΠΏΡ ΡΠ²Π΅ΡΠ° Π·Π°Π΄Π½Π΅Π³ΠΎ Ρ ΠΎΠ΄Π°; ΠΎΠΌΡΠ²Π°ΡΠ΅Π»Ρ Π²Π΅ΡΡΠΎΠ²ΠΎΠ³ΠΎ ΡΡΠ΅ΠΊΠ»Π°
F04 (10A) β ΡΠ΅ΠΏΠΈ: Π±Π»ΠΎΠΊΠ° ΡΠΏΡΠ°Π²Π»Π΅Π½ΠΈΡ ΠΏΠΎΠ΄ΡΡΠΊΠ°ΠΌΠΈ Π±Π΅Π·ΠΎΠΏΠ°ΡΠ½ΠΎΡΡΠΈ; Π»Π°ΠΌΠΏ ΡΠΊΠ°Π·Π°ΡΠ΅Π»Π΅ΠΉ ΠΏΠΎΠ²ΠΎΡΠΎΡΠ°; Π΄ΠΈΠ°Π³Π½ΠΎΡΡΠΈΡΠ΅ΡΠΊΠΎΠ³ΠΎ ΡΠ°Π·ΡΠ΅ΠΌΠ° ΠΠ‘Π£Π; ΠΊΠ°ΡΡΡΠΊΠΈ ΠΈΠΌΠΌΠΎΠ±ΠΈΠ»Π°ΠΉΠ·Π΅ΡΠ°
F09 (10A) β Π¦Π΅ΠΏΠΈ: Π±Π»ΠΈΠΆΠ½ΠΈΠΉ ΡΠ²Π΅Ρ Π»Π΅Π²ΠΎΠΉ Π±Π»ΠΎΠΊ-ΡΠ°ΡΡ; ΡΠΈΠ³Π½Π°Π»ΠΈΠ·Π°ΡΠΎΡ Π²ΠΊΠ»ΡΡΠ΅Π½ΠΈΡ Π±Π»ΠΈΠΆΠ½Π΅Π³ΠΎ ΡΠ²Π΅ΡΠ° Π² ΠΏΠ°Π½Π΅Π»ΠΈ ΠΏΡΠΈΠ±ΠΎΡΠΎΠ²; Π½Π°ΡΠΎΡ ΠΎΠΌΡΠ²Π°ΡΠ΅Π»Ρ ΡΠ°Ρ
F10 (10A) β Π±Π»ΠΈΠΆΠ½ΠΈΠΉ ΡΠ²Π΅Ρ ΠΏΡΠ°Π²ΠΎΠΉ Π±Π»ΠΎΠΊ-ΡΠ°ΡΡ
F11 (10A) β ΡΠ΅ΠΏΠΈ: Π΄Π°Π»ΡΠ½ΠΈΠΉ ΡΠ²Π΅Ρ Π»Π΅Π²ΠΎΠΉ Π±Π»ΠΎΠΊ-ΡΠ°ΡΡ; ΡΠΈΠ³Π½Π°Π»ΠΈΠ·Π°ΡΠΎΡ Π²ΠΊΠ»ΡΡΠ΅Π½ΠΈΡ Π΄Π°Π»ΡΠ½Π΅Π³ΠΎ ΡΠ²Π΅ΡΠ° Π² ΠΏΠ°Π½Π΅Π»ΠΈ ΠΏΡΠΈΠ±ΠΎΡΠΎΠ²
F12 (10A) β Π΄Π°Π»ΡΠ½ΠΈΠΉ ΡΠ²Π΅Ρ ΠΏΡΠ°Π²ΠΎΠΉ Π±Π»ΠΎΠΊ-ΡΠ°ΡΡ
F14 (30A) β ΡΠ»Π΅ΠΊΡΡΠΎΡΡΠ΅ΠΊΠ»ΠΎΠΏΠΎΠ΄ΡΠ΅ΠΌΠ½ΠΈΠΊΠΈ ΠΏΠ΅ΡΠ΅Π΄Π½ΠΈΡ Π΄Π²Π΅ΡΠ΅ΠΉ (Π½Π΅Ρ Π² Π΄Π°Π½Π½ΠΎΠΉ ΠΊΠΎΠΌΠΏΠ»Π΅ΠΊΡΠ°ΡΠΈΠΈ)
F17 (15A) β ΡΠ΅ΠΏΡ Π·Π²ΡΠΊΠΎΠ²ΡΡ ΡΠΈΠ³Π½Π°Π»ΠΎΠ²
F18 (10A) β ΡΠ΅ΠΏΠΈ: Π»Π°ΠΌΠΏΠ° Π³Π°Π±Π°ΡΠΈΡΠ½ΠΎΠ³ΠΎ ΡΠ²Π΅ΡΠ° Π»Π΅Π²ΠΎΠΉ Π±Π»ΠΎΠΊ-ΡΠ°ΡΡ; Π³Π°Π±Π°ΡΠΈΡ Π»Π΅Π²ΠΎΠ³ΠΎ-Π·Π°Π΄Π½Π΅Π³ΠΎ ΡΠΎΠ½Π°ΡΡ; Π»Π°ΠΌΠΏΠ° ΠΎΡΠ²Π΅ΡΠ΅Π½ΠΈΡ Π½ΠΎΠΌΠ΅ΡΠ½ΠΎΠ³ΠΎ Π·Π½Π°ΠΊΠ°; ΠΏΠΎΠ΄ΡΠ²Π΅ΡΠΊΠ° ΠΊΠΎΠΌΠ±ΠΈΠ½Π°ΡΠΈΠΈ ΠΏΡΠΈΠ±ΠΎΡΠΎΠ² ΠΈ ΠΎΡΠ³Π°Π½ΠΎΠ² ΡΠΏΡΠ°Π²Π»Π΅Π½ΠΈΡ; Π·ΡΠΌΠΌΠ΅Ρ ΠΊΠΎΠΌΠΌΡΡΠ°ΡΠΈΠΎΠ½Π½ΠΎΠ³ΠΎ Π±Π»ΠΎΠΊΠ°
F19 (10A) β ΡΠ΅ΠΏΠΈ: Π³Π°Π±Π°ΡΠΈΡ ΠΏΡΠ°Π²ΠΎΠΉ Π±Π»ΠΎΠΊ-ΡΠ°ΡΡ, Π³Π°Π±Π°ΡΠΈΡ ΠΏΡΠ°Π²ΠΎΠ³ΠΎ Π·Π°Π΄Π½Π΅Π³ΠΎ ΡΠΎΠ½Π°ΡΡ; Π»Π°ΠΌΠΏΠ° ΠΏΠ»Π°ΡΠΎΠ½Π° ΠΎΡΠ²Π΅ΡΠ΅Π½ΠΈΡ Π²Π΅ΡΠ΅Π²ΠΎΠ³ΠΎ ΡΡΠΈΠΊΠ°
F20 (10A) β Π»Π°ΠΌΠΏΡ Π²ΠΊΠ»ΡΡΠ΅Π½ΠΈΡ ΠΏΡΠΎΡΠΈΠ²ΠΎΡΡΠΌΠ°Π½Π½ΠΎΠ³ΠΎ ΡΠ²Π΅ΡΠ° Π² Π·Π°Π΄Π½ΠΈΡ ΡΠΎΠ½Π°ΡΡΡ ; ΡΠΈΠ³Π½Π°Π»ΠΈΠ·Π°ΡΠΎΡ Π²ΠΊΠ»ΡΡΠ΅Π½ΠΈΡ Π·Π°Π΄Π½Π΅Π³ΠΎ ΠΏΡΠΎΡΠΈΠ²ΠΎΡΡΠΌΠ°Π½Π½ΠΎΠ³ΠΎ ΡΠ²Π΅ΡΠ° Π² ΠΏΠ°Π½Π΅Π»ΠΈ ΠΏΡΠΈΠ±ΠΎΡΠΎΠ²
F26
F27
F28 (15A) β ΡΠ΅ΠΏΠΈ: Π»Π°ΠΌΠΏΠ° ΠΎΡΠ²Π΅ΡΠ΅Π½ΠΈΡ ΡΠ°Π»ΠΎΠ½Π°; Π»Π°ΠΌΠΏΠ° ΠΏΠ»Π°ΡΠΎΠ½Π° ΠΎΡΠ²Π΅ΡΠ΅Π½ΠΈΡ Π±Π°Π³Π°ΠΆΠ½ΠΈΠΊΠ°; ΠΏΠΈΡΠ°Π½ΠΈΠ΅ ΠΌΠ°Π³Π½ΠΈΡΠΎΠ»Ρ
F29 (15A) β ΡΠ΅ΠΏΠΈ: Π°Π²Π°ΡΠΈΠΉΠΊΠ°; ΠΏΠ΅ΡΠ΅ΠΊΠ»ΡΡΠ°ΡΠ΅Π»ΠΈ ΡΠΊΠ°Π·Π°ΡΠ΅Π»Π΅ΠΉ ΠΏΠΎΠ²ΠΎΡΠΎΡΠ°; ΠΏΡΠ΅ΡΡΠ²ΠΈΡΡΡΠΉ ΡΠ΅ΠΆΠΈΠΌ ΡΠ°Π±ΠΎΡΡ ΡΡΠ΅ΠΊΠ»ΠΎΠΎΡΠΈΡΡΠΈΡΠ΅Π»Π΅ΠΉ; ΡΠ΅Π½ΡΡΠ°Π»ΡΠ½ΡΠΉ Π·Π°ΠΌΠΎΠΊ; Π΄ΠΈΠ°Π³Π½ΠΎΡΡΠΈΡΠ΅ΡΠΊΠΈΠΉ ΡΠ°Π·ΡΠ΅ΠΌ ΠΠ‘Π£Π
F30 (20A) β ΡΠΈΠ»ΠΎΠ²Π°Ρ ΡΠ΅ΠΏΡ ΡΠ΅Π½ΡΡΠ°Π»ΡΠ½ΠΎΠ³ΠΎ Π·Π°ΠΌΠΊΠ°
F31 (15A) β ΡΠ΅ΠΏΡ ΠΎΠ±ΠΌΠΎΡΠΊΠΈ ΡΠ΅Π»Π΅ Π8 ΠΏΡΠΎΡΠΈΠ²ΠΎΡΡΠΌΠ°Π½Π½ΡΡ ΡΠ°Ρ
F32 (30Π) β ΡΠΈΠ»ΠΎΠ²Π°Ρ ΡΠ΅ΠΏΡ ΡΠ΅Π»Π΅ ΠΎΠ±ΠΎΠ³ΡΠ΅Π²Π° Π·Π°Π΄Π½Π΅Π³ΠΎ ΡΡΠ΅ΠΊΠ»Π°
F36 (30A) β ΡΠΈΠ»ΠΎΠ²Π°Ρ ΡΠ΅ΠΏΡ ΡΠ΅Π»Π΅ Π1 Π²Π΅Π½ΡΠΈΠ»ΡΡΠΎΡΠ° ΠΎΡΠΎΠΏΠΈΡΠ΅Π»Ρ
F38 (10A) β ΡΠ΅ΠΏΠΈ: ΠΏΡΠΈΠΊΡΡΠΈΠ²Π°ΡΠ΅Π»Ρ; ΡΠ»Π΅ΠΊΡΡΠΎΠΏΠΈΡΠ°Π½ΠΈΠ΅ ΠΎΡ Π·Π°ΠΌΠΊΠ° Π·Π°ΠΆΠΈΠ³Π°Π½ΠΈΡ ΠΌΠ°Π³Π½ΠΈΡΠΎΠ»Ρ
F39 (30A) β ΡΠ΅ΠΏΡ ΠΎΠ±ΠΌΠΎΡΠΊΠΈ ΡΠ΅Π»Π΅ Π1 ΡΠ»Π΅ΠΊΡΡΠΎΠ²Π΅Π½ΡΠΈΠ»ΡΡΠΎΡΠ° ΠΎΡΠΎΠΏΠΈΡΠ΅Π»Ρ
ΠΠ° ΠΊΡΡΡΠΊΠ΅ Π±Π»ΠΎΠΊΠ° Π² ΡΠ°Π»ΠΎΠ½Π΅ Π°Π²ΡΠΎΠΌΠΎΠ±ΠΈΠ»Ρ ΠΈΠ·ΠΎΠ±ΡΠ°ΠΆΠ΅Π½Π° ΡΡ
Π΅ΠΌΠ° ΡΠ°ΡΠΏΠΎΠ»ΠΎΠΆΠ΅Π½ΠΈΡ ΠΏΡΠ΅Π΄ΠΎΡ
ΡΠ°Π½ΠΈΡΠ΅Π»Π΅ΠΉ.
ΠΡΠΈΠΌΠ΅ΡΠ°Π½ΠΈΡ ΠΈ Π΄ΠΎΠΏΠΎΠ»Π½Π΅Π½ΠΈΡ
β Π Π·Π°Π²ΠΈΡΠΈΠΌΠΎΡΡΠΈ ΠΎΡ ΠΏΠΎΠ»Π½ΠΎΡΡ ΠΊΠΎΠΌΠΏΠ»Π΅ΠΊΡΠ°ΡΠΈΠΈ Π°Π²ΡΠΎΠΌΠΎΠ±ΠΈΠ»Ρ Π Π΅Π½ΠΎ ΠΠΎΠ³Π°Π½ ΠΊΠΎΠ»ΠΈΡΠ΅ΡΡΠ²ΠΎ ΠΏΡΠ΅Π΄ΠΎΡ ΡΠ°Π½ΠΈΡΠ΅Π»Π΅ΠΉ ΠΈ ΡΠ΅Π»Π΅ Π² ΠΌΠΎΠ½ΡΠ°ΠΆΠ½ΡΡ Π±Π»ΠΎΠΊΠ°Ρ ΡΠ²Π΅Π»ΠΈΡΠΈΠ²Π°Π΅ΡΡΡ ΠΈΠ»ΠΈ ΡΠΌΠ΅Π½ΡΡΠ°Π΅ΡΡΡ.
β Π Π΅Π»Π΅ ΠΎΠ±ΠΎΠ³ΡΠ΅Π²Π° Π·Π°Π΄Π½Π΅Π³ΠΎ ΡΡΠ΅ΠΊΠ»Π° ΡΠ°ΡΠΏΠΎΠ»ΠΎΠΆΠ΅Π½ΠΎ Π½Π΅ Π² ΠΌΠΎΠ½ΡΠ°ΠΆΠ½ΠΎΠΌ Π±Π»ΠΎΠΊΠ΅, Π° ΠΏΠΎΠ΄ ΠΏΠ°Π½Π΅Π»ΡΡ ΠΏΡΠΈΠ±ΠΎΡΠΎΠ², Π²ΠΎΠ·Π»Π΅ ΡΡΠ»Π΅Π²ΠΎΠΉ ΠΊΠΎΠ»ΠΎΠ½ΠΊΠΈ.
ΠΡΠ΅ ΡΡΠ°ΡΡΠΈ ΠΏΠΎ ΡΠ»Π΅ΠΊΡΡΠΎΠΎΠ±ΠΎΡΡΠ΄ΠΎΠ²Π°Π½ΠΈΡ Π°Π²ΡΠΎΠΌΠΎΠ±ΠΈΠ»Ρ Π Π΅Π½ΠΎ ΠΠΎΠ³Π°Π½ Ρ Π΄Π²ΠΈΠ³Π°ΡΠ΅Π»Π΅ΠΌ k7j 1.4 Π»
β Π‘Ρ Π΅ΠΌΠ° ΠΏΠΎΠ΄ΠΊΠ»ΡΡΠ΅Π½ΠΈΡ Π±Π΅Π½Π·ΠΎΠ½Π°ΡΠΎΡΠ° Π Π΅Π½ΠΎ ΠΠΎΠ³Π°Π½
β ΠΠ°ΠΊ ΡΠ½ΡΡΡ Π³Π΅Π½Π΅ΡΠ°ΡΠΎΡ Ρ ΠΠΎΠ³Π°Π½Π°?
β Π‘Ρ Π΅ΠΌΠ° ΠΏΠΎΠ΄ΠΊΠ»ΡΡΠ΅Π½ΠΈΡ ΡΠ²Π΅ΡΠ° Π·Π°Π΄Π½Π΅Π³ΠΎ Ρ ΠΎΠ΄Π° Π½Π° ΠΠΎΠ³Π°Π½ 1
β Π‘Ρ Π΅ΠΌΠ° ΠΏΠΎΠ΄ΠΊΠ»ΡΡΠ΅Π½ΠΈΡ Π±Π»ΠΈΠΆΠ½Π΅Π³ΠΎ ΡΠ²Π΅ΡΠ° ΡΠ°Ρ Π Π΅Π½ΠΎ ΠΠΎΠ³Π°Π½ ΠΏΠ΅ΡΠ²ΠΎΠ³ΠΎ ΠΏΠΎΠΊΠΎΠ»Π΅Π½ΠΈΡ
β Π Π΅ΠΌΠΎΠ½Ρ ΡΠ»Π΅ΠΉΡΠ° ΠΏΠΎΠ΄ΡΡΠΊΠΈ Π±Π΅Π·ΠΎΠΏΠ°ΡΠ½ΠΎΡΡΠΈ Π Π΅Π½ΠΎ ΠΠΎΠ³Π°Π½
β ΠΡΠΎΠ²Π΅ΡΠΊΠ° ΠΌΠΎΠ΄ΡΠ»Ρ Π·Π°ΠΆΠΈΠ³Π°Π½ΠΈΡ Π°Π²ΡΠΎΠΌΠΎΠ±ΠΈΠ»Ρ Π Π΅Π½ΠΎ ΠΠΎΠ³Π°Π½ 1,4
β ΠΠ°ΠΌΠ΅Π½Π° ΡΠ΅ΠΌΠ½Ρ Π³Π΅Π½Π΅ΡΠ°ΡΠΎΡΠ° Π½Π° Π°Π²ΡΠΎΠΌΠΎΠ±ΠΈΠ»Π΅ Π Π΅Π½ΠΎ ΠΠΎΠ³Π°Π½ 1,4 Π±Π΅Π· ΡΡΠΈΠ»ΠΈΡΠ΅Π»Ρ ΡΡΠ»Ρ ΠΈ ΠΊΠΎΠ½Π΄ΠΈΡΠΈΠΎΠ½Π΅ΡΠ°
β Π‘Ρ Π΅ΠΌΠ° ΠΏΠΎΠ΄ΠΊΠ»ΡΡΠ΅Π½ΠΈΡ Π»Π°ΠΌΠΏΡ-ΡΠΈΠ³Π½Π°Π»ΠΈΠ·Π°ΡΠΎΡΠ° Π½Π΅ΠΈΡΠΏΡΠ°Π²Π½ΠΎΡΡΠΈ ΡΠΎΡΠΌΠΎΠ·Π½ΠΎΠΉ ΡΠΈΡΡΠ΅ΠΌΡ Π°Π²ΡΠΎΠΌΠΎΠ±ΠΈΠ»Ρ Π Π΅Π½ΠΎ ΠΠΎΠ³Π°Π½ 1.4
|
| ||
| |||
| |||
| |||
| |||
| |||
| |||
| |||
| |||
| |||
| |||
| |||
| |||
| |||
| |||
| |||
| |||
| |||
| |||
|
ΠΠ»ΠΎΠΊΠΈ ΡΠ΅Π»Π΅
- ΠΡΠΏΠΎΠ»ΡΠ·ΠΎΠ²Π°Π½ΠΈΠ΅
ΠΠΠΠΠ ΡΠ΅ΡΠΈΠΈ Pro ΠΏΠΎΠ΄Π΄Π΅ΡΠΆΠΈΠ²Π°ΡΡ 2 ΡΠΈΠΏΠ° ΡΠ΅Π»Π΅ΠΉΠ½ΡΡ Π±Π»ΠΎΠΊΠΎΠ²:
Β — ΠΡΡΡΠ°-823 ΠΎΠ±Π΅ΡΠΏΠ΅ΡΠΈΠ²Π°ΡΡ ΠΊΠΎΠ½ΡΡΠΎΠ»Ρ ΡΠ΅Π»ΠΎΡΡΠ½ΠΎΡΡΠΈ ΡΠΏΡΠ°Π²Π»ΡΠ΅ΠΌΡΡ ΡΠ΅ΠΏΠ΅ΠΉ (2 Π²ΡΡ ΠΎΠ΄Π°) ΠΈ ΠΏΠ΅ΡΠ΅ΠΊΠ»ΡΡΠ΅Π½ΠΈΠ΅ ΠΏΠ΅ΡΠ΅ΠΊΠΈΠ΄Π½ΡΠΌ ΠΊΠΎΠ½ΡΠ°ΠΊΡΠΎΠΌ Π²ΡΡΠΎΠΊΠΎΠ²ΠΎΠ»ΡΡΠ½ΡΡ ΡΠ΅ΠΏΠ΅ΠΉ (AC/DC 250 V) Π±Π΅Π· ΠΊΠΎΠ½ΡΡΠΎΠ»Ρ ΡΠ΅Π»ΠΎΡΡΠ½ΠΎΡΡΠΈ (2 Π²ΡΡ ΠΎΠ΄Π°)
Β — ΠΡΡΡΠ°-824 ΠΎΠ±Π΅ΡΠΏΠ΅ΡΠΈΠ²Π°ΡΡ ΠΊΠΎΠΌΠΌΡΡΠ°ΡΠΈΡ Π»ΡΠ±ΡΡ ΡΠΈΠ³Π½Π°Π»ΡΠ½ΡΡ (100 V / 100 ΠΌΠ) ΡΠ΅ΠΏΠ΅ΠΉ ΡΠΏΡΠ°Π²Π»Π΅Π½ΠΈΡ (8 Π²ΡΡ ΠΎΠ΄ΠΎΠ²)
Β
ΠΡΡΡΠ°-823 | ΠΡΡΡΠ°-824 |
- ΠΠΎΠ½ΡΡΡΡΠΊΡΠΈΡ Π±Π»ΠΎΠΊΠ° ΡΠ΅Π»Π΅ ΠΡΡΡΠ°-823
Β
- ΠΠΎΠ½ΡΡΡΡΠΊΡΠΈΡ Π±Π»ΠΎΠΊΠ° ΡΠ΅Π»Π΅ ΠΡΡΡΠ°-824
Β
- ΠΠ±Π΅ΡΠΏΠ΅ΡΠ΅Π½ΠΈΠ΅ ΡΠ»Π΅ΠΊΡΡΠΎΠΏΠΈΡΠ°Π½ΠΈΠ΅ΠΌ
ΠΠ»ΠΎΠΊ ΡΠ΅Π»Π΅ ΠΡΡΡΠ°-823 ΠΏΠΈΡΠ°Π΅ΡΡΡ ΠΎΡ ΠΎΠ΄Π½ΠΎΠ³ΠΎ ΠΈΡΡΠΎΡΠ½ΠΈΠΊΠ° ΠΏΠΎΡΡΠΎΡΠ½Π½ΠΎΠ³ΠΎ ΡΠΎΠΊΠ° Π² ΡΠ²ΡΠ·ΠΈ Ρ ΡΠ΅ΠΌ, ΡΡΠΎ Π±ΡΠ» ΡΠ°Π·ΡΠ°Π±ΠΎΡΠ°Π½ ΡΠ°Π½Π΅Π΅ ΡΡΠΎΠΊΠ° Π²Π²Π΅Π΄Π΅Π½ΠΈΡΒ ΡΡΠ΅Π±ΠΎΠ²Π°Π½ΠΈΡ Π½ΠΎΡΠΌΠ°ΡΠΈΠ²Π½ΠΎΠΉ Π΄ΠΎΠΊΡΠΌΠ΅Π½ΡΠ°ΡΠΈΠΈ (ΠΠΠ‘Π’ Π 53325-2009) ΠΎ ΠΏΠΈΡΠ°Π½ΠΈΠΈ ΠΎΡ Π΄Π²ΡΡ
ΡΠ΅ΠΏΠ΅ΠΉ ΠΏΠΈΡΠ°Π½ΠΈΡ.
ΠΠ½ΠΈΠΌΠ°Π½ΠΈΠ΅!
Π ΠΎΡΠ»ΠΈΡΠΈΠ΅ ΠΎΡ ΡΠ°Π΄ΠΈΠΎΡΠ°ΡΡΠΈΡΠΈΡΠ΅Π»Π΅ΠΉ, ΠΏΡΠ»ΡΡΠΎΠ² ΠΊΠΎΠ½ΡΡΠΎΠ»Ρ ΠΈ Π±Π»ΠΎΠΊΠΎΠ² ΠΈΠ½Π΄ΠΈΠΊΠ°ΡΠΈΠΈ Π½Π°ΠΏΡΡΠΆΠ΅Π½ΠΈΠ΅ ΠΏΠΈΡΠ°Π½ΠΈΡ Π½Π°Ρ ΠΎΠ΄ΠΈΡΡΡ Π² Π΄ΠΈΠ°ΠΏΠ°Π·ΠΎΠ½Π΅ ΠΎΡ 10,5 Π΄ΠΎ 15,5 V !
Π’ΠΎΠΊ ΠΏΠΎΡΡΠ΅Π±Π»Π΅Π½ΠΈΡ Π·Π°Π²ΠΈΡΠΈΡ ΠΎΡ ΠΊΠΎΠ»ΠΈΡΠ΅ΡΡΠ²Π° Π²ΠΊΠ»ΡΡΠ΅Π½Π½ΡΡ ΡΠ΅Π»Π΅, Π½ΠΎ Π½Π΅ ΠΏΡΠ΅Π²ΡΡΠ°Π΅ΡΒ 220 ΠΌΠ.
Β
ΠΠ»ΠΎΠΊ ΡΠ΅Π»Π΅ ΠΡΡΡΠ°-824 ΠΏΠΈΡΠ°Π΅ΡΡΡ ΠΎΡ Π΄Π²ΡΡ ΠΈΡΡΠΎΡΠ½ΠΈΠΊΠΎΠ² ΠΏΠΎΡΡΠΎΡΠ½Π½ΠΎΠ³ΠΎ ΡΠΎΠΊΠ° (DC) Π½Π°ΠΏΡΡΠΆΠ΅Π½ΠΈΠ΅ΠΌ Π² Π΄ΠΈΠ°ΠΏΠ°Π·ΠΎΠ½Π΅ ΠΎΡ 10 Π΄ΠΎ 27 V. ΠΡΠΏΠΎΠ»ΡΠ·ΠΎΠ²Π°Π½ΠΈΠ΅ Π΄Π²ΡΡ ΠΈΡΡΠΎΡΠ½ΠΈΠΊΠΎΠ² ΠΏΡΠ΅Π΄ΡΡΠΌΠΎΡΡΠ΅Π½ΠΎ Π² ΡΠΎΠΎΡΠ²Π΅ΡΡΡΠ²ΠΈΠΈ Ρ ΡΡΠ΅Π±ΠΎΠ²Π°Π½ΠΈΡΠΌΠΈ Π½ΠΎΡΠΌΠ°ΡΠΈΠ²Π½ΠΎΠΉ Π΄ΠΎΠΊΡΠΌΠ΅Π½ΡΠ°ΡΠΈΠΈ (ΠΠΠ‘Π’ Π 53325-2009).
ΠΡ ΠΎΠ΄Ρ ΠΏΠΈΡΠ°Π½ΠΈΡ ΡΠ°Π²Π½ΠΎΠΏΡΠ°Π²Π½Ρ, Π½ΠΎ ΡΠ΅Π°Π»ΡΠ½ΠΎΠ΅ ΠΏΠΈΡΠ°Π½ΠΈΠ΅ Π±ΡΠ΄Π΅Ρ ΠΎΡΡΡΠ΅ΡΡΠ²Π»ΡΡΡΡΡ ΠΎΡ ΡΠΎΠ³ΠΎ ΠΈΡΡΠΎΡΠ½ΠΈΠΊΠ°, ΡΡΠ΅ Π½Π°ΠΏΡΡΠΆΠ΅Π½ΠΈΠ΅ Π²ΡΡΠ΅.
Π ΡΠ»ΡΡΠ°Π΅ ΠΈΡΠΏΠΎΠ»ΡΠ·ΠΎΠ²Π°Π½ΠΈΡ ΠΎΠ΄Π½ΠΎΠ³ΠΎ ΡΠ΅Π·Π΅ΡΠ²ΠΈΡΠΎΠ²Π°Π½Π½ΠΎΠ³ΠΎ ΠΈΡΡΠΎΡΠ½ΠΈΠΊΠ° ΠΏΠΈΡΠ°Π½ΠΈΡ ΠΊΠ»Π΅ΠΌΠΌΡ ΠΏΠΈΡΠ°Π½ΠΈΡ U1 ΠΈ U2 Π΄ΠΎΠΏΡΡΠΊΠ°Π΅ΡΡΡ Π·Π°ΠΌΠΊΠ½ΡΡΡ.
ΠΠ°ΠΊΡΠΈΠΌΠ°Π»ΡΠ½ΡΠΉ ΡΠΎΠΊ ΠΏΠΎΡΡΠ΅Π±Π»Π΅Π½ΠΈΡ ΠΏΡΠΈ Π½Π°ΠΏΡΡΠΆΠ΅Π½ΠΈΠΈ 12 V ΠΌΠΎΠΆΠ΅Ρ Π΄ΠΎΡΡΠΈΠ³Π°ΡΡ 35 ΠΌΠ.
ΠΡΠΈ Π½Π°ΠΏΡΡΠΆΠ΅Π½ΠΈΠΈ ΠΏΠΈΡΠ°Π½ΠΈΡ 24 V ΡΠΎΠΊ ΡΠΌΠ΅Π½ΡΡΠ°Π΅ΡΡΡ.
Π ΡΠΎΠΎΡΠ²Π΅ΡΡΡΠ²ΠΈΠΈ Ρ ΡΡΠ΅Π±ΠΎΠ²Π°Π½ΠΈΡΠΌΠΈ Π½ΠΎΡΠΌΠ°ΡΠΈΠ²Π½ΠΎΠΉ Π΄ΠΎΠΊΡΠΌΠ΅Π½ΡΠ°ΡΠΈΠΈ (ΠΠΠ‘Π’ Π 53325-2009) ΡΠΏΠ΅ΡΠΈΠ°Π»ΡΠ½ΡΠΉ Π²Ρ
ΠΎΠ΄ Zone Ρ ΡΠΎΠΊΠΎΠ²ΡΠΌ ΠΊΠΎΠ½ΡΡΠΎΠ»Π΅ΠΌ ΠΏΡΠ΅Π΄Π½Π°Π·Π½Π°ΡΠ΅Π½ Π΄Π»Ρ ΠΊΠΎΠ½ΡΡΠΎΠ»Ρ ΠΈΡΠΏΡΠ°Π²Π½ΠΎΡΡΠΈ ΠΈΡΡΠΎΡΠ½ΠΈΠΊΠΎΠ² ΠΏΠΈΡΠ°Π½ΠΈΡ, ΡΠΎΠΎΡΠ²Π΅ΡΡΡΠ²Π΅Π½Π½ΠΎ ΠΏΡΠΈΠΌΠ΅Π½ΡΠ΅ΠΌΡΠ΅ ΠΈΡΡΠΎΡΠ½ΠΈΠΊΠΈ Π΄ΠΎΠ»ΠΆΠ½Ρ ΠΈΠΌΠ΅ΡΡ ΡΠ΅Π»Π΅ΠΉΠ½ΡΠ΅ Π²ΡΡ
ΠΎΠ΄Ρ ΠΊΠΎΠ½ΡΡΠΎΠ»Ρ.
ΠΠΎΠ½ΡΡΠΎΠ»Ρ ΠΏΡΠΎΠΈΠ·Π²ΠΎΠ΄ΠΈΡΡΡ ΠΏΠΎ Π»ΠΎΠ³ΠΈΠΊΠ΅:
Β — Π΄Π»Ρ ΡΠΎΡΡΠΎΡΠ½ΠΈΡ «ΠΡΠΏΡΠ°Π²Π΅Π½»=>Π²Ρ ΠΎΠ΄ Π΄ΠΎΠ»ΠΆΠ΅Π½ Π±ΡΡΡ Π·Π°ΠΌΠΊΠ½ΡΡ Π½Π° ΡΠ΅Π·ΠΈΡΡΠΎΡ 3,9 ΠΊΠΠΌ
Β — Π΄Π»Ρ ΡΠΎΡΡΠΎΡΠ½ΠΈΡ «ΠΠ΅ΠΈΡΠΏΡΠ°Π²Π΅Π½»=>Π²Ρ ΠΎΠ΄ Π΄ΠΎΠ»ΠΆΠ΅Π½ Π±ΡΡΡ Π»ΠΈΠ±ΠΎ ΠΊΠΎΡΠΎΡΠΊΠΎ Π·Π°ΠΌΠΊΠ½ΡΡ, Π»ΠΈΠ±ΠΎ «ΠΎΠ±ΠΎΡΠ²Π°Π½».
ΠΡΠΈ ΠΏΡΠΈΠΌΠ΅Π½Π΅Π½ΠΈΠΈ Π΄Π²ΡΡ ΠΈΡΡΠΎΡΠ½ΠΈΠΊΠΎΠ² ΠΏΠΈΡΠ°Π½ΠΈΡ ΠΎΠ±Π° ΠΈΡ Π²ΡΡ ΠΎΠ΄Π° Π΄ΠΎΠ»ΠΆΠ½Ρ Π±ΡΡΡ Π²ΠΊΠ»ΡΡΠ΅Π½Ρ ΠΊ Π²Ρ ΠΎΠ΄Ρ Zone.
Π ΡΠ»ΡΡΠ°Π΅, Π΅ΡΠ»ΠΈ ΠΈΡΡΠΎΡΠ½ΠΈΠΊΠΈ Π½Π΅ ΠΈΠΌΠ΅ΡΡ ΡΠ΅Π»Π΅ΠΉΠ½ΡΡ Π²ΡΡ ΠΎΠ΄ΠΎΠ², Π²Ρ ΠΎΠ΄ ΠΊΠΎΠ½ΡΡΠΎΠ»Ρ Zone Π΄ΠΎΠ»ΠΆΠ΅Π½ Π±ΡΡΡ Π·Π°ΠΌΠΊΠ½ΡΡ Π½Π° ΡΠ΅Π·ΠΈΡΡΠΎΡ ΠΏΠΎΡΡΠΎΡΠ½Π½ΠΎ Π΄Π»Ρ ΠΈΡΠΊΠ»ΡΡΠ΅Π½ΠΈΡ ΠΏΠΎΡΠ²Π»Π΅Π½ΠΈΡ ΠΈΠ·Π²Π΅ΡΠ΅Π½ΠΈΡ «Π½Π΅ΠΈΡΠΏΡΠ°Π²Π½ΠΎΡΡΡ ΠΏΠΈΡΠ°Π½ΠΈΡ» (ΠΈΠ»ΠΈ «ΠΠ‘Π») Ρ ΠΠΠΠΠ .
- ΠΠ°ΡΠ°ΠΌΠ΅ΡΡΡ Π²ΡΡ
ΠΎΠ΄ΠΎΠ²
ΠΠ»ΠΎΠΊ ΡΠ΅Π»Π΅ ΠΡΡΡΠ°-823 ΠΈΠΌΠ΅Π΅Ρ 2 ΡΠ΅Π»Π΅ΠΉΠ½ΡΡ Π²ΡΡ ΠΎΠ΄Π° (ΡΠ΅Π»Π΅ Π1, Π2) Ρ ΠΊΠΎΠ½ΡΡΠΎΠ»Π΅ΠΌ ΡΠ΅Π»ΠΎΡΡΠ½ΠΎΡΡΠΈ ΡΠ΅ΠΏΠ΅ΠΉ ΡΠΏΡΠ°Π²Π»Π΅Π½ΠΈΡ ΠΈ 2 ΡΠ΅Π»Π΅ΠΉΠ½ΡΡ ΠΏΠ΅ΡΠ΅ΠΊΠ»ΡΡΠ°Π΅ΠΌΡΡ Π²ΡΡ ΠΎΠ΄Π° (ΡΠ΅Π»Π΅ Π3, Π4).
ΠΠΎΠ½ΡΡΠΎΠ»Ρ ΡΠ΅Π»ΠΎΡΡΠ½ΠΎΡΡΠΈ ΡΠ΅ΠΏΠΈ ΠΏΡΠΈ Π·Π°ΠΌΠΊΠ½ΡΡΠΎΠΌ ΡΠΎΡΡΠΎΡΠ½ΠΈΠΈ ΡΠ΅Π»Π΅ ΠΎΡΠ½ΠΎΠ²Π°Π½ Π½Π° ΠΈΠ·ΠΌΠ΅ΡΠ΅Π½ΠΈΠΈ ΠΏΠ°Π΄Π΅Π½ΠΈΡ Π½Π°ΠΏΡΡΠΆΠ΅Π½ΠΈΡ Π½Π° Π²ΡΡΡΠΎΠ΅Π½Π½ΠΎΠΌ Π² Π±Π»ΠΎΠΊ Π½ΠΈΠ·ΠΊΠΎΠΎΠΌΠ½ΠΎΠΌ ΡΡΠ½ΡΠ΅, Π²ΠΊΠ»ΡΡΠ΅Π½Π½ΠΎΠΌ ΠΏΠΎΡΠ»Π΅Π΄ΠΎΠ²Π°ΡΠ΅Π»ΡΠ½ΠΎ Ρ ΡΠ΅ΠΏΡΡ Π½Π°Π³ΡΡΠ·ΠΊΠΈ.
ΠΠ°ΠΏΡΡΠΆΠ΅Π½ΠΈΠ΅ ΠΏΠΈΡΠ°Π½ΠΈΡ Π½Π°Π³ΡΡΠ·ΠΊΠΈ ΠΏΠΎΠ΄Π°Π΅ΡΡΡ Π½Π° Π½Π°Π³ΡΡΠ·ΠΊΡ Ρ ΠΊΠ»Π΅ΠΌΠΌΡ Vdc. ΠΠ°Π³ΡΡΠ·ΠΊΠ° ΠΏΠΎΠ΄ΠΊΠ»ΡΡΠ°Π΅ΡΡΡ ΠΊ ΠΊΠ»Π΅ΠΌΠΌΠ°ΠΌ Β«+Β» ΠΈ Β«-Β», ΡΠΎΠ±Π»ΡΠ΄Π°Ρ ΠΏΠΎΠ»ΡΡΠ½ΠΎΡΡΡ.ΠΠ°Π΄Π΅Π½ΠΈΠ΅ Π½Π°ΠΏΡΡΠΆΠ΅Π½ΠΈΡ Π½Π° ΡΡΠ½ΡΠ΅ ΠΏΡΠΈ Π·Π°ΠΌΠΊΠ½ΡΡΠΎΠΌ ΡΠΎΡΡΠΎΡΠ½ΠΈΠΈ ΡΠ΅Π»Π΅ ΠΎΠΏΡΠ΅Π΄Π΅Π»ΡΠ΅Ρ ΡΠΎΡΡΠΎΡΠ½ΠΈΠ΅ ΡΠ΅ΠΏΠΈ Π½Π°Π³ΡΡΠ·ΠΊΠΈ:
Β — ΠΏΡΠΈ ΠΎΠ±ΡΡΠ²Π΅ ΡΠ΅ΠΏΠΈ ΠΏΠ°Π΄Π΅Π½ΠΈΠ΅ Π½Π°ΠΏΡΡΠΆΠ΅Π½ΠΈΡ Π½Π° ΡΡΠ½ΡΠ΅ Π½ΡΠ»Π΅Π²ΠΎΠ΅
Β — ΠΏΡΠΈ ΠΊΠΎΡΠΎΡΠΊΠΎΠΌ Π·Π°ΠΌΡΠΊΠ°Π½ΠΈΠΈ (ΠΠ) — Π²Π΅Π»ΠΈΠΊΠΎ (Π±Π»ΠΈΠ·ΠΊΠΎ ΠΊ Π½Π°ΠΏΡΡΠΆΠ΅Π½ΠΈΡ ΠΏΠΈΡΠ°Π½ΠΈΡ).
ΠΠΊΠ²ΠΈΠ²Π°Π»Π΅Π½ΡΠ½Π°Ρ ΡΡ Π΅ΠΌΠ° ΠΏΡΠΈΠ²Π΅Π΄Π΅Π½Π° Π½Π° ΡΠΈΡΡΠ½ΠΊΠ΅ Π°).
ΠΡΠΈ ΡΠ°Π·ΠΎΠΌΠΊΠ½ΡΡΠΎΠΌ ΡΠΎΡΡΠΎΡΠ½ΠΈΠΈ ΡΠ΅Π»Π΅ ΠΊΠΎΠ½ΡΡΠΎΠ»Ρ ΡΠ΅Π»ΠΎΡΡΠ½ΠΎΡΡΠΈ ΡΠ΅ΠΏΠΈ Π½Π΅ΠΌΠ½ΠΎΠ³ΠΎ ΠΈΠ·ΠΌΠ΅Π½ΡΠ΅ΡΡΡ. Π ΡΠΊΠ²ΠΈΠ²Π°Π»Π΅Π½ΡΠ½ΠΎΠΉ ΡΡ Π΅ΠΌΠ΅ ΠΏΠΎΠΌΠΈΠΌΠΎ ΡΡΠ½ΡΠ°, ΠΏΠΎΡΠ»Π΅Π΄ΠΎΠ²Π°ΡΠ΅Π»ΡΠ½ΠΎ Ρ Π½Π°Π³ΡΡΠ·ΠΊΠΎΠΉ ΠΊ ΠΈΡΡΠΎΡΠ½ΠΈΠΊΡ ΠΏΠΈΡΠ°Π½ΠΈΡ Π½Π°Π³ΡΡΠ·ΠΊΠΈ Π²ΠΊΠ»ΡΡΠ°Π΅ΡΡΡ Π²ΡΡΠΎΠΊΠΎΠΎΠΌΠ½ΠΎΠ΅ ΡΠΎΠΏΡΠΎΡΠΈΠ²Π»Π΅Π½ΠΈΠ΅, ΠΈΠΌΠΈΡΠΈΡΡΡΡΠ΅Π΅ Π²ΡΠΊΠ»ΡΡΠ΅Π½ΠΈΠ΅ ΡΠ΅ΠΏΠΈ ΡΠΏΡΠ°Π²Π»Π΅Π½ΠΈΡ. Π Π°Π·Π½ΠΎΡΡΡ ΠΌΠ΅ΠΆΠ΄Ρ Π½Π°ΠΏΡΡΠΆΠ΅Π½ΠΈΠ΅ΠΌ Π½Π° ΡΡΠ½ΡΠ΅ ΠΈ Π½Π° Π²ΡΡΠΎΠΊΠΎΠΎΠΌΠ½ΠΎΠΌ ΡΠΎΠΏΡΠΎΡΠΈΠ²Π»Π΅Π½ΠΈΠΈ ΠΎΠΏΡΠ΅Π΄Π΅Π»ΡΠ΅Ρ ΡΠΎΡΡΠΎΡΠ½ΠΈΠ΅ ΡΠ΅Π»ΠΎΡΡΠ½ΠΎΡΡΠΈ ΡΠ΅ΠΏΠΈ Π½Π°Π³ΡΡΠ·ΠΊΠΈ:
Β — ΠΏΡΠΈ ΠΎΠ±ΡΡΠ²Π΅ ΡΠ°Π·Π½ΠΎΡΡΡ Π²Π΅Π»ΠΈΠΊΠ° ΠΈ ΡΠ°Π²Π½Π° Π½Π°ΠΏΡΡΠΆΠ΅Π½ΠΈΡ ΠΈΡΡΠΎΡΠ½ΠΈΠΊΠ° ΠΏΠΈΡΠ°Π½ΠΈΡ
Β — ΠΏΡΠΈ ΠΠ ΡΠ°Π·Π½ΠΎΡΡΡ ΡΡΡΠ΅ΠΌΠΈΡΡΡ ΠΊ Π½ΡΠ»Ρ.
ΠΠΊΠ²ΠΈΠ²Π°Π»Π΅Π½ΡΠ½Π°Ρ ΡΡ Π΅ΠΌΠ° ΠΏΡΠΈΠ²Π΅Π΄Π΅Π½Π° Π½Π° ΡΠΈΡΡΠ½ΠΊΠ΅ Π±).
Β
Β
Π Π΅Π»Π΅ΠΉΠ½ΡΠ΅ Π²ΡΡ ΠΎΠ΄ΡΒ (ΡΠ΅Π»Π΅ Π1 ΠΈ Π2) ΠΏΡΠΈ Π²ΠΊΠ»ΡΡΠ΅Π½ΠΈΠΈ ΠΊΠΎΠ½ΡΡΠΎΠ»Ρ ΡΠ΅Π»ΠΎΡΡΠ½ΠΎΡΡΠΈ ΡΠ΅ΠΏΠΈ ΡΠΏΡΠ°Π²Π»Π΅Π½ΠΈΡ:
— ΠΊΠΎΠΌΠΌΡΡΠΈΡΡΠ΅ΠΌΠΎΠ΅ Π½Π°ΠΏΡΡΠΆΠ΅Π½ΠΈΠ΅ ΠΈΡΡΠΎΡΠ½ΠΈΠΊΠ° ΠΏΠΈΡΠ°Π½ΠΈΡ Π½Π°Π³ΡΡΠ·ΠΊΠΈ DC | ΠΎΡ 5 Π΄ΠΎ 30 V |
— ΠΊΠΎΠΌΠΌΡΡΠΈΡΡΠ΅ΠΌΡΠΉ ΠΌΠΈΠ½ΠΈΠΌΠ°Π»ΡΠ½ΡΠΉ ΡΠΎΠΊ | 0,6 ΠΌΠ |
— ΠΊΠΎΠΌΠΌΡΡΠΈΡΡΠ΅ΠΌΡΠΉ ΠΌΠ°ΠΊΡΠΈΠΌΠ°Π»ΡΠ½ΡΠΉ ΡΠΎΠΊ | 3 Π |
ΠΡΠΈ ΡΡΠΎΠΌ:
— ΠΊΠΎΠΌΠΌΡΡΠΈΡΡΠ΅ΠΌΠΎΠ΅ Π½Π°ΠΏΡΡΠΆΠ΅Π½ΠΈΠ΅ ΠΠ‘ | Π΄ΠΎ 250 V |
— ΠΊΠΎΠΌΠΌΡΡΠΈΡΡΠ΅ΠΌΡΠΉΒ Π½Π°ΠΏΡΡΠΆΠ΅Π½ΠΈΠ΅ DΠ‘ | Π΄ΠΎ 30 V |
— ΠΊΠΎΠΌΠΌΡΡΠΈΡΡΠ΅ΠΌΡΠΉ ΠΌΠ°ΠΊΡΠΈΠΌΠ°Π»ΡΠ½ΡΠΉ ΡΠΎΠΊ ΠΠ‘/DC | 3 Π |
ΠΠ½ΠΈΠΌΠ°Π½ΠΈΠ΅!
ΠΠ»Π΅ΠΌΠΌΡ DC Π² ΡΠ΅ΠΆΠΈΠΌΠ΅ ΠΊΠΎΠΌΠΌΡΡΠ°ΡΠΈΠΈ Π²ΡΡΠΎΠΊΠΎΠ²ΠΎΠ»ΡΡΠ½ΠΎΠΉ ΡΠ΅ΠΏΠΈ (AC/DC 250 Π) Π΄ΠΎΠ»ΠΆΠ½Ρ Π±ΡΡΡ ΡΠ°Π·ΠΎΠΌΠΊΠ½ΡΡΡ.
Π Π΅Π»Π΅ΠΉΠ½ΡΠ΅ ΠΏΠ΅ΡΠ΅ΠΊΠ»ΡΡΠ°Π΅ΠΌΡΠ΅ Π²ΡΡ ΠΎΠ΄ΡΒ (ΡΠ΅Π»Π΅ Π3 ΠΈ Π4) Π±Π΅Π· ΠΊΠΎΠ½ΡΡΠΎΠ»Ρ ΡΠ΅Π»ΠΎΡΡΠ½ΠΎΡΡΠΈ ΡΠ΅ΠΏΠΈ ΡΠΏΡΠ°Π²Π»Π΅Π½ΠΈΡ ΡΠ°Π±ΠΎΡΠ°ΡΡ Π² ΠΊΠ°ΡΠ΅ΡΡΠ²Π΅ ΠΏΠ΅ΡΠ΅ΠΊΠ»ΡΡΠ°Π΅ΠΌΠΎΠ³ΠΎ ΠΊΠ»ΡΡΠ°. ΠΠ°Π³ΡΡΠ·ΠΊΠ° ΠΏΠΎΠ΄ΠΊΠ»ΡΡΠ°Π΅ΡΡΡ ΠΊ ΠΊΠ»Π΅ΠΌΠΌΠ°ΠΌ NO ΠΈ COM Π² ΡΠ»ΡΡΠ°Π΅ ΠΠ ΠΊΠ»ΡΡΠ° Π»ΠΈΠ±ΠΎ ΠΊ ΠΊΠ»Π΅ΠΌΠΌΠ°ΠΌ NC ΠΈ COM Π² ΡΠ»ΡΡΠ°Π΅ ΠΠ ΠΊΠ»ΡΡΠ°.
ΠΡΠΈ ΡΡΠΎΠΌ:
— ΠΊΠΎΠΌΠΌΡΡΠΈΡΡΠ΅ΠΌΠΎΠ΅ Π½Π°ΠΏΡΡΠΆΠ΅Π½ΠΈΠ΅ ΠΠ‘ | Π΄ΠΎ 250 V |
— ΠΊΠΎΠΌΠΌΡΡΠΈΡΡΠ΅ΠΌΡΠΉΒ Π½Π°ΠΏΡΡΠΆΠ΅Π½ΠΈΠ΅ DΠ‘ | Π΄ΠΎ 30 V |
— ΠΊΠΎΠΌΠΌΡΡΠΈΡΡΠ΅ΠΌΡΠΉ ΠΌΠ°ΠΊΡΠΈΠΌΠ°Π»ΡΠ½ΡΠΉ ΡΠΎΠΊ ΠΠ‘/DC | 3 Π |
ΠΠ»ΠΎΠΊ ΡΠ΅Π»Π΅ ΠΡΡΡΠ°-824 ΠΈΠΌΠ΅Π΅Ρ 8 ΡΠ΅Π»Π΅ΠΉΠ½ΡΡ Π²ΡΡ ΠΎΠ΄Π° (Relay 1 — Relay 8).
Β ΠΡΠΈ ΡΡΠΎΠΌ ΠΎΠ±Π΅ΡΠΏΠ΅ΡΠΈΠ²Π°Π΅ΡΡΡ ΠΏΡΠΎΡΡΠ°Ρ ΠΊΠΎΠΌΠΌΡΡΠ°ΡΠΈΡ ΠΏΠΎ ΠΏΡΠΈΠ½ΡΠΈΠΏΡ Π½ΠΎΡΠΌΠ°Π»ΡΠ½ΠΎ-ΡΠ°Π·ΠΎΠΌΠΊΠ½ΡΡΠΎΠ³ΠΎ ΠΊΠ»ΡΡΠ° Ρ Π²ΠΎΠ·ΠΌΠΎΠΆΠ½ΠΎΡΡΡΠΌΠΈ:
— ΠΊΠΎΠΌΠΌΡΡΠΈΡΡΠ΅ΠΌΠΎΠ΅ Π½Π°ΠΏΡΡΠΆΠ΅Π½ΠΈΠ΅ | 100 V |
— ΠΊΠΎΠΌΠΌΡΡΠΈΡΡΠ΅ΠΌΡΠΉ ΡΠΎΠΊ | 100 ΠΌΠ |
Β
- ΠΠ±ΡΠΈΠ΅ ΠΏΠ°ΡΠ°ΠΌΠ΅ΡΡΡ Π²Ρ ΠΎΠ΄Π° Zone
ΠΠ»ΠΎΠΊ ΡΠ΅Π»Π΅ ΠΡΡΡΠ°-824 ΠΈΠΌΠ΅Π΅Ρ Π²Ρ
ΠΎΠ΄ Π΄Π»Ρ ΠΊΠΎΠ½ΡΡΠΎΠ»Ρ ΠΈΡΠΏΡΠ°Π²Π½ΠΎΡΡΠΈ ΠΈΡΡΠΎΡΠ½ΠΈΠΊΠΎΠ² ΠΏΠΈΡΠ°Π½ΠΈΡ (ΠΊΠ»Π΅ΠΌΠΌΡ Zone, GND).2.jpg)
ΠΠ°ΠΏΡΡΠΆΠ΅Π½ΠΈΠ΅ Π² ΡΡΠΎΠΌ Π²Ρ ΠΎΠ΄Π΅ Π² Π΄Π΅ΠΆΡΡΠ½ΠΎΠΌ ΡΠ΅ΠΆΠΈΠΌΠ΅ Π·Π°Π²ΠΈΡΠΈΡ ΠΎΡ Π½Π°ΠΏΡΡΠΆΠ΅Π½ΠΈΡ ΠΏΠΈΡΠ°Π½ΠΈΡ ΠΏΡΠΈΠ±ΠΎΡΠ° ΠΈ ΠΌΠΎΠΆΠ΅Ρ ΠΊΠΎΠ»Π΅Π±Π°ΡΡΡΡ ΠΎΡ 10 Π΄ΠΎ 24 V.
Π’ΠΎΠΊ ΠΊΠΎΡΠΎΡΠΊΠΎΠ³ΠΎ Π·Π°ΠΌΡΠΊΠ°Π½ΠΈΡ Π½Π΅ ΠΏΡΠ΅Π²ΡΡΠ°Π΅Ρ 20 ΠΌΠ.
Β Π‘ΠΎΠΏΡΠΎΡΠΈΠ²Π»Π΅Π½ΠΈΠ΅ Π²Ρ ΠΎΠ΄Π°, ΠΊΠΠΌ, Π² ΡΠΎΡΡΠΎΡΠ½ΠΈΠΈ:
— Β«ΠΠΎΡΠΌΠ°Β» | ΠΎΡ 3 Π΄ΠΎ 5 |
— Β«ΠΠ°ΡΡΡΠ΅Π½ΠΈΠ΅Β» | ΠΎΡ 0 Π΄ΠΎ 3 ΠΈΠ»ΠΈ Π±ΠΎΠ»Π΅Π΅ 5 |
ΠΠΈΠ½ΠΈΠΌΠ°Π»ΡΠ½ΠΎΠ΅ Π²ΡΠ΅ΠΌΡ ΠΎΠ±Π½Π°ΡΡΠΆΠ΅Π½ΠΈΡ ΡΠΎΡΡΠΎΡΠ½ΠΈΡ Β«ΠΠ°ΡΡΡΠ΅Π½ΠΈΠ΅Β» ΡΠΎΡΡΠ°Π²Π»ΡΠ΅Ρ 70 ΠΌΡ.
Β
Π Π΅Π»Π΅ ΠΊΠΎΠ½ΡΡΠΎΠ»Ρ ΡΠΎΠΊΠ° ΡΡΠ΅ΡΠΊΠΈ ΡΠΈΠΏΠ° Β«Π ΠΠ’Π£β01Β»
Π’Π΅Ρ Π½ΠΈΡΠ΅ΡΠΊΠΈΠ΅ ΠΎΡΠΎΠ±Π΅Π½Π½ΠΎΡΡΠΈ Β«Π ΠΠ’Π£-01Β» ΠΠ±ΡΠΈΠ΅ ΡΠ΅Ρ Π½ΠΈΡΠ΅ΡΠΊΠΈΠ΅ Ρ Π°ΡΠ°ΠΊΡΠ΅ΡΠΈΡΡΠΈΠΊΠΈ Π‘Ρ Π΅ΠΌΡ ΠΏΠΎΠ΄ΠΊΠ»ΡΡΠ΅Π½ΠΈΡ ΠΠΈΠ°Π³ΡΠ°ΠΌΠΌΡ ΡΡΠ°Π±Π°ΡΡΠ²Π°Π½ΠΈΡ ΠΠ°ΡΠΈΠ°Π½ΡΡ ΠΈΡΠΏΠΎΠ»Π½Π΅Π½ΠΈΡ
ΠΡΠΈΠ½ΡΠΈΠΏ Π΄Π΅ΠΉΡΡΠ²ΠΈΡ ΡΠ΅Π»Π΅ ΠΎΡΠ½ΠΎΠ²Π°Π½ Π½Π° Π½Π΅ΠΏΡΠ΅ΡΡΠ²Π½ΠΎΠΌ ΠΊΠΎΠ½ΡΡΠΎΠ»Π΅ ΡΠΎΠΊΠ° Π² ΡΠ΅ΠΏΡΡ
ΠΏΠΎΡΡΠΎΡΠ½Π½ΠΎΠ³ΠΎ, ΠΏΠ΅ΡΠ΅ΠΌΠ΅Π½Π½ΠΎΠ³ΠΎ ΠΈΠ»ΠΈ Π²ΡΠΏΡΡΠΌΠ»Π΅Π½Π½ΠΎΠ³ΠΎ Π½Π°ΠΏΡΡΠΆΠ΅Π½ΠΈΡ (Π² ΡΠΎΠΌ ΡΠΈΡΠ»Π΅ ΠΊΠΎΠ½ΡΡΠΎΠ»Ρ ΠΈΠ·ΠΎΠ»ΡΡΠΈΠΈ ΡΠ΅ΠΏΠ΅ΠΉ Π³Π°Π·ΠΎΠ²ΠΎΠΉ Π·Π°ΡΠΈΡΡ) ΠΈ Π²ΡΠ΄Π°ΡΠΈ ΡΠΈΠ³Π½Π°Π»Π° ΡΡΠ°Π±Π°ΡΡΠ²Π°Π½ΠΈΡ ΠΏΡΠΈ ΠΏΡΠ΅Π²ΡΡΠ΅Π½ΠΈΠΈ ΠΊΠΎΠ½ΡΡΠΎΠ»ΠΈΡΡΠ΅ΠΌΡΠΌ ΡΠΎΠΊΠΎΠΌ Π²Π΅Π»ΠΈΡΠΈΠ½Ρ Π²ΡΠ±ΡΠ°Π½Π½ΠΎΠΉ ΡΡΡΠ°Π²ΠΊΠΈ (Π·Π°Π΄Π°Π΅ΡΡΡ ΠΏΠΎΠ»ΡΠ·ΠΎΠ²Π°ΡΠ΅Π»Π΅ΠΌ Ρ ΠΏΠΎΠΌΠΎΡΡΡ DIP-ΠΏΠ΅ΡΠ΅ΠΊΠ»ΡΡΠ°ΡΠ΅Π»Ρ Π½Π° Π»ΠΈΡΠ΅Π²ΠΎΠΉ ΠΏΠ°Π½Π΅Π»ΠΈ).
Π‘ΡΠ°Π±Π°ΡΡΠ²Π°Π½ΠΈΠ΅ ΡΠ΅Π»Π΅ ΡΠΊΠ°Π·ΡΠ²Π°Π΅Ρ Π½Π° Π½Π΅Π΄ΠΎΠΏΡΡΡΠΈΠΌΠΎΠ΅ ΡΠ½ΠΈΠΆΠ΅Π½ΠΈΠ΅ ΡΠΎΠΏΡΠΎΡΠΈΠ²Π»Π΅Π½ΠΈΡ ΠΈΠ·ΠΎΠ»ΡΡΠΈΠΈ, ΠΏΡΠΈΠ²ΠΎΠ΄ΠΈΡ ΠΊ Π²ΡΠ²ΠΎΠ΄Ρ Π³Π°Π·ΠΎΠ²ΠΎΠΉ Π·Π°ΡΠΈΡΡ ΠΈΠ· Π΄Π΅ΠΉΡΡΠ²ΠΈΡ ΠΈ Π΄Π΅ΠΉΡΡΠ²ΡΠ΅Ρ Π² ΡΡ
Π΅ΠΌΡ ΠΏΡΠ΅Π΄ΡΠΏΡΠ΅Π΄ΠΈΡΠ΅Π»ΡΠ½ΠΎΠΉ ΡΠΈΠ³Π½Π°Π»ΠΈΠ·Π°ΡΠΈΠΈ.
Π¨ΠΈΡΠΎΠΊΠΈΠΉ Π΄ΠΈΠ°ΠΏΠ°Π·ΠΎΠ½ ΡΡΡΠ°Π²ΠΎΠΊ ΡΡΠ°Π±Π°ΡΡΠ²Π°Π½ΠΈΡ Β«Π ΠΠ’Π£β01Β» Π΄Π΅Π»Π°Π΅Ρ Π²ΠΎΠ·ΠΌΠΎΠΆΠ½ΡΠΌ Π΅Π³ΠΎ ΠΏΡΠΈΠΌΠ΅Π½Π΅Π½ΠΈΠ΅ ΠΏΡΠΈ ΡΠ°Π·Π»ΠΈΡΠ½ΡΡ Π½ΠΎΠΌΠΈΠ½Π°Π»ΡΠ½ΡΡ Π·Π½Π°ΡΠ΅Π½ΠΈΡΡ ΠΎΠΏΠ΅ΡΠ°ΡΠΈΠ²Π½ΠΎΠ³ΠΎ Π½Π°ΠΏΡΡΠΆΠ΅Π½ΠΈΡ ΠΎΡ 24 Π΄ΠΎ 220 Π. ΠΡΠ±ΠΎΡ ΡΡΡΠ°Π²ΠΊΠΈ ΡΡΠ°Π±Π°ΡΡΠ²Π°Π½ΠΈΡ ΠΌΠΎΠΆΠ΅Ρ Π±ΡΡΡ ΠΎΡΡΡΠ΅ΡΡΠ²Π»Π΅Π½ Π½Π° ΠΎΡΠ½ΠΎΠ²Π°Π½ΠΈΠΈ ΡΡΠ΅Π±ΠΎΠ²Π°Π½ΠΈΠΉ ΠΠ£Π, ΡΠΎΠ³Π»Π°ΡΠ½ΠΎ ΠΊΠΎΡΠΎΡΠΎΠΌΡ ΡΠΎΠΏΡΠΎΡΠΈΠ²Π»Π΅Π½ΠΈΠ΅ ΠΈΠ·ΠΎΠ»ΡΡΠΈΠΈ ΠΊΠ°ΠΆΠ΄ΠΎΠ³ΠΎ ΠΏΡΠΈΡΠΎΠ΅Π΄ΠΈΠ½Π΅Π½ΠΈΡ Π²ΡΠΎΡΠΈΡΠ½ΡΡ ΡΠ΅ΠΏΠ΅ΠΉ Π΄ΠΎΠ»ΠΆΠ½ΠΎ Π±ΡΡΡ Π½Π΅ ΠΌΠ΅Π½Π΅Π΅ 0,5 ΠΠΠΌ. Π’Π°ΠΊΠΈΠΌ ΠΎΠ±ΡΠ°Π·ΠΎΠΌ, Π½Π°ΠΏΡΠΈΠΌΠ΅Ρ, Π΄Π»Ρ Π½ΠΎΠΌΠΈΠ½Π°Π»ΡΠ½ΠΎΠ³ΠΎ ΠΎΠΏΠ΅ΡΠ°ΡΠΈΠ²Π½ΠΎΠ³ΠΎ Π½Π°ΠΏΡΡΠΆΠ΅Π½ΠΈΡ 220 Π Π·Π½Π°ΡΠ΅Π½ΠΈΠ΅ Π΄ΠΎΠΏΡΡΡΠΈΠΌΠΎΠ³ΠΎ ΡΠΎΠΊΠ° ΡΡΠ΅ΡΠΊΠΈ ΡΠΎΡΡΠ°Π²Π»ΡΠ΅Ρ Π½Π΅ Π±ΠΎΠ»Π΅Π΅ 440 ΠΌΠΊΠ, ΡΠΎΠΎΡΠ²Π΅ΡΡΡΠ²Π΅Π½Π½ΠΎ ΡΡΡΠ°Π²ΠΊΠ° ΡΡΠ°Π±Π°ΡΡΠ²Π°Π½ΠΈΡ ΡΠ΅Π»Π΅ Β«Π ΠΠ’Π£β01Β» Π²ΡΡΡΠ°Π²Π»ΡΠ΅ΡΡΡ ΡΠ°Π²Π½ΠΎΠΉ 500 ΠΌΠΊΠ.
Π ΡΠ»ΡΡΠ°Π΅ Π·Π°ΠΌΡΠΊΠ°Π½ΠΈΡ ΠΊΠΎΠ½ΡΠ°ΠΊΡΠ° Π³Π°Π·ΠΎΠ²ΠΎΠ³ΠΎ ΡΠ΅Π»Π΅ Π²ΠΎ Π²Ρ
ΠΎΠ΄Π½ΠΎΠΉ ΡΠ΅ΠΏΠΈ Β«Π ΠΠ’Π£β01Β» ΠΏΡΠΎΡΠ΅ΠΊΠ°Π΅Ρ ΡΠΎΠΊ, ΠΎΠΏΡΠ΅Π΄Π΅Π»ΡΠ΅ΠΌΡΠΉ Π½Π°Π³ΡΡΠ·ΠΊΠΎΠΉ ΡΠ΅ΠΏΠΈ Π³Π°Π·ΠΎΠ²ΠΎΠΉ Π·Π°ΡΠΈΡΡ ΠΈ Π·Π°Π²Π΅Π΄ΠΎΠΌΠΎ ΠΏΡΠ΅Π²ΡΡΠ°ΡΡΠΈΠΉ ΡΠΈΠΊΡΠΈΡΠΎΠ²Π°Π½Π½ΡΡ ΡΡΡΠ°Π²ΠΊΡ Π±Π»ΠΎΠΊΠΈΡΠΎΠ²ΠΊΠΈ. ΠΡΠΈ ΡΡΠΎΠΌ ΡΡΡΡΠΎΠΉΡΡΠ²ΠΎΠΌ Π°Π²ΡΠΎΠΌΠ°ΡΠΈΡΠ΅ΡΠΊΠΈ ΠΎΠ±Π΅ΡΠΏΠ΅ΡΠΈΠ²Π°Π΅ΡΡΡ Π·Π°ΠΏΡΠ΅Ρ Π½Π° Π²ΡΠ΄Π°ΡΡ ΡΠΈΠ³Π½Π°Π»Π° ΡΡΠ°Π±Π°ΡΡΠ²Π°Π½ΠΈΡ ΡΠ΅ΠΏΠΈ ΠΊΠΎΠ½ΡΡΠΎΠ»Ρ ΠΈΠ·ΠΎΠ»ΡΡΠΈΠΈ.
ΠΡ
ΠΎΠ΄Π½Π°Ρ ΡΠ΅ΠΏΡ Β«Π ΠΠ’Π£-01Β» Π΄ΠΎΠΏΡΡΠΊΠ°Π΅Ρ Π΄Π»ΠΈΡΠ΅Π»ΡΠ½ΠΎΠ΅ ΠΏΡΠΎΡΠ΅ΠΊΠ°Π½ΠΈΠ΅ ΡΠΎΠΊΠ° Π²Π΅Π»ΠΈΡΠΈΠ½ΠΎΠΉ Π΄ΠΎ 3 Π, ΠΏΠ°Π΄Π΅Π½ΠΈΠ΅ Π½Π°ΠΏΡΡΠΆΠ΅Π½ΠΈΠ΅ Π½Π° Π²Ρ
ΠΎΠ΄Π½ΠΎΠΉ ΡΠ΅ΠΏΠΈ ΡΡΡΡΠΎΠΉΡΡΠ²Π° ΠΏΡΠΈ ΠΌΠ°ΠΊΡΠΈΠΌΠ°Π»ΡΠ½ΠΎΠΌ ΡΠΎΠΊΠ΅ Π½Π΅ ΠΏΡΠ΅Π²ΡΡΠ°Π΅Ρ 4 Π.
Π£ΡΡΡΠΎΠΉΡΡΠ²ΠΎ ΠΈΠΌΠ΅Π΅Ρ Π΄ΠΎΠΏΠΎΠ»Π½ΠΈΡΠ΅Π»ΡΠ½ΡΠΉ ΠΊΠΎΠ½ΡΠ°ΠΊΡΠ½ΡΠΉ Π²ΡΡ ΠΎΠ΄, ΡΠΈΠ³Π½Π°Π»ΠΈΠ·ΠΈΡΡΡΡΠΈΠΉ ΠΎ Π½Π°Π»ΠΈΡΠΈΠΈ Π½Π°ΠΏΡΡΠΆΠ΅Π½ΠΈΡ ΠΏΠΈΡΠ°Π½ΠΈΡ. ΠΠ°Π½Π½ΡΠΉ Π²ΡΡ ΠΎΠ΄ ΠΌΠΎΠΆΠ΅Ρ Π±ΡΡΡ ΠΈΡΠΏΠΎΠ»ΡΠ·ΠΎΠ²Π°Π½ ΡΠ°ΠΊΠΆΠ΅ Π΄Π»Ρ ΡΠΈΠ³Π½Π°Π»ΠΈΠ·Π°ΡΠΈΠΈ ΠΎ ΡΠΎΡΡΠΎΡΠ½ΠΈΠΈ Π°Π²ΡΠΎΠΌΠ°ΡΠ° ΠΏΠΈΡΠ°Π½ΠΈΡ Π³Π°Π·ΠΎΠ²ΠΎΠΉ Π·Π°ΡΠΈΡΡ ΠΈΠ»ΠΈ Π½Π°Π»ΠΈΡΠΈΡ Π½Π°ΠΏΡΡΠΆΠ΅Π½ΠΈΡ Π½Π° ΡΠΈΠ½ΠΊΠ°Ρ .
ΠΡΠΎΠΌΠ΅ ΠΊΠΎΠ½ΡΠ°ΠΊΡΠ½ΡΡ Π²ΡΡ ΠΎΠ΄ΠΎΠ² ΡΡΡΡΠΎΠΉΡΡΠ²ΠΎ ΡΠΎΠ΄Π΅ΡΠΆΠΈΡ Π½Π° Π»ΠΈΡΠ΅Π²ΠΎΠΉ ΠΏΠ°Π½Π΅Π»ΠΈ ΠΎΡΠ³Π°Π½Ρ Π²ΠΈΠ·ΡΠ°Π»ΡΠ½ΠΎΠΉ ΡΠΈΠ³Π½Π°Π»ΠΈΠ·Π°ΡΠΈΠΈ ΠΎ Π½Π°Π»ΠΈΡΠΈΠΈ Π½Π°ΠΏΡΡΠΆΠ΅Π½ΠΈΡ ΠΏΠΈΡΠ°Π½ΠΈΡ (ΠΈΠ½Π΄ΠΈΠΊΠ°ΡΠΎΡ «ΠΠΈΡΠ°Π½ΠΈΠ΅») ΠΈ ΡΠΎΡΡΠΎΡΠ½ΠΈΠΈ ΠΊΠΎΠ½ΡΡΠΎΠ»ΠΈΡΡΠ΅ΠΌΠΎΠΉ ΡΠ΅ΠΏΠΈ (ΠΈΠ½Π΄ΠΈΠΊΠ°ΡΠΎΡ «Π‘ΡΠ°Π±»). ΠΠ½Π΄ΠΈΠΊΠ°ΡΠΎΡ «Π‘ΡΠ°Π±» ΠΎΠ±Π΅ΡΠΏΠ΅ΡΠΈΠ²Π°Π΅Ρ Π²ΡΠ΄Π°ΡΡ Π½Π΅ΠΏΡΠ΅ΡΡΠ²Π½ΠΎΠΉ ΡΠ²Π΅ΡΠΎΠ²ΠΎΠΉ ΡΠΈΠ³Π½Π°Π»ΠΈΠ·Π°ΡΠΈΠΈ ΠΏΡΠΈ ΠΏΡΠ΅Π²ΡΡΠ΅Π½ΠΈΠΈ ΠΊΠΎΠ½ΡΡΠΎΠ»ΠΈΡΡΠ΅ΠΌΡΠΌ ΡΠΎΠΊΠΎΠΌ Π·Π½Π°ΡΠ΅Π½ΠΈΡ ΡΡΡΠ°Π²ΠΊΠΈ ΡΡΠ°Π±Π°ΡΡΠ²Π°Π½ΠΈΡ ΠΈ ΠΏΡΠ΅ΡΡΠ²ΠΈΡΡΠΎΠΉ ΡΠΈΠ³Π½Π°Π»ΠΈΠ·Π°ΡΠΈΠΈ (ΠΌΠΈΠ³Π°Π½ΠΈΠ΅) ΠΏΡΠΈ Π·Π°ΠΌΡΠΊΠ°Π½ΠΈΠΈ ΠΊΠΎΠ½ΡΠ°ΠΊΡΠΎΠ² Π³Π°Π·ΠΎΠ²ΠΎΠ³ΠΎ ΡΠ΅Π»Π΅ (Π²Ρ ΠΎΠ΄Π½ΠΎΠΉ ΡΠΎΠΊ ΠΏΡΠ΅Π²ΡΡΠ°Π΅Ρ ΡΡΡΠ°Π²ΠΊΡ Π±Π»ΠΎΠΊΠΈΡΠΎΠ²ΠΊΠΈ). Π‘ΠΈΠ³Π½Π°Π»ΠΈΠ·Π°ΡΠΈΡ Π²ΠΊΠ»ΡΡΠ΅Π½Π½ΠΎΠ³ΠΎ ΡΠΎΡΡΠΎΡΠ½ΠΈΡ ΡΡΡΠ°Π²ΠΊΠΈ Π±Π»ΠΎΠΊΠΈΡΠΎΠ²ΠΊΠΈ ΠΎΠ±Π΅ΡΠΏΠ΅ΡΠΈΠ²Π°Π΅ΡΡΡ ΠΈΠ½Π΄ΠΈΠΊΠ°ΡΠΎΡΠΎΠΌ «ΠΠΠ ΠΠΠ».
ΠΡΠΈ ΠΎΡΠΊΠ»ΡΡΠ΅Π½ΠΈΠΈ ΡΡΡΠ°Π²ΠΊΠΈ Π±Π»ΠΎΠΊΠΈΡΠΎΠ²ΠΊΠΈ ΡΡΡΡΠΎΠΉΡΡΠ²ΠΎ ΠΌΠΎΠΆΠ΅Ρ ΡΠ°ΠΊΠΆΠ΅ ΠΈΡΠΏΠΎΠ»ΡΠ·ΠΎΠ²Π°ΡΡΡΡ Π΄Π»Ρ ΠΊΠΎΠ½ΡΡΠΎΠ»Ρ ΡΠ΅Π»ΠΎΡΡΠ½ΠΎΡΡΠΈ ΠΎΠ±ΡΠ΅ΡΠ΅ΠΊΡΠΈΠΎΠ½Π½ΡΡ
ΡΠΈΠ½ΠΎΠΊ, Π½Π°ΠΏΡΠΈΠΌΠ΅Ρ ΡΠΈΠ½ΠΊΠΈ Π£Π ΠΠ.
ΠΠ΄ΠΈΠ½ΡΡΠ²Π΅Π½Π½ΡΠΌ Π΄ΠΎΠΏΠΎΠ»Π½ΠΈΡΠ΅Π»ΡΠ½ΡΠΌ ΡΡΠ»ΠΎΠ²ΠΈΠ΅ΠΌ ΡΠ²Π»ΡΠ΅ΡΡΡ ΡΡΡΠ°Π½ΠΎΠ²ΠΊΠ° Π² ΠΊΡΠ°ΠΉΠ½Π΅ΠΉ ΡΡΠ΅ΠΉΠΊΠ΅ ΡΠ΅ΠΊΡΠΈΠΈ ΠΏΠ°ΡΠ°Π»Π»Π΅Π»ΡΠ½ΠΎ ΠΊΠΎΠ½ΡΠ°ΠΊΡΠ°ΠΌ ΡΠ΅Π»Π΅ Π£Π ΠΠ ΠΏΡΠΈΡΠΎΠ΅Π΄ΠΈΠ½Π΅Π½ΠΈΠΉ Π²ΡΡΠΎΠΊΠΎΠΎΠΌΠ½ΠΎΠ³ΠΎ ΡΠ΅Π·ΠΈΡΡΠΎΡΠ° R (ΠΏΠΎΡΡΠ΄ΠΊΠ° 1ΠΠΠΌ), Ρ ΠΏΠΎΠΌΠΎΡΡΡ ΠΊΠΎΡΠΎΡΠΎΠ³ΠΎ ΡΠΎΠ·Π΄Π°Π΅ΡΡΡ ΠΈΡΠΊΡΡΡΡΠ²Π΅Π½Π½ΡΠΉ ΡΠΎΠΊ ΡΡΠ΅ΡΠΊΠΈ, Π·Π°Π²Π΅Π΄ΠΎΠΌΠΎ ΠΏΡΠ΅Π²ΡΡΠ°ΡΡΠΈΠΉ ΡΡΡΠ°Π²ΠΊΡ ΡΡΠ°Π±Π°ΡΡΠ²Π°Π½ΠΈΡ Β«Π ΠΠ’Π£-01Β», Π½ΠΎ Π½Π΅Π΄ΠΎΡΡΠ°ΡΠΎΡΠ½ΡΠΉ Π΄Π»Ρ ΡΡΠ°Π±Π°ΡΡΠ²Π°Π½ΠΈΡ ΡΠ΅ΠΏΠΈ Π£Π ΠΠ Π²Π²ΠΎΠ΄Π½ΠΎΠ³ΠΎ Π²ΡΠΊΠ»ΡΡΠ°ΡΠ΅Π»Ρ. ΠΡΠΈ ΠΎΠ±ΡΡΠ²Π΅ ΡΠΈΠ½ΠΎΠΊ Π£Π ΠΠ ΡΠΎΠΊ Π²ΠΎ Π²Ρ
ΠΎΠ΄Π½ΠΎΠΉ ΡΠ΅ΠΏΠΈ Β«Π ΠΠ’Π£β01Β» ΠΏΡΠΎΠΏΠ°Π΄Π°Π΅Ρ ΠΈ ΠΎΡΡΡΠ΅ΡΡΠ²Π»ΡΠ΅ΡΡΡ Π²ΠΎΠ·Π²ΡΠ°Ρ Π²ΡΡ
ΠΎΠ΄Π½ΠΎΠ³ΠΎ ΡΠ΅Π»Π΅ Π1, ΠΊΠΎΡΠΎΡΠΎΠ΅ Π² Π½ΠΎΡΠΌΠ°Π»ΡΠ½ΠΎΠΌ ΡΠ΅ΠΆΠΈΠΌΠ΅ Π½Π°Ρ
ΠΎΠ΄ΠΈΡΡΡ Π² ΡΠΎΡΡΠΎΡΠ½ΠΈΠΈ ΡΡΠ°Π±Π°ΡΡΠ²Π°Π½ΠΈΡ. ΠΠ»Ρ Π±Π»ΠΎΠΊΠΈΡΠΎΠ²Π°Π½ΠΈΡ Π²ΡΠ΄Π°ΡΠΈ ΡΠΈΠ³Π½Π°Π»Π° ΠΎ ΡΡΠ°Π±Π°ΡΡΠ²Π°Π½ΠΈΠΈ ΠΏΡΠΈ ΠΎΡΠΊΠ»ΡΡΠ΅Π½ΠΈΠΈ Π°Π²ΡΠΎΠΌΠ°ΡΠ° ΠΏΠΈΡΠ°Π½ΠΈΡ ΡΠΈΠ½ΠΎΠΊ Π£Π ΠΠ Π² Π΄Π°Π½Π½ΠΎΠΌ ΡΠ»ΡΡΠ°Π΅ ΠΌΠΎΠΆΠ΅Ρ ΠΈΡΠΏΠΎΠ»ΡΠ·ΠΎΠ²Π°ΡΡΡΡ ΠΏΠΎΡΠ»Π΅Π΄ΠΎΠ²Π°ΡΠ΅Π»ΡΠ½ΠΎ Π²ΠΊΠ»ΡΡΠ΅Π½Π½ΡΠΉ ΠΊΠΎΠ½ΡΠ°ΠΊΡ Π²ΡΡ
ΠΎΠ΄Π½ΠΎΠ³ΠΎ ΡΠ΅Π»Π΅ Π2.
ΠΠΈΠ°ΠΏΠ°Π·ΠΎΠ½ ΡΠ°Π±ΠΎΡΠΈΡ ΡΠ΅ΠΌΠΏΠ΅ΡΠ°ΡΡΡ Β«Π ΠΠ’Π£β01Β» ΡΠΎΡΡΠ°Π²Π»ΡΠ΅Ρ ΠΎΡ ΠΌΠΈΠ½ΡΡ 40Β°Π‘ Π΄ΠΎ ΠΏΠ»ΡΡ 55Β°Π‘.
|
ΠΠ°ΠΈΠΌΠ΅Π½ΠΎΠ²Π°Π½ΠΈΠ΅ ΠΏΠ°ΡΠ°ΠΌΠ΅ΡΡΠ° |
ΠΠ½Π°ΡΠ΅Π½ΠΈΠ΅ |
|
ΠΠ½Π°ΡΠ΅Π½ΠΈΡ ΡΡΡΠ°Π²ΠΊΠΈ ΡΡΠ°Π±Π°ΡΡΠ²Π°Π½ΠΈΡ, ΠΌΠΊΠ |
50; 100; 150; 200; 300; |
|
Π£ΡΡΠ°Π²ΠΊΠ° Π±Π»ΠΎΠΊΠΈΡΠΎΠ²ΠΊΠΈ ΡΡΠ°Π±Π°ΡΡΠ²Π°Π½ΠΈΡ, ΠΌΠ |
10Β±1 |
|
ΠΠΎΡΡΡΠΈΡΠΈΠ΅Π½Ρ Π²ΠΎΠ·Π²ΡΠ°ΡΠ° ΠΏΠΎ ΡΠ΅ΠΏΡΠΌ ΠΊΠΎΠ½ΡΡΠΎΠ»Ρ ΡΠΎΠΊΠ°, Π½Π΅ Π±ΠΎΠ»Π΅Π΅ |
0,8 |
|
ΠΡΠ½ΠΎΠ²Π½Π°Ρ ΠΏΠΎΠ³ΡΠ΅ΡΠ½ΠΎΡΡΡ ΡΡΠ°Π±Π°ΡΡΠ²Π°Π½ΠΈΡ, Π½Π΅ Π±ΠΎΠ»Π΅Π΅, % |
20 |
|
ΠΠΈΠ°ΠΏΠ°Π·ΠΎΠ½ Π½Π°ΠΏΡΡΠΆΠ΅Π½ΠΈΠΉ ΠΏΠΈΡΠ°Π½ΠΈΡ (ΠΏΠΎΡΡΠΎΡΠ½Π½ΠΎΠ΅, ΠΏΠ΅ΡΠ΅ΠΌΠ΅Π½Π½ΠΎΠ΅), Π |
ΠΎΡ 19 Π΄ΠΎ 265 |
|
ΠΠΎΡΡΠ΅Π±Π»ΡΠ΅ΠΌΠ°Ρ ΠΌΠΎΡΠ½ΠΎΡΡΡ, Π½Π΅ Π±ΠΎΠ»Π΅Π΅, ΠΡ (ΠΠ) |
4 |
|
ΠΡ ΠΎΠ΄Π½ΠΎΠ΅ ΡΠΎΠΏΡΠΎΡΠΈΠ²Π»Π΅Π½ΠΈΠ΅ ΡΠ΅ΠΏΠΈ ΠΊΠΎΠ½ΡΡΠΎΠ»Ρ ΡΠΎΠΊΠ° (ΠΏΡΠΈ ΡΠΎΠΊΠ΅ ΠΌΠ΅Π½Π΅Π΅ 20 ΠΌΠ), Π½Π΅ Π±ΠΎΠ»Π΅Π΅, ΠΠΌ |
75 |
|
ΠΠ°ΠΊΡΠΈΠΌΠ°Π»ΡΠ½ΡΠΉ ΡΠΎΠΊ Π² ΠΊΠΎΠ½ΡΡΠΎΠ»ΠΈΡΡΠ΅ΠΌΠΎΠΉ ΡΠ΅ΠΏΠΈ, Π |
3 |
|
ΠΠ°Π΄Π΅Π½ΠΈΠ΅ Π½Π°ΠΏΡΡΠΆΠ΅Π½ΠΈΡ Π²ΠΎ Π²Ρ
ΠΎΠ΄Π½ΠΎΠΉ ΡΠ΅ΠΏΠΈ Β«Π ΠΠ’Π£β01Β» |
4 |
|
ΠΠ°Π΄Π΅ΡΠΆΠΊΠ° ΡΡΠ°Π±Π°ΡΡΠ²Π°Π½ΠΈΡ ΠΏΡΠΈ ΠΏΡΠ΅Π²ΡΡΠ΅Π½ΠΈΠΈ ΡΡΡΠ°Π²ΠΊΠΈ, Ρ, Π½Π΅ Π±ΠΎΠ»Π΅Π΅ |
1 |
|
ΠΠΎΠΌΠΌΡΡΠ°ΡΠΈΠΎΠ½Π½Π°Ρ ΡΠΏΠΎΡΠΎΠ±Π½ΠΎΡΡΡ Π²ΡΡ
ΠΎΠ΄Π½ΡΡ
ΡΠ΅Π»Π΅ Β«Π ΠΠ’Π£β01Β»: |
250
192 |
Π‘Ρ
Π΅ΠΌΠ° ΠΏΠΎΠ΄ΠΊΠ»ΡΡΠ΅Π½ΠΈΡ — ΠΊΠΎΠ½ΡΡΠΎΠ»Ρ ΡΠΈΠ½ΠΎΠΊ
Π‘Ρ
Π΅ΠΌΠ° ΠΏΠΎΠ΄ΠΊΠ»ΡΡΠ΅Π½ΠΈΡ — ΠΊΠΎΠ½ΡΡΠΎΠ»Ρ ΠΈΠ·ΠΎΠ»ΡΡΠΈΠΈ
Π£ΡΡΡΠΎΠΉΡΡΠ²ΠΎ ΠΈΠ½Π΄ΠΈΠΊΠ°ΡΠΈΠΈ Π½Π°ΠΏΡΡΠΆΠ΅Π½ΠΈΡ ΠΠ 3-10-00 Π£3 ΠΎΡ ΠΏΡΠΎΠΈΠ·Π²ΠΎΠ΄ΠΈΡΠ΅Π»Ρ ΠΠΠ «Π’Π΅ΡΠΌΠ°-ΠΠ½Π΅ΡΠ³ΠΎ»
Π£ΡΡΡΠΎΠΉΡΡΠ²ΠΎ ΠΈΠ½Π΄ΠΈΠΊΠ°ΡΠΈΠΈ Π½Π°ΠΏΡΡΠΆΠ΅Π½ΠΈΡ ΡΠΎ Π²ΡΡΡΠΎΠ΅Π½Π½ΡΠΌΠΈ ΡΠ΅Π»Π΅ ΠΠ 3-10Π -00 Π£Π₯Π3.
Π‘Π΅ΡΡΠΈΡΠΈΠΊΠ°Ρ ΡΠΎΠΎΡΠ²Π΅ΡΡΡΠ²ΠΈΡ β Π ΠΠ‘Π‘ RU.ME.05.H00268.
Π£ΡΡΡΠΎΠΉΡΡΠ²ΠΎ ΠΈΠ½Π΄ΠΈΠΊΠ°ΡΠΈΠΈ Π½Π°ΠΏΡΡΠΆΠ΅Π½ΠΈΡ ΡΠΎ Π²ΡΡΡΠΎΠ΅Π½Π½ΡΠΌΠΈ ΡΠ΅Π»Π΅ (ΡΡΠ°ΡΠΈΠΎΠ½Π°ΡΠ½ΡΠΉ ΡΠΊΠ°Π·Π°ΡΠ΅Π»Ρ Π½Π°ΠΏΡΡΠΆΠ΅Π½ΠΈΡ) ΠΠ 3-10Π -00 Π£Π₯Π3 ΠΏΡΠ΅Π΄Π½Π°Π·Π½Π°ΡΠ΅Π½ΠΎ Π΄Π»Ρ ΠΊΠΎΠ½ΡΡΠΎΠ»Ρ Π½Π°ΠΏΡΡΠΆΠ΅Π½ΠΈΡ ΠΌΠ΅ΠΆΠ΄Ρ ΡΠΈΠ½ΠΎΠΉ ΠΈ ΠΊΠΎΡΠΏΡΡΠΎΠΌ ΡΠ°ΡΠΏΡΠ΅Π΄Π΅Π»ΠΈΡΠ΅Π»ΡΠ½ΠΎΠ³ΠΎ ΡΡΡΡΠΎΠΉΡΡΠ²Π° Π½Π΅Π·Π°Π²ΠΈΡΠΈΠΌΠΎ Π² ΠΊΠ°ΠΆΠ΄ΠΎΠΉ ΠΈΠ· ΡΠ°Π· Π² ΡΠ»Π΅ΠΊΡΡΠΎΡΡΡΠ°Π½ΠΎΠ²ΠΊΠ°Ρ Π½Π° Π½ΠΎΠΌΠΈΠ½Π°Π»ΡΠ½ΠΎΠ΅ Π½Π°ΠΏΡΡΠΆΠ΅Π½ΠΈΠ΅ 6-35 ΠΊΠ Π² ΡΠ°ΡΡΠΎΡΠ½ΠΎΠΌ Π΄ΠΈΠ°ΠΏΠ°Π·ΠΎΠ½Π΅ 50-60 ΠΡ. ΠΡΠΈΠΌΠ΅Π½ΡΠ΅ΡΡΡ Π΄Π»Ρ Π΄ΠΈΡΡΠ°Π½ΡΠΈΠΎΠ½Π½ΠΎΠ³ΠΎ ΠΈ Π²ΠΈΠ·ΡΠ°Π»ΡΠ½ΠΎΠ³ΠΎ ΠΊΠΎΠ½ΡΡΠΎΠ»Ρ ΡΠ°Π±ΠΎΡΠ΅Π³ΠΎ Π½Π°ΠΏΡΡΠΆΠ΅Π½ΠΈΡ, Π½Π΅ΠΏΠΎΠ»Π½ΠΎΡΠ°Π·Π½ΠΎΠ³ΠΎ ΡΠ΅ΠΆΠΈΠΌΠ°, Π±Π»ΠΎΠΊΠΈΡΠΎΠ²ΠΊΠΈ ΠΎΡΠΈΠ±ΠΎΡΠ½ΠΎΠ³ΠΎ Π²ΠΊΠ»ΡΡΠ΅Π½ΠΈΡ Π·Π°Π·Π΅ΠΌΠ»ΡΡΡΠΈΡ Π½ΠΎΠΆΠ΅ΠΉ ΠΏΡΠΈ Π½Π°Π»ΠΈΡΠΈΠΈ Π½Π°ΠΏΡΡΠΆΠ΅Π½ΠΈΡ Π½Π° ΠΎΡΡ ΠΎΠ΄ΡΡΠ΅ΠΉ Π»ΠΈΠ½ΠΈΠΈ, Π°Π²ΡΠΎΠΌΠ°ΡΠΈΡΠ΅ΡΠΊΠΎΠ³ΠΎ Π²Π²ΠΎΠ΄Π° ΡΠ΅Π·Π΅ΡΠ²Π° (ΠΠΠ ), ΠΊΠΎΠ½ΡΡΠΎΠ»Ρ ΡΠ°Π·ΠΌΡΠΊΠ°Π½ΠΈΡ ΠΊΠΎΠ½ΡΠ°ΠΊΡΠΎΠ² Π² Π²Π°ΠΊΡΡΠΌΠ½ΡΡ ΠΊΠ°ΠΌΠ΅ΡΠ°Ρ Π²ΡΠΊΠ»ΡΡΠ°ΡΠ΅Π»Ρ ΠΈ Π΄Ρ.
Π£ΡΡΡΠΎΠΉΡΡΠ²ΠΎ ΡΠΎΡΡΠΎΠΈΡ ΠΈΠ· Π±Π»ΠΎΠΊΠ° ΠΈΠ½Π΄ΠΈΠΊΠ°ΡΠΈΠΈ (Ρ Π΄Π²ΡΠΌΡ ΡΠ΅Π»Π΅ Β«ΡΡΡ
ΠΎΠΉ ΠΊΠΎΠ½ΡΠ°ΠΊΡΒ»), ΡΡΡΡ
Π΅ΠΌΠΊΠΎΡΡΠ½ΡΡ
ΠΈΠ»ΠΈ ΡΠ΅Π·ΠΈΡΡΠΈΠ²Π½ΡΡ
ΡΠ»Π΅ΠΊΡΡΠΎΠ΄ΠΎΠ² ΡΠ²ΡΠ·ΠΈ ΠΈ ΠΊΠΎΠΌΠΏΠ»Π΅ΠΊΡΠ° ΡΠΎΠ΅Π΄ΠΈΠ½ΠΈΡΠ΅Π»ΡΠ½ΡΡ
ΠΊΠ°Π±Π΅Π»Π΅ΠΉ. ΠΠ° ΠΏΠ΅ΡΠ΅Π΄Π½Π΅ΠΉ ΠΏΠ°Π½Π΅Π»ΠΈ Π±Π»ΠΎΠΊΠ° ΠΏΡΠΈΡΡΡΡΡΠ²ΡΡΡ ΡΡΠΈ ΠΊΡΠ°ΡΠ½ΡΡ
ΡΠ²Π΅ΡΠΎΠ΄ΠΈΠΎΠ΄Π°, Π΄ΠΎΠΏΠΎΠ»Π½ΠΈΡΠ΅Π»ΡΠ½ΡΠΉ ΡΠ²Π΅ΡΠΎΠ΄ΠΈΠΎΠ΄ Π·Π΅Π»ΡΠ½ΠΎΠ³ΠΎ ΡΠ²Π΅ΡΠ°, ΠΈΠ½Π΄ΠΈΡΠΈΡΡΡΡΠΈΠΉ ΠΏΡΠΈΡΡΡΡΡΠ²ΠΈΠ΅ Π² Π±Π»ΠΎΠΊΠ΅ Π²ΡΠΏΠΎΠΌΠΎΠ³Π°ΡΠ΅Π»ΡΠ½ΠΎΠ³ΠΎ Π½Π°ΠΏΡΡΠΆΠ΅Π½ΠΈΡ, ΠΈ ΡΡΠΈ ΠΊΠΎΠ½ΡΡΠΎΠ»ΡΠ½ΡΡ
ΡΠ°Π·ΡΡΠΌΠ°.
Π Π±Π»ΠΎΠΊ Π²ΡΡΡΠΎΠ΅Π½Ρ Π΄Π²Π° ΡΠ΅Π»Π΅ Π1 ΠΈ Π2. Π Π΅Π»Π΅ Π1 ΡΡΠ°Π±Π°ΡΡΠ²Π°Π΅Ρ, ΠΊΠΎΠ³Π΄Π° ΠΏΡΠΈΡΡΡΡΡΠ²ΡΡΡ Π²ΡΠ΅ ΡΡΠΈ ΡΠ°Π·Ρ ΡΠ°Π±ΠΎΡΠ΅Π³ΠΎ Π½Π°ΠΏΡΡΠΆΠ΅Π½ΠΈΡ. Π Π΅Π»Π΅ Π2 ΡΡΠ°Π±Π°ΡΡΠ²Π°Π΅Ρ Π½Π° ΡΠΎΡΡΠΎΡΠ½ΠΈΠ΅ Π±Π΅Π· Π½Π°ΠΏΡΡΠΆΠ΅Π½ΠΈΡ. Π Π΄ΡΡΠ³ΠΈΡ
ΡΠ»ΡΡΠ°ΡΡ
ΡΠ΅Π»Π΅ Π½Π΅ Π°ΠΊΡΠΈΠ²Π½Ρ. ΠΠ»Ρ ΡΠ°Π±ΠΎΡΡ ΡΡΠ΅Π±ΡΠ΅ΡΡΡ Π²ΡΠΏΠΎΠΌΠΎΠ³Π°ΡΠ΅Π»ΡΠ½ΠΎΠ΅ Π½Π°ΠΏΡΡΠΆΠ΅Π½ΠΈΠ΅ ΠΏΠΈΡΠ°Π½ΠΈΡ 100-350 Π ΠΏΠΎΡΡΠΎΡΠ½Π½ΠΎΠ΅ ΠΈΠ»ΠΈ 85-250 Π ΠΏΠ΅ΡΠ΅ΠΌΠ΅Π½Π½ΠΎΠ΅ ΡΠ°ΡΡΠΎΡΠΎΠΉ 50-400 ΠΡ. ΠΠΎΠ·ΠΌΠΎΠΆΠ½ΠΎ Π΄ΡΡΠ³ΠΎΠ΅ Π½Π°ΠΏΡΡΠΆΠ΅Π½ΠΈΠ΅ ΠΏΠΈΡΠ°Π½ΠΈΡ ΠΏΠΎ ΡΠΎΠ³Π»Π°ΡΠΎΠ²Π°Π½ΠΈΡ Ρ Π·Π°ΠΊΠ°Π·ΡΠΈΠΊΠΎΠΌ. ΠΠΎΠ½ΡΡΠΎΠ»ΡΠ½ΡΠ΅ Π³Π½ΡΠ·Π΄Π° ΠΈΡΠΏΠΎΠ»ΡΠ·ΡΡΡΡΡ Π΄Π»Ρ ΠΏΡΠΎΠ²Π΅ΡΠΊΠΈ Π±Π»ΠΎΠΊΠ° ΠΈΠ½Π΄ΠΈΠΊΠ°ΡΠΈΠΈ ΠΏΡΠΈΠ±ΠΎΡΠΎΠΌ Π’ΠΠ, Π° ΡΠ°ΠΊΠΆΠ΅ Π΄Π»Ρ Β«Π³ΠΎΡΡΡΠ΅ΠΉΒ» ΡΠ°Π·ΠΈΡΠΎΠ²ΠΊΠΈ, ΠΎΠΏΡΠ΅Π΄Π΅Π»Π΅Π½ΠΈΡ ΠΏΠΎΡΠ»Π΅Π΄ΠΎΠ²Π°ΡΠ΅Π»ΡΠ½ΠΎΡΡΠΈ ΡΠ°Π· ΠΏΡΠΈΠ±ΠΎΡΠΎΠΌ ΠΠ€-3. ΠΠ³ΡΠ°Π½ΠΈΡΠΈΡΠ΅Π»Ρ Π½Π°ΠΏΡΡΠΆΠ΅Π½ΠΈΡ Π½Π° ΠΊΠΎΠ½ΡΡΠΎΠ»ΡΠ½ΡΡ
Π³Π½ΡΠ·Π΄Π°Ρ
Π°Π½Π°Π»ΠΎΠ³ΠΈΡΠ΅Π½ Π²ΡΡΡΠΎΠ΅Π½Π½ΠΎΠΌΡ Π² ΡΠ»Π΅ΠΊΡΡΠΎΠ΄ ΡΠ²ΡΠ·ΠΈ. ΠΠ°ΡΠΊΠΈΡΠΎΠ²ΠΊΠ° Π²ΡΠ²ΠΎΠ΄Π° ΡΠΊΠ°Π·Π°Π½Π° Π½Π° ΡΠΈΠ»ΡΠ΄Π΅ Π½Π° Π±Π»ΠΎΠΊΠ΅ ΠΈΠ½Π΄ΠΈΠΊΠ°ΡΠΈΠΈ.
ΠΠ»Ρ ΠΈΠ½Π΄ΠΈΠΊΠ°ΡΠΈΠΈ ΡΠ°Π±ΠΎΡΠ΅Π³ΠΎ Π½Π°ΠΏΡΡΠΆΠ΅Π½ΠΈΡ ΡΠ²Π΅ΡΠΎΠ΄ΠΈΠΎΠ΄Π°ΠΌΠΈ Π½Π΅ ΡΡΠ΅Π±ΡΠ΅ΡΡΡ Π²Π½Π΅ΡΠ½Π΅Π΅ ΠΏΠΈΡΠ°Π½ΠΈΠ΅. Π£ΡΡΡΠΎΠΉΡΡΠ²ΠΎ Π½Π΅ Π½ΡΠΆΠ½ΠΎ ΠΎΡΠΊΠ»ΡΡΠ°ΡΡ ΠΏΡΠΈ Π²ΡΡΠΎΠΊΠΎΠ²ΠΎΠ»ΡΡΠ½ΡΡ
ΠΈΡΠΏΡΡΠ°Π½ΠΈΡΡ
ΠΏΡΠΎΠΌΡΡΠ»Π΅Π½Π½ΠΎΠΉ ΡΠ°ΡΡΠΎΡΡ, ΠΈΠ·ΠΌΠ΅ΡΠ΅Π½ΠΈΠΈ ΡΠΎΠΏΡΠΎΡΠΈΠ²Π»Π΅Π½ΠΈΡ ΠΈΠ·ΠΎΠ»ΡΡΠΈΠΈ ΠΏΠ΅ΡΠ²ΠΈΡΠ½ΡΡ
ΠΈ Π²ΡΠΎΡΠΈΡΠ½ΡΡ
ΡΠ΅ΠΏΠ΅ΠΉ ΠΌΠ΅Π³Π°ΠΎΠΌΠΌΠ΅ΡΡΠΎΠΌ, ΠΈΡΠΏΡΡΠ°Π½ΠΈΡΡ
Π½Π° Π³ΡΠΎΠ·ΠΎΠ²ΠΎΠΉ ΠΈΠΌΠΏΡΠ»ΡΡ. ΠΡΠ»ΠΈ Π² ΠΏΡΠΎΡΠ΅ΡΡΠ΅ ΡΠΊΡΠΏΠ»ΡΠ°ΡΠ°ΡΠΈΠΈ ΠΎΠ±ΠΎΡΡΠ΄ΠΎΠ²Π°Π½ΠΈΡ Π·Π°ΠΏΠ»Π°Π½ΠΈΡΠΎΠ²Π°Π½Ρ ΠΈΡΠΏΡΡΠ°Π½ΠΈΡ ΠΏΠΎΡΡΠΎΡΠ½Π½ΡΠΌ ΠΈΠ»ΠΈ Π²ΡΠΏΡΡΠΌΠ»Π΅Π½Π½ΡΠΌ Π½Π°ΠΏΡΡΠΆΠ΅Π½ΠΈΠ΅ΠΌ Π±ΠΎΠ»Π΅Π΅ 5 ΠΊΠ, ΡΠΎ Π² Π·Π°ΡΠ²ΠΊΠ°Ρ
, ΠΎΠΏΡΠΎΡΠ½ΡΡ
Π»ΠΈΡΡΠ°Ρ
ΡΠΊΠ°Π·ΡΠ²Π°ΡΡ ΠΊΠΎΠΌΠΏΠ»Π΅ΠΊΡΠ°ΡΠΈΡ ΡΡΡΡΠΎΠΉΡΡΠ² Π΅ΠΌΠΊΠΎΡΡΠ½ΡΠΌΠΈ ΡΠ»Π΅ΠΊΡΡΠΎΠ΄Π°ΠΌΠΈ ΡΠ²ΡΠ·ΠΈ.
Π ΡΠΎΠΎΡΠ²Π΅ΡΡΡΠ²ΠΈΠΈ Ρ ΡΡΠ΅Π±ΠΎΠ²Π°Π½ΠΈΡΠΌΠΈ ΡΡΠ°Π½Π΄Π°ΡΡΠ° ΠΠΠ Β«Π€Π‘Π ΠΠΠ‘Β» Π‘Π’Π 56947007-29.130.20.104-2011 Β«Π’ΠΈΠΏΠΎΠ²ΡΠ΅ ΡΠ΅Ρ Π½ΠΈΡΠ΅ΡΠΊΠΈΠ΅ ΡΡΠ΅Π±ΠΎΠ²Π°Π½ΠΈΡ ΠΊ ΠΠ Π£ ΠΊΠ»Π°ΡΡΠΎΠ² Π½Π°ΠΏΡΡΠΆΠ΅Π½ΠΈΡ 6-35 ΠΊΠΒ», ΡΠ»Π΅ΠΊΡΡΠΎΠ΄Ρ ΡΠ²ΡΠ·ΠΈ Π²ΡΠ΄Π΅ΡΠΆΠΈΠ²Π°ΡΡ Π²ΡΡΠΎΠΊΠΎΠ²ΠΎΠ»ΡΡΠ½ΡΠ΅ ΠΈΡΠΏΡΡΠ°Π½ΠΈΡ Π½Π°ΠΏΡΡΠΆΠ΅Π½ΠΈΠ΅ΠΌ ΠΏΡΠΎΠΌΡΡΠ»Π΅Π½Π½ΠΎΠΉ ΡΠ°ΡΡΠΎΡΡ 5 ΠΌΠΈΠ½ΡΡ. ΠΡΡ ΠΎΠ΄Π½ΠΎΠΉ ΡΠΈΠ³Π½Π°Π» Ρ Π»ΡΠ±ΠΎΠ³ΠΎ ΡΠΈΠΏΠ° ΡΠ»Π΅ΠΊΡΡΠΎΠ΄Π° ΡΠ²ΡΠ·ΠΈ 10-12 Π, ~ 90 ΠΌΠΊΠ.
ΠΠ»Π°ΡΡ Π½Π°ΠΏΡΡΠΆΠ΅Π½ΠΈΡ ΡΡΡΡΠΎΠΉΡΡΠ²Π° ΠΎΠΏΡΠ΅Π΄Π΅Π»ΡΠ΅ΡΡΡ ΠΈΡΠΏΠΎΠ»Π½Π΅Π½ΠΈΠ΅ΠΌ ΡΠ»Π΅ΠΊΡΡΠΎΠ΄ΠΎΠ² ΡΠ²ΡΠ·ΠΈ. Π§Π΅ΡΡΠ΅ΠΆΠΈ ΡΠ»Π΅ΠΊΡΡΠΎΠ΄ΠΎΠ² ΡΠ²ΡΠ·ΠΈ, Π² Π·Π°Π²ΠΈΡΠΈΠΌΠΎΡΡΠΈ ΠΎΡ Π³Π°Π±Π°ΡΠΈΡΠ½ΠΎ-ΠΏΡΠΈΡΠΎΠ΅Π΄ΠΈΠ½ΠΈΡΠ΅Π»ΡΠ½ΡΡ ΡΠ°Π·ΠΌΠ΅ΡΠΎΠ², ΠΊΠ»Π°ΡΡΠ° Π½Π°ΠΏΡΡΠΆΠ΅Π½ΠΈΡ, ΠΌΠ΅Ρ Π°Π½ΠΈΡΠ΅ΡΠΊΠΎΠΉ ΠΏΡΠΎΡΠ½ΠΎΡΡΠΈ Π½Π° ΠΈΠ·Π³ΠΈΠ± β Π½Π° ΡΡΡΠ°Π½ΠΈΡΠ΅ Β«Π£ΡΡΡΠΎΠΉΡΡΠ²ΠΎ ΠΈΠ½Π΄ΠΈΠΊΠ°ΡΠΈΠΈ Π½Π°ΠΏΡΡΠΆΠ΅Π½ΠΈΡΒ».
Π’Π΅Ρ Π½ΠΈΡΠ΅ΡΠΊΠΈΠ΅ Ρ Π°ΡΠ°ΠΊΡΠ΅ΡΠΈΡΡΠΈΠΊΠΈ:
| ΠΠΈΠ°ΠΏΠ°Π·ΠΎΠ½ ΡΠ°ΡΡΠΎΡ ΡΠ°Π±ΠΎΡΠ΅Π³ΠΎ Π½Π°ΠΏΡΡΠΆΠ΅Π½ΠΈΡ, ΠΡ | ΠΎΡ 50 Π΄ΠΎ 60 |
| ΠΠΎΡΠΎΠ³ΠΎΠ²ΠΎΠ΅ Π·Π½Π°ΡΠ΅Π½ΠΈΠ΅ ΠΈΠ½Π΄ΠΈΠΊΠ°ΡΠΈΠΈ Π½Π°ΠΏΡΡΠΆΠ΅Π½ΠΈΡ, Π½Π΅ Π±ΠΎΠ»Π΅Π΅ | 0,45 Unom* |
| ΠΠ°ΠΊΡΠΈΠΌΠ°Π»ΡΠ½ΠΎΠ΅ Π²ΡΠ΅ΠΌΡ ΡΠ΅Π°ΠΊΡΠΈΠΈ Π½Π° ΠΈΠ·ΠΌΠ΅Π½Π΅Π½ΠΈΡ Π½Π°ΠΏΡΡΠΆΠ΅Π½ΠΈΡ Π½Π΅ Π±ΠΎΠ»Π΅Π΅, Ρ | 1 |
| ΠΠ°ΠΊΡΠΈΠΌΠ°Π»ΡΠ½ΠΎΠ΅ Π½Π°ΠΏΡΡΠΆΠ΅Π½ΠΈΠ΅ Π½Π° Π±Π»ΠΎΠΊΠ΅ ΠΈΠ½Π΄ΠΈΠΊΠ°ΡΠΈΠΈ, Π | 90** |
| ΠΠΎΠΏΡΡΡΠΈΠΌΡΠΉ Π΄ΠΈΠ°ΠΏΠ°Π·ΠΎΠ½Β ΠΏΠΈΡΠ°ΡΡΠ΅Π³ΠΎΒ Π½Π°ΠΏΡΡΠΆΠ΅Π½ΠΈΡ, AC\DC, Π | 85-250/100-350 |
| ΠΠ°ΠΊΡΠΈΠΌΠ°Π»ΡΠ½ΡΠΉ ΡΠΎΠΊ ΠΊΠΎΠ½ΡΠ°ΠΊΡΠΎΠ²Β ΡΠ΅Π»Π΅ (ΠΏΡΠΈΒ Π½Π°ΠΏΡΡΠΆΠ΅Π½ΠΈΠΈ ~220B), Π | 3 |
| Π Π°Π±ΠΎΡΠΈΠΉΒ Π΄ΠΈΠ°ΠΏΠ°Π·ΠΎΠ½Β ΡΠ΅ΠΌΠΏΠ΅ΡΠ°ΡΡΡΒ ΠΎΠΊΡΡΠΆΠ°ΡΡΠ΅Π³ΠΎΒ Π²ΠΎΠ·Π΄ΡΡ Π°, ΒΊΠ‘ | ΠΎΡ ΠΌΠΈΠ½ΡΡ 25 Π΄ΠΎ ΠΏΠ»ΡΡ 40 |
* ΠΠΎ ΡΠΎΠ³Π»Π°ΡΠΎΠ²Π°Π½ΠΈΡ Ρ Π·Π°ΠΊΠ°Π·ΡΠΈΠΊΠΎΠΌ ΠΏΠΎΡΠΎΠ³ΠΎΠ²ΠΎΠ΅ Π·Π½Π°ΡΠ΅Π½ΠΈΠ΅ ΠΏΡΠΈΡΡΡΡΡΠ²ΠΈΡ Π½Π°ΠΏΡΡΠΆΠ΅Π½ΠΈΡ ΠΌΠΎΠΆΠ΅Ρ Π±ΡΡΡ ΠΈΠ·ΠΌΠ΅Π½Π΅Π½ΠΎ.
** ΠΠΏΡΠ΅Π΄Π΅Π»ΡΠ΅ΡΡΡ Π½Π°ΠΏΡΡΠΆΠ΅Π½ΠΈΠ΅ΠΌ ΡΡΠ°Π±Π°ΡΡΠ²Π°Π½ΠΈΡ ΡΠ°Π·ΡΡΠ΄Π½ΠΈΠΊΠ° Π²ΡΡΡΠΎΠ΅Π½Π½ΡΡ
ΡΠ΅ΠΏΠ΅ΠΉ Π·Π°ΡΠΈΡΡ
ΠΠΎΠΌΠΏΠ»Π΅ΠΊΡΠ½ΠΎΡΡΡ:
| ΠΠ°ΠΈΠΌΠ΅Π½ΠΎΠ²Π°Π½ΠΈΠ΅ | ΠΠ±ΠΎΠ·Π½Π°ΡΠ΅Π½ΠΈΠ΅ | ΠΠΎΠ»-Π²ΠΎ, ΡΡ | ΠΡΠΈΠΌΠ΅ΡΠ°Π½ΠΈΠ΅ |
| ΠΠ»ΠΎΠΊ ΠΈΠ½Π΄ΠΈΠΊΠ°ΡΠΈΠΈ UN003-01-000-00 | Β | 1 | Β |
| ΠΠ»Π΅ΠΊΡΡΠΎΠ΄ ΡΠ²ΡΠ·ΠΈ | ΠΠΠΠ 10-1,5-165-00, ΠΠΠΠ 10-1,5-165-01, ΠΠΠΠ 10-1,5-165-02, ΠΠΠΠ 10-5-165-03, ΠΠΠΠ 10-5-165-05, ΠΠΠΠ 10-5-165-07, ΠΠΠΠ 10-5-165-09, ΠΠΠΠ 10-1,5-165-50, ΠΠΠΠ 10-8-035-20, ΠΠΠΠ 20-1,5-127-00 ΠΈΠ»ΠΈ ΠΠΠΠ 35-1,5-025-00 | Β 3 | Β |
| Π‘ΠΎΠ΅Π΄ΠΈΠ½ΠΈΡΠ΅Π»ΡΠ½ΡΠΉ ΠΊΠ°Π±Π΅Π»Ρ | Β | 3 | Β Β ΠΠ»ΠΈΠ½Π° ΠΊΠ°Π±Π΅Π»Ρ ΠΎΠΏΡΠ΅Π΄Π΅Π»ΡΠ΅ΡΡΡ ΠΏΡΠΈ Π·Π°ΠΊΠ°Π·Π΅ |
| Π’Π΅ΡΡΠΈΡΡΡΡΠΈΠΉ ΠΏΡΠΈΠ±ΠΎΡ | Π’ΠΠ | 1 | Β ΠΠΎΡΡΠ°Π²Π»ΡΠ΅ΡΡΡ ΠΏΠΎ ΠΎΡΠ΄Π΅Π»ΡΠ½ΠΎΠΌΡ Π·Π°ΠΊΠ°Π·Ρ |
| ΠΠ½Π΄ΠΈΠΊΠ°ΡΠΎΡ ΡΠ°Π·Β | ΠΠ€-3 | 1 | ΠΠΎΡΡΠ°Π²Π»ΡΠ΅ΡΡΡ ΠΏΠΎ ΠΎΡΠ΄Π΅Π»ΡΠ½ΠΎΠΌΡ Π·Π°ΠΊΠ°Π·Ρ |
| Π ΡΠΊΠΎΠ²ΠΎΠ΄ΡΡΠ²ΠΎ ΠΏΠΎ ΡΠΊΡΠΏΠ»ΡΠ°ΡΠ°ΡΠΈΠΈ | UN003-01-000-00 | Β | Β 1ΡΡ. Π½Π° ΠΏΠΎΡΡΠ°Π²Π»ΡΠ΅ΠΌΡΡ ΠΏΠ°ΡΡΠΈΡ ΠΈΠ·Π΄Π΅Π»ΠΈΠΉ |
Π Π°Π·Π΄Π΅Π» ΠΠ»Π΅ΠΊΡΡΠΎ, ΠΡΠΈΠΎΡΠ° — ΠΏΡΠ΅Π΄ΠΎΡ ΡΠ°Π½ΠΈΡΠ΅Π»ΠΈ
ΠΠ°Π΄Π° ΠΡΠΈΠΎΡΠ° Π²ΡΡΠ»Π° Π½Π° ΡΡΠ½ΠΎΠΊ Π² 2007 Π³ΠΎΠ΄Ρ Π² ΠΊΡΠ·ΠΎΠ²Π΅ ΡΠ΅Π΄Π°Π½ (Lada 2170) ΠΈ Ρ ΡΡΡΠ±Π΅ΠΊ (Lada 2172). ΠΡΠΈΠΎΡΠ° ΡΠ½ΠΈΠ²Π΅ΡΡΠ°Π» (Lada 2171) ΠΏΠΎΡΠ²ΠΈΠ»Π°ΡΡ Π² 2009 Π³ΠΎΠ΄Ρ, Π° ΠΊΡΠΏΠ΅ (Lada 21728) Π² 2010. ΠΡΠ΅ ΠΌΠΎΠ΄Π΅Π»ΠΈ ΠΎΡΠ½Π°ΡΠ΅Π½Ρ Π΄ΠΎΡΡΠ°ΡΠΎΡΠ½ΠΎ ΠΌΠΎΡΠ½ΡΠΌΠΈ 90 ΠΈ 98-ΡΠΈΠ»ΡΠ½ΡΠΌΠΈ Π΄Π²ΠΈΠ³Π°ΡΠ΅Π»ΡΠΌΠΈ(ΠΠ²ΡΠΎ-3,4). Π ΠΎΠΊΡΡΠ±ΡΠ΅ 2013 Π³ΠΎΠ΄Π° Π²ΡΡΠ»Π° ΠΎΠ±Π½ΠΎΠ²Π»Π΅Π½Π½Π°Ρ ΠΏΡΠΈΠΎΡΠ°. Π 2014 Π³ΠΎΠ΄Ρ Π²ΡΡ ΠΎΠ΄ΠΈΡ ΠΡΠΈΠΎΡΠ° Ρ «ΡΠΎΠ±ΠΎΡΠΎΠΌ», ΠΊΠΎΡΠΎΡΠ°Ρ ΠΊΠΎΠΌΠΏΠ»Π΅ΠΊΡΡΠ΅ΡΡΡ 106 ΡΠΈΠ»ΡΠ½ΡΠΌ ΠΌΠΎΡΠΎΡΠΎΠΌ.
ΠΠ»ΠΎΠΊ ΠΏΡΠ΅Π΄ΠΎΡ ΡΠ°Π½ΠΈΡΠ΅Π»Π΅ΠΉ — ΡΠ°ΡΠΏΠΎΠ»ΠΎΠΆΠ΅Π½ ΠΏΠΎΠ΄ ΠΏΠ°Π½Π΅Π»ΡΡ ΠΏΡΠΈΠ±ΠΎΡΠΎΠ² ΡΠ»Π΅Π²Π°(ΠΎΡΠ½ΠΎΠ²Π½ΠΎΠΉ Π±Π»ΠΎΠΊ). ΠΠ»Ρ Π΄ΠΎΡΡΡΠΏΠ° Π½Π΅ΠΎΠ±Ρ ΠΎΠ΄ΠΈΠΌΠΎ ΡΠ½ΡΡΡ ΠΊΡΡΡΠΊΡ (3 ΠΏΠ»Π°ΡΡΠΈΠΊΠΎΠ²ΡΡ Π·Π°ΠΌΠΊΠ°). ΠΠ»ΠΎΠΊ ΡΠΈΠ»ΠΎΠ²ΡΡ ΠΏΡΠ΅Π΄ΠΎΡ ΡΠ°Π½ΠΈΡΠ΅Π»Π΅ΠΉ Π½Π°Ρ ΠΎΠ΄ΠΈΡΡΡ ΠΏΠΎΠ΄ ΠΊΠ°ΠΏΠΎΡΠΎΠΌ. ΠΠ»ΠΎΠΊ ΠΏΡΠ΅Π΄ΠΎΡ ΡΠ°Π½ΠΈΡΠ΅Π»Π΅ΠΉ ΠΠ‘Π£Π — Π½Π°Ρ ΠΎΠ΄ΠΈΡΡΡ Π² ΡΠ΅Π½ΡΡΠ°Π»ΡΠ½ΠΎΠΉ ΠΊΠΎΠ½ΡΠΎΠ»ΠΈ, Π΄ΠΎΡΡΡΠΏ ΡΠΏΡΠ°Π²Π°.
ΠΠΎΠ½ΡΠ°ΠΆΠ½ΡΠΉ Π±Π»ΠΎΠΊ 2170 «ΠΠΎΡΠΌΠ°»
| Π1 | Π Π΅Π»Π΅ ΡΠ»Π΅ΠΊΡΡΠΎΠ²Π΅Π½ΡΠΈΠ»ΡΡΠΎΡΠ° ΡΠΈΡΡΠ΅ΠΌΡ ΠΎΡ Π»Π°ΠΆΠ΄Π΅Π½ΠΈΡ Π΄Π²ΠΈΠ³Π°ΡΠ΅Π»Ρ |
|---|---|
| Π2 | Π Π΅Π»Π΅ Π²ΠΊΠ»ΡΡΠ΅Π½ΠΈΡ ΠΎΠ±ΠΎΠ³ΡΠ΅Π²Π° Π·Π°Π΄Π½Π΅Π³ΠΎ ΡΡΠ΅ΠΊΠ»Π° |
| Π3 | Π Π΅Π»Π΅ Π²ΠΊΠ»ΡΡΠ΅Π½ΠΈΡ ΡΡΠ°ΡΡΠ΅ΡΠ° |
| Π4 | ΠΠΎΠΏΠΎΠ»Π½ΠΈΡΠ΅Π»ΡΠ½ΠΎΠ΅ ΡΠ΅Π»Π΅(ΡΠ΅Π»Π΅ Π·Π°ΠΆΠΈΠ³Π°Π½ΠΈΡ) |
| Π5 | ΠΠ΅ΡΡΠΎ Π΄Π»Ρ ΡΠ΅Π·Π΅ΡΠ²Π½ΠΎΠ³ΠΎ ΡΠ΅Π»Π΅ |
| Π6 | Π Π΅Π»Π΅ ΠΎΠΌΡΠ²Π°ΡΠ΅Π»Ρ ΠΈ ΠΎΡΠΈΡΡΠΈΡΠ΅Π»Ρ Π²Π΅ΡΡΠΎΠ²ΠΎΠ³ΠΎ ΡΡΠ΅ΠΊΠ»Π° |
| Π7 | Π Π΅Π»Π΅ Π²ΠΊΠ»ΡΡΠ΅Π½ΠΈΡ Π΄Π°Π»ΡΠ½Π΅Π³ΠΎ ΡΠ²Π΅ΡΠ° ΡΠ°Ρ |
| Π8 | Π Π΅Π»Π΅ Π²ΠΊΠ»ΡΡΠ΅Π½ΠΈΡ Π·Π²ΡΠΊΠΎΠ²ΠΎΠ³ΠΎ ΡΠΈΠ³Π½Π°Π»Π° |
| Π9 | Π Π΅Π»Π΅ Π²ΠΊΠ»ΡΡΠ΅Π½ΠΈΡ ΡΡΠ΅Π²ΠΎΠΆΠ½ΠΎΠ³ΠΎ ΡΠΈΠ³Π½Π°Π»Π° |
| Π10 | ΠΠ΅ΡΡΠΎ Π΄Π»Ρ ΡΠ΅Π·Π΅ΡΠ²Π½ΠΎΠ³ΠΎ ΡΠ΅Π»Π΅ |
| Π11 | ΠΠ΅ΡΡΠΎ Π΄Π»Ρ ΡΠ΅Π·Π΅ΡΠ²Π½ΠΎΠ³ΠΎ ΡΠ΅Π»Π΅ |
| Π12 | ΠΠ΅ΡΡΠΎ Π΄Π»Ρ ΡΠ΅Π·Π΅ΡΠ²Π½ΠΎΠ³ΠΎ ΡΠ΅Π»Π΅ |
| β ΠΏΡΠ΅Π΄ΠΎΡ ΡΠ°Π½ΠΈΡΠ΅Π»Ρ | ΠΠ°ΡΠΈΡΠ°Π΅ΠΌΡΠ΅ ΡΠ΅ΠΏΠΈ |
|---|---|
| F1(25A) | ΠΠ»Π΅ΠΊΡΡΠΎΠ²Π΅Π½ΡΠΈΠ»ΡΡΠΎΡ ΡΠ°Π΄ΠΈΠ°ΡΠΎΡΠ° ΡΠΈΡΡΠ΅ΠΌΡ ΠΎΡ Π»Π°ΠΆΠ΄Π΅Π½ΠΈΡ Π΄Π²ΠΈΠ³Π°ΡΠ΅Π»Ρ |
| F2(25A) | ΠΠ±ΠΎΠ³ΡΠ΅Π² Π·Π°Π΄Π½Π΅Π³ΠΎ ΡΡΠ΅ΠΊΠ»Π° |
| F3(10A) | ΠΠ°Π»ΡΠ½ΠΈΠΉ ΡΠ²Π΅Ρ(ΠΏΡΠ°Π²ΡΠΉ Π±ΠΎΡΡ) |
| F4(10A) | ΠΠ°Π»ΡΠ½ΠΈΠΉ ΡΠ²Π΅Ρ(Π»Π΅Π²ΡΠΉ Π±ΠΎΡΡ) |
| F5(10A) | ΠΠ²ΡΠΊΠΎΠ²ΠΎΠΉ ΡΠΈΠ³Π½Π°Π» |
F6(7. 5A) | ΠΠ»ΠΈΠΆΠ½ΠΈΠΉ ΡΠ²Π΅Ρ(Π»Π΅Π²ΡΠΉ Π±ΠΎΡΡ) |
| F7(7.5A) | ΠΠ»ΠΈΠΆΠ½ΠΈΠΉ ΡΠ²Π΅Ρ(ΠΏΡΠ°Π²ΡΠΉ Π±ΠΎΡΡ) |
| F8(10A) | Π’ΡΠ΅Π²ΠΎΠΆΠ½ΡΠΉ ΡΠΈΠ³Π½Π°Π» |
| F9(25A) | ΠΠ΅Π½ΡΠΈΠ»ΡΡΠΎΡ ΠΎΡΠΎΠΏΠΈΡΠ΅Π»Ρ |
| F10(7.5A) | ΠΠΎΠΌΠ±ΠΈΠ½Π°ΡΠΈΡ ΠΏΡΠΈΠ±ΠΎΡΠΎΠ²(ΠΊΠ»Π΅ΠΌΠΌΠ°»30″).ΠΡΠ²Π΅ΡΠ΅Π½ΠΈΠ΅ ΡΠ°Π»ΠΎΠ½Π°.ΠΠ°ΠΌΠΏΡ ΡΡΠΎΠΏ-ΡΠΈΠ³Π½Π°Π»ΠΎΠ². |
| F11(20A) | Π‘ΡΠ΅ΠΊΠ»ΠΎΠΎΡΠΈΡΡΠΈΡΠ΅Π»Ρ,ΠΎΠ±ΠΎΠ³ΡΠ΅Π² Π·Π°Π΄Π½Π΅Π³ΠΎ ΡΡΠ΅ΠΊΠ»Π°(ΡΠΏΡΠ°Π²Π»Π΅Π½ΠΈΠ΅) |
| F12(10A) | ΠΡΠ²ΠΎΠ΄ «15» ΠΏΡΠΈΠ±ΠΎΡΠΎΠ² |
| F13(15A) | ΠΡΠΈΠΊΡΡΠΈΠ²Π°ΡΠ΅Π»Ρ |
| F14(5A) | ΠΠ°Π±Π°ΡΠΈΡΠ½ΡΠΉ ΡΠ²Π΅Ρ(Π»Π΅Π²ΡΠΉ Π±ΠΎΡΡ) |
| F15(5A) | ΠΠ°Π±Π°ΡΠΈΡΠ½ΡΠΉ ΡΠ²Π΅Ρ(ΠΏΡΠ°Π²ΡΠΉ Π±ΠΎΡΡ) |
| F16(10A) | ΠΡΠ²ΠΎΠ΄ «15» ΠΠΠ‘ |
| F17(10A) | ΠΡΠΎΡΠΈΠ²ΠΎΡΡΠΌΠ°Π½Π½Π°Ρ ΡΠ°ΡΠ° Π»Π΅Π²Π°Ρ |
| F18(10A) | ΠΡΠΎΡΠΈΠ²ΠΎΡΡΠΌΠ°Π½Π½Π°Ρ ΡΠ°ΡΠ° ΠΏΡΠ°Π²Π°Ρ |
| F19(15Π) | ΠΠ±ΠΎΠ³ΡΠ΅Π² ΡΠΈΠ΄Π΅Π½ΠΈΠΉ |
| F20(5A) | ΠΠ»ΠΎΠΊ ΡΠΏΡΠ°Π²Π»Π΅Π½ΠΈΡ ΠΈΠΌΠΌΠΎΠ±ΠΈΠ»ΠΈΠ·Π°ΡΠΎΡΠΎΠΌ |
| F21(7.5A) | ΠΠ°Π΄Π½ΠΈΠΉ ΠΏΡΠΎΡΠΈΠ²ΠΎΡΡΠΌΠ°Π½Π½ΡΠΉ ΡΠ²Π΅Ρ |
| F22-F30 | Π Π΅Π·Π΅ΡΠ²Π½ΠΎΠ΅ ΠΌΠ΅ΡΡΠΎ ΠΏΡΠ΅Π΄ΠΎΡ ΡΠ°Π½ΠΈΡΠ΅Π»Ρ |
| F31(30A) | ΠΠ»ΠΎΠΊ ΡΠΏΡΠ°Π²Π»Π΅Π½ΠΈΡ ΡΠ»Π΅ΠΊΡΡΠΎΡΡΠ΅ΠΊΠ»ΠΎΠΏΠ°ΠΊΠ΅ΡΠΎΠΌ |
| F32 | Π Π΅Π·Π΅ΡΠ²Π½ΠΎΠ΅ ΠΌΠ΅ΡΡΠΎ ΠΏΡΠ΅Π΄ΠΎΡ ΡΠ°Π½ΠΈΡΠ΅Π»Ρ |
ΠΠΎΠ½ΡΠ°ΠΆΠ½ΡΠΉ Π±Π»ΠΎΠΊ 2170 «ΠΠΎΡΠΌΠ°» + ΠΊΠΎΠ½Π΄ΠΈΡΠΈΠΎΠ½Π΅Ρ
| Π1 | Π Π΅Π·Π΅ΡΠ²Π½ΠΎΠ΅ ΡΠ΅Π»Π΅ |
|---|---|
| Π2 | Π Π΅Π»Π΅ Π²ΠΊΠ»ΡΡΠ΅Π½ΠΈΡ ΠΎΠ±ΠΎΠ³ΡΠ΅Π²Π° Π·Π°Π΄Π½Π΅Π³ΠΎ ΡΡΠ΅ΠΊΠ»Π° |
| Π3 | Π Π΅Π»Π΅ Π²ΠΊΠ»ΡΡΠ΅Π½ΠΈΡ ΡΡΠ°ΡΡΠ΅ΡΠ° |
| Π4 | ΠΠΎΠΏΠΎΠ»Π½ΠΈΡΠ΅Π»ΡΠ½ΠΎΠ΅ ΡΠ΅Π»Π΅(ΡΠ΅Π»Π΅ Π·Π°ΠΆΠΈΠ³Π°Π½ΠΈΡ) |
| Π5 | ΠΠ΅ΡΡΠΎ Π΄Π»Ρ ΡΠ΅Π·Π΅ΡΠ²Π½ΠΎΠ³ΠΎ ΡΠ΅Π»Π΅ |
| Π6 | Π Π΅Π»Π΅ Π²ΠΊΠ»ΡΡΠ΅Π½ΠΈΡ Π²ΡΡΠΎΠΊΠΎΠΉ ΡΠΊΠΎΡΠΎΡΡΠΈ(Π°Π²ΡΠΎΠΌΠ°ΡΠΈΡΠ΅ΡΠΊΠΈΠΉ ΡΠ΅ΠΆΠΈΠΌ) ΠΎΡΠΈΡΡΠΈΡΠ΅Π»Ρ Π²Π΅ΡΡΠΎΠ²ΠΎΠ³ΠΎ ΡΡΠ΅ΠΊΠ»Π° |
| Π7 | Π Π΅Π»Π΅ Π²ΠΊΠ»ΡΡΠ΅Π½ΠΈΡ Π΄Π°Π»ΡΠ½Π΅Π³ΠΎ ΡΠ²Π΅ΡΠ° ΡΠ°Ρ |
| Π8 | Π Π΅Π»Π΅ Π²ΠΊΠ»ΡΡΠ΅Π½ΠΈΡ Π·Π²ΡΠΊΠΎΠ²ΠΎΠ³ΠΎ ΡΠΈΠ³Π½Π°Π»Π° |
| Π9 | Π Π΅Π»Π΅ Π²ΠΊΠ»ΡΡΠ΅Π½ΠΈΡ ΡΡΠ΅Π²ΠΎΠΆΠ½ΠΎΠ³ΠΎ ΡΠΈΠ³Π½Π°Π»Π° |
| Π10 | Π Π΅Π»Π΅ Π²ΠΊΠ»ΡΡΠ΅Π½ΠΈΡ ΠΏΡΠΎΡΠΈΠ²ΠΎΡΡΠΌΠ°Π½Π½ΡΡ ΡΠ°Ρ |
| Π11 | Π Π΅Π»Π΅ Π²ΠΊΠ»ΡΡΠ΅Π½ΠΈΡ ΠΎΠ±ΠΎΠ³ΡΠ΅Π²Π° ΠΏΠ΅ΡΠ΅Π΄Π½ΠΈΡ ΡΠΈΠ΄Π΅Π½ΠΈΠΉ |
| Π12 | ΠΠ΅ΡΡΠΎ Π΄Π»Ρ ΡΠ΅Π·Π΅ΡΠ²Π½ΠΎΠ³ΠΎ ΡΠ΅Π»Π΅ |
| β ΠΏΡΠ΅Π΄ΠΎΡ ΡΠ°Π½ΠΈΡΠ΅Π»Ρ | ΠΠ°ΡΠΈΡΠ°Π΅ΠΌΡΠ΅ ΡΠ΅ΠΏΠΈ |
|---|---|
| F1 | Π Π΅Π·Π΅ΡΠ² |
| F2(25A) | Π Π΅Π»Π΅ ΠΎΠ±ΠΎΠ³ΡΠ΅Π²Π° Π·Π°Π΄Π½Π΅Π³ΠΎ ΡΡΠ΅ΠΊΠ»Π°. ΠΠΎΠ½ΡΡΠΎΠ»Π»Π΅Ρ ΡΠ»Π΅ΠΊΡΡΠΎΠΏΠ°ΠΊΠ΅ΡΠ°, ΠΊΠΎΠ½ΡΠ°ΠΊΡ 10 ΠΊΠΎΠ»ΠΎΠ΄ΠΊΠΈ XP2.
ΠΠ»Π΅ΠΌΠ΅Π½Ρ ΠΎΠ±ΠΎΠ³ΡΠ΅Π²Π° Π·Π°Π΄Π½Π΅Π³ΠΎ ΡΡΠ΅ΠΊΠ»Π°. |
| F3(10A) | ΠΠ°Π»ΡΠ½ΠΈΠΉ ΡΠ²Π΅Ρ(ΠΏΡΠ°Π²ΡΠΉ Π±ΠΎΡΡ). Π‘ΠΈΠ³Π½Π°Π»ΡΠ½Π°Ρ Π»Π°ΠΌΠΏΠ° Π΄Π°Π»ΡΠ½Π΅Π³ΠΎ ΡΠ²Π΅ΡΠ° Π² ΠΊΠΎΠΌΠ±ΠΈΠ½Π°ΡΠΈΠΈ ΠΏΡΠΈΠ±ΠΎΡΠΎΠ². |
| F4(10A) | ΠΠ°Π»ΡΠ½ΠΈΠΉ ΡΠ²Π΅Ρ(Π»Π΅Π²ΡΠΉ Π±ΠΎΡΡ) |
| F5(10A) | ΠΠ²ΡΠΊΠΎΠ²ΠΎΠΉ ΡΠΈΠ³Π½Π°Π» |
| F6(7.5A) | ΠΠ»ΠΈΠΆΠ½ΠΈΠΉ ΡΠ²Π΅Ρ(Π»Π΅Π²ΡΠΉ Π±ΠΎΡΡ) |
| F7(7.5A) | ΠΠ»ΠΈΠΆΠ½ΠΈΠΉ ΡΠ²Π΅Ρ(ΠΏΡΠ°Π²ΡΠΉ Π±ΠΎΡΡ) |
| F8(10A) | Π’ΡΠ΅Π²ΠΎΠΆΠ½ΡΠΉ ΡΠΈΠ³Π½Π°Π» |
| F9 | Π Π΅Π·Π΅ΡΠ² |
| F10(10A) | ΠΠΎΠΌΠ±ΠΈΠ½Π°ΡΠΈΡ ΠΏΡΠΈΠ±ΠΎΡΠΎΠ²(ΠΊΠΎΠ½ΡΠ°ΠΊΡ»20″). ΠΡΠ²Π΅ΡΠ΅Π½ΠΈΠ΅ ΡΠ°Π»ΠΎΠ½Π°. ΠΠ°ΠΌΠΏΡ ΡΡΠΎΠΏ-ΡΠΈΠ³Π½Π°Π»ΠΎΠ². ΠΠ»Π°ΡΠΎΠ½ ΠΏΠΎΡΠΎΠ³Π° ΠΏΠ΅ΡΠ΅Π΄Π½Π΅ΠΉ Π΄Π²Π΅ΡΠΈ(ΠΏΡΠ°Π²ΠΎΠΉ). ΠΠΎΠΏΠΎΠ»Π½ΠΈΡΠ΅Π»ΡΠ½ΡΠΉ ΡΠΈΠ³Π½Π°Π» ΡΠΎΡΠΌΠΎΠΆΠ΅Π½ΠΈΡ. |
| F11(20A) | Π‘ΡΠ΅ΠΊΠ»ΠΎΠΎΡΠΈΡΡΠΈΡΠ΅Π»Ρ(Π²ΡΡΠΎΠΊΠ°Ρ ΡΠΊΠΎΡΠΎΡΡΡ),ΠΏΠ΅ΡΠ΅ΠΊΠ»ΡΡΠ°ΡΠ΅Π»Ρ ΠΎΡΠΈΡΡΠΈΡΠ΅Π»Π΅ΠΉ ΠΈ ΠΎΠΌΡΠ²Π°ΡΠ΅Π»Π΅ΠΉ(53ah).ΠΡΠΊΠ»ΡΡΠ°ΡΠ΅Π»Ρ ΠΎΠ±ΠΎΠ³ΡΠ΅Π²Π° Π·Π°Π΄Π½Π΅Π³ΠΎ ΡΡΠ΅ΠΊΠ»Π°.
Π Π΅Π»Π΅ Π²ΠΊΠ»ΡΡΠ΅Π½ΠΈΡ ΠΎΠ±ΠΎΠ³ΡΠ΅Π²Π° Π·Π°Π΄Π½Π΅Π³ΠΎ ΡΡΠ΅Π»ΠΊΠ°(ΠΎΠ±ΠΌΠΎΡΠΊΠ°). ΠΠ»Π΅ΠΊΡΡΠΎΠ΄Π²ΠΈΠ³Π°ΡΠ΅Π»Ρ ΠΎΡΠΈΡΡΠΈΡΠ΅Π»Ρ Π²Π΅ΡΡΠΎΠ²ΠΎΠ³ΠΎ(+Π·Π°Π΄Π½Π΅Π³ΠΎ) ΡΡΠ΅ΠΊΠ»Π°. ΠΠΌΡΠ²Π°ΡΠ΅Π»Ρ Π²Π΅ΡΡΠΎΠ²ΠΎΠ³ΠΎ(+Π·Π°Π΄Π½Π΅Π³ΠΎ) ΡΡΠ΅ΠΊΠ»Π°.
ΠΠ»ΠΎΠΊ Π½Π°Π΄ΡΠ²Π½ΡΡ
ΠΏΠΎΠ΄ΡΡΠ΅ΠΊ Π±Π΅Π·ΠΎΠΏΠ°ΡΠ½ΠΎΡΡΠΈ(ΠΊΠΎΠ½ΡΠ°ΠΊΡ 25).![]() |
| F12(10A) | ΠΠΎΠΌΠ±ΠΈΠ½Π°ΡΠΈΡ ΠΏΡΠΈΠ±ΠΎΡΠΎΠ²(ΠΊΠΎΠ½ΡΠ°ΠΊΡ»21″). ΠΠΎΠ½ΡΡΠΎΠ»Π»Π΅Ρ ΡΠ»Π΅ΠΊΡΡΠΎΠΏΠ°ΠΊΠ΅ΡΠ°(ΠΊΠΎΠ½ΡΠ°ΠΊΡ X2-9). ΠΠ»ΠΎΠΊ ΡΠΏΡΠ°Π²Π»Π΅Π½ΠΈΡ ΡΠ»Π΅ΠΊΡΡΠΎΠΌΠ΅Ρ Π°Π½ΠΈΡ. ΡΡΠΈΠ»ΠΈΡΠ΅Π»Π΅ΠΌ ΡΡΠ»Ρ (ΠΊΠΎΠ½ΡΠ°ΠΊΡ X2-1). ΠΡΠΊΠ»ΡΡΠ°ΡΠ΅Π»Ρ Π»Π°ΠΌΠΏΡ ΡΠ²Π΅ΡΠ° Π·Π°Π΄Π½Π΅Π³ΠΎ Ρ ΠΎΠ΄Π°. ΠΠ°ΠΌΠΏΡ Π·Π°Π΄Π½Π΅Π³ΠΎ Ρ ΠΎΠ΄Π°. ΠΠ»ΠΎΠΊ ΡΠΏΡΠ°Π²Π»Π΅Π½ΠΈΡ ΡΠΈΡΡΠ΅ΠΌΡ ΠΏΠ°ΡΠΊΠΎΠ²ΠΊΠΈ.(ΠΊΠΎΠ½ΡΠ°ΠΊΡΡ 11, 14). |
| F13(15A) | ΠΡΠΈΠΊΡΡΠΈΠ²Π°ΡΠ΅Π»Ρ |
| F14(5A) | ΠΠ°Π±Π°ΡΠΈΡΠ½ΡΠΉ ΡΠ²Π΅Ρ(Π»Π΅Π²ΡΠΉ Π±ΠΎΡΡ), ΠΊΠΎΠΌΠ±ΠΈΠ½Π°ΡΠΈΡ ΠΏΡΠΈΠ±ΠΎΡΠΎΠ² — Π»Π°ΠΌΠΏΠ° Π½Π°ΡΡΠΆΠ½Π΅Π³ΠΎ ΠΎΡΠ²Π΅ΡΠ΅Π½ΠΈΡ. ΠΠΎΠ΄ΡΠ²Π΅ΡΠΊΠ° Π½ΠΎΠΌΠ΅ΡΠ°, Π±Π°Π³Π°ΠΆΠ½ΠΈΠΊΠ°. ΠΠΎΠ½ΡΡΠΎΠ»Π»Π΅Ρ ΡΠ»Π΅ΠΊΡΡΠΎΠΏΠ°ΠΊΠ΅ΡΠ° (ΠΊΠΎΠ½ΡΠ°ΠΊΡ X2-12). |
| F15(5A) | ΠΠ°Π±Π°ΡΠΈΡΠ½ΡΠΉ ΡΠ²Π΅Ρ(ΠΏΡΠ°Π²ΡΠΉ Π±ΠΎΡΡ). ΠΠ»Π°ΡΠΎΠ½ ΠΎΡΠ²Π΅ΡΠ΅Π½ΠΈΡ Π²Π΅ΡΠ΅Π²ΠΎΠ³ΠΎ ΡΡΠΈΠΊΠ°. |
| F16(10A) | ΠΠΠ‘ ΠΊΠΎΠ½ΡΠ°ΠΊΡ 18. |
| F17(10A) | ΠΡΠΎΡΠΈΠ²ΠΎΡΡΠΌΠ°Π½Π½Π°Ρ ΡΠ°ΡΠ° Π»Π΅Π²Π°Ρ |
| F18(10A) | ΠΡΠΎΡΠΈΠ²ΠΎΡΡΠΌΠ°Π½Π½Π°Ρ ΡΠ°ΡΠ° ΠΏΡΠ°Π²Π°Ρ |
| F19(15Π) | ΠΡΠΊΠ»ΡΡΠ°ΡΠ΅Π»Ρ ΠΎΠ±ΠΎΠ³ΡΠ΅Π²Π° ΡΠΈΠ΄Π΅Π½ΠΈΠΉ(ΠΊΠΎΠ½ΡΠ°ΠΊΡ 1). ΠΠ±ΠΎΠ³ΡΠ΅Π²Π°ΡΠ΅Π»ΠΈ ΠΏΠ΅ΡΠ΅Π΄Π½ΠΈΡ ΡΠΈΠ΄Π΅Π½ΠΈΠΉ. |
| F20(10Π) | ΠΡΠΊΠ»ΡΡΠ°ΡΠ΅Π»Ρ ΡΠ΅ΡΠΈΡΠΊΡΠ»ΡΡΠΈΠΈ(ΡΠΈΠ³Π½Π°Π»ΠΈΠ·Π°ΡΠΎΡ Π²ΠΊΠ»ΡΡΠ΅Π½ΠΈΡ). Π Π΅Π»Π΅ Π²ΠΊΠ»ΡΡΠ΅Π½ΠΈΡ Π±Π»ΠΈΠΆΠ½Π΅Π³ΠΎ ΡΠ²Π΅ΡΠ° ΠΈ Π³Π°Π±Π°ΡΠΈΡΠΎΠ²(ΡΠΈΡΡΠ΅ΠΌΠ° Π°Π²ΡΠΎΠΌΠ°ΡΠΈΡΠ΅ΡΠΊΠΎΠ³ΠΎ ΡΠΏΡΠ°Π²Π»Π΅Π½ΠΈΡ ΠΎΡΠ²Π΅ΡΠ΅Π½ΠΈΠ΅ΠΌ). Π Π΅Π»Π΅ ΡΠ»Π΅ΠΊΡΡΠΎΠ²Π΅Π½ΡΠΈΠ»ΡΡΠΎΡΠ° ΠΎΡΠΏΠΈΡΠ΅Π»Π΅ΠΌ. ΠΡΠΊΠ»ΡΡΠ°ΡΠ΅Π»Ρ Π°Π²ΡΠΎΠΌΠ°ΡΠΈΡΠ΅ΡΠΊΠΎΠ³ΠΎ ΡΠΏΡΠ°Π²Π»Π΅Π½ΠΈΡ ΠΎΡΠ²Π΅ΡΠ΅Π½ΠΈΠ΅ΠΌ. ΠΠ»ΠΎΠΊ ΡΠΏΡΠ°Π²Π»Π΅Π½ΠΈΡ ΡΡΠ΅ΠΊΠ»ΠΎΠΎΡΠΈΡΡΠΈΡΠ΅Π»Π΅ΠΌ ΠΈ Π²Π½Π΅ΡΠ½ΠΈΠΌ ΠΎΡΠ²Π΅ΡΠ΅Π½ΠΈΠ΅ΠΌ(ΠΊΠΎΠ½ΡΠ°ΠΊΡ 3, 11).
ΠΠΎΠ½ΡΡΠΎΠ»Π»Π΅Ρ ΡΠΈΡΡΠ΅ΠΌΡ Π°Π²ΡΠΎΠΌ. ΡΠΏΡΠ°Π²Π»Π΅Π½ΠΈΡ ΠΊΠ»ΠΈΠΌΠ°ΡΠΈΡΠ΅ΡΠΊΠΎΠΉ ΡΡΡΠ°Π½ΠΎΠ²ΠΊΠΎΠΉ(ΠΊΠΎΠ½ΡΠ°ΠΊΡ 1). ΠΠ°ΡΡΠΈΠΊ ΡΠΈΡΡΠ΅ΠΌΡ Π°Π²ΡΠΎΠΌΠ°ΡΠΈΡΠ΅ΡΠΊΠΎΠΉ ΠΎΡΠΈΡΡΠΊΠΈ ΡΡΠ΅ΠΊΠΎΠ»(Π΄Π°ΡΡΠΈΠΊ Π΄ΠΎΠΆΠ΄Ρ),ΠΊΠΎΠ½ΡΠ°ΠΊΡ 1. |
| F21(5A) | ΠΠ΅ΡΠ΅ΠΊΠ»ΡΡΠ°ΡΠ΅Π»Ρ ΡΠ²Π΅ΡΠΎΠ²ΠΎΠΉ ΡΠΈΠ³Π½Π°Π»ΠΈΠ·Π°ΡΠΈΠΈ, ΠΊΠΎΠ½ΡΠ°ΠΊΡ 30. ΠΠΎΠ»ΠΎΠ΄ΠΊΠ° Π΄ΠΈΠ°Π³Π½ΠΎΡΡΠΈΠΊΠΈ, ΠΊΠΎΠ½ΡΠ°ΠΊΡ 16. Π§Π°ΡΡ. ΠΠΎΠ½ΡΡΠΎΠ»Π»Π΅Ρ ΠΊΠ»ΠΈΠΌΠ°ΡΠ°(ΠΊΠΎΠ½Ρ. 14). |
| F22(20Π) | ΠΠ»Π΅ΠΊΡΡΠΎΠ΄Π²ΠΈΠ³. ΠΎΡΠΈΡΡΠΈΡΠ΅Π»Ρ Π²Π΅ΡΡΠΎΠ²ΠΎΠ³ΠΎ ΡΡΠ΅ΠΊΠ»Π°(Π°Π²ΡΠΎΠΌΠ°ΡΠΈΡ. ΡΠ΅ΠΆΠΈΠΌ.) Π Π΅Π»Π΅ Π²ΠΊΠ»ΡΡΠ΅Π½ΠΈΡ ΠΎΡΠΈΡΡΠΈΡΠ΅Π»Ρ Π²Π΅ΡΡΠΎΠ²ΠΎΠ³ΠΎ ΡΡΠ΅ΠΊΠ»Π° ΠΈ ΡΠ΅Π»Π΅ Π²ΡΡΠΎΠΊΠΎΠΉ ΡΠΊΠΎΡΠΎΡΡΠΈ ΠΎΡΠΈΡΡΠΈΡΠ΅Π»Ρ Π²Π΅ΡΡΠΎΠ²ΠΎΠ³ΠΎ ΡΡΠ΅ΠΊΠ»Π°(ΠΊΠΎΠ½ΡΠ°ΠΊΡΡ). |
| F23(7.5A) | ΠΠ»ΠΎΠΊ ΡΠΏΡΠ°Π²Π»Π΅Π½ΠΈΡ ΡΡΠ΅ΠΊΠ»ΠΎΠΎΡΠΈΡΡΠΈΡΠ΅Π»ΡΠΌΠΈ ΠΈ Π²Π½Π΅ΡΠ½ΠΈΠΌ ΠΎΡΠ²Π΅ΡΠ΅Π½ΠΈΠ΅ΠΌ, ΠΊΠΎΠ½Ρ. 20. |
| F24-F30 | Π Π΅Π·Π΅ΡΠ² |
| F31(30Π) | ΠΠΎΠ½ΡΡΠΎΠ»Π»Π΅Ρ ΡΠ»Π΅ΠΊΡΡΠΎΠΏΠ°ΠΊΠ΅ΡΠ°, ΠΊΠ»Π΅ΠΌΠΌΠ° «2» ΠΊΠΎΠ»ΠΎΠ΄ΠΊΠΈ Π₯1. ΠΠΎΠ½ΡΡΠΎΠ»Π»Π΅Ρ ΡΠ»Π΅ΠΊΡΡΠΎΠΏΠ°ΠΊΠ΅ΡΠ°, ΠΊΠ»Π΅ΠΌΠΌΠ° «3» ΠΊΠΎΠ»ΠΎΠ΄ΠΊΠΈ Π₯1. ΠΠΎΠ΄ΡΠ»Ρ Π΄Π²Π΅ΡΠΈ Π²ΠΎΠ΄ΠΈΡΠ΅Π»Ρ, ΠΊΠΎΠ½ΡΠ°ΠΊΡ «6». ΠΠ»Π°ΡΠΎΠ½ ΠΎΡΠ²Π΅ΡΠ΅Π½ΠΈΡ ΠΏΠΎΡΠΎΠ³Π° Π»Π΅Π²ΠΎΠΉ ΠΏΠ΅ΡΠ΅Π΄Π½Π΅ΠΉ Π΄Π²Π΅ΡΠΈ.![]() |
| F32 | Π Π΅Π·Π΅ΡΠ² |
ΠΠΎΠ½ΡΠ°ΠΆΠ½ΡΠΉ Π±Π»ΠΎΠΊ 21723 Π² ΠΈΡΠΏΠΎΠ»Π½Π΅Π½ΠΈΠΈ «ΠΡΠΊΡ ΠΠ»ΡΡ»
| Π1 | Π Π΅Π»Π΅ Π²ΠΊΠ»ΡΡΠ΅Π½ΠΈΡ Π±Π»ΠΈΠΆΠ½Π΅Π³ΠΎ ΡΠ²Π΅ΡΠ° ΠΈ Π³Π°Π±Π°ΡΠΈΡΠ½ΡΡ ΠΎΠ³Π½Π΅ΠΉ ΡΠ°Ρ(ΡΠΈΡΡΠ΅ΠΌΠ° Π°Π²ΡΠΎΠΌΠ°ΡΠΈΡΠ΅ΡΠΊΠΎΠ³ΠΎ ΡΠΏΡΠ°Π²Π»Π΅Π½ΠΈΡ ΠΎΡΠ²Π΅ΡΠ΅Π½ΠΈΠ΅ΠΌ) |
|---|---|
| Π2 | Π Π΅Π»Π΅ Π²ΠΊΠ»ΡΡΠ΅Π½ΠΈΡ ΠΎΠ±ΠΎΠ³ΡΠ΅Π²Π° Π·Π°Π΄Π½Π΅Π³ΠΎ ΡΡΠ΅ΠΊΠ»Π° |
| Π3 | Π Π΅Π»Π΅ Π²ΠΊΠ»ΡΡΠ΅Π½ΠΈΡ ΡΡΠ°ΡΡΠ΅ΡΠ° |
| Π4 | ΠΠΎΠΏΠΎΠ»Π½ΠΈΡΠ΅Π»ΡΠ½ΠΎΠ΅ ΡΠ΅Π»Π΅(ΡΠ΅Π»Π΅ Π·Π°ΠΆΠΈΠ³Π°Π½ΠΈΡ) |
| Π5 | ΠΠ΅ΡΡΠΎ Π΄Π»Ρ ΡΠ΅Π·Π΅ΡΠ²Π½ΠΎΠ³ΠΎ ΡΠ΅Π»Π΅ |
| Π6 | Π Π΅Π»Π΅ Π²ΠΊΠ»ΡΡΠ΅Π½ΠΈΡ Π²ΡΡΠΎΠΊΠΎΠΉ ΡΠΊΠΎΡΠΎΡΡΠΈ(Π°Π²ΡΠΎΠΌΠ°ΡΠΈΡΠ΅ΡΠΊΠΈΠΉ ΡΠ΅ΠΆΠΈΠΌ) ΠΎΡΠΈΡΡΠΈΡΠ΅Π»Ρ Π²Π΅ΡΡΠΎΠ²ΠΎΠ³ΠΎ ΡΡΠ΅ΠΊΠ»Π° |
| Π7 | Π Π΅Π»Π΅ Π²ΠΊΠ»ΡΡΠ΅Π½ΠΈΡ Π΄Π°Π»ΡΠ½Π΅Π³ΠΎ ΡΠ²Π΅ΡΠ° ΡΠ°Ρ |
| Π8 | Π Π΅Π»Π΅ Π²ΠΊΠ»ΡΡΠ΅Π½ΠΈΡ Π·Π²ΡΠΊΠΎΠ²ΠΎΠ³ΠΎ ΡΠΈΠ³Π½Π°Π»Π° |
| Π9 | Π Π΅Π»Π΅ Π²ΠΊΠ»ΡΡΠ΅Π½ΠΈΡ ΡΡΠ΅Π²ΠΎΠΆΠ½ΠΎΠ³ΠΎ ΡΠΈΠ³Π½Π°Π»Π° |
| Π10 | Π Π΅Π»Π΅ Π²ΠΊΠ»ΡΡΠ΅Π½ΠΈΡ ΠΏΡΠΎΡΠΈΠ²ΠΎΡΡΠΌΠ°Π½Π½ΡΡ ΡΠ°Ρ |
| Π11 | Π Π΅Π»Π΅ Π²ΠΊΠ»ΡΡΠ΅Π½ΠΈΡ ΠΎΠ±ΠΎΠ³ΡΠ΅Π²Π° ΠΏΠ΅ΡΠ΅Π΄Π½ΠΈΡ ΡΠΈΠ΄Π΅Π½ΠΈΠΉ |
| Π12 | Π Π΅Π»Π΅ Π²ΠΊΠ»ΡΡΠ΅Π½ΠΈΡ ΠΎΡΠΈΡΡΠΈΡΠ΅Π»Ρ Π²Π΅ΡΡΠΎΠ²ΠΎΠ³ΠΎ ΡΡΠ΅ΠΊΠ»Π°(ΠΏΡΠ΅ΡΡΠ²ΠΈΡΡΡΠΉ ΡΠ΅ΠΆΠΈΠΌ ΠΈ Π°Π²ΡΠΎΠΌΠ°ΡΠΈΡΠ΅ΡΠΊΠΈΠΉ ΡΠ΅ΠΆΠΈΠΌ) |
| β ΠΏΡΠ΅Π΄ΠΎΡ ΡΠ°Π½ΠΈΡΠ΅Π»Ρ | ΠΠ°ΡΠΈΡΠ°Π΅ΠΌΡΠ΅ ΡΠ΅ΠΏΠΈ |
|---|---|
| F1 | Π Π΅Π·Π΅ΡΠ² |
| F2(25A) | ΠΠΎΠ½ΡΠ°ΠΆΠ½ΡΠΉ Π±Π»ΠΎΠΊ, ΡΠ΅Π»Π΅ Π²ΠΊΠ»ΡΡΠ΅Π½ΠΈΡ ΠΎΠ±ΠΎΠ³ΡΠ΅Π²Π° Π·Π°Π΄Π½Π΅Π³ΠΎ ΡΡΠ΅ΠΊΠ»Π°(ΠΊΠΎΠ½ΡΠ°ΠΊΡΡ). ΠΠΎΠ½ΡΡΠΎΠ»Π»Π΅Ρ ΡΠ»Π΅ΠΊΡΡΠΎΠΏΠ°ΠΊΠ΅ΡΠ°, ΠΊΠΎΠ½ΡΠ°ΠΊΡ «10» ΠΊΠΎΠ»ΠΎΠ΄ΠΊΠΈΠ₯Π 2. ΠΠ»Π΅ΠΌΠ΅Π½Ρ ΠΎΠ±ΠΎΠ³ΡΠ΅Π²Π° Π·Π°Π΄Π½Π΅Π³ΠΎ ΡΡΠ΅ΠΊΠ»Π°. |
| F3(10A) | ΠΡΠ°Π²Π°Ρ ΡΠ°ΡΠ°, Π»Π°ΠΌΠΏΠ° Π΄Π°Π»ΡΠ½Π΅Π³ΠΎ ΡΠ²Π΅ΡΠ°. ΠΠΎΠΌΠ±ΠΈΠ½Π°ΡΠΈΡ ΠΏΡΠΈΠ±ΠΎΡΠΎΠ², ΡΠΈΠ³Π½Π°Π»ΠΈΠ·Π°ΡΠΎΡ Π²ΠΊΠ»ΡΡΠ΅Π½ΠΈΡ Π΄Π°Π»ΡΠ½Π΅Π³ΠΎ ΡΠ²Π΅ΡΠ° ΡΠ°Ρ. |
| F4(10A) | ΠΠ΅Π²Π°Ρ ΡΠ°ΡΠ°, Π»Π°ΠΌΠΏΠ° Π΄Π°Π»ΡΠ½Π΅Π³ΠΎ ΡΠ²Π΅ΡΠ°. |
| F5(10A) | ΠΠΎΠ½ΡΠ°ΠΆΠ½ΡΠΉ Π±Π»ΠΎΠΊ, ΡΠ΅Π»Π΅ Π²ΠΊΠ»ΡΡΠ΅Π½ΠΈΡ Π·Π²ΡΠΊΠΎΠ²ΠΎΠ³ΠΎ ΡΠΈΠ³Π½Π°Π»Π°. ΠΠ²ΡΠΊΠΎΠ²ΠΎΠΉ ΡΠΈΠ³Π½Π°Π». |
| F6(7.5A) | ΠΠ΅Π²Π°Ρ ΡΠ°ΡΠ° , Π»Π°ΠΌΠΏΠ° Π±Π»ΠΈΠΆΠ½Π΅Π³ΠΎ ΡΠ²Π΅ΡΠ°. |
| F7(7.5A) | ΠΡΠ°Π²Π°Ρ ΡΠ°ΡΠ°, Π»Π°ΠΌΠΏΠ° Π±Π»ΠΈΠΆΠ½Π΅Π³ΠΎ ΡΠ²Π΅ΡΠ°. |
| F8(10A) | ΠΠΎΠ½ΡΠ°ΠΆΠ½ΡΠΉ Π±Π»ΠΎΠΊ, ΡΠ΅Π»Π΅ Π²ΠΊΠ»ΡΡΠ΅Π½ΠΈΡ ΡΡΠ΅Π²ΠΎΠΆΠ½ΠΎΠ³ΠΎ Π·Π²ΡΠΊΠΎΠ²ΠΎΠ³ΠΎ ΡΠΈΠ³Π½Π°Π»Π°. ΠΠ²ΡΠΊΠΎΠ²ΠΎΠΉ ΡΠΈΠ³Π½Π°Π» ΡΡΠ΅Π²ΠΎΠΆΠ½ΠΎΠΉ ΡΠΈΠ³Π½Π°Π»ΠΈΠ·Π°ΡΠΈΠΈ. |
| F9 | Π Π΅Π·Π΅ΡΠ² |
| F10(10A) | ΠΠΎΠΌΠ±ΠΈΠ½Π°ΡΠΈΡ ΠΏΡΠΈΠ±ΠΎΡΠΎΠ², ΠΊΠΎΠ½ΡΠ°ΠΊΡ «20». ΠΡΠΊΠ»ΡΡΠ°ΡΠ΅Π»Ρ ΡΡΠΎΠΏ-ΡΠΈΠ³Π½Π°Π»ΠΎΠ². ΠΠ°ΠΌΠΏΡ ΡΡΠΎΠΏ-ΡΠΈΠ³Π½Π°Π»ΠΎΠ². ΠΠ»ΠΎΠΊ ΠΎΡΠ²Π΅ΡΠ΅Π½ΠΈΡ ΡΠ°Π»ΠΎΠ½Π°. ΠΠ»Π°ΡΠΎΠ½ ΠΎΡΠ²Π΅ΡΠ΅Π½ΠΈΡ ΡΠ°Π»ΠΎΠ½Π°. ΠΠ»Π°ΡΠΎΠ½ ΠΎΡΠ²Π΅ΡΠ΅Π½ΠΈΡ ΠΏΠΎΡΠΎΠ³Π° ΠΏΡΠ°Π²ΠΎΠΉ ΠΏΠ΅ΡΠ΅Π΄Π½Π΅ΠΉ Π΄Π²Π΅ΡΠΈ. ΠΠΎΠΏΠΎΠ»Π½ΠΈΡΠ΅Π»ΡΠ½ΡΠΉ ΡΠΈΠ³Π½Π°Π» ΡΠΎΡΠΌΠΎΠΆΠ΅Π½ΠΈΡ. |
| F11(20A) | ΠΠΎΠ½ΡΠ°ΠΆΠ½ΡΠΉ Π±Π»ΠΎΠΊ, ΡΠ΅Π»Π΅ Π²ΠΊΠ»ΡΡΠ΅Π½ΠΈΡ Π²ΡΡΠΎΠΊΠΎΠΉ ΡΠΊΠΎΡΠΎΡΡΠΈ ΠΎΡΠΈΡΡΠΈΡΠ΅Π»Ρ Π²Π΅ΡΡΠΎΠ²ΠΎΠ³ΠΎ ΡΡΠ΅ΠΊΠ»Π°. ΠΠ΅ΡΠ΅ΠΊΠ»ΡΡΠ°ΡΠ΅Π»Ρ ΠΎΡΠΈΡΡΠΈΡΠ΅Π»Π΅ΠΉ ΠΈ ΠΎΠΌΡΠ²Π°ΡΠ΅Π»Π΅ΠΉ, ΠΊΠΎΠ½ΡΠ°ΠΊΡ «53Π°». ΠΠ΅ΡΠ΅ΠΊΠ»ΡΡΠ°ΡΠ΅Π»Ρ ΠΎΡΠΈΡΡΠΈΡΠ΅Π»Π΅ΠΉ ΠΈ ΠΎΠΌΡΠ²Π°ΡΠ΅Π»Π΅ΠΉ, ΠΊΠΎΠ½ΡΠ°ΠΊΡ «53ah». ΠΡΠΊΠ»ΡΡΠ°ΡΠ΅Π»Ρ ΠΎΠ±ΠΎΠ³ΡΠ΅Π²Π° Π·Π°Π΄Π½Π΅Π³ΠΎ ΡΡΠ΅ΠΊΠ»Π°. ΠΠΎΠ½ΡΠ°ΠΆΠ½ΡΠΉ Π±Π»ΠΎΠΊ, ΡΠ΅Π»Π΅ Π²ΠΊΠ»ΡΡΠ΅Π½ΠΈΡ ΠΎΠ±ΠΎΠ³ΡΠ΅Π²Π° Π·Π°Π΄Π½Π΅Π³ΠΎ ΡΡΠ΅ΠΊΠ»Π°(ΠΎΠ±ΠΌΠΎΡΠΊΠ°). ΠΠ»Π΅ΠΊΡΡΠΎΠ΄Π²ΠΈΠ³Π°ΡΠ΅Π»Ρ ΠΎΡΠΈΡΡΠΈΡΠ΅Π»Ρ Π²Π΅ΡΡΠΎΠ²ΠΎΠ³ΠΎ ΡΡΠ΅ΠΊΠ»Π°. ΠΠ»Π΅ΠΊΡΡΠΎΠ΄Π²ΠΈΠ³Π°ΡΠ΅Π»Ρ ΠΎΡΠΈΡΡΠΈΡΠ΅Π»Ρ Π·Π°Π΄Π½Π΅Π³ΠΎ ΡΡΠ΅ΠΊΠ»Π°(2171,2172). ΠΠ»Π΅ΠΊΡΡΠΎΠ΄Π²ΠΈΠ³Π°ΡΠ΅Π»Ρ ΠΎΠΌΡΠ²Π°ΡΠ΅Π»Ρ Π²Π΅ΡΡΠΎΠ²ΠΎΠ³ΠΎ ΡΡΠ΅ΠΊΠ»Π°. ΠΠ»Π΅ΠΊΡΡΠΎΠ΄Π²ΠΈΠ³Π°ΡΠ΅Π»Ρ ΠΎΠΌΡΠ²Π°ΡΠ΅Π»Ρ Π·Π°Π΄Π½Π΅Π³ΠΎ ΡΡΠ΅ΠΊΠ»Π°(2171,2172). ΠΠ»ΠΎΠΊ ΡΠΏΡΠ°Π²Π»Π΅Π½ΠΈΡ Π½Π°Π΄ΡΠ²Π½ΡΡ ΠΏΠΎΠ΄ΡΡΠ΅ΠΊ Π±Π΅Π·ΠΎΠΏΠ°ΡΠ½ΠΎΡΡΠΈ, ΠΊΠΎΠ½ΡΠ°ΠΊΡ «25». |
| F12(10A) | ΠΠΎΠΌΠ±ΠΈΠ½Π°ΡΠΈΡ ΠΏΡΠΈΠ±ΠΎΡΠΎΠ², ΠΊΠΎΠ½ΡΠ°ΠΊΡ «21». ΠΠΎΠ½ΡΡΠΎΠ»Π»Π΅Ρ ΡΠ»Π΅ΠΊΡΡΠΎΠΏΠ°ΠΊΠ΅ΡΠ°, ΠΊΠΎΠ½ΡΠ°ΠΊΡ «9» ΠΊΠΎΠ»ΠΎΠ΄ΠΊΠΈ Π₯2. ΠΠ»ΠΎΠΊ ΡΠΏΡΠ°Π²Π»Π΅Π½ΠΈΡ ΡΠ»Π΅ΠΊΡΡΠΎΠΌΠ΅Ρ Π°Π½ΠΈΡΠ΅ΡΠΊΠΈΠΌ ΡΡΠΈΠ»ΠΈΡΠ΅Π»Π΅ΠΌ ΡΡΠ»Π΅Π²ΠΎΠ³ΠΎ ΡΠΏΡΠ°Π²Π»Π΅Π½ΠΈΡ, ΠΊΠΎΠ½ΡΠ°ΠΊΡ «1» ΠΊΠΎΠ»ΠΎΠ΄ΠΊΠΈ Π₯2. ΠΡΠΊΠ»ΡΡΠ°ΡΠ΅Π»Ρ Π»Π°ΠΌΠΏΡ ΡΠ²Π΅ΡΠ° Π·Π°Π΄Π½Π΅Π³ΠΎ Ρ ΠΎΠ΄Π°. ΠΠ°ΠΌΠΏΡ ΡΠ²Π΅ΡΠ° Π·Π°Π΄Π½Π΅Π³ΠΎ Ρ ΠΎΠ΄Π°. ΠΠ»ΠΎΠΊ ΡΠΏΡΠ°Π²Π»Π΅Π½ΠΈΡ ΡΠΈΡΡΠ΅ΠΌΡ ΠΏΠ°ΡΠΊΠΎΠ²ΠΊΠΈ, ΠΊΠΎΠ½ΡΠ°ΠΊΡ «11» ΠΈ «14». |
| F13(15A) | ΠΡΠΈΠΊΡΡΠΈΠ²Π°ΡΠ΅Π»Ρ |
| F14(5A) | ΠΠ°ΠΌΠΏΡ Π³Π°Π±Π°ΡΠΈΡΠ½ΠΎΠ³ΠΎ ΡΠ²Π΅ΡΠ°(Π»Π΅Π²ΡΠΉ Π±ΠΎΡΡ). ΠΠΎΠΌΠ±ΠΈΠ½Π°ΡΠΈΡ ΠΏΡΠΈΠ±ΠΎΡΠΎΠ², ΡΠΈΠ³Π½Π°Π»ΠΈΠ·Π°ΡΠΎΡ Π³Π»Π°Π²Π½ΠΎΠ³ΠΎ ΡΠ²Π΅ΡΠ°. Π€ΠΎΠ½Π°ΡΠΈ ΠΎΡΠ²Π΅ΡΠ΅Π½ΠΈΡ Π½ΠΎΠΌΠ΅ΡΠ½ΠΎΠ³ΠΎ Π·Π½Π°ΠΊΠ°. Π€ΠΎΠ½Π°ΡΡ ΠΎΡΠ²Π΅ΡΠ΅Π½ΠΈΡ Π±Π°Π³Π°ΠΆΠ½ΠΈΠΊΠ°. ΠΠΎΠ½ΡΡΠΎΠ»Π»Π΅Ρ ΡΠ»Π΅ΠΊΡΡΠΎΠΏΠ°ΠΊΠ΅ΡΠ°, ΠΊΠΎΠ½ΡΠ°ΠΊΡ «12» ΠΊΠΎΠ»ΠΎΠ΄ΠΊΠΈ Π₯2. |
| F15(5A) | ΠΠ°ΠΌΠΏΡ Π³Π°Π±Π°ΡΠΈΡΠ½ΠΎΠ³ΠΎ ΡΠ²Π΅ΡΠ°(ΠΏΡΠ°Π²ΡΠΉ Π±ΠΎΡΡ). ΠΠ»Π°ΡΠΎΠ½ ΠΎΡΠ²Π΅ΡΠ΅Π½ΠΈΡ Π²Π΅ΡΠ΅Π²ΠΎΠ³ΠΎ ΡΡΠΈΠΊΠ° |
| F16(10A) | ΠΠΈΠ΄ΡΠΎΠ°Π³ΡΠ΅Π³Π°Ρ, ΠΊΠΎΠ½ΡΠ°ΠΊΡ «18» |
| F17(10A) | ΠΡΠΎΡΠΈΠ²ΠΎΡΡΠΌΠ°Π½Π½Π°Ρ ΡΠ°ΡΠ° Π»Π΅Π²Π°Ρ |
| F18(10A) | ΠΡΠΎΡΠΈΠ²ΠΎΡΡΠΌΠ°Π½Π½Π°Ρ ΡΠ°ΡΠ° ΠΏΡΠ°Π²Π°Ρ |
| F19(15Π) | ΠΡΠΊΠ»ΡΡΠ°ΡΠ΅Π»Ρ ΠΎΠ±ΠΎΠ³ΡΠ΅Π²Π° ΡΠΈΠ΄Π΅Π½ΠΈΠΉ, ΠΊΠΎΠ½ΡΠ°ΠΊΡ «1». ΠΠ±ΠΎΠ³ΡΠ΅Π²Π°ΡΠ΅Π»ΠΈ ΠΏΠ΅ΡΠ΅Π΄Π½ΠΈΡ ΡΠΈΠ΄Π΅Π½ΠΈΠΉ |
| F20(10A) | ΠΡΠΊΠ»ΡΡΠ°ΡΠ΅Π»Ρ ΡΠ΅ΡΠΈΡΠΊΡΠ»ΡΡΠΈΠΈ(ΡΠΈΠ³Π½Π°Π»ΠΈΠ·Π°ΡΠΎΡ Π²ΠΊΠ»ΡΡΠ΅Π½ΠΈΡ).ΠΠΎΠ½ΡΠ°ΠΆΠ½ΡΠΉ Π±Π»ΠΎΠΊ, ΡΠ΅Π»Π΅ Π²ΠΊΠ»ΡΡΠ΅Π½ΠΈΡ Π±Π»ΠΈΠΆΠ½Π΅Π³ΠΎ ΡΠ²Π΅ΡΠ° ΡΠ°Ρ ΠΈ Π³Π°Π±Π°ΡΠΈΡΠ½ΡΡ ΠΎΠ³Π½Π΅ΠΉ( ΡΠΈΡΡΠ΅ΠΌΠ° Π°Π²ΡΠΎΠΌΠ°ΡΠΈΡΠ΅ΡΠΊΠΎΠ³ΠΎ ΡΠΏΡΠ°Π²Π»Π΅Π½ΠΈΡ ΠΎΡΠ²Π΅ΡΠ΅Π½ΠΈΠ΅ΠΌ). Π Π΅Π»Π΅ ΡΠ»Π΅ΠΊΡΡΠΎΠ²Π΅Π½ΡΠΈΠ»ΡΡΠΎΡΠ° ΠΎΡΠΎΠΏΠΈΡΠ΅Π»Ρ. ΠΡΠΊΠ»ΡΡΠ°ΡΠ΅Π»Ρ Π°Π²ΡΠΎΠΌΠ°ΡΠΈΡΠ΅ΡΠΊΠΎΠ³ΠΎ ΡΠΏΡΠ°Π²Π»Π΅Π½ΠΈΡ ΠΎΡΠ²Π΅ΡΠ΅Π½ΠΈΠ΅ΠΌ. ΠΠ»ΠΎΠΊ ΡΠΏΡΠ°Π²Π»Π΅Π½ΠΈΡ ΡΡΠ΅ΠΊΠ»ΠΎΠΎΡΠΈΡΡΠΈΡΠ΅Π»Π΅ΠΌ ΠΈ Π²Π½Π΅ΡΠ½ΠΈΠΌ ΠΎΡΠ²Π΅ΡΠ΅Π½ΠΈΠ΅ΠΌ, ΠΊΠΎΠ½ΡΠ°ΠΊΡΡ «3», «11». ΠΠΎΠ½ΡΡΠΎΠ»Π»Π΅Ρ ΡΠΈΡΡΠ΅ΠΌΡ Π°Π²ΡΠΎΠΌΠ°ΡΠΈΡΠ΅ΡΠΊΠΎΠ³ΠΎ ΡΠΏΡΠ°Π²Π»Π΅Π½ΠΈΡ ΠΊΠ»ΠΈΠΌΠ°ΡΠΈΡΠ΅ΡΠΊΠΎΠΉ ΡΡΡΠ°Π½ΠΎΠ²ΠΊΠΎΠΉ, ΠΊΠΎΠ½ΡΠ°ΠΊΡ «1». ΠΠ°ΡΡΠΈΠΊ ΡΠΈΡΡΠ΅ΠΌΡ Π°Π²ΡΠΎΠΌΠ°ΡΠΈΡΠ΅ΡΠΊΠΎΠΉ ΠΎΡΠΈΡΡΠΊΠΈ ΡΡΠ΅ΠΊΠΎΠ»(Π΄Π°ΡΡΠΈΠΊ Π΄ΠΎΠΆΠ΄Ρ), ΠΊΠΎΠ½ΡΠ°ΠΊΡ «1». |
| F21(5A) | ΠΠ΅ΡΠ΅ΠΊΠ»ΡΡΠ°ΡΠ΅Π»Ρ ΡΠ²Π΅ΡΠΎΠ²ΠΎΠΉ ΡΠΈΠ³Π½Π°Π»ΠΈΠ·Π°ΡΠΈΠΈ, ΠΊΠΎΠ½ΡΠ°ΠΊΡ «30». ΠΠΎΠ»ΠΎΠ΄ΠΊΠ° Π΄ΠΈΠ°Π³Π½ΠΎΡΡΠΈΠΊΠΈ, ΠΊΠΎΠ½ΡΠ°ΠΊΡ «16». Π§Π°ΡΡ. ΠΠΎΠ½ΡΡΠΎΠ»Π»Π΅Ρ ΡΠΈΡΡΠ΅ΠΌΡ Π°Π²ΡΠΎΠΌΠ°ΡΠΈΡΠ΅ΡΠΊΠΎΠ³ΠΎ ΡΠΏΡΠ°Π²Π»Π΅Π½ΠΈΡ ΠΊΠ»ΠΈΠΌΠ°ΡΠΈΡΠ΅ΡΠΊΠΎΠΉ ΡΡΡΠ°Π½ΠΎΠ²ΠΊΠΎΠΉ, ΠΊΠΎΠ½ΡΠ°ΠΊΡ «14». |
| F22 (20Π) | ΠΠ»Π΅ΠΊΡΡΠΎΠ΄Π²ΠΈΠ³Π°ΡΠ΅Π»Ρ ΠΎΡΠΈΡΡΠΈΡΠ΅Π»Ρ Π²Π΅ΡΡΠΎΠ²ΠΎΠ³ΠΎ ΡΡΠ΅ΠΊΠ»Π°(Π°Π²ΡΠΎΠΌΠ°ΡΠΈΡΠ΅ΡΠΊΠΈΠΉ ΡΠ΅ΠΆΠΈΠΌ). ΠΠΎΠ½ΡΠ°ΠΆΠ½ΡΠΉ Π±Π»ΠΎΠΊ, ΡΠ΅Π»Π΅ Π²ΠΊΠ»ΡΡΠ΅Π½ΠΈΡ ΠΎΡΠΈΡΡΠΈΡΠ΅Π»Ρ Π²Π΅ΡΡΠΎΠ²ΠΎΠ³ΠΎ ΡΡΠ΅ΠΊΠ»Π° ΠΈ ΡΠ΅Π»Π΅ Π²ΠΊΠ»ΡΡΠ΅Π½ΠΈΡ Π²ΡΡΠΎΠΊΠΎΠΉ ΡΠΊΠΎΡΠΎΡΡΠΈ ΠΎΡΠΈΡΡΠΈΡΠ΅Π»Ρ Π²Π΅ΡΡΠΎΠ²ΠΎΠ³ΠΎ ΡΡΠ΅ΠΊΠ»Π°,(ΠΊΠΎΠ½ΡΠ°ΠΊΡΡ) |
| F23 (7.5Π) | ΠΠ»ΠΎΠΊ ΡΠΏΡΠ°Π²Π»Π΅Π½ΠΈΡ ΡΡΠ΅ΠΊΠ»ΠΎΠΎΡΠΈΡΡΠΈΡΠ΅Π»ΡΠΌΠΈ ΠΈ Π²Π½Π΅ΡΠ½ΠΈΠΌ ΠΎΡΠ²Π΅ΡΠ΅Π½ΠΈΠ΅ΠΌ, ΠΊΠΎΠ½ΡΠ°ΠΊΡ «20» |
| F24 — F30 | Π Π΅Π·Π΅ΡΠ² |
| F31(30A) | ΠΠΎΠ½ΡΡΠΎΠ»Π»Π΅Ρ ΡΠ»Π΅ΠΊΡΡΠΎΠΏΠ°ΠΊΠ΅ΡΠ°, ΠΊΠ»Π΅ΠΌΠΌΠ° «2» ΠΊΠΎΠ»ΠΎΠ΄ΠΊΠΈ Π₯1. ΠΠΎΠ½ΡΡΠΎΠ»Π»Π΅Ρ ΡΠ»Π΅ΠΊΡΡΠΎΠΏΠ°ΠΊΠ΅ΡΠ°, ΠΊΠ»Π΅ΠΌΠΌΠ° «3» ΠΊΠΎΠ»ΠΎΠ΄ΠΊΠΈ Π₯1. ΠΠΎΠ΄ΡΠ»Ρ Π΄Π²Π΅ΡΠΈ Π²ΠΎΠ΄ΠΈΡΠ΅Π»Ρ, ΠΊΠΎΠ½ΡΠ°ΠΊΡ «6». ΠΠ»Π°ΡΠΎΠ½ ΠΎΡΠ²Π΅ΡΠ΅Π½ΠΈΡ ΠΏΠΎΡΠΎΠ³Π° Π»Π΅Π²ΠΎΠΉ ΠΏΠ΅ΡΠ΅Π΄Π½Π΅ΠΉ Π΄Π²Π΅ΡΠΈ. |
| F32 | Π Π΅Π·Π΅ΡΠ² |
ΠΠΎΠ½ΡΠ°ΠΆΠ½ΡΠΉ Π±Π»ΠΎΠΊ ΡΠΈΠ»ΠΎΠ²ΡΡ ΠΏΡΠ΅Π΄ΠΎΡ ΡΠ°Π½ΠΈΡΠ΅Π»Π΅ΠΉ ΠΏΠΎΠ΄ ΠΊΠ°ΠΏΠΎΡΠΎΠΌ
| F1(30Π) — Π·Π΅Π»Π΅Π½ΡΠΉ | ΠΠ‘Π£Π Π΄Π²ΠΈΠ³Π°ΡΠ΅Π»Ρ |
|---|---|
| F2(40Π) | ΠΠ»Π΅ΠΊΡΡΠΎΠ²Π΅Π½ΡΠΈΠ»ΡΡΠΎΡ ΡΠΈΡΡΠ΅ΠΌΡ ΠΎΡ Π»Π°ΠΆΠ΄Π΅Π½ΠΈΡ Π΄Π²ΠΈΠ³Π°ΡΠ΅Π»Ρ (ΡΠΈΠ»ΠΎΠ²Π°Ρ ΡΠ΅ΠΏΡ), Π΄ΠΎΠΏΠΎΠ»Π½ΠΈΡΠ΅Π»ΡΠ½ΠΎΠ΅ ΡΠ΅Π»Π΅ (ΡΠ΅Π»Π΅ Π·Π°ΠΆΠΈΠ³Π°Π½ΠΈΡ), ΠΎΠ±ΠΎΠ³ΡΠ΅Π² Π·Π°Π΄Π½Π΅Π³ΠΎ ΡΡΠ΅ΠΊΠ»Π°, ΠΊΠΎΠ½ΡΡΠΎΠ»Π»Π΅Ρ ΡΠ»Π΅ΠΊΡΡΠΎΠΏΠ°ΠΊΠ΅ΡΠ° |
| F3(30Π) | ΠΠ»Π΅ΠΊΡΡΠΎΠ²Π΅Π½ΡΠΈΠ»ΡΡΠΎΡΠ° ΡΠΈΡΡΠ΅ΠΌΡ ΠΎΡ Π»Π°ΠΆΠ΄Π΅Π½ΠΈΡ Π΄Π²ΠΈΠ³Π°ΡΠ΅Π»Ρ (ΡΠΏΡΠ°Π²Π»ΡΡΡΠ°Ρ ΡΠ΅ΠΏΡ ΡΠ΅Π»Π΅), Π·Π²ΡΠΊΠΎΠ²ΠΎΠΉ ΡΠΈΠ³Π½Π°Π», ΡΡΠ΅Π²ΠΎΠΆΠ½ΡΠΉ ΡΠΈΠ³Π½Π°Π», Π·Π°ΠΌΠΎΠΊ Π·Π°ΠΆΠΈΠ³Π°Π½ΠΈΡ, ΠΊΠΎΠΌΠ±ΠΈΠ½Π°ΡΠΈΡ ΠΏΡΠΈΠ±ΠΎΡΠΎΠ², ΠΎΡΠ²Π΅ΡΠ΅Π½ΠΈΠ΅ ΡΠ°Π»ΠΎΠ½Π°, ΡΡΠΎΠΏ-ΡΠΈΠ³Π½Π°Π», ΠΏΡΠΈΠΊΡΡΠΈΠ²Π°ΡΠ΅Π»Ρ |
| F4(60Π) | ΠΠ΅Π½Π΅ΡΠ°ΡΠΎΡ |
| F5(50Π) | ΠΠ»Π΅ΠΊΡΡΠΎΠΌΠ΅Ρ Π°Π½ΠΈΡΠ΅ΡΠΊΠΈΠΉ ΡΡΠΈΠ»ΠΈΡΠ΅Π»Ρ ΡΡΠ»Π΅Π²ΠΎΠ³ΠΎ ΡΠΏΡΠ°Π²Π»Π΅Π½ΠΈΡ |
| F6(60Π) | ΠΠ΅Π½Π΅ΡΠ°ΡΠΎΡ |
ΠΠΎΠ½ΡΠ°ΠΆΠ½ΡΠΉ Π±Π»ΠΎΠΊ ΡΠΈΡΡΠ΅ΠΌΡ ΠΊΠΎΠ½Π΄ΠΈΡΠΈΠΎΠ½ΠΈΡΠΎΠ²Π°Π½ΠΈΡ Halla (ΠΠΎΡΠ΅Ρ)
| F1(30Π) | ΠΠ»Π΅ΠΊΡΡΠΎΠ²Π΅Π½ΡΠΈΠ»ΡΡΠΎΡ ΠΏΡΠ°Π²ΡΠΉ |
|---|---|
| F2(30Π) | ΠΠ»Π΅ΠΊΡΡΠΎΠ²Π΅Π½ΡΠΈΠ»ΡΡΠΎΡ Π»Π΅Π²ΡΠΉ |
| F3(40Π) | ΠΠ»Π΅ΠΊΡΡΠΎΠ²Π΅Π½ΡΠΈΠ»ΡΡΠΎΡ ΠΎΡΠΎΠΏΠΈΡΠ΅Π»Ρ |
| F4(15Π) | ΠΠΎΠΌΠΏΡΠ΅ΡΡΠΎΡ |
| P1 | Π Π΅Π»Π΅ ΡΠ»Π΅ΠΊΡΡΠΎΠ²Π΅Π½ΡΠΈΠ»ΡΡΠΎΡΠ° ΠΏΡΠ°Π²ΠΎΠ³ΠΎ |
| P2 | Π Π΅Π»Π΅ Π΄ΠΎΠΏΠΎΠ»Π½ΠΈΡΠ΅Π»ΡΠ½ΠΎΠ΅ (ΠΏΠΎΡΠ»Π΅Π΄ΠΎΠ²Π°ΡΠ΅Π»ΡΠ½ΠΎΠ³ΠΎ Π²ΠΊΠ»ΡΡΠ΅Π½ΠΈΡ ΡΠ»Π΅ΠΊΡΡΠΎΠ²Π΅Π½ΡΠΈΠ»ΡΡΠΎΡΠΎΠ² Π»Π΅Π²ΠΎΠ³ΠΎ ΠΈ ΠΏΡΠ°Π²ΠΎΠ³ΠΎ) |
| P3 | Π Π΅Π»Π΅ ΡΠ»Π΅ΠΊΡΡΠΎΠ²Π΅Π½ΡΠΈΠ»ΡΡΠΎΡΠ° Π»Π΅Π²ΠΎΠ³ΠΎ |
| P4 | Π Π΅Π»Π΅ ΡΠ»Π΅ΠΊΡΡΠΎΠ²Π΅Π½ΡΠΈΠ»ΡΡΠΎΡΠ° ΠΎΡΠΎΠΏΠΈΡΠ΅Π»Ρ |
| P5 | Π Π΅Π»Π΅ ΠΊΠΎΠΌΠΏΡΠ΅ΡΡΠΎΡΠ° |
ΠΠΎΠ½ΡΠ°ΠΆΠ½ΡΠΉ Π±Π»ΠΎΠΊ ΡΠΈΡΡΠ΅ΠΌΡ ΠΊΠΎΠ½Π΄ΠΈΡΠΈΠΎΠ½ΠΈΡΠΎΠ²Π°Π½ΠΈΡ Panasonic (Π’Π°ΠΉΠ²Π°Π½Ρ)
| F1(30Π) | ΠΠ»Π΅ΠΊΡΡΠΎΠ²Π΅Π½ΡΠΈΠ»ΡΡΠΎΡ Π»Π΅Π²ΡΠΉ(Π½ΠΈΠ·ΠΊΠ°Ρ ΡΠΊΠΎΡΠΎΡΡΡ) |
|---|---|
| F2(30Π) | ΠΠ»Π΅ΠΊΡΡΠΎΠ²Π΅Π½ΡΠΈΠ»ΡΡΠΎΡ ΠΏΡΠ°Π²ΡΠΉ |
| F3(40Π) | ΠΠ»Π΅ΠΊΡΡΠΎΠ²Π΅Π½ΡΠΈΠ»ΡΡΠΎΡ ΠΎΡΠΎΠΏΠΈΡΠ΅Π»Ρ |
| F4(15Π) | ΠΠΎΠΌΠΏΡΠ΅ΡΡΠΎΡ |
| P1 | ΠΠ΅Π½ΡΠΈΠ»ΡΡΠΎΡ ΠΎΡΠΎΠΏΠΈΡΠ΅Π»Ρ (ΠΌΠ°ΠΊΡΠΈΠΌΠ°Π»ΡΠ½Π°Ρ ΡΠΊΠΎΡΠΎΡΡΡ — ΠΏΠ°ΡΠ°Π»Π»Π΅Π»ΡΠ½ΠΎΠ΅ Π²ΠΊΠ»ΡΡΠ΅Π½ΠΈΠ΅) |
| P2 | Π Π΅Π»Π΅ ΡΠ»Π΅ΠΊΡΡΠΎΠ²Π΅Π½ΡΠΈΠ»ΡΡΠΎΡΠ° ΠΏΡΠ°Π²ΠΎΠ³ΠΎ |
| P3 | ΠΠ΅Π½ΡΠΈΠ»ΡΡΠΎΡ ΠΎΡΠΎΠΏΠΈΡΠ΅Π»Ρ (Π½ΠΈΠ·ΠΊΠ°Ρ ΡΠΊΠΎΡΠΎΡΡΡ — ΠΏΠΎΡΠ»Π΅Π΄ΠΎΠ²Π°ΡΠ΅Π»ΡΠ½ΠΎΠ΅ Π²ΠΊΠ»ΡΡΠ΅Π½ΠΈΠ΅) |
| P4 | Π Π΅Π»Π΅ ΡΠ»Π΅ΠΊΡΡΠΎΠ²Π΅Π½ΡΠΈΠ»ΡΡΠΎΡΠ° Π»Π΅Π²ΠΎΠ³ΠΎ |
| P5 | ΠΠ΅Π½ΡΠΈΠ»ΡΡΠΎΡ ΠΎΡΠΎΠΏΠΈΡΠ΅Π»Ρ |
| P6 | ΠΠΎΠΌΠΏΡΠ΅ΡΡΠΎΡ |
ΠΠΈΠ·ΠΊΠ°Ρ ΡΠΊΠΎΡΠΎΡΡΡ Π²ΠΊΠ»ΡΡΠ°Π΅ΡΡΡ ΠΏΡΠΈ ΡΠ΅ΠΌΠΏΠ΅ΡΠ°ΡΡΡΠ΅ ΠΠ 100*Π‘ ΠΈΠ»ΠΈ ΠΏΡΠΈ Π²ΠΊΠ»ΡΡΠ΅Π½ΠΈΠΈ ΠΊΠΎΠ½Π΄ΠΈΡΠΈΠΎΠ½Π΅ΡΠ°. ΠΡΡΠΎΠΊΠ°Ρ ΡΠΊΠΎΡΠΎΡΡΡ Π²ΠΊΠ»ΡΡΠ°Π΅ΡΡΡ ΠΏΡΠΈΠΌΠ΅ΡΠ½ΠΎ ΠΏΡΠΈ ΡΠ΅ΠΌΠΏΠ΅ΡΠ°ΡΡΡΠ΅ ΠΠ 104*Π‘ ΠΈΠ»ΠΈ ΠΏΡΠΈ Π²ΡΡΠΎΠΊΠΎΠΌ Π΄Π°Π²Π»Π΅Π½ΠΈΠΈ Π² ΡΠΈΡΡΠ΅ΠΌΠ΅ ΠΊΠΎΠ½Π΄ΠΈΡΠΈΠΎΠ½ΠΈΡΠΎΠ²Π°Π½ΠΈΡ ΠΏΠΎ Π΄Π°ΡΡΠΈΠΊΡ Π΄Π°Π²Π»Π΅Π½ΠΈΡ ΡΡΠ΅ΠΎΠ½Π°.
Π Π΅Π»Π΅ Π²ΡΠ΅ΠΌΠ΅Π½ΠΈ ΡΡΠ΅Ρ ΡΠ΅ΠΏΠ½ΠΎΠ΅ Π Π3 Π·Π°Π΄Π΅ΡΠΆΠΊΠ° Π²ΠΊΠ»ΡΡΠ΅Π½ΠΈΡ, Π·Π°Π΄Π΅ΡΠΆΠΊΠ° Π²ΡΠΊΠ»ΡΡΠ΅Π½ΠΈΡ
ΠΠ·Π³ΠΎΡΠΎΠ²ΠΈΡΠ΅Π»Ρ ΠΠ΅Π°Π½Π΄Ρ β Π Π3
Π Π΅Π»Π΅ Π²ΡΠ΅ΠΌΠ΅Π½ΠΈ ΡΡΠ΅Ρ
ΡΠ΅ΠΏΠ½ΠΎΠ΅ Π Π3 ΠΏΡΠ΅Π΄Π½Π°Π·Π½Π°ΡΠ΅Π½ΠΎ Π΄Π»Ρ Π²ΡΠ΄Π°ΡΠΈ ΠΊΠΎΠΌΠ°Π½Π΄ Π² ΡΠ΅ΠΏΠΈ ΡΡ
Π΅ΠΌ ΡΠΏΡΠ°Π²Π»Π΅Π½ΠΈΡ ΡΠ΅ΡΠ΅Π· ΠΊΠΎΠ½ΡΠ°ΠΊΡΡ ΡΠ΅Π»Π΅ ΠΏΠΎΡΠ»Π΅ ΠΎΡΡΠ°Π±ΠΎΡΠΊΠΈ ΡΡΡΠ°Π½ΠΎΠ²Π»Π΅Π½Π½ΠΎΠΉ Π²ΡΠ΄Π΅ΡΠΆΠΊΠΈ Π²ΡΠ΅ΠΌΠ΅Π½ΠΈ ΠΏΠΎ Π·Π°Π΄Π°Π½Π½ΠΎΠΌΡ Π°Π»Π³ΠΎΡΠΈΡΠΌΡ ΡΠ°Π±ΠΎΡΡ.
ΠΠΈΠ°Π³ΡΠ°ΠΌΠΌΡ ΡΠ°Π±ΠΎΡΡ: Π·Π°Π΄Π΅ΡΠΆΠΊΠ° Π½Π° Π²ΠΊΠ»ΡΡΠ΅Π½ΠΈΠ΅ ΠΈ ΠΎΡΠΊΠ»ΡΡΠ΅Π½ΠΈΠ΅.
ΠΠΌΠ΅Π΅Ρ ΡΡΠΈ Π½Π΅Π·Π°Π²ΠΈΡΠΈΠΌΡΡ
ΡΠ΅ΠΏΠΈ, Π²ΡΠ΅ΠΌΡ Π·Π°Π΄Π΅ΡΠΆΠΊΠΈ ΡΡΡΠ°Π½Π°Π²Π»ΠΈΠ²Π°Π΅ΡΡΡ Π΄Π»Ρ ΠΊΠ°ΠΆΠ΄ΠΎΠΉ ΡΠ΅ΠΏΠΈ Π² Π²ΡΠ±ΡΠ°Π½Π½ΠΎΠΌ Π΄ΠΈΠ°ΠΏΠ°Π·ΠΎΠ½Π΅ Π²ΡΠ΅ΠΌΠ΅Π½ΠΈ, 8 ΠΏΠΎΠ΄Π΄ΠΈΠ°ΠΏΠ°Π·ΠΎΠ½ΠΎΠ² Π²ΡΠ΄Π΅ΡΠΆΠ΅ΠΊ Π²ΡΠ΅ΠΌΠ΅Π½ΠΈ ΠΎΡ 0,1 ΡΠ΅ΠΊ Π΄ΠΎ 9,9 Ρ.
1 ΠΏΠ΅ΡΠ΅ΠΊΠ»ΡΡΠ°ΡΡΠΈΠΉ ΠΊΠΎΠ½ΡΠ°ΠΊΡ Π½Π° ΠΊΠ°ΠΆΠ΄ΡΡ ΡΠ΅ΠΏΡ ΠΈ 1 Π·Π°ΠΌΡΠΊΠ°ΡΡΠΈΠΉ ΠΊΠΎΠ½ΡΠ°ΠΊΡ ΠΌΠ³Π½ΠΎΠ²Π΅Π½Π½ΠΎΠ³ΠΎ Π΄Π΅ΠΉΡΡΠ²ΠΈΡ.
Π Π΅Π»Π΅ Π²ΡΠ΅ΠΌΠ΅Π½ΠΈ Π²ΡΠΏΡΡΠΊΠ°ΡΡΡΡ Π² ΡΠ½ΠΈΡΠΈΡΠΈΡΠΎΠ²Π°Π½Π½ΠΎΠΌ ΠΏΠ»Π°ΡΡΠΌΠ°ΡΡΠΎΠ²ΠΎΠΌ ΠΊΠΎΡΠΏΡΡΠ΅ Ρ ΠΏΠ΅ΡΠ΅Π΄Π½ΠΈΠΌ ΠΏΡΠΈΡΠΎΠ΅Π΄ΠΈΠ½Π΅Π½ΠΈΠ΅ΠΌ ΠΏΡΠΎΠ²ΠΎΠ΄ΠΎΠ² ΠΏΠΈΡΠ°Π½ΠΈΡ ΠΈ ΠΊΠΎΠΌΠΌΡΡΠΈΡΡΠ΅ΠΌΡΡ
ΡΠ»Π΅ΠΊΡΡΠΈΡΠ΅ΡΠΊΠΈΡ
ΡΠ΅ΠΏΠ΅ΠΉ.
ΠΠ° Π»ΠΈΡΠ΅Π²ΠΎΠΉ ΠΏΠ°Π½Π΅Π»ΠΈ ΡΠ΅Π»Π΅ Π²ΡΠ΅ΠΌΠ΅Π½ΠΈ ΡΠ°ΡΠΏΠΎΠ»ΠΎΠΆΠ΅Π½Ρ:
ΠΏΠ΅ΡΠ΅ΠΊΠ»ΡΡΠ°ΡΠ΅Π»ΠΈ Π΄Π»Ρ Π·Π°Π΄Π°Π½ΠΈΡ ΡΡΡΠ°Π²ΠΊΠΈ Π²ΡΠ΄Π΅ΡΠΆΠΊΠΈ Π²ΡΠ΅ΠΌΠ΅Π½ΠΈ Π΄Π»Ρ ΠΊΠ°ΠΆΠ΄ΠΎΠΉ ΡΠ΅ΠΏΠΈ;
ΠΠΈΠΏ ΠΏΠ΅ΡΠ΅ΠΊΠ»ΡΡΠ°ΡΠ΅Π»Ρ Π²ΡΠ±ΠΎΡΠ° ΠΏΠΎΠ΄Π΄ΠΈΠ°ΠΏΠ°Π·ΠΎΠ½Π° Π²ΡΠ΅ΠΌΠ΅Π½ΠΈ ΠΈ Π΄ΠΈΠ°Π³ΡΠ°ΠΌΠΌΡ ΡΠ°Π±ΠΎΡΡ;
Π·Π΅Π»Π΅Π½ΡΠΉ ΠΈΠ½Π΄ΠΈΠΊΠ°ΡΠΎΡ Π²ΠΊΠ»ΡΡΠ΅Π½ΠΈΡ ΠΏΠΈΡΠ°Π½ΠΈΡ Β«UΒ»;
ΠΆΠ΅Π»ΡΡΠ΅ ΠΈΠ½Π΄ΠΈΠΊΠ°ΡΠΎΡΡ ΡΡΠ°Π±Π°ΡΡΠ²Π°Π½ΠΈΡ ΠΈΡΠΏΠΎΠ»Π½ΠΈΡΠ΅Π»ΡΠ½ΡΡ
ΡΠ΅Π»Π΅ Π² ΠΊΠ°ΠΆΠ΄ΠΎΠΉ ΡΠ΅ΠΏΠΈ.
ΠΡΠΏΠΎΠ»Π½Π΅Π½ΠΈΠ΅ 3-ΠΠΠΠ£ΠΠ―, ΠΊΡΠ΅ΠΏΠ»Π΅Π½ΠΈΠ΅ Π½Π° DIN ΡΠ΅ΠΉΠΊΡ ΠΈ Π½Π°ΠΌ ΡΠΎΠ²Π½ΡΡ ΠΏΠΎΠ²Π΅ΡΡ
Π½ΠΎΡΡΡ.
Π Π°Π±ΠΎΡΠ° ΡΡΠ΅Ρ ΡΠ΅ΠΏΠ½ΠΎΠ³ΠΎ ΡΠ΅Π»Π΅ Π²ΡΠ΅ΠΌΠ΅Π½ΠΈ Π Π3
ΠΡΠ΅ΠΌΠ΅Π½Π½ΠΎΠΉ ΠΏΠΎΠ΄Π΄ΠΈΠ°ΠΏΠ°Π·ΠΎΠ½ Π²ΡΠ±ΠΈΡΠ°Π΅ΡΡΡ Ρ ΠΏΠΎΠΌΠΎΡΡΡ ΠΊΠΎΠ½ΡΠ°ΠΊΡΠ½ΡΡ
ΠΏΠ°Ρ 1,2,3 DIP — ΠΏΠ΅ΡΠ΅ΠΊΠ»ΡΡΠ°ΡΠ΅Π»Ρ. ΠΠΎΠ΄Π΄ΠΈΠ°ΠΏΠ°Π·ΠΎΠ½ Π²ΡΠ΅ΠΌΠ΅Π½ΠΈ Π²ΡΠ±ΠΈΡΠ°Π΅ΡΡΡ ΠΎΠ΄ΠΈΠ½ Π΄Π»Ρ Π²ΡΠ΅Ρ
ΡΡΠ΅Ρ
Π²ΡΡΡΠΎΠ΅Π½Π½ΡΡ
ΡΠ»Π΅ΠΊΡΡΠΎΠΌΠ°Π³Π½ΠΈΡΠ½ΡΡ
ΡΠ΅Π»Π΅. Π’ΡΠ΅Π±ΡΠ΅ΠΌΠ°Ρ Π²ΡΠ΅ΠΌΠ΅Π½Π½Π°Ρ Π²ΡΠ΄Π΅ΡΠΆΠΊΠ° Π΄Π»Ρ ΠΊΠ°ΠΆΠ΄ΠΎΠ³ΠΎ Π²ΡΡΡΠΎΠ΅Π½Π½ΠΎΠ³ΠΎ ΡΠ΅Π»Π΅ ΠΎΠΏΡΠ΅Π΄Π΅Π»ΡΠ΅ΡΡΡ ΠΏΡΡΠ΅ΠΌ ΡΠΌΠ½ΠΎΠΆΠ΅Π½ΠΈΡ ΡΠΈΡΠ»ΠΎΠ²ΠΎΠ³ΠΎ Π·Π½Π°ΡΠ΅Π½ΠΈΡ ΡΡΡΠ°Π²ΠΊΠΈ (ΡΠΈΡΠ»ΠΎ, ΡΡΡΠ°Π½ΠΎΠ²Π»Π΅Π½Π½ΠΎΠ΅ Π½Π° ΠΏΠ΅ΡΠ΅ΠΊΠ»ΡΡΠ°ΡΠ΅Π»Π΅ Π΄Π»Ρ ΠΊΠ°ΠΆΠ΄ΠΎΠ³ΠΎ ΡΠ΅Π»Π΅) Π½Π° ΠΌΠ½ΠΎΠΆΠΈΡΠ΅Π»Ρ ΠΎΠ΄Π½ΠΎΠ³ΠΎ ΠΈΠ· Π²ΠΎΡΡΠΌΠΈ Π²ΡΠ±ΡΠ°Π½Π½ΠΎΠ³ΠΎ Π²ΡΠ΅ΠΌΠ΅Π½Π½ΠΎΠ³ΠΎ ΠΏΠΎΠ΄Π΄ΠΈΠ°ΠΏΠ°Π·ΠΎΠ½Π°. Π‘ ΠΏΠΎΠΌΠΎΡΡΡ Π΄Π²ΡΡ
Π΄Π΅ΠΊΠ°Π΄Π½ΠΎΠ³ΠΎ ΠΏΠ΅ΡΠ΅ΠΊΠ»ΡΡΠ°ΡΠ΅Π»Ρ Β«t1Β» ΡΡΡΠ°Π½Π°Π²Π»ΠΈΠ²Π°Π΅ΡΡΡ Π²ΡΠ΅ΠΌΠ΅Π½Π½Π°Ρ Π²ΡΠ΄Π΅ΡΠΆΠΊΠ° Π΄Π»Ρ ΡΠ΅Π»Π΅ Π1, Ρ ΠΏΠΎΠΌΠΎΡΡΡ Β«t2Β» — Π΄Π»Ρ ΡΠ΅Π»Π΅ Π2, Ρ ΠΏΠΎΠΌΠΎΡΡΡ Β«t3Β» — Π΄Π»Ρ ΡΠ΅Π»Π΅ Π3. ΠΠΈΠ°Π³ΡΠ°ΠΌΠΌΠ° ΡΠ°Π±ΠΎΡΡ Π²ΡΠ±ΠΈΡΠ°Π΅ΡΡΡ Ρ ΠΏΠΎΠΌΠΎΡΡΡ ΠΏΠ΅ΡΠ΅ΠΊΠ»ΡΡΠ°ΡΠ΅Π»Ρ 4 Π² ΡΠΎΠΎΡΠ²Π΅ΡΡΡΠ²ΠΈΠΈ Ρ ΡΠ°Π±Π»ΠΈΡΠ΅ΠΉ. ΠΠΎΠ³Π΄Π° ΠΏΠ΅ΡΠ΅ΠΊΠ»ΡΡΠ°ΡΠ΅Π»Ρ 4 Π½Π°Ρ
ΠΎΠ΄ΠΈΡΡΡ Π² Π½ΠΈΠΆΠ½Π΅ΠΌ ΠΏΠΎΠ»ΠΎΠΆΠ΅Π½ΠΈΠΈ, Π²ΠΊΠ»ΡΡΠ°Π΅ΡΡΡ ΠΏΠ΅ΡΠ²Π°Ρ Π΄ΠΈΠ°Π³ΡΠ°ΠΌΠΌΠ°, ΡΠ°Π±ΠΎΡΠ° Ρ Β«ΠΏΠ°ΡΠ·ΡΒ» (Π΄Π»ΠΈΡΠ΅Π»ΡΠ½ΠΎΡΡΡ ΠΏΠ°ΡΠ·Ρ ΠΎΠΏΡΠ΅Π΄Π΅Π»ΡΠ΅Ρ Π·Π°Π΄Π΅ΡΠΆΠΊΡ Π½Π° Π²ΠΊΠ»ΡΡΠ΅Π½ΠΈΠ΅ ΠΊΠ°ΠΆΠ΄ΠΎΠ³ΠΎ Π²ΡΡΡΠΎΠ΅Π½Π½ΠΎΠ³ΠΎ ΡΠ΅Π»Π΅ ΠΎΡ Π½Π°ΡΠ°Π»Π° ΠΏΠΎΠ΄Π°ΡΠΈ ΠΏΠΈΡΠ°Π½ΠΈΡ Π½Π° ΠΏΡΠΈΠ±ΠΎΡ Π½Π° Π²ΡΠ΅ΠΌΡ t1, t2, t3 ), ΠΏΡΠΈ ΡΡΠΎΠΌ Π² ΠΈΠ½ΡΠ΅ΡΠ²Π°Π»Π΅ ΠΏΡΠ΅Π΄Π²Π°ΡΠΈΡΠ΅Π»ΡΠ½ΠΎ ΡΡΡΠ°Π½ΠΎΠ²Π»Π΅Π½Π½ΡΡ
Π²ΡΠ΄Π΅ΡΠΆΠ΅ΠΊ Π²ΡΠ΅ΠΌΠ΅Π½ΠΈ Π·Π°ΠΌΠΊΠ½ΡΡΡ ΠΊΠΎΠ½ΡΠ°ΠΊΡΡ 35-36 (ΡΠ΅Π»Π΅ Π3), 25-26 (ΡΠ΅Π»Π΅ Π2) ΠΈ 16-15 (ΡΠ΅Π»Π΅ Π1). ΠΠ΅ΡΡ
Π½Π΅Π΅ ΠΏΠΎΠ»ΠΎΠΆΠ΅Π½ΠΈΠ΅ 4 ΠΏΠ΅ΡΠ΅ΠΊΠ»ΡΡΠ°ΡΠ΅Π»Ρ ΡΠΎΠΎΡΠ²Π΅ΡΡΡΠ²ΡΠ΅Ρ Π²ΡΠΎΡΠΎΠΉ Π΄ΠΈΠ°Π³ΡΠ°ΠΌΠΌΠ΅ ΡΠ°Π±ΠΎΡΡ ΡΠ΅Π»Π΅, ΡΠ°Π±ΠΎΡΠ° Ρ Β«ΠΈΠΌΠΏΡΠ»ΡΡΠ°Β» (Π²ΡΡΡΠΎΠ΅Π½Π½ΡΠ΅ ΡΠ΅Π»Π΅ Π²ΠΊΠ»ΡΡΠ°ΡΡΡΡ ΠΎΠ΄Π½ΠΎΠ²ΡΠ΅ΠΌΠ΅Π½Π½ΠΎ Ρ ΠΏΠΎΠ΄Π°ΡΠ΅ΠΉ ΠΏΠΈΡΠ°Π½ΠΈΡ Π½Π° Π²ΡΠ΅ΠΌΡ t1, t2, t3 ). ΠΠΎ Π²ΡΠ΅ΠΌΡ Β«ΠΈΠΌΠΏΡΠ»ΡΡΠ°Β» Π·Π°ΠΌΠΊΠ½ΡΡΡ ΠΊΠΎΠ½ΡΠ°ΠΊΡΡ 35-38 (ΡΠ΅Π»Π΅ Π3), 25-28 (ΡΠ΅Π»Π΅ Π2), 15-18 (ΡΠ΅Π»Π΅ Π1). Π Π΅Π»Π΅ ΠΈΠΌΠ΅Π΅Ρ ΠΎΠ΄ΠΈΠ½ Π·Π°ΠΌΡΠΊΠ°ΡΡΠΈΠΉ ΠΊΠΎΠ½ΡΠ°ΠΊΡ ΠΌΠ³Π½ΠΎΠ²Π΅Π½Π½ΠΎΠ³ΠΎ Π΄Π΅ΠΉΡΡΠ²ΠΈΡ ΠΠ. ΠΠ΄Π½ΠΎΠ²ΡΠ΅ΠΌΠ΅Π½Π½ΠΎ Ρ ΠΏΠΎΠ΄Π°ΡΠ΅ΠΉ ΠΏΠΈΡΠ°Π½ΠΈΡ Π½Π° ΡΠ΅Π»Π΅ Π·Π°ΠΌΡΠΊΠ°ΡΡ- ΡΡ ΠΊΠΎΠ½ΡΠ°ΠΊΡΡ 43-44 ΠΈ ΠΎΡΡΠ°ΡΡΡΡ Π·Π°ΠΌΠΊΠ½ΡΡΡΠΌΠΈ Π΄ΠΎ ΡΠ½ΡΡΠΈΡ ΠΏΠΈΡΠ°Π½ΠΈΡ Ρ ΡΠ΅Π»Π΅. ΠΠ°ΠΏΡΡΠΆΠ΅Π½ΠΈΠ΅ ΠΏΠΈΡΠ°Π½ΠΈΡ ΠΠ‘DC24 Π ΠΏΠΎΠ΄Π°Π΅ΡΡΡ Π½Π° ΠΊΠ»Π΅ΠΌΠΌΡ Β«+Π3Β» ΠΈ Β«Π2Β», Π° Π½Π°ΠΏΡΡΠΆΠ΅Π½ΠΈΠ΅ ΠΠ‘220 Π — Π½Π° ΠΊΠ»Π΅ΠΌΠΌΡ Β«Π1Β» ΠΈ Β«Π2Β». Π‘Ρ
Π΅ΠΌΠ° ΠΏΠΎΠ΄ΠΊΠ»ΡΡΠ΅Π½ΠΈΡ ΡΠ΅Π»Π΅ ΠΏΡΠΈΠ²Π΅Π΄Π΅Π½Π° Π² ΡΠ°Π±Π»ΠΈΡΠ΅.
ΠΠ»Ρ ΠΈΠ·ΠΌΠ΅Π½Π΅Π½ΠΈΡ ΠΏΠΎΠ΄Π΄ΠΈΠ°ΠΏΠ°Π·ΠΎΠ½Π° Π²ΡΠ΄Π΅ΡΠΆΠΊΠΈ Π²ΡΠ΅ΠΌΠ΅Π½ΠΈ ΡΠ΅Π»Π΅ Π½Π΅ΠΎΠ±Ρ
ΠΎΠ΄ΠΈΠΌΠΎ ΡΠ½ΡΡΡ Π½Π°ΠΏΡΡΠΆΠ΅Π½ΠΈΠ΅ ΠΏΠΈΡΠ°Π½ΠΈΡ.
ΠΠΈΠ°ΠΏΠ°Π·ΠΎΠ½Ρ Π²ΡΠ΅ΠΌΠ΅Π½ΠΈ:
0,1Ρ-9,9Ρ
1Ρ-99Ρ
0,1ΠΌ-9,9ΠΌ
1ΠΌ-99ΠΌ
0,1Ρ-9,9Ρ
Β
Π’Π΅Ρ Π½ΠΈΡΠ΅ΡΠΊΠΈΠ΅ Ρ Π°ΡΠ°ΠΊΡΠ΅ΡΠΈΡΡΠΈΠΊΠΈ ΡΠ΅Π»Π΅ Π²ΡΠ΅ΠΌΠ΅Π½ΠΈ Π Π3
| ΠΠ°ΡΠ°ΠΌΠ΅ΡΡΡ | ΠΠ½Π°ΡΠ΅Π½ΠΈΡ |
| ΠΠ°ΠΏΡΡΠΆΠ΅Π½ΠΈΡ ΠΏΠΈΡΠ°Π½ΠΈΡ (ΠΏΠΎ ΠΈΡΠΏΠΎΠ»Π½Π΅Π½ΠΈΡΠΌ) | ΠΠ‘220Π Β± 10%, 50 ΠΡ ΠΠ‘DC24Π Β± 10% ΠΈΠ»ΠΈ ΠΠ‘DC48-250Π |
| ΠΠΈΠ°ΠΏΠ°Π·ΠΎΠ½ Π²ΡΠ΄Π΅ΡΠΆΠ΅ΠΊ Π²ΡΠ΅ΠΌΠ΅Π½ΠΈ | 0,1 ΡΠ΅ΠΊ — 9,9 ΡΠ°Ρ |
| ΠΠΎΡΠ»Π΅ ΠΏΠΎΠ΄Π°ΡΠΈ ΠΏΠΈΡΠ°Π½ΠΈΡ Π²ΡΠ΅ ΡΡΠΈ ΠΊΠ°Π½Π°Π»Π° Π½Π°ΡΠΈΠ½Π°ΡΡ ΠΎΡΡΡΡΡ Π²ΡΠ΅ΠΌΠ΅Π½ΠΈ. ΠΠΎ ΠΎΠΊΠΎΠ½ΡΠ°Π½ΠΈΠΈ ΠΎΡΡΡΡΡΠ° Π²ΡΠ΅ΠΌΠ΅Π½ΠΈ ΡΠ΅Π»Π΅ Π²ΠΊΠ»ΡΡΠ°ΡΡΡΡ. ΠΡΠΊΠ»ΡΡΠΈΡΡ ΡΠ΅Π»Π΅ ΠΌΠΎΠΆΠ½ΠΎ ΡΠΎΠ»ΡΠΊΠΎ Π²ΡΠΊΠ»ΡΡΠΈΠ² ΠΏΠΈΡΠ°Π½ΠΈΠ΅. ΠΡΠ΄Π΅ΡΠΆΠΊΠ° Π²ΡΠ΅ΠΌΠ΅Π½ΠΈ Π·Π°Π΄Π°ΡΡΡΡ Π΄Π»Ρ ΠΊΠ°ΠΆΠ΄ΠΎΠ³ΠΎ ΠΊΠ°Π½Π°Π»Π° ΠΈΠ½Π΄ΠΈΠ²ΠΈΠ΄ΡΠ°Π»ΡΠ½ΠΎ. ΠΠΈΠ°ΠΏΠ°Π·ΠΎΠ½ ΡΡΡΠ°Π½Π°Π²Π»ΠΈΠ²Π°Π΅ΡΡΡ ΠΎΠ΄ΠΈΠ½ Π΄Π»Ρ Π²ΡΠ΅Ρ . | |
| ΠΡΠΈ ΠΏΠΎΠ΄Π°ΡΠ΅ Π½Π°ΠΏΡΡΠΆΠ΅Π½ΠΈΡ ΠΏΠΈΡΠ°Π½ΠΈΡ ΡΠ΅Π»Π΅ Π²ΡΠ΅Ρ
ΡΡΡΡ
ΠΊΠ°Π½Π°Π»ΠΎΠ² Π²ΠΊΠ»ΡΡΠ°ΡΡΡΡ, Π½Π°ΡΠΈΠ½Π°Π΅ΡΡΡ ΠΎΡΡΡΡΡ ΡΡΡΠ°Π½ΠΎΠ²Π»Π΅Π½Π½ΠΎΠ³ΠΎ Π²ΡΠ΅ΠΌΠ΅Π½ΠΈ. ΠΠΎ ΠΎΠΊΠΎΠ½ΡΠ°Π½ΠΈΠΈ ΠΎΡΡΡΡΡΠ° Π²ΡΠ΅ΠΌΠ΅Π½ΠΈ ΠΏΡΠΎΠΈΡΡ
ΠΎΠ΄ΠΈΡ ΠΎΡΠΊΠ»ΡΡΠ΅Π½ΠΈΠ΅ ΡΠ΅Π»Π΅. ΠΡΠ΄Π΅ΡΠΆΠΊΠ° Π²ΡΠ΅ΠΌΠ΅Π½ΠΈ Π·Π°Π΄Π°ΡΡΡΡ Π΄Π»Ρ ΠΊΠ°ΠΆΠ΄ΠΎΠ³ΠΎ ΠΊΠ°Π½Π°Π»Π° ΠΈΠ½Π΄ΠΈΠ²ΠΈΠ΄ΡΠ°Π»ΡΠ½ΠΎ. ΠΠΈΠ°ΠΏΠ°Π·ΠΎΠ½ ΡΡΡΠ°Π½Π°Π²Π»ΠΈΠ²Π°Π΅ΡΡΡ ΠΎΠ΄ΠΈΠ½ Π΄Π»Ρ Π²ΡΠ΅Ρ . | |
| ΠΠΎΠ³ΡΠ΅ΡΠ½ΠΎΡΡΡ ΠΎΡΡΡΠ΅ΡΠ° Π²ΡΠ΄Π΅ΡΠΆΠΊΠΈ Π²ΡΠ΅ΠΌΠ΅Π½ΠΈ | Π½Π΅ Π±ΠΎΠ»Π΅Π΅ 2% |
| ΠΡΠ΅ΠΌΡ Π³ΠΎΡΠΎΠ²Π½ΠΎΡΡΠΈ | Π½Π΅ Π±ΠΎΠ»Π΅Π΅ 0,15 Ρ |
| ΠΡΠ΅ΠΌΡ ΠΏΠΎΠ²ΡΠΎΡΠ½ΠΎΠΉ Π³ΠΎΡΠΎΠ²Π½ΠΎΡΡΠΈ | Π½Π΅ Π±ΠΎΠ»Π΅Π΅ 0,1 Ρ |
| ΠΠ°ΠΊΡΠΈΠΌΠ°Π»ΡΠ½ΠΎΠ΅ ΠΊΠΎΠΌΠΌΡΡΠΈΡΡΠ΅ΠΌΠΎΠ΅ Π½Π°ΠΏΡΡΠΆΠ΅Π½ΠΈΠ΅ | 250 Π |
| ΠΠ°ΠΊΡΠΈΠΌΠ°Π»ΡΠ½ΡΠΉ ΠΊΠΎΠΌΠΌΡΡΠΈΡΡΠ΅ΠΌΡΠΉ ΡΠΎΠΊ ΠΏΡΠΈ Π°ΠΊΡΠΈΠ²Π½ΠΎΠΉ Π½Π°Π³ΡΡΠ·ΠΊΠ΅: ΠΠ‘250Π, 50 ΠΡ (ΠΠ‘1) DC30Π (DC1) | 7 Π 7 Π |
| Π‘Ρ Π΅ΠΌΠ° ΠΏΠΎΠ΄ΠΊΠ»ΡΡΠ΅Π½ΠΈΡ ΠΠ‘DC24Π/ΠΠ‘220Π | |
| Π‘Ρ
Π΅ΠΌΠ° ΠΏΠΎΠ΄ΠΊΠ»ΡΡΠ΅Π½ΠΈΡ ΠΠ‘DC48-250Π | |
| ΠΠ°ΠΊΡΠΈΠΌΠ°Π»ΡΠ½Π°Ρ ΠΊΠΎΠΌΠΌΡΡΠΈΡΡΠ΅ΠΌΠ°Ρ ΠΌΠΎΡΠ½ΠΎΡΡΡ | 1000 ΠΠ |
| ΠΠ°ΠΊΡΠΈΠΌΠ°Π»ΡΠ½ΠΎΠ΅ Π½Π°ΠΏΡΡΠΆΠ΅Π½ΠΈΠ΅ ΠΌΠ΅ΠΆΠ΄Ρ ΡΠ΅ΠΏΡΠΌΠΈ ΠΏΠΈΡΠ°Π½ΠΈΡ ΠΈ ΠΊΠΎΠ½ΡΠ°ΠΊΡΠ°ΠΌΠΈ ΡΠ΅Π»Π΅ | ΠΠ‘1500Π, 50 ΠΡ, (1 ΠΌΠΈΠ½.) |
| ΠΠ΅Ρ Π°Π½ΠΈΡΠ΅ΡΠΊΠ°Ρ ΠΈΠ·Π½ΠΎΡΠΎΡΡΠΎΠΉΠΊΠΎΡΡΡ, ΡΠΈΠΊΠ»ΠΎΠ² Π½Π΅ ΠΌΠ΅Π½Π΅Π΅ | 10Ρ 106 |
| ΠΠΎΠ»ΠΈΡΠ΅ΡΡΠ²ΠΎ ΠΈ ΡΠΈΠΏ ΠΊΠΎΠ½ΡΠ°ΠΊΡΠΎΠ² | — ΠΏΠ΅ΡΠ΅ΠΊΠ»ΡΡΠ°ΡΡΠΈΠΉ ΠΊΠΎΠ½ΡΠ°ΠΊΡ Π½Π° ΠΊΠ°ΠΆΠ΄ΡΡ ΡΠ΅ΠΏΡ, — Π·Π°ΠΌΡΠΊΠ°ΡΡΠΈΠΉ ΠΌΠ³Π½ΠΎΠ²Π΅Π½Π½ΡΠΉ ΠΊΠΎΠ½ΡΠ°ΠΊΡ |
| Π‘ΡΠ΅ΠΏΠ΅Π½Ρ Π·Π°ΡΠΈΡΡ ΡΠ΅Π»Π΅ ΠΏΠΎ ΠΊΠΎΡΠΏΡΡΡ ΠΏΠΎ ΠΊΠ»Π΅ΠΌΠΌΠ°ΠΌ | IP40 IP20 |
| ΠΠΈΠ°ΠΏΠ°Π·ΠΎΠ½ ΡΠ°Π±ΠΎΡΠΈΡ ΡΠ΅ΠΌΠΏΠ΅ΡΠ°ΡΡΡ | -10 … +55Β°Π‘ |
| Π’Π΅ΠΌΠΏΠ΅ΡΠ°ΡΡΡΠ° Ρ ΡΠ°Π½Π΅Π½ΠΈΡ | -40 … +60Β°Π‘ |
| ΠΠ°Π±Π°ΡΠΈΡΠ½ΡΠ΅ ΡΠ°Π·ΠΌΠ΅ΡΡ | 55 Π₯ 90 Π₯ 66ΠΌΠΌ |
| ΠΠ°ΡΡΠ° | 120 Π³ |
Π¦Π΅ΠΏΠΈ ΡΠ΅Π»Π΅ ΠΈ ΠΏΡΡΠΊΠ°ΡΠ΅Π»Π΅ΠΉ
Π¦Π΅ΠΏΠΈ ΡΠ΅Π»Π΅ ΠΈ ΠΏΡΡΠΊΠ°ΡΠ΅Π»Π΅ΠΉΠΠΎΠ½ΡΡΠΎΠ»ΡΠ½ΠΎ-ΠΈΠ·ΠΌΠ΅ΡΠΈΡΠ΅Π»ΡΠ½ΡΠ΅ ΠΏΡΠΈΠ±ΠΎΡΡ ΠΈ Π°Π²ΡΠΎΠΌΠ°ΡΠΈΠΊΠ°
ΠΡΠΈΠ»ΠΎΠΆΠ΅Π½ΠΈΠ΅ Π΄Π»Ρ Windows β AndroidΠΠ΄Π΅ΡΡ ΠΏΡΠ΅Π΄ΡΡΠ°Π²Π»Π΅Π½Ρ ΠΈ ΠΎΠ±ΡΡΠΆΠ΄Π°ΡΡΡΡ ΡΠΈΠΏΠΎΠ²ΡΠ΅ ΡΡ Π΅ΠΌΡ ΡΠ΅Π»Π΅ ΠΈ ΠΏΡΡΠΊΠ°ΡΠ΅Π»Π΅ΠΉ Π² ΠΠΠΠΈΠ.
Π‘Ρ Π΅ΠΌΡΠ΄ΠΎΡΡΠ°ΡΠΎΡΠ½ΠΎ ΠΏΡΠΎΡΡΡ ΠΈ ΡΠΈΡΠΎΠΊΠΎ ΡΠ°ΡΠΏΡΠΎΡΡΡΠ°Π½Π΅Π½Ρ, Π½ΠΎ ΡΠ΅ΠΌ Π½Π΅ ΠΌΠ΅Π½Π΅Π΅ ΠΌΠΎΠ³ΡΡ Π±ΡΡΡ ΠΈΠ½ΡΠ΅ΡΠ΅ΡΠ½Ρ Π½Π°ΡΠΈΠ½Π°ΡΡΠΈΠΌ ΡΠΏΠ΅ΡΠΈΠ°Π»ΠΈΡΡΠ°ΠΌ ΠΏΠΎ ΠΠΠΠΈΠ.
ΠΡΠΎΡΡΠ°Ρ ΡΠ΅ΠΏΡ ΡΠ΅Π»Π΅ / ββΡΡΠ°ΡΡΠ΅ΡΠ°
ΠΡΠΎΡΡΠ°Ρ ΡΡ Π΅ΠΌΠ° ΡΠΏΡΠ°Π²Π»Π΅Π½ΠΈΡ (Π²ΠΊΠ»ΡΡΠ΅Π½ΠΈΠ΅ / Π²ΡΠΊΠ»ΡΡΠ΅Π½ΠΈΠ΅) ΡΡΠ΅Ρ ΡΠ°Π·Π½ΠΎΠ³ΠΎ Π΄Π²ΠΈΠ³Π°ΡΠ΅Π»Ρ, ΠΏΠΎΠΊΠ°Π·Π°Π½Π½Π°Ρ Π½Π° ΡΠΈΡΡΠ½ΠΊΠ΅ 1.
Π ΠΈΡΡΠ½ΠΎΠΊ 1. ΠΡΠΎΡΡΠ°Ρ ΡΡ
Π΅ΠΌΠ° ΡΠ΅Π»Π΅ / ββΡΡΠ°ΡΡΠ΅ΡΠ°
Π1 — ΡΠ΅Π»Π΅ / ββΠΏΡΡΠΊΠ°ΡΠ΅Π»Ρ ~ 220 Π ΠΏΠ΅ΡΠ΅ΠΌΠ΅Π½Π½ΠΎΠ³ΠΎ ΡΠΎΠΊΠ° Ρ 4 Π½ΠΎΡΠΌΠ°Π»ΡΠ½ΠΎ ΡΠ°Π·ΠΎΠΌΠΊΠ½ΡΡΡΠΌΠΈ ΠΊΠΎΠ½ΡΠ°ΠΊΡΠ°ΠΌΠΈ.
SB1 — ΠΠ½ΠΎΠΏΠΊΠ° Β«ΠΡΡΠΊΒ» Ρ 1 Π½ΠΎΡΠΌΠ°Π»ΡΠ½ΠΎ ΡΠ°Π·ΠΎΠΌΠΊΠ½ΡΡΡΠΌ ΠΊΠΎΠ½ΡΠ°ΠΊΡΠΎΠΌ
SB2 — ΠΠ½ΠΎΠΏΠΊΠ° Β«Π‘ΡΠΎΠΏΒ» Ρ 1 Π½ΠΎΡΠΌΠ°Π»ΡΠ½ΠΎ Π·Π°ΠΌΠΊΠ½ΡΡΡΠΌ ΠΊΠΎΠ½ΡΠ°ΠΊΡΠΎΠΌ
Π1.1 — Π½ΠΎΡΠΌΠ°Π»ΡΠ½ΠΎ ΡΠ°Π·ΠΎΠΌΠΊΠ½ΡΡΡΠΉ ΠΊΠΎΠ½ΡΠ°ΠΊΡ ΡΠ΅Π»Π΅ Π1
Π1.2 … Π1.4 — ΠΊΠΎΠ½ΡΠ°ΠΊΡΡ ΡΠ΅Π»Π΅ Π1 Π΄Π»Ρ ΠΊΠΎΠΌΠΌΡΡΠ°ΡΠΈΠΈ ΡΠΈΠ»ΠΎΠ²ΡΡ
ΡΠ΅ΠΏΠ΅ΠΉ
ΠΡΠΈΠ½ΡΠΈΠΏ Π΄Π΅ΠΉΡΡΠ²ΠΈΡ
ΠΡΠΈ Π½Π°ΠΆΠ°ΡΠΈΠΈ ΠΊΠ½ΠΎΠΏΠΊΠΈ Β«ΠΡΡΠΊΒ» (SB1) Π½Π°ΠΏΡΡΠΆΠ΅Π½ΠΈΠ΅ ~ 220 Π ΠΏΠ΅ΡΠ΅ΠΌΠ΅Π½Π½ΠΎΠ³ΠΎ ΡΠΎΠΊΠ° ΠΌΠ΅ΠΆΠ΄Ρ ΡΠ°Π·ΠΎΠΉ ΠΈ Π½ΡΠ»Π΅Π²ΡΠΌ ΠΏΡΠΎΠ²ΠΎΠ΄ΠΎΠΌ ΡΠ΅ΡΠ΅Π· Π½ΠΎΡΠΌΠ°Π»ΡΠ½ΠΎ Π·Π°ΠΌΠΊΠ½ΡΡΡΠΉ ΠΊΠΎΠ½ΡΠ°ΠΊΡ SB2 ΠΊΠ½ΠΎΠΏΠΊΠΈ Β«Π‘ΡΠΎΠΏΒ» ΠΏΠΎΠ΄Π°Π΅ΡΡΡ Π½Π° ΠΊΠ°ΡΡΡΠΊΡ ΡΠ΅Π»Π΅ / ββΡΡΠ°ΡΡΠ΅ΡΠ° K1.
Π Π΅Π»Π΅ ΡΠ°Π·ΠΌΡΠΊΠ°Π΅Ρ ΠΈ Π·Π°ΠΌΡΠΊΠ°Π΅Ρ ΡΡΠΈ ΡΠΈΠ»ΠΎΠ²ΡΡ ΠΊΠΎΠ½ΡΠ°ΠΊΡΠ°, ΠΏΠΎΠ΄ΠΊΠ»ΡΡΠ°ΡΡΠΈΡ Π΄Π²ΠΈΠ³Π°ΡΠ΅Π»Ρ ΠΊ ΡΡΠ΅Ρ ΡΠ°Π·Π½ΠΎΠΉ ΡΠ΅ΠΏΠΈ, ΠΈ Π·Π°ΠΌΡΠΊΠ°ΡΡΠΈΠΉ ΠΊΠΎΠ½ΡΠ°ΠΊΡ K1.1, ΠΊΠΎΡΠΎΡΡΠΉ ΡΠ΄Π΅ΡΠΆΠΈΠ²Π°Π΅Ρ ΡΠ΅Π»Π΅ Π²ΠΎ Π²ΠΊΠ»ΡΡΠ΅Π½Π½ΠΎΠΌ ΡΠΎΡΡΠΎΡΠ½ΠΈΠΈ.
ΠΡΠΈ Π½Π°ΠΆΠ°ΡΠΈΠΈ ΠΊΠ½ΠΎΠΏΠΊΠΈ Β«Π‘ΡΠΎΠΏΒ» (SB2) ΠΏΠΈΡΠ°Π½ΠΈΠ΅ ΠΊΠ°ΡΡΡΠΊΠΈ ΡΠ΅Π»Π΅ K1 ΠΏΡΠ΅ΠΊΡΠ°ΡΠ°Π΅ΡΡΡ ΠΈ ΠΎΠ½Π° Π²ΠΎΠ·Π²ΡΠ°ΡΠ°Π΅ΡΡΡ Π² ΠΈΡΡ ΠΎΠ΄Π½ΠΎΠ΅ ΡΠΎΡΡΠΎΡΠ½ΠΈΠ΅ ΠΏΡΡΠ΅ΠΌ ΡΠ°Π·ΠΌΡΠΊΠ°Π½ΠΈΡ ΠΊΠΎΠ½ΡΠ°ΠΊΡΠΎΠ² ΡΠΈΠ»ΠΎΠ²ΠΎΠΉ ΡΠ΅ΠΏΠΈ ΠΈ Π±Π»ΠΎΠΊΠΈΡΡΡΡΠ΅Π³ΠΎ ΠΊΠΎΠ½ΡΠ°ΠΊΡΠ° K1.1.
Π₯ΠΎΡΡ Π½Π° ΡΡ Π΅ΠΌΠ΅ ΠΏΠΎΠΊΠ°Π·Π°Π½ ΠΏΡΠΎΡΠ΅ΡΡ Π²ΠΊΠ»ΡΡΠ΅Π½ΠΈΡ ΡΡΠ΅Ρ ΡΠ°Π·Π½ΠΎΠ³ΠΎ ΡΠ»Π΅ΠΊΡΡΠΎΠ΄Π²ΠΈΠ³Π°ΡΠ΅Π»Ρ, ΡΡΠ° ΡΡ Π΅ΠΌΠ° ΡΠ²Π»ΡΠ΅ΡΡΡ ΠΊΠ»Π°ΡΡΠΈΡΠ΅ΡΠΊΠΎΠΉ ΠΈ ΠΏΠΎΠ΄Ρ ΠΎΠ΄ΠΈΡ Π΄Π»Ρ ΡΠ°Π·Π»ΠΈΡΠ½ΡΡ ΡΠ΅Π»Π΅ΠΉ, Π³Π΄Π΅ ΠΈΡΠΏΠΎΠ»ΡΠ·ΡΡΡΡΡ ΠΊΠ½ΠΎΠΏΠΊΠΈ Β«ΠΡΡΠΊΒ» ΠΈ Β«Π‘ΡΠΎΠΏΒ», Ρ ΡΠΎΠΎΡΠ²Π΅ΡΡΡΠ²ΡΡΡΠΈΠΌΠΈ ΠΈΠ·ΠΌΠ΅Π½Π΅Π½ΠΈΡΠΌΠΈ ΡΠΈΠ»ΠΎΠ²ΠΎΠΉ ΡΠ°ΡΡΠΈ ΡΡ Π΅ΠΌΡ.
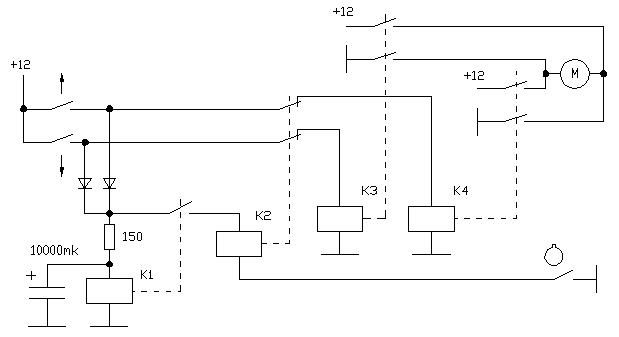
Π‘Ρ Π΅ΠΌΠ° ΡΠΏΡΠ°Π²Π»Π΅Π½ΠΈΡ ΡΠ΅Π²Π΅ΡΡΠΈΠ²Π½ΡΠΌ Π΄Π²ΠΈΠ³Π°ΡΠ΅Π»Π΅ΠΌ
ΠΡΡΠ³Π°Ρ ΡΠΈΡΠΎΠΊΠΎ ΠΈΡΠΏΠΎΠ»ΡΠ·ΡΠ΅ΠΌΠ°Ρ ΡΡ Π΅ΠΌΠ° ΠΏΠ΅ΡΠ΅ΠΊΠ»ΡΡΠ΅Π½ΠΈΡ ΡΠ΅Π»Π΅ / ββΠΏΡΡΠΊΠ°ΡΠ΅Π»Π΅ΠΉ Π΄Π»Ρ ΡΠΏΡΠ°Π²Π»Π΅Π½ΠΈΡ ΡΠ΅Π²Π΅ΡΡΠΈΠ²Π½ΡΠΌ Π΄Π²ΠΈΠ³Π°ΡΠ΅Π»Π΅ΠΌ ΠΏΠΎΠΊΠ°Π·Π°Π½Π° Π½Π° ΡΠΈΡΡΠ½ΠΊΠ΅ 2.
Π ΠΈΡΡΠ½ΠΎΠΊ 2. Π‘Ρ
Π΅ΠΌΠ° ΡΠΏΡΠ°Π²Π»Π΅Π½ΠΈΡ ΡΠ΅Π²Π΅ΡΡΠΈΠ²Π½ΡΠΌ Π΄Π²ΠΈΠ³Π°ΡΠ΅Π»Π΅ΠΌ
Π1, Π2 — ΡΠ΅Π»Π΅ / ββΠΏΡΡΠΊΠ°ΡΠ΅Π»Ρ ~ 220 Π ΠΏΠ΅ΡΠ΅ΠΌΠ΅Π½Π½ΠΎΠ³ΠΎ ΡΠΎΠΊΠ° Ρ 4 Π½ΠΎΡΠΌΠ°Π»ΡΠ½ΠΎ ΡΠ°Π·ΠΎΠΌΠΊΠ½ΡΡΡΠΌΠΈ ΠΊΠΎΠ½ΡΠ°ΠΊΡΠ°ΠΌΠΈ ΠΈ ΠΎΠ΄Π½ΠΈΠΌ Π½ΠΎΡΠΌΠ°Π»ΡΠ½ΠΎ Π·Π°ΠΌΠΊΠ½ΡΡΡΠΌ.
SB1, SB2 — ΠΊΠ½ΠΎΠΏΠΊΠΈ Β«ΠΠΏΠ΅ΡΠ΅Π΄Β», Β«ΠΠ°Π·Π°Π΄Β» Ρ ΠΎΠ΄Π½ΠΈΠΌ Π½ΠΎΡΠΌΠ°Π»ΡΠ½ΠΎ ΡΠ°Π·ΠΎΠΌΠΊΠ½ΡΡΡΠΌ ΠΊΠΎΠ½ΡΠ°ΠΊΡΠΎΠΌ.
SB3 — ΠΊΠ½ΠΎΠΏΠΊΠ° Β«Π‘ΡΠΎΠΏΒ» Ρ 1 Π½ΠΎΡΠΌΠ°Π»ΡΠ½ΠΎ Π·Π°ΠΌΠΊΠ½ΡΡΡΠΌ ΠΊΠΎΠ½ΡΠ°ΠΊΡΠΎΠΌ.
ΠΡΠΈΠ½ΡΠΈΠΏ Π΄Π΅ΠΉΡΡΠ²ΠΈΡ
ΠΡΠΈ Π½Π°ΠΆΠ°ΡΠΈΠΈ ΠΊΠ½ΠΎΠΏΠΊΠΈ SB1 (Β«ΠΠΏΠ΅ΡΠ΅Π΄Β») ΡΠ΅ΡΠ΅Π· Π½ΠΎΡΠΌΠ°Π»ΡΠ½ΠΎ Π·Π°ΠΌΠΊΠ½ΡΡΡΠΉ ΠΊΠΎΠ½ΡΠ°ΠΊΡ SB3 ΠΊΠ½ΠΎΠΏΠΊΠΈ Β«Π‘ΡΠΎΠΏΒ» ΠΈ Π½ΠΎΡΠΌΠ°Π»ΡΠ½ΠΎ Π·Π°ΠΌΠΊΠ½ΡΡΡΠΉ ΠΊΠΎΠ½ΡΠ°ΠΊΡ K2.2 ΡΠ΅Π»Π΅ K2 Π½Π° ΠΊΠ°ΡΡΡΠΊΡ ΡΠ΅Π»Π΅ K1 ΠΏΠΎΠ΄Π°Π΅ΡΡΡ Π½Π°ΠΏΡΡΠΆΠ΅Π½ΠΈΠ΅ ~ 220 ΠΠΎΠ»ΡΡ. ΠΠ½ ΡΡΠ°Π±Π°ΡΡΠ²Π°Π΅Ρ ΠΈ Π·Π°ΠΌΡΠΊΠ°Π΅Ρ ΡΠ²ΠΎΠΉ Π±Π»ΠΎΠΊΠΈΡΡΡΡΠΈΠΉ ΠΊΠΎΠ½ΡΠ°ΠΊΡ K1.1. Π Π΅Π»Π΅ K1 Π½Π°Ρ ΠΎΠ΄ΠΈΡΡΡ Π²ΠΎ Π²ΠΊΠ»ΡΡΠ΅Π½Π½ΠΎΠΌ ΡΠΎΡΡΠΎΡΠ½ΠΈΠΈ.
ΠΡΠΎΠΌΠ΅ ΡΠΎΠ³ΠΎ, ΠΎΠ½ ΡΠ°Π·ΠΌΡΠΊΠ°Π΅Ρ Π½ΠΎΡΠΌΠ°Π»ΡΠ½ΠΎ Π·Π°ΠΌΠΊΠ½ΡΡΡΠΉ ΠΊΠΎΠ½ΡΠ°ΠΊΡ K1.2 Π² ΡΠ΅ΠΏΠΈ ΠΊΠ½ΠΎΠΏΠΊΠΈ SB2 (Β«Π Π΅Π²Π΅ΡΡΒ»), ΡΠ΅ΠΌ ΡΠ°ΠΌΡΠΌ ΠΏΡΠ΅Π΄ΠΎΡΠ²ΡΠ°ΡΠ°Ρ ΡΡΠ°Π±Π°ΡΡΠ²Π°Π½ΠΈΠ΅ ΡΠ΅Π»Π΅ K2 ΠΏΡΠΈ Π½Π°ΠΆΠ°ΡΠΈΠΈ ΠΊΠ½ΠΎΠΏΠΊΠΈ Β«Π Π΅Π²Π΅ΡΡΒ».Π ΠΏΡΠΎΡΠΈΠ²Π½ΠΎΠΌ ΡΠ»ΡΡΠ°Π΅ Π²ΠΎΠ·Π½ΠΈΠΊΠ»ΠΎ Π±Ρ ΠΊΠΎΡΠΎΡΠΊΠΎΠ΅ Π·Π°ΠΌΡΠΊΠ°Π½ΠΈΠ΅ ΠΌΠ΅ΠΆΠ΄Ρ ΡΠ°Π·Π°ΠΌΠΈ Β«BΒ» ΠΈ Β«CΒ».
ΠΡΠΈ Π½Π°ΠΆΠ°ΡΠΈΠΈ ΠΊΠ½ΠΎΠΏΠΊΠΈ SB3 (Β«Π‘ΡΠΎΠΏΒ») ΡΠ΅ΠΏΡ ΠΏΠΈΡΠ°Π½ΠΈΡ ΠΊΠ°ΡΡΡΠΊΠΈ ΡΠ΅Π»Π΅ Π1 ΡΠ°Π·ΡΡΠ²Π°Π΅ΡΡΡ, ΠΎΠ½Π° ΠΏΠ΅ΡΠ΅Ρ ΠΎΠ΄ΠΈΡ Π² ΠΈΡΡ ΠΎΠ΄Π½ΠΎΠ΅ ΡΠΎΡΡΠΎΡΠ½ΠΈΠ΅, ΡΠ°Π·ΠΌΡΠΊΠ°Ρ ΡΠ΅ΠΏΠΈ ΠΏΠΈΡΠ°Π½ΠΈΡ ΡΠ»Π΅ΠΊΡΡΠΎΠ΄Π²ΠΈΠ³Π°ΡΠ΅Π»Ρ.
ΠΡΠΈ Π½Π°ΠΆΠ°ΡΠΈΠΈ ΠΊΠ½ΠΎΠΏΠΊΠΈ SB2 ΡΠ΅ΡΠ΅Π· Π½ΠΎΡΠΌΠ°Π»ΡΠ½ΠΎ Π·Π°ΠΌΠΊΠ½ΡΡΡΠΉ ΠΊΠΎΠ½ΡΠ°ΠΊΡ SB3 ΠΊΠ½ΠΎΠΏΠΊΠΈ Β«Π‘ΡΠΎΠΏΒ» ΠΈ Π½ΠΎΡΠΌΠ°Π»ΡΠ½ΠΎ Π·Π°ΠΌΠΊΠ½ΡΡΡΠΉ ΠΊΠΎΠ½ΡΠ°ΠΊΡ K1.2 ΡΠ΅Π»Π΅ K1 Π½Π° ΠΊΠ°ΡΡΡΠΊΡ ΡΠ΅Π»Π΅ K2 ΠΏΠΎΠ΄Π°Π΅ΡΡΡ Π½Π°ΠΏΡΡΠΆΠ΅Π½ΠΈΠ΅ ~ 220 ΠΠΎΠ»ΡΡ. ΠΠ½ Π·Π°ΠΌΡΠΊΠ°Π΅Ρ ΡΠ²ΠΎΠΉ Π±Π»ΠΎΠΊΠΈΡΡΡΡΠΈΠΉ ΠΊΠΎΠ½ΡΠ°ΠΊΡ K2.1, ΠΎΡΡΠ°Π²Π°ΡΡΡ Π²ΠΎ Π²ΠΊΠ»ΡΡΠ΅Π½Π½ΠΎΠΌ ΡΠΎΡΡΠΎΡΠ½ΠΈΠΈ.
ΠΡΠΎΠΌΠ΅ ΡΠΎΠ³ΠΎ, ΠΎΠ½ ΡΠ°Π·ΠΌΡΠΊΠ°Π΅Ρ Π½ΠΎΡΠΌΠ°Π»ΡΠ½ΠΎ Π·Π°ΠΌΠΊΠ½ΡΡΡΠΉ ΠΊΠΎΠ½ΡΠ°ΠΊΡ K2.2 Π² ΡΠ΅ΠΏΠΈ ΠΊΠ½ΠΎΠΏΠΊΠΈ SB2 (Β«ΠΠΏΠ΅ΡΠ΅Π΄Β»), ΡΠ΅ΠΌ ΡΠ°ΠΌΡΠΌ ΠΏΡΠ΅Π΄ΠΎΡΠ²ΡΠ°ΡΠ°Ρ ΡΡΠ°Π±Π°ΡΡΠ²Π°Π½ΠΈΠ΅ ΡΠ΅Π»Π΅ K1 ΠΏΡΠΈ Π½Π°ΠΆΠ°ΡΠΈΠΈ ΠΊΠ½ΠΎΠΏΠΊΠΈ Β«ΠΠΏΠ΅ΡΠ΅Π΄Β».
Π¦Π΅ΠΏΠΈ ΠΏΠΈΡΠ°Π½ΠΈΡ Π΄Π²ΠΈΠ³Π°ΡΠ΅Π»Ρ ΡΠΎΠ±ΡΠ°Π½Ρ ΡΠ°ΠΊ, ΡΡΠΎ ΠΏΡΠΈ ΡΡΠ°Π±Π°ΡΡΠ²Π°Π½ΠΈΠΈ ΡΠ΅Π»Π΅ Π2 ΡΠ°Π·Ρ Β«ΠΒ» ΠΈ Β«Π‘Β» ΠΌΠ΅Π½ΡΡΡΡΡ ΠΌΠ΅ΡΡΠ°ΠΌΠΈ, ΠΈ Π΄Π²ΠΈΠ³Π°ΡΠ΅Π»Ρ Π²ΡΠ°ΡΠ°Π΅ΡΡΡ Π² ΠΎΠ±ΡΠ°ΡΠ½ΠΎΠΌ Π½Π°ΠΏΡΠ°Π²Π»Π΅Π½ΠΈΠΈ.
ΠΡΠΈ Π½Π°ΠΆΠ°ΡΠΈΠΈ ΠΊΠ½ΠΎΠΏΠΊΠΈ SB3 (Β«Π‘ΡΠΎΠΏΒ») ΡΠ΅ΠΏΡ ΠΏΠΈΡΠ°Π½ΠΈΡ ΠΊΠ°ΡΡΡΠΊΠΈ ΡΠ΅Π»Π΅ Π2 ΡΠ°Π·ΡΡΠ²Π°Π΅ΡΡΡ, ΠΎΠ½Π° ΠΏΠ΅ΡΠ΅Ρ ΠΎΠ΄ΠΈΡ Π² ΠΈΡΡ ΠΎΠ΄Π½ΠΎΠ΅ ΡΠΎΡΡΠΎΡΠ½ΠΈΠ΅, ΡΠ°Π·ΠΌΡΠΊΠ°Ρ ΡΠ΅ΠΏΠΈ ΠΏΠΈΡΠ°Π½ΠΈΡ ΡΠ»Π΅ΠΊΡΡΠΎΠ΄Π²ΠΈΠ³Π°ΡΠ΅Π»Ρ.
ΠΠ°Π½ΠΊΠ½ΠΎΡΡ
ΠΠ»Ρ ΠΏΠΎΠ²ΡΡΠ΅Π½ΠΈΡ Π½Π°Π΄Π΅ΠΆΠ½ΠΎΡΡΠΈ ΡΡ Π΅ΠΌΡ ΡΡΡΠ΅ΡΡΠ²ΡΡΡ ΠΏΡΠΎΠΌΡΡΠ»Π΅Π½Π½ΡΠ΅ Π±Π»ΠΎΠΊΠΈ ΡΠΏΡΠ°Π²Π»Π΅Π½ΠΈΡ ΡΠ΅Π²Π΅ΡΡΠΈΠ²Π½ΡΠΌ Π΄Π²ΠΈΠ³Π°ΡΠ΅Π»Π΅ΠΌ, Π² ΠΊΠΎΡΠΎΡΡΡ , ΠΏΠΎΠΌΠΈΠΌΠΎ ΡΠ»Π΅ΠΊΡΡΠΈΡΠ΅ΡΠΊΠΎΠΉ Π±Π»ΠΎΠΊΠΈΡΠΎΠ²ΠΊΠΈ Π²ΠΊΠ»ΡΡΠ΅Π½ΠΈΡ ΠΏΡΠΎΡΠΈΠ²ΠΎΠΏΠΎΠ»ΠΎΠΆΠ½ΡΡ ΡΠ΅Π»Π΅ / ββΠΏΡΡΠΊΠ°ΡΠ΅Π»Π΅ΠΉ, Π΅ΡΡΡ ΠΌΠ΅Ρ Π°Π½ΠΈΡΠ΅ΡΠΊΠΈΠ΅ ΡΡΡΠ°Π³ΠΈ Π±Π»ΠΎΠΊΠΈΡΠΎΠ²ΠΊΠΈ ΠΎΠ΄Π½ΠΎΠ²ΡΠ΅ΠΌΠ΅Π½Π½ΠΎΠΉ ΡΠ°Π±ΠΎΡΡ Π΄Π²ΡΡ ΡΠ΅Π»Π΅ Π1 ΠΈ Π2. ΡΠ°ΠΊΠΆΠ΅ ΠΈΡΠΏΠΎΠ»ΡΠ·ΡΡΡΡΡ. Π ΡΠ΅Π΄ΠΊΠΈΡ ΡΠ»ΡΡΠ°ΡΡ ΡΡΠΎ ΠΌΠΎΠΆΠ΅Ρ ΠΏΡΠΎΠΈΠ·ΠΎΠΉΡΠΈ ΠΏΡΠΈ ΡΠ³ΠΎΡΠ°Π½ΠΈΠΈ (Π·Π°ΠΊΠ»ΠΈΠ½ΠΈΠ²Π°Π½ΠΈΠΈ) ΡΠΈΠ»ΠΎΠ²ΡΡ ΠΊΠΎΠ½ΡΠ°ΠΊΡΠΎΠ² ΠΎΠ΄Π½ΠΎΠ³ΠΎ ΠΈΠ· ΡΠ΅Π»Π΅.
Π‘ΠΈΠΌΠ²ΠΎΠ» ΠΈΠ»ΠΈ ΠΌΠ°ΡΠΊΠΈΡΠΎΠ²ΠΊΠ° Π½Π° ΡΠ΅Π»Π΅ Π±Π΅Π·ΠΎΠΏΠ°ΡΠ½ΠΎΡΡΠΈ
ΠΠ°ΠΊ ΡΠΆΠ΅ ΠΎΡΠ²Π΅ΡΠΈΠ»ΠΈ Π΄ΡΡΠ³ΠΈΠ΅, ΡΠΈΠΌΠ²ΠΎΠ»Ρ ΡΠΎΠΎΡΠ²Π΅ΡΡΡΠ²ΡΡΡ ΡΠ΅Π»Π΅ ΠΈ ΠΏΡΠ΅Π΄ΠΎΡ ΡΠ°Π½ΠΈΡΠ΅Π»Ρ.
Π ΠΈΡ. 1. ΠΠ²ΡΠΎΠΏΠ΅ΠΉΡΠΊΠΈΠ΅ ΠΎΠ±ΠΎΠ·Π½Π°ΡΠ΅Π½ΠΈΡ Π½Π° ΡΠ΅ΡΡΠ΅ΠΆΠ°Ρ ΡΠ»Π΅ΠΊΡΡΠΈΡΠ΅ΡΠΊΠΈΡ ΡΠΈΡΡΠ΅ΠΌ ΡΠΏΡΠ°Π²Π»Π΅Π½ΠΈΡ. ΠΠ΅ΡΠ²ΡΠΉ ΠΊΠΎΠ½ΡΠ°ΠΊΡ Π±ΡΠ΄Π΅Ρ ΠΈΠΌΠ΅ΡΡ Π½ΠΎΠΌΠ΅Ρ 1x, Π²ΡΠΎΡΠΎΠΉ — 2x ΠΈ Ρ. Π. ΠΠΎΡΠΌΠ°Π»ΡΠ½ΠΎ Π·Π°ΠΌΠΊΠ½ΡΡΡΠΉ Π±ΡΠ΄Π΅Ρ ΠΈΠΌΠ΅ΡΡ Π½ΠΎΠΌΠ΅Ρ n1 — n2 (Π³Π΄Π΅ n — ΠΊΠΎΠ½ΡΠ°ΠΊΡ), Π° Π½ΠΎΡΠΌΠ°Π»ΡΠ½ΠΎ ΠΎΡΠΊΡΡΡΡΠΉ — Π½ΠΎΠΌΠ΅Ρ n3 — n4.
Pilz PNOZ X2.8P — ΠΎΠ΄Π½ΠΎ ΠΈΠ· Π»ΠΈΠ½Π΅ΠΉΠΊΠΈ Β«ΡΠ΅Π»Π΅ Π°Π²Π°ΡΠΈΠΉΠ½ΠΎΠ³ΠΎ ΠΎΡΡΠ°Π½ΠΎΠ²Π°, ΠΌΠΎΠ½ΠΈΡΠΎΡΠΎΠ² Π±Π΅Π·ΠΎΠΏΠ°ΡΠ½ΠΎΡΡΠΈΒ», ΠΈΡΠΏΠΎΠ»ΡΠ·ΡΠ΅ΠΌΡΡ Π² ΡΠΊΠ°ΡΠ°Ρ ΡΠΏΡΠ°Π²Π»Π΅Π½ΠΈΡ ΠΏΡΠΎΠΌΡΡΠ»Π΅Π½Π½ΡΠΌΠΈ ΠΌΠ°ΡΠΈΠ½Π°ΠΌΠΈ. ΠΠ½ΡΡΡΠΈ ΠΌΠΎΠΆΠ΅Ρ Π±ΡΡΡ ΡΡΠΈ ΡΠ΅Π»Π΅, ΠΊΠΎΠ½ΡΠΈΠ³ΡΡΠ°ΡΠΈΡ ΠΊΠΎΡΠΎΡΡΡ Π°Π½Π°Π»ΠΎΠ³ΠΈΡΠ½Π° ΠΏΠΎΠΊΠ°Π·Π°Π½Π½ΠΎΠΉ Π½Π° Π ΠΈΡΡΠ½ΠΊΠ΅ 2.
Π ΠΈΡΡΠ½ΠΎΠΊ 2. ΠΡΠΈΠΌΠ΅ΡΠ½ΠΎΠ΅ Π²Π½ΡΡΡΠ΅Π½Π½Π΅Π΅ ΡΡΡΡΠΎΠΉΡΡΠ²ΠΎ Π΄Π²ΡΡ ΠΊΠ°Π½Π°Π»ΡΠ½ΠΎΠ³ΠΎ ΡΠ΅Π»Π΅ Π±Π΅Π·ΠΎΠΏΠ°ΡΠ½ΠΎΡΡΠΈ.
ΠΠ°ΠΊ ΡΡΠΎ ΡΠ°Π±ΠΎΡΠ°Π΅Ρ:
- ΠΠ°Π³ΡΡΠ·ΠΊΠΈ, ΠΊΠΎΡΠΎΡΡΠ΅ Π½Π΅ΠΎΠ±Ρ ΠΎΠ΄ΠΈΠΌΠΎ ΠΎΠ±Π΅Π·ΠΎΠΏΠ°ΡΠΈΡΡ Π² ΡΠ»ΡΡΠ°Π΅ Π°Π²Π°ΡΠΈΠΉΠ½ΠΎΠ³ΠΎ ΠΎΡΡΠ°Π½ΠΎΠ²Π° ΠΈΠ»ΠΈ ΠΎΡΠΊΡΡΡΠΈΡ ΠΊΠ°Π»ΠΈΡΠΊΠΈ Π±Π΅Π·ΠΎΠΏΠ°ΡΠ½ΠΎΡΡΠΈ, ΠΏΠΎΠ΄ΠΊΠ»ΡΡΠ°ΡΡΡΡ ΠΊ ΠΊΠ»Π΅ΠΌΠΌΠ°ΠΌ 14, 24 ΠΈ 34 Ρ ΠΏΠΎΠ΄Π°ΡΠ΅ΠΉ ΠΏΠΈΡΠ°Π½ΠΈΡ Π½Π° ΠΊΠ»Π΅ΠΌΠΌΡ 13, 23 ΠΈ 33.
- ΠΠ½ΠΎΠΏΠΊΠ° Π°Π²Π°ΡΠΈΠΉΠ½ΠΎΠ³ΠΎ ΡΠ±ΡΠΎΡΠ° ΠΏΠΎΠ΄ΠΊΠ»ΡΡΠ΅Π½Π° ΠΊ K1.
- 2-ΠΏΠΎΠ»ΡΡΠ½ΡΠ΅ ΠΊΠΎΠ½ΡΠ°ΠΊΡΡ ΠΊΠ½ΠΎΠΏΠΊΠΈ Π°Π²Π°ΡΠΈΠΉΠ½ΠΎΠ³ΠΎ ΠΎΡΡΠ°Π½ΠΎΠ²Π° ΠΏΠΎΠ΄ΠΊΠ»ΡΡΠ΅Π½Ρ ΠΊ K2 ΠΈ K3.
- ΠΡΠΈ Π²ΠΊΠ»ΡΡΠ΅Π½ΠΈΠΈ ΠΏΠΈΡΠ°Π½ΠΈΡ (Π΄ΠΎ A1 / A2) Π²ΡΠ΅ ΡΠ΅Π»Π΅ ΠΎΠ±Π΅ΡΡΠΎΡΠΈΠ²Π°ΡΡΡΡ.
- ΠΠ°ΠΆΠ°ΡΠΈΠ΅ RESET Π°ΠΊΡΠΈΠ²ΠΈΡΡΠ΅Ρ K1. ΠΡΠ»ΠΈ ΠΊΠΎΠ½ΡΠ°ΠΊΡΡ Π°Π²Π°ΡΠΈΠΉΠ½ΠΎΠ³ΠΎ ΠΎΡΡΠ°Π½ΠΎΠ²Π° Π·Π°ΠΌΠΊΠ½ΡΡΡ, ΡΡΠ°Π±Π°ΡΡΠ²Π°ΡΡ ΠΊΠΎΠ½ΡΠ°ΠΊΡΡ K1, Π° ΡΠ°ΠΊΠΆΠ΅ K2 ΠΈ K3. ΠΠ°ΡΠ΅ΠΌ ΠΎΠ½ΠΈ Π±ΡΠ΄ΡΡ ΡΠΈΠΊΡΠΈΡΠΎΠ²Π°ΡΡΡΡ ΡΠ²ΠΎΠΈΠΌΠΈ ΡΠΎΠ±ΡΡΠ²Π΅Π½Π½ΡΠΌΠΈ ΠΊΠΎΠ½ΡΠ°ΠΊΡΠ°ΠΌΠΈ ΠΈ ΠΎΡΡΠ°Π½ΡΡΡΡ Π²ΠΊΠ»ΡΡΠ΅Π½Π½ΡΠΌΠΈ, ΠΊΠΎΠ³Π΄Π° Π±ΡΠ΄Π΅Ρ ΠΎΡΠΏΡΡΠ΅Π½ Π‘ΠΠ ΠΠ‘.
- ΠΠ°Π³ΡΡΠ·ΠΊΠ° Π±ΡΠ΄Π΅Ρ Π·Π°ΠΏΠΈΡΠ°Π½Π° ΡΠ΅ΡΠ΅Π· ΠΏΠΎΡΠ»Π΅Π΄ΠΎΠ²Π°ΡΠ΅Π»ΡΠ½ΠΎ ΡΠΎΠ΅Π΄ΠΈΠ½Π΅Π½Π½ΡΠ΅ ΠΊΠΎΠ½ΡΠ°ΠΊΡΡ K2 ΠΈ K3.
ΠΠ²ΡΡ ΠΊΠ°Π½Π°Π»ΡΠ½ΡΠΉ
ΠΡΠΈ ΡΠ΅Π»Π΅ ΠΈΠΌΠ΅ΡΡ ΡΡΠ½ΠΊΡΠΈΡ ΡΠ°ΠΌΠΎΠΊΠΎΠ½ΡΡΠΎΠ»Ρ Π½Π° ΡΠ»ΡΡΠ°ΠΉ Π΅Π΄ΠΈΠ½ΠΈΡΠ½ΠΎΠ³ΠΎ ΠΎΡΠΊΠ°Π·Π°. ΠΠ°ΠΏΡΠΈΠΌΠ΅Ρ, Π΄Π°Π²Π°ΠΉΡΠ΅ ΠΏΠΎΡΠΌΠΎΡΡΠΈΠΌ, ΡΡΠΎ ΠΏΡΠΎΠΈΠ·ΠΎΠΉΠ΄Π΅Ρ, Π΅ΡΠ»ΠΈ ΠΊΠΎΠ½ΡΠ°ΠΊΡ K2 Π½Π° Π»ΠΈΠ½ΠΈΠΈ 33-34 ΡΠ²Π°ΡΠΈΠ²Π°Π΅ΡΡΡ Π²ΠΎ Π²ΡΠ΅ΠΌΡ ΡΠ°Π·ΠΌΡΠΊΠ°Π½ΠΈΡ.
- ΠΠ°ΠΆΠ°Ρ Π°Π²Π°ΡΠΈΠΉΠ½ΡΠΉ ΠΎΡΡΠ°Π½ΠΎΠ². K2 ΠΈ K3 ΠΎΠ±Π΅ΡΡΠΎΡΠ΅Π½Ρ.
- ΠΠΎ ΠΊΠ°ΠΊΠΎΠΉ-ΡΠΎ ΠΏΡΠΈΡΠΈΠ½Π΅ Π½ΠΎΡΠΌΠ°Π»ΡΠ½ΠΎ ΠΎΡΠΊΡΡΡΡΠΉ ΠΊΠΎΠ½ΡΠ°ΠΊΡ Π2 ΡΠ²Π°ΡΠΈΠ²Π°Π΅ΡΡΡ ΠΈ Π½Π΅ ΠΎΡΠΊΡΡΠ²Π°Π΅ΡΡΡ. ΠΠ΄Π½Π°ΠΊΠΎ ΠΊΠΎΠ½ΡΠ°ΠΊΡΡ K3 ΡΠ°Π·ΠΌΡΠΊΠ°ΡΡΡΡ, ΠΈ Π΄Π»Ρ ΠΎΠ±Π΅ΡΠΏΠ΅ΡΠ΅Π½ΠΈΡ Π±Π΅Π·ΠΎΠΏΠ°ΡΠ½ΠΎΡΡΠΈ ΠΈΠ· ΡΠ΅ΠΏΠΈ ΠΎΡΠΊΠ»ΡΡΠ°Π΅ΡΡΡ ΠΏΠΈΡΠ°Π½ΠΈΠ΅.
- ΠΠΎΠ½ΡΠ°ΠΊΡΡ Π1, Π2 ΠΈ Π3 Β«Π½Π°ΠΏΡΠ°Π²Π»ΡΡΡΠ΅Π³ΠΎΒ» ΡΠΈΠΏΠ°. Ρ.Π΅. ΠΎΠ½ΠΈ Π½Π°Ρ ΠΎΠ΄ΡΡΡΡ Π² Β«Π³ΡΠ΅Π±Π΅Π½ΠΊΠ΅Β», ΠΊΠΎΡΠΎΡΠ°Ρ Π½Π΅ ΠΏΠΎΠ·Π²ΠΎΠ»ΡΠ΅Ρ Π½ΠΎΡΠΌΠ°Π»ΡΠ½ΠΎ Π·Π°ΠΌΠΊΠ½ΡΡΡΠΌ ΠΊΠΎΠ½ΡΠ°ΠΊΡΠ°ΠΌ Π²ΡΡΡΠΏΠ°ΡΡ Π² ΠΊΠΎΠ½ΡΠ°ΠΊΡ Π΄ΠΎ ΡΠ΅Ρ ΠΏΠΎΡ, ΠΏΠΎΠΊΠ° Π²ΡΠ΅ Π.Π. ΠΊΠΎΠ½ΡΠ°ΠΊΡΡ ΡΠ°Π·Π΄Π΅Π»Π΅Π½Ρ.
- Π ΡΠ΅Π·ΡΠ»ΡΡΠ°ΡΠ΅ Π½Π΅ΠΈΡΠΏΡΠ°Π²Π½ΠΎΡΡΠΈ Π.Π. ΠΊΠΎΠ½ΡΠ°ΠΊΡ K2 ΠΏΠΎΠ΄ ΠΊΠ°ΡΡΡΠΊΠΎΠΉ K1 (ΡΠ΅Π»Π΅ ΡΠ±ΡΠΎΡΠ°) Π½Π΅ Π·Π°ΠΌΡΠΊΠ°Π΅ΡΡΡ, ΠΈ ΡΠ΅ΠΏΡ Π½Π΅ ΠΌΠΎΠΆΠ΅Ρ Π±ΡΡΡ ΡΠ±ΡΠΎΡΠ΅Π½Π°.
Π Π΅Π»Π΅ ΡΠ°ΠΊΠΆΠ΅ Π·Π°ΡΠΈΡΠ°Π΅Ρ ΠΎΡ ΠΊΠΎΡΠΎΡΠΊΠΎΠ³ΠΎ Π·Π°ΠΌΡΠΊΠ°Π½ΠΈΡ Π² ΠΏΡΠΎΠ²ΠΎΠ΄ΠΊΠ΅ Π°Π²Π°ΡΠΈΠΉΠ½ΠΎΠ³ΠΎ ΠΎΡΡΠ°Π½ΠΎΠ²Π°:
- ΠΡΠ»ΠΈ Π»Π΅Π²ΡΠΉ ΠΊΠΎΠ½ΡΠ°ΠΊΡ Π°Π²Π°ΡΠΈΠΉΠ½ΠΎΠ³ΠΎ ΠΎΡΡΠ°Π½ΠΎΠ²Π° Π·Π°ΠΊΠΎΡΠΎΡΠ΅Π½, Π½Π°ΠΆΠ°ΡΠΈΠ΅ Π½Π° ΠΊΠ½ΠΎΠΏΠΊΡ Π°Π²Π°ΡΠΈΠΉΠ½ΠΎΠ³ΠΎ ΠΎΡΡΠ°Π½ΠΎΠ²Π° ΡΠΎΠ»ΡΠΊΠΎ ΠΎΠ±Π΅ΡΡΠΎΡΠΈΡ K3. K2 ΠΎΡΡΠ°Π½Π΅ΡΡΡ Π·Π°ΡΠΈΠΊΡΠΈΡΠΎΠ²Π°Π½Π½ΡΠΌ. Π3 Π΄ΠΎΠ»ΠΆΠ΅Π½ ΠΎΡΠΊΠ»ΡΡΠ°ΡΡ Π½Π°Π³ΡΡΠ·ΠΊΡ.
- ΠΡΠΈΠ±ΠΊΠ° Π±ΡΠ΄Π΅Ρ ΠΎΠ±Π½Π°ΡΡΠΆΠ΅Π½Π° ΠΏΡΠΈ ΡΠ±ΡΠΎΡΠ΅. K1 Π½Π΅ ΡΠΌΠΎΠΆΠ΅Ρ ΠΏΠΎΠ»ΡΡΠΈΡΡ ΠΏΠΈΡΠ°Π½ΠΈΠ΅, ΠΏΠΎΡΠΊΠΎΠ»ΡΠΊΡ K2 Π½Π΅ ΠΎΡΠΊΠ»ΡΡΠΈΠ»ΡΡ.
ΠΠ»Π΅ΠΌΠΌΡ 41 ΠΈ 42 ΠΌΠΎΠ³ΡΡ ΠΈΡΠΏΠΎΠ»ΡΠ·ΠΎΠ²Π°ΡΡΡΡ ΠΊΠ°ΠΊ ΠΊΠΎΠ½ΡΠ°ΠΊΡΡ ΠΈΠ½Π΄ΠΈΠΊΠ°ΡΠΈΠΈ Π½Π΅ΠΈΡΠΏΡΠ°Π²Π½ΠΎΡΡΠΈ.
ΠΡΠΎΠΉ ΠΈΠ½ΡΠΎΡΠΌΠ°ΡΠΈΠΈ Π΄ΠΎΠ»ΠΆΠ½ΠΎ Π±ΡΡΡ Π΄ΠΎΡΡΠ°ΡΠΎΡΠ½ΠΎ, ΡΡΠΎΠ±Ρ Π΄Π°ΡΡ Π½Π΅ΠΊΠΎΡΠΎΡΠΎΠ΅ ΠΏΡΠ΅Π΄ΡΡΠ°Π²Π»Π΅Π½ΠΈΠ΅ ΠΎ Π²Π½ΡΡΡΠ΅Π½Π½Π΅ΠΉ ΡΠ°Π±ΠΎΡΠ΅ ΡΠ΅Π»Π΅ Π±Π΅Π·ΠΎΠΏΠ°ΡΠ½ΠΎΡΡΠΈ.
Π Π΅Π»Π΅(K1 ΠΈ K3) ΠΠ°ΠΏΠ°ΡΠ½Π°Ρ ΡΠ°ΡΡΡ OEM, Π½ΠΎΠΌΠ΅Ρ 045805
ΠΠ°ΡΠ΅ ΠΎΠ±Π΅ΡΠ°Π½ΠΈΠ΅ ΠΎ Π²ΠΎΠ·Π²ΡΠ°ΡΠ΅Π½ΠΈΠΈ:
Π Cevi Med ΠΌΡ ΡΡΡΠ΅ΠΌΠΈΠΌΡΡ ΠΊ 100% ΠΏΠΎΠ»Π½ΠΎΠΌΡ ΡΠ΄ΠΎΠ²Π»Π΅ΡΠ²ΠΎΡΠ΅Π½ΠΈΡ ΠΏΠΎΡΡΠ΅Π±Π½ΠΎΡΡΠ΅ΠΉ ΠΊΠ»ΠΈΠ΅Π½ΡΠΎΠ². ΠΡ ΠΏΡΠ΅Π΄Π»Π°Π³Π°Π΅ΠΌ 30-Π΄Π½Π΅Π²Π½ΡΡ Π³Π°ΡΠ°Π½ΡΠΈΡ Π²ΠΎΠ·Π²ΡΠ°ΡΠ° Π½Π° Π±ΠΎΠ»ΡΡΠΈΠ½ΡΡΠ²ΠΎ Π½Π°ΡΠΈΡ ΠΏΡΠΎΠ΄ΡΠΊΡΠΎΠ². ΠΡΠΎ ΠΎΠ·Π½Π°ΡΠ°Π΅Ρ, ΡΡΠΎ Π½Π΅Π·Π°Π²ΠΈΡΠΈΠΌΠΎ ΠΎΡ ΠΏΡΠΈΡΠΈΠ½Ρ Π²ΠΎΠ·Π²ΡΠ°ΡΠ° ΠΏΠΎΠΊΡΠΏΠΊΠΈ ΠΌΡ ΡΡΡΠ΅ΠΌΠΈΠΌΡΡ ΠΏΡΠ΅Π΄ΠΎΡΡΠ°Π²ΠΈΡΡ ΠΏΡΠΎΡΡΠΎΠ΅ ΠΈ Π±Π΅ΡΠΏΡΠΎΠ±Π»Π΅ΠΌΠ½ΠΎΠ΅ ΡΠ΅ΡΠ΅Π½ΠΈΠ΅. ΠΡΠΎ Π±ΡΠ΄Π΅Ρ Π²ΠΊΠ»ΡΡΠ°ΡΡ Π²ΠΎΠ·ΠΌΠΎΠΆΠ½ΠΎΡΡΡ ΠΏΠΎΠ»ΡΡΠ΅Π½ΠΈΡ Π²ΠΎΠ·ΠΌΠ΅ΡΠ΅Π½ΠΈΡ Π·Π° ΠΏΡΠΎΠ΄ΡΠΊΡ, ΠΎΠ±ΠΌΠ΅Π½Π° Π²Π°ΡΠ΅Π³ΠΎ ΠΏΡΠΎΠ΄ΡΠΊΡΠ° (ΠΎΠ²) Π½Π° ΡΠ°Π²Π½ΡΡ ΡΡΠΎΠΈΠΌΠΎΡΡΡ ΠΈΠ»ΠΈ ΠΏΠΎΠ»ΡΡΠ΅Π½ΠΈΡ ΠΊΡΠ΅Π΄ΠΈΡΠ° ΠΌΠ°Π³Π°Π·ΠΈΠ½Π° Π΄Π»Ρ Π±ΡΠ΄ΡΡΠΈΡ ΠΏΠΎΠΊΡΠΏΠΎΠΊ.
ΠΡΠ»ΠΈ Π²Ρ Π²ΡΠ±Π΅ΡΠ΅ΡΠ΅ Π²ΠΎΠ·Π²ΡΠ°Ρ ΡΡΠ΅Π΄ΡΡΠ² Π·Π° ΡΠΎΠ²Π°Ρ, ΠΊΠΎΡΠΎΡΡΠΉ Π±ΡΠ» ΠΏΡΠΈΠΎΠ±ΡΠ΅ΡΠ΅Π½ ΠΊΠ°ΠΊ ΠΎΡΡΠ΅ΠΌΠΎΠ½ΡΠΈΡΠΎΠ²Π°Π½Π½ΡΠΉ, ΠΌΡ Π²Π·ΠΈΠΌΠ°Π΅ΠΌ ΠΊΠΎΠΌΠΈΡΡΠΈΡ Π·Π° Π²ΠΎΠ·Π²ΡΠ°Ρ, ΡΠΊΠ²ΠΈΠ²Π°Π»Π΅Π½ΡΠ½ΡΡ 20% ΠΎΡ ΡΠ΅Π½Ρ ΠΏΡΠΎΠ΄ΡΠΊΡΠ°, Π±Π΅Π· ΡΡΠ΅ΡΠ° Π΄ΠΎΡΡΠ°Π²ΠΊΠΈ. ΠΠ»ΠΈΠ΅Π½Ρ ΡΠ°ΠΊΠΆΠ΅ Π½Π΅ΡΠ΅Ρ ΠΎΡΠ²Π΅ΡΡΡΠ²Π΅Π½Π½ΠΎΡΡΡ Π·Π° Π²ΡΠ΅ ΡΠ°ΡΡ ΠΎΠ΄Ρ, ΡΠ²ΡΠ·Π°Π½Π½ΡΠ΅ Ρ Π΄ΠΎΡΡΠ°Π²ΠΊΠΎΠΉ, ΡΡΠΎΠ±Ρ ΠΎΡΠΏΡΠ°Π²ΠΈΡΡ ΡΠΎΠ²Π°Ρ ΠΎΠ±ΡΠ°ΡΠ½ΠΎ Π΄Π»Ρ Π²ΠΎΠ·Π²ΡΠ°ΡΠ°. ΠΡΠΈΡΠΈΠ½Π°, ΠΏΠΎ ΠΊΠΎΡΠΎΡΠΎΠΉ ΠΏΡΠΈ Π²ΠΎΠ·Π²ΡΠ°ΡΠ΅ ΠΎΡΡΠ΅ΠΌΠΎΠ½ΡΠΈΡΠΎΠ²Π°Π½Π½ΠΎΠ³ΠΎ ΡΠΎΠ²Π°ΡΠ° ΡΡΠ΅Π±ΡΠ΅ΡΡΡ 20% ΠΊΠΎΠΌΠΈΡΡΠΈΠΈ Π·Π° Π²ΠΎΠ·Π²ΡΠ°Ρ, ΡΠ²ΡΠ·Π°Π½Π° Ρ ΠΏΠΎΡΠ΅ΡΠ΅ΠΉ Π²ΡΡΠΎΠΊΠΈΡ ΡΠ°ΡΡ ΠΎΠ΄ΠΎΠ² Π² Π»ΠΈΡΠΎΠ²ΡΠΊΠΈΡ Π»ΠΈΡΠ°Ρ , ΠΏΠΎΠ½Π΅ΡΠ΅Π½Π½ΡΡ ΠΏΡΠΈ ΠΏΠ΅ΡΠ²ΠΎΠ½Π°ΡΠ°Π»ΡΠ½ΠΎΠΉ Π΄ΠΎΡΡΠ°Π²ΠΊΠ΅. ΠΡΠΈ ΡΠ°ΡΡ ΠΎΠ΄Ρ ΠΌΠΎΠ³ΡΡ Π²Π°ΡΡΠΈΡΠΎΠ²Π°ΡΡΡΡ ΠΎΡ 500 Π΄ΠΎ 1800 Π΄ΠΎΠ»Π»Π°ΡΠΎΠ² Π·Π° ΠΎΡΠΌΠ΅Π½Π΅Π½Π½ΡΠΉ Π·Π°ΠΊΠ°Π·.
ΠΡΠ»ΠΈ ΡΠΎΠ²Π°Ρ ΠΎΡΠΏΡΠ°Π²Π»ΡΠ΅ΡΡΡ ΠΎΠ±ΡΠ°ΡΠ½ΠΎ Π΄Π»Ρ Π²ΠΎΠ·Π²ΡΠ°ΡΠ° ΠΈΠ»ΠΈ ΠΎΠ±ΠΌΠ΅Π½Π° ΠΈ Π±ΡΠ» ΠΏΡΠΈΠΎΠ±ΡΠ΅ΡΠ΅Π½ ΠΊΠ°ΠΊ Π½ΠΎΠ²ΡΠΉ, ΠΌΡ Π±ΡΠ΄Π΅ΠΌ Π²Π·ΠΈΠΌΠ°ΡΡ ΡΠΎΠ»ΡΠΊΠΎ 10% ΠΊΠΎΠΌΠΈΡΡΠΈΡ Π·Π° Π²ΠΎΠ·Π²ΡΠ°Ρ.
ΠΠ°ΠΊ ΠΌΠ½Π΅ Π·Π°ΠΏΡΠΎΡΠΈΡΡ Π²ΠΎΠ·Π²ΡΠ°Ρ?
ΠΠΎ-ΠΏΠ΅ΡΠ²ΡΡ , Π²Π½ΠΈΠΌΠ°ΡΠ΅Π»ΡΠ½ΠΎ ΠΎΠ·Π½Π°ΠΊΠΎΠΌΡΡΠ΅ΡΡ Ρ Π½Π°ΡΠΈΠΌΠΈ ΠΏΡΠ°Π²ΠΈΠ»Π°ΠΌΠΈ Π²ΠΎΠ·Π²ΡΠ°ΡΠ°, ΡΡΠΎΠ±Ρ ΡΠ±Π΅Π΄ΠΈΡΡΡΡ, ΡΡΠΎ Π²Π°ΡΠ° ΠΏΠΎΠΊΡΠΏΠΊΠ° ΠΏΠΎΠ΄Π»Π΅ΠΆΠΈΡ Π²ΠΎΠ·Π²ΡΠ°ΡΡ. ΠΠ°ΡΠ΅ΠΌ Π²Ρ ΠΌΠΎΠΆΠ΅ΡΠ΅ ΠΏΠΎΠ·Π²ΠΎΠ½ΠΈΡΡ Π² Π½Π°ΡΡ ΡΠ»ΡΠΆΠ±Ρ ΠΏΠΎΠ΄Π΄Π΅ΡΠΆΠΊΠΈ ΠΊΠ»ΠΈΠ΅Π½ΡΠΎΠ² (833) 238-4633 ΠΈΠ»ΠΈ Π½Π°ΠΏΠΈΡΠ°ΡΡ ΠΏΠΎ ΡΠ»Π΅ΠΊΡΡΠΎΠ½Π½ΠΎΠΉ ΠΏΠΎΡΡΠ΅ [email protected], ΠΈ ΡΠ»Π΅Π½ ΠΊΠΎΠΌΠ°Π½Π΄Ρ Π²ΡΠ΄Π°ΡΡ Π²Π°ΠΌ Π½ΠΎΠΌΠ΅Ρ RMA (ΡΠ°Π·ΡΠ΅ΡΠ΅Π½ΠΈΠ΅ Π½Π° Π²ΠΎΠ·Π²ΡΠ°Ρ ΡΠΎΠ²Π°ΡΠ°).ΠΡΠ΄ΡΡΠ΅ Π³ΠΎΡΠΎΠ²Ρ ΠΏΡΠ΅Π΄ΠΎΡΡΠ°Π²ΠΈΡΡ ΡΠ»Π΅Π΄ΡΡΡΡΡ ΠΈΠ½ΡΠΎΡΠΌΠ°ΡΠΈΡ ΠΏΠΎ ΡΠ΅Π»Π΅ΡΠΎΠ½Ρ ΠΈΠ»ΠΈ ΡΠ»Π΅ΠΊΡΡΠΎΠ½Π½ΠΎΠΉ ΠΏΠΎΡΡΠ΅:
ΠΠ΅ ΡΡΠ΅ΡΠ½ΡΠΉΡΠ΅ΡΡ Π²ΠΊΠ»ΡΡΠ°ΡΡ Π»ΡΠ±ΡΠ΅ Π΄ΠΎΠΏΠΎΠ»Π½ΠΈΡΠ΅Π»ΡΠ½ΡΠ΅ ΠΏΡΠΈΠΌΠ΅ΡΠ°Π½ΠΈΡ, ΠΊΠΎΡΠΎΡΡΠ΅ ΠΏΠΎΠΌΠΎΠ³ΡΡ ΠΏΡΠΎΡΡΠ½ΠΈΡΡ Π²Π°Ρ ΡΠ»ΡΡΠ°ΠΉ, Π² ΡΠ²ΠΎΠΉ Π·Π°ΠΏΡΠΎΡ Π½Π° Π²ΠΎΠ·Π²ΡΠ°Ρ. ΠΡ ΡΠ΄Π΅Π»Π°Π΅ΠΌ Π²ΡΠ΅ Π²ΠΎΠ·ΠΌΠΎΠΆΠ½ΠΎΠ΅, ΡΡΠΎΠ±Ρ ΡΠ΄ΠΎΠ²Π»Π΅ΡΠ²ΠΎΡΠΈΡΡ Π²ΡΠ΅ Π²Π°ΡΠΈ ΠΏΠΎΡΡΠ΅Π±Π½ΠΎΡΡΠΈ Π² ΠΏΡΠΎΡΠ΅ΡΡΠ΅ Π²ΠΎΠ·Π²ΡΠ°ΡΠ°.
ΠΠ°ΠΊ ΠΌΠ½Π΅ ΠΎΡΠΏΡΠ°Π²ΠΈΡΡ ΠΎΠ±ΡΠ°ΡΠ½ΠΎ ΠΏΠΎΠ΄ΡΠ²Π΅ΡΠΆΠ΄Π΅Π½Π½ΡΠΉ Π²ΠΎΠ·Π²ΡΠ°Ρ?
Π¨Π°Π³ ΠΏΠ΅ΡΠ²ΡΠΉ: ΠΠ°ΠΏΡΠΎΡΠΈΡΠ΅ Π²ΠΎΠ·Π²ΡΠ°Ρ, ΠΊΠ°ΠΊ ΠΎΠΏΠΈΡΠ°Π½ΠΎ Π²ΡΡΠ΅, ΡΡΠΎΠ±Ρ ΠΏΠΎΠ»ΡΡΠΈΡΡ Π½ΠΎΠΌΠ΅Ρ RMA.ΠΡ ΠΌΠΎΠΆΠ΅ΡΠ΅ ΡΠ°ΡΡΡΠΈΡΡΠ²Π°ΡΡ Π½Π° ΠΏΠΎΠ»ΡΡΠ΅Π½ΠΈΠ΅ ΡΠ»Π΅ΠΊΡΡΠΎΠ½Π½ΠΎΠ³ΠΎ ΠΏΠΈΡΡΠΌΠ° Ρ ΠΏΠΎΠ΄ΡΠ²Π΅ΡΠΆΠ΄Π΅Π½ΠΈΠ΅ΠΌ Ρ Π²ΠΊΠ»ΡΡΠ΅Π½Π½ΡΠΌ Π½ΠΎΠΌΠ΅ΡΠΎΠΌ RMA Π΄Π»Ρ ΡΡΠ²Π΅ΡΠΆΠ΄Π΅Π½Π½ΡΡ Π²ΠΎΠ·Π²ΡΠ°ΡΠΎΠ² ΠΈΠ»ΠΈ ΠΎΠ±ΠΌΠ΅Π½ΠΎΠ².
Π¨Π°Π³ 2. Π£ΠΏΠ°ΠΊΡΠΉΡΠ΅ Π²ΡΠ΅ ΡΠΎΠ΄Π΅ΡΠΆΠΈΠΌΠΎΠ΅ Π² ΠΎΡΠΈΠ³ΠΈΠ½Π°Π»ΡΠ½ΡΡ ΡΠΏΠ°ΠΊΠΎΠ²ΠΊΡ. Π£Π±Π΅Π΄ΠΈΡΠ΅ΡΡ, ΡΡΠΎ ΠΊΠ°ΠΆΠ΄Π°Ρ Π΄Π΅ΡΠ°Π»Ρ ΠΈ / ΠΈΠ»ΠΈ Π΄Π΅ΡΠ°Π»ΠΈ Π²ΠΊΠ»ΡΡΠ΅Π½Ρ Π² ΠΊΠΎΠΌΠΏΠ»Π΅ΠΊΡ.
Π¨Π°Π³ ΡΡΠ΅ΡΠΈΠΉ: Π Π°ΡΠΏΠ΅ΡΠ°ΡΠ°ΠΉΡΠ΅ ΡΠΎΡΠΌΡ Π·Π°ΠΏΡΠΎΡΠ° Π½Π° Π²ΠΎΠ·Π²ΡΠ°Ρ / ΠΎΠ±ΠΌΠ΅Π½ Ρ ΠΏΡΠΈΠΊΡΠ΅ΠΏΠ»Π΅Π½Π½ΡΠΌ Π½ΠΎΠΌΠ΅ΡΠΎΠΌ RMA. ΠΠΎΠΌΠ΅ΡΡΠΈΡΠ΅ ΡΡΡ ΡΠΎΡΠΌΡ Π² ΡΠ²ΠΎΡ ΡΠΏΠ°ΠΊΠΎΠ²ΠΊΡ Ρ Π²ΠΎΠ·Π²ΡΠ°ΡΠ°Π΅ΠΌΡΠΌΠΈ ΡΠΎΠ²Π°ΡΠ°ΠΌΠΈ. ΠΡΠΎ ΠΌΠΎΠΆΠ½ΠΎ Π½Π°ΠΉΡΠΈ Π² ΡΠ»Π΅ΠΊΡΡΠΎΠ½Π½ΠΎΠΌ ΠΏΠΈΡΡΠΌΠ΅, ΠΏΠΎΠ»ΡΡΠ΅Π½Π½ΠΎΠΌ Π΄Π»Ρ ΠΏΠΎΠ΄ΡΠ²Π΅ΡΠΆΠ΄Π΅Π½ΠΈΡ Π²ΠΎΠ·Π²ΡΠ°ΡΠ° / ΠΎΠ±ΠΌΠ΅Π½Π°.
Π¨Π°Π³ ΡΠ΅ΡΠ²Π΅ΡΡΡΠΉ: ΠΡΠΏΠΎΠ»ΡΠ·ΡΡ Π»ΡΠ±ΠΎΠ³ΠΎ ΠΏΠ΅ΡΠ΅Π²ΠΎΠ·ΡΠΈΠΊΠ°, ΠΎΡΠΏΡΠ°Π²ΡΡΠ΅ Π²ΠΎΠ·Π²ΡΠ°ΡΠ΅Π½Π½ΡΡ ΠΏΠΎΡΡΠ»ΠΊΡ ΠΏΠΎ Π°Π΄ΡΠ΅ΡΡ:
Cevi Med
1351 S. Leavitt Ave,
ΠΡΠ°Π½ΠΆ-Π‘ΠΈΡΠΈ, Π€Π»ΠΎΡΠΈΠ΄Π° 32763
ΠΡΠ°Π²ΠΈΠ»Π° Π²ΠΎΠ·Π²ΡΠ°ΡΠ°:
ΠΡΠ΅Π΄ΠΌΠ΅ΡΡ Π΄ΠΎΠ»ΠΆΠ½Ρ Π±ΡΡΡ Π²ΠΎΠ·Π²ΡΠ°ΡΠ΅Π½Ρ Π² ΠΎΡΠΈΠ³ΠΈΠ½Π°Π»ΡΠ½ΠΎΠΉ ΡΠΏΠ°ΠΊΠΎΠ²ΠΊΠ΅ ΠΈ Π² ΡΠΎΡΡΠΎΡΠ½ΠΈΠΈ, ΠΏΠΎΠ»ΡΡΠ΅Π½Π½ΠΎΠΌ Π² ΡΠ΅ΡΠ΅Π½ΠΈΠ΅ 30 Π΄Π½Π΅ΠΉ Ρ Π΄Π°ΡΡ ΠΏΡΠΈΠ±ΡΡΠΈΡ Π΄ΠΎΡΡΠ°Π²ΠΊΠΈ
ΠΠΎΠ²ΡΠ΅ ΠΏΡΠ΅Π΄ΠΌΠ΅ΡΡ Π½Π΅ Π΄ΠΎΠ»ΠΆΠ½Ρ ΠΎΡΠΊΡΡΠ²Π°ΡΡΡΡ, Π° ΠΎΡΡΠ΅ΠΌΠΎΠ½ΡΠΈΡΠΎΠ²Π°Π½Π½ΡΠ΅ ΠΏΡΠ΅Π΄ΠΌΠ΅ΡΡ Π½Π΅ Π΄ΠΎΠ»ΠΆΠ½Ρ ΠΈΡΠΏΠΎΠ»ΡΠ·ΠΎΠ²Π°ΡΡΡΡ
ΠΠ°ΠΊΠ°Π·ΡΠΈΠΊ Π½Π΅ΡΠ΅Ρ ΠΎΡΠ²Π΅ΡΡΡΠ²Π΅Π½Π½ΠΎΡΡΡ Π·Π° ΡΠ°ΡΡ ΠΎΠ΄Ρ ΠΏΠΎ Π΄ΠΎΡΡΠ°Π²ΠΊΠ΅ ΠΈ / ΠΈΠ»ΠΈ ΠΊΠΎΠΌΠΈΡΡΠΈΡ Π·Π° Π²ΠΎΠ·Π²ΡΠ°Ρ 10-20%
ΠΡΠ»ΠΈ Π²Ρ ΠΎΡΠΏΡΠ°Π²ΠΈΡΠ΅ ΠΎΠ±ΡΠ°ΡΠ½ΠΎ Π½Π΅ΠΈΡΠΏΠΎΠ»ΡΠ·ΠΎΠ²Π°Π½Π½ΡΠ΅ ΡΠΎΠ²Π°ΡΡ Π² ΠΎΡΠΈΠ³ΠΈΠ½Π°Π»ΡΠ½ΠΎΠΉ ΡΠΏΠ°ΠΊΠΎΠ²ΠΊΠ΅, Π²Ρ ΠΏΠΎΠ»ΡΡΠΈΡΠ΅ ΠΊΡΠ΅Π΄ΠΈΡ Π² ΡΠ°Π·ΠΌΠ΅ΡΠ΅ 80%, ΠΌΡ Π½Π΅ ΠΏΠΎΠΊΡΡΠ²Π°Π΅ΠΌ ΡΠ°ΡΡ ΠΎΠ΄Ρ ΠΏΠΎ Π΄ΠΎΡΡΠ°Π²ΠΊΠ΅ ΡΡΠΈΡ ΡΠΎΠ²Π°ΡΠΎΠ²
ΠΡΠ΅Π΄ΠΈΡ Π½Π΅ ΠΌΠΎΠΆΠ΅Ρ Π±ΡΡΡ ΠΏΡΠ΅Π΄ΠΎΡΡΠ°Π²Π»Π΅Π½ Π±Π΅Π· Π½ΠΎΠΌΠ΅ΡΠ° RMA
ΠΡΠ΅Π΄ΠΌΠ΅ΡΡ, Π½Π΅ ΠΏΠΎΠ΄Π»Π΅ΠΆΠ°ΡΠΈΠ΅ Π²ΠΎΠ·Π²ΡΠ°ΡΡ:
ΠΠΎΠΉΠΊΠΈ Π±ΠΎΠ»ΡΠ½ΠΈΡΠ½ΡΠ΅
ΠΠ±ΠΈΠ²ΠΊΠ°
ΠΠΎΠ΄ Π·Π°ΠΊΠ°Π·
Π‘ΠΏΠ΅ΡΠΈΠ°Π»ΡΠ½ΡΠ΅ Π·Π°ΠΊΠ°Π·Ρ ΠΎΡ ΡΡΠ΅ΡΡΠΈΡ Π»ΠΈΡ
ΠΠΎΠ²ΡΠ΅ΠΆΠ΄Π΅Π½Π½ΡΠ΅ ΠΏΡΠ΅Π΄ΠΌΠ΅ΡΡ Π² ΡΠ΅Π·ΡΠ»ΡΡΠ°ΡΠ΅ Π½Π΅ΠΏΡΠ°Π²ΠΈΠ»ΡΠ½ΠΎΠ³ΠΎ ΠΈΡΠΏΠΎΠ»ΡΠ·ΠΎΠ²Π°Π½ΠΈΡ ΠΏΠΎΠΊΡΠΏΠ°ΡΠ΅Π»Π΅ΠΌ
ΠΠ»Π΅ΠΌΠ΅Π½ΡΡ, ΠΊΠΎΡΠΎΡΡΠ΅ Π±ΡΠ»ΠΈ ΠΊΠ°ΠΊΠΈΠΌ-Π»ΠΈΠ±ΠΎ ΠΎΠ±ΡΠ°Π·ΠΎΠΌ ΠΈΠ·ΠΌΠ΅Π½Π΅Π½Ρ Π·Π°ΠΊΠ°Π·ΡΠΈΠΊΠΎΠΌ ΠΈΠ»ΠΈ ΡΡΠΎΡΠΎΠ½Π°ΠΌΠΈ ΠΏΠΎ Π΄ΠΎΠ³ΠΎΠ²ΠΎΡΡ
Π Π²ΠΎΠ·Π²ΡΠ°ΡΠ΅Π½Π½ΡΡ ΡΠΎΠ²Π°ΡΠ°Ρ ΠΎΡΡΡΡΡΡΠ²ΡΡΡ ΠΊΠΎΠΌΠΏΠΎΠ½Π΅Π½ΡΡ, Π²ΠΊΠ»ΡΡΠ°Ρ, ΠΏΠΎΠΌΠΈΠΌΠΎ ΠΏΡΠΎΡΠ΅Π³ΠΎ, Π΄Π΅ΡΠ°Π»ΠΈ, Π΄Π΅ΡΠ°Π»ΠΈ ΠΈ ΠΏΡΠΈΡΠΏΠΎΡΠΎΠ±Π»Π΅Π½ΠΈΡ
ΠΡΠ΅Π΄ΠΌΠ΅ΡΡ, ΡΡΠΎΠΊ Π΄Π΅ΠΉΡΡΠ²ΠΈΡ ΠΊΠΎΡΠΎΡΡΡ ΠΏΡΠ΅Π²ΡΡΠ°Π΅Ρ 30-Π΄Π½Π΅Π²Π½ΡΡ ΠΏΠΎΠ»ΠΈΡΠΈΠΊΡ
Π Π΅ΠΊΠΎΠΌΠ΅Π½Π΄ΡΠ΅ΠΌΠ°Ρ ΡΠ»ΡΠΆΠ±Π° Π΄ΠΎΡΡΠ°Π²ΠΊΠΈ:
ΠΡΠ»ΠΈ Π²Ρ ΠΎΡΠΏΡΠ°Π²Π»ΡΠ΅ΡΠ΅ ΡΠΎΠ²Π°Ρ (-Ρ) ΠΎΠ±ΡΠ°ΡΠ½ΠΎ, ΡΡΠΎΠ±Ρ ΠΏΠΎΠ»ΡΡΠΈΡΡ Π²ΠΎΠ·ΠΌΠ΅ΡΠ΅Π½ΠΈΠ΅, ΠΎΠ±ΠΌΠ΅Π½ ΠΈΠ»ΠΈ ΠΊΡΠ΅Π΄ΠΈΡ ΠΌΠ°Π³Π°Π·ΠΈΠ½Π°, ΠΌΡ ΡΠ΅ΠΊΠΎΠΌΠ΅Π½Π΄ΡΠ΅ΠΌ ΡΠ»Π΅Π΄ΡΡΡΠΈΠ΅ ΡΠ΅ΠΊΠΎΠΌΠ΅Π½Π΄Π°ΡΠΈΠΈ ΠΏΠΎ ΡΠ΅Π½ΡΠ°Π±Π΅Π»ΡΠ½ΠΎΡΡΠΈ:
ΠΠ°ΠΊΠ΅ΡΡ ΠΌΠ΅Π½Π΅Π΅ 15 ΡΡΠ½ΡΠΎΠ².- USPS
ΠΠ°ΠΊΠ΅ΡΡ Π²Π΅ΡΠΎΠΌ Π±ΠΎΠ»Π΅Π΅ 15 ΡΡΠ½ΡΠΎΠ². — FedEx ΠΈΠ»ΠΈ UPS
ΠΠΎΠ³Π΄Π° Π±ΡΠ΄Π΅Ρ ΠΏΡΠΎΠΈΠ·Π²Π΅Π΄Π΅Π½ Π²ΠΎΠ·Π²ΡΠ°Ρ ΡΡΠ΅Π΄ΡΡΠ²?
ΠΠΎΠ·Π²ΡΠ°Ρ ΠΎΠ±ΡΠ°Π±Π°ΡΡΠ²Π°Π΅ΡΡΡ Π² ΡΠ΅ΡΠ΅Π½ΠΈΠ΅ 2-3 Π½Π΅Π΄Π΅Π»Ρ ΠΏΠΎΡΠ»Π΅ Π²ΡΠ΄Π°ΡΠΈ Π½ΠΎΠΌΠ΅ΡΠ° RMA. ΠΡΠΎΡ Π³ΡΠ°ΡΠΈΠΊ Π·Π°Π²ΠΈΡΠΈΡ ΠΎΡ ΡΠΎΠ³ΠΎ, Π½Π°ΡΠΊΠΎΠ»ΡΠΊΠΎ Π±ΡΡΡΡΠΎ ΠΊΠ»ΠΈΠ΅Π½ΡΡ ΠΎΡΠΏΡΠ°Π²ΡΡ ΡΠΎΠ²Π°ΡΡ ΠΎΠ±ΡΠ°ΡΠ½ΠΎ Π½Π° Π½Π°Ρ ΡΠΊΠ»Π°Π΄.
ΠΡ ΠΌΠΎΠΆΠ΅ΡΠ΅ ΡΠ°ΡΡΡΠΈΡΡΠ²Π°ΡΡ Π½Π° ΠΏΠΎΠ»Π½ΡΠΉ Π²ΠΎΠ·Π²ΡΠ°Ρ ΠΏΡΠΈΡΠΈΡΠ°ΡΡΠΈΡ ΡΡ ΡΡΠΌΠΌ Π² ΡΠ΅ΡΠ΅Π½ΠΈΠ΅ 3-5 ΡΠ°Π±ΠΎΡΠΈΡ Π΄Π½Π΅ΠΉ ΠΏΠΎΡΠ»Π΅ ΡΠΎΠ³ΠΎ, ΠΊΠ°ΠΊ ΠΌΡ ΠΏΠΎΠ»ΡΡΠΈΠΌ ΠΈ ΠΎΠ±ΡΠ°Π±ΠΎΡΠ°Π΅ΠΌ Π²Π°Ρ Π²ΠΎΠ·Π²ΡΠ°Ρ.
ΠΠΎΠ»ΠΈΡΠΈΠΊΠ° ΠΎΡΠΌΠ΅Π½Ρ
ΠΠΎΠ³Ρ Π»ΠΈ Ρ ΠΎΡΠΌΠ΅Π½ΠΈΡΡ ΡΠ²ΠΎΠΉ Π·Π°ΠΊΠ°Π·?
ΠΠ°, Π²Ρ ΠΌΠΎΠΆΠ΅ΡΠ΅ ΠΎΡΠΌΠ΅Π½ΠΈΡΡ ΡΠ²ΠΎΠΉ Π·Π°ΠΊΠ°Π· Π² Π»ΡΠ±ΠΎΠ΅ Π²ΡΠ΅ΠΌΡ, ΠΏΠΎΠ·Π²ΠΎΠ½ΠΈΠ² Π² Π½Π°ΡΡ ΡΠ»ΡΠΆΠ±Ρ ΠΏΠΎΠ΄Π΄Π΅ΡΠΆΠΊΠΈ ΠΊΠ»ΠΈΠ΅Π½ΡΠΎΠ² ΠΏΠΎ ΡΠ΅Π»Π΅ΡΠΎΠ½Ρ (833) 238-4633 ΠΈΠ»ΠΈ Π½Π°ΠΏΠΈΡΠ°Π² ΠΏΠΎ ΡΠ»Π΅ΠΊΡΡΠΎΠ½Π½ΠΎΠΉ ΠΏΠΎΡΡΠ΅ sales @ cevimed.com.
ΠΡΠ»ΠΈ Π²Ρ ΠΎΡΠΌΠ΅Π½ΠΈΡΠ΅ Π·Π°ΠΊΠ°Π·, Π²Π°ΠΌ Π½ΡΠΆΠ½ΠΎ Π±ΡΠ΄Π΅Ρ ΡΠ»Π΅Π΄ΠΎΠ²Π°ΡΡ ΠΈΠ½ΡΡΡΡΠΊΡΠΈΡΠΌ ΠΏΠΎ Π²ΠΎΠ·Π²ΡΠ°ΡΡ. ΠΠ±ΡΠ°ΡΠΈΡΠ΅ Π²Π½ΠΈΠΌΠ°Π½ΠΈΠ΅, ΡΡΠΎ Π² ΡΠΎΠΎΡΠ²Π΅ΡΡΡΠ²ΠΈΠΈ Ρ ΠΏΠΎΠ»ΠΈΡΠΈΠΊΠΎΠΉ Π²ΠΎΠ·Π²ΡΠ°ΡΠ° Π²Π·ΠΈΠΌΠ°Π΅ΡΡΡ 20% ΠΊΠΎΠΌΠΈΡΡΠΈΡ Π·Π° Π²ΠΎΠ·Π²ΡΠ°Ρ ΠΈ Π΄ΠΎΡΡΠ°Π²ΠΊΡ.
ΠΡ ΡΠ°ΠΊΠΆΠ΅ ΠΌΠΎΠΆΠ΅ΡΠ΅ ΠΎΡΠΊΠ°Π·Π°ΡΡΡΡ ΠΎΡ Π·Π°ΠΊΠ°Π·Π° ΠΏΡΠΈ Π΄ΠΎΡΡΠ°Π²ΠΊΠ΅, ΠΈ ΠΏΠ»Π°ΡΠ° Π·Π° Π²ΠΎΠ·Π²ΡΠ°Ρ Π±ΡΠ΄Π΅Ρ Π²ΡΡΡΠ΅Π½Π° ΠΈΠ· Π²Π°ΡΠ΅Π³ΠΎ ΠΊΡΠ΅Π΄ΠΈΡΠ° Π²ΠΎΠ·Π²ΡΠ°ΡΠ° (20% ΠΊΠΎΠΌΠΈΡΡΠΈΡ Π·Π° Π²ΠΎΠ·Π²ΡΠ°Ρ + Π΄ΠΎΡΡΠ°Π²ΠΊΠ°).
% PDF-1.3 % 205 0 ΠΎΠ±ΡΠ΅ΠΊΡ > ΡΠ½Π΄ΠΎΠ±Π΄ΠΆ xref 205 142 0000000016 00000 Π½. 0000003192 00000 ΠΏ. 0000004392 00000 Π½. 0000004846 00000 Π½. 0000004930 00000 Π½. 0000005044 00000 Π½. 0000005138 00000 ΠΏ. 0000005240 00000 ΠΏ. 0000005310 00000 ΠΏ. 0000005426 00000 Π½. 0000005487 00000 Π½. 0000005622 00000 Π½. 0000005683 00000 ΠΏ. 0000005847 00000 Π½. 0000005908 00000 Π½. 0000006101 00000 ΠΏ. 0000006162 00000 Π½. 0000006254 00000 Π½. 0000006346 00000 ΠΏ. 0000006407 00000 Π½. 0000006593 00000 Π½. 0000006740 00000 Π½. 0000006801 00000 ΠΏ. 0000006862 00000 Π½. 0000006962 00000 Π½. 0000007023 00000 Π½. 0000007084 00000 Π½. 0000007201 00000 Π½. 0000007261 00000 Π½. 0000007373 00000 ΠΏ. 0000007433 00000 Π½. 0000007607 00000 Π½. 0000007667 00000 Π½. 0000007784 00000 Π½. 0000007844 00000 Π½. 0000007954 00000 Π½. 0000008014 00000 Π½. 0000008166 00000 Π½. 0000008226 00000 Π½. 0000008374 00000 Π½. 0000008434 00000 Π½. 0000008518 00000 Π½. 0000008578 00000 Π½. 0000008737 00000 Π½. 0000008797 00000 Π½. 0000008881 00000 Π½. 0000008941 00000 Π½. 0000009060 00000 Π½. 0000009120 00000 Π½. 0000009204 00000 Π½. 0000009264 00000 Π½. 0000009379 00000 ΠΏ. 0000009439 00000 Π½. 0000009565 00000 Π½. 0000009625 00000 Π½. 0000009795 00000 Π½. 0000009855 00000 Π½. 0000009971 00000 Π½. 0000010031 00000 Π½. 0000010126 00000 ΠΏ. 0000010219 00000 ΠΏ. 0000010279 00000 ΠΏ. 0000010339 00000 ΠΏ. 0000010456 00000 ΠΏ. 0000010515 00000 ΠΏ. 0000010663 00000 ΠΏ. 0000010722 00000 ΠΏ. 0000010824 00000 ΠΏ. 0000010883 00000 ΠΏ. 0000010994 00000 ΠΏ. 0000011053 00000 ΠΏ. 0000011159 00000 ΠΏ. 0000011220 00000 Π½. 0000011281 00000 ΠΏ. 0000011342 00000 ΠΏ. 0000011511 00000 ΠΏ. 0000011652 00000 ΠΏ. 0000011795 00000 ΠΏ. 0000011937 00000 ΠΏ. 0000012080 00000 ΠΏ. 0000012223 00000 ΠΏ. 0000012367 00000 ΠΏ. 0000012510 00000 ΠΏ. 0000012654 00000 ΠΏ. 0000012798 00000 ΠΏ. 0000012941 00000 ΠΏ. 0000013085 00000 ΠΏ. 0000013229 00000 Π½. 0000013372 00000 ΠΏ. 0000013516 00000 ΠΏ. 0000013660 00000 ΠΏ. 0000013804 00000 ΠΏ. 0000013948 00000 ΠΏ. 0000014092 00000 ΠΏ. 0000014308 00000 ΠΏ. 0000015402 00000 ΠΏ. 0000015583 00000 ΠΏ. 0000015605 00000 ΠΏ. 0000016328 00000 ΠΏ. 0000016350 00000 ΠΏ. 0000016959 00000 ΠΏ. 0000016981 00000 ΠΏ. 0000017553 00000 ΠΏ. 0000017575 00000 ΠΏ. 0000018676 00000 ΠΏ. 0000018901 00000 ΠΏ. 0000019464 00000 ΠΏ. 0000019486 00000 ΠΏ. 0000019692 00000 ΠΏ. 0000020781 00000 ΠΏ. 0000020888 00000 ΠΏ. 0000021577 00000 ΠΏ. 0000021599 00000 ΠΏ. 0000022118 00000 ΠΏ. 0000022140 00000 ΠΏ. 0000022670 00000 ΠΏ. 0000022692 00000 ΠΏ. 0000023191 00000 ΠΏ. 0000024314 00000 ΠΏ. 0000028961 00000 ΠΏ. 0000033677 00000 ΠΏ. 0000037586 00000 ΠΏ. 0000037665 00000 ΠΏ. 0000037724 00000 ΠΏ. 0000037783 00000 ΠΏ. 0000037842 00000 ΠΏ. 0000037902 00000 ΠΏ. 0000037962 00000 ΠΏ. 0000038022 00000 ΠΏ. 0000038082 00000 ΠΏ. 0000038142 00000 ΠΏ. 0000038202 00000 ΠΏ. 0000038262 00000 ΠΏ. 0000038322 00000 ΠΏ. 0000038382 00000 ΠΏ. 0000038442 00000 ΠΏ. 0000038502 00000 ΠΏ. 0000038562 00000 ΠΏ. 0000038623 00000 ΠΏ. 0000038684 00000 ΠΏ. 0000003292 00000 Π½. 0000004370 00000 Π½. ΡΡΠ΅ΠΉΠ»Π΅Ρ ] >> startxref 0 %% EOF 206 0 ΠΎΠ±ΡΠ΅ΠΊΡ > ΡΠ½Π΄ΠΎΠ±Π΄ΠΆ 345 0 ΠΎΠ±ΡΠ΅ΠΊΡ > ΠΏΠΎΡΠΎΠΊ HT] LU> swfdYb! BQH6 (E6 Yj # okΡΆj2> Ψ€ 11> yfic4> z {= ~
k1 relay — ΠΊΡΠΏΠΈΡΡ k1 ββrelay Ρ Π±Π΅ΡΠΏΠ»Π°ΡΠ½ΠΎΠΉ Π΄ΠΎΡΡΠ°Π²ΠΊΠΎΠΉ Π½Π° AliExpress
ΠΡΠ»ΠΈΡΠ½ΡΠ΅ Π½ΠΎΠ²ΠΎΡΡΠΈ !!! ΠΡ ΠΏΠΎΠΏΠ°Π»ΠΈ Π² Π½ΡΠΆΠ½ΠΎΠ΅ ΠΌΠ΅ΡΡΠΎ Π΄Π»Ρ ΡΠ΅Π»Π΅ k1.Π Π½Π°ΡΡΠΎΡΡΠ΅ΠΌΡ Π²ΡΠ΅ΠΌΠ΅Π½ΠΈ Π²Ρ ΡΠΆΠ΅ Π·Π½Π°Π΅ΡΠ΅, ΡΡΠΎ Π²ΡΠ΅, ΡΡΠΎ Π²Ρ ΠΈΡΠ΅ΡΠ΅, Π²Ρ ΠΎΠ±ΡΠ·Π°ΡΠ΅Π»ΡΠ½ΠΎ Π½Π°ΠΉΠ΄Π΅ΡΠ΅ Π½Π° AliExpress. Π£ Π½Π°Ρ Π±ΡΠΊΠ²Π°Π»ΡΠ½ΠΎ Π΅ΡΡΡ ΡΡΡΡΡΠΈ ΠΎΡΠ»ΠΈΡΠ½ΡΡ ΠΏΡΠΎΠ΄ΡΠΊΡΠΎΠ² Π²ΠΎ Π²ΡΠ΅Ρ ΡΠΎΠ²Π°ΡΠ½ΡΡ ΠΊΠ°ΡΠ΅Π³ΠΎΡΠΈΡΡ . ΠΡΠ΅ΡΠ΅ Π»ΠΈ Π²Ρ ΡΠΎΠ²Π°ΡΡ Π²ΡΡΠΎΠΊΠΎΠ³ΠΎ ΠΊΠ»Π°ΡΡΠ° ΠΈΠ»ΠΈ Π΄Π΅ΡΠ΅Π²ΡΠ΅ ΠΈ Π½Π΅Π΄ΠΎΡΠΎΠ³ΠΈΠ΅ ΠΎΠΏΡΠΎΠ²ΡΠ΅ Π·Π°ΠΊΡΠΏΠΊΠΈ, ΠΌΡ Π³Π°ΡΠ°Π½ΡΠΈΡΡΠ΅ΠΌ, ΡΡΠΎ ΠΎΠ½ Π΅ΡΡΡ Π½Π° AliExpress.
ΠΡ Π½Π°ΠΉΠ΄Π΅ΡΠ΅ ΠΎΡΠΈΡΠΈΠ°Π»ΡΠ½ΡΠ΅ ΠΌΠ°Π³Π°Π·ΠΈΠ½Ρ ΡΠΎΡΠ³ΠΎΠ²ΡΡ ΠΌΠ°ΡΠΎΠΊ Π½Π°ΡΡΠ΄Ρ Ρ Π½Π΅Π±ΠΎΠ»ΡΡΠΈΠΌΠΈ Π½Π΅Π·Π°Π²ΠΈΡΠΈΠΌΡΠΌΠΈ ΠΏΡΠΎΠ΄Π°Π²ΡΠ°ΠΌΠΈ ΡΠΎ ΡΠΊΠΈΠ΄ΠΊΠ°ΠΌΠΈ, ΠΊΠ°ΠΆΠ΄ΡΠΉ ΠΈΠ· ΠΊΠΎΡΠΎΡΡΡ ΠΏΡΠ΅Π΄Π»Π°Π³Π°Π΅Ρ Π±ΡΡΡΡΡΡ Π΄ΠΎΡΡΠ°Π²ΠΊΡ ΠΈ Π½Π°Π΄Π΅ΠΆΠ½ΡΠ΅, Π° ΡΠ°ΠΊΠΆΠ΅ ΡΠ΄ΠΎΠ±Π½ΡΠ΅ ΠΈ Π±Π΅Π·ΠΎΠΏΠ°ΡΠ½ΡΠ΅ ΡΠΏΠΎΡΠΎΠ±Ρ ΠΎΠΏΠ»Π°ΡΡ, Π½Π΅Π·Π°Π²ΠΈΡΠΈΠΌΠΎ ΠΎΡ ΡΠΎΠ³ΠΎ, ΡΠΊΠΎΠ»ΡΠΊΠΎ Π²Ρ ΡΠ΅ΡΠΈΡΠ΅ ΠΏΠΎΡΡΠ°ΡΠΈΡΡ.
AliExpress Π½ΠΈΠΊΠΎΠ³Π΄Π° Π½Π΅ ΡΡΡΡΠΏΠΈΡ ΠΏΠΎ Π²ΡΠ±ΠΎΡΡ, ΠΊΠ°ΡΠ΅ΡΡΠ²Ρ ΠΈ ΡΠ΅Π½Π΅. ΠΠ°ΠΆΠ΄ΡΠΉ Π΄Π΅Π½Ρ Π²Ρ Π±ΡΠ΄Π΅ΡΠ΅ Π½Π°Ρ ΠΎΠ΄ΠΈΡΡ Π½ΠΎΠ²ΡΠ΅ ΠΎΠ½Π»Π°ΠΉΠ½-ΠΏΡΠ΅Π΄Π»ΠΎΠΆΠ΅Π½ΠΈΡ, ΡΠΊΠΈΠ΄ΠΊΠΈ Π² ΠΌΠ°Π³Π°Π·ΠΈΠ½Π°Ρ ΠΈ Π²ΠΎΠ·ΠΌΠΎΠΆΠ½ΠΎΡΡΡ ΡΡΠΊΠΎΠ½ΠΎΠΌΠΈΡΡ Π΅ΡΠ΅ Π±ΠΎΠ»ΡΡΠ΅, ΡΠΎΠ±ΠΈΡΠ°Ρ ΠΊΡΠΏΠΎΠ½Ρ. ΠΠΎ Π²Π°ΠΌ, Π²ΠΎΠ·ΠΌΠΎΠΆΠ½ΠΎ, ΠΏΡΠΈΠ΄Π΅ΡΡΡ Π΄Π΅ΠΉΡΡΠ²ΠΎΠ²Π°ΡΡ Π±ΡΡΡΡΠΎ, ΠΏΠΎΡΠΊΠΎΠ»ΡΠΊΡ ΡΡΠΎ Π»ΡΡΡΠ΅Π΅ ΡΠ΅Π»Π΅ k1 Π΄ΠΎΠ»ΠΆΠ½ΠΎ ΡΡΠ°ΡΡ ΠΎΠ΄Π½ΠΈΠΌ ΠΈΠ· ΡΠ°ΠΌΡΡ Π²ΠΎΡΡΡΠ΅Π±ΠΎΠ²Π°Π½Π½ΡΡ Π±Π΅ΡΡΡΠ΅Π»Π»Π΅ΡΠΎΠ² Π² ΠΊΡΠ°ΡΡΠ°ΠΉΡΠΈΠ΅ ΡΡΠΎΠΊΠΈ. ΠΠΎΠ΄ΡΠΌΠ°ΠΉΡΠ΅, ΠΊΠ°ΠΊ Π²Ρ, Π΄ΡΡΠ·ΡΡ, Π±ΡΠ΄Π΅ΡΠ΅ Π·Π°Π²ΠΈΠ΄ΠΎΠ²Π°ΡΡ, ΠΊΠΎΠ³Π΄Π° ΡΠΊΠ°ΠΆΠ΅ΡΠ΅ ΠΈΠΌ, ΡΡΠΎ ΠΏΡΠΈΠΎΠ±ΡΠ΅Π»ΠΈ ΡΠ΅Π»Π΅ k1 Π½Π° AliExpress.ΠΠ»Π°Π³ΠΎΠ΄Π°ΡΡ ΡΠ°ΠΌΡΠΌ Π½ΠΈΠ·ΠΊΠΈΠΌ ΡΠ΅Π½Π°ΠΌ Π² ΠΠ½ΡΠ΅ΡΠ½Π΅ΡΠ΅, Π΄Π΅ΡΠ΅Π²ΡΠΌ ΡΠ°ΡΠΈΡΠ°ΠΌ Π½Π° Π΄ΠΎΡΡΠ°Π²ΠΊΡ ΠΈ Π²ΠΎΠ·ΠΌΠΎΠΆΠ½ΠΎΡΡΠΈ ΠΏΠΎΠ»ΡΡΠ΅Π½ΠΈΡ Π½Π° ΠΌΠ΅ΡΡΠ΅ Π²Ρ ΠΌΠΎΠΆΠ΅ΡΠ΅ Π΅ΡΠ΅ Π±ΠΎΠ»ΡΡΠ΅ ΡΡΠΊΠΎΠ½ΠΎΠΌΠΈΡΡ.
ΠΡΠ»ΠΈ Π²Ρ Π²ΡΠ΅ Π΅ΡΠ΅ Π½Π΅ ΡΠ²Π΅ΡΠ΅Π½Ρ Π² ΡΠ΅Π»Π΅ k1 ΠΈ Π΄ΡΠΌΠ°Π΅ΡΠ΅ ΠΎ Π²ΡΠ±ΠΎΡΠ΅ Π°Π½Π°Π»ΠΎΠ³ΠΈΡΠ½ΠΎΠ³ΠΎ ΡΠΎΠ²Π°ΡΠ°, AliExpress — ΠΎΡΠ»ΠΈΡΠ½ΠΎΠ΅ ΠΌΠ΅ΡΡΠΎ Π΄Π»Ρ ΡΡΠ°Π²Π½Π΅Π½ΠΈΡ ΡΠ΅Π½ ΠΈ ΠΏΡΠΎΠ΄Π°Π²ΡΠΎΠ². ΠΡ ΠΏΠΎΠΌΠΎΠΆΠ΅ΠΌ Π²Π°ΠΌ ΡΠ΅ΡΠΈΡΡ, ΡΡΠΎΠΈΡ Π»ΠΈ Π΄ΠΎΠΏΠ»Π°ΡΠΈΠ²Π°ΡΡ Π·Π° Π²ΡΡΠΎΠΊΠΎΠΊΠ»Π°ΡΡΠ½ΡΡ Π²Π΅ΡΡΠΈΡ ΠΈΠ»ΠΈ Π²Ρ ΠΏΠΎΠ»ΡΡΠ°Π΅ΡΠ΅ ΡΡΠΎΠ»Ρ ΠΆΠ΅ Π²ΡΠ³ΠΎΠ΄Π½ΡΡ ΡΠ΄Π΅Π»ΠΊΡ, ΠΏΡΠΈΠΎΠ±ΡΠ΅ΡΠ°Ρ Π±ΠΎΠ»Π΅Π΅ Π΄Π΅ΡΠ΅Π²ΡΡ Π²Π΅ΡΡ.Π, Π΅ΡΠ»ΠΈ Π²Ρ ΠΏΡΠΎΡΡΠΎ Ρ ΠΎΡΠΈΡΠ΅ ΠΏΠΎΠ±Π°Π»ΠΎΠ²Π°ΡΡ ΡΠ΅Π±Ρ ΠΈ ΠΏΠΎΡΡΠ°ΡΠΈΡΡΡΡ Π½Π° ΡΠ°ΠΌΡΡ Π΄ΠΎΡΠΎΠ³ΡΡ Π²Π΅ΡΡΠΈΡ, AliExpress Π²ΡΠ΅Π³Π΄Π° ΠΏΠΎΠ·Π°Π±ΠΎΡΠΈΡΡΡ ΠΎ ΡΠΎΠΌ, ΡΡΠΎΠ±Ρ Π²Ρ ΠΌΠΎΠ³Π»ΠΈ ΠΏΠΎΠ»ΡΡΠΈΡΡ Π»ΡΡΡΡΡ ΡΠ΅Π½Ρ Π·Π° ΡΠ²ΠΎΠΈ Π΄Π΅Π½ΡΠ³ΠΈ, Π΄Π°ΠΆΠ΅ ΡΠΎΠΎΠ±ΡΠ°Ρ Π²Π°ΠΌ, ΠΊΠΎΠ³Π΄Π° Π²Π°ΠΌ Π±ΡΠ΄Π΅Ρ Π»ΡΡΡΠ΅ Π΄ΠΎΠΆΠ΄Π°ΡΡΡΡ Π½Π°ΡΠ°Π»Π° ΡΠ΅ΠΊΠ»Π°ΠΌΠ½ΠΎΠΉ Π°ΠΊΡΠΈΠΈ. ΠΈ ΠΎΠΆΠΈΠ΄Π°Π΅ΠΌΠ°Ρ ΡΠΊΠΎΠ½ΠΎΠΌΠΈΡ.AliExpress Π³ΠΎΡΠ΄ΠΈΡΡΡ ΡΠ΅ΠΌ, ΡΡΠΎ Ρ Π²Π°Ρ Π²ΡΠ΅Π³Π΄Π° Π΅ΡΡΡ ΠΎΡΠΎΠ·Π½Π°Π½Π½ΡΠΉ Π²ΡΠ±ΠΎΡ ΠΏΡΠΈ ΠΏΠΎΠΊΡΠΏΠΊΠ΅ Π² ΠΎΠ΄Π½ΠΎΠΌ ΠΈΠ· ΡΠΎΡΠ΅Π½ ΠΌΠ°Π³Π°Π·ΠΈΠ½ΠΎΠ² ΠΈ ΠΏΡΠΎΠ΄Π°Π²ΡΠΎΠ² Π½Π° Π½Π°ΡΠ΅ΠΉ ΠΏΠ»Π°ΡΡΠΎΡΠΌΠ΅. Π Π΅Π°Π»ΡΠ½ΡΠ΅ ΠΏΠΎΠΊΡΠΏΠ°ΡΠ΅Π»ΠΈ ΠΎΡΠ΅Π½ΠΈΠ²Π°ΡΡ ΠΊΠ°ΡΠ΅ΡΡΠ²ΠΎ ΠΎΠ±ΡΠ»ΡΠΆΠΈΠ²Π°Π½ΠΈΡ, ΡΠ΅Π½Ρ ΠΈ ΠΊΠ°ΡΠ΅ΡΡΠ²ΠΎ ΠΊΠ°ΠΆΠ΄ΠΎΠ³ΠΎ ΠΌΠ°Π³Π°Π·ΠΈΠ½Π° ΠΈ ΠΏΡΠΎΠ΄Π°Π²ΡΠ°.ΠΡΠΎΠΌΠ΅ ΡΠΎΠ³ΠΎ, Π²Ρ ΠΌΠΎΠΆΠ΅ΡΠ΅ ΡΠ·Π½Π°ΡΡ ΡΠ΅ΠΉΡΠΈΠ½Π³ΠΈ ΠΌΠ°Π³Π°Π·ΠΈΠ½Π° ΠΈΠ»ΠΈ ΠΎΡΠ΄Π΅Π»ΡΠ½ΡΡ ΠΏΡΠΎΠ΄Π°Π²ΡΠΎΠ², Π° ΡΠ°ΠΊΠΆΠ΅ ΡΡΠ°Π²Π½ΠΈΡΡ ΡΠ΅Π½Ρ, Π΄ΠΎΡΡΠ°Π²ΠΊΡ ΠΈ ΡΠΊΠΈΠ΄ΠΊΠΈ Π½Π° ΠΎΠ΄ΠΈΠ½ ΠΈ ΡΠΎΡ ΠΆΠ΅ ΠΏΡΠΎΠ΄ΡΠΊΡ, ΠΏΡΠΎΡΠΈΡΠ°Π² ΠΊΠΎΠΌΠΌΠ΅Π½ΡΠ°ΡΠΈΠΈ ΠΈ ΠΎΡΠ·ΡΠ²Ρ, ΠΎΡΡΠ°Π²Π»Π΅Π½Π½ΡΠ΅ ΠΏΠΎΠ»ΡΠ·ΠΎΠ²Π°ΡΠ΅Π»ΡΠΌΠΈ. ΠΠ°ΠΆΠ΄Π°Ρ ΠΏΠΎΠΊΡΠΏΠΊΠ° ΠΈΠΌΠ΅Π΅Ρ Π·Π²Π΅Π·Π΄Π½ΡΠΉ ΡΠ΅ΠΉΡΠΈΠ½Π³ ΠΈ ΡΠ°ΡΡΠΎ ΠΈΠΌΠ΅Π΅Ρ ΠΊΠΎΠΌΠΌΠ΅Π½ΡΠ°ΡΠΈΠΈ, ΠΎΡΡΠ°Π²Π»Π΅Π½Π½ΡΠ΅ ΠΏΡΠ΅Π΄ΡΠ΄ΡΡΠΈΠΌΠΈ ΠΊΠ»ΠΈΠ΅Π½ΡΠ°ΠΌΠΈ, ΠΎΠΏΠΈΡΡΠ²Π°ΡΡΠΈΠΌΠΈ ΠΈΡ ΠΎΠΏΡΡ ΡΡΠ°Π½Π·Π°ΠΊΡΠΈΠΉ, ΠΏΠΎΡΡΠΎΠΌΡ Π²Ρ ΠΌΠΎΠΆΠ΅ΡΠ΅ ΠΏΠΎΠΊΡΠΏΠ°ΡΡ Ρ ΡΠ²Π΅ΡΠ΅Π½Π½ΠΎΡΡΡΡ ΠΊΠ°ΠΆΠ΄ΡΠΉ ΡΠ°Π·. ΠΠΎΡΠΎΡΠ΅ Π³ΠΎΠ²ΠΎΡΡ, Π²Π°ΠΌ Π½Π΅ Π½ΡΠΆΠ½ΠΎ Π²Π΅ΡΠΈΡΡ Π½Π°ΠΌ Π½Π° ΡΠ»ΠΎΠ²ΠΎ — ΠΏΡΠΎΡΡΠΎ ΡΠ»ΡΡΠ°ΠΉΡΠ΅ ΠΌΠΈΠ»Π»ΠΈΠΎΠ½Ρ Π½Π°ΡΠΈΡ Π΄ΠΎΠ²ΠΎΠ»ΡΠ½ΡΡ ΠΊΠ»ΠΈΠ΅Π½ΡΠΎΠ².
Π Π΅ΡΠ»ΠΈ Π²Ρ Π½ΠΎΠ²ΠΈΡΠΎΠΊ Π½Π° AliExpress, ΠΌΡ ΠΎΡΠΊΡΠΎΠ΅ΠΌ Π²Π°ΠΌ ΡΠ΅ΠΊΡΠ΅Ρ.ΠΠ΅ΠΏΠΎΡΡΠ΅Π΄ΡΡΠ²Π΅Π½Π½ΠΎ ΠΏΠ΅ΡΠ΅Π΄ ΡΠ΅ΠΌ, ΠΊΠ°ΠΊ Π²Ρ Π½Π°ΠΆΠΌΠ΅ΡΠ΅ Β«ΠΊΡΠΏΠΈΡΡ ΡΠ΅ΠΉΡΠ°ΡΒ» Π² ΠΏΡΠΎΡΠ΅ΡΡΠ΅ ΡΡΠ°Π½Π·Π°ΠΊΡΠΈΠΈ, Π½Π°ΠΉΠ΄ΠΈΡΠ΅ Π²ΡΠ΅ΠΌΡ, ΡΡΠΎΠ±Ρ ΠΏΡΠΎΠ²Π΅ΡΠΈΡΡ ΠΊΡΠΏΠΎΠ½Ρ — ΠΈ Π²Ρ ΡΡΠΊΠΎΠ½ΠΎΠΌΠΈΡΠ΅ Π΅ΡΠ΅ Π±ΠΎΠ»ΡΡΠ΅. ΠΡ ΠΌΠΎΠΆΠ΅ΡΠ΅ Π½Π°ΠΉΡΠΈ ΠΊΡΠΏΠΎΠ½Ρ ΠΌΠ°Π³Π°Π·ΠΈΠ½Π°, ΠΊΡΠΏΠΎΠ½Ρ AliExpress ΠΈΠ»ΠΈ ΡΠΎΠ±ΠΈΡΠ°ΡΡ ΠΊΡΠΏΠΎΠ½Ρ ΠΊΠ°ΠΆΠ΄ΡΠΉ Π΄Π΅Π½Ρ, ΠΈΠ³ΡΠ°Ρ Π² ΠΈΠ³ΡΡ Π² ΠΏΡΠΈΠ»ΠΎΠΆΠ΅Π½ΠΈΠΈ AliExpress. ΠΠΌΠ΅ΡΡΠ΅ Ρ Π±Π΅ΡΠΏΠ»Π°ΡΠ½ΠΎΠΉ Π΄ΠΎΡΡΠ°Π²ΠΊΠΎΠΉ, ΠΊΠΎΡΠΎΡΡΡ ΠΏΡΠ΅Π΄Π»Π°Π³Π°ΡΡ Π±ΠΎΠ»ΡΡΠΈΠ½ΡΡΠ²ΠΎ ΠΏΡΠΎΠ΄Π°Π²ΡΠΎΠ² Π½Π° Π½Π°ΡΠ΅ΠΌ ΡΠ°ΠΉΡΠ΅, Π²Ρ ΡΠΌΠΎΠΆΠ΅ΡΠ΅ ΠΏΡΠΈΠΎΠ±ΡΠ΅ΡΡΠΈ relay k1 ΠΏΠΎ ΡΠ°ΠΌΠΎΠΉ Π²ΡΠ³ΠΎΠ΄Π½ΠΎΠΉ ΡΠ΅Π½Π΅.
Π£ Π½Π°Ρ Π²ΡΠ΅Π³Π΄Π° Π΅ΡΡΡ Π½ΠΎΠ²Π΅ΠΉΡΠΈΠ΅ ΡΠ΅Ρ Π½ΠΎΠ»ΠΎΠ³ΠΈΠΈ, Π½ΠΎΠ²Π΅ΠΉΡΠΈΠ΅ ΡΠ΅Π½Π΄Π΅Π½ΡΠΈΠΈ ΠΈ ΡΠ°ΠΌΡΠ΅ ΠΎΠ±ΡΡΠΆΠ΄Π°Π΅ΠΌΡΠ΅ Π»Π΅ΠΉΠ±Π»Ρ.ΠΠ° AliExpress ΠΎΡΠ»ΠΈΡΠ½ΠΎΠ΅ ΠΊΠ°ΡΠ΅ΡΡΠ²ΠΎ, ΡΠ΅Π½Π° ΠΈ ΡΠ΅ΡΠ²ΠΈΡ Π²ΡΠ΅Π³Π΄Π° Π² ΡΡΠ°Π½Π΄Π°ΡΡΠ½ΠΎΠΉ ΠΊΠΎΠΌΠΏΠ»Π΅ΠΊΡΠ°ΡΠΈΠΈ. ΠΠ°ΡΠ½ΠΈΡΠ΅ ΡΠ°ΠΌΡΠΉ Π»ΡΡΡΠΈΠΉ ΡΠΎΠΏΠΏΠΈΠ½Π³ ΠΏΡΡΠΌΠΎ Π·Π΄Π΅ΡΡ.
ΠΡΠΈΠΌΠ΅ΡΡ ΡΡ Π΅ΠΌ Π±Π΅Π·ΠΎΠΏΠ°ΡΠ½ΠΎΡΡΠΈ ΠΊΠΎΠΌΠΏΠΎΠ½Π΅Π½ΡΠΎΠ² Π±Π΅Π·ΠΎΠΏΠ°ΡΠ½ΠΎΡΡΠΈ | Π’Π΅Ρ Π½ΠΈΡΠ΅ΡΠΊΠΎΠ΅ ΡΡΠΊΠΎΠ²ΠΎΠ΄ΡΡΠ²ΠΎ | ΠΠ²ΡΡΡΠ°Π»ΠΈΡ
ΠΠ°ΡΠ΅Π³ΠΎΡΠΈΡ 4: ΠΡΠ½ΠΎΠ²Π½ΡΠ΅ ΡΡΠ½ΠΊΡΠΈΠΈ Π±Π΅Π·ΠΎΠΏΠ°ΡΠ½ΠΎΡΡΠΈ
<ΠΠΎΠ»Π½ΠΎΡΡΡΡ ΠΏΡΠΎΠ²Π΅ΡΠ΅Π½Π½ΡΠ΅ Π΄Π΅ΡΠ°Π»ΠΈ ΠΈ ΠΏΡΠΈΠ½ΡΠΈΠΏΡ Π±Π΅Π·ΠΎΠΏΠ°ΡΠ½ΠΎΡΡΠΈ> (1, 2 ΠΈ 3: Π‘ΠΌ. ΠΠ°ΡΠ΅Π³ΠΎΡΠΈΡ Π±Π΅Π·ΠΎΠΏΠ°ΡΠ½ΠΎΡΡΠΈ 1.)
4. ΠΡΠΊΠ°Π·ΠΎΡΡΡΠΎΠΉΡΠΈΠ²Π°Ρ ΠΊΠΎΠ½ΡΡΡΡΠΊΡΠΈΡ ΡΠ΄Π΅ΡΠΆΠΈΠ²Π°Π΅Ρ Π·Π°ΡΠΈΡΠ½ΡΡ Π΄Π²Π΅ΡΡΡ Π·Π°Π±Π»ΠΎΠΊΠΈΡΠΎΠ²Π°Π½Π½ΠΎΠΉ ΠΏΡΠΈ ΠΎΡΠΊΠ»ΡΡΠ΅Π½ΠΈΠΈ ΠΏΠΈΡΠ°Π½ΠΈΡ.
5. ΠΠ°ΡΠΈΡΠ΅Π½Π½Π°Ρ ΠΎΡ Π΄ΡΡΠ°ΠΊΠ° ΠΊΠΎΠ½ΡΡΡΡΠΊΡΠΈΡ ΠΏΡΠ΅Π΄ΠΎΡΠ²ΡΠ°ΡΠ°Π΅Ρ Π½Π΅ΠΏΡΠ°Π²ΠΈΠ»ΡΠ½ΡΡ ΡΠ°Π±ΠΎΡΡ.
<ΠΠ·Π±ΡΡΠΎΡΠ½ΠΎΡΡΡ>
1. Π Π΅Π·Π΅ΡΠ²ΠΈΡΠΎΠ²Π°Π½ΠΈΠ΅ Π²Ρ ΠΎΠ΄Π° Ρ ΠΏΠΎΠΌΠΎΡΡΡ ΠΏΠ΅ΡΠ΅ΠΊΠ»ΡΡΠ°ΡΠ΅Π»Π΅ΠΉ: Π΄Π²ΡΡ ΠΊΠ°Π½Π°Π»ΡΠ½ΡΠΉ Π²Ρ ΠΎΠ΄ Ρ ΠΊΠΎΠ½ΡΠ΅Π²ΡΠΌΠΈ Π²ΡΠΊΠ»ΡΡΠ°ΡΠ΅Π»ΡΠΌΠΈ SW1 ΠΈ SW3 Π² ΠΏΠΎΠ»ΠΎΠΆΠΈΡΠ΅Π»ΡΠ½ΠΎΠΌ ΡΡΠ°Π±Π°ΡΡΠ²Π°Π½ΠΈΠΈ.
2. Π Π΅Π·Π΅ΡΠ²ΠΈΡΠΎΠ²Π°Π½ΠΈΠ΅ ΡΠ΅ΠΏΠ΅ΠΉ Ρ ΠΏΠΎΠΌΠΎΡΡΡ ΡΠ΅Π»Π΅: ΠΠΎΠ²ΡΡΠ°Π΅Ρ Π½Π°Π΄Π΅ΠΆΠ½ΠΎΡΡΡ Π·Π° ΡΡΠ΅Ρ Π΄ΡΠ±Π»ΠΈΡΠΎΠ²Π°Π½ΠΈΡ ΡΠ°Π±ΠΎΡΠΈΡ ΡΠ΅ΠΏΠ΅ΠΉ ΠΊΠ°ΡΡΡΠ΅ΠΊ ΡΠ΅Π»Π΅ K1 ΠΈ K2.
3. Π Π΅Π·Π΅ΡΠ²ΠΈΡΠΎΠ²Π°Π½ΠΈΠ΅ Π²ΡΡ ΠΎΠ΄ΠΎΠ² Ρ ΠΏΠΎΠΌΠΎΡΡΡ ΡΠ΅Π»Π΅: ΠΠΎΠ²ΡΡΠ°Π΅Ρ Π½Π°Π΄Π΅ΠΆΠ½ΠΎΡΡΡ Π·Π° ΡΡΠ΅Ρ Π΄ΡΠ±Π»ΠΈΡΠΎΠ²Π°Π½ΠΈΡ Π²ΡΡ ΠΎΠ΄Π½ΡΡ ΡΠ΅ΠΏΠ΅ΠΉ ΠΈΠ½ΡΠ΅ΡΡΠ΅ΠΉΡΠ½ΡΡ ΡΠ΅Π»Π΅ΠΉΠ½ΡΡ Π±Π»ΠΎΠΊΠΎΠ² KM1 ΠΈ KM2, ΡΠΎΠ΅Π΄ΠΈΠ½Π΅Π½Π½ΡΡ ΠΏΠ°ΡΠ°Π»Π»Π΅Π»ΡΠ½ΠΎ.
4. Π¦Π΅ΠΏΡ ΠΎΠ±ΡΠ°ΡΠ½ΠΎΠΉ ΡΠ²ΡΠ·ΠΈ: ΠΠΎΠ²ΡΡΠ°Π΅Ρ Π½Π°Π΄Π΅ΠΆΠ½ΠΎΡΡΡ Π·Π° ΡΡΠ΅Ρ ΠΎΠ±ΡΠ°ΡΠ½ΠΎΠΉ ΡΠ²ΡΠ·ΠΈ ΠΏΠΎΡΠ»Π΅Π΄ΠΎΠ²Π°ΡΠ΅Π»ΡΠ½ΠΎ ΡΠΎΠ΅Π΄ΠΈΠ½Π΅Π½Π½ΡΡ Π½ΠΎΡΠΌΠ°Π»ΡΠ½ΠΎ Π·Π°ΠΌΠΊΠ½ΡΡΡΡ ΠΊΠΎΠ½ΡΠ°ΠΊΡΠΎΠ² Π²ΡΡ ΠΎΠ΄Π½ΡΡ ΡΠ΅ΠΏΠ΅ΠΉ Π±Π»ΠΎΠΊΠ° ΠΈΠ½ΡΠ΅ΡΡΠ΅ΠΉΡΠ½ΡΡ ΡΠ΅Π»Π΅ KM1 ΠΈ KM2 Π½Π° Π±Π»ΠΎΠΊ ΠΈΠ½ΡΠ΅ΡΡΠ΅ΠΉΡΠ½ΠΎΠ³ΠΎ ΡΠ΅Π»Π΅.
<Π Π°Π·Π½Π΅ΡΠ΅Π½ΠΈΠ΅>
Π£ΠΌΠ΅Π½ΡΡΠ°Π΅Ρ ΠΊΠΎΠ»ΠΈΡΠ΅ΡΡΠ²ΠΎ ΡΠ°ΡΠΏΡΠΎΡΡΡΠ°Π½Π΅Π½Π½ΡΡ
Π½Π΅ΠΈΡΠΏΡΠ°Π²Π½ΠΎΡΡΠ΅ΠΉ Π·Π° ΡΡΠ΅Ρ ΠΎΠ±ΡΠ΅Π΄ΠΈΠ½Π΅Π½ΠΈΡ ΠΏΠ΅ΡΠ΅ΠΊΠ»ΡΡΠ°ΡΠ΅Π»Ρ Π±Π΅Π·ΠΎΠΏΠ°ΡΠ½ΠΎΡΡΠΈ SW1 Π² ΠΏΠΎΠ»ΠΎΠΆΠΈΡΠ΅Π»ΡΠ½ΠΎΠΌ ΡΡΠ°Π±Π°ΡΡΠ²Π°Π½ΠΈΠΈ Ρ ΠΏΠ΅ΡΠ΅ΠΊΠ»ΡΡΠ°ΡΠ΅Π»Π΅ΠΌ Π±Π΅Π·ΠΎΠΏΠ°ΡΠ½ΠΎΡΡΠΈ SW3 Π² ΠΎΡΡΠΈΡΠ°ΡΠ΅Π»ΡΠ½ΠΎΠΌ ΡΡΠ°Π±Π°ΡΡΠ²Π°Π½ΠΈΠΈ.
<ΠΠ±Π½Π°ΡΡΠΆΠ΅Π½ΠΈΠ΅ Π·Π°ΡΠΈΡΡ ΠΎΡ ΠΊΠΎΡΠΎΡΠΊΠΎΠ³ΠΎ Π·Π°ΠΌΡΠΊΠ°Π½ΠΈΡ>
Π‘ΠΎΠ·Π΄Π°Π΅Ρ ΡΠ»Π΅ΠΊΡΡΠΈΡΠ΅ΡΠΊΠΈΠΉ ΠΏΠΎΡΠ΅Π½ΡΠΈΠ°Π» ΠΌΠ΅ΠΆΠ΄Ρ ΠΊΠ°ΠΆΠ΄ΡΠΌ ΠΊΠ°Π½Π°Π»ΠΎΠΌ Ρ Π΄Π²ΡΡ
ΠΊΠ°Π½Π°Π»ΡΠ½ΡΠΌ Π²Ρ
ΠΎΠ΄ΠΎΠΌ.
<ΠΠ²ΡΠΎΠΌΠ°ΡΠΈΡΠ΅ΡΠΊΠ°Ρ ΠΏΡΠΎΠ²Π΅ΡΠΊΠ° Π±Π΅Π·ΠΎΠΏΠ°ΡΠ½ΠΎΡΡΠΈ ΠΏΡΠΈ Π·Π°ΠΏΡΡΠΊΠ΅>
ΠΡΠΎ Π°Π²ΡΠΎΠΌΠ°ΡΠΈΡΠ΅ΡΠΊΠΈ ΠΏΡΠΎΠ²Π΅ΡΡΠ΅Ρ Π²ΡΠ΅ ΠΊΠΎΠ½ΡΠ°ΠΊΡΡ ΡΠ΅Π»Π΅ Π½Π° Π½Π°Π»ΠΈΡΠΈΠ΅ Π½Π΅ΠΈΡΠΏΡΠ°Π²Π½ΠΎΡΡΠ΅ΠΉ ΡΠ΅ΡΠ΅Π· ΠΈΠ½ΡΠ΅ΡΡΠ΅ΠΉΡΠ½ΠΎΠ΅ ΡΠ΅Π»Π΅ ΡΠ΅ΠΏΠΈ Π±Π΅Π·ΠΎΠΏΠ°ΡΠ½ΠΎΡΡΠΈ ΠΈ ΠΏΡΠ΅Π΄ΠΎΡΠ²ΡΠ°ΡΠ°Π΅Ρ Π½Π°ΡΠ°Π»ΠΎ ΡΠ°Π±ΠΎΡΡ Π² ΡΠ»ΡΡΠ°Π΅ ΠΎΠ±Π½Π°ΡΡΠΆΠ΅Π½ΠΈΡ ΠΊΠ°ΠΊΠΈΡ -Π»ΠΈΠ±ΠΎ Π½Π΅ΠΈΡΠΏΡΠ°Π²Π½ΠΎΡΡΠ΅ΠΉ. (K3) ΠΠ°Π³Π½ΠΈΡΠ½ΡΠΉ ΠΊΠΎΠ½ΡΠ°ΠΊΡΠΎΡ Π±ΡΠ΄Π΅Ρ ΠΏΠΎΠ΄Π΄Π΅ΡΠΆΠΈΠ²Π°ΡΡ Π·Π°Π·ΠΎΡ Π² Π½ΠΎΡΠΌΠ°Π»ΡΠ½ΠΎ Π·Π°ΠΌΠΊΠ½ΡΡΡΡ ΠΊΠΎΠ½ΡΠ°ΠΊΡΠ°Ρ Π½Π΅ ΠΌΠ΅Π½Π΅Π΅ 0,5 ΠΌΠΌ, Π΄Π°ΠΆΠ΅ Π΅ΡΠ»ΠΈ Π½ΠΎΡΠΌΠ°Π»ΡΠ½ΠΎ ΡΠ°Π·ΠΎΠΌΠΊΠ½ΡΡΡΠ΅ ΠΊΠΎΠ½ΡΠ°ΠΊΡΡ ΠΏΡΠΈΠ²Π°ΡΠ΅Π½Ρ.
<ΠΠΎΠ½ΡΡΠΎΠ»Ρ ΡΠ°Π±ΠΎΡΡ>
1. Π‘Π²Π°ΡΠΊΠ° ΠΊΠΎΠ½ΡΠ°ΠΊΡΠΎΠ²: ΠΎΠΏΡΠ΅Π΄Π΅Π»ΡΠ΅Ρ, ΠΏΡΠΈΠ²Π°ΡΠ΅Π½Ρ Π»ΠΈ ΠΊΠΎΠ½ΡΠ°ΠΊΡΡ ΠΈΠ½ΡΠ΅ΡΡΠ΅ΠΉΡΠ½ΡΡ ΡΠ΅Π»Π΅ K1 ΠΈ K2, Π° ΡΠ°ΠΊΠΆΠ΅ ΠΌΠ°Π³Π½ΠΈΡΠ½ΡΡ ΠΊΠΎΠ½ΡΠ°ΠΊΡΠΎΡΠΎΠ² KM1 ΠΈ KM2, ΠΈ ΠΎΡΠΊΠ»ΡΡΠ°Π΅Ρ ΠΏΠΈΡΠ°Π½ΠΈΠ΅ ΠΊΠ°ΡΡΡΠΊΠΈ Π΄Π»Ρ ΠΌΠ°Π³Π½ΠΈΡΠ½ΡΡ ΠΊΠΎΠ½ΡΠ°ΠΊΡΠΎΡΠΎΠ² KM1 ΠΈ KM2, Π΅ΡΠ»ΠΈ ΡΠ²Π°ΡΠΊΠ° ΠΏΡΠΎΠΈΠ·ΠΎΡΠ»Π°. (K3)
2. ΠΠ°ΡΠΈΡΠ½Π°Ρ Π΄Π²Π΅ΡΡ: ΠΊΠΎΠ½ΡΡΠΎΠ»ΠΈΡΡΠ΅Ρ, ΠΎΡΠΊΡΡΡΡ ΠΈΠ»ΠΈ Π·Π°ΠΊΡΡΡΡ Π·Π°ΡΠΈΡΠ½ΡΠ΅ Π΄Π²Π΅ΡΠΈ Ρ ΠΏΠΎΠΌΠΎΡΡΡ ΠΏΠ΅ΡΠ΅ΠΊΠ»ΡΡΠ°ΡΠ΅Π»Π΅ΠΉ Π±Π΅Π·ΠΎΠΏΠ°ΡΠ½ΠΎΡΡΠΈ SW1 ΠΈ SW3, ΠΈ Π·Π°Π±Π»ΠΎΠΊΠΈΡΠΎΠ²Π°Π½Ρ Π»ΠΈ ΠΎΠ½ΠΈ Ρ ΠΏΠΎΠΌΠΎΡΡΡ ΠΏΠ΅ΡΠ΅ΠΊΠ»ΡΡΠ°ΡΠ΅Π»Ρ Π±Π΅Π·ΠΎΠΏΠ°ΡΠ½ΠΎΡΡΠΈ SW2.
ΠΡΠΈΠΌΠ΅ΡΠ°Π½ΠΈΠ΅: ΠΠΎΡΡΡΠΎΠΉΡΠ΅ ΡΡ Π΅ΠΌΡ ΡΠ°ΠΊ, ΡΡΠΎΠ±Ρ ΡΠ°Π±ΠΎΡΠΈΠΉ Π²ΡΠΊΠ»ΡΡΠ°ΡΠ΅Π»Ρ ΡΠ°Π·Π±Π»ΠΎΠΊΠΈΡΠΎΠ²ΠΊΠΈ Sr ΡΡΠ΅Π±ΠΎΠ²Π°Π» ΡΡΠ»ΠΎΠ²ΠΈΡ Π Π΄Π»Ρ ΠΈΠ΄Π΅Π°Π»ΡΠ½ΠΎΠ³ΠΎ ΡΠΈΠ³Π½Π°Π»Π° ΠΎΡΡΠ°Π½ΠΎΠ²ΠΊΠΈ Π²ΡΠ°ΡΠ΅Π½ΠΈΡ.
% PDF-1.7 % 1 0 obj > ΡΠ½Π΄ΠΎΠ±Π΄ΠΆ 52 0 ΠΎΠ±ΡΠ΅ΠΊΡ > ΠΏΠΎΡΠΎΠΊ ΠΊΠΎΠ½Π΅ΡΠ½ΡΠΉ ΠΏΠΎΡΠΎΠΊ ΡΠ½Π΄ΠΎΠ±Π΄ΠΆ 2 0 obj > ΡΠ½Π΄ΠΎΠ±Π΄ΠΆ 3 0 obj > ΡΠ½Π΄ΠΎΠ±Π΄ΠΆ 47 0 ΠΎΠ±ΡΠ΅ΠΊΡ > / XObject >>> ΡΠ½Π΄ΠΎΠ±Π΄ΠΆ 4 0 ΠΎΠ±ΡΠ΅ΠΊΡ > ΠΏΠΎΡΠΎΠΊ
.
ΠΠ»Π°ΡΠΎΠ½ ΠΎΡΠ²Π΅ΡΠ΅Π½ΠΈΡ Π±Π°Π³Π°ΠΆΠ½ΠΈΠΊΠ°. ΠΠΎΠ΄ΠΊΠ°ΠΏΠΎΡΠ½Π°Ρ Π»Π°ΠΌΠΏΠ°. ΠΠ°ΠΌΠΏΡ ΠΎΡΠ²Π΅ΡΠ΅Π½ΠΈΡ Π½ΠΎΠΌΠ΅ΡΠ½ΠΎΠ³ΠΎ Π·Π½Π°ΠΊΠ°. ΠΠ°ΠΌΠΏΡ ΠΏΠ΅ΡΠ΅Π΄Π½ΠΈΡ
Π³Π°Π±Π°ΡΠΈΡΠ½ΡΡ
ΠΎΠ³Π½Π΅ΠΉ
Π Π΅Π»Π΅ Π·Π²ΡΠΊΠΎΠ²ΠΎΠ³ΠΎ ΡΠΈΠ³Π½Π°Π»Π°. ΠΠ²ΡΠΊΠΎΠ²ΠΎΠΉ ΡΠΈΠ³Π½Π°Π»
ΠΠΎΡΠΎΡΠ΅Π΄ΡΠΊΡΠΎΡ ΠΊΠΎΡΡΠ΅ΠΊΡΠΎΡΠ° (ΠΏΡΠ°Π²Π°Ρ ΡΠ°ΡΠ°)
ΠΠΎΠ½ΡΡΠΎΠ»ΡΠ½Π°Ρ Π»Π°ΠΌΠΏΠ° ΠΈΠΌΠΌΠΎΠ±ΠΈΠ»ΠΈΠ·Π°ΡΠΎΡΠ°. ΠΠ°ΠΌΠΏΡ ΡΡΠΎΠΏ-ΡΠΈΠ³Π½Π°Π»Π°. ΠΠΎΠΏΠΎΠ»Π½ΠΈΡΠ΅Π»ΡΠ½ΡΠΉ ΡΠΈΠ³Π½Π°Π» ΡΠΎΡΠΌΠΎΠΆΠ΅Π½ΠΈΡ. ΠΠ»Π°ΡΠΎΠ½ ΠΎΡΠ²Π΅ΡΠ΅Π½ΠΈΡ ΡΠ°Π»ΠΎΠ½Π°
Π½Π° ΠΏΠΎΡΡΠ°Π²Π»ΡΠ΅ΠΌΡΡ ΠΏΠ°ΡΡΠΈΡ ΠΈΠ·Π΄Π΅Π»ΠΈΠΉ
5A)
ΠΠΎΠ½ΡΡΠΎΠ»Π»Π΅Ρ ΡΠ»Π΅ΠΊΡΡΠΎΠΏΠ°ΠΊΠ΅ΡΠ°, ΠΊΠΎΠ½ΡΠ°ΠΊΡ 10 ΠΊΠΎΠ»ΠΎΠ΄ΠΊΠΈ XP2.
ΠΠ»Π΅ΠΌΠ΅Π½Ρ ΠΎΠ±ΠΎΠ³ΡΠ΅Π²Π° Π·Π°Π΄Π½Π΅Π³ΠΎ ΡΡΠ΅ΠΊΠ»Π°.
Π Π΅Π»Π΅ ΡΠ»Π΅ΠΊΡΡΠΎΠ²Π΅Π½ΡΠΈΠ»ΡΡΠΎΡΠ° ΠΎΡΠΏΠΈΡΠ΅Π»Π΅ΠΌ. ΠΡΠΊΠ»ΡΡΠ°ΡΠ΅Π»Ρ Π°Π²ΡΠΎΠΌΠ°ΡΠΈΡΠ΅ΡΠΊΠΎΠ³ΠΎ ΡΠΏΡΠ°Π²Π»Π΅Π½ΠΈΡ ΠΎΡΠ²Π΅ΡΠ΅Π½ΠΈΠ΅ΠΌ. ΠΠ»ΠΎΠΊ ΡΠΏΡΠ°Π²Π»Π΅Π½ΠΈΡ ΡΡΠ΅ΠΊΠ»ΠΎΠΎΡΠΈΡΡΠΈΡΠ΅Π»Π΅ΠΌ ΠΈ Π²Π½Π΅ΡΠ½ΠΈΠΌ ΠΎΡΠ²Π΅ΡΠ΅Π½ΠΈΠ΅ΠΌ(ΠΊΠΎΠ½ΡΠ°ΠΊΡ 3, 11).
ΠΠΎΠ½ΡΡΠΎΠ»Π»Π΅Ρ ΡΠΈΡΡΠ΅ΠΌΡ Π°Π²ΡΠΎΠΌ. ΡΠΏΡΠ°Π²Π»Π΅Π½ΠΈΡ ΠΊΠ»ΠΈΠΌΠ°ΡΠΈΡΠ΅ΡΠΊΠΎΠΉ ΡΡΡΠ°Π½ΠΎΠ²ΠΊΠΎΠΉ(ΠΊΠΎΠ½ΡΠ°ΠΊΡ 1). ΠΠ°ΡΡΠΈΠΊ ΡΠΈΡΡΠ΅ΠΌΡ Π°Π²ΡΠΎΠΌΠ°ΡΠΈΡΠ΅ΡΠΊΠΎΠΉ ΠΎΡΠΈΡΡΠΊΠΈ ΡΡΠ΅ΠΊΠΎΠ»(Π΄Π°ΡΡΠΈΠΊ Π΄ΠΎΠΆΠ΄Ρ),ΠΊΠΎΠ½ΡΠ°ΠΊΡ 1.
