Как заменить электромеханическое реле на бесшумный ключ с полевым транзистором. Какие преимущества дает такая замена. Какие особенности нужно учитывать при реализации схемы на полевом транзисторе. На что обратить внимание при выборе компонентов.
Преимущества замены электромеханического реле на полевой транзистор
Замена электромеханического реле на ключ с полевым транзистором имеет ряд существенных преимуществ:
- Бесшумность работы — отсутствуют щелчки при переключении
- Высокое быстродействие — время переключения измеряется наносекундами
- Отсутствие механического износа и искрения контактов
- Высокая надежность и долговечность
- Малые габариты
- Низкое энергопотребление в статическом режиме
Именно поэтому во многих современных устройствах электромеханические реле заменяются на полупроводниковые ключи на полевых транзисторах.
Схема ключа на полевом транзисторе
Рассмотрим базовую схему ключа на полевом транзисторе, заменяющего электромеханическое реле:

Основные элементы схемы:
- Q1 — полевой транзистор (MOSFET)
- R1 — резистор, ограничивающий ток затвора
- Vcc — напряжение питания нагрузки
- Load — коммутируемая нагрузка
При подаче управляющего сигнала на затвор транзистора Q1 через резистор R1, транзистор открывается и пропускает ток через нагрузку Load. При снятии сигнала транзистор закрывается и ток через нагрузку прекращается.
Выбор полевого транзистора
При выборе полевого транзистора для замены реле необходимо учитывать следующие параметры:
- Максимальное напряжение сток-исток (VDS) — должно быть выше напряжения питания нагрузки
- Максимальный ток стока (ID) — должен превышать ток нагрузки
- Сопротивление канала в открытом состоянии (RDS(on)) — чем меньше, тем лучше
- Пороговое напряжение (VGS(th)) — должно быть меньше напряжения управляющего сигнала
Для большинства применений хорошо подойдут такие транзисторы как IRF540N, IRFZ44N, IRL540N.
Особенности реализации схемы
При реализации схемы ключа на полевом транзисторе необходимо учитывать некоторые особенности:

- Для защиты затвора от перенапряжения желательно установить стабилитрон между затвором и истоком.
- При работе с индуктивной нагрузкой необходимо установить защитный диод параллельно нагрузке.
- Для улучшения помехоустойчивости рекомендуется установить подтягивающий резистор между затвором и истоком.
- При коммутации высоких напряжений может потребоваться гальваническая развязка цепи управления, например, с помощью оптрона.
Схема ключа с оптронной развязкой
Для обеспечения гальванической развязки цепи управления от силовой части можно использовать оптрон. Рассмотрим схему ключа на полевом транзисторе с оптронной развязкой:
«` «`В этой схеме:
- PC817 — оптрон для гальванической развязки
- Q1 — полевой транзистор (MOSFET)
- Vin — входной управляющий сигнал
- Vcc — напряжение питания нагрузки
- Load — коммутируемая нагрузка
При подаче управляющего сигнала Vin светодиод оптрона включается, его фототранзистор открывается и подает напряжение на затвор полевого транзистора Q1. Транзистор Q1 открывается и пропускает ток через нагрузку Load.

Преимущества схемы с оптронной развязкой
Использование оптронной развязки в схеме ключа на полевом транзисторе дает следующие преимущества:
- Гальваническая изоляция цепи управления от силовой части
- Защита управляющей электроники от высокого напряжения и помех в силовой цепи
- Возможность управления высоковольтной нагрузкой низковольтными сигналами
- Повышение помехоустойчивости схемы
Выбор компонентов для схемы с оптронной развязкой
При выборе компонентов для схемы ключа с оптронной развязкой следует обратить внимание на следующие параметры:
- Оптрон:
- Напряжение изоляции — должно быть выше максимального напряжения в силовой цепи
- Быстродействие — зависит от требуемой скорости переключения
- Передаточное отношение (CTR) — чем выше, тем лучше
- Полевой транзистор:
- Максимальное напряжение сток-исток (VDS)
- Максимальный ток стока (ID)
- Сопротивление канала в открытом состоянии (RDS(on))
- Пороговое напряжение (VGS(th))
Для большинства применений хорошо подойдут оптроны серии PC817 или TLP521 в сочетании с полевыми транзисторами IRF540N или IRFZ44N.

Заключение
Замена электромеханического реле на ключ с полевым транзистором позволяет существенно улучшить характеристики устройства, повысить его надежность и долговечность. При этом необходимо учитывать особенности работы полевых транзисторов и правильно выбирать компоненты схемы. Использование оптронной развязки позволяет еще больше расширить возможности применения таких ключей, обеспечивая надежную работу даже в сложных условиях эксплуатации.
Меня часто спрашивают, как управлять с помощью микроконтроллера мощными потребителями тока — лампами, питающимися от сети 220 В, мощными тенами. В этой статье собран материал по работе электронных ключей — как они устроены, как работают, как их можно применить в радиолюбительской практике (перевод [1]). Сначала стоит разобраться в том, что же такое электронный ключ? В сущности это просто выключатель (или переключатель) который замыкает/размыкает сильноточную цепь по внешнему электрическому сигналу (тоже входной ток, но намного меньшей мощности). Обычно, когда на вход электронного ключа подается слабый ток управления, ключ замыкается и пропускает через себя мощный ток в силовой цепи. Когда ток управления пропадает, то ключ размыкается и мощный потребитель тока отключается. На фото представлены основные представители электронных ключей — реле и транзисторы. 1 — мощный транзистор IRFP450 MOSFET, который можно применять в ключевых источниках питания, в генераторах развертки ЭЛТ-мониторов. 2 — IRF840B, тоже довольно мощный транзистор, собрат IRFP450. Может безопасно, продолжительное время, без использования радиатора (или охлаждающего вентилятора) коммутировать токи до 8A при напряжении 500V. UPD140601: как верно прокомментировал Ross, на самом деле без радиатора IRF840 долго в таких рабочих условиях не протянет, потому что рассеиваемая мощность превысит 50 Вт. Если взять транзистор с сопротивлением канала на 2 порядка меньше, тогда другое дело. 3 — два простых, дешевых транзистора. Слева транзистор структуры PNP, а справа NPN. Эти транзисторы могут управлять током до 0.15A при напряжении 50 .. 90V. Обычно транзисторы могут коммутировать ток от 0.15A до 14A при напряжении от 50V до 500V (см. даташит на каждый конкретный транзистор), так что транзистор может переключить мощность до 7 киловатт, если на вход транзистора приложить совсем маленькую мощность — несколько милливатт. Приведенные на фото реле могут коммутировать токи от 5A до 15A при напряжении до 240V. Не очень правильно будет сравнивать реле с транзисторами MOSFET, но они почти не генерируют тепло и не нуждаются в радиаторах. 4 — самое простое реле, подходящее для большинства случаев. У этого реле 5 ножек, две подключены к обмотке, а еще три — к контактам на переключение. 5 — мощное реле на 20A, вытащенное из микроволновой печи. 6 — два реле, установленные на приемный радиомодуль (может обучаться на срабатывание от нужного приходящего по радио кода). Сам приемник потребляет меньше 5mA, но может при этом переключить ток до 12A при напряжении 36V, что составит 360 ватт! 7 — два мощных 135-ваттных транзистора 2N3055 от старого усилителя звука, со своим родным радиатором. Это устаревшие биполярные транзисторы, и они не настолько эффективны, как современные транзисторы MOSFET. Однако два таких транзистора в некоторых случаях могут заменить один IRFP450, чтобы коммутировать больше 75 ватт мощности. 8 — приемник кода RC от большой детской радиоуправляемой игрушки — автомобиля. Использует два одинаковых реле для прямого и обратного хода двигателя машинки. Странно, что эти реле системы SPDT, что означает, что у них не используются контакты N/C. 9 — два реле системы DPDT, которые эквивалентны 4 отдельным реле (в каждом из этих реле по 2 контактные группы). Электронные ключи применяются в тех случаях, когда использование простых кнопок и выключателей неудобно или невозможно — например, для запуска автомобильного стартера, или для выключения ядерного реактора, или в электронных проектах, которые по радиосигналу могут управлять включением/выключением освещения или приводом гаражной двери. В этом руководстве будет сделана попытка объяснить самым простым языком, как работают такие электронные ключи. И начнем с самого простого — реле. [Что такое электронное реле] Если коротко, то реле представляет из себя электромагнит, который управляет замыканием контактов. Работает это точно так же, как если бы контакты замыкались механическим нажатием кнопки, но в случае реле усилие для замыкания берется от магнитного поля обмотки реле. Выходные контакты реле могут управлять очень большой электрической мощностью — на порядки большей, чем прикладываемая мощность к обмотке электромагнита реле. При этом входная цепь обмотки (где действует слабый управляющий ток) полностью изолирована от выходной мощной цепи, что очень важно для безопасного управления высоковольтными нагрузками (220, 380 V и выше). Чаще всего у реле есть 5 контактов — вход 1 (на анимационном рисунке помечен +), вход 2 (на рисунке помечен как -), COM (COMmon, общий контакт), N/O (Normally Open, по умолчанию разомкнуто, когда обмотка не получает питание), N/C (Normally Closed, по умолчанию замкнуто, когда обмотка не получает питание). Чтобы лучше понять работу реле, вспомним, что эти контакты означают и для чего нужны: Вход 1: один из концов обмотки электромагнита реле, в нашем примере это вход для положительного полюса входного тока для обмотки. Когда на этот контакт приложен плюс напряжения (достаточного, чтобы реле сработало) относительно контакта Вход 2, то реле переключает контакты в активное состояние. Почти все реле нечувствительны к полярности входного тока, поэтому можно на Вход 1 подать +, а на Вход 2 подать минус, и наоборот, на Вход 1 подать -, а на Вход 2 подать +, и в любом случае реле нормально сработает. Некоторые реле, которые имеют массивный инерционный якорь, могут даже срабатывать от переменного входного напряжения (подробности см. в паспорте на реле). Для улучшения токопроводимости и уменьшения искрения поверхности контактов часто покрывают специальными металлами и сплавами на основе серебра, никеля, ванадия, а иногда для покрытия контактов применяется даже золото или платина (если это реле для коммутации сигналов в качественной аудиоаппаратуре или высокочастотной радиотехнике). Если у Вас есть 9V батарейка (например «Крона») и обычное реле, то попробуйте подключить обмотку реле к + и — батарейки. При подключении Вы услышите щелчок, который происходит из-за притягивания якоря реле к сердечнику электромагнита и переключения контактов. При отключении обмотки от батарейки произойдет также щелчок, но слабее. При отключении контакта обмотки от батареи Вы также увидите искру, которая возникает от ЭДС самоиндукции обмотки реле. Если принцип переключения контактов все еще непонятен для Вас, то его можно представить к виде псевдокода и иллюстрирующей процесс анимационной картинки: Если input = on (Power ON, через обмотку течет ток) [Как использовать реле] Как было уже упомянуто, реле используется для того, чтобы маломощные устройства (электронные компоненты, устройства) могли включать и выключать устройства, которые потребляют намного больше энергии. Самый распространенный пример применения — автомобиль. Теперь Вас не должно удивлять, почему Вы слышите щелчки при включении индикаторной лампочки, потому что Вы знаете — это срабатывает электромагнит реле. Мигания лампочки может создавать маленькая микросхема таймера, например 555 timer (NE555, LM555). Таймер 555 часто используется для создания импульсов (для простого включения и выключения) на любую нужную длительность, однако эта микросхема 555 сгорит, если будет пропускать через себя ток больше 200 ма. Так что невозможно просто так, без реле, подключить индикаторные лампочки к таймеру 555, потому что даже самые маломощные лампочки потребляют 700 ма и более. Теперь, если мы будем использовать таймер 555 для включения реле, то контактами реле можно запитывать мощные индикаторные лампочки. В этом случае через микросхему таймера будет течь ток около 50 .. 100 ма, что вполне безопасно, а в силовой цепи, питающей индикаторные лампочки, могут течь токи до 5А. Если у Вас дорогая, новая машина, то мало шансов, что Вы услышите щелчки при мигании индикаторных ламп, поскольку современная тенденция — применять везде, где можно, мощные транзисторы MOSFET, а в качестве индикаторных ламп ставить экономичные светодиоды. На интерактивной flash-анимации показан простой сценарий, в котором используются оба контакта N/O и N/C, чтобы включать либо красную, либо зеленую лампу (в зависимости от того, запитана обмотка реле, или нет). Наведите курсор мыши на серый выключатель, и нажмите левую кнопку мыши. При этом красная лампа погаснет, а зеленая загорится. На следующем рисунке показан пример использования реле вместе с таймером NE555. Кратковременное замыкание кнопки S1 запускает формирование длительной выдержки времени, в течение которого реле включено, и замыкает контакты NO и C. По окончании времени выдержки схема возвращается в исходное состояние, реле обесточивается, и становятся замкнутыми контакты NC и C. Такое устройство можно использовать для включения освещения на лестнице — по истечении заданного времени свет автоматически выключится. RC-цепочка, подключенная к выводам 6 и 7 таймера NE555, определяет выдержку времени. Диод, подключенный параллельно обмотке реле, защищает микросхему таймера NE555 от опасного выброса ЭДС самоиндукции, которое возникает при обесточивании обмотки реле (обмотка обладает значительной индуктивностью). Чтобы схема работала нормально, выбирайте подходящее реле — с током срабатывания не более 200mA (это максимум, который позволяет выход микросхемы таймера) при напряжении от 4.5 до 11 вольт. Напряжение питания схемы подберите в соответствии с параметрами реле — от 5 до 12 вольт. Вместо микросхемы таймера NE555 можно использовать любой микроконтроллер AVR, например ATmega32A или ATtiny85 [4]. Микроконтроллер точно так же, как и таймер 555, может переключать свой выход с 0 на 1. Однако имейте в виду, что выходной допустимый ток у микроконтроллера существенно меньше, а выходное напряжение может меняться только в пределах от 0 до 5V. Например, для ATmega32A выходной ток не может превышать 40mA на один порт. Поэтому в общем случае для усиления порта микроконтроллера используют транзисторные ключи [2]. Вход транзисторного ключа подключен к микроконтроллеру, а выход — к обмотке реле. [Что такое транзистор] В предыдущем разделе мы упомянули транзисторы в качестве усилителя / буфера сигналов от микроконтроллера. Но не успели разобраться, как транзисторы выглядят и по какому принципу работают. На фото показан внешний вид транзисторов различного назначения. Транзистор на сегодняшний день все еще часто используется в электронных схемах, и он является одним из элементарных компонентов радиоэлектроники (наряду с диодами, резисторами и конденсаторами). Несмотря на то, что принцип работы транзистора для новичка трудно понять с первого раза, транзистор по сути очень прост и очень хорошо работает вместе с реле. Как Вы уже наверное заметили, у транзистора 3 ножки, и простые биполярные транзисторы бывают двух типов: PNP и NPN. Самыми первыми появились транзисторы PNP, и они изготавливались на основе полупроводника германия. Потом освоили изготовление транзисторов из кремния, и более распространенными стали транзисторы структуры NPN. Транзисторы обеих структур (PNP и NPN) работают по одинаковому принципу, отличие только в полярности рабочего напряжения питания, и в некоторых параметрах. В настоящее время чаще используют транзисторы NPN. В ключевых схемах назначение транзистора то же самое, что и у реле. Когда слабый открывающий ток течет через эмиттерный переход (между базой Б и эмиттером Э), то канал между коллектором (К) и эмиттером (Э) открывается, и может пропускать ток больше базового в десятки и сотни раз. Эмиттер в этом случае играет роль общего электрода, и для транзисторов NPN в ключевом режиме эмиттер часто подключен к общему отрицательному проводу питания, к земле GND. Транзисторы иногда используют вместо реле, и они переключают большую мощность, как и реле, от слабого сигнала. Но в отличие от реле, скорость переключения транзисторов может быть очень высокой (время перехода из выключенного состояния во включенное и наоборот очень мало), поэтому их применяют для управления звуковыми динамиками и импульсными трансформаторами в ключевых источниках питания. Большинство самых обычных транзисторов могут переключаться со скоростью 1 миллион раз в секунду. Транзисторы также выгодно отличаются от реле малыми габаритами, поэтому они могут использоваться в тех местах, где реле использовать невозможно или непрактично. Однако транзисторы могут быть повреждены сильными электромагнитными полями, статическим электричеством и перегревом, что накладывает определенные ограничения на области применения транзисторов. [Как работает транзистор] Транзистор работает усилителем мощности. На вход прикладывается маленькая управляемая мощность, а на выходе снимается в десятки и даже сотни раз бОльшая мощность. Это происходит за счет изменения сопротивления между выводами коллектора и эмиттера в зависимости от тока, который протекает между базой и эмиттером. К сожалению, расположение выводов базы, эмиттера и коллектора (цоколевка) может меняться от одного типа транзистора к другому, так что для того, чтобы понять, где база, а где эмиттер и где коллектор, обращайтесь к документации на транзистор. Есть способы, позволяющие с помощью тестера определить цоколевку, но это существенно сложнее, чем просто заглянуть в даташит. Транзисторы, в отличие от реле, могут открываться не полностью (иметь некое сопротивления канала эмиттер — коллектор), что прямо пропорционально току, протекающему через базу. Эту пропорцию называют коэффициент усиления тока транзистора, h21Э. Например, если коэффициент усиления транзистора равен 100, то при токе 1mA, протекающем через базу, ток через канал коллектор — эмиттер может достигать 100mA, что на техническом языке называют усилением. Транзистор, также в отличие от реле, может сильно нагреваться при протекании через него тока. Обычно высокий нагрев получается при большой рассеиваемой мощности на сопротивлении канала коллектор — эмиттер, когда транзистор не полностью открыт. Поэтому нагрев и потери мощности минимальные тогда, когда транзистор либо полностью закрыт, либо полностью открыт. Все транзисторы имеют некий порог входного напряжения, по превышении которого транзистор начинает открываться. Для большинства обычных кремниевых биполярных транзисторов это напряжение составляет 0.5 .. 0.8V. Для германиевых транзисторов это напряжение меньше, и составляет около 0.2 .. 0.4V. Иногда этот порог называют напряжением отсечки. Если входное напряжение ниже напряжения отсечки, то ток через каналы база — эмиттер и коллектор — эмиттер не течет, транзистор полностью закрыт. Также все транзисторы имеют максимальный входной ток, после превышения которого эффект усиления перестает проявляться. Т. е. выше этого порога усиление перестает проявляться, выходной ток перестает расти. При этом напряжение между базой и эмиттером близко и даже выше напряжения между коллектором и эмиттером. Такое состояние транзистора называют насыщением, и при этом считается, что транзистор полностью открыт. В этой статье мы рассматриваем применение транзистора в качестве электронного ключа, поэтому будут использоваться только два состояния транзистора — либо он полностью закрыт (состояние отсечки тока), либо полностью открыт (состояние насыщения). Ниже приведена анимация, упрощенно показывающая общий принцип работы транзистора. Обратите внимание, что ток эмиттера равен сумме токов базы и коллектора, причем ток базы в 100 раз меньше тока коллектора (коэффициент усиления тока равен 100). По этой картинке можно проще понять, почему малого тока базы достаточно, чтобы открыть силовой канал проводимости коллектор — эмиттер (потому что маленький входной ток как бы открывает вентиль основного канала). Также можно условно понять состояние насыщения — поток воды переполняет трубу, и труба не может пропустить через себя воды больше, чем позволяет диаметр трубы. Конечно же, такое представление является упрощенным, очень приблизительно отражающим реальные процессы, которые происходят в транзисторе. [Как использовать транзистор] Очень часто транзистор используется как электронный ключ. Когда управляющий ток течет между базой и эмиттером, открывается силовой канал между эмиттером и коллектором, сопротивление между эмиттером и коллектором резко падает. К примеру, можно включать/выключать светодиоды в зависимости от сигнала тока, приходящего от таймера 555 (как на анимации ниже) или от микроконтроллера. Между управляющим выходом таймера 555 (или выходным портом микроконтроллера) и базой транзистора почти всегда ставят токоограничивающий защитный резистор (на этой анимации для упрощения резистор не показан). Для упрощения также не показаны токоограничительные резисторы, которые должны стоять последовательно с каждым светодиодом. Ранее уже упоминалась возможность управлять реле с помощью микроконтроллера. Для этого обычно также применяются транзисторы. Ниже приведена простая схема на транзисторе KT315 (его можно заменить аналогом на BC547), предназначенная для коммутации сетевой нагрузки 220V с помощью реле (это может быть лампа, или нагреватель, или асинхронный двигатель). Диод VD1 нужен для предотвращения повреждения транзистора высоковольтным импульсом ЭДС самоиндукции, который возникает при обесточивании обмотки реле. [Общие замечания по применению реле и транзисторов] Реле бывают с самыми разными параметрами, определяющими его назначение и область применения. Чем реле мощнее (то есть чем больше ток и напряжение, которое реле может коммутировать), тем больше размеры реле из-за увеличения размеров электромагнита и контактной группы. Чем реле больше по размеру, тем оно будет требовать бОльшей мощности для управления. Поэтому старайтесь подобрать реле, наиболее подходящее Вам по параметрам. Важно также подобрать нужное напряжение источника питания для реле. Если напряжение будет слишком низким, то реле не будет надежно срабатывать (или не будет срабатывать вовсе). Если напряжение будет слишком большим, то на обмотке реле будет рассеиваться слишком большая мощность, обмотка будет перегреваться и реле может выйти из строя. Чтобы правильно выбрать напряжение питания обмотки реле, см. параметры реле в его паспорте или даташите. Для управления реле с помощью микроконтроллера применяйте транзисторы в качестве буферных ключей. Вы могли бы задаться вопросом — в чем разница между мощными, обычными биполярными транзисторами и транзисторами MOSFET. Мощные транзисторы могут выдержать бОльшие токи и напряжения, и имеют специальные корпуса (обычно максимальные токи порядка 10 .. 20A, и напряжения до 600V и более). Корпус мощного транзистора рассчитан на крепление к теплоотводящей поверхности (например, радиатору). Обычные транзисторы имеют простые пластмассовые миниатюрные корпуса, и могут обычно выдерживать напряжения до 150V и токи до 2A. Транзистор MOSFET, несмотря на то, что принцип его работы и параметры абсолютно отличаются от традиционных биполярных транзисторов, применяются для тех же целей, что и биполярные транзисторы. Ниже приведен пример схемы для управления реле на транзисторе MOSFET. Под транзисторами MOSFET часто подразумевают мощные транзисторы. Действительно, параметры у MOSFET значительно превышают параметры биполярных транзисторов по току и напряжению. В закрытом состоянии сопротивление канала сток — исток транзисторов MOSFET близко к бесконечности, а в открытом состоянии падает практически до нуля. Поэтому транзисторы MOSFET могут безопасно работать при переключении очень больших мощностей, выделяя при этом малое количество тепла. Транзисторы MOSFET, как и биполярные, могут плавно изменять сопротивление силового канала, однако это сопротивление зависит от входного напряжения, а не от входного тока. Во многих случаях можно с небольшими модификациями схемы заменить биполярный транзистор на транзистор MOSFET. Обратная замена возможна далеко не всегда. Меня наверное можно назвать «радиоэлектронным старьевщиком». Не могу равнодушно мимо любой выброшенной радиоэлектронной железки — хочется забрать домой, починить или хотя бы разобрать на запчасти. В старой аппаратуре можно найти реле и транзисторы, вполне работоспособные и достойные лучшей участи, чем гниение на свалке. Реле могут стоять в микроволновых печах, кондиционерах, телевизорах, холодильниках, источниках бесперебойного электропитания, музыкальных центрах, радиоуправляемых игрушках. Транзисторы встречаются почти в любой электронной аппаратуре, и последнее время все больше встречаются транзисторы с планарным монтажом на плату (SMD), а транзисторы со штыревыми выводами встречаются реже. [Что обозначают аббревиатуры SPDT, SPST, DPST, DPDT]
[Ссылки] 1. How Electronic Switches Work For Noobs: Relays and Transistors site:instructables.com. |
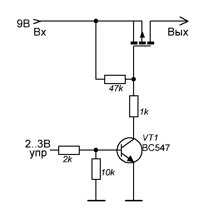
Ключ на полевом транзисторе заменяющий реле


Альтернатива электромеханическому реле — ключ на полевом транзисторе
Ключ на полевом транзисторе: именно о нем, как компоненте заменяющего электромеханическое реле пойдет речь в этой статье. В течение многих лет я пользовался электронным трансформатором подающим напряжение питания на самодельную паяльную станцию и датчик контроллера температуры. Модуль контроллера имеет в своем составе реле, которое ночью, когда уже готовишься ко сну, то ее постоянное щелканье конкретно действует на нервы.


Вот такая неординарная ситуация вынудила меня принимать необходимые меры, чтобы избавится от этих раздражающих щелчков. Собственно требовалось убрать из схемы это электромагнитное реле, а на ее место установить дискретный полупроводниковый прибор MOSFET IRF540N в паре с оптроном PC817, обеспечивающий управление транзистором. Однако можно задействовать только один полевик, без оптрона, да и то не во всех схемах это получится.


Представленная здесь схема электронного транзисторного реле, собственно это и есть ключ на полевом транзисторе, изготовленного на компактной печатной плате и соединенного проводами с платой контроллера.


Сейчас, после такой модернизации устройства в помещении стоит абсолютная тишина, малогабаритный теплоотвод, который виден на фотографии, оказался совсем не при делах, так как полевой транзистор вообще не греется, несмотря на многочасовую работу.


Электронные компоненты IRF540N и PC817 применялись исходя из их наличия, а не потому, что это обязательное условие. Поэтому их можно свободно заменить другими элементами с подходящими электрическими параметрами, таких как ток и напряжение.
В случае повторения схемы нужно взять во внимание несколько определенных советов: действующее напряжение на затворе транзистора составляет примерно 6 В, что явно маловато для полного и корректного открытия переходов транзистора. Желательно поменять постоянный резистор включенный между затвором и оптроном PC817 на сопротивление с номиналом в 1 кОм, а также лучше будет убрать резистор из цепи коллектора оптопары.
схема, принцип работы и особенности :: SYL.ru
Микроконтроллерами можно производить управление мощными устройствами – лампами накаливания, нагревательными ТЭНами, даже электроприводами. Для этого используются транзисторные ключи – устройства для коммутации цепи. Это универсальные приборы, которые можно применить буквально в любой сфере деятельности – как в быту, так и в автомобильной технике.
Что такое электронный ключ?

Ключ – это, если упростить, обыкновенный выключатель. С его помощью замыкается и размыкается электрическая цепь. У биполярного транзистора имеется три вывода:
- Коллектор.
- Эмиттер.
- База.
На биполярных полупроводниках строятся электронные ключи – конструкция простая, не требует наличия большого количества элементов. При помощи переключателя осуществляется замыкание и размыкание участка цепи. Происходит это с помощью сигнала управления (который вырабатывает микроконтроллер), подаваемого на базу транзистора.
Коммутация нагрузки
Простыми схемами на транзисторных ключах можно производить коммутацию токов в интервале 0,15… 14 А, напряжений 50… 500 В. Все зависит от конкретного типа транзистора. Ключ может производить коммутацию нагрузки 5-7 кВт при помощи управляющего сигнала, мощность которого не превышает сотни милливатт.

Можно применять вместо транзисторных ключей простые электромагнитные реле. У них имеется достоинство – при работе не происходит нагрев. Но вот частота циклов включения и отключения ограничена, поэтому использовать в инверторах или импульсных блоках питания для создания синусоиды их нельзя. Но в общем принцип действия ключа на полупроводниковом транзисторе и электромагнитного реле одинаков.
Электромагнитное реле
Реле – это электромагнит, которым производится управление группой контактов. Можно провести аналогию с обычным кнопочным выключателем. Только в случае с реле усилие берется не от руки, а от магнитного поля, которое находится вокруг катушки возбуждения. Контактами можно коммутировать очень большую нагрузку – все зависит от типа электромагнитного реле. Очень большое распространение эти устройства получили в автомобильной технике – с их помощью производится включение всех мощных потребителей электроэнергии.

Это позволяет разделить все электрооборудование автомобиля на силовую часть и управляющую. Ток потребления у обмотки возбуждения реле очень маленький. А силовые контакты имеют напыление из драгоценных или полудрагоценных металлов, что исключает вероятность появления дуги. Схемы транзисторных ключей на 12 вольт можно применять вместо реле. При этом улучшается функциональность устройства – включение бесшумное, контакты не щелкают.
Выводы электромагнитного реле
Обычно в электромагнитных реле имеется 5 выводов:
- Два контакта, предназначенных для управления. К ним подключается обмотка возбуждения.
- Три контакта, предназначенных для коммутации. Один общий контакт, который нормально замкнут и нормально разомкнут с остальными.
В зависимости от того, какая схема коммутации применяется, используются группы контактов. Полевой транзисторный ключ имеет 3-4 контакта, но функционирование происходит таким же примерно образом.
Как работает электромагнитное реле

Принцип работы электромагнитного реле довольно простой:
- Обмотка через кнопку соединяется с питанием.
- В разрыв цепи питания потребителя включаются силовые контакты реле.
- При нажатии на кнопку подается питание на обмотку, происходит притягивание пластины и замыкание группы контактов.
- Подается ток на потребителя.
Примерно по такой же схеме транзисторные ключи работают – нет только группы контактов. Их функции выполняет кристалл полупроводника.
Проводимость транзисторов
Один из режимов работы транзистора – ключевой. По сути, он выполняет функции выключателя. Затрагивать схемы усилительных каскадов нет смысла, они не относятся к этому режиму работы. Полупроводниковые триоды применяются во всех типах устройств – в автомобильной технике, в быту, в промышленности. Все биполярные транзисторы могут иметь такой тип проводимости:
- P-N-P.
- N-P-N.
К первому типу относятся полупроводники, изготовленные на основе германия. Эти элементы получили широкое распространение более полувека назад. Чуть позже в качестве активного элемента начали использовать кремний, у которого проводимость обратная – n-p-n.

Принцип работы у приборов одинаков, отличаются они только лишь полярностью питающего напряжения, а также отдельными параметрами. Популярность у кремниевых полупроводников на данный момент выше, они почти полностью вытеснили германиевые. И большая часть устройств, включая транзисторные ключи, изготавливаются на биполярных кремниевых элементах с проводимостью n-p-n.
Транзистор в режиме ключа
Транзистор в режиме ключа выполняет те же функции, что и электромагнитное реле или выключатель. Ток управления протекает следующим образом:
- От микроконтроллера через переход «база — эмиттер».
- При этом канал «коллектор — эмиттер» открывается.
- Через канал «коллектор — эмиттер» можно пропустить ток, величина которого в сотни раз больше, нежели базового.

Особенность транзисторных переключателей в том, что частота коммутации намного выше, нежели у реле. Кристалл полупроводника способен за одну секунду совершить тысячи переходов из открытого состояния в закрытое и обратно. Так, скорость переключения у самых простых биполярных транзисторов — около 1 млн раз в секунду. По этой причине транзисторы используют в инверторах для создания синусоиды.
Принцип работы транзистора
Элемент работает точно так же, как и в режиме усилителя мощности. По сути, к входу подается небольшой ток управления, который усиливается в несколько сотен раз за счет того, что изменяется сопротивление между эмиттером и коллектором. Причем это сопротивление зависит от величины тока, протекающего между эмиттером и базой.
В зависимости от типа транзистора меняется цоколевка. Поэтому, если вам нужно определить выводы элемента, нужно обратиться к справочнику или даташиту. Если нет возможности обратиться к литературе, можно воспользоваться справочниками для определения выводов. Еще есть особенность у транзисторов – они могут не полностью открываться. Реле, например, могут находиться в двух состояниях – замкнутом и разомкнутом. А вот у транзистора сопротивление канала «эмиттер — коллектор» может меняться в больших пределах.
Пример работы транзистора в режиме ключа
Коэффициент усиления – это одна из основных характеристик транзистора. Именно этот параметр показывает, во сколько раз ток, протекающий по каналу «эмиттер — коллектор», выше базового. Допустим, коэффициент равен 100 (обозначается этот параметр h21Э). Значит, если в цепь управления подается ток 1 мА (ток базы), то на переходе «коллектор — эмиттер» он будет 100 мА. Следовательно, произошло усиление входящего тока (сигнала).

При работе транзистор нагревается, поэтому он нуждается в пассивном или активном охлаждении – радиаторах и кулерах. Но нагрев происходит только в том случае, когда проход «коллектор — эмиттер» открывается не полностью. В этом случае большая мощность рассеивается – ее нужно куда-то девать, приходится «жертвовать» КПД и выпускать ее в виде тепла. Нагрев будет минимальным только в тех случаях, когда транзистор закрыт или открыт полностью.
Режим насыщения
У всех транзисторов имеется определенный порог входного значения тока. Как только произойдет достижение этого значения, коэффициент усиления перестает играть большую роль. При этом выходной ток не изменяется вообще. Напряжение на контактах «база — эмиттер» может быть выше, нежели между коллектором и эмиттером. Это состояние насыщения, транзистор открывается полностью. Режим ключа говорит о том, что транзистор работает в двух режимах – либо он полностью открыт, либо же закрыт. Когда полностью перекрывается подача тока управления, транзистор закрывается и перестает пропускать ток.
Практические конструкции

Практических схем использования транзисторов в режиме ключа очень много. Нередко их используют для включения и отключения светодиодов с целью создания спецэффектов. Принцип работы транзисторных ключей позволяет не только делать «игрушки», но и реализовывать сложные схемы управления. Но обязательно в конструкциях необходимо использовать резисторы для ограничения тока (они устанавливаются между источником управляющего сигнала и базой транзистора). А вот источником сигнала может быть что угодно – датчик, кнопочный выключатель, микроконтроллер и т. д.
Работа с микроконтроллерами
При расчете транзисторного ключа нужно учитывать все особенности работы элемента. Для того чтобы работала система управления на микроконтроллере, используются усилительные каскады на транзисторах. Проблема в том, что выходной сигнал у контроллера очень слабый, его не хватит для того, чтобы включить питание на обмотку электромагнитного реле (или же открыть переход очень мощного силового ключа). Лучше применить биполярный транзисторный ключ, которым произвести управление MOSFET-элементом.
Применяются несложные конструкции, состоящие из таких элементов:
- Биполярный транзистор.
- Резистор для ограничения входного тока.
- Полупроводниковый диод.
- Электромагнитное реле.
- Источник питания 12 вольт.
Диод устанавливается параллельно обмотке реле, он необходим для того, чтобы предотвратить пробой транзистора импульсом с высоким ЭДС, который появляется в момент отключения обмотки.
Сигнал управления вырабатывается микроконтроллером, поступает на базу транзистора и усиливается. При этом происходит подача питания на обмотку электромагнитного реле – канал «коллектор — эмиттер» открывается. При замыкании силовых контактов происходит включение нагрузки. Управление транзисторным ключом происходит в полностью автоматическом режиме – участие человека практически не требуется. Главное – правильно запрограммировать микроконтроллер и подключить к нему датчики, кнопки, исполнительные устройства.
Использование транзисторов в конструкциях
Нужно изучать все требования к полупроводникам, которые собираетесь использовать в конструкции. Если планируете проводить управление обмоткой электромагнитного реле, то нужно обращать внимание на его мощность. Если она высокая, то использовать миниатюрные транзисторы типа КТ315 вряд ли получится: они не смогут обеспечить ток, необходимый для питания обмотки. Поэтому рекомендуется в силовой технике применять мощные полевые транзисторы или сборки. Ток на входе у них очень маленький, зато коэффициент усиления большой.

Не стоит применять для коммутации слабых нагрузок мощные реле: это неразумно. Обязательно используйте качественные источники питания, старайтесь напряжение выбирать таким, чтобы реле работало в нормальном режиме. Если напряжение окажется слишком низким, то контакты не притянутся и не произойдет включение: величина магнитного поля окажется маленькой. Но если применить источник с большим напряжением, обмотка начнет греться, а может и вовсе выйти из строя.
Обязательно используйте в качестве буферов транзисторы малой и средней мощности при работе с микроконтроллерами, если необходимо включать мощные нагрузки. В качестве силовых устройств лучше применять MOSFET-элементы. Схема подключения к микроконтроллеру такая же, как и у биполярного элемента, но имеются небольшие отличия. Работа транзисторного ключа с использованием MOSFET-транзисторов происходит так же, как и на биполярных: сопротивление перехода может изменяться плавно, переводя элемент из открытого состояния в закрытое и обратно.
Схема простого реле времени на двух транзисторах КТ3102
Принципиальная схема очень простого самодельного реле времени (таймера) для коммутации различных нагрузок, очень простая конструкция из доступных деталей.
Принцип работы приведенного ниже реле времени основан на том, что время заряда полностью разряженного конденсатора определяется произведением емкости этого конденсатора на сопротивление цепи заряда. Задавая значение этого произведения путем выбора емкости и сопротивления, можно получить необходимое время заряда.
Принципиальная схема
Принципиальная схема реле времени приведена на рисунке 1. При подключении к схеме источника питания начинается заряд конденсатора С1 через резисторы R2 и R3 и эмиттерный переход транзистора VT1. Он открывается и на резисторе R3 образуется падение напряжения от протекания через него эмиттерного тока.

Рис. 1. Схема простого самодельного реле времени на двух транзисторах КТ3102.
Этим падением напряжения отпирается транзистор VT2, и срабатывает электромагнитное реле К1. которое своими контактами К1.1 подключает к шине питания светодиод HL1. Резистор R4 ограничивает ток светодиода.
По мере заряда напряжение на конденсаторе нарастает, а ток заряда уменьшается. Соответственно, уменьшается ток эмиттера и падение напряжения на резисторе R3. Наконец, при определенном напряжении на конденсаторе ток заряда становится настолько мал. что транзистор VT1 запирается, за ним запирается транзистор VT2.
В результате реле отпускает и светодиод гаснет. Для следующего запуска реле времени необходимо на короткое время нажать кнопку SB1, чтобы полностью разрядить конденсатор С1.
Необходимый промежуток времени, в течение которого реле К1 находится в сработавшем состоянии, устанавливается путем подбора емкости конденсатора и сопротивлений резисторов R2 и R3.
Если реле имеет еще одну пару контактов, их можно использовать для включения других потребителей или их выключения. Но тогда вторая пара контактов должна быть нормально замкнутой. Выбор типа реле производится по величине его рабочего напряжения, которое должно быть равно напряжению питания устройства.
Детали
Транзисторы можно применить и другие со структурой N-P-N, например КТ315 и подобные низкочастотные ключевые. Реле К1 расчитано на напряжение питания 12в, в случае питания схемы от источника с другим значением напряжения нужно подобрать реле которое будет уверенно срабатывать при откритом тарнзисторе VT2. Светодиод HL1 и резистор R4 можно не устанавливать если вам не нужна индикация состояния реле.
Транзисторный ключ ⋆ diodov.net

С развитием электронной импульсной техники транзисторный ключ в том или ином виде применяются практически в любом электронном устройстве. Более того, преимущественно количество микросхем состоят из десятков, сотен и миллионов транзисторных ключей. А в цифровой технике вообще не обходятся без них. В обще современный мир электроники не мыслим без рассмотренного в данной статье устройства.
Здесь мы научимся выполнять расчет транзисторного ключа на биполярном транзисторе (БТ). Одно из распространённых их применений – согласование микроконтроллера с относительно мощной нагрузкой: мощными светодиодами, семисегментными индикаторами, шаговыми двигателями и т.п.
Основная задача любого транзисторного ключа состоит в коммутации мощной нагрузки по команде маломощного сигнала.
Электронные ключи глубоко проникли и укоренились в области автоматики, вытеснив механические электромагнитные реле. В отличие от электромагнитного реле транзисторный ключ лишен подвижных механических элементов, что значительно увеличивает ресурс, быстродействие и надежность устройства. Скорость включения и отключения, то есть частота работы несравнимо выше с реле.
Однако и электромагнитные реле обладают полезными свойствами. Падение напряжения на замкнутых контактах реле значительно меньше, чем на полупроводниковых элементах, находящихся в открытом состоянии. Кроме того реле имеет гальваническую развязку высоковольтных цепей с низковольтными.
Как работает транзисторный ключ
В данной статье мы рассмотрим, как работает транзисторный ключ на биполярном транзисторе. Такие полупроводниковые элементы производятся двух типов – n-p-n и p-n-p структуры, которые различаются типом применяемого полупроводника (в p-полупроводнике преобладают положительные заряды – «дырки»; в n-полупроводнике – отрицательные заряды – электроны).

Выводы БТ называются база, коллектор и эмиттер, которые имеет графическое обозначение на чертежах электрических схем, как показано на рисунке.

С целью понимания принципа работы и отдельных процессов, протекающих в биполярных транзисторах, их изображают в виде двух последовательно и встречно соединенных диодов.

Наиболее распространенная схема БТ, работающего в ключевом режиме, приведена ниже.

Чтобы открыть транзисторный ключ нужно подвести потенциалы определенного знака к обеим pn-переходам. Переход коллектор-база должен быть смещен в обратном направлении, а переход база-эмиттер – в прямом. Для этого электроды источника питания UКЭ подсоединяют к выводам базы и коллектора через нагрузочный резистор RК. Обратите внимание, положительный потенциал UКЭ посредством RК подается на коллектор, а отрицательный потенциал – на эмиттер. Для полупроводника p-n-p структуры полярность подключения источника питания UКЭ изменяется на противоположную.
Резистор в цепи коллектора RК служит нагрузкой, которая одновременно защищает биполярный транзистор от короткого замыкания.
Команда на открытие БТ подается управляющим напряжением UБЭ, которое подается на выводы базы и эмиттера через токоограничивающий резистор RБ. Величина UБЭ должна быть не меньше 0,6 В, иначе эмиттерный переход полностью не откроется, что вызовет дополнительные потери энергии в полупроводниковом элементе.
Чтобы не спутать полярность подключения напряжения питания UКЭ и управляющего сигнала UБЭ БТ разной полупроводниковой структуры, обратите внимание на направление эмиттерной стрелки. Стрелка обращена в сторону протекания электрического тока. Ориентируясь на направление стрелки достаточно просто расположить правильным образом источники напряжения.

Входная статическая характеристика
Биполярный транзистор может работать в двух принципиально разных режимах – в режиме усилителя и в режиме ключа. Работа БТ в усилительном режиме уже подробно рассмотрена с примерами расчетов в нескольких статьях. Очень рекомендую ознакомиться с ними. Ключевой режим работы БТ рассматривается в данной статье.
Как и электрический ключ, транзисторный ключ может (и должен) находится только в одном из двух состояний – включенном (открытом) и выключенном (закрытом), что отображено на участках нагрузочной прямой, расположенной на входной статической характеристике биполярного транзистора. На участке 3-4 БТ закрыт, а на его выводах потенциалы UКЭ. Коллекторный ток IК близок к нулю. При этом ток в цепи базы IК также отсутствует, собственно по этой причине БТ и закрыт. Область на входной статической характеристике, отвечающая закрытому состоянию называется областью отсечки.

Второе состояние – БТ полностью открыт, что показано на участке 1-2. Как видно из характеристики, ток IКимеет некое значение, которое зависит от величин UКЭ и RК. В цепи база-эмиттер также протекает ток IБ, величина которого достаточна для полного открытия биполярного транзистора.
Падение напряжения на pn-переходе коллектор-эмиттер в зависимости от серии транзистора и его мощности находится в пределах от сотых до десятых вольта. Такая рабочая область БТ, в которой он полностью открыт, называется областью насыщения.
В третьей области полупроводниковый ключ занимает среднее положение между открыто-закрыто, то есть он приоткрыт или призакрыт. Такая область, используется для транзистора, работающего усилителем, называется активной областью.
Расчет транзисторного ключа
Расчет транзисторного ключа на биполярном транзисторе выполним на примере подключения светодиода к источнику питания 9 В, то есть к кроне. В качестве управляющего сигнала подойдет обычная батарейка 1,5 В. Для примера, возьмем БТ n-p-n структуры серии 2222A. Хотя подойдет любой другой, например 2N2222, PN2222, BC547 или советский МП111Б и т.п.

Рассматриваемую схему транзисторного ключа довольно просто собрать на макетной плате и произвести соответствующие измерения с помощью мультиметра, тем самым оценить точность наших расчетов.
Далее все расчеты сводятся к определению сопротивлений резистора коллектора RК и базы RБ. Хотя более логично, особенно при подключении мощной нагрузки, сначала подобрать транзистор по току и напряжению, а затем рассчитывать параметры резисторов. Однако в нашем и большинстве других случаев ток нагрузки относительно не большей и U источника питания невысокое, поэтому подходит практически любой маломощный БТ.
Все исходные данные сведены в таблицу.

Порядок расчета
Расчет начнем с определения сопротивления резистора RК, который предназначен для ограничения величины тока IК, протекающего через светодиод VD. RК находится по закону Ома:

Величина IК равна IVD = 0,01 А. Найдем падение напряжения на резисторе:

Значение UКЭ нам известно, оно равно 9 В, ΔUVD также известно и равно 2 В. А падение напряжения на переходе коллектор-эмиттер для большинства современных маломощных БТ составляет до 0,1 В. Поэтому примем с запасом ΔUКЭ = 0,1 В. Теперь подставим все значения в выше представленную формулу:

Находим сопротивление RК:

Ближайший стандартный номинал резистора 680 Ом и 750 Ом. Выбираем резистор большего номинала RК = 750 Ом. При этом ток, протекающий через светодиод IVD в цепи коллектора, несколько снизится. Пересчитаем его величину:

Теперь осталось определить сопротивление резистора в цепи базы RБ:

Формула содержит сразу две неизвестны – ΔURб и IБ. Найдем сначала падение напряжения на резисторе ΔURб:

UБЭ нам известно – 1,5 В. А падение напряжения на переходе база-эмиттер в среднем принимают 0,6 В, отсюда:

Для определения тока базы IБ необходимо знать IК, который мы ранее пересчитали (IК = 0,0092 А), и коэффициент усиления биполярного транзистора по току, обозначаемы буквой β (бэта). Коэффициент β всегда приводится в справочниках или даташитах, но гораздо удобнее и точнее определить его с помощью мультиметра. Используемый нами 2222A имеет β = 231 единицу.


Из таблицы стандартных номиналов резисторов выбираем ближайший меньший номинал (для гарантированного открытия БТ) 22 кОм.
Для более точного выбора параметров вместо постоянных резисторов в цепи включают переменные резисторы, включенные по схеме, приведенной ниже.

Таким образом, мы выполнили расчет транзисторного ключа, то есть определили RК и RБ по заданным исходным данным. Более полный расчет включает определение мощности рассеивания указанных резисторов, но ввиду незначительной нагрузки в нашем примере, подойдут резисторы с минимальной мощность рассеивания.

Еще статьи по данной теме
| |
| |
с формулой и вычислениями
В этой статье мы подробно изучим схему драйвера транзисторного реле и узнаем, как спроектировать ее конфигурацию, вычисляя параметры по формулам.
Важность реле
Реле — один из наиболее важных компонентов в электронных схемах. Реле играют основную роль в выполнении операций, особенно в цепях, где задействована передача большой мощности или переключение сетевой нагрузки переменного тока.
Здесь мы узнаем, как правильно управлять реле с использованием транзистора, и применить конструкцию в электронной системе для переключения подключенной нагрузки без проблем.
Для более глубокого изучения того, как работает реле , прочтите эту статью
Реле, как мы все знаем, представляет собой электромеханическое устройство, которое используется в виде переключателя.
Он отвечает за переключение внешней нагрузки, подключенной к его контактам, в ответ на относительно меньшую электрическую мощность, подаваемую на соответствующую катушку.
Обычно катушка наматывается на железный сердечник, когда на катушку подается небольшой постоянный ток, она возбуждает и ведет себя как электромагнит.
Подпружиненный контактный механизм, расположенный в непосредственной близости от катушки, немедленно реагирует и притягивается к силе электромагнита катушки, находящейся под напряжением. В ходе этого контакт соединяет одну из своих пар вместе и разъединяет связанную с ним дополнительную пару.
Обратное происходит, когда на катушку отключается постоянный ток, и контакты возвращаются в исходное положение, соединяя предыдущий набор дополнительных контактов, и цикл может повторяться столько раз, сколько возможно.
Электронной схеме обычно требуется драйвер реле, использующий каскад транзисторной схемы, чтобы преобразовать ее коммутационный выход постоянного тока малой мощности в коммутационный выход переменного тока большой мощности.
Однако сигналы низкого уровня от электроники, которые могут быть получены из каскада IC или каскада слаботочного транзистора, могут быть неспособны напрямую управлять реле. Поскольку для реле требуются относительно более высокие токи, которые обычно могут быть недоступны от источника IC или низкотокового транзисторного каскада.
Чтобы преодолеть вышеуказанную проблему, ступень управления реле становится обязательной для всех электронных схем, которые нуждаются в этой услуге.
Драйвер реле — это не что иное, как дополнительный транзисторный каскад, прикрепленный к реле, которое необходимо задействовать. Транзистор обычно и исключительно используется для управления реле в ответ на команды, полученные от предыдущего каскада управления.
Принципиальная схема
Ссылаясь на приведенную выше принципиальную схему, мы видим, что конфигурация включает только транзистор, базовый резистор и реле с обратным диодом.
Однако есть несколько сложностей, которые необходимо решить, прежде чем можно будет использовать конструкцию для требуемых функций:
Поскольку базовое напряжение возбуждения на транзисторе является основным источником для управления работой реле, его необходимо точно рассчитать для оптимальные результаты.
Значение базового резистора id прямо пропорционально току на выводах коллектор / эмиттер транзистора, или, другими словами, ток катушки реле, который является нагрузкой коллектора транзистора, становится одним из основных факторов и напрямую влияет на него. номинал базового резистора транзистора.
Формула расчета
Базовая формула для расчета базового резистора транзистора определяется выражением:
R = (Us — 0,6) hFE / ток катушки реле,
- Где R = базовый резистор транзистор,
- Us = Источник или триггерное напряжение на базовом резисторе,
- hFE = Прямой ток транзистора,
Последнее выражение, которое является «током реле», можно найти, решив следующий закон Ома. :
I = Us / R, где I — требуемый ток реле, Us — напряжение питания реле.
Практическое применение
Сопротивление катушки реле можно легко определить с помощью мультиметра.
Us также будет известным параметром.
Допустим, напряжение питания Us = 12 В, сопротивление катушки 400 Ом, тогда
Ток реле I = 12/400 = 0,03 или 30 мА.
Также можно предположить, что Hfe любого стандартного низкосигнального транзистора составляет около 150.
Применяя вышеуказанные значения в фактическом уравнении, мы получаем
R = (Ub — 0.6) × Hfe ÷ Ток реле
R = (12 — 0,6) 150 / 0,03
= 57000 Ом или 57 К, ближайшее значение составляет 56 К.
Диод, подключенный к катушке реле, никак не связан с приведенный выше расчет, его все равно нельзя игнорировать.
Диод следит за тем, чтобы обратная ЭДС, генерируемая обмоткой реле, была закорочена через него, а не попала в транзистор. Без этого диода обратная ЭДС попыталась бы найти путь через коллектор-эмиттер транзистора и в течение нескольких секунд навсегда повредила бы транзистор.
Схема драйвера реле с использованием PNP BJT
Транзистор лучше всего работает в качестве переключателя, когда он подключен к общей конфигурации эмиттера, что означает, что эмиттер BJT всегда должен быть подключен напрямую к линии «земли». Здесь «земля» относится к отрицательной линии для NPN и положительной линии для PNP BJT.
Если в цепи используется NPN, нагрузка должна быть соединена с коллектором, что позволит включать / выключать ее путем включения / выключения отрицательной линии.Это уже объяснялось в приведенных выше обсуждениях.
Если вы хотите включить / выключить положительную линию, в этом случае вам придется использовать PNP BJT для управления реле. Здесь реле может быть подключено через отрицательную линию питания и коллектор PNP. Точную конфигурацию см. На рисунке ниже.
Однако для запуска PNP потребуется отрицательный триггер в его основе, поэтому, если вы хотите реализовать систему с положительным триггером, вам, возможно, придется использовать комбинацию как NPN, так и PNP BJT, как показано на следующем рисунке. :
Если у вас есть какие-либо конкретные вопросы относительно вышеупомянутой концепции, пожалуйста, не стесняйтесь выражать их в комментариях для получения быстрых ответов.
Драйвер реле энергосбережения
Обычно напряжение питания для рабочего реле
.Транзисторы, реле и управление сильноточными нагрузками — ITP Physical Computing
Введение
Видео по теме: Сильноточные нагрузки
Когда вы используете микроконтроллеры, вам часто необходимо управлять устройствами, которым требуется больше электрического тока, чем может обеспечить микроконтроллер. Для этого понадобятся электрические реле или транзисторы. Эти примечания объясняют, как реле и транзисторы используются для этой цели. Чтобы извлечь максимальную пользу из этих заметок, вы должны кое-что знать о том, как работает электричество, а также должны знать основы работы микроконтроллера.
Реле
Видео по теме: Реле
Цифровой выход микроконтроллера обычно представляет собой сигнал низкой силы тока. Например, когда вы устанавливаете контакт HIGH, напряжение, поступающее на этот контакт, обычно составляет +3,3 В или + 5 В, а сила тока, которую он может выдавать, составляет около 10 миллиампер. Это нормально, если вы управляете светодиодом, для которого требуется небольшая сила тока. Однако большинству устройств, которыми вы хотите управлять, для работы требуется больше тока. Вам нужен компонент между вашим микроконтроллером и устройством, которым можно управлять с помощью этого небольшого напряжения и силы тока.Реле Реле и транзисторы чаще всего используются для этой цели. Реле — это переключатель, который управляется небольшим электрическим током. Реле используют тот факт, что когда вы пропускаете электрический ток через провод, вокруг него также создается магнитное поле. Это называется индукцией . Когда вы помещаете два куска черного металла рядом с катушкой с проводом и пропускаете ток через провод, магнитное поле может перемещать эти два куска металла по направлению друг к другу.Эти куски металла могут образовывать переключатель, который можно включать и выключать, пропуская ток через катушку, как показано на Рисунках 1, 2 и 3.
Рис. 1. Два реле, одно целое, а другое со снятым переключателем. Сине-белая трубка — это катушка, а в стеклянной пробирке находится переключатель.
Рисунок 2. Деталь переключателя внутри реле, увеличенное в 20 раз.
Рисунок 3. Соединительные штыри реле
Рисунок 4. Схема реле, подключенного к микроконтроллеру и лампа с аккумулятором +9 ВНа рисунке 4 вы можете видеть, что нет электрического соединения между схемой микроконтроллера, управляющей катушкой реле, и схемой лампы.Это еще одно преимущество реле. На рисунке 5 схема релейной цепи похожа на рисунок 4:
Рис. 5. Схема реле, подключенного к ардуино, и лампы с аккумулятором + 9 В.Ток, необходимый для перемещения вала в катушке, очень низкий (менее 10 мА), поэтому катушка может получать питание от выхода. контакт вашего микроконтроллера. Однако ток, который может протекать через переключатель, намного выше. Схема лампы отделена от микроконтроллера.В нем используется отдельный источник питания с силой тока и напряжением, необходимыми для включения лампы. Источник питания, лампа и сторона переключателя реле расположены последовательно. Когда катушка находится под напряжением, лепестки переключателя физически перемещаются созданной магнитной силой, цепь лампы замыкается, и лампа включается. Реле также полезны, когда вы хотите заменить переключатель в существующем электронном устройстве. Если вы замените переключатель на катушку реле, микроконтроллер сможет управлять устройством, как если бы была нажата кнопка.
Транзисторы
Видео по теме: Схема транзисторов, транзисторы NPN, транзисторы PNP, транзисторы Дарлингтона и полевые МОП-транзисторы
Поскольку реле представляет собой механический переключатель, он может работать несколько медленнее. Реле замыкаются за несколько миллисекунд, поэтому они не очень эффективны, когда вы хотите их быстро включать и выключать. Иногда вам нужно быстро переключить сильноточную цепь. В этом случае вы должны использовать переключающий транзистор. Транзистор представляет собой электронное устройство, которое может работать как переключатель.Он позволяет управлять большим током меньшим током, как и реле. Однако, в отличие от реле, транзистор не является механическим и может работать намного быстрее, чем реле. Существует несколько типов транзисторов, и они делятся на два основных класса: биполярные транзисторы и полевые транзисторы, или полевые транзисторы. Однако все транзисторы имеют схожие свойства. Все они имеют три соединения: основание , коллектор и эмиттер (на полевых транзисторах три соединения — это затвор , сток и исток ).Когда вы прикладываете небольшое напряжение и ток между базой транзистора и эмиттером (или затвором и стоком на полевом транзисторе), вы позволяете большему току течь от коллектора к эмиттеру (или стоку и истоку). . Одно из основных различий между полевыми МОП-транзисторами и биполярными транзисторами состоит в том, что полевым МОП-транзисторам для активации требуется незначительный ток на базе. Среди биполярных транзисторов есть два типа: транзисторы NPN и транзисторы PNP. Когда вы прикладываете положительное напряжение к базе NPN-транзистора, он включает соединение коллектор-эмиттер и позволяет току течь от коллектора к эмиттеру (рисунок 6).Эквивалентный MOSFET называется N-канальным MOSFET. Напротив, когда вы подаете напряжение на базу PNP-транзистора, соединение коллектор-эмиттер отключается, и ток не может течь от коллектора к эмиттеру. Эквивалент MOSFET — это P-канальный MOSFET.
Рисунок 6. Диаграмма сравнения биполярных транзисторов и полевых МОП-транзисторов. NPN-транзисторы ведут себя аналогично N-канальным МОП-транзисторам. PNP-транзисторы сравнимы с P-канальными MOSFETS. В приведенных здесь примерах мы будем использовать NPN-транзисторы, в частности, очень надежный транзистор, называемый транзистором Дарлингтона .Этот тип транзистора предназначен для коммутации сильноточных нагрузок. Конкретной моделью, использованной в этих примерах, является транзистор Дарлингтона TIP120. Вы можете использовать N-канальный MOSFET с защитным диодом (подробнее об этом ниже) вместо транзистора Дарлингтона. МОП-транзистор IRF520 был бы подходящим эквивалентом (рисунок 7). Базовая схема использования транзистора для управления сильноточной нагрузкой проста. Вы подключаете источник питания постоянного тока к одному выводу нагрузки, а затем подключаете второй вывод нагрузки к коллектору (или стоку для полевого МОП-транзистора) транзистора.Затем эмиттер (или источник) подключается к земле, а база (или затвор) подключается к выходу вашего микроконтроллера. Когда вы поднимаете выходной контакт микроконтроллера на высокий уровень, разница напряжений между базой (или затвором) и эмиттером (или истоком) позволяет току течь через нагрузку, через коллектор (или сток) к эмиттеру (или истоку). и на землю.
Рисунок 7. Схема двух одинаковых микроконтроллеров и двигателя. В первой схеме используется транзистор Дарлингтона.Второй использует N-канальный MOSFET.Обратите внимание, насколько эта схема похожа на схему реле. Транзистор здесь выполняет ту же функцию, что и реле. Однако он может переключаться намного быстрее, чем реле. Кроме того, поскольку в нем нет механических частей, он будет надежно работать при большем числе переключений, чем реле. Однако ток может течь через транзистор только в одном направлении. Если напряжение на коллекторе (или стоке) ниже, чем на эмиттере (или истоке), вы можете повредить транзистор.То же самое с реле. Между этой транзисторной схемой и схемой реле, описанной выше, есть три отличия. Во-первых, вы используете в качестве нагрузки двигатель, а не лампочку накаливания. Поскольку двигатели являются индуктивными нагрузками (они работают из-за индукции; подробнее см. Примечания к двигателям постоянного тока), они могут создавать обратное напряжение при замедлении вращения после их выключения. Из-за этого вторым отличием является защитный диод , подключенный параллельно транзистору.Защитный диод направляет любое обратное напряжение вокруг транзистора, тем самым защищая его. Третье отличие состоит в том, что микроконтроллер, подключенный к базе (или затвору), и эмиттер (или исток) транзистора должны иметь общую землю. Если нет, то схема работать не будет. Диод не нужен, если вы управляете резистивной нагрузкой, например, лампой накаливания, но, как правило, его не помешает включить. Как правило, если вы переключаете двигатели постоянного тока, соленоиды или другие сильноточные устройства постоянного тока, которые создают движение, лучше использовать переключающий транзистор, чем реле.Идеальный способ управления двигателем — это Н-мост, представляющий собой массив транзисторов, который позволяет вам контролировать не только скорость, но и направление. Подробнее об этом в примечаниях к контролю мотора.
.



