Что такое реле времени. Какие бывают типы реле времени. Для чего используются реле времени в автоматизации. Как выбрать подходящее реле времени для решения различных задач.
Что такое реле времени и принцип его работы
Реле времени — это электронное устройство, предназначенное для коммутации электрических цепей с задержкой по времени. Принцип работы реле времени заключается в том, что оно включает или выключает подключенную нагрузку через заданный промежуток времени после подачи управляющего сигнала.
Основные компоненты реле времени:
- Таймер — отсчитывает заданный интервал времени
- Исполнительное реле — коммутирует нагрузку
- Устройство управления — задает режим работы и временные интервалы
- Источник питания
При подаче управляющего сигнала таймер начинает отсчет времени. По истечении заданной задержки срабатывает исполнительное реле, включая или выключая нагрузку.
Основные виды реле времени
По типу управления реле времени подразделяются на несколько видов:

Электромеханические реле времени
Работают на основе часового механизма. Отличаются простотой конструкции и надежностью. Недостаток — низкая точность выдержки времени.
Электронные реле времени
Используют электронные компоненты для отсчета времени. Обеспечивают высокую точность. Бывают аналоговые и цифровые.
Пневматические реле времени
Принцип работы основан на протекании воздуха через калиброванное отверстие. Применяются во взрывоопасных средах.
Программируемые реле времени
Позволяют задавать сложные алгоритмы работы с помощью встроенного программатора. Обладают широкими функциональными возможностями.
Функции и режимы работы реле времени
Современные реле времени могут работать в различных режимах:
- Задержка включения
- Задержка выключения
- Циклическая работа
- Формирование импульса заданной длительности
- Интервальный режим
Многофункциональные реле позволяют выбирать режим работы с помощью переключателя. Это обеспечивает гибкость применения одного устройства для разных задач.
Сферы применения реле времени
Реле времени широко используются в различных областях автоматизации:

Промышленная автоматика
Управление технологическими процессами, конвейерными линиями, системами вентиляции и кондиционирования.
Бытовая техника
Таймеры в стиральных и посудомоечных машинах, микроволновых печах, кофеварках.
Системы безопасности
Управление освещением, имитация присутствия, включение сигнализации с задержкой.
Умный дом
Автоматизация освещения, полива растений, кормления домашних животных по расписанию.
Как выбрать реле времени
При выборе реле времени следует учитывать следующие параметры:
- Требуемые функции и режимы работы
- Диапазон настройки выдержки времени
- Точность отсчета временных интервалов
- Напряжение питания и коммутируемой нагрузки
- Максимальный коммутируемый ток
- Способ монтажа (на DIN-рейку, в розетку и т.д.)
- Наличие дополнительных функций (счетчик циклов, внешний запуск и др.)
Правильно подобранное реле времени позволит эффективно решить поставленную задачу автоматизации.
Преимущества использования реле времени
Применение реле времени в системах автоматизации дает ряд преимуществ:

- Повышение энергоэффективности за счет работы оборудования по заданному графику
- Увеличение ресурса оборудования благодаря оптимальным режимам включения/выключения
- Снижение влияния человеческого фактора на технологические процессы
- Возможность создания сложных алгоритмов управления
- Повышение безопасности за счет автоматического отключения устройств
Все это делает реле времени незаменимым элементом современных систем автоматизации.
Монтаж и подключение реле времени
Правильный монтаж реле времени обеспечивает его надежную и безопасную работу. Основные этапы установки:
- Выбор места установки с учетом условий эксплуатации
- Крепление реле на DIN-рейку или монтажную панель
- Подключение питания согласно схеме
- Подсоединение управляющих и исполнительных цепей
- Настройка временных параметров и режима работы
- Проверка правильности подключения и функционирования
При монтаже важно соблюдать правила электробезопасности и рекомендации производителя устройства.
Настройка и программирование реле времени
Современные реле времени предлагают широкие возможности настройки под конкретную задачу. Основные параметры, доступные для программирования:

- Выбор режима работы (задержка включения/выключения, циклический режим и др.)
- Установка временных интервалов
- Настройка количества циклов срабатывания
- Программирование недельного расписания (для программируемых реле)
- Калибровка точности хода часов
Программирование может осуществляться с помощью кнопок на корпусе устройства, DIP-переключателей или через специальное программное обеспечение для ПК.
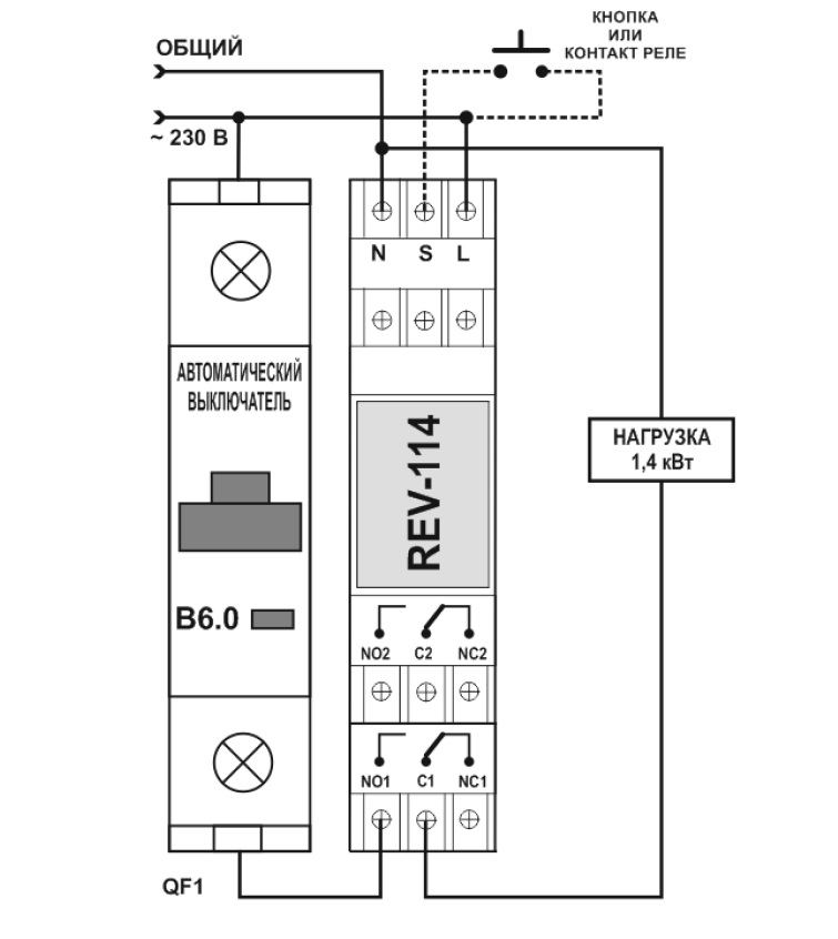
Реле времени (таймер) 12 в 0-60 сек №3
Описание Реле времени (таймер) 12 в 0-60 сек №3
Реле времени РЕГТАЙМ 3 применяются для коммутации электрических цепей постоянного тока в автомобилях и оборудовании с номинальным напряжением 12 вольт и регулируемым временем срабатывания.
Мы поставляем реле времени 24 в (таймеры).
логика работы реле времени 12 в регтайм 3:
после подачи напряжения питания на таймер отсчет времени не идет, но включается сразу силовое исполнительное реле о чем свидетельствует яркий светодиод в корпусе реле таймера, после отключения напряжения питания +12 вольт на контакте №15 начинается отсчет времени и через установленный промежуток времени отключается исполнительное силовое реле таймера,
которое возвращает контакты силового реле в первоначальное положение.
Силовое реле состоит из одной перекидной группы на замыкание и размыкание с
коммутируемым током цепи 20 А для напряжения 12 в.
| Технические характеристики: | |
| Номинальное напряжение, В | 12 |
| Ток коммутации, А | 20 |
| Ток потребления, мА | 65 |
| Время работы, с | 0-60 |
| Подстроечный резистор, об | 11 |
| Масса, г | 27 |
| Габаритные размеры, мм | 40х28х25 |
Видео обзор таймера:
Оставить отзыв о «Реле времени (таймер) 12 в 0-60 сек №3»
Ваши знания будут оценены пользователями сайта, если Вы авторизуетесь перед написанием отзыва.
| Ваше имя:* | |
| Заголовок:* | |
| Оценка товара: | |
| Достоинства: | |
| Недостатки: | |
| Комментарий:* | |
| В целом Ваш отзыв: | Положительный Отрицательный |
Каталог сайта
- Магнитные изделия
- КАК СДЕЛАТЬ ЗАКАЗ
- Запчасти на бытовую технику
- Коммутация
- Мотор-редукторы
- Освещение, индикация
- Охладители/радиаторы
- Вентиляторы
- Влажность
Регулятор уровня жидкости- Граверы, бормашины
- Дистанционное управление
- Датчики
- Пневмооборудование
- Пускатели
- Пломбы
- Регуляторы мощности
- Резисторы переменные
- Радиоконструкторы
- Реле
- Реле времени
- Расходные электротехнические материалы
- Терморегуляторы
- Тиристоры
- Трансформаторы
- Измерительные приборы
- Источники питания
- Инструмент
- Электроклапан
- Корпуса
- Электротехническая химия
- Средства оповещения
- Счетчики и тахометры
- Сварочное оборудование
- Разное
- Устройства защиты сети
Электроника для авто- Реле времени 12 в, 24 в
- Регуляторы напряжения
- Индикатор параметров АВТО
- Терморегуляторы 12V, 24V
- Электроника для авто ВСЁ
- Термометры 12-24 в
- Счетчик наработки 12-24 в
- Реле 12, 24 в
- Моторчики
- Тумблеры, переключатели
- Нагреватели 12-24в
- Элемент (модуль) Пельтье
- Видео обзор товаров
Реле времени — таймеры включения
Показ 1 — 3 из 3 товаров
Сортировать по —Цена, по возрастаниюЦена, по убываниюПо названию товара, от А до ЯПо наличиюАртикул, по возрастанию
Розетка с механическим таймером TMS01
513рубНет в наличии
Нет в наличии
Напряжение: АС 220V Выходной ток: 16AМощность: 3500 ваттГабариты: L100ΧW60ΧH 45mm 200г
Розетка с электронным таймером TMS02
1 023рубНет в наличии
Нет в наличии
Напряжение: АС 220V Выходной ток: 16AМощность: 3500 ваттГабариты: L100ΧW60ΧH 45mm 200г
Показ 1 — 3 из 3 товаров
- Список товаров
- Список товаровВсе товары
- DMX / SPI — Светодиодные трубки
- Аварийное освещение
- Автомобильный свет
- Белт-лайт
- Выключатели и розетки
- Гирлянды и украшения
- Дюралайт светодиодный
- Инструмент и расходники для монтажа
- Источники питания
- Коннекторы, провода, крепеж
- Лампочки
- Лента светодиодная (LED)
- Линейки светодиодные
- Модули светодиодные
- Наборы светодиодные
- Неон гибкий светодиодный (led)
- Новогодний декор
- Оптоволоконный световой кабель
- Прожекторы светодиодные (LED)
- Профиль для светодиодной ленты
- Светильники и люстры
- Светодиодное архитектурное освещение
- Удлинители электрические
- Управление светом
- Управляемые гибкие панели
- Фито освещение для растений
- Фонари светодиодные
- Bluetooth колонка
- Монетницы — кошельки
- Замки биометрические
- Набор подсветки Аmbilight для ТВ и монитора
- Подводное освещение
- Освещение на солнечной батарее
- Список товаровВсе товары
- Лента светодиодная
- Светодиодная лента RGB многоцветная
- IP20-IP33 открытая RGB лента
- IP65
- RGB — IP67
- IP68
- RGB Лента — 5 В
- RGB Лента — 12 В
- RGB Лента — 24 В
- RGB Лента — 220 В
- RGB Лента — на батарейках
- Светодиодная лента 220 вольт
- Комплектующие для ленты 220 вольт
- Светодиодная лента 220 вольт
- SMD3528-220В
- SMD5050-220В
- SMD5730-220В
- SMD2835-220В
- SMD3014-220В
- Mix white (3-цветная лента)
- SMD 3038-220
- Светодиодная лента 24 вольта
- Одноцветная 2-PIN — Лента 24 В
- RGB 4-PIN — Лента 24 В
- Термолента — 2835 24 В
- Светодиодная лента 12 вольт
- 3528,2835 — 12 вольт (одноцветная)
- 5050, 5630 — 12 вольт (одноцветная)
- 3014 — 12 вольт (одноцветная)
- Светодиодная лента 5 Вольт
- Одноцветная — Лента 5 В
- RGB — Лента 5 В
- Сверхяркая светодиодная лента «ЛЮКС»
- RGBW — Светодиодная лента MIX
- MIX White
- SMD 2835
- IP20-33
- IP65
- IP67
- IP68
- SMD 3014
- IP20-33
- IP67
- SMD 3528
- IP20-33
- IP65
- IP67
- SMD 5050
- IP20-IP33
- IP65
- IP68
- IP67
- SMD 5054 (ПОВЫШЕННОЙ ЯРКОСТИ)
- IP33
- SMD 5630-5730
- IP20-33
- IP65
- IP67
- Термостойкая светодиодная лента
- Акция! — Отрезки светодиодной Термо ленты
- Термолента 120 диодов
- Термолента 180 диодов
- Термостойкая лента RGB ,RGBW, RGBWW
- Термостойская лента с диодами COB
- Узкая светодиодная лента 5mm
- Фито лента (светодиодная фитолента для растений)
- (ZIGZAG 3D) светодиодная лента
- Программируемая SPI — DMX (RGB)
- WS 2811, 2812, 2815 IC
- 6803 (DMX)
- 9 каналов
- Бегущие огни
- Комплекты светодиодной ленты
- Наборы LED подсветки от USB порта
- Наборы интеллектуальной LED подстветки с датчиком движения
- Наборы для освещения растений (фито)
- Светодиодные ленты «Дизайн ЛЮКС»
- Остатки и отрезки ленты
- Отрезки термостойкой ленты
- Светодиодная лента на батарейках
- Неоновая лента
- Широкая сверхмощная светодиодная лента
- RGB+CCT
- Светодиодная лента COB
- Светодиодная лента RGB многоцветная
- Прожекторы
- Прожекторы 12-24 Вольт
- Прожекторы повышенной яркости — 12 вольт
- Люкс серия
- Стандарт серия
- Про серия
- Прожекторы 220 вольт
- Прожекторы COB
- Прожекторы многодиодные — SMD
- Прожекторы сверхяркие
- SMD — «Лайт»
- SMD — «Премиум»
- COB — «Премиум»
- Миниатюрные — «Премиум»
- Прожекторы с датчиком движения
- Прожекторы с солнечной панелью
- Прожекторы переносные с аккумулятором
- Прожекторы с линзой
- Прожекторы с креплением на столб
- Лайт серия
- Люкс серия
- Про серия
- Модульные прожекторы
- Прожекторы RGB (мультиколор)
- Стандарт серия
- Слимм серия
- Линейный прожектор
- Миниатюрные — прожекторы
- Модульные — Прожекторы сборные
- Кронштейн для крепления модульного прожектора
- Многодиодные SMD серия light solution (лайт солюшн)
- Облегченные Универсальные — прожекторы
- Тонкие прожекторы (SLIM)
- SMD серия «Компакт»
- Прожекторы 12-24 Вольт
- Наши покупатели
- Светильники
- Встраиваемые и врезные светильники
- Встраимовые светильники гипсовые GU5.
3 - Врезные светильники в алюминиевом корпусе.
- C контурной подсветкой (SOL)
- Врезные светильники в пластиковом корпусе
- Встраимовые светильники гипсовые GU5.
- Декоративные настенные светильники
- Линейные светодиодные светильники
- Линейные светильники серии Люкс-Лайт D
- Линейные светильники серии Люкс-Лайт S
- Фасадные линейные светильники
- Фито линейные светильники для растений
- Линейные светильники T8 (стыкуются между собой)
- Линейные светильники «Стандарт»
- Узкие линейные светильники
- Линейные светильники T5 (стыкуются между собой)
- Линейные светильники серии Люкс-Лайт W
- Влагозащищенные линейные светильники IP65
- С выключателем на взмах руки
- Консольные светильники для установки на столб
- «Кобра» серия
- «Streetlight» серия
- Модульные консольные светильники
- Накладные светодиодные светильники
- Светильники сфера
- Светильники квадрат
- Накладные светильники гипсовые GU5.
3 - Влагозащищенные — IP65
- Светильники ЖКХ
- Светильники контурной подсветки «Тоннель»
- Светодиодные панели
- Светодиодные панели — Светильники встраиваемые и накладные
- Светильники с выключателем на взмах руки
- Акссесуары для светильников с выключателем от взмаха руки
- Светильники на солнечной батарее
- Светильники светодиодные с датчиками движения и освещенности
- Cветильники настенные БРА
- Декоративные светильники
- Светильники точечные гипсовые GU5.3
- Освещение для торговых и складских помещений
- Точечные светодиодные светильники
- Фасадные светодиодные светильники
- Фасадные линейные светильники — Wall Washer Lght
- Светильники трековые
- Пыле-влаго-защищенные светильники
- Встраиваемые и врезные светильники
- для РастенийФИТО — ОСВЕЩЕНИЕ
- КонтроллерыRGB CCT SPI MIX
КОНТРОЛЛЕРЫ ОСВЕЩЕНИЯ — УПРАВЛЕНИЯ СВЕТОДИОДАМИ
- Список категорий товаров
- DMX / SPI — Светодиодные трубки
- DMX — Светодиодные трубки
- SPI — Светодиодные трубки
- D формы — Светодиодные трубки
- Круглой формы — Светодиодные трубки 360°
- Трубки в алюминиевом корпусе
- Аксессуары для подключения световых трубок
- Трубки с аккумулятором
- Аварийное освещение
- Автомобильный свет
- Лампы головного света (ближний, дальний)
- Лампы в противотуманные фары (птф)
- Сверхяркие авто лампы (ближний, дальний, птф)
- Лампы в стоп-сигналы, повороты, габариты, задний ход, салонное освещение
- Универсальные лампы и цоколи
- Обманки (резисторы, декодеры)
- h2
- h4
- h5
- H7
- H8
- H9
- h21
- h23
- h26
- h37 (880, 881)
- HB2/9003
- HB1 (9004)
- HB3 (9005)
- HB4 (9006)
- HB5 (9007)
- 9012 (HIR2)
- Белт-лайт
- E27
- G40
- Выключатели и розетки
- Беспроводные радио выключатели
- Розетки
- Подразетники
- Выключатели
- Умные розетки
- Гирлянды и украшения
- Белт Лайт
- Гирлянды
- Декоративные светильники
- Ели искусственные
- Светодиодный Дюралайт
- Сосульки светодиодные
- Новогодние украшение на ёлку
- Светодиодные украшения 3D фигуры
- Дюралайт светодиодный
- Аксессуары для подключения Дюралайта
- Дюралайт круглый
- Инструмент и расходники для монтажа
- Для пайки
- Измерительное оборудование
- Паяльники
- Гидроизоляционные лаки
- Клей
- Отвертки
- Скотч
- Вспомогательное оборудование
- Инструмент для зачистки и обрезки
- Изоляционная лента
- Термоусадочная трубка
- Источники питания
- Блоки питания в защитном кожухе
- Блоки питания влагозащищенные
- Блоки питания DC12V
- Блоки питания DC5V
- Блоки питания DC24V
- Сетевые адаптеры
- Узкие блоки питания
- Батарейки, аккумуляторы, зарядные устройства
- Дождестойкие блоки питания
- Трансформаторы AC 220 / АС 24
- Коннекторы, провода, крепеж
- Аксессуары для гибкого неона
- Аксессуары для термоленты
- Аксессуары — SPI трубки
- Аксессуары — DMX трубки
- Гофра для кабеля
- Для ленты 220 вольт
- Коннекторы 8 мм — ленты 5-12 В.
(3528, 2835, 3014) - Коннекторы 10 мм — ленты 5-12 В. (5050, 5630)
- Коннекторы и соединители 4 pin, RGB ленты 5-12 В.
- Коннекторы и соединители 5 pin, RGBW ленты 5-12 В.
- Коннекторы и соединители 6 pin, RGB+ССT ленты 5-12-24 В
- Провод и кабель
- Разъемы / штекеры
- Соединители кабеля
- Сетевые вилки 220 вольт
- ТЕРМОУСАДКА
- Аксессуары для Дюралайта
- Коннекторы для SPI
- Влагостойкие коннеторы для светодиоднх лент 5-24В
- Лампочки
- Светодиодные лампы
- Лампы Эдисона (ретро)
- Комплектующие для ламп
- Фито лампы для растений
- Лампы аварийного освещения
- Лента светодиодная (LED)
- Светодиодная лента RGB многоцветная
- Светодиодная лента 220 вольт
- Светодиодная лента 24 вольта
- Светодиодная лента 12 вольт
- Светодиодная лента 5 Вольт
- Сверхяркая светодиодная лента «ЛЮКС»
- RGBW — Светодиодная лента MIX
- MIX White
- SMD 2835
- SMD 3014
- SMD 3528
- SMD 5050
- SMD 5054 (ПОВЫШЕННОЙ ЯРКОСТИ)
- SMD 5630-5730
- Термостойкая светодиодная лента
- Узкая светодиодная лента 5mm
- Фито лента (светодиодная фитолента для растений)
- (ZIGZAG 3D) светодиодная лента
- Программируемая SPI — DMX (RGB)
- Комплекты светодиодной ленты
- Светодиодные ленты «Дизайн ЛЮКС»
- Остатки и отрезки ленты
- Светодиодная лента на батарейках
- Неоновая лента
- Широкая сверхмощная светодиодная лента
- RGB+CCT
- Светодиодная лента COB
- Линейки светодиодные
- Линейки / Полоски — 12 Вольт
- Линейки / Полоски — 220 Вольт
- Линейки / Полоски — 4014
- Линейки / Полоски — 5630
- Линейки / Полоски 7020
- Линейки / Полоски — 2835
- Линейки / Полоски — 3014
- Фито Линейки / Полоски — для растений
- Линейки / Полоски — Узкие
- Модули светодиодные
- Модули 220 вольт
- Модули с линзой
- Модули многоцветные RGB
- Линейные модули
- Квадратные модули
- Модули 1 диод
- Модули 2 диода
- Модули 3 диода
- Модули 4 диода
- Пиксельные модули
- COB модули
- Наборы светодиодные
- Наборы LED подсветки от USB порта
- Наборы интеллектуальной LED подстветки с датчиком движения
- Комплекты «фито» для освещения растений
- Наборы с лентой «Бегущая волна» (Бегущие огни), 2811, 2812, 6803
- Неон гибкий светодиодный (led)
- Светодиодный неон 220В
- Светодиодная неон 12В
- Неон круглый 360°
- El провод электролюминесцентный — узкий декоративный неон
- Аксессуары для гибкого неона
- Контроллеры для подключения EL провода
- Светодиодный неон 24В
- Термостойкий неон (до 100°)
- Новогодний декор
- Оптоволоконный световой кабель
- Источники света для оптоволоконного кабеля
- Оптоволоконный световой кабель
- Крепежные головки и концевые зажимы
- Аналог Cariitti
- Прожекторы светодиодные (LED)
- Прожекторы 12-24 Вольт
- Прожекторы 220 вольт
- Прожекторы COB
- Прожекторы многодиодные — SMD
- Прожекторы сверхяркие
- Прожекторы с датчиком движения
- Прожекторы с солнечной панелью
- Прожекторы переносные с аккумулятором
- Прожекторы с линзой
- Прожекторы с креплением на столб
- Прожекторы RGB (мультиколор)
- Линейный прожектор
- Миниатюрные — прожекторы
- Модульные — Прожекторы сборные
- Многодиодные SMD серия light solution (лайт солюшн)
- Облегченные Универсальные — прожекторы
- Тонкие прожекторы (SLIM)
- SMD серия «Компакт»
- Профиль для светодиодной ленты
- Алюминиевый профиль
- Заглушки к профилю
- Эран для профиля
- Крепеж для профиля
- Плинтус для светодиодной подсветки
- Светильники и люстры
- Люстры потолочные
- Настенно-потолочные светильники
- Светодиодные ночники
- Настольные светильники
- Освещение витрин
- Трековые светильники
- Светодиодное архитектурное освещение
- Светильники контурной подсветки
- Линейные фасадные светильники
- Фасадные светильники
- Светодиодные трубки управляемые SPI
- Светящийся бордюр
- Удлинители электрические
- Управление светом
- DMX — Системы управления светом
- Усилители для светодиодов
- Диммеры — регулятор мощности
- Контроллеры освещения — управления светодиодами
- Датчики движения
- Беспроводные выключатели
- Фотореле ( датчик освещенности )
- Реле времени — таймеры включения
- Датчики включения — взмах руки
- Умные SMART розетки
- Источники света для оптоволокна
- Управляемые гибкие панели
- Фито освещение для растений
- Лента светодиодная (фито)
- Комплекты фито ленты светодиодной+питание
- Линейки фито светодиодные
- Фито прожекторы для растений
- Фито лампы светодиодные для растений
- Светильники Фито
- Фонари светодиодные
- Многофункциональные аварийные фонари
- Фонари на аккумуляторах
- Фонари с датчиком движения
- Фонари в форме выключателей
- Фонари налобные
- Фонари с магнитным креплением
- Фонари с солнечной панелью
- Bluetooth колонка
- Монетницы — кошельки
- Замки биометрические
- Набор подсветки Аmbilight для ТВ и монитора
- Подводное освещение
- Освещение на солнечной батарее
- DMX / SPI — Светодиодные трубки
Нет товаров
Определить Доставка
0руб Итого
Оформить заказ
был добавлен для сравнения.
был удален из сравнения.
Продолжить покупки Сравнение
Реле времени • ELKO EP
Реле времени • ELKO EPПрисоединяйтесь к нашим предстоящим бесплатным онлайн-вебинарам…
Зарегистрируйтесь сейчас
Интернет-магазин
Английский
Устройства, используемые для переключения приборов по времени. К приборам относятся, например, лампа, вентилятор, контрактор и т. д. Применение реле времени практически не ограничено. Они используются не только в быту, но и в промышленности для управления технологическими процессами, машинами и т. д. Основные функции реле времени включают в себя задержку пуска/останова, циклирование, реле задержки импульса. Универсальный блок питания входит в ТОП-рынок.
Однофункциональное реле времени
DIN
Многофункциональное реле времени
DIN
Многофункциональное реле времени
BOX
Цифровые реле времени DIN
Розетка реле времени PLUG-IN
Лестничные выключатели
Многофункциональное реле времени CRM-91H-SL (безвинтовое)
Многофункциональное реле времени можно использовать для электроприборов, управления освещением, отоплением, двигателями, насосами и вентиляторами.
Информация о продуктеМногофункциональное реле времени CRM-93H-SL (безвинтовое)
Многофункциональное реле времени можно использовать для электроприборов, управления освещением, отоплением, двигателями, насосами и вентиляторами. Информация о продуктеВнешний потенциометр
Аксессуары к CRM-91HE, CRM-2HE. Информация о продуктеМногофункциональное реле времени — экономичное исполнение CRM-161
Многофункциональное реле времени для универсального использования в системах автоматизации, управления и регулирования или в домашних установках.
Информация о продуктеЭнергосберегающее реле времени
CRM-101 Реле времени для автоматического включения и выключения электричества в гостиничных номерах с помощью подключенных датчиков (замена обычных карточных выключателей). Информация о продукте
Вставное реле времени PRM-91H
Многофункциональные реле времени в стандартном 11- или 8-контактном штекерном разъеме Информация о продуктеРеле времени многофункциональное с задержкой запрета ПТРМ-216КП
Многофункциональное реле времени для универсального использования в системах автоматизации, управления и регулирования или в домашних установках.
Информация о продуктеМногофункциональное реле времени с задержкой запрета PTRM-216TP
Многофункциональное реле времени для универсального использования в системах автоматизации, управления и регулирования или в домашних установках. Информация о продуктеРеле времени многофункциональное с беспотенциальным входом управления ПТРМ-216Т
Многофункциональное реле времени для универсального использования в системах автоматизации, управления и регулирования или в домашних установках.
Информация о продуктеРеле времени многофункциональное с беспотенциальным входом управления ПТРМ-216К
Многофункциональное реле времени для универсального использования в системах автоматизации, управления и регулирования или в домашних установках. Информация о продуктеМногофункциональное реле времени с тремя управляющими входами CRM-131H
Многофункциональное реле времени для универсального использования в системах автоматизации, управления и регулирования или в домашних установках.
Информация о продуктеМногофункциональное реле времени с гальванически развязанным управляющим входом CRM-121H
Многофункциональное реле времени для универсального использования в системах автоматизации, управления и регулирования или в домашних установках. Информация о продуктеМногофункциональное реле времени с внешним потенциометром CRM-91HE
Управление внешним блоком управления — потенциометр (может быть, например, на дверях распределительного щита или в панели) Информация о продуктеМногофункциональное реле времени с задержкой блокировки CRM-113H
Многофункциональное реле времени для универсального использования в системах автоматизации, управления и регулирования или в домашних установках.
Информация о продуктеМногофункциональное реле времени
CRM-9S Многофункциональное реле времени можно использовать для электроприборов, управления освещением, отоплением, двигателями, насосами и вентиляторами. Информация о продукте
Мигалка асимметричная с внешними потенциометрами CRM-2HE
Установка времени внешними потенциометрами (для частой настройки) Информация о продуктеРеле времени TRUE OFF DELAY CRM-82TO
Реле «True OFF» — задержка выключения без питания, для резервных цепей Информация о продуктеМногофункциональное реле времени
CRM-93H Многофункциональное реле времени можно использовать для электроприборов, управления освещением, отоплением, двигателями, насосами и вентиляторами.
Информация о продуктеОднофункциональное реле времени CRM-83J
Таймер, можно использовать для задержки насоса после выключения отопления, включения вентиляторов. Информация о продуктеРеле времени звезда/треугольник CRM-2T
Служит для задержки включения двигателей звезда/треугольник. Информация о продуктеМигалка асимметричная CRM-2H
Мигалка с независимым регулируемым включением и выключением.
Информация о продуктеРеле времени с задержкой включения, 2-канальное SJR-2
Блок задержки с двумя состояниями (2x задержка при включении), постепенное переключение высоких нагрузок Информация о продуктеОднофункциональное реле времени CRM-81J
3 функции и 6 временных диапазонов, мультивольтажное питание или питание 230 В, выход 16 А, перекидной/SPDT Информация о продуктеМногофункциональное реле времени с тремя управляющими входами PTRA-216K
Многофункциональное реле времени для универсального использования в системах автоматизации, управления и регулирования или в домашних установках.
Информация о продуктеМногофункциональное реле времени с тремя управляющими входами PTRA-216T
Многофункциональное реле времени для универсального использования в системах автоматизации, управления и регулирования или в домашних установках. Информация о продуктеПрограммируемое цифровое реле PDR-2B
Многофункциональное программируемое цифровое реле с 4-разрядным красным светодиодным дисплеем Информация о продуктеПрограммируемое цифровое реле PDR-2A
Многофункциональное программируемое цифровое реле с 4-разрядным красным светодиодным дисплеем Информация о продуктеСупермногофункциональное реле SMR-B
Выгодное и быстрое решение для замены стандартного настенного выключателя на выключатель, управляемый по времени, или на импульсное реле, управляемое кнопкой.
Информация о продуктеСупермногофункциональное реле SMR-H
Выгодное и быстрое решение для замены стандартного настенного выключателя на выключатель, управляемый по времени, или на импульсное реле, управляемое кнопкой. Информация о продуктеСупермногофункциональное реле СМР-К
Выгодное и быстрое решение для замены стандартного настенного выключателя на выключатель, управляемый по времени, или на импульсное реле, управляемое кнопкой Информация о продуктеСупермногофункциональное реле СМР-Т
Выгодное и быстрое решение для замены стандартного настенного выключателя на выключатель, управляемый по времени, или на импульсное реле, управляемое кнопкой.
Информация о продуктеМногофункциональное реле времени
CRM-91H Многофункциональное реле времени можно использовать для электроприборов, управления освещением, отоплением, двигателями, насосами и вентиляторами. Информация о продукте
Многофункциональное реле времени с ЖК-дисплеем CRM-100
Цифровое многофункциональное реле можно использовать для управления освещением, отоплением, двигателем, насосами, машинами и приборами, где вам необходимо установить функции времени.
Информация о продуктеМногофункциональное реле времени с задержкой блокировки CRM-111H/UNI
Многофункциональное реле времени для универсального использования в системах автоматизации, управления и регулирования или в домашних установках. Информация о продуктеОднофункциональные реле времени
CRM-181J Однофункциональное реле времени может использоваться для электроприборов, управления освещением, отоплением, двигателями, насосами и вентиляторами.
Информация о продуктеОднофункциональные реле времени CRM-183J
Однофункциональное реле времени может использоваться для электроприборов, управления освещением, отоплением, двигателями, насосами и вентиляторами. Информация о продуктеРаздел содержимого
Однофункциональные реле времениDIN Многофункциональные реле времени
DIN Многофункциональное время
реле КОРОБКА Цифровые реле времени DIN Розеточные реле времени PLUG-IN Лестничные выключатели
Календарь
<
Октябрь 2022 г.
>
- 1
- 2
- 3
- 4
- 5
- 6
- 7
- 8
- 9
- 10
- 11
- 12
- 13
- 14
- 15
- 16
- 17
- 18
- 19
- 20
- 21
- 22
- 23
- 24
- 25
- 26
- 27
- 28
- 29
- 30
- 31
Центр обслуживания клиентов
Техническая поддержка
| +420 800 100 671 | |
support@elkoep. com |
Больше контактов
ПРОДАЖИ
| +420 573 514 221 | |
| [email protected] |
Больше контактов
Время срабатывания реле
спросил
Изменено 1 год, 6 месяцев назад
Просмотрено 9к раз
\$\начало группы\$
Некоторые клиенты спрашивают меня о времени срабатывания реле, но в каталоге упоминаются две разные задержки: задержки включения и выключения реле. какая из этих двух задержек определяет время срабатывания реле?
можно проверить задержку включения и выключения в секции выхода:
http://catalog.weidmueller.
com/procat/Product.jsp;jsessionid=BCE8FA0695A52E7BE6D7EC63694D5B03?productId=(%5b1381
0%5d)&page=Productue
\$\конечная группа\$
1
\$\начало группы\$
Реле имеет два разных времени: включение и выключение. В некоторых случаях одно важнее другого, поэтому вам нужно указать, какое именно.
Если клиенты не знают или не заботятся о том, о чем они спрашивают, тогда вы берете большее значение и указываете его как «наихудший случай».
\$\конечная группа\$
\$\начало группы\$
Hi @MINA «Время включения» зависит от напряжения <=5 мс (номинальное), а «время выключения» <=15 мс зависит от усилия пружины ПЛЮС время гашения дуги. Оба важны.
Возможно, Спросите клиентов, что это должно быть? 92 * ESR * время = Энергия = kT Повышение температуры, таким образом, снижается полезная работа в течение всего срока службы и зависит от применения клиента.

3
3
(3528, 2835, 3014)
com