Сумматор на ОУ | Практическая электроника
Что такое сумматор
В общем смысле слова, сумматор – это какое-либо устройство, которое что-либо суммирует и выдает на выходе сумму этих воздействий. Сумматор можно представить в виде какого-либо неизвестного нам ящика, на который поступает входные воздействия и на выходе такого ящика выдается их сумма.

В электронике сумматоры делятся на две группы:
- сумматоры аналоговых сигналов
- сумматоры цифровых сигналов
В этой статье мы будем разбирать аналоговые сумматоры.
Аналоговый сумматор
Думаю, все из вас помнят осциллограмму постоянного напряжения

Если, допустим, цена нашего квадратика 1 В, то на данной картинке мы видим постоянное напряжение амплитудой в 1 В. Суммировать постоянное напряжение – одно удовольствие. Для этого достаточно сложить амплитуды этих сигналов в любой момент времени.
На рисунке ниже мы видим два сигнала A и B и сумму этих сигналов: A+B. Если сигнал A = 2 В, сигнал B = 1 В, то сумма этих сигналов составит 3 В.

Все то же самое касается и сигналов с отрицательной полярностью

Как вы видите, при сложении сигналов с равной амплитудой, но разной полярности, мы в сумме получаем 0. То есть эти два сигнала взаимно себя скомпенсировали: 1 +(-1)=0. Все становится намного веселее, если мы начинаем складывать сигналы, которые меняются во времени, то есть переменные сигналы. Они могут быть как периодические, так и непериодические.
Давайте для начала рассмотрим самый простой пример. Пусть у нас будут два синусоидальных сигнала с одинаковыми амплитудами, частотами и фазами. Подадим их на сумматор. Что получится в итоге?

Получим синусоиду с амплитудой в два раза больше. Как вообще она получилась? Вычисления производятся довольно просто. Каждая точка синусоиды A+B – это сложение точек в одинаковый момент времени синусоид А и B. Для наглядности мы взяли 3 точки: t1 , t2 и t3 .
Как вы видите, в момент времени t1 у нас амплитуда сигнала А была равна 1 В, амплитуда сигнала В тоже 1 В. В сумме их результат в момент времени t1 будет равен 2 В, что мы и видим на сигнале A+B. В момент времени t2 амплитуда сигнала A была 0 В, амплитуда сигнала В тоже 0 В. Как нетрудно догадаться, 0+0=0, что мы и видим на сигнале A+B в момент времени t2 . Ну а в момент времени t3 амплитуда сигнала А = -1 В, амплитуда сигнала В = -1 В, в результате их сумма -1+(-1) = – 2 В, что мы как раз и видим на синусоиде А+B в момент времени t3 . Отсюда напрашивается вывод: для сложения сигналов надо суммировать амплитуды сигналов в одинаковые моменты времени.
А давайте сместим фазу одного из сигналов на 180 градусов, относительно другого, но при этом амплитуды и частоты сигналов оставим без изменения. Про такие сигналы говорят, что они находятся в противофазе. Как думаете, чему будет равняться их сумма? Долго не думая, смещаем второй сигнал на 180 градусов и суммируем их амплитуды в каждый момент времени. Нетрудно догадаться, что их сумма будет равняться нулю, что мы и видим на рисунке ниже.

Сложение двух сигналов в Proteus
Но что, если нам надо сложить в теории два каких-нибудь два сложных сигнала с разными фазами, амплитудами, частотами? Здесь проще всего прибегнуть как различным симуляторам. Один из них – это Proteus. С помощью него я могу сложить два любых сигнала и посмотреть их сумму. Для этого выбираю синусоидальный генератор
потом виртуальный осциллограф
Собираю схему

Щелкаю два раза на генератор и задаю его параметры

Давайте сложим два наших синусоидальных сигнала с одинаковыми амплитудами, фазами и частотами, как во втором примере

Прописываем амплитуду и частоту каждого сигнала, остальное ничего не трогаем. Потом нажимаем “пуск”
Потом нажимаем правой кнопкой мыши на наш виртуальный осциллограф и нажимаем Digital Oscilloscope

Сигнал с канала B я немного сдвинул вниз, иначе он совпадает с сигналом А. Оно и неудивительно, так как это два идентичных сигнала.

Для того, чтобы найти их сумму, нам достаточно нажать на кнопку A+B

Получаем сумму двух сигналов

В таком виртуальном осциллографе можно складывать любые два сигнала.
Давайте сложим два таких сигнала

Нажимаем A+B и получаем вот такую сумму сигналов

А давайте сдвинем синусоидальный сигнал на 90 градусов по фазе. Имеем

В результате сумма сигналов будет

На моем реальном цифровом осциллографе тоже имеется такая функция

Здесь на примере ниже я суммирую два сигнала: синусоидальный и прямоугольный. Зеленая осциллограмма – это сумма двух этих сигналов.

Сумматор на ОУ
Инвертирующий сумматор
Как мы уже говорили еще в начале статьи: сумматор – это схема, которая суммирует два и более сигналов. Базовая схема сумматора на ОУ выглядит вот так:

Как и у инвертирующего усилителя, в схеме есть одна особенность. В точке E, где соединяются резисторы, находится потенциал виртуальной земли, о котором мы говорили еще в прошлой статье. Еще эту точку называют точкой суммирования сигналов.

Поэтому, сколько бы мы входных сигналов не подавали на такой сумматор, они не будут влиять друг на друга.
Не будем здесь делать сложные математические выкладки, а просто предоставим вам готовую формулу расчета выходного напряжения Uвых .
Как не трудно догадаться, для сложения двух сигналов

Формула примет вот такой вид:
Откуда в формуле знак “минус”? Так как эта схема сумматора построена на схеме инвертирующего усилителя, то на выходе будет сигнал со знаком “минус”.
Как можно просто сложить два сигнала без всякого усиления?
Как вы заметили, выходное напряжение будет со знаком “минус”. Добавив после такого сумматора инвертирующий усилитель на ОУ с R3 = R4 , можно добиться того, что у нас на выходе сигнал будет без знака “минус”. То есть мы получим неинвертирующий сумматор.

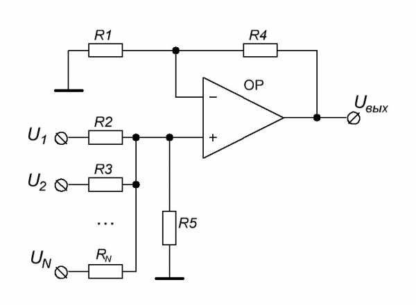
Неинвертирующий сумматор
Базовая схема будет выглядеть вот так:

Формулы для расчета
Поэтому, сумматор для двух сигналов будет выглядеть вот так:

Если взять R5 = R2 = R3, то у нас будет простой сумматор с единичным коэффициентом усиления, который на выходе даст просто сумму двух входных сигналов.
где
Причем должно выполняться условие:
то есть в нашем случае отношение этих резисторов должно равняться 2.
Компенсационный резистор в схеме сумматора
Для борьбы с током смещения, в схему также добавляется компенсационный резистор.

Для схемы с двумя входными сигналами он вычисляется по простой формуле
Если входов больше, то его значение вычисляется по формуле
Симуляция работы сумматора на ОУ в Proteus
Симуляция инвертирующего сумматора
Давайте рассмотрим работу нашего сумматора на ОУ в симуляторе Proteus.

На вход такого сумматора будет подавать синусоидальные сигналы с амплитудой в 1 В, но с разной частотой. На in1 у нас будет сигнал с частотой в 50 Гц, на in2 сигнал с частотой в 100 Гц и на in3 сигнал с частотой в 150 Гц. Как вы видите, все 3 резистора после сигналов имеют одинаковый номинал в 1 кОм для удобства расчета коэффициента усиления. То есть все сигналы будут усиливаться одинаково. Резистор R2 имеем номинал в 2 кОм. Это значит, что коэффициент усиления на выходе будет равен 2. То есть сумма сигналов будет помножена на коэффициент 2 и инвертирована.
Итак, для того, чтобы посмотреть сигналы как на экране осциллографа, можно также воспользоваться инструментом аналоговым анализатором
на рабочем поле появится окно Analogue Analysis

Для того, чтобы анализировать входы, просто переносим в наше окошко входы in1, in2, in3 и выход out, удерживая левую кнопку мыши

В результате увидим это

Разворачиваем окно

Потом нажимаем пробел и в большом окне уже видим все наши сигналы: и входные, и выходной. (нажмите на картинку, откроется в новом окне)

черная осциллограмма – это и есть сумма всех трех синусоид усиленная в 2 раза, но со знаком “минус”.
В чистом виде на выходе ОУ у нас будет только черная осциллограмма. Она является суммой всех входных сигналов, помноженная на 2, но со знаком “минус”.

Симуляция неинвертирующего сумматора
Итак, давайте соберем простой нормальный сумматор для, который бы просто складывал сигналы и на выходе выдавал нормальный неинвертированный сигнал. Для того, чтобы создать такой сумматор, наш коэффициент усиления должен быть равен единице, а на выходе мы должны инвертировать такой сигнал. Настало время использовать схему для неинвертирующего сумматора

Итак, все что мы хотим – это просто сложить три сигнала и посмотреть их сумму. И все! Не надо ничего усиливать и инвертировать. Поэтому, наша схема будет выглядеть вот так:

В этой схеме первый каскад на ОУ суммирует входные сигналы, а второй каскад просто инвертирует получившийся сигнал. В каждом усилителе коэффициент передачи равен 1, поэтому, никакого усиления сигнала в данной схеме не происходит.
Итак, осциллограмма со всеми сигналами

Если оставить на экране только осциллограмму выходного сигнала

Тот же самый эффект мы можем получить и с помощью схемы на одном ОУ, о которой я упоминал выше:

Давайте на его входы подадим два одинаковых синусоидальных сигнала, но в противофазе. То есть мы должны получить что-то типа этого

Проверяем симуляцию и видим, что сумма двух одинаковых сигналов в противофазе действительно равняется нулю

АЧХ и ФЧХ сумматора
Все вы помните, что реальный ОУ – это не идеальный радиоэлемент. С ростом частоты его усилительные свойства начинают падать. Для того, чтобы рассмотреть, как ведет себя сумматор на ОУ, давайте построим виртуальную АЧХ для математической модели ОУ LM358, который мы задействуем в схеме сумматора. На два входа мы будем подавать сигнал с одного и то же генератора. То есть в данном случае у нас на входы подаются два абсолютно идентичных сигнала.

Как можно увидеть на виртуальном графике АЧХ, полоса пропускания такого сумматора на уровне в -3дБ от максимального уровня сигнала составляет 347 кГц.

Частота единичного усиления уже будет равняться 600 кГц

Если рассмотреть ФЧХ, то можно также заметить, что после 10 кГц начинает меняться фаза сигнала

Поэтому, при разработке всегда учитывайте неидеальность характеристик ОУ, которые также можно посмотреть в даташите.
Сравнение неинвертирующих сумматоров
Давайте сравним схему неинвертирующего сумматора на двух ОУ

и неинвертирующего сумматора на одном ОУ

Для более удобной симуляции мы на них будем подавать и суммировать один и тот же сигнал синусоидальный сигнал

Давайте рассмотрим, что же случится с выходным сигналами на ФЧХ. Как можно увидеть, сигнал неинвертирующего сумматора с двумя ОУ будет запаздывать по фазе больше, чем с одним ОУ. Это объясняется тем, что каждый ОУ вносит небольшую задержку.

Плюсы и минусы инвертирующего и неинвертирующего сумматора
Не забывайте, что инвертирующий сумматор на выходе будет давать сумму сигналов со знаком “минус”, умноженных на коэффициент усиления. Неинвертирующий сумматор выдаст на выходе просто сумму сигналов умноженных на коэффициент усиления. Также инвертирующий сумматор проще построить и рассчитать. Если вы создаете какой-либо микшер на основе сумматора, то для человеческого уха нет никакой разницы, инвертируемый сигнал на выходе или нет. Поэтому, в этом случае будет проще применить инвертирующий сумматор.
Применение аналогового сумматора
В настоящее время аналоговый сумматор используется в схемах, где надо суммировать два и более аналоговых сигналов. Это могут быть микшеры звукового диапазона, где надо объединить выходные сигналы от микрофонов, а также от устройств, которые создают различные спецэффекты и которые потом можно добавить к основной звуковой дорожке. Вся прелесть микшеров на ОУ заключается в том, что входные сигналы никак не влияют друг на друга. А также это могут быть схемы операционной обработки сигналов для выполнения арифметической обработки сигналов (сложение/вычитание).
при участии JEER
www.ruselectronic.com
Делитель нч видеосигнала
Расширенный поиск продуктов. Don Video. На рынке с года. Сортировать по: наименованию возр убыв , цене возр убыв , рейтингу возр убыв. Главной особенностью данного изделия является минимальный размер платы. Это позволяет устанавливать ее непосредственно в камеру.
Поиск данных по Вашему запросу:
Схемы, справочники, даташиты:
Прайс-листы, цены:
Обсуждения, статьи, мануалы:
Дождитесь окончания поиска во всех базах.
По завершению появится ссылка для доступа к найденным материалам.
ПОСМОТРИТЕ ВИДЕО ПО ТЕМЕ: Запретное устройство — Сумматор — ДелительVD4.8P (Computar)
Он может быть кварцованным, что предпочтительнее, либо иметь частотозадающий LC-контур или RC-цепь. Этот сигнал поступает на вывод 14 Расположенные внутри ИМС делители вырабатывают из него сигналы других частот, требуемых для функционирования остальных её узлов. Сигналы яркости различных элементов игровой ситуации микросхема формирует раздельно. Так, сигнал изображения мяча в играх с фотопистолетом — мишени присутствует на выводе 4 6 , левой ракетки — 8 10 , правой — 7 9 , контуров поля и цифр счёта — 20 Что делать с этими сигналами дальше, решает разработчик приставки.
Можно некоторые из этих сигналов инвертировать, а яркость фона несколько поднять, получив постоянную составляющую при помощи делителя напряжения таким образом, чтобы он стал серым. Тогда после соответствующего объединения неинвертированные сигналы будут вызывать появление на экране элементов, которые светлее фона, а инвертированные — элементов, которые темнее фона, но изображение по-прежнему останется монохромным.
Следует учитывать, что в телевизорах 3 и 4 классов восстановление постоянной составляющей разрешено не предусматривать, поэтому на некоторых из них фон может получиться слишком тёмным, а чёрные элементы игровой ситуации — плохо заметными.
Разумеется, при этом также необходимы развязывающие диоды, чтобы выходы ИМС, на которых присутствуют различные логические уровни, не оказались соединёнными между собой.
Подключая выходы к кодеру в различном порядке, можно варьировать цвета элементов игровой ситуации, а при помощи дополнительных делителей напряжения для получения постоянной составляющей на тех или иных входах кодера одном или нескольких — окрасить фон в желаемый цвет. Цифры счёта всегда оказываются окрашенными в тот же цвет, что и контуры игрового поля, поскольку для них использован один и тот же выход.
С вывода 12 16 поступает синхросмесь кадровые и строчные синхроимпульсы. Её либо примешивают к сигналу яркости в таких пропорциях, чтобы обеспечить чёткую работу выделителя синхроимпульсов телевизора, получая тем самым композитный видеосигнал , либо подают на отдельный вход разъёма SCART. При подключении через разъём S-Video чёрно-белой телеигры видеосигнал, содержащий сигналы как яркости, так и синхронизации, подают на контакт 3 разъёма.
Если же требуется цвет, без кодера той или иной системы цветности поддерживаемой телевизором в этом случае не обойтись. Сигналы цветности с него подают на контакт 4 разъёма.
Качество изображения при этом слегка ухудшается. Сигнал звука в виде прямоугольных импульсов, поэтому линейный усилитель не требуется, можно обойтись ключевым с вывода 1 3 чаще всего подают через сопротивление на ключ на транзисторе структуры n-p-n, управляющий динамическим или электромагнитным громкоговорителем.
Если громкоговоритель низкоомный, ток через него ограничивают ещё одним сопротивлением. Диод, подключённый параллельно громкоговорителю в обратной полярности, защитит транзистор от напряжения самоиндукции. Вместо этого можно подать сигнал с данного вывода на модулятор несущей звука, если таковой имеется в телеигре, либо, при подключении по НЧ, на соответствующий вход телевизора.
Наиболее простым же решением является использование пьезоэлектрического звукоизлучателя, который можно подключать непосредственно к этому выводу. При использовании ИМС AY для выбора игры необходимо переключателем с зависимой фиксацией соединить с массой один из выводов в диапазоне от 18 до 23 включительно см. В ИМС КИК17 игры в число которых входит и хоккей с гандикапом переключает встроенный кольцевой счётчик, для изменения состояния которого необходимо кратковременно подать логический нуль на вывод В одних телеиграх для этой цели применена времязадающая RC-цепь, в других — одновибратор.
И то и другое управляется кнопкой без фиксации. Сигналы от фотопистолета поступают на два входа ИМС: 22 26 — срабатывание контактной группы и 23 27 — фиксация светового пятна на экране фотоэлементом в зависимости от конструкции фотопистолета — фотосопротивлением, фотодиодом или фототранзистором.
Оба сигнала предварительно проходят через формирующие цепи, включающие в себя усилители, одновибраторы, и др. Точный их состав зависит от конструкции фотопистолета. Для обоих входов активным состоянием является логическая единица. Если в момент срабатывания контактной группы фотопистолет не был направлен на святящийся квадрат на экране, импульс поступает лишь на первый из этих входов, и на единицу увеличиваются показания лишь встроенного в ИМС счётчика выстрелов.
Если же фотопистолет в момент срабатывания контактной группы был направлен на светящийся квадрат, импульсы поступают на оба входа, и на единицу увеличиваются показания обоих встроенных в ИМС счётчиков выстрелов и попаданий.
С другой стороны, у NES проще конструкция фотопистолета: одновибраторы не требуются, поскольку обработка сигналов от контактной группы и усилителя происходит во многом программно. К тому же, в фотопистолете NES контактная группа нормально замкнута.
В разделе использованы текстовые материалы из статей Википедии по состоянию на В разделе использовано изображение, перенесённое из Русской Википедии на Викисклад и находящееся в общественном достоянии. Категория : Советские телевизионные игровые приставки. Пространства имён Учебник Обсуждение. Просмотры Читать Править История.
Навигация Заглавная страница Каталог учебников Кулинарная книга Случайная статья. На других языках Добавить ссылки. Эта страница в последний раз была отредактирована 5 марта в Текст доступен по лицензии Creative Commons Attribution-ShareAlike , в отдельных случаях могут действовать дополнительные условия.
Подробнее см. Условия использования. Политика конфиденциальности Описание Викиучебника Отказ от ответственности Разработчики Заявление о куки Мобильная версия.

Другое оборудование
Форум по системам видеонаблюдения, безопасности, пожарным и охранным сигнализациям, контролю доступа. Русская поддержка phpBB. Конфиденциальность Правила. Форум по системам видеонаблюдения и безопасности. Проблема с разветвлением камеры на домофоне. Как построить, что использовать, почему не работает и т.
Передатчик предназначен для амплитудно-частотной модуляции видеосигнала с видеоаппаратуры (видеокамер, тюнеров, магнитофонов.
VTD-1/4TP AHD
Участились случаи выхода из строя домофонных ключей, т. Стоимость таких ключей значительно дороже. Рекомендуем Вам заказывать домофонные ключи в нашей организации, т. Доставка домофонных ключей производиться на дом. Заказать домофонные ключи Вы можете по тел: 8 , Тихвин, ул. Карла Маркса, д. Оформление заявки. Обратный звонок. О компании Каталог товаров и оборудования Услуги Контакты.
Устройства видеообработки

Перезвонить Вам? Выбрано: 0 Показать. Цена 5 грн. Отзывы 1.
Мы стараемся, чтобы информация о товарах была полной и точной, однако обращаем ваше внимание, что сведения о конкретном товаре в любой части включая фотографию , весь текст, изображения, графические, аудио-, видео- и анимационные файлы могут отличаться от реальных характеристик изделия.
Деление видеосигнала на два телевизора
Компания «Триколор» выступила против создания единой организации, уполномоченной вести онлайн-трансляцию эфира федеральных телеканалов, считая, что она создаст помехи развитию Канал продолжит наращивание присутствия в регионах с концентрацией русскоязычного населения через развитие дистрибуции в существующих и новых регионах, открытие новых бюро и С этой целью, провайдер с международным оператором SES подключился к спутнику Высокочастотный модулятор в народе называют «телевизионным модулятором» или «РФ-модулятором» используется с целью конвертации видео- и аудиосигналов, подаваемых на низкой частоте, в дециметровые каналы. Более простой вч модулятор имеет стандартные разъемы «тюльпаны», а также один выход, к которому подключается коаксильный кабель. Второй выход отвечает за полноценную передачу сигнала.
Усилитель-разветвитель видеосигнала Себокс ВУ-1/10В
Мы являемся сертифицированными представителями охранных служб и систем безопасности. Наши специалисты качественно и быстро подключат оборудование на ваше предприятие, офис или дом. Меню Грн У. Введите указанный при ренистрации E-mail Отправить. Oплата и доставка Контакты Вопросы и ответы О нас. Наш менеджер свяжется с вами в ближайшее время по указанному телефону. Список сравнения Очистить. Опытный поставщик и интегратор В нашем магазине представлено 1 уникальных позиций в 46 категориях.
А вот если по НЧ? модулятор, с его выхода обратно ко вводу в квартиру и на делитель. Передача НЧ сигнала может быть до м.
Модуляция и вывод НЧ видео в ВЧ
Доставка оборудования по Москве и Московской области по согласованию с заказчиком. Линейный усилитель видеосигнала предназначен для использования в системах видеонаблюдения, где сигнал от видеокамеры или видеорегистратора передается на длинные расстояния с помощью РК — кабеля. Частотный спектр стандартного видеосигнала лежит в частотном диапазоне от 50 Гц до 6 МГц.
Делитель НЧ видеосигнала 1/2 (3720)
ВИДЕО ПО ТЕМЕ: Разветвители и ответвители Вчем разница, варианты примененияПередатчик предназначен для амплитудно-частотной модуляции видеосигнала с видеоаппаратуры видеокамер, тюнеров, магнитофонов, персональных компьютеров и т. Передатчик подключают непосредственно к видеоаппарату, что исключает необходимость иметь видеовход на телевизионном приемнике. Совместив такой передатчик с бескорпусной видеокамерой, нетрудно получить установку для беспроводного наблюдения, а для экономичной работы батарей питания рекомендуется совместить это устройство с инфракрасным детектором присутствия, серийно выпускающимся многими зарубежными фирмами и стоящим относительно недорого, например детектором «REFLEX» фирмы «TEXECOM:» способным улавливать постороннее вмешательство, устойчив на ложное срабатывание, электромагнитное и радиочастотное излучение. Дополнив схему видеопередатчика усилителем высокой частоты, выполненном на одном транзисторе типа КТ, можно увеличить выходную мощность передатчика, и соответственно дальность беспроводной связи с телевизионным тюнером. Передатчик настраивают на частоту одного из свободных от телевизионного вещания каналов например,
HDMI удлинитель Dr. HD из модельного ряда года.
График работы на октябрь. Семинар Dahua Technology в Одессе. График работы на август. Каталог товаров:. Согласует волновые сопротивления коаксиального Адаптер, предназначенный для передачи низкочастотного видеосигнала на расстояние до м чёрно-белое изображение и до м цветное по кабелю витая пара.
Описание представленного продукта содержит справочный характер и может отличаться от технической документации производителя. Советуем вам при оформлении заказа проверять наличие выбранных вами функций и свойств. Задать вопрос Оставить отзыв. Описание: Уплотнитель 2 каналов видео.
all-audio.pro
Сумматор антенный с усилителем. Тв сумматор. Сумматор тв сигнала. Телевизионный сумматор. Сумматор мв дмв. Как подключить две антенны
Сумматор антенный с усилителем. Тв сумматор. Сумматор тв сигнала. Телевизионный сумматор. Сумматор мв дмв. Как подключить две антенны
Рассмотрели вопрос выбора кабеля
Подключили антенну к телевизору с помощью штекера
Из чего делать антенну (и вибратор) мы выяснили
Какие бывают рефлекторы мы рассматривали
Выбрали метод крепления стрелы антенны
Сборка антенны. Крепление элементов антенны
Крепление антеннымы рассмотрели
Согласование вибратора промышленной антенны дециметрового диапазона
Все вопросы изготовления антенн и конструкции антенн смотрите
Как подключить две антенны к телевизору с помощью сумматора сигналов.
Бывают случаи, когда необходимо подключить две антенны. Современные телевизоры имеют одно входное
Антенное гнездо. Есть места, где вещание ведется в метровом и дециметровом диапазонах (и цифровое). Известны
Случаи, когда сигналы принимаются из разных направлений на две антенны. В этой ситуации потребуется сумматор
твсигналов.
Если Вам нужны программы для расчета
телефона , то их описание и
Суммирующее устройство, которое я предлагаю, позволяет просуммировать сигналы двух антенн в один кабель.
Конечно, я говорю о случае, когда два сигнала на разных частотах. Правда, одним кабелем пользуются и те, кто
имеет старый телевизор с двумя входными антенными гнездами, чтобы не тянуть до телевизора два кабеля.
В этом случае перед телевизором сигнал опять разветвляется на метровый и дециметровый. Предлагаемое
устройство может просуммировать сигналы. Что собой представляет тв сумматор?
Схему сумматора (делителя) заводского изготовления смотрите
Берем 4 куска провода МГТФ. Это медный многожильный провод во фторопластовой изоляции. Этих проводов есть
несколько типов, и особых ограничений, и требований по их применению нет, но с толстыми жилами не стоит
применять. Поэтому марок провода я не пишу. Я, например, применял МГТФ, в котором: количество жил — 19 ,
диаметр одной жилы — 0,14 мм . Длина отрезков провода — 100…110 мм. Наружный диаметр (по фторопласту) —
Берем кембрик длиной 80 мм и вставляем в него 4 отрезка провода. Кембрик выбрать такой, чтобы 4 провода
хорошо им обжимались и были плотно прижаты друг к другу. В таком кембрике довольно трудно прямолинейно и
параллельно разместить 4 провода без перекручивания, поэтому я обычно беру небольшие колечки кембрика. Эти
колечки я последовательно натягиваю на провода, сохраняя их прямолинейность и параллельность. Набор таких
колец составляет 80 мм.
Рис. 1 Тв сумматор.Телевизионный сумматор. Сумматор тв сигнала. Как подключить две антенны.
Можете вместо кембрика использовать термоусадочную трубку. Размещаете в ней 4 провода и нагреваете. Такая
трубка плотно обжимает провод. Не дожидаясь, когда трубка окончательно остынет, придайте изделию форму дуги.
Так будет удобнее производить последующую распайку с минимальной длиной монтажных проводов.
Выводы проводов зачищаете и распаиваете в соответствии с описанием ниже.
Рис. 2 Тв сумматор. Телевизионный сумматор. Сумматор тв сигнала. Как подключить две антенны.
Рассмотрим распайку тв сумматора на примере суммирования сигналов от метровой и дециметровой антенн в один
Кабель.
Спаять между собой выводы 1 и 3 . В эту точку паять центральную жилу, идущую от дециметровой
антенны.
Спаять между собой выводы 2 и 4 . В эту точку паять центральную жилу, идущую к телевизору .
Спаять между собой выводы 1а и 3а . Соединить эту точку с точкой пайки 2 — 4 куском какого-либо провода.
Спаять между собой выводы 2а и 4а . В эту точку паять центральную жилу, идущую от метровой антенны.
Экраны трех телевизионных кабелей соединить между собой пайкой.
Если экран (или фольгу) нельзя паять, то плотно обмотайте его медным проводом и зафиксируйте пайкой. Затем
паяйте эти провода. Места пайки хорошо герметизировать. Конечно, обе антенны должны быть согласованы со
Своими телевизионными кабелями! Схему сумматора (делителя) заводского изготовления смотрите
Суммировать вы можете любые два телевизионных сигнала, передаваемых на разных частотах. Если Вам нужны программы для расчета антенн аналогового и цифрового телевидения, мобильного
телефона , то их описание и
Как сделать любую антенну?! Все материалы по антеннам » » »
Частоты каналов и длину волны λ смотрите » » »
Простую антенну «зигзаг» смотрите » » »
Устройства для качественного приема телевизионного сигнала.
В.Васильев
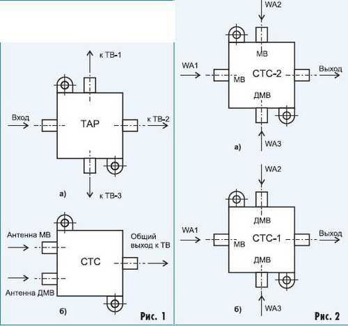
Антенные разветвители и сумматоры телевизионных сигналов
Кроме антенны и коаксиального соединительного кабеля на пути телевизионного сигнала к телевизору часто находятся устройства, предназначенные для разветвления одного сигнала на несколько дополнительных, либо наоборот — для суммирования нескольких телевизионных сигналов в один общий. Это, как правило, малогабаритные пассивные приборы, не требующие для своей работы дополнительного питания, выполненные в виде небольшой металлической или пластмассовой коробочки, снабженной несколькими штекерными разъемами. На одних сделана надпись «Вход», на других «Выход». На рис. 1 и рис. 2 показаны образцы основных типов этих устройств, сокращенно обозначаемых комбинацией из трех букв с последующим номером разработки: СТС — сумматор телевизионных сигналов, ТАР — телевизионный антенный разветвитель.На рис. 1, а показан разветвитель на три выхода, к которым подключаются кабели, идущие ко входам трех различных телевизоров. Конечно, разделение мощности одного сигнала между тремя телевизорами приводит к уменьшению мощности каждого из них в 4…5 раз, т.е. на 6…7 дБ с учетом дополнительных потерь. На рис. 1, б представлен сумматор на два входа. Здесь выходы антенн МВ и ДМВ суммируются в один канал, что также приводит к уменьшению каждого сигнала по мощности примерно вдвое, т.е. на 3 дБ.

На рис. 2 представлены сумматоры на три входа. В первом варианте (рис. 2, а) суммируются сигналы от двух антенн МВ и одной антенны ДМВ, во втором (рис. 2, б) — двух антенн ДМВ и одной МВ.
Пассивные сумматоры и разветвители вносят дополнительные потери энергии сигнала, поэтому желательно наряду с ними применять дополнительные антенные усилители.
Разветвители ТАР-2 (на два выхода) и ТАР-3 (на три выхода) идут по цене $0,7 и $0,8 соответственно. В продаже можно встретить ТАР-2Ф (на два выхода) за $0,5. Его низкая стоимость обусловлена тем, что он не имеет фланцев для крепления по месту установки, которые есть у названных выше разветвителей.
Сумматоры несколько дороже. Так, СТС-1, суммирующий сигналы МВ и ДМВ (см. рис. 2, б), стоит $0,8. Сумматор СТС-2 стоит уже $1 и дает возможность суммировать сигналы 1-5 и 6-12 каналов МВ, а также 20 первых каналов ДМВ (см. рис. 2, а). И, наконец, сумматор СТС-3 за $1,2 имеет один вход МВ для всех 12 каналов и два раздельных входа для каналов 21-40 и 41-60 ДМВ. По цене около $1 за штуку идут сумматоры зарубежного производства ТАС, имеющие два входа — МВ и ДМВ.
Представляет практический интерес простейший коммутатор входа телевизора для работы либо от антенны, либо от видеомагнитофона, либо от игровой приставки. Это небольшая пластмассовая коро
wiringexpert.ru
Широкополосный сумматор телевизионных сигналов. Тв сумматор. Сумматор тв сигнала. Телевизионный сумматор. Сумматор мв дмв. Как подключить две антенны
Широкополосный сумматор телевизионных сигналов. Тв сумматор. Сумматор тв сигнала. Телевизионный сумматор. Сумматор мв дмв. Как подключить две антенны
Устройства для качественного приема телевизионного сигнала.
В.Васильев
Антенные разветвители и сумматоры телевизионных сигналов
Кроме антенны и коаксиального соединительного кабеля на пути телевизионного сигнала к телевизору часто находятся устройства, предназначенные для разветвления одного сигнала на несколько дополнительных, либо наоборот — для суммирования нескольких телевизионных сигналов в один общий. Это, как правило, малогабаритные пассивные приборы, не требующие для своей работы дополнительного питания, выполненные в виде небольшой металлической или пластмассовой коробочки, снабженной несколькими штекерными разъемами. На одних сделана надпись «Вход», на других «Выход». На рис. 1 и рис. 2 показаны образцы основных типов этих устройств, сокращенно обозначаемых комбинацией из трех букв с последующим номером разработки: СТС — сумматор телевизионных сигналов, ТАР — телевизионный антенный разветвитель.На рис. 1, а показан разветвитель на три выхода, к которым подключаются кабели, идущие ко входам трех различных телевизоров. Конечно, разделение мощности одного сигнала между тремя телевизорами приводит к уменьшению мощности каждого из них в 4…5 раз, т.е. на 6…7 дБ с учетом дополнительных потерь. На рис. 1, б представлен сумматор на два входа. Здесь выходы антенн МВ и ДМВ суммируются в один канал, что также приводит к уменьшению каждого сигнала по мощности примерно вдвое, т.е. на 3 дБ.

На рис. 2 представлены сумматоры на три входа. В первом варианте (рис. 2, а) суммируются сигналы от двух антенн МВ и одной антенны ДМВ, во втором (рис. 2, б) — двух антенн ДМВ и одной МВ.
Пассивные сумматоры и разветвители вносят дополнительные потери энергии сигнала, поэтому желательно наряду с ними применять дополнительные антенные усилители.
Разветвители ТАР-2 (на два выхода) и ТАР-3 (на три выхода) идут по цене $0,7 и $0,8 соответственно. В продаже можно встретить ТАР-2Ф (на два выхода) за $0,5. Его низкая стоимость обусловлена тем, что он не имеет фланцев для крепления по месту установки, которые есть у названных выше разветвителей.
Сумматоры несколько дороже. Так, СТС-1, суммирующий сигналы МВ и ДМВ (см. рис. 2, б), стоит $0,8. Сумматор СТС-2 стоит уже $1 и дает возможность суммировать сигналы 1-5 и 6-12 каналов МВ, а также 20 первых каналов ДМВ (см. рис. 2, а). И, наконец, сумматор СТС-3 за $1,2 имеет один вход МВ для всех 12 каналов и два раздельных входа для каналов 21-40 и 41-60 ДМВ. По цене около $1 за штуку идут сумматоры зарубежного производства ТАС, имеющие два входа — МВ и ДМВ.
Представляет практический интерес простейший коммутатор входа телевизора для работы либо от антенны, либо от видеомагнитофона, либо от игровой приставки. Это небольшая пластмассовая коробка с вмонтированными в нее тремя стандартными гнездами и соединительным коаксиальным кабелем длиной 50 см со штекером на конце. Стоит такое «чудо техники» всего $1, а его название «Winstar 203С».
Антенные усилители
Антенные усилители могут быть автономными или совмещенными с антенной. Причем, одни усилители работают только в одном поддиапазоне волн, другие — во всех поддиапазонах. В большинстве случаев телезритель приобретает несколько антенных усилителей МВ и ДМВ, подключаемых ко входу телевизора через сумматор телевизионных сигналов.В настоящее время используется более совершенная схема включения антенных усилителей — в виде моноблочной конструкции вместе с суммирующим каскадом. По этой схеме выполнено большинство современных антенных усилителей, в том числе выпускаемых и за рубежом. Здесь суммирование сигналов с антенн МВ и ДМВ осуществляется в резонансных цепях на входе широкополосного усилителя с коэффициентом усиления до 30…40 дБ в полосе частот от 40 до 800 МГц. Такие усилители размещаются на самой антенне и питаются постоянным током напряжением 12 Вот специального выпрямителя непосредственно через коаксиальный кабель снижения. Удобство такого способа питания антенного усилителя очевидно.
Недорого (за $4) можно приобрести двухканальный антенный усилитель типа УТДИ что расшифровывается как «Усилитель Телевизионный Двухканальный Индивидуального пользования, работающий в I, II и III поддиапазонах МВ». Причем, первый канал усиления перекрывает каналы 1-5, второй 6-12. Усиление каждого канала находится в пределах 6…10 дБ. Питание усилителя — от сети 220 В, потребляемая мощность 4 Вт.
Малогабаритные усилители «Тон 1-12», «Волна 21-60» и «Кубань» стоят от $4 до $5 за штуку. Первый усилитель перекрывает все каналы метрового, второй — все каналы дециметрового, а третий — все каналы метрового и дециметрового диапазонов волн. Как показывает практика, очень удобен в эксплуатации двухканальный антенный усилитель УАТИ-1-У-2 «Кубань». Один канал перекрывает все 12 каналов МВ в полосе частот 48,5…230 МГц, обеспечивая усиление около 20 дБ. Второй канал перекрывает полосу частот ДМВ от 470…790 МГц с коэффициентом усиления 18 дБ. Питается усилитель от сети 220 В, потребляемая мощность 2,5 Вт. На рис. 3 приведена его принципиальная схема.

В последнее время антенные усилители стали вытесняться более удобными в эксплуатации активными антеннами, где антенный усилитель интегрирован в конструкцию антенны — простой или сложной, одноканальной или многоканальной. Причем, такие антенны могут быть как комнатными, так и наружными.
Заслуживает внимания комнатная логопериодическая антенна диапазона ДМВ 470.790 МГц (каналы 21-40) типа АНТ-5.1 по цене $12. Ее собственное усиление около 4 дБ и плюс дополнительное усиление 12….16 дБ от встроенного антенного усилителя, питаемого от сети 220 В. Защищенность антенны 20 дБ. Ее конструкция позволяет принимать сигналы как с горизонтальной, так и с вертикальной поляризацией. Несомненным достоинством данной антенны является ее элегантный внешний вид, который может украсить интерьер жилой комнаты. Делает этот аппарат Калужский завод телеграфных аппаратов.
Значительными возможностями обладает сложная антенна «Locas» производства Польши по цене $10, имеющая два полувибратора длиной по 110 см каждый и логопериодическую антенну, состоящую из 20 элементов длиной 80 см, размещенные вместе с антенным усилителем на одной матче. Такая антенна способна обеспечить уверенный прием сигналов телевидения на расстоянии до 60….70 км.
Здесь можно назвать малогабаритную комнатную вседиапазонную антенну со встроенным усилителем «Delta» производства Польши по цене $10. Конструкция достаточно простая: четыре полувибратора МВ длиной по 35 см каждый, развернутых на некоторый угол в горизонтальной и вертикальной плоскостях, и четыре полувибратора ДМВ, имеющих длину по 16 см. Общий усилитель перекрывает полосу всех каналов МВ и ДМВ с усилением до 20 дБ.
Но наибольшей популярностью пользуется антенна сложной конструкции фирмы PHILIPS под названием «Turbo», которая производится по лицензии в Польше. Стоимость ее зависит от комплектации усилителем и места продажи и может колебаться от $10 до $15. На МВ используется обычный вибратор, состоящий из развернутых
wiringexpert.ru
Сумматор каналов на ОУ. Теория и практика.
Не раз обращал внимание на то, что радиолюбители применяют в своих схемных решениях неоправданно усложненные (на нескольких ОУ) или слишком упрощенные (на резисторах) сумматоры сигналов, например левого и правого каналов для сабвуфера.В настоящей статье я предлагаю, как мне кажется, золотую середину. Простой, но эффективный сумматор на одном ОУ, лишенный недостатков своих вышеупомянутых «братьев».
Построение суммирующих усилителей на основе ОУ подробно рассматривалось в различных источниках, посвященным схемотехнике ОУ. По этому цель этой статьи сделать «выборку», относящуюся только к сумматорам на основе операционных усилителей.
Для понимания процессов рассмотрим схему, представленную на рисунке 1.Рис 1. Это обычный инвертирующий усилитель, охваченый обратной связью через резистор R2. Первое, что бросается в глаза — это подключение неинвертирующего входа к земляному проводу. То есть потенциал в точке «В» равен нулю. Следовательно, как известно из теории операционных усилителей, потенциал в точке «А» так же будет нулевым (равен потенциалу земли). Отсюда вывод:
Iвх = Uвх-Uдиф/R1; и Iвых = Uвых-Uдиф/R2.Если принять во внимание, что входное сопротивление ОУ (между входами усилителя) бесконечно большое (стремиться к бесконечно большому значению), то входные и выходные токи будут стремиться к значению бесконечно малому. То есть к нулю. А при равности входного и выходного тока (или, говоря грубо, его отсутствии) формулы приведённые выше можно прировнять между собой:
Uвх/R1 = Uвых/R2 или Uвых/Uвх = — R2/R1, или Кус = — R2/R1.Поскольку неинвертирующий вход соединён с землёй напряжение Uдиф будет бесконечно мало получаем что потенциал инвертирующего входа так же стремиться к нулю. Отсюда имеем:
Iвх = Uвх/R1.То есть, полное входное сопротивление устройства будет равно R1.
Наличие в точке «А» потенциала земли, позволяет подключать к схеме различное количество сопротивлений, работающих параллельно R1, что превращает инвертирующий усилитель в прекрасный сумматор.
Рис 2.
По скольку точка «А», напомню, имеет потенциал земли (и токи стремятся к нулю), то имеем:
Uвх1/R1+Uвх2/R3 = 0Отсюда:
Uвых = — (Uвх1 + Uвх2)Резисторы не обязательно должны быть одинаковыми. Если они различны, то на выходе получим взвешенную сумму. Это явление используют, например, в микшерах, когда необходимо суммировать несколько сигналов от различных источниках и имеющих различные уровни. Количество смешиваемых источников, также, может быть различно.
Резюмируя всё выше сказанное повторюсь об основных особенностях суммирующего усилителя:
1. Имея на дифференциальном входе потенциал земли, токи каждого канала протекают только по «своим» сопротивлениям и не оказывают НИКАКОГО взаимного влияния. Следовательно обеспечивается великолепная межканальная развязка.
2. Коэффициент усиления каждого канала определяется отношением R2 к соответствующему сопротивлению в каждом канале. Следовательно, К усиления может быть и больше единицы (усиливать сигнал) так и меньше единицы (ослаблять сигнал).
3. Поскольку, как отмечалось выше, входное сопротивление суммирующего усилителя целиком определяется сопротивлениями R1, R3, это накладывает некоторые ограничения по выбору Кус и входных конденсаторов (если они необходимы).
Входной ток реальных ОУ не равен нулю. Падения напряжения, создаваемое на резисторах R1, R3 становятся причиной погрешности усилителя. Для устранения этого недостатка, неинвертирующий вход, обычно, соединяют с землёй не напрямую, а через резистор, сопротивление которого равно сопротивлению параллельно включенных резисторов R1,R2 (при R2 намного больше R1, можно принять равным R1).
Чем рассмотренный усилитель лучше чем, скажем, простейшего резистивного сумматора?
Посмотрим на рисунок 3.
Рис 3.
Как видим, всё просто: токи левого и правого каналов протекают по «своим» резисторам R1и R2 и суммируются на нагрузочном сопротивлении R3 (В общей точке «А»). С точки соединения резисторов полученная сумма напряжений снимается и подаётся на следующий каскад усиления (с входным сопротивлением Rвх). Для того, чтобы токи обоих каналов протекали в одном направлении (слева направо) необходимо соблюсти следующие условия: Uвх1 и Uвх2 должны быть как можно больше, а R3 как можно меньше, для того чтобы приблизить потенциал в точке «А» к потенциалу земли. Это условие выполнить практически не возможно. В реальных условиях (на реальном сигнале) происходит следующее. При повышенном, скажем, Uвх1 и заниженном Uвх2 ток в точке «А» будет течь не только по R3, но и часть его потечёт через резистор R2. То есть создастся условие при котором происходит ухудшение условий суммирований.
Рассмотренный способ суммирования токов достаточно распространён, в силу своей простоты. Даже при объединении выходов предыдущих каскадов (на ОУ или транзисторах) в качестве R1 и R2 могут рассматриваться выходные сопротивления соответствующих каскадов, а в качестве R3, входное сопротивление последующего.
То есть любые попытки «улучшить» подобную конструкцию, приводят только к УМЕНЬШЕНИЮ взаимного влияния, но не к устранению недостатков. А вот ограничений и «неудобств» это приносит гораздо больше. По этому такие сумматоры представляют собой «сборище» компромиссов: Увеличение R1 и R2 приводит к улучшению межканальной развязки, но ослабляет сигнал на выходе. Тоже самое и с уменьшением R3. Применение же высокоомных сопротивлений требует от последующего каскада высокого входного сопротивления. Этот же каскад должен иметь завышенный Кус для компенсации ослабления сигналов в делителе.
При всей простоте реализации, резистивный сумматор имеет «врождённые» недостатки. По этому может быть применён в неответственных узлах, и требует от конструкторов особого внимания при согласовании каскадов.
На рисунке 4 представлена практическая схема индикатора уровня сигнала. Стрелочный и пиковый индикатор используется один, для левого и правого канала. Чтобы реализовать это на входе устройства используется сумматор на основе ОУ(DA1). Резисторы R1 и R2 выбраны достаточно большими, с целью облегчения согласования с предыдущими выходными каскадами. Конденсатор С1, образует с входными конденсаторами простейший Г-образный фильтр НЧ и ограничивает работу первого каскада устройства на уровне 15кГц. С этой же целью установлен и конденсатор С3. Конденсатор С2 устраняет постоянную составляющую сигнала.
Рис 4.
На выходе DA1, с помощью R5 выставляется уровень переменного напряжения (на частоте 400 Гц) около 0,5V. Далее сигнал поступает на усилитель стрелочного индикатора и на пиковый индикатор.
На микросхеме DA2.2 реализован вольтметр переменного тока. Для устранения влияния постоянной составляющей на показания измерителя, на входе устройства применён разделительный конденсатор С6. Чтобы сохранить способность вольтметра измерять в области НЧ, ОУ включен по схеме неинвертирующего усилителя с сохранением большого входного сопротивления (равного R11). Применение диодного моста позволяет измерять как положительные, так и отрицательные полупериоды сигнала. А включение головки в цепь обратной связи линеаризует шкалу прибора. Общую начальную чувствительность каскада на DA2.2 можно отрегулировать подбором сопротивления R12.
Пиковый детектор собран на основе компаратора и особенностей не имеет. Резистивным делителем R9 R10 выставляется порог срабатывания устройства (около 0,25 v). При совпадении входного сигнала с пороговым, компаратор переключается и светодиод вспыхивает.
В устройстве были применены советские операционные усилители: в качестве DA1 — К140УД8, в качестве DA2 — К 157УД2. Но поскольку каких-либо требований к ОУ нет, то в устройстве работают практически любые ОУ. Единственное замечание — если использовать стрелочный достаточно высокой чувствительности (с малыми токами отклонения стрелки и шкалой высокого разрешения), в качестве DA2.2 желательно применить ОУ с как можно меньшим током смещения.
Используемая литература:
1. Журнал «Радио» № 4 1977г. «Применение операционных усилителей» Стр. 37—39
2. П. Хоровиц, У. Хилл «искусство схемотехники». Гл., 4 «Обратная связь и операционные усилители».
Ну вот вроде бы и всё.
С уважением, Зотов Юрий.
Юрий (yura)
Ц.Ф.О. Рязань
Живу в нескольких километрах от Рязани.
Работаю в самой Рязани на нефтезаводе. Начальник участка компрессорных установок.
Радиолюбительством занимаюсь с 1989г.
Основные направления интересов: усилители (предварительные, оконечные) и то что с ними связано; устройства обработки звука;аналоговая запись; радиоприём; ну и остальное по-немножку.
datagor.ru
Сумматор антенный. Антенные разветвители и сумматоры телевизионных сигналов. Антенные усилители. Преобразователи частоты телевизионных каналов
Телевизионные разветвители, сумматоры и делители от компании SPIN
Посетив наш итернет-магазин, можно приобрести телевизионные разветвители, делители и сумматоры оптом или в розницу, причем по очень привлекательным ценам. Эти устройства применяются для того, чтобы в любых условиях можно было обеспечить высококачественный прием сигналов при различных его уровнях, диапазонах и направлениях. Они используются весьма широко как в загородных домах, коттеджах и на дачах, так и городских квартирах.
Телевизионные разветвители и сумматоры купить имеет смысл тогда, когда при наличии одного антенного входа необходимо осуществить подключение нескольких приемников, причем осуществить это таким образом, чтобы не приходилось переключать кабель. Их применение позволяет решить эту задачу довольно легко и просто. На предлагаемые нами разветвители и сумматоры цена совсем невысока, они отличаются небольшими габаритными размерами, простотой установки. Конструкция корпусов этих устройств такова, что их можно без труда крепить к любой плоской поверхности (например, к стене) при помощи обычных саморезов.
Сумматоры, делители и разветвители купить у нас можно, предварительно получив консультацию относительно их особенностей и возможностей у наших опытных и квалифицированных менеджеров. Выбор того или иного устройства из широкого ассортимента моделей, представленных в нашем интернет-магазине, должен обуславливаться, прежде всего, теми задачами, которые им предстоит выполнять в каждом конкретном случае.
Выгодные условия для покупателей телевизионных разветвителей, сумматоров и делителей
Телевизионные разветвители, сумматоры и делители мы предлагаем на весьма выгодных условиях, причем как в розницу, так и оптовыми партиями.
Для тех клиентов, которые приобретают сумматоры, делители и разветвители оптом, у нас разработана система скидок, воспользовавшись которой, можно совершить действительно очень выгодную покупку. Для получения более подробной информации о ней можно посетить соответствующий раздел сайта или же связаться с нашими менеджерами по телефону.
На телевизионные сумматоры, делители и разветвители цена у нас совсем невысока и в тех случаях, когда осуществляется их доставка. Она происходит по Санкт-Петербургу, Москве и в другие регионы Российской Федерации, а о ее условиях можно узнать, посетив соответствующий раздел нашего сайта или позвонив менеджерам по телефону.
Оплата этих товаров может производиться различным способами: наличными, электронными деньгами, а также банковским переводом.
Антенные сумматоры видеосигнала: доставка, оплата и гарантия качества
Для оптовых покупателей мы предлагаем выгодные условия сотрудничества и хорошие цены на автомобильные и теливизионные сумматоры видеосигнала. Узнать условия сотрудничества и ваши преимущества вы можете на странице.
ТВ разветвитель видеосигнала и аудиосигнала (антенный ответвитель для телевизора) доставляются по Санкт-Петербургу, Москве и другим городам России. С подробными условиями доставки Вы можете ознакомиться здесь.
Купить и оплатить разветвители и ответвители оптом и в розницу в интернет-магазине SPIN-spb.ru можно несколькими способами: наличными при получении, банковским переводом по счёту или электронными валютами (подробнее).
Нам важна Ваша защищенность, поэтому в нашем интернет-магазине Вы можете вернуть или заменить купленные сумматоры в соответствии с Законом РФ «О защите прав потребителей» и действующим законодательством РФ.
Рассмотрели вопрос выбора кабеля
Подключили антенну к телевизору с помощью штекера
Из чего делать антенну (и вибратор) мы выяснили
Какие бывают рефлекторы мы рассматривали
Выбрали метод крепления стрелы антенны
Сборка антенны. Крепление элементов антенны
Крепление антеннымы рассмотрели
Согласование вибратора промышленной антенны дециметрового диапазона
Все вопросы изготовления антенн и конструкции антенн смотрите
Как подключить две антенны к телевизору с помощью сумматора сигналов.
Бывают случаи, когда необходимо подключить две антенны. Современные телевизоры имеют одно входное
Антенное гнездо. Есть места, где вещание ведется в метровом и дециметровом диапазонах (и цифровое). Известны
Случаи, когда сигналы принимаются из разных направлений на две антенны. В этой ситуации потребуется сумматор
твсигналов.
Если Вам нужны программы для расчета
телефона , то их описание и
Суммирующее устройство, которое я предлагаю, позволяет просуммировать сигналы двух антенн в один кабель.
Конечно, я говорю о случае, когда два сигнала на разных частотах. Правда, одним кабелем пользуются и те, кто
имеет старый телевизор с двумя входными антенными гнездами, чтобы не тянуть до телевизора два кабеля.
В этом случае перед телевизором сигнал опять разветвляется на метровый и дециметровый. Предлагаемое
устройство может просуммировать сигналы. Что собой представляет тв сумматор?
Схему сумматора (делителя) заводского изготовления смотрите
Берем 4 куска провода МГТФ. Это медный многожильный провод во фторопластовой изоляции. Этих проводов есть
несколько типов, и особых ограничений, и требований по их применению нет, но с толстыми жилами не стоит
применять. Поэтому марок провода я не пишу. Я, например, применял МГТФ, в котором: количество жил — 19 ,
диаметр одной жилы — 0,14 мм . Длина отрезков провода — 100…110 мм. Наружный диаметр (по фторопласту) —
Берем кембрик длиной 80 мм и вставляем в него 4 отрезка провода. Кембрик выбрать такой, чтобы 4 провода
хорошо им обжимались и были плотно прижаты друг к другу. В таком кембрике довольно трудно прямолинейно и
параллельно разместить 4 провода без перекручивания, поэтому я обычно беру небольшие колечки кембрика. Эти
колечки я последовательно натягиваю на провода, сохраняя их прямолинейность и параллельность. Набор таких
колец составляет 80 мм.
Рис. 1 Тв сумматор.Телевизионный сумматор. Сумматор тв сигнала. Как подключить две антенны.
Можете вместо кембрика использовать термоусадочную трубку. Размещаете в ней 4 провода и нагреваете. Такая
трубка плотно обжимает провод. Не дожидаясь, когда трубка окончательно остынет, придайте изделию форму дуги.
Так будет удобнее производить последующую распайку с минимальной длиной монтажных проводов.
Выводы проводов зачищаете и распаиваете в соответствии с описанием ниже.
Рис. 2 Тв сумматор. Телевизионный сумматор. Сумматор тв сигнала. Как подключить две антенны.
Рассмотрим распайку тв сумматора на примере суммирования сигналов от метровой и дециметровой антенн в один
Кабель.
Спаять между собой выводы 1 и 3 . В эту точку паять центральную жилу, идущую от дециметровой
антенны.
Спаять между собой выводы 2 и 4 . В эту точку паять центральную жилу, идущую к телевизору .
Спаять между собой выводы 1а и 3а . Соединить эту точку с точкой пайки 2 — 4 куском какого-либо провода.
Спаять между собой выводы 2а и 4а . В эту точку паять центральную жилу, идущую от метровой антенны.
Экраны трех телевизионных кабелей соединить между собой пайк
electric-idea.ru
САМОДЕЛЬНЫЙ УНЧ — ФНЧ, СУММАТОР, СТАБИЛИЗАТОР И БЛОК ЗАЩИТЫ
БЛОК СУММАТОРА И ФНЧ — Сабвуфер у нас один, а сигнал подается с двух каналов, этот блок суммирует два сигнала в один, затем срезает высокие и средние частоты, оставляя только низкие. Фильтр срезает частоты ниже 16Гц и выше 300Гц. Регулирующий фильтр срезает сигнал от 35Гц до 150Гц. Блок имеет регулятор громкости сигнала, фазовый регулятор — для наилучшего согласования сабвуфера с акустикой автомобиля и регулятор для настройки частоты. Принципиальная схема:



ИНДИКАТОР ВЫХОДНОГО СИГНАЛА — собран на двух операционных усилителях. На выходе использовано 8 светодиодов, светодиоды можно использовать буквально любые, которые под рукой. Данный индикатор работает в режиме «столб».
Принципиальная схема:

Индикатор выходного сигнала подключается напрямую к выходу усилителя. Светодиоды смонтированы на отдельной плате, которая прикреплена к передней части корпуса усилителя. Индикатор аудио сигнала и блок защиты смонтированы на общей плате.

После сборки всех комплектующих блоков, можно и приступить к монтажу усилителя, точнее нескольких УМЗЧ — сабвуфера и 4-х каналов, но об этом в следующей главе. Автор — АКА.
Форум по самодельным УНЧОбсудить статью САМОДЕЛЬНЫЙ УНЧ — ФНЧ, СУММАТОР, СТАБИЛИЗАТОР И БЛОК ЗАЩИТЫ
radioskot.ru
