характеристики, datasheet и схема усилителя звука класса D
Добрый день, уважаемые читатели. Сегодня обзор платы усилителя мощности класса Д. Китайцы обещают высокую мощность в компактных размерах.TDA7498 это мостовой усилитель класса D реализованный в маленьком корпусе PowerSSO, способный выдать 2х100 Вт при 10% искажений на 6 Ом при питании 36 В.
Покупал потестировать, без привязки к определенному проекту, благо цена не высока и сравнима с платами на TPA3116.
Упаковка обычная, из комплектации только плата усилителя, даже кабель для входного сигнала не положили.
На али есть несколько вариаций плат на 7498:
Одноканальный вариант платы для сабвуфера.
2.1 канала
Готовый в корпусе с БП
Ну и просто стерео вариант платы, обозреваемый.
Внешний вид платы:
Бросается в глаза радиатор на пол платы, остальное место занимает выходной фильтр и конденсатор питания. На борту так же находится регулятор громкости, сдвоенный переменный резистор.
Характеристики:
Класс: Д TDA7498
Ток покоя: 50 мA
Эффективность: 90%
Максимальная выходная мощность: 2х100 Вт (на 6 Ом при 10% искажений)
Частотный диапазон: 20 Гц до 20 кГц
КНИ: 0.01%
Напряжение питания: 20-36 В
Максимальный потребляемый ток: 7A
Размер печатной платы: 87х72 мм
Снизу:
Ничего примечательного. Плата двухслойная, имеются четыре крепежных отверстия под М3.
Со стороны регулятора громкости:
Красный светодиод индикатор питания, вход реализован на разъеме jst.
Он выступает немного от габарита платы.
Сзади:
Питание однополярное 19-32 В, подключается распространенным разъемом 5,5х2,1. Конденсатор по питанию 35 В 2200 мкФ, больше 30 В давать не желательно.
Под радиатором:
Микросхема реально микро.
Рассмотрим графики из документации.
Зависимость мощности от напряжения питания (на 6 Ом при 10% искажений):
Запас по мощности есть.
Зависимость искажений от мощности (6 Ом):
По графику видно, что после 30 Вт искажения начинают серьезно расти.
Зависимость искажений от частоты (1 Вт):
Это неприятная особенность цифровых усилителей — рост искажений с ростом частоты в слышимой области, в зоне чувствительности уха. Зато для сабвуферов самое то.
АЧХ:
Ну тут все ожидаемо ровно, завалы по 1 Дб.
Блоки питания для тестов:
Переключаемый 12-24В 4 А от мини станка и толковый 15 В 4,5 А.
От 15В усилитель работает хорошо, от 12 В нет.
На выходе у усилителя нет бездуховного цифрового шума:
Прослушивание:
Музыка разноплановая, в формате flac. Акустика 4 Ом, переварит и 200 Вт.
Больше понравилось с БП на 15 В 4,5 А, видимо, он более качественный. На 24 В, как и видно по графикам, звучание более грязное, все сваливается в кашу. С четырех омной акустикой проблем не было, хоть в документации минимум 6 Ом.
При мощности в пределах до 10 Вт — звучание усилителя проработанное, довольно детальное, басы упругие, но как показалось, более панчевые.
В целом, хочется отметить, действительно высокую мощность, но за это придется заплатить слышимыми искажениями. Для озвучки большого помещения или шашлыков на улице — на максимальной мощности будет самое то.
Кто ищет класс Д для ежедневного прослушивания стоит обратить внимание на TA2022 и TPA3116.
Спасибо за внимание! Удачных конструкций и побольше слушайте хорошей музыки.
mysku.ru
TDA1010 TDA1010 datasheet | Моно усилитель 6(10) Вт Напряжение питания — 6…24 B Максимальный потребляемый ток — 3 A Выходная мощность (Un =14,4 В,.КНИ=10%): |
TDA1011 TDA1011 datasheet | Моно усилитель 2(6) Вт Напряжение питания — 3,6…20 B Максимальный потребляемый ток — 3 A Выходная мощность (RL=4 Ом, КНИ=10%): |
TDA1013B TDA1013 datasgeet | Моно усилитель 4 Вт Напряжение питания — 10…40 B Максимальный потребляемый ток — 1,5 A Выходная мощность (КНИ=10%) — 4,2 ВтКНИ (Р=2,5 Вт, RL=8 Ом) — 0,15 % |
TDA1015 TDA1015 datasheet | Моно усилитель 1(4) Вт Напряжение питания — 3,6…18 В Максимальный потребляемый ток — 2,5 А Выходная мощность (RL=4 Ом, КНИ=10%): |
TDA1020 TDA1020 datasheet | Моно усилитель 12 Вт Напряжение питания — 6…18 В Максимальный потребляемый ток — 4 А Выходная мощность (Un =14,4 В, КНИ=10%): |
TDA1510 TDA1510 datasheet | Моно\стерео усилитель 24 Вт, 2х12 Вт Напряжение питания — 6…18 В Максимальный потребляемый ток — 4 А Выходная мощность (Un=14,4B RL=4 Oм): |
TDA1514 TDA1514 datasheet | Моно усилитель 50 Вт Напряжение питания — ±10…±30 В Максимальный потребляемый ток — 6,4 А Выходная мощность: |
TDA1515 TDA1515 datasheet | Моно\стерео усилитель 24 Вт, 2х12 Вт Напряжение питания — 6…18 В Максимальный потребляемый ток — 4 А Выходная мощность (Un =14,4 В, КНИ=0,5%): RL=4 Ом — 5,5 Вт Выходная мощность (Un=14,4 В, КНИ=10%): |
TDA1516 TDA1516 datasheet | Моно\стерео усилитель 24 Вт, 2х12 Вт Напряжение питания — 6…18 В Максимальный потребляемый ток — 4 А Выходная мощность (Un =14,4 В, КНИ=0,5%): Выходная мощность (Un =14,4 В, КНИ=10%): |
TDA1517 TDA1517 datasheet | Стерео усилитель 2х6 Вт Напряжение питания — 6…18 В Максимальный потребляемый ток — 2,5 А Выходная мощность (Un=14,4B RL=4 Oм): |
TDA1518 TDA1518 datasheet | Моно\стерео усилитель 24 Вт, 2х12 Вт Напряжение питания — 6…18 В Максимальный потребляемый ток — 4 А Выходная мощность (Un =14,4 В, КНИ=0,5%):RL=2 Ом — 8,5 Вт RL=4 Ом — 5 Вт Выходная мощность (Un =14,4 В, КНИ=10%): |
TDA1519 TDA1519 datasheet | Стерео усилитель 2х6 Вт Напряжение питания — 6…18 В Максимальный потребляемый ток — 4 А Выходная мощность (Uп=14,4 В, КНИ=0,5%): Выходная мощность (Un =14,4 В, КНИ=10%): Ток покоя — 80 мА |
TDA1551 TDA1551 datasheet | Стерео усилитель 2х22 Вт Напряжение питания -6…18 В Выходная мощность (Un =14,4 В, RL=4 Ом): |
TDA1552 TDA1552 datasheet | Стерео усилитель 2х22 Вт Напряжение питания — 6…18 В Максимальный потребляемый ток — 4 А Выходная мощность (Un =14,4 В, RL=4 Ом): КНИ=10% — 22 ВтТок покоя — 160 мА |
TDA1553 TDA1553 datasheet | Стерео усилитель 2х22 Вт Напряжение питания — 6…18 В Максимальный потребляемый ток — 4 А Выходная мощность (Uп=4,4 В, RL=4 Ом): Ток покоя — 160 мА |
TDA 1554 TDA1554 datasheet | Квадро\стерео усилитель 4х11 Вт\ 2х22 Вт Напряжение питания — 6…18 В Максимальный потребляемый ток — 4 А Выходная мощность (Uп =14,4 В, RL=4 Ом): |
TDA2004 TDA2004 datasheet | Стерео усилитель 2х10 Вт Напряжение питания — 8…18 В Максимальный потребляемый ток — 3,5 А Выходная мощность (Un=14,4 В, КНИ=10%): Ток покоя — <120 мА |
TDA2005 TDA2005 datasheet Готовое устройство | Моно\стерео усилитель 20 Вт\ 2х10 Вт Напряжение питания — 8…18 В Максимальный потребляемый ток — 3,5 А Выходная мощность (Uп =14,4 В, КНИ=10%):RL=4 Ом — 20 Вт Ток покоя — <160 мА |
TDA2006 TDA2006 datasheet | Моно усилитель 12 Вт Напряжение питания — ±6…±15 В Максимальный потребляемый ток — 3 А Выходная мощность (Еп=±12В,КНИ=10%): Полоса пропускания (по уровню -3 дБ) — 20…100000 ГцТок потребления: |
tda2007 TDA2007 datasheet | Стерео усилитель 2х6 Вт Напряжение питания — +6…+26 В Ток покоя (Eп=+18 В) — 50…90 мА Выходная мощность (КНИ=0,5 %): Максимальный ток потребления — 3 А |
TDA2008 TDA2008 datasheet | Моно усилитель 12 Вт Напряжение питания — +10…+28 В Ток покоя (Еп=+18 В) — 65…115 мА Выходная мощность (Еп=+18В, КНИ= 10%): Максимальный ток потребления — 3 А |
TDA2009 TDA2009 datasheet | Стерео усилитель 2х10 Вт Напряжение питания — +8…+28 В Ток покоя (Еп=+18 В) — 60…120 мА Выходная мощность (Еп=+24 В, КНИ=1 %): Выходная мощность (Еп=+18 В, КНИ=1 %): Полоса пропускания (по уровню -3 дБ) — 20…80000Гц Максимальный ток потребления — 3,5 А |
TDA2030 TDA2030 datasheet | Hi-Fi моно усилитель 14 Вт Напряжение питания — ±6…±18 В Ток покоя (Еп=±14 В) — 40…60 мА Выходная мощность (Еп=±14 В, КНИ = 0,5 %): Полоса пропускания (по уровню -3 дБ) — 10…140000 ГцТок потребления: |
TDA2040 TDA2040 datasheet | Hi-Fi моно усилитель 25 Вт Напряжение питания — ±2,5…±20 В Ток покоя (Еп=±4,5…±14 В) — мА 30…100 мА Выходная мощность (Еп=±16 В, КНИ = 0,5 %): Максимальный ток потребления — 4 А |
TDA2050 TDA2050 datasheet | Hi-Fi моно усилитель 32 Вт Напряжение питания — ±4,5…±25 В Ток покоя (Еп=±4,5…±25 В) — 30…90 мА Выходная мощность (Еп=±18, RL = 4 Ом, КНИ = 0,5 %) — 24…28 ВтКНИ (Еп=±18В, P=24Bт, RL=4 Ом) — 0,03…0,5 % Полоса пропускания (по уровню -3 дБ) — 20…80000 Гц Максимальный ток потребления — 5 А |
TDA2051 TDA2051 datasheet | Hi-Fi моно усилитель 40 Вт Напряжение питания — ±18…±25 В Выходная мощность: |
TDA2052 TDA2052 datasheet | Hi-Fi моно усилитель 60 Вт Напряжение питания — ±6…±25 В Ток покоя (En = ±22 В) — 70 мА Выходная мощность (Еп = ±22 В, КНИ = 10%): Выходная мощность (En = 22 В, КНИ = 1%): |
TDA2611 TDA2611 datasheet | Моно усилитель 5 Вт Напряжение питания — 6…35 В Ток покоя (Еп=18 В) — 25 мА Максимальный ток потребления — 1,5 А Выходная мощность (КНИ=10%): при Еп=18 В, RL=8 Ом — 4 Вт КНИ (при Рвых=2 Вт) — 1 % Полоса пропускания — >15 кГц |
TDA2613 TDA2613 datasheet | Hi-Fi моно усилитель 6 Вт Напряжение питания — 15…42 ВКНИ: Максимальный ток потребления — 2,2 А |
TDA2614 TDA2614 datasheet | Hi-Fi моно усилитель 6 Вт Напряжение питания — 15…42 В Максимальный ток потребления — 2,2 А Ток покоя (Еп=24 В) — 35 мАКНИ: Полоса пропускания (по уровню -3 дБ) — 30…20000 Гц |
TDA2615 TDA2615 datasheet | Hi-Fi стерео усилитель 2х6 Вт Напряжение питания — ±7,5…21 В Максимальный потребляемый ток — 2,2 А Ток покоя (Еп=7,5…21 В) — 18…70 мА Выходная мощность (Еп=±12 В, RL=8 Ом): Полоса пропускания (по уровню-3 дБ и Рвых=4 Вт) — 20…20000 Гц |
TDA2822 TDA2615 datasgeet | Стерео усилитель 2х1,7 Вт Напряжение питания — 3…15 В Максимальный потребляемый ток — 1,5 А Ток покоя (Еп=6 В) — 12 мА Выходная мощность (КНИ=10%, RL=4 Ом): |
TDA7052 TDA7052 datasheet | Моно усилитель 1 Вт Напряжение питания — 9…18 В Максимальный потребляемый ток — 1,5 А Ток покоя 100 мА Выходная мощность: |
TDA7053 TDA7053 datasheet | Стерео усилитель 2х1 Вт Напряжение питания — 6…18 В Максимальный потребляемый ток — 1,5 А Ток покоя 100 мА Выходная мощность:
|
TDA2824 TDA2824 datasheet | Стерео усилитель 2х2 Вт Напряжение питания — 3…15 В Максимальный потребляемый ток — 1,5 А Ток покоя (Еп=6 В) — 12 мА Выходная мощность (КНИ=10%, RL=4 Oм) КНИ (Еп=9 В, RL=8 Ом, Рвых=0,5 Вт) — 0,2 % |
TDA7231 TDA7231 datasheet | Моно усилитель 1,6 Вт Напряжение питания — 1,8…16 В Максимальный потребляемый ток — 1,0 А Ток покоя (Еп=6 В) — 9 мА Выходная мощность (КНИ=10%): КНИ (Еп=6 В, RL=8 Ом, Рвых=0.2 Вт) — 0,3 % |
TDA7235 TDA7235 datasheet | Моно усилитель 1,6 Вт Напряжение питания — 1,8…24 В Максимальный потребляемый ток — 1,0 А Ток покоя (Еп=12 В) — 10 мА Выходная мощность (КНИ=10%): КНИ (Еп=12В, RL=8 Oм, Рвых=0,5 Вт) — 1,0 % |
TDA7240 TDA7240 datasheet | Моно усилитель 20 Вт Максимальное напряжение питания — 18 В Максимальный потребляемый ток — 4,5 А Ток покоя (Еп=14,4 В) — 120 мА Выходная мощность (Еп=14,4 В, КНИ=10%): КНИ: (Еп=14,4 В, RL=8 Ом, Рвых=12Вт) — 0,05 % Полоса пропускания по уровню -3 дБ (RL=4 Ом, Рвых=15 Вт) — 30…25000 Гц |
TDA7241 TDA7241 datasheet | Моно усилитель 20 Вт Максимальное напряжение питания — 18 В Максимальный потребляемый ток — 4,5 А Ток покоя (Еп=14,4 В) — 80 мА Выходная мощность (Еп=14,4 В, КНИ=10%): КНИ: Полоса пропускания по уровню -3 дБ (RL=4 Ом, Рвых=15 Вт) — 30…25000 Гц |
TDA1555Q TDA1555 datasheet | Квадро\стерео усилитель 4х11 Вт\2х22 Вт Напряжение питания — 6…18 B Максимальный потребляемый ток — 4 А Выходная мощность (Uп =14,4 В. RL=4 Ом): |
TDA1557Q TDA1557 datasheet | Стерео усилитель 2х22 Вт Напряжение питания — 6…18 В Максимальный потребляемый ток — 4 А Выходная мощность (Uп =14,4 В, RL=4 Ом): — КНИ=0,5% — 17 Вт Ток покоя, мА 80 |
TDA1556 TDA1556 datasheet | Стерео усилитель 2х22 Вт Напряжение питания -6…18 В Максимальный потребляемый ток -4 А Выходная мощность: (Uп=14.4 В, RL=4 Ом): |
TDA1558 TDA1558 datasheet | Квадро\стерео усилитель 4х11 Вт\ 2х22 Вт Напряжение питания — 6..18 В Максимальный потребляемый ток — 4 А Выходная мощность (Uп=14 В, RL=4 Ом): |
TDA1561Q TDA1561 datasheet | Стерео усилитель 2х23 Вт Напряжение питания — 6…18 В Максимальный потребляемы ток — 4 А Выходная мощность (Uп=14В, RL=4 Ом): — КНИ=0.5% — 18 Вт Ток покоя — 150 мА |
TDA1904 TDA1904 datasheet | Моно усилитель 4 Вт Напряжение питания — 4…20 В Максимальный потребляемы ток — 2 А Выходная мощность (RL=4 Ом, КНИ=10%): КНИ (Uп=9 В, P<1,2 Вт, RL=4 Ом) — 0,3 % Ток покоя — 8…18 мА |
TDA1905 TDA1905 datasheet | Моно усилитель 5 Вт Напряжение питания — 4…30 В Максимальный потребляемы ток — 2,5 А Выходная мощность (КНИ=10%) КНИ (Uп=14 В, P<3,0 Вт, RL=4 Ом) — 0,1 % Ток покоя — <35 мА |
TDA1910 TDA1910 datasheet | Моно усилитель 10 Вт Напряжение питания — 8…30 В Максимальный потребляемы ток — 3 А Выходная мощность (КНИ=10%): КНИ (Uп=24 В, P<10,0 Вт, RL=4 Ом) — 0,2 % Ток покоя — <35 мА |
TDA2003 TDA2003 datasheet Готовое устройство | Моно усилитель 10 Вт Напряжение питания — 8…18 В Максимальный потребляемый ток — 3,5 А Выходная мощность (Uп=14В, КНИ=10%): КНИ (Uп=14,4 В, P<4,5 Вт, RL=4 Ом) — 0,15 % Ток покоя — <50 мА |
TDA7293 TDA7293 datasheet | Моно усилитель 100 Вт Напряжение питания — ±12…50 В Максимальный потребляемы ток — 10 А Выходная мощность : КНИ (PO = 5W; f = 1kHz PO = 0.1 to 50W; f = 20Hz to 15kHz) — 0,1 % |
TDA7294 TDA7294 datasheet | Моно усилитель 100 Вт Напряжение питания — ±12…40 В Максимальный потребляемы ток — 10 А Выходная мощность : КНИ (VS = ±27V, RL = 4Ω: PO = 5W; f = 1kHz PO = 0.1 to 50W; f = 20Hz to 20kHz) — 0,1 % |
ampexpert.ru
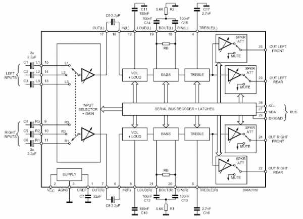
Electronics Life: Аудиопроцессор TDA7313
Несколько лет назад в рамках курсового проекта мы с напарником разработали и сделали усилитель с аудиопроцессором TDA7313. Как то меня потянуло на былые времена, вот и захотел рассказать, что это за микросхема и с чем ее едят. Сразу предупреждаю, что
микросхема эта очень старая (выпускалась еще 20 лет назад), но несмотря
на это ее по прежнему производят (наверное).
С datasheet-ом на эту микросхему можно ознакомиться по ссылке ниже:
Рассмотрим структуру TDA7313:

Работать с этим аудиопроцессором очень просто и приятно. Для начала нужно передать по I2C старт-бит, потом передать адрес микросхемы и в конце запросить подтверждение (ACK) путем подачи еще одного такта на линию SCL шины I2C (см. рисунок ниже):
S = Start
ACK = Acknowledge
Адрес всегда фиксирован, по этому нельзя управлять более чем одной микросхемой на одной шине. Из микросхемы нельзя ничего читать (по крайней мере этого я не нашел в документации), по этому младший бит адреса, отвечающий за направление передачи, от ведомого к ведущему или наоборот, всегда равен нулю.
После того как будет передан адрес микросхемы передается байт данных. Старшие биты этого байта указывают на то, какому из внутренних регистров микросхемы предназначаются данные, а остача бит — это само значение, записываемое в регистр. Ниже приведена таблица регистров из документации. Представим себе, что мы хотим установить громкость. Управлять громкостью для этой микросхемы значит ослабить входной сигнал в некоторое количество dB. Пусть интересующее значение ослабления равно -50.125 dB. Чтобы решить данную задачу мы должны записать в регистр Volume control значение соответствующее -50.125 dB. Для этого подготовим байт данных. Два старших бита этого байта должны быть равными 0, т.к. адрес интересующего нас регистра это два нуля (см. таблицу). Значение ослабления I = 10Bx + 1,25Ax (см. таблицу сверху), где Ax — десятичное числовое значение, кодируемое группой битов А; Bx — десятичное числовое значение, кодируемое группой битов B. Т.е. значению в 50.125 dB отвечает двоичное число 101001b. Следовательно наш байт данных для установки нужной нам громкости равен 0b00101001.
Получается, что для того, чтобы установить уровень громкости соответствующий ослаблению в 50.125 dB нужно передать по I2C следующую информацию:
S — старт бит
0b10001000 — адрес микросхемы и направление от ведущего к ведомому
ACK — запрос подтверждения (ведущий должен выдать SCK, ведомый ответит нулем на SDA)
0b00101001 — записать в регистр Volume control значение соответствующее -50.125 dB
P — стоп бит (опционально, если не хотим записывать в другие регистры)
Вообще в документации приведены таблицы различных значений для каждого регистра.
Отдельно
хотелось бы поговорить о регистре Audio swich, т.к. он немного
отличается от других регистров тем, что содержит в себе настройки не
одного параметра, а сразу нескольких. С помощью этого регистра можно:
выбрать вход путем переключения входных аналоговых мультиплексоров,
включить или выключить тонкомпенсацию, задать общий коэффициент
усиления микросхемы.

void Init(void) — инициализация
void SetVolume(uint8_t vol) — установка громкости от 0 до 100%
void
SetFrontBalance(uint8_t leftValue,uint8_t rightValue) — регулировка
баланса передних динамиков. Входные параметры от 0 до 10 единиц.
void SetRearBalance(uint8_t leftValue,uint8_t rightValue) — регулировка баланса задних динамиков.
void SetBass(int8_t bass) — регулировка тембра НЧ (от -14 до 14 дБ).
void SetTreble(int8_t treble) — регулировка тембра ВЧ (от -14 до 14 дБ).
void SelInput(Input_t input) — выбор стерео входа. Входным параметром может быть:
- INPUT_1
- INPUT_2
- INPUT_3
- INPUT_4 — физически не выведен на выводы микросхемы
- LOUDNESS_ON — включить тонкомпенсацию
- LOUDNESS_OFF- выключить тонкомпенсацию
- AMP_PLUS_11_25_dBm
- AMP_PLUS_7_5_dBm
- AMP_PLUS_3_75_dBm
- AMP_PLUS_0_dBm
Исходник библиотеки для работы с TDA7313, а также драйвер I2C для МК stm8s здесь:
Библиотека для работы с TDA7313
Для работы на других МК изменять библиотеку для работы с TDA7313 не нужно, только реализацию I2C.
На этом все.
digithobby.blogspot.com
Схема включения TDA7384, TDA7560
Подробно о том, какой мощности нужен блок питания для усилителя мощности можно помотреть на видео ниже. Для примера взят усилитель STONECOLD, однако данный замер дает понимание тог, что мощность сетевого трансформатора может быть меньше мощности усилителя примерно на 30%.
Следует заметить, что TDA7560 уже считается устаревшей, поэтому цена на нее снизилась реально ниже плинтуса — 1,8$ за штуку с бесплатной доставкой. При покупке пяти штук их можно приобрести по 1,5$ за корпус. Купить можно ЗДЕСЬ.
Адрес администрации сайта: [email protected] НЕ НАШЕЛ, ЧТО ИСКАЛ? ПОГУГЛИ:
|
soundbarrel.ru
Звуковой усилитель на TDA 2030, TDA2040, TDA2050 – схема
Блок оконечных усилителей низкой частоты. УНЧ, часть 5.
Медленно, но верно, продвигаясь к окончанию постройки звукового усилителя, публикую очередную статью из цикла «Самодельный усилитель и колонки для компьютера, плеера или мобильного телефона».
В статье описана конструкция блока оконечного стерео усилителя низкой частоты мощностью 2х10 Ватт и даны некоторые советы по организации охлаждения микросхем.
Самые интересные ролики на Youtube
Другие статьи посвящённые постройке этого УНЧ.
Как рассчитать и намотать силовой низкочастотный трансформатор для блока питания УНЧ? FAQ.
Самодельный усилитель и колонки для компьютера, плеера или мобильного телефона из доступных деталей. УНЧ, часть 1.
Техническое задание и сборочный чертёж для самодельного усилителя. УНЧ, часть 2.
Блок питания для усилителя низкой частоты из доступных деталей. УНЧ, часть 3.
Блок электронной регулировки громкости, стереобазы и тембра. УНЧ, часть 4.
Простые технологии обработки пластмассы и металла. УНЧ, часть 6.
Финальная сборка, наладка и испытание. УНЧ, часть 7.
Выбор микросхемы для УНЧ.

Выбирая тип микросхемы для УНЧ, я просмотрел даташиты на несколько современных микросхем – усилителей мощности, но либо стоимость оказывалась внебюджетной, либо уровень искажений подозрительно высоким, либо питание однополярное.
Исходя из поговорки «Лучшее – враг хорошего», вернулся к старой проверенной линейке микросхем: TDA2030, TDA2040, TDA2050.
Микросхемы TDA2030A удалось купить на местном радиорынке всего по 0,38$.
Микросхема TDA2030A (К174УН19).

Микросхема TDA2030A представляет собой мощный операционный усилитель с низким уровнем гармонических искажений (THD Total Harmonic Distortion) менее 0,08%.
Микросхема имеет встроенную тепловую защиту, которая срабатывает при температуре кристалла 150ºС, и защиту от коротких замыканий, которая может защитить микросхему в течение 10 секунд при перегрузке.
Микросхему можно питать от двухполярного источника питания, что не создаёт дополнительных трудностей с пульсацией напряжения питания и щелчками при включении.
Советский аналог этой микросхемы К174УН19.
Предельные эксплутационные данные.
Напряжение питания – ±6… ±22 В*,
Максимальное входное напряжение – ±15 В,
Максимальные выходной ток – 3,5 А,
Максимальная температура кристалла – 150ºС,
Максимальная мощность, рассеиваемая микросхемой, при температуре корпуса ≤ 90ºС – 20 Вт.
——————————
* Предельное допустимое напряжение для К174УН19 — ±6… ±18 В
Электрическая схема включения микросхемы TDA2030.
Оконечные усилители собраны по типовой схеме. На чертеже изображён один из каналов оконечного усилителя.

C1, C8 – 100mkF
C2, C4, C7 – 0,22mkF
C3 – 1mkF
C5 – 47mkF
C6* – 15… 82pF
R1, R5 – 22k
R2 – 1Ω
R3 – 1k
R6 – 680R
R7* – 2k
FU1, FU2 – 1A
VD1, VD2 – КД208
Назначение элементов схемы.
С3 – разделительный. R5, R6, C5 – цепь отрицательной обратной связи по переменному току, которая определяет коэффициент усиления, где R5 и R6 делитель напряжения, а C5 – разделительный. Уменьшение номинала R6 увеличивает коэффициент усиления, а увеличение наоборот.
VD1, VD2 – защищают выходной каскад от пробоя при работе на индуктивную нагрузку.
C1, C2, C7, C8 – блокировочные.
R2, C4 – цепь, предотвращающая самовозбуждение.
R7*, C6* – эта цепочка устанавливается в случае самовозбуждения (опционально).
R3 – балластный резистор, ограничивающий мощность подводимую у телефонам (наушникам).
FU1, FU2 – предохранители, защищающие блок питания от перегрузки при замыкании в цепи нагрузки или выходе микросхемы из строя.
Печатная плата.

Печатная Плата (ПП) спроектирована исходя из имеющихся радиоэлементов и корпуса.
Рациональнее было бы разместить блок питания и оконечные усилители на одной печатной плате, но сделать это не позволила конструкция корпуса, а именно то обстоятельство, что большую часть корпуса занял силовой трансформатор.

Для увеличения сечения дорожек и уменьшения расхода хлорного железа, площадь дорожек была увеличена с использованием инструмента «Полигон».
На картинке фрагмент печатной платы, выполненной из стеклотекстолита сечением 1мм, по описанной здесь технологии.
Для повышения надёжности и ремонтопригодности, в отверстиях, предназначенных для установки плавких вставок, развальцованы медные пустотелые заклёпки (пистоны) поз.1.
Для соединения с другими блоками усилителя, в соответствующие отверстия платы заклёпаны медные штырьки поз.2.
This movie requires Flash Player 9 |
||
На интерактивной картинке видно, как собиралась эта печатная плата. Добавил этот ролик, так как, как раз во время сборки экспериментировал с цейтраферной съёмкой. Чтобы «управлять» картинкой, потяните изображение мышкой.

В качестве предохранителей я использовал отрезки отдельных жил провода МГТФ (провод во фторопластовой изоляции) диаметром 0,07мм. Такие импровизированные плавкие вставки заменяют предохранители номиналом около 1-го Ампера.

При установке микросхемы TDA2030 на радиатор, нужно иметь в виду, что корпус этого чипа соединён с минусом источника питания. Если на один радиатор устанавливаются сразу две микросхемы, то нужно предусмотреть и установку изоляционных прокладок. Последние можно выполнить из любого материала обеспечивающего зазор в 0,03… 0,05мм между сопрягаемыми поверхностями. Например, можно использовать марлю, бинт или канву, пропитанную термопроводящей пастой КПТ-8.
Крепление удобно осуществлять винтами М2,5, на которые нужно предварительно надеть изоляционные шайбы и отрезки изоляционной трубки (кембрика).

На этой картинке изображен разрез соединения микросхемы с радиатором охлаждения.
- Винт М2,5.
- Шайба стальная М2,5.
- Шайба изоляционная М2,5.
- Корпус микросхемы.
- Прокладка – отрезок трубки (кембрика).
- Прокладка – х/б канва, пропитанная пастой КПТ-8.
- Радиатор охлаждения.
Несколько советов по выбору радиатора охлаждения.
Расчёт радиатора пассивного охлаждения сопряжён со сложными вычислениями и измерениями. Результаты зависят от множества переменных, а значения некоторых из них радиолюбителю могут быть неизвестны.
Однако есть несколько простых правил, которые позволяют обеспечить надёжное охлаждение любых компонентов электронной аппаратуры.
- Нужно обеспечить хороший контакт полупроводникового элемента с радиатором. Для этого желательно хорошо выровнять контактируемую поверхность радиатора и применить теплопроводную пасту КПТ-8 или любую другую. Когда нет ничего подходящего, можно использовать силиконовую смазку.
- При использовании изоляционных прокладок между микросхемой и радиатором, использование теплопроводной пасты обязательно.
- Лучше всего выбирать радиаторы чёрного цвета с матовой поверхностью.
- Снижение температуры на 10ºС увеличивает ресурс микросхемы вдвое.
- Не стоит поднимать температуру радиатора выше 60… 65ºС, а температуру корпуса микросхемы выше 80… 85ºС.
Ориентировочно, необходимую площадь радиатора можно определить при помощи калькулятора, скачав последний из «Дополнительных материалов» к этой статье. Для данного УНЧ, необходимая площадь радиатора – 310см² и более.
Испытание блока оконечного усилителя.

Это схема подключения оконечного УНЧ при тестировании. Проверять каналы УНЧ лучше по-очереди. Коммутировать питание можно установкой или удалением соответствующих предохранителей.
Нагрузкой могут служить 10-ти Ваттные резисторы типа ПЭВ сопротивлением 4Ω.
Вначале нужно подать питание на микросхему и убедиться в том, что она не греется. Если микросхема греется из-за возбуждения на ультразвуковых частотах, то нужно установить цепочку C6*, R7*.
Возбуждаться микросхема может так же, если между блокировочными ёмкостями и микросхемой слишком длинные дорожки ПП или проводники.
Затем, подав на микросхему сигнал и доведя его уровень до ограничения на выходе, нужно проследить за динамикой повышения температуры. Если температура радиатора не превышает 60… 65ºС, а температура корпуса микросхемы – 80… 85ºС, то можно считать, что тепловой режим в норме.

Если на радиаторе установлены сразу две микросхемы, то после того, как каждая из них будет проверена, нужно включить обе микросхемы и снова проверить тепловой режим при максимальной выходной мощности усилителя.
Дополнительные материалы к статье.
Скачать чертёж печатной платы в формате LAY (58КБ).
Скачать калькулятор приблизительного расчёта площади радиатора охлаждения микросхем в формате EXL (3КБ).
Портативная программа Sprint Layout 6.0 для рисования, редактирования и вывода на печать печатных плат. Интерфейс русский. (4,4МБ).
7 Январь, 2011 (23:39) в Аудиотехника, Сделай сам
oldoctober.com
Назначение выводов микросхемы TDA9381PS (TDA9351).
Цоколевка выводов микросхемы TDA9381PS (TDA9351)приведена на рисунке.
(Для увеличения изображения щелкните по картинке)
Назначение выводов TDA9381PS (TDA9351)
№ — Обозначение — Назначение
1 — P1.3/T1 — Не подключен
2 — P1.6/SCL — Шина синхронизации I2C (SCL)
3 — P1.7/SDA — Шина данных I2C (SDA)
4 — P2.0/TPWM — Отключение звука
5 — P3.0/ADC0 — Не подключен
6 — P3.1/ADC1 — Не подключен
7 — P3.2/ADC2 — Выход клавиатуры
8 — P3.3/ADC3 — Не подключен
9 — VSSC/P — Цифровая земля
10 — P0.5 — Выход индикатора
11 — P0.6 — Не подключен
12 — VSSA — Земля
13 — SECPLL — Развязка по цепи SECAM
14 — VP2 — Напряжение питания +8В
15 — DECDIG — Развязка по цепи процессора
16 — Ph3LF — Фильтр 2-ой петли обратной связи ФАПЧ
17 — Ph2LF — Фильтр 1-ой петли обратной связи ФАПЧ
18 — GND3 — Земля
19 — DECBG — Развязка
20 — AVL/EWD(1) — Развязка по AVL/коррекция линий
21 — VDRB — Выход кадровой пилы инвертированной
22 — VDRA — Выход кадровой пилы не инвертированной
23 — IFIN1 — Вход ПЧ
24 — IFIN2 — Вход ПЧ
25 — IREF — Задающий резистор кадровой пилы
26 — VSC — Задающий конденсатор кадровой пилы
27 — TUNERAGC — Выход АРУ тюнера
28 — AUDEEM/SIFIN(1) — Нерегулируемый выход звука
29 — DECSDEM/SIFIN(1) — Развязка по цепи детектора звука
30 — GND2 — Земля
31 — SNDPLL/SIFAGC(1) — Фильтр петли звука
32 — AVL/SNDIF/REF0 — Не подключен
33 — HOUT — Выход строчного импульса запуска
34 — FBISO — Вход СИОХ, выход 3-х уровневого импульса
35 — AUDEXT/QSSO/AMOUT — Вход НЧ звука от внешнего источника
36 — EHTO — Вход защиты от перенапряжения
37 — PLLIF — Фильтр петли обратной связи
38 — IFVO/SVO — Выход ПЧ видеосигнала
39 — VP1 — Напряжение питания +8В
40 — CVBSINT — Вход полного видеосигнала
41 — GND1 — Земля
42 — CVBS/Y — Вход внешнего видеосигнала
43 — CHROMA — Вход SVHS
44 — AUDOUT/AMOUT(1) — Регулируемый выход звука
45 — INSSW2 — Коммутация внешних RGB-сигналов
46 — R2/VIN — Внешний вход канала красного
47 — G2/YIN — Внешний вход канала зеленого
48 — B2/UIN — Внешний вход канала синего
49 — BCLIN — Вход ограничения тока луча
50 — BLKIN — Вход измерительного тока АББ
51 — RO — Выход канала красного
52 — GO — Выход канала зеленого
53 — BO — Выход канала синего
54 — VDDA — Питание +3,3В
55 — VPE — Земля
56 — VDDC — Питание +3,3В
57 — OSCGND — Земля генератора
58 — XTALIN — Вход кварцевого генератора
59 — XTALOUT — Выход кварцевого генератора
60 — RESET — Земля (сброс)
61 — VDDP — Питание +3,3В
62 — P1.0INT1 — Шина синхронизации I2C (SCL)
63 — P1.1/T0 — Шина данных I2C (SDA)
64 — P1.2/INT0 — Вход сигнала от фотоприемника
—————————————
http://remtv.blogspot.com/ — Ремонт телевизоров
e-mail: [email protected]
Если Вас нужна независимая оценка такая как — оценка акций для наследства, в этом поможет оценочная компания ОМЕГА.
remtv.blogspot.com
Усилитель НЧ на TDA7386 4 канала по 45Вт
Привет дорогие друзья! Сегодня мы рассмотрим сборку усилителя на микросхеме TDA7386. Данная микросхема представляет собой четырех канальный усилитель низкой частоты класса АВ, с максимальной выходной мощностью 45Вт на один канал, на нагрузке 4Ом.
Предназначена TDA7386 для повышения мощности автомобильных радиоприемников, автомагнитол, может использоваться в качестве домашнего усилителя, а также для проведения каких-либо вечеринок в помещении или мероприятий на природе.
Схема усилителя на TDA7386 на мой взгляд наипростейшая, собрать может любой новичок, как навесным монтажом так и на печатной плате. Еще один замечательный плюс усилителя собранного по данной схеме, это очень маленькие габариты.
Микросхема TDA7386 имеет защиту от короткого замыкания на выходных каналах и защиту от перегрева кристалла.
Даташит на данную микросхему можете скачать в самом низу статьи.
Основные характеристики TDA7386:
- Напряжение питания от 6 до 18 Вольт
- Пиковое значение выходного тока 4,5-5А
- Выходная мощность на 4Ом 10% THD 24Вт
- Выходная мощность на 4Ом 0,8% THD 18Вт
- Максимальная выходная мощность на нагрузке 4Ом 45Вт
- Коэффициент усиления 26дБ
- Сопротивление нагрузки не менее 4Ом
- Температура кристалла 150 градусов Цельсия
- Диапазон воспроизводимых частот 20-20000 Гц.
Усилитель может быть собран по двум схемам, первая:
Номиналы компонентов:
С1,С2,С3,С4,С8 – 0,1мкФ
С5 – 0,47мкФ
С6 – 47мкФ 25В
С7 – 2200мкФ и более 25В
С9,С10 – 1мкФ
R1 – 10кОм 0,25Вт
R2 – 47кОм 0,25Вт.
И вторая схема:
Номиналы компонентов:
С1,С6,С7,С8,С9,С10 – 0,1мкФ
С2,С3,С4,С5 – 470пФ
С11 — 2200мкФ и более 25В
С12,С13,С14 – 0,47мкФ
С15 – 47мкФ 25В
R1,R2,R3,R4 – 1кОм 0,25Вт
R5 – 10кОм 0,25Вт
R6 – 47кОм 0,25Вт.
Различие лишь в обвязке микросхемы, а принцип не меняется.
Мы будем собирать по первой схеме, если кому-либо интересна вторая схема, можете прочитать статью: “Автомобильный усилитель на TDA7560 4 канала по 77Вт”, там подробно разобрана вторая схема и печатная плата к ней. Микросхемы TDA7386 и TDA7560 по выводам идентичны и взаимозаменяемы. Одно основное отличие, TDA7560 рассчитана на нагрузку 2Ом, в отличии от TDA7386, остальные параметры и характеристики схожие.
Печатную плату можете скачать под статьёй.
Радиатор необходимо устанавливать не менее 400 квадратных сантиметров. На фото ниже, вы можете увидеть собранный мной усилитель на TDA7386 с радиатором, площадью менее 200 квадратных сантиметров. Тестировал я данный усилитель в течение нескольких часов, в нагрузке были две колонки по 30Вт с нагрузкой 8Ом каждая, на среднем уровне громкости, микросхема здорово греется, но неполадок замечено не было. Это был тест, советую вам друзья ставить радиатор не менее 400 квадратных сантиметров или использовать в качестве радиатора корпус усилителя, если он алюминиевый или дюралюминиевый.
Радиатор необходимо зачистить мелкой наждачной бумагой, в месте соприкосновения с микросхемой, если он окрашен, это повысит теплопроводность. Далее посадить на теплопроводную пасту, например такую, КПТ-8.
Детали.
Конденсаторы можно керамические, разницы не услышите, если поставите пленку. Резисторы мощностью 0,25Вт.
Немного о режимах ST-BY и MUTE на микросхеме TDA7386 (вывод 4 и вывод 22).
Режим ST-BY на TDA7386 как и на её собратьях (TDA7560, TDA7388) управляется следующим образом, если вы хотите чтобы ваш усилитель был постоянно в режиме “Включен”, то необходимо крайний вывод резистора R1 соединить с + 12В и оставить в таком положении, то есть впаять перемычку. Если перемычку убрать (крайний вывод резистора R1 оставить в воздухе), то микросхема находится в ждущем режиме, для того, чтобы усилитель запел, нужно крайний вывод резистора R1 кратковременно соединить с +12В. Для того, чтобы усилитель опять ввести в ждущий режим, необходимо крайний вывод резистора R1 кратковременно соединить с общим минусом (GND).
Режим MUTE на TDA7386 управляется аналогично. Чтобы усилитель постоянно находился в режиме “Звук включен” необходимо крайний вывод резистора R2 соединить с +12В. Если же хотите, чтобы усилитель работал в режиме “Без звука”, то необходимо крайний вывод резистора R2 соединить и удерживать с общим минусом (GND).
Я собирал несколько усилителей на TDA7560, TDA7386, TDA7388, заметил одну вещь, если оставить в воздухе R1 и R2, при этом задействовать только один вход из четырех, то при подаче питания на плату усилитель находится в ждущем режиме, все вышеперечисленные операции с режимами ST-BY и MUTE работают отлично. Если же задействовать все входы то при подаче питания на плату усилитель сам начинает петь, хоть и на 4 и 22 ногу питание не идет. Впрочем, поэкспериментируйте!
25 вывод (HSD) это детектор обнаружения перегрева, перегрузки, короткого замыкания на выходах и так далее. Данный вывод может управлять функцией MUTE (22 вывод), для отключения выходов при появлении какой-либо неисправности. О напряжениях на этом выводе можете прочитать в даташите, если кому интересно, в моем случае 25 вывод оставлен в воздухе.
Печатную плату при распечатке не зеркалим, печатаем как есть!
Печатная плата СКАЧАТЬ
Даташит на TDA7386 СКАЧАТЬ
Похожие статьи
audio-cxem.ru