Что такое TDA7052. Как работает микросхема TDA7052. Какие преимущества у TDA7052. Как собрать усилитель на TDA7052. Какие компоненты нужны для усилителя на TDA7052. Какую мощность выдает TDA7052. Как питать усилитель на TDA7052. Какие есть варианты применения TDA7052.
Микросхема TDA7052: обзор и характеристики
TDA7052 — это монофонический усилитель звуковой частоты, разработанный компанией Philips (сейчас NXP) для портативных аудиоустройств. Давайте рассмотрим его ключевые особенности:
- Выходная мощность: до 1,2 Вт на нагрузке 8 Ом при напряжении питания 6 В
- Напряжение питания: от 3 до 15 В
- Фиксированное усиление: 39 дБ
- Мостовая схема выхода для максимальной эффективности
- Минимум внешних компонентов
- Встроенная защита от короткого замыкания и перегрева
- Низкое энергопотребление
TDA7052 идеально подходит для портативных аудиоустройств благодаря низкому потреблению энергии и возможности работы от батарей. Как работает эта микросхема?

Принцип работы TDA7052
TDA7052 использует мостовую схему включения нагрузки (BTL — Bridge-Tied Load). В чем преимущества такого подхода?
- Более высокая выходная мощность при низком напряжении питания
- Не требуется конденсатор связи с динамиком
- Снижение искажений
Внутри микросхемы находятся два усилителя, работающих в противофазе. Это позволяет получить удвоенное напряжение на нагрузке по сравнению с обычной схемой. Как это влияет на выходную мощность?
Сравнение мощности BTL и обычной схемы
При одинаковом напряжении питания мостовая схема обеспечивает в 4 раза большую выходную мощность на той же нагрузке. Например, при питании 6 В на нагрузке 8 Ом:
- Обычная схема: P = U^2 / (2R) = 6^2 / (2*8) = 2,25 Вт
- Мостовая схема: P = (2U)^2 / (4R) = 12^2 / (4*8) = 4,5 Вт
Это теоретический расчет без учета потерь. Реальная выходная мощность TDA7052 составляет 1,2 Вт при 10% искажений. Какие еще преимущества дает такая схема?
Преимущества использования TDA7052
Микросхема TDA7052 обладает рядом достоинств, делающих ее привлекательной для разработчиков портативной электроники:

- Простота применения — требуется минимум внешних компонентов
- Низкое напряжение питания — от 3 В
- Высокая эффективность благодаря мостовой схеме
- Встроенная защита от перегрузки и короткого замыкания
- Не требуется внешний радиатор
- Низкий ток покоя — экономия заряда батарей
- Малые габариты — 8-выводной DIP корпус
Эти особенности делают TDA7052 отличным выбором для портативных аудиоустройств с батарейным питанием. Как собрать простейший усилитель на этой микросхеме?
Схема простого усилителя на TDA7052
Рассмотрим базовую схему усилителя с минимумом внешних компонентов:
«` «`Для работы усилителя достаточно подключить источник сигнала, динамик и питание. Однако для стабильной работы рекомендуется добавить несколько конденсаторов. Какие компоненты потребуются?
Необходимые компоненты для усилителя на TDA7052
Для сборки полноценного усилителя понадобятся следующие компоненты:
- Микросхема TDA7052
- Конденсатор 100 нФ керамический
- Конденсатор 220 мкФ электролитический
- Резистор 4,7 кОм
- Потенциометр 47 кОм
- Конденсатор 10 мкФ электролитический
- Динамик 8 Ом
- Источник питания 6 В
Давайте рассмотрим назначение каждого компонента:

- 100 нФ — блокировочный конденсатор по питанию
- 220 мкФ — фильтрующий конденсатор питания
- 4,7 кОм — задает входной импеданс
- 47 кОм — регулятор громкости
- 10 мкФ — разделительный конденсатор по входу
Как правильно собрать усилитель на макетной плате?
Сборка усилителя на TDA7052 на макетной плате
Процесс сборки усилителя на макетной плате достаточно прост:
- Установите микросхему TDA7052 в центр платы
- Подключите блокировочный конденсатор 100 нФ максимально близко к выводам питания
- Разместите фильтрующий конденсатор 220 мкФ рядом с точкой подключения питания
- Припаяйте входной резистор 4,7 кОм
- Подключите потенциометр и разделительный конденсатор ко входу
- Соедините выходы микросхемы с клеммами для подключения динамика
- Подведите питание и общий провод
При сборке важно соблюдать правильную ориентацию микросхемы и полярность электролитических конденсаторов. Какую выходную мощность можно получить от этого усилителя?
Выходная мощность усилителя на TDA7052
Выходная мощность усилителя зависит от напряжения питания и сопротивления нагрузки. Рассмотрим типичные значения:
- 1,2 Вт на нагрузке 8 Ом при питании 6 В
- 0,5 Вт на нагрузке 16 Ом при питании 6 В
- До 2 Вт на нагрузке 8 Ом при питании 9 В (требуется радиатор)
Стоит отметить, что указанная в документации мощность 1,2 Вт достигается при 10% искажений, что уже заметно на слух. Для качественного звучания рекомендуется ограничиться мощностью 0,7-0,8 Вт. Как правильно выбрать источник питания для усилителя?
Варианты питания усилителя на TDA7052
TDA7052 допускает широкий диапазон питающих напряжений, что дает гибкость в выборе источника питания:
- 4 батарейки AA или AAA — 6 В
- 6 батареек AA или AAA — 9 В
- Литий-ионный аккумулятор 7,4 В
- USB-порт компьютера — 5 В
- Сетевой адаптер 6-9 В
При выборе источника питания нужно учитывать требуемую выходную мощность и время автономной работы. Для максимальной мощности оптимально использовать напряжение 9 В. Какие есть интересные варианты применения этого усилителя?
Практическое применение усилителя на TDA7052
Благодаря простоте и низкому энергопотреблению, усилитель на TDA7052 находит применение во многих проектах:

- Портативная колонка для смартфона
- Усилитель для наушников
- Звуковой модуль для Arduino проектов
- Компактный усилитель для ПК
- Аудиосистема для радиоуправляемых моделей
Простота схемы позволяет быстро интегрировать усилитель в различные устройства. Например, можно собрать простую портативную колонку, объединив усилитель, динамик и литиевый аккумулятор в компактном корпусе.
TDA7052 — отличный выбор для начинающих радиолюбителей, позволяющий с минимумом компонентов собрать работающий усилитель звука. При этом его характеристики достаточны для создания законченных аудиоустройств.
⚡️TDA7052 схема | radiochipi.ru
МикросхемыНа чтение 2 мин Опубликовано Обновлено
Усилители 1Вт/0,5Вт с регулировкой громкости постоянным напряжением и мостовой схемой включения нагрузки. В усилителях используется мостовая схема включения нагрузки для обеспечения функционирования в низковольтном режиме без потери выходной мощности.
Усилители имеют фиксированный коэффициент усил. по напряжению: 3бдБ для версий А и 40дБ для версий В. Интегральные микросхемы разработаны для использования в портативных магнитофонах, радиоприемниках, телефонах, но широкий диапазон питающих напряжений (от 4,5В до 18В) делает их применимыми для мультимедиа и ТВ-системах.
Усилители имеют встроенную схему регулировки громкости постоянным напряжением с логарифмической характеристикой, обеспечивающую регулировку в диапазоне 80дБ (73дБ для версий В). При снижении управляющего напряжения ниже 0,3В (0,4В для версий В) усилители переходят в режим молчания.
За исключением вывода 4 (регулировка громкости), все усилители совместимы по выводам с TDA7052. TDA7052A/TDA7052B имеют пластиковый корпус DIL с 8 выводами, а TDA7052AT/TDA7052BT — пластиковый корпус SO с 8 выводами для поверхностного монтажа.
| Выходная мощность, Вт | Напряжение питания, В | Сопротивление нагрузки, Ом |
| TDA7052A/TDA7052B | ||
| 1 | 6 | 8 |
| 2 | 12 | 32 |
| TDA7052AT/TDA7052BT | ||
| 0,5 | 6 | 16 |
TDA7052 Основные характеристики:
- нет внешних компонентов;
- отличная общая стабильность;
- защита выхода от коротких замыканий с шиной питания и землей и от замыканий в нагрузке;
- не требуется внешний радиатор;
- низкий ток потребления;
- термозащита;
- все выводы имеют защиту от статического электричества;
- нет щелчков при включении/выключении;
- диапазон питающих напряжений от 4,5В до 18В;
- регулировка громкости постоянным напряжением;
- средства поддержки режима молчания.
TDA7052 усилитель мощности 1.2 Вт: низкое напряжение питания
Простая схема усилителя звука с использованием TDA7052 дает 1 Вт монофонического аудиовыхода. Микросхема TDA7052 — это 8-выводное двухлинейное устройство в пластиковом корпусе, разработанное для портативных аудио устройств с питанием от батарей.
Простая схема усилителя звука с использованием TDA7052
В схеме представленной ниже. Вы можете не верить своим глазам. Всего пять компонентов, так просто. Потому что большинство компонентов находится внутри TDA7052 с максимальной выходной мощностью 1,2 Вт.
Принципиальная электрическая схема
Это сверхмалый и миниатюрный усилитель мощности BCL 1,2 Вт с использованием TDA7052. Если вы ищите для себя хорошую схему малогабаритного усилителя, я рекомендую именно эту схему, потому что она крошечная, дает приличную экономию на внешних компонентах — это немного.
TDA7052 — маленький моно усилитель
Микросхема имеет некоторые особенности, то есть отсутствие внешних компонентов для ее работы, дает хорошую общую стабильность. В связи с низким энергопотреблением, внешний радиатор для этого устройства не требуется.
- Контакт 1 Напряжение питания VP
- Контакт 2 Вход IN
- Контакт 3 GND1 заземление (сигнал)
- Контакт 4 NC не подключен
- Контакт 5 OUT1 выход1
- Контакт 6 GND2 заземление (подложка)
- Контакт 7 NC не подключен
- Контакт 8 OUT2 выход2
Необходимые компоненты
| № | Название | Значение | Количество |
| 1 | C2 | 100 мкФ | 1 |
| 2 | С1 | 0,1 мкФ | 1 |
| 3 | U1 | TDA7052 | 1 |
| 4 | LS1 | Динамик | 1 |
| 5 | RV1 | 10 кОм | 1 |
| 6 | J2 | 6 В постоянного тока | 1 |
| 7 | J1 | Аудио I/P | 1 |
Конструкция и принцип работы
Микросхема имеет все необходимые компоненты внутри корпуса, так что мы можем напрямую подключить входной аудио сигнал и динамик к этой микросхеме. Здесь звуковой сигнал подключен к входному контакту 2, а контакт 3 подключен к заземлению аудио сигнала. Громкоговоритель (8 Ом) подключается между контактами 5 и 8. Представленная здесь схема работает от источника питания 6 В постоянного тока.
Данная конструкция усилителя обеспечивает хорошую частотную характеристику от 20 Гц до 20 кГц. Диапазон напряжения питания IC TDA7052 составляет от минимум 3 В до максимум 18 В, обычно используется 6 В постоянного тока. Общий ток покоя не более 8 мА. Коэффициент усиления по напряжению TDA7052 зафиксирован на 40 дБ. Между контактами 5 и 8 можно получить максимальный аудиовыход 100 мВ. Входное сопротивление этой схемы составляет 100 кОм.
Печатная плата
Простая схема усилителя звука с использованием файлов Gerber PCB
АМ-приёмник на транзисторе и TDA7052
Приёмник предназначен для приёма сигналов радиостанций, работающих на средних волнах ( MW ). Схема показана на Рис.1. Высокочастотный узел на транзисторе VT1 построен довольно необычно, – входной контур, образованный переменным конденсатором C1 и магнитной антенной L1 включён в базовую цепь транзистора последовательно с резистором R1, задающим смещение на базе VT1 и устанавливающим его режим работы. Сопротивление катушки, по сравнению с R1, пренебрежимо мало, но эта катушка выполняет роль антенны и в ней наводится ВЧ-напряжение, которое поступает на базу транзистора VT1. Конденсатор С2 подключён к отводу катушки L1 и на общий минус. Он разделяет катушку L1 на контур, состоящий из переменного конденсатора С1 ( последовательно которому он включён ) и верхней части этой катушки, и на катушку связи, состоящую из нижней ( по схеме ) части этой катушки.
Усиленное напряжение ВЧ выделяется на дросселе L2 и непосредственно без применения разделительного конденсатора, поступает на детектор, выполненный на кремневом детекторе VD1. Диод расположен так, что через него протекает ток от источника питания через дроссель L2 и резистор R2, выполняющего роль токоограничительного резистора. Диод оказывается смещённым в прямом направлении и детектирование происходит в точке с наибольшей крутизной ВАХ диода. Это увеличивает чувствительность детектора и позволяет использовать в нём доступный кремниевый диод.
Магнитная антенна намотана ферритовом стержне диаметром 8 мм и длинной 40-50 мм. Катушка содержит 90 витков обмоточного провода, сечением около 0,2 мм. Отвод от 10-го витка. Намотка – виток к витку. Дроссель L2 намотан на ферритовом кольце диаметром 7 мм, и содержит 100 витков такого же провода.
Переменный конденсатор подходит от любого карманного приёмника с АМ диапазоном.
Динамик – любой от малогабаритного приёмника, сопротивлением не менее 4 Ом.
Приёмник можно разместить в любом подходящем корпусе, имеющим отсек для батареек и место для динамика.
источник: ” РАДИОКОНСТРУКТОР “, 05 – 2006, стр. 11
ПохожееTDA7052 / TDA7052A — Действительно простые усилители мощности
Содержание
Предупреждение: Эти чипы сняты с производства и могут быть подделаны. Если вы покупаете, убедитесь, что он из хорошего поставщику, чтобы получить подлинный чип, в противном случае производительность будет плохой, чип может быть легко поврежден и создать опасность, или гул / гудение / шипение могут быть хуже, чем официальная микросхема, а может просто вообще не работать.
Обновление: оригинальный чип TDA7052 очень сложно найти и стоит дорого.Микросхемы TDA7052A и TDA7055B найти проще, но их не бросают замены (несмотря на то, что некоторые продавцы обычно рекламируют его без суффикса A). Эти варианты ‘A’ и ‘B’ по-прежнему дешевы, и схема все еще очень просто поэтому мое обновление, чтобы добавить эти детали. Все чипы должны быть производства Philips (сейчас NXP). Обратите внимание, что коэффициент усиления у TDA7052A отличается от TDA7052. тоже.
Если вы не можете получить упомянутые здесь варианты TDA7052 или TDA7052A / TDA7052B, альтернативные варианты включают:
- PAM8403 (стерео) для 5 В USB или 4.Использование с питанием от батареи 5 В — это усилитель класса D, но он устанавливается на поверхность, и вы купил бы готовый модуль, а не паял бы себе
- TDA7266M поддерживает такое же выходное напряжение от 3 В до 18 В, также имеет мостовое соединение и дает гораздо большую мощность, однако для этого требуется еще несколько компонентов. TDA7297 (стерео) и TDA7391LV (моно) — другие альтернативы, но 6В вверх только
- TDA2822M или KA2209 — это похожие микросхемы в стиле DIP, но требуется больше компонентов.Вам нужно будет использовать мостовую схему для получить аналогичную выходную мощность. Он также больше не выпускается, но его все еще довольно легко найти в Интернете.
Рекомендуемый опыт : новичок
Приложение TDA7052
Краткие сведения TDA7052
- Выходная мощность: 1,2 Вт на 8 Ом при 10% искажении 1 кГц с блоком питания 6 В
- Усиление: 39 дБ (фиксированное)
- Источник питания: от 3 до 15 В однополярный
- Лист данных доступен здесь
Направляющая
Раньше я находил множество приложений, в которых требовался простой, дешевый и разумный усилитель мощности для портативных устройств.TDA7052 действительно прост в построить усилитель мощности с приличной выходной мощностью для своих размеров и простоты.
Чип изготовлен Philips Semiconductors, его технические характеристики доступны здесь. Сама микросхема имеет два усилители внутри него в мостовой конфигурации, чтобы обеспечить хорошую выходную мощность для его размера. Схема, показанная в этом техническом паспорте, действительно очень проста, требуется только два других компонента как минимум.
TDA7052 — это моноусилитель, однако, если вам нужен стерео, вы можете купить два чипа TDA7052 или TDA7053, который является стерео версия.
Моя схема ниже показывает, насколько проста эта схема. Я также включил резистор, чтобы обеспечить предсказуемость входного импеданса, регулятор громкости с использованием Потенциометр 47k и блокирующий конденсатор C3 постоянного тока, чтобы потенциометр не зашумлял со временем из-за постоянного тока на аудиовходе. Они не совсем необходимо, и на моей исходной схеме они не были показаны, но я рекомендую сохранить их, чтобы избежать проблем, поскольку они будут очень мало стоить и потребуют только небольшое количество дополнительной комнаты.
Конденсаторы C1 и C2 предназначены для развязки источника питания и считаются необходимыми. C1 должен быть керамическим конденсатором емкостью 100 нФ (0,1 мкФ) и расположен ближайший к выводам TDA7052. C2 должен быть электролитическим конденсатором 220 мкФ или выше с номинальным напряжением на несколько вольт выше, чем у источника питания. напряжение (например, 10 В для питания 6 В, 16 В для питания 12 В, 25 В для питания 15 В).
Резистор R1 может быть любым резистором 4k7 с допуском 5% или лучше.Однако лучше всего подходят металлопленочные резисторы, так как резистор не находится непосредственно в в сигнальном тракте подойдет и дешевый угольный резистор.
Регулятор громкости состоит из VR1, который представляет собой переменный резистор или потенциометр. Он должен быть линейным 47k, поскольку линейный потенциометр нагружен R1. даст хороший логарифмический ответ. Во избежание появления шума через некоторое время блокирующий конденсатор C3 постоянного тока должен быть электролитическим на 10 мкФ. конденсаторы, рассчитанные на 16 В или выше, в случае, если ваш источник имеет смещение постоянного тока.Положительный вывод должен быть направлен в сторону от потенциометра.
Обратите внимание, что TDA7052 не имеет смещения постоянного тока на входном контакте. Я измерил мультиметром, и напряжение постоянного тока на входном контакте точно равно нулю, поэтому входа нет. между потенциометром и TDA7052 необходим конденсатор, что еще раз напоминает нам, насколько проста эта схема!
Ниже представлен макет усилителя для начинающих, использующих Veroboard или «стрипборд».Схема проста, но вам нужно будет использовать резак для треков, чтобы разрезать три следы припаивания микросхемы усилителя к плате (показаны оранжевыми квадратами), но будьте осторожны, чтобы не оставить след между контактом 3 и контактом 5. связаны, поскольку здесь встречаются две земли. Если ваше питание и заземление сигнала встречаются в другом месте вашей системы, вы также можете обрезать эту дорожку, чтобы избегайте контуров заземления.
Компоновка не включает регулятор громкости (или C3 перед ним) или какой-либо светодиодный индикатор питания.Если у вас есть представление о конструкции электронных схем, тогда вы можете легко включить их на доску. Для этого потребуется дополнительная проводка и / или нарезка дорожек для предпочтительной компоновки.
Моя версия стрипборда, которую я сделал для тестирования, показана ниже, и видно, что макет такой же, как и выше. У меня на пайку ушло 10 минут!
Строительство
Оранжевые квадраты показывают, где ДОЛЖНЫ быть обрезаны дорожки.Если этого не сделать в достаточной степени, усилитель не будет работать. Вы можете сделать это с помощью правильного нарезания гусениц. инструмент, доступный в некоторых магазинах (рекомендуется), но если вы не можете его получить, можно аккуратно обрезать гусеницы, используя сверло или сверло. обрезка медных дорожек ножом.
Используйте мультиметр (или, если у вас его нет, батарею и цепь светодиода / лампы / зуммера), чтобы убедиться, что между обрезанными дорожками нет короткого замыкания, чтобы убедиться, что они полностью вырезаны.
Для крепления компонентов к плате требуется пайка. Если вы новичок и не делали этого раньше, во что бы то ни стало попрактикуйтесь. Пайка на Поначалу монтажная панель может быть немного сложной задачей, поскольку при использовании слишком большого количества припоя легко закоротить соседние дорожки. Как только это будет сделано, будет сложно исправить без демонтажа оплетки или насоса, поэтому избегайте использования слишком большого количества припоя и касания других дорожек утюгом. Я предлагаю отпаять косу удобен, так как действительно экономит время, если вытираете припой, если вы действительно ошиблись.
Одна вещь, которую я заметил (при попытке распаять их), заключается в том, что микросхемы TDA7052 НЕ переносят большого количества тепла припоя. Моя рекомендация — купить 8-контактный DIL гнезда и припаяйте их, потому что они простят вас, если вы приложите слишком много тепла.
После пайки используйте тестер целостности цепи, чтобы убедиться, что соседние дорожки случайно не соприкасаются. Вы также можете проверить выводы большинства компонентов. чтобы убедиться, что они электрически связаны с дорожками стрипборда.
С1 емкостью 0,1 мкФ (или 100 нФ) представляет собой керамический конденсатор. Это позволит выводам изгибаться, чтобы соответствовать 5-миллиметровому зазору на схеме выше. Конденсатор 220 мкФ C2 — это электролитический конденсатор, и ему может потребоваться некоторый изгиб выводов, чтобы он соответствовал расстоянию 5 мм. Не волнуйтесь, если он не подходит к доске заподлицо. КОНДЕНСАТОР ДОЛЖЕН БЫТЬ ПОДКЛЮЧЕН ПРАВИЛЬНО КРУГЛЫЙ, в противном случае он пузырится, лопнет или отлетит от платы, особенно при более высоких напряжениях (т.е.е., 9-12В). На как на схематическом, так и на картонном раскладке показана положительная сторона. На самом конденсаторе отрицательный вывод обычно четко обозначен на конденсатор может, или, если это новый конденсатор, положительный провод обычно является самым длинным.
Резистор R1 4k7 устанавливается вертикально, чтобы избежать необходимости в дополнительной перемычке, если он был установлен горизонтально. Чтобы установить его вертикально, просто согните один конец 180 градусов обратно на себя.Теперь два конца вывода должны легко войти в соседние отверстия на плате. Такие резисторы с вертикальной установкой часто хорошо, и я тоже видел это в оборудовании.
Этот усилитель предназначен для питания динамика 8 Ом от источника питания 6 В. Вы можете подтолкнуть его с более высоким напряжением для немного большей мощности, но в таблице данных не содержит выходной информации для этого, и, учитывая, что TDA7052 представляет собой DIP-чип без радиатора, я бы не стал выходить за рамки 9V.Максимальное напряжение 15 В предназначен для громкоговорителей с более высоким сопротивлением, например 16 Ом и 32 Ом.
Я не рекомендую использовать его в динамиках с сопротивлением 4 Ом, но если вы это сделаете (и я это сделал), то держите питание на уровне 3 В или не более 5 В, иначе микросхема будет вероятен перегрев.
При подключении громкоговорителя не заземляйте его. TDA7052 использует BTL (мостовую нагрузку), которая дает вам в 4 раза больше мощности с двумя усилителями (которые интегрирован в TDA7052) с тем же сопротивлением нагрузки.Если вы закоротите громкоговоритель на массу, не ожидайте, что он сработает. Он может даже не защитить себя от повторного короткого замыкания динамика.
И последнее замечание: убедитесь, что вы правильно установили TDA7052, прежде чем паять его. На схеме изображена звездочка на микросхеме. Эта звездочка указывает контакт 1 и сама микросхема должны иметь небольшую точку, линию или полукруглую выемку на той стороне, где находится контакт 1. Контакт 1 будет в верхнем левом углу. Вставьте чип неправильный путь, и он не простит вам, и вам придется покупать новый, поверьте мне, я (по глупости) сделал это!
TDA7052, хотя и отличный, но не пуленепробиваемый, поэтому избегайте таких ошибок, как неправильное подключение источника питания, пайка или установка DIP. неправильно обломать или закоротить соединения громкоговорителей.Чтобы избежать этого при подключении громкоговорителей, не используйте 3,5-мм разъемы для громкоговоритель, потому что они могут ненадолго закоротить его во время вставки / извлечения усилителя при включенном питании. Используйте пружинные зажимы, банановые вилки, розетки DIN или (поскольку это низкое энергопотребление) разъемы phono и mini DIN тоже подойдут.
Мощность
В техническом описании приведены краткие сведения о мощности. В нем указывается выходная мощность 1,2 Вт для источника питания 6 В на 8 Ом. Это при 10% THD (искажение), что звучат ужасно, так что в реальности ожидайте меньшего.Однако эта цифра указана только для 6В. Увеличив блок питания до 9 В, вы получите больше мощности — возможно 2 Вт, однако вам следует установить палку на DIP-радиатор, чтобы избежать его перегрева. Он, безусловно, подходит для портативных приложений, и вы найдете 1 Вт мощность может быть довольно громкой.
Учитывая, что это микросхема с одним питанием (плюсовой и заземленной), есть много вариантов ее питания.
В моей исходной сборке использовалось 8 из 1.5В батарейки типа АА (или УМ-3, М, RX6), дающие 12В. Это немного выше, и 6 элементов AA на 1,5 В (или UM-3, M, RX6), дающие 9 В, сработают. быть более портативным. Поскольку TDA7053 может работать при напряжении всего 3 В, вы можете использовать меньше ячеек, но имейте в виду, что максимальная мощность будет меньше. Для долгой жизни, но больше размера / веса не стесняйтесь использовать более крупные ячейки, такие как размер C или D. Однако в наши дни литий-ионные аккумуляторные батареи дают больше энергии в меньшее пространство и добавление гибкости при подзарядке.Литиевая батарея 7,4 В. подойдет. Хотя батарея 9V PP3 также будет работать, они предназначены для слаботочные приложения, и они не прослужат так долго и в конечном итоге станут дорогостоящим способом питания усилителя.
Питание через USB также возможно. USB выдает 5 В, и большинство USB-портов ПК теперь способны обеспечивать ток более 1 А, однако даже стандартные Ток USB 500 мА обеспечит нормальную работу одного TDA7052. Хотя при 5 В вы можете рассчитывать только на 1 Вт мощности в лучшем случае, и при этой мощности TDA7052 будет потреблять От 400 до 500 мА, поэтому использование стереопары может быть проблемой.
Наилучшая мощность доступна от специального источника питания. Моя первоначальная сборка была сделана самодельным блоком питания, в котором использовался внутренний сетевой трансформатор от старого Ghetto-Blaster, с выпрямителем, но у этого есть проблемы с безопасностью.
Однако настенные / кирпичные блоки питания легко найти, и у вас могут даже быть неиспользованные! Стремитесь к 9 В для максимальной мощности на 8 Ом, 12 В в до 16 Ом. Они должны иметь номинальный выход 500 мА или лучше для одного TDA7052.(39/20) = 89,1.
Из-за высокого усиления шумовые характеристики не будут фантастическими, и вы можете обнаружить, что регулятор громкости довольно чувствителен, если вы используете потенциометр. имеет низкое или слишком высокое значение.
Несмотря на проблемы с высоким коэффициентом усиления, на самом деле для использования в качестве портативного усилителя он работает достаточно хорошо, как если бы вы использовали телефон или портативный компьютер. mp3, проигрыватель компакт-дисков или что-то еще в качестве источника, предназначенного для подключения наушников, и вам не придется полностью увеличивать громкость на портативном устройстве. устройство, чтобы получить хорошую громкость на ваших динамиках TDA7052.
TDA7052 Построение «системы»
Вышеупомянутая схема представляет собой усилитель с регулятором громкости, и это может быть все, что вам нужно для интеграции с существующей системой. Если вы строите новый system, хотя вы можете добавить дополнительные компоненты:
- Выключатель питания
- А индикатор питания
- Фильтр нижних частот для удаления частот выше 20 кГц
- Батареи и / или
- Блок питания
- Дополнительная фильтрация источника питания
На схеме выше показано, как можно построить моносистему.S2 — выключатель питания, а LD1 с токоограничивающим резистором R3 — простой силовой светодиод. с помощью небольшого светодиода 3 мм или 5 мм любого цвета, который вы предпочитаете.
J2 и S1 являются частью разъема питания постоянного тока. Эти гнезда обычно имеют три контакта. Один положительный, другой отрицательный. Чаще всего снаружи разъемов постоянного тока является отрицательным, поэтому проверьте еще раз! Третий контакт обычно подключается к стволу снаружи, пока вы не вставите вилку в розетку.
При подключении батарейного отсека к третьему контакту это означает, что когда в розетку не вставлена вилка питания постоянного тока, батареи доступны, но когда Разъем питания постоянного тока вставлен, батареи отсоединены. Если внешняя часть разъема постоянного тока отрицательная, это означает, что вам нужно переключить отрицательный сторона батарейного отсека.
L1 и C6 образуют фильтр верхних частот, который помогает удалить любой слышимый воющий шум от дешевых импульсных источников питания.Это не устранит полностью шум, но это может помочь сделать то, что у вас есть, полезным. Вы можете исключить L1 / C6, если не видите в них необходимости, просто замените L1 проводной связью. Я предлагаю стоимость 2,2–10 мкГн для L1. Он должен выдерживать ток не менее 1 А, предпочтительно 1,5 А или лучше. Силовые индукторы, которые легко справятся с этим current должно быть легко найти в большинстве магазинов электроники.
На входе R2 и C4 образуют фильтр нижних частот.Частота среза составляет около 34 кГц, что означает, что частоты выше будут ослаблены. Этот помогает с гармониками, вызванными шумом GSM, когда ваш мобильный телефон звонит или получает сообщение поблизости.
Все площадки должны быть соединены с единой звездой, шиной или звездой. Не создавайте петель, иначе вы получите гудение или воющий шум при работе от сети. силовое оборудование.
Если вы хотите сделать моноусилитель, но у вас есть стерео источник (часто бывает), вам нужно будет объединить левый и правый каналы как большинство материалов. (музыка, телевизор и т. д.) не будет звучать наилучшим образом или не будет полноценным, если вы подключите только левый или правый канал.Вы можете сделать это, используя два 1k или выше резисторы, как показано выше (R2 и R4). Для экономии компонентов фильтр нижних частот можно комбинировать с суммирующими резисторами, уменьшив значение C4. до 4,7 нФ.
Стереосистему можно построить почти так же легко, скопировав усилитель, динамик и компоненты на стороне входа. На схеме выше VR1 и VR2 должны быть двойным линейным потенциометром таким образом, чтобы его поворот настраивал громкость на один и тот же уровень для левого и правого каналов.
Производительность
По стоимости и простоте TDA7052 является довольно хорошим решением проблемы портативного усилителя с батарейным питанием. Много лет назад, когда я только начинал в сфере DIY-электроники (около 2001 и 2002 гг.) я использовал стереоусилитель TDA7052 каждый день в школе и в шестом классе. Динамики, которые я использовал, были 2,7 Ом с 4 ВЧ-динамик с сопротивлением параллельно для улучшения высокочастотной характеристики, в конструкции с открытой перегородкой для улучшения портативности.Это непростая нагрузка для небольшого усилителя, но TDA7052 выжил даже при 12 В, несмотря на то, что эта нагрузка намного превышает рекомендуемые.
Батарея тоже неплохая. Моя система была стереофонической, но она все еще работала неделями от хорошего набора батареек AA, и она все еще работала, когда батарейки разряжены (только с меньшей максимальной громкостью).
Моя установка дала мне хороший звук (даже с некоторыми низкочастотными характеристиками) и достаточную громкость для большинства ситуаций (за исключением тех, кто требует музыка на высокой, часто искаженной, громкости).Для меня это дало моему ноутбуку усиление звука, необходимое при воспроизведении DVD, которые слишком тихие для его внутреннего усилителя. и динамики (у ноутбуков того времени был мусорный звук), а также позволял мне проигрывать музыку с друзьями с моего плеера MiniDisc.
Позже я построил стереосистему TDA7052 в меньшем форм-факторе для моей студенческой спальни во время учебы в университете, см. Здесь.
Приложение TDA7052A и TDA7052B
Краткие сведения TDA7052A
- Выходная мощность: 1.1 Вт на 8 Ом при 10% искажениях 1 кГц с блоком питания 6 В
- Усиление: 35,5 дБ (регулируется с помощью управления постоянным током) — максимальное усиление 30 дБ в моем приложении
- Источник питания: от 4,5 В до 15 В однополярный
- Лист данных доступен здесь
Краткие сведения TDA7052B
- Выходная мощность: 1,0 Вт на 8 Ом при 10% искажении 1 кГц с источником питания 6 В
- Прирост: 40.5 дБ (регулируется с помощью управления постоянным током) — максимальное усиление 34 дБ в моем приложении
- Источник питания: от 4,5 В до 15 В однополярный
- Лист данных доступен здесь
Вариант TDA7052, более доступный в настоящее время, — TDA7052A. TDA7052A очень похож по производительности и распиновке, но это будет , а не работать в той же цепи.
Существует также TDA7052B, который работает в той же схеме, что и TDA7052A, но, похоже, имеет больший коэффициент усиления и немного меньшую мощность.
Существуют также варианты этих микросхем для поверхностного монтажа — TDA7052AT и TDA7052BT, которые меньше по размеру, но могут выдавать только половину мощности. их братья DIP (0,55 Вт для TDA7052AT и TDA7052BT). Схемы для них аналогичны, но я не буду их описывать.
Сравнивая схему с TDA7052, TDA7052A требует как минимум двух дополнительных компонентов. Это потому, что есть вход регулятора громкости постоянного тока. который необходимо подключить к земле через конденсатор емкостью 1 мкФ.Входной контакт TDA7052A (в отличие от TDA7052) имеет смещение постоянного тока на входе. контакт тоже, а это означает, что конденсатор 470 нФ также необходим последовательно со входом и входным контактом.
Недостатком является необходимость в дополнительных компонентах и плате большего размера. Преимущество заключается в том, что вывод 4 регулятора громкости постоянного тока дает нам некоторые гибкость по сравнению с базовым TDA7052, указанным выше:
- Потенциометр регулировки громкости теперь может перейти непосредственно к этому выделенному контакту
- Вход регулятора громкости логарифмический и более точен, чем логарифмический потенциометр.Это позволяет использовать обычные линейные потенциометры для регулятор громкости
Вот скорректированная схема для простого усилителя с разумным максимальным усилением около 27 дБ для TDA7052A или 32 дБ для TDA7052B:
Как и в TDA7052, нужны конденсаторы байпаса блока питания — С1 и С2. C1 должен быть керамическим на 100 нФ и как можно ближе к выводам TDA7052A. насколько возможно.C2 — это электролитические конденсаторы емкостью 220 мкФ или выше. Электролитические конденсаторы поляризованы, поэтому положительный провод должен входить в источник положительного напряжения. Это самый длинный вывод, если конденсатор новый, но все равно проверьте корпус, так как отрицательный вывод обычно четко обозначен.
C3 — входной конденсатор. 470 нФ предлагается в таблице данных и в сочетании с входным сопротивлением 20 кОм это даст отсечку высоких частот. частота 16.93 Гц — это рассчитывается как 1 / (2πRC) — 1 / (2 × 3,14159 × 20000 × 0,00000047).
C3 должен быть полиэфирным или электролитическим конденсатором. Полиэстер, как известно, обеспечивает лучшее качество звука, но с усилителем такого размера вы вряд ли заметите разницу и электролитик подойдет. Избегайте использования керамики для этого конденсатора. Если у вас электролит 1 мкФ, почувствуйте бесплатно использовать их вместо этого (это то, что я делал на своей доске). Положительный вывод должен быть обращен к микросхеме.
R1 обеспечивает путь постоянного тока к земле для аудиосигнала, а также дает усилителю предсказуемый входной импеданс для любого источника, который вы соединять. Этот резистор предлагается как 5 кОм в таблице данных, но 4,7 кОм — это более широко доступное значение, которое также будет работать.
Ниже представлен макет усилителя для начинающих, использующих Veroboard или «стрипборд». Компоновка проста, но вам понадобится резак для гусениц. три дорожки, на которых микросхема усилителя припаяна к плате, но будьте осторожны, чтобы не оставить след между контактами 3 и 5, подключенными, поскольку это где встречаются сигнальная и силовая земли.Если ваше питание и заземление сигнала встречаются в другом месте вашей системы, вы также можете обрезать эту дорожку, чтобы избегайте контуров заземления.
Обратите внимание, что резистор R2 установлен вертикально, чтобы его компоновка оставалась небольшой и простой. Просто согните один из проводов назад почти на 180 градусов. и пропустите оба вывода через отверстия на плате и аккуратно припаяйте, оставив небольшой зазор между платой и корпусом резистор во избежание перегрева при пайке.
Сам потенциометр регулировки громкости я не включил на плату, так как размер / форма могут отличаться. См. Ниже более подробную информацию о томе. контроль.
Регулятор громкости и усиления постоянного тока
Регулятор громкости постоянного тока находится на выводе 4. TDA7052A выдает на этом выводе напряжение около +1,125 В, а также использует ток на этом выводе в качестве ссылка на том.
Этот вывод VC предоставляет удобный способ добавления точного регулятора громкости, который не будет шумным с течением времени.
Примечание: , а не , возможно управлять несколькими микросхемами TDA7052A с помощью одного регулятора громкости, подключив VC соединяет вместе. Я пробовал, и, к сожалению, это просто искажает оба чипа. Если вам нужен стереоусилитель, моим первым выбором будет Вместо этого TDA7053A, который делает , позволяет вам соединять контакты VC вместе или, альтернативно, просто использовать двухканальный линейный потенциометр с 6k8 последовательно для каждого канала.
Конденсатор C4 — это электролитический конденсатор емкостью 1 мкФ, который используется для подачи питания при отключении звука. Как это работает — конденсатор изначально выглядит как короткое замыкание, оставляя TDA7052A отключенным. Затем конденсатор будет медленно заряжаться до 1,125 В на контакте 4, оставляя единственный путь к земле через резистор R2 и потенциометр VR1. Чтобы увеличить время отключения звука, вы можете увеличить размер этого конденсатора.
В таблице данных показан потенциометр 1 МОм, позволяющий регулировать громкость до 30 дБ.30 дБ — приемлемое усиление, но оно немного выше. высокая сторона на 32x. Потенциометр на 250 кОм вместо этого даст усиление около 27,2 дБ (23x), что я считаю более подходящим для подключения к ноутбуки, телефоны, MP3-плееры и т. д.
Если вам нужно более высокое усиление, потенциометр на 500 кОм можно рассматривать как альтернативу 1M. При этом при максимальном значении усиление увеличивается. до более высокого 30x (29,5 дБ), но регулировать диапазон громкости было легче, чем потенциометром 1M.
Дополнительный резистор R2 6,8 кОм последовательно с потенциометром, который я добавил, чтобы избежать « мертвой » точки на потенциометре, где вам нужно повернуть он от минимума немного больше, чем ожидалось, прежде чем TDA7052A получит достаточно тока, чтобы включить звук. Не стесняйтесь оставлять этот резистор если хотите. Приведенные выше измерения усиления включают резистор 6 кОм, включенный последовательно с потенциометром, а также с 250 кОм и 500 кОм. потенциометры, управление было хорошим — позволяя усилителю полностью отключать звук, когда потенциометр громкости полностью повернут против часовой стрелки, и оттуда требуется лишь небольшой поворот по часовой стрелке, чтобы пропустить сигнал.
Если какой-то сигнал все еще проходит в вашем источнике, когда регулятор громкости установлен на минимум, уменьшите значение с 6k8 до 5k6 или, возможно, еще ниже.
Потенциометр не показан на моей схеме, но он должен быть подключен так, чтобы при повороте по часовой стрелке громкость увеличивалась. Это передний план:
Провод заземления (первый контакт слева) должен быть подключен к входной земле — либо обратно к плате, либо к входному разъему.
Чтобы избежать шума при прикосновении к потенциометру, подумайте о заземлении металлического корпуса кастрюли. Это не понадобится, если потенциометр установлен на заземленном металлическом корпусе, и вам, вероятно, удастся избежать заземления корпуса, если у вас есть пластиковая ручка на потенциометре.
Без подключенного регулятора громкости (только конденсатор) TDA7052A все равно будет работать с усилением около 37x (31.4 дБ) от того, что я измерил. Если ваш регулятор громкости находится в другом месте — вы можете полностью отказаться от резистора и потенциометра от контакта 4 или ограничить усиление до вашего предпочтительный максимум при использовании фиксированного резистора, например, 1 МОм, 470 кОм или 330 кОм (1 МОм дает наибольшее усиление).
Неподключенный вывод VC (за исключением конденсатора) несколько отличается от максимально возможного усиления, указанного в 35,5 дБ (типичное). Чтобы получить максимальное усиление, вам действительно нужно подать напряжение 1.4 В или выше на вывод 4 VC. Это можно сделать, подключив резистор к положительному входу, как предложено в таблице данных TDA7053A ниже. Однако я предлагаю вам не подключать громкость таким образом, если вам не нужно максимальное усиление в качестве Необходимый резистор будет зависеть от напряжения питания, и я предпочитаю гибкость, позволяющую подключить усилитель к любому источнику питания. доступен.
Обратите внимание, что TDA7052B имеет другой диапазон усиления (он выше), приведенные выше коэффициенты усиления относятся к TDA7052A, но на основе моих экспериментов. с TDA7053A (имеющим аналогичное усиление) максимальное усиление без потенциометра или источника напряжения, подключенного к VC, будет примерно 64x (36 дБ).
Я не смог измерить смещение напряжения для этих потенциометров, так как обнаружил, что напряжение изменяется с / без сигнала. Таблица не велика на деталях регулятора громкости, но он показывает график зависимости усиления от напряжения, который дает вам представление о необходимых напряжениях.
Возможность управлять объемом с помощью напряжения смещения постоянного тока открывает возможности реального управления объемом другими способами, например, с помощью микроконтроллер, такой как PIC или Arduino с микросхемой ЦАП, или просто любой цифровой потенциометр (не обязательно качество звука).
Мощность и производительность
Ниже моя фактическая сборка. На пайку ушло меньше 20 минут. Он маленький, удобный и хорошо работает.
На нижней стороне есть еще несколько паяных соединений, но все же очень легко.
Производительность / мощность такие же, как у TDA7052, но, возможно, немного хуже при тестировании.Это все еще неплохо для старого, но небольшого 8-контактного DIP-чипа с такая простота.
Ваш источник питания должен быть в районе 6 В для подключения динамика с сопротивлением 8 Ом. При тестировании я обнаружил, что более высокое напряжение 12 В и даже 7,5 В вызвало микросхема, чтобы войти в некоторый режим защиты, где выход был уменьшен с добавленным шипением (хотя и не обрезанным). С 6V микросхема успешно обеспечивала сигнал динамика на более высокой мощности, прежде чем он прекратится, чем я мог получить с более высокими напряжениями.
Я обнаружил, что он также может работать с сопротивлением 4 Ом, но он будет еще больше нагреваться, и, возможно, потребуется снизить напряжение с 6 В до 4,5 В.
Тестирование музыки показалось нормальным. Используя смартфон в качестве источника через 3,5-миллиметровый выход для наушников, я обнаружил, что он вполне способен, а регулятор громкости 250k потенциометр имел хороший диапазон.
По сравнению с TDA7052, для TDA7052A требуется пара дополнительных компонентов и плата немного большего размера, но с учетом того, насколько быстро и легко это было сборка, и дешево купить (включая компоненты), я думаю, что TDA7052A по-прежнему является отличным проектом для начинающих для создания собственного источника питания оратор.
Для стереосистемы, как уже упоминалось, рассмотрите вместо этого TDA7053A, для которого потребуется меньше компонентов, однако вы можно было использовать два чипа TDA7052A, используя ту же технику, что и в стереосистеме TDA7052, описанной выше. Нужен отдельный регулятор громкости на каждой микросхеме ВК контакт, но это может быть решено с помощью одного двойного потенциометра для одновременного управления громкостью обоих усилителей.
Дата содержания исходная 2003 г., обновлена в июне 2020 г.Основные обновления июнь 2021 г.
TDA7052 datasheet — TDA7052; 1 Вт BTL моно аудиоусилитель ;; Пакет: SOT97-1
AD9762ARU : 12-битный ЦАП Txdac со скоростью 125 MSPS. Член семейства продуктов TxDAC, совместимых с выводами, 125 MSPS, частота обновления 12-битное разрешение Превосходные характеристики динамического диапазона без паразитных составляющих SFDR — Nyquist @ 5 МГц Выход: 70 дБн Дифференциальные токовые выходы: 20 мА Рассеиваемая мощность: 3 В Режим пониженного энергопотребления: 5 В Встроенное опорное напряжение 1,20 В, одиночное питание +3 В, блок питания: 28 выводов SOIC и TSSOP с синхронизацией по фронту.
AN7560Z : Упаковка = HZIP025-P-0980B (без свинца). Это микросхема питания аудиосистемы, разработанная для вывода звука 4-канальной автомобильной аудиосистемы. Конденсатор и резистор для остановки колебаний встроены между выходным контактом и GND, так что возможна экономия места. Кроме того, он включает в себя идеальную схему глушения без ударного шума, чтобы можно было рассчитать ударный шум в заданных переходных условиях.
BA3416BL :. Двойной кассетный магнитофон Двойной предусилитель Это двойной предусилитель (только для воспроизведения), который был разработан для использования с двухкассетными деками.Внутренний переключатель используется для переключения входов левого и правого каналов между ленточными механизмами A и B. Воспроизводящие головки могут напрямую подключаться к предусилителям без разделительных конденсаторов.
CXA1561M / S : шумоподавление. Серия CXA1560 — это биполярная ИС, включающая стереосистему шумоподавления (NR) типа Dolby B-C. Благодаря комбинации трех уровней линейного выхода и двух пакетов для различных приложений предусмотрено пять типов устройств. Уменьшение количества внешних деталей и компактность корпуса были достигнуты за счет того, что наблюдается спектральный перекос.
DS1805 : Адресный цифровой потенциометр DS1805. Адресный цифровой потенциометр DS1805 содержит один 256-позиционный потенциометр с цифровым управлением. Управление устройством осуществляется через 2-проводный последовательный интерфейс. Адресация устройств осуществляется через три адресных входа, что позволяет подключать до восьми устройств к одной двухпроводной шине. Точное положение стеклоочистителя потенциометра можно записать или прочитать.
HFA1212 : Двойной маломощный буферный усилитель с замкнутым контуром, 350 МГц.Двойной маломощный буферный усилитель с замкнутым контуром, 350 МГц. Это двойной буфер с замкнутым контуром, обеспечивающий программируемое пользователем усиление и высокую скорость работы. Эти устройства, изготовленные по запатентованному компанией Intersil дополнительному биполярному процессу UHF-1, предлагают широкую полосу пропускания -3 дБ на частоте 350 МГц, очень высокую скорость нарастания, отличную равномерность усиления и высокий выходной ток. Уникальный.
HFA3860B : Процессор основной полосы частот с расширенным спектром прямой последовательности FN4594.1. Процессор основной полосы частот с расширенным спектром прямой последовательности [/ Название (HFA3 860B) / Тема (Процессор с расширением спектра прямой последовательности) / Автор / Ключевые слова (Процессор с расширением спектра прямой последовательности, Intersil Corporation, Полупроводниковый процессор, PRIS M, Wirele ss Процессор основной полосы частот Intersil HFA3860B с расширенным спектром прямой последовательности (DSSS).
ISD5008 : однокристальное устройство записи / воспроизведения голоса.
LM4865IBP : Усилители мощности звука Boomer. LM4865 — усилитель мощности звука 750 мВт с регулятором громкости постоянного тока и переключателем наушников, упаковка: Microsmd, контактный Nb = 8.
NJW1504 : Синтезатор PLL с шиной I2C для ТВ-тюнера. n NJW1504 / 1508 — это синтезатор частоты с ФАПЧ, специально разработанный для систем настройки телевизоров и видеомагнитофонов и состоящий из схемы ФАПЧ и предделителя, который работает до 1.0 ГГц, встроенный в один чип. NJW1504 / 1508 управляются через шину I2C. n Рабочее напряжение 5 В Низкий рабочий ток: 15 мА тип. @ Vcc = 5V Прескалер принимает частоты 1 ГГц на эталонном чипе.
STV9390 : ЭЛТ и ЖК-мониторы. Усилитель вертикального отклонения класса d для приложений 2.2 App Monitor / TV с внутренним обратным генератором 80 В.
TA0102A : стерео / четырехканальный. Стерео драйвер цифрового звукового усилителя 150 Вт RMS (4 Вт) класса t с использованием цифровой обработки мощности ™.
TAS3002PFB : Цифровые аудиопроцессоры. ti TAS3002, Цифровой аудиопроцессор с кодеком.
STD2000 : Мировой однокристальный процессор iDTV STD2000 — это высокоинтегрированный высокопроизводительный встроенный процессор iDTV, сочетающий в себе средства декодирования телеприставки и мощный ТВ-процессор. Двухканальный видеопроцессор PIP / PAP поддерживает форматы высокой четкости. Его расширенная интеграция резко снижает стоимость интегрированной спецификации цифрового ТВ за счет удаления.
TAS5162 : TAS5162 — это мощный интегрированный цифровой стереофонический усилитель мощности с улучшенной системой защиты. TAS5162 способен управлять 6-мостовой нагрузкой (BTL) с мощностью до 210 Вт на канал при THD = 10%, низким интегрированным шумом на выходе, низкими характеристиками THD + N без клиппинга и низким рассеиваемой мощностью в холостом режиме. Недорогое, высокое качество.
TAS5414A : 4-канальные автомобильные цифровые усилители TAS5414A и TAS5424A — это четырехканальные цифровые усилители звука, разработанные для использования в автомобильных головных устройствах и модулях внешних усилителей.TAS5414A и TAS5424A обеспечивают четыре канала при 23 Вт непрерывно на 4 канала при менее 1% THD + N от источника питания 14,4 В. Каждый канал также может выдавать 38 Вт на 2 при 1% THD + N.
TAS5352A : Силовой каскад цифрового стерео усилителя мощностью 125 Вт TAS5352A — это высокопроизводительный интегрированный силовой каскад цифрового стерео усилителя, предназначенный для управления 4-? мостовая нагрузка (BTL) мощностью до 125 Вт на канал с низким уровнем гармонических искажений, низким интегральным шумом и низким током холостого хода. TAS5352A имеет встроенную в кристалл полную систему защиты, обеспечивающую безопасность.
HMC913 : Чип усилителя видео с журналом последовательного обнаружения (SDLVA), 0,6–20 ГГц HMC913 — это усилитель видео с журналом последовательного обнаружения (SDLVA), который работает в диапазоне от 0,6 до 20 ГГц. HMC913 обеспечивает диапазон регистрации 59 дБ. Это устройство предлагает типичное время быстрого нарастания / спада 5/10 нс и превосходное время задержки всего 14 нс. Наклон выходного видеосигнала журнала HMC913 обычно составляет.
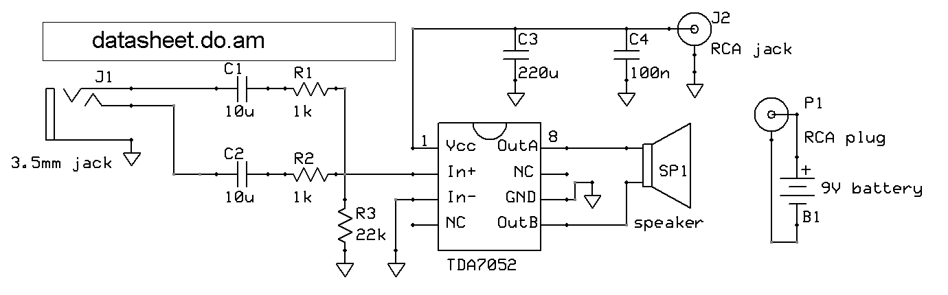
Схема усилителя речис использованием усилителя звука TDA7052 IC
Речевые усилители — это компактные персональные системы усиления, которые усиливают голос при различных нарушениях речи.Некоторые дизайны предназначены для шумной обстановки, а некоторые больше подходят для простых задач, таких как разговор. В этом проекте мы собираемся разработать простую схему усилителя речи с использованием микросхемы аудиоусилителя TDA7052.
Микросхема усилителя речи (TDA7052) — это усилитель с монофоническим выходом, который поставляется в 8-выводном корпусе DIP. Устройство в основном предназначено для портативных аудиосистем с батарейным питанием. Особенности TDA7052 IC включают в себя; Отсутствие необходимости в дополнительных компонентах, отсутствие щелчков включения / выключения, отличная общая стабильность, очень низкое энергопотребление, низкий коэффициент нелинейных искажений, не требуются радиаторы и защита от короткого замыкания.
Компоненты оборудования
Для сборки этого проекта вам потребуются следующие детали.
| S.no | Компонент | Кол-во | ||||
| 1. | Макетная плата | 1 | ||||
| 2. | Соединительные провода | 1 | ||||
| Батарея 1 | ||||||
| 4. | TDA7052 18V 4mA Усилитель IC | 1 | ||||
| 5. | BC547 NPN транзистор | 1 | ||||
| 6. | LM7806 Регулятор напряжения IC | 1 | ||||
| 7. | Микрофон (динамический или электретный) | 1 | 23 | 1 | Ом | 1 |
| 9. | Гнездо Mono Jack 3 мм или 6 мм | 1 | ||||
| 10. | Ползунковый переключатель вкл. / выкл. | 1 | ||||
| 11. | K Potenti | 1 | ||||
| 12. | Резисторы (1 МОм, 15 кОм, 470 кОм, 4,7 кОм) | 2,2,2,2 | ||||
| 13. | Неполярные конденсаторы (100 нФ, 10 нФ) | 2,2 | ||||
| 14. | Полярные конденсаторы (220 мкФ, 10 мкФ) | 2,2 |
TDA7052 Распиновка
| Номер контакта | Имя контакта | Описание | ||
| 1 | Вп | Напряжение питания (+ ve) | ||
| 3 | GND1 | Заземление сигнала | ||
| 4 | VC | Регулятор громкости пост. 7 | н.c | не подключен |
| 8 | OUT- | отрицательный выход |
Принципиальная схема
Рабочее объяснение
Сердцем схемы является микросхема усилителя мощности звука TDA7052, обеспечивающая максимальную выходную мощность 1,2 Вт при напряжении питания 6 В. Внешний микрофон должен быть подключен к J1 , его сигнал усиливается на Q1 и подается на IC1 . R1 действует как регулятор громкости, а C3 управляет верхней полосой звуковых частот, в основном для уменьшения возможности микрофона улавливать выход громкоговорителя, вызывая очень отчетливый и громкий воющий шум, т.е.е. известный эффект Ларсена.
Следовательно, значение C3 может быть настроено в диапазоне от 4 нФ до 22 нФ, чтобы обеспечить наилучший компромисс между качеством тона речи и минимальными помехами на основе эффекта Ларсена. Обычно рекомендуются динамические или электретные микрофоны. У него есть полезная функция, которую можно использовать для временного отключения микрофона, подключив тумблер ( SW1 ).
Приложения
- Обычно используется в устройствах, предназначенных для людей с ограниченными возможностями, такими как повреждение голосовых связок и проблемы с горлом / голосом.
- Обычно используется в таких устройствах, как аудиоусилители малой мощности, усилители речи и усилители голоса.
Схема миниатюрного аудиоусилителя с использованием микросхемы TDA7052
Gadgetronicx> Электроника> Принципиальные и электрические схемы> Схемы усилителя> Схема миниатюрного усилителя звука на микросхеме TDA7052
Фрэнк Дональд 1 мая 2015
Миниатюрный аудиоусилитель. Схемы незаменимы, когда нам нравится брать музыку с собой, куда бы мы ни пошли.Такой мини-усилитель звука сделает музыкальную систему легкой, и ее можно будет перемещать из одного места в другое. Также такие усилители снизят стоимость без ущерба для производительности музыкальной системы. Вышеупомянутая система была построена с использованием выходного усилителя моно BTL IC TDA7502.
Микросхема TDA7502:
IC TDA7502 — это усилитель с монофоническим выходом BTL, который лучше всего подходит для использования с портативными записывающими устройствами, радиоприемниками и другими мини-аудиоустройствами. Эта ИС работает с 4.От 5 до 18 В и поставляется с внутренним регулятором громкости постоянного тока. Максимальное усиление усилителя зафиксировано на уровне 35,5 дБ и может быть изменено с помощью контакта регулировки громкости (VC). Этот усилитель способен управлять нагрузкой от 2 до 3 Вт и идеально подходит для управления динамиком на 8 Ом с питанием 6 В. См. Подробное описание этой микросхемы в техническом описании здесь.
РАБОТА ЦЕПИ МИНИ-АУДИОУСИЛИТЕЛЯ:
Микросхема TDA7502 является сердцем этой схемы, которая служит для усиления. Переменный резистор RV1 используется для регулировки громкости звукового сигнала.Поскольку регулировка громкости осуществлялась с помощью RV1, 4-й контакт регулятора громкости VC был оставлен неподключенным на приведенной выше схеме.
Конденсаторы C1 и C2 использовались для фильтрации напряжения питания и могут быть исключены, если использовалась батарея. А выходная часть идет с простым динамиком на 8 Ом и 2 Вт. Убедитесь, что вы выбрали подходящий динамик для этого мини-усилителя, поскольку микросхема может выдавать только до 3 Вт при напряжении питания 6 В. Если вы используете громкоговорители с высокой нагрузкой, вы можете выкурить микросхему усилителя.
Связанное содержание
Стереоусилитель
с использованием микросхемы TDA7052 IC
Портативные устройства, такие как персональные компьютеры, MP3-плееры, диктофоны, телефоны и звуковые датчики, часто нуждаются в дополнительном стереоусилителе для получения достаточного звука.Эти усилители звука должны работать с батареями (4,5 В, 6 В, 12 В и т. Д.) И интерфейсами USB (+ 5 В). Они должны иметь низкий ток покоя и обеспечивать выходную мощность не менее 2 × 0,5 Вт. Такой выходной мощности достаточно для прослушивания в небольшой комнате с несколькими людьми.
На рис. 1 показана принципиальная схема простого стереоусилителя с двумя микросхемами TDA7052 (IC1 и IC2), который может использоваться в портативных устройствах.
Рис.1: Принципиальная схема стереоусилителя для портативных устройствTDA7052 — 1.Усилитель мощности моно аудио мощностью 2 Вт. Он имеет широкий диапазон питания (от 3 В до 18 В) и может работать от интерфейсов USB. Типичный ток покоя TDA7052 составляет 4 мА, что делает его подходящим для работы от батарей. Коэффициент усиления каждого канала схемы составляет 39 дБ (около 90). Типичное входное сопротивление TDA7052 составляет 100 кОм, и IC подходит для многих источников сигналов с высоким импедансом.
Схема имеет шесть переключателей (от S1 до S6). Когда S1 и S2 разомкнуты, входное сопротивление цепи превышает 500 кОм, и усилитель можно использовать с электрическими гитарами, датчиками высокого сопротивления и источниками сигналов.
Когда S3 и S4 замкнуты, входное сопротивление уменьшается, и в то же время уменьшается выходной шум.
S6 работает как выключатель. Питание на схему подается через S6.
S5 работает как переключатель стерео / моно. Если S5 замкнут, схема работает как двухканальный моноусилитель. Левый и правый аудиосигналы, поступающие из разъема CON1, закорочены через S5. Если S5 разомкнут, схема работает как стереоусилитель с двумя разными входными сигналами.
Выходная мощность TDA7052 обычно составляет 1,2 Вт при нагрузке 8 Ом и при питании 6 В. Источник питания можно увеличить, но нагрузка должна иметь более высокое сопротивление, скажем, 32 Ом.
Левый и правый аудиоканалы имеют отдельные регуляторы громкости, VR1 и VR2 соответственно. Это позволяет избежать использования потенциометра управления балансом, так что два канала также могут использоваться отдельно для усиления двух моносигналов.
Значения VR1 и VR2 должны быть минимальными, чтобы уменьшить выходной шум.Значение C5 должно быть минимальным, чтобы схема могла работать от большинства интерфейсов USB.
Компоновка печатной платы стереоусилителя с двумя усилителями TDA7052 для портативных устройств в натуральную величину показана на рис. 2, а схема его компонентов — на рис. 3. После сборки схемы на печатной плате заключите ее в подходящий корпус.
Рис. 2: Схема печатной платы стереоусилителя для портативных устройств Рис. 3: Компоновка компонентов печатной платыЗагрузите файлы печатной платы и компоновки компонентов в формате PDF:
щелкните здесьСхема не требует регулировки и будет работать сразу после правильной сборки.LED2 и LED3 — визуальные индикаторы для вывода звука в левом канале, а LED4 и LED5 — для вывода звука в правом канале.
Больше интересных проектов можно найти здесь.
2006 — tda7052 эквивалент Аннотация: TDA7052 TDA7052 инструкция по применению TDA7052 аудио усилитель мощности TDA7052 аудио усилитель мощности IC tda7052 ic TDA7052N tda7052n2 NXP dip8 маркировка кода даты TV210D | Оригинал | TDA7052 TDA7052 эквивалент tda7052 Примечание по применению TDA7052 Усилитель мощности звука TDA7052 TDA7052 ИС усилителя мощности звука tda7052 ic TDA7052N tda7052n2 Кодовая маркировка даты NXP dip8 TV210D | |
TDA7052 усилитель мощности звука Аннотация: sot97 | Сканирование OCR | TDA7052 TDA7052 Усилитель мощности звука TDA7052 sot97 | |
1995 — tda7052 технический паспорт Аннотация: TDA7052 TDA7052 аудио усилитель мощности tda7052 эквивалент LLN4148 усилитель Philips АУДИОУСИЛИТЕЛЬ МОЩНОСТИ полупроводниковый усилитель прикладной схемы | Оригинал | TDA7052 tda7052 технический паспорт TDA7052 Усилитель мощности звука TDA7052 эквивалент tda7052 LLN4148 Филипс усилитель звука УСИЛИТЕЛЬ АУДИО МОЩНОСТИ полупроводники схема применения усилителя | |
1998 — TDA7052 Усилитель мощности звука IC Аннотация: tda7052 технический паспорт TDA7052 tda7052 ic TDA7052 примечание по применению tda7052 эквивалент TDA7052 аудио усилитель мощности | Оригинал | TDA7052 TDA7052 TDA7052 ИС усилителя мощности звука tda7052 технический паспорт tda7052 ic Примечание по применению TDA7052 эквивалент tda7052 Усилитель мощности звука TDA7052 | |
TDA7052, инструкция по применению Аннотация: Схема моно усилителя TDA7052 Усилитель мощности звука TDA7052 | Сканирование OCR | TDA7052 TDA7052 71100urce 711002b Июль 1994 Примечание по применению TDA7052 схема моно усилителя Усилитель мощности звука TDA7052 | |
TDA7052 Аудио усилитель мощности IC Аннотация: абстрактный текст недоступен | Сканирование OCR | TDA7052 TDA7052 ИС усилителя мощности звука | |
1997 — tlc2470 Аннотация: TLC2471 tda7052 эквивалент LM386 мостовой усилитель LM386 замена внутренней структуры LM386 tda7052 «прямая замена» TDA7052 примечания к применению альтернатива LM386 аналогичная lm386 | Оригинал | TSL401 TSL213.TSL213 tlc2470 TLC2471 эквивалент tda7052 lm386 мостовой усилитель Замена LM386 внутренняя структура LM386 tda7052 «прямая замена» Примечание по применению TDA7052 альтернатива LM386 аналогичный lm386 | |
TDA7050 Абстракция: CQ 649 cq 744 TEA1085 tea10 IC 744 | Сканирование OCR | TDA7050 TDA7052 TEA1083 TEA1083A TEA1085 TEA1085 DIP16, ДИП24, CQ 649 cq 744 чай10 IC 744 | |
1997 — Варикап bb112 Аннотация: Ресивер RC-5 cdm12.1 tda1557 TDA7057 TDA7088T загрузчик компакт-дисков L1210 цифровой тюнинг FM-РАДИОПРИЕМНИК TDA1514A ЦЕПНОЙ ЭКВАЛАЙЗЕР НЧ-ВЧ МОП-транзистор | Оригинал | CPR120) CCA210) OM5604 / 06/08) TEA5710 TEA5711 TEA5712 TEA5757H TEA5759H TEA5762H TEA6320 Варикап bb112 Ресивер RC-5 cdm12.1 tda1557 TDA7057 TDA7088T CD-погрузчик L1210 ЦИФРОВАЯ НАСТРОЙКА FM-РАДИОПРИЕМНИКА TDA1514A ЦЕПНОЙ ЭКВАЛАЙЗЕР BASS BASS MOSFET | |
CT914 Аннотация: руководство по микросхемам аудиоусилителя Philips «True Logarithmic Amplifier» P-канальный РЧ-усилитель Руководство по выбору полупроводников Philips Все микрофон CT918 UMA1000LT Список микросхем аудиоусилителя Транзистор bs107 | Сканирование OCR | PCA1070 TEA1060 / 1061 TEA1060: TEA1061: TEA1062 / A TEA1064A TEA1064B TEA1065 TEA1066T TEA1067 CT914 руководство по микросхеме усилителя звука Philips «Истинный логарифмический усилитель» РЧ-усилитель с каналом P Руководство по выбору полупроводников Philips Все микрофон CT918 UMA1000LT Список микросхем аудиоусилителя bs107 транзистор | |
1997 — LM386 BTL Аннотация: Конфигурация контактов TDA7052 LM386 LM386 СХЕМА АУДИОУСИЛИТЕЛЯ tpa4861 TDA7052 усилитель мощности звука TPA4861 tda7052 эквивалент CI LM386 LM386 Усилитель звука | Оригинал | MC34119, NJM2113, LM386, TDA7052 TPA4860 TPA4861 TPA486x LM386 LM386 BTL TDA7052 конфигурация контактов LM386 СХЕМА АУДИОУСИЛИТЕЛЯ tpa4861 Усилитель мощности звука TDA7052 TPA4861 эквивалент tda7052 CI LM386 Усилитель звука LM386 | |
транзистор D 982 Аннотация: TDA7050 All Microphone tda7052 ic POCSAG Приемник пьезоэлектрическое мобильное зарядное устройство «True Logarithmic Amplifier» TDA7052 Аудио усилитель мощности IC tda7052 | Сканирование OCR | PCA1070 TEA1060 / 1061 TEA1060: TEA1061: BGY46A BGY46B BGY47A BGY95A / B BGY96A / B BGY110D / E / F / G транзистор D 982 TDA7050 Все микрофон tda7052 ic Приемник POCSAG пьезоэлектрическое зарядное устройство для мобильных устройств «Истинный логарифмический усилитель» TDA7052 ИС усилителя мощности звука tda7052 | |
транзистор 835 Аннотация: Усилитель на транзисторе BC548, стабилизатор на транзисторе AUDIO Усилитель на транзисторе BC548 на транзисторе 81 110 Вт 85 транзистор 81 110 Вт 63 транзистор транзистор 438 транзистор 649 ПУТЕВОДИТЕЛЬ ТРАНЗИСТОРА | Сканирование OCR | BC327; BC327A; BC328 BC337; BC337A; BC338 BC546; BC547; BC548 BC556; транзистор 835 Усилитель на транзисторе BC548 ТРАНЗИСТОРНЫЙ регулятор Усилитель АУДИО на транзисторе BC548 транзистор 81110 вт 85 транзистор 81110 вт 63 транзистор транзистор 438 транзистор 649 НАПРАВЛЯЮЩАЯ ТРАНЗИСТОРА | |
2003 — tda8921-й Аннотация: TDA8947J TDA8947 BTL audio 50W HSOP24 TDA8944J TDA8920TH tda8925st TDA7056 tda8921 | Оригинал | ||
1997 — tda8558 Аннотация: TDA1514A TDA1553Q TDA1554Q контактное соединение TDA1554Q tda1515bq TDA7057 TDA1519A TDA1557Q TDA1521 / A | Оригинал | TDA8579 tda8558 TDA1514A TDA1553Q Контактное соединение TDA1554Q TDA1554Q tda1515bq TDA7057 TDA1519A TDA1557Q TDA1521 / A | |
TDA8844 Аннотация: ICM555 TDA8842 ic TDA8842 tl494 примечания по применению управление двигателем lm339 igbt драйвер регулятора IC 78xx LM556 PWM NE556 PWM pwm lm2904 | Оригинал | IL358 IL4558 IL4560 KA358 KA4558 LM358 RC4558 KA324 LM324 LM833 TDA8844 ICM555 TDA8842 микросхема TDA8842 tl494 примечания по применению управление двигателем lm339 igbt драйвер Регулятор OF IC 78xx LM556 ШИМ NE556 ШИМ ШИМ lm2904 | |
BGY46B Аннотация: Регулятор транзистора FM 513 диодное пьезоэлектрическое мобильное зарядное устройство SA612 DTMF мобильный операционный усилитель FM интерфейс dtmf с микроконтроллером Аналоговый скремблер голоса Все Микрофон | Сканирование OCR | BGY46A BGY46B BGY47A BGY95A / B BGY96A / B BGY110D / E / F / G BR211 BS107 BS108 BS170 ТРАНЗИСТОРНЫЙ регулятор fm 513 диод пьезоэлектрическое зарядное устройство для мобильных устройств SA612 DTMF мобильный fm операционный усилитель dtmf интерфейс с микроконтроллером Аналоговый голосовой скремблер Все микрофон | |
A571 ТРАНЗИСТОР Аннотация: ИНДИКАТОР УРОВНЯ БАТАРЕИ CT918 транзистор 1247 IC NE 555 SA612 Все Микрофон UMA1000LT ic 1 ne 555 UMA1018 | Сканирование OCR | 80C552 / 83C552 80CL31 / 80CL51 80CL410 / 83CL410 80CL580 / 83CL580 83 / 87L51 83C654 ТРАНЗИСТОР A571 ИНДИКАТОР УРОВНЯ ЗАРЯДА АККУМУЛЯТОРА CT918 транзистор 1247 IC NE 555 SA612 Все микрофон UMA1000LT ic 1 ne 555 UMA1018 | |
TDA8844 Аннотация: микросхема TDA8842 TDA8842 OF IC 78xx, модуль TV-тюнеров Samsung LMC556, LM317, toshiba uA4558, модуль линейного усилителя uhf 5w KA7500 | Оригинал | IL358 IL4558 IL4560 IL4580 IL324 IL062 IL072 IL082 IL1776C IL1458 TDA8844 микросхема TDA8842 TDA8842 Регулятор OF IC 78xx Модуль ТВ-тюнеров Samsung LMC556 LM317 toshiba uA4558 uhf модуль линейного усилителя 5 Вт KA7500 | |
TDA7052, инструкция по применению Аннотация: PDTA144EE PDTA114EE BSS89 ПРИМЕНЕНИЕ Микроконтроллер OM6202 8048 ПРИМЕНЕНИЕ PZT2369 TDA7050 Philips Semiconductors Power Diodes Руководство по выбору Philips Semiconductors Selection Guide | Сканирование OCR | TDA7050 TDA7052 TEA1083 TEA1083A TEA1083 TEA1085 TEA1085A TEA1097 Примечание по применению TDA7052 PDTA144EE PDTA114EE ПРИМЕНЕНИЕ BSS89 OM6202 ПРИМЕНЕНИЕ микроконтроллера 8048 PZT2369 Руководство по выбору силовых диодов Philips Semiconductors Руководство по выбору полупроводников Philips | |
12в стереоусилители Аннотация: цифровой тюнинг FM-РАДИОПРИЕМНИК 12v стереоусилители с регуляторами тембра TDA7000 автомобильный аудиоусилитель philips ic fm am стереоресивер 12v mosfet моно схема высокой мощности TDA1526 светодиодный дисплей для автомобильного радиоприемника радиоприемник IC tea5591 | Оригинал | 80C31 / 80C51 / 87C51 80C32 / 80C52 / 87C52 80C451 / 83C451 / 87C451 80C528 / 83C528 80C550 / 83C550 / 87C550 80C552 / 83C552 10-битный 80C562 / 83C562 TEA6322T TEA6323T Стереоусилители 12в ЦИФРОВАЯ НАСТРОЙКА FM-РАДИОПРИЕМНИКА Стереоусилители на 12 в с регуляторами тембра TDA7000 автомобильный аудио усилитель philips ic fm am стерео ресивер 12v mosfet моно цепь высокой мощности TDA1526 Светодиодный дисплей для автомагнитолы РАДИОПРИЕМНИК IC tea5591 | |
ЦИФРОВАЯ НАСТРОЙКА FM-РАДИОПРИЕМНИКА Аннотация: Varicap bb112 OQ8844T varicap bb130 RADIO fm RECEIVER IC UHF TDA1515 FM-приемник схемы TEA5591A philips ic fm am стерео приемник TDA7000 TDA1013 | Оригинал | TDA1072A TDA1072AT TDA1572 TDA1572T TEA5551T TEA6200 TEA5570 TEA5591 TEA5591A TEA5594 ЦИФРОВАЯ НАСТРОЙКА FM-РАДИОПРИЕМНИКА Варикап bb112 OQ8844T варикап bb130 РАДИО FM ПРИЕМНИК IC UHF TDA1515 Схемы FM-приемника TEA5591A philips ic fm am стерео ресивер TDA7000 TDA1013 | |
8051 микроконтроллер LED точечная матрица 8 * 8 Аннотация: ИС РАДИОПРИЕМНИКА tea5591 OQ8844T tda1072 philips ic fm am стерео приемник dab радиосхема микроконтроллер 8051 светодиодная матрица 200 ватт аудио усилитель с микросхемой PCF85xxC-2 семейный автомобильный усилитель класса d | Сканирование OCR | TDA1072A TDA1072AT TDA1572 TDA1572T TEA5551T TEA6200 TEA5570 TEA5591 TEA5591A TEA5594 Микроконтроллер 8051 LED точечная матрица 8 * 8 РАДИОПРИЕМНИК IC tea5591 OQ8844T tda1072 philips ic fm am стерео ресивер dab радио схема Светодиодная матрица микроконтроллера 8051 Усилитель звука мощностью 200 Вт с микросхемой Семейство PCF85xxC-2 автомобильный усилитель класса d | |
тда 2038 Аннотация: TDA3791 tda вертикальная ИС тв crt tda 3658 dbx 2151 TDA8302 tda9854 tda 2790 TDA 3030 транзистор BF960 | Сканирование OCR | 80C528; 83C528 80C652; 83C652 83C654 83CE654 84C44X; 84C64X; 84C84X 87C528 tda 2038 TDA3791 tda вертикальный IC tv crt tda 3658 dbx 2151 TDA8302 tda9854 tda 2790 TDA 3030 транзистор BF960 | |
tda вертикальный IC tv crt Аннотация: цветная звуковая система для телевизора IC TV Системы горизонтального отклонения Драйвер колонки для ЖК-телевизора IC Large Panels Техническое описание Генератор вертикального отклонения TRIAC MAC 218 в телевизионном УВЧ-предусилителе для BF998 TDA аудио усилитель мощности аудио-видео UHF ТВ-передатчик tda аудиоусилитель | Оригинал | 80C528; 83C528 83C145; 83C845; 83C055; 87C055 83C654 80C652; 83C652 84C44X; tda вертикальный IC tv crt цветная звуковая система телевизора ic Системы горизонтального отклонения телевизора Драйвер колонки для ЖК-телевизора IC Large Panels лист данных TRIAC MAC 218 осциллятор вертикального отклонения в телевидении Предусилитель УВЧ для BF998 Усилитель мощности звука TDA аудио видео uhf тв передатчик tda аудио усилитель | |
TDA7052 Комплект усилителя мощностью 1 Вт Kingston Ontario Canada
TDA7052 Комплект усилителя мощностью 1 Вт Kingston Ontario CanadaМагазин не будет работать корректно, если куки отключены.
Похоже, в вашем браузере отключен JavaScript. Для наилучшего взаимодействия с нашим сайтом обязательно включите Javascript в своем браузере.
Обзор
Это комплект моноусилителя мощностью 1 Вт, использующий TDA 7052 от Philips.
Он разработан для использования в качестве строительного блока в других проектах, где требуется усилитель звука с батарейным питанием для управления небольшим динамиком.Лучше всего он будет работать от 6 12 В постоянного тока и не требует радиатора для нормального использования. Два могут использоваться для стерео приложений. В наборе мало компонентов. Внешний радиатор не требуется. Он защищен от короткого замыкания. Идеально подходит для работы от батареи 3–12 В на динамик на 8 Ом. Используйте с QK98, если требуется большее усиление.
Описание схемы :
Имеется всего 5 внешних компонентов.
C1 — входной конденсатор связи, который блокирует любой постоянный ток, который может присутствовать на входе.
C2 и C3 обеспечивают развязку источника питания, а R2 обеспечивает регулируемый входной уровень.
Может использоваться как регулятор громкости.
Характеристики
Вход постоянного тока: 3 15 В при токе холостого хода Выходная мощность> 1 Вт при 8 Ом максимум.
> 0,25 Вт RMS непрерывно
Freq. Респ. > 20 Гц 20 кГц
~ 10 50 кГц, 3 дБ
Отношение сигнал / шум THD> 70 дБА
Усиление ~ 30 дБ максимум.
Вход Z ~ 10 кОм.

