Каковы основные технические характеристики трансформаторов тока ТПОЛ-10. Для каких целей они применяются. Какие особенности нужно учитывать при эксплуатации ТПОЛ-10. Как правильно выбрать и установить трансформатор ТПОЛ-10.
Назначение и области применения трансформаторов тока ТПОЛ-10
Трансформаторы тока ТПОЛ-10 относятся к категории проходных измерительных трансформаторов и предназначены для передачи сигнала измерительной информации приборам измерения, защиты, автоматики, сигнализации и управления в электрических цепях переменного тока частотой 50 или 60 Гц с номинальным напряжением до 10 кВ.
Основные области применения ТПОЛ-10:
- Измерение тока в высоковольтных линиях электропередачи
- Питание измерительных приборов и устройств релейной защиты
- Коммерческий и технический учет электроэнергии
- Встраивание в комплектные распределительные устройства
- Использование в составе ячеек КРУ и КРУН напряжением 6-10 кВ
ТПОЛ-10 позволяют преобразовывать большие первичные токи до 2000 А в удобные для измерения вторичные токи 1 или 5 А, обеспечивая при этом надежную гальваническую развязку первичных и вторичных цепей.

Конструктивные особенности трансформаторов ТПОЛ-10
Проходные трансформаторы тока ТПОЛ-10 имеют ряд характерных конструктивных особенностей:
- Литая эпоксидная изоляция, обеспечивающая высокую электрическую прочность
- Проходная конструкция с внутренним отверстием для шины или кабеля
- Наличие от 2 до 3 вторичных обмоток различного назначения
- Литые фланцы для крепления к панелям распределительных устройств
- Возможность эксплуатации в любом рабочем положении
- Наличие прозрачных защитных крышек вторичных выводов для пломбирования
Важно отметить, что с 1998 года ТПОЛ-10 выпускаются только с литыми фланцами, обеспечивающими более надежное крепление.
Основные технические характеристики трансформаторов ТПОЛ-10
Рассмотрим ключевые технические параметры трансформаторов тока ТПОЛ-10:
- Номинальное напряжение: 10 кВ (11 кВ)
- Наибольшее рабочее напряжение: 12 кВ
- Номинальная частота: 50 или 60 Гц
- Номинальный первичный ток: от 20 до 2000 А
- Номинальный вторичный ток: 1 или 5 А
- Количество вторичных обмоток: 2 или 3
- Классы точности: 0,2S; 0,2; 0,5S; 0,5; 1; 3; 5P; 10P
- Номинальная вторичная нагрузка: до 30 ВА
- Климатическое исполнение: У3 или Т3
Трансформаторы ТПОЛ-10 имеют высокую устойчивость к токам короткого замыкания и обладают хорошими метрологическими характеристиками во всем диапазоне первичных токов.

Особенности эксплуатации трансформаторов ТПОЛ-10
При эксплуатации трансформаторов тока ТПОЛ-10 следует учитывать ряд важных особенностей:
- Необходимо соблюдать установленный диапазон рабочих температур (-45…+40°C для У3, -10…+45°C для Т3)
- Недопустима работа вторичных обмоток в режиме холостого хода
- Требуется периодическая поверка метрологических характеристик (межповерочный интервал — 16 лет)
- Рекомендуется ежегодный контроль состояния изоляции и затяжки контактных соединений
- Необходимо соблюдать требования по монтажу согласно инструкции по эксплуатации
Соблюдение правил эксплуатации позволяет обеспечить длительный срок службы трансформаторов ТПОЛ-10, составляющий не менее 30 лет.
Выбор трансформаторов ТПОЛ-10 для конкретных условий применения
При выборе трансформаторов тока ТПОЛ-10 необходимо учитывать следующие основные факторы:
- Номинальный первичный ток (выбирается ближайшее большее стандартное значение)
- Требуемый класс точности для измерений и защиты
- Величину вторичной нагрузки с учетом сопротивления соединительных проводов
- Климатическое исполнение в зависимости от условий эксплуатации
- Конструктивное исполнение для монтажа в конкретное распредустройство
Правильный выбор параметров трансформатора позволяет обеспечить требуемую точность измерений и надежность работы устройств защиты и автоматики.

Преимущества применения трансформаторов ТПОЛ-10
Использование проходных трансформаторов тока ТПОЛ-10 дает ряд существенных преимуществ:
- Высокая точность измерений в широком диапазоне первичных токов
- Надежная изоляция первичной и вторичных цепей
- Удобство монтажа в ячейки КРУ и другие распределительные устройства
- Возможность одновременного питания цепей измерения, учета и защиты
- Высокая устойчивость к токам короткого замыкания
- Длительный срок службы без необходимости обслуживания
Эти преимущества обеспечивают широкое применение ТПОЛ-10 в системах электроснабжения промышленных предприятий, электрических сетей и других энергообъектов.
Особенности монтажа и подключения трансформаторов ТПОЛ-10
При установке и подключении трансформаторов ТПОЛ-10 необходимо соблюдать следующие основные правила:
- Монтаж производить только при полном снятии напряжения с первичной цепи
- Обеспечить надежное заземление корпуса трансформатора
- Сечение провода вторичных цепей выбирать с учетом их длины и нагрузки
- Не допускать размыкания вторичных цепей под нагрузкой
- Проверить затяжку всех контактных соединений после монтажа
Правильный монтаж позволяет обеспечить безопасную и надежную работу трансформатора в течение всего срока службы.

СЗТТ :: Проходные трансформаторы тока ТПОЛ-10
Руководства по эксплуатации
Сертификаты
Особенности применения трансформаторов тока с классом точности S
Требования к оформлению заказов трансформаторов предназначенных на экспорт
Скачать опросные листы на трансформаторы тока
Скачать каталог на трансформаторы (pdf; 32 Мб)
Скачать каталог на трансформаторы ТВ (pdf; 4 Мб)
Скачать каталог «Трансформаторы для железных дорог» (pdf; 4,8 Мб)
Межповерочный интервал — 16 лет.
ТУ16 — 2010 ОГГ.671 225.012ТУ
взамен
ТУ16 — 2003 ОГГ.671 224.033ТУ
Руководства по эксплуатации
Сертификаты
Версия для печати (pdf)
Требования к оформлению заказов трансформаторов предназначенных на экспорт
Назначение
Трансформаторы предназначены для передачи сигнала измерительной информации измерительным приборам, устройствам защиты и управления, а также для изолирования цепей вторичных соединений от высокого напряжения в электрических установках переменного тока частоты 50 или 60 Гц на класс напряжений до 10 кВ включительно.
Трансформаторы для дифференциальной защиты поставляются по специальному заказу.
Трансформаторы предназначены для встраивания в распределительные устройства и токопроводы.
Трансформаторы изготовлены в климатическом исполнении «У» или «Т» категории размещения 3 по ГОСТ 15150 для работы в следующих условиях:
- температура окружающего воздуха — от минус 45°С до плюс 40°С для исполнения «У3» и от минус 10°С до плюс 45°С для исполнения «Т3»;
- окружающая среда невзрывоопасная, не содержащая пыли, химически активных газов и паров в концентрациях, разрушающих покрытия металлов и изоляцию;
- рабочее положение — любое.
Трансформаторы комплектуются защитными прозрачными крышками для раздельного пломбирования вторичных выводов (образец пломбирования).
В связи с попытками перепродажи старой продукции под видом новой обращаем ваше внимание на то, что с 1998 года трансформаторы ТПОЛ-10 выпускаются только с литыми фланцами.
Сообщаем, что в трансформаторах тока производства ОАО «Свердловский завод трансформаторов тока» допускается использование вторичных обмоток для учета, классов точности 0,2S и 0,5S со значением вторичной нагрузки ниже 25% от номинальной. Минимально допустимая нагрузка для обмоток класса точности 0,2S и 0,5S составляет 1ВА.
В паспорте на трансформаторы тока со вторичными обмотками для учета классов точности 0,2S и 0,5S указываются измеренные токовые и угловые погрешности при номинальной вторичной нагрузке 1ВА.
Гарантийный срок эксплуатации — 5 (пять) лет со дня ввода трансформатора в эксплуатацию, но не более 5,5 лет с момента отгрузки с завода-изготовителя.
Срок службы — 30 лет.
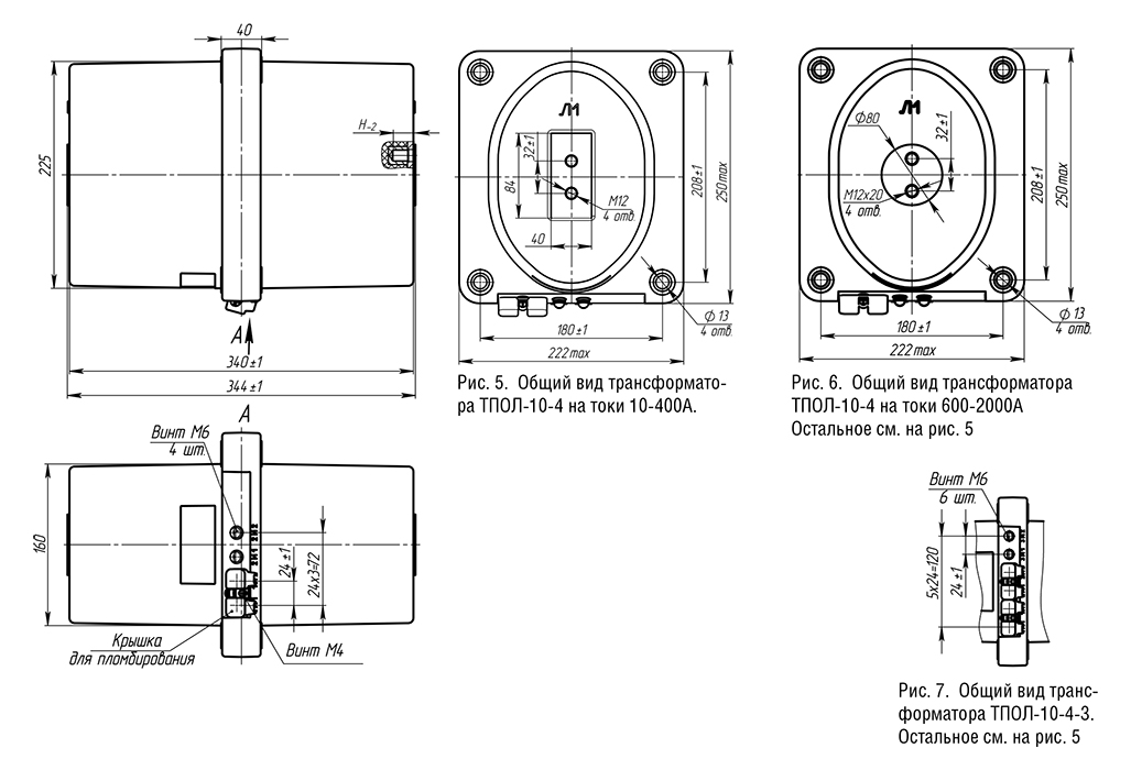
ТПОЛ-10-2 поставляется с выводами вторичных обмоток из гибкого многожильного провода длиной 4500 мм.
ТПОЛ-10-1 с резьбовыми первичными контактами.
ТПОЛ-10-3 с тремя вторичными обмотками.
Таблица 1. Технические данные.
|
Наименование параметра |
Норма |
|
Номинальное напряжение, кВ |
10 или 11 |
| Наибольшее рабочее напряжение, кВ | 12 |
| Номинальный первичный ток, А | 20; 30; 40; 50; 75; 80; 100; 150; 200; 250; 300; 400; 600; 800; 1000; 1500; 2000 |
| Номинальный вторичный ток, А | 1; 5 |
| Номинальная частота, Гц | 50 или 60 |
| Количество вторичных обмоток | 2 или 3 |
|
Номинальная вторичная нагрузка при cos φ = 0,8, ВА: обмотки для защиты |
до 30* (10) |
| Номинальный класс точности вторичной обмотки: для измерений для защиты |
0,2; 0,2S; 0,5S; 0,5; 1 10Р** |
| Номинальная предельная кратность обмотки для защиты при номинальном первичном токе, А: 20-400 600, 1000 800 1500 2000 |
10 16 20 23 19 |
| Кратность трехсекундного тока термической стойкости при номинальном первичном токе, А: 20; 30 40; 100; 150; 300; 400 50; 75; 80; 200 600; 800 1000; 1500 2000 |
38 45 40 32 27 21 |
| Кратность тока электродинамической стойкости при номинальном первичном токе, А: 20; 30 40; 100; 150; 300; 400 50; 75; 80; 200 600; 800 1000 1500 2000 |
96 114 102 81,5 68,7 66,7 50 |
|
Испытательное напряжение, кВ: |
42 75 |
Примечание:
*) значение нагрузки уточняется в заказе, например «ТПОЛ-10-0,5/10Р-600/5 15ВА«, если нагрузка в заказе не оговорена, то трансформатор по умолчанию производится с нагрузкой 10 ВА.
**) в соответствии с заказом могут поставляться класса точности 5Р
Таблица 2. Расчетные значения номинальной предельной кратности вторичных обмоток для защиты в зависимости от номинальной вторичной нагрузки в классах точности 5Р и 10Р для трансформаторов тока ТПОЛ-10
|
Номинальная вторичная нагрузка, В·А |
3 |
5 |
10 |
15 |
20 |
30 |
40 |
50 |
|
Коэффициент трансформации |
Номинальная предельная кратность |
|||||||
|
20 — 300/5 |
27 |
20 |
12 |
10 |
7 |
5 |
4 |
3 |
|
80, 200, 400/5 |
27 |
21 |
14 |
10 |
8 |
6 |
4 |
3,5 |
|
600/5 |
31 |
26 |
18 |
16 |
11 |
8 |
6 |
5 |
|
800/5 |
33 |
28 |
23 |
20 |
14 |
10 |
8 |
7 |
|
1000/5 |
32 |
27 |
20 |
16 |
13 |
10 |
8 |
7 |
|
1500/5 |
37 |
30 |
25 |
23 |
19 |
15 |
9 |
7 |
|
2000/5 |
31 |
27 |
22 |
19 |
17 |
14 |
12 |
10 |
Общий вид трансформатора (чертеж)
Версия для печати (pdf)
ГОСТ 18322-2016 Система технического обслуживания и ремонта техники.
Термины и определения
ГОСТ 18322-2016
МКС 21.020
Дата введения 2017-09-01
Предисловие
Цели, основные принципы и основной порядок проведения работ по межгосударственной стандартизации установлены в ГОСТ 1.0-2015 «Межгосударственная система стандартизации. Основные положения» и ГОСТ 1.2-2016* «Межгосударственная система стандартизации. Стандарты межгосударственные, правила и рекомендации по межгосударственной стандартизации. Правила разработки, принятия, обновления и отмены»
________________
* Вероятно, ошибка оригинала. Следует читать: ГОСТ 1.2-2015. — Примечание изготовителя базы данных.
Сведения о стандарте
1 РАЗРАБОТАН Федеральным государственным бюджетным учреждением науки Институтом систем энергетики им.Л.А.Мелентьева Сибирского отделения Российской академии наук (ИСЭМ СО РАН)
2 ВНЕСЕН Всероссийским научно-исследовательским институтом по стандартизации и сертификации в машиностроении (ВНИИНМАШ)
3 ПРИНЯТ Межгосударственным советом по стандартизации, метрологии и сертификации (протокол от 22 ноября 2016 г.
N 93-П)
За принятие проголосовали:
Краткое наименование страны по | Код страны по | Сокращенное наименование национального органа по стандартизации |
Армения | AM | Минэкономики Республики Армения |
Беларусь | BY | Госстандарт Республики Беларусь |
Казахстан | KZ | Госстандарт Республики Казахстан |
Киргизия | KG | Кыргызстандарт |
Россия | RU | Росстандарт |
Таджикистан | TJ | Таджикстандарт |
4 Приказом Федерального агентства по техническому регулированию и метрологии от 28 марта 2017 г.
N 186-ст межгосударственный стандарт ГОСТ 18322-2016 введен в действие в качестве национального стандарта Российской Федерации с 1 сентября 2017 г.
5 ВЗАМЕН ГОСТ 18322-78
Информация об изменениях к настоящему стандарту публикуется в ежегодном указателе «Национальные стандарты», а текст изменений и поправок — в ежемесячном информационном указателе «Национальные стандарты». В случае пересмотра (замены) или отмены настоящего стандарта соответствующее уведомление будет опубликовано в ежемесячном информационном указателе «Национальные стандарты». Соответствующая информация, уведомления и тексты размещаются также в информационной системе общего пользования — на официальном сайте Федерального агентства по техническому регулированию и метрологии в сети Интернет (www.gost.ru)
1 Область применения
Настоящий стандарт устанавливает термины и определения основных понятий в области технического обслуживания и ремонта техники.
Настоящий стандарт распространяется на объекты технического обслуживания и ремонта (далее — объекты).
Термины, устанавливаемые настоящим стандартом, рекомендованы для применения во всех видах документации и литературы, входящих в сферу действия стандартизации или использующих результаты этой деятельности.
Настоящий стандарт применяется совместно с ГОСТ 27.002.
Стандартизованные термины с определениями приведены в разделе 2. В качестве справочных данных приведены эквиваленты стандартизованных терминов на английском языке, часть из которых заимствована из международного стандарта [1]*.
________________
* См. раздел Библиография. — Примечание изготовителя базы данных.
Применение терминов-синонимов стандартизованных терминов не допускается.
2 Термины и определения
В настоящем стандарте применены следующие термины с соответствующими определениями.
2.1 Общие понятия
2.
1.1 техническое обслуживание; ТО (maintenance): Комплекс технологических операций и организационных действий по поддержанию работоспособности или исправности объекта при использовании по назначению, ожидании, хранении и транспортировании.
2.1.2 ремонт (repair): Комплекс технологических операций и организационных действий по восстановлению работоспособности, исправности и ресурса объекта и/или его составных частей.
Примечание — Ремонт включает операции локализации, диагностирования, устранения неисправности и контроль функционирования.
2.1.3 система технического обслуживания и ремонта (maintenance and repair system): Совокупность взаимосвязанных средств, документации технического обслуживания и ремонта и исполнителей, необходимых для поддержания и восстановления (качества либо эксплуатационных характеристик) объектов, входящих в эту систему.
2.1.4 концепция технического обслуживания и ремонта (maintenance and repair concept): Основополагающие принципы по организации и проведению технического обслуживания и ремонта.
2.1.5 правила технического обслуживания (ремонта) [maintenance (repair) policy]: Основные положения и практические указания по организации и проведению технического обслуживания (ремонта).
2.1.6 эшелон технического обслуживания (ремонта) [maintenance (repair) line]: Место в организационной структуре, где предусмотрено выполнение определенных уровней технического обслуживания (ремонта).
Примечание — Примерами могут быть полевые условия, ремонтная мастерская, средства изготовителя.
2.1.7 уровень разукрупнения [для технического обслуживания (ремонта)] (indenture level): Уровень разделения объекта на составные части с точки зрения технического обслуживания (ремонта).
Примечания
1 Уровень разукрупнения зависит от сложности структуры объекта, доступности его составных частей, квалификации ремонтного персонала и требований безопасности.
2 Примером уровня разукрупнения объекта может быть деталь или сборочная единица.
2.1.8 уровень технического обслуживания (ремонта) [maintenance (repair) level]: Набор операций технического обслуживания (ремонта), подлежащих выполнению на установленном уровне разукрупнения.
2.1.9 операция технического обслуживания (ремонта) [maintenance (repair) operation]: Отдельный вид работы, выполняемой при техническом обслуживании (ремонте) с целью поддержания или восстановления работоспособности объекта.
2.1.10 поддержка технического обслуживания (ремонта) [maintenance (repair) support]: Процесс скоординированного управления обеспечением всеми видами ресурсов, необходимых для проведения технического обслуживания (ремонта).
Примечание — Ресурсы включают материалы, запасные части, инструменты и принадлежности, ремонтную площадку и персонал, документацию и информацию по техническому обслуживанию (ремонту).
2.1.11 объект технического обслуживания (ремонта) [maintenance (repair) item]: Любой объект или его составная часть, подлежащие техническому обслуживанию (ремонту).
2.1.12 обслуживаемый объект (maintainable item): Объект, для которого техническое обслуживание предусмотрено документацией.
2.1.13 необслуживаемый объект (non-maintainable item): Объект, для которого техническое обслуживание не предусмотрено документацией.
2.1.14 ремонтопригодный объект (repairable item): Объект, ремонт которого возможен и предусмотрен документацией.
2.1.15 неремонтопригодный объект (non-repairable item): Объект, ремонт которого не предусмотрен документацией или невозможен.
2.1.16 составная часть (component part): Элемент объекта, выполняющий определенные технические функции в составе объекта, который может быть заменен при восстановлении объекта.
Примечания
1 Объект представляется в виде единого целого, состоящего из взаимосвязанных частей, объединенных в нем для выполнения общей целевой функции.
2 Составной частью объекта может быть деталь или сборочная единица.
2.1.17 запасная часть (spare part): Отдельная деталь или сборочная единица, предназначенные для замены изношенных, неисправных или отказавших аналогичных частей объекта с целью поддержания или восстановления его работоспособного состояния.
2.1.18 замена (substitution): Процедура восстановления или поддержания работоспособности объекта путем установки запасной части вместо изношенной или отказавшей составной части или объекта в целом.
Примечание — Замена является частью или разновидностью ремонта в тех случаях, когда вместо изношенной или отказавшей составной части устанавливается такая же новая.
2.1.19 комплект ЗИП [SPTA (spare parts, tools and accessories) package]: Набор запасных частей, инструментов, принадлежностей (ЗИП) и расходных материалов, необходимых для функционирования, технического обслуживания и ремонта объекта, скомплектованный в зависимости от назначения и особенностей использования.
Примечание — Комплект ЗИП может рассматриваться как предмет поставки и как набор, формируемый эксплуатирующей организацией. В первом случае комплект ЗИП определяется документацией на объект с учетом назначения и особенностей его использования и входит в комплект поставки на заданный гарантийный срок, во втором — формируется эксплуатирующей организацией с учетом принятого эшелона ТО (ремонта).
2.1.20 техническое состояние; ТС (technical state): Совокупность свойств объекта, подверженных изменению в процессе его производства, эксплуатации, транспортировки и хранения, характеризуемых значениями параметров и/или качественными признаками, установленными в документации.
Примечание — Видами ТС являются: исправное состояние, работоспособное состояние, неисправное состояние, неработоспособное состояние и предельное состояние.
2.1.21 техническое диагностирование (technical diagnosis): Процесс определения технического состояния объекта.
2.1.22 вид технического обслуживания (ремонта) [type of maintenance (repair)]: Квалификационная категория ТО (ремонта), выделяемая по одному из отличительных признаков, например, таких как: регламентация и организация выполнения, объем работ, место и условия выполнения.
2.1.23 метод технического обслуживания (ремонта) [maintenance (repair) method]: Совокупность технологических и организационных правил выполнения операций технического обслуживания (ремонта).
2.1.24 средства технического обслуживания (ремонта) [maintenance (repair) facilities]: Технические устройства, запасные части, инструменты и принадлежности, средства технологического оснащения и сооружения, ремонтная площадка, транспортные средства и персонал, предназначенные для выполнения технического обслуживания (ремонта).
2.1.25 цикл технического обслуживания (ремонта) [maintenance (repair) cycle]: Наименьший повторяющийся интервал времени или наработка объекта, в течение которых выполняются в определенной последовательности в соответствии с требованиями документации все установленные виды периодического технического обслуживания (ремонта).
2.1.26 периодичность технического обслуживания (ремонта) [maintenance (repair) periodicity]: Интервал времени или наработка между данным видом технического обслуживания (ремонта) и последующим таким же видом или другим большей сложности.
2.1.27 продолжительность технического обслуживания (ремонта) [maintenance (repair) duration]: Календарное время проведения одного технического обслуживания (ремонта) данного вида.
2.1.28 объем технического обслуживания (ремонта) [maintenance (repair) volume]: Номенклатура операций по ТО (ремонту), продолжительность их выполнения, трудовые, материальные и финансовые затраты, необходимые для поддержания (восстановления) работоспособности объекта.
2.1.29 трудоемкость технического обслуживания (ремонта) [maintenance (repair) labor content]: Трудозатраты на проведение одного технического обслуживания (ремонта) данного вида.
2.1.30 стоимость технического обслуживания (ремонта) [maintenance (repair) cost]: Стоимость одного технического обслуживания (ремонта) данного вида.
2.1.31 суммарная продолжительность технических обслуживаний (ремонтов) [total duration of maintenance (repair)]: Календарное время проведения всех технических обслуживаний (ремонтов) объекта за заданный интервал времени или наработку.
2.1.32 суммарная трудоемкость технических обслуживаний (ремонтов) [total labor content of maintenance (repair)]: Трудозатраты на проведение всех технических обслуживаний (ремонтов) объекта за заданный интервал времени или наработку.
2.1.33 суммарная стоимость технических обслуживаний (ремонтов) [total cost of maintenance (repair)]: Стоимость проведения всех технических обслуживаний (ремонтов) за заданный интервал времени или наработку.
2.2 Виды технического обслуживания
2.
2.1 техническое обслуживание при использовании по назначению (maintenance under intended use): Техническое обслуживание при подготовке к использованию по назначению, использовании по назначению и непосредственно после его окончания.
2.2.2 техническое обслуживание при хранении (storage maintenance): Техническое обслуживание при подготовке к хранению, хранении и непосредственно после его окончания.
2.2.3 техническое обслуживание при транспортировании (transport maintenance): Техническое обслуживание при подготовке к транспортированию, транспортировании и непосредственно после его окончания.
2.2.4 техническое обслуживание на месте эксплуатации (on-site maintenance): Техническое обслуживание, проводимое на месте использования объекта.
2.2.5 техническое обслуживание вне места эксплуатации (off-site maintenance): Техническое обслуживание, проводимое не на месте использования объекта.
2.2.6 техническое обслуживание в стационарных условиях (maintenance in stationary conditions): Техническое обслуживание, выполняемое в специально предназначенных местах, оборудованных стационарными средствами ТО, с применением, в необходимых случаях, переносных средств.
2.2.7 техническое обслуживание в особых условиях (maintenance in special conditions): Техническое обслуживание, выполняемое в особых условиях эксплуатации объекта, указанных в отраслевой документации и характеризуемых значениями параметров, выходящими за пределы допустимых границ.
Примечание — Особые условия могут быть природного, техногенного характера и др.
2.2.8 дистанционное техническое обслуживание (remote maintenance): Техническое обслуживание объекта, проводимое под управлением персонала без его непосредственного присутствия.
Примечание — Примерами дистанционного обслуживания являются ТО с использованием дистанционно управляемого оборудования.
2.2.9 плановое техническое обслуживание (scheduled maintenance): Техническое обслуживание, предусмотренное в документации, выполняемое по установленному графику.
Примечание — Кроме операций, предусмотренных регламентом, плановое техническое обслуживание может включать некоторые операции по текущему техническому надзору за работой оборудования и/или по текущему эксплуатационному уходу, не предусмотренные регламентом.
2.2.10 неплановое техническое обслуживание (unscheduled maintenance): Незапланированное техническое обслуживание, выполняемое по результатам оценки фактического технического состояния объекта.
Примечание — Перечень и объем работ определяется по результатам контроля технического состояния объекта с учетом предполагаемого его изменения в процессе эксплуатации.
2.2.11 комплексное техническое обслуживание (integrated maintenance): Плановое техническое обслуживание, выполняемое на всех или нескольких составных частях объекта одновременно, в объеме и с периодичностью, установленными в документации.
2.2.12 регламентированное техническое обслуживание (regulated maintenance): Плановое техническое обслуживание, выполняемое с установленной в документации периодичностью независимо от состояния объекта на момент начала технического обслуживания.
2.2.13 нерегламентированное техническое обслуживание (unregulated maintenance): Техническое обслуживание, обусловленное не предусмотренными документацией изготовителя особыми условиями эксплуатации или ненормированной наработкой объекта и его составных частей.
2.2.14 периодическое техническое обслуживание (periodic maintenance): Плановое техническое обслуживание, выполняемое через установленные в документации значения наработки или интервалы времени.
2.2.15 сезонное техническое обслуживание (seasonal maintenance): Техническое обслуживание, выполняемое для подготовки объекта к использованию в осенне-зимних или весенне-летних условиях.
2.2.16 автономное техническое обслуживание (autonomous maintenance): Плановое техническое обслуживание составной части, выполняемое отдельно от объекта в объеме и с периодичностью, установленными в документации.
2.2.17 техническое обслуживание с периодическим контролем (maintenance with periodic control): Техническое обслуживание, выполняемое при контроле технического состояния объекта в объеме и с периодичностью, установленными в документации, при этом объем остальных операций определяется техническим состоянием объекта в момент начала технического обслуживания.
2.2.18 техническое обслуживание с непрерывным контролем (maintenance with continuous control): Техническое обслуживание, предусмотренное документацией и выполняемое по результатам непрерывного контроля технического состояния объекта.
2.2.19 номерное техническое обслуживание (numbered maintenance): Техническое обслуживание, при котором определенному объему работ присваивается свой порядковый номер.
2.2.20 профилактическое техническое обслуживание (preventive maintenance): Плановое техническое обслуживание, выполняемое через определенные интервалы времени и направленное на поддержание работоспособного состояния объекта, на раннее выявление неисправностей и снижение вероятности отказов.
2.2.21 корректирующее техническое обслуживание (corrective maintenance): Техническое обслуживание, выполняемое после обнаружения неисправности с целью возвращения объекта в работоспособное состояние.
2.2.22 техническое обслуживание, ориентированное на обеспечение безотказности (reliability-centered maintenance): Техническое обслуживание, основанное на методологии определения оптимального набора операций ТО и частоты их применения с учетом вероятностей и последствий отказов на любом уровне разукрупнения.
2.2.23 автоматизированное техническое обслуживание (automated maintenance): Техническое обслуживание, осуществляемое персоналом с использованием комплекса средств автоматизации его деятельности.
2.2.24 задержанное техническое обслуживание (deferred maintenance): Техническое обслуживание, отсроченное после установления его необходимости в соответствии с правилами технического обслуживания.
Примечание — Техническое обслуживание может быть задержано по форс-мажорным обстоятельствам, по причинам, связанным с необеспеченностью материальными ресурсами, по экономическим или иным причинам.
2.3 Операции и виды ремонта
2.3.1 обнаружение неисправности (fault detection): Событие, при котором наличие неисправности становится очевидным.
Примечание — Для обнаружения неисправностей широко используются различные методы технического диагностирования, аппаратного и программного контроля.
2.3.2 локализация неисправности (fault location): Действия, направленные на поиск неисправной составной части или нескольких составных частей на соответствующем уровне разукрупнения и предотвращение распространения неисправности и ее возможных последствий.
2.3.3 диагностирование неисправности (fault diagnosis): Операции, выполняемые с целью идентификации неисправности и установления причин ее появления.
2.3.4 устранение неисправности (fault correction): Операции, выполняемые после диагностирования неисправности с целью восстановления работоспособного состояния объекта.
2.3.5 контроль функционирования (function check): Контроль выполнения объектом всех или части свойственных ему функций.
Примечание — Контроль функционирования осуществляется на любой стадии эксплуатации объекта, в том числе после ремонта с целью подтверждения успешности принятых мер по устранению неисправности.
2.3.6 плановый ремонт (scheduled repair): Ремонт, постановка на который планируется в соответствии с требованиями документации.
Примечания
1 Постановка на ремонт означает вывод объекта из эксплуатации и передачу его ремонтному персоналу (предприятию).
2 Плановые ремонты по объему выполняемых работ, трудоемкости и периодичности проведения подразделяются на капитальные, средние и текущие.
2.3.7 капитальный ремонт (major repair): Плановый ремонт, выполняемый для восстановления исправности и полного или близкого к полному ресурса объекта с заменой или восстановлением любых его частей, включая базовые.
Примечание — Значение ресурса объекта, близкое к полному, устанавливается в документации.
2.3.8 средний ремонт (medium repair): Плановый ремонт, выполняемый для восстановления исправности и частичного восстановления ресурса объекта с заменой или восстановлением составных частей ограниченной номенклатуры и контролем технического состояния объекта в объеме, предусмотренном в документации.
Примечание — Объем восстановления ресурса устанавливается в документации.
2.3.9 текущий ремонт (current repair): Плановый ремонт, выполняемый для обеспечения или восстановления работоспособности объекта и состоящий в замене и/или восстановлении отдельных легкодоступных его частей.
2.3.10 регламентированный ремонт (regulated repair): Плановый ремонт, выполняемый независимо от технического состояния объекта в момент начала ремонта, в объеме и с периодичностью, установленными в документации.
2.3.11 нерегламентированный ремонт (unregulated repair): Ремонт, при котором кроме предусмотренных регламентом операций, установленных в документации, выполняются дополнительные ремонтные работы, необходимые для восстановления работоспособности объекта.
Примечание — Примером нерегламентированного ремонта может быть ремонт отдельных деталей или сборочных единиц, неисправность которых обнаруживается только при разборке объекта.
2.3.12 неплановый ремонт (unscheduled repair): Ремонт, постановка на который осуществляется без предварительного назначения.
2.3.13 ремонт по техническому состоянию (condition-based repair): Ремонт, при котором контроль технического состояния выполняется с периодичностью, установленной в документации, а объем и момент начала ремонта определяются техническим состоянием объекта.
Примечание — Ремонты по техническому состоянию могут быть плановыми и неплановыми.
2.3.14 аварийный ремонт (emergency repair): Неплановый ремонт, выполняемый при внезапных поломках оборудования, вызванных нарушением условий эксплуатации, перегрузками или другими причинами, для восстановления работоспособности объекта.
2.3.15 гарантийный ремонт (warranty repair): Ремонт, выполняемый в течение гарантийного срока силами и средствами завода-изготовителя или лицензированного ремонтного предприятия для восстановления работоспособности и ресурса объекта, при условии выполнения эксплуатирующей организацией правил технической эксплуатации.
2.3.16 ремонт в стационарных условиях (repair in stationary conditions): Ремонт, выполняемый в специально предназначенном месте, оборудованном стационарными средствами ремонта с применением, в необходимых случаях, переносных средств.
2.
3.17 ремонт в полевых условиях (field repair): Ремонт, выполняемый в месте, не предназначенном специально для ремонта и не оборудованном стационарными средствами ремонта, с применением специальных бригад и специально разработанных комплектов запасных частей и, в необходимых случаях, переносных средств.
2.4 Методы технического обслуживания и ремонта
2.4.1 поточный метод технического обслуживания (ремонта) [flow line method of maintenance (repair)]: Метод выполнения технического обслуживания (ремонта) на специализированном рабочем месте с заданными технологической последовательностью и ритмом.
2.4.2 централизованный метод технического обслуживания (ремонта) [centralized method of maintenance (repair)]: Метод выполнения технического обслуживания (ремонта) персоналом и средствами одного подразделения, организации или предприятия.
2.4.3 децентрализованный метод технического обслуживания (ремонта) [decentralized method of maintenance (repair)]: Метод выполнения технического обслуживания (ремонта) персоналом и средствами нескольких подразделений, организаций или предприятий.
2.4.4 последовательный метод технического обслуживания (ремонта) [stepwise method of maintenance (repair)]: Метод технического обслуживания (ремонта), при котором поступление каждого объекта на конкретное обслуживание (ремонт) происходит после завершения полного объема технического обслуживания (ремонта) предыдущего объекта.
2.4.5 параллельный метод технического обслуживания (ремонта) [parallel method of maintenance (repair)]: Метод технического обслуживания (ремонта), характеризующийся одновременным выполнением конкретного обслуживания (ремонта) всей группы обслуживаемых объектов.
Инструкции ОАО РЖД
Содержание страницы
Технологические инструкции
ПКБ ЦТ.01.0001Р «Комплект документов на типовой технологический процесс технического обслуживания обыкновенного освидетельствования и ремонта колесных пар электровозов ВЛ10, ВЛ11, ВЛ15, ВЛ80, ВЛ82, ВЛ85»
ПКБ ЦТ.
01.0002Р «Комплект документов на типовой технологический процесс технического обслуживания обыкновенного освидетельствования и ремонта колесных пар тепловозов 2ТЭ116, ТЭ10, ТЭМ2, М62»
ПКБ ЦТ.01.0008Р «Комплект документов на типовой технологический процесс текущего ремонта ТР-3 асинхронных электродвигателей НВА-22, НВА-55 электровоза ЭП1»
ПКБ ЦТ.06.0001 «Руководство по техническому обслуживанию и текущему ремонту тяговых электродвигателей локомотивов»
ПКБ ЦТ.06.0002 «Руководство по техническому обслуживанию и текущему ремонту поршневых компрессоров локомотивов»
ПКБ ЦТ.06.0004 «Руководство по техническому обслуживанию и текущему ремонту электропневматических контакторов локомотивов»
ПКБ ЦТ.06.0005 «Руководство по осмотру и обыкновенному освидетельствованию колесных пар локомотивов»
ПКБ ЦТ.06.0039 «Руководство по техническому обслуживанию, текущему и заводскому ремонту электровозов ВЛ80в/и»
ПКБ ЦТ.06.0040 «Руководство по установке вентиляторов в кабине машиниста электровозов ВЛ80в/и, ВЛ10в/и, ВЛ11в/и»
ПКБ ЦТ.
06.0041 «Руководство по установке вентиляторов в кабине машиниста электровозов ЧС6, ЧС7, ЧС8, ЧС200»
ПКБ ЦТ.06.0042 «Руководство по установке вентиляторов в кабине машиниста тепловозов 2 (3)ТЭ10в/и, 2ТЭ116, М62в/и, ТЭП70, ТЭМ2в/и, ТЭМ7в/и, ЧМЭ3в/и»
ПКБ ЦТ.06.0045 «Руководство по техническому обслуживанию, текущему и деповскому ремонту тепловоза 2ТЭ116»
ПКБ ЦТ.06.0046 «Руководство по техническому обслуживанию и текущему и деповскому ремонту электровозов 2(3)Эс5К, Э5К»
ПКБ ЦТ.06.0050 «Вибрационное диагностирование узлов локомотивов»
ПКБ ЦТ.06.0051 «Руководство по техническому обслуживанию, текущему и деповскому ремонту тепловоза ТЭП70»
ПКБ ЦТ.06.0059 «Требования по проведению неразрушающего контроля деталей КМБ (КРБ) локомотивов при плановых видах ремонта»
ПКБ ЦТ.06.0064 «Тепловизионный контроль узлов и деталей локомотивов»
ПКБ ЦТ.06.0072 «Руководство по техническому обслуживанию и текущему ремонту тепловозов ТЭМ18в/и»
ПКБ ЦТ.
06.0073 «Узлы с подшипниками качения на железнодорожного тягового подвижного состава. Руководство по техническому обслуживанию и ремонту»
ПКБ ЦТ.06.0090 «Разработка технологических процессов для технического обслуживания и текущего ремонта локомотивов их агрегатов, узлов или деталей»
ПКБ ЦТ.06.0093 «Водяные насосы дизелей 5Д49 и ПД4Д. Руководство по текущему ремонту»
ПКБ ЦТ.06.0094 «Масляные насосы дизелей 5Д49 и ПД4Д. Руководство по текущему ремонту»
ПКБ ЦТ.06.0099 «Руководство по текущему и среднему ремонтам турбокомпрессора ТК33Н-01(02)»
ПКБ ЦТ.07.0001 «Перечень технологических операций разборки, ремонта и сборки тележек электровоза 2ЭС5К»
ПКБ ЦТ.25.0002 «Технологическая инструкция изготовление стале-баббитовых вкладышей моторно-осевых подшипников»
ПКБ ЦТ.25.0003 «Перезаливка баббитом Б16 вкладышей моторно-осевых подшипников электровозов.. Технологическая инструкция (на опытную партию)»
ПКБ ЦТ.
25.0007 «Техническое обслуживание и ремонт тягового электродвигателя НБ-520В электровоза ЭП1»
ПКБ ЦТ.25.0009 «Текущий ремонт ТР-3 колесно-редукторного блока электровоза ЭП1»
ПКБ ЦТ.25.0011 «Техническое обслуживание и ремонт асинхронных электродвигателей НВА-22, НВА-55 электровозаЭП1»
ПКБ ЦТ.25.0014 «Технологическая инструкция техническое обслуживание и ремонт разрядников и ограничителей перенапряжений электровозов переменного тока»
ПКБ ЦТ.25.0015 «Техническое обслуживание и ремонт тягового трансформатора ОНДЦЭ-5700/25-У2 электровоза ЭП1»
ПКБ ЦТ.25.0018 «Техническое обслуживание и текущие ремонты тележек тепловозаЧМЭ3»
ПКБ ЦТ.25.0025 «Техническое обслуживание и ремонт электропневматических контакторов электровоза ЭП1»
ПКБ ЦТ.25.0027 «Техническое обслуживание и ремонт контроллеров машиниста КМ-87, КМ-27 электровоза ЭП-1»
ПКБ ЦТ.25.0028 «Техническое обслуживание и ремонт быстродействующих выключателей ВБ-8 электровоза ЭП-1»
ПКБ ЦТ.
25.0044 «Техническое обслуживание и ремонт электропневматических контакторов электровоза 2ЭС5К, 3ЭС5К, Э5К»
ПКБ ЦТ.25.0046 «Техническое обслуживание и ремонт электромагнитных контакторов электровоза 2ЭС5К, 3ЭС5К, Э5К»
ПКБ ЦТ.25.0056 «Техническое обслуживание ТО-5 локомотивов»
ПКБ ЦТ.25.0058 «Обкаточные испытания электровозов после текущего ремонта ТР-3»
ПКБ ЦТ.25.0061 «Обыкновенное освидетельствование колесных пар электровозов серий 2ЭС5К, 2ЭС4К, 3ЭС5К»
ПКБ ЦТ.25.0064 «Обыкновенное освидетельствование колесных пар тепловозов серий ТЭМ18Д, ТЭМ3»
ПКБ ЦТ.25.0067 «Типовой технологический процесс на сушку, пропитку и покрытие обмоток тяговых и вспомогательных электрических машин локомотивов»
ПКБ ЦТ.25.0069 «Очистка от загрязнений и нанесение защитного электроизоляционного покрытия на поверхности стеклопластиковых изоляторов при ремонте электроподвижного состава»
ПКБ ЦТ.25.0070 «Техническое обслуживание и ремонт щелочных никель-кадмиевых аккумуляторных батарей»
ПКБ ЦТ.25.0071 «Настройка коммутации тяговых электродвигателей электровозов»
ПКБ ЦТ.25.0072 «Техническое обслуживание и текущий ремонт главного контроллера ЭКГ-8Ж»
ПКБ ЦТ.25.0073 «Ремонт токоотводящих устройств электровозов ВЛ10, ВЛ10У, ВЛ11»
ПКБ ЦТ.25.0074 «Нанесение и восстановление полос безопасности на лобовых частях локомотивов при ремонте»
ПКБ ЦТ.25.0075 «Инструкция по тепловому контролю и диагностике узлов локомотивов»
ПКБ ЦТ.25.0077 «Техническое обслуживание и ремонт тяговых трансформаторов типа ОНДЦЭ-4350/П-У2 электровозов 2ЭС5К, 3ЭС5К, Э5К»
ПКБ ЦТ.25.0078 «Техническое обслуживание и ремонт токоприемника ТАсС-10»
ПКБ ЦТ.25.0081 «Устранение неисправностей локомотивов в парках прибытия п отправления»
ПКБ ЦТ.25.0082 «Техническое обслуживание и ремонт тягового электродвигателя ЭД-118А»
ПКБ ЦТ.25.0084 «Техническое обслуживание и ремонт главного выключателя ВОВ-25-4М электровозов переменного тока»
ПКБ ЦТ.25.0086 «Определение и регулирование развески электровозов ВЛ10в/и, ВЛ80в/и, ВЛ-11, ВЛ82»
ПКБ ЦТ.25.0087 «Сборка букс и регулировка их положения на оси колесной пары электровозов ВЛ10,ВЛ11,ВЛ15,ВЛ80,ВЛ82,ВЛ85»
ПКБ ЦТ.25.0088 «Инструкция по приготовлению и применению охлаждающей жидкости для систем охлаждения двигателей тепловозов и дизель-поездов»
ПКБ ЦТ.25.0090 «Пропитка изоляции обмоток тяговых и вспомогательных электрических машин локомотивов и электропоездов в деповских условиях»
ПКБ ЦТ.25.0092 «Техническое обслуживание и ремонт токоприемников электровозов постоянного и переменного тока»
ПКБ ЦТ.25.0093 «Ремонт, уход и содержание песочниц на электровозах»
ПКБ ЦТ.25.0094 «Техническое обслуживание и ремонт дугогасительных камер электрических аппаратов электровозов переменного тока»
ПКБ ЦТ.25.0097 «Формирование, проверка, рамонт и эксплуатация резино-металлических амортизаторов буксовых поводков локомотивов и моторвагонного подвижного состава» (с изм. 03.08.2017г)
ПКБ ЦТ.25.0098 «Техническое обслуживание и ремонт электродвигателей П-11М,ДМК-1/50,ДМК-1»
ПКБ ЦТ.25.0099 «Техническое обслуживание и ремонт тягового двигателя ТЛ-2К»
ПКБ ЦТ.25.00100 «Технологическая инструкция по техническому обслуживанию и ремонту систем осушки сжатого воздуха»
ПКБ ЦТ.25.0101 «Инструкция по применению электроизоляционных эмалей ГФ-92-ХС красно-коричневой, ГФ-92-ХС серой и КО-983 при текущем ремонте и техническом обслуживании локомотивов и моторвагонного подвижного состава»
ПКБ ЦТ.25.00102 «Техническое обслуживание фильтров воздухозаборных устройств электровозов»
ПКБ ЦТ.25.00103 «Технология подготовки, заправки, подбивки и уход в эксплуатации моторно-осевых подшипников тяговых двигателей локомотивов»
ПКБ ЦТ.25.00107 «Обслуживание и ремонт компрессоров КТ6,КТ7, КТ6эл»
ПКБ ЦТ.25.00108 «Технологическая инструкция на текущий и средний ремонт тяговых электродвигателей типа НБ-412К в условиях депо»
ПКБ ЦТ.25.0109 «Технологическая инструкция на средний ремонт в условиях депо асинхронных электрических машин электровозов и электропоездов переменного тока»
ПКБ ЦТ.25.0110 «Руководство по техническому обслуживанию и текущему ремонту электрических машин электровозов»
ПКБ ЦТ.25.0113 «Руководство по техническому обслуживанию и ремонту гидравлических и фрикционных гасителей колебаний локомотивов»
ПКБ ЦТ.25.00115 «Инструкция по содержанию локомотивных приемных катушек»
ПКБ ЦТ.25.0116 «Инструкция по техническому обслуживанию и автоматической локомотивной сигнализации с устройствами проверки бдительности и контроля скорости движения»
ПКБ ЦТ.25.0123 «Ремонт и содержание датчика усл N 418»
ПКБ ЦТ.25.0124 «Техническое обслуживание, ремонт и испытание кранов машиниста усл.№ 394, №394М, №395, №395М и кранов вспомогательного тормоза локомотива усл. №254»
ПКБ ЦТ.25.00127 «Ремонт устройство блокировки тормозов локомотива»
ПКБ ЦТ.25.00130 «Техническое обслуживание и ремонт люлечного подвешивания электровозов»
ПКБ ЦТ.25.0132 «Ремонт редуктора мотор-компрессора электровоза ВЛ80»
ПКБ ЦТ.25.00134 «Техническое обслуживание и ремонт резисторов электровозов переменного тока двойного питания»
ПКБ ЦТ.25.0135 «Ремонт водяных насосов дизелей типа Д100»
ПКБ ЦТ.25.0136 «Техническое обслуживание и ремонт контроллера машиниста типа КМ-2200 тепловозов с реостатным торможением»
ПКБ ЦТ.25.00142 «Проведение вибрационного диагностирования подшипников качения колесно-моторных, колесно-моторных блоков, тяговых электродвигателей и колесных пар локомотивов»
ПКБ ЦТ.25.00144 «Техническое обслуживание и текущий ремонт форсунок дизелей типа 10Д100, д49, 11д45, 14д40, пд1м, к6s310DR»
ПКБ ЦТ.25.00147 «Техническое обслуживание и текущий ремонты механической части электровоза 2ЭС5К»
ПКБ ЦТ.25.00154 «Контроль технического состояния электрооборудования локомотивов без демонтажа при проведении технического обслуживания и текущего ремонта»
ПКБ ЦТ.25.0156 «Текущий ремонт коёсно-моторного блока с моторно-осевыми подшипниками качения электровоза 2ЭС6»
ПКБ ЦТ.25.0157 «Текущий ремонт колесно-моторного блока с моторно-осевыми подшипниками качения тепловоза 2ТЭ25А»
ПКБ ЦТ.25.0163 «Инструкция по вихретоковому контролю деталей и узлов локомотивов»
ПКБ ЦТ.25.0164 «Инструкция по магнитопорошковому контролю деталей и узлов локомотивов»
ПКБ ЦТ.25.0169 «Техническое обслуживание и ремонт групповых кулачковых переключателей отечественных электровозов постоянного тока»
ПКБ ЦТ.25.0172 «Ремонт места установки поглащающего аппарата автосцепного устройства в буферном брусе электровозов ВЛ10, ВЛ11, ВЛ80, ВЛ60, ВЛ15, ВЛ85»
ПКБ ЦТ. 25.0185 «Тяговый электродвигатель ЭД 150АУ1 техническое обслуживание и текущий ремонт»
ПКБ ЦТ.40.0011 «Ведомость документации для технического обслуживания и текущего ремонта электровозов ЭП-1в/и»
ПКБ ЦТ.40.0012 «Ведомость документации для технического обслуживания и текущего ремонта тепловоза ТЭП70в/и»
ПКБ ЦТ.40.0016 «Ведомость документации для технического обслуживания и текущего ремонта электровозов ВЛ80в/и»
ПКБ ЦТ.40.0018 «Ведомость документации для технического обслуживания и текущего ремонта тепловоза ТЭМ2»
ПКБ ЦТ.40.0023 «Регламент технической оснащенности для технического обулуживания и ремонта электровозов переменного тока»
ПКБ ЦТ.46.0003 «Регламент метрологической оснащенности при техническом обслуживании и ремонту механического оборудования электровозов переменного тока»
ПКБ ЦТ.46.0005 «Регламент метрологической оснащенности при техническом обслуживании и ремонту тяговых двигателей электровозов переменного тока»
ПКБ ЦТ.46.0006 «Регламент метрологической оснащенности для технического обслуживания и ремонта вспомогательных электрических машин электровозов переменного тока»
ПКБ ЦТ.46.0007 «Регламент метрологической оснащенности для технического обслуживания и ремонта электрического оборудования электровозов переменного тока»
ПКБ ЦТ.46.0008 «Регламент метрологической оснащенности для технического обслуживания и ремонта тяговых трансформаторов, реакторов, индуктивных шунтов и дросселей электровозов переменного тока»
ПКБ ЦТ.46.0009 «Регламент метрологической оснащенности для технического обслуживания и ремонта электронного оборудования электровозов переменного тока»
ПКБ ЦТ.46.0010 «Регламент метрологической оснащенности для технического обслуживания и ремонта тормозного оборудования локомотивов»
ПКБ ЦТ.46.0011 «Регламент метрологической оснащенности для технического обслуживания и ремонта устройств безопасности движения локомотивов»
ПКБ ЦТ.46.0024 «Регламент технологической оснащенности экипировки и техническое обслуживания электровозов ВЛ10в/и, ВЛ80в/и»
ПКБ ЦТ.46.0025 «Регламент технологической оснащенности. Текущий ремонт ТР электровозов ВЛ10в/и,ВЛ80в/и»
ПКБ ЦТ.46.0030 «Регламент технологической оснащенности. Экипировка и техническое обслуживание ТО электровозов 2ЭС5К, 3ЭС5К, Э5К»
ПКБ ЦТ.46.0048 «Регламент технологической оснащенности. Экипировка и техническое обслуживание ТО маневровых тепловозов ТЭМ2в/и»
ПКБ ЦТ.46.0049 «Регламент технологической оснащенности. Текущий ремонт ТР маневровых тепловозов ТЭМ2в/и»
ПКБ ЦТ.46.0050 «Регламент технологической оснащенности. Деповской ремонт ДР маневровых тепловозов ТЭМ2в/и»
ТИ4 «Ремонт толкателей и привода топливных насосов дизелей 2Д100 и 10Д100»
ТИ 10 «Технологическая инструкция на ремонт электрических машин при МПР и БМП электропоезда ЭР-9 и ЭР-9п» Москва 1966г.
ТИ 18 «Технологическая инструкция на осмотр, ремонт и поверку счетчиков киловатт-часов постоянного тока типа Д600 и СКВТ-Д621 с добавочным сопротивлением тип Р60ОМ и наружным шунтом 150 (для Д621)»
ТИ 19 «Технологическая инструкция на осмотр, ремонт и поверку счетчиков электроэнергии переменного тока тип СО-И 442» 1966г.
ТИ 27 «Технологическая инструкция на ремонт механизма управления дизелей 2Д100 и 10Д100»
ТИ 112 «Временная технологическая инструкция на изготовление и установку войлочных кольцевых уплотнений кожухов зубчатых передач тяговых электродвигателей локомотивов»
ТИ131 «Технологическая инструкция по балансировке карданных валов тепловозов 2ТЭ10Л»
ТИ 153 «Техническое обслуживание и текущий ремонт механического оборудования электровозов ЧС4 и ЧС4»
ТИ 162 «Технологическая инструкция на деповской ремонт свинцово-кислотной аккумуляторной батареи типа 24ЭН-80»
ТИ 187 «Технологическая инструкция на ремонт и сборку колесно-моторного блока электровозов с косозубой передачей»
ТИ 194 «Технологическая инструкция по замеру габарита нижней части кожухов эубчатой передачи электровозов»
ТИ 207 «Очистка загрязненного фильтрующего пакета (черт.2ТЭ10Л.01.248, черт.Т751.01.01) из паропласта ППУ-ЭФ2 ТУ24.4.07.040-72»
ТИ 208 «Технологическая инструкция на изготовление фильтрующих пакетов (черт.2ТЭ10Л.01.10.248, черт.Т751.01.01) из поропласта ППУ-ЭФ2 ТУ24.4.07.040-72.»
ТИ 231 «Технологическая инструкция на установку разъемных дистанционных колец на колесных парах тепловозов ТЭМ2А и М62 колеи 1520 (1524) мм»
ТИ 234 «Технологическая инструкция по комбинированной термической обработке конструкционных деталей из поликапроамида, применяемых на локомотивах»
ТИ 240 «Технологическая инструкция по монтажу и эксплуатации полиэтиленовых клапанов для смазки валиков рессорного подвешивания тепловозов»
ТИ 242 «Технологическая инструкция по монтажу пластмассовых прокладок нагнетательного клапана топливных насосов дизелей тепловозов»
ТИ 264 «Ремонт масляного насоса типа МШ 120 дизеля 1А-5Д49»
ТИ 265 «Ремонт водяных насосов типа 4ВЦ50/12-02 дизеля 1А-5Д49»
ТИ 266 «Технологическая инструкция на разборку и сборку колесно-моторного блока с тяговыми электродвигателями ЭДТ-200Б, ЭД-107, ЭД-107А, ЭД-118А, в условиях депо. Часть I, II»
ТИ269 «Технологическая инструкция на проверку сопротивлений ослабления поля тяговых двигателей тепловозов 2ТЭ10Л»
ТИ 273 «Технологическая инструкция на техническое обслуживание моторно-осевых узлов тяговых электродвигателей тепловозов»
ТИ275 «Ремонт турбокомпрессора ТК-34»
ТИ 278 «Ремонт гильз цилиндров дизелей типа Д100»
ТИ 283 «Установка наделка из поликапроамида на осевой упор с применением полимерных композиций и уход в процессе эксплуатации локомотива»
ТИ 286 «Ремонт коренных подшипников коленчатого вала дизеля 1А-5Д49»
ТИ 287 «Технологическая инструкция на текущие ремонты ТР-2 и ТР-3 упругого зубчатого колеса тепловозов»
ТИ 290 «Технологическая инструкция пошив изделий из ткани огнеупорнопротивогнилостной пропитки с защитным полимерным покрытием «ВИНИЛИСкожа-Т» марки ОПП»
ТИ 291 «Разборка, сборка и регулировка дизеля 1-А-5Д49»
ТИ 293 «Техническое обслуживание и ремонт вентильных разрядников переменного тока типа РВЭ-25М» 1978г.
ТИ 294 «Монтаж и эксплуатация полнопоточных фильтров тонкой очистки масла со сменными бумажными фильтрующими элементами на тепловозах»
ТИ 295 «Технологическая инструкция на ремонт польстерного устройства тягового электродвигателя типа ЭД107А (дополнение к ТИ266 ч.1)»
ТИ 296 «Ремонт привода насосов дизеля 1А-5Д49.. Технологическая инструкция»
ТИ 297 «Техническое обслуживание ТО-2, ТО3 и текущие ремонты ТР-1, ТР-2 тяговых электродвигателей электровозов ВЛ22, ВЛ23, ВЛ8, ВЛ10, ВЛ11»
ТИ 298 «Капитальный ремонт якорей с полной заменой обмотки тяговых электродвигателей ЭДТ-200Б,ЭД-107,ЭД-107А тепловозов в условиях депо»
ТИ 300 «Ремонт коренных подшипников и коленчатого вала дизелей 2Д100и 10Д100»
ТИ 302 «Ремонт вертикальной передачи дизелей 2Д100 и 10Д100»
ТИ 304 «Ремонт вентиляторов охлаждения тяговых электродвигателей тепловозов 2ТЭ10Л, 2ТЭ10В, ТЭП10Л, ТЭ10, ТЭП10, ТЭ3, ТЭ7»
ТИ 306 «Ремонт валов приводов силовых механизмов тепловозов ТЭ10, ТЭП10,2ТЭ10Л,ТЭП10Л и 2ТЭ10В»
ТИ308 «Ремонт шатунно-поршневой группы дизелей 2Д100 и 10Д100»
ТИ 310 «Реостатные испытания тепловозов типа ТЭ10»
ТИ312 «Техническое обслуживание и текущий ремонт главных генераторов типа МПТ-99/47А ГП-311Б, ГП-311В, ГП-300, ГП-312»
ТИ313 «Текущий ремонт электроаппаратуры тепловозов ТЭ3, 2ТЭ10Л, М62, ТЭП60, ТЭМ1, ТЭМ2 (I редакция)»
ТИ 315 «Ремонт распределительных редукторов тепловозов ТЭ10,ТЭП10, 2ТЭ10,ТЭП10Л,2ТЭ10Л и 2ТЭ10В»
ТИ 317 «Техническое обслуживание и текущий ремонт локомотивных скоростимеров типа 3СЛ-2М» 1983г.
ТИ318 «Техническое обслуживание и текущий ремонт двухмашинных агрегатов тепловозов типа ТЭ10, ТЭП60, М62, ТЭ3, ТЭМ1, ТЭМ2, ТЭ1, ТЭ2»
ТИ 319 «Ремонт топливного насоса дизелей 2Д100 и 10Д100»
ТИ 320 «Ремонт масляных насосов дизелей типа Д100»
ТИ 321 «Ремонт гидромеханического редуктора тепловозов ТЭ3, ТЭ7»
ТИ 323 «Ремонт секций, жалюзи и утеплительных чехлов холодильника тепловозов ТЭ3 и ТЭ10»
ТИ 324 «Ремонт привода вентилятора холодильника тепловозов ТЭ10, ТЭП10, 2ТЭ10, ТЭП10Л, 2ТЭ10Л, 2ТЭ10В»
ТИ 326 «Ремонт регуляторов частоты вращения всережимного и объединенного дизелей типа Д100»
ТИ 330 «Технологическая инструкция по ремонту воздухоохладителей дизелей 10Д100»
ТИ 331 «Ремонт привода масляного и водяного насосов и регулятора дизелей Д100»
ТИ332 «Ремонт теплообменников тепловозов 2ТЭ10Л и 2ТЭ10В»
ТИ 334 «Деповской ремонт устройства автоматической локомотивной сигнализации непрерывного типа (АЛСН)» 1983г.
ТИ 337 «Единая технология на перезаливку вкладышей подшипников коленчатого вала дизелей типа Д 100»
ТИ 339 «Технологическая инструкция на ремонт, уход и содержание песочниц на тепловозах (1редакция)»
ТИ 344 «Ремонт глушителя, выхлопных коллекторов и выхлопных коробок дизелей типа Д100»
ТИ 346 «Технологическая инструкция по ремонту тахогенераторов при текущем ремонте электровозов ВЛ80т, ВЛ80с» 1982г.
ТИ 351 «Ремонт лопастных насосов тепловозов»
ТИ 400 «Техническое обслуживание ТО-3 гильз цилиндров и поршней дизеля типа Д100»
ТИ 401 «Техническое обслуживание ТО-3 картера дизеля Д100»
ТИ 402 «Техническое обслуживание ТО-3 вертикальной передачи дизелей типа Д100»
ТИ 403 «Техническое обслуживание ТО-3 нагнетателя II ступени и воздухоохладителя дизеля 10Д100»
ТИ 404 «Техническое обслуживание ТО-3 турбокомпрессоров ТК-34»
ТИ 407 «Техническое обслуживание ТО-3 тяговых электродвигателей тепловозов 2ТЭ10Л, 2ТЭ10В,ТЭ3»
ТИ 410 «Опрессовка водяной системы дизеля типа Д100»
ТИ 411 «Техническое обслуживание ТО-3 пневматического тормозного оборудования тепловозов 2ТЭ10Л и ТЭ3»
ТИ 413 «Ремонт коленчатого вала, демпфера и муфты соединительной дизеля 1А-5Д49»
ТИ 415 «Техническое обслуживание ТО-3 и текущие ремонты выпрямительных установок УВКТ-5У2 и блоков БВК-1012 тепловозов серии 2ТЭ116»
ТИ 416 «Техническое обслуживание ТО-3 и текущий ремонт кожухов тяговой передачи тепловозов ТЭ3,2ТЭ10Л,М62,2ТЭ10В,2ТЭ116,ТЭМ1,ТЭМ2»
ТИ 417 «Технология применения клеевых композиций при ремонте деталей локомотивов» 1978г.
ТИ 418 «Ремонт охладителя масла дизеля1А-5Д49»
ТИ 419 «Применение эластомера ГЭН-150(В) при ремонте деталей и узлов локомотивов»
ТИ 420 «Технологическая инструкция на техническое обслуживание и ремонт аппаратов и устройств электропневматического тормоза локомотивов и моторвагонного подвижного состава» 1978г.
ТИ 421 «Технологическая инструкция осмотр, ремонт и поверка электронных счетчиков типа Ф440» 1982г.
ТИ 425 «Техническое обслуживание и текущие ремонты полупроводниковых преобразовательных установок отечественных электровозов переменного тока»
ТИ 426 «Ремонт компрессоров типа ЭК-7»
ТИ 427 «Технологическая инструкция по обеспечению гарантированных осевых зазоров в задних подшипниках букс электровозов ЧС4»
ТИ 428 «Ремонт и упрочнение стеклопластиковых кожухов зубчатых передач электровозов ВЛ10,ВЛ11,ВЛ80 всех индексов»
ТИ 430 «Ремонт турбокомпрессора 6ТК»
ТИ 431 «Безразборная промывка лабиринтов турбокомпрессоров ТК-34 (Дополнение к ТИ 275 )»
ТИ 432 «Ремонт охладителя наддувочноговоздуха дизеля 1А-5Д49»
ТИ 436 «Технология вклейки в стенке дугогасительных камер контакторов и выключателей вставок из микалекса»
ТИ 440 «Ремонт привода тахометра дизеля 1А-5Д49»
ТИ 441 «Техническое обслуживание ТО-3 и текущие ремонты вспомогательной электроаппаратуры тепловоза 2ТЭ116»
ТИ 442 «Ремонт привода компрессора тепловоза 2ТЭ116»
ТИ 443 «Ремонт коллекторов и труб выпускных дизеля 1А-5Д49»
ТИ 445 «Техническое обслуживание ТО-2 и текущий ремонты электронных блоков управления выпрямительно-инверторных преобразователей (БУВИП) электровоза ВЛ80р»
ТИ 446 «Ремонт механизма управления топливными насосами и предельного выключателя дизеля 1А-5Д49»
ТИ 448 «Техническое обслуживание и ремонт системы управления выпрямительной установкой ВВЭ-250/250»
ТИ 456 «Технологическая инструкция изготовление и монтаж полиэтиленовых труб в сифонных узлах резервуаров установок пожаротушения тепловозов и дизель поездов»
ТИ 461 «Монтаж и эксплуатация сменных двухступенчатых фильтроэлементов из синтетических материалов в фильтрах грубой очистки топлива на тепловозах 2ТЭ10М и ТЭ3»
ТИ 463 «Ремонт вентилятора охлаждения тягового генератора тепловоза 2ТЭ116»
ТИ 465 «Ремонт шатунно-поршневой группы, втулки и крышки цилиндра дизеля 14Д40»
ТИ 466 «Ремонт валов коленчатых и коренных подшипников дизелей 14Д40и 11Д45»
ТИ 467 «Ремонт антивибратора дизеля 14Д40»
ТИ 475 «Ремонт водяного насоса дизеля 14Д40»
ТИ 480 «Наладка рекуперативной схемы электровозов постоянного тока в локомотивных депо»
ТИ 481 «Техническое обслуживание ТО-2 и текущий ремонты блоков системы формирования импульсов выпрямительно-инверторного преобразователя БСФИ ВИП электровоза ВЛ80р»
ТИ 482 «Техническое обслуживание и ремонт электропневматических контакторов отечественных электровозов постоянного тока»
ТИ 483 «Техническое обслуживание и ремонт электропневматических контакторов отечественных электровозов переменного тока» 1982г.
ТИ 484 «Осмотр и ремонт электромагнитных контакторов при технических обслуживаниях и текущих ремонтах отечественных электровозов постоянного тока»
ТИ 485 «Капитальный ремонт электродвигателей НБ-430А и НБ-431 в условиях локомотивных депо»
ТИ 490 «Техническое обслуживание и текущий ремонт электродвигателя ДК-409»
ТИ 491 «Предупреждение разжижения дизельного масла топливом на дизелях 10Д100 тепловозов типаТЭ10»
ТИ 493 «Техническое обслуживание и ремонт быстродействующих выключателей БВЭ-2 и быстродействующих контакторов БК-78Т»
ТИ 496 «Техническое обслуживание и ремонт противобоксовочной защиты электровозов ВЛ60к» 1984г.
ТИ 497 «Техническое обслуживание и ремонт электромагнитных контакторов отечественных электровозов переменного тока и двойного питания»
ТИ 498 «Подготовка исключенного из инвентаря тягового подвижного состава к сдаче в металлолом» 1984г.
ТИ 499 «Подготовка и вклейка вставок из микалекса в стенки и перегородки дугогасительных камер быстродействующих выключателей типа БВП-105»
ТИ 501 «Технологическая инструкция по техническому обслуживанию и ремонту авторежимов» 1984г.
ТИ 502 «Нанесение антикоррозийного покрытия на внутренние поверхности резервуаров установок пенного пожаротушения тепловозов типов ТИП08, ТЭ3, ТЭ10, ТЭП60»
ТИ 505 «Очистка секций радиатора холодильника тепловозов методом пневмогидроудара без снятия с тепловоза»
ТИ511 «Восстановление изношенной резьбы в остове тягового электродвигателя ЭД-118А»
ТИ 512 «Техническое обслуживание и текущие ремонты челюстных тележек тепловозов ТЭ3,ТЭ7, ТЭ10, 2ТЭ10Л, ТЭМ1, ТЭМ2, ТЭМ2А, М62, ТЭП10»
ТИ 513 «Восстановление разбега тягового электродвигателя на оси колесной пары тепловозов М62, 2М62, ТЭМ2А»
ТИ 567 «Тепловоз ТЭП-70 Валопровод к редуктору гидронасосов. Редуктор гидронасосов. Гидромашина МИ 250/100. Техническое обслуживание и текущий ремонт»
ТИ 673 «Техническое обслуживание и ремонт контакторов 1КП-003, 1КМ.015,1КМ.016»
ТИ 676 «Техническое обслуживание ТО-2 электровозов ЧС2, ЧС2Т, ЧС4, ЧС4Т, ЧС6, ЧС7, ЧС8, ЧС200, работающих в скоростном движении»
ТИ 678 «Техническое обслуживание и ремонт контроллеров машиниста отечественных электровозов переменного тока»
ТИ 681 «Техническое обслуживание и текущий ремонт блока световой сигнализации при желтом с красным огне на локомотивном светофоре типа Л143» 1988г.
ТИ 686 «Монтаж и эксплуатация сменных фильтрующих элементов в фильтрах тонкой и грубой очистки топлива на тепловозах типа ТЭ10, М62, 2ТЭ116 и ТЭ3»
ТИ 695 «Техническое обслуживание и ремонт БУРТ-12, БУРТ-125 и БИ-940 электровозов ВЛ80т, ВЛ80с»
ТИ 696 «Техническое обслуживание и текущий ремонт «блока включения ЭПТ при экстренном торможении типа Л175» 1989г.
ТИ 697 «Ремонт места установки поглощающего аппарата автосцепного устройства в буферном брусе электровозов ВЛ10, ВЛ11, ВЛ80, ВЛ60, ВЛ15, ВЛ85»
ТИ 700 «Техническое обслуживание и ремонт токоприемников электровозов ЧС-4, ЧС-4Т, ЧС-8»
ТИ 701 «Техническое обслуживание и ремонт блоков управления реостатным торможением БУРТ-16 электровозов ВЛ80т, ВЛ80с»
ТИ 702 «Техническое обслуживание и ремонт блоков управления выпрямительно-инверторными преобразователями БУВИП-133 и панелей питания ПП-290 электровозов ВЛ80р, ВЛ85»
ТИ 704 «Турбокомпрессор PDH-50V. Инструкция по техническому обслуживанию и текущему ремонту»
ТИ 708 «Техническое обслуживание и текущий ремонт устройства контроля бдительности типа Л116»
ТИ 709 «Техническое обслуживание и ремонт тяговых трансформаторов отечественных электровозов переменного тока и двойного питания»
ТИ 711 «Топливные насосы дизелей типа Д100 и Д49, 11Д45, 14Д40, ПД1М, К6S310ДR»
ТИ 714 «Техническое обслуживание и текущие ремонты механической части электровозов ВЛ10, ВЛ11, ВЛ80, ВЛ82» 1992г
ТИ 719 «Техническое обслуживание и текущие ремонты механической части электровозов ВЛ15, ВЛ85» 1993г
ТИ 720 «Техническое обслуживание и текущий ремонт электронно-блочной аппаратуры электропоездов ЭР9в/и»
ТИ 721 «Эластичная муфта привода вспомогательного оборудования тепловозов типа М62. Технологическая инструкция по техническому обслуживанию и техническому ремонту»
ТИ 722 «Техническое обслуживание и ремонт тягового электродвигателя 5АL4442nP электровозов ЧС8»
ТИ 723 «Редуктор с нагнетателем дизеля14Д40У2. Технологическая инструкция по техническому обслуживанию и текущему ремонту»
ТИ 724 «Техническое обслуживание и ремонт разрядников и ограничителей перенапряжений электровозов переменного тока» 1993г.
ТИ 725 «Техническое обслуживание и текущий ремонт электронно-блочной аппаратуры управления тепловозов 2ТЭ116
ТИ 727 «Техническое обслуживание и текущий ремонт асинхронных электродвигателей АЭ92-4, АЭ92-402, АНЭ225L 4УХЛ2» 1994г.
ТИ 728 «Техническое обслуживание и ремонт тягового электродвигателяТЛ-3»
ТИ 729 «Техническое обслуживание и текущие ремонты ТР-1,ТР-2 тележек электровозов ЧС7,ЧС8»
ТИ 731 «Определение и регулирование развески электровозов ВЛ10в/и, ВЛ80в/и, ВЛ11, ВЛ82» 2000г.
ТИ 732 «Обработка триботехническим составом «НИОД» деталей и узлов локомотивных компрессоров»
ТИ 733 «Обработка триботехническим составом»НИОД» зубчатой передачи тяговых редукторов локомотивов»
ТИ 734 «Обработка триботехническим составом РВС деталей и узлов локомотивных компрессоров»
ТИ 735 «Обработка триботехническим составом «РВС» тепловозных двигателей»
ТИ 736 «Обработка триботехническим составом <<НИОД>> тепловозных двигателей»
ТИ 737 «Определение и регулирование развески электровозов ВЛ15, ВЛ85, ВЛ60, ЭП-1»
ТИ 738 «Определение и регулирование развески электровозов серии ЧС»
ТИ 739 «Определение и регулирование развески тепловозов»
ТИ 743 «Техническое обслуживание ТО-2 электровоза ЧС2к»
ТИ 745 «Обыкновенное и полное освидетельствование колесных пар со сменой бандажей электровозов ЧС2К»
ТИ 748 «Технологическая инструкция ремонт буксового узла колесной пары тепловоза ЧМЭ3»
ТИ 749 «Регулирование развески локомотивов»
ТИ 750 «Текущий ремонт ТР электровоза ЧС2К»
ТИ 751 «Обыкновенное и полное освидетельствование колесных пар со сменой бандажей тепловозов ЧМЭ3»
ТИ 752 «Техническое обслуживание и ремонт тягового электродвигателя НБ-514»
ТИ 753 «Техническое обслуживание и ремонт тяговых электродвигателей AL4846еТэлектровозов ЧС2»
ТИ 754 «Техническое обслуживание и ремонт тягового электродвигателя НБ-418»
ТИ 756 «Техническое обслуживание и текущие ремонты механической части электровозов ВЛ10, ВЛ11, ВЛ80, ВЛ82» 2004г.
ТИ 765 «Обыкновенное освидетельствование колесных пар отечественных грузовых и маневровых тепловозов»
ТИ 768 «Обыкновенное освидетельствование колесных пар электровоза ЭП-1» 2005г.
ТИ 769 «Обыкновение освидетельствование колесных пар тепловоза ТЭП70»
Инструкции ЦТ
ЦТ-6 Общие технические требования к противопожарной защите тягового подвижного состава.
ЦТ-21-01 Методические рекомендации по предупреждению электротравматизма локомотивных бригад при осмотре крышевого оборудования электровозов, электропоездов и тепловозов.
ЦТ-31 О внесении изменений в положение о приемщике.
ЦТ-40 Положение о локомотивной бригаде ОАО «РЖД».
ЦТ-44 Типовой устав локомотивного депо железной дороги.
ЦТ-59/р «Об утверждении «Памятки машинисту локомотива по предупреждению случаев обрывов автосцепок в грузовых поезда»
ЦТ-67 Положение о приемщике локомотивов Дирекции тяги-филиала ОАО «РЖД».
ЦТ-291 Инструкция о порядке расследования и учета случаев порч, неисправностей, непланового ремонта, повреждений и отказов локомотивов и моторвагонного подвижного состава.
ЦТ-310 Инструкция о порядке пересылки локомотивов и моторвагонного подвижного состава.
ЦТ-329 Инструкция по формированию, ремонту и содержанию ко-лесных пар тягового подвижного состава железных дорог колеи 1520 мм.
ЦТ-330 Инструкция по техническому обслуживанию и ремонту узлов с подшипниками качения локомотивов и моторвагонногоподвижного состава.
ЦТ-336 Инструкция по сварочным и наплавочным работам при ремонте тепловозов, электровозов, электропоездов и дизель-поездов .
ЦТ-342 Положение о техническом знаке российских железных дорог для локомотивов и моторвагонного подвижного состава.
ЦТ-397 Инструкция по эксплуатации комплексов средств сбора и регистрации данных кпд-3 и расшифровке диаграммных лент.
ЦТ-401 Должностная инструкция дежурному по основному, оборотному локомотивному депо, пункту оборота локомотивов и подмены локомотивных бригад.
ЦТ-468 Правила технического обслуживания и текущего ремонта тепловозов 2ТЭ116.
ЦТ-479 Правила текущего ремонта и технического обслуживания электропоездов.
ЦТ-519 Правила технического обслуживания и текущего ремонта тепловозов ТЭМ2, ТЭМ2А, ТЭМ2У, ТЭМ2УМ.
ЦТ-533 Инструкция по техническому обслуживанию, ремонту и испытанию тормозного оборудования локомотивов и моторвагонного подвижного состава.
ЦТ-535 Типовая инструкция по охране труда для слесарей по ремонту электроподвижного состава ТОИ Р-32-ЦТ-535-98.
ЦТ-555 Типовая инструкция по охране труда для локомотивных бригад.
ЦТ-594 Должностная инструкция машинисту-инструктору бригад путевых машин и моторно-рельсового транспорта.
ЦТ-613 Инструкция по эксплуатации локомотивных скоростемеров зсл-2м приводов к ним и по расшифровке скоростемерных лент.
ЦТ-635 Правила текущего ремонта и технического обслуживания электровозов переменного тока.
ЦТ-647 Инструкция о порядке эксплуатации, технического обслуживания и ремонта локомотивов, использующихся в пассажирском движении.
ЦТ-685 Инструкция по техническому обслуживанию электровозов и тепловозов в эксплуатации.
ЦТ-725 Правила текущего ремонта и технического обслуживания электровозов постоянного тока.
ЦТ-775 Инструкция по постановке, консервации и содержанию локомотивов и моторвагонного подвижного состава в запасе МПС России и резерве железной дороги.
ЦТ-781 Инструкция о порядке и методах измерений при учетных операциях с нефтепродуктами на предприятиях МПС.
ЦТ-814 Инструкция по подготовке к работе и техническому обслуживанию электровозов в зимних и летних условиях.
ЦТ-833 Типовая инструкция по охране труда для машиниста пескоподающей Установки.
ЦТ-835 Типовая инструкция по охране труда для работников баз топлива и нефтепродуктов.
ЦТ-901 Инструкция о порядке пользования локомотивной аппаратурой системы автоматического управления торможением поездов САУТ-Ц.
ЦТ-902 Инструкция по техническому обслуживанию локомотивной аппаратуры системы автоматического управления торможением поездов САУТ-Ц.
ЦТ-911 Типовая инструкция по охране труда для работников химико-технических лабораторий федерального железнодорожного транспорта.
ЦТ-912 Положение о машинисте-инструкторе локомотивных бригад.
ЦТ-922 Положение о технике по расшифровке лент скоростемеров.
ЦТ-926 Отраслевые правила по охране труда на базах твердого топлива железных дорог.
ЦТ-950 Инструкция о порядке присвоения восьмизначных идентификационных номеров тяговому подвижному составу.
ЦТ-2315 Правила передачи локомотивов и моторвагонного подвижного состава с одной железной дороги на другую.
ЦТ-2510 Положение о локомотивном депо железной дороги.
ЦТ-4221 Инструкция о порядке перенумерования тягового подвижного состава.
ЦТ-4418 Инструкция о порядке исключения из инвентаря железных дорог тягового подвижного состава.
ЦТ-4443 Технические требования на переоборудование (реконструкцию) базы запаса паровозов для обеспечения хранения.
ЦТ-4651 Инструкция о порядке пользования устройством контроля бдительности машиниста УКБМ в системе автоматической локомотивной сигнализации АЛСН.
ЦТ-4710 Инструкция о порядке пользования локомотивными устройствами унифицированной системы автоматического управления тормозами (САУТ-У).
ЦТ-БД-35 Рекомендации по минимизации случаев образования ползунов и наваров на колесных парах пассажирских вагонов.
ЦТВР-205 Правила капитального ремонта тепловозов типа ТЭМ1, ТЭМ2 .
ЦТ-ЦТВР-147 Правила капитального ремонта КР1 и КР2 дизель поездов типа ДР-1 и их моторных и прицепных вагонов .
ЦТРТ-14/97 Технические указания по подготовке, эксплуатации и обслуживанию тепловозов и дизель поездов в зимних условиях.
ЦТК-10-2001 Положение по устройству и содержанию домов и комнат отдыха локомотивных бригад.
ЦТлб-3/2 Типовая должностная инструкция машинисту электровоза эксплуатационного локомотивного депо ОАО «РЖД».
ЦТлб-3/3 Типовая должностная инструкция машинисту тепловоза эксплуатационного локомотивного депо ОАО «РЖД».
ЦТлб-3/4 Типовая должностная инструкция помощника машиниста электровоза эксплуатационного локомотивного депо ОАО «РЖД».
ЦТлб-3/5 Типовая должностная инструкция помощника машиниста тепловоза эксплуатационного локомотивного депо ОАО «РЖД».
ЦТлб-3/6 Типовая должностная инструкция машинисту инструктору локомотивных бригад эксплуатационного локомотивного депо ОАО «РЖД».
ЦТ-18/6 Технологическая инструкция по ультразвуковому контролю бандажей колес локомотивов после их обточки.
ЦТРтр-36/12 «Инструкция по ультразвуковому контролю деталей колесных пар электровозов серии Э5К, 2ЭС5К, 2ЭС4К, ЭП2К, 2ЭС6»
ЦТРтр-36/8-1 «Инструкция по ультразвуковому контролю валов якорей тяговых электродвигателей локомотивов с использованием унифицированных стандартных образцов СО-2 или СО-3Р»
ЦТтех-36/7 «Технологическая инструкция по ультразвуковому контролю деталей электровоза серии ЭП-1»
ЦТ-ЦВ-ЦЛ-590 Инструкция по восстановлению и упрочнению индукционно-металлургическим способом деталей узлов трения подвижного состава.
ЦТ-ЦП-ЦВ-581 Правила надзора за воздушными резервуарами подвижного состава железных дорог российской федерации.
ЦТ-ЦТВР-409 Основные условия ремонта и модернизации тягового подвижного состава, узлов и агрегатов на ремонтных заводах МПС России.
ЦТ-ЦТВР-4677 Правила ремонта электрических машин тепловозов .
ЦТ-ЦТВР-4782 Правила ремонта электрических машин электроподвижного состава.
ЦТ-ЦУВС-ЦТВР-4806 Инструкция о порядке проведения работ по оценке качества кабин отремонтированных локомотивов на соответствие санитарно-гигиеническим требованиям.
ЦТ-ЦУО-175 Инструкция по обеспечению пожарной безопасности на локомотивах и моторвагонном подвижном составе.
ЦТ-ЦШ-659 Инструкция по техническому обслуживанию комплексного локомотивного устройства безопасности.
ЦТ-ЦШ-857 Инструкция по техническому обслуживанию автоматической локомотивной сигнализации непрерывного типа (АЛСН) и устройств контроля бдительности машиниста .
ЦТ-ЦШ-889 Инструкция о порядке пользования автоматической локомотивной сигнализацией непрерывного типа (АЛСН) и устройствами контроля бдительности машиниста.
ЦТ-ЦШ-907 Инструкция по эксплуатации комплексного локомотивного устройства безопасности.
ЦТ-ЦЭ-844 Инструкция о порядке использования токоприемников электроподвижного состава при различных условиях эксплуатации.
ЦТ-ЦЭ-860 Инструкция о порядке действий локомотивных бригад и работников дистанций электроснабжения при повреждениях токоприемников контактной сети и комиссионном их рассмотрении.
ЦУВС-552 Инструкция О порядке организации и проведения предрейсовых медицинских осмотров работников локомотивных бригад.
ЦУКС-788 Инструкция о порядке осмотров зданий и сооружений, эксплуатируемых организациями федерального железнодорожного транспорта.
ЦУО-112 Правила пожарной безопасности на железнодорожном транспорте.
ЦУО-130 Инструкция по служебному расследованию, учету пожаров и последствий от них на железнодорожном транспорте.
ЦУО-286 Инструкция о порядке служебного расследования и учета на железнодорожном транспорте несчастных случаев с людьми, не связанных с производством.
ЦЧУ-250 Инструкция по учету наличия, состояния и использования локомотивов и моторвагонного подвижного состава.
ЦЧУ-493 Инструкция по составлению отчетности о выполнении установленной продолжительности непрерывной работы локомотивных бригад грузового движения.
ЦЧУ-919 Инструкция по учету выполнения графика движения пассажирских, пригородных и грузовых поездов.
ЦЧУ-4832 Инструкция по заполнению маршрутов машиниста.
ЦЧУЛ-68 Инструктивные указания о порядке составления учетных форм по локомотивному хозяйству.
ЦШ-ЦТ-907 Инструкция по эксплуатации комплексного локомотивного устройства безопасности.
Ш-280У О порядке служебного расследования случаев внезапной смерти работников, обеспечивающих движение поездов.
Ш-895у Указание об учете локомотивов и моторвагонного подвижного состава, прошедших капитальный ремонт КРП.
Другие инструкции
Правила технической эксплуатации железных дорог Российской Федерации (ПТЭ с изменениями от 01.09.2016г)
«Инструкция по осмотру, освидетельствованию, ремонту и формированию колесных пар локомотивов и моторвагонного подвижного состава железных дорог колеи 1520 мм» утвержденная Распоряжением ОАО «РЖД» №2631р от 22 декабря 2016г.
Колесные пары тягового подвижного состава железных дорог колеи 1520 мм. Руководство по эксплуатации, техническому обслуживанию и ремонту КМБШ.667120.001РЭ.
«Инструкция по ремонту и обслуживанию автосцепного устройства подвижного состава железных дорог» утвержденное распоряжением ОАО «РЖД» №2745р от 28 декабря 2010г
«Правила технического обслуживания тормозного оборудования и управления тормозами железнодорожного подвижного состава» утвержденные Советом по железнодорожному транспорту государств-участников Содружества (протокол от «6-7» мая 2014г №60) (Взамен ЦТ-ЦВ-ЦЛ-ВНИИЖТ-277 с изменениями от 19.05.2016г.)
«Инструкция по применению смазочных материалов в локомотивах и моторвагонном подвижном составе» 01ДК.421457.001 И.
«Руководство по техническому обслуживанию, ремонту и испытанию тормозного оборудования локомотивов и моторвагонного подвижного состава» утвержденное распоряжение ОАО «РЖД» от 12 мая 2015 г. №1191р (Дополнение инструкции ЦТ-533)
«Инструкция по подготовке к работе и техническому обслуживанию электровозов в зимних и летних условиях» утвержденное распоряжением ОАО «РЖД» №77р от 20 января 2012г
ТИ №62763926.021.73.001/2010 «Технологическая инструкция по обмывке кузовов грузовых, пассажирских и маневровых локомотивов»
РК 103.11.369-2005 Инструкция по обкаточным испытаниям после заводского ремонта электровозов переменного и постоянного тока.
РД 32 103.929-93 Испытание электровозов серии ЧС4, ЧС4Т после капитальных ремонтов КР-1, КР-2.
103.25200.60025 «Технологическая инструкция на капитальный ремонт вентильных разрядников типа РВЭ-25М и РВМК-IV-VM-VI»
ТИ 103.11394-2005 «Технологическая инструкция по восстановлению вкладышей МОП тепловозов ЧМЭ3»
«Технологическая инструкция по заливке моторно-осевых подшипников локомотивов баббитом Б16»
И 103.11.379-2005 «Инструкция по обкаточным испытаниям тепловозов после среднего и капитального ремонта»
103.25200.60027 «Технологическая инструкция на капитальный ремонт электрических печей типа ПЭТ и электрокалориферов»
H613 Ин «Модернизация электропневматического клапана автостопа»
Р1224 Ин «Модернизация электропневматического клапана автостопа»
P1835 Ин «Установка верхних рукояток бдительности РБв (РБС)»
Р1634 «Каталог деталей тепловоза ТЭМ2, подлежащих неразрушающему контролю»
Р1487 «Технологическая инструкция и каталог норм выхода лома цветных металлов при разделке списанных тепловозов»
Технологическая инструкция по обмывке кузовов грузовых, пассажирских и маневровых локомотивов ТИ №62763926.021.73.001/2010
Инструкция по эксплуатации локомотивных устройств безопасности №Л230 от 19.10.2016г.
ПОТ РО-32-ЦТ-668-99 «Правила по охране труда при техническом обслуживании и текущем ремонте тягового подвижного состава и грузоподъемных кранов на железнодорожном ходу»
ТОИ Р-32-ЦТ-833–01 «Типовая инструкция по охране труда для машиниста пескоподающей установки»
ТОИ Р-32-ЦТ-728-99 «Типовая инструкция по охране труда для слесаря по ремонту тепловозов и дизель-поездов»
ТОИ Р-32-ЦТ-832-01 «Типовая инструкция по охране труда для экипировщика локомотивов»
ТИ РО-13153-ЦТ-911-02 «Типовая инструкция по охране труда для работников химико-технических лабораторий федерального железнодорожного транспорта»
ИОТ РЖД – 4100612 – ЦТ – 115 – 2017 «Инструкция по охране труда для локомотивных бригад ОАО «РЖД» Утвержденная распоряжением ОАО «РЖД» №2585р от 12.12.2017г»
ПОТ РЖД – 4100612 – ЦТ – 103 – 2017 «Правила по охране труда при эксплуатации локомотивов ОАО «РЖД» Утвержденная распоряжением ОАО «РЖД» №2050р от 09.10.2017г»
ИОТ РЖД-4100612-ЦТ-031-2014 «Инструкции по охране труда машинистов локомотивов, работающих без помощников машинистов при эксплуатации локомотивов ОАО «РЖД»
Перевод чисел из одной системы счисления в любую другую онлайн
Данный перевод возможен двумя способами: прямой перевод и через десятичную систему.
Сначала выполним прямой перевод.
Выполним прямой перевод из шестнадцатиричной в двоичную вот так:
EA12316 = E A 1 2 3 = E(=1110) A(=1010) 1(=0001) 2(=0010) 3(=0011) = 111010100001001000112
Окончательный ответ: EA12316 = 111010100001001000112
Теперь выполним перевод через десятичную систему счисления.
Выполним перевод в десятичную систему счисления вот так:
14∙164+10∙163+1∙162+2∙161+3∙160 = 14∙65536+10∙4096+1∙256+2∙16+3∙1 = 917504+40960+256+32+3 = 95875510
Получилось: EA12316 =95875510
Переведем число 95875510 в двоичное вот так:
Целая часть числа находится делением на основание новой системы счисления:
| 958755 | 2 | ||||||||||||||||||||
| -958754 | 479377 | 2 | |||||||||||||||||||
| 1 | -479376 | 239688 | 2 | ||||||||||||||||||
| 1 | -239688 | 119844 | 2 | ||||||||||||||||||
| 0 | -119844 | 59922 | 2 | ||||||||||||||||||
| 0 | -59922 | 29961 | 2 | ||||||||||||||||||
| 0 | -29960 | 14980 | 2 | ||||||||||||||||||
| 1 | -14980 | 7490 | 2 | ||||||||||||||||||
| 0 | -7490 | 3745 | 2 | ||||||||||||||||||
| 0 | -3744 | 1872 | 2 | ||||||||||||||||||
| 1 | -1872 | 936 | 2 | ||||||||||||||||||
| 0 | -936 | 468 | 2 | ||||||||||||||||||
| 0 | -468 | 234 | 2 | ||||||||||||||||||
| 0 | -234 | 117 | 2 | ||||||||||||||||||
| 0 | -116 | 58 | 2 | ||||||||||||||||||
| 1 | -58 | 29 | 2 | ||||||||||||||||||
| 0 | -28 | 14 | 2 | ||||||||||||||||||
| 1 | -14 | 7 | 2 | ||||||||||||||||||
| 0 | -6 | 3 | 2 | ||||||||||||||||||
| 1 | -2 | 1 | |||||||||||||||||||
| 1 | |||||||||||||||||||||
В результате преобразования получилось:
95875510 = 111010100001001000112
Окончательный ответ: EA12316 = 111010100001001000112
| 1 | Вычислить | 2+2 | |
| 2 | Вычислить | 2^3 | |
| 3 | Вычислить | 4^2 | |
| 4 | Разложить на простые множители | 73 | |
| 5 | Вычислить | 6/2(1+2) | |
| 6 | Найти объем | сфера (5) | |
| 7 | Найти площадь | окружность (5) | |
| 8 | Вычислить | корень четвертой степени -625 | |
| 9 | Вычислить | -5^2 | |
| 10 | Вычислить | 2^4 | |
| 11 | Найти площадь поверхности | сфера (5) | |
| 12 | Вычислить | -3^2 | |
| 13 | Вычислить | 2^5 | |
| 14 | Вычислить | 6÷2(1+2) | |
| 15 | Вычислить | 3^2 | |
| 16 | Преобразовать в десятичную форму | 1/4 | |
| 17 | Вычислить | (-3)^3 | |
| 18 | Вычислить | -2^2 | |
| 19 | Вычислить | 2^2 | |
| 20 | Вычислить | 6^2 | |
| 21 | Вычислить | квадратный корень 3* квадратный корень 12 | |
| 22 | Вычислить | (-4)^2 | |
| 23 | Вычислить | -7^2 | |
| 24 | Преобразовать в десятичную форму | 3/4 | |
| 25 | Преобразовать в десятичную форму | 7/8 | |
| 26 | Вычислить | квадратный корень 28+ квадратный корень 63 | |
| 27 | Преобразовать в десятичную форму | 2/3 | |
| 28 | Найти площадь | окружность (7) | |
| 29 | Найти площадь | окружность (2) | |
| 30 | Вычислить | 8^2 | |
| 31 | Разложить на простые множители | 6 | |
| 32 | Преобразовать в упрощенную дробь | 0.1 | |
| 95 | Вычислить | квадратный корень 100 | |
| 96 | Преобразовать в десятичную форму | 25% | |
| 97 | Найти длину окружности | окружность (5) | |
| 98 | Найти площадь поверхности | сфера (6) | |
| 99 | Найти объем | сфера (2) | |
| 100 | Найти объем | сфера (6) | |
1 Samuel 10: 6 Тогда Дух Господень устремится на вас, и вы будете пророчествовать с ними; и вы превратитесь в другого человека.
New International VersionДух Господа сойдет на вас могущественно, и вы будете пророчествовать с ними; и вы превратитесь в другого человека. New Living Translation
В то время Дух Господень сойдет на вас могущественно, и вы будете пророчествовать с ними. Вы станете другим человеком.English Standard Version
Тогда Дух Господень устремится на вас, и вы будете пророчествовать с ними, и превратитесь в другого человека. Berean Study Bible
Тогда Дух Господень устремится на вас, и вы будете пророчествовать с ними; и вы будете преобразованы в другого человека. King James Bible
И сойдет на тебя Дух Господень, и ты будешь пророчествовать с ними, и превратишься в другого человека. New King James Version
Затем Дух Господень Господь сойдет на тебя, и ты будешь пророчествовать с ними, и обратишься в другого человека.Новая американская стандартная Библия
Тогда Дух Господень устремится на вас, и вы будете пророчествовать с ними и превратитесь в другого человека. NASB 1995
«Тогда Дух Господа сойдет на вас мощно, и вы будете пророчествовать» с ними и превратитесь в другого человека.NASB 1977
«Тогда сойдет на вас Дух Господень, и вы будете пророчествовать с ними, и превратитесь в другого человека». Расширенная Библия
Тогда сойдет на вас Дух Господень. вы сильно, и вы будете пророчествовать с ними, и вы будете изменены в другого человека.Христианская стандартная библия
Дух Господень сойдет на вас могущественно, вы будете пророчествовать с ними, и вы будете преобразованы.Холман Христианская стандартная библия
Дух Господа будет контролировать вас, вы будете пророчествовать с ними, и вы будете Американская стандартная версия
и Дух Иеговы сойдут на тебя могущественно, и ты будешь пророчествовать с ними, и превратишься в другого человека. Брентон Септуагинт Перевод
И сойдет Дух Господень. ты и будешь пророчествовать с ними, и обратишься в другого человека.Contemporary English Version
Дух Господа внезапно возьмет под контроль вас. Вы станете другим человеком и начнете пророчествовать вместе с ними. Douay-Rheims Bible
И сойдет на тебя дух Господень, и ты будешь пророчествовать с ними, и обратишься в другого человека. English Revised Version
и дух Господа сойдет на тебя могущественно, и ты будешь пророчествовать с ними, и превратишься в другого человека. Good News Translation
Вдруг дух Господа овладеет тобой, и ты будешь присоединяйтесь к их религиозным танцам и крикам и станете другим человеком.GOD’S WORD® Translation
Тогда Дух Господа сойдет на тебя. Вы будете другим человеком, пока вы пророчествуете с ними. Международная стандартная версия
Дух Господень сойдет на вас, и вы будете пророчествовать с ними и превратитесь в другого человека. JPS Tanakh 1917
И сойдет на тебя дух Господа, и ты будешь пророчествовать с ними, и превратишься в другого человека. Буквенная стандартная версия
и Дух ЯХВЕ распространился над тобой, и ты пророчествовал с они и превратились в [нового] человека; NET Bible
Тогда дух Господа устремится на вас, и вы будете пророчествовать с ними.Вы станете другим человеком. New Heart English Bible
и Дух Господа сойдет на вас могущественно, и вы будете пророчествовать с ними, и превратитесь в другого человека. World English Bible
и Дух Яхве сойдет на вас могущественно, и вы должны пророчествуй с ними, и превратится в другого человека. Буквальный перевод Янга
и процветает над тобой имеет Дух Иеговы, и ты пророчествовал с ними, и обратился к другому человеку; Дополнительные переводы.6) если f (1) = 0, то что такое f (x)?
Наука
- Анатомия и физиология
- Астрономия
- Астрофизика
- Биология
- Химия
- наука о планете Земля
- Наука об окружающей среде
- Органическая химия
- Физика
Математика
- Алгебра
Подсчет делителей числа в [учебнике]
Ссылка на PDF (в латексном формате)
Тема : Подсчет делителей числа
Предварительные требования : основы математики, факторизация, проверка на простоту
Мотивация Проблема :
Есть тестовые случаи T .Каждый тестовый пример содержит номер N . Для каждого тестового примера выведите количество факторов N .
1 <= T <= 10
1 <= N <= 10 18
Примечание : 1 и N также рассматриваются как множители числа N .
Решение :
Наивное решение — Факторизация
Самым наивным решением здесь является факторизация.Но, как мы видим, вердикт о превышении срока он обязательно получит. Вы можете попытаться вычислить простые числа до требуемого диапазона и перебрать их, но это тоже превышает обычный предел в 10 8 операций. Некоторые оптимизации и эвристика могут позволить вам протиснуться через ваше решение, но обычно за счет нескольких TLE.
Предположим, вы вписываетесь в приведенное выше описание и не можете придумать ничего лучше, чем наивное решение, я хотел бы представить вам очень простой алгоритм, который поможет вам подсчитать количество делителей, что было бы полезно для такого рода вопросов. . Этот алгоритм дает нам только количество факторов, но не сами факторы.
Во-первых, давайте кратко рассмотрим, как мы получаем алгоритм для любого числа N :
Мы запишем N как произведение двух чисел: P и Q .
Цикл по всем значениям P дает нам количество факторов N .
Перед тем, как перейти к следующему разделу, было бы полезно, если бы вы попытались придумать алгоритм, который находит количество факторов в.Подсказка: образ мышления такой же, как и у алгоритма.
Счетные коэффициенты в
Давайте начнем с некоторых математических расчетов, чтобы уменьшить нашу факторизацию до счетных факторов:
Мы запишем N как произведение трех чисел: P , Q и R .
Невозможно проанализировать разметку [type = CF_TEX]
Мы можем перебрать все простые числа в диапазоне и попытаться уменьшить N до его разложения на простые множители, что поможет нам подсчитать количество множителей N .
Чтобы узнать, как вычислить делители с помощью разложения на простые множители, щелкните здесь.
Мы разделим наш номер N на два числа X и Y так, чтобы X * Y = N . Кроме того, X содержит только простые множители в диапазоне, а Y имеет дело с более высокими простыми множителями (). Таким образом, gcd ( X , Y ) = 1. Пусть количество делителей числа N обозначено функцией F ( N ).Несложно доказать, что эта функция является мультипликативной по своей природе, то есть F ( m * n ) = F ( m ) * F ( n ), если gcd ( M , N ) = 1. Таким образом, если мы можем найти F ( X ) и F ( Y ), мы также можем найти F ( X * Y ) или F ( N ), что является необходимым количеством.
Чтобы найти F ( X ), мы используем простое пробное деление, чтобы простое разложить на множители X и вычислить количество факторов.Как только это будет сделано, у нас останется Y = N / X , которые нужно факторизовать. Это может показаться сложным, но мы видим, что есть только три случая, которые охватывают все возможности: Y :
- — простое число : F ( Y ) = 2.
- — квадрат простого числа : F ( Y ) = 3.
- является произведением двух различных простых чисел : F ( Y ) = 4.
У нас есть только эти три случая, так как может быть максимум два простых множителя Y . Если бы у него было более двух основных факторов, один из них обязательно был бы, и, следовательно, он был бы включен в X , а не в Y .
Итак, как только мы закончим поиск F ( X ) и F ( Y ), мы также закончим с поиском F ( X * Y ) или F ( N ).6 ans = 1 для всех p в простых числах: если p * p * p> N: сломать count = 1 в то время как N делится на p: N = N / p count = count + 1 ans = ans * count если N простое: ans = ans * 2 иначе, если N — квадрат простого: ans = ans * 3 иначе, если N! = 1: ans = ans * 4
Проверка на простоту может быть выполнена быстро с помощью Miller Rabin. Таким образом, временная сложность соответствует каждому тесту, и, следовательно, мы можем эффективно решить нашу проблему.
На этом этапе вы можете подумать, что аналогичным образом мы можем уменьшить это до, обрабатывая некоторые дела. Я не особо задумывался об этом, но количество дел, которые нужно обработать, велико, поскольку после пробного деления N можно разложить на одно, два или три простых числа. Это достаточно легко закодировать в соревновательной среде, что является нашей основной целью.
Этот трюк малоизвестен, и люди склонны делать ошибки при обработке трех случаев. Проблема в регионах, которые используют этот трюк напрямую:
Задача F | Codeforces Gym
Вы также можете попробовать эту технику на задачах, требующих факторизации для практических целей.
Надеюсь, вы нашли это полезным! Пожалуйста, предложите добавить больше проблем, а также при необходимости внести правки.
Счастливого кодирования!
Конвертер шестнадцатеричного числа в десятичное
Чтобы использовать этот онлайн-инструмент для преобразования шестнадцатеричного числа в десятичный , введите шестнадцатеричное значение, например 1E, в левое поле ниже, а затем нажмите кнопку «Преобразовать». Вы можете преобразовать до 16 шестнадцатеричных символов (макс. Значение 7fffffffffffffff) в десятичные.
Шестнадцатеричное значение (макс.7ффффффффффффффф) Конвертировать
Результат преобразования шестнадцатеричного числа в десятичный в базовых числах
Как преобразовать шестнадцатеричное в десятичное
Шестнадцатеричное число — это число с основанием 16, а десятичное — это число с основанием 10. Нам нужно знать десятичный эквивалент каждой цифры шестнадцатеричного числа.
См. Ниже на странице, чтобы проверить диаграмму из шестнадцатеричного в десятичный.
Вот шаги для преобразования шестнадцатеричного числа в десятичное:
- Получите десятичный эквивалент шестнадцатеричного числа из таблицы.
- Умножьте каждую цифру на 16-разрядную позицию.
(отсчет от нуля, 7DE: местоположение E равно 0, местоположение D равно 1, а местоположение 7 равно 2) - Суммируйте все множители.
7DE - шестнадцатеричное число 7DE = (7 * 16 2 ) + (13 * 16 1 ) + (14 * 16 0 ) 7DE = (7 * 256) + (13 * 16) + (14 * 1) 7DE = 1792 + 208 + 14 7DE = 2014 (в десятичном виде)
Шестнадцатеричная система (шестнадцатеричная система)
Шестнадцатеричная система (сокращенно шестнадцатеричная) использует число 16 в качестве основы (системы счисления).В системе счисления с основанием 16 используется 16 символов. Это 10 десятичных цифр (0, 1, 2, 3, 4, 5, 6, 7, 8, 9) и первые шесть букв английского алфавита (A, B, C, D, E, F). Буквы используются из-за необходимости представлять значения 10, 11, 12, 13, 14 и 15 каждое в одном символе.
Hex используется в математике и информационных технологиях как более удобный способ представления двоичных чисел. Каждая шестнадцатеричная цифра представляет четыре двоичных цифры; следовательно, шестнадцатеричный — это язык для записи двоичного кода в сокращенной форме.
Четыре двоичных разряда (также называемых полубайтами) составляют полбайта. Это означает, что один байт может нести двоичные значения от 0000 0000 до 1111 1111. В шестнадцатеричном формате они могут быть представлены в более удобном виде, в диапазоне от 00 до FF.
В html-программировании цвета могут быть представлены шестизначным шестнадцатеричным числом: FFFFFF представляет белый цвет, тогда как 000000 представляет черный.
Десятичная система
Десятичная система счисления является наиболее часто используемой и стандартной системой в повседневной жизни.В качестве основы (системы счисления) используется число 10. Следовательно, в нем 10 символов: числа от 0 до 9; а именно 0, 1, 2, 3, 4, 5, 6, 7, 8 и 9.
Как одна из старейших известных систем счисления, десятичная система счисления использовалась многими древними цивилизациями. Сложность представления очень больших чисел в десятичной системе была преодолена с помощью индийско-арабской системы счисления. Индусско-арабская система счисления дает позиции цифрам в числе, и этот метод работает с использованием степеней основания 10; цифры возводятся в степень n в соответствии с их положением.
Например, возьмите число 2345,67 в десятичной системе счисления:
- Цифра 5 стоит в позиции единиц (10 0 , что равно 1),
- 4 находится на позиции десятков (10 1 )
- 3 находится в позиции сотен (10 2 )
- 2 в тысячах (10 3 )
- Между тем, цифра 6 после десятичной точки находится в десятых долях (1/10, что составляет 10 -1 ), а 7 — в сотых (1/100, что составляет 10 -2 ) позиции
- Таким образом, число 2345.67 также можно представить следующим образом: (2 * 10 3 ) + (3 * 10 2 ) + (4 * 10 1 ) + (5 * 10 0 ) + (6 * 10 -1 ) + (7 * 10 -2 )
Примеры преобразования шестнадцатеричного числа в десятичное
- (1D9) 16 = (473) 10
- (80E1) 16 = (32993) 10
- (10CE) 16 = (4302) 10
Шестнадцатеричная таблица преобразования в десятичную
| Шестнадцатеричный | Десятичный | |||||||||||||||||||||||||||||||||||||||||||||||||||||||||||||||||||||||||||||||||||||||||||||||||||||||||||
|---|---|---|---|---|---|---|---|---|---|---|---|---|---|---|---|---|---|---|---|---|---|---|---|---|---|---|---|---|---|---|---|---|---|---|---|---|---|---|---|---|---|---|---|---|---|---|---|---|---|---|---|---|---|---|---|---|---|---|---|---|---|---|---|---|---|---|---|---|---|---|---|---|---|---|---|---|---|---|---|---|---|---|---|---|---|---|---|---|---|---|---|---|---|---|---|---|---|---|---|---|---|---|---|---|---|---|---|---|
| 1 | 1 | |||||||||||||||||||||||||||||||||||||||||||||||||||||||||||||||||||||||||||||||||||||||||||||||||||||||||||
| 2 | 2 | |||||||||||||||||||||||||||||||||||||||||||||||||||||||||||||||||||||||||||||||||||||||||||||||||||||||||||
| 3 | 3 | |||||||||||||||||||||||||||||||||||||||||||||||||||||||||||||||||||||||||||||||||||||||||||||||||||||||||||
| 4 | 4 | |||||||||||||||||||||||||||||||||||||||||||||||||||||||||||||||||||||||||||||||||||||||||||||||||||||||||||
| 5 | 9045 9045 90457 | 7 | ||||||||||||||||||||||||||||||||||||||||||||||||||||||||||||||||||||||||||||||||||||||||||||||||||||||||||
| 8 | 8 | |||||||||||||||||||||||||||||||||||||||||||||||||||||||||||||||||||||||||||||||||||||||||||||||||||||||||||
| 9 | 9 | |||||||||||||||||||||||||||||||||||||||||||||||||||||||||||||||||||||||||||||||||||||||||||||||||||||||||||
| A | 10 | |||||||||||||||||||||||||||||||||||||||||||||||||||||||||||||||||||||||||||||||||||||||||||||||||||||||||||
| B | 11 | 9045 904513 | ||||||||||||||||||||||||||||||||||||||||||||||||||||||||||||||||||||||||||||||||||||||||||||||||||||||||||
| E | 14 | |||||||||||||||||||||||||||||||||||||||||||||||||||||||||||||||||||||||||||||||||||||||||||||||||||||||||||
| F | 15 | |||||||||||||||||||||||||||||||||||||||||||||||||||||||||||||||||||||||||||||||||||||||||||||||||||||||||||
| 10 | 16 | |||||||||||||||||||||||||||||||||||||||||||||||||||||||||||||||||||||||||||||||||||||||||||||||||||||||||||
| 11 | 17 | 17 | ||||||||||||||||||||||||||||||||||||||||||||||||||||||||||||||||||||||||||||||||||||||||||||||||||||||||||
| 14 | 20 | |||||||||||||||||||||||||||||||||||||||||||||||||||||||||||||||||||||||||||||||||||||||||||||||||||||||||||
| 15 | 21 | |||||||||||||||||||||||||||||||||||||||||||||||||||||||||||||||||||||||||||||||||||||||||||||||||||||||||||
| 16 | 22 | |||||||||||||||||||||||||||||||||||||||||||||||||||||||||||||||||||||||||||||||||||||||||||||||||||||||||||
| 17 | 23 | |||||||||||||||||||||||||||||||||||||||||||||||||||||||||||||||||||||||||||||||||||||||||||||||||||||||||||
| 18 | 24 | |||||||||||||||||||||||||||||||||||||||||||||||||||||||||||||||||||||||||||||||||||||||||||||||||||||||||||
| 19 | 25 | |||||||||||||||||||||||||||||||||||||||||||||||||||||||||||||||||||||||||||||||||||||||||||||||||||||||||||
| 1A | 26 | |||||||||||||||||||||||||||||||||||||||||||||||||||||||||||||||||||||||||||||||||||||||||||||||||||||||||||
| 9045 1B | 9045 1B | 27 | 9045 1B29 | |||||||||||||||||||||||||||||||||||||||||||||||||||||||||||||||||||||||||||||||||||||||||||||||||||||||||
| 1E | 30 | |||||||||||||||||||||||||||||||||||||||||||||||||||||||||||||||||||||||||||||||||||||||||||||||||||||||||||
| 1F | 31 | |||||||||||||||||||||||||||||||||||||||||||||||||||||||||||||||||||||||||||||||||||||||||||||||||||||||||||
| 20 | 32 | |||||||||||||||||||||||||||||||||||||||||||||||||||||||||||||||||||||||||||||||||||||||||||||||||||||||||||
| 21 | 33 | 21 | 33 | |||||||||||||||||||||||||||||||||||||||||||||||||||||||||||||||||||||||||||||||||||||||||||||||||||||||||
| 24 | 36 | |||||||||||||||||||||||||||||||||||||||||||||||||||||||||||||||||||||||||||||||||||||||||||||||||||||||||||
| 25 | 37 | |||||||||||||||||||||||||||||||||||||||||||||||||||||||||||||||||||||||||||||||||||||||||||||||||||||||||||
| 26 | 38 | |||||||||||||||||||||||||||||||||||||||||||||||||||||||||||||||||||||||||||||||||||||||||||||||||||||||||||
| 27 | 39 | |||||||||||||||||||||||||||||||||||||||||||||||||||||||||||||||||||||||||||||||||||||||||||||||||||||||||||
| 40461 39 | ||||||||||||||||||||||||||||||||||||||||||||||||||||||||||||||||||||||||||||||||||||||||||||||||||||||||||||
| 40461 28 9046 | ||||||||||||||||||||||||||||||||||||||||||||||||||||||||||||||||||||||||||||||||||||||||||||||||||||||||||||
| 2A | 42 | |||||||||||||||||||||||||||||||||||||||||||||||||||||||||||||||||||||||||||||||||||||||||||||||||||||||||||
| 2B | 43 | |||||||||||||||||||||||||||||||||||||||||||||||||||||||||||||||||||||||||||||||||||||||||||||||||||||||||||
| 2C | 44 | |||||||||||||||||||||||||||||||||||||||||||||||||||||||||||||||||||||||||||||||||||||||||||||||||||||||||||
| 2D | 45 | |||||||||||||||||||||||||||||||||||||||||||||||||||||||||||||||||||||||||||||||||||||||||||||||||||||||||||
| 2E | 46 | |||||||||||||||||||||||||||||||||||||||||||||||||||||||||||||||||||||||||||||||||||||||||||||||||||||||||||
| 2F | 47 | |||||||||||||||||||||||||||||||||||||||||||||||||||||||||||||||||||||||||||||||||||||||||||||||||||||||||||
| 30 | 48 | |||||||||||||||||||||||||||||||||||||||||||||||||||||||||||||||||||||||||||||||||||||||||||||||||||||||||||
| 31 | 9045 9045 9045 | 31 9046 9045 9045 | 33 | 51 | ||||||||||||||||||||||||||||||||||||||||||||||||||||||||||||||||||||||||||||||||||||||||||||||||||||||||
| 34 | 52 | |||||||||||||||||||||||||||||||||||||||||||||||||||||||||||||||||||||||||||||||||||||||||||||||||||||||||||
| 35 | 53 | |||||||||||||||||||||||||||||||||||||||||||||||||||||||||||||||||||||||||||||||||||||||||||||||||||||||||||
| 36 | 54 | |||||||||||||||||||||||||||||||||||||||||||||||||||||||||||||||||||||||||||||||||||||||||||||||||||||||||||
| 37 | 55 | 904557 | ||||||||||||||||||||||||||||||||||||||||||||||||||||||||||||||||||||||||||||||||||||||||||||||||||||||||||
| 3A | 58 | |||||||||||||||||||||||||||||||||||||||||||||||||||||||||||||||||||||||||||||||||||||||||||||||||||||||||||
| 3B | 59 | |||||||||||||||||||||||||||||||||||||||||||||||||||||||||||||||||||||||||||||||||||||||||||||||||||||||||||
| 3C | 60 | |||||||||||||||||||||||||||||||||||||||||||||||||||||||||||||||||||||||||||||||||||||||||||||||||||||||||||
| 3D | 61 | 3Д | 61 | |||||||||||||||||||||||||||||||||||||||||||||||||||||||||||||||||||||||||||||||||||||||||||||||||||||||||
| 40 | 64 |
| Шестнадцатеричный | Десятичный | ||||||||||||||||||||||||
|---|---|---|---|---|---|---|---|---|---|---|---|---|---|---|---|---|---|---|---|---|---|---|---|---|---|
| 41 | 65 | ||||||||||||||||||||||||
| 42 | 66 | ||||||||||||||||||||||||
| 43 | 67 | ||||||||||||||||||||||||
| 44 | 68 | ||||||||||||||||||||||||
| 45 | 9045 9045 904547 | 71 | |||||||||||||||||||||||
| 48 | 72 | ||||||||||||||||||||||||
| 49 | 73 | ||||||||||||||||||||||||
| 4A | 74 | ||||||||||||||||||||||||
| 9045 9045 4B | 75469 9045 4B | 75469 | 904577 | ||||||||||||||||||||||
| 4E | 78 | ||||||||||||||||||||||||
| 4F | 79 | ||||||||||||||||||||||||
| 50 | 80 | ||||||||||||||||||||||||
| 51 | 9045 8251 | 81 | |||||||||||||||||||||||
| 54 | 84 | ||||||||||||||||||||||||
| 55 | 85 | ||||||||||||||||||||||||
| 56 | 9046 1 86|||||||||||||||||||||||||
| 57 | 87 | ||||||||||||||||||||||||
| 58 | 88 | ||||||||||||||||||||||||
| 59 | 89 | ||||||||||||||||||||||||
| 5A | 90 | ||||||||||||||||||||||||
| 90 | |||||||||||||||||||||||||
| 9046 | |||||||||||||||||||||||||
| 5D | 93 | ||||||||||||||||||||||||
| 5E | 94 | ||||||||||||||||||||||||
| 5F | 95 | ||||||||||||||||||||||||
| 60 | 96 | ||||||||||||||||||||||||
| 63 | 99 | ||||||||||||||||||||||||
| 64 | 100 | ||||||||||||||||||||||||
| 65 | 101 | ||||||||||||||||||||||||
| 66 | 102 | ||||||||||||||||||||||||
| 67 | 103 9045 | ||||||||||||||||||||||||
| 103 9045 9045 69 | 105 | ||||||||||||||||||||||||
| 6A | 106 | ||||||||||||||||||||||||
| 6B | 107 | ||||||||||||||||||||||||
| 6C | 108 | ||||||||||||||||||||||||
| 6D | 109 | ||||||||||||||||||||||||
| 6E | 110 | ||||||||||||||||||||||||
| 6F | 111 | ||||||||||||||||||||||||
| 70 | |||||||||||||||||||||||||
| 70 | 112 9045 72 | 112 9045 | 114 | ||||||||||||||||||||||
| 73 | 115 | ||||||||||||||||||||||||
| 74 | 116 | ||||||||||||||||||||||||
| 75 | 117 | ||||||||||||||||||||||||
| 76 | 118 | 118 | 9046 77 454 120 | ||||||||||||||||||||||
| 79 | 121 | ||||||||||||||||||||||||
| 7A | 122 | ||||||||||||||||||||||||
| 7B | 123 | ||||||||||||||||||||||||
| 7C | 124 125462 | 124 125462 | 124 125462 | ||||||||||||||||||||||
| 7F | 127 | ||||||||||||||||||||||||
| 80 | 128 |
| Шестнадцатеричный | Десятичный | ||||||||||||||||||||||||||||||||||||||||||||||||||||||||||||||||||||||||||||||||||||||||||||||||||||||||||||
|---|---|---|---|---|---|---|---|---|---|---|---|---|---|---|---|---|---|---|---|---|---|---|---|---|---|---|---|---|---|---|---|---|---|---|---|---|---|---|---|---|---|---|---|---|---|---|---|---|---|---|---|---|---|---|---|---|---|---|---|---|---|---|---|---|---|---|---|---|---|---|---|---|---|---|---|---|---|---|---|---|---|---|---|---|---|---|---|---|---|---|---|---|---|---|---|---|---|---|---|---|---|---|---|---|---|---|---|---|---|
| 81 | 129 | ||||||||||||||||||||||||||||||||||||||||||||||||||||||||||||||||||||||||||||||||||||||||||||||||||||||||||||
| 82 | 130 | ||||||||||||||||||||||||||||||||||||||||||||||||||||||||||||||||||||||||||||||||||||||||||||||||||||||||||||
| 83 | 131 | ||||||||||||||||||||||||||||||||||||||||||||||||||||||||||||||||||||||||||||||||||||||||||||||||||||||||||||
| 84 | 132 | ||||||||||||||||||||||||||||||||||||||||||||||||||||||||||||||||||||||||||||||||||||||||||||||||||||||||||||
| 85 | 9045 9045 904587 | 135 | |||||||||||||||||||||||||||||||||||||||||||||||||||||||||||||||||||||||||||||||||||||||||||||||||||||||||||
| 88 | 136 | ||||||||||||||||||||||||||||||||||||||||||||||||||||||||||||||||||||||||||||||||||||||||||||||||||||||||||||
| 89 | 137 | ||||||||||||||||||||||||||||||||||||||||||||||||||||||||||||||||||||||||||||||||||||||||||||||||||||||||||||
| 8A | 138 | ||||||||||||||||||||||||||||||||||||||||||||||||||||||||||||||||||||||||||||||||||||||||||||||||||||||||||||
| 8B | 139 9045 9045 9045 | 139 9045 9045 | 139 | 9045141 | |||||||||||||||||||||||||||||||||||||||||||||||||||||||||||||||||||||||||||||||||||||||||||||||||||||||||
| 8E | 142 | ||||||||||||||||||||||||||||||||||||||||||||||||||||||||||||||||||||||||||||||||||||||||||||||||||||||||||||
| 8F | 143 | ||||||||||||||||||||||||||||||||||||||||||||||||||||||||||||||||||||||||||||||||||||||||||||||||||||||||||||
| 90 | 144 | ||||||||||||||||||||||||||||||||||||||||||||||||||||||||||||||||||||||||||||||||||||||||||||||||||||||||||||
| 144 | |||||||||||||||||||||||||||||||||||||||||||||||||||||||||||||||||||||||||||||||||||||||||||||||||||||||||||||
| 91 | 145 466 9045 | ||||||||||||||||||||||||||||||||||||||||||||||||||||||||||||||||||||||||||||||||||||||||||||||||||||||||||||
| 145 | 147|||||||||||||||||||||||||||||||||||||||||||||||||||||||||||||||||||||||||||||||||||||||||||||||||||||||||||||
| 94 | 148 | ||||||||||||||||||||||||||||||||||||||||||||||||||||||||||||||||||||||||||||||||||||||||||||||||||||||||||||
| 95 | 149 | ||||||||||||||||||||||||||||||||||||||||||||||||||||||||||||||||||||||||||||||||||||||||||||||||||||||||||||
| 96 | 150 | ||||||||||||||||||||||||||||||||||||||||||||||||||||||||||||||||||||||||||||||||||||||||||||||||||||||||||||
| 97 | 151 | ||||||||||||||||||||||||||||||||||||||||||||||||||||||||||||||||||||||||||||||||||||||||||||||||||||||||||||
| 98 | 152 | ||||||||||||||||||||||||||||||||||||||||||||||||||||||||||||||||||||||||||||||||||||||||||||||||||||||||||||
| 99 | 153 | ||||||||||||||||||||||||||||||||||||||||||||||||||||||||||||||||||||||||||||||||||||||||||||||||||||||||||||
| 945 | 9045 9045 9A 9045 9045 9A 9045156 | ||||||||||||||||||||||||||||||||||||||||||||||||||||||||||||||||||||||||||||||||||||||||||||||||||||||||||||
| 9D | 157 | ||||||||||||||||||||||||||||||||||||||||||||||||||||||||||||||||||||||||||||||||||||||||||||||||||||||||||||
| 9E | 158 | ||||||||||||||||||||||||||||||||||||||||||||||||||||||||||||||||||||||||||||||||||||||||||||||||||||||||||||
| 9F | 159 | ||||||||||||||||||||||||||||||||||||||||||||||||||||||||||||||||||||||||||||||||||||||||||||||||||||||||||||
| A0 | |||||||||||||||||||||||||||||||||||||||||||||||||||||||||||||||||||||||||||||||||||||||||||||||||||||||||||||
| A0 | |||||||||||||||||||||||||||||||||||||||||||||||||||||||||||||||||||||||||||||||||||||||||||||||||||||||||||||
| A0 | 9045 A1 | 9045 162||||||||||||||||||||||||||||||||||||||||||||||||||||||||||||||||||||||||||||||||||||||||||||||||||||||||||||
| A3 | 163 | ||||||||||||||||||||||||||||||||||||||||||||||||||||||||||||||||||||||||||||||||||||||||||||||||||||||||||||
| A4 | 164 | ||||||||||||||||||||||||||||||||||||||||||||||||||||||||||||||||||||||||||||||||||||||||||||||||||||||||||||
| A5 | 165 | ||||||||||||||||||||||||||||||||||||||||||||||||||||||||||||||||||||||||||||||||||||||||||||||||||||||||||||
| A6 | |||||||||||||||||||||||||||||||||||||||||||||||||||||||||||||||||||||||||||||||||||||||||||||||||||||||||||||
| A9 | 169 | ||||||||||||||||||||||||||||||||||||||||||||||||||||||||||||||||||||||||||||||||||||||||||||||||||||||||||||
| AA | 170 | ||||||||||||||||||||||||||||||||||||||||||||||||||||||||||||||||||||||||||||||||||||||||||||||||||||||||||||
| AB 904 62 | 171 | ||||||||||||||||||||||||||||||||||||||||||||||||||||||||||||||||||||||||||||||||||||||||||||||||||||||||||||
| AC | 172 | ||||||||||||||||||||||||||||||||||||||||||||||||||||||||||||||||||||||||||||||||||||||||||||||||||||||||||||
| AD | 173 | ||||||||||||||||||||||||||||||||||||||||||||||||||||||||||||||||||||||||||||||||||||||||||||||||||||||||||||
| AE | 174 | ||||||||||||||||||||||||||||||||||||||||||||||||||||||||||||||||||||||||||||||||||||||||||||||||||||||||||||
| AF | 175 | AF | 175 | 9045 177||||||||||||||||||||||||||||||||||||||||||||||||||||||||||||||||||||||||||||||||||||||||||||||||||||||||||
| B2 | 178 | ||||||||||||||||||||||||||||||||||||||||||||||||||||||||||||||||||||||||||||||||||||||||||||||||||||||||||||
| B3 | 179 | ||||||||||||||||||||||||||||||||||||||||||||||||||||||||||||||||||||||||||||||||||||||||||||||||||||||||||||
| B4 | 180 | ||||||||||||||||||||||||||||||||||||||||||||||||||||||||||||||||||||||||||||||||||||||||||||||||||||||||||||
| 180 | |||||||||||||||||||||||||||||||||||||||||||||||||||||||||||||||||||||||||||||||||||||||||||||||||||||||||||||
| 181 | 9045|||||||||||||||||||||||||||||||||||||||||||||||||||||||||||||||||||||||||||||||||||||||||||||||||||||||||||||
| B8 | 184 | ||||||||||||||||||||||||||||||||||||||||||||||||||||||||||||||||||||||||||||||||||||||||||||||||||||||||||||
| B9 | 185 | ||||||||||||||||||||||||||||||||||||||||||||||||||||||||||||||||||||||||||||||||||||||||||||||||||||||||||||
| BA | 186 | ||||||||||||||||||||||||||||||||||||||||||||||||||||||||||||||||||||||||||||||||||||||||||||||||||||||||||||
| BB | 187 | ||||||||||||||||||||||||||||||||||||||||||||||||||||||||||||||||||||||||||||||||||||||||||||||||||||||||||||
| 9045 | 9045 9045BC9 | BE | 190 | ||||||||||||||||||||||||||||||||||||||||||||||||||||||||||||||||||||||||||||||||||||||||||||||||||||||||||
| BF | 191 | ||||||||||||||||||||||||||||||||||||||||||||||||||||||||||||||||||||||||||||||||||||||||||||||||||||||||||||
| C0 | 192 |
| Шестнадцатеричный | Десятичный | ||||||||||||
|---|---|---|---|---|---|---|---|---|---|---|---|---|---|
| C1 | 193 | ||||||||||||
| C2 | 194 | ||||||||||||
| C3 | 195 | ||||||||||||
| C4 | 196 | ||||||||||||
| C7 | 199 | ||||||||||||
| C8 | 200 | ||||||||||||
| C9 | 201 | ||||||||||||
| CA | 202 | ||||||||||||
| CB | 9045|||||||||||||
| CB | 9045205 | ||||||||||||
| CE | 206 | ||||||||||||
| CF | 207 | ||||||||||||
| D0 | 208 | ||||||||||||
| D1 | 209 9046 D1 | 209 | 209 | 9045 211||||||||||
| D4 | 212 | ||||||||||||
| D5 | 213 | ||||||||||||
| D6 | 214 | ||||||||||||
| D7 | 215 | ||||||||||||
| D8 | 216 | ||||||||||||
| D9 | 217 | ||||||||||||
| 21461 | DA | ||||||||||||
| DA | 9045 | 220 | |||||||||||
| DD | 221 | ||||||||||||
| DE | 222 | ||||||||||||
| DF | 223 | ||||||||||||
| E0 902 | 224 9045 | 224 9045 | 224 | 226||||||||||
| E3 | 227 | ||||||||||||
| E4 | 228 | ||||||||||||
| E5 | 229 | ||||||||||||
| 229 | |||||||||||||
| 230 | 230 | 9046 | |||||||||||
| E9 | 233 | ||||||||||||
| EA | 234 | ||||||||||||
| EB 904 62 | 235 | ||||||||||||
| EC | 236 | ||||||||||||
| ED | 237 | ||||||||||||
| EE | 238 | ||||||||||||
| 239 9046 9046 9045 | EF | 239 | 9046 241|||||||||||
| F2 | 242 | ||||||||||||
| F3 | 243 | ||||||||||||
| F4 | 244 | ||||||||||||
| 244 | |||||||||||||
| F5 | 245 | 245 | |||||||||||
| F8 | 248 | ||||||||||||
| F9 | 249 | ||||||||||||
| FA | 250 | ||||||||||||
| FB | |||||||||||||
| FB | 251 | ||||||||||||
| FE | 254 | ||||||||||||
| FF | 255 |
.

Термины и определения