Что такое триггер Шмитта и как он работает. Какие бывают схемы триггеров Шмитта. Где применяются триггеры Шмитта в электронике. Каковы преимущества использования триггеров Шмитта.
Что такое триггер Шмитта и принцип его работы
Триггер Шмитта — это электронное устройство с гистерезисом, которое преобразует аналоговый входной сигнал в цифровой выходной сигнал. Ключевая особенность триггера Шмитта заключается в наличии двух различных пороговых уровней для нарастающего и спадающего входного сигнала.
Принцип работы триггера Шмитта основан на положительной обратной связи, которая обеспечивает быстрое переключение выхода при достижении входным сигналом определенных пороговых значений. Это позволяет формировать на выходе четкие прямоугольные импульсы даже при медленно меняющемся входном сигнале.
Основные характеристики и параметры триггера Шмитта
Ключевыми параметрами триггера Шмитта являются:
- Верхний порог переключения (UВП) — значение входного напряжения, при котором происходит переключение выхода из низкого состояния в высокое
- Нижний порог переключения (UНП) — значение входного напряжения, при котором происходит переключение выхода из высокого состояния в низкое
- Ширина петли гистерезиса — разность между верхним и нижним порогами переключения
- Время переключения — интервал времени, за который выход переходит из одного состояния в другое
Чем шире петля гистерезиса, тем выше помехоустойчивость триггера Шмитта. Однако при этом снижается его чувствительность к изменениям входного сигнала.

Схемы триггеров Шмитта на дискретных компонентах
Существует несколько вариантов схем триггеров Шмитта на дискретных компонентах:
Триггер Шмитта на биполярных транзисторах
Классическая схема триггера Шмитта на двух биполярных транзисторах:
- Транзистор VT1 работает как усилитель входного сигнала
- Транзистор VT2 обеспечивает положительную обратную связь
- Резисторы R1-R4 задают режимы работы транзисторов и пороговые уровни
- Конденсатор C1 ускоряет процесс переключения
Триггер Шмитта на полевых транзисторах
Схема на полевых транзисторах имеет аналогичную структуру, но обладает более высоким входным сопротивлением:
- Полевой транзистор VT1 используется как усилитель входного сигнала
- Полевой транзистор VT2 формирует петлю положительной обратной связи
- Резисторы R1-R4 определяют режимы работы и пороги переключения
Триггер Шмитта на операционном усилителе
Простая и надежная схема триггера Шмитта может быть реализована на операционном усилителе:
- Операционный усилитель работает в режиме компаратора
- Резисторы R1 и R2 образуют делитель напряжения и задают пороги срабатывания
- Резистор R3 обеспечивает положительную обратную связь
Интегральные микросхемы с триггерами Шмитта
Современная электроника широко использует интегральные микросхемы, содержащие триггеры Шмитта:

- 74HC14 — шесть инверторов с триггером Шмитта на входе
- 74HC132 — четыре 2-входовых элемента И-НЕ с триггером Шмитта
- 74HC7541 — восемь буферов с триггером Шмитта
- 40106 — шесть инверторов с триггером Шмитта (КМОП)
Использование готовых интегральных микросхем существенно упрощает разработку электронных устройств с триггерами Шмитта.
Применение триггеров Шмитта в электронных схемах
Триггеры Шмитта находят широкое применение в различных областях электроники:
Формирование прямоугольных импульсов
Триггер Шмитта позволяет преобразовать сигналы произвольной формы (синусоидальные, треугольные и т.д.) в последовательность прямоугольных импульсов с четкими фронтами. Это часто используется для формирования тактовых сигналов в цифровых схемах.
Подавление дребезга контактов
При замыкании механических контактов возникают кратковременные колебания напряжения (дребезг). Триггер Шмитта эффективно подавляет эти паразитные колебания, формируя один четкий импульс.
Восстановление формы цифровых сигналов
При передаче цифровых сигналов по длинным линиям связи происходит искажение фронтов импульсов. Триггер Шмитта позволяет восстановить исходную прямоугольную форму сигнала.

Генераторы прямоугольных импульсов
На основе триггера Шмитта легко реализуются простые генераторы прямоугольных импульсов с широким диапазоном частот. Частота генерации определяется времязадающей RC-цепочкой.
Преимущества использования триггеров Шмитта
Основные достоинства триггеров Шмитта:
- Высокая помехоустойчивость благодаря наличию гистерезиса
- Формирование четких прямоугольных импульсов даже при зашумленном входном сигнале
- Простота реализации на дискретных компонентах и в интегральном исполнении
- Широкий диапазон применений в аналоговой и цифровой электронике
- Возможность работы с медленно меняющимися сигналами
Эти преимущества делают триггер Шмитта незаменимым элементом во многих электронных устройствах.
Ограничения и недостатки триггеров Шмитта
Несмотря на многочисленные достоинства, триггеры Шмитта имеют ряд ограничений:
- Невысокое быстродействие по сравнению с обычными логическими элементами
- Повышенное энергопотребление из-за наличия положительной обратной связи
- Сложность точной настройки порогов переключения в схемах на дискретных компонентах
- Ограниченный динамический диапазон входных сигналов
При проектировании электронных устройств необходимо учитывать эти особенности триггеров Шмитта.

Заключение
Триггер Шмитта является важным функциональным элементом современной электроники. Благодаря наличию гистерезиса он эффективно преобразует аналоговые сигналы в цифровую форму, обеспечивая высокую помехоустойчивость. Широкий спектр применений и простота реализации делают триггер Шмитта востребованным компонентом при разработке различных электронных устройств.
мир электроники — Триггер Шмитта
Электронные устройства
материалы в категории
Триггер Шмитта (говорить Шмидта и Шмита не корректно)- это особый вид триггера который так же имеет два устойчивых состояния (логический ноль или логическая единица), но работает несколько иначе- переключение триггера Шмитта происходит лишь при определенной амплитуде входного сигнала и удержание триггера в устойчивом состоянии возможно лишь пока уровень входного сигнала выше порога срабатывания триггера.
В общем триггер Шмитта это некое пороговое устройство: когда сигнал на входе достиг порогового значения он открывается и будет держаться в открытом состоянии пока уровень входного сигнала не упадет ниже порога срабатывания.
Область применения триггеров Шмитта:
1. Преобразование аналогового сигнала в цифровой. В случаях когда требуется получить из аналогового сигнала прямоугольные импульсы/
Используется несколько триггеров Шмитта с разным порогом срабатывания.3. В качестве компаратора- сравнивающего устройства.
Триггер Шмитта на транзисторах
А теперь давайте рассмотрим как работает триггер Шмита на транзисторах.
Схема триггера Шмитта на транзисторах на рисунке ниже:
При нулевом напряжении на входе транзистор T1 заперт а транзистор T2, наоборот- в открытом состоянии (на его базе присутствует напряжение смещения через резисторы Rc1, R1 и R2. Напряжение на выходе Vout будет практически уравновешено между питающими потенциалами и будет соответствовать логическому «нулю»
Если на вход Vin начать подавать аналоговый сигнал то по достижении порога открытия транзистора T1(а этот порог можно менять базовым смещением, которое на рисунке не указано) он начнет открываться, забирая тем самым ток с базы транзистора T2.
Таким образом переключение транзисторов в триггере произойдет практически мгновенно, транзистор T2 закроется и на выходе Vout будет присутствовать логическая «единица».
При падении сигнала на входе Vin все произойдет наоборот: транзистор T1 начнет запираться, ток базы транзистора T2 начнет увеличиваться, он будет открываться и потенциал на общем резисторе Re начнет повышаться. Увеличение этого потенциала приведет к ускорению запирания транзистора T1.
Смотрим также:
Расчет триггера Шмитта
Триггеры на транзисторах (шмитта) и реле (на логических элементах)
Всем доброго времени суток. В прошлой статье я рассказывал о симметричных триггерах – RS- и T-триггерах. Сегодняшняя моя статья познакомит вас с ещё одной разновидностью триггеров – несимметричный триггер, который имеет более известное название – триггер Шмитта.
Для сборки радиоэлектронного устройства можно преобрески DIY KIT набор по ссылке.
О триггерах Шмитта в интегральном исполнении я уже рассказывал в одной из предыдущих статей.
Давайте вспомним чем, прежде всего, характеризуется данный тип триггера. Как мы помним из предыдущей статьи триггеры характеризуются несколькими устойчивыми состояниями.
Так вот в триггере Шмитта переход из одного устойчивого состояния в другое осуществляется только при определённых значениях входного напряжения, которые называются уровнями срабатывания триггера или просто пороговыми уровнями.
Таким образом, можно сказать, что несимметричный триггер имеет гистерезисный характер передаточной характеристики.
Передаточная характеристика триггера Шмитта.
Принцип работы триггера Шмитта
В идеальном случае передаточная характеристика триггера Шмитта имеет вид изображённый на рисунке выше. В случае если входное напряжение триггера не превышает напряжение срабатывания U1 (UВХ
Когда же напряжение на входе превысит порог срабатывания (UBX > U1), то триггер моментально перейдёт в другое устойчивое состояние и напряжение на выходе станет равным рабочему напряжению триггера Е1 (UВЫХ = Е1).
После этого напряжение на входе может изменяться в некоторых пределах, но на выходе останется постоянным и равным рабочему напряжению Е1.
Чтобы вернуть триггер Шмитта в исходное состояние, необходимо, чтобы напряжение на входе уменьшилось до некоторого уровня, называемого порогом отпускания триггера. Как только напряжение на входе уменьшится до некоторого уровня напряжения U2 (UВХ
Величины напряжений пороговых уровней срабатывания и отпускания триггера полностью определяются элементами электронной схемы данного типа триггера.
Как правило, в настоящее время триггеры Шмитта изготавливаются в интегральном исполнении, параметры которого удовлетворяют в большинстве случаев. Но в некоторых случаях имеет место изготовление данного типа триггеров и в дискретном исполнении, например, в экспериментальной или высоковольтной отраслях. Давайте рассмотрим схему триггера Шмитта в дискретном исполнении на транзисторах.
Схема триггера Шмитта на транзисторах и принцип её работы
Схема триггера Шмитта представлена на изображении ниже.
Триггер Шмитта или несимметричный триггер имеет схожую структуру с симметричным триггером, отличие между ними заключается в том, что одна из коллекторно-базовой цепи симметричного триггера заменена на общую эмиттерную связь. В результате коллектор транзистора VT2 не связан с базовой цепью VT1 и нагрузка, подключённая к коллектору VT2, мало влияет на работу триггера.
Схема триггера Шмитта на биполярных транзисторах.
- В общем случае несимметричный триггер или триггер Шмитта состоит из следующих элементов: транзисторы VT1 и VT2, имеющие гальваническую связь между собой и через резистор R5 присоединены к общей шине питания; резисторы R1 и R2, обеспечивающие режим работы транзистора VT1 и исходное состояние схемы в целом; резисторы R3 и R7, являющиеся коллекторными нагрузками транзисторов VT1 и VT2 соответственно; резисторы R4 и R6, которые образуют делитель напряжения, тем самым определяя необходимые пороги срабатывания триггера; конденсатор C1, служащий для ускорения переключения триггера.

Временные диаграммы входных и выходных напряжений триггера Шмитта (несимметричный триггер).
Рассмотрим принцип работы триггера Шмитта по его временным диаграммам изображенным выше. При подключении источника питания к триггеру, он переходит в исходное состояние, при котором транзистор VT1 закрыт, а транзистор VT2 открыт. В этом случае на выходе триггера присутствует некоторое напряжение Uэ, которое зависит от элементов обвязки транзистора VT2
- В случае, когда входное напряжение превысит порог срабатывания, транзистор VT1 откроется, а VT2 соответственно закроется и напряжение на выходе триггера резко возрастёт до значения примерно равному напряжению источника питания.
Как я уже писал выше, триггер Шмитта имеет два уровня напряжения (пороги срабатывания), разность между которыми называется шириной петли гистерезиса.
Ширина петли гистерезиса зависит от величины резистора, а порог срабатывания триггера от соотношения делителя напряжения, который образуется резисторами R4 и R6.
Вследствие чего большой проблемой является отдельная регулировка, как ширины петли гистерезиса, так и порогов срабатывания триггера.
Триггер Шмитта с независимой регулировкой гистерезиса и уровней срабатывания
Для осуществления независимой регулировки параметров триггера Шмитта между транзисторами VT1 и VT2 включается буферный элемент (очень часто эмиттерный повторитель). В результате этого уменьшается влияние резистора R3 на делитель напряжения R4R6, а также повышается чувствительность схемы в целом.
Схема триггера Шмитта с буферным элементом.
Расчёт триггера Шмитта
Исходные данные: амплитуда импульсов Um = 10 В, максимальный выходной ток триггера Im = 10 мА, напряжение срабатывания триггера U1 = 5 В, напряжение отпускания триггера U2 = 3 В, частота следования импульсов fm = 5 МГц, длительность фронта и среза импульсов tf = ts ≤ 10 нс.
- Определение напряжения источника питания
- Выбор транзистора. Транзистор должен соответствовать следующим условиямДанным параметрам соответствует транзистор КТ315Д со следующими характеристиками:
- Определяем сопротивление коллекторных резисторов R3 и R7 транзистора VT1 и VT2.

- Вычисляем сопротивление резистора R5 в эмиттерных цепях транзисторов.
- Находим сопротивления резисторов R4 и R6. Для этого введём коэффициент пропорциональности λ, между резисторами.Сопротивление резистора R4 вычислим по следующей формулеТогда сопротивление резистора R6 будет равно
- Определяем сопротивление резисторов R2.
- Определяем сопротивление резистора R1.
- Вычисляем значение ёмкости ускоряющего конденсатора С1.
Выполненный расчёт является предварительным, так как из-за разброса параметров элементов схемы возможны некоторые отклонения от заданных условий схемы. После выбора номиналов элементов необходимо провести прямой проверочный расчёт пороговых уровней напряжения U1 и U2 по следующим формулам
Прямой проверочный расчёт важен, в случае если ширина петли гистерезиса (U2 – U1) находится в пределах нескольких долей вольта.
Теория это хорошо, но без практического применения это просто слова.Здесь можно всё сделать своими руками.![]()
Источник: https://www.electronicsblog.ru/impulsnaya-texnika/trigger-shmitta-na-tranzistorax.html
Логические элементы — триггеры, и другие.
Принцип работы электронного триггера.
Слово триггер(trigger), по английски означает — спусковой крючок. Функция триггера — мгновенное переключение из одного устойчивого состояние в другое, под действием внешнего, управляющего фактора.
Существуют пневматические, механические и релейные схемы триггеров. Но электронные схемы, по надежности и самое главное — быстродействию, безусловно,вне конкуренции. Электронная схема триггера состоит из двух усилительных каскадов и по своей сути, является одной из разновидностий мультивибратора.
Выход каждого из каскадов подключен к входу другого, но не через конденсаторы, как в обычном симметричном мультивибраторе а через резисторы.
Номиналы этих резисторов подобраны так, что каскад с полностью открытым транзистором, уверенно запирает транзистор другого каскада. Если подать на триггер питающее напряжение, то оба каскада начинают «бороться» между собой, пытаясь закрыть друг-друга.
Как бы не были транзисторы близки по характеристикам, один из них(присвоим ему номер1) обязательно окажется
«сильнее» и закроет другой (для удобства обозначим его как номер 2)
Все происходит очень быстро, выглядит так, что транзистор 1 мгновенно оказывается открытым, а другой (2) закрытым. В таком состоянии триггер может находиться очень долго. Можно назвать его — 1-м устойчивым состоянием.
Если подать на вход закрытого каскада(2) имульс напряжения, достаточный, что бы его открыть на короткое время, то открывшись он «запрет» каскад 1, пребывающий до этого момента в открытом состоянии. Закрывшись, каскад 1 перестает запирать каскад 2, и тот так и останется открытым. Таким образом, каскады поменяются местами, триггер окажется во 2-м устойчивом состоянии.
В таком состоянии он может находиться очень долго, если не подать открывающий импульс, на закрытый каскад 1. Каскад 1 открываясь, запрет каскад 2 и триггер вернется в первоначальное состояние(1). Получается, что наш триггер имеет два устойчивых состояния и два управляющих входа, подав на которые импульсы достаточной амплитуды, можно эти состояния менять.
Из триггера с двумя входами легко можно сделать счетный триггер с одним входом. Для этого два входа объеденим с помощью двух диодов. Диоды здесь необходимы для гальванической развязки.
Когда на полученный таким образом общий вход подается открывающий импульс, происходит открывание запертого транзистора, вследствии чего происходит переключение триггера из одного устойчивого состояния в другое. Следующий импульс возвращает триггер в прежднее состояние.
У счетного триггера, также должен быть и выход. Выход можно вывести с коллектора любого из транзисторов. В итоге, получается что на каждые два импульса поступившие на вход, мы получаем один импульс на выходе.
Происходит деление любого числа поступивших импульсов на два.
Двоичная система исчисления, представляется наиболее оптимальной для цифровых электронных устройств, оперирующих информацией с помощью двух состояний уровня сигнала. Высокого — соответствующего еденице, и низкого — соответствующему нолю.
Если соединить несколько счетных триггеров последовательно — получается устройство, ведущee счет в двоичном режиме исчисления(последовательный счетчик). Каждый последующий триггер, служит здесь двоичным разрядом. Разряд в двоичной системе, может иметь только два значения — 0 и 1.
Условимся, что состояние каждого триггера(0 или1)будет определятся состоянием его правого каскада. Для наглядности, пусть индикация состояний будет производиться с помощью лампочек, включенных в качестве коллекторной нагрузки.
Представим, что на вход расположенный с левой стороны поступило пять импульсов — пять едениц.
Обозначения различных разновидностей триггеров
На электронных схемах принято графическое обозначение триггеров и других элементов логики, в виде условных прямоугольников с входами и выходами.
R — S триггеры
R — S триггер это самая простая схема, с описании ее работы как раз, и начинается эта страница. Она имеет два входа R (reset)- установки в состояние 0 и S(set) — установки в состояние 1. Выходов тоже два, но основным считается выход-Q.
D — триггеры.
Для использования триггеров в реальных счетных устройствах, необходимо иметь возможность дополнительного управления их состояниями — предустановки, обнуления, активации с помощью счетного тактового импульса. Что бы осуществить эту операцию в схему счетного триггера добавляется еще три входа.
PRESET(PR) — восстанавливает на выходе триггера состояние 1, а СLEAR(CL) — состояние 0.
С помощью тактового входа Т осуществляется общая синхронизация триггера, относительно других элементов схемы счетного устройства.
Импульс поступающий на счетный вход D меняет состояние триггера, только при наличии 1 на тактовом входе.
J-K — триггер
Это наиболее универсальная разновидность триггера — «на все случаи жизни.
» Такой триггер имеет целых два тактовых входа -J и K, прямыми входами являются PR и CLR. Так же, имеется счетный вход -CLOCK(CK) и два выхода, как и у других прочих подобных устройств.
В настоящее время применяются электронные триггеры, в основном — в интегральном исполнении(микросхемы)
Процессы, необходимые для функционирования любых технологических устройств ( в т. ч. и ПК) можно реализовать с помощью ограниченного набора логических элементов.
Буфер
Буфер, представляет из себя усилитель тока, служащий для согласования различных логических вентилей, в особенности имеющих в своей основе разную элементную базу (ттл или КМОП).
Инвертор
Элемент, служащий для инвертирования поступающих сигналов — логическая еденица превращается в ноль, и наоборот.
Логическая схема И
И — элемент логического умножения. Еденица (высокий уровень напряжения) на выходе, появляется только в случае присутствия едениц, на обоих входах, одновременно.
Пример применения элемента И в реальном техническом устройстве: По тех. заданию, механический пресс должен срабатывать, только при одновременном нажатии двух кнопок, разнесенных на некоторое расстояние. Смысл тех.
задания заключается в том, что бы обе руки оператора были заняты на момент хода пресса, что исключило бы возможность случайного травмирования конечности.
Это может быть реализовано как раз, с помощью логического элемента И.
Логическая схема И — НЕ
И-НЕ — наиболее часто используемый элемент. Он состоит из логических вентилей И и НЕ, подключенных последовательно.
Пример применения элемента И-НЕ в реальном техническом устройстве: По тех. заданию, ход стационарной транспортной платформы, управляемой электродвигателем, должен ограничиваться, нажатием путевых конечных выключателей — правого или левого.
Как видите, применение электронных элементов логики для выполнения простейших схематических решений нецелесообразно. Более сложные, многоходовые операции — циклы, другое дело.
Применение аппаратных(непрограммируемых) контроллеров на основе электронных логических элементов, в оборудовании довольно частое явление.
Логическая схема ИЛИ
ИЛИ — схема логического сложения. Логическая еденица на выходе, появляется в случае присутствия высокого уровня(еденицы) на любом из входов.
Логическая схема ИЛИ — НЕ
ИЛИ — НЕ состоит из логических элементов ИЛИ и НЕ, подключеных последовательно. Соответственно, НЕ инвертирует значения на выходе ИЛИ.
Логическая схема исключающее ИЛИ
Этот вентиль выдает на выходе логическую еденицу, если на одном из входов — еденица, а на другом, ноль. Если на входах присутствуют одинаковые значения — на выходе ноль.
Триггер Шмитта(Шмидта)
Триггер Шмитта выдает импульс правильной формы, при сигнале произвольной формы на входе. Применяется для преобразования медленно меняющихся сигналов в импульсы, с четко очерчеными краями.
- На главную страницу
Использование каких — либо материалов этой страницы, допускается при наличии ссылки на сайт «Электрика это просто».
Источник: https://elektrikaetoprosto.ru/digit.html
Триггер Шмидта. Подробное описание нессиметричного триггера
Слово trigger, в переводе на русский, значит, спусковой крючок. Функциональность устройства заключается в быстром переходе из одного устойчивого состояния в другое под внешним воздействием.
Большинство подобных устройств имеют заданное одинаковое значение для нарастающего сигнала. Для быстрорастущих сигналов – это не проблема. Но для сигналов, которые имеют очень медленное нарастание (шумовые, например) – колебания назад и вперед из положения off в on и обратно могут вывести из строя прибор. Триггеры Шмитта применимы для медленно изменяющихся сигналов или шума.
Это решение для случаев, когда сигнал на входе колеблется вокруг заданной точки. Схема для получения петли гистерезиса – это значит, что есть два набора точек, одни на низкой стороне, другие на высокой.
Допустим, что на стороне низкого заданное значение составляет 2,0 В, а на стороне высокого – 1,5 В. Как только нарастающий входной сигнал (шум) попадает в точку 2.0 В, триггер переключит выход на 1.
И сигнал на выходе останется на 1 до тех пор, пока входной сигнал не упадёт обратно до 1,5 В. В зоне от 1,5 и 2.0 В сигнал не переключается.
Самым простым примером применения является однополюсный двухпозиционный тумблер.
Перемещением рычага вправо соединяются выступы в центре. Цифровые схемы работают на 1 и 0 (вкл. и выкл.) Серединных значений при этом нет.
Схемы триггеров Шмитта
Существует много схем, в которых необходимо включение элементов, имеющих фиксированные пороги на входе. Можно применять дискретные транзисторы, а также операционный усилитель (ОУ) с дополнительными компонентами, способствующими созданию петли гистерезиса.
На схеме изображено как устройство формирует импульс правильной конфигурации, при произвольном входном сигнале. Подобная схема применяется для преобразования медленно изменяющихся сигналов в импульсы с чётко очерченными краями. Это выполняется и на нескольких устройствах, и на одном ОУ.
Схема триггера Шмитта на транзисторах
Для несимметричного триггера характерно несколько устойчивых состояний, когда переход из одного в другое происходит лишь при пороговых уровнях. Поэтому для такого триггера характерна гистерезисная передаточная характеристика. В нижеприведённой схеме использованы биполярные транзисторы.
На данном чертеже показано, что триггер Шмитта включает в себя транзисторы VT1 и VT2, гальванически связанные между собой посредством резистора R5. Все элементы имеют общую питающую шину. R1 и R2 обеспечивают рабочий режим транзистора VT1. Организован делитель напряжения (два резистора). Конденсатор C1 служит для ускоренного переключения. Временные диаграммы входных и выходных напряжений устройства показаны на рисунке.
При подаче питания к устройству, он переходит в исходное состояние, когда транзистор VT1 закрыт, а VT2 открыт. В таком состоянии на выход устройства поступает некоторое напряжение Uэ, зависящее от элементов обвязки VT2. Имеются два порога срабатывания в триггере Шмитта (эта разность между напряжениями называется шириной петли гистерезиса).
Триггер Шмидта на логике
Это устройство особенное, потому что имеет по одному аналоговому входу и цифровому выходу. Самая простая схема триггера Шмитта основана на цифровых логических элементах, то есть последовательно включенных двух инверторах.
Посредством резистивной обратной связи цифровой сигнал на выходе меняет входное напряжение переключения. Скорости нарастания сигнала на выходе и входе не зависят друг от друга, являясь для данной схемы постоянной величиной (зависящей от быстродействия логических вентилей).
Схема триггера Шмитта, построенная на двух инверторах, изображена ниже.
Добавлена обратная связь, обеспеченная двумя резисторами, способствует быстрому изменению напряжения на выходе схемы при пересечении сигналом порогового напряжения. Соотношение между резисторами влияет на глубину этой связи.
Тот факт, что часть сигнала с выхода схемы поступает на вход, приводит к тому, что вместо одного порога у схемы получается два. Один из них назван порогом срабатывания схемы (когда на выходе устройства формируется уровень «1»).
Второй порог назван порогом отпускания (когда на выходе схемы формируется уровень «0»). Наличие двух порогов дало триггеру Шмитта второе название — схема с гистерезисом.
Положительная обратная связь используется для того, чтобы установить лимит для достижения точки насыщения на выходе и, таким образом, можно изменить синусоидальное напряжение в цифровое.
Как определить низкие и высокие пороговые уровни на входе схемы? Логика определения этих пороговых уровней следующая. Необходимо выбрать верхний порог, который ниже минимального высокого уровня сигнала.
Другими словами, это тот уровень, когда входной сигнал будет превышать каждый импульс на выходе. Аналогичным образом выбирается нижний порог, который соответственно выше низкого уровня сигнала. Разница между верхним и нижним уровнем является гистерезис.
Чем больше гистерезис, тем больше будет восприимчивость схемы к шуму. Также необходимо учесть влияние времени.
На изображении хорошо видны два порога там, где на вход устройства подаётся синусоидальное напряжение.
Генератор на триггере Шмитта
Для построения генераторов применяются инверторы. Посему для обеспечения устойчивых сигнальных волн нужно вывести элемент на участок между «0» и «1». Далее, требуется обеспечить положительную обратную связь посредством конденсаторов.
Ниже изображена схема простейшего генератора импульсов.
Инвертор генерирует сигнал, который заряжает и разряжает конденсатор. Это работает, потому что на выходе инверторов «0» или «1» (низкие или высокие пороговые значения). Представим, что мы смотрим на цепи в какой-то случайный момент времени.
По своей природе, триггера Шмитта на выходе инвертора или 0 В или 5 В (или переход между ними, который мы можем игнорировать). Если на выходе 0 В, а на выходе конденсатора выше, чем на выходе инвертора, конденсатор будет разряжаться через резистор до падения порогового напряжения триггера Шмитта.
Конденсатор разряжается до тех пор, пока на входе инвертора сигнал достаточно низкий. При пересечении порогового значения, цикл начнётся заново.
Ключ, который делает эту работу на «гистерезис» в триггер Шмитта. В основном это означает, что точка поездки инвертора зависит оттого, что мы идем от высокого напряжения или низкого напряжения.
Заключение
Достоинство схем заключается в том, что входное напряжение меняется незначительно, когда выходное изменяется резко к высокому или низкому пороговому значению. Процесс проводится благодаря устройству обратной связи и делителя напряжения.
В чём польза триггера Шмитта? Они весьма востребованы тогда, где на входе присутствуют шумы. Применяется для преобразования входного сигнала в прямоугольные, пренебрегая высокочастотными помехами.
Такая входная цепь осуществляет гистерезис, эффективно фильтрующий различные типы шумов.
Использование устройства будет гарантировать, что на входе цифрового устройства всегда будет либо «один» или «ноль» и ничего между ними.
Пишите комментарии, дополнения к статье, может я что-то пропустил. Загляните на карту сайта, буду рад если вы найдете на моем сайте еще что-нибудь полезное.
Поделиться ссылкой:
Архивы
Выберите месяц
Февраль 2020 (4)
Январь 2020 (2)
Декабрь 2019 (4)
Ноябрь 2019 (3)
Октябрь 2019 (2)
Сентябрь 2019 (1)
Август 2019 (3)
Июль 2019 (5)
Июнь 2019 (7)
Май 2019 (5)
Апрель 2019 (9)
Март 2019 (13)
Февраль 2019 (11)
Январь 2019 (13)
Декабрь 2018 (11)
Ноябрь 2018 (15)
Октябрь 2018 (11)
Сентябрь 2018 (5)
Август 2018 (8)
Июль 2018 (3)
Июнь 2018 (6)
Май 2018 (3)
Апрель 2018 (3)
Март 2018 (2)
Февраль 2018 (5)
Январь 2018 (3)
Декабрь 2017 (4)
Ноябрь 2017 (6)
Октябрь 2017 (6)
Сентябрь 2017 (5)
Август 2017 (8)
Июль 2017 (11)
Июнь 2017 (8)
Май 2017 (9)
Апрель 2017 (9)
Март 2017 (5)
Февраль 2017 (15)
Январь 2017 (11)
Декабрь 2016 (13)
Ноябрь 2016 (20)
Октябрь 2016 (13)
Сентябрь 2016 (9)
Август 2016 (13)
Июль 2016 (9)
Июнь 2016 (10)
Май 2016 (13)
Апрель 2016 (11)
Март 2016 (11)
Февраль 2016 (1)
Январь 2016 (6)
Декабрь 2015 (2)
Ноябрь 2015 (4)
Октябрь 2015 (22)
Сентябрь 2015 (9)
Источник: https://elektronchic.ru/elektronika/trigger-shmidta.html
Основы цифровой техники
материалы в категории
Триггер на логических элементах
Собсна гря про триггеры (в том числе и триггеры на транзисторах) уже вкратце было рассказано в отдельной статье, здесь-же немного по-подробнее и о том как сделать триггер из «подручных» базовых элементов.
Итак:
Триггер — это устройство, обладающее двумя состояниями устойчивого равновесия. Триггер еще можно назвать устройством с обратными связями. На рисунке изображена схема триггера на логических элементах ИЛИ-НЕ.
Такая схема называется асинхронным RS-триггером. Первый (сверху) выход называется прямым, второй — инверсным. Если на оба входа (R и S) подать лог. нули, то состояние выходов определить невозможно. Триггер установится как ему заблагорассудится, т. е. в произвольное состояние.
Допустим, на выходе Q присутствует лог. 1, тогда на выходе не Q (Q с инверсией) обязательно будет лог. 0. И наоборот. Чтобы установить триггер в нулевое состояние (когда на прямом выходе лог. 0, на инверсном — лог. 1) достаточно на вход R подать напряжение высокого уровня.
Если высокий уровень подать на вход S, то это переведет его в состояние 1, или как говорят, в единичное состояние (на прямом выходе лог. 1, на инверсном — лог. 0).
И в том, и в другом случаях напряжение соответствующего уровня может быть очень коротким импульсом — на грани физического быстродействия микросхемы.
То есть, триггер обладает двумя устойчивыми состояниями, причем эти состояния зависят от ранее воздействующих сигналов, что позволяет сделать следующий вывод —триггер является простейшим элементом памяти. Буквы R и S по-буржуйски set — установка, reset — сброс (предустановка). На рис. 2 RS-триггер показан в «микросхемном исполнении».
RS-триггер можно соорудить и на элементах И-НЕ, как показано на рисунке 3. Такая конструкция встречается тоже довольно часто:
Принцип работы такой же, как у триггера на элементах ИЛИ-НЕ, за исключением инверсии управляющих сигналов, т. е. установка и сброс триггера производится не лог. 1, а лог. 0.
Другими словами, входы такого триггера инверсные. В описанных триггерах изменение состояния происходит сразу после изменения состояния на входах R и S.
Поэтому такие триггеры называются асинхронными.
Если схему асинхронного триггера немного дополнить, то получим вот такое:
В таком триггере вводится дополнительный вход С, называемый тактовым или синхронизирующим. Изменение состояний триггера происходит при подаче сигналов лог.
1 на входы R и S и последующим воздействием на вход С тактового (синхронизирующего) импульса. Если на тактовый вход импульс не воздействует, то состояние триггера не изменится.
Другими словами, изменение состояния триггера происходит под действием синхроимпульса, поэтому такие триггеры называются синхронными.
D-триггер
D-триггер отличается от синхронного RS-триггера тем, что у него только один информационный вход D. D-триггер показан на рисунке:
Если на вход D подать логическую единицу, затем на вход С подать импульс, то на выходе Q (прямой выход) установится лог. 1. Если на вход D подать лог. 0, на С импульс, то на Q установится лог. 0. Т. е. D-триггер осуществляет задержку информации, поступающей на вход D. При чем эта информация хранится в D-триггере, пока не придет следующий бит (0 или 1) информации. По сути это ячейка памяти.
Если вход D замкнуть с инверсным выходом, то останется только один вход С. При подаче на вход С импульса триггер переключится, т. е. если на выходе был лог. 0, то станет лог. 1. При следующем импульсе триггер снова переключится, т. е. лог. 1 сменится лог. 0.
Таким образом, триггер осуществляет деление частоты входных импульсов на 2 (ведь уровень сигнала на выходе меняется в два раза реже). В таком режиме D-триггер называют счетнымили Т-триггером.
Этот режим (режим деления частоты) используется довольно широко.
Нетрудно заметить, что для RS-триггера (рис. 1) существует запрещенная комбинация, когда на оба входа поданы лог. 1, на его выходах также устанавливаются лог. 1 и триггер перестает выполнять свои функции (зависает).
Поэтому придумали так называемый JK-триггер. У него три входа — J, K, C. Вход J вместо R, вход К вместо S, С так и остается — синхронизацией. Если на вход J подана лог. 1, на К — лог.
0 или наоборот, то он работает как синхронный RS-триггер, если на оба входа J и К поданы лог. 1, то он работает как счетный Т-триггер.
Триггер Шмитта на логических элементах
Триггер Шмитта — это специфический вид триггера, имеющего один вход и один выход. Такой триггер Еще называют нессиметричным. В триггере Шмитта переход из одного устойчивого состояния в другое осуществляется при определенных уровнях входного напряжения, называемых пороговыми уровнями. Триггер Шмитта изображен ниже.
Если на вход триггера Шмидта подавать нарастающее напряжение (нижний график), то при некотором уровне Uп1 в момент t1 напряжение на выходе скачком переходит из состояния 0 в состояние 1. Если уменьшать напряжение на входе до некоторого напряжения Uп2 в момент t2 напряжение на выходе скачком переходит из состояния 1 в состояние 0.
Явление несовпадения уровней Uп1 и Uп2 называется гистерезисом. Соответственно, передаточная характеристика триггера Шмитта обладает гистерезисным характером. Триггер Шмитта, в отличие от других триггеров, не обладает памятью и используется для формирования прямоугольных импульсов из напряжения произвольной формы.
Примечание: основной материал взят с сайта naf-st.ru
Источник: http://radio-uchebnik.ru/txt/14-osnovy-tsifrovoj-tekhniki/82-triggery-na-logicheskikh-elementakh
Как ответить на вопрос: что это такое – триггер?
Каждый, кто интересуется электроникой, должен знать о таком устройстве, как триггер, что это такое и для чего он нужен. Со времен первых ЭВМ и по сей день, вся вычислительная техника базируется на этих несложных электронных приборах.
Благодаря использованию триггерных систем стало возможным реализовывать оперативные запоминающие устройства – быструю память для временного хранения данных, использующихся при вычислениях. Однако сфера их применения не ограничивается лишь этим.
Триггерные схемы широко используются в разработке самой разнообразной цифровой электроники, в первую очередь там, где необходимы устройства памяти: счетчики, преобразователи кода, последовательные порты, цифровые фильтры и так далее.
Изучению данной темы стоит уделить должное внимание, так как эти знания являются базовыми для работы с цифровой техникой.
Выпускники вузов, которым не знаком принцип работы триггера, не имеют шансов найти себе достойную работу по специальности.
Поэтому тем, кто интересуется электроникой всерьез, необходимо обязательно разобраться, что такое триггер, как он работает, какие бывают разновидности и где он применяется.
Общие сведения и базовые понятия
Итак, триггер – это относительно простой электронный элемент, главным свойством которого является устойчивое сохранение своего состояния в течение длительного времени. Всего существует два возможных состояния: логический 0 (ноль) либо 1 (единица).
Запись информации в триггер производится скачкообразным изменением его состояния под воздействием поступающих на входы специальных командных сигналов.
Как правило, у любого триггера есть два выхода – прямой (отображающий текущее состояние элемента) и инверсный (принимающий противоположное прямому выходу значение).
Переходы между состояниями триггера происходят практически моментально, поэтому переходными задержками по времени на практике пренебрегают.
Объем памяти одного триггерного элемента сравнительно невелик и, как правило, составляет 1 или несколько бит, что позволяет ему хранить отдельные небольшие кодовые комбинации, сигналы и так далее. Эти устройства являются базовыми элементами, из которых формируется оперативная память.
В основе работы триггера лежит система, базирующаяся на двух и более логических элементах: И-НЕ либо ИЛИ-НЕ, которые включены по схеме с положительной обратной связью.
Триггерная схема может сохранять данные в памяти ровно до тех пор, пока присутствует питание.
При отключении питающего напряжения состояние элемента сбрасывается. Если затем снова включить ток, значение на выходе триггера может принять случайную величину – либо 0, либо 1. По этой причине при разработке цифровой схемы необходимо предусматривать момент приведения триггерных элементов в начальное состояние.
Терморегуляторы с датчиком температуры воздуха
Триггер собранный на реле
Простейшими схемами являются RS триггеры. Буквы S и R означают английские слова set и reset – «установка» и «сброс» соответственно.
Этими буквами обозначаются два входа устройства, один из которых (S) при поступлении сигнала приводит к изменению состояния триггера, а второй (R) – сбрасывает элемент в стартовое состояние.
Анимация ниже иллюстрирует принцип работы триггерной схемы, собранной из нескольких электромагнитных реле.
Принцип работы тригерной схемы
В начальном состоянии система находится в положении 0 (логический ноль или «FALSE»), о чем свидетельствует негорящая лампочка на прямом выходе Q. Инверсный выход, обозначаемый с черточкой наверху, соответственно, показывает уровень логической единицы (1), поэтому лампа на нем горит.
При замыкании ключа S, что символизирует подачу на вход единичного сигнала, на реле подается положительное напряжение и происходит переход триггера в логическое состояние 1 или «TRUE», соответственно, лампочка на прямом выходе загорается, а на инверсном гаснет. Затем происходит сброс системы путем замыкания ключа R, триггер переходит в стартовое состояние. Однако до того момента, как будет нажата кнопка сброса, он продолжает сохранять то состояние, в которое его привело замыкание ключа S.
Принцип работы RS триггера
Система, представленная выше, при помощи электромагнитных реле иллюстрирует работу триггера на элементах ИЛИ-НЕ.
Однако в современных схемах электромеханические приборы давным-давно не используются, сейчас они собираются из электронных логических элементов на транзисторах, заключенных внутри интегральных микросхем.
К тому же для их реализации можно использовать различные базисы. Пример схемы RS триггера на элементах И-НЕ, охваченных положительной обратной связью.
Допустим, что на оба входа R и S подаются единицы.
Если верхний элемент И-НЕ выдаст на прямой выход Q логический 0, благодаря положительной обратной связи он поступит на свободный вход нижнего элемента, вследствие чего тот выдаст на инверсном выходе единицу (1).
В свою очередь, эта 1 по обратной связи поступает на вход верхнего элемента, тем самым подтверждая 0 на выходе Q. Если же на прямом выходе изначально находится 1, то инверсный, соответственно, выдаст 0, который подтвердит 1 на выходе Q.
Транзисторная схема RS триггера
При подаче на S-вход 0, согласно логической функции И-НЕ, на прямом выходе Q возникнет 1, а на инверсном – 0.
Если при этом на вход S снова подать 1, состояние триггера не изменится, так как по таблице истинности И-НЕ при подаче на входы элемента комбинации 0 и 1 либо 0 и 0, на выходе всегда будет 1. Таким образом, триггерная схема сохраняет полученное значение неизменным.
Сбросить значение Q обратно в 0 можно, только подав сигнал на сбрасывающий вход R. Практически работу RS триггера можно пронаблюдать, собрав такую схему на транзисторах.
Триггеры JK и D
Д триггер – неотъемлемая часть большинства микропроцессоров, так как входит в состав регистров сдвига и хранения. Они находятся в числе наиболее часто используемых схем.
Название D триггеры происходит от основной характерной особенности – образования задержки (D – Delay). У него имеется два входа: D (информационный) и C (управляющий).
Сигнал из D задает состояние схемы, но только если при этом на C есть разрешение на запись.
Если вход синхронизации C сообщает 0, это значит, что запоминание запрещено и выходной сигнал устройства никак не должен зависеть от информации, переданной на D.
Запись данных начинается только тогда, когда на C подается 1.
В этом случае состояние триггера полностью зависит от D, но если на управляющий вход снова подать 0, триггер запомнит последнее значение и перестанет реагировать на сигналы, пока синхронизация не разрешит запись.
JK триггер
JK триггер самый универсальный и сложный из всех. Принцип работы подобен RS, однако у него нет неопределенного состояния, которое вызывается одновременной подачей на входы двух единиц. Он имеет следующие входы:
- S – установочный;
- R – сбрасывающий;
- C – синхронизация;
- J и K.
Заключение по теме
Триггерные устройства являются ключевой составляющей современных электронно-вычислительных систем. Их принцип действия рассмотрен выше, а также разобраны примеры их реализации на реле и транзисторах.
Источник: https://onlineelektrik.ru/eoborudovanie/datchyk/kak-otvetit-na-vopros-chto-eto-takoe-trigger.html
RS-триггер
Цифровая электроника
Одним из важнейших элементов цифровой техники является триггер (англ. Trigger — защёлка, спусковой крючок).
Сам триггер не является базовым элементом, так как он собирается из более простых логических схем. Семейство триггеров весьма обширно. Это триггеры: T, D, C, JK, но основой всех является самый простой RS-триггер.
Без RS триггеров невозможно было бы создание никаких вычислительных устройств от игровой приставки до суперкомпьютера.
У триггера два входа S (set) — установка и R (reset) — сброс и два выхода Q-прямой и Q— инверсный. Инверсный выход имеет сверху чёрточку.
Триггер бистабильная система, которая может находиться в одном из двух устойчивых состояний сколь угодно долго. На рисунке показан RS-триггер выполненный на элементах 2ИЛИ – НЕ.
Точно так же триггер может быть выполнен и на элементах 2И – НЕ.
Единственная разница это то, что триггер на элементах И – НЕ активируется, то есть переводится в другое состояние потенциалом логического нуля. Триггер, собранный на элементах ИЛИ – НЕ активируется логической единицей. Это определяется таблицей истинности логических элементов.
При подаче положительного потенциала на вход S мы получим на выходе Q высокий потенциал, а на выходе Q низкий потенциал. Тем самым мы записали в триггер, как в ячейку памяти, единицу.
Пока на вход R не будет подан высокий потенциал, состояние триггера не изменится.
На принципиальных схемах триггер изображается следующим образом.
Два входа R и S, два выхода прямой и инверсный и буква Т означающая триггер.
Хорошо отображает принцип работы RS-триггера несложная схема, собранная на двух элементах 2И – НЕ. Для этого используется микросхема 155ЛА3, которая содержит четыре таких элемента.
Нумерация на схеме соответствует выводам микросхемы. Напряжение питания +5V подаётся на 14 вывод, а минус подаётся на 7 вывод микросхемы.
После включения питания триггер установится в одно из двух устойчивых состояний.
Исходя из того, что сопротивление переходов транзисторов логических элементов не может быть абсолютно одинаковым, то триггер после включения питания, как правило, принимает одно и то же состояние.
Допустим, после подачи питания у нас горит верхний по схеме светодиод HL1. Можно сколько угодно нажимать кнопку SB1 ситуация не изменится, но достаточно на долю секунды замкнуть контакты кнопки SB2 как триггер поменяет своё состояние на противоположное. Горевший светодиод HL1 погаснет и загорится другой — HL2. Тем самым мы перевели триггер в другое устойчивое состояние.
На данной схеме всё достаточно условно, а на реальном триггере принято считать, что если на прямом выходе «Q» высокий уровень то триггер установлен, если уровень низкий то триггер сброшен.
Основной недостаток рассматриваемого триггера это, то, что он асинхронный. Другие более сложные схемы триггеров синхронизируются тактовыми импульсами общими для всей схемы и вырабатываемые тактовым генератором. Кроме того сложная входная логика позволяет держать триггер в установленном состоянии до тех пор пока не будет сформирован сигнал разрешения смены состояния триггера.
RS-триггер может быть и синхронным, но двух логических элементов для этого мало.
На рисунке изображена схема синхронного RS-триггера. Такой триггер может быть собран на микросхеме К155ЛА3, которая содержит как раз четыре элемента 2И – НЕ. В данной схеме переключение триггера из одного состояния в другое может быть осуществлено только в момент прихода синхроимпульса на вход «C«.
На рассмотренной выше схеме переключение триггера осуществляется с помощью кнопок. Такой вариант используется достаточно часто и именно для кнопочного управления какой-либо аппаратурой.
В электронике существует понятие «дребезг контактов» то есть, когда мы нажимаем кнопку, на вход устройства проникает целый пакет импульсов, который может привести к серьёзным нарушениям в работе.
Использование RS-триггера позволяет избежать этого.
Благодаря своей простоте и недорогой стоимости RS-триггеры широко применяются в схемах индикации. Часто для повышения надёжности и устранения возможности случайного срабатывания RS-триггер собирается по так называемой двухступенчатой схеме. Вот схема.
Здесь можно видеть два совершенно одинаковых синхронных RS-триггера, только для второго триггера синхроимпульсы инвертируются. Первый триггер в связке называют M (master) — хозяин, а второй триггер называется S (slave) — раб.
Допустим на входе «С» высокий потенциал. М-триггер принимает информацию, но низкий потенциал на входе синхронизации S-триггера блокирует приём информации. После того как потенциал поменялся на противоположный информация из M-триггера записывается в S-триггер, но приём информации в M-триггер блокируется.
Такая двухступенчатая система намного надёжнее обычного RS-триггера. Она свободна от случайных срабатываний.
- Для более наглядного изучения работы RS-триггера рекомендую провести эксперименты с RS-триггером.
- Главная » Цифровая электроника » Текущая страница
- Также Вам будет интересно узнать:
Источник: https://go-radio.ru/rs-trigger.html
Триггер Шмитта на транзисторах
Триггер Шмитта на транзисторах, так же как и триггер Шмитта на ОУ, является системой двух устойчивых состояний, переход которого из одного состояния в другое связан с амплитудой запускающего импульса.
Подобные триггеры широко используются, в вычислительной технике и всевозможных промышленных приборах, где нужно менять форму сигнала, преобразовывать прямоугольные импульсы из синусоиды колебаний и регистрировать завышение сигнала определенного порога. Стандартная схема триггера Шмитта на двух биполярных транзисторах n-p-n приводится ниже.
Для правильного уяснения работы триггера Шмитта сперва допустим, что на входе транзистора VT1 нет сигнала. Сопротивления R1, R2 и R3, подключены к минусу и плюсу питания, и создают своеобразный делитель напряжения. По отношению к эмиттеру транзистора VT2, падение напряжения на сопротивлении R3 окажется положительным, по причине этого данный транзистор будет открыт.
От источника питания на коллектор транзистора VT2 через резистор R4 идет положительный потенциал. Когда транзистор открыт, ток эмиттера, протекающий через R4, создает на нем падение напряжения.
Сквозь вторичную обмотку трансформатора Тр1, имеющего малое сопротивление, потенциал на резисторе R5 оказывается между базой и эмиттером VT1 и формирует обратное смещение на переходе Б-Э. В связи с этим VT1 закрыт.
Данное устойчивое состояние схемы Шмитта является одним из двух вероятных состояний.
Вследствие падения напряжения на R4 по причине протекания через него тока, потенциал коллектора VT2 будет намного ниже напряжения питания. При поступлении на вход сигнала, он не окажет никакого воздействия на устойчивость триггера Шмитта, если его амплитуда будет меньше напряжения смещения между эмиттером и базой транзистора VT1, идущего с сопротивления R5.
В том случае если входной сигнал будет по амплитуде больше этого смещения, то произойдет открытие VT1. Из-за снижения потенциала на коллекторе VT1 снижается смещение на базе VT2, и в итоге его эмиттерный ток также снизится.
Из-за этого снизится падение напряжения на сопротивлении R5, а смещение на базе VT1 увеличится и инициирует последующий рост тока через VT1. Падение напряжения на R1 также значительно повысится, что в свою очередь уменьшит смещение на базе VT2 и снизит падения напряжения на R5. Этот алгоритм будет длиться до тех пор, пока VT1 до конца не откроется, а транзистор VT2, не закроется.
Как только ток коллектора VT2 достигнет нуля и на сопротивлении R4 начнет падать напряжение, потенциал же на его коллекторе станет увеличиваться, который пройдя через конденсатор С2 становится выходным сигналом.
Величина и форма сигнала на выходе триггера Шмитта находятся в прямой зависимости от постоянной времени (R4+Rн)C2 и сопротивления нагрузки Rн.
Устойчивое положение, которое отвечает закрытому транзистору VT2 и открытому VT1, является вторым состоянием триггера Шмитта, и оно длится, пока есть входной сигнал.
И как только входной сигнал пропадет, триггер Шмитта переходит в первоначальное состояние.
Если постоянная времени (R4+Rн)С2 существенно превышает продолжительность входного сигнала, то амплитуда сигнала на выходе триггера Шмитта практически оказывается стабильной, без изменений.
Источник: «200 избранных схем электроники», Мэндел М.
Источник: http://www.joyta.ru/4873-trigger-shmitta-na-tranzistorax/
Все своими руками Триггер Шмитта на транзисторе и оптроне
Опубликовал admin | Дата 4 февраля, 2014Триггер, это устройство, имеющее два устойчивых состояния и способное под действием управляющего сигнала скачком переходить из одного устойчивого состояния в другое. Передаточная характеристика триггера представляет собой практически прямоугольную петлю гистерезиса с пороговыми уровнями напряжения, при которых происходит переключение триггера из одного устойчивого состояния в другое.
В отсутствии гистерезиса при входных медленно изменяющихся напряжениях, будет наблюдаться многократное переключение триггера (дребезг), что крайне не желательно. Гистерезис увеличивает стабильность работы триггера при напряжениях близких к пороговому. Триггер Шмитта, как нельзя лучше подходит для формирования фронтов и спадов импульсов управления мощными транзисторами.
Чем круче фронты и спады импульсов, тем меньше коммутационные потери транзистора, тем меньше рабочая температура транзистора при одинаковой коммутируемой мощности. При использовании триггера Шмитта для управления полевыми транзисторами, коммутирующими нагрузку в сети переменного тока 220В, последний не плохо бы гальванически развязать от блока управления, что повысит электробезопастность устройства.
Для этого первый транзистор в схеме триггера Шмитта заменим транзистором из оптрона (см. рис 1), например АОТ128, имеющим время нарастания и спада импульса выходного тока 5 мксек. Ниже приведены данные по времени нескольких популярных импортных оптронов. Как видим, время нарастания и спада тоже многовато.
В своем эксперименте в качестве оптрона я использовал 4N35 фирмы MOTOROLA. В качестве транзистора VT1 был выбран КТ3102Б. При указанных на схеме номиналах элементов и при напряжении питания 12В, триггер имел следующие показатели. Напряжение логического нуля на выходе триггера, это когда ток через светодиод оптрона отсутствует, составляет 1,3В. Напряжение логической единицы — через светодиод оптрона течет ток — 11,9В. В моем случае триггер срабатывает при входном токе через светодиод 11мА. Но, конечно, этот ток надо выбирать больше. У меня он был выбран около 20 мА, притом, что максимальный ток светодиода данного оптрона составляет 60 мА.
Обсудить эту статью на — форуме «Радиоэлектроника, вопросы и ответы».
Просмотров:6 986
Триггер Шмитта | мтомд.инфо
Триггер Шмитта представляет собой бистабильную схему, переключение которой зависит от амплитуды запускающих импульсов. Типичная схема триггера Шмитта на двух транзисторах n-р-n типа изображена на рисунке.
Триггер Шмитта схема
Такие схемы успешно применяются в вычислительных устройствах и различных промышленных установках, где требуется изменять форму импульсов, формировать прямоугольные импульсы из синусоидальных колебаний и фиксировать превышение сигналом постоянного тока установленного уровня (порога).
Триггер Шмитта на транзисторах
Для лучшего понимания работы схемы вначале предположим, что на входе транзистора Т1сигнал отсутствует. Резисторы R1, R2 и R3, включенные между положительным зажимом источника питания и землей, образуют делитель напряжения, и падение напряжения на резисторе R3 будет положительным относительно эмиттера транзистора Т2, благодаря чему поддерживается открытое состояние этого транзистора. На коллектор транзистора Т2через резистор R4 подается положительное напряжение от источника питания. При открытом транзисторе на резисторе R5 в цепи эмиттера появляется падение напряжения, так как через него протекает ток эмиттера; полярность напряжения показана на рисунке. Через низкоомную вторичную обмотку входного трансформатора L2 напряжение на R5 прикладывается между эмиттером и базой транзистора T1 и создает обратное смещение на переходе база — эмиттер транзистора Т1. Поэтому Т1закрыт. Такое стабильное состояние схемы является одним из двух возможных состояний. Из-за протекания тока через резистор R4 и падения напряжения на нем коллекторное напряжение на выходном зажиме меньше напряжения источника. Конденсатор С2не пропускает на выход постоянного напряжения, и в рассматриваемом стабильном состоянии триггера выходное напряжение равно нулю.
При подаче на вход импульса напряжения он не будет оказывать влияния на схему, если амплитуда импульса меньше напряжения смещения между базой и эмиттером транзистора Т1, подаваемого с резистора R5. Если же амплитуда входного импульса превысит указанную величину, то транзистор Т1 откроется. Вследствие уменьшения напряжения на коллекторе транзистора Т1уменьшается прямое смещение на базе транзистора Т2, в результате чего его ток эмиттера уменьшится. Соответственно уменьшится падение напряжения на резисторе R5, а прямое смещение на базе первого транзистора возрастет и вызовет дальнейшее увеличение тока через транзистор Т1. Падение напряжения на резисторе Ri еще больше возрастет и приведет к еще большему уменьшению прямого смещения на базе Т2и уменьшению падения напряжения на резисторе R5. Этот регенеративный процесс будет продолжаться до тех пор, пока транзистор Т1полностью не откроется, а Т2не закроется. Когда ток коллектора транзистора Т2спадет от максимальной величины до нуля и соответственно падение напряжения на резисторе R4 станет уменьшаться, напряжение на коллекторе, которое является выходным, начнет возрастать. Изменение напряжения на коллекторе передается через конденсатор С2 и является выходным сигналом; форма и величина выходного сигнала зависят от величины сопротивления нагрузки R„ и постоянной времени (R4 + Rн)С2. Состояние, соответствующее отпертому транзистору Т1и запертому транзистору Т2, является вторым устойчивым состоянием схемы, и оно сохраняется в течение длительности входного импульса. Когда напряжение входного импульса спадет до нуля, схема вновь возвратится в исходное состояние: транзистор Т1закрыт, а транзистор Т2открыт. Если постоянная времени (R4 + Rн)С2 значительно превосходит длительность входного импульса, то амплитуда выходных импульсов остается практически постоянной независимо от изменений высоты входных импульсов (при условии, что они превосходят уровень запирания Т1).
На частотах повторения импульсов более 20 кГц эффективность схемы можно повысить путем применения конденсатора связи вместо входного трансформатора.
Триггер шмитта
RS-триггер
Для формирования сигналов управления триггерами используются часто логические элементы со свойствами триггера Шмитта. Рассмотрим принципиальную схему RS-триггера, которая содержит защелку (транзисторы VT1 и VT2), а также два раздельных статических входа управления (транзисторы VТЗ и VТ4). Эти входы управления называются R (reset — сброс) и S (set — установка). Иногда входы R и S называют по-другому: clear — очистка (сброс) и ргезеt — предварительная установка соответственно. Ко входам раздельного статического запуска триггера К и S присоединены управляющий переключатели S1 и S2. Поскольку от каждого из них на входы моЖНо подать напряжение низкого Н или высокого В уровней, то имеется четыре комбинации этих управляющих сигналов. Они перечислены в колонках R и S таблицы состояний RS-триггера. Если от S1 и S2 подать на оба входа R и S напряжение низкого уровня (Н, Н), то транзисторы VТЗ и VT4 открывающих токов не получат будут разомкнуты и поэтому не смогут повлиять на состояние транзисторов защелки VT1 и VT2. Напряжения на выходах триггера Q и Q останутся без изменения. Это значит, что в триггере осталась информация, записанная ранее.
Переведем движок переключателя S2 в положение В (высокое входное напряжение), оставив S1 в Н (низкое). Теперь транзистор VT4 будет насыщен, он замкнется и окажется низким. напряжением на коллекторе присоединенного в параллель ему транзистора VT2. На входе Q, будет также напряжение низкого уровня. Транзистор VT1 больше не получит от выхода Q открывающий базовый ток, поэтому он перейдет в состояние отсечки. По этой причине на выходе Q появляется напряжение высокого уровня (транзистор VT3 от переключателя Sl ток смещения не получает и нз этот процесс в триггере не влияет). Данное со. стояние транзисторов УТ1 и VT2 будет зафиксировано, защелкнуто.
Поменять напряжения на выходах Q и Q можно, если перевести движки переключателей S и S2 в положения В и Н соответственно (третья строка таблицы). Наконец, возможно четвертое состояние переключателей S1 и S2: оба их движка переводятся в состояние В. Такой входной сигнал RS-триггер зафиксировать не может. Действительно, в этом случае, когда S1 = S2 = В, на обоих выходах Q и Q должно появиться напряжение низкого уровня. Но если S1 и S2 строго одновременно отсоединить от входов, триггер переключится в неопределенное состояние. Иначе, после исчезновения входного состояния В, В защелка не переключается однозначно. Таким образом, два логических уровня В, В одновременно на входы R и S подавать нельзя.
На риснке показано функциональное обозначение RS-триггера, составленного из двух двухвходовых инверторов. Такой триггер можно строить на элементах И и на элементах ИЛИ. В таблице приведены логические состояния RS-триггеров, построенных на элементах И и ИЛИ. Строки состояний «без изменений» и «неопределенность» здесь меняются местами в зависимости от выбранного соответствия 1 и О напряжениям высокого и низкого уровня.
Таким образом, RS-триггер имеет два раздельных статических входа управления, чтобы можно было записывать и хранить 1 бит информации. Вместе с тем, известно, что триггерные ячейки — это основа многих динамических устройств, главные из которых: делители частоты, счетчики и регистры. В этих устройствах записанную ранее информацию по специальному сигналу, называемому тактовым, следует передать на выход и переписать в следующую ячейку. Для осуществления такого режима RS-триггер необходимо снабдить тактовым входом C(clock).
Вход
Выход
R
S
Q
Q
Н
Н
Без изменений
Н
В
В
Н
В
Н
Н
В
Н
Н
Неопределённо
Вход
Выход
R
S
Логика И
Логика ИЛИ
Q
Q
Q
Q
Неопределённо
Без изменений
1
1
1
1
1
1
1
1
Без изменений
Неопределённо
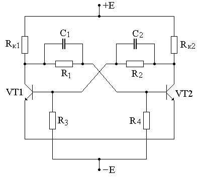
Схема триггера Шмитта на транзисторах и принцип её работы
Схема триггера Шмитта представлена на изображении ниже. Триггер Шмитта или несимметричный триггер имеет схожую структуру с симметричным триггером, отличие между ними заключается в том, что одна из коллекторно-базовой цепи симметричного триггера заменена на общую эмиттерную связь. В результате коллектор транзистора VT2 не связан с базовой цепью VT1 и нагрузка, подключённая к коллектору VT2, мало влияет на работу триггера.
Схема триггера Шмитта на биполярных транзисторах.
В общем случае несимметричный триггер или триггер Шмитта состоит из следующих элементов: транзисторы VT1 и VT2, имеющие гальваническую связь между собой и через резистор R5 присоединены к общей шине питания; резисторы R1 и R2, обеспечивающие режим работы транзистора VT1 и исходное состояние схемы в целом; резисторы R3 и R7, являющиеся коллекторными нагрузками транзисторов VT1 и VT2 соответственно; резисторы R4 и R6, которые образуют делитель напряжения, тем самым определяя необходимые пороги срабатывания триггера; конденсатор C1, служащий для ускорения переключения триггера.
Временные диаграммы входных и выходных напряжений триггера Шмитта (несимметричный триггер).
Рассмотрим принцип работы триггера Шмитта по его временным диаграммам изображенным выше. При подключении источника питания к триггеру, он переходит в исходное состояние, при котором транзистор VT1 закрыт, а транзистор VT2 открыт. В этом случае на выходе триггера присутствует некоторое напряжение Uэ, которое зависит от элементов обвязки транзистора VT2
В случае, когда входное напряжение превысит порог срабатывания, транзистор VT1 откроется, а VT2 соответственно закроется и напряжение на выходе триггера резко возрастёт до значения примерно равному напряжению источника питания.
Как я уже писал выше, триггер Шмитта имеет два уровня напряжения (пороги срабатывания), разность между которыми называется шириной петли гистерезиса. Ширина петли гистерезиса зависит от величины резистора, а порог срабатывания триггера от соотношения делителя напряжения, который образуется резисторами R4 и R6. Вследствие чего большой проблемой является отдельная регулировка, как ширины петли гистерезиса, так и порогов срабатывания триггера.
D-триггер
D-триггер отличается от синхронного RS-триггера тем, что у него только один информационный вход D. D-триггер показан на рисунке:
Если на вход D подать логическую единицу, затем на вход С подать импульс, то на выходе Q (прямой выход) установится лог. 1. Если на вход D подать лог. 0, на С импульс, то на Q установится лог. 0. Т. е. D-триггер осуществляет задержку информации, поступающей на вход D. При чем эта информация хранится в D-триггере, пока не придет следующий бит (0 или 1) информации. По сути это ячейка памяти.
Если вход D замкнуть с инверсным выходом, то останется только один вход С. При подаче на вход С импульса триггер переключится, т. е. если на выходе был лог. 0, то станет лог. 1. При следующем импульсе триггер снова переключится, т. е. лог. 1 сменится лог. 0. Таким образом, триггер осуществляет деление частоты входных импульсов на 2 (ведь уровень сигнала на выходе меняется в два раза реже). В таком режиме D-триггер называют счетнымили Т-триггером. Этот режим (режим деления частоты) используется довольно широко.
Нетрудно заметить, что для RS-триггера (рис. 1) существует запрещенная комбинация, когда на оба входа поданы лог. 1, на его выходах также устанавливаются лог. 1 и триггер перестает выполнять свои функции (зависает). Поэтому придумали так называемый JK-триггер. У него три входа — J, K, C. Вход J вместо R, вход К вместо S, С так и остается — синхронизацией. Если на вход J подана лог. 1, на К — лог. 0 или наоборот, то он работает как синхронный RS-триггер, если на оба входа J и К поданы лог. 1, то он работает как счетный Т-триггер.
Триггерные схемы
Триггерные схемы.
Триггер — логическое устройство, способное хранить 1 бит данных. К триггерным принято относить все устройства, имеющие два устойчивых состояния. В основе любого триггера находится кольцо из двух инверторов. Общепринято это кольцо изображать в виде так называемой защелки. Принципиальная схема простейшего триггера-защелки, выполненного на двух инверторах резисторно-транзисторной логики, дана на рисунке . Цепи входного управления у этой защелки нет.
После подачи на триггер напряжения питания состояния его транзисторов могут быть равновероятны: либо насыщен транзистор VT1, а VТ2 находится в состоянии отсечки, либо наоборот. Эти состояния устойчивы. Защелка не может работать как мультивибратор. Пусть по каким-то причинам при включении питания на коллекторе одного из транзисторов, например VTI, коллекторное напряжение снижается, тем самым уменьшается базовый ток IБ2 транзистора VТ2, следовательно, падает и сила его коллекторного тока IК2. Из-за этого на коллекторе VT2 напряжение Uи.п — IK2RK2 должно повыситься. Если это так, то должен еще быстрее возрастать базовый ток 1 транзистора VTI, ускоряя его переход к состоянию насыщения. Этот процесс идет быстро, лавинообразно. Он называется регенеративным. Процесс окончится, когда перестанет изменяться коллекторный ток транзистора VTI и он перейдет в состояние насыщения. Транзистор VT2 окажется в состоянии отсечки.
Дальнейшее изменение токов IK1 и IK2 станет невозможным. Поскольку защелка симметрична, выключая и включая питание Uи.п можно получить один из двух вариантов устойчивого состояния транзисторов в защелке. Если считать что напряжение низкого уровня соотвегсТвует логическому О, обнаруживаем, что запись данных в защелку способом включения и выключения питания даст равновероятный, а поэтому неопределенный результат: 1,0 или 0,1. Однозначную запись 1 бита информации в защелку можно осуществить, если снабдить ее цепями управления и запуска.
В настоящее время существует много разновидностей триггерных схем. Все они появились как результат разработки новых цепей запуска. Для записи данных, т.е. переключения состояния триггера, могут использоваться: статический запуск уровнями напряжения, запуск только одним, положительным или отрицательным перепадом импульса, а также запуск полным тактовым импульсом, когда используются его фронт и срез. Известны триггеры с подачей запускающего перепада через конденсатор, т.е. импульсный запуск только по переменной составляющей тактовой последовательности. На рисунках покказаны схемы взаимного преобразования триггеров.
Среди микросхем КМОП присутствуют все типы триггеров: RS, D и JK . Наиболее популярны D-триггеры, причем в микросхемах ТМ1 и ТМ2 их содержится по два, а в ТМЗ — четыре. Микросхема ТВ1 содержит два наиболее универсальных JK-триггера.
Триггер Шмитта на транзисторах
Триггерная система относится к тем электронным устройствам, которые способны в течение длительного времени поочередно пребывать в двух устойчивых состояниях. Эти состояния могут чередоваться в результате воздействия на них сигналов извне. Точно такими же свойствами обладает триггер Шмитта на транзисторах. Для распознавания того или иного состояния устройства, используется значение напряжения, образующееся на его выходе.
Сведения о триггерах
Все триггеры действуют, фактически, как импульсные устройства. Они состоят из активных элементов, в том числе ламп и транзисторов, функционирующих в ключевом режиме. Перемена каждого состояния продолжается в течение очень короткого времени.
Все данные устройства отличаются особым свойством, заключающимся в способности запоминать двоичную информацию. На этом принципе и основано функционирование этих приборов. Сама память триггера заключается в возможности сохранять каждое состояние, после того, как прекратит свое действие переключающий сигнал. Если одно состояние принять за единицу, а другое – за ноль, то по факту получается запоминание одного числового разряда, из которого состоит двоичный код.
Изготовление триггеров осуществляется с использованием, в основном, полупроводниковых приборов. Как правило, это различные виды полевых и биполярных транзисторов. Ранее, для этих приборов применялись электронные лампы и электромагнитные реле. В современной электронике триггеры используются в логических схемах различных видов вычислительной техники и являются основными компонентами процессоров, счетчиков и прочих аналогичных систем.
Особенности триггера Шмитта
Триггер Шмитта является компонентом электронных устройств. С его помощью постоянно изменяющийся сигнал на входе, преобразуется на выходе в серийные прямоугольные импульсы. В его состав входят два инвертора с положительно-обратной связью. Триггер Шмитта на транзисторах отличается от других систем единственным входом и выходом, а также отсутствием свойств памяти.
Таким образом, выходной электрический сигнал операционного усилителя поступает к прямому входу. Устанавливается определенный уровень, обеспечивающий переключение схемы. Электрический ток к операционному усилителю подводится от двухполярного блока питания на 5 В.
При образовании на выходе усилителя положительного потенциала напряжения, на прямом входе оно составляет один вольт. Когда оба потенциала одинаковы, наблюдается стабильное состояние всей схемы. Если же значение входного сигнала превысит значение 1 вольта, полярность напряжения на входе усилителя изменится на отрицательный потенциал. В результате, напряжение на его входе изменится, и будет составлять один вольт. Таким образом, когда изменяется входное напряжение, на выходе происходит переход из одного состояния в другое.
https://youtube.com/watch?v=7EH-PXINPNY
Схема триггера Шмитта на транзисторах
Для несимметричного триггера Шмитта характерно несколько устойчивых состояний, когда переход из одного в другое происходит лишь при пороговых уровнях. Поэтому для такого триггера Шмитта характерна гистерезисная передаточная характеристика. В нижеприведённой схеме использованы биполярные транзисторы.
На данном чертеже показано, что триггер Шмитта включает в себя транзисторы VT1 и VT2, гальванически связанные между собой посредством резистора R5. Все элементы имеют общую питающую шину. R1 и R2 обеспечивают рабочий режим транзистора VT1. Организован делитель напряжения (два резистора). Конденсатор C1 служит для ускоренного переключения. Временные диаграммы входных и выходных напряжений устройства показаны на рисунке.
При подаче питания к устройству, он переходит в исходное состояние, когда транзистор VT1 закрыт, а VT2 открыт. В таком состоянии на выход устройства поступает некоторое напряжение Uэ, зависящее от элементов обвязки VT2. Имеются два порога срабатывания в триггере Шмитта (эта разность между напряжениями называется шириной петли гистерезиса).
Схемы запуска триггера
Как говорилось выше для переключения триггера из одного устойчивого состояния в другое необходимо подать на его входы управляющий (запускающий) импульс. В зависимости от того как подавать управляющий импульс существует несколько видов схем запуска триггера:
- 1.В зависимости от способа управления:
- — раздельный способ;
- — счётный (общий) способ.
- 2.В зависимости от места поступления импульса запуска:
- — базовый;
- — коллекторный.
Для запуска триггеров используют короткие импульсы, которые формируются дифференциальными RC- или RL- цепочками. Так как при прохождении импульса через дифференциальную цепочку формируется два разно полярных импульса, то для предотвращения двойного срабатывания триггера между дифференциальной цепочкой и точкой входа запускающего импульса ставят диод, который отсекает второй импульс. В общем случае схема запуска имеет следующий вид:
Схема запуска триггера.
Рассмотрим схему раздельного запуска триггера с подачей управляющих импульсов в базовые цепи транзисторов.
Симметричный триггер с независимым смещением и раздельным запуском.
В данной схеме импульс, поданный на один из входов триггера, переключает его из одного устойчивого состояния в другое. Если импульс подать на другой вход, то состояние триггера изменится на противоположное. Схема запуска состоит из резисторов Rз1 и Rз2, конденсаторов Сз1 и Сз2, диодов VD1 и VD2. Остальные элементы являются цепями питания и смещения транзисторов VT1 и VT2.
Симметричный триггер с раздельным запуском называется RS-триггером, он имеет два входа и два выхода. Входы, на которые подают управляющие импульсы, называются установочными и обозначают R и S, выходы триггера обозначают Q и –Q.
Рассмотрим схему со счётным (общим) запуском триггера и подачей управляющих импульсов в базовые цепи транзисторов.
Симметричный триггер с независимым смещением и счётным запуском.
В данном случае импульсы подаются на общий вход триггера, и каждый импульс приводит к изменению устойчивого состояния триггера. При рассмотрении работы данного типа триггера может возникнуть ощущение, что произойдёт двойное срабатывание, однако за счёт того что у открытого транзистора потенциал базы выше, чем у открытого, то один из диодов сработает раньше другого, а у открытого транзистора диод будет заперт высоким напряжением базы.
Симметричный триггер с общим запуском называется T-триггером и частота переключения данного типа триггера вдвое меньше, чем частота поступающих импульсов запуска.
На процесс перехода триггера из одного состояния в другое существенное значение оказывает время длительности управляющего импульса, например, если импульс имеет недостаточную длительность, то один из транзисторов триггера может не открыться и триггер не сработает.
Варианты реализации триггера
Прецизионный триггер Шмитта
Триггер Шмитта представляет собой , управляемый одним входным аналоговым сигналом, с двумя разными напряжениями переключения в два различных состояния. Прецизионным его называют потому, что пороги переключения задаются независимо и точность этих порогов зависит только от точности порогов переключения входных одновходовых компараторов. Обычно состояния выходного сигнала триггера обозначаются символами «0» и «1», причём, напряжение переключения в «1» выше напряжения переключения в «0». При входном напряжении находящемся между напряжениями переключения триггер Шмитта находится в состоянии хранения ранее записанной в него информации и его выходной сигнал определяется предысторией изменения входного сигнала.
Триггеры Шмитта с RS-триггером не имеют обратной связи с выхода на аналоговый вход. Они состоят из двухпорогового компаратора, в котором сравниваются два раздельно устанавливаемых напряжения порогов переключения с входным сигналом. Переключение триггера в состояние «0» и в состояние «1» происходит от выходных сигналов однопороговых компараторов, которые подаются на асинхронные входы установки и сброса S и R RS-триггера.
Триггер Шмитта с обратной связью
Триггер Шмитта на компараторе с положительной обратной связью.A{\displaystyle A} — однопороговый компаратор с ограниченными на уровне U+, U−{\displaystyle U_{+},\ U_{-}} выходными напряжениями в двух разных состояниях;B{\displaystyle B} — делитель напряжения в петле положительной обратной связи.
В вариантах триггера с обратной связью, обратная связь используется и для переключения напряжения порога сравнения в обычном компараторе, который имеет порог переключения равным нулю, превращая его одновременно в двухпороговый компаратор с разными порогами и в RS-триггер на одном и том же однопороговом компараторе. При высоком напряжении U+{\displaystyle U_{+}} (состояние логической «1») на выходе компаратора, обратная связь снижает напряжение порога переключения по входу Input, так как суммируется входным сумматором с входным сигналом, для того, чтобы напряжение на входе компаратора, равное выходному напряжению сумматора, стало равным нулю, входное напряжение должно стать отрицательным и равным по модулю выходному напряжению компаратора, находящегося в состоянии логической «1». Соответственно, при низком напряжении на выходе компаратора U−{\displaystyle U_{-}} (состояние логического «0») на выходе компаратора обратная связь увеличивает напряжение порога переключения.
В такой структуре затруднены раздельная и независимая установка порогов срабатывания. Кроме того, при входном напряжении, значение которого лежит между порогами переключения, то есть в зоне неоднозначности, принудительная установка триггера в заданное состояние требует применения дополнительных компонентов.
Принцип работы компаратора
Самым простым прибором считается компаратор, который сопоставляет напряжение, поступающее на один из входов, с базовым показателем, присутствующим на ином входе. Примитивный компаратор напряжения на операционном усилителе (ОУ) — без обратной связи.
Принцип работы
КН выполнен в виде электронной схемы с 2-мя входящими напряжениями и может устанавливать большее значение. Просто выполнить модели КН из ОУ, так как полярность выходящей электроцепи операционного усилителя исходит от полярности разности показателей напряжения на 2-х входах.
Представим, что существует фотоэлемент, который производит 0.5 В под воздействием солнечного света, и необходимо применять данный фотоэлемент в роли измерителя для установления периода дневного освещения. В таких случаях лучший вариант — применять КН, чтобы сопоставить напряжение от фотоэлемента с контролируемым показателем 0.5 В.
В цепи КН, первоначальное опорное напряжение поступает на инвертирующем вводе (U -), после напряжение, которое будут сравнивать с опорным, поступает на неинвертирующий ввод. Выходное значение исключительно зависит от входного размера по отношению к опорному напряжению.
Схема компаратора
Схема компаратора:
- Менее эталонного — отрицательный;
- равноправный опорному — «0»;
- более эталонного значения — положительный.
ОУ компаратора сравнивает один уровень аналогового напряжения с другим уровнем аналогового напряжения или каким-либо опорным напряжением, и выдает выходной сигнал на основе этого сравнения напряжения. Другими словами, компаратор напряжения ОУ сопоставляет данные 2-х входов и определяет наибольший, простота и эффективность этой схемы проверена на практике и реализована в многих бытовых приборах.
Положительная обратная связь
Компараторы напряжения либо используют положительную обратную связь, либо вообще не используют ее в режиме разомкнутого контура. Затем выходной сигнал КН подается полностью на его положительную шину питания + Ucc или на отрицательную шину питания —Ucc, при приложении переменного входного сигнала, который проходит некоторое предварительно установленное пороговое значение.
КН (-) обратной связью
Синхронный RS-триггер
Схема асинхронного RS-триггера проста, но за это приходится заплатить целым рядом недостатков: наличие запрещенного состояния, установка 0 и 1 по отдельным линиям отсутствие синхронизации, низкая помехоустойчивость. Эти недостатки частично устраняются в синхронном RS-триггере, который представляет собой асинхронный RS-триггер к которому добавлена схема синхронизации.
В целом работа данного триггера аналогична, с той поправкой, что при наличии на входе синхронизации низкого логического уровня триггер хранит предыдущее состояние, не реагируя на сигналы по входным линиям, т.е. в этот момент он как минимум гораздо более помехоустойчив.
Оцените статью:Триггеры Шмитта на биполярных транзисторах — Студопедия
Несимметричные триггеры
Несимметричные триггеры – это регенеративные устройства, у которых выходное напряжение может принимать два значения: высокого и низкого уровня. В отличие от симметричного, несимметричный триггер не обладает свойством запоминания предыдущего состояния. То или иное состояние несимметричного триггера поддерживается присутствующим входным сигналом и зависит от его значения. Переход от низкого уровня выходного напряжения к высокому происходит при определенном значении входного сигнала, превышающего порог срабатывания Uсрб, а переход от высокого уровня к низкому происходит при другом входном напряжении, которое ниже порога отпускания Uотп. По модулю Uотп меньше Uсрб.
Несимметричный триггер строится на основе усилителя постоянного тока, охваченного положительной О.С.
| Uвых Uвых.max Uвх.дф 0 Uвых.min |
Передаточная характеристика УПТ, охваченного положительной О.С., имеет очень высокую крутизну на активном участке. Если петлевое усиление cK>1, то состояние УПТ в пределах линейного участка становится неустойчивым, возникает регенера-тивный процесс и схема переключается в одно из устойчивых состояний:
Uвых.= Uвых.max либо Uвых.= Uвых.min.
1. Схема триггера на ненасыщенных транзисторах
| +UП1 Rк Rк Выход R1 Вход VT1 VT2 R2 I0 –UП2 |
В основе схемы триггера Шмитта – переключатель тока (дифференциальный каскад), охваченный положительной О.С. Потенциал базы VT2 создается делителем R1,R2, подключенным к коллектору VT1. Для упрощения полагаем, что делитель R1,R2 не потребляет тока и не влияет на потенциал коллектора VT1. Тогда
Если Uвх мало и VT1 закрыт, а VT2 открыт (через него течет весь ток I0), то
При этом, если у открытого VT2 потенциал коллектора выше потенциала базы, т.е.
,
то он находится в активной области, в противном случае – в насыщении.
Такое состояние триггера сохраняется, пока . Таким образом, напряжение срабатывания . Когда Uвх превысит Uсрб, оба транзистора окажутся в активной области и, благодаря положительной О.С., начнется регенеративный процесс переключения, который закончится запиранием VT2. При этом весь ток I0 переключится в VT1. После срабатывания триггера потенциал коллектора VT1 опустится до уровня , а потенциал базы VT2 соответственно до . Транзистор VT1 будет в активной области при .
Чтобы триггер переключить в первоначальное состояние, нужно понизить Uвх до уровня порога отпускания . Как только Uвх станет меньше Uотп, транзистор VT1 начнет запираться, а VT2 – открываться, и произойдет регенеративный процесс обратного переключения. Как видно, напряжение отпускания меньше напряжения срабатывания. Это соотношение принципиально для триггера Шмитта.
Выходной сигнал снимается с коллектора VT2, свободного от внутренних связей, и по этой причине, а так же вследствие активного режима транзисторов, длительность переходных процессов и фронтов выходного напряжения оказывается предельно короткой.
Передаточная характеристика
Наличие двух пороговых напряжений приводит к появлению на характеристике “петли гистерезиса”.
Ширина петли
.
Чем меньше коэффициент О.С. g, тем уже петля и ближе пороги переключения. Однако значение g не может быть меньше критического, при котором обеспечивается условие регенерации.
2. Схема триггера Шмитта на насыщенных транзисторах
Исходное состояние:
VT1 закрыт, VT2 насыщен.
Условие запирания VT1:
Условие насыщения VT2:
Iб.2 ³ Iб.2гр .
Отсюда
После переключения VT1 насыщен, VT2 закрыт. При этом должно быть меньше Uэ.0, т.е. Rк.1 > Rк.2. Условие запирания VT2 выполняется всегда:
Условие насыщения VT1: Iб.1 ³ Iб.1гр обеспечивается при
Совместное решение приведенных выражений дает значения сопротивлений R1, R2, R3 и R4.
Триггер Шмитта называют устройство, которое используется для преобразования медленно изменяющегося напряжения в сигнал прямоугольного положения. Принцип работы этой конструкции таков, что когда переменный резистор R1 находится в закрытом положении, как мы видим на схеме, то в это время положение транзистора VT1 открытое. В это время напряжение на его коллекторе высокое, и из-за этого транзистор VT2 получается открытый, а светодиод в HL1 в свою очередь зажжен. Резистор R3 терпит падение напряжения. Если резистор R1 будет находиться в открытом положении по схеме, то картина будет совсем другая. Тогда произойдет небольшой «скачек», который переменит положение транзисторов, получится открывание транзистора VT1 и закрывание транзистора VT2. Это произойдет из-за того, что напряжение теперь будет превышаться на базе транзистора VT1 и падения напряжения резистора R3. В результате всего этого светодиод HL1 потухнет. Если опять переместить переменный резистор в закрытое положение, то произойдет все заново и светодиод снова зажжется. Это может произойти, если напряжения переменного резистора будет меньше чем напряжения выключения светодиода HL1 | |
Как сделать своими руками Триггер Шмитта на транзисторах по схемеНам понадобится всего шесть деталей для изготовления прибора Триггер Шмитта, включая светодиод HL1. Думаю с их поиском сложностей возникнуть не должно так как они очень распространены. 1. Переменный резистор на 10 кОм 2. Резистор 10 кОм 3. Резистор 1 кОм 4. Транзистор КТ315 5. Транзистор КТ315 6. Светодиод АЛ307 Переменный резистор скорее всего легко найти в каких-либо радио приемниках или приставках, также в советских телевизорах. Резисторы особенно советую поискать в на советских платах телевизоров, их там полно, ну или можно заказать. Транзисторы должны быть в советских приемниках Ну и светодиод я думаю можно достать с какой-нибудь мигалкой, а лучше приобрести в радио магазине, так как на платах они довольно редко встречаются. | |
Так как в этом устройстве используется всего шесть деталей, я не стал использовать плату, а просто скрепил все детали проводниками. В своей пайке я обозначил все детали и выход на напряжение. Переменный резистор, два транзистора, резистора и светодиод. Их нужно соединить по схеме, но если вам легче можете обратить внимание на пример моей пайки. Напряжение у конструкции всего 6 вольт, поэтому я использую очень тонкие проводники, чтобы они хорошо припаивались к тонким лапкам деталей, что и вам советую. В качестве блока питания, можно использовать блок питания, аккумулятор, или же соединенные последовательно, четыре гальванические элемента по 1,5 вольт (пальчиковые батарейки). | |
Как вы поняли, переменный резистор это специальная деталь, а не обычный резистор. Переменный резистор или реостат — электрический аппарат, изобретённый Иоганном Кристианом Поггендорфом, служащий для регулировки и получения требуемой величины сопротивления. Как правило, состоит из проводящего элемента с устройством регулирования электрического сопротивления. Изменение сопротивления может осуществляться как плавно, так и ступенчато. Именно такую деталь вам нужно отыскать, или заказать на 10 кОм. | |
Если вы все же решили делать Триггер Шмитта на транзисторах своими руками в коробке из под сигарет, советую все закрепить, так как я, мне кажется такое расположение деталей наиболее выгодное. Спасибо за чтение, будут вопросы пишите в комментариях. | |
Смотрите еще, как делать электронику своими руками |
Основы триггера Шмитта | Как работает триггер Шмитта?
В этом руководстве мы узнаем о триггере Шмитта, некоторых основных реализациях с использованием транзисторов, операционного усилителя, о том, как работает триггер Шмитта, а также о нескольких важных приложениях. В предыдущем руководстве мы видели, как таймер 555 можно настроить как триггер Шмитта.
Введение
При работе операционного усилителя в режиме разомкнутого контура, где обратная связь не используется, например, в базовой схеме компаратора, очень большое усиление разомкнутого контура операционного усилителя вызовет наименьший шум. во входном напряжении для запуска компаратора.
Если компаратор используется в качестве детектора перехода через ноль, то такое ложное срабатывание может вызвать множество проблем. Это может дать неправильную индикацию перехода через нуль из-за пересечения нуля шума, а не из-за пересечения нуля фактических входных сигналов.
Чтобы избежать такого ненужного переключения между высоким и низким состояниями выхода, используется специальная схема, называемая триггером Шмитта, которая включает положительную обратную связь.
Что такое триггер Шмитта?
Триггер Шмитта был изобретен Отто Шмиттом в начале 1930-х годов.Это электронная схема, которая добавляет гистерезис к порогу перехода вход-выход с помощью положительной обратной связи. Гистерезис здесь означает, что он обеспечивает два разных уровня порогового напряжения для нарастающего и спадающего фронта.
По сути, триггер Шмитта — это бистабильный мультивибратор, и его выход остается в любом из стабильных состояний неопределенно долго. Для перехода выхода из одного стабильного состояния в другое входной сигнал должен измениться (или сработать) соответствующим образом.
Для этой бистабильной работы триггера Шмитта требуется усилитель с положительной обратной связью (или регенеративной обратной связью) с коэффициентом усиления контура больше единицы.Следовательно, триггер Шмитта также известен как регенеративный компаратор.
Например, если у нас есть зашумленный входной сигнал, как показано выше, два порога схемы триггера Шмитта будут правильно определять импульсы. Следовательно, основная функция триггера Шмитта — преобразовывать зашумленные квадратные, синусоидальные, треугольные или любые периодические сигналы в чистые прямоугольные импульсы с острыми передними и задними фронтами.
Триггер Шмитта с использованием транзисторов
Как упоминалось ранее, триггер Шмитта в основном представляет собой бистабильную схему, выходные состояния которой управляются входным сигналом.Следовательно, его можно использовать в качестве схемы определения уровня. Следующая схема показывает простую конструкцию триггера Шмитта на основе транзистора.
Хотя эта схема выглядит как типичная схема бистабильного мультивибратора, на самом деле она отличается, поскольку в этой схеме отсутствует связь между коллектором Q 2 и входом Q 1 . Излучатели Q 1 и Q 2 соединены между собой и заземлены через R E . Кроме того, R E действует как путь обратной связи.
Работа схемы
Когда V IN равен нулю, Q 1 отключен, а Q 2 находится в состоянии насыщения. В результате выходное напряжение V O НИЗКОЕ. Если V CE (SAT) предполагается равным 0, то напряжение на R E определяется по формуле:
(V CC * R E ) / (R E + R C2 )
Это напряжение также является напряжением эмиттера Q 1 . Итак, чтобы Q 1 проводил, входное напряжение V IN должно быть больше суммы напряжения эмиттера и 0.7 В, т.е.
В IN = [(V CC * R E ) / (R E + R C2 )] + 0,7
Когда V IN больше этого напряжение, Q 1 начинает проводить, а Q 2 отключается из-за рекуперативного действия. В результате выход V O становится ВЫСОКИМ. Теперь напряжение на R E изменится на новое значение и равно:
(V CC * R E ) / (R E + R C1 )
Транзистор Q 1 будет проводить, пока входное напряжение V IN больше или равно следующему:
V IN = [(V CC * R E ) / (R E + R C1 )] + 0.7
Если V IN падает ниже этого значения, тогда Q 1 выходит из состояния насыщения, а остальная часть схемы работает из-за регенеративного действия Q 1 , переходящего к отсечке, и Q 2 к насыщению.
Выходные состояния HIGH и LOW зависят от уровней входного напряжения, задаваемых уравнениями:
[(V CC * R E ) / (R E + R C1 )] + 0,7
[(V CC * R E ) / (R E + R C2 )] + 0.7
Передаточные характеристики триггера Шмитта имеют гистерезис и регулируются нижней точкой срабатывания (нижнее пороговое напряжение) и верхней точкой срабатывания (верхнее пороговое напряжение), заданными V LT и V UT .
V LT = [(V CC * R E ) / (R E + R C1 )] + 0,7
V UT = [(V CC * R E ) / (R E + R C2 )] + 0,7
Изменяя значения R C1 и R C2 , можно контролировать величину гистерезиса, а значение R E можно использовать для увеличения верхнего порогового напряжения.
Триггерные схемы Шмитта на базе операционных усилителей
Поскольку триггерная схема Шмитта по сути представляет собой усилитель с положительной обратной связью, эту схему можно реализовать с использованием операционных усилителей или просто операционных усилителей. В зависимости от того, где используется вход, схемы на основе операционных усилителей можно разделить на инвертирующие и неинвертирующие триггеры Шмитта.
Инвертирующая схема триггера Шмитта
Как следует из названия, в инвертирующем триггере Шмитта вход подается на инвертирующую клемму операционного усилителя.В этом режиме выходной сигнал имеет противоположную полярность. Этот выход подается на неинвертирующий терминал для обеспечения положительной обратной связи.
Когда V IN немного больше, чем V REF , выход становится -V SAT , а если V IN немного меньше, чем -V REF (более отрицательное, чем -V REF ), то на выходе будет V SAT . Следовательно, выходное напряжение V O равно либо V SAT , либо -V SAT , и входное напряжение, при котором происходят эти изменения состояния, можно контролировать с помощью R 1 и R 2 .
Значения V REF и -V REF можно сформулировать следующим образом:
V REF = (V O * R 2 ) / (R 1 + R 2 )
Но V O = V SAT . Следовательно,
V REF = (V SAT * R 2 ) / (R 1 + R 2 )
-V REF = (V O * R 2 ) ) / (R 1 + R 2 )
Но V O = -V SAT .Следовательно,
-V REF = (-V SAT * R 2 ) / (R 1 + R 2 )
Опорные напряжения V REF и -V REF равны называется верхним пороговым напряжением V UT и нижним пороговым напряжением V LT . На следующем изображении показан график зависимости выходного напряжения от входного напряжения. Он также известен как передаточная характеристика триггера Шмитта.
Для чисто синусоидального входного сигнала выход схемы инвертирования триггера Шмитта показан на следующем рисунке.
Цепь неинвертирующего триггера Шмитта
Что касается неинвертирующего триггера Шмитта, то в этом случае вход подается на неинвертирующую входную клемму операционного усилителя. Выходное напряжение возвращается на неинвертирующий вывод через резистор R 1 .
Предположим, что изначально выходное напряжение находится на уровне V SAT . Пока V IN не станет меньше V LT , выход остается на этом уровне насыщения.Как только входное напряжение пересекает нижний пороговый уровень напряжения, выход меняет состояние на -V SAT .
Выход остается в этом состоянии до тех пор, пока входное напряжение не превысит верхнее пороговое значение.
На следующем изображении показаны передаточные характеристики цепи неинвертирующего триггера Шмитта.
Если на вход подается чистый синусоидальный сигнал, то выходной сигнал выглядит примерно так.
Приложения
- Одним из важных приложений триггера Шмитта является преобразование синусоидальных волн в прямоугольные.
- Их можно использовать для устранения дребезга в компараторах (явление, при котором множественные выходные переходы производятся из-за качания входного сигнала через пороговую область).
- Они также могут действовать как простые контроллеры ВКЛ / ВЫКЛ (например, переключатели на основе температуры).
Заключение
Простое руководство по триггеру Шмитта. Вы узнали, что такое триггер Шмитта, его базовая схема с использованием транзисторов, триггеры Шмитта на базе операционных усилителей (как инвертирующие, так и неинвертирующие), а также несколько важных применений триггеров Шмитта.
Расчет порогового напряжения триггера Шмитта BJT
Прошу прощения за задержку. Я был занят. Надеюсь, вы не будете возражать, если я уделю немного времени тому, чтобы расширить свой предыдущий комментарий о подходе к вычислению переходного напряжения \ $ \ uparrow \ $. Вы можете решить, будет ли это полезно.
Предварительный просмотр
Выключение \ $ Q_2 \ $ начинается, когда он выходит из состояния насыщения, и заканчивается прямо в точке, когда нет тока коллектора или базы для \ $ Q_2 \ $. В этот момент, при отсутствии базового тока \ $ Q_2 \ $, также нет падения напряжения на \ $ R _ {\ text {B} _2} \ $ и, следовательно, \ $ Q_1 \ $ ‘s \ $ V _ {\ text { CE} _1} \ $ имеет ровно одно падение на диоде — как и следовало ожидать непосредственно перед тем, как \ $ Q_1 \ $ начнет переходить в насыщение.
По сути, это означает, что ток коллектора в активном режиме едва ли в \ $ Q_1 \ $ должен быть просто \ $ I _ {\ text {C} _1} = \ frac {V_ \ text {CC} -V _ {\ text { BE} _2}} {R_ \ text {E} + R _ {\ text {C} _1}} \ $. Зная \ $ \ beta_1 \ $, который позволяет рассчитать падение напряжения на \ $ R _ {\ text {B} _1} \ $, единственной остающейся проблемой является определение падения напряжения на \ $ R_ \ text { E} \ $.
Итак, мы ожидаем увидеть подтверждение об ожидаемом значении для \ $ I _ {\ text {C} _1} \ $ и достаточно дополнительной информации, чтобы найти падение напряжения на \ $ R_ \ text {E} \ $.
Токи
Есть три важных тока (без учета базового тока \ $ Q_1 \ $): \ $ I _ {\ text {C} _1} \ $, \ $ I _ {\ text {C} _2} \ $ и \ $ I _ {\ text {B} _2} \ $. Их сумма пройдет через \ $ R_ \ text {E} \ $. \ $ I _ {\ text {C} _1} \ $ просто отклоняет ток вокруг \ $ Q_2 \ $, но на самом деле не меняет ток в \ $ R_ \ text {E} \ $, поэтому это быстро приводит к выводу, что пока в этом состоянии и непосредственно перед переходом напряжение на \ $ R_ \ text {E} \ $ будет постоянным.
В этом контексте \ $ I _ {\ text {C} _2} \ $ и \ $ I _ {\ text {B} _2} \ $ являются функцией \ $ I _ {\ text {C} _1} \ $.
Два уравнения КВЛ
Есть только два уравнения КВЛ, которые нужно решить одновременно для \ $ I _ {\ text {C} _2} \ left (I _ {\ text {C} _1}, \ beta_2, V _ {\ text {CE} _2} \ right) \ $ и \ $ I _ {\ text {B} _2} \ left (I _ {\ text {C} _1}, \ beta_2, V _ {\ text {CE} _2} \ right) \ $:
$$ \ begin {align *} V_ \ text {CC} -I _ {\ text {C} _2} \: R _ {\ text {C} _2} -V _ {\ text {CE} _2} — \ left (I _ {\ text {C} _1} + I _ {\ text {C} _2} + I _ {\ text {B} _2} \ right) \: R_ \ text {E} & = 0 \: \ text {V} \\\\ V_ \ text {CC} — \ left (I _ {\ text {C} _1} + I _ {\ text {B} _2} \ right) \: R _ {\ text {C} _1} -I _ {\ text {B } _2} \: R _ {\ text {B} _2} -V _ {\ text {BE} _2} — \ left (I _ {\ text {C} _1} + I _ {\ text {C} _2} + I_ { \ text {B} _2} \ right) \: R_ \ text {E} & = 0 \: \ text {V} \ end {align *} $$
Их можно решить в два параметрических уравнения на основе \ $ I _ {\ text {C} _1} \ $.
Переход
\ $ \ beta_2 \ $ для начала является насыщенным и низким, но постепенно повышается до значения активного режима. В этот момент система переключает состояние до тех пор, пока ток коллектора \ $ Q_2 \ $ не станет равным нулю (что подразумевает переход к \ $ \ beta_2 = \ frac {I _ {\ text {C} _2} = 0 \: \ text { A}} {I _ {\ text {B} _2}} = 0 \ $.) Вот почему я написал свой предыдущий комментарий.
Другими словами, система проходит через переходный период, когда падение напряжения на \ $ R _ {\ text {C} _2} \ $ стремится к нулю, а \ $ V _ {\ text {CE} _2} \ $ занимает все напряжение, которое остается после вычитания напряжения эмиттера.
Алгоритм
- Сначала решите одновременные уравнения КВЛ для \ $ I _ {\ text {C} _2} \ left (I _ {\ text {C} _1}, \ beta_2, V _ {\ text {CE} _2} \ right) \ $ и \ $ I _ {\ text {B} _2} \ left (I _ {\ text {C} _1}, \ beta_2, V _ {\ text {CE} _2} \ right) \ $.
- Найдите \ $ I _ {\ text {C} _1} \ left (V _ {\ text {CE} _2} \ right) \ $ where \ $ \ frac {I _ {\ text {C} _2} \ left (I_ { \ text {C} _1}, \ beta_2, V _ {\ text {CE} _2} \ right)} {I _ {\ text {B} _2} \ left (I _ {\ text {C} _1}, \ beta_2, V _ {\ text {CE} _2} \ right)} = \ beta_2 \ $.
- Заменить \ $ I _ {\ text {C} _1} \ $ in и решить \ $ I _ {\ text {C} _2} \ left (I _ {\ text {C} _1}, \ beta_2 \ right) = 0 \ $, чтобы найти \ $ V _ {\ text {CE} _2} \ $.
- Решить \ $ I _ {\ text {C} _1} \ $.
Дело здесь в том, чтобы найти переход, при котором \ $ V _ {\ text {CE} _2} \ $ переходит из насыщенного в полностью открытое состояние. Это выполняется между шагами 2 и 3 выше, когда обнаруживается \ $ V _ {\ text {CE} _2} \ $, необходимый в конце перехода. (Шаг 2 находит \ $ I _ {\ text {C} _1} \ $, необходимый в начале перехода.)
\ $ \ uparrow \ $ Пороговое напряжение
Выполнение всех вышеперечисленных результатов в очень простом уравнении для переходного тока коллектора \ $ Q_1 \ $:
$$ I _ {\ text {C} _1} = \ frac {V_ \ text {CC} -V _ {{BE} _2}} {R_ \ text {E} + R _ {\ text {C} _1}} $ $
Обратите внимание, что это подтверждает грубую идею, предложенную в самом начале.Но теперь есть дополнительная информация, на основе которой можно разобраться с остальным. Можно вычислить сумму трех токов и, следовательно, напряжение на \ $ R_ \ text {E} \ $. Базовый ток можно оценить для \ $ Q_1 \ $ и, следовательно, падение напряжения на \ $ R _ {\ text {B} _1} \ $. Подключите \ $ V _ {\ text {BE} _1} \ $, и у вас есть напряжение.
Сводка
Обоснование приведенного выше алгоритма представляет собой следующую цепочку:
- Схема имеет три важных тока: токи коллектора для \ $ Q_1 \ $ и \ $ Q_2 \ $, плюс ток базы для \ $ Q_2 \ $.
- Уравнения KVL дают только два уравнения. Ясно, что мы не можем решить для всех трех токов только двумя уравнениями.
- Итак, решите уравнения KVL в два параметрических уравнения, зависящих от параметра \ $ I _ {\ text {C} _1} \ $.
- Не зная \ $ I _ {\ text {C} _1} \ $, мы не можем определить значение \ $ V_ \ text {E} \ $, поскольку для этого нам нужны все три тока. Но, не зная \ $ V_ \ text {E} \ $, мы также не можем узнать значение \ $ I _ {\ text {C} _1} \ $.
- Критическое время — это момент, когда \ $ Q_2 \ $ быстро выходит из насыщения в активный режим.В этом узком временном промежутке \ $ \ frac {I _ {\ text {C} _2}} {I _ {\ text {B} _2}} = \ beta_2 \ $ всегда верно. Итак, решите уравнение активного режима для \ $ I _ {\ text {C} _1} \ $ как функцию \ $ V _ {\ text {CE} _2} \ $.
- Выберите удобное значение для \ $ V _ {\ text {CE} _2} \ $. Это было бы лучше всего в тот момент, когда \ $ I _ {\ text {C} _2} = 0 \: \ text {A} \ $ и \ $ V _ {\ text {CE} _2} \ $ максимально. Однако мы пока не знаем \ $ V_ \ text {E} \ $.
- Однако у нас есть параметрическое уравнение для него, и у нас есть уравнение активного режима для \ $ I _ {\ text {C} _1} \ $, и мы можем вставить его в наше параметрическое уравнение для \ $ I _ {\ text { C} _2} \ $, чтобы предоставить уравнение для \ $ I _ {\ text {C} _2} \ $ как функцию от \ $ V _ {\ text {CE} _2} \ $.Задайте для этого уравнения \ $ 0 \: \ text {A} \ $, чтобы найти \ $ V _ {\ text {CE} _2} \ $.
- Примените это значение \ $ V _ {\ text {CE} _2} \ $ к уравнению, разработанному на шаге 5 выше, чтобы получить последнее значение перехода \ $ I _ {\ text {CE} _1} \ $.
- Теперь все три тока известны, и схема для этого перехода решена.
Надеюсь, это хорошо объясняет. Конечно, все это подлежит тестированию. Мне нужно будет сделать несколько прогонов, чтобы проверить это.
— РЕАЛИЗАЦИЯ —
Вот сценарий sympy, который я использовал для реализации вышеупомянутого обсуждения, без необходимости использовать кучу бумаги (и чтобы избежать текстов tl; dr здесь):
var ('ic1 ic2 ib2 beta1 beta2 rb1 rb2 re rc1 rc2 vbe1 vbe2 vce2 vcc')
kcl = решить ([Eq (vcc - ic2 * rc2 - vce2 - (ic2 + ic1 + ib2) * re, 0),
Eq (vcc - (ic1 + ib2) * rc1 - ib2 * rb2 - vbe2 - (ic2 + ic1 + ib2) * re, 0)],
[ic2, ib2])
ic1_active_q2 = решить (Eq (kcl [ic2] / kcl [ib2], beta2), ic1) [0]
vce2_final = решить (Eq (kcl [ic2].subs ({ic1: ic1_active_q2}), 0), vce2) [0]
ic1_final = ic1_active_q2.subs ({vce2: vce2_final})
Результатом этой последней строки является следующее уравнение для конечного тока коллектора \ $ Q_1 \ $ в конце переходного периода:
$$ I _ {\ text {C} _1} = \ frac {V_ \ text {CC} -V _ {\ text {BE} _2}} {R_ \ text {E} + R _ {\ text {C} _1} } $$
Сложив эти строки, я могу вычислить значение порогового напряжения как раз в точке, где \ $ Q_2 \ $ оставляет насыщение как:
ic2_final = kcl [ic2].подписки ({ic1: ic1_final})
ib2_final = kcl [ib2] .subs ({ic1: ic1_final})
ire_final = ic1_final + ic2_final + ib2_final
vth_high = ire_final * re + vbe1 + rb1 * ic1_final / beta1
vth_low = ic1_final * re + vbe1 + rb1 * ic1_final / beta1
Предположим, \ $ R _ {\ text {B} _1} = 27 \: \ text {k} \ Omega \ $, \ $ R _ {\ text {B} _2} = 100 \: \ Omega \ $, \ $ R_ {\ text {C} _1} = 1.5 \: \ text {k} \ Omega \ $, \ $ R _ {\ text {c} _2} = 1 \: \ text {k} \ Omega \ $ и \ $ R_ \ text {E} = 47 \: \ Omega \ $. Предположим, \ $ V_ \ text {BE} = 700 \: \ text {mV} \ $ для обоих транзисторов и что оба имеют \ $ \ beta = 200 \ $ в активном режиме.Предполагая, что просто выход из насыщенности и переход в активный режим происходит при \ $ V _ {\ text {CE} _2} = 700 \: \ text {mV} \ $, тогда я получаю: \ $ V_ \ text {H} \ приблизительно 1,388 \: \ text {V} \ $ и \ $ V_ \ text {L} \ приблизительно 1.206 \: \ text {V} \ $.
Посмотрим, что показывает специя:
Используя триггеры .MEAS в LTspice, он сообщает: \ $ V_ \ text {H} \ приблизительно 1.374 \: \ text {V} \ $ и \ $ V_ \ text {L} \ приблизительно 1.209 \: \ text {V} \ $. Хм. Неплохо, просто делаю это на лету, так сказать.
Пусть установлено \ $ R_ \ text {E} = 100 \: \ Omega \ $.Отсюда я получаю: \ $ V_ \ text {H} \ приблизительно 1.678 \: \ text {V} \ $ и \ $ V_ \ text {L} \ приблизительно 1.332 \: \ text {V} \ $.
Используя триггеры .MEAS в LTspice, он сообщает: \ $ V_ \ text {H} \ приблизительно 1.669 \: \ text {V} \ $ и \ $ V_ \ text {L} \ приблизительно 1.340 \: \ text {V} \ $. Тоже неплохо.
# 317 Базовый дискретный триггер Шмитта
Изучение базовой схемы триггера Шмитта с эмиттерной связью с дискретными компонентами.
Банкноты
Триггер Шмитта представляет собой схему компаратора с таким гистерезисом, что:
- выходной сигнал становится высоким, когда входной сигнал превышает верхний порог
- выходной сигнал становится низким, когда входной сигнал превышает нижний порог
Когда верхний порог> нижнего порога, результирующий гистерезис сводит на нет влияние шума или незначительных колебаний на входной сигнал.
Триггеры Шмиттаобычно встраиваются во входные контакты интегральных схем, чтобы обеспечить более точное переключение. Автономные триггеры Шмитта часто состоят из компараторов, но можно реализовать самый простой триггер Шмитта. с дискретными компонентами. Это описано в «Искусство электроники» (второе издание, стр. 232).
Этот проект исследует классическую схему триггера Шмитта с эмиттерной связью.
Срабатывание триггера Шмитта с эмиттерной связью
Когда резистор коллектора Q1 R1 больше резистора коллектора Q2 R2, тогда падение напряжения на резисторе R3 с общим эмиттером выше, когда Q2 включен.
Пороговое значение для включения или выключения Q1 зависит от падения напряжения на R3.
Таким образом:
- при низком уровне входного сигнала:
- Q1 выключен, Q2 включен
- вывод «низкий»
- , а порог включения для Q1 повышается за счет более высокого падения напряжения R3
- при высоком уровне входного сигнала:
- Q1 включен, Q2 выключен
- вывод «высокий»
- , а порог выключения для Q1 уменьшается на меньшее падение напряжения на R3
Другими словами, гистерезис между верхним (вкл.) И нижним (выкл.) Порогами определяется перепадом дифференциального напряжения R3.
Практические измерения
С входной синусоидой 1 кГц (Ch2) выход (Ch3) переключается с гистерезисом:
- качается при ~ 1,3 В
- качается низко при ~ 0,9 В
- , поэтому разница ~ 0,4 В между верхним и нижним порогами
График X-Y (X: вход, Y: выходное напряжение) фиксирует разницу ~ 0,4 В между верхним и нижним порогами.
На более высоких частотах (здесь 100 кГц) поведение ухудшается с некоторым запаздыванием:
Строительство
Тестирование схемы на макетной плате.Обратите внимание, что я использую параллельно резистору 2 x 3,6 кОм для R1.
Разобрал и поставил на макетную плату для финальных испытаний:
Источники и ссылки
SCHMITT TRIGGER — Study Electronics
Изображение предоставлено Google
Триггер Шмитта представляет собой электронную схему с положительной обратной связью, которая преобразует синусоидальный или любой аналоговый сигнал в цифровой сигнал. Триггер Шмитта представляет собой схему компаратора с гистерезисом , то есть переход от высокого к низкому и от низкого к высокому будет происходить при разных порогах.
Триггер Шмитта относится к классу бистабильных мультивибраторов, которые имеют два противоположных рабочих состояния. Триггер Шмитта чувствителен к уровню, и выход переключается между двумя уровнями триггера: нижним уровнем триггера (LTL) и верхним уровнем триггера (UTL).
На рисунке показана схема триггера Шмитта. Он содержит два идентичных транзистора Q1 и Q2, соединенных через сопротивление эмиттера RE. Выход транзистора Q1 соединен с входом транзистора Q2 через резистор R1.
РАБОТА SCHMITT TRIGGERКогда питание подается на схему, резисторы R1, R2 и RE образуют делитель потенциала между Vcc и землей. Что слегка смещает вперед транзистор Q2, и Q2 начинает проводить. Ток протекает через резистор RE и вызывает на нем падение напряжения. Из-за этого падения напряжения транзистор Q1 смещен в обратном направлении и отключается. Затем напряжение коллектора транзистора Q1 возрастает в сторону Vcc, и это возрастающее напряжение передается на вход транзистора Q2 через резистор R1.Это переводит транзистор Q2 в состояние насыщения и удерживает его там.
Когда входной сигнал переменного тока подается на базу транзистора Q1, когда он увеличивается до напряжения, достаточного для преодоления обратного смещения транзистора Q1, или превышает верхний уровень запуска, транзистор Q1 начинает проводить. Точка, в которой транзистор Q1 начинает проводить, называется Upper Trigger Level (UTL) . когда транзистор Q1 начинает проводить, падение напряжения на коллекторе Q1 падает до минимума.Этот отрицательный сигнал подается на базу транзистора Q2 через резистор R1, что снижает его прямое смещение и, следовательно, ток эмиттера и, следовательно, падение напряжения на резисторе RE. В результате обратное смещение транзистора Q1 уменьшается и проводит больше. Таким образом, напряжение коллектора транзистора Q1 падает, и транзистор Q2 продолжает работать в режиме отсечки. Этот процесс продолжается до тех пор, пока транзистор Q1 не перейдет в режим насыщения, а транзистор Q2 не перейдет в режим отсечки.
Через половину цикла входного сигнала переменного тока он перейдет в отрицательную полярность.Транзистор Q2 продолжает отключаться до тех пор, пока входное напряжение не упадет ниже нижнего уровня срабатывания. Когда он пересекает LTL, транзистор Q1 становится смещенным в обратном направлении из-за отрицательного входного сигнала. В результате напряжение на коллекторе транзистора Q1 возрастает в сторону Vcc и подается на базу транзистора Q2 через резистор R1. Это делает транзистор Q2 проводящим. Точка, в которой транзистор Q2 начинает проводить, называется нижним уровнем срабатывания (LTL) . Когда транзистор Q2 начинает проводить, падение напряжения на резисторе RE увеличивается, и он приводит транзистор Q1 в состояние отсечки.Это состояние продолжается до тех пор, пока входной сигнал переменного тока снова не пересечет верхний уровень запуска. Поэтому на выходе генерируется положительный импульс.
Это завершает один цикл и повторяется, поскольку входной сигнал переменного тока повторяет этот цикл.
ПРИМЕНЕНИЕ SCHMITT TRIGGER- Используется в приложениях преобразования сигналов для удаления шума из сигналов в цифровых схемах.
- Используется как схема возведения в квадрат.
- Используется как компаратор амплитуды или детектор уровня.
- Используется как триггерная схема.
- Используется для изменения формы изношенных импульсов.
- Используется для реализации генератора релаксации в генераторах функций и импульсных источниках питания.
Щелкните здесь, чтобы просмотреть триггер Шмитта на Opamp
создано техническим писателем: Анджу Радхакришнан
Комментарии
комментария
Page 13
Инфракрасный тестер дистанционного управления
Это довольно простая схема, которую можно использовать для тестирования телевизора и видеомагнитофона. пульты управления.Модуль инфракрасного детектора (GP1U52X) (Radio Shack 276-137) генерирует последовательность импульсов TTL 5 В, соответствующую цифровому коду нажата конкретная кнопка пульта дистанционного управления. В нижнем контуре модуль выходной сигнал обычно низкий, сигнал не поступает и становится положительным идет последовательность импульсов при наличии сигнала. Другие модули детекторов доступны с перевернутым выходом, как показано на верхнем чертеже это тот тип, который я использовал, но у меня нет номера детали, я полагаю он был снят с видеомагнитофона.Последовательность импульсов представляет собой цифровой код. конкретной нажатой клавиши вместе с возможной информацией о производителе. Когда происходит последовательность импульсов, конденсатор 4,7 мкФ заряжается примерно до 3 вольт. и напряжение конденсатора за вычетом падения на диоде появляется на 470 Ом. резистор, дающий ток коллектора от 2N3904 или 2N3906 около 5 миллиампер. Коллекторный ток первой ступени перетекает в базу. выходного транзистора (MJE34 или 2N3053), который выдает около 250 мА на индикаторные лампы.Когда последовательность импульсов заканчивается, конденсатор медленно разряжается через базу транзистора первого каскада, позволяя Xmas огни на деревьях должны оставаться включенными примерно на 1 секунду. Маленькие рождественские лампы будут работают в широком диапазоне напряжений, поэтому вы можете использовать лампы практически любых струна, но лампочки от более коротких струн (35 или меньше), вероятно, прослужат дольше работал при 5 вольтах.
Схема может питаться от небольшого источника постоянного тока 9-12 В, 250 мА или больше. настенный трансформатор.Также может потребоваться дополнительный фильтрующий конденсатор емкостью 1000 мкФ. через выход постоянного тока, если настенный трансформатор не имеет встроенного конденсатор. Для использования с батареей 9 В лампы накаливания могут быть заменен на штатный светодиод и резистор 680 Ом и выходные транзисторы можно заменить транзисторами с малым сигналом (2N3904 или 2N3906). Общая потребление тока будет около 25 мА при горящем светодиоде и 15 мА в режиме ожидания, когда светодиод не горит.
МенюТранзисторный триггерный генератор Шмитта
Генератор триггера Шмитта ниже использует 3 транзистора, 6 резисторов. и конденсатор для генерации сигнала прямоугольной формы.Формы импульсов могут быть формируется с помощью дополнительного диода и резистора (R6). Q1 и Q2 являются соединен с общим эмиттерным резистором (R1) так, чтобы проводимость один транзистор вызывает выключение другого. Q3 контролируется Q2 и обеспечивает выходной сигнал прямоугольной формы от коллектора.
В процессе работы синхронизирующий конденсатор заряжается и разряжается через обратную связь. резистор (Rf) к выходному напряжению. Когда напряжение на конденсаторе повышается выше базового напряжения на Q2, Q1 начинает проводить, в результате чего Q2 и Q3 чтобы выключить, и выходное напряжение упадет до 0.Это, в свою очередь, производит более низкое напряжение на базе Q2 и заставляет конденсатор начать разряжаться в сторону 0. Когда напряжение конденсатора падает ниже базового напряжения на Q2, Q1 выключится, в результате чего Q2 и Q3 включатся, а выход повысится до рядом с напряжением питания и конденсатором, чтобы начать зарядку и повторение цикл. Уровни переключения устанавливаются R2, R4 и R5. Когда выход высокий, напряжение на базе Q2 определяется параллельно R4 с R5 и комбинацией последовательно с R2.Когда выход низкий, базовое напряжение устанавливается R4 параллельно с R2 и комбинацией последовательно с R5. Это предполагает, что R3 представляет собой небольшое значение по сравнению с R2. Переключение уровни будут примерно 1/3 и 2/3 напряжения питания, если три резистора равны (R2, R4, R5).
Можно использовать множество различных комбинаций номиналов резисторов. R3 должен быть достаточно низким, чтобы уменьшить выходной сигнал настолько, насколько это необходимо, когда схема подключена к нагрузке.Итак, если нагрузка потребляет 1 мА и низкий необходимое напряжение составляет 0,5 В, R3 будет 0,5 / 0,001 = 500 Ом (стандарт 510). Когда выход высокий, Q3 будет подавать ток на нагрузку, а также ток. через R3. Если для нагрузки требуется 10 мА, а напряжение питания равно 12, ток транзистора составит 24 мА для R3 плюс 10 мА на нагрузку = 34 мА общее. Предполагая минимальное усиление транзистора, равное 20, ток коллектора для Q2 и базовый ток для Q3 будет 34/20 = 1,7 мА. Если уровни переключения составляют 1/3 и 2/3 напряжения питания (12 В), тогда напряжение эмиттера высокого уровня для Q1 и Q2 будет около 7 вольт, поэтому резистор эмиттера (R1) будет 7/0.0017 = стандарт 3,9 К. Более низкое значение (1 или 2 КБ) также подойдет и обеспечит немного больше базового драйва к Q3, чем нужно. Остальные резисторы R2, R4, R5 может быть примерно в 10 раз больше R1 или около 39К.
Комбинация конденсатора и резистора обратной связи (Rf) определяет Частота. Если уровни переключения составляют 1/3 и 2/3 питания, Интервал времени полупериода будет около 0,693 * Rf * C, что аналогично 555 формула таймера.В собранном мною устройстве используется конденсатор на 56 кОм и 0,1 мкФ для положительного временной интервал около 3,5 мс. Использовались дополнительный резистор 22K и диод. параллельно с 56К, чтобы уменьшить отрицательный временной интервал примерно до 1 мс.
На диаграмме T1 представляет время, в течение которого напряжение на конденсаторе упал до нижнего триггерного потенциала (4 В на базе Q2) и вызвал Q1 для выключения и Q2 и Q3 для включения. T2 представляет следующее событие когда напряжение конденсатора поднялось до 8 вольт, вызывая выключение Q2 и Q3 и Q1 провести.T3 представляет то же состояние, что и T1, где цикл начинает повторяться. Теперь, если вы посмотрите внимательно в прицел, вы заметите рабочий цикл не совсем 50% Это связано с малым базовым током Q1, который питается конденсатором. По мере зарядки конденсатора E / B Q1 имеет обратное смещение, и база не потребляет ток от конденсатор, поэтому время заряда немного больше, чем время разряда. Эту проблему можно компенсировать с помощью дополнительного диода и резистора. показано (R6) с диодом, повернутым в другую сторону.
МенюИндикатор равного заряда аккумулятора
В схеме ниже загорается светодиод, указывающий на неравные заряды. между двумя свинцовыми батареями на 12 В. Его можно использовать для проверки что две батареи подключены параллельно или изолированы, так как светодиод не горит, когда напряжения равны в пределах допуска, или горит, если разница напряжений больше 100 милливольт. Три компаратора и три делителя напряжения используются для определения состояние батареи.Левый верхний вход компаратора (+) на выводе 5 установить примерно на 10 вольт с батареей №1 на 12 вольт. Отрицательный вход (вывод 4) настроен на немного более низкое напряжение путем добавления дополнительного 240 Ом на делитель напряжения, чтобы на выходе компаратора будет положительным, когда оба напряжения батареи равны, и отрицательным если батарея 2 поднимается над батареей 1 на 100 милливольт или более. Напряжение на выводе 5 используется как ссылка для нижнего компаратора и отрицательный вход нижнего компаратора настроен на более низкое напряжение с добавлением 510 Ом, так что выход тоже будет положительным когда напряжения батареи равны и отрицательны, когда батарея №1 разряжена. больше # 2 на 100 милливольт или более.Два выхода компаратора оба подключены к положительному входу третьего компаратора на выводе 9, чтобы светодиод загорался при любом из условий существует,
(Батарея №1> Батарея №2) ИЛИ (Батарея №2> Батарея №1). Меню
Батарея для соленой воды
Около 13 лет назад я сделал батарею с соленой водой для работы одного Кварцевые часы на батарейках типа АА. Это продолжалось несколько месяцев, пока мне не надоело добавление воды для компенсации испарения.Аккумулятор состоял из 5 ячеек производят около 300 милливольт каждая. Насколько я помню, я использовал 5 маленькие оливковые банки, наполненные примерно стаканом воды и столовой ложкой соли для создания 5 последовательных ячеек, каждая из которых производит около 300 милливольт для всего около 1,5 вольт. Положительный электрод был изготовлен из полоса двухсторонней медной печатной платы (примерно 1 дюйм на 4 дюйма) а отрицательный электрод представлял собой полоску алюминия аналогичного размера. я недавно попробовал гальванизированное железо вместо алюминия и нашел его производит немного более высокое напряжение, поэтому батарея может быть сделана только из 3 ячеек.Но любые два разных металла, используемые с соленой водой или соком цитрусовых, будут создать аккумулятор низкого напряжения. Вы можете поэкспериментировать с серебряными монетами и медные гроши и различные фруктовые соки, чтобы придумать более мощный аккумулятор. На схеме ниже показаны 5 ячеек, соединенных последовательно с оцинкованными. железо одной ячейки соединено с медным куском следующей. Батарея производит очень слабый ток около 1 миллиампер, поэтому это непрактично для многое другое, кроме кварцевых часов.Вы можете загореться слаботочным светодиодом использование большего количества ячеек и электродов большего размера с большей площадью поверхности. Вы также можете добавить конденсатор к батарее, чтобы обеспечить более высокий ток. импульсы для мигающего светодиода. Вероятно, он будет работать от 1,5 вольт мигающие светодиодные схемы отображаются в главном меню с низкой частотой мигания. Меню
Входная цепь триггера Шмитта для шумоподавления
Об авторе: Ламмерт Бис папа, муж и полиглот.Он занимается разработкой встраиваемых систем с восьмидесятых годов. Использовал машинное обучение до того, как у него появилось название. Специализируется на соединении компьютеров, роботов и людей. Был сторонником Google Mapmaker и выступал на нескольких международных конференциях Google с 2011 года до тех пор, пока Mapmaker не отключили в 2017 году. Бухантер из Google. В настоящее время распространяет искусственный интеллект в самых диких местах производственной среды. Он никогда не перестает учиться.Шумоподавление с гистерезисом
Устранение шума — одна из основных проблем в достижении более высоких скоростей передачи данных и более длинных коммуникационных кабелей.Есть несколько способов уменьшить шум. Линии связи можно экранировать. Дифференциальная связь, как в случае с RS422 и RS485, совершенно невосприимчива к шумам, особенно когда провода скручены. Низкое выходное сопротивление и подходящие согласующие резисторы для уменьшения отражений также могут помочь, но на линии всегда будет оставаться некоторый шум. Этот шум можно уменьшить, добавив входные фильтры, например, с помощью RC-сети, но входные фильтры имеют недостаток, заключающийся в том, что они не только уменьшают шум, но также и максимально допустимую скорость передачи данных.Другая возможность — добавить гистерезис во входную линию. Входная линия с гистерезисом использует два уровня переключения: В, , высокий, , и В, , низкий, , . Когда входное напряжение превышает В, high , выход переключается на высокий уровень. Только когда входное напряжение падает ниже В, низкое (которое должно быть ниже В высокое ), выход переключается обратно в низкое состояние. Этот тип шумоподавления реализован на входах шины I²C.Эффект гистерезиса можно увидеть на следующем рисунке.
Уровни напряжения триггера ШмиттаПервый график показывает фактический входной сигнал. На линии присутствует некоторый шум, и если центральное напряжение используется для определения того, находится ли вход во включенном или выключенном состоянии, в сигнале может быть обнаружено четыре высоких периода, как показано на втором графике. Однако, если мы используем два уровня запуска с гистерезисом, можно уменьшить количество обнаруживаемых логических максимумов до одного. Это то, что делает триггер Шмитта на последнем графике.
Цепь триггера Шмитта низкого уровня
Сделать электронную схему с гистерезисом несложно, спасибо Отто Шмитту, американскому ученому. Он изобрел простую электронную схему со встроенным эффектом гистерезиса. Эта схема теперь известна как триггер Шмитта. Для создания схемы достаточно двух транзисторов и нескольких тщательно подобранных резисторов. Значения резисторов определяют уровни входного напряжения, при которых схема триггера Шмитта меняет состояние.Базовая схема триггера Шмитта показана на следующем рисунке.
Типовая схема триггера ШмиттаРасчет высокого уровня срабатывания
Давайте попробуем разобраться в этой схеме, предположив, что входное напряжение равно нулю. Транзистор T 1 не будет проводить из-за нулевого входного напряжения. Состояние транзистора T 2 полностью определяется резисторами R C1 , R 1 и R 2 .Эти три резистора образуют делитель напряжения. Предположим, что базовый ток, протекающий в T 2 , достаточно мал, чтобы им можно было пренебречь. В современных транзисторах, где коэффициент усиления h FE часто больше, чем 150 , это предположение создаст очень небольшую ошибку. Базовое напряжение T 2 может быть рассчитано как
В B2 = В питание * R 2 / ( R C1 + R 1 + R 2 )
Напряжение эмиттера T 2 будет меньше из-за разницы напряжений V BE между базой и эмиттером.Для кремниевого транзистора, по которому протекает ток, напряжение В BE можно оценить примерно как 0,61 В . Напряжение эмиттера можно рассчитать как:
В E2 = В B2 — В BE2 = В питание * R 2 / ( R C1 + R 1 + R 2 ) — 0,61
В схеме триггера Шмитта используется эмиттерная логика.Следовательно, V E = V E1 = V E2 .
Теперь рассмотрим ситуацию, когда входное напряжение цепи увеличивается. Как только В B1 больше, чем В E1 , через транзистор T 1 начнет течь очень небольшой ток. Этот ток также проходит через резистор R C1 , и поэтому базовое напряжение транзистора T 2 будет уменьшаться.По мере того, как базовое напряжение становится ниже, уменьшается и напряжение эмиттера транзистора T 2 , и поскольку эмиттеры транзистора T 1 и T 2 связаны напрямую, разница напряжений V BE1 увеличится. Больше тока начнет течь через транзистор T 1 и транзистор T 2 закроется. Обратите внимание, что напряжение эмиттера на резисторе R E не упадет до нуля.Хотя T 2 закрывается, T 1 открывается в то же время, сохраняя напряжение эмиттера более или менее стабильным на уровне В, в — В BE . Когда T 2 полностью закрыт и T 1 открыт, состояние системы изменилось. Выход перейдет в высокое состояние, потому что резистор R, C2 подтягивает выход к источнику питания. Напряжение запуска, при котором этот эффект начинает происходить, называется высоким напряжением запуска и может быть приблизительно рассчитано как
.В высокий = В питание * R 2 / ( R C1 + R 1 + R 2 ) — 0.61
Очевидно, что увеличение напряжения на входе схемы будет держать схему в высоком состоянии. Это связано с тем, что более высокое напряжение на входе создает более высокий ток базы и коллектора, и этот более высокий ток коллектора будет еще больше понижать базовое напряжение транзистора T 2 . Но когда схема снова вернется в нулевое состояние? Это требует дальнейшего анализа схемы.
Расчет нижнего уровня срабатывания
При понижении В в ток, протекающий через Т 1 , уменьшится.Это вызывает уменьшение тока через резистор R C1 и повышение уровня напряжения на базе транзистора T 2 . Поскольку транзисторы связаны с эмиттером, эмиттерное напряжение этого транзистора уменьшается, и когда В в достаточно низкое, базовое напряжение транзистора T 2 станет немного выше, чем напряжение эмиттера, вызывая небольшой базовый ток протекает через T 2 .Этот небольшой базовый ток создаст ток эмиттера через общий резистор R E . Напряжение эмиттера будет расти, и через T 1 будет протекать меньший ток, потому что разница напряжений между базой и эмиттером T 1 становится меньше. Это приводит к тому, что через R C1 протекает меньший ток, а базовое напряжение при T 2 увеличивается еще больше. T 2 откроется, а T 1 закроется одновременно.На этом входном уровне В, в , схема изменила состояние обратно на ноль. Но при каком конкретном напряжении запускается это изменение состояния?
Расчет низкого напряжения запуска для схемы запуска Шмитта немного сложнее, чем расчет высокого уровня запуска. T 2 начнет открываться, когда базовое напряжение В B2 станет немного больше, чем напряжение эмиттера В E2 . Мы попытаемся вычислить входное напряжение, где В B2 и В E2 равны, когда T 2 закрыто.
Сначала некоторые основные расчеты напряжений и токов в цепи, когда T 2 замкнут. Как указано выше, мы предполагаем, что базовые токи, протекающие через транзисторы, малы. Следовательно, ток коллектора и ток эмиттера через T 1 считаются равными. Кроме того, поскольку T 2 закрыт, через этот транзистор не будет протекать ток базы.
В E = I E1 * R E
В C1 = I R1R2 * ( R 1 + R 2 )
В питание — В C1 = ( I C1 + I R1R2 ) * R C1
Важным фактором в этом расчете является напряжение коллектора транзистора T 1 , потому что, если мы знаем это значение, мы можем легко вычислить базовое напряжение транзистора T 2 .Учитывая приведенные выше уравнения и предположение, что I E1 равно I C1 , мы можем получить
В C1 = В питание — R C1 * ( V E / R E + V C1 / ( R 1 ) + р 2 ))
V C1 по-прежнему находится на обеих сторонах уравнения, но это можно решить с помощью простых математических вычислений.Это дает:
В C1 = ( В, питание — В E * R C1 / R E ) / ( 1 + R C1 / ( R 1 + R 2 ))
С помощью этого уравнения мы можем легко вычислить уровень напряжения В B2 второго транзистора.
V B2 = V C1 * R 2 / ( R 1 + R 2 )
V B2 = ( V питание * R 2 — V E * R C1 * R 2 / R E ) / ( правый C1 + правый 1 + правый 2 )
Вот тут-то и проявляется магия.Ищем значение V B2 , где транзистор T 2 начинает проводить. Это точка, в которой базовое напряжение В B2 равно напряжению эмиттера В, E . Таким образом, мы можем заменить V E на V B2 и сократить уравнение. Я пропущу некоторые шаги, но конечный результат можно увидеть ниже:
В E = В питание * R 2 / ( R C1 + R 1 + R 2 + R C1 * правый 2 / правый E )
Когда транзистор T 2 начинает проводить, транзистор T 1 все еще открыт, поэтому для расчета входного напряжения, при котором T 2 начинает проводить, мы должны добавить В BE или 0.61 Вольт к этому уравнению для расчета значения на базовом порте T 1 . Таким образом, нижнее значение триггера Шмитта можно рассчитать как
.В низкий = В питание * R 2 / ( R C1 + R 1 + R 2 + R C1 * R 2 / R E ) + 0.61
Если все идет своим чередом, вы находитесь не на той полосе. ЗАКОН ЖИЗНИ ШОССЕ |
Страница не найдена | MIT
Перейти к содержанию ↓- Образование
- Исследовать
- Инновации
- Прием + помощь
- Студенческая жизнь
- Новости
- Выпускников
- О MIT
- Подробнее ↓
- Прием + помощь
- Студенческая жизнь
- Новости
- Выпускников
- О MIT
Попробуйте поискать что-нибудь еще! Что вы ищете? Увидеть больше результатов
Предложения или отзывы?
.

