Как сделать сигнализатор отключения электричества своими руками. Какие компоненты нужны для сборки устройства. Где можно применять сигнализатор отключения сети. Какие преимущества дает использование такого прибора.
Принцип работы сигнализатора отключения электричества
Сигнализатор отключения электричества — это устройство, которое подает звуковой сигнал при пропадании напряжения в электросети. Принцип его работы заключается в следующем:
- При наличии напряжения в сети устройство находится в режиме ожидания
- При пропадании напряжения срабатывает схема, активирующая звуковой сигнал
- Звуковой сигнал продолжается некоторое время (обычно 1-2 минуты) после отключения электричества
- Питание схемы в момент отсутствия напряжения осуществляется от накопительного конденсатора
Такой принцип позволяет оперативно узнать об отключении электроэнергии и принять необходимые меры, например, перейти на резервное питание или отключить чувствительные электроприборы.

Необходимые компоненты для сборки сигнализатора
Для самостоятельной сборки простого сигнализатора отключения электричества потребуются следующие компоненты:
- Диоды — 3-4 шт.
- Конденсаторы электролитические — 2-3 шт.
- Резисторы — 3-5 шт.
- Транзистор полевой — 1 шт.
- Пьезоизлучатель звука
- Печатная плата
- Провода
- Корпус
Точный набор и номиналы компонентов зависят от конкретной схемы. Важно использовать качественные компоненты, рассчитанные на работу с сетевым напряжением.
Пошаговая инструкция по сборке сигнализатора
Процесс сборки сигнализатора отключения электричества включает следующие основные этапы:
- Подготовка печатной платы согласно выбранной схеме
- Монтаж электронных компонентов на плату
- Пайка соединений между компонентами
- Проверка правильности монтажа и отсутствия коротких замыканий
- Подключение пьезоизлучателя
- Установка платы в корпус
- Подключение проводов для питания от сети
- Финальная проверка работоспособности устройства
При самостоятельной сборке важно строго соблюдать полярность компонентов и меры электробезопасности при работе с сетевым напряжением.

Области применения сигнализатора отключения сети
Сигнализатор отключения электричества может быть полезен в следующих ситуациях:
- Для контроля работы холодильников и морозильных камер
- Для защиты компьютерной и офисной техники
- В серверных помещениях и дата-центрах
- На производствах с непрерывным технологическим процессом
- В системах охраны и безопасности
- В загородных домах для контроля электроснабжения
- В теплицах и зимних садах
Своевременное оповещение об отключении электричества позволяет быстро принять меры и избежать порчи продуктов, поломки техники или нарушения важных процессов.
Преимущества использования сигнализатора отключения электричества
Применение сигнализатора отключения электроэнергии дает пользователю следующие преимущества:
- Оперативное информирование об отсутствии напряжения в сети
- Возможность быстрого реагирования и принятия мер
- Предотвращение порчи продуктов в холодильниках
- Защита чувствительной электроники от скачков напряжения при включении
- Сохранность данных на компьютерах и серверах
- Контроль электроснабжения в отсутствие хозяев
- Повышение общего уровня безопасности в доме или на производстве
Даже простой самодельный сигнализатор способен предотвратить значительный материальный ущерб при неожиданном отключении электричества.

Альтернативные варианты сигнализаторов отключения сети
Помимо самодельных устройств, существуют и готовые решения для контроля наличия напряжения в сети:
- Сетевые фильтры-удлинители со встроенной сигнализацией
- GSM-розетки с функцией оповещения об отключении
- Специализированные приборы для контроля электропитания
- Системы мониторинга на базе микроконтроллеров
- Профессиональные системы мониторинга для дата-центров
Выбор конкретного решения зависит от потребностей пользователя, бюджета и необходимого функционала. Самодельные устройства обычно дешевле, но имеют более ограниченные возможности.
Меры предосторожности при использовании сигнализатора
При эксплуатации сигнализатора отключения электричества важно соблюдать следующие меры безопасности:
- Использовать качественные компоненты, рассчитанные на работу с сетевым напряжением
- Обеспечить надежную изоляцию всех токоведущих частей
- Использовать прибор только в сухих помещениях
- Не допускать попадания влаги внутрь устройства
- Периодически проверять работоспособность сигнализатора
- При появлении посторонних звуков или запахов немедленно отключить устройство
- Не пытаться самостоятельно ремонтировать неисправный прибор
Соблюдение этих простых правил позволит безопасно и эффективно использовать сигнализатор отключения электроэнергии в быту или на производстве.

СОС — сигнализатор отключения сети
Неожиданные отключения сетевого напряжения стали еще одной (в дополнение к двум известным) российской бедой. Главное в такой ситуации — вовремя узнать об отключении и принять меры — перейти на резервное питание (если есть возможность) или просто убрать из неработающего холодильника скоропортящиеся продукты. Это легко сделать в вечернее время, когда об отсутствии напряжения сигнализируют погасшие светильники. Днем или поздней ночью никаких явных признаков отключения нет и его можно своевременно не заметить. Описываемое в статье устройство подает звуковой сигнал продолжительностью более минуты через несколько секунд после пропадания напряжения в сети.
Предлагаемый сигнализатор (его схема показана на рис. 1) построен по тому же принципу, что и описанный в статье А. Долгого «Сторожевой пес для компьютера» («Радио», 2000, №2, с.27).
Рис.1. Принципиальная схема сигнализатора
Сетевое напряжение поступает на два выпрямителя. На выходе первого (VD1C1) — напряжение положительной полярности, второго (VD2C2) — отрицательной.
Номиналы резисторов R2 и R3 выбраны таким образом, что полевой транзистор VT1 закрыт, цепь звонка электромеханического будильника разорвана. При пропадании сетевого напряжения конденсаторы С1 и С2 начинают разряжаться. Но так как их емкость различна, разрядка происходит с неодинаковой скоростью. Напряжение отрицательной полярности (рис. 2, кривая 1) спадает быстрее, чем положительной (кривая 2), поэтому напряжение на затворе транзистора VT1 (кривая 3) быстро растет. Как только оно (в момент t1) превысит пороговое значение (Uп), транзистор VT1 откроется и замкнет цепь звонка.
Рис.2. Временные диаграммы
Благодаря стабилитрону VD4 напряжение на затворе транзистора ограничено безопасными для последнего значениями 0 и Uст (без стабилитрона оно могло бы достичь 100 В и более, как показано штриховой линией). В момент t2, когда конденсатор С1 почти полностью разряжен, транзистор VT1 закрывается, выключая звонок. При указанных на схеме номиналах резисторов и конденсаторов продолжительность звукового сигнала — более минуты.
Основная функция резистора R1 — ограничить ток при случайном прикосновении к проводам, идущим от сигнализатора к будильнику, или соединении их с заземленным предметом. Этот резистор убережет от тяжелых последствий и в случае пробоя одного из конденсаторов.
Задача диода VD3 — не допустить «переполюсовки» напряжения на конденсаторе С2. В отсутствие диода это может произойти в результате перераспределения заряда между конденсаторами после отключения сети.
Сигнализатор собран в корпусе зарядного устройства сотового телефона. Имеющаяся в нем печатная плата заменена показанной на рис.3 с установленными на ней деталями сигнализатора. Конденсаторы — импортные, резисторы — МЛТ-0,5 или другие с предельным рабочим напряжением не менее 350 В. Стабилитрон — любой маломощный с напряжением стабилизации 5…15 В (не более допустимого напряжения затвор-исток транзистора VT1). Диоды 1N4007 можно заменить отечественными КД105Г или другими выпрямительными с допустимым обратным напряжением не менее 600 В.
Рис.3. Печатная плата
К сожалению, найти равноценную отечественную замену полевому транзистору BS170 не удалось. Можно попробовать установить вместо полевого транзистора биполярный, как это сделано в устройстве, описанном в упомянутой выше заметке. Однако в этом случае придется либо применить транзистор с очень большим (несколько сотен) статическим коэффициентом передачи тока h21Э, либо уменьшить номиналы резисторов R2, R3, что приведет к пропорциональному сокращению длительности сигнала. Использовать составной транзистор не рекомендуется, так как слишком большое падение напряжения на нем в открытом состоянии может привести к несрабатыванию звонка будильника.
В будильнике необходимо найти показанные на рис.1 точки А и Б (S1 — выключатель звонка, SF1 — контакты часового механизма, замыкающиеся в момент срабатывания будильника). Неплохо убедиться, что соединение их отрезком провода приводит к подаче звукового сигнала. Остается вольтметром определить полярность напряжения между этими точками и, соблюдая ее, подключить сигнализатор.
Собранное устройство включают в любую свободную розетку. Будильник может продолжать выполнять свою основную функцию — звонить в установленное время. Сигналом пропадания напряжения в сети послужит срабатывание будильника в неурочный час.
Конечно, в качестве источника звукового сигнала можно использовать не только будильник, но и, например, пьезоизлучатель с встроенным генератором и автономным источником питания, электронный узел от озвученной детской игрушки и т.п.
Звуковой сигнализатор отключения электричества » Паятель.Ру
Категория: Сигнализаторы
Внезапное отключение электросети может быть чревато большими неприятностями. Например, могут потечь холодильник и т.п. Поэтому, крайне необходим прибор, который достаточно громким звуковым сигналом предупреждал бы об отключении электроэнергии. Желательно чтобы такой прибор питался от электросети и не требовал каких-то гальванических источников питания (которые можно забыть поменять своевременно).
На рисунке в тексте приводится схема прибора, который подключается в электросеть (он собран в корпусе сетевого источника питания для телеигровой приставки, у которого сгорел трансформатор). Будучи включенным в сеть, при наличии сетевого напряжения прибор себя никак не проявляет.
Но в момент отключения электроснабжения он начинает издавать достаточно громкие прерывистые звуки. Эта сигнализация продолжается 10-20 минут. Затем громкость начинает постепенно снижаться, и, примерно еще через 10-20 минут (после окончательной разрядки питающего конденсатора) прибор перестает работать.
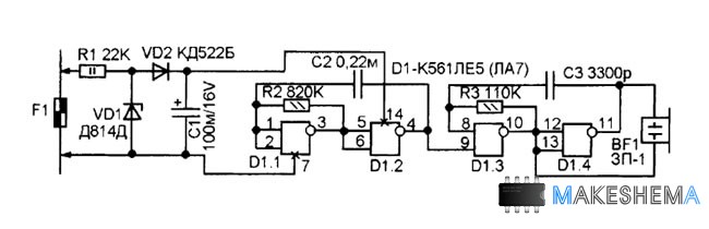
Принципиальная схема сигнализатора приведена на рисунке. Источник питания бестрансформаторный, он состоит из однополу-периодного выпрямителя на диоде VD1 и параметрического стабилизатора на VD3 и R1. Конденсатор С1 сглаживает пульсации. От этого источника питается накопитель энергии, состоящий из конденсатора С2 относительно большой емкости и диода VD2, исключающего разрядку С2 через стабилитрон VD3 и схему контроля за наличием напряжения в электросети.
Звуковой сигнализатор сделан на микросхеме D1. Два её элемента (D1.1 и D1.2) образуют инфразуковой мультивибратор, а два других (D1.3 и D1.4) — звуковой. Между выходами элементов D1.3 и D1.4 включен пьезоэлектрический звукоизлучатель BF1. Запускается звучалка логическим нулем на выводе 1 D1.1.
Пока в электросети есть напряжение, напряжение около 12V есть на конденсаторе С1. Делитель R2-R3 создает на выводе 1 D1.1 напряжение около 10-11V, что соответствует логической единице. Звучалка заблокирована.
Отключение электричества приводит к тому, что напряжение на конденсаторе С1 падает до нуля. Соответственно падает и напряжение на выводе 1 D1.1. Звучалка начинает издавать прерывистые звуки, повторяющиеся с частотой около 1 Гц. При этом микросхема питается энергией, накопленной в конденсаторе С2, которой хватает на 10-20 минут достаточно громкого звучания.
Вместо диодов КД102В можно использовать любые малогабаритные диоды, допускающие обратное напряжение не ниже 300V.
Стабилитрон можно заменить другим на напряжение 10-15V. Желательно чтобы стабилитрон был в металлическом корпусе, это снизит вероятность его выхода из строя от перегрева.
Конденсатор С1 может быть емкостью от 3 до 15 мкФ. Емкость больше увеличивает задержку начала сигнализации, а меньшая емкость может привести к появлению пульсаций на выводе 1 D1 с частотой переменного тока, приводящих к звучанию прибора в присутствие сетевого напряжения.
Чем больше емкость С2 и меньше утечка, тем лучше. Использован импортный аналог конденсатора К50-35.
Пьезоэлектрический звукоизлучатель годится любой пассивный. Электромагнитные или динамические «пищалки» не пригодны, даже если их подключить через промежуточный ключ. Они потребляют слишком большой ток, который очень быстро разрядит конденсатор С2.
Монтаж выполнен объемным способом, прямо в корпусе неисправного сетевого адаптера. Трансформатор извлечен. Микросхема и конденсатор С2 приклеены изнутри к малой крышке корпуса (той, где штыри сетевой вилки).
Остальные детали паяются на выводы микросхемы, конденсатора С2 и выводы штырей сетевой вилки.
Сигнализатор отключения электроэнергии для США
- Домашний
- Особенности
- Аварийный сигнал отключения питания
- Где использовать
- О
- Часто задаваемые вопросы
- Контакт
КУПИТЬ СЕЙЧАС
Не позволяйте отключению электроэнергии причинить вам ущерб. Узнайте, как получать оперативные уведомления об отключении электроэнергии с помощью текстового сообщения или звонка на свой телефон.
iSocket — устройство оповещения об отключении электроэнергии
iSocket — это интеллектуальное устройство, которое подключается к электрической розетке и может предупредить вас о сбое питания .
Это дает вам душевное спокойствие или информирует вас о проблеме. Мы помогаем в этом уже более 12 лет.
Посмотрите короткое видео о функции отключения питания новой Plug-and-Go iSocket
Какие функции есть у вашего iSocket
Аварийный сигнал отключения питания является основной функцией этой модели iSocket. Еще одна полезная функция заключается в том, что вы можете подключить любую бытовую технику к iSocket и запускать или останавливать ее удаленно из любой точки мира. Вы можете включить лампу удаленно или перезагрузить маршрутизатор удаленно и так далее. Вы можете сделать эти операции с любой прибор , снабженный вилкой. Есть и другие функции, включенные в стандартную или дополнительную комплектацию.
Дистанционное переключение
Вы можете подключить бытовой прибор и дистанционно включать и выключать его .
Перезагрузка при зависании
Перезагрузите маршрутизатор или другое ИТ-оборудование в случае зависания.
Бесплатный тестовый период
Вы можете изучить iSocket в течение месяца бесплатно . Мы знаем, что вам понравится!
Прогрессивное веб-приложение
Вы можете управлять своим iSocket через удобный интерфейс как с телефона, так и с компьютера.
Невероятная безопасность!
iSocket имеет несколько уровней безопасности: ваши данные защищены.
Сделано в Финляндии
Все продукты iSocket разрабатываются и производятся в Финляндии в соответствии со строгими стандартами качества и имеют национальные сертификаты.
Он просто делает то, что говорит, один хорошо сделанный продукт, который будет делать то, что я хочу.
Барри Фокс,
из Великобритании
Отличный продукт, у нас есть курятник, и это позволяет нам держать цыплят в безопасности, замечательный продукт, облегчает жизнь.
РЕЙНИ,
из Великобритании
Купить было легко и быстро. Видео на ютубе помогло. ваше здоровье
Мэтью, 9 лет0019
из Австралии
Я бы сказал, что это лучшее решение для мониторинга отключения электроэнергии, доступное на рынке.
Ник,
из Великобритании
Оповещение о сбое питания работает идеально для меня! Держите меня в курсе новых изокетов в вашем портфолио!
Дон,
из Соединенного Королевства
Как работает функция предупреждения об отключении электроэнергии
iSocket имеет ряд встроенных функций, однако уведомления о сбое питания являются основной функцией iSocket. Узнайте, насколько легко настроить и запустить эту систему, а также предотвратить потерю или повреждение вашего имущества при отключении электроэнергии, и вам нужно знать об этом.
КУПИТЬ СЕЙЧАС
Мы предлагаем простую одностраничную проверку, где вы можете выбрать свои приложения, и мы предложим вам лучший план, а также подходящую модель и аксессуары. Мы предлагаем быструю доставку — обычно около 3 рабочих дней.
ПОДКЛЮЧЕНИЕ К РОЗЕТКЕ
Подключите iSocket к розетке и подождите, пока он подключится к мобильной сети.
Он поставляется предварительно настроенным на основе вашего заказа! Это решение Plug-and-Go. Просто подключи и работай!
ПОЛУЧИТЬ ПРЕДУПРЕЖДЕНИЕ О СБОЕ ПИТАНИЯ И ДЕЙСТВОВАТЬ СООТВЕТСТВУЮЩИМ ОБСТОЯТЕЛЬСТВАМ
«Предупрежден — значит вооружен». Если вы своевременно проинформированы об отключении электроэнергии, вы сможете быстро принять меры по устранению неисправности и избежать катастрофы.
Да, это так просто! Мы создадим для вас учетную запись на портале iSocket World IoT, и ваш iSocket начнет работать «из коробки», без дополнительных настроек, без договоров, без необходимости новой телефонной линии или чего-то еще, что усложняет жизнь. Просто подключи и работай! Вы можете изменить настройки, добавить новые номера для уведомлений и многое другое в любое время.
Небольшая плата за душевное спокойствие и комфорт, которые дает вам iSocket
Помните, что стоимость ущерба от отключения электроэнергии может быть значительно больше, чем стоимость решения, которое будет отправлять вам уведомления об отключении электроэнергии.
И помните, оповещение об отключении питания — не единственная функция, которую предлагает вам iSocket.
КУПИТЬ СЕЙЧАС
Где люди используют iSocket?
iSocket используется для мониторинга отключений электроэнергии по всему миру многими людьми в различных приложениях. Просмотрите эти приложения и узнайте, как iSocket может вам помочь. Помните, что стоимость ущерба от отключения электроэнергии может быть значительно больше, чем стоимость решения, которое будет отправлять уведомления о сбоях питания прямо на ваш мобильный телефон .
Люди по всему миру используют iSocket в своих домах и офисах для мониторинга отключений электроэнергии и удаленного запуска или остановки оборудования.
Дома и в офисе
Джон и другие фермеры, подобные ему, используют iSocket для дистанционного управления электропитанием кормушек для крупного рогатого скота.

На фермах
Ники и Анна получат немедленное уведомление, если на берегу отключится электричество, и им нужно проверить лодку.
На лодках для предупреждения о потере мощности на берегу
Клиенты используют iSocket для контроля мощности серверов в центрах обработки данных.
В центрах обработки данных
В рыбной промышленности iSocket используется для контроля электропитания насосов и другого оборудования, используемого в рыбной промышленности и рыбной промышленности.
Рыболовство и морепродукты
Альберто и ряд других владельцев теплиц используют iSocket для контроля энергоснабжения, а также для удаленной остановки или запуска систем орошения.

Теплицы
Если вы не можете найти приложение, которое точно соответствует вашим потребностям, используйте его просто для спокойствия, которое оно вам предлагает. Мы предлагаем 30-дневная гарантия возврата денег — верните товар, если он вас не полностью удовлетворил.
Что говорят клиенты
Несколько лет назад, примерно в 2015 году, мы попросили одного из наших постоянных клиентов Рика МакЭндрю из Австралии оставить нам отзыв об iSocket. У него есть лодка, и он рассказывает, что происходит, когда отключается электричество, и почему для него важно немедленно получить предупреждение об отключении электроэнергии. ПРИМЕЧАНИЕ: это отзыв о предыдущем поколении iSocket, где вам нужно использовать SIM-карту. Новый iSocket является Plug-and-Go — подключение интегрировано. Это стало решением без разочарований — оно работает из коробки. Он сообщит вам об отключении электроэнергии вскоре после того, как вы подключите его.
Самое время приобрести свой iSocket — специальное ограниченное предложение при покупке двух
Купите два iSocket вместе с друзьями и получите отличную скидку. Это небольшая плата за душевное спокойствие и комфорт, которые дает вам iSocket.
КУПИТЬ СЕЙЧАС
Лучшее для США?
Люди во всем мире используют iSocket для мониторинга сбоев питания и для других приложений . Почему бы и нет? Узнайте, что делает iSocket отличным выбором для мониторинга перебоев в подаче электроэнергии в США?
Кто мы?
Мы, iSocket Systems, изобрели эту технологию мониторинга перебоев в подаче электроэнергии более 10 лет назад.
Да, мы придумали это! Мы компания с репутацией.
Этапы оформления заказа
Выполнив несколько простых шагов, вы станете еще одним счастливым обладателем iSocket.
Нажмите Купить сейчас.
Мы предлагаем быструю доставку.
Просто начните пользоваться. Мы гарантируем ваше удовлетворение!
Нужен ли мне Wi-Fi или любое другое подключение к Интернету?
Неа! При сбое питания Wi-Fi тоже. iSocket — решение для сотовой связи!
Какова стоимость владения? Нужен ли мне тарифный план?
Вам не нужна собственная SIM-карта или тарифный план.
Этот новый (с 2021 года) iSocket представляет собой простое решение Plug-and-Go со встроенными возможностями подключения, которое позволяет вашему iSocket подключаться к любой доступной сотовой сети. Мы предлагаем вам план пропорционально используемым вами функциям. Вы увидите свой план при оформлении заказа после того, как вы выбрали свои приложения. Наши цены лучше, чем у местного поставщика . Более того, вы получаете не просто голое соединение, как было бы с вашим локальным провайдером, но и удобный интерфейс для работы с iSocket и потрясающую поддержку, которую мы не смогли бы предоставить, если бы продавали вам только оборудование. Кроме того, у вас есть 30-дневный бесплатный тестовый период и 30-дневная гарантия возврата денег.
Проверяете ли вы продукцию перед отправкой? Как вы тестируете?
У нас есть полный 100% тест на сжигание во время производства.
Мы проводим функциональное тестирование перед отправкой. Этот тест может занять до 30 минут для каждого продукта, поскольку специально разработанная система проверяет все аспекты производительности iSocket на основе обширной документации. Когда вы покупаете напрямую у iSocket Systems, наша система проверяет, пройден ли тест. Товар, не прошедший проверку, отправить нельзя — система его обнаружит и запретит. Мы уделяем особое внимание мощности сигнала. Мы отбраковываем устройства, если качество сигнала ниже, чем обычно для области, где мы проводим тест. Если продукт имеет температурную функцию и заказан с датчиком температуры, мы тестируем его и проверяем, правильно ли он показывает температуру. Затем мы также проверяем функцию отключения питания для устройств, где эта функция доступна. Наконец, мы сбрасываем устройство по умолчанию и упаковываем его для отправки. 100% гарантия того, что вы получите проверенный и работающий продукт.
Как долго вы на рынке?
Мы компания с репутацией, которая изобрела эти технологии мониторинга отключения электроэнергии более 10 лет назад, когда мир еще не знал о них.
Мы их новаторы, и мы здесь, чтобы остаться!
Какой тип телефона будет работать с iSocket?
Любой мобильный телефон! Даже телефон от бабушки, если он сотовый 😉 А если серьезно, то неважно, есть ли у вас iPhone, Samsung, BlackBerry, контрактный телефон Verizon или залоченный телефон AT&T или даже старенькая Nokia 250. По сути, iSocket и ваш телефон не зависят друг от друга. Телефон нужен только для того, чтобы принимать текстовые сообщения или звонки об отключении электроэнергии и других тревожных событиях — точно так же, как вы принимаете сообщения и звонки от друзей. Более того, iSocket может отправить голосовое сообщение на стационарный телефон. Вы можете управлять своим новым Plug-and-Go iSocket с компьютера, если у вас нет смартфона.
iSocket мне нужен только для удаленного включения/выключения или перезапуска модемов (маршрутизаторов) — зачем мне план?
Вам не нужна собственная SIM-карта или тарифный план, но с нами у вас будет тарифный план.
Мы предлагаем вам план пропорционально используемым вами функциям. С 2021 года iSocket — это простое решение со встроенными возможностями подключения, которое позволяет вашему iSocket без дополнительной настройки подключаться к любой доступной мобильной сети. Мы платим операторам сотовой связи базовую плату за поддержание работоспособности вашего iSocket. Кроме того, мы платим комиссию за использование данных. Мы также платим центрам обработки данных за поддержку работы вашего iSocket в режиме 24/7/365. На самом деле большая часть платежа пойдет третьим лицам. В то же время наши цены остаются лучше, чем у местных поставщиков , потому что мы покупаем услуги в больших объемах.
Когда вы используете iSocket только время от времени, мы продолжаем платить за такие услуги третьим сторонам. Наконец, только функция удаленного переключения (перезагрузки) использует тот же объем данных/сервисов, что и любая другая функция, такая как оповещение об отключении питания или даже больше, поскольку для удаленного доступа к ней требуется, чтобы устройство всегда было в сети.
Могу ли я купить его сейчас и начать использовать позже? Когда истечет мой тестовый период?
Ознакомьтесь с нашей обновленной Политикой активации учетных записей и устройств в разделе 9.2.
Защищены ли данные моей кредитной карты при оплате через ваш веб-сайт?
Конечно! Мы не храним данные вашей карты. Наш платежный провайдер BlueSnap соответствует требованиям PCI. Вы также можете оплатить через PayPal, если хотите.
Сколько действует гарантия и к кому обращаться в случае претензии?
Условия гарантии для продуктов, приобретенных у разных продавцов, могут различаться. Вам необходимо обратиться к продавцу, который продал вам товар в гарантийном случае.
Если вы заказали продукт непосредственно у iSocket Systems, мы предлагаем полную гарантию не менее одного года с даты покупки. Если вы столкнулись с неисправностью, пожалуйста, свяжитесь с нами. Мы стремимся дать вам полное удовлетворение при работе с гарантией! В этом наше преимущество перед безымянными продавцами или корпорациями, которым наплевать на то, что они продали вам товар.
Это iSocket 4G или 5G?
Простой ответ: это 5G.
Правильный ответ:
«Г» означает генерацию, ничего не говорит о технологиях. Это вводящая в заблуждение терминология, созданная маркетологами. Мы тоже подсели на эту терминологию лет 7 назад и было ошибкой добавлять ее к названию продукта iSocket 3G, которое сейчас (с 2021 года) устарело для США.
Технологии, которые мы сейчас используем в новом iSocket под названием eMTC и NB-IoT — см.
Википедию.
Это новейшие технологии, созданные специально для таких устройств, как iSocket. На самом деле вам не нужно думать об этом с точки зрения «G», вам просто нужно знать, что с этими технологиями ваш iSocket будет работать более 10 лет (вероятно, 20+). Это новейшие технологии, которые даже не развернуты в некоторых странах, однако США полностью охвачены eMTC. Опять же, новый iSocket представляет собой совершенно новый подход — вы не думаете о технологиях, сетях, покрытии в вашем регионе, SIM-картах, операторах связи, контрактах, сложных настройках и т. д. — вы просто получаете решение Plug-and-Go, которое будет работать. в любом месте и будет длиться.
Если вам нравится говорить о «G» в маркетинговых терминах, мы можем дать простой ответ: это 5G (см. ту же ссылку на Википедию).
Будет ли iSocket уведомлять меня о восстановлении питания?
Абсолютно!
Как быстро доставка и сколько стоит?
Мы предлагаем бесплатную доставку для всех заказов.
Обычно мы отправляем в тот же или на следующий рабочий день, и доставка обычно занимает 1-3 рабочих дня. Например, доставка в Нью-Йорк обычно осуществляется на следующий рабочий день после отправки. Для некоторых удаленных мест это может занять до 5 рабочих дней. Позже мы планируем ввести точные расчеты доставки на основе почтового индекса при оформлении заказа. Вероятно, когда вы читаете этот FAQ, он уже есть.
Могу ли я использовать свою SIM-карту?
Вся идея этого нового (с 2021 года) iSocket заключается в том, что это беспроблемное решение, когда конечным пользователям не нужно думать о SIM-картах, сетях и так далее. Первые 10 лет (с 2010 года), когда мы продавали только оборудование, наша служба поддержки была переполнена вопросами о многочисленных проблемах, связанных с SIM-картами и доставкой SMS.
Мы бы сказали, что около 99% проблем были по этой причине. Мы не будем, что плохой опыт для наших клиентов больше.
В любом случае вы должны были заплатить своему оператору мобильной связи за SIM-карту и использование данных. Текстовое (SMS) управление даже не рассматривается — это устаревшая технология, не позволяющая сколько-нибудь качественного мониторинга в реальном времени. Доставка SMS, сгенерированных не человеком, во многих странах регулируется, и все больше и больше стран вводят ограничения на это. Особенно это касается Северной Америки и Австралии. Также заметно, что тарифы только для SMS стали редкостью. Текстовые сообщения (SMS) от машин к людям больше не надежны ни в одной стране.
Основные планы мобильных операторов рассчитаны на использование большого объема данных для работы в Интернете. Новые специальные планы для IoT (Интернет вещей) обычно имеют небольшой объем данных за значительную плату. Наши планы разрабатываются пропорционально используемым функциям и выгоднее для вас, чем любые планы от местных операторов.
Кроме того, вы получаете не просто подключение, а комплексное решение. Помимо просто подключения, которое вам все равно придется покупать у вашего провайдера, вы получаете абсолютно удобный интерфейс для управления вашим iSocket, гарантированное подключение к ЛЮБОЙ доступной мобильной сети, а мы ведь сможем оказать эффективную поддержку, что невозможно, когда клиенты используют собственные SIM-карты.
Во всех отношениях новый iSocket со встроенной возможностью подключения намного лучше!
Не говоря уже о том, что это iSocket на века — он поддерживает все современные мобильные технологии, которые останутся в ближайшие десятилетия.
Могу ли я также получать электронные и голосовые уведомления об отключении и восстановлении питания?
Да, ты можешь! Текстовые, голосовые или электронные уведомления об отключении электроэнергии, а также событиях восстановления питания доступны в этом новом iSocket с 2021 года.
Голосовые сообщения можно настраивать. Настоятельно рекомендуется использовать голосовые оповещения об отключении электроэнергии, поскольку на них не распространяются различные правила/ограничения, установленные операторами для текстовых сообщений в некоторых странах, даже несмотря на то, что мы внесены в белый список для таких оповещений.
Сколько номеров можно добавить для уведомлений об отключении электроэнергии и предупреждений о температуре?
В новый Plug-and-Go iSocket с 2021 года можно добавить неограниченное количество телефонов для оповещений об отключении электроэнергии, а также для уведомлений о других тревогах, таких как повышение/понижение температуры, взлом, утечка воды, утечка газа и т. д.
Могу ли я использовать его время от времени несколько раз в год или около того без плана?
Связь интегрирована в iSocket.
Мы платим третьим сторонам несколько сборов, даже если вы не платите нам. Вы можете прекратить использовать его в любое время, это не договорное соглашение. Есть варианты временной приостановки, но в основном они предназначены для защиты вас от потери ваших устройств. Подробности см. в Условиях использования — в Главе 9.объясняем небюрократическим языком, как это работает. Эта политика может подойти для ваших целей. В противном случае, пожалуйста, считайте свои расходы годовыми расходами — подобно тому, как вы платите страховым компаниям за свой автомобиль, дом и никогда им не пользуетесь, или тому, что вы платите за радиовещание, телевидение и т. д. — даже если вы не используете их все. время или налоги, которые вы платите за удаленную хижину, которую вы посещаете всего несколько раз в году и, вероятно, никогда не посещаете зимой.
Могу ли я платить за тарифный план за год, а не за месяц?
Мы используем классическую предоплаченную модель — вы можете положить любую сумму на баланс своего счета, и с нее будет уменьшена плата за обслуживание в соответствии с вашим планом и использованием текстовых / голосовых сообщений или других разовых операций с оплатой.
Выставление счетов осуществляется ежедневно для плана (что означает, что определенная сумма вычитается из баланса вашего счета ежедневно в соответствии с вашим планом) или на основе события для единовременной оплаты операций, таких как текстовые / голосовые сообщения (например, Pay As You Go, PAYG) . Допустим, вы поставили 100 долларов, ваш план 3,9 доллара.9/мес, и у вас есть 200 сообщений за данный год. Баланс вашего счета к концу этого года составит 34,12 доллара США (100–3,99 доллара США*12–200*0,09 доллара США). Если вы можете рассчитать среднее использование текстовых/голосовых сообщений об отключении электроэнергии или других предупреждений, вы можете пополнить баланс своего счета на сумму, необходимую вам в течение одного года. Вы можете добавить дополнительные функции к своему плану в любое время, это изменит ваш ежемесячный платеж, и поэтому баланс вашего счета будет исчерпан раньше. Мы предоставляем всю информацию о вашем плане и сборах в разделе «Оплата» вашей учетной записи.
Все прозрачно, и вы сами решаете, сколько положить на баланс своего счета заранее. Вы также можете настроить автоматическое пополнение.
Могу ли я вернуть товар, если он меня не устраивает?
Вы имеете полное право вернуть товар в соответствии с условиями вашего продавца и законодательством, действующим в вашей стране. Пожалуйста, уточняйте условия продажи и возврата в каждом отдельном случае у вашего продавца. Если вы приобрели продукт непосредственно у iSocket Systems, мы предлагаем полную гарантию возврата денег до 30 дней вместе с бесплатным тестовым периодом до 30 дней.
Нужны ли мне технические навыки для использования iSocket?
Неа! У нас более 10 лет опыта в этой области, и мы изобрели эти технологии мониторинга.
Мы знаем ваши потребности и способны удивить вас тем, насколько просто и легко все будет работать из коробки без сложной настройки. Мы настроим iSocket для вас на основе вашего заказа, и вы сможете вносить изменения в любое время через удобный интерфейс с вашего мобильного телефона или компьютера. Этот новый (с 2021 года) iSocket, который сочетает в себе весь наш более чем 10-летний опыт, действительно потрясающий! Мониторинг мощности, энергии, температуры и сигналов тревоги еще никогда не был таким простым!
Только для некоторых тревожных датчиков (детекторы движения, дыма или газа) вам потребуется помощь с проводкой. Это другая история, и только немногие клиенты требуют этого.
Я представитель прессы и хочу оставить отзыв о вашем продукте. Как с вами связаться?
Пожалуйста, свяжитесь с нами через эту форму.
Свяжитесь с нами
Вы получите ответ от нас, производителя, в Финляндии.
Мы знаем наш продукт — мы знаем ваши проблемы. Мы стремимся ответить в течение 12 часов. Для получения технической поддержки для существующих клиентов перейдите по этой ссылке.
Связаться с отделом продаж
- 650-353-5786 (с 4:00 до 16:00 по восточному поясному времени)
+44 20 8123 8136 (Великобритания, с 8:00 до 19:00 по Гринвичу)
+358 9 23163010 (английский, 9-19) - Техническая поддержка существующих клиентов
- Чтобы прикрепить файл, используйте эту форму
Сейчас лучшее время, чтобы приобрести iSocket по выгодной цене. Действует только на ближайшие дни.
С iSocket ваш дом будет под контролем , вы сможете удаленно включать и выключать бытовую технику и всегда будете знать, когда отключится электричество.
КУПИТЬ СЕЙЧАС
Приложение для отключения питания — монитор с уведомлениями
Приложение для отключения электроэнергии
Power Monitor
с уведомлениями
Black Out App теперь является приложением Power Outs App
. будет отслеживать перебои в подаче электроэнергии и ее восстановление.
Fast Operation
Подключите зарядное устройство и нажмите кнопку воспроизведения. Остальные оставляют их в приложении Power Outage.
Будьте защищены
Много раз электричество является вопросом или защитой. Будьте впереди и в курсе.
Фонарик
Удобная функция, которая всегда под рукой, когда она нужна в трудные времена отключения электроэнергии.
Это для вашего удобства.
* Зеленый означает мониторинг отключений электроэнергии
Уведомления
Вы будете получать уведомления о состоянии питания при сбое, восстановлении питания, запуске и остановке мониторинга и многом другом.
Telegram
Последнее дополнение для мгновенного уведомления в тот момент, когда это происходит. См. Телеграмму ниже
Электронная почта
Вы будете получать информативные электронные письма для каждого состояния монитора.
Тревога
Звуковая и визуальная сигнализация при отключении/отказе питания. Включите его и протестируйте, прежде чем начать мониторинг.
Telegram
Что такое Telegram?
Быстрая и надежная платформа для обмена сообщениями, которая всегда онлайн.
Мгновенное уведомление
Для получения сообщения об отключении питания требуется менее секунды. Это быстро.
Безопасность превыше всего
Telegram — одна из самых безопасных платформ обмена сообщениями, где ваши данные остаются вашими данными.
Почему Telegram?
Вы можете использовать старое устройство в качестве монитора, а основное устройство — в качестве приемника сообщений. Довольно удобная настройка. Прочтите FAQ ниже, чтобы узнать, как это сделать.
* Реальные уведомления от Telegram
Информация о запуске и остановке
При нажатии кнопки «Воспроизвести» или «Стоп» (вмешательство человека) придет информационное сообщение.
Power Monitor Info
При отключении или восстановлении питания (автоматическая функция) появится информационное сообщение.
Информация о батарее
Если заряд батареи составляет 20%, появится сообщение.
Интернет-информация
Рекомендуется использовать Wi-Fi и сотовые данные. Когда есть изменение, об этом будет сказано в сообщении.
Скриншоты
Настройки
Идентификатор устройства
Установите уникальное имя для устройства мониторинга. Вы можете использовать несколько устройств. Это имя используется в уведомлениях.
Продолжительность тревоги
Продолжительность отображения тревоги. По умолчанию 5 секунд.
Звуковой сигнал
Включить или нет. Если этот звук включен, он обязательно вас разбудит.
Справка
Кнопка прямого перехода на полезную страницу часто задаваемых вопросов.
Со всей необходимой информацией.
* Спасибо за использование отключения питания 😀
Чувствительность обнаружения
Вам нужно избегать микроотключений? Установите его на 5 секунд или больше. Все, что вам подходит.
Telegram
Включите его и введите ChatID, чтобы получать сообщения Telegram в боте Telegram Power Outage. Очень удобно, см. FAQ для подробной процедуры.
Электронная почта
Старые добрые уведомления по электронной почте, просто введите свой адрес электронной почты. Также нажмите TEST на главном экране, чтобы увидеть, что происходит.
Служба поддержки
Если часто задаваемых вопросов недостаточно, мы поможем вам. Отправьте свое сообщение напрямую в службу поддержки, и вскоре вы получите ответ.
Как раз то, что мне было нужно
⭐️⭐️⭐️⭐️⭐️Когда цыплята находятся под обогревателями, задержка согрева их после сбоя питания может быть смертельной. Мне нужно было что-то простое. Мне просто нужно знать, когда отключится электричество. Больше ничего. В этой удаленной обстановке в любое время, когда погода меняется, электричество может отключиться. Это приложение позволяло мне спать, зная, что мои цыплята в тепле и в безопасности. Спасибо!
от Wreaders
Спасает нашу кофейню от замерзания
⭐️⭐️⭐️⭐️⭐️Приложение отлично работает для нашей кофейной тележки. Он предупреждает нас в случае сбоя питания, когда наш кофейный грузовик находится на складе. Мы можем отреагировать до того, как водопровод замерзнет и температура в холодильнике достигнет опасной зоны. Теперь я могу спать по ночам, когда температура опускается ниже нуля.
Спасибо!от Sacred Groundz Coffee
Как раз то, что мне нужно для сна
⭐️⭐️⭐️⭐️⭐️Во время сильного дождя это именно то, что мне нужно для сна. Поскольку дренажный насос отключался каждые 45 секунд, мне нужно было знать, не произошло ли у нас перебоев в подаче электроэнергии, чтобы я мог подключить насос к генератору, чтобы вода не переполняла помещение и не затопляла подвал. Спасибо!
от Newipadmom2
Делаю работу
⭐️⭐️⭐️⭐️⭐️Я использую его, чтобы получать информацию, когда в моем доме отключается электричество. У меня есть много вещей в морозильной камере, и иногда электричество отключается не из-за основной сети, а из-за кратковременного перенапряжения, и предохранители должны быть снова включены. Это приложение позволяет мне узнать, и я могу позвонить своему соседу, чтобы проверить предохранители.
Спасибо.Атласбодрум
Приложение Black Out
⭐️⭐️⭐️⭐️⭐️Не могу придраться к этому приложению, сразу же предупреждает меня, если отключается электричество, отключается УЗО и т. д.! Затем у вас будет время, чтобы разобраться со всем, что требует сортировки, например, использовать резервные батареи для важных вещей, чтобы можно было сбросить поездку без потери обслуживания или сброса устройств.
от Whitee127
Black Out — Отключение питания Электронная почта
⭐️⭐️⭐️⭐️⭐️Действительно элегантное программное обеспечение, которое делает именно то, что написано на жестяной банке — очень просто. Именно то, что я искал.
по *отключено
Отличное приложение! 5Отличное приложение! 5Отличное приложение!
⭐️⭐️⭐️⭐️⭐️5 звезд, потому что это потрясающее приложение kai giati einai kai ellinas.
. kai an den penepsoume to spiti mas… hahahaот 59design
Отличное приложение!
⭐️⭐️⭐️⭐️⭐️Это приложение не только работает должным образом, но и имеет фантастическую поддержку. Я не знал, что экран и приложение должны оставаться открытыми, но быстрое электронное письмо от разработчика решило это. Он даже объяснил, почему так должно быть. Большое спасибо.
от rickersred
Часто задаваемые вопросы
Этот раздел специально создан для полного понимания приложения Power Outage.
Если у вас остались вопросы, свяжитесь с нами через настройки Power Outage.
- Общий
Что такое приложение Power Outage?
Это приложение, которое отслеживает перебои в подаче электроэнергии (сбои), имеет сигнал тревоги и может отправлять вам уведомления в Telegram и на вашу электронную почту.
Для кого?
- Всем, у кого есть хрупкое электрическое оборудование, которое может быть повреждено отключением электроэнергии,
- Любой, чье оборудование уничтожено из-за перебоев в подаче электроэнергии (например, холодильники),
- Любой, кого необходимо уведомить об отключении электроэнергии,
- Тот, кто считает безопасность превыше всего
Почему это полезно?
- Разбудит вас, когда вы спите,
- Отправит вам уведомление по телеграмме/электронной почте при отключении питания,
- Отправит вам уведомление по телеграмме/электронной почте, когда питание будет восстановлено,
- Удобен в районах с торнадо или землетрясениями, потому что обычно электричество отключается до торнадо.
Каковы преимущества использования приложения для контроля питания?
Приложение живет на устройстве (iPhone/iPad), которое может иметь встроенную связь 3G/4G и, конечно же, аккумулятор.
При отключении электроэнергии он будет подключен к Интернету и может информировать вас о любом состоянии питания.
Что случилось с приложением Black Out (старое название)?
Новое имя означает большую возможность обнаружения пользователями, которым нужно такое приложение, как Power Outage. Так что Black Out отказались от более простого названия приложения.
В Telegram также появился новый бот (названный «Приложение Power Outage» (@poweroutage_app_bot)), который будет работать как раньше. Никаких новых настроек в Telegram делать не нужно.
- оборудование
Какие устройства поддерживаются?
- Любое устройство iOS с iOS 12 или новее
- iPhone 5s (обновлен до последней версии iOS) (2013 г.) или новее
- iPod Touch 6-го поколения (2015 г.) или новее
- iPad Air (2013 г.) или новее
- iPad Mini 2 (2013 г.) или новее
Какова оптимальная установка для контроля мощности?
- iPhone 5, обновленный до iOS 10.
3.4 - SIM-карта с включенным тарифным планом сотовой связи (3G/4G)
- Оригинальное зарядное устройство
- Оригинальный зарядный кабель
- Оригинальный аккумулятор (если аккумулятор обслуживается)
Сколько устройств iOS мне нужно?
- Для автономного монитора
- Только одно устройство, ваше основное.
- Для удаленного монитора или мониторов
- Ваше основное устройство, на которое вы хотите получать уведомления.
- Любое другое устройство/устройства, которые будут оставлены подключенными к зарядному устройству для отслеживания перебоев в подаче электроэнергии.
Почему вы предлагаете iPhone 5?
iPhone 5 — это надежное устройство, которое сегодня можно найти по дешевке, оно очень надежное, и его также можно использовать в качестве резервного устройства. Имеет также очень хорошее сотовое соединение для передачи данных (3G/4G).
Устройства, всегда подключенные к зарядным устройствам, могут работать со сбоями?
iPhone и iPad — самые безопасные устройства, которые вы можете использовать, но бывают редкие случаи, когда какое-то оборудование, всегда подключенное к зарядным устройствам, выходит из строя.
В частности, iPad можно использовать в качестве киоска, то есть всегда подключенного к источнику питания. В любом случае используйте свое оборудование на свой страх и риск, поскольку приложение Power Outage не несет ответственности за какие-либо неисправности.
Если я использую оригинальное зарядное устройство, кабель и аккумулятор, застрахован ли я от какой-либо неисправности?
Сообщалось о случаях неисправности оригинального оборудования. Но такие действительно редкость. Используйте свое оборудование на свой страх и риск и проверяйте его перед эксплуатацией.
Могу ли я отслеживать перебои в подаче электроэнергии без зарядного устройства?
К сожалению нет, нельзя. Зарядка или нет — это способ, с помощью которого приложение Power Outage может понять, есть питание или нет.
Как насчет снижения срока службы батареи?
Аккумулятор устройства (тот, который используется в качестве монитора) разряжается, но это зависит от его исходного состояния и от того, оригинальный он или нет.
Будет делать это, потому что большую часть времени будет подключено. Именно поэтому рекомендуется использовать старое устройство, которое вы больше не используете.
- операция
Как начать мониторинг мощности?
- Убедитесь, что вы подключены к Wi-Fi и включена передача данных по сотовой сети.
- Если нет WiFi, просто оставьте сотовые данные включенными.
- Проверьте настройки, чтобы настроить приложение Power Outage
- Включите как минимум уведомления Telegram для получения мгновенной информации о состоянии питания.
- Подключите устройство к зарядному устройству.
- Когда гром станет синим, нажмите кнопку воспроизведения, чтобы начать.
- Оставить как есть. Если что-то случится, вы будете уведомлены.
- Вы можете нажать «Стоп», чтобы остановить мониторинг питания.
Цвет грома — что это значит?
- СИНИЙ
- Зарядное устройство подключено.

- Приложение Power Outage готово к мониторингу, просто нажмите кнопку Play.
- Вы можете проверить настройки, нажав кнопку TEST
- Визуальный сигнал тревоги отображается в течение установленного времени,
- Звуковой сигнал тревоги, если он включен,
- Сообщение телеграммы, если включено,
- Электронная почта, если включена.
- Кнопка настроек
- ЗЕЛЕНЫЙ
- Ваше устройство отслеживает перебои/сбои в подаче электроэнергии.
- КРАСНЫЙ
- Отключение электроэнергии.
- Ваше устройство отслеживает восстановление питания.
- СЕРЫЙ
- Ваше устройство не может контролировать питание.
- Подключите устройство к зарядному устройству.
Устройство должно быть постоянно открыто?
Да, устройство и приложение Power Outage должны быть постоянно открыты и запущены. Apple Inc. не позволяет приложениям отслеживать уровень заряда батареи в фоновом режиме.
Могу ли я использовать несколько устройств в качестве мониторов и одно в качестве приемника уведомлений?
Это оптимальная настройка. У вас много мониторов в разных местах (отредактируйте «ИДЕНТИФИКАТОР УСТРОЙСТВА»), и все они отчитываются перед вашим основным устройством.
Зачем кнопка фонарика?
Для вашего удобства. В случае отключения электроэнергии ночью первое, что вы будете искать, это фонарик.
- батарея
Устройства, всегда подключенные к зарядным устройствам, могут работать со сбоями?
iPhone и iPad — самые безопасные устройства, которые вы можете использовать, но бывают редкие случаи, когда какое-то оборудование, всегда подключенное к зарядным устройствам, выходит из строя. В частности, iPad можно использовать в качестве киоска, то есть всегда подключенного к источнику питания. В любом случае используйте свое оборудование на свой страх и риск, поскольку приложение Power Outage не несет ответственности за какие-либо неисправности.
Если я использую оригинальное зарядное устройство, кабель и аккумулятор, застрахован ли я от какой-либо неисправности?
Сообщалось о случаях неисправности оригинального оборудования. Но такие действительно редкость. Используйте свое оборудование на свой страх и риск и проверяйте его перед эксплуатацией.
Могу ли я отслеживать перебои в подаче электроэнергии без зарядного устройства?
К сожалению нет, нельзя. Зарядка или нет — это способ, с помощью которого приложение Power Outage может понять, есть питание или нет.
Как насчет снижения срока службы батареи?
Аккумулятор устройства (тот, который используется в качестве монитора) разряжается, но это зависит от его исходного состояния и от того, оригинальный он или нет. Будет делать это, потому что большую часть времени будет подключено. Именно поэтому рекомендуется использовать старое устройство, которое вы больше не используете.
Получу ли я уведомление перед разрядкой аккумулятора?
Да, осталось 20% и только если приложение Power Outage отслеживает восстановление питания.
- интернет
Нужен ли мне тарифный план Wi-Fi или сотовой связи?
Да, необходимо для получения уведомлений Telegram/Email. Рекомендуется использовать сотовые данные, потому что при отключении/сбое питания ваш маршрутизатор, вероятно, отключится.
Могу ли я использовать приложение Power Outage без подключения к Интернету?
Да, но вы получите только звуковую и визуальную сигнализацию. Для работы уведомлений Telegram/Email требуется подключение к Интернету.
Будет ли у меня подключение к WiFi в случае отключения электроэнергии?
Нет, но это зависит от настройки вашей сети. Если у вас есть автономный резервный источник питания, подключенный к вашему модему/маршрутизатору, у вас может быть подключение к Интернету через WiFi. В любом случае, пожалуйста, проверьте, что произойдет в случае сбоя питания, потому что у вас может быть Wi-Fi без интернета.
Вот почему рекомендуется включить тарифный план сотовой связи на вашем устройстве. Если вы потеряли соединение WiFi, сотовые данные будут автоматически включены на вашем устройстве. И если у вас включены уведомления, вы их получите.
Получу ли я уведомление, если сотовые данные включены?
Да, при каждом изменении подключения к Интернету (WiFi/сотовая связь) вы получите уведомление.
- уведомления
Что такое настройка обнаружения?
Вы устанавливаете минимальную продолжительность отключения электроэнергии, чтобы получать уведомления. Например, когда вы выбираете 5 секунд, для получения уведомления должно быть отключение питания не менее 5 секунд. Так вы избежите микроотключений. Для мгновенных уведомлений выберите «!» и включите Telegram, который работает очень быстро.
Как включить уведомления Telegram?
- Войдите в настройки приложения Power Outage
- Включите переключатель, и появится всплывающее уведомление с инструкциями
- Нажмите кнопку «App Store»
- Загрузите приложение Telegram из App Store на свое основное устройство, на котором вы хотите получать уведомления Telegram.

- Приложение Telegram
- Зарегистрироваться в приложении Telegram
- На вкладке «Контакты» найдите «Приложение Power Outage» (@poweroutage_app_bot)
- Нажмите на него, чтобы открыть беседу
- Нажмите «СТАРТ»
- Запишите или скопируйте номер ChatID
- Приложение отключения питания
- В настройках введите или вставьте номер ChatID.
- Все, вы готовы получать уведомления Telegram.
Могу ли я использовать несколько устройств в качестве мониторов и одно в качестве получателя уведомлений Telegram?
Это оптимальная настройка. У вас есть много мониторов в разных местах (отредактируйте «ИДЕНТИФИКАТОР УСТРОЙСТВА»), и все они отправляют отчеты на устройство с определенным идентификатором чата.
Уведомления Telegram мгновенны?
Согласно различным тестированиям, Да являются мгновенными.
Мгновенно ли приходят уведомления по электронной почте?
Нет.
Тесты показали, что при отключении питания менее чем на 3 секунды будет отправлено только одно уведомление по электронной почте «Питание восстановлено» без предыдущего «НЕТ ПИТАНИЯ».
Почему звучит сигнал тревоги?
На случай, если вы хотите проснуться при сбое питания. Или если слепой человек использует приложение. Если есть торнадо или крупное катастрофическое событие, обычно также происходит отключение электроэнергии.
Можно ли изменить звук будильника?
Нет, нельзя. Лучше быть навязчивым и разбудить вас.
Мигает ли фонарик при тревоге?
Да. Мы должны оповещать глухих людей, если отключили электричество. Он мигает, когда тревога включена.
Получу ли я уведомление перед разрядкой аккумулятора?
Да, осталось 20% и только если приложение Power Outage отслеживает восстановление питания.
Получу ли я уведомление, если сотовые данные включены?
Да, при каждом изменении подключения к Интернету (WiFi/сотовая связь) вы получите уведомление.



Спасибо!
Спасибо.
. kai an den penepsoume to spiti mas… hahaha
3.4

