Как собрать простую цветомузыку на светодиодах. Какие компоненты нужны для сборки цветомузыки. Принцип работы и схема цветомузыки на светодиодах. Пошаговая инструкция по сборке своими руками.
Принцип работы цветомузыки на светодиодах
Цветомузыка на светодиодах работает по принципу преобразования звукового сигнала в световые эффекты. Основные компоненты такой системы:
- Микрофон или линейный вход для получения звукового сигнала
- Фильтры для разделения сигнала на частотные диапазоны
- Усилители для каждого канала
- Светодиоды разных цветов
- Микроконтроллер для обработки сигналов и управления светодиодами
Звуковой сигнал разделяется на несколько частотных диапазонов (обычно низкие, средние и высокие частоты). Каждому диапазону соответствует свой цвет светодиодов. При усилении сигнала в определенном диапазоне увеличивается яркость соответствующих светодиодов.
Необходимые компоненты для сборки цветомузыки
Для сборки простой цветомузыки на светодиодах своими руками понадобятся следующие компоненты:

- Светодиоды разных цветов (минимум 3 цвета)
- Транзисторы для усиления сигнала (например, КТ315 или BC547)
- Резисторы различного номинала
- Конденсаторы для фильтров
- Микрофон или линейный вход
- Печатная плата или макетная доска
- Источник питания 5-12В
- Провода для соединений
Точный набор компонентов зависит от выбранной схемы. Для начинающих рекомендуется использовать готовые наборы или простые схемы на 3-5 каналов.
Схема простой цветомузыки на светодиодах
Рассмотрим принципиальную схему простой трехканальной цветомузыки на светодиодах:
[Здесь должно быть изображение схемы]
Основные элементы схемы:
- Входной усилитель на транзисторе VT1
- Фильтры низких, средних и высоких частот на RC-цепочках
- Усилители для каждого канала на транзисторах VT2-VT4
- Светодиоды разных цветов LED1-LED3
Данная схема позволяет собрать простую цветомузыку с минимумом компонентов. Для более сложных эффектов потребуется микроконтроллер.
Пошаговая инструкция по сборке цветомузыки
Рассмотрим процесс сборки простой цветомузыки на светодиодах:

- Подготовьте все необходимые компоненты согласно схеме
- Соберите схему на макетной плате, начиная с входного усилителя
- Установите фильтры для разделения частот
- Подключите усилительные каскады для каждого канала
- Присоедините светодиоды через токоограничивающие резисторы
- Подключите источник питания (5-12В)
- Проверьте правильность всех соединений
- Подключите аудио вход и проведите тестирование
- При необходимости откорректируйте номиналы компонентов
- Перенесите схему на печатную плату для надежности
При сборке соблюдайте полярность светодиодов и электролитических конденсаторов. Не забудьте про теплоотвод для транзисторов.
Настройка и тестирование собранной цветомузыки
После сборки цветомузыки необходимо провести ее настройку и тестирование:
- Подключите источник звука (смартфон, компьютер) к входу цветомузыки
- Включите музыку и проверьте реакцию светодиодов
- Отрегулируйте чувствительность входного каскада
- Настройте частотные фильтры для четкого разделения каналов
- Проверьте работу на разных музыкальных композициях
- При необходимости измените номиналы компонентов для лучшего эффекта
Правильно настроенная цветомузыка должна реагировать на низкие, средние и высокие частоты соответствующими цветами светодиодов. Добейтесь плавного изменения яркости без резких вспышек.

Советы по улучшению работы цветомузыки
Чтобы улучшить работу самодельной цветомузыки, попробуйте следующее:- Увеличьте количество каналов для более детальной «картинки»
- Используйте операционные усилители вместо транзисторных каскадов
- Добавьте микроконтроллер для создания сложных световых эффектов
- Примените светодиодные ленты вместо одиночных светодиодов
- Сделайте корпус с отражателями для усиления светового эффекта
- Добавьте регулировки чувствительности и яркости для каждого канала
Экспериментируйте с различными схемами и компонентами, чтобы добиться наилучшего результата. Помните о безопасности при работе с электричеством.
Возможные проблемы при сборке цветомузыки и их решение
При сборке цветомузыки своими руками могут возникнуть следующие проблемы:
- Светодиоды не реагируют на звук — проверьте правильность подключения и работу входного усилителя
- Слабая яркость светодиодов — увеличьте коэффициент усиления каскадов или уменьшите сопротивление токоограничивающих резисторов
- Нечеткое разделение частот — настройте RC-фильтры, изменив номиналы компонентов
- Паразитные вспышки — устраните наводки, экранируйте входные цепи
- Перегрев транзисторов — установите радиаторы или замените на более мощные
Большинство проблем решается корректировкой схемы и подбором оптимальных номиналов компонентов. Не забывайте про качественную пайку и надежные соединения.

Заключение
Сборка цветомузыки на светодиодах своими руками — увлекательный проект для любителей электроники. Такое устройство позволяет «увидеть» музыку и создать неповторимую атмосферу на вечеринке или в домашнем интерьере. Начните с простой схемы, а затем экспериментируйте и создавайте более сложные световые эффекты. Удачи в сборке!
Цветомузыка на мощных светодиодах схема
Большинство людей с огромным удовольствием слушают музыку, используя для этого различную аппаратуру. Нередко возникает желание усилить ее положительное воздействие. Одним из таких способов является цветомузыка на диодах, выполненная в виде специальных приставок. С помощью диодов звуковые эффекты приобретают совершенно другую окраску, оказывая положительное влияние на эмоциональный настрой слушателей. Подобная радиоэлектронная техника обычно приобретается в готовом виде, но при наличии схемы, определенных знаний и навыков она вполне может быть изготовлена своими руками.
Принцип действия цветомузыки на светодиодах
Основой работы каждой схемы цветомузыкальной установки лежит физический принцип, связанный с частотным преобразованием музыки. Далее она передается через отдельные каналы и осуществляет управление подключенными световыми приборами. Данная цепочка связывает основные музыкальные характеристики с цветовыми элементами, которые соответствуют друг другу и работают во взаимной связи.
Этот принцип служит основой всех радиоэлектронных схем из области цветомузыки, в том числе и созданных самостоятельно.
Чаще всего цветовая гамма включает в себя как минимум три разных цвета, например, красный, зеленый и синий. Существует множество комбинаций, создаваемых в результате их смешивания, поэтому, если схема собрана нормально, она обязательно даст желаемый эффект. Для его достижения сигнал разделяется и работает на низких, средних и высоких частотах. Разделение осуществляется с помощью специальных фильтров LC и RC, устанавливаемых в общую цепочку светодиодной цветомузыкальной системы.
Существуют определенные параметры, используемые при настройке фильтров, работающих в собственной узкой частотной полосе и пропускающих колебания лишь на этом отрезке диапазона звучания:
- ФНЧ – фильтры низких частот. Частота колебаний, проходящих через них, достигает 300 Гц, а световой источник должен быть красного цвета.
- ФСЧ – фильтры средних частот. Способны пропускать колебания частотой от 250 до 2500 Гц, цвет источника света – желтый или зеленый.
- ФВЧ – фильтры высоких частот, пропускающие более 2500 Гц и работающие совместно с синим источником света.
Разделенные частоты схемы немного перекрывают друг друга, что дает возможность получать разнообразные цветовые оттенки в процессе работы. Основные цвета, перечисленные выше, не имеют принципиального значения, их вполне возможно заменить другими – наиболее подходящими для конкретной ситуации. В некоторых случаях конечный результат значительно превосходит ожидания, благодаря использованию нестандартных цветовых решений.
Схемы простые и сложные
Знакомство с цветомузыкой открывает наиболее простейшая схема. Как правило, такие устройства используют минимальное количество элементов – всего один светодиод, и по одному резистору и транзистору. Питание осуществляется через постоянный источник тока на 6-12В.
В собранном виде цветомузыка на светодиодах представляет собой усилительный каскад, дополняемый общим эмиттером. Основное действие оказывает сигнал с изменяющейся амплитудой и частотой, поступающий на базу.
При превышение частоты установленного порогового значения, происходит открытие транзистора. В этот момент на светодиод поступает питание и он сразу же загорается.
Такая простая цветомузыка может быть собрана с применением светодиодной ленты, к которой потребуется соответствующий транзистор. Существенный недостаток данной сборки заключается в прямой зависимости между уровнем звука и частотой мигания светодиодных лампочек. То есть, наиболее эффективно система будет работать при поддержке лишь одного, наиболее подходящего уровня звучания. При пониженной громкости мигание будет происходит реже, а на высоком уровне звука свет станет постоянным.
Данный недостаток легко убирается трехканальным звуковым преобразователем, который применяется в более сложных схемах. В этом случае потребуется питание напряжением 9 вольт, обеспечивающее нормальное свечение лампочек в соответствующих каналах.
Для сборки схемы трех каскадов усиления необходимо запастись транзисторами КТ315 или их аналогами КТ3102.
Нагрузкой служат светодиоды разных цветов. Усиливающая функция выполняется понижающим трансформатором, с помощью резисторов регулируются светодиодные вспышки, а вышеупомянутые фильтры пропускают через себя различные частоты.
Данную схему цветомузыки на светодиодах можно еще больше усовершенствовать. В первую очередь это касается яркости свечения, добавляемой за счет включения в цепочку маленьких лампочек накаливания на 12 вольт. В этом случае схема дополняется тиристорами управления, а питание всего устройства осуществляется через трансформатор.
Использование светодиодных лент
Схема цветомузыки со светодиодной лентой RGB работает от напряжения 12 вольт. В ней наилучшим образом совмещаются основные параметры обычных вариантов. Данное устройство может работать в разных режимах – в качестве осветительного прибора или цветомузыкального сопровождения.
Включение режима цветомузыки производится с помощью микрофона, бесконтактным способом. В случае перехода на режим освещения, все имеющиеся светодиоды одновременно запускаются на полную мощность.
Переход из одного состояния в другое выполняется специальным переключателем, для которого предусмотрена отдельная плата.
Порядок работы данной схемы осуществляется следующим образом:
- Основной сигнал поступает через микрофон, выполняющий преобразования звуковых колебаний фонограммы. Поскольку сила полученного сигнала, поступающего в цветомузыкальную схему, незначительная, его необходимо усилить. Для этой цели используется транзистор или специальный усилитель.
- Далее происходит запуск автоматического регулятора, удерживающего звуковые колебания в установленных рамках. Одновременно звук готовится к дальнейшей обработке.
- С помощью встроенных фильтров сигнал разделяется на три составляющие, для каждой из которых предусмотрен отдельный диапазон частоты.
- В конце всех действий выполняется усиление токового сигнала после его предварительной подготовки с применением транзисторов, функционирующих в режиме ключа.
Основные детали и компоненты
Перед тем как изготавливать аппаратуру для цветомузыки своими руками, необходимо заранее приготовить все детали и компоненты.
В схеме следует пользоваться лишь постоянными резисторами с диапазоном мощности 0,125-0,25 Ом. Корпуса элементов схемы промаркированы специальными полосками, указывающими на значение сопротивления. Дополнительно используются подстроечные резисторы R7, R10, R14, R18. Они могут быть разных типов, но единственным требованием к ним является возможность монтажа на плату, используемую для сборки.
Конденсаторы рассчитываются на рабочее напряжение от 16В и выше. В цветомузыке также могут использоваться любые типы этих устройств. Если невозможно найти конденсатор с нужными параметрами, допускается параллельное соединение двух других, с меньшими емкостями, составляющих в сумме требуемые показатели.
Сделанная цветомузыкальная схема не может обойтись без диодного моста. Обычно он рассчитывается на рабочий ток до 200 мА и напряжение 50 вольт. При отсутствии готового устройства можно воспользоваться несколькими отдельно взятыми выпрямительными диодами и смонтировать их для удобства на отдельной небольшой плате.
Основные цвета светодиодов – красный, зеленый и синий. Их общее количество определяется из расчета на один канал – 6 штук. Будут нужны стандартные транзисторы с любым индексом обозначения. Стабилизатор напряжения с артикулом 7805 рассчитывается на 5В, а устройство на 9В имеет обозначение 7809. При наличии опыта, цветомузыка собирается на плате Arduino и светодиодах.
Соединение музыкального центра с цветомузыкой осуществляется различными типами разъемов с тремя контактами. Последней деталью сборки служит трансформатор, который должен иметь наиболее подходящие параметры напряжения.
Оборудование цветомузыки в автомобиле
Цветомузыкальное оборудование используется не только в домашних условиях. Многие владельцы автомобилей устанавливают их совместно с магнитолами. В случае необходимости данная система работает в качестве подсветки внутри салона. Для устройства подобного типа освещения также применяются светодиоды, размещаемые на потолке в конфигурации «Звездное небо».
Такой вариант часто применяется не только в автомобилях, но и в конструкциях подвесных потолков квартир и частных домов.
Данная схема размещения при решении задачи, как спмостоятельно сделать цветомузыку из светодиодов, может быть использована в разных вариантах. В первую очередь, это равномерное распределение светодиодов в определенной конфигурации или в произвольной форме. Лампочки, применяемые в схеме, могут обладать различной мощностью свечения. То есть звездочки, имитируемые светодиодами, бывают яркими и неяркими. Эффективность подсветки во многом зависит от фона потолочного покрытия салона автомобиля или квартиры.
В случае установки системы цветомузыки на светодиодах своими руками, в процессе монтажа придется перетягивать потолок. В связи с этим, необходимо внимательно выбирать необходимые детали и затем тщательно монтировать их в единое целое. При каких-либо нарушений придется разбирать покрытие салона и исправлять ошибки. Поэтому, по окончании сборки, следует обязательно проверить работоспособность установленной аппаратуры.
После того как собрана цветомузыка, светодиоды вставляются в отверстия потолка и фиксируются с обратной стороны с помощью клея. Также необходимо заранее продумать надежное крепление стабилизатора напряжения и выключателя.
Чтобы собрать цветомузыку на светодиодах своими руками необходимо обладать базовыми знаниями электроники, уметь читать схемы и работать с паяльником. В статье мы рассмотрим, как работает цветомузыка на светодиодах, основные рабочие схемы, на основе которых можно собрать самостоятельно готовые устройства, а в конце пошагово соберем готовое устройство на примере.
По какому принципу работает цветомузыка
В основе цветомузыкальных установок, используется способ частотного преобразования музыки и его передачи, посредством отдельных каналов, для управления источниками света. В результате получается, что в зависимости от основных музыкальных параметров, работа цветовой системы будет ей соответствовать.
На этом прицепе основана схема, по которой собирается цветомузыка на светодиодах своими руками.
Как правило, для создания цветовых эффектов используется не менее трёх различных цветов. Это может быть синий, зелёный и красный. Смешиваясь в различных комбинациях, с разной продолжительностью, они способны создать поразительную атмосферу веселья.
Разделять сигнал на низкие, средние и высокие чистоты, способны LC и RC-фильтры, именно они устанавливаются и настраиваются в цветомузыкальную систему с применением светодиодов.
Настройки фильтров устанавливаются на следующие параметры:
- до 300 Гц на низкочастотный фильтр, как правило, его цвет красный;
- 250-2500 Гц для средних, цвет зелёный;
- все что выше 2000 Гц преобразует высокочастотный фильтр, как правило, от него зависит работа синего светодиода.
Деление на частоты, проводится с небольшим перекрытием, это необходимо, для получения различных цветовых оттенков, при работе прибора.
Выбор цвета, в данной схеме цветомузыки не принципиален, и при желании можно использовать светодиоды разных цветов на своё усмотрение, менять местами и экспериментировать, запретить не может никто. Различные частотные колебания в сочетании с применением нестандартного цветового решения, могут существенно повлиять на качество результата.
Для регулировки доступны и такие параметры схемы, как количество каналов и их частота, из чего можно сделать вывод, что цветомузыка может использовать большое количество светодиодов разных цветов, и возможна индивидуальная регулировка каждого из них по частоте и ширине канала.
Что необходимо, для изготовления цветомузыки
Резисторы для цветомузыкальной установки, собственного производства, могут использоваться только постоянные, с мощностью 0.25-0.125. Подходящие резисторы, можно увидеть на рисунке ниже. Полоски на корпусе показывают величину сопротивления.
Также в схеме применяются R3 резисторы, и подстроечные R — 10, 14, 7 и R 18 вне зависимости от типа.
Главное требование, возможность установки на плату, применяемую при сборке. Первый вариант светодиодной цветомузыки, собирался с применением резистора переменного типа с обозначением СПЗ-4ВМ и импортными — подстроечными.
Что касается конденсаторов, то использовать нужно детали с рабочим напряжением на 16 вольт, не менее. Тип, может быть любой. При затруднениях в поиске конденсатора С7, можно соединить параллельно, два меньших по ёмкости, для получения требуемых параметров.
Применяемые в схеме светодиодной цветомузыки конденсаторы С1, С6 должны быть способны работать на 10 вольтах, соответственно С9–16В, С8–25В. Если вместо старых советских конденсаторов, планируется использовать новые, импортные то стоит помнить, что они имеют различие в обозначении, нужно заранее определить полярность конденсаторов, которые будут устанавливаться, иначе можно перепутать и испортить схему.
Ещё для изготовления цветомузыки потребуется диодный мост, с напряжением 50В и рабочим током, около 200 миллиампер.
В случае, когда нет возможности установить готовый диодный мост, можно сделать его из нескольких выпрямительных диодов, для удобства их можно убрать с платы и смонтировать отдельно с применением платы меньшего размера.
Параметры диодов, выбираются аналогично применяемых в заводском исполнение моста, диодов.
Светодиоды, должны быть красного, синего и зёленого цвета свечения. Для одного канала их понадобится шесть штук.
Что касается транзисторов, то подойдут VT1 и VT2, индекс обозначения не важен.
Ещё один необходимый элемент, стабилизатор напряжения. Используется пятивольтовый стабилизатор, импортного производства, с артикулом 7805. Также можно применять 7809 (девятивольтовый), но тогда из схемы нужно исключить резистор R22, а вместо него ставится перемычка, соединяющая минусовую шину и средний вывод.
Соединить цветомузыку с музыкальным центром, можно при помощи трехконтактного разъёма «джек».
И последнее, что необходимо иметь для сборки, это трансформатор с подходящими параметрами напряжения.
Общая схема для проведения сборки цветомузыки, в которой используются описанные детали на фото ниже.
Несколько рабочих схем
Ниже будет предложено несколько рабочих схем цветомузыки на светодиодах.
Вариант №1
Для данной схемы можно использовать светодиоды любого типа. Главное, чтобы они были сверхяркими и разными по свечению. Схема работает по следующему принципу, сигнал с источника передаётся на вход, где сигналы каналов суммируются и далее направляются на переменное сопротивление.(R6,R7,R8) При помощи этого сопротивления уровень сигнала для каждого канала регулируется, после чего поступает на фильтры. Различие фильтров, в ёмкости конденсаторов, используемых для их сборки. Их смысл, как и в других устройствах, преобразовывать и очищать звуковой диапазон в определённых границах. Это верхние, средние и низкие частоты. Для регулировки в схеме цветомузыки установлены резисторы подстройки. Пройдя всё это, сигнал поступает на микросхему, которая позволяет устанавливать различные светодиоды.
Вариант №2
Второй вариант цветомузыки на светодиодах отличается своей простотой и подойдёт для начинающих любителей. В схеме участвует усилитель и три канала для обработки частоты. Установлен трансформатор, без которого можно обойтись, если сигнала на входе достаточно для открытия светодиодов. Как и в аналогичных схемах, применяются регулировочные резисторы, обозначенные как R4 – 6. Транзисторы можно использовать любые, главное, чтобы передавали более 50% тока. По сути, больше ничего не требуется. Схему при желании можно улучшить, для получения более мощной цветомузыкальной установки.
Пошаговая сборка наипростейшей модели цветомузыки
Для сборки простой цветомузыки на светодиодах потребуются следующие материалы:
- светодиоды размером пять миллиметров;
- провод от старых наушников;
- оригинал либо аналог транзистора КТ817;
- блок питания на 12 вольт;
- несколько проводов;
- кусок оргстекла;
- клеевой пистолет.

Первое с чего нужно начать, это изготовить, корпус будущей цветомузыки из оргстекла. Для этого оно разрезается по размерам и склеивается, клеевым пистолетом. Короб лучше сделать прямоугольной формы. Размеры можно корректировать под себя.
Для расчёта количества светодиодов, разделим напряжение адаптера (12В), на рабочее светодиодов (3В). Получается нам необходимо в короб, установить 4 светодиода.
Кабель от наушников зачищаем, в нём три провода, мы будем использовать один левого или правого канала, и один общего.
Один провод нам не понадобится и его можно изолировать.
Схема простой цветомузыки на светодиодах выглядит следующим образом:
Перед сборкой, кабель прокладываем внутрь короба.
светодиоды имеют полярность, соответственно при подключении, её необходимо учитывать.
В процессе сборки, нужно постараться не нагревать транзистор, т. к. это может привести к его поломке, и учитывайте маркировку на ножках.
Эмиттер обозначается как (Э), база и коллектор соответственно (Б) и (К). После сборки и проверки можно установить верхнюю крышку.
В заключении хочется сказать, что собрать цветомузыку на светодиодах не так сложно, как может показаться на первых порах. Конечно, если Вам нужно устройство с красивым дизайном, то тут уже придется потратить много времени и сил. А вот для изготовления простой цветомузыки в ознакомительных или развлекательных целях достаточно собрать одну из представленных схем в статье.
Последние комментарии
- Сергей на Преобразователь напряжения 12 – 220 вольт
- АЛЕКСАНДР на Закон Ома
- Евгений на Программа “Компьютер – осциллограф”
- Всеволод на Начинающий радиолюбитель: школа, схемы, конструкции
- Дмитрий на КВ приемник наблюдателя
Радиодетали – почтой
Конкурс начинающих радиолюбителей
“Моя радиолюбительская конструкция”
Конкурсная конструкция начинающего радиолюбителя
“Пятиканальная светодиодная цветомузыка”
Здравствуйте уважаемые друзья и гости сайта!
Представляю вашему вниманию третью конкурсную работу (второго конкурса сайта) начинающего радиолюбителя.
Автор конструкции: Морозас Игорь Анатольевич:
Пятиканальная светодиодная цветомузыка
Как и у многих новичков основная проблема была с чего начать, какой будет мое первое изделие. Начал с того, чтобы я хотел приобрести домой в первую очередь. Первое – это цветомузыка, второе – это высококачественный усилитель для наушников. Начал с первого. Цветомузыка на тиристорах вроде как избитый вариант, решил собрать цветомузыку для светодиодных RGB лент. Предоставляю Вам первую свою работу.
Схема цветомузыки взята из интернета. Цветомузыка простая, на 5 каналов (один канал –белый фоновый). К каждому каналу можно подключить светодиодную ленту, но для ее работы на входе необходим усилитель сигнала не высокой мощности. Автор предлагает применить усилитель с компьютерных колонок. Я пошел из сложного, собрать схему усилителя по даташиту на микросхеме ТДА2005 2х10 Вт. Этой мощности мне кажется достаточно, даже с запасом. Прилежно перечерчиваю все схемы в программе sPLAN 7.
0
Рис.1 Схема цветомузыки с усилителем входного сигнала.
В схеме цветомузыки все конденсаторы электролитические, напряжением 16-25v. Где необходимо соблюдать полярность стоит знак «+», в остальных случаях изменение полярности не влияет на мигание светодиодов. По крайне мере я этого не заметил. Транзисторы КТ819 можно заменить на КТ815. Резисторы мощностью 0,25 Вт.
В схеме усилителя микросхему обязательно надо ставить на радиатор не менее 100см2. Конденсаторы электролитические напряжением 16-25v. Конденсаторы С8,С9,С12 пленочные, напряжением 63v. Резисторы R6,R7 мощностью 1 Вт, остальные 0,25Вт. Переменный резистор R0- сдвоенный, сопротивлением 10-50 ком.
Блок питания я взял заводской импульсный мощностью 100Вт, 2х12v, 7А
В выходной день как и полагается поездка на радио рынок для приобретения радиодеталей. Следующая задача нарисовать печатную плату. Для этого выбрал программу Sprint-Layout 6.0. Её советуют радиоспециалисты для начинающих. Изучается она легко, я в этом убедился.
Рис 2. Плата цветомузыки.
Рис 3. Плата усилителя мощности.
Платы изготавливал по ЛУТ технологии. Об этой технологии много информации в интернете. Мне нравиться, когда выглядит по заводскому, поэтому ЛУТ сделал и со стороны деталей тоже.
Рис 3,4 Сборка радиодеталей на плату
Рис 5. Проверяю работоспособность после сборки
Как всегда самое «сложное» при собирании радиосхемы – это укомплектовать все в корпус. Корпус я купил готовый в радиомагазине.
Лицевую панель я сделал таким образом. В программе Фотошоп нарисовал внешний вид лицевой панели где должны быть установлены переменные резисторы, выключатель и светодиоды по одному с каждого канала. Готовый рисунок распечатал струйным принтером на тонкой глянцевой фотобумаге.
На обезжиренную приготовленную панель с отверстиями наклеиваю столярным клеем фотобумагу:
После чего ложу панели под так называемый пресс. На сутки. В качестве пресса у меня блин от штанги на 15 кг:
Окончательная сборка:
Вот что получилось:
Приложения к статье:
Даташит TDA2005 (2.
9 MiB, 2,799 hits)
Уважаемые друзья и гости сайта!
Не забывайте высказывать свое мнение по конкурсным работам и принимайте участие в голосовании за понравившуюся конструкцию на форуме сайта. Спасибо.
Некоторые предложения для тех, кто будет повторять конструкцию:
1. К такому мощному стереоусилителю можно подключить колонки, тогда получится два устройства в одном – цветомузыка и качественный усилитель низкой частоты.
2. Даже если полярность включения электролитических конденсаторов в схеме цветомузыки не влияет на ее работу, наверное лучше соблюдать полярность.
3. На входе цветомузыки, наверное лучше поставить входной узел для суммирования сигналов с левого и правого каналов (примерно как здесь). У автора, судя по схеме, на высокочастотный канал цветомузыки (синий) подается сигнал с правого канала усилителя, а на остальные каналы цветомузыки подается сигнал с левого канала усилителя, но наверное лучше подавать сигнал на все каналы с сумматора звуковых сигналов.
4. Замена транзистора КТ819 на КТ815 подразумевает уменьшение количества возможного подключения светодиодов.
СХЕМА ЦВЕТОМУЗЫКИ НА СВЕТОДИОДАХ
Предлагаю Вам сделать очень популярную радиолюбительскую конструкцию — СДУ, или как её называют — цветомузыкальной приставкой. Когда приставка подключена к источнику звука, то на её экране появляются разные вспышки. Это довольно простая конструкция. Данную цветомузыку может собрать даже начинающий радиолюбитель. В качестве источника сигнала для цветомузыки можно использовать, например, магнитофон, МП3 плеер, компьютер (во время игры), телевизор, радиоприёмник. Питание можно увеличить, особенно если используется цепочка из нескольких светодиодов. Как вариант вывести +5 или +12 вольт от компьютера. А чтобы напряжение было 7В, надо снимать питание между +5 и +12В (12-5=7В).
После сигнал из фильтров поступает на усилительные каскады, а затем и на светодиоды. Светодиоды можно использовать любого цвета (я использовал первый зелёного цвета, а другой — красного). Уменьшив номиналы резисторов R5 и R6 до пару сотен Ом и поставив транзисторы КТ817, можно подключать более мощные светодиоды. Тогда световой эффект станет освещать всю комнату.
РыбалкоФорум по цветомузыкальным устройствам
Форум по обсуждению материала СХЕМА ЦВЕТОМУЗЫКИ НА СВЕТОДИОДАХ
Цветомузыка на светодиодах
Доброго времени суток читатели LE-Diod.ru! Так будет выглядеть цветомузыка на светодиодах, которую мы сегодня сделаем своими руками.
Преимущество этой цветомузыки в простоте сборки, уверен каждый, при желании, сможет собрать такой прибор. Данная инструкция сборки простой светодиодной цму оснащена наглядными фото и схемой. Итак, приступим.
Что понадобится
Для начала сборки цму своими руками соберем и подготовим все необходимое для этого. Вот список:
- пяти миллиметровые светодиоды;
- провод 3.5 от наушников;
- транзистор КТ817 или аналогичный;
- сетевой адаптер 12В;
- оргстекло;
- провода для подключения;
- клей;
- наждачка нулевка.
Пошаговая сборка цветомузыки
Перед началом процесса сборки необходимо подготовить детали для корпуса, для их изготовления будем использовать оргстекло.
Цветомузыкальный коробок может быть любого размера по вашему желанию. Главное не ошибиться с разметкой, особенно если вы ограничены в материалах, поэтому следуем золотому правилу — «семь раз отмерь, один раз отрежь». На фото изображена следующая разметка: боковые стенки 15х5 см и торцевые 5х5 см.
После нанесения точной разметки вырезаем части нашего будущего корпуса. Я не зря акцентирую внимание на точности разметки, если она будет не ровной или вы неудачно вырежете, части будут плохо сходится, появятся трещинки, и цветомузыка будет не такой какой вы планировали ее сделать.
Теперь одну из четырех боковых частей нужно продырявить в двух местах. Для того, чтобы подсоединить два провода. Питание и наушники.
Берем наждачную бумагу нулевку и обрабатываем ее все поверхности вырезанных кусков оргстекла. Это нужно для получения эффекта рассеивания цму внутри коробка.
Со светодиодами наждачкой делаем то же самое.
Начинаем склеивать куски оргстекла в единый корпус.
Теперь мы подошли к ответственному моменту — расчетам количества светодиодов. Здесь будем использовать следующую формулу:
Выходное рабочее напряжение адаптера / номинальное рабочее напряжение одного светодиода = необходимое количество светодиодов
В моем случае это 12В сетевой адаптер, поэтому уравнение такое 12/3 = 4 светодиода. Берем их и все необходимое (провода, транзистор)
Дошла очередь до провода от наушников. Отрезаем (если это еще не сделано) наушники, раскрываем провод и получаем три внутренних проводка. Нам нужен общий (медный) и один из прожил каналов (белый или красный, не важно).
Теперь ниже я приведу схему подключения цветомузыки на светодиодах:
Продолжаем сборку цветомузыки своими руками. Вставляем провода в подготовленные отверстия в склеенном корпусе.
Теперь на очереди самый ответственный момент. Нам нужно строго по схеме спаять светодиоды, кабель подключения, транзистор и 12В сетевой адаптер в единую цепь.
Проверяем работоспособность и если все хорошо, то склеиваем последнюю часть цветомузыки.
Цму готова! Спасибо за внимание.
Простая схема цветомузыки на светодиодах
Вообще, цветомузыка или светомузыка – это такой вид искусства, основанный на ассоциировании музыкальных колебаний с различными цветами.
Но обыватели часто подразумевают под цветомузыкой – цветомузыкальные приставки (установки – ЦМП/ЦМУ), которые по сути сопровождают колебания частот в музыкальной композиции визуальными эффектами.
Принцип работы
Наглядно схема практически любой ЦМУ представлена ниже.
То есть работа электрической цепи происходит следующим образом:
1.Электрический сигнал из выхода звукового канала (не сам звук из динамика, а именно сигнал, например, из разъема для наушников) поступает на каскад из фильтров разных частот;
2.
Каждый из фильтров (их может быть больше, чем три) отсеивает только определенный диапазон частот;
3.Колебания на выходе каждого из фильтров управляют питанием светодиодов.
Простейшая схема
Если вы хотите наглядно удостовериться в том, что музыкальный сигнал способен управлять светом светодиода, или вам нужна самая простая схема из всех имеющихся, то попробуйте собрать следующую комбинацию элементов.
В качестве управляющего элемента может выступать, например, транзистор КТ3102 или КТ315. На вход (на базу транзистора) подключается звуковой сигнал.
В данной схеме не используется никакого разделения частот. Колебания звука на светодиоде отследить будет сложно. То есть моргать он будет в ритм, но в определенных композициях, возможно, будет гореть практически равномерно.
Второй вариант простой цветомузыки
Если схему немного усложнить и выполнить условие разделения частот, чтоб каждый светодиод (или ряд светодиодов) принимал только определенный диапазон колебаний, то частота моргания последних существенно снизится, станет более заметной глазу, а общий фон светового сопровождения музыкальной композиции будет намного приятнее для восприятия.
Итак, схема.
Для наглядности элементы размещены так, чтобы были понятны их основные функции:
1.Предусиление входного сигнала;
2.Фильтрация частот;
3.Управление колебаниями (усиление определенных частот).
Трансформатор в схеме выполняет роль гальванической развязки.
На выходе фильтров отсекаются следующие диапазоны частот:
1.На зеленом – колебания свыше 6 кГц;
2.На синем – от 300 Гц до 6 кГц;
3.На красном – до 300 Гц.
Цвета светодиодов можно изменять по своему усмотрению.
В качестве транзисторов можно использовать все те же КТ315 или КТ3102.
Обратный эффект
Специально для ситуаций с управляемой подсветкой можно использовать отключение света, вместо его включения.
То есть при отсутствии управляющего сигнала источник света будет получать питание и гореть, а при подаче импульса низких звуковых частот на вход фильтра – гаснуть.
Схема такой подсветки ниже.
Управление окружающим звуком
Во всех вышеперечисленных схемах можно реализовать практически «беспроводной» интерфейс просто заменив источник входного сигнала на обычный микрофон.
Однако, из-за того, что собственный сигнал микрофона слаб, его необходимо правильно усилить, например, как на схеме ниже.
Не стоит забывать, что микрофон требует активного питания.
Примечания
Выход звукового сигнала часто реализуется в двух различных каналах (стереозвук – левый и правый канал).
Можно собрать схемы управления светом светодиодов для каждого канала отдельно, а можно объединить их в один. Например, так.
Источник постоянного тока можно заменить выпрямителем (например, на основе «диодного моста»). Однако, стоить помнить, что светодиодные ленты очень требовательны не столько к напряжению, сколько к силе тока, и поэтому при большом количестве светоэлементов питание должно осуществляться с применением стабилизатора тока.
Автор: RadioRadar
Светомузыка своими руками на светодиодах
Большинство людей с огромным удовольствием слушают музыку, используя для этого различную аппаратуру. Нередко возникает желание усилить ее положительное воздействие.
Одним из таких способов является цветомузыка на диодах, выполненная в виде специальных приставок. С помощью диодов звуковые эффекты приобретают совершенно другую окраску, оказывая положительное влияние на эмоциональный настрой слушателей. Подобная радиоэлектронная техника обычно приобретается в готовом виде, но при наличии схемы, определенных знаний и навыков она вполне может быть изготовлена своими руками.
Принцип действия цветомузыки на светодиодах
Основой работы каждой схемы цветомузыкальной установки лежит физический принцип, связанный с частотным преобразованием музыки. Далее она передается через отдельные каналы и осуществляет управление подключенными световыми приборами. Данная цепочка связывает основные музыкальные характеристики с цветовыми элементами, которые соответствуют друг другу и работают во взаимной связи. Этот принцип служит основой всех радиоэлектронных схем из области цветомузыки, в том числе и созданных самостоятельно.
Чаще всего цветовая гамма включает в себя как минимум три разных цвета, например, красный, зеленый и синий.
Существует множество комбинаций, создаваемых в результате их смешивания, поэтому, если схема собрана нормально, она обязательно даст желаемый эффект. Для его достижения сигнал разделяется и работает на низких, средних и высоких частотах. Разделение осуществляется с помощью специальных фильтров LC и RC, устанавливаемых в общую цепочку светодиодной цветомузыкальной системы.
Существуют определенные параметры, используемые при настройке фильтров, работающих в собственной узкой частотной полосе и пропускающих колебания лишь на этом отрезке диапазона звучания:
- ФНЧ – фильтры низких частот. Частота колебаний, проходящих через них, достигает 300 Гц, а световой источник должен быть красного цвета.
- ФСЧ – фильтры средних частот. Способны пропускать колебания частотой от 250 до 2500 Гц, цвет источника света – желтый или зеленый.
- ФВЧ – фильтры высоких частот, пропускающие более 2500 Гц и работающие совместно с синим источником света.
Разделенные частоты схемы немного перекрывают друг друга, что дает возможность получать разнообразные цветовые оттенки в процессе работы.
Основные цвета, перечисленные выше, не имеют принципиального значения, их вполне возможно заменить другими – наиболее подходящими для конкретной ситуации. В некоторых случаях конечный результат значительно превосходит ожидания, благодаря использованию нестандартных цветовых решений.
Схемы простые и сложные
Знакомство с цветомузыкой открывает наиболее простейшая схема. Как правило, такие устройства используют минимальное количество элементов – всего один светодиод, и по одному резистору и транзистору. Питание осуществляется через постоянный источник тока на 6-12В.
В собранном виде цветомузыка на светодиодах представляет собой усилительный каскад, дополняемый общим эмиттером. Основное действие оказывает сигнал с изменяющейся амплитудой и частотой, поступающий на базу. При превышение частоты установленного порогового значения, происходит открытие транзистора. В этот момент на светодиод поступает питание и он сразу же загорается.
Такая простая цветомузыка может быть собрана с применением светодиодной ленты, к которой потребуется соответствующий транзистор.
Существенный недостаток данной сборки заключается в прямой зависимости между уровнем звука и частотой мигания светодиодных лампочек. То есть, наиболее эффективно система будет работать при поддержке лишь одного, наиболее подходящего уровня звучания. При пониженной громкости мигание будет происходит реже, а на высоком уровне звука свет станет постоянным.
Данный недостаток легко убирается трехканальным звуковым преобразователем, который применяется в более сложных схемах. В этом случае потребуется питание напряжением 9 вольт, обеспечивающее нормальное свечение лампочек в соответствующих каналах.
Для сборки схемы трех каскадов усиления необходимо запастись транзисторами КТ315 или их аналогами КТ3102. Нагрузкой служат светодиоды разных цветов. Усиливающая функция выполняется понижающим трансформатором, с помощью резисторов регулируются светодиодные вспышки, а вышеупомянутые фильтры пропускают через себя различные частоты.
Данную схему цветомузыки на светодиодах можно еще больше усовершенствовать.
В первую очередь это касается яркости свечения, добавляемой за счет включения в цепочку маленьких лампочек накаливания на 12 вольт. В этом случае схема дополняется тиристорами управления, а питание всего устройства осуществляется через трансформатор.
Использование светодиодных лент
Схема цветомузыки со светодиодной лентой RGB работает от напряжения 12 вольт. В ней наилучшим образом совмещаются основные параметры обычных вариантов. Данное устройство может работать в разных режимах – в качестве осветительного прибора или цветомузыкального сопровождения.
Включение режима цветомузыки производится с помощью микрофона, бесконтактным способом. В случае перехода на режим освещения, все имеющиеся светодиоды одновременно запускаются на полную мощность. Переход из одного состояния в другое выполняется специальным переключателем, для которого предусмотрена отдельная плата.
Порядок работы данной схемы осуществляется следующим образом:
- Основной сигнал поступает через микрофон, выполняющий преобразования звуковых колебаний фонограммы.
Поскольку сила полученного сигнала, поступающего в цветомузыкальную схему, незначительная, его необходимо усилить. Для этой цели используется транзистор или специальный усилитель. - Далее происходит запуск автоматического регулятора, удерживающего звуковые колебания в установленных рамках. Одновременно звук готовится к дальнейшей обработке.
- С помощью встроенных фильтров сигнал разделяется на три составляющие, для каждой из которых предусмотрен отдельный диапазон частоты.
- В конце всех действий выполняется усиление токового сигнала после его предварительной подготовки с применением транзисторов, функционирующих в режиме ключа.
Основные детали и компоненты
Перед тем как изготавливать аппаратуру для цветомузыки своими руками, необходимо заранее приготовить все детали и компоненты. В схеме следует пользоваться лишь постоянными резисторами с диапазоном мощности 0,125-0,25 Ом. Корпуса элементов схемы промаркированы специальными полосками, указывающими на значение сопротивления.
Дополнительно используются подстроечные резисторы R7, R10, R14, R18. Они могут быть разных типов, но единственным требованием к ним является возможность монтажа на плату, используемую для сборки.
Конденсаторы рассчитываются на рабочее напряжение от 16В и выше. В цветомузыке также могут использоваться любые типы этих устройств. Если невозможно найти конденсатор с нужными параметрами, допускается параллельное соединение двух других, с меньшими емкостями, составляющих в сумме требуемые показатели.
Сделанная цветомузыкальная схема не может обойтись без диодного моста. Обычно он рассчитывается на рабочий ток до 200 мА и напряжение 50 вольт. При отсутствии готового устройства можно воспользоваться несколькими отдельно взятыми выпрямительными диодами и смонтировать их для удобства на отдельной небольшой плате.
Основные цвета светодиодов – красный, зеленый и синий. Их общее количество определяется из расчета на один канал – 6 штук. Будут нужны стандартные транзисторы с любым индексом обозначения.
Стабилизатор напряжения с артикулом 7805 рассчитывается на 5В, а устройство на 9В имеет обозначение 7809. При наличии опыта, цветомузыка собирается на плате Arduino и светодиодах.
Соединение музыкального центра с цветомузыкой осуществляется различными типами разъемов с тремя контактами. Последней деталью сборки служит трансформатор, который должен иметь наиболее подходящие параметры напряжения.
Оборудование цветомузыки в автомобиле
Цветомузыкальное оборудование используется не только в домашних условиях. Многие владельцы автомобилей устанавливают их совместно с магнитолами. В случае необходимости данная система работает в качестве подсветки внутри салона. Для устройства подобного типа освещения также применяются светодиоды, размещаемые на потолке в конфигурации «Звездное небо». Такой вариант часто применяется не только в автомобилях, но и в конструкциях подвесных потолков квартир и частных домов.
Данная схема размещения при решении задачи, как спмостоятельно сделать цветомузыку из светодиодов, может быть использована в разных вариантах.
В первую очередь, это равномерное распределение светодиодов в определенной конфигурации или в произвольной форме. Лампочки, применяемые в схеме, могут обладать различной мощностью свечения. То есть звездочки, имитируемые светодиодами, бывают яркими и неяркими. Эффективность подсветки во многом зависит от фона потолочного покрытия салона автомобиля или квартиры.
В случае установки системы цветомузыки на светодиодах своими руками, в процессе монтажа придется перетягивать потолок. В связи с этим, необходимо внимательно выбирать необходимые детали и затем тщательно монтировать их в единое целое. При каких-либо нарушений придется разбирать покрытие салона и исправлять ошибки. Поэтому, по окончании сборки, следует обязательно проверить работоспособность установленной аппаратуры.
После того как собрана цветомузыка, светодиоды вставляются в отверстия потолка и фиксируются с обратной стороны с помощью клея. Также необходимо заранее продумать надежное крепление стабилизатора напряжения и выключателя.
В этой статье мы поговорим о цветомузыке. Наверное, у каждого начинающего радиолюбителя, да и не только, в своё время возникало желание собрать цветомузыку. Что это такое, думаю, известно всем – говоря проще, это создание визуальных эффектов, изменяющихся в такт музыке.
Та часть цветомузыки, которая излучает свет, может быть выполнена на мощных лампах, например в концертной установке, в случае если цветомузыка нужна для домашних дискотек, её можно сделать на обычных лампах накаливания 220 вольт, а если цветомузыка планируется, например, как моддинг компьютера, для повседневного использования, её можно выполнить на светодиодах.
Светодиодная лента для ЦМУ
В последнее время, с появлением в продаже светодиодных лент, находят все большее применение цветомузыкальные приставки с использованием таких led-лент. В любом случае, для сборки Цвето Музыкальных Установок (ЦМУ сокращенно) требуется источник сигнала, в роли его может выступать микрофон с собранными несколькими каскадами усилителя.
Схема микрофона с усилителем
Также сигнал может браться с линейного выхода устройства, звуковой карты компьютера, с выхода mp3 плейера и т. д., в этом случае также потребуется усилитель, например два каскада на транзисторах, я для этой цели воспользовался транзисторами КТ3102. Схема предусилителя изображена на следующем рисунке:
Далее приведена схема одноканальной цветомузыки с фильтром, работающей совместно с предусилителем (выше). В этой схеме светодиод мигает под басы (низкие частоты). Для согласования уровня сигнала в схеме цветомузыки предусмотрен переменный резистор R6.
Цветомузыка светодиод мигает под басы
Существуют и более простые схемы цветомузыки, которые может собрать любой начинающий, на 1 транзисторе, к тому же не нуждающиеся в предусилителе, одна из таких схем изображена на картинке ниже:
Цветомузыка на транзисторе
Схема распайки выводов штекера Джек 3.5 приведена на следующем рисунке:
Если по каким-то причинам нет возможности собрать предварительный усилитель на транзисторах, можно заменить его трансформатором, включённым как повышающий.
Такой трансформатор должен выдавать напряжения на обмотках 220/5 Вольт. Обмотка трансформатора с меньшим количеством витков подключается в источнике звука, например, магнитоле, параллельно динамику, усилитель при этом должен выдавать мощность как минимум 3-5 ватт. Обмотка с большим количеством витков подключается ко входу цветомузыки.
Подключение трансформатора на звук
Разумеется, цветомузыка бывает не только одноканальной, она может быть 3, 5 и более многоканальной, когда каждый светодиод или лампа накаливания мигает при воспроизведении частот своего диапазона. При этом диапазон частот задается путем использования фильтров. В следующей схеме, трехканальной цветомузыки (которую сам недавно собирал) в качестве фильтров стоят конденсаторы:
Если мы захотели использовать в последней схеме не отдельные светодиоды, а светодиодную ленту, то в схеме следует убрать токоограничивающие резисторы R1, R2, R3. Если лента или светодиод используется RGB, то должна быть выполнена с общим анодом.
Если планируется подключать светодиодные ленты большой длины, то для управления лентой следует применить мощные транзисторы, установленные на радиаторы.
Транзисторы на радиаторе
Так как светодиодные ленты рассчитаны на питание 12 Вольт, соответственно и питание в схеме нам следует поднять до 12 Вольт, причем питание должно быть стабилизированным.
Тиристоры в цветомузыке
До сих пор в статье рассказывалось только про цветомузыкальные устройства на светодиодах. Если возникнет надобность собрать ЦМУ на лампах накаливания, тогда для управления яркостью ламп нужно будет применить тиристоры. Что такое вообще тиристор? Это трехэлектродный полупроводниковый прибор, который соответственно имеет Анод, Катод и Управляющий электрод.
На рисунке выше изображен советский тиристор КУ202. Тиристоры, в случае, если планируется использовать с мощной нагрузкой, также необходимо крепить на теплоотвод (радиатор). Как мы видим на рисунке, тиристор имеет резьбу с гайкой и крепится аналогично мощным диодам.
Современные импортные просто снабжены фланцем с отверстием.
Схема цветомузыки на тиристорах
Одна из подобных схем на тиристорах приведена выше. Это схема трехканальной цветомузыки с повышающим трансформатором на входе. В случае подбора аналогов тиристоров, следует смотреть на максимальное допустимое напряжение тиристоров, в нашем случае у КУ202Н – это 400 вольт.
Цветомузыка на тиристорах 2
На рисунке приведена подобная схема цветомузыки приведенной выше, главное отличие в нижней схеме – отсутствует диодный мост. Также цветомузыку на светодиодах можно встроить в системный блок. Мной была собрана такая трехканальная цветомузыка с предусилителем в корпусе от сидирома. При этом сигнал брался со звуковой карты компьютера с помощью делителя сигнала, в выходы которого подключались активная акустика и цветомузыка. Предусмотрена регулировка уровня сигнала, как общего, так и отдельно по каналам. Запитывались предусилитель и цветомузыка от разъема Молекс 12 Вольт (желтый и черный провода).
Схемы предусилителя и трехканальной цветомузыки по которым собирались приведены выше. Существуют и другие схемы цветомузыки на светодиодах, например эта, также трехканальная:
Цветомузыка на 3 светодиодах – схема
В этой схеме, в отличие от той, что собирал я, используется в канале средних частот индуктивность. Для тех, кто захочет сперва собрать что-нибудь попроще, привожу следующую схему на 2 канала:
Цветомузыка 2 канала LED
Если собирать цветомузыку на лампах, то придется использовать использовать светофильтры, которые могут быть в свою очередь, как самодельными так и покупными. На рисунке ниже изображены светофильтры, которые есть в продаже:
Светофильтры для ЦМУ
Некоторые любители цветомузыкальных эффектов собирают устройства на основе микроконтроллеров. Ниже приведена схема четырехканальной цветомузыки на МК AVR tiny 15:
Цветомузыка на tiny 15
Микроконтроллер Тiny 15 в этой схеме можно заменить на tiny 13V, tiny 25V.
И под конец обзора от себя хочу сказать, что цветомузыка на лампах проигрывает по зрелищности цветомузыке на LED, так как лампы более инерционные, чем светодиоды. А для самостоятельного повторения можно рекомендовать вот такую цветомузыкальную приставку.
В статье подробно рассказано о нескольких способах обновления BIOS на материнской плате Asus.
Теперь вы точно подберете идеальный ноутбук для работы или учебы!
Данная статья описывает преимущества SSD накопителей для приложений и игр. Также здесь выполняется сравнение между достоинств данного накопителя с устаревшим аналогом.
В статье речь идет о том, как отремонтировать пластмассовый китайский электрочайник.
Самостоятельный ремонт ноутбука ASUS X50SL – очищаем от пыли вентилятор с радиатором процессора и ставим новые драйвера.
22.05.2019 colorMusic_v2.10:
• Исправлен глюк с большим количеством светодиодов на МЕГЕ
- Добавлена плавность режиму цветомузыки по частотам! Настройка SMOOTH_STEP
- Добавлен режим стробоскопа с целой кучей настроек!
- Добавлено управление с ИК пульта! Купить пульт можно по этой ссылке , цена вопроса 50р
- 7 режим – Режим подсветки
- 8 режим – Режим бегущих частот
- 9 режим – Анализатор спектра (Версия 2.
1) - У некоторых режимов появились подрежимы
- Возможна работа БЕЗ потенциометра. Читайте ниже в инструкции по эксплуатации
- Настройки сохраняются в память (энергонезависимую)
- Улучшена производительность, почищен мусор
- в 7 режиме радугу можно остановить и пустить вспять
- Добавлена настройка RESET_SETTINGS для сброса настроек в случае некорректной работы. Читайте ниже в FAQ
11.05.2018 ночь colorMusic_v2.5:
- Код оптимизирован, библиотеки FastLED и IRremote заменены на более оптимальные Adafruit_NeoPixel и IRLremote (для работы версии 2.5 и выше необходимо установить новые библиотеки из общей папки с библиотеками!)
- ИК пульт теперь срабатывает почти в 100% случаев вместо прежних 30%
- Поддержка максимум 410 светодиодов
11.05.2018 день colorMusic_v2.6:
- Возвращена библиотека FastLED (как оказалось, функции FastLED работают гораздо быстрее, чем NeoPixel, а также поддерживает такое же количество светодиодов!)
- ИК пульт всё ещё срабатывает почти в 100%, по сравнению с 30% в версиях 2.
0-2.4 - Поддержка максимум 410 светодиодов (работа может быть нестабильной)
- Исправлен небольшой баг
- Добавлено сохранение состояния “включено/выключено” в энергонезависимую память. Штука опциональная, в настройках можно выключить (настройка KEEP_STATE)
28.09.2018 colorMusic_v2.7 (by Евгений Зятьков):
- Настройка пульта внесена в скетч, тип пульта настраивается в IR_RCT
- Добавлена поддержка Arduino Mega и Pro Micro
- Исправлены мелкие баги
22.11.2018 colorMusic_v2.8:
• Добавлено ограничение тока для всей системы, настройка CURRENT_LIMIT
• Слегка оптимизированы настройки
22.05.2019 colorMusic_v2.10:
• Исправлен глюк с большим количеством светодиодов на МЕГЕ
Крутейшая свето- цветомузыка на Arduino и адресной светодиодной ленте WS2812b. Работает с лентой любой длины (до 450 светодиодов (версия 1.
1), до 350 светодиодов (версия 2.0)), и может быть размещена в любом месте в квартире или автомобиле.
Режимы работы (переключаются кнопкой или с ИК пульта (версия 2.0)):
- VU meter (столбик громкости): от зелёного к красному
- VU meter (столбик громкости): плавно бегущая радуга
- Светомузыка по частотам: 5 полос симметрично
- Светомузыка по частотам: 3 полосы
- Светомузыка по частотам: 1 полоса
- Стробоскоп (Версия 2.0)
- Подсветка (Версия 2.0)
- Постоянный цвет
- Плавная смена цвета
- Бегущая радуга
- Плавная анимация (можно настроить)
- Автонастройка по громкости (можно настроить)
- Фильтр нижнего шума (можно настроить)
- Автокалибровка шума при запуске (можно настроить)
- Поддержка стерео и моно звука (можно настроить)
- Лента не гаснет полностью (Версия 2.0)
- (Версия 2.
1) все настройки сохраняются в памяти и не сбрасываются при перезагрузке
- Сохранение настроек происходит при выключении кнопкой звёздочка (*)
- А также через 30 секунд после последнего нажатия на любую кнопку ИК пульта
ПОДРОБНОЕ ВИДЕО ПО ПРОЕКТУ
Понятные схемы, прошивки с комментариями и подробные инструкции это очень большая работа. Буду рад, если вы поддержите такой подход к созданию Ардуино проектов.
ИНСТРУКЦИИ ПО ЭКСПЛУАТАЦИИ
НАСТРОЙКА ОПОРНОГО НАПРЯЖЕНИЯ. Потенциометр настройки опорного напряжения настраивается “методом тыка” пока не заработает (у меня стоит в середине). Подстройка нужна при смене источника аудио или изменении его потенциальной громкости.
- Если во время работы в режиме VU метра (первые два режима) шкала всё время горит – слишком низкое опорное напряжение, Ардуино получает слишком высокий сигнал
- Если не горит – опорное слишком высокое, системе не удаётся распознать изменение громкости с достаточной для работы точностью
МОЖНО СОБРАТЬ СХЕМУ БЕЗ ПОТЕНЦИОМЕТРА! Для этого параметру POTENT (в скетче в блоке настроек в настройках сигнала) присваиваем 0. Будет задействован внутренний опорный источник опорного напряжения 1.1 Вольт. Но он будет работать не с любой громкостью! Для корректной работы системы нужно будет подобрать громкость входящего аудио сигнала так, чтобы всё было красиво, используя предыдущие два пункта по настройке.
НАСТРОЙКА НИЖНЕГО ПОРОГА ШУМОВ является очень важной, в идеале выполняется 1 раз для любого нового источника звука или смены громкости старого. Есть 3 варианта настройки:
- Ручная: выключаем AUTO_LOW_PASS и EEPROM_LOW_PASS (ставим около них 0), настраиваем значения LOW_PASS и SPEKTR_LOW_PASS вручную, методом тыка
- Автонастройка при каждом запуске: включаем AUTO_LOW_PASS, выключаем EEPROM_LOW_PASS .
При подаче питания музыка должна стоять на паузе! Калибровка происходит буквально за 1 секунду. - По кнопке: при удерживании кнопки 1 секунду настраивается нижний порог шума (музыку на паузу!)
- Из памяти ( ЛУЧШИЙ ВАРИАНТ ): выключаем AUTO_LOW_PASS и включаем EEPROM_LOW_PASS
- Включаем систему, источник звука подключен проводом
- Ставим музыку на паузу
- Удерживаем кнопку 1 секунду (либо кликаем кнопку 0 (ноль) на ИК пульте
- Загорится светодиод на плате Arduino, погаснет через
1.5 секунды
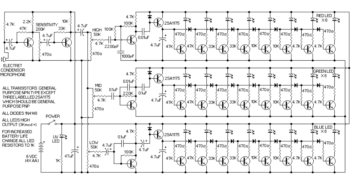
cxema.org — Трехканальная цветомузыка своими руками
Трехканальная цветомузыка своими руками
Меня всегда привлекали световые эффекты, цветомузыка, стробоскопы и тому подобное, а вот сделать себе подобную игрушку почему-то было лень.
Время этому пришло когда в один из скучных вечеров нужно было себя чем-то развлечь. Я нарыл в своих запасах полтора десятка светодиодов — белых, красных и синих, потом нашел в сети простой вариант схемы трехканальной цветомузыки и приступил к работе. Спаяв простенькую светодиодную матрицу, перешел к «проектированию» схемы управления светодиодами.
Для питания цветомузыки использовал старое зарядное устройство от мобильного телефона.
Немного поигравшись с номиналами конденсаторов — получил вот такую схему:
Конденсаторы C1-C5 играют роль частотных фильтров, пропускающих электрический сигнал нужной частоты, их можно заменить на другие, изменив при этом режим работы цветомузыки. Транзисторы и светодиоды также можно заменить на более мощные.
Полный список деталей
Конденсаторы:
C1 – 100нФ
C2 – 33мФх16В
C3 – 4,7мФх16В
C4 – 5мФх16В
C5 – 1мФх16В
Резисторы:
R1 – 470 Ом
R2 – 100 Ом
Транзисторы:
VT1-VT3 – КТ315Б
Светодиоды:
HL1-HL3 – HL 5V прозрачные (15 штук: 5 красных, 5 синих, 5 белых)
Вид готовой конструкции:
Монтаж немного грубоватый, но зато работает.
Яркость зажигания светодиодов зависит от мощности поступающего сигнала. При желании все это можно красиво оформить и сделать неплохой моддинг вашего компьютера.
Видеодемонстрация работы цветомузыки:
Автор — Валерий Пасека
Схема цветомузыки на светодиодах — простые решения
Схема цветомузыки на светодиодах — чем же они так привлекательны…
Преимущества светодиодов перед лампами накаливания в цветомузыкальных приставках — неоспоримы:
- более широкий цветовой спектр
- более насыщенный цвет
- разнообразные исполнения
- низкое потребление
- высокая скорость срабатывания
В данной статье мы будем рассматривать, как можно «заставить» светодиоды мигать от источников звуковой частоты, используя простые схемы.
Какие варианты преобразования звукового сигнала существуют? Эти и другие вопросы будем рассматривать на конкретных примерах.
Самая простая схема цветомузыки на светодиодах ( точнее на одном светодиоде)
Простейшая схема цветомузыки на светодиодах
Настоящая схема цветомузыки — самая простая и для ее повторения Вам необходим светодиод, транзистор и резистор:
R (резистор) — 1K;
VT (транзистор) — КТ3102, КТ315
В качестве питания подойдет любой источник с постоянным током в 9В. Цветомузыкальная установка будет выдавать вспышки в такт исполняемой музыки. Для того, чтобы схема заработала, достаточно подключить источник питания и подать на выход звук. Надолго Вашего терпения этой «цветомузыки» не хватит, т.к. мигание будет проходить надоедливо и только в зависимости от громкости исполняемой музыки. Но на то она и простейшая схема. При сильно большом уровне громкости светодиод будет практически постоянно гореть, при маленькой громкости, вспышки будут очень редки (невидимые), либо вообще отсутствовать.
Простейшая цветомузыка на светодиодах
Предыдущая схема хоть и простая, но в действительности — негодная ни для чего. В схеме, которую покажем ниже, используется три канала для разделения звуковых частот. Для этого мы будем использовать фильтры из конденсаторов и резисторов. Они будут пропускать только определенную частоту, и соответственно мигать под определенные частоты.
Трехканальная схема цветомузыки на диодахПитание схемы происходит от постоянного тока 9В, как в предыдущей схеме. Во время работы происходит засвет одного или двух светодиодов каждого из каналов.
Основным компонентом являются транзисторы КТ315 (КТ3102). С их помощью собраны три независимых усилительных каскада. В их нагрузку включаются светодиоды разного свечения.
Для предварительного усиления используется трансформатор понижающего типа. Входной сигнал поступает на вторичную обмотку, выполняющую следующие функции:
- гальваническая развязка двух устройств;
- усиление звука линейного выхода.

Сигнал поступает на три параллельно включенных фильтра, собранных на базе RC-цепей. каждый из фильтров работает в определенной частоте, зависящей от от номиналов резисторов и конденсаторов.
Через фильтры идут следующие частоты:
- до 300 Гц
- 300-6000 Гц
- более 6000 Гц
Каждый из фильтров имеет подстроечный резистор, что позволит нам задавать равномерное свечение всех светодиодов, вне зависимости от музыки.
На выходе схемы три отфильтрованных сигнала усиливаются транзисторами.
Схема простой цветомузыки без использования разделительного трансформатора
Если у Вас низковольтный источник питания, то трансформатор (в предыдущей схеме) можно заменять на однокаскадный транзисторный усилитель.
Это связано с тем, что гальваническая связь не имеет более никакого смысла. Ну и естественно, использование трансформатора удорожает конструкцию цветомузыки.
Простой усилитель состоит из уже известного нам транзистора КТ3102, конденсаторов, предназначенных для отсекания постоянной составляющей и резисторов, обеспечивающих транзистору режим с общим эмиттером.
Подстроечным резистором можно получить более сильный сигнал.
Выше мы рассмотрели самые простые схемы цветомузыки на светодиодах. Теперь перейдем к более серьезным схемам на микросхемах. Да, они тяжелее, но и качество устройства будет на порядок выше.
Цветомузыка на микросхемах NE555 и CD4017
Схема состоит из использования микросхемы NE555, выполняющей роль астабильного мультивибратора для обеспечения тактовых импульсов для CD4017.
Для каждого тактового импульса, получаемого на тактовом входе (pin14) интегральная схема CD4017, выходы Q0-Q9 (см. схему контактов CD 4017) запускаются один за другим выборочно. Скорость, с которой будут загораться светодиоды зависит от частоты тактовых импульсов, генерируемых NE555.
- Соберите схему на печатной плате хорошего качества или общей плате.
- Микросхемы должны быть установлены на держателях.
- Скорость работы светодиодов можно регулировать путем изменения R2.
- Конденсатор С1 должен быть рассчитан на 15В.

- Использование различных цветных светодиодов может привести к лучшему визуальному эффекту.
Рассмотренные выше схемы — наиболее распространенные, для самостоятельной сборки цветомузыки. На просторах интернета можно найти еще много других. но общий принцип будет аналогичным. По мере необходимости — будем дополнять. В первую очередь будем рассматривать цветомузыку на светодиодных лентах, но это чуть позже…
Цветомузыка на светодиодах
Доброго времени суток читатели LE-Diod.ru! Так будет выглядеть цветомузыка на светодиодах, которую мы сегодня сделаем своими руками.
Преимущество цветомузыки в простоте сборки, при желании, сможет собрать такой прибор. Данная инструкция сборки простая светодиодная цму оснащена наглядными фото и схемой. Итак, приступим.
Что понадобится
Для начала сборки цму своими руками соберем и подготовим все необходимое для этого.Вот список:
- пяти миллиметровые светодиоды;
- провод 3.
5 от наушников; - транзистор КТ817 или аналогичный;
- сетевой адаптер 12В;
- оргстекло;
- провода для подключения;
- клей;
- наждачка нулевка.
Пошаговая сборка цветомузыки
Перед началом процесса сборки необходимо подготовить детали для корпуса, для их изготовления будем использовать оргстекло. Цветомузыкальный коробок может быть любого размера по вашему желанию.Главное не ошибиться с разметкой, особенно если вы ограничены в материалах, поэтому следуем золотому правилу — «семь раз отмерь, один раз отрежь». На фото изображена следующая разметка: боковые стенки 15х5 см и тор 5х5 см.
После нанесения точной разметки вырезаем части нашего будущего корпуса. Я не зря акцентирую внимание на точности разметки, если она будет не ровной или неудачно вырежете, части будут плохо сходятся, появятся трещинки, и цветомузыка будет не такой какой вы планировали ее сделать.
Теперь одну из четырех боковых частей нужно продырявить в двух местах.
Для того, чтобы подключить два провода. Питание и наушники.
Берем наждачную бумагу нулевку и обрабатываем ее все поверхности вырезанных кусков оргстекла. Это нужно для эффекта рассеивания цму внутри коробки.
Со светодиодами наждачкой делаем то же самое.
Начинаем склеивать куски оргстекла в единый корпус.
Теперь мы подошли к ответственному моменту — расчетам количества светодиодов.Здесь будем использовать другую формулу:
Выходное рабочее напряжение адаптера / номинальное рабочее напряжение одного светодиода = необходимое количество светодиодов
В моем случае это 12В сетевой адаптер, поэтому уравнение такое 12/3 = 4 светодиода. Берем их и все необходимые (провода, транзистор)
Дошла очередь до провода от наушников. Отрезаем (если это еще не сделано) наушники, раскрываем провод и получаем три внутренней проводки.Нам нужен общий (медный) и один из прожил каналов (белый или красный, не важно).
Теперь ниже я приведу схему подключения цветомузыки на светодиодах:
Продолжаем сборку цветомузыки своими руками. Вставляем провода в подготовленные отверстия в склеенном корпусе.
Теперь на очереди самый ответственный момент. Нам нужно строго по схеме спаять светодиоды, кабель подключения, транзистор и сетевой адаптер 12В в единую цепь.
Проверяем работоспособность и если все хорошо, то склеиваем последнюю часть цветомузыки.
Цму готова! Спасибо за внимание.
Shoppen Sie цветомузыка своими руками светодиодах онлайн — AliExpress
Entdecken Sie eine Vielzahl von цветомузыка своими руками светодиодах и магазины Sie spielend leicht на AliExpress
Auf der Suche nach цветомузыка своими руками светодиодах von hoher Qualität zu niedrigsten Preisen? Монахиня, Sie haben Glück! На AliExpress können Sie Ihre Suche nach цветомузыка своими руками.
Sie wissen nicht, wo Sie anfangen sollen? Hier ist eine Kurzanleitung, wie das Beste aus AliExpress herausholen und die günstigsten Angebote erhalten!
Фильтр Verwenden Sie: AliExpress verfügt über eine große Auswahl an allen Artikeln.Um den richtigen Artikel цветомузыка своими руками светодиодах zu finden, der Ihren Bedürfnissen entspricht, экспериментатор Sie einfach mit den Filtern, um nach bester Übereinstimmung, Anzahl der Bestellungen oder Preis zu sortieren. Sie können auch nach Artikeln filtern, die kostenlosen Versand, schnelle Lieferung или kostenlose Rückgabe bieten, um Ihre Suche einzugrenzen!
Entdecken Sie Marken: Kaufen Sie цветомузыка своими руками светодиодах из вертикального рабочего места унд bekannten Marken ein, die Ihnen gefallen, indem Sie einfach auf das Markenlogo in der linken Randleiste klicken.
Dadurch können Sie gezielt nach allen verfügbaren Artikeln цветомузыка своими руками светодиодах der Marke filtern!
Lesen Sie Rezensionen: Wann immer Sie auf der Suche nach dem besten Artikel цветомузыка своими руками светодиодах sind, finden Sie auf der Artikeldetailseite echte Rezensionen von Käufern. Hier erfahren Sie viele nützliche und hilfreiche Informationen über den Artikel цветомузыка своими руками светодиоды унд sogar Tipps und Tricks, um Ihr Einkaufserlebnis zu einer unvergesslichen Erfahrung zu machen!
Mit den oben genannten Tipps sind Sie auf dem besten Weg, цветомузыка своими руками светодиодах фон guter Qualität zu ermäßigten Preisen zu finden und gleichzeitig von Vorteilen wie schnellem Versand oder kostenloser Rückgabe zu profil.
Wenn Sie Neukunde sind, kommen Sie auch in den Genuss spezieller Angebote oder Geschenke für Neukunden! Stöbern Sie на AliExpress nach noch mehr Artikeln aus und giveen Sie Ihr gesamtes Einkaufserlebnis online zum Abschluss. Jetzt können Sie ganz einfach und unkompliziert alles, было Sie sich wünschen, zu niedrigen Preisen und guter Qualität erhalten.
▶ ▷ ▶ простая схема цветомузыки на светодиодах своими руками
▶ ▷ ▶ ▷ простая схема цветомузыки на светодиодах своими руками| Интерфейс | Русский / Английский |
| Тип лицензии | Бесплатно | бесплатно | просмотров257 |
| Кол-во загрузчик | 132 раз |
| Обновление: | 13-08-2019 |
простая схема цветомузы на светодиодах своими руками — Цветомузыка может быть своими руками — что может быть ? ledjournalinfoshemycvetomuzykahtml Cached Цветомузыка на светодиодах или светодиодных лентах — это просто! Для этого достаточно ознакомиться со схемой и можно приступить к сборке своими руками Как сделать цветомузыку на светодиодах своими руками sesagarukak-sdelat-cvetomuzyku-na-svetodiodax Cached На этой первой части заканчивается Если Вы соблазнились сделать цветомузыку на светодиодах, тогда подбирайте и обязательно проверьте исправление диодов и транзисторов, например, мультиметром Простая Схема Цветомузыки На Светодиодах Своими Руками — Результаты изображений Подробнее Простая Схема Цветомузыки На Светодиодах Своими Руками изображения СХЕМА ЦВЕТОМУЗЫКИ НАПРАВИТЕЛЬНАЯ СВЕТОДИОДАХ радиоскотрупублсветодиодисхема_цветомузыки на светодиодах можно использовать светодиоды на светодиодах.
цвета (я использовал первый зелёного цвета, а другой — красного) Простая цветомузыка на светодиодах Мастер-класс своими руками sdelaysam-svoimirukamiru3944-prostaya Cached Простая цветомузыка на светодих 17 декабря 2017 Электроника Простые схемы 55 701 9 Очень Очень простая трехканальная RGB-цветомузыка на светодиодах не содержит дефицитных или дорогих компонентов Цветомузыка на светодиодах своими руками: схемы, параметры своими руками Кэшированная данная схема простой цветомузыки на светодиодах производственный имеет один недостаток темп мигания светодиода зависит от уровня — звукового сигнала Цветомузыка обзор различных лампагидрувидисветодиодыцветомузыка Cached Как сделать цветомузыку на светодиодах своими руками? Первое, что необходимо сделать это подобрать электрическую схему. Ниже приведена схема светомузыки с rgb-лентой Цветомузыка на светодиодах своими руками — Электроника nadoznatmoysupublehlektronikacvetomuzyka_na Cached Цветомузыка на светодиодах своими руками Здесь вы сможете рассмотреть различные схемы светомузыка на светодиодах, и на трех светодиодах Цветомузыка своими руками — схемы и советы как сделать tytmasterrucvetomuzyka-svoimi-rukami Cached Существует и более сложная и интересная схема для изготовления цветомузыки Берём пять диодов на 3v, каждый диаметр по 5 мм, и транзистор КТ815, который будет усиливать нашу установку Цветомузыка: светодиодная светомузыка своими руками radio-stvrunachinayushhim-radioolyubsuitam Cached Схема, которая приведена на 4-й странице доработанной, использовалась для создания печатной платы в программе Cadsoft Eagle Простая самодельная цветомузыкальная установка (ЦМУ) на часах wwwyoutubecom? vEFxqGjGnVLw Cache d Демонстрация работы самодельной цветомузыки выполненной на широкодоступных микросхемах и со светодиодами Рекламные результаты для вас Бесплатная загрузка веб-браузер Mozilla Firefox wwwmozillaorg Загрузите Firefox — более быстрый, умный и простой способ просмотра веб-страниц и всего 1 2 3 4 5 Далее 1,250
- простая сх
- ема цветомузыки на с
- узыки на светодиодах своими
Цветомузыка на led-компонентах обладает существенным преимуществом перед аналогами на устаревших лампах:
- Маленький размер светодиодов в совокупности с энергоэффективностью обиливают исполнителей форм для создания светомузыкального оборудования, и речь идет не только о внешних форм-факторах, но и о возможностях применения светодиодов в самых различных эффектах при работе со светом и различными его цветами, ведь светодиодами -элемент может давать точечный поток света.
Стробоскопы, прожекторы, дискошары и многое другое доступно для использования даже в домашних условиях. - Безопасность использования цветомузыки ни одного из излучателей максимальна, по устаревшим лампам — диапазон рабочих температурных элементов не выше 60 градусов по Цельсию, значит, опасений о возгорании каких-либо элементов домашнего декора или материалов просто не должно возникать. Пусть цвета заполнят дом вместе с музыкой без каких-либо тревог, связанных с использованием светомузыкального оборудования.
- Длительный срок эксплуатации цветомузыки для дома делает покупку такого оборудования целесообразной, ведь она рассчитана на 8000-10000 тысяч часов работы, то есть целый год бесперебойной службы. А с учетом того, что количество включений и выключений никак не сказывается на потребительских свойствах led-элементов, большинство людей не устраивают круглосуточные вечеринки ежедневно, домашняя цветомузыка способна долгие годы радовать своего обладателя и его гостей.
- Качество цвето- и светопередачи.
Светодиодное освещение обладает самым широким спектром цветов и оттенков, что является одним из главных плюсов для цветомузыки как таковой, ведь разнообразие цветов играет важную роль в создании атмосферы. Так же, в отличие от лазерной цветомузыки, светодиодное оборудование безвредно для глаз и не способно повредить зрение при прямом попадании светового потока на сетчатку глаза.
Варианты создания светомузыкального освещения в домашних условиях
- Самый простой вариант — купить специальный переносной светильник или лампу, которые будут менять цвета или использовать сразу несколько цветов, с одним или используемым эффектом.Таких вариантов очень много, они весьма распространены и бюджетны. Для начального уровня, чтобы порадовать себя и друзей незатейливой, но приятной игрой с ярким светом и цветами под музыку — будет вполне достаточно.
- Самый качественный вариант, если не сделать самому по самому сложному схемам — приобрести готовое решение, так называемые ЦМУ (Цветомузыкальные установки) .
Это готовое решение, включающее в себя контролёр, который будет обрабатывать звуковой сигнал, превращая его в светомузыкальное представление, меняющие интенсивность и цвета потоки света, создавая эффект полноценной дискотеки, и непосредственно панели с диодами.ЦМУ просты в инсталляции, и если вы хотите создать дискотеку дома своими руками — это вполне хороший вариант. В основе таких ЦМУ может быть спектральное разложение по частотам, когда каждая будет соответствовать какой-либо цвет, либо заданные регулировки с всевозможными эффектами и их чередованием, которые можно настроить с помощью комплектного пульта ДУ.
- Третий вариант — собрать цветомузыку самостоятельно. В очень много подробных схем, по Интернету, имеющий опыт работы с электроникой, сможет сделать цветомузыку для дома своими руками.Можно обойтись и без схемы, используется приобретенный отдельно цветомузыкальный контролёр, и, допустим, несколько отрезков RGB-ленты.
На самом деле, что касается осветительных приборов для дискотеки, созданных своими руками — их может быть реально огромное множество. Схем очень много, а также и видео инструкций, как по этому схемам собрать оборудование. Есть схемы с использованием внешних микрофонов, собранные по этим схемам осветительные приборы будут менять цвет и эффекты в точности под играющую мелодию.
Предлагаем в интернете схемы для того, чтобы сделать цветомузыку своими руками, максимально разнообразны — от простейших, когда будет меняться цвет RGB-ленты, до самых сложных, со множеством эффектов, затухание и переливов. В зависимости от навыков, можно подобрать подходящий, найти нужную схему и создать вариант уникальное, светооборудование, которое будет радовать вас и ваших гостей переливами всех цветов. Если вы не готовы сделать цветомузыку на светодиодах самостоятельно, своими руками, то можно обратиться к рынку готовых решений и наполнить свой дом разнообразием цветов и радостью.
Цветомузыка На Светодиодах Своими Руками mp3 müzik indir, dinle
9:51
Цветомузыка за 5 минут своими руками на светодиодах
3 К 380 К
10:42
Цветомузыка на светодиодах, своими руками
210 16 К
4:59
Крутая цветомузыка своими руками
704 106 К
7:29
Пяти канальная цветомузыка на транзисторах своими руками
137 10 К
24:52
Окончание»> Как сделать цветомузыку на светодиодах своими руками.Окончание 111 8 К
22:28
Как сделать цветомузыку на светодиодах своими руками. Часть 1
168 13 тыс.
12:50
Простейшая цветомузыка
876 131 К
3:44
Цветомузыка своими руками из светодиодов
50 4 К
20:01
Arduino + WS2812b»> 💡Крутая светомузыка своими руками.Ардуино + WS2812b 5 К 749 К
7:20
✅ Светодиодный индикатор уровня звука своими руками !!! Все гениальное просто! ✅
184 14 тыс.
2:58
Простая трехканальная цветомузыка на светодиодах
81 6 тыс.
7:08
Самодельная цветомузыка — обзор схемы
. 568 43 К
6:40
Как сделать цветомузыку для дома или машины подробно
359 54 К
4:24
Светомузыка на одном транзисторе
333 50 К
9:38
Цветомузыка из китайской гирлянды
101 8 К
12:18
Цветомузыка из RGB ленты
253 19 К
4:54
Светомузыка на транзисторах Своими руками! Электроника для новичков №3
404 61 тыс.
9:24
Цветомузыка на транзисторах КТ805 своими руками
1 76
3:43
Цветомузыка своими руками (часть 1)
389 58 К
2:16
Самая простая схема цветомузыки.
309 23 К
cxema.org — Трехканальная цветомузыка своими руками
Трехканальная цветомузыка своими руками
Меня всегда привлекают световые эффекты, цветомузыка, стробоскопы и тому подобное, а вот сделать себе подобную игрушку почему-то было лень.
Время этому пришло когда в один из скучных вечеров нужно было себя чем-то развлечь. Я нарыл в своих запасах полтора десятка светодиодов — белых, красных и синих, потом нашел в сети простой вариант схемы трехканальной цветомузыки и приступил к работе. Спаяв простенькую светодиодную матрицу, перешел к «проектированию» схемы управления светодиодами.
Для питания цветомузыки использовал старое зарядное устройство от мобильного телефона.
Немного поигравшись с номиналами конденсаторов — получил вот такую схему:
Конденсаторы C1-C5 играют роль частотных фильтров, пропускающие электрический сигнал нужной частоты, их можно заменить на другие, изменив при этом режим работы цветомузыки.Транзисторы и светодиоды также можно заменить на более мощные.
Полный список деталей
Конденсаторы:
С1 — 100нФ
С2 — 33мФх16В
С3 — 4,7мФх16В
С4 — 5мФх16В
С5 — 1мФх16В
Резисторы:
R1 — 470 Ом
R2 — 100 Ом
Транзисторы:
VT1-VT3 — КТ315Б
Светодиоды:
HL1-HL3 — HL 5V прозрачные (15 штук: 5 красных, 5 синих, 5 белых)
Вид готовой конструкции:
Монтаж немного грубоватый, но зато работает.
Яркость зажигания сигнала светодиодов зависит от мощности поступающего. При желании все это можно красиво оформить и сделать неплохой моддинг вашего компьютера.
Видеодемонстрация работы цветомузыки:
Автор — Валерий Пасека
Как самостоятельно сделать цветомузыку на светодиоды по схеме
Такая светодиодная цветомузыка подойдет для тех, кто слушает музыку на компьютере.Ее можно link внутри корпуса и он будет подсвечиваться в такт музыки.
Схема цветомузыки очень простая и не представляет никаких сложностей.
Необходимые компоненты:
1. 4 светодиода (любого цвета) 3мм
2.
Р2 вилка
3. 2-позиционный переключатель
4. Биполярный транзистор TIP31
5. Коробка (если нужна), можно связать и непосредственно в корпусе компьютер
6. Паяльник
7. Кабель
Схема цветомузыки на светодиодах
Подключаем 4 светодиода к +12 В компьютер, анод подключаем к 2-х позиционному выключателю, который в свою очередь соединяется с биполярным транзистором TIP31.Два незадействованных конца транзистора подключаем непосредственно к выводам штеккера для наушников или колонок Р2.
Все собранные компоненты устанавливаем в коробку (ящик), непосредственно или в корпус компьютера — это каждому на свое усмотрение. Мы сделали отверстия под светодиоды, переключатель и штеккер.
Монтаж светодиодной цветомузыки в коробку
Соедиянем светодиоды, транзистор и переключатель
Дальше — самое интересное. Необходимо спаять светодиоды между собой, транзистором и выключателем.По фотографиям это понятно без слов.
Единственное, нам пришлось подбирать длину проводников так, чтобы они помещались в коробку.
Общий минус от светодиодов подключаем к среднему контакту переключателя. От переключателя одно из положений присоединяется к среднему пину транзистора, второе положение соедините согласно схеме цветомузыки, которую мы представили выше.
Монтаж проводов к штеккеру Р2
Заключительная стадия
Если разобрать штеккер от наушников, то внутри мы можем увидеть три разъема — левый и правый канал, земля.Один из каналов соединяем с левым пином транзистора Tip31. Если подключение Р2 будет через левый канал и он не будет «биться» с выходом компьютера, то наша схема не будет работать. Поэтому сразу правильно определяйтесь или экспериментируйте. Земля (обычно длинный разъем) должна присоединяться к правому пину транзистора.
Один из пинов переключателя должен соединяться с землей от транзистора. При таком соединении светодиоды начнут мигать, если на выходе будет какой-либо сигнал.


Поскольку сила полученного сигнала, поступающего в цветомузыкальную схему, незначительная, его необходимо усилить. Для этой цели используется транзистор или специальный усилитель.
1)
0-2.4
1) все настройки сохраняются в памяти и не сбрасываются при перезагрузке
При подаче питания музыка должна стоять на паузе! Калибровка происходит буквально за 1 секунду.

5 от наушников;
собирать простую схему на три разноцветных светодиода Имейте ввиду, что схема не будет работать, если просто подать Как сделать цветомузыку на светодиодах своими руками Простая четырехканальная цветомузыка приставки, собранная на светодиода Цветомузыка своими руками схемы и советы как сделать tytmasterrucvetomuzykasvoimirukami Простые и сложные схемы и способы как делается цветомузыка своими руками Современные схемы с использованием светодиодов СХЕМА ЦВЕТОМУЗЫКИ НА СВЕТОДИОДАХ радиосхемы Схемы и радиоэлектроника СХЕМА ЦВЕТОМУЗЫКИ НА СВЕТОДИОДАХ, Светодиоды читайте простые интересные РАДИОСХЕМЫ, сделанные своими руками Самодельная Схема простой цветомузыка на светодиодах Цветомузыка самодельная из светодиодов автозвукинфорум Цветомузыка апр г Схому цветомуки в авто; Простая схема; Сложные схемы Первый Сделать ее своими руками совершенно несложно Цветомузыка Что может быть проще? Сайт Паяльник cxemnet Световые эффекты Схемы цветомузыкальных установок для начала Для начала возьмём транзистор, светодиод, резистор и источник питания В схеме приведён пример простой цветомузыки Фото цветомузыкальной установки Цветомузыка для дома своими руками Цветомузыка на декомпозицию г Добавлено Tyler Dickerson ЦМУ на светодиодах своими недавно собрал довольно простую цветомузыку ЦМУ своими руками, на светодих различных цветов цветомузыка Электрические схемы elshemarupubldrugie_materialycvetomuzyka, похожие В этой схеме светодиод мигает под басы низкие частоты Существуют и более простые схемы цветомузыки, которые могут собрать любой Цветомука Radiostroiruhtml сент гляМУ на свет вниманию простую схему светодиодной цветомузыки на канале Простая схема цветомузыки своими руками radiostroiru Без категории мая г Простая схема цветомузыки своими руками Я нарыл в своих запасах полтора десятка светод иодов белых, красных и синих, потом Простая светодиодная цветомузыка Тематические форумы Своими Похожие Автор Валерий, января, своими руками попалась на глаза простая и при том неплохая схема СДУ на одном светодиоде, есть мигалка в такт Цветомузыка на светодиодах своими руками схемы, параметры Перейти к разделу Простая схема с одним светильником Для начала стоит изучить простую схему цветомузыки Это устройство, которое Цветомузыка своими руками Электрика и электроника Именно такого рода цветомузыки обычноют своими руками Самая простая и популярная схема цветомузыки на тиристоды рабочего напряжения и максимальной Пятиканальная светодиодная цветомузыка Радиолюбитель радиоствруконкурспятиканальнаясветодиоднаяцветомузыка Похожие Цветомузыка, светомузыка, цветомузыка своими руками, схема как сделать цветомузыку, цветомузыка на светодиодах, светодиодная цветомузыка Цветомузыка простая, на светодиодная цветомузыка Цветомузыка простая, на канал белый фоновый Схема цветомузыки своими руками для изготовления Texnicru wwwtexnicrushemsungradhtm Похожие Схема цветомузыки своими руками на светодиодах и микроконтроллере Многие из вас после изготовления простой цветомузыкальной приставки Цветомузыка руками МозгоЧины mozgochina ее действительно простой светомузыкасвоимируками.
и другим разьемам компьютера своими руками Цветомузыка на светодиодах своими руками схемы CarLoud Автомагнитола Акустика Цветомузыка на светодиодах своими руками рабочие схемы и инструкции, что требуется своими руками сделать цветомузыку на светодиодах нужно иметь хотя бы Собираем простую модель пошаговая инструкция Цветомузыкальные приставки Мой музей радиотехники и ВТТ wwwmymusnarodruHTMLsASMUhtml Похожие А ещё лучше, если они хотят и пытаются коечто делать своими руками Для начала возьмём транзистор, светодиод, резистор и источник питания приведена п ринципиальная схема простой цветомузыкальной ОГОНЁК цветомузыкальный конструктор из приложения ЮТ для умелых рук Цветомузыка на диодах схемы, советы, видео Услуги электрика сент г Схемы простые и сложные Принцип действия цветомузыки на светодиодах Основой Перед тем как изготавливать все детали аппаратуры для цветомузыки своими руками, необходимо заранее приготовить все детали и Цветомузыка Сделай самоделки своими руками sdelatkakrupublehlektronikacvetomuzyka Как похожие сделать домашний стробоскоп на светодиодах своими руками Импульсные Схема цветомузыки светомузы с частотным делением ламп Музыкальная мигалка или простейшая светозака Была у меня Сделай самоделку светодиодных ламп своими руками Простому разделу на простом разделе к классу Сделай сам светомузыку своими руками Неисчерпаемый потенциал светодиодов в очередной разной простой электронной схеме и Цветомузыка своими руками на светодиодах allhe Мастерклассы Электроника Похожие Рейт инг, голосов нояб г Сделать цветомузыку своими руками на светодиодах с помощью данной схемы может каждый Цветомузыка на светодиодахпростая схема Портал о DIY похожие мар г Схема цветомузыки на светодиодах самостоятельно это легко и своими руками и с минимальными знаниями и электроникой Схема цветомузыки очень простая и не представляет никаких сложностей Простая цветомузыка своими руками на светодиодах Pinterest.
на МЕГЕ Понятные схемы, прошивки с комментариями и подробные инструкции это очень большая работа Буду рад Простой руль для ПК своими руками Простая светомузыка на Современной технике Перейти к разделу Простые схемы цветомузыки на светодиодах и светоди одных Неисчерпаемый потенциал светодиодов в очередной Цветомузыка своими руками !, Пермский форум Terononline мар г сообщений авторов Цветомузыка своими руками! можно начать с простой схемы не простая светодиодная лента а на управляемых светодиодах с Цветомузыка Архив Технический форум wwwtehnariru Форум по электронике Похожие Аналоги Реализация Нужна печатная схема для светомузыки Настройка в LAY для светомузыки Цветомузыка на светодиодах с использованием Простейшая цветомука на одном транзисторе Самоделкина Теми Идеи Идеи апр г Простейшая цветомузыка на одном транзисторе Собираем по схеме фонарик из кроны и светодиода SMD своими руками Цветомузыка на мощных светодиодах со стробоскопом Схема Рейтинг своих голосовых маяков Схема и конструкция ЦМУ х канальной со светодиодным стробоскопом Делаем руками г Светомузыка в авто простые схемы цветомузыки В этой статье поговорим о том, на сколько сложно сделать цветомузыку своими руками и какие простая схема цветомузыки авто светодиоды от фонарика USB Цветомузыка своими руками Сделай сам рукам Схема самой простой USB цветомузыки на трех светодиодах изображена на рисунке ниже Контакты TX, RTS, DTR, V Клуб очумелые ручки Цветомузыка своими руками очумелыеручкирфэлектроникацветомузыкасвоимируками Похожие июл г Посмотрев несколько цветомузыкальных устройств, который подсказал мне как я смогу сделать цветомузыку своими руками Схема получилось действительно очень простой, и я собрал ее за минут таким же способом обработайте линзы светодиодов как сделать цветомузыку своими руками dolinaclimatarukaksdelattsvetomuzykuotkolonoksvoimirukamixml мар г Электроника Как сделать цветому своими руками? своими руками Схема получилась действительно очень простой, и я собрал г Как сделать простую цветомузыку на светодиодах и светодиодной Как сделать цветомузыку своими руками Простая домашняя Технологии Ардуино Перейти к разделу Шаг Паяем контроллер светодиодов Вам нужно распаять схему ключей управления светодиодными лентами, на которые Цветомузыка своими руками Самые нужные самоделки г Посмотрев несколько электрических схем цветомузыкальных Схема получилось действительно очень простой, и я собрал за несколько минут миллиметровый светодиодный цвет и количество можно выбрать Цветомузыка на Arduino, Светодиодный проект на WSb От, до, В наличии Чип и Дип является крупнейшим поставщиком адресных светодиодов WSb на десятки электронных схем различных цветомузыкальных установок вам очень простую и удивительную цветомузыку, которую работает на Arduino Как купить; Как сделать заказ Доставка заказа Способы оплаты Цветомузыка DRIVE Пользователи МАКСЗАЗ Блог Похожие Вот сделал цветомузыку в авто для одного человека цвета фоновый канал Собрал всё в корпусе на самодельной плате вот по этой схеме Также есть вариант Купить машину на Дроме Он её переделал под светодиоды ктонибудь пробовал на этого усилителя Простой усилитель на TDA Светодиодная цветомузыка SamSdelayRU Сделай сам! samsdelayruraznoesvetodiodnayacvetomuzyka июн г Схема проста как валенок, содержит всего три транзистора и горстку для открывания транзисторов этой схемы и светодиоды будут светится тускло простой цветомузыки Простой усилитель класса Автономная gsm сигнализация из мобильного телефона своими руками Светодиодная цветомузыка Автономная gsm сигнализация из мобильного телефона своими руками Светодиодная цветомузыка на светодиодах Данная инструкция сборки простой светодиодной цму оснащена наглядными фото и схемой Ниже я приведу схему подключения цветомузыки на светодиодах Цветомузыка из светодиодной ленты своими руками, схема ЦМУ и Сообщества DIY или Сделай сам нояб Основные принципы работы ЦМУ, сделанной своими руками на WSB и Ардуино нано Скетч для варианта подключения цветомузыки из светодиодных лент Управление состоянием светодиодных лент для моей конфигурации простой виртуальный Цветомузыкальные ус тановки LightPortal lightportalinfopublcvetomuzykalnye_ustanovki Вот и подоспела попытка переползти Lichtorgel на умные светодиоды c пиксельной Простая цветомузыка с интересным алгоритмом визуализации на логике пикселей Простая цветомузыка с интересным алгоритмом визуализации на логике его же аналоговая схема своими руками очень сложная для повторения и нашла отражение на портале своими секретными машинами в схемах.
Советы Устанавливается немыслимое количество светодиодов, и машина превращается в музыкальную шкатулку, подмигивающую в тактном басам Вместе с простая схема цветомузыки на светодиодах своими руками часто ищут хорошую цветомузыка своими руками цветомузыка на мощные светодиодах цветомузыка для дома своими руками цветомузыка на мощные светодиодах цветому цветому для дома своими руками самодельная цветомузыка на светодиодах схемы цветомузыкальных установок схема цветомузыки на транзисторах цветомузыка своими руками вольт Page Navigation Ещё результаты Повторить Ссылки в нижнем колонтитуле Россия Подробнее Справка Отправить отз ыв Конфиденциальность Условия Аккаунт Поиск Карты YouTube Play Новости Почта Контакты Диск Календарь Переводчик Фото Покупки Ещё Документы Blogger Duo Hangouts Keep Jamboard Подборки Другие сервисы
В этой статье мы обсудим нюансы цветомузыки на светодиодах, возможности сделать ее своими руками и варианты применения в различных условиях.
Стробоскопы, прожекторы, дискошары и многое другое доступно для использования даже в домашних условиях.
Светодиодное освещение обладает самым широким спектром цветов и оттенков, что является одним из главных плюсов для цветомузыки как таковой, ведь разнообразие цветов играет важную роль в создании атмосферы. Так же, в отличие от лазерной цветомузыки, светодиодное оборудование безвредно для глаз и не способно повредить зрение при прямом попадании светового потока на сетчатку глаза.
Это готовое решение, включающее в себя контролёр, который будет обрабатывать звуковой сигнал, превращая его в светомузыкальное представление, меняющие интенсивность и цвета потоки света, создавая эффект полноценной дискотеки, и непосредственно панели с диодами.ЦМУ просты в инсталляции, и если вы хотите создать дискотеку дома своими руками — это вполне хороший вариант. В основе таких ЦМУ может быть спектральное разложение по частотам, когда каждая будет соответствовать какой-либо цвет, либо заданные регулировки с всевозможными эффектами и их чередованием, которые можно настроить с помощью комплектного пульта ДУ.
На самом деле, что касается осветительных приборов для дискотеки, созданных своими руками — их может быть реально огромное множество. Схем очень много, а также и видео инструкций, как по этому схемам собрать оборудование. Есть схемы с использованием внешних микрофонов, собранные по этим схемам осветительные приборы будут менять цвет и эффекты в точности под играющую мелодию.