Что представляет собой блок питания МП-3-3 для телевизоров. Как устроена его принципиальная схема. Какие напряжения он выдает. Для каких моделей телевизоров применялся. В чем его преимущества и недостатки.
Общие сведения о блоке питания МП-3-3
Модуль питания МП-3-3 — это импульсный блок питания, который широко применялся в советских цветных телевизорах 3-го и 4-го поколений. Он представляет собой функционально законченный узел, выполненный на отдельной печатной плате.
Основные характеристики МП-3-3:
- Входное напряжение: 220В переменного тока
- Выходные напряжения: +115В, +24В, +12В
- Мощность: около 100 Вт
- Частота преобразования: 15.6 кГц
- Габариты платы: 200×160 мм
МП-3-3 пришел на смену ламповым блокам питания и трансформаторным БП предыдущих поколений телевизоров. Его внедрение позволило значительно уменьшить габариты и вес телевизоров, а также повысить их надежность и экономичность.
Принципиальная схема блока питания МП-3-3
Рассмотрим основные функциональные узлы, из которых состоит схема МП-3-3:

Входной выпрямитель и фильтр
На входе блока питания установлен диодный мост VD1-VD4, выпрямляющий сетевое напряжение 220В. Сглаживание пульсаций обеспечивает конденсатор большой емкости C1 (470 мкФ).
Задающий генератор
Генератор на транзисторе VT1 вырабатывает прямоугольные импульсы частотой около 15.6 кГц. Эта частота задается времязадающей цепочкой R2C2.
Формирователь импульсов управления
Транзисторы VT2 и VT3 формируют управляющие импульсы для силового ключа. Трансформатор T1 обеспечивает гальваническую развязку.
Силовой ключ
В качестве силового ключа используется высоковольтный транзистор VT4. Он коммутирует ток через первичную обмотку силового трансформатора T2.
Силовой трансформатор
Трансформатор T2 преобразует импульсное напряжение с первичной обмотки в набор вторичных напряжений. Он имеет несколько вторичных обмоток для получения разных напряжений.
Выходные выпрямители
Диоды VD5-VD8 выпрямляют напряжения со вторичных обмоток T2. Конденсаторы C8-C11 сглаживают пульсации.

Цепи обратной связи
Стабилизация выходных напряжений обеспечивается за счет обратной связи через оптрон U1. Напряжение с делителя R16R17 управляет светодиодом оптрона.
Выходные напряжения МП-3-3
Блок питания МП-3-3 формирует следующие выходные напряжения:
- +115В — для питания выходных каскадов строчной и кадровой разверток
- +24В — для питания видеоусилителей
- +12В — для питания малосигнальных каскадов
Точность стабилизации напряжений составляет около 5%. При изменении нагрузки или входного напряжения выходные напряжения поддерживаются с помощью схемы обратной связи.
Применение МП-3-3 в телевизорах
Модуль питания МП-3-3 применялся в следующих моделях цветных телевизоров:
- УЛПЦТ-61 (Рубин-714/715, Электрон-714 и др.)
- УПИМЦТ (Горизонт-736, Березка Ц-281 и др.)
- 3УСЦТ (Горизонт-С-355, Радуга-716 и др.)
- 4УСЦТ (первые модели)
Благодаря унификации, МП-3-3 мог использоваться в телевизорах разных производителей без изменений. Это упрощало ремонт и обслуживание техники.
Преимущества блока питания МП-3-3
По сравнению с предыдущими поколениями блоков питания, МП-3-3 имел ряд существенных преимуществ:

- Высокий КПД (до 80%) за счет импульсного режима работы
- Малые габариты и вес
- Стабильность выходных напряжений при колебаниях сети
- Защита от перегрузки и короткого замыкания
- Возможность работы в широком диапазоне входных напряжений
- Отсутствие мощного силового трансформатора
Все это позволило значительно улучшить параметры телевизоров и снизить их стоимость.
Недостатки и проблемы МП-3-3
Несмотря на преимущества, у МП-3-3 были и определенные недостатки:- Сложность схемы по сравнению с линейными БП
- Высокочастотные помехи, требующие экранирования
- Чувствительность к перегрузкам
- Сложность ремонта из-за дефицита компонентов
Наиболее частыми неисправностями были выход из строя силового транзистора VT4 и пробой конденсатора C1 большой емкости.
Модернизация и развитие МП-3-3
На основе схемы МП-3-3 были разработаны улучшенные версии блоков питания:
- МП-3-3С — с дополнительным стабилизатором напряжения +12В
- МП-405 — с расширенным диапазоном выходных напряжений
- МП-44 — с улучшенной защитой от перегрузок
Эти модификации устраняли некоторые недостатки оригинального МП-3-3 и расширяли возможности его применения в новых моделях телевизоров.

Заключение о блоке питания МП-3-3
Модуль питания МП-3-3 сыграл важную роль в развитии отечественного телевизоростроения. Он позволил перейти на импульсные источники питания и заложил основу для дальнейшего совершенствования этого направления. Несмотря на некоторые недостатки, МП-3-3 обеспечивал надежное питание телевизоров в течение многих лет эксплуатации.
Мп 3 3с схема
Еще зимой Минздрав упомянул про генероттор и дал ссылку где можно о нем почитать. И вот наконец,неделю назад я снял чистенький и красивый модуль питания,припаял куда нужно 4 провода,и генероттор готов! Хотя на пластмассовой крышке написано-без нагрузки не включать,но без нагрузки он работает в режиме старт-стоп-старт Пример использования.
Поиск данных по Вашему запросу:
Схемы, справочники, даташиты:
Прайс-листы, цены:
Обсуждения, статьи, мануалы:
Дождитесь окончания поиска во всех базах.
По завершению появится ссылка для доступа к найденным материалам.
Содержание:
- Переделка модуля питания МП-3-3
- Модули питания МП-001, МП-3-3, МП-2, МП-3-3С
- Источник схем
- Проверенные схемы
- Что искали пользователи :
- Форумы сайта «Отечественная радиотехника 20 века»
- Список серий унифицированных телевизоров СССР
ПОСМОТРИТЕ ВИДЕО ПО ТЕМЕ: Как работает импульсный блок питания — Часть 2 — Схема импульсного блока питания
youtube.com/embed/e5atC50hY8Y» frameborder=»0″ allowfullscreen=»»/>Переделка модуля питания МП-3-3
Еще зимой Минздрав упомянул про генероттор и дал ссылку где можно о нем почитать. И вот наконец,неделю назад я снял чистенький и красивый модуль питания,припаял куда нужно 4 провода,и генероттор готов! Хотя на пластмассовой крышке написано-без нагрузки не включать,но без нагрузки он работает в режиме старт-стоп-старт Пример использования.
Телевизор Витязь,бп на микросхеме ТДА Не включается,светодиод не горит. Напряжение питания на микросхеме пульсирует,как будто кз во вторичных цепях. При прозвонке диодов втор. Телевизор запускается и работает нормально.
Значит неисправность в первичной части БП. Довольно быстро нахожу один из резисторов БП в обрыве. Старый тв фунай. В блок питания попало высокое напряжение,вся плата закопчена. Много деталей первичной части бп перегорело. Со стороны ТДКС раздается скрежет,треск и пробивает строчный транзистор.
Вся плата закопчена,номиналы деталей не видно.
Звоню хозяевам и говорю,что тел отжил свое. Гадания и предсказания решений по бобам, желудям, дыму, кофейной гуще Продажа товаров для ремонта LED подсветки, инструменты, материалы, радиодетали. Так для запуска БП уже давно используют троешный блочек задавальник на ХА А это я так понял просто отдельный БП для запуска? С картинками я пока не очень дружу. Телефон есть а шнура нет. Тема не нова. Но будет интересна.
Что защиту он имеет, это прочитал. А регулировку выходных напряжений он может? Возможно ли в голову за две минуты вложить опыт многих лет. Ромен Роллан. Да,от 95 до вольт,отверткой. Не могу прочитать на нем ,думаю,что МП,с Советского монитора, во многих унифицированных стояли такие. Хорошо ли после него дымит и стреляет?
Некоторые «умеющие» такую тему скурили давнехо и по-своему. Так и встечаю вот то внутри филков, самцов Если еще выдернул родное зачем оно ему — не знаю , то и не восстановишь уже. А не проще ли собрать блок на силовом трансформаторе,для этих целей? И переключать напруги с помошью пакетника по вторичной обмотке? Нагрузка ему не нужна, он и не отлетит никогда.
Просто я обалдел от нового прибора,теперь не нужно долго чесать лоб Источник нашей мудрости — наш опыт. Источник нашего опыта — наша глупость. Ошибки эмулятора точно не знаю. Не включается плазма samsung ps51e Сони klvbx изображения в негативе. Изображения в негатив. Поиск по сайту. С Днем Рождения!
Модули питания МП-001, МП-3-3, МП-2, МП-3-3С
Выбор языка:. Логин Пароль. Регистрация :: Забыл пароль :: Вход. Архив быстрый поиск в архиве радиолюбительских публикаций.
специалистов. Схемы, справочники, документация, советы мастеров. что можно сделать для домашней мастерской из МП?.
Источник схем
В принципе, неисправность такая же как в Фунаях, Рекорах и Акаях. В блоке питания потеря емкости конденсатора кажется С 47 мкФ х 25 В. Из-за этого завышенное напряжение и как следствие: взорванные емкости хВ, выбитый строчный транзистор, сегодня даже битая кадровая ТАК.
Подстройка контуров не помогает. Неисправны конденсаторы внутри контуров уменьшается ёмкость. Ремонт: выпаять контур, удалить конденсатор, впаять контур на место и подобрать ёмкость конденсатора опытным путём. Второй вариант: если позволяет место, можно поставить контура от нашего СМРК это чтобы не мучатся с подборкой ёмкости. Shivaki STV При максимальном уровне громкости слабый, еле слышно, звук. Сопротивление между 13 выв.
Проверенные схемы
Сайт управляется системой uCoz. Модуль питания преобразовывает переменное напряжение электрической сети в постоянные напряжения, необходимые для питания электродов транзистров и микросхем. От качества работы модуля питания во многом зависит работоспособность всех каскадов телевизора. В телевизорах УСЦТ применяется импульсный источник питания с промежуточным преобразованием напряжения электрической сети частотой 50 Гц в импульсы прямоугольной формы с частотой следования кГц и последующим их выпрямлением. Источник выполнен в виде двух функционально законченных узлов: модуля питания и платы фильтров.
Войти через uID.
Что искали пользователи :
Материал данной статьи предназначен не только для владельцев уже раритетных телевизоров, желающих восстановить их работоспособность, но и для тех, кто хочет разобраться со схемотехникой, устройством и принципом работы импульсных блоков питания. Если усвоить материал данной статьи, то без труда можно будет разобраться с любой схемой и принципом работы импульсных блоков питания для бытовой техники , будь то телевизор, ноутбук или офисная техника. И так приступим Импульсные блоки питания в зависимости от модели телевизора, где они использовались, разделялись на три модификации — МП-1, МП-2 и МП Модули питания собраны по одинаковой электрической схеме и различаются только типом импульсного трансформатора и номиналом напряжения конденсатора С27 на выходе фильтра выпрямителя см.
Форумы сайта «Отечественная радиотехника 20 века»
By radiolomaster , December 27, in Питание. Причем 15в берется с отдельной обмотки импульсного трансформатора.
Кто знает какие токи может выдать этот БП по каждому напряжению и будет ли он работать в холостую, без нагрузки. Можно ли перемотать вторички транса так чтоб он выдавал одно напряжение, например 15в на полную мощность? Вот их схемы: МП-1 и МП Сам я не сильно разбираюсь в схемотехнике, так что подскажите. Мы принимаем формат Sprint-Layout 6! Экспорт в Gerber из Sprint-Layout 6.
МП Там наверное косяк какой-то, должно быть. Вот схема. И ещё чего спросить хотел, а можно к МП С приладить дежурный модуль от самого.
Список серий унифицированных телевизоров СССР
Общие сведения. Состоят из унифицированной и неунифицированной частей. К унифицированной части относится кассетно—модульное базовое шасси моношасси , объединяющее три кассеты — обработки сигналов, разверток и импульсного питания, к неунифицированной части — блок управления.
Светодиод горит постоянно. Condor CA В работе или при механическом воздействии, изображение темнеет за несколько секунд до тёмного экрана.
Слышен высокочастотный писк. Continental CT Изображение имеет преобладание зелёного цвета. Практически все напряжения есть.
Незначительная доработка блока позволяет использовать его для зарядки АКБ с током до А, ремонта автомагнитол и др.
Пример: max Реклама на сайте Помощь сайту. Каталог программ Производители Каталог схем Datasheet catalog. Пример: max Запросить склады. Устройство позволяет регулировать мощность паяльника от половинной до максимальной. При указанных на схеме элементах мощность нагрузки не должна превышать 50 Вт, но в течение часа схема может выдержать и нагрузку Вт без особых последствий. Десульфатация автомобильных аккумуляторов.
Форум Новые сообщения. Что нового Новые сообщения Недавняя активность. Вход Регистрация. Что нового.
| 1 | Славутич Ц-281Д ЗУСЦТ-61-14 | 8000 | 1543 | 13.03.2018 |
| 2 | HORIZONT 14A01, 20A10, 21A09, 21A20, 21A21, 21A40, 21A46, 21A48 | 1624 | 18099 | 07. 01.2008 |
| 3 | Horizont 63CTV-656 | 2016 | 7763 | 21.04.2008 |
| 4 | Rolsen C21R70 | 1466 | 4878 | 18.06.2007 |
| 5 | Банга ТЦ-402Д | 359 | 13483 | 18.03.2003 |
| 6 | Банга ТЦ-402Д | 3564 | 17242 | 18.03.2003 |
| 7 | Березка 215 (УЛПТ-61-II) (лампово-полупровод.) — 149Кб | 146 | 8356 | 09.01.2002 |
| 8 | Березка 51/61ТЦ-487Д (полупроводник. ч.2) — 23Кб | 23 | 8931 | 09.01.2002 |
| 9 | Березка 51/61ТЦ-487Д (полупроводник.) — 345Кб | 337 | 10032 | 09.01.2002 |
| 10 | Березка Ц-208 (полупроводник.) — 340Кб | 333 | 10546 | 09.01.2002 |
| 11 | Березка Ц-281Д (полупроводник.) — 342Кб | 334 | 7520 | 09.01.2002 |
| 12 | Блок питания ТВ «Электроника 404Д» (ПТ-23) | 57 | 6655 | 17. 04.2005 |
| 13 | Блок питания телевизора УПИМЦТ | 406 | 2644 | 02.02.2012 |
| 14 | БП-2 УСТ-61 | 226 | 2333 | 02.02.2012 |
| 15 | Верас 23ВТ-410 | 979 | 9255 | 19.01.2001 |
| 16 | Весна 346 | 1397 | 11227 | 19.01.2001 |
| 17 | Весна 40 ТБ-410(Д) (полупроводник.) — 145Кб | 145 | 9294 | 09.01.2002 |
| 18 | Вече 24ТБ-4125 | 2732 | 22.07.2002 | |
| 19 | Вече 24ТБ-4125 | 895 | 4201 | 19.01.2001 |
| 20 | Вече 24ТБ-4125 (полупроводник.) — 89Кб | 87 | 4215 | 09.01.2002 |
| 21 | Вече 25ТЦ405 Д | 764 | 4782 | 26.10.2001 |
| 22 | Вече 25ТЦ405 Д | 319 | 5336 | 26.10.2001 |
| 23 | Витязь 34ТБ-401 | 815 | 11815 | 19. 12.2004 |
| 24 | Витязь CTV6623, CTV6643 | 133 | 5068 | 08.02.2007 |
| 25 | Внутреннее строение интегральных микросхем блока БЦИ-1 | 3109 | 08.11.2007 | |
| 26 | Волна 31ТБ схема | 2104 | 3907 | 12.07.2007 |
| 27 | Восход -3, Горизонт и др. (УЛПТ-4759) | 654 | 4221 | 19.01.2001 |
| 28 | ВЭЛС 23ТБ-433Д | 1846 | 3508 | 12.08.2010 |
| 29 | ВЭЛС 34ТБ-413 | 602 | 2774 | 11.11.2005 |
| 30 | ВЭЛС 34ТБ-413 | 9831 | 2584 | 11.12.2005 |
| 31 | ВЭЛС-50ТБ-306 | 1403 | 6781 | 19.01.2001 |
| 32 | Горизонт (УНТ-59) | 1009 | 3701 | 19.01.2001 |
| 33 | Горизонт 107(108) (полупроводник.) — 247Кб | 247 | 3891 | 09.01.2002 |
| 34 | Горизонт 34WT-545 | 766 | 4090 | 24. 02.2005 |
| 35 | Горизонт 37/51/54/CTV-659 | 365 | 7955 | 15.11.2008 |
| 36 | Горизонт 50wt-418 | 1071 | 3313 | 04.01.2005 |
| 37 | Горизонт 51ТЦ-418() (полупроводник.) — 249Кб | 244 | 17227 | 09.01.2002 |
| 38 | Горизонт 736(Д) (полупроводник.) — 301Кб | 294 | 4637 | 09.01.2002 |
| 39 | Горизонт-690 | 402 | 2849 | 19.12.2004 |
| 40 | Горизонт-710 | 297 | 2733 | 19.12.2004 |
| 41 | Гран 310 (полупроводник.) — 84Кб | 84 | 2177 | 09.01.2002 |
| 42 | Днiпро 50ТБ-301 (301-305) (полупроводник.) — 139Кб | 139 | 4301 | 09.01.2002 |
| 43 | ду под совковское железо поколения 3усцт и выше. | 4662 | 01.05.2001 | |
| 44 | как подключать ик ду к советским телевизорам.![]() | 4332 | 01.05.2001 | |
| 45 | Каскад 225 | 2766 | 3722 | 19.01.2001 |
| 46 | Каскад 230 | 3690 | 3136 | 19.01.2001 |
| 47 | Каскад-230 (УСТ 61) (полупроводник.) — 192Кб | 192 | 4230 | 09.01.2002 |
| 48 | Кварц 40ТБ-306 (3УПТ 40-1) (полупроводник.) — 196Кб | 196 | 8299 | 09.01.2002 |
| 49 | КОРВЕТ ВК 8071 принципиальная схема | 1680 | 3345 | 30.11.2003 |
| 50 | Модули питания МП-001, МП-3-3, МП-2, МП-3-3С | 5295 | 08.11.2007 | |
| 51 | Модуль синтезатора напряжений МСН-605-2 | 183 | 2773 | 10.02.2009 |
| 52 | Модуль управления МУ670-168 | 439 | 2029 | 15.11.2009 |
| 53 | МРК-2 | 860 | 1328 | 06.11.2010 |
| 54 | Ореол 23ТБ-307 | 2877 | 12598 | 19. 01.2001 |
| 55 | Оризон 51ТЦ -507/508 | 1181 | 4478 | 28.05.2006 |
| 56 | Персональная страница Nick Gashevsky | 2000 | 3382 | 08.04.2005 |
| 57 | Плавный разогрев/остывание катодов телевизора | 45 | 2570 | 10.01.2001 |
| 58 | Применяемость функциональных узлов и модулей в телевизионных приемниках. Формат DjVU, 8 cтр. | 1968 | 08.11.2007 | |
| 59 | Принципиальная схема телевизора УНТ 47/59-1 | 5700 | 959 | 13.03.2018 |
| 60 | Принципиальные схемы, осциллограммы сигналов черно-белых телевизоров Горизонт 23ТБ-545Д/34ТБ-545Д | 65 | 2984 | 25.11.2004 |
| 61 | Приципиальная схема антенного тюнера T2536SA | 1794 | 08.11.2007 | |
| 62 | Приципиальная схема блока БВП 10 | 1309 | 08.11.2007 | |
| 63 | Приципиальная схема блока БВТП | 1289 | 08. 11.2007 | |
| 64 | Приципиальная схема блока БР-1 | 1531 | 08.11.2007 | |
| 65 | Приципиальная схема блока БР-2 | 1431 | 08.11.2007 | |
| 66 | Приципиальная схема блока БРК-1 | 1407 | 08.11.2007 | |
| 67 | Приципиальная схема блока БРК-10 | 1271 | 08.11.2007 | |
| 68 | Приципиальная схема блока БРК-2 | 1322 | 08.11.2007 | |
| 69 | Приципиальная схема блока БРК-3 | 1303 | 08.11.2007 | |
| 70 | Приципиальная схема блока БРК-3-2 | 1274 | 08.11.2007 | |
| 71 | Приципиальная схема блока БС 21 | 1466 | 08.11.2007 | |
| 72 | Приципиальная схема блока БСР-10 | 1325 | 08.11.2007 | |
| 73 | Приципиальная схема блока кадровой развертки БК-10 | 1459 | 08.11.2007 | |
| 74 | Приципиальная схема блока питания БП-10 | 2299 | 08. 11.2007 | |
| 75 | Приципиальная схема блока питания БП40ТБ-1 | 1660 | 08.11.2007 | |
| 76 | Приципиальная схема блока ПТК | 1161 | 08.11.2007 | |
| 77 | Приципиальная схема блока ПТК 10Б | 1344 | 08.11.2007 | |
| 78 | Приципиальная схема блока ПТК 3 | 1365 | 08.11.2007 | |
| 79 | Приципиальная схема блока ПТК 4 | 1205 | 08.11.2007 | |
| 80 | Приципиальная схема блока ПТК 5 | 22 | 1417 | 13.03.2018 |
| 81 | Приципиальная схема блока ПТК 5 7 | 1087 | 08.11.2007 | |
| 82 | Приципиальная схема блока ПТК 7 | 1162 | 08.11.2007 | |
| 83 | Приципиальная схема блока ПТК П | 1256 | 08.11.2007 | |
| 84 | Приципиальная схема блока ПТК11Д | 2074 | 08.11.2007 | |
| 85 | Приципиальная схема блока развертки БР-511 | 1439 | 08. 11.2007 | |
| 86 | Приципиальная схема блока развертки БРК-КП | 1157 | 08.11.2007 | |
| 87 | Приципиальная схема блока управления А9 | 1618 | 08.11.2007 | |
| 88 | Приципиальная схема блока управления БУ -411 | 1852 | 08.11.2007 | |
| 89 | Приципиальная схема блока управления БУ 3-1, БУ-4 (УНЧ) | 2377 | 08.11.2007 | |
| 90 | Приципиальная схема блока управления БУ-1-1 | 1539 | 08.11.2007 | |
| 91 | Приципиальная схема блока управления БУ-3 | 1332 | 08.11.2007 | |
| 92 | Приципиальная схема блока управления БУ-3-1 | 1174 | 08.11.2007 | |
| 93 | Приципиальная схема блока управления БУ-4 | 1222 | 08.11.2007 | |
| 94 | Приципиальная схема блока управления БУ-4 | 1639 | 08.11.2007 | |
| 95 | Приципиальная схема блока управления БУ-4-2 | 1382 | 08. 11.2007 | |
| 96 | Приципиальная схема блока управления БУ-411 | 1843 | 08.11.2007 | |
| 97 | Приципиальная схема блока управления МВП 1 1 | 1671 | 08.11.2007 | |
| 98 | Приципиальная схема блока управления МСН501 | 2809 | 08.11.2007 | |
| 99 | Приципиальная схема блока управления МСН601 | 1513 | 08.11.2007 | |
| 100 | Приципиальная схема блока управления МУ55 | 2312 | 08.11.2007 | |
| 101 | Приципиальная схема блока управления НСН-501 | 1706 | 08.11.2007 | |
| 102 | Приципиальная схема блока управления ОТВ25 | 1137 | 08.11.2007 | |
| 103 | Приципиальная схема блока управления ПВК41 1 | 1333 | 08.11.2007 | |
| 104 | Приципиальная схема блока цветности БЦ-1 | 1250 | 08.11.2007 | |
| 105 | Приципиальная схема блока цветности БЦ-10а | 1210 | 08. 11.2007 | |
| 106 | Приципиальная схема блока цветности БЦ-2 | 1396 | 08.11.2007 | |
| 107 | Приципиальная схема блока цветности БЦ-511 | 1382 | 08.11.2007 | |
| 108 | Приципиальная схема блока цветности БЦИ-1 | 1289 | 08.11.2007 | |
| 109 | Приципиальная схема и осциллограммы сигналов телевизоров Горизонт 23ТБ-545Д, 34ТБ-545Д | 1944 | 08.11.2007 | |
| 110 | Приципиальная схема и осциллограммы сигналов телевизоров Горизонт 441 | 2933 | 08.11.2007 | |
| 111 | Приципиальная схема и осциллограммы сигналов телевизоров Горизонт 510 | 3265 | 08.11.2007 | |
| 112 | Приципиальная схема и осциллограммы сигналов телевизоров Горизонт 518 | 3292 | 08.11.2007 | |
| 113 | Приципиальная схема и осциллограммы сигналов телевизоров Горизонт 51ТЦ-418 | 4991 | 08. 11.2007 | |
| 114 | Приципиальная схема и осциллограммы сигналов телевизоров Горизонт 51ТЦ-520А | 2069 | 08.11.2007 | |
| 115 | Приципиальная схема и осциллограммы сигналов телевизоров Горизонт 51ТЦ-525 | 2225 | 08.11.2007 | |
| 116 | Приципиальная схема и осциллограммы сигналов телевизоров Горизонт 51ТЦ414Д | 2354 | 08.11.2007 | |
| 117 | Приципиальная схема и осциллограммы сигналов телевизоров Горизонт 525 | 1926 | 08.11.2007 | |
| 118 | Приципиальная схема и осциллограммы сигналов телевизоров Горизонт 61ТЦ-518 | 2080 | 08.11.2007 | |
| 119 | Приципиальная схема и осциллограммы сигналов телевизоров Горизонт 61ТЦ-670 | 1971 | 08.11.2007 | |
| 120 | Приципиальная схема и осциллограммы сигналов телевизоров Горизонт xxТЦ-418 | 1825 | 08.11.2007 | |
| 121 | Приципиальная схема и осциллограммы сигналов телевизоров Горизонт xxТЦ-545Д | 1688 | 08. 11.2007 | |
| 122 | Приципиальная схема и осциллограммы сигналов телевизоров Горизонт xxТЦ-659М | 1645 | 08.11.2007 | |
| 123 | Приципиальная схема и осциллограммы сигналов телевизоров Горизонт xxТЦ-676 | 1863 | 08.11.2007 | |
| 124 | Приципиальная схема и осциллограммы сигналов телевизоров Горизонт xxТЦ-690 | 1497 | 08.11.2007 | |
| 125 | Приципиальная схема и осциллограммы сигналов телевизоров Горизонт xxТЦ-710 | 1646 | 08.11.2007 | |
| 126 | Приципиальная схема и осциллограммы сигналов телевизоров Горизонт xxТЦ-730 | 1661 | 08.11.2007 | |
| 127 | Приципиальная схема и осциллограммы сигналов телевизоров Горизонт xxТЦ-736Д | 1590 | 08.11.2007 | |
| 128 | Приципиальная схема и осциллограммы сигналов телевизоров Фотон 31ТБ-407(8)Д | 3424 | 08.11.2007 | |
| 129 | Приципиальная схема и осциллограммы сигналов телевизоров Фотон 61ТЦ-234Д | 1906 | 08. 11.2007 | |
| 130 | Приципиальная схема и осциллограммы сигналов телевизоров Фотон 61ТЦ-311 | 2534 | 08.11.2007 | |
| 131 | Приципиальная схема и осциллограммы сигналов телевизоров Электрон ТК-550 551 560 561 | 1839 | 08.11.2007 | |
| 132 | Приципиальная схема и осциллограммы сигналов телевизоров Электрон Ц382, Ц282, Ц265Д | 2782 | 08.11.2007 | |
| 133 | Приципиальная схема и осциллограммы сигналов телевизоров Электрон Ц382, Ц282, Ц265Д | 3341 | 08.11.2007 | |
| 134 | Приципиальная схема и осциллограммы сигналов телевизоров Электрон-Ц382Д | 2504 | 08.11.2007 | |
| 135 | Приципиальная схема импульсного блока питания БПИ-13с | 3351 | 08.11.2007 | |
| 136 | Приципиальная схема импульсного блока питания БПИ-13С | 3452 | 08.11.2007 | |
| 137 | Приципиальная схема импульсного блока питания БПИ-411 | 3780 | 08. 11.2007 | |
| 138 | Приципиальная схема интегрального блока цветности БЦ-10Б | 1208 | 08.11.2007 | |
| 139 | Приципиальная схема интегрального блока цветности БЦИ-2 | 1226 | 08.11.2007 | |
| 140 | Приципиальная схема интегрального блока цветности БЦИ-2А | 1223 | 08.11.2007 | |
| 141 | Приципиальная схема кассеты обработки сигналов КОС-401Д | 1750 | 08.11.2007 | |
| 142 | Приципиальная схема кассеты обработки сигналов КОС-402Д | 1718 | 08.11.2007 | |
| 143 | Приципиальная схема кассеты обработки сигналов КОС-405Д | 2706 | 08.11.2007 | |
| 144 | Приципиальная схема кассеты обработки сигналов КОС-406Д | 1585 | 08.11.2007 | |
| 145 | Приципиальная схема кассеты обработки сигналов КОС-501Д | 1646 | 08.11.2007 | |
| 146 | Приципиальная схема кассеты питания КРП-501 | 1442 | 08. 11.2007 | |
| 147 | Приципиальная схема кассеты питания КРП-525 | 1272 | 08.11.2007 | |
| 148 | Приципиальная схема кассеты развертки и питания КРП-601 | 1828 | 08.11.2007 | |
| 149 | Приципиальная схема кассеты развертки КР 401 | 1525 | 08.11.2007 | |
| 150 | Приципиальная схема кассеты развертки КР-401 | 1907 | 08.11.2007 | |
| 151 | Приципиальная схема кассеты развертки КР405 | 2734 | 08.11.2007 | |
| 152 | Приципиальная схема кассеты развертки МР 401 1 | 1670 | 08.11.2007 | |
| 153 | Приципиальная схема модуля дежурного режима МДР | 1590 | 08.11.2007 | |
| 154 | Приципиальная схема модуля дежурного режима МДР | 1786 | 08.11.2007 | |
| 155 | Приципиальная схема модуля кадровой развертки МК-1 | 1759 | 08. 11.2007 | |
| 156 | Приципиальная схема модуля кадровой развертки МК-1-1 | 3853 | 08.11.2007 | |
| 157 | Приципиальная схема модуля кадровой развертки МК-1М, МК-1-1, МК-1-1Р, МК-1МД1 | 3745 | 08.11.2007 | |
| 158 | Приципиальная схема модуля кадровой развертки МК-2 | 1878 | 08.11.2007 | |
| 159 | Приципиальная схема модуля кадровой развертки МК-31 | 1755 | 08.11.2007 | |
| 160 | Приципиальная схема модуля кадровой развертки МК-41 | 2659 | 08.11.2007 | |
| 161 | Приципиальная схема модуля М-1-1 | 1455 | 08.11.2007 | |
| 162 | Приципиальная схема модуля питания МП-1 — формат DjVU | 2406 | 08.11.2007 | |
| 163 | Приципиальная схема модуля питания МП-1 — формат GIF | 2232 | 08.11.2007 | |
| 164 | Приципиальная схема модуля питания МП-3-3 — формат DjVU | 3519 | 08. 11.2007 | |
| 165 | Приципиальная схема модуля питания МП-3-3 — формат GIF | 2258 | 08.11.2007 | |
| 166 | Приципиальная схема модуля питания МП-4-5 | 1696 | 08.11.2007 | |
| 167 | Приципиальная схема модуля питания МП-4-5 — формат DjVU | 1662 | 08.11.2007 | |
| 168 | Приципиальная схема модуля питания МП-4-6 | 1375 | 08.11.2007 | |
| 169 | Приципиальная схема модуля питания МП-403 | 2695 | 08.11.2007 | |
| 170 | Приципиальная схема модуля питания МП-403-3 | 1597 | 08.11.2007 | |
| 171 | Приципиальная схема модуля питания МП-403-3 — формат DjVU | 2465 | 08.11.2007 | |
| 172 | Приципиальная схема модуля питания МП-405 | 2617 | 08.11.2007 | |
| 173 | Приципиальная схема модуля питания МП-405 (вариант 2) | 1697 | 08. | |
| 174 | Приципиальная схема модуля питания МП-405 с аналогом тиристора | 1931 | 08.11.2007 | |
| 175 | Приципиальная схема модуля питания МП-405-1 | 3021 | 08.11.2007 | |
| 176 | Приципиальная схема модуля питания МП-405-1 — формат DjVU | 2576 | 08.11.2007 | |
| 177 | Приципиальная схема модуля питания МП-41 | 1537 | 08.11.2007 | |
| 178 | Приципиальная схема модуля питания МП-41(1) | 2581 | 08.11.2007 | |
| 179 | Приципиальная схема модуля питания МП-420 | 1659 | 08.11.2007 | |
| 180 | Приципиальная схема модуля питания МП-420 — формат DjVU | 1400 | 08.11.2007 | |
| 181 | Приципиальная схема модуля питания МП-420-2 | 1583 | 08.11.2007 | |
| 182 | Приципиальная схема модуля питания МП-420-2 — формат BMP | 1359 | 08. 11.2007 | |
| 183 | Приципиальная схема модуля питания МП-44 | 1718 | 08.11.2007 | |
| 184 | Приципиальная схема модуля питания МП-44 — формат DjVU | 1421 | 08.11.2007 | |
| 185 | Приципиальная схема модуля питания МП-44-3 | 1810 | 08.11.2007 | |
| 186 | Приципиальная схема модуля питания МП-44-3 — формат DjVU | 1519 | 08.11.2007 | |
| 187 | Приципиальная схема модуля питания МП-505-1 | 1853 | 08.11.2007 | |
| 188 | Приципиальная схема модуля промежуточной частоты МПЧ-ХХ | 1384 | 08.11.2007 | |
| 189 | Приципиальная схема модуля промежуточной частоты МУПЧ-501 | 1559 | 08.11.2007 | |
| 190 | Приципиальная схема модуля радиоканала МРК-21 | 1535 | 08.11.2007 | |
| 191 | Приципиальная схема модуля радиоканала МРК-21-1 | 1642 | 08. 11.2007 | |
| 192 | Приципиальная схема модуля радиоканала МРК-21-3 | 1325 | 08.11.2007 | |
| 193 | Приципиальная схема модуля радиоканала МРК-21-4 | 1427 | 08.11.2007 | |
| 194 | Приципиальная схема модуля радиоканала МРК-41-1 | 1691 | 08.11.2007 | |
| 195 | Приципиальная схема модуля радиоканала МРК-41-6 | 1298 | 08.11.2007 | |
| 196 | Приципиальная схема модуля радиоканала МРК-43-2 | 1272 | 08.11.2007 | |
| 197 | Приципиальная схема модуля радиоканала МРК-57 | 1263 | 08.11.2007 | |
| 198 | Приципиальная схема модуля развертки МР 403 | 3194 | 08.11.2007 | |
| 199 | Приципиальная схема модуля строчной развертки МС-1 и субмодуля коррекции растра СМКР | 2670 | 08.11.2007 | |
| 200 | Приципиальная схема модуля строчной развертки МС-2 | 1750 | 08. 11.2007 | |
| 201 | Приципиальная схема модуля строчной развертки МС-3 | 3809 | 08.11.2007 | |
| 202 | Приципиальная схема модуля строчной развертки МС-3-1 | 1992 | 08.11.2007 | |
| 203 | Приципиальная схема модуля строчной развертки МС-41 | 3795 | 08.11.2007 | |
| 204 | Приципиальная схема модуля строчной развертки МС-41-1 | 5519 | 08.11.2007 | |
| 205 | Приципиальная схема модуля телетекста МТТ-57 | 1176 | 08.11.2007 | |
| 206 | Приципиальная схема модуля УПЧИ УМ1 1 | 1939 | 08.11.2007 | |
| 207 | Приципиальная схема модуля УПЧИ УМ1 2 | 1266 | 08.11.2007 | |
| 208 | Приципиальная схема модуля УПЧИ УМ1 4 | 1337 | 08.11.2007 | |
| 209 | Приципиальная схема модуля УПЧИ УМ1 5 | 2062 | 08. 11.2007 | |
| 210 | Приципиальная схема модуля цветности MC-501-1 | 1621 | 08.11.2007 | |
| 211 | Приципиальная схема модуля цветности МЦ S-1 | 1312 | 08.11.2007 | |
| 212 | Приципиальная схема модуля цветности МЦ-1- 2 | 1421 | 08.11.2007 | |
| 213 | Приципиальная схема модуля цветности МЦ-1-1 | 1224 | 08.11.2007 | |
| 214 | Приципиальная схема модуля цветности МЦ-1-5 | 1541 | 08.11.2007 | |
| 215 | Приципиальная схема модуля цветности МЦ-2 | 2426 | 08.11.2007 | |
| 216 | Приципиальная схема модуля цветности МЦ-2 | 1534 | 08.11.2007 | |
| 217 | Приципиальная схема модуля цветности МЦ-3 | 3965 | 08.11.2007 | |
| 218 | Приципиальная схема модуля цветности МЦ-3-Б | 1278 | 08.11.2007 | |
| 219 | Приципиальная схема модуля цветности МЦ-31 | 2677 | 08. 11.2007 | |
| 220 | Приципиальная схема модуля цветности МЦ-31 | 4961 | 08.11.2007 | |
| 221 | Приципиальная схема модуля цветности МЦ-31А | 2273 | 08.11.2007 | |
| 222 | Приципиальная схема модуля цветности МЦ-31Б | 1543 | 08.11.2007 | |
| 223 | Приципиальная схема модуля цветности МЦ-33 | 4796 | 08.11.2007 | |
| 224 | Приципиальная схема модуля цветности МЦ-3А | 1300 | 08.11.2007 | |
| 225 | Приципиальная схема модуля цветности МЦ-41 | 5090 | 08.11.2007 | |
| 226 | Приципиальная схема модуля цветности МЦ-41-Р | 3563 | 08.11.2007 | |
| 227 | Приципиальная схема модуля цветности МЦ-411 | 1862 | 08.11.2007 | |
| 228 | Приципиальная схема модуля цветности МЦ-41Е | 2464 | 08.11.2007 | |
| 229 | Приципиальная схема модуля цветности МЦ-46-1 | 5264 | 08. 11.2007 | |
| 230 | Приципиальная схема модуля цветности МЦ-46-1Д1 | 1951 | 08.11.2007 | |
| 231 | Приципиальная схема модуля цветности МЦ-48А | 2776 | 11.01.2008 | |
| 232 | Приципиальная схема модуля цветности МЦ-51-1 | 2031 | 08.11.2007 | |
| 233 | Приципиальная схема модуля цветности МЦ-52 | 1594 | 08.11.2007 | |
| 234 | Приципиальная схема модуля цветности МЦ-54 | 1715 | 08.11.2007 | |
| 235 | Приципиальная схема модуля цветности МЦ-56 | 1535 | 08.11.2007 | |
| 236 | Приципиальная схема модуля цветности МЦ-58 | 1334 | 08.11.2007 | |
| 237 | Приципиальная схема модуля цветности МЦ-59 | 1845 | 08.11.2007 | |
| 238 | Приципиальная схема модуля цветности МЦ31-1 | 2997 | 08.11.2007 | |
| 239 | Приципиальная схема модуля цветности МЦ41РД1 | 1106 | 08. 11.2007 | |
| 240 | Приципиальная схема модуля цветности МЦ501-1 | 1677 | 08.11.2007 | |
| 241 | Приципиальная схема платы внешней коммутации ПВК | 1557 | 08.11.2007 | |
| 242 | Приципиальная схема платы панели кинескопа ПК | 1440 | 08.11.2007 | |
| 243 | Приципиальная схема платы панели кинескопа ПК | 2284 | 08.11.2007 | |
| 244 | Приципиальная схема платы панели кинескопа ПК 10 | 1370 | 08.11.2007 | |
| 245 | Приципиальная схема платы панели кинескопа ПК-3-1 | 1893 | 08.11.2007 | |
| 246 | Приципиальная схема платы соединений ПС | 1255 | 08.11.2007 | |
| 247 | Приципиальная схема платы соединений ПС | 1543 | 08.11.2007 | |
| 248 | Приципиальная схема платы фильтра питания ПКС | 1433 | 08. 11.2007 | |
| 249 | Приципиальная схема платы фильтра питания ПФП | 2012 | 08.11.2007 | |
| 250 | Приципиальная схема платы фильтра питания ПФП 42 | 1586 | 08.11.2007 | |
| 251 | Приципиальная схема регулятора сведения РС-90-4 | 1100 | 08.11.2007 | |
| 252 | Приципиальная схема селектора каналов СК-В-41С | 2466 | 08.11.2007 | |
| 253 | Приципиальная схема селектора каналов СК-В-41Ц | 1437 | 08.11.2007 | |
| 254 | Приципиальная схема селектора каналов СК-В-618 | 1534 | 08.11.2007 | |
| 255 | Приципиальная схема селектора каналов СКВ 1 | 3248 | 08.11.2007 | |
| 256 | Приципиальная схема селектора каналов СКВ-418-6 | 2202 | 08.11.2007 | |
| 257 | Приципиальная схема селектора каналов СКД-1 | 1437 | 08. 11.2007 | |
| 258 | Приципиальная схема селектора каналов СКД-20 | 1495 | 08.11.2007 | |
| 259 | Приципиальная схема селектора каналов СКД-22 | 1704 | 08.11.2007 | |
| 260 | Приципиальная схема селектора каналов СКД-24 | 4658 | 08.11.2007 | |
| 261 | Приципиальная схема селектора каналов СКД-30-1 | 2637 | 08.11.2007 | |
| 262 | Приципиальная схема селектора каналов СКД41 | 1180 | 08.11.2007 | |
| 263 | Приципиальная схема селектора каналов СКМ-15 | 2175 | 08.11.2007 | |
| 264 | Приципиальная схема селектора каналов СКМ-20 | 1541 | 08.11.2007 | |
| 265 | Приципиальная схема селектора каналов СКМ-23 | 2833 | 08.11.2007 | |
| 266 | Приципиальная схема селектора каналов СКМ-24 | 2664 | 08.11. 2007 | |
| 267 | Приципиальная схема селектора каналов СКМ-24- 2 | 6182 | 08.11.2007 | |
| 268 | Приципиальная схема селектора каналов СКМ-24-1 | 3344 | 08.11.2007 | |
| 269 | Приципиальная схема селектора каналов СКМ-24-5 | 1711 | 08.11.2007 | |
| 270 | Приципиальная схема селектора каналов СКМ-30-1 | 4856 | 08.11.2007 | |
| 271 | Приципиальная схема селектора каналов СКМ-41 | 1131 | 08.11.2007 | |
| 272 | Приципиальная схема субмодуля коррекции растра СКР-2 | 2103 | 08.11.2007 | |
| 273 | Приципиальная схема субмодуля коррекции растра СМКР | 1240 | 08.11.2007 | |
| 274 | Приципиальная схема субмодуля радиоканала СМРК-1 | 1348 | 08.11.2007 | |
| 275 | Приципиальная схема субмодуля радиоканала СМРК-1-5 | 2789 | 08. 11.2007 | |
| 276 | Приципиальная схема субмодуля радиоканала СМРК-1-6 | 2516 | 08.11.2007 | |
| 277 | Приципиальная схема субмодуля радиоканала СМРК-2 x | 3735 | 08.11.2007 | |
| 278 | Приципиальная схема субмодуля радиоканала СМРК-21-2 | 2766 | 08.11.2007 | |
| 279 | Приципиальная схема субмодуля радиоканала СМРК-4-2 | 2005 | 08.11.2007 | |
| 280 | Приципиальная схема субмодуля радиоканала СМРК-511 | 1636 | 08.11.2007 | |
| 281 | Приципиальная схема субмодуля радиоканала СМРК2-3 | 1863 | 08.11.2007 | |
| 282 | Приципиальная схема субмодуля радиоканала СМРК21- 2 | 2110 | 08.11.2007 | |
| 283 | Приципиальная схема субмодуля синхронизации УСР | 1789 | 08.11.2007 | |
| 284 | Приципиальная схема субмодуля цветности СМЦ | 1080 | 08. 11.2007 | |
| 285 | Приципиальная схема субмодуля цветности СМЦ-2 | 1934 | 08.11.2007 | |
| 286 | Приципиальная схема субмодуля цветности СМЦ31-1 | 1903 | 08.11.2007 | |
| 287 | Приципиальная схема устройства выбора программ БУ V1 | 1157 | 08.11.2007 | |
| 288 | Приципиальная схема устройства выбора программ КВП 2 | 900 | 08.11.2007 | |
| 289 | Приципиальная схема устройства выбора программ СВП 3 | 998 | 08.11.2007 | |
| 290 | Приципиальная схема устройства выбора программ СВП 3 1 | 995 | 08.11.2007 | |
| 291 | Приципиальная схема устройства выбора программ СВП 4 | 938 | 08.11.2007 | |
| 292 | Приципиальная схема устройства выбора программ СВП 4 1 | 1327 | 08.11.2007 | |
| 293 | Приципиальная схема устройства выбора программ СВП 4 10 | 2118 | 08. 11.2007 | |
| 294 | Приципиальная схема устройства выбора программ СВП 4 2 | 1289 | 08.11.2007 | |
| 295 | Приципиальная схема устройства выбора программ СВП 4 5 | 2194 | 08.11.2007 | |
| 296 | Приципиальная схема устройства выбора программ СВП 403 | 1146 | 08.11.2007 | |
| 297 | Приципиальная схема устройства выбора программ СВП4 6 | 917 | 08.11.2007 | |
| 298 | Приципиальная схема устройства выбора программ УСУ 1 15 1 | 2845 | 08.11.2007 | |
| 299 | Приципиальная схема устройства выбора программ УСУ1-15-1А | 1087 | 08.11.2007 | |
| 300 | Приципиальная схема устройства выбора программ УУСК 2 | 1086 | 08.11.2007 | |
| 301 | Приципиальная схема устройства сенсорного выбора программ СВП | 1207 | 08.11.2007 | |
| 302 | Приципиальная схема устройства сенсорного выбора программ СВП2 | 1112 | 08. 11.2007 | |
| 303 | Приципиальная схема устройства сенсорного управления УСУ-1-15-1 | 1810 | 08.11.2007 | |
| 304 | Приципиальная схема устройства согласования МУС-501 | 1505 | 08.11.2007 | |
| 305 | Приципиальная электрическая схема блока управления УНЧ-4Х | 3718 | 08.11.2007 | |
| 306 | Радуга 37/54 ТЦ6312 | 1117 | 2582 | 16.02.2005 |
| 307 | Рассвет 307 | 865 | 5346 | 19.01.2001 |
| 308 | Рекорд — 333 | 666 | 2764 | 19.01.2001 |
| 309 | Рекорд 40ТБ — 301 | 2255 | 3411 | 19.01.2001 |
| 310 | Рекорд 40ТБ — 309 | 1021 | 2826 | 19.01.2001 |
| 311 | Рекорд 50 ТБ 312313 | 540 | 4917 | 19.01.2001 |
| 312 | Рекорд В-312 | 1054 | 9175 | 19. 01.2001 |
| 313 | Рекорд В308 схема | 3440 | 1732 | 13.01.2014 |
| 314 | Рекорд ВЦ 311 | 634 | 3646 | 05.08.2001 |
| 315 | Рекорд ВЦ-311 (полупроводник.) — 471Кб | 472 | 3941 | 09.01.2002 |
| 316 | Рубин 106 | 194 | 1917 | 05.08.2001 |
| 317 | Рубин 51ТЦ-402Д (полупроводник. ч.2) — 157Кб | 157 | 5809 | 09.01.2002 |
| 318 | Рубин 51ТЦ-402Д (полупроводник.) — Кб | 210 | 6137 | 09.01.2002 |
| 319 | Рубин М04, М05 | 1284 | 4932 | 07.10.2000 |
| 320 | Рубин-102 | 488 | 1820 | 08.05.2006 |
| 321 | Рубин-205 | 423 | 1531 | 08.05.2006 |
| 322 | Рубин-714 | 313 | 2604 | 08.05.2006 |
| 323 | Сапфир 23ТБ-307Д (полупроводник. ) — 141Кб | 138 | 14061 | 09.01.2002 |
| 324 | Сапфир 412 | 960 | 7671 | 19.01.2001 |
| 325 | Сапфир 412 | 111 | 3401 | 08.02.2007 |
| 326 | Сапфир 412(Д) (полупроводник.) — 108Кб | 108 | 5709 | 09.01.2002 |
| 327 | Сапфир-23 | 466 | 3670 | 19.01.2001 |
| 328 | Сапфир-406 | 148 | 4553 | 19.12.2004 |
| 329 | Славутич -218 (УЛТ-61-II-21) | 1664 | 2499 | 19.01.2001 |
| 330 | СМРК-9 | 3175 | 1182 | 05.09.2010 |
| 331 | Сокол 54ТЦ-6155 | 130 | 3636 | 09.02.2004 |
| 332 | Спектр 61ТЦ-435(Д) (полупроводник. ч.1) — Кб | 191 | 2876 | 09.01.2002 |
| 333 | Спектр 61ТЦ-435(Д) (полупроводник. ч.2) — 142Кб | 142 | 2387 | 09. 01.2002 |
| 334 | Спектр 61ТЦ-435(Д) (полупроводник. ч.3) — 153Кб | 153 | 2044 | 09.01.2002 |
| 335 | Справочная таблица по модулям питания МП телевизоров | 1406 | 08.11.2007 | |
| 336 | Схема модуля питания МП-401 — формат DjVU | 2062 | 08.11.2007 | |
| 337 | Схема модуля питания МП-401 — формат GIF | 1896 | 08.11.2007 | |
| 338 | схема простого ду. | 2925 | 01.05.2001 | |
| 339 | Схема телевизора Сапфир 401 | 138 | 2542 | 08.02.2007 |
| 340 | Схема телевизора Сапфир 401 в формате DjVU | 156 | 4910 | 09.01.2002 |
| 341 | Схема черно-белого телевизора Сапфир 401 (WinRAR) | 1468 | 5122 | 19.01.2001 |
| 342 | Таурас -211 (УЛТ-61-II-21) | 1831 | 2247 | 19.01.2001 |
| 343 | Таурас 211Д (УЛПТ-61-II) (лампово-полупровод. ) — 148Кб | 145 | 3021 | 09.01.2002 |
| 344 | ТВ РУБИН М06 — инструкция по ремонту | 1564 | 3850 | 13.10.2007 |
| 345 | ТВ СОКОЛ на шасси A2021/A2022 | 393 | 1623 | 29.07.2008 |
| 346 | ТЕВАS 31 ТВ-414 D ( ) — 197Кб | 197 | 1761 | 09.01.2002 |
| 347 | Телевизор «Электроника ВЛ-100» | 1818 | 2790 | 07.05.2013 |
| 348 | Телевизоры «Горизонт» на шасси ШЦТ-730. Устройство, настройка и ремонт | 216 | 2820 | 07.12.2007 |
| 349 | Телевизоры УЛПТЦ-61 | 1584 | 2306 | 06.11.2006 |
| 350 | Темп — 67 М | 1540 | 1337 | 19.01.2001 |
| 351 | УНТ-35 | 1041 | 2019 | 19.01.2001 |
| 352 | Фотон 234 (3УСТ-61) (полупроводник.) — 261Кб | 255 | 6235 | 09.01.2002 |
| 353 | Фотон 31ТБ-407(408) | 4815 | 22. 07.2002 | |
| 354 | Фотон 31ТБ-407(408) (полупроводник.) — 141Кб | 137 | 10421 | 09.01.2002 |
| 355 | Фотон 61ТЦ311 (3УСЦТ-61) (полупроводник.) — 284Кб | 284 | 9869 | 09.01.2002 |
| 356 | Фотон-234 | 2518 | 3022 | 19.01.2001 |
| 357 | Фотон-31 | 384 | 2311 | 19.01.2001 |
| 358 | Чайка Ц280Д (полупроводник. ч.1) — Кб | 155 | 3240 | 09.01.2002 |
| 359 | Чайка Ц280Д (полупроводник. ч.2) — 163Кб | 163 | 2779 | 09.01.2002 |
| 360 | Шилялис 16ТБ | 844 | 3027 | 19.01.2001 |
| 361 | Шилялис 403 | 594 | 3107 | 19.01.2001 |
| 362 | Шилялис 403 | 58 | 1363 | 08.02.2007 |
| 363 | Шилялис 403Д | 2601 | 22.07.2002 | |
| 364 | Шилялис 403Д (полупроводник. ) — 101Кб | 99 | 3624 | 09.01.2002 |
| 365 | Шилялис 405 | 698 | 3434 | 19.01.2001 |
| 366 | Шилялис 405 | 62 | 1771 | 08.02.2007 |
| 367 | Шилялис 405-1 | 729 | 4328 | 19.01.2001 |
| 368 | Шилялис 405Д (полупроводник.) — 167Кб | 163 | 9824 | 09.01.2002 |
| 369 | Электрон 716, 716Д | 21343 | 923 | 15.12.2015 |
| 370 | Электрон ТК-550, ТК-560 (полупроводник. ч.1) — 255Кб | 255 | 3223 | 09.01.2002 |
| 371 | Электрон ТК-550, ТК-560 (полупроводник. ч.2) — 170Кб | 170 | 2604 | 09.01.2002 |
| 372 | Электрон Ц265Д, Ц282(), Ц382() (полупроводник. ч.1) — Кб | 191 | 6615 | 09.01.2002 |
| 373 | Электрон Ц265Д, Ц282(), Ц382() (полупроводник. ч.2) — 234Кб | 229 | 4692 | 09. 01.2002 |
| 374 | Электроника 23ТБ-316 | 260 | 7650 | 28.02.2001 |
| 375 | Электроника 23ТБ-316Д | 7953 | 22.07.2002 | |
| 376 | Электроника 23ТБ-316Д (полупроводник.) — 76Кб | 75 | 12990 | 09.01.2002 |
| 377 | Электроника 23ТБ307Д | 3816 | 5445 | 24.07.2007 |
| 378 | Электроника 401 (ПИЦТ-32-4) | 1954 | 2141 | 12.02.2007 |
| 379 | Электроника 404Д (полупроводник.) — 121Кб | 121 | 11436 | 09.01.2002 |
| 380 | Электроника 404Д схема | 650 | 7884 | 28.04.2008 |
| 381 | Электроника 407 | 410 | 9602 | 28.02.2001 |
| 382 | Электроника 407Д (полупроводник.) — 82Кб | 82 | 4571 | 09.01.2002 |
| 383 | Электроника 408Д схема | 150 | 5662 | 30. 09.2008 |
| 384 | Электроника 409 | 847 | 6885 | 28.02.2001 |
| 385 | Электроника 409, 409Д | 58 | 2955 | 08.02.2007 |
| 386 | Электроника 409Д | 5064 | 22.07.2002 | |
| 387 | Электроника 409Д (полупроводник.) — 59Кб | 59 | 7041 | 09.01.2002 |
| 388 | Электроника 450 | 295 | 3070 | 28.02.2001 |
| 389 | Электроника 450 | 71 | 1393 | 08.02.2007 |
| 390 | Электроника ВЛ-100 | 481 | 5008 | 27.02.2001 |
| 391 | Электроника ВЛ100 | 68 | 2234 | 08.02.2007 |
| 392 | Электроника ВЛ100 () — Кб | 113 | 4885 | 09.01.2002 |
| 393 | Электроника ВЛ100 (полупровод 2 версия) — 155Кб | 155 | 4722 | 09.01.2002 |
| 394 | Электроника Ц430 | 2457 | 22. 07.2002 | |
| 395 | Электроника Ц430 (полупроводник. [2/2]) — 77Кб | 124 | 3633 | 09.01.2002 |
| 396 | Электроника Ц432Д (полупроводник. [1/2]) — Кб | 249 | 4979 | 09.01.2002 |
| 397 | Электроника Ц432Д (полупроводник. [2/2]) — 35Кб | 35 | 3314 | 09.01.2002 |
| 398 | Электроника-видео (видеокамера) — 87Кб | 86 | 1741 | 09.01.2002 |
| 399 | Юность 31 | 433 | 2961 | 19.01.2001 |
| 400 | Юность 402 | 87 | 2178 | 08.02.2007 |
| 401 | Юность 402(Д) (полупроводник.) — 86Кб | 86 | 6179 | 09.01.2002 |
| 402 | Юность 405 | 535 | 4878 | 19.01.2001 |
| 403 | Юность 405 | 89 | 2193 | 08.02.2007 |
| 404 | Юность 405(Д) (полупроводник.) — 211Кб | 211 | 6136 | 09. 01.2002 |
| 405 | Юность 406 | 296 | 4018 | 08.02.2007 |
| 406 | Юность 406Д (полупроводник.) — 196Кб | 192 | 16086 | 09.01.2002 |
| 407 | Юность 603 (полупроводник.) — 101Кб | 101 | 4821 | 09.01.2002 |
| 408 | Юность Ц401 (IV ПИЦТ-32 IV) | 1909 | 22.07.2002 | |
| 409 | Юность Ц401 (IV ПИЦТ-32 IV) (полупроводник.) — 215Кб | 211 | 3394 | 09.01.2002 |
Мп 405 схема блока питания
- Автор: Sereg985
- Прокоментировать
- Рубрика: Строительство
- Ссылка на пост
- https://firmmy.ru/
жаль что какой-то выскочка малолетка «А мне стукнуло 66, радиолюбительством занимаюсь лет с 12-ти, образование высшее, инженер электромеханик» загадил тему. хотел бы выслушать опытных.
плата нагрузочная заказана и должна скоро прийти.
Достаточно нагрузить самую «длинную» вторичную обмотку — за счёт высокого коэффициента связи остальные выходы вырастут незначительно.
Обычно +125 В нагружают лампой накаливания 220-240 В 60-75 Вт.
Когда занимался сервисным ремонтом «Рекордов» всегда нагружал (цитата от KaVc):
«Обычно +125 В нагружают лампой накаливания 220-240 В 60-75 Вт.»
Замечу, что из-за плохих комплектующих импульсные бп тогдашних отечественных телевизоров были непредсказуемыми. И стоит ли их реанимировать сегодня.
РС: Мне 68, образование церковно-приходское.
В 80-х плотно сидел на ремонте телевизоров и при ремонте блоков питания достаточно было нагружать обмотку 125-130В. Согласен с КаVc.
чисто для проверки ‘а не туплю ли я не веря что написано там бывалым’ по ссылке что давал в форуме Радио http://radiostorage.net/1339-istochnik-pitaniya-iz-televizionnogo-modulya.html
подключил 6,8 кОм (если быть точнее то 12к и 13к параллельно.
влом было искать один на 6,8) на +135В. получил то что и должен был получить — вкл и выкл. но спецом испытаю и с лампой 60-75 Ватт.
МП-3-3 обычно 1,5 кОм ставил, чтобы не свиристел без нагрузки. МП-403 без нагрузки вообще не включался, ставил 4,7 — 6,2 кОм. 405й не помню, их у меня мало было.
Я сделал когда то нагрузку на четырёх ПЭВ-20 включённых последовательно для +125 В, 1 ПЭВ-20 для +27 В, 1 ПЭВ-10 +12 В, 1 ПЭВ-10 для +15 В. Всё это было когда занимался ремонтом 3 УСЦТ, 4 УСЦТ, 5 УСЦТ. На этом через переходник ремонтировал некоторые импортные телевизоры. Есть так же нагрузка на 1 ПЭВ-50 + пару ПЭВ-20, всё это обдувается кулером от компа. Ремонтом кинескопных давно не занимаюсь ибо это всё отстой.
Лампа накаливания для ремонта блока питания не всегда пригодна, если включить её в нагрузку 12 В блоку он скорее всего не запустится ибо сопротивление лампы в холодном состоянии очень мало.
сегодня позвонил знакомый. подключает шуруповерт с акк 14,4 В на 12 В комповый БП.
тот уходит в защиту. просит помочь. все та же проблема. кстати я уже подключал шуруповерт к БП АТХ одному. и смутно припоминаю я там добавлял нагр резистор на +5В.
dula: 405й не помню, их у меня мало было.
я думаю МП-1 МП-3-3 работают несколько иначе чем МП-405 МП-402. по крайней мере последние без нагрузки сразу уходят в аут. а в первых режим ХХ холостого хода. и они с низк част включаются и выключаются.
Форум про радио — сайт, посвященный обсуждению электроники, компьютеров и смежных тем.
Бесплатная техническая библиотека:▪ Все статьи А-Я
▪ Энциклопедия радиоэлектроники и электротехники
▪ Новости науки и техники
▪ Журналы, книги, сборники
▪ Архив статей и поиск
▪ Схемы, сервис-мануалы
▪ Электронные справочники
▪ Инструкции по эксплуатации
▪ Голосования
▪ Ваши истории из жизни
▪ На досуге
▪ Случайные статьи
▪ Отзывы о сайтеСправочник:
▪ Большая энциклопедия для детей и взрослых
▪ Биографии великих ученых
▪ Важнейшие научные открытия
▪ Детская научная лаборатория
▪ Должностные инструкции
▪ Домашняя мастерская
▪ Жизнь замечательных физиков
▪ Заводские технологии на дому
▪ Загадки, ребусы, вопросы с подвохом
▪ Инструменты и механизмы для сельского хозяйства
▪ Искусство аудио
▪ Искусство видео
▪ История техники, технологии, предметов вокруг нас
▪ И тут появился изобретатель (ТРИЗ)
▪ Конспекты лекций, шпаргалки
▪ Крылатые слова, фразеологизмы
▪ Личный транспорт: наземный, водный, воздушный
▪ Любителям путешествовать — советы туристу
▪ Моделирование
▪ Нормативная документация по охране труда
▪ Опыты по физике
▪ Опыты по химии
▪ Основы безопасной жизнедеятельности (ОБЖД)
▪ Основы первой медицинской помощи (ОПМП)
▪ Охрана труда
▪ Радиоэлектроника и электротехника
▪ Строителю, домашнему мастеру
▪ Типовые инструкции по охране труда (ТОИ)
▪ Чудеса природы
▪ Шпионские штучки
▪ Электрик в доме
▪ Эффектные фокусы и их разгадкиТехническая документация:
▪ Схемы и сервис-мануалы
▪ Книги, журналы, сборники
▪ Справочники
▪ Параметры радиодеталей
▪ Прошивки
▪ Инструкции по эксплуатации
▪ Энциклопедия радиоэлектроники и электротехники Бесплатный архив статей
(150000 статей в Архиве)Алфавитный указатель статей в книгах и журналахБонусы:
▪ Ваши истории
▪ Загадки для взрослых и детей
▪ Знаете ли Вы, что.
▪ Зрительные иллюзии
▪ Веселые задачки
▪ Каталог Вивасан
▪ Палиндромы
▪ Сборка кубика Рубика
▪ Форумы
▪ Карта сайта
Дизайн и поддержка:
Александр Кузнецов
Техническое обеспечение:
Михаил Булах
Программирование:
Данил Мончукин
Маркетинг:
Татьяна Анастасьева
При использовании материалов сайта обязательна ссылка на http://www.diagram.com.ua
сделано в Украине
БЕСПЛАТНАЯ ТЕХНИЧЕСКАЯ БИБЛИОТЕКА
В нашей Бесплатной технической библиотеке Вы можете бесплатно и без регистрации скачать статью Источники питания Горизонтов. Модуль питания МП-405.
Воспользуйтесь поиском по Архиву, чтобы узнать, в каком журнале опубликована статья Источники питания Горизонтов. Модуль питания МП-405. В результатах поиска запишите название журнала, год и номер. Затем нажмите на ссылку «скачать в Бесплатной технической библиотеке» и бесплатно скачайте архив с нужным Вам номером.
Поиск по книгам, журналам и сборникам:
Рекомендуем скачать в нашей Бесплатной технической библиотеке:| Home Ремонт бытовой техники Статьи Модули питания импульсного типа отечественных телевизоров МП-405, КРП-501 |
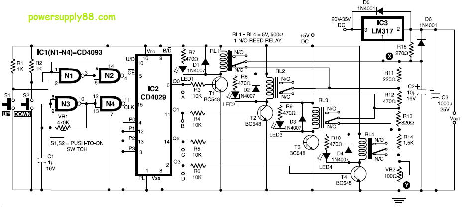
Модуль питания импульсного типа МП-405 служит для формирования вторичных питающих напряжений 125V; 28V; 15V; 12V, а также тока размагничивания для петли размагничивания. Стабилизация напряжения — групповая. Вторичный источник 12V содержит интегральный стабилизатор напряжения.
Модуль питания состоит из элементов фильтра питания, элементов размагничивания теневой маски кинескопа, выпрямителя сетевого напряжения, схемы запуска и защиты, схемы стабилизации, автогенераторного преобразователя напряжения с разделительным трансформатором, выпрямителей импульсного напряжения и компенсационного стабилизатора напряжения по источнику 12V.
Пусть в начальный момент времени цепь запуска сформирует импульс, который откроет транзистор преобразователя импульсного генератора VT6. При этом через обмотку трансформатора Т1 с выводами 19-1 начнет протекать линейно нарастающий пилообразный ток. Одновременно в магнитном поле сердечника трансформатора будет накапливаться энергия, значение которой определяется временем открытого состояния транзистора VT6.
Вторичная обмотка трансформатора (выводы 6-12) выполнена таким образом, что в период накопления магнитной энергии к выпрямительным диодам приложен отрицательный потенциал, и они закрыты. Спустя некоторое время управляющий каскад закрывает биполярный транзистор VT6. Так как ток в обмотке трансформатора из-за накопленной магнитной энергии не может мгновенно измениться, возникает ЭДС самоиндукции обратного знака. Выпрямительные диоды в выпрямителе VD3. VD8 открываются, и ток вторичной обмотки резко возрастает.
Таким образом, если в начальный период времени магнитное поле было связано с током, который протекал через обмотку с выводами 1-19, то теперь оно создается током обмотки с выводами 6-12.
Когда вся энергия, накопленная за время замкнутого состояния ключа VT6, перейдет в нагрузку, то во вторичной обмотке ток достигает нулевого значения.
Следовательно, регулируя длительность открытого состояния транзистора VT6 в преобразователе, можно управлять количеством энергии, которое поступает в нагрузку. Такая регулировка осуществляется с помощью управляющего элемента по сигналу обратной связи с выводов обмотки 7-13 трансформатора. Сигнал обратной связи на выводах этой обмотки пропорционален напряжению на нагрузке модуля питания.
Если напряжение на нагрузке по каким-либо причинам уменьшится, то и напряжение, поступающее в устройство стабилизации VT2 умеьшится. В свою очередь, каскад стабилизации VT2 через управляющий элемент начнет закрывать транзистор VT6 позже. Это увеличивает время, в течение которого через обмотку 1-19 будет течь ток, и соответственно возрастает количество энергии, передаваемой в нагрузку.
Момент очередного открывания транзистора VT6 определяется устройством стабилизации VT2, где анализируется сигнал, поступающий с обмотки 13-7, что позволяет автоматически поддерживать среднее значение выходного постоянного напряжения.
Применение трансформатора Т1 позволяет получить различные по амплитуде выходные напряжения и устранить гальваническую связь между цепями вторичных источников напряжений и питающей электрической сетью.
Без воздействия каскада стабилизации импульсный преобразователь оказывается неуправляемым, что может привести к возникновению в нем больших импульсов тока и выходу из строя транзистора.
Источник питания кассеты КРП-501 идентичен по схеме модулю МП-405, поэтому функциональное назначение элементов схемы КРП-501 можно определить по аналогии, сравнив их принципиальные схемы.
Таблица 1. Состав цепей модуля МП-405:
| Функциональное назначение цепей | Состав цепей |
| Помехоподавляющие цепи | С5, С7, С8, С25, L1, С14 |
| Сетевой выпрямитель с фильтром | VD3-VD6, С11 |
| Цепь запуска | R18, R38, С9 |
| Цепь ПОС | Обм. (5,3)Т1, R25, R28, R30, R32, C10, VD8 |
| Запирающая цепь и диод зарядки Сзап. | С9, VS1, VD7 |
| Формирователь сигнала управления ключевым транзистором | R11, R16, R17, R21, R22, С4, С8, VS1 |
| Вспомогательный источник с фильтром (измерительная цепь) | Обмотка (7,13) Т1, R23, VD2, С2 |
| Формирователь пилообразного напряжения | R23, С8 |
| Формирователь напряжения Uon. | R14, VD1 |
| Схема сравнения | R14, VD1, R1, R2, R4, R7, CI, VT2 |
| Цепь токового управления | R27, R29, С13, С4 |
| Защита от обратного напряжения | VD9, VD10 |
| Демпфер | С12, R31 |
| Схема отключения цепи запуска | R6, VT1, R12, R13, R15, СЗ, R3, R9, VT3, VT4 |
| Ограничитель тока | R20 |
Рис. 2. Электрическая принципиальная схема модуля МП-405.
Рис. 3. Схема источника питания КРП-501.

Блок питания зарубежных телевизоров
Импульсный блок питания — один из узлов импортных телевизоров, который чаще всего выходит из строя. Принципиальные схемы, как правило, отсутствуют. В публикуемой статье рассмотрен источник питания нескольких моделей зарубежных телевизоров, даны рекомендации по его ремонту. Думается, советы автора будут полезны радиолюбителям и работникам ремонтных телемастерских.
В последнее время при ремонте телевизоров участились случаи неисправности импульсных блоков питания, в основном собранных на четырех транзисторах (в первичной цепи). Эти блоки мало чем отличаются друг от друга, чаще всего — типами применяемых полупроводниковых приборов (по характеристикам они схожи и взаимозаменяемы). Абсолютно похожие источники питания встречаются в телевизорах PHILIPS — 2021, AKAI — СТ-1407, AKAI — 2107, SHERION, CROWN — СТА/ 5176, ELEKTA — CTR-1498EMK.
Рассмотрим такой источник, используемый в телевизоре CROWN — CTV5176, принципиальная схема блока изображена на рис.
1. Напряжение сети 220 В через фильтр питания поступает на выпрямитель BR601, С601 — С604 и на петлю размагничивания L2001. На коллектор ключевого транзистора Q604 выпрямленное напряжение проходит через обмотку 1-5 импульсного трансформатора Т601.
(нажмите для увеличения)
На транзисторе Q604 выполнен блокинг-генератор — напряжение положительной обратной связи снимается с обмотки 7 — 8 трансформатора. Длительность генерируемых блокинг-генератором импульсов, т. е. время нахождения транзистора Q604 в насыщенном состоянии, определяется функционированием широтно-импульсного модулятора (ШИМ).
К базе транзистора Q604 подключен конденсатор С607, который во время закрытого состояния транзистора заряжается импульсом напряжения обмотки 7 — 8 трансформатора через диод D604. При открывании транзисторов Q602, Q603 ШИМ конденсатор С607 оказывается подключенным к эмиттерному переходу насыщенного транзистора Q604, и ток разрядки конденсатора, протекая через транзисторы и резистор R616, быстро закрывает транзистор Q604.
Напряжение смещения на базу транзистора Q604 подано через резисторы R603, R604. Цепь C610R617 ограничивает выбросы импульсов на коллекторе транзистора Q604, защищая этим его от пробоя.
Для питания усилителя постоянного тока на транзисторе Q601 переменное напряжение с обмотки 9 — 10 выпрямляется диодом D603 и заряжает конденсатор С606.Напряжение на эмиттере транзистора Q601 стабилизировано параметрическим стабилизатором на элементах D601, R609, а напряжение на базу транзистора снимается с измерительного резистивного делителя R606VR601R607. Последнее зависит от напряжения на обмотке 9 — 10 трансформатора, т. е. уровней выходных напряжений блока питания + 110 и +12 В. Напряжение на резисторе R608 — коллекторной нагрузке транзистора Q601 служит напряжением ошибки и управляет моментом открывания ШИМ на транзисторах Q602, Q603. Подстроечным резистором VR601 устанавливают выходное напряжение + 110 В.
С резистора R605 через цепь C605R611 снимается пилообразное напряжение на базу транзистора О602 формирователя ШИМ.
На нее же приходит напряжение ошибки с коллектора транзистора Q601. В зависимости от последнего ШИМ открывается раньше или позже, считая от момента открывания транзистора Q604. Транзисторы Q602, Q603 представляют собой аналог тринистора. Принцип его действия аналогичен работе тринистора в импульсном модуле питания МПЗ-3.
При увеличении напряжения сети или уменьшении нагрузки возрастает напряжение на обмотке 9 — 10 трансформатора Т601. В результате транзисторы Q602, Q603 открываются раньше, закрывая в более раннее время выходной транзистор Q604. Тем самым уменьшается запасаемая в трансформаторе Т601 энергия, что компенсирует возрастание напряжения сети.
При понижении напряжения сети соответственно будет меньшим напряжение на обмотке 9 — 10 трансформатора Т601. На коллекторе транзистора Q601 напряжение ошибки уменьшается, ШИМ открывается в более позднее время, и количество энергии, передаваемое во вторичную цепь, возрастает, компенсируя уменьшение напряжения сети.
Вторичные выпрямители блока выполнены по однополупериодной схеме.
Обмотка 4 — 2 трансформатора и элементы D606, С612, L601 образуют источник напряжения +12 В, используемого для работы системы ДУ и других малоточных цепей. Обмотка 4 — 3 и элементы D607, L602 входят в источник напряжения +110 В, питающего выходной каскад строчной развертки.
На транзисторах Q608, Q606, Q605 собран узел включения и выключения питания выходного каскада строчной развертки. Тем самым телевизор системой ДУ включается или выключается, т. е. переводится в рабочий или дежурный режим. В дежурном режиме транзистор Q606 закрыт и напряжение +110 В не поступает на выходной каскад строчной развертки. В некоторых моделях телевизоров для этой цели применены реле.
Характерные неисправности такого блока питания аналогичны неисправностям модуля МП3-3. Для ремонта плату блока вынимают из корпуса телевизора и размещают ее так, чтобы был свободный доступ к элементам. Параллельно конденсатору С604 подключают резистор сопротивлением 220 кОм и мощностью рассеяния 0,5 Вт. Через него будет разряжаться конденсатор после выключения телевизора.
Выпаивают один из выводов каждого из элементов L601, L602, D608, С617. При этом цепи нагрузки телевизора будут полностью отключены от блока питания. Параллельно конденсатору С615 подключают лампу накаливания на 220 В и 25 Вт, которая будет служить эквивалентом нагрузки блока питания.
После ремонта, перед подключением блока питания к цепям телевизора, обязательно нужно проверить выходной транзистор строчной развертки и вторичные цепи строчного трансформатора. Со вторичных обмоток последнего часто берется напряжение, выпрямляется и сглаживается для питания узлов телевизора. Одной из причин выхода из строя блока питания могут быть именно эти цепи.
При подборе транзисторов с целью замены вышедших из строя следует руководствоваться их характеристиками, указанными в табл. 1.
Транзисторы 2SC1815Y можно заменить на КТ3102Б, 2SB774T — на КТ3107Б, a 2SD820, BU11F — на КТ872А. Последний крепят на теплоотводе с изолирующей прокладкой. Диоды допустимо заменять на КД209Б, КД226А, КД226Б.
Выходные транзисторы строчной развертки 2SD2333, 2SD1876, 2SD1877, 2SD1554 и другие, имеющие встроенный демпферный диод, заменяют на КТ872А по схеме на рис. 2. Крепят его к теплоотводу через изолирующую прокладку. Можно использовать и транзисторы КТ846В, КТ838А, однако возникнут трудности с их креплением к теплоотводу.
При выходе из строя селектора каналов импортного телевизора возможна замена на селекторы СК-М-24 и СК-Д-24. Соответствие их выводов, например, выводам селектора TUGZ1-C07 показано в табл. 2.
Буквенные обозначения выводов селектора находят на плате телевизора, а номера выводов — на корпусе селектора. Внутри телевизора отечественные селекторы закрепляют любым способом и выводят антенные гнезда на корпус телевизора. Все подключения (разводку) делают, по возможности, короткими проводниками.
В крайнем случае при невозможности отремонтировать импульсный блок питания импортного телевизора можно порекомендовать заменить его на отечественный МПЗ-3, МП-42 или др.
Возможно, блок полностью подойдет для замены, что зависит от марки импортного телевизора. Если же выходные напряжения не соответствуют используемым в телевизоре, то придется переключить вторичные обмотки импульсного трансформатора как нужно и отрегулировать источники на соответствующие для телевизора напряжения. Блок при регулировке нагружают лампой накаливания 40 Вт и 220 В, подключенной к обмотке напряжением 130…150 В.
Следует помнить, что на ненагруженных обмотках в холостом режиме будет немного завышенное напряжение. Неиспользуемые обмотки оставляют неподключенными. Не забудьте также подключить петлю размагничивания.
Импульсный блок питания размещают на свободном месте внутри телевизора и надежно закрепляют.
Автор: Б.Киселевич, п.Хатанга Красноярского края
Автор: Aleksei
Дата создания
Дата изменения
- БВГ: Характеристики, особенности эксплуатации и ремонта
- Взаимозаменяемость селекторов ТВ каналов
Добавить комментарий
Блок питания | Электрик в доме
Автор: admin, 30 Апр 2013
Блок питания
Монтажная плата блока питания
В этой статье рассмотрим универсальный блок питания, который подойдёт для большинства радиолюбительских схем и различных устройств.
Также этот блок питания можно применять в качестве зарядного устройства для аккумуляторов и даже мобильных телефонов. Я использую сетевой блок питания, собранный по этой схеме, уже много лет и он очень часто выручал меня в различных ситуациях, не ломался ни разу, даже при перегрузках.
Схема блока питания
Блок питания
На схеме обозначено:
- Т1 — трансформатор ТВК-70 или другой с напряжением вторичной обмотки около 12 В, с сечением магнитопровода не менее 3,5 см².
- S1 — Любой тумблер (выключатель), рассчитанный на ток не менее 1А.
- FU1 — предохранитель на 1А.
- D1-D4 — диоды Д226Д (Б-Г), Д7, или другие с максимальным выпрямленным током не менее 0,3А.
- С1, С2 — конденсаторы К50-6, 500мкФ, 25В или на ещё большую ёмкость (до 2000 мкФ).
- R1, R4 — резисторы МЛТ-0,5, 510 Ом или другие на мощность рассеяния не ниже 0,125 Вт.
- R2 — переменный резистор СП-1, 10 кОм (желательно группы А) или любой другой на мощность рассеяния не ниже 0,5 Вт.

- R3 — МЛТ-0,5, 1 кОм или любой другой на мощность рассеяния не ниже 0,125 Вт.
- D5 — стабилитрон Д813 или Д811, Д814Г или другой с напряжением стабилизации 12 В.
- VT1 — транзистор МП39 или МП40, МП41, МП42.
- VT2 — транзистор П213Б или П214, П215, П216, П217, П201, П4.
- ХТ1, ХТ2 — любые зажимы или разъёмы.
Работа блока питания
Со вторичной обмотки трансформатора Т1 снимается переменное напряжение около 12В. Диодный мост выпрямляет напряжение, пульсации которого сглаживает конденсатор С1. Далее стоит стабилизатор напряжения, цепочка R1-D5-C2 обеспечивает постоянное напряжение на R2, равное напряжению стабилизации D5 (12В).
Дальше находится цепочка регулировки выходного напряжения. Если движок R2 стоит в нижнем (по схеме) положении, то транзисторы VT1, VT2, которые работают как двухкаскадный усилитель тока, закрыты и напряжение на выходных зажимах ХТ1, ХТ2 минимально. При крайнем верхнем положении движка резистора R2 транзисторы полностью открыты и на выходе блока питания наибольшее напряжение, практически равное напряжению стабилизации D5.
Максимальный ток, потребляемый от блока питания при указанных деталях, равен 0,6 А. Для увеличения тока можно использовать более мощные выпрямительные диоды и более мощные транзисторы, установленные на радиаторах. Также можно увеличить диапазон регулируемого напряжения используя другой трансформатор и стабилитрон на нужное напряжение стабилизации. Для питания более мощных (до 10А) устройств можно использовать зарядку для автомобильного аккумулятора. Трансформатор можно рассчитать и намотать самому, как это описано в этой статье.
Размеры монтажной платы (показана на первом рисунке) при указанных деталях примерно 80 х 150 мм.
Настройка блока питания
Подключите к контактам XT1, XT2 вольтметр и проверьте, что при вращении движка резистора R2 напряжение плавно регулируется от 0 до 12 В. Если при вращении R2 по часовой стрелке напряжение уменьшается, то поменяйте крайние провода резистора местами.
Для оптимальной работы схемы ток в цепи резистора R1 должен составлять 10-12 мА.
Его можно отрегулировать подбором номинала R1.
Можно дополнить блок питания вольтметром для контроля выходного напряжения, либо отградуировать шкалу резистора R2. Для этого к выходу блока нужно подключить резистор сопротивлением около 450 Ом и вращая движок резистора сделать отметки, соответствующие напряжениям на вольтметре. Например, через каждые 0,5 В или 1 В.
Также можно дополнить блок питания амперметром для контроля тока. Амперметр можно включить в разрыв любого выходного провода. Амперметр желателен, если блок питания будет использоваться для зарядки аккумуляторов или батареек, в этом случае можно установить оптимальный ток зарядки, об этом можно почитать в этой статье.
Для того, чтобы заряжать мобильный телефон нужно знать какое напряжение нужно для той или иной модели телефона и также понадобится штекер, подходящий к зарядному гнезду телефона (можно взять от сломанной зарядки). Нужное напряжение также можно посмотреть на зарядке к телефону. Большинство телефонов будет заряжаться при напряжении 5В.
Нельзя путать полярность подключения, иначе телефон в лучшем случае просто не станет заряжаться, в худшем — может испортиться.
При настройке будьте осторожны, хоть выходное напряжение безопасно и схема изолирована от сети, но в первичной обмотке трансформатора присутствует опасное напряжение.
Подпишитесь на обновления, будьте всегда в курсе новых статей — заполните форму подписки ниже.
Будет интересно почитать:
Рубрики: Полезные устройства, Электронные устройства, Электросхемы
Метки: зарядные устройства, своими руками, электросхема
VIPer – новое слово в проектировании импульсных источников питания
28 ноября 2007
В недавнем прошлом многие компании-производители стали отказываться от трансформаторных блоков питания вследствие их немалой массы и значительных габаритных размеров. Представьте себе трансформаторный блок питания с выходной мощностью 100-150 Вт, выполненный даже на ториодальном магнитопроводе.
Масса такого блока питания будет составлять примерно 5-7 кг, а о его габаритах даже нечего и говорить. С появлением всевозможных микросхем ШИМ-контроллеров и высоковольтных мощных MOSFET-транзисторов на смену трансформаторным источникам питания пришли импульсные, следовательно, габаритные размеры и масса блоков питания уменьшились в несколько раз. Импульсные блоки питания не уступают трансформаторным по мощности, более того, они гораздо эффективнее. КПД современных импульсных блоков питания достигает 95%. Однако у таких блоков питания есть свои недостатки:
1. Большое количество элементов схемы, что в результате усложняет проектирование топологии печатных плат и приводит к паразитным возбуждениям и помехам.
2. Cложность настройки из-за подбора пассивных компонентов в обвязке ШИМ-контроллера, в цепи защиты и т.д.
Эти недостатки также создают неудобства при проведении диагностики неисправностей и при их устранении.
Основные узлы классической схемы импульсного обратноходового блока питания состоят из следующих блоков.
1. Входная цепь (включает в себя сетевой фильтр, диодный мост и фильтрующие конденсаторы).
2. ШИМ-контроллер.
3. Схемы защиты (по перенапряжению, по превышению температуры, и т.д.)
4. Схемы стабилизации выходного напряжения.
5. Мощный выходной MOSFET-транзистор.
6. Выходная цепь, состоящая из диодного моста и фильтрующих конденсаторов.
Как видно, количество активных компонентов, входящих в состав импульсного блока питания, доходит до нескольких десятков, что увеличивает габаритные размеры устройства и, как следствие, создает ряд проблем при проектировании и отладке.
Компания STMicroelectronics, проанализировав трудности, возникающие при проектировании импульсных источников питания, разработала уникальную серию микросхем, объединив на одном кристалле ШИМ-контроллер, цепи защиты и мощный выходной MOSFET-транзистор.
Серия приборов была названа VIPer.
Название VIPer произошло от технологии изготовления самого MOSFET-транзистора, а именно, Vertical Power MOSFET.
Функциональная схема одного из приборов семейства VIPer представлена на рисунке 1.
Рис. 1. Функциональная схема VIPer
Основные особенности:
- регулируемая частота переключения от 0 до 200 кГц;
- режим токовой регуляции;
- мягкий старт;
- потребление от сети переменного тока менее 1 Вт в дежурном режиме;
- выключение при понижении напряжения питания в случае короткого замыкания (КЗ) или перегрузки по току;
- интегрированная в микросхему цепь запуска;
- автоматический перезапуск;
- защита от перегрева;
- регулируемое ограничение по току.
Пример принципиальной схемы стандартного включения одного из представителей семейства VIPer представлен на рисунке 2.
Как и в аналогичных микросхемах для построения импульсных источников питания производства таких фирм как Power Integrations и Fairchild, в микросхемах семейства VIPer применяется режим регулирования по току. Используются две петли обратной связи — внутренняя петля контроля по току и внешняя петля контроля по напряжению. Когда МОП-транзистор открыт, значение тока первичной обмотки трансформатора отслеживается датчиком SenseFET и преобразуется в напряжение, пропорциональное току. Когда это напряжение достигает величины, равной Vcomp (напряжение на выводе COMP (см. рис. 1) — выходное напряжение усилителя ошибки), транзистор закрывается. Таким образом, внешняя петля регулирования по напряжению определяется величиной, при которой внутренняя токовая петля выключает высоковольтный ключ. Немаловажно отметить еще одну особенность микросхем VIPer, которая ставит их на уровень выше конкурентов. Это возможность работать на частотах достигающих 300 кГц. Она позволяет добиться еще большего КПД и использовать трансформаторы с меньшими габаритными размерами, что ведет к миниатюризации источника питания с сохранением расчетной выходной мощности.
Рис. 2. Принципиальная схема включения микросхемы семейства VIPer
Семейство VIPer имеет широкую номенклатурную линейку приборов, позволяющих легко выбрать микросхему, удовлетворяющую заданные технические условия. Доступные на данный момент приборы, включая новинки, представлены в таблице 1.
Таблица 1. Сводная таблица приборов семейства VIPer
| Наименование | Uси, В | Ucc max, В | Rси, Ом | Iс min, А | Fsw, кГц | Корпус |
|---|---|---|---|---|---|---|
| VIPer12AS | 730 | 38 | 30 | 0,32 | 60 | SO-8 |
| VIPer12ADIP | 730 | 38 | 30 | 0,32 | 60 | DIP-8 |
| VIPer22AS | 730 | 38 | 30 | 0,56 | 60 | SO-8 |
| VIPer22ADIP | 730 | 38 | 30 | 0,56 | 60 | DIP-8 |
| VIPer20 | 620 | 15 | 16 | 0,5 | до 200 | PENTAWATT H. V. |
| VIPer20(022Y) | 620 | 15 | 16 | 0,5 | до 200 | PENTAWATT H.V. |
| VIPer20DIP | 620 | 15 | 16 | 0,5 | до 200 | DIP-8 |
| VIPer20A | 700 | 15 | 18 | 0,5 | до 200 | PENTAWATT H.V. |
| VIPer20A(022Y) | 700 | 15 | 18 | 0,5 | до 200 | PENTAWATT H.V. |
| VIPer20ADIP | 700 | 15 | 18 | 0,5 | до 200 | DIP-8 |
| VIPer20ASP | 700 | 15 | 18 | 0,5 | до 200 | PowerSO-10 |
| VIPer50 | 620 | 15 | 5 | 1,5 | до 200 | PENTAWATT H. V. |
| VIPer50(022Y) | 620 | 15 | 5 | 1,5 | до 200 | PENTAWATT H.V. |
| VIPer50A | 700 | 15 | 5,7 | 1,5 | до 200 | PENTAWATT H.V. |
| VIPer50A(022Y) | 700 | 15 | 5,7 | 1,5 | до 200 | PENTAWATT H.V. |
| VIPer50ASP | 700 | 15 | 5,7 | 1,5 | до 200 | PowerSO-10 |
| VIPer53DIP | 620 | 17 | 1 | 1,6 | до 300 | DIP-8 |
| VIPer53SP | 620 | 17 | 1 | 1,6 | до 300 | PowerSO-10 |
| VIPer53EDIP | 620 | 17 | 1 | 1,6 | до 300 | DIP-8 |
| VIPer53ESP | 620 | 17 | 1 | 1,6 | до 300 | PowerSO-10 |
| VIPer100 | 700 | 15 | 2,5 | 3 | до 200 | PENTAWATT H. V. |
| VIPer100(022Y) | 700 | 15 | 2,5 | 3 | до 200 | PENTAWATT H.V. |
| VIPer100A | 700 | 15 | 2,8 | 3 | до 200 | PENTAWATT H.V. |
| VIPer100A(022Y) | 700 | 15 | 2,8 | 3 | до 200 | PENTAWATT H.V. |
| VIPer100ASP | 700 | 15 | 2,8 | 3 | до 200 | PowerSO-10 |
Микросхемы VIPer доступны в различных корпусных исполнениях, представленных на рисунке 3.
Рис. 3. Корпусное исполнение микросхем семейства VIPer
Корпусное исполнение PowerSO-10 является разработкой компании ST Microelectronics. Этот корпус предназначен для поверхностного монтажа на контактную медную площадку на поверхности печатной платы, соединенную со стоком мощного транзистора.
В таблице 2 представлены рекомендации от STMicroelectronics по замене аналогичных приборов других производителей на приборы семейства VIPer. Данная таблица была составлена по материалам, предоставленным STMicroelectronics. Приборы VIPer, указанные в таблице, не являются pin-to-pin аналогами приборов других производителей. Данные были составлены, исходя из близких параметрических особенностей.
Таблица 2. Сводная таблица рекомендованных к замене приборов
| LNK562P | — | VIPER12ADIP |
| LNK562G | — | VIPER12AS |
| LNK563P | — | VIPER12ADIP |
| LNK564P | — | VIPER12ADIP |
| LNK564G | — | VIPER12AS |
| TNY274G | — | VIPER12AS VIPER22AS |
| TNY275P | — | VIPER12ADIP VIPER22ADIP |
| TNY275G | — | VIPER12AS VIPER22AS |
| TNY276P | — | VIPER12ADIP VIPER22ADIP |
| TNY276G | — | VIPER12AS VIPER22AS |
| TNY277P | — | VIPER12ADIP VIPER22ADIP |
| TNY277G | — | VIPER12AS VIPER22AS |
| TNY278P | — | VIPER22ADIP VIPER53EDIP |
| TNY278G | — | VIPER22AS VIPER53ESP |
| TNY279P | — | VIPER22ADIP VIPER53EDIP |
| TNY279G | — | VIPER22AS VIPER53ESP |
| TNY280P | — | VIPER22ADIP VIPER53EDIP |
| TNY280G | — | VIPER22AS VIPER53ESP |
| TOP232P | FSDM311 FSQ0165RN FSQ311 | VIPer22ADIP VIPer20ADIP |
| TOP232G | — | VIPer22AS VIPer20ADIP |
| TNY264P | FSD210B FSQ510 FSQ510H | VIPer12ADIP |
| TNY264G | — | VIPer12AS |
| TNY266P | FSDM311 FSQ0165RN FSQ311 | VIPer22ADIP VIPer20ADIP |
| TNY266G | FSDM311L | VIPer22AS VIPer20ASP |
| TNY267P | FSDH0170RNB FSDL0165RN FSQ0165RN FSQ0170RNA | VIPer22ADIP VIPer20ADIP |
| TNY267G | FSDL0165RL | VIPer22AS VIPer20ASP |
| TNY268P | FSDH0265RN FSDH0270RNB FSDM0265RNB FSQ0265RN FSQ0270RNA | VIPer22ADIP VIPer20ADIP |
| TNY268G | — | VIPer22AS VIPer20ASP |
| TNY253P | — | VIPer12ADIP |
| TNY253G | — | VIPer12AS |
| TNY254P | — | VIPer12ADIP |
| TNY254G | — | VIPer12AS |
| TNY255P | — | VIPer12ADIP |
| TNY255G | — | VIPer12AS |
| TNY256P | FSDM311 FSQ0165RN FSQ311 | VIPer22ADIP VIPer20ADIP |
| TNY256G | — | VIPer22AS VIPer20ASP |
| TNY256Y | — | VIPer20A |
| TOP221P | — | VIPer12ADIP |
| TOP221G | — | VIPer12AS |
| TOP221Y | — | VIPer12ADIP |
| TOP222P | FSDM311 FSQ0165RN FSQ311 | VIPer22ADIP VIPer20ADIP |
| TOP222G | — | VIPer22AS VIPer20ASP |
| TOP222Y | — | VIPer20A |
| TOP223P | FSDL0165RN FSQ0165RN | VIPer50A |
| TOP223G | — | VIPer50ASP |
| TOP223Y | — | VIPer50A |
| TOP224P | FSDH0265RN FSQ0265RN | VIPer50A |
| TOP224G | — | VIPer50ASP |
| TOP224Y | KA5H0280RYDTU KA5M0280RYDTU | VIPer50A |
| TOP226Y | KA5H0365RYDTU KA5H0380RYDTU KA5L0365RYDTU KA5L0380RYDTU KA5M0365RYDTU KA5M0380RYDTU | VIPer100A |
| TOP227Y | — | VIPer100A |
| TOP209P | FSDM0565RBWDTU | VIPer12ADIP |
| TOP209G | — | VIPer12AS |
| TOP210PFI | — | VIPer12ADIP |
| TOP210G | — | VIPer12AS |
| TOP200YAI | — | VIPer22ADIP VIPer20A |
| TOP201YAI | — | VIPer50A |
| TOP202YAI | — | VIPer50A |
| TOP203YAI | — | VIPer100A |
| TOP214YAI | — | VIPer100A |
| TOP204YAI | — | VIPer100A |
Рис.
4. Интерфейс программного обеспечения для расчета источника питания на приборах семейства VIPer
В заключение хочется отметить, что компания STMicroelectronics предоставляет разработчикам пакет бесплатного программного обеспечения для расчета параметров источника питания, построенного на основе микросхем семейства VIPer.
Пакет VIPer Design Software имеет доступный и понятный интерфейс, позволяющий задать любой из необходимых параметров и получить готовую схему с перечнем используемых компонентов, графиками и осциллограммами процессов.
По вопросам получения технической информации, заказа образцов и поставки обращайтесь в компанию КОМПЭЛ. Е-mail: [email protected]
EEPROM в новом миниатюрном корпусе
В марте 2007 г. компания STMicroelectronics объявила о выпуске привычных всем микросхем EEPROM (емкостью от 2 до 64 кБит; с SPI или I2C-интерфейсом) в миниатюрном 2х3 мм MLP8 (ML — Micro Leadframe) исполнении.
По своим рабочим характеристикам новая разработка сравнима со своей предшественницей, микросхемой размером 4×5 мм, (в корпусе S08N), однако позволяет значительно сэкономить место на печатной плате, равно как и снизить стоимость конечного устройства.
STMicroelectronics — первая компания, которая представила на рынок полную линейку серии EEPROM в столь малом корпусе. Супертонкий корпус (всего 0,6 мм) с плоскими выводами, расположенными c двух сторон, число циклов памяти до 1 миллиона (!), способность сохранять необходимые данные более 40 лет — все это делает микросхему достойным представителем своего семейства.
Новая разработка предназначена для применений в широких областях современной микроэлектроники: цифровые фото- и видеокамеры, миниатюрные MP3-плееры, разнообразные пульты, игровые приставки, беспроводные устройства, Wi-Fi-системы.
Выпуск новой микросхемы намечен на вторую половину 2007 года, но образцы можно заказывать уже сейчас.
Источник:
www.st.com
•••
MP3-плеер, устранение неполадок
Надеюсь, с настройкой MP3-плеера все пройдет гладко. платы, но поскольку плата поставляется без источника питания, SIMM или жесткий диск, а в некоторых случаях платы собираются из комплекта, есть ряд вещей, которые могут пойти не так.Для устранения неполадок могут потребоваться следующие элементы.
- Последовательный кабель — Сообщения с отладочной информацией доступны на последовательном порту.
- Вольтметр — Многие тесты требуют измерения постоянного или переменного напряжения.
Перед отправкой электронной почты или
сообщение в группе Yahoo для получения помощи, пожалуйста, найдите время, чтобы определить
какая у вас ревизия платы (напечатано на плате между большими
чип Xilinx и гнездо SIMM), и обязательно укажите,
плата была собрана/проверена PJRC (зеленая точка на последовательном порту) или
собран из несобранного комплекта.
Если вы пробовали какие-либо тесты на
этой странице, пожалуйста, укажите результаты. Если вы можете видеть сообщения от
последовательный порт, всегда прикрепляйте текстовый захват
сообщения последовательного порта. Эти сообщения содержат много очень
полезная информация, которая действительно может помочь в диагностике проблем.
Ничего не происходит, когда я включаю питание
Возможно, самая неприятная проблема возникает, когда кажется, что игрок быть «мертвым». Прошивка всегда будет передавать сообщения на последовательный порт, независимо от того, что подключено к плате. Первый шаг — подключить последовательный порт к ПК и попытаться просматривать сообщения, которые отправляет MP3-плеер. Отключите от платы все, кроме питания и последовательный кабель, так что вы можете сосредоточиться на приеме последовательного порта сообщений без помех со стороны возможных источников неприятностей.Когда нет ответа, проблема, как правило, одна из этих четыре сценария (перечислены в порядке вероятности):
- Сила Инадакете — Самая распространенная проблема
- Настройка последовательного порта
- Поврежденная секция MP3-плеера
- Повреждена секция блока питания
Блок питания не включается (питание отсутствует)
Подавляющее большинство проблем с мп3 плеером связано с неадекватный источник энергии.
Есть три требования
для источника ввода:- Напряжение постоянного тока. Источник питания должен иметь соответствующее напряжение постоянного тока.
- Допустимый ток — 300 мА без привода ноутбука, от 1000 до 1500 мА с приводом от ноутбука.
- Обработка пускового тока — см. ниже, в основном проблема с Rev A и Rev B.
Напряжение постоянного тока может быть подано на любой вход питания на плате. Вход 12 вольт предназначен для того, чтобы игрок мог бегать от автомобиля. электрической системы или стандартного источника питания постоянного тока на 12 вольт. Нижний вход напряжения в первую очередь предназначен для батареи, но более низкое напряжение также можно использовать блоки питания. Напряжение переменного тока (как несколько «настенных бородавок» разъемы) не будет работать, поэтому проверьте характеристики, чтобы убедиться, что ваш мощность — напряжение постоянного тока. В этой таблице приведены диапазоны напряжения:

01.2008
04.2005
12.2004
02.2005
01.2001
11.2007
11.2007
11.2007
11.2007
11.2007
11.2007
11.2007
11.2007
11.2007
11.2007
11.2007
11.2007
11.2007
11.2007
11.2007
11.2007
11.2007
11.2007
11.2007
2007
11.2007
11.2007
11.2007
11.2007
01.2001
) — 141Кб
01.2002
) — 148Кб
07.2002
) — 101Кб
01.2002
09.2008
07.2002
01.2002
(5,3)Т1, R25, R28, R30, R32, C10, VD8
V.
V.
V.
5 to 10 Volts
В некоторых
В крайних случаях источник питания плеера может испытывать проблемы. На
Платы Rev A и Rev B, транзистор NDS6060L (большой ближе
к последовательному порту) станет горячим, но это редко приводит к его повреждению.
Rev C включает схему выключения, которая отключает
игрока, пока все питание не будет полностью отключено в течение нескольких
секунды!
источники питания с быстродействующим ограничением тока. Часто они будут работать
если они подключены к mp3-плееру, когда они получают питание, но
нет, если они уже «живые», а затем привязаны к игроку. Всплеск
проблемы совместимости легко обнаружить (с помощью вольтметра), потому что
выходное напряжение вашего источника питания упадет до очень низкого напряжения вместо
его номинальное/регулируемое выходное напряжение. Лабораторные настольные расходные материалы обычно
имеют светодиод для индикации режима ограничения тока.
html
Обычны проблемы на ПК, такие как выбор
неправильный ком порт. Гипертерминал также может показывать «прокрутку
буфер», а не «живые» данные, если вы нажали на прокрутку
бары непреднамеренно, и, конечно, он может игнорировать все
входящие данные, если выбрано управление потоком, поэтому важно
выполнить этот простой циклический тест, чтобы убедиться, что входящие
данные действительно будут отображаться на вашем экране. Петля
test не проверяет скорость передачи данных, поэтому убедитесь, что она установлена на
19200 бод, 8 бит, без четности, 1 стоповый бит (с
скорость передачи, вы обычно получаете мусор, а не ничего)
..
нужно получить как rev C, так и rev A/B, всего 6 напряжений.
Если ты
удобное прощупывание угловых контактов микросхемы 74HC165,
Вы можете проверить +3,3 вольта и убедиться, что все в порядке.
и заставить плату загрузиться. Он должен выводить
+3,3 В в течение примерно 0,2 секунды после подачи питания, чтобы
держите процессор в сбросе, а затем он падает почти до нуля вольт
чтобы позволить 87C52 выполнять код (и один из первых
то, что он делает, это передает приветственное сообщение на скорости 19200 бод).
В Rev C выход MAX810 — это контакт справа, ближайший к
к SIMM. Это крошечная булавка, так что будьте осторожны, если попытаетесь
прощупать его. На некоторых поврежденных платах, в менее распространенном случае
где ПЛИС была повреждена, но не настолько, чтобы превратить ее в
полный 3,3-убийственный короткий, FPGA будет тянуть +3,3
Кратковременно падает напряжение при загрузке процессора. Это приводит к тому, что MAX810
для сброса ЦП (поскольку его работа состоит в том, чтобы предотвратить
работает до тех пор, пока напряжение не станет достаточно высоким), и этот цикл
повторяется, что приводит к измерению на выходе MAX810, которое
находится где-то между 0,3 и 2,7 вольт, и, кажется,
«нестабильный» (меняется несколько случайным образом, в зависимости от обновления
скорость вашего мультиметра).
Если MAX810 измеряет устойчивый
сигнал, например 2.9вольт, то он не позволяет процессору
работать из-за низкого напряжения. Он должен быть высоким только для
долю секунды, когда плата включена, а затем
оно должно оставаться низким (очень близко к нулю вольт).
Версия А
и B будут выглядеть совсем по-другому.
округ Колумбия
напряжение на контакте 2 должно составлять от -0,5 до -0,8 вольт. В настоящее время
переключитесь в режим переменного напряжения на мультиметре. С «истинным среднеквадратичным значением»
(более дорогой) мультиметр, вы должны увидеть от 6,6 до 8
вольт переменного тока из-за непрерывного потока передаваемых данных.
В недорогом мультиметре (без функции истинного среднеквадратичного значения) будет
показатель несколько выше, от 7,5 до 9вольт.
преобразователь напряжения «насос», который не производит строго регулируемого
напряжения, а на выходе RS-232 предполагается понижение напряжения
когда он управляет входом другого приемника (это импеданс
ограничение, которое защищает оборудование в случае неисправности кабеля).
1.x и 0.5.x. Использование программы дефрагментации Microsoft.

