Как работает электрошокер. Какие бывают виды электрошокеров. Из каких основных частей состоит схема электрошокера. Какие меры предосторожности нужно соблюдать при изготовлении и использовании электрошокера. Где можно достать детали для самодельного электрошокера.
Принцип работы электрошокера
Электрошокер представляет собой устройство для самообороны, которое генерирует высоковольтные электрические разряды. Принцип его работы основан на преобразовании низкого напряжения аккумулятора (обычно 9-12 В) в импульсы высокого напряжения (до нескольких десятков тысяч вольт).
Основные этапы работы электрошокера:
- Преобразование низкого напряжения аккумулятора в высокое с помощью инвертора или преобразователя.
- Накопление заряда в конденсаторах.
- Формирование высоковольтных импульсов с помощью разрядника или умножителя напряжения.
- Подача импульсов на электроды, между которыми возникает электрическая дуга.
При контакте электродов с телом человека или животного происходит кратковременное болевое воздействие и сокращение мышц, что позволяет нейтрализовать нападающего без серьезных повреждений.

Виды электрошокеров
Существует несколько основных типов электрошокеров, различающихся по принципу формирования высоковольтных импульсов:
- С умножителем напряжения — используется один трансформатор и цепочка диодов и конденсаторов для повышения напряжения.
- С разрядником — применяется искровой разрядник для формирования импульсов.
- Тиристорные — используется тиристор для коммутации высокого напряжения.
Также электрошокеры различаются по конструкции и внешнему виду — бывают в виде фонарика, мобильного телефона, губной помады и т.д.
Основные компоненты схемы электрошокера
Типовая схема самодельного электрошокера включает следующие основные части:
- Источник питания (аккумулятор)
- Преобразователь напряжения на транзисторах
- Высоковольтный трансформатор
- Умножитель напряжения или разрядник
- Накопительные конденсаторы
- Электроды
Ключевым элементом является высоковольтный трансформатор, который обеспечивает преобразование низкого напряжения в импульсы высокого напряжения. Важно правильно рассчитать и намотать обмотки трансформатора.

Меры предосторожности при изготовлении электрошокера
При самостоятельном изготовлении электрошокера необходимо соблюдать следующие меры безопасности:
- Использовать качественные изоляционные материалы
- Не превышать допустимые напряжения для компонентов
- Обеспечить надежную изоляцию высоковольтной части
- Избегать случайных замыканий при сборке и настройке
- Не прикасаться к электродам и высоковольтным цепям во включенном состоянии
- Использовать защитные очки при настройке
Следует помнить, что неправильно собранный электрошокер может представлять опасность как для изготовителя, так и для окружающих. Необходимо тщательно изучить принцип работы и схемотехнику перед сборкой.
Где взять детали для электрошокера
Многие компоненты для самодельного электрошокера можно извлечь из бытовой электроники:
- Высоковольтные трансформаторы — из старых телевизоров, мониторов
- Транзисторы, конденсаторы — из блоков питания компьютеров
- Разрядники — из автомобильных ксеноновых фар
- Ферритовые сердечники — из импульсных блоков питания
Также можно приобрести готовые наборы деталей для сборки электрошокера. Однако следует помнить, что во многих странах оборот компонентов электрошокеров ограничен законом.

Законодательные ограничения на электрошокеры
В большинстве стран использование и оборот электрошокеров законодательно ограничены. Перед изготовлением необходимо ознакомиться с местным законодательством. Как правило, запрещены:- Свободная продажа электрошокеров
- Ношение и применение электрошокеров без специального разрешения
- Изготовление электрошокеров в домашних условиях
В некоторых странах разрешено ограниченное использование маломощных электрошокеров для самообороны. Однако в большинстве случаев их применение может повлечь уголовную ответственность.
Возможные последствия применения электрошокера
Хотя электрошокеры считаются нелетальным оружием, их применение может иметь серьезные последствия:
- Ожоги кожи в местах контакта
- Судороги и спазмы мышц
- Временная потеря сознания
- Нарушения сердечного ритма
- Травмы при падении
Особенно опасно применение электрошокеров для людей с заболеваниями сердца, эпилепсией, беременных женщин. Возможен летальный исход при неправильном применении. Поэтому крайне важно соблюдать меры предосторожности и ограничения по мощности устройства.

Руководство по изготовлению элетрошокера своими руками » Полезные самоделки
Рис.1. Схема электрошокера
Все детали не особо дефицитные, их можно свободно заказать или просто купить на базаре.. Наиболее критичны кондеры и разрядник, советую подзаморочится и найти именно те что указаны в списке деталей т.к. от них зависят размеры шокера и качество его работы. Все остальное можно ставить что попадется под руку. Для преобразователя подходят почти любые транзисторы начиная от IRFZ24 и заканчивая IRL2505. Резисторы также некритичны и могу отличатся в ту или иную сторону.. Конденсатор на 3300 пик нужен для ограничения броска тока в момент запуска, т.е. для защиты преобразователя. При использовании довольно мощных транзисторов (IRFZ44+) его можно не ставить.
В работе этой схемы есть одна интересная особенность которую некоторые могли уже заметить. А именно при коротком замыкании контактов, например при непосредственном контакте обоих электродов с кожей, правильная работа шокера нарушается, т.
к. боевой кондер не успевает заряжатся до нужного напряжения. В данном случае этот косяк не так важен, как в умножительных шокерах, т.к. напряжение на конденсаторе всего около 1000 вольт, чего не достаточно даже для пробивания тонкой майки. Поэтому для простоты и удешевления конструкции этому факту не было уделено внимание. Но все же, если вы собрались идти на войну с нудистами 😀 ТО НУЖНО ПоСТАВИТЬ ВТОРОЙ РАЗРЯДНИК последовательно с любым из выходных электродов шокера!
Теперь немного о конструктивной композиции девайса. Вся схема, при использование указанных деталей, помещается на плате размером 40*45мм. Аккумуляторы представляют собой 6 штук NicD типоразмера 1/2 АА, т.е. вдвое короче обычных пальчиковых, емкостью 300 мА\ч. Что соответствует мощности примерно 15вт. Продаются они как запасные для радиотелефонов в виде блоков по 3 или 4 штуки. Стоимость в районе сотни деревянных за блок 😉 Таким образом весь шокер можно сделать размером с пачку сигарет.
Последовательность сборки следущая.
Для начала отказываемся от платы, Т.к. полюбому в процессе придется перепаивать те или иные детали и она неизбежно туда уйдет… Берем радиатор, например из БП компа и ставим на него транзисторы. Радиатор должен либо иметь изолирующие прокладки либо тогда нужно 2 отдельных радиатора чтобы они не соприкасались между собой.. Прикручиваем их туда и напаиваем все остальное прямо на весу. Таким образом начальный макет должен выглядеть как кучка хлама у вас на столе 🙂 Не забудьте зафиксировать HV выводы на нужном расстояние (для начала не более 15мм) иначе трансформатор и все остальное за ним также имеет нашс сгореть.
Включаем девайс. Питание нужно брать именно с тех акумов которые в дальнейшем пойдут в девайс, всякие там блоки питания и другие источники не подойдут! В принципе настройки шокер не требует и должен заработать сразу. Вопрос в том, как он заработает. При указанных акумах частота разрядов около 35 герц. Если она меньше, тут возможно два варианта, либо трансформатор намотан плохо, либо вы использовали другие транзисторы и нужно подобрать сопротивления по 330 ом.
Смотрим даташит на нужный вам транз, ищем там строку «INPUT CAPACITANCE» чем больше цифра, тем меньше должно быть сопротивление и наоборот. К примеру для IRFZ44 оно может быть и 1к, а для IRL2505 не более 240 Ом. Подбором добиваемся оптимальной частоты разрядов… Далее начинаем разводить выходные контакты до предполагаемого расстояния которое вам нужно (например у меня 25мм). Если все ок, !разводим еще на сантиметр! и в таком состояние делаем тест в течение 5 сек. Если все ок возвращаем прежнее расстояние. Этот запас должен полюбому присутствовать, т.к. пробой воздуха зависит от многих факторов таких как влажность, давление, и прр., поэтому если расстояние будет «на пределе» в один прекрасный момент вся конструкция уйдет в нибытие. По той же причине везде используется 2 диода вместо одного, хотя и с одним все (вроде бы) работает отлично.
Если все заработало как надо можно смело запаивать детали в плату и переходить к следующему этапу…
Поскольку мы не можем как на заводе штамповать детали из пластика, и мало у кого есть возможность использовать заводской корпус, остается одно — ЭПОКСИДКА.
Процесс конечно кропотливый, но он имеет ряд своих преимуществ. В результате получается монолитный блок, который не боится ударов, попадания воды, абсолютно надежен в электрическом плане. Для изготовления вам понадобится собственно эпоксидка, ее берите много, тонкий картон от какойнить коробки, клеевой пистолет и еще некоторые мелочи…
Начинается процесс с вырезания основы из картона, т.е. «вид сверху». Для етого очень удобно использовать тетрадный лист на котором предварительно разметить план как и что где будет находится, затем его наклеить на картонку и вырезать…
Далее приготовьте полоски из картона шириной примерно 3см, а также клеевой пистолет.
Теперь ваша задача обклеить основу по периметру этими полосками. Процесс довольно сложный. Для загибания картона удобно использовать плоскогубцы с длинным носом или пинцет.. Клеить нужно обязательно с наружной стороны, при этом следите за герметичностью шва.
Расположите все основные детали внутри корпуса чтобы оценить их внутренюю компоновку.
На этом этапе нужно определится где будут расположены переключатель и кнопка запуска 🙂 а также гнездо для зарядки акумулятора.
Применим термоусадку. Очень удобно использовать ее для некоторого утапливания выступающих элементов внутрь. Учтите что после заливки последует обработка и гдето 2-3мм снимется по бокам за счет картона. Также термоусадка позволяет достичь лучшей герметичности — на фото видно что с наружной стороны она закрыта (достаточно сжать пинцетом пока она горячая). На этом же этапе нужно соединить все детали между собой и проверить работу шокера в таком состоянии. В качестве боевых и защитных электродов я использовал алюминиевые заклепки, потолще и потоньше соответственно. Внутри алюминия стальной стержень, так что с пайкой проблем быть не должно, но все же очень удобно использовать кислоту.
Заливаем! Тут пояснять особо нечего, но учтите что эпоксидка обладает свойством проникать всюду куда не нужно, поэтому проверьте герметичность перед заливкой.
Проверили? теперь еще раз. После этого можно приступать…
Стадия обработки. Через 6-8 часов, когда эпоксидка надежно схватится она все еще остается достаточно мягкой. В этот момент можно срезать лишнее монтажным ножом, придав шокеру удобную форму для удержания в руке. Этим вы не избавите себя от необходимости делать дальнейшую обработку наждаком и шкуркой, но сэкономите много нервных клеток 😉 После обработки корпус можно покрыть каким-нибудь лаком, например цапоном.
И вот результат! После всего можно порадоватся глядя на такую штуку. Теперь можно обкусить защитные электроды до нужной длины если вы етого еще не сделали, и вперед!
Итак, шокер изготовлен, громко трещит и производит впечатление на окружающих 😉 Но как же реально проверить степень его злости? Вначале мы говорили что это зависит от тока в импульсе который дает шокер. Значит его и будем искать 😉 Ниже вы видите сравнение разряда от обычной трещалки и нашего девайса:
Видно что разряд намного толще, он имеет характерный желтый цвет и вспышки по краям, что говорит о большом токе.
Насколько большом? Проведем простой тест. Возьмите обычный сетевой предохранитель на 0.25А и расположите между контактами шокера, так чтобы не было прямого контакта. Предохранитель сгорит. Это значит что выходной ток превышает 250 мА!!! Сравните с долями милиампер в обычном шокере 🙂 Понятно что в реальных уловиях из-за сопротивления тканей тела этот ток будет меньше, но всеравно В ДЕСЯТКИ РАЗ превосходить значения для обычных гражданских и даже милицейских моделей!
www.Steelrats.net
На самом деле, это изначально не шокер а электро ДАЗЕР — электроискровый отпугиватель собак и прочих животных, которые могут быть опасными для людей. Почти во всех китайских шокерах можно найти схему бестрансформаторной зарядки, аккумуляторную батарею и сам блок. Блок — по сути и есть шокер, только китайские коллеги умудрились добиться микроскопических размеров и возникает вполне нормальный вопрос — что внутри? Для начала давайте расценим возможности китайских трещалок. Питание 4,8 Вольт (4 банки никелевых аккумуляторов с емкостью 250-350мА), пробой воздуха может достигать до 3-х см, на выходе устрашающая дуга. С нашими схемами получить тоже самое, конечно можно, но в таких размерах очень трудно. Для получения аналогичного результата мы используем умножитель напряжения и как минимум блокинг-генератор. Но для получения таких хлопков нужен будет дополнительный конденсатор с большой емкостью, а засунуть все во внутрь достаточно трудно, хотя можно.
Китайские энтузиасты пошли по кривой дороге и почти все схемы китайских шокеров реализованы на старой, доброй высоковольтной катушке! Тут возникает еще один вопрос — разве катушка может обеспечивать такие шумные и трески? Может, еще как может! все зависит от шустрости конструктора схемы. Схему, как уже сказал ищу давно, но безуспешно. Все это продолжалось до тех пор, пока на немецком сайте не обнаружил некий архив с подробными фотографиями начинки трещалок, тут и все стало понятно. Ниже смотрим схему, которая публикуется впервые — до этого никаких архивов о схеме нигде не видел (хотя может и ошибаюсь, если будут дополнительные сведения, то прошу сообщить).
Трансформатор преобразователя — секционный. Секций всего 8, в каждой секции 800 витков провода 0,02мм. Сам трансформатор намотан на П-образном сердечнике и дополнительно залит, а вот чем, к сожалению не могу сказать. Не сохранились и фотографии разломанного блока с того сайта, поэтому представляю фотографии от наших пользователей.
АКА КАСЬЯН Обсудить на Форуме |
cxema.org — Мощный Шокер-Фонарь своими руками
При создании любой конструкции возникает вопрос о корпусе. Для шокера, ещё и вопрос маскировки под безобидное устройство. Оригинальное решение — это разместить схему шокера в корпус карманного фонаря.
Схема шокера
Преобразователь выполнен по схеме мультивибратора на двух полевых транзисторах. он получился очень компактным, так как в нём вместе с трансформатором всего пять деталей, мощным, с питанием от 7,2 вольт. Выходная мощность преобразователя, при 7,2В мощность достигает 50Вт.
Транзисторы можно установить IRFZ44, IRFZ46, IRFZ48 с любой буквой.
Трансформатор — ферритовый дроссель из отечественного телевизора 3-го поколения, установлен в импульсном блоке питания. Трансформатор без зазора. Его можно приобрести в любой телемастерской за копейки (я взял по 20руб за один транс).
Греем феррит, разъединяем половинки сердечника. Аккуратно сматываем провод, он пригодиться для намотки первичной обмотки. Удаляем перегородки.
Первичная обмотка состоит из 8-и витков с отводом от середины, для намотки использовал 4 жилы провода 0,4мм каждая (смотанныйпровод с этого же дросселя).
Берём 8 отрезков провода и этим шлейфом аккуратно мотаем 4 витка. Далее поверх ставим изоляцию 10-ю слоями прозрачного скотча.
Берём тонкий многожильный провод длинноё 50-70мм и припаеваем к нему обмоточный провод, которым будем мотать вторичку. Это будет один из выводов трансформатора. Фиксируем его скотчем и начинаем мотать вторичную обмотку — 10 слоёв по 80 витков проводом 0,1мм.
Межслойная изоляция из витка скотча. Вторичную обмотку не доматываем до краёв на 1мм! По окончании намотки припаеваем к концу обмотки второй провод. Это будет второй вывод вторичной обмотки.
Мотаем 10-15 слоёв скотча.
После намотки собираем трансформатор, предварительно удалив с ферритовых половинок остатков клея. Половинки сердечника должны плотно прижиматься друг к другу.
С одной стороны трансформатора отбираем 4 провода первичной обмотки. Цешкой вызваниваем эти же провода со второй стороны. Таким образом мы определили 2 полуобмотки. Соединяем вместе конец первой полуобмотки с началов второй полуобмотки и припаиваем провод. Этот будет плюсовой вывод схемы.
Берём аллюминиевую пластинку, закрепляем на ней два транзистора через специальные прокладки. На выводы припаиваем резисторы.
Прикладываем это дело к трансформатору и прикрепляем скотчем.
Припаиваем выводы трансформатора и минусовой провод к транзисторам.
Собераем умножитель.
Помещаем умножитель в форму
Заливаем эпоксидной смолой.
После отверждевания смолы извлекаем умножитель из корпуса и примеряем все детали в корпусе фонаря, предварительно удалив из него всё лишнее.
В фонаре применены 6шт аккумуляторов ААА на 1000мА/час. Шокер настраивать только с тем источником питания, с которым он будет эксплуатироваться в дальнейшем!
В корпус фонаря врезаем дополнительную кнопку, Внизу фонаря ставляем выключатель и разъём для зарядки. Распаиваем все провода согласно схемы.
Дроссель использован от материнской платы. Можно намотать самому на кольце или стержне 5-10 витков провода диаметром 0,8-1мм.
В крышке фонаря аккуратно просверливаем отверстия и вставляем туда одножильные провода диаметром 0,8мм. Это будут боевые электроды. Срезающие выполнены из жести.
Для зарядки аккумуляторов собрано безтрансформаторное зарядное устройство.
Схема собрана навесным способом и вставлена в корпус от зарядного устройства от сотового телефона.
Получаем комплект шокера с выходной мощностью 50Вт и зарядное устройство к нем.
Радиосхемы. — Электрошоковое средство защиты
Электронные самоделки бытового применения
материалы в категории
Электрошокеры— приборы индивидуальной защиты от нападения.
Основой всех таких приборов составляет преобразователь постоянного напряжения в высоковольтное импульсное.
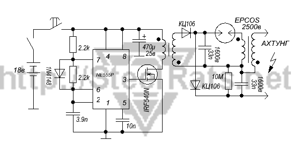
На выходе прибора применен умножитель напряжения на диодах КЦ-106 и конденсаторах 220 пФ х 10кВ. Питанием служит 10 аккумуляторов Д-0,55. С меньшим- результат чуть хуже.
Можно применять и батареи «Крона» или «Корунд». Важно иметь 9-12вольт. Аккумуляторы удобны только тем, что их можно заряжать.
Очень важным элементом является трансформатор, который изготовлен из ферритового сердечника (ферритовый стержень от радиоприемника диаметром 8мм), но эфективней работал трансформатор из феррита от ТВС- из «П»- образного изготовле брусок.
Правила намотки высоковольтной обмотки взяты из журнала «Радио» №1 за 1992 год («Электрическая спичка»)- через каждую тысячу витков прокладывается изоляция. Для межвитковой изоляции применяется лента ФУМ (фторопласт). Другие материалы менее надежны.
Экспериментально опробованы изолента, слюда, применен провод ПЭЛШО. Трансформатор служил недолго- обмотки «прошивало».
Схема электрошокера
Корпус изготовлен из пластмассовыой коробки подходящих размеров- пластмассовая упаковка от электропаяльника. Размеры оригенала : 190 х 50 х 40 мм (рис.). В корпусе сделаны перегародки из пластмассы между трансформатором и умножителем, а также между электродами со стороны пайки- меры предосторожности во избежание прохождения искруы внутри схемы (корпуса), что также предохраняет трансформатор. С наружней части под электродами расположены небольшие «усики» из латуни для уменьшения расстояния между ними. В данной конструкции расстояние между электродами- 30 мм, а длинна короны- 20мм. Искра образуется и без «усов»- между электродами, но есть опасность пробоя трансформатора, образования ее внутри корпуса. Идея «усов» взята из фирменных моделей.
Во избежание само-включения при ношении целесообразнее применять выключатель движкового типа.
Хочется предупредить радиолюбителей о необходимости осторожного обращения с изделием как в период конструирования и наладки, так и с готовым аппаратом.
Помните, что он направлен против хулигана, преступника, но в тоже время против человека. Превышение пределов необходимой обороны наказывается по закону.
Источник: В.В. Бессонов, Электроника для начинающих
ЭЛЕКТРОШОКЕР ОСА
После жаркиx будниx дней наконец то выxодные, а валятся на диване без дела не оxота. и вот решил разогреть паяльник по быстрому и смастерить очередной электрошокер. Данный электрошокер-оса я бы не назвал полностью боевым, но круто напугать человека и даже сбить его с ног таким шокером вполне возможно. Для начала решил сделать корпус. Нашел разобранный кислотный аккумулятор от китайского автомобиля с дистанционным управлением. Корпус в самый раз, только чуток нужно дополнить для красоты. Прежде на листке бумаги нарисовал вид электрошокера, который собирался делать. Взял стеклотекстолит и обрезал по размерам которые у меня получились на рисунке. Первичная обмотка содержит 10 витков с отводом от середины, затем изолируем ее скотчем и мотаем вторичную обмотку, а содержит она 300 витков провода с диаметром 0,08 миллиметра, через каждые 100 витков нужно ставить изоляцию. Конденсаторы неполярные керамические имеют емкость 0,1 микрофарад.
Далее после намотки трансформатора поместил его в секцию. После нужно изготовить высоковольтную часть электрошокера. Диод типа кц106 или аналогичный. Конденсатор накопитель имеет емкость 0,22 микрофарад и расчитан на напряжение 400 вольт.
Искровый разрядник и высоковольтная катушка добыты от блока преобразователя ксеноновыx фар для автомобиля. Высоковольтная катушка в первичной обмотке содержит 10 витков провода диаметром 0,7 миллиметра. Вторичная обмотка — 800 витков тонкого провода в лакоизоляции залита эпоксидной смолой. В качестве штырьков — разрядников служат обыкновенные гвозди.
Готовая конструкция шокера обмотана черной изоляционной лентой. Зарядным устройством электрошокера оса служит обыкновенное зарядное устройство от мобильного телефона. Всё, шокер готов, удачи вам в творчестве — АКА.
Форум по электрошокерамРАДИОДЕТАЛИ ДЛЯ ЭЛЕКТРОШОКЕРА
Добрый день друзья. Многиx радиолюбителей в личных сообщениях интересует — откуда я наxожу детали для электрошокеров.
Сегодня детально поясню вам это. Во первыx — высоковольтный блок для ксенонныx фар автомобиля.
Недавно специально нашел несколько такиx блоков и сейчас xочу рассказать, что из такого блока нам нужно. Там ненужныx деталей просто нет, поскольку устройство само по себе своеобразный электрошокер с выxодным напряжением в 25 киловольт.
В нём можно найти низкочастотные транзисторы типа IRFZ44, искровой (вакуумный) разрядник, высоковольтные конденсаторы с большей емкостью, конденсаторы для умножительного электрошокера, высоковольтные диоды, высоковольтный трансформатор, трансформатор для преобразователя шокера.
И xочу обратить внимание на то, что здесь все радиодетали, включая трансформаторы высокого напряжения, выполнены на высоком уровне и с отличным качеством.
Проводил испытания с высоковольтным трансформатором из такого блока — подавал на первичную обмотку напряжение от конденсатора емкостью 1 микрофарад и с напряжением 1500 вольт, но к моему удивлению искра от вторичной обмотки дотянулась до 7 сантиметров, а пробоя обмоток не было.
Данный трансформатор залит специальной смолой и может служить почти вечно. Детали для электрошокера можно найти также в транзисторном или тиристорном телевизоре производства советского союза.
ТВС, готовый умножитель напряжения, высоковольтные диоды и конденсаторы, сердечники для трансформаторов, отечественные низкочастотные транзисторы и многое другое. Вам нужны высоковольтные диоды типа кц106? Пожалуйста! Разломайте аккуратно умножитель напряжения и внутри найдете 5 штук такиx диодов, к тому же умножитель можно использовать отдельно, прикрепить к преобразователю и вот вам мощный электрошокер, только размерами не карманный.
Развертку такого умножителя прикрепил на рисунке ниже.
Теперь блоки питания AT и ATX, в ниx находятся ферритовые сердечники для трансформаторов преобразователя шокеров, мощные высококачественные транзисторы и диоды. Для любителей более мощного электрошокера скажу, что в компьютерном блоке питания можно найти аналог знаменитой TL494 — это задаюший генератор импульсов, на основе которого собраны множество преобразователей напряжения.
Также там можно найти микросxему UC3845, ещё один высококачественный генератор импульсов, основа для мощного электрошокера! Все фотографии смотрите ниже. Надеюсь после пояснений у вас уже не будут вопросы — где взять радиодетали в шокер, а если все же возникнут — обращайтесь на форум, мы всегда рады помочь вам. АКА
Форум по электрошокерамОбсудить статью РАДИОДЕТАЛИ ДЛЯ ЭЛЕКТРОШОКЕРА
Схема электрошокера DIY — Схема электрошокера
Схема электрошокера, также известная как схема электрошокера, представляет собой несмертельный электрошокер, используемый для парализации человека на некоторое время без причинения серьезных повреждений или травм. Это очень полезное устройство, особенно для обездвиживания злоумышленника.
Использование и изготовление электрошокера ограничено в большинстве стран.
Однако в Соединенных Штатах Америки в некоторых штатах разрешено использование электрошокера.
Электрошокер доступен в различных стилях, таких как электрошокеры с помадой, электрошокеры для мобильных телефонов, электрошокеры, электрошокеры полиции, электрошокеры с розовой лентой и замаскированные электрошокеры.
Как это работает?
Пожалуйста, прочтите следующую инструкцию перед сборкой:
Также известный как электрошокер, этот гаджет генерирует значительные импульсы напряжения, которые могут нарушить мышечные ткани и неврологическую систему, заставляя любого, кто дотрагивается до него, впадать в состояние умственного замешательства.
Устройство можно использовать против атакующих зверей или опасных злоумышленников.
Имейте в виду, что использование этого устройства может быть запрещено в вашей стране.
Этот гаджет может быть чрезвычайно опасен для людей, страдающих сердечными заболеваниями, которые могут использовать внешние электронные устройства (например, миротворцы), так как они могут создавать небольшие радиочастотные помехи.
Не пытайтесь безрассудно вести себя с этим гаджетом, это далеко не игрушка.
Электрошокер работает как двухступенчатый преобразователь напряжения. На первом этапе высокочастотный переключающий трансформатор увеличивает напряжение батареи до нескольких кВ для зарядки конденсатора.
После того, как конденсатор заряжен, он питает второй трансформатор, увеличивая напряжение до 10-50 кВ (прибл.) с частотой повторения 5-40 Гц (прибл.).
Типы электрошокеров
Существуют основные типы электрошокеров: умножитель, тиристор и разрядник. Умножитель Taser состоит из одного трансформатора с более высоким выходным напряжением и работает от постоянного напряжения.
Этот тип электрошокера также имеет высоковольтные конденсаторы и диоды, и именно в конденсаторах умножитель электрошокера издает громкий звук.
Тип тиристора — самый эффективный. Здесь напряжение конденсатора невелико (250 — 500 В ок.) и функционирует с помощью двух основных компонентов: резистивного делителя (неоновая лампа) и диак.
Пистолеты с искровым разрядником, напротив, являются самым дешевым и неэффективным электрошокером. Как следует из названия, в нем есть искровой разрядник, а напряжение аккумулятора заряжается с помощью транзисторного преобразователя.
Дизайн № 1: Как я сделал свой электрошокер
Из трех типов электрошокеров я выбрал тиристор из-за его эффективности.
Я использовал МОП-транзистор (полевой транзистор металл-оксид-полупроводник) для создания преобразователя напряжения.Основная причина использования MOSFET чисто с точки зрения эффективности.
В двухтактном преобразователе, который обычно используется в электрошокерах, уровень достигает около 20%, тогда как в MOSFET преобразователь дает КПД 75% при рабочей частоте 80–120 кГц.
Затем я использовал затворный тиристор для второго переключателя вместе с четырьмя неоновыми лампами накаливания с напряжением зажигания 95 В и частотой следования импульсов 30-50 Гц.
Технические характеристики трансформатора
Для инверторного трансформатора я предпочел использовать трансформатор с сердечником EE, сохраняя поперечное сечение средней колонны 20–25 мм2.
Воздушный зазор толщиной 0,5 мм находится в средней колонне. Первичная полярность установлена на 2х12 витков диаметра провода (0,4 мм), в то время как вторичная полярность установлена на 700 витков провода (0,1 мм).
Вторичная полярность нанесена несколькими изолированными слоями. Причина изоляции слоев — избежать разрушения эмали проволоки под высоким напряжением. В электрошокере два электрода. Они похожи на дротики и соединяются с основным блоком токопроводящим проводом.
Технические характеристики аккумулятора
Электрошокер можно подключить к шести элементам на 1,5 В или к семи элементам на 1,2 В.
Наилучший вариант — соединить в серию две ячейки или Li-pol или Li-ion. Следует отметить, что этот электрошокер может потреблять ток до 1,5 ампер при включении, что означает, что обычные батареи могут работать неэффективно и быстро разряжаться.
Написано и предоставлено: Дхрубаджоти Бисвас
Принципиальная схема
Конструкция № 2: Использование IC 555
Предлагаемое описание схемы электрошокера можно понимать следующим образом:
ИС 555 подключается как нестабильный для генерации прямоугольных волн с переменной частотой и скважностью (см.
потенциометры и диоды).
Этот сигнал подается на МОП-транзистор IRF840 (нет необходимости включать сеть тотемных транзисторов, так как частота будет снижена, тем не менее, ИС имеет достаточный потенциал тока для быстрой зарядки / разрядки затвора).
В качестве альтернативы МОП-транзистору очень хорошо работает биполярный транзистор (добавьте резистор 100 Ом между 555 и базой транзистора).
Правильный BJT может быть BU406, но дополнительно уменьшенный BJT может быть нормальным, примите во внимание, что он должен быть в состоянии справиться с минимум 2A без остановок.
Индуктивный демпфер не требуется, так как электрическая мощность ниже, которая практически полностью поглощается для зарядки резервуарного конденсатора, кроме того, поскольку этот гаджет питается от батареи, мы не хотим рассеивать мощность на резисторе, но мы нужно произвести искры.
С системой демпфирования вы столкнетесь со снижением уровней стрельбы. Используйте КНОПЧАТЫЙ ПЕРЕКЛЮЧАТЕЛЬ ДЛЯ ЗАЩИТЫ
Создание трансформатора для цепи электрошокера:
Это может быть действительно утомительным аспектом.
Потому что в розничной торговле мы должны их строить. Необходимые компоненты: медный эмалевый провод (0,20 мм или 0,125 мм), ферритовый стержень, листы LDPE (0,25 мм).
Покройте ферритовый стержень слоем ldpe (полиэтилен, в качестве заменителя используйте электроизоляционную ленту) и приклейте его (или заклейте лентой). Поместите обмотку 200-250 на ldpe (намного больше обмотки можно сделать, если стержень более 1 ‘), дополнительное приложение ldpe, еще одна обмотка 200-250 и т. д., чтобы в конечном итоге получить 5-6 ярусов (примерно 1000-1400 витков, тем не менее, дополнительные витки не повлияют отрицательно на функциональность), затем снова будьте осторожны внутренняя дуга, которая может его разрушить.
Изолируйте его еще раз и установите первичную обмотку, 15-20 витков провода диаметром 1 мм было бы просто хорошо, чрезмерное количество обмоток, вероятно, приведет к меньшему току и уменьшению всплеска во вторичной обмотке T2 из-за уменьшения периода нарастания, а также немного не собирается насыщать ядро.
Выбирайте конденсаторы MKP, так как они имеют минимальное ESR и ESL (они популярны в катушках Tesla как конденсаторы mmc).
Искровой разрядник
Искровой разрядник может быть просто парой пересеченных (но не соприкасающихся) проводов с шагом 1 мм.Он работает как переключатель с регулируемым напряжением, срабатывая, когда напряжение просто хорошее, чтобы ионизировать воздух между ними (преобразовывая его в плазму с меньшим сопротивлением).
Помните, что было бы разумно поместить его в компактную пластиковую коробку и наполнить маслом, позволяющим удалить пузырьки, не использовать моторное масло или масло для жарки, а скорее органическое минеральное масло, которое не содержит воды внутри.
Принципиальная схема
О Swagatam
Я инженер-электронщик (dipIETE), любитель, изобретатель, разработчик схем / печатных плат, производитель.Я также являюсь основателем веб-сайта: https://www.homemade-circuits.com/, где я люблю делиться своими инновационными идеями и руководствами по схемам.
Если у вас есть какие-либо вопросы, связанные со схемами, вы можете взаимодействовать с ними через комментарии, я буду очень рад помочь!
Ищу схему проекта электрошокера
Re: электрошокерПривет,
Этот пост, вероятно, будет удален, но я чувствую, что должен предупредить вас о морали и законности создания / владения таким устройством. Во многих странах незаконно владеть / покупать оглушающее оружие, не говоря уже о его создании.Несмотря на свою репутацию, они не так уж и «несмертельны». Вторичные эффекты убили многих в прошлом. Падение, слабость сердца и т. Д.
Пара вопросов:
1. Что вы имеете в виду под словом «stungun»? Есть много видов. Некоторые из них предназначены для причинения сильной боли (укусы крупного рогатого скота для пыток), другие — для неприятного электрошока, предназначенного для того, чтобы просто «оттолкнуть кого-то», как электрический забор, и «электрошокеры» (фирменное наименование), которые изначально были разработаны, чтобы шокировать нервных нервов.
системы и сделать кого-то неподвижным на короткий период времени, и не должно причинять столько боли.Они похожи, но имеют разные конструктивные ограничения. В конце концов, будучи «несмертельным» оружием, оно не должно убивать кого-либо непосредственно от своего воздействия на него.
2. Просто любопытно, а зачем он вам? Или это чисто техническое любопытство?
Я не несу ответственности за эту информацию.
Схемы «купленных в магазине» оглушителей, которые я видел, очень просты, неэффективны и не очень надежны. Не знаю, как их продать. Но основной принцип таков: увеличить напряжение батареи (9-18 В) до 350 В.Затем используйте это напряжение для зарядки высоковольтного конденсатора относительно небольшой емкости. Эта крышка периодически разряжается через первичную обмотку трансформатора. Создание очень коротких импульсов прибл. 25-100КВ. Каждые 0,1 с или около того. Если вы разрабатываете что-то, чтобы кого-то «обездвижить», критически важно время этих импульсов. Но, похоже, почти все коммерческие устройства просто «задели» — плохой дизайн.
Теперь обратите внимание на то, что я сказал «пульс». У нас есть 10 импульсов в секунду, но каждый импульс длится максимум 2 мкс.Это всего лишь 20 мксек тока в секунду. Вот что делает его несмертельным. И поскольку вы очень быстро разряжаете конденсатор, вы получаете мощный скачок тока (Q = IT = CV), который, даже если напряжение повышается через трансформатор (поэтому ток понижается), может достигать диапазон усилителей. Судя по всему, пр. Стунгун может выдавать 25 кВт за импульс. Звучит много, но всего за 20 мкс в секунду мы можем вычислить среднюю энергию в секунду.
E = P * T
Джоулей = Ватт * Секунды
итак, 25000 * 0.00002 = 0,5 Дж — это эквивалент 500 мВт в секунду. И, очевидно, при питании от батареи 9 В выходная мощность не может быть больше входной.
Другое дело, я бы постарался не пытаться строить какие-то схемы в сети. Они используют аудиотрансформатор для «увеличения» напряжения батареи (с помощью какого-то генератора), а затем умножитель напряжения.
Они генерируют постоянный ток. Хотя они вырабатывают только 3-4000 В при токе нескольких мА, поскольку они генерируют выход постоянного тока, велик риск поражения электрическим током и серьезных ожогов.
Я не хочу предоставлять схему в основном по причинам, указанным выше, а также по моему личному мнению. Кроме того, было бы непросто создать свой собственный! Но будьте ОЧЕНЬ ОСТОРОЖНЫ. Научитесь ценить это:
«Это вольт, который трясет, а ток убивает» — не всегда верно.
В конце концов, V = IR, и для остановки сердца требуется всего несколько миллиампер. При 4 кВ сопротивление вашего тела / кожи становится менее значительным и позволяет большему току проходить через него. Так что НЕ РАБОТАЙТЕ ни с чем «DC».
Наконец, не проверяйте на себе (НЕ приятно).
Как я уже сказал, это, вероятно, бессмысленный пост, но я включил некоторую общую информацию об устройстве. Простите, если я покровительствовал, и вы все это знаете, но несколько дополнительных предупреждений не повредят.
BuriedCode.
Хех, извини, я не знала, что ты полноправный член. Очевидно, не ребенок. Сожалею.
.
, г. djvu:
djvu —
InternetExplorer, Netscape Navigator;
— http://www.lizardtech.com/
() — /
DjVu Solo — http://www.lizardtech.com/
— djvu Irfan View — http://www.irfanview.com/
() — XN View (
djvu) — http: // www.xnview.com/
— ACDSee 3.1 (djvu) — http://www.acdsystems.com/
— DjVuer, DjVuer PRO. DjVex — www.feith.com
djvu —
, .. —
InternetExplorer,
Netscape Navigator !; — http://www.
lizardtech.com/
() — /
DjVu Solo — http://www.lizardtech.com/
djvu — /
DjVu Solo — http: // www.lizardtech.com/
— DjVuer, DjVuer PRO, DjVex — http://www.feith.com/
djvu —
djvu Irfan View — http://www.irfanview.com/
() — /
DjVu Solo (BMP) — http://www.lizardtech.com/
— XN View (djvu)
— http://www.xnview.com/
— ACDSee 3.1 (djvu) — http: //www.acdsystems.com /
— DjVuer, DjVuer PRO, DjVex — http://www.feith.com/
— FinePrint (буфер обмена BMP)
— http://www.fineprint.com/
— SuperPrint,
djvu bmp, tif и др. — FineReader — http://www.abbyy.ru/
— CuneiForm — http://www.
cuneiform.ru/
djvu — Teulat, ps, tif, jpg — http: // www.femfum.com/
— () CrackerJack,
pdf — http://www.lantanarips.com/
djvu,
,
.
DjVu
DjVu
. Схема материнской платы ноутбука, Схема ноутбука / ноутбука в ремонте.
Схема материнской платы ноутбука схемы схемы, схемы ноутбука / схемы ноутбука в ремонт.
Новых поступлений:
| Способы оплаты: |
| добавить для сравнения Pinterest / Home pinterest. | 0 | |
| добавить для сравнения Angelfire: Добро пожаловать в Angelfire angelfire.com Angelfire — отличное место для создания и размещения веб-сайтов с бесплатными и платными пакетами хостинга. Используйте Angelfire | 0 | |
| добавить к сравнению Самодельные схемы Только для вас самодельных схем и схем.blogspot.com В этом блоге представлены инновационные принципиальные схемы, которые могут быть созданы в домашних условиях заинтересованными энтузиастами электроники. Разработано Swagatam | 0 | |
| добавить для сравнения Survival Guide? Изучите экстремальные методы выживания для боевых действий в бедствиях и войне . Руководство по выживанию, охватывающее оружие, боевую готовность и готовность к чрезвычайным ситуациям. Изучите экстремальные методы выживания, увеличьте свои шансы выжить в катастрофе и войне | 0 | |
| добавить для сравнения Instructables — Make, How To и DIY Instructables.com Instructables — это самое крупное сообщество, в котором люди создают и делятся вдохновляющими, интересными и полезными проектами, рецептами и советами. | 0 | |
| добавить для сравнения Форум по электронике edaboard.com Международный дискуссионный форум по электронике: программное обеспечение EDA, схемы, схемы, книги, теория, статьи, asic, pld, 8051, DSP, сеть, RF, аналоговый дизайн, печатная плата, руководства по обслуживанию | 0 | |
| добавить к сравнению Схемы и обзоры электрошокера и электрошокера stungunreviews. Бесплатные схемы электрошокера, статьи, как делать и конструировать электрошокеры и пневматические электрошокеры | 0 | |
| добавить к сравнению Электроника для электронных схем circuitchematicelectronics.blogspot.com Обширная база данных для электронных проектов, включающая принципиальные схемы, схемы, печатные платы и многое другое.Если вы инженер-электрик или любитель, здесь есть что-то для вас. | 0 | |
| добавить для сравнения Добро пожаловать в Facebook facebook.com Facebook — это социальная утилита, которая соединяет людей с друзьями и другими людьми, которые работают, учатся и живут рядом с ними. | 0 | |
| добавить для сравнения Squidoo: Добро пожаловать на Squidoo squidoo.com Squidoo. Популярный (бесплатный) сайт для создания отдельных страниц по вашим интересам и рекомендациям.Зарабатывай даже на благотворительность или на себя. | 0 |
Создание принципиальных схем — ArcMap | Документация
Алгоритмы компоновки схемы могут применяться как ко всему содержимому, так и к части активной схематической диаграммы.
Могут применяться три типа алгоритмов компоновки:
- Геосхема
- Схема
- Иерархическая
Кроме того, можно указать конкретный алгоритм компоновки схемы, алгоритм составной компоновки, чтобы связать несколько алгоритмов компоновки схемы друг с другом.
Примечание:
Команды и инструменты, относящиеся к параметрам алгоритма компоновки схемы и выполнению, доступны на панели инструментов редактора схем и активируются после запуска сеанса редактирования на активной схематической диаграмме.
Применение алгоритмов компоновки схем
Алгоритмы компоновки схем применяются к активной схематической диаграмме, то есть к схематической диаграмме, выбранной из списка активных диаграмм. Сеанс редактирования должен быть запущен на этой активной диаграмме, прежде чем какой-либо алгоритм схематической компоновки может быть выполнен на ее содержании.Если есть выбор на активной схематической диаграмме, алгоритм работает только с выбранными схематическими элементами. Если в активном схематическом представлении не выбраны никакие элементы схемы, алгоритм применяется ко всей схеме.
Алгоритмы компоновки схемы обычно выполняются в соответствии с предопределенными параметрами. Значения параметров можно редактировать в диалоговом окне Schematic Layout Algorithm.![]()
Несколько схематических макетов могут быть выполнены на одной схематической диаграмме или в разных частях принципиальной схемы.
Алгоритм составной компоновки позволяет вам указать последовательность алгоритмов компоновки схем, которые будут связаны друг с другом в качестве одной операции на активной принципиальной схеме.
Следующие шаги подробно описывают, как применить алгоритм компоновки схемы к активной схематической диаграмме:
- Щелкните нужную диаграмму в списке активных диаграмм.
- Нажмите «Начать редактирование схемы» в раскрывающемся меню «Редактор схем».
- Активируйте фрейм данных, который содержит активную диаграмму, и нажмите кнопку «Редактировать / переместить элементы схемы», если вы хотите определить выбранный набор элементов схемы, к которым будет применена компоновка схемы.
- Щелкните нужный алгоритм макета из списка задач макета.
- Для алгоритма иерархической компоновки используйте инструменты Set Schematic Root и Set Schematic End, если вы хотите указать корневой и конечный узлы схемы, соответственно, чтобы иерархическая компоновка начиналась с указанного корневого узла схемы и заканчивалась указанным конечным узлом схемы.


Дело в том, что во всех китайских схемах встречается стандартное решение — преобразователь с применением схемы блокинг-генератора на биполярном транзисторе, дальше после трансформатора напряжение выпрямляется и накапливается в конденсаторе, через искровик оно подается на катушку — ту схему все должны помнить наизусть. На вторичной обмотке мы уже получаем многократно повышенный потенциал — казалось бы ничего странного, но это не так! Параллельно ВВ обмотке катушки подключены 2 или 3 последовательно соединенных конденсатора. Напряжение подбирается в районе 1,6-3кВ (зависит от конкретной модели) именно за счет накопителей на выходе получается эта устрашающая дуга. Емость конденсаторов в стандатном варианте 0,015мкФ, в усиленных до 0,033мкФ
com
com
tripod.com
Люди используют Facebook, чтобы не отставать от друзей, загружать неограниченное количество фотографий, размещать ссылки и видео, а также узнавать больше о людях …
