Как изготовить аппарат для контактной сварки из старой микроволновки. Какие инструменты и материалы потребуются. Пошаговая схема сборки сварочного аппарата своими руками. На что обратить внимание при работе.
Принцип работы контактной сварки из микроволновки
Контактная точечная сварка позволяет надежно соединять тонкие металлические листы и детали. Принцип ее работы основан на нагреве металла в месте контакта электродов за счет прохождения электрического тока большой силы.
Основные компоненты самодельного аппарата для контактной сварки из микроволновки:
- Понижающий трансформатор (из микроволновки)
- Электроды
- Рычажный механизм для сжатия деталей
- Система управления (выключатель)
Трансформатор преобразует сетевое напряжение 220В в низкое напряжение 2-4В, но с очень большой силой тока — до 1000А и более. Это позволяет быстро нагреть и расплавить металл в точке контакта электродов.
Необходимые материалы и инструменты
Для изготовления контактной сварки из микроволновки потребуются:

- Старая неработающая микроволновка
- Медный провод большого сечения (сварочный кабель)
- Медные прутки для электродов
- Деревянные бруски для корпуса и рычага
- Болты, гайки, шайбы
- Кнопка-выключатель
- Отвертки, пассатижи, молоток
- Болгарка или ножовка по металлу
Главный компонент — трансформатор от микроволновки мощностью не менее 700 Вт. Подойдет практически любая неисправная микроволновая печь.
Пошаговая инструкция по изготовлению контактной сварки
- Извлечь трансформатор из микроволновки
- Удалить высоковольтную и накальную обмотки трансформатора
- Изготовить новую вторичную обмотку из 2-3 витков толстого медного провода
- Собрать корпус и рычажный механизм из деревянных брусков
- Закрепить трансформатор в корпусе
- Установить медные электроды на концах рычага
- Подключить электроды к вторичной обмотке трансформатора
- Установить кнопку-выключатель в цепь первичной обмотки
После сборки необходимо проверить работоспособность аппарата и настроить усилие сжатия электродов с помощью регулировки рычага.

Особенности работы с самодельной контактной сваркой
При использовании контактной сварки из микроволновки важно соблюдать следующие правила:
- Подавать ток только на сжатые электроды во избежание искрения
- Делать кратковременные включения во избежание перегрева
- Контролировать время сварки визуально по цвету точки нагрева
- Использовать защитные очки и перчатки
- Не превышать допустимую толщину свариваемых деталей (до 1-2 мм)
При правильной сборке и эксплуатации самодельный аппарат позволит выполнять несложные сварочные работы по соединению тонких металлических деталей в бытовых условиях.
Преимущества самодельной контактной сварки
Изготовление контактной сварки из микроволновки своими руками имеет ряд преимуществ:
- Низкая стоимость по сравнению с заводскими аппаратами
- Возможность изготовления из подручных материалов
- Простота конструкции и обслуживания
- Компактные размеры
- Достаточная мощность для бытовых нужд
При этом самодельный аппарат позволяет получать прочные и аккуратные сварные соединения тонколистового металла точечным способом.

Меры безопасности при работе
При использовании самодельной контактной сварки необходимо соблюдать следующие меры безопасности:
- Использовать защитные очки и перчатки
- Не касаться оголенных токоведущих частей
- Работать в хорошо проветриваемом помещении
- Не допускать перегрева аппарата
- Отключать от сети после использования
- Не оставлять без присмотра включенный аппарат
Соблюдение этих простых правил позволит безопасно эксплуатировать самодельную контактную сварку из микроволновки.
Области применения самодельной контактной сварки
Контактная сварка, изготовленная своими руками из микроволновки, может использоваться для следующих работ:
- Соединение кузовных деталей автомобиля
- Ремонт бытовой техники
- Изготовление металлической мебели
- Сварка проволочных сеток и каркасов
- Точечное соединение тонких листов металла
Самодельный аппарат подходит для непродолжительных сварочных работ в домашней мастерской или небольшом производстве. Для промышленного применения лучше использовать заводское оборудование.

Контактная сварка своими руками из микроволновки: сварочный аппарат из трансформатора
На чтение 13 мин. Просмотров 13.6k. Опубликовано Обновлено
активно применяется в разных отраслях промышленности уже много лет. Не менее актуальна она в домашних мастерских, ремонтных цехах и гаражах, где ее успешно реализуют умельцы своими силами для выполнения разнообразных операций, связанных с металлом.Стоимость серийного оборудования для подобных технологических операций довольно высока, но агрегат для контактной сварки может быть сконструирован .
Коротко о технологиях точечной контактной сварки
Технология контактной представляет собой особый метод соединения металлозаготовок в виде листов проката или приваривания разного рода штучных изделий к металлоконструкциям.
К примеру, болтов, шайб, заклепок и т.п.
Наиболее широко контактное сваривание применяется на промышленных предприятиях автомобилестроения, самолетостроения и приборостроения, так как позволяет создавать надежные и долговечные сварные швы без дефектов, риска деформации поверхностей в процессе или после сварки.
Для выполнения бытовых операций с металлическими изделиями подойдет самостоятельно изготовленная из микроволновки. Она позволит без особенных трудностей выполнить соединение в единое целое нескольких отдельных металлических частей забора, труб, деталей авто, мотоцикла и т.п.
[box type=”fact”]Но при этом сварщику не потребуется тратиться на покупку специального сварного оборудования.[/box]Точечная сварка, собранная своими руками в маленькой ремонтной мастерской, непременно должна отвечать определенным требованиям, предъявляемой к такому оборудованию.
Способ контактной сварки.И, в том числе, нормам безопасности, нарушение которых может спровоцировать ряд негативных последствий для здоровья мастера: от маленьких ожогов на коже рук до серьезных повреждений тела человека.
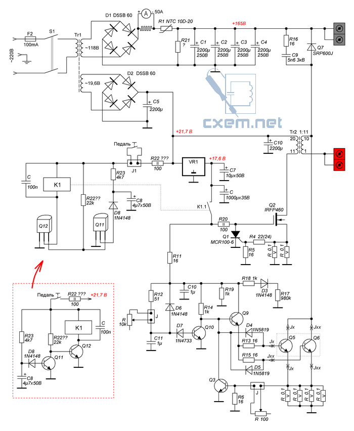
Суть работы самодельного аппарата для сварки аналогична функционированию споттера. Изготовленная модель из микроволновой печи питается от обычной сети в 220В.
Переделанный своими руками трансформатор занижает напряжение до безопасного значения ‒ 12В, а силу тока, наоборот, увеличивает до величины нагрева металла до температуры его плавления.
Ток после преобразования подается на конденсаторы для их зарядки. Когда электричество накопится в достаточном объеме, реле переведет напряжение к рабочим контактам.
Свариваемое изделие помещают между медными электродами, которые замыкаются и провоцируют появление мощного импульса временной длиной от 0,01 до 0,1 с. Точка в зоне контакта плавится под воздействием этого импульса, а после остывания можно заметить образование сварного шва.
Если мастер справился с задачей, не допустив нарушения технологии, то швы будут лишены каких либо дефектов: сколов, трещин, кратеров и т.
Далее снова происходит накопление электрического заряда на конденсаторе для следующего сварочного цикла. Такая схема контактной точечной сварки, собранной своими силами из микроволновой печи, передает обобщенную суть работы сварного аппарата при работе с металлическими конструкциями.
Но при наличии желания мастер может ее усовершенствовать, разработав различные вариации модели, исходя из актуальной мощности устройства.
Наличие самодельной точечной сварки предоставляет даже малоопытному сварщику широкий круг дополнительных возможностей:
- создание соединений деталей из листов металлопроката незначительной толщины;
- работа с легкоплавкими металлами;
- придание сварному шву аккуратного вида, надежности и высокой прочности.
[/box]Стоит лишь некоторое время потренироваться выполнять сварочные швы своими силами, чтобы добиться с помощью самодельного оборудования высокой производительности труда и низких затрат расходников.
Контактная сварка, собранная своими руками
Изготовление сварочного аппарата.С целью получения надежного сварочного агрегата, необязательно приобретать дорогостоящую модель. Сварку делаем из микроволновки своими руками, если в распоряжении мастера есть такой прибор.
Агрегат сваривает электродом кромки металлоизделий и собирается по такому же принципу, как и в случае применения специального оборудования, но обойдется мастеру в разы дешевле профессионального агрегата.
Прежде чем рассказать, как сделать контактную сварку своими силами, отметим важную деталь. Наиболее значимым элементом в СВЧ печи в процессе сборки сварного аппарата является трансформатор от микроволновой печи.
Он обеспечит сварку высоким напряжением ввиду наличия большого коэффициента трансформации.
Поэтому для самодельной точечной сварки следует подбирать печи больших размеров.
Для расплавления кромок металлических изделий, которые соединяются путем контактной сварки, необходим ток высокой силы. Величина напряжения при этом не влияет на качество сварных швов, поэтому во внимание не берется. В большинстве случаев применяется уровень до 3-х Вольт.
Мощность трансформатора нужно подбирать с учетом толщины деталей, с которыми планируется работать в дальнейшем:
- при толщине до 1 мм актуальна модность в районе 1000 Вт;
- при толщине до 2 мм ‒ в районе 2000 Вт;
- при толщине до 3 мм ‒ в районе 5000 Вт.
Если данные условия будут соблюдены, получится действительно высокопроизводительный сварочный аппарат для использования в быту.
youtube.com/embed/tf5-uJ_pn-o?feature=oembed»>
Схема устройства самодельного сварного аппарата
Основной элемент любого аппарата для контактной сварки ‒ это трансформатор, который стоит изъять из старой микроволновки. Важное условие – прибор должен быть рабочим.
Самодельный будет способен соединять листы стали с толщиной до 1 мм, если при его сборке использовать мощный трансформатор. Оптимально, если величина мощности превысит 1 кВт. Если же работать придется с более толстыми стальными листами, потребуется два трансформатора, обобщенных обмоткой.
[box type=”info”]На заметку! Дабы не допустить ошибок при сборке самодельного сварного оборудования, важно составить схему соединения его конструктивных элементов. Следуя ей, можно без каких-либо трудностей собрать сварочный аппарат для бытового использования из СВЧ печи.
[/box]Схемы самодельных сварных агрегатов также в большом количестве присутствуют в интернете на форумах сварщиков. Они помогут изготовить агрегат, служащий хорошим подспорьем для выполнения сварных операций в быту, и будут значительно более экономичными по стоимости, нежели магазинные версии.
Тем более что дорогостоящее профессиональное оборудование не всегда целесообразно покупать для выполнения мелких бытовых операций.
Сборка рабочей части устройства позволяет оперативно выполнить соединение сварных электродов, и зажать металлическое изделие между ними.
Устройство трансформатора микроволновки.Технологически всю работу можно разделить на две части:
- Создание нижнего основания контактной сварки своими руками из микроволновой печки.
С этой целью используется профиль, штанга или деревянный брус. Один его конец нужно крепко зафиксировать на корпусе при помощи саморезов, обеспечивающих жесткую фиксацию. На второй край требуется подсоединить нижний сварочный электрод с подведенным к нему кабелем от трансформатора.
Для жесткой фиксации провода его приматывают к штанге. - Обустройство верхней подвижной части устройства в виде рычага.
Функцию оси может выполнить длинный не ржавый гвоздь, а стойки по бокам изготавливаются из брусков или профилей. Не стоит допускать наличие зазоров между стойками и основанием самодельного рычага, в противном случае может снизиться точность соответствия верхней и нижней части и точности самой сварки.
В начале работы из микроволновки изымают трансформатор, но этот элемент потребуется не весь, а лишь некоторые его части. А именно, магнитопровод и первичная обмотка. В то же время, шунты по обе стороны трансформатора и вторичную обмотку аккуратно демонтируют за ненадобностью.
Далее, на трансформатор потребуется соорудить новую обмотку, для чего применяют многожильный провод с сечением не менее 100 мм2. Кабель для сварки проводов наматывается в 2-3 витка. Но если на проводе присутствует слишком толстая изоляция, то ее можно убрать и заменить текстильной изолентой.
Если агрегат нужно сделать мощным, для него используется два трансформатора, а повторную обмотку для них делают общей. При этом крайне важно верно осуществить соединение выводов с первичных обмоток обоих трансформаторов, чтобы не снизилась мощность сварного аппарата.
Следующие этапы работы по изготовлению контактной сварки из микроволновой печи своими руками выглядят следующим образом:
- установка системы управления агрегатом, позволяющей наладить бесперебойное сваривание металлических изделий точечным контактным методом;
- изготовление и подсоединение сварных электродов, диаметр и вид которых подбирается с учетом характеристик рабочих деталей;
- монтаж внутренней части агрегата для контактной сварки в надежный корпус от старой бытовой техники, демонстрирующий высокую стойкость к воздействию негативных факторов из окружающей среды.
Самодельная контактная сварка из микроволновой печки, созданная по такой инструкции, может справиться с:
- сеткой;
- клетками;
- прутками с диаметром до 3 мм;
- пластинами металла до 3 мм.

Все эти изделия без особенных трудностей могут использоваться для создания металлоконструкций с помощью собранного своими силами агрегата для точечной сварки.
Необходимые в работе материалы и инструменты
Если в распоряжении мастера имеется микроволновка, которая больше не используется по прямому назначению, из нее можно смастерить аналог профессионального оборудования проведения для сварочных работ.
Способ сваривания деталей точечной сваркой.
В процессе работы мастеру потребуется следующие комплектующие детали будущей микроимпульсной сварки, вспомогательные приспособления и инвентарь для сборки агрегата:
- переделанный трансформатор от микроволновки или АКБ батареи;
- провод приличного диаметра из меди или жгут проводов небольшого размера;
- рычаги, выполняющие функции прижимов;
- основание для установки сварочного аппарата;
- зажимные струбцины;
- отвертки разного вида и размера;
- кабели;
- обмоточные материалы;
- электроды из меди, за счет которых и будет выполняться сварка;
- кнопка.
Электроды для точечного сварочного аппарата
Точечная контактная сварка выполняется путем замыкания двух электродов. Их можно смастерить собственными силами из медного прутка или жала профессионального паяльника, если агрегату не требуется высокая мощность.
Специальную проволоку для сварочного аппарата из трансформатора микроволновки подсоединяют к проводу от аппарата посредством медного наконечника, соединенного с ним пайкой.
Схема электрическая сварочного аппарата.Место внутри наконечника ограниченно, поэтому неопытные мастера не сразу могут провести сквозь него кабель.
Задачу выполнить проще, если смазать провод маслом или солидолом. Далее, наконечник нужно аккуратно совместить с электродом болтовым соединением высокой надежности.
Тогда рост сопротивления в местах ненадежного контакта не спровоцирует потерю мощности аппарата. Предварительно в электроде и наконечнике важно организовать одинаковые по размеру отверстия.
[box type=”info”]На заметку! Крепежные элементы для сборки самодельного сварочного аппарата из микроволновой печи стоит подбирать или ее сплавов. Медные болты, гайки для соединения электродов и наконечников с проводами отличаются минимальной величиной электрического сопротивления.[/box]Если все соединения отдельных конструктивных элементов для контактной точечной сварки будут надежными, это значительным образом упростит обслуживание оборудования в будущем. Работа будет выполняться быстро, а сварные швы приобретут высокие эксплуатационные параметры.
Управление самодельным сварным аппаратом
Управление аппаратом из микроволновки, изготовленного своими руками, не составит особых трудностей даже для неопытного мастера. Оно осуществляется с помощью двух элементов: рычага и выключателя.
Рычаг отвечает за силу сжатия между электродами, определяющую надежность контакта соединяемых деталей в точке выполнения сварки. Поэтому его важно дополнить винтовыми элементами, обеспечивающими еще более значительную силу сжатия.
Рычаг в нерабочем состоянии самостоятельно отводится вверх, что позволит предотвратить произвольное замыкание контактов и беспрепятственный доступ к заведению изделия. Для этого к его основанию следует закрепить пружину с карбюратора актуальной жесткости.
Специализированное производственное оборудование, используемое с целью соединения листов стали со значительной толщиной, имеют элементы сжатия, способные создавать давление от 50 до 1000 кг, исходя из необходимости.
Для точечной сварки из микроволновки, применяемой для нерегулярных и простых работ в домашних условиях, будет достаточно давления до 30 кг.
Для большего комфорта сварщика, простоты работы и увеличения силы сжатия до актуального значения, прижимной рычаг стоит сделать длинным. Оптимальная длина ‒ 60 см.
С его помощью можно увеличить прилагаемое усилие в 10 раз, а это значит, что при давлении на рычаг с усилием 3 кг, электроды и соединяемые металлические детали будут сжиматься силой, равной 30 кг.
То есть, даже незначительное по силе нажатие на рычаг рукой сварщика, позволит ему запустить сварной процесс и точно провести электродом по рабочей поверхности металла.
[box type=”warning”]На заметку! Крайне важно надежно зафиксировать сварное оборудование на поверхности рабочего стола, для чего применяют струбцины соответствующего размера.
В противном случае, при надавливании на такой рычаг сам аппарат может сдвигаться с места, что может стать причиной серьезных дефектов сварных швов на металлоконструкции.[/box]
Варианты конструкции сварочного аппарата.Выключатель отвечает в устройстве за подачу тока к электродам для сварки и подключается к цепи первичной обмотки трансформатора. Напомним, что сила тока во вторичной обмотке значительно превышает аналогичный показатель первичной обмотки.
Если подсоединить выключатель ко вторичной обмотке, он спровоцирует образование дополнительного сопротивления, и произойдет приваривание его контактов под воздействием сильного тока.
Располагайте выключатель непосредственно на рычаге, если он используется в качестве прижимного механизма. В таком случае вторая рука сварщика останется свободной, и ею можно будет придерживать свариваемые детали.
Это позволит улучшить качество сварных швов, так как повыситься прицельность и точность ведения электрода по поверхности рабочего изделия.
Основные операции по сбору точечной сварки своими руками из обычной б/у микроволновки завершены.
Мастеру останется лишь потренироваться перед началом работы, что позволит понять суть и вникнуть в особенности протекания основных процессов сварки различных металлов, исходя из формы и толщины металлоизделий. И только потом можно приступать к практическому применению самодельного оборудования из микроволновки.
[box type=”fact”]Важно! Особенностью работы на оборудовании для точечной сварки, изготовленном своими руками из микроволновки, заключается в том, что подавать ток нужно только на сжатые электроды. [/box]Если подача тока осуществляется на электроды, не находящиеся в состоянии сжатия, сварщик столкнется с интенсивным искрением сварной проволоки и ее активным подгоранием.
Еще одной проблемой, с которой может столкнуться мастер в процессе применения самодельного агрегата для сваривания металлических деталей, является риск сильного нагрева трансформатора и токопроводящих элементов этого оборудования.
Такая ситуация приводит к выходу самодельной модели из строя. Избежать перегрева позволит создание простейшей системы охлаждения сварочного аппарата из вентилятора.
Еще одной хитростью, уберегающей точечную сварку от перегрева, являются такие временные перерывы в ее работе, на протяжении которых трансформатор и токопроводящие элементы успевают остыть.
Время выдержки сварных электродов под током в сжатом состоянии при сварных операциях нужно контролировать визуально, с учетом цвета точки в месте соединения. Малоопытный сварщик может применить с этой целью специальное реле.
https://youtu.be/eUmhrj36UNQ
Заключение
Бытовую сварку из трансформатора микроволновки можно сделать при минимуме материальных вложений и временных затрат в бытовых условиях. Технология сборки контактной сварки из микроволновки проста и не требует наличия дорогостоящего оборудования, специфического инвентаря, редких материалов.
Важно подготовить подробную схему сборки агрегата, проявить бдительность при разборке СВЧ печи и сборке самодельной сварки на ее основе.
Тогда сварщику удастся сэкономить и выполнять ряд несложных сварочных операций по соединению металлических деталей в бытовых условиях самодельным оборудованием.
Как своими руками сделать точечную сварку из микроволновки – простая схема
При выполнении различных ремонтных работ иногда возникает необходимость надёжно скрепить между собой тонкие металлические листы или их фрагменты. Идеальным вариантом в этом случае является применение электрической контактной точечной сварки.
В отличие от аппаратов, предназначенных для ручной электродуговой сварки, которые давно стали привычными атрибутами домашних мастерских, приспособления для контактной точечной сварки встречаются гораздо реже.
Простая схема
Что же делать, если аппарата для точечной контактной сварки нет? Работу выполнить необходимо, а применение других технологий представляется менее желательным.
Разумеется, устройство точечной сварки можно купить в магазине или взять напрокат. Для тех же, кто привык всё делать своими руками, и при этом не прочь существенно сэкономить средства, вполне доступна для изготовления самодельная точечная сварка.
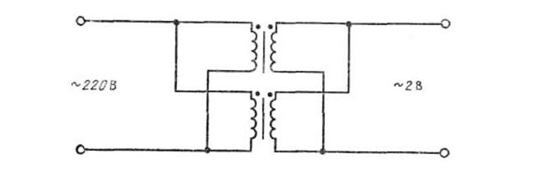
Схема аппарата точечной сварки очень проста. Основу устройства составляет силовой понижающий трансформатор, первичная обмотка которого предназначена для включения в сеть питания 220 вольт.
Вторичная обмотка должна быть выполнена проводом или шиной большого сечения, так как кратковременное значение тока при контактной сварке может достигать 1000 ампер и более. Количество витков вторичной обмотки подбирается таким, чтобы напряжение холостого хода трансформатора составляло 2 – 4 вольта.
Для осуществления точечной сварки, мощность трансформатора должна быть не менее 700 ватт.
Это достаточно мощный прибор, имеющий высокую стоимость. Оказывается, существует выход из этой ситуации. Трансформаторы подходящей для точечной сварки мощности установлены в обычных микроволновках.
Трансформатор в микроволновке служит источником питания цепей магнетрона и имеет три обмотки. Первичная обмотка подключается к сети 220 вольт.
Вторичная повышающая обмотка создаёт напряжение около 4 киловольт и питает анодные цепи магнетрона, вторичная понижающая обмотка, состоящая всего из нескольких витков питает цепи накала магнетрона.
Определение ненужной обмотки
Микроволновки редко выходят из строя по причинам, связанным с трансформатором. В тех же случаях, когда неисправность микроволновки кроется в трансформаторе, чаще всего повреждённой оказывается высоковольтная катушка.
А поскольку, как будет показано ниже, для того, чтобы сделать сварку из микроволновки, понадобится только стальной сердечник (магнитопровод) и первичная обмотка, то практически любая неработающая печь СВЧ (она же микроволновка) может служить источником нужной детали для точечной сварки.
Теперь необходимо своими руками доработать добытый трансформатор микроволновки. Для начала определяют, какая катушка понадобится для изготовления точечной сварки, а какую следует удалить.
Магнитопровод трансформатора микроволновки имеет Ш-образную форму, обмотки расположены на среднем стержне, одна над другой. Нужную первичную обмотку обнаружить легко – она намотана самым толстым проводом.
Вторичная высоковольтная обмотка трансформатора микроволновки выполнена более тонким проводом и имеет гораздо больше витков. Эту обмотку, а также ту, что состоит из нескольких витков и питает нить накала, следует удалить.
Как проводить демонтаж
Удалить ненужные части можно двумя путями:
- разобрать магнитопровод, снять со среднего стержня катушку с ненужными обмотками и вновь собрать магнитопровод;
- срезать выступающую часть лишних обмоток, затем удалить их остатки.
Сборка стальных сердечников трансформаторов микроволновок на заводе производится путем приваривания набора из пластин прямоугольной формы к набору из пластин, имеющих Ш – образную форму после установки катушек с обмотками.
Для разборки сердечника нужно аккуратно сточить наружную часть сварного шва с одной стороны с помощью болгарки. В образовавшуюся щель вставить тонкое зубило или отвёртку, лёгким постукиванием молотка расширить проём и руками поднять стержень сердечника.
После этого открывается доступ к обмоткам. Вытаскиваем ненужные катушки и устанавливаем стержень на место. При отсутствии сварки, закрепить его можно эпоксидным клеем.
Второй способ позволяет выполнить работу более аккуратно. Лучше всего воспользоваться ручной ножовкой по металлу. Расположив её полотно параллельно пластинам сердечника, и отступив от них 1 – 2 миллиметра, нужно выпилить вторичную обмотку трансформатора, стараясь при этом не повредить сам сердечник и первичную обмотку.
После того как пропил будет сделан до конца, остатки обмотки можно удалить. Этот способ позволяет оставить нетронутым сварное соединение сердечника.
Удалив высоковольтную и накальную обмотку, следует также вытащить магнитные шунты, находящиеся между катушками первичной и вторичной обмоток.
Они представляют собой набор стальных пластин, завёрнутых в бумагу. Для работы аппарата точечной сварки они не потребуются.
Изготовление вторичной обмотки
Теперь трансформатор из микроволновки для точечной сварки почти готов, осталось только изготовить вторичную обмотку. Для этой цели подойдёт медный многожильный проводник большого сечения, например, отрезок сварочного кабеля.
Главное, чтобы выбранный кабель прошёл в окно магнитопровода. Наматывают два витка выбранным проводником на месте удалённой вторичной обмотки. Теперь можно провести первое испытание сделанного своими руками трансформатора из микроволновки для точечной сварки.
Концы кабеля зачищают от изоляции. Соблюдая правила безопасности, подключают трансформатор микроволновки в сеть 220 вольт. С помощью вольтметра измеряют напряжение на вторичных выводах (то есть, на выводах сварочного кабеля).
Если напряжение находится в пределах 2 – 4 вольта, всё в порядке. После этого проверяют работу трансформатора в режиме точечной сварки, то есть, в режиме короткого замыкания.
Для проверки рабочим током будущего аппарата точечной сварки из трансформатора микроволновки, зачищенные концы сварочного кабеля надёжно соединяют между собой, используя болтовое соединение.
Охватывают вторичный проводник токоизмерительными клещами и кратковременно включают трансформатор. По индикатору токоизмерительных клещей отслеживают значение тока короткого замыкания. Если его величина около 500 ампер и выше, значит, всё сделано правильно.
Сборка аппарата
Для того чтобы аппаратом точечной сварки, сделанным из микроволновки, можно было пользоваться, его необходимо снабдить рычагом для зажима заготовок, контактными точечными электродами и выключателем.
Рычаг, обеспечивающий точечное сжатие заготовок, а также корпус для трансформатора, можно изготовить из дерева.
На концах плеч рычага располагаются электроды из толстых медных прутков. К электродам надёжным болтовым подключают выводы сварочного кабеля. В удобном, легкодоступном месте располагают выключатель.
Теперь сделанная своими руками точечная сварка из микроволновки, готова к работе. Свариваемые заготовки помещают между электродами, зажимают их рычагом и включают ток. Так происходит сваривание.
Точечная сварка своими руками из микроволновки: схема и этапы сборки
Не удивляет, когда домашние мастера оснащают гаражи, производственные участки малого бизнеса самодельным оборудованием для сварки на уровне профессионального. К таким агрегатам относится и установка точечной сварки своими руками из микроволновки.
Доступная точечная сварка из микроволновки своими руками
Разнообразие методик сварки самодельным аппаратом подразумевает создание неразъёмного соединения.
Условия процесса и свойства материалов различаются в технологическом подходе.
Итог действия – активизация связей молекул деталей посредством пластической деформации при термомеханическом воздействии, либо термоэлектрическом. Механическое действие применяется для создания физического контакта элементов без зазора.
Точечная сварка – скоростной метод сращивания без присадочных расходных материалов контактным способом. Конструктивная простота аппаратуры, компактность, дешевизна изготовления и эксплуатации выводят метод в лидеры по использованию.
Методика точечной сварки:
Принцип работы точечной сварки
- Совмещение объектов в заданном положении;
- Фиксация приложением давления извне;
- Подача тока;
- Мгновенный прогрев зоны приложения энергии;
- Локальная пластичность и деформация зоны нагрева;
- Сплавление элементов.
Самодельная ручная точечная сварка на основе трансформатора микроволновой печи применяется для соединения листов металла толщиной до 1 мм, сварки аккумуляторов, ремонтных работ.
Экономичность процедуры при прочности места контакта площадью до Ø10 мм обеспечит потребности малого бизнеса при минимуме затрат. При потреблении энергии в 0,8 кВт получаем 5–6-кратное увеличение мощности, 200-кратное возрастание силы тока. Режим работы — импульсный, предел длительности формирования сварочного ядра — 0,1 сек.
Сделать аппарат для точечной сварки недорого
Устаревшая, вышедшая из обращения модель микроволновой печи из-за поломки, с работоспособным трансформатором станет основой самодельного сварочного аппарата контактной сварки.
Аккуратно разбираем бытовой прибор – отдельные элементы, как подлежащий доработке и реконструкции трансформатор и кнопка включения, сетевой фильтр, кабель, пригодятся при сборке самодельного устройства.
Будьте внимательны: конденсатор под кожухом длительное время сохраняет заряд. Разрядите его. Достаточно закоротить контакты стержнем отвёртки.
Модернизированный трансформатор на выходе выдаёт результаты промышленных технических устройств:
Схема точечной сварки своими руками
- Ток кратковременного импульса – свыше 1000 А;
- Мощность – до 5 кВт.

Первичная обмотка трансформатора остаётся в неприкосновенности. Она выполнена из провода большего диаметра. Вторичная обмотка удаляется за ненадобностью. Понадобятся острая стамеска и киянка, либо ножовка по металлу. Чтобы не помять и не перерубить первичку, трансформатор желательно закрепить, а межобмоточное пространство заполнить гофрокартоном.
Металлические шунты для ограничения силы тока демонтируются. Сварной сердечник трансформатора с плотным заполнением обмотки затруднит демонтаж. Манипуляции по удалению проволоки облегчит сквозное высверливание. Избегайте касания сверлом внутренней поверхности сердечника. Операции по подготовке завершены.
Сборка трансформатора
Для вторичной обмотки рекомендуется использовать кабель КГ 1х35. Проводник эксплуатируется при длительном номинальном напряжении 1000 В. Долговременная токовая нагрузка — 300 А. Допускается кратковременная импульсная нагрузка в 1200 А.
Трансформатор микроволновки для точечной сварки
Модернизация трансформатора рассчитана на эту величину.
Приобретите 2 м кабеля с наложенной синтетической плёнкой на токопроводящие жилы. Внешняя изоляция из шланговой резины 2,2 мм станет помехой. Покрытия 1,2 мм достаточно.
Для облегчения скольжения при намотке кабеля, сердечник плотно обматываем 3 слоями скотча. При старании и хорошем натяжении уложите 2–3 витка. Рассчитайте примерно равную длину выводов. Метраж определён с запасом длины выводов и удобства протяжки при укладке.
Допустимо применение для самодельного трансформатора контактной сварки многожильного мягкого кабеля путём сложения в пучок нескольких медных проводников. Ориентируйтесь на суммарный диаметр токопроводящих жил, минимальный показатель Ø10 мм.
Уменьшение количества витков вторичной обмотки компенсируется увеличением сечения обмотки. Напряжение и сила тока изменяются в десятки раз. Ориентиры контроля показателей на выходе самодельного трансформатора:
- Напряжение холостого хода – 1,5–3 В;
- Сила тока импульса – не менее 800 А.

Внимание! Работа без заземления и защитного кожуха опасна.
Мощное самодельное устройство
Для создания точечной сварки из микроволновой печи повышенной мощности ставится дополнительный самодельный трансформатор. Одноимённые выводы вторичных обмоток соединяются последовательно в единую цепь.
Обязательное условие – идентичность самодельных трансформаторов по количеству витков первичной и вторичной обмоток. Несогласование направления намотки витков вторичных обмоток спровоцирует противофазу с падением выходного напряжения до нуля.
Проверка правильности соединения:
Схема трансформатора от микроволновки
- Проводится последовательное соединение обмоток трансформаторов;
- Подача напряжения и контроль вольтметром на выходе со вторичной обмотки;
- Повышение напряжения – ошибка сборки: спарены разноимённые выводы – на первичных напряжение падает, вторичные удваивают его;
- Отсутствие напряжения – только одна из пар соединена одноимёнными выводами, следует изменить порядок подключения;
- Соединение одноимённых выводов пары трансформаторов удваивает мощность без изменения напряжения.
Технические характеристики такого самодельного аппарата точечной сварки позволят проводить сварку стальных листов до 5 мм. Превышение силы тока импульса 2000 А потребует усиления электропроводки и подключения к промышленной сети.
Оснащение самодельного аппарата для сварки
Первое, что требуется для сварки – самодельные электроды из меди. Без точного подбора соответствия диаметру провода вторичной обмотки стержней из меди не сделать точечную сварку своими руками надёжной.
Самодельная установка контактной сварки
Мощность самодельного устройства обусловливает тип: жала паяльников для ручного контакта или рычажные сварочные клещи с давлением в центнер. Род деятельности влияет на ориентацию электродов. Для сварки аккумуляторов стержни устанавливают рядом, для сварки внахлёст – навстречу.
Протяжённость проводников минимизируют для сокращения потерь мощности. Негативное влияние оказывает и количество соединений. Пайка облуженных проводов к медным наконечникам снижает потери.
Обжимные соединения – очаги роста сопротивления. Электроды крепят на резьбе с тугой затяжкой. Болты, шайбы выполняют из сплавов меди. Удаление окислов проводят регулярно.
Концы электродов стачивают на конус, точку контакта оформляют сферой – площадь ядра сварки увеличивается в 2–3 раза относительно поверхности контакта самодельного устройства. Малый диаметр конца электрода повысит качество сварки, уменьшит усилие сдавливания.
Управление самодельной контактной сваркой
Органов управления сваркой 2: кнопка включения подачи электроэнергии на трансформатор, и рычаг сварочных клещей.
Кнопка располагается на рычаге управления подвижным электродом.
Точечная сварка из микроволновки
Обеспечение сжатия достигается приближением электродов к оси рычага и его размером. Установите стационарное либо съёмное крепление самодельного аппарата, опоры неподвижного электрода. Гарантию достаточного контакта при сжатии даст рычаг из диэлектрика или обрезиненного металла длиной 0,6–1 м. Усилие сжатия — 30–100 кг.
Переключатель подачи тока самодельного устройства подключается к первичной обмотке трансформатора, находится под пальцем сварщика. Включение сварки во избежание подгорания электродов допускается при полном сжатии.
Визуальный контроль времени выдержки контакта определяется по цвету металла. При массовой сварке рекомендуется принудительное охлаждение трансформатора и электродов вентилятором, либо перерывы.
Видео по теме: Точечная сварка своими руками
Как безопасно разобрать микроволновую печь и что делать с деталями
Микроволновые печи стали повсеместно использоваться на кухнях с 1980-х годов, но в последнее время бесстрашные мастера разбирали их, чтобы собирать детали для своих собственных проектов.
Здесь есть настоящая золотая жила деталей для домашних изобретателей DIY, от мощных сверхмощных компонентов, которые можно использовать для изготовления катушки Тесла, до основных прочных деталей для всех видов хобби-проектов Arduino или домашней автоматизации Raspberry Pi.
К счастью, общая установка микроволновой печи не сильно изменилась за эти годы, что значительно упростило идентификацию и безопасное извлечение деталей. В этой статье мы расскажем, как безопасно разбирать микроволновую печь, и покажем некоторые проектные идеи, которые придумали различные изобретатели, используя эти детали.
Прежде чем мы начнем, необходимо остановиться на трех важных моментах:
- Микроволны — это приборы высокого напряжения серии , которые нельзя разбирать, пока они подключены к сети.
Кроме того, цветовые обозначения проводки могут отличаться от страны к стране. Убедитесь, что вы точно знаете, на что смотрите! - Конденсатор высокого напряжения может вызвать смертельный удар даже после того, как микроволновая печь была отключена от сети в течение нескольких месяцев. В этой статье мы покажем вам, как безопасно разрядить эти конденсаторы, но их необходимо соблюдать.
- Магнетрон внутри микроволновой печи может содержать оксида бериллия в своих керамических изоляторах, может быть смертельным при попадании в легкие.Просто удалить его безопасно, но никогда не пытайтесь разбирать его. Не стоит!
Каждый раз, когда вы сознательно возитесь с большой мощностью, на ваш страх и риск и потенциально смертельны. Короче, берегитесь! Живи, чтобы повозиться в другой день! Теперь, с учетом сказанного, давайте начнем.
Приобретено в микроволновой печи
Первый шаг — найти свою микроволновую печь.
У вас может быть старый, который заменили — в моем случае соседи избавлялись от своего и оставили его у нас на лестничной клетке. Стоит отметить, что такая разборка не подходит для инверторных микроволн , так как они работают иначе.
Для этой разборки не нужно много инструментов, хотя для разных конструкций микроволновых печей это может отличаться.
Я счел этого достаточно:
- Отвертка Phillips с изолированной ручкой.
- Плоскогубцы с изолированными ручками.
- Сверхмощные изолированные рабочие перчатки.
Я обнаружил, что перчатки здесь служат двойной цели: они не только защищают меня, но и служат хорошим барьером между моими руками и скопившейся за годы грязью внутри ящика для микроволновой печи.
Мне также было удобно поставить рядом небольшую емкость для хранения всех винтов.
Прежде чем приступить к работе, проверьте корпус, чтобы узнать, есть ли на нем полезная информация.
У многих микроволновых печей есть полные электрические схемы, доступные для загрузки в Интернете, которые являются отличным способом узнать о схемотехнике, поэтому обязательно записывайте любые номера моделей, которые вы найдете. Для получения дополнительной информации об изучении электроники своими руками ознакомьтесь с этим замечательным ресурсом.
В данном случае производитель любезно разместил схему внутренней электроники на задней стороне корпуса.
На всякий случай, если вам понадобится напоминание в ближайшее время, вам не нужно понимать немецкий, чтобы знать, что что-то с «Achtung» и «Warnung» потенциально может быть опасным!
Винт здесь, винт там
Убедитесь, что микроволновая печь отключена от сети.
Проверьте еще раз.
Я серьезно.
Проверьте. Мы можем подождать.
Теперь начните с удаления всех винтов, которые вы видите на внешнем корпусе.Вы можете обнаружить, что сначала можно снять верхнюю часть корпуса с помощью винтов по краям, что дает вам достаточный доступ для сбора деталей, не разбирая их полностью, хотя в некоторые модели взломать сложнее, чем в другие.
Как только вы снимете внешний кожух, вы сможете увидеть компоненты.Хотя компоновка может отличаться, почти все микроволновые печи имеют одинаковый набор основных частей.
- Трансформатор (обычно обозначается как MOT).

- Конденсатор высокого напряжения.
- Поклонник.
- Компактный термостат большой мощности (маленький черный круглый компонент).
- Магнетрон.
- Реле.
- Передняя панель.
Самое первое, что нужно найти, — это конденсатор. В этой модели он был частью блока вентилятора, хотя это может отличаться. Ни при каких обстоятельствах не прикасайтесь к контактам конденсатора ! Если изображение выше нечеткое, это то, что вы ищете:
По возможности перед снятием конденсатора следует разрядить его.
В этом случае конденсатор был заключен в блок вентилятора, поэтому его необходимо было снять перед разрядкой. Надев перчатки и придерживая изолированную ручку, с помощью отвертки или плоскогубцев замкните оба контакта конденсатора. Подержите его там несколько секунд, убедившись, что он точно касается обоих контактов. В этом случае вы можете увидеть вспышку или услышать громкий хлопок, так что будьте готовы!
Магнетрон, двигайся!
Магнетроны могут быть невероятно опасными, в то время как вы защищены от радиации, когда на них нет питания, керамические изоляторы могут содержать оксид бериллия, который может быть смертельным при вдыхании.
Если Магнето — враг Людей Икс, то магнетрон — враг всех легких повсюду.
Мы будем осторожно извлекать его из корпуса, но только для того, чтобы получить доступ к винтам, удерживающим трансформатор на месте.Если вы можете снять трансформатор, не снимая магнетрон, оставьте его на месте.
Большинство магнетронов выглядят так и крепятся к основному корпусу микроволновой печи четырьмя винтами.
Осторожно выньте его, заверните и отложите, чтобы потом безопасно выбросить.
Трансформатор Время
Высоковольтный трансформатор (широко известный как трансформатор для микроволновой печи или MOT) является настоящим призом в этой разборке.
MOT подает сетевое питание переменного тока (здесь 240 В, оно может быть другим для вас) в первичную катушку и через ступеньки электромагнитной индукции, которые включаются, так что от 1800 до 2800 вольт выходит из вторичной катушки. Чем больше у вас обмоток на вторичной обмотке, тем выше напряжение и ниже токи, и наоборот.
Трансформаторы высокого напряжения могут быть дорогостоящими предметами для покупки для хобби или использования в домашних условиях, но при тщательной модификации можно использовать MOT для обеспечения широкого диапазона различных требований к мощности.
ТО тяжелая, поэтому почти всегда крепится к нижней части корпуса двумя или четырьмя винтами.Осторожно удалите провода и винты и вытащите свой приз.
С этим зверьком можно сделать несколько фантастических проектов, о которых мы поговорим позже в этой статье.
Снятие остального
Теперь, когда у вас есть более крупные компоненты, медленно удалите все остальное по частям.
Возможно, вам будет легче, чем мне, если вы сначала удалите всю проводку.
Не забудьте вынуть нижнюю панель, чтобы снять мотор поворотного стола!
Как только у вас будет все готово, у вас должен быть целый набор компонентов:
В зависимости от того, насколько современная ваша микроволновая печь, ваш улов может немного отличаться.
В этом случае мы получили:
- 1 x мощный полюсный электродвигатель переменного тока 240 В от вентилятора.
- 1 мотор-редуктор 240В от поворотного стола.
- 1 х маленькая лампа на 240 В с фитингом.
- 5 x микровыключателей.
- 3 переключателя термостата высокого напряжения.

- 1 резистор 20 Вт 20 Ом.
- 1 x электрический нагревательный элемент (эта конкретная микроволновая печь имела функцию гриля).
- 1 реле на 12 В.
- Трансформатор с 240 перем. Тока на 12 В.
- 1 х трансформатор высокого напряжения.
- Различные отрезки высоковольтного провода и сетевой шнур.
Наряду с этим мы также получили различные резисторы меньшего размера, диоды, конденсаторы и индуктивность.
Я также снял переднюю панель микроволновой печи целиком.
Он содержит двигатель для таймера и еще два микровыключателя. Это устройство уже автономно и компактно, и, как вы увидите позже, его можно использовать для других целей.
Теперь, когда у вас есть все необходимое, соберите части, которые вы не собираетесь оставлять для утилизации.
Практический способ сделать это — собрать внешний корпус с магнетроном внутри, а затем доставить все устройство в местный центр утилизации для безопасной утилизации. В разных местах действуют разные правила утилизации бытовой техники. Обязательно соблюдайте местные правила и нормы.
Что теперь?
Теперь у нас есть все эти части, что нам с ними делать? Некоторые из них довольно специализированы и могут понадобиться только в определенных ситуациях.
Однако некоторые из них можно использовать здесь и сейчас.
Микропереключатели, которые мы собрали, — это мгновенные нормально разомкнутые (NO), нормально замкнутые (NC) или селекторные переключатели, рассчитанные на ток до 16 А, 250 В (помните, ваш может варьироваться в зависимости от вашей страны).
Несмотря на то, что они способны работать при высоком напряжении, они также отлично подходят для небольших проектов, поскольку они подпружинены, их можно легко установить на дверные и оконные рамы вместо герконов в составе домашней системы безопасности.
Если вы новичок в работе с микроконтроллерами, они также отлично работают в проектах Arduino для начинающих.
В качестве дополнительного бонуса я обнаружил, что восстановленная проводка идеально вставляется в отверстия на макете.
Сообщение ретранслируется
Раньше мы рассматривали использование реле 5В с микроконтроллерами, и те же принципы могут быть применены к реле, которое мы спасли.
Реле, которое мы сняли с микроволновки, имеет катушку 12 В, хотя многие реле работают при более низком напряжении.Реле, которое я снял в этом случае, отлично работает только с 9 В, что делает его идеальным реле для использования в проекте микроконтроллера, и, поскольку реле здесь способно принимать до 250 В, 16 А можно будет использовать практически в любой домашней автоматизации.
настройка.
Вы можете найти спецификации для большинства компонентов, выполнив поиск по марке и номеру модели.
Хомунколосс, участник Instructables, предоставил простое руководство по подключению реле 12 В к Arduino.
Вентилятор
Двигатель, прикрепленный к вентилятору, представляет собой полюсный двигатель, который работает от 240 В переменного тока.
Его преимущество заключается в том, что он очень мощный, но при этом остается довольно тихим.
Это делает его идеальным для использования в качестве самодельного вытяжного вентилятора, который должен быть у каждого, у кого есть паяльник.
Изменив эту конструкцию Джоном Уордом для использования вентилятора, вы можете создать мощный экстрактор с ограниченным бюджетом.
Джон подсчитал, что эта сборка стоила 75 фунтов стерлингов, хотя без дополнительных затрат на вентилятор и с умным повторным использованием других собранных деталей это идеальный бюджетный (и заботящийся о здоровье) проект DIY.
Конечно, вы можете использовать вентилятор, чтобы сделать веера! Пользователь Instructables profpat прикрепил вентилятор от старой микроволновой печи к старой подставке для монитора, чтобы получить прочный настольный вентилятор, который абсолютно ничего не стоил!
Кредит изображения: profpat через InstructablesПередняя панель
Передняя панель микроволновой печи, представленной выше, была одной из старых моделей с двигателем, который ведет обратный отсчет перед выключением микровыключателя, хотя у вас может быть более новый цифровой дисплей.
Это устройство можно использовать как таймер обратного отсчета — идеально, чтобы напоминать вам встать и потянуться после некоторого времени перед компьютером!
Внутренний микровыключатель также можно использовать для управления прибором.Пользователь Instructables Koil_1 использовал цифровой таймер для создания таймера отключения нескольких устройств.
Увеличьте мощность
Двигатель поворотного стола в микроволновой печи очень медленно движется от источника переменного тока.
Это означает, что двигатель с высоким крутящим моментом способен генерировать мощность при ручном вращении. В удивительно простом проекте пользователь Instructables ahmedebeed555 создал зарядное устройство для телефона с ручным управлением, практически не используя никаких деталей!
MOT Time
Ранее в статье я упоминал, что ТО была наиболее ценной частью, которую нужно было извлечь из микроволновой печи, и быстрый поиск в Google покажет почему.
Эти трансформаторы были переделаны для создания множества странных, дурацких, а иногда и откровенно опасных изобретений — от самодельных электрических дуг до литейных заводов, точечных и сварочных аппаратов.
У изобретателя YouTube Гранта Томпсона есть серия видеороликов, охватывающих большинство этих проектов, и, хотя все они являются отличными идеями, его видеоролики о создании самодельного сварочного аппарата ARC дают четкие инструкции о том, как создать собственную сварочную установку с небольшим бюджетом.
Все за день
В этой статье рассказано лишь о некоторых вещах, которые вы можете сделать из старой, больше не нужной микроволновой печи, и даже более мелкие детали, которые не используются немедленно, — это больше вещей в вашем наборе инструментов для будущих проектов.
Уборка и переработка старых приборов — отличный способ узнать об электронике и сократить количество производимых нами отходов.
Перед тем, как уйти, еще раз: всегда будьте осторожны при работе с мощной электроникой. Обязательно соблюдайте соответствующие меры предосторожности и используйте защитное снаряжение, если это необходимо!
Вы сделали какие-нибудь удивительные изобретения из разобранных деталей из микроволновки? Вы разбирали другие приборы и создавали из них свои собственные новые машины? Дайте нам знать в разделе комментариев ниже!
Кредиты изображений: Сергей Казаков / Shutterstock
10 крутых скриптов AutoHotkey (и как сделать свои собственные!) AutoHotkey позволяет создавать собственные ярлыки Windows, макросы и многое другое! Вот несколько полезных сценариев AutoHotkey, с которых можно начать.
Ян Бакли, журналист-фрилансер, музыкант, исполнитель и видеопродюсер, живет в Берлине, Германия.Когда он не пишет или на сцене, он возится с электроникой или кодом своими руками в надежде стать безумным ученым.
Больше От Яна БаклиПодпишитесь на нашу рассылку новостей
Подпишитесь на нашу рассылку, чтобы получать технические советы, обзоры, бесплатные электронные книги и эксклюзивные предложения!
Еще один шаг…!
Подтвердите свой адрес электронной почты в только что отправленном вам электронном письме.
РЕШЕНО: Моя микроволновка не нагревается, но таймер работает. — Микроволновая печь
У меня есть профиль GE, все работало, но не нагревается. Если это так с вашей микроволновой печью, я предлагаю вот что. Откройте духовку, сняв верхнюю крышку. Оставьте его ОТКЛЮЧЕННЫМ на 30 минут или лучше, но НЕОБХОДИМО разрядить ВЫСОКОВОЛЬТНЫЙ КАПИКАТОР. У конденсатора достаточно напряжения, чтобы убить вас.Если вы не знаете, что такое конденсатор и как его разрядить, поищите видео на UTUBE. Затем сделайте следующее:
1. Найдите трансформатор. Возьмите два провода, обычно красный и белый, и снимите их. Отметьте их расположение для повторного прикрепления.
2. Возьмите цифровой мультиметр с красным проводом и вставьте его в напряжение 500 В, а черный провод — в COM. Установите поворотный переключатель на 200 В.
3. Возьмите красный и черный провода и вставьте по одному выводу в каждый провод трансформатора.
Вставьте красный провод в красный провод, а черный провод — в белый провод.
4. Включите микроволновую печь.
5. Включите микроволновую печь.
6. Включите мультиметр и снимите показания напряжения.
7. Если напряжение от 118 до 125, значит, ваша передняя панель работает правильно. Отключите устройство от сети и дайте ему постоять 30 минут, чтобы разрядить конденсатор или разрядить его. Остается только четыре возможных проблемы. Это либо трансформатор, либо конденсатор, либо диод, либо магнетрон.
8. В моем случае Я не тестировал трансформатор или конденсатор, потому что они редко выходят из строя, а тестовое оборудование стоит около 150 долларов.
9. Я просто купил диод, примерно за 10 долларов, и заменил его.
10. Еще купил магнетрон за 102 $ и заменил. Снова посмотрите видео на UTUBE, если вы не знаете, как выглядят диод и магнетрон и как их заменить.
11. Снова соберите, подключите к розетке и проверьте в течение двух минут на высокой температуре с чашкой воды.
После того, как я проделал это, устройство заработало как новый.Надеюсь, что это помогает и удачи.
25 вещей, о которых вы не знали, что может делать микроволновая печь
Микроволновые печи делают жизнь каждого немного проще. Фактически, если вы просто используете свой, чтобы разогреть замороженные обеды, вы упускаете целый ряд функций. Помимо конвекционного инструмента, он может быть помощником при изготовлении предметов, помощником пекаря, научной лабораторией и многим другим. По сути, единственное, что он не может — это шпионить за вами. (К счастью.) Почти все остальное находится в его рулевой рубке. Нужны доказательства? В честь Национального дня микроволновой печи мы представляем вам 25 вещей, на которые вы, вероятно, не понимали, способна ваша микроволновая печь.
1. ПРИГОТОВИТЬ УЖИН ОТ Царапины
iStock
Микроволновые печи предназначены не только для остатков еды. Они могут стать главным событием в приготовлении блюд, если вы найдете правильный рецепт.
Ризотто? Энчиладас? Ропа вьеха? Курица и пельмени? Все это легко смешать с помощью небольшого ноу-хау в микроволновой печи. Повара общежития, радуйтесь.
2. ПРИГОТОВИТЬ ТОРТ
iStock
Попрощайтесь с предварительным разогревом духовки, потому что вы можете испечь великолепный торт в микроволновой печи за очень короткое время. Серьезно, идеальному шоколадному пирогу в кружке нужно всего 90 секунд на выпекание в микроволновой печи. Хотите стать красивее? Вы можете приготовить трехслойный торт для 10–12 человек всего за 10 минут в микроволновой печи.
3. СДЕЛАЙТЕ БОЛЬШОЕ ЯЙЦО
iStock
Вы же не думали, что обед — единственное блюдо, которое может приготовить микроволновая печь? Независимо от того, как вы любите яйца — омлет, пашот, солнечной стороной или сваренные вкрутую — вы можете приготовить их в микроволновой печи всего за несколько минут.Фактически, согласно тесту Good Housekeeping, яйца-пашот и яйца вкрутую, приготовленные в микроволновой печи, на вкус даже лучше, чем на плите.
4. ОВОЩИ НА ПАРУ
iStock
Выбросьте корзину пароварки, потому что ключ к идеальному приготовлению овощей на пару всегда был в вашей микроволновой печи. Вы можете приготовить на пару небольшие порции овощей, таких как спаржа, бок-чой и другие, завернув их в несколько слоев влажных бумажных полотенец и бросив в микроволновую печь.(Здесь в Serious Eats есть подробное руководство о том, как долго готовить различные виды овощей в микроволновой печи.) Вы также можете просто бросить овощи в миску с небольшим количеством воды и накрыть миску тарелкой, а тепло от печи. Все остальное сделает микроволновая печь.
5. ЗАКРЫВАЙТЕ ЕДУ
Amazon
Мы склонны ассоциировать разогревание в микроволновой печи с приготовлением нашей пиццы сырой, поэтому вы можете не осознавать, что на самом деле получается отличная хрустящая корочка, если у вас есть подходящие инструменты. Вам просто нужна более хрустящая сковорода, которую вы можете купить на Amazon всего за 13 долларов.
Эти металлические сковороды, подходящие для использования в микроволновой печи, по сути, представляют собой сковороды, которые сохраняют хрустящие остатки пищи, пока они нагреваются, даже с такими продуктами, как пицца или картофель фри. Это также отличный способ приготовить бекон в микроволновой печи.
6. ПИЛИНГ ЧЕСНОК
iStock
Очистка чеснока — одна из самых утомительных задач, связанных с приготовлением пищи, но это не обязательно. Поместите в микроволновую печь всю головку чеснока в течение 20 секунд, затем очистите ее. Как только пар разрывает химические связи между кожицей и самим чесноком, шелуха снимается сразу, без использования ножей.
7. СУХИЕ ТРАВЫ
iStock
С помощью микроволновой печи можно быстро высушить зелень. Положите четыре или пять веток травы между двумя сухими бумажными полотенцами, затем поместите их в микроволновую печь на 2–3 минуты. Они должны быть ломкими и сухими. На самом деле лучше сушить травы в микроволновой печи, чем сушить их в духовке или подвешивать, потому что электромагнитное излучение микроволновой печи быстро испаряет воду из трав вместо того, чтобы равномерно нагревать всю ветку, сохраняя больше эфирных масел, которые дают травы их аромат в первую очередь.
8. ПРИГОТОВЛЕНИЕ КОРЗИН С ПАРМЕЗАНОМ С СЫРОМ
iStock
Лучше, чем заправлять салат сыром, — это заправлять сыр салатом. Вы можете формовать сыр пармезан или романо в миски, разогревая тертый сыр на пергаментной бумаге в микроволновой печи, а затем перевернув горячий сыр на поверхность перевернутой керамической миски. Теплый сыр застывает в форме миски, и вуаля! У вас есть сырное блюдо.
9. ПОДНЯТЬ ТЕСТО
iStock
Домашний хлеб может быть восхитительным, но это также отнимает много времени.Но это не должно занимать так много времени. Вместо того, чтобы ждать, пока тесто поднимется само, сэкономьте несколько часов и воспользуйтесь микроволновой печью, чтобы ускорить процесс. Для рецепта с двумя или тремя подъемами вы можете разогреть тесто на очень низкой мощности (10 процентов) с помощью микроволновой печи, придать ему форму и снова положить, чтобы оно снова поднялось. Вместо того чтобы ждать подъема в течение 45 минут, вы можете добиться того же результата за 10-15 минут.
10. СУШИТЕ ЛУКОВЫЕ СЛЕЗЫ
iStock
Выбросьте очки для измельчения лука и перестаньте задерживать дыхание.Вот очень простой способ сохранить глаза сухими во время приготовления еды: просто положите этот острый лук в микроволновую печь. Отрежьте кончики лука и поставьте в микроволновую печь примерно на 30 секунд. Когда он нагреется, можно не беспокоиться о слезах! (Обратите внимание, что вы также можете использовать микроволновую печь для обжаривания или карамелизации лука.)
11. ЗАМОЧКИ
iStock
Даже если вы забыли замочить их вчера вечером, вы все равно можете приготовить фасоль к обеду. Поместите сушеные бобы в микроволновую печь, добавив 3 стакана воды на каждую чашку бобов.Разогрейте их в микроволновке на высокой температуре в течение 15 минут, пока они не закипят, затем дайте фасолью постоять час или около того, и они будут готовы к приготовлению. (В некоторых рецептах рекомендуется дать фасолью закипеть в микроволновой печи, а затем нагреть ее на среднем уровне еще в течение двух минут.
)
12. ШАК КУКУРУЗА
iStock
Подобно тому, как чеснок засунули в микроволновую печь, то же самое и с кукурузой — очень просто снять шелуху. И что еще лучше, обработка в микроволновой печи устраняет те лишние струны, которые, кажется, всегда остаются, независимо от того, насколько вы хороши в чистке.Вам просто нужно отрезать стебель початка и положить его в микроволновую печь на 30 секунд или минуту (вы можете делать до четырех початков за раз). Когда это будет сделано, вы можете схватить початок за неотрезанный конец стебля и встряхнуть. Кукуруза должна сразу вылететь.
13. ПЕНА ДЛЯ ВАШЕГО ЛАТТЕ
iStock
Единственное оборудование, которое вам понадобится для приготовления молочной пены для домашнего латте, — это банка. Налейте молоко (Kitchn рекомендует 2 процента или обезжиренное, потому что добавленный белок помогает ему вспениваться) в банку, закройте ее и энергично встряхивайте в течение минуты, пока оно не станет пеной.
Затем поместите его в микроволновую печь на 30 секунд. Тепло стабилизирует пену, поэтому она не растворяется в капучино сразу.
14. ПОМОГИТЕ ВЫБРАТЬ ВАШ ЦИТРУС НАИБОЛЬШЕГО
iStock
Если вы собираетесь выжимать цитрусовые, убедитесь, что получаете все до последней капли. И микроволновая печь может помочь. Если вы пытаетесь выжать лимон, поставьте его в микроволновую печь и оставьте на 10 секунд или около того. Дайте ему остыть в течение секунды, затем разрежьте его пополам и отожмите.Вы получите гораздо больше сока. Он работает с более крупными фруктами, такими как грейпфруты и апельсины, но вам нужно добавить еще несколько секунд на таймере.
15. ТОСТОВЫЕ ОРЕХИ
iStock
Микроволновая печь — отличный способ равномерно обжарить орехи, возможно, даже лучше, чем в духовке или на плите. Разложите их одним слоем на тарелке, затем положите в микроволновую печь на минутные интервалы, каждую минуту меняя их на тарелке, чтобы все готовились равномерно.
Затем продолжайте пробовать на вкус, пока они не дойдут до вашего вкуса.
16. СДЕЛАТЬ ЧИПЫ
iStock
Для приготовления картофельных чипсов не нужна фритюрница или чайник. Смазать тонкие ломтики картофеля растительным маслом и выложить их одним слоем на блюдо, которое можно использовать в микроволновой печи. Нагрейте их в микроволновой печи в течение трех-пяти минут, пока они не станут коричневыми, дождитесь, пока они остынут, и наслаждайтесь!
17. ТОМАТЫ И ПЕРСИК С КОРРОЙ
iStock
Ваша микроволновая печь отлично справляется с очисткой плодов с тонкой кожурой. Если вы готовите персиковый пирог или суп, который требует очищенных помидоров, разрежьте фрукт пополам, положите его на тарелку и поставьте в микроволновую печь на пять минут, пока кожица не начнет морщиться.В этот момент у вас должна быть возможность снять кожицу вилкой.
18. ВОССТАНОВИТЬ ЧЕРНЫЙ ХЛЕБ
iStock
Смягчите черствый хлеб в микроволновой печи, завернув его во влажное бумажное полотенце и поместив в микроволновую печь примерно на 10 секунд.
Это смягчит хлеб и вернет ему его вкусную красоту. Вместо влажного бумажного полотенца вы также можете поставить в микроволновую печь стакан воды с хлебом, и он тоже запарится.
19. ПРЕДОХРАНИТЕЛЬНОЕ СТЕКЛО
Amazon
Ваша микроволновая печь также может использоваться в качестве печи для обжига.Комплект для печи для микроволновой печи позволит вам сплавить стекло и ювелирные изделия за несколько минут. Керамика печи для микроволновой печи действует как увеличительное стекло, фокусируя тепло и объединяя витражи для серег, подвесок и других небольших проектов.
20. КРАСНАЯ ПРЯЖА
iStock
Ваша микроволновая печь — это мастерская крафтинга. Вы можете покрасить шерсть или шелк в яркие цвета Kool-Aid. Смешайте красочный порошок для напитка с водой, добавьте шерсть и поставьте в микроволновую печь на несколько минут.Тепло от микроволн связывает цвет с волокном, предохраняя его от выцветания.
21. СОЗДАЙТЕ МЫЛЬНОЕ ОБЛАКО
iStock
Убрать кусок мыла из слоновой кости — это простой и веселый научный эксперимент, который не требует дополнительной очистки.
Немногочисленное электромагнитное излучение создает расширяющееся пушистое мыльное облако, с которым могут играть дети (и взрослые) любого возраста. Через две с половиной минуты в микроволновой печи мыло увеличится в размерах, образуя мягкое облако, которое можно слепить пальцами.Обязательно используйте мыло марки Ivory или подобное мыло, в котором содержится достаточно воздуха, чтобы плавать в воде, иначе оно не сработает.
22. ИЗМЕРИТЬ СКОРОСТЬ СВЕТА
iStock
Проведя относительно простой научный эксперимент, вы можете самостоятельно измерить скорость света, используя микроволновую печь и немного шоколада. Вам нужно вынуть противень из микроволновой печи, чтобы шоколад готовился неравномерно. Положите длинный кусок шоколада в пустую микроволновую печь и готовьте, пока он не начнет деформироваться, примерно 40 секунд.Затем вы можете измерить расстояние между горячими точками, где шоколад начал таять и собираться. Затем следуйте этим указаниям, чтобы рассчитать скорость света на основе этого расстояния.
23. СНИМИТЕ ПЕЧАТЬ ИЗ КОНВЕРТА
iStock
Если вам нужно снять марку с конверта, к которому он уже приклеен (или вы хотите сохранить марку для своей коллекции), вы можете легко поддеть ее, не повредив. Нанесите на штамп несколько капель воды и поместите его в микроволновую печь примерно на 20 секунд.Когда штамп выйдет наружу, он отклеится от бумаги.
24. СТЕРИЛИЗАЦИЯ ПОЧВЫ
iStock
Если вы собираетесь посадить семена, возможно, вам стоит сначала простерилизовать почву. Вы можете купить предварительно стерилизованные почвенные смеси, но если вы просто используете грязь в своем саду, вы можете избавить почву от вредителей, болезней и семян сорняков с помощью микроволновой печи. Поместите несколько фунтов грязи в контейнер размером с кварту — в идеале с вентилируемой крышкой — и поместите его в микроволновую печь, удаляя по 90 секунд на каждые пару фунтов.После этого ваша почва официально готова к посадке.
25. ПРОВЕРЬТЕ, БЕЗОПАСНЫ ЛИ ВАШИ БЛЮДА
iStock
В идеале вы должны знать, безопасна ли ваша посуда в микроволновой печи, прежде чем помещать ее в указанную микроволновую печь, но иногда на посуде нет маркировки или символ стирается. Так что, если вы действительно хотите убедиться, вы можете провести быструю проверку. Возьмите стеклянный мерный стаканчик или кружку (которые, как вы уже знаете, можно использовать в микроволновой печи) и налейте в них 1 стакан воды. Затем поставьте стакан с водой на блюдо, которое вы пытаетесь проверить (или рядом с ним, если вы проверяете чашку).Поставьте в микроволновую печь на одну минуту, затем прикоснитесь к ним. Если вода горячая, а тестовая чашка — нет, ее можно использовать для приготовления пищи в микроволновой печи. Если блюдо теплое, но вода горячая, значит, его нельзя использовать в микроволновой печи.
Микроволновый сленг
Щелкните здесь, чтобы прочитать некоторые инженерные шутки, которые мы собрали
На этой странице мы расшифруем некоторые термины, которые вы можете услышать в лаборатории микроволновой печи (или на этом веб-сайте), которую необходимо прочитать как новичкам, так и менеджерам, занимающимся микроволновой печью.Если вас интересует эта тема, возможно, вам стоит также посетить наш словарь сокращений.
Предлагает ли IEEE или какой-либо другой сленг, связанный с использованием микроволн? Нет !!! Вот почему мы здесь, чтобы служить людям, работающим в микроволновой промышленности, только самой полезной, своевременной и неподвластной времени информацией.
Вниманию исполнителей микроволнового рэпа! Пришлите свою любимую терминологию микроволнового сленга!
Вот собрание аэрокосмического сленга одного инженера, это от Карла Ф. Гаузе, работающего в Anonymous Aerospace.Нажмите здесь, чтобы загрузить его! (Опасно Уилл Робинсон, этот документ содержит слово на букву F, поэтому не загружайте его, если у вас возникли проблемы с этим!)
Под присмотром взрослых
Руководители или бизнесмены. Часто лучшие технологии происходят из песочницы, за которой меньше всего наблюдают взрослые. Microwaves101 не находится под присмотром взрослых, посмотрите, к чему это нас привело!
Карта Армагеддона
Если вы работаете на оборонного подрядчика, вы знаете, что каждая презентация должна содержать карту Армагеддона.Это не обязательно должно иметь какое-то особое отношение, кто-то из аудитории с короткой стрижкой вскочит, чтобы помочь объяснить это. Или вы можете начать с объяснения президента Обамы Митту Ромни: у нас есть эти корабли, которые уходят под воду … Вот тот, который вы всегда можете использовать, он был выпущен ВМФ для общественного пользования. Нажмите, чтобы увеличить масштаб битвы до пяти мегабайт!
Air Force
«Волшебство» (или, возможно, «источник»), что означает «соус», как в «давай принесем мне чипсы из ВВС, приятель».Хорошо, это не имеет ничего общего с микроволновым сленгом, это рифмованный сленг кокни, и вам нужно усвоить его, чтобы стать всесторонне развитым человеком! Щелкните здесь, чтобы увидеть классный веб-сайт, посвященный сленгу кокни! Грейнджер, Уилл Робинсон!
ASS
Аббревиатура для клейкой ленты A S для отключения отключения S , алюминиевой защитной ленты, используемой в микроволновой промышленности, особенно в лабораториях EMI. (Привет, Джо, чтобы уменьшить это влияние, давайте нанесем на него немного A S ).Спасибо Терри!
Вскрытие
В чем вы хорошо разбираетесь, работая на кладбище.
Ballin ‘the jack
Увлечение танцами, появившееся 100 лет назад, еще до того афроамериканского сленга железных дорог, означавшего бег на полную мощность. Мы предлагаем использовать его, когда вы загружаете силовое устройство, которое устанавливает новый эталон мощности, оно нагружает домкрат. «Ballin» происходит от «highball», что означает хорошо провести время. «Домкрат» изначально означал локомотив, имея в виду осла, который тянет тяжелую тележку.Принесите эти устройства из карбида кремния! Но подождите, вот еще одно объяснение хайболла, любезно предоставленное Чипом: Вы говорите о хайболле как о хайболле как о том, чтобы хорошо провести время, а также о том, что он идет очень быстро. Старые паровые машины с регулятором имели латунные шары, которые двигались вверх и вниз, вращаясь быстрее или медленнее. Когда губернатор был полностью задействован, двигатель работал так быстро, как только мог, а шары поднимались настолько высоко, насколько могли, — таким образом, высокий балл. Эй, нам больше нравится объяснение Чипа!
Калибратор Ball-Pein
Также пишется Ball-Peen.Простой молоток с шариковой ручкой; используется для удара по электронному устройству с ожиданием того, что удар «вернет» устройство в исходное и «откалиброванное» рабочее состояние. Иногда попадание в устройство калибратора с шариковой ручкой значительно повышает боевой дух. Примером может быть: «Папа, я сделал калибровку шариковой ручкой на этом приемнике, но он все еще не работает; вы хотите, чтобы я сделал Drop-Reset?» Спасибо Марди!
Барни Файф
В частности, если вы работаете в оборонной промышленности, «Барни Файф» является охранником на вашем предприятии.В старом телешоу Энди Гриффита Барни разрешили только одну пулю, которую он должен был держать в кармане рубашки, потому что он был склонен случайно разрядить свое оружие, если оно было заряжено. Современные Barney Fifes обладают слишком большой огневой мощью, у некоторых даже есть радары и им разрешено выписывать штрафы за превышение скорости. Единственные два требования для того, чтобы стать Барни Файфом: 1) оценка на ниже , чем определенное число на тесте интеллекта, и 2) наличие в прошлом хулиганов или издевательств в старшей школе.Если серьезно, то покойный Дон Ноттс был гением комедии. Вот эпизод «Мэйберри», в котором есть инструкция по оружию. У Amazon есть множество продуктов Barney Fife для вашего личного признания. Если вы живете на юго-западе Вирджинии, вы все равно можете смотреть повторы шоу каждую неделю вечером.
Голова Барта
Голова Барта — это разговорный термин, обозначающий форму волны в частотной области сигнала CDMA, видимую на анализаторе спектра. При правильной работе он очень похож на голову Барта Симпсона.Квадратные стороны, немного неровные наверху.
Вы можете услышать что-то вроде; «Я посмотрел на голову Барта на антенный порт, и он довольно резко крутится, я думаю, дуплексер подправлен« Спасибо Скотту! »Купите плакат с Барта здесь!
Щелкните изображение Барта справа, чтобы увидеть график CDMA.
Basura
Этикетка, нанесенная на все, от чего вы хотите избавиться, что не помещается в мусорное ведро, по-испански означает мусор. «Ранчо Басура» было бы отличным названием для того жилого комплекса, который KB Homes строит на вершине городской свалки.«О, дорогая, мне нравится эта разработка, она звучит так на юго-западе, !»
Ответ Бэтмена
Это от Чипа .. . В старые добрые времена, когда фильтры можно было настраивать на осскопе (с помощью соединителя и кварцевого детектора), и требовалась более линейная фаза, вы настраивали полосу края полосы должны иметь пики со спадом внутри полосы, а затем плавный подъем через большую часть полосы к другому краю полосы и ее пику. Это было удачно названо «ответом Бэтмена» (верхняя часть головы и капюшон Бэтмена вместе с двумя ушами). UE: мы использовали это объяснение для откликов усилителя, которые были нестабильными на краях диапазона. Не слышал этого годами!
Эти изображения принадлежат Джиму, который объясняет:
При проверке фильтров для пропускания / отказа полосы пропускания 3 дБ я по ошибке нажал кнопку модуляции FM.
Установив TRACE на MAX HOLD, я сразу узнал то, что видел, благодаря энциклопедии Microwaves101.
В приложении вы найдете два изображения в формате jpeg получившейся диаграммы Бэтмена, чтобы люди могли получить полное визуальное впечатление.
Обязательно нажимайте на них, чтобы прочитать этикетки …
Bazooka Joe graph
График в презентации или документе, который настолько мал, что его невозможно прочитать только человеческим глазом. Относится к незадачливому герою крошечных комиксов. Часто используется в качестве маркетингового инструмента в каталогах поставщиками, которые не хотят, чтобы вы точно знали, сколько вносимых потерь имеет этот переключатель. Вот еще несколько советов о том, как играть в эту игру: нанесите на график параметры, значения которых сильно различаются по одной оси, как и все четыре S-параметра усилителя.Используйте желтый цвет на темном фоне, если вы действительно хотите что-то скрыть. Для максимальной нечитаемости обязательно используйте крошечный шрифт.
Быть «вызванным на ковер»
У вас проблемы, но пойти в сарай не так уж и плохо.
Ремень и подтяжки
Когда вы создаете что-то с дополнительным запасом прочности!
Большие шары и плотные шары
Еще один от Чипа … Я использовал для разработки гребенчатых фильтров и использовал анализатор цепей для настройки на диаграмме Смита / полярном дисплее.Термин «большие шары» (не песня AC / DC) указывает на то, что проблема была на стороне нагрузки устройства. «Узкие шары» указывают на наличие хорошего КСВ или его можно легко получить, центрируя узкие шары на диаграмме Смита.
Болезнь крупной компании
Об этой теме много написано во всемирной сети, мы предложим простое определение: если в вашей компании работают шесть или более человек для выполнения работы, которую в разумных пределах может выполнять один человек, вы знаете о больших болезнь компании из первых рук.Болезнь крупных компаний — это то, почему маленькие компании создаются (разочарованные таланты), а затем покупаются (крупные компании должны покупать инновации, когда они их не развивают, а предприниматели должны обналичивать деньги, чтобы удовлетворить жадность своих трофейных жен). Это «Круг жизни» технологических компаний!
Птица
Спутник. Ознакомьтесь с историей «Bird is the Word» на нашей странице песен о радарах и радио. Спасибо Гэри!
Птичка
Птичка — это ложный отклик в приемнике радара.Не то, что вы хотите от управления огнем; радар для захвата … Посмотрите историю «Bird is the Word» на нашей странице песен о радарах и радио. Еще раз спасибо Гэри!
Черный ящик
Если у вас нет доступа к схеме компонента или подсистемы, запечатанной в пакете, который нельзя открыть, это называется черным ящиком.
Посадка на борт
Группа клиентов в ходе ознакомительной поездки в вашу лабораторию, чтобы узнать, почему вы опаздываете и превышаете бюджет (или группа, которую ваша компания отправляет поставщику за подобное преследование, что намного веселее.)
Bobblehead
Сотрудник, который настолько стар, что его голова больше не поддерживает их шея, как индейка. Примеры поп-культуры включают доктора Лаура и Пэт Робертсон. Ребята, пора надеть широкий белый пояс и брюки в клетку и отправиться на собачьи следы Флориды!
Якорь для лодки
Относится к громоздкому и тяжелому испытательному оборудованию более ранней эпохи, чаще всего носящему название Hewlett Packard. Старые анализаторы спектра и синтезаторы — одни из самых эффективных якорей для лодок.
Bogart
Когда кто-то берет в руки тестовое оборудование, которое необходимо где-то еще, это Bogarting. Например, «Профессору нравится Богарт этот новый синтезатор». Происхождение этого выражения хорошо известно любому, кто посещал вечеринку в колледже за последние 30 лет.
Но подождите, это определение неверно, как указал Алекс (спасибо!)
Первоначальное значение слова «Богарт» в известной песне — не «свинью», а «ущипнуть и выбросить окурок сигареты» (любого вида).В фильме «Мальтийский сокол» есть пример распорядка Хамфри Богарта с окурком.
Итак, парень в песне на самом деле просит мундштука позволить ему выдыхать последний кусок хорошего, а не выбросить его.
Те, кого мы называли «Старыми Мудрецами», знали бы это; поколения искажают сигнал при передаче.
Испытание на бомбу
Тонкое испытание на герметичность, при котором модуль подвергается воздействию гелия под давлением выше одной атмосферы, затем используется «анализатор» для обнаружения утечки гелия, что указывает на утечку.
Bonepile
Набор производственных узлов, не прошедших приемочные испытания. Часто используется как недорогой источник оборудования, которое можно отгрузить примерно 29 числа месяца. Пример диалога: эй, Джо, давай сюда и работай до мелочей, нам нужно подсчитать цифры в этом месяце, иначе пора вьюги!
Боулинг, как в «боулинге»
Мы не говорим о глупой кегле, которая позволяет людям, страдающим ожирением и курящим, заниматься спортом, в котором они могут хорошо разбираться… ходить боулинг это серьезное дело. Это включает в себя посещение китайского ресторана и распитие нескольких чаш scorpion . Ниже мы видим, как инженер-испытатель «Джеф» (имя изменено, чтобы защитить виновных) играет в боулинг со всеми студентами колледжа, которые даже не смотрят на вас … пока вы работаете допоздна, рисуя данные, которые он вам скинул . Теперь кто ты, папа? Спасибо за картинку, Каси, и мы хотим, чтобы мы были там!
Bravo Sierra
Военный жаргон для «BS».
Макетная плата (или панель)
Этап проекта, на котором создается начальное оборудование, обычно без форм-факторинга. В микроволновых печах иногда используется «латунный картон», потому что оборудование часто включает механически обработанные корпуса.
Домовой, вы выполняете чертову работу
Если ваш босс скажет вам это, это означает, что вы потеряете работу менее чем через неделю, и вы можете рассчитывать, что вас скоро доставят в Конгресс для дачи показаний. От Майкла Брауна, бывшего директора FEMA, который не смог найти себе зад обеими руками после наводнения в Новом Орлеане 2005 года.Как сказал бы капитан Безопасность: «Изношенные инструменты могут поранить дураков!»
Коричневая группа
Возможно, ваша компания использует разные цвета для работы над предложениями, например, красная команда, синяя команда и т. Д. Нас не интересуют эти цвета, это коричневая команда, по которой все проблемы перетекают. Вы приступите к работе на День Благодарения, потому что Красной команде не понравились ваши вещи!
Бупкис
Слово на идиш, которое наиболее точно переводится как американское слово «корточки». Бупкис означает «ничего», как в «Мэр МакЧиз не знает бупкис о технологиях!» Забавно, многие люди будут смотреть на вас смешно, потому что они думали, что вы только что сказали «поцелуй в задницу», эти невежественные люди, вероятно, учились в Южном методистском университете и были лишены друзей с еврейскими бабушками.Разнообразие — прекрасная вещь!
Burning platform
Вежливый способ сказать, что ваше бизнес-подразделение облажалось, но в то же время он говорит, что вы заботитесь о Шести сигмах, обманывая мэра МакЧиза, заставляя его помочь вам выжить в снежной буре.
Cannibalize
Акт извлечения компонентов и деталей из другого устройства для использования в качестве замены или модификации. Например, «Сынок, пойди, найди передатчик на кладбище и извлеки из него ключ от крышки».»Спасибо Марди!
Captain Safety
В частности, если вы работаете на большом заводе или государственном предприятии, которое когда-либо попадало в аварию, все больше и больше вам будут напоминать о важности безопасности. Captain Safety становится тратой времени колоссальных размеров, так как вам придется терпеть лекции о безопасности в кабине, правильном способе завязывания обуви и т. Представьте себе, что вы работаете в НАСА после катастрофы с Challenger, а затем вам нужно пройти онлайн-курс, как избежать бумажных сокращений… не обманывайте и не пытайтесь перейти к викторине, вы можете не получить оценку за это «обучение», если окно не будет открыто в течение 1/2 часа! Если кто-то захочет нарисовать карикатуру на Капитана Безопасности, отправьте его, и вы можете выиграть и славу, и богатство!
Cazapitor
Обычно конденсатор на 10 В, работающий при 12 В и повышенной температуре. Это просто вопрос времени, когда он взорвется! См. Поле return.
Школа очарования
Ретрит на выходных, куда они отправляют потенциальных менеджеров, чтобы узнать, есть ли у них нужные вещи.Когда один из ваших друзей идет в школу очарования, ожидайте рассказов, которые начинаются со слов «у нас были две горячие девушки в лимузине в 3 часа ночи перед тем, как мы получили наши сертификаты, и вы не поверите …»
Куриные точки!
Элементы изображения, которые не влияют на дизайн, но упрощают настройку позже. Золотые куриные точки дают вам возможность приклеить ленточки. Эта практика проектирования восходит к тому времени, когда инструменты САПР были неточными, сегодня лучше потратить время на точный прогноз производительности проекта и свести к минимуму использование куриных точек.Если вы просрочите, они действительно могут подключиться к линиям электропередачи, нарушив сопротивление и нанести больше вреда, чем пользы. Спасибо за совет, Чип! Зайдите на нашу страницу, посвященную конструкции из чипов и проволоки, и вы увидите несколько куриных точек. А еще лучше посетите нашу новую страницу о куриных точках!
Chiclet
Часто небольшую подложку из оксида алюминия называют Chiclet, потому что она белая и прямоугольная. Если вы принимаете его за десну, значит, вам предстоит дорогостоящая стоматологическая работа! Обратите внимание, что слово chiclet происходит от «chicle», эластичного вещества, а не от цыплят и, конечно, не от жаргонного термина для молодых женщин.
Китайские исследования и разработки
Получение и дублирование. Спасибо Дону!
ChiTAR
Игра слов «китайский» и «ITAR», означающая утрату интеллектуальной собственности этой самой густонаселенной страной Азии. Толпа китайских инженеров появляется на определенных профессиональных площадках и позже представляет продукты, которые вы легко узнаете. Используется в предложении: «начальник никогда не позволит вам выступить с докладом на конференции IMAPS, эта организация полностью принадлежит ХиТАР».
Когда они узнают все наши секреты, это лишь вопрос времени …
Дроссель
ВЧ дроссель обычно представляет собой последовательный элемент, такой как индуктор или резистор, который пропускает постоянный ток, но блокирует ВЧ энергию.
Круг жизни
См. «Болезнь большой компании».
Достаточно близко для работы в правительстве
Это эквивалент слова плотника: «Из моего дома это не видно». Подразумевает низкие стандарты качества изготовления.Извини, дядя Сэм!
Цвет денег
Раньше это определение было неверным, оно было исправлено Полом. Благодаря!
Термин «цвет денег» относится к бюджету, из которого поступают деньги, например, к исследованиям, разработкам, испытаниям и оценке (RDT & E), эксплуатации и техническому обслуживанию (O&M) и военному строительству (MILCON).
Приходите к Иисусу на встрече
Это высказывание возникло в 19 веке в религиозных лагерях на берегу Нью-Джерси, таких как община Оушен Гроув.Встреча «Приходите к Иисусу» в лабораторных условиях означает встречу, на которой будет открыта какая-то холодная суровая правда, как будто контракт вот-вот будет расторгнут. Похоже на «пойти в сарай».
Сопряжение разъема
Состояние, при котором длина вставки охватываемого разъема внутри сопрягаемого разъема с внутренней резьбой (обычно коаксиального) мгновенно изменяется из-за индуцированного вибрацией дифференциального движения между двумя соединенными с разъемами подузлами. Это приводит к фазовому шуму.Если входной сигнал вибрации является источником синусоидальной формы (например, пропеллером гелокоптера), это приведет к появлению боковой полосы, вызванной модуляцией, на источнике частоты или сигнале. Если входной сигнал вибрации остается согласованным с самим собой, он может интегрироваться по вектору в согласованном по импульсу фильтре радара и отображаться как ложная цель. Уменьшение копуляции соединителя также значительно снизит истирание, износ, а иногда и коррозионные повреждения неровностей контактных поверхностей. Спасибо Терри!
Рубашка Corporate Tool
Если вы пойдете на выставки, конференции или в поездку в колледж, вам выдадут рубашку Corporate Tool.Это может найти свое лучшее применение как рубашка для рисования или ландшафтного дизайна. Обязательно порвите его. Скажите своему боссу, что вы его потеряли.
Если в вашей компании не хватает этой рубашки, почему бы вам не зайти ко мне домой и вежливо не попросить?
Консультации
Если вы скажете что-то слишком откровенное перед клиентом, ваш начальник может прервать вас, чтобы предложить вам консультацию после встречи. Подобно походу в дровяной сарай, за исключением того, что основное внимание уделяется тому, что вы можете и не можете сказать, когда Кошелек находится в комнате.
Отрежьте рубин
Это восходит к тому времени, когда художественные работы создавались ножом Exacto и линейкой. Рубиновая литография получила свое название от рубиново-красного цвета маскированных деталей.
Dagging
Исправление чрезмерных царапин с помощью электропроводящей краски и кисти с тройным нулем — зачем нюхать клей, когда он у вас есть? (Отличный ввод, HB Filtronic!) Не следует путать царапины и царапины с забавной песней Хоги Кармайкла «обнимать и вычищать мелом» о романтических отношениях с огромной женщиной.Если вам нужно нанести мелом пометки на свою старушку, чтобы узнать, где вы начали ее обнимать, возможно, ей придется положить вилку.
Вот альтернативное, не связанное с микроволнами определение «кинжала» от Гэри из Новой Зеландии:
Однако здесь, в Новой Зеландии, «кинжал» относится к древнему, необходимому, но отчасти опасному и довольно неприятному сельскохозяйственному навыку, включающему удаление кинжалов с не-лицевой стороны овцы с помощью переносного режущего устройства, известного как кинжал.
И от Фила:
«Корка» может происходить от обычного проводящего шарика, называемого DAG, от «диспергированного водного графита».AquaDAG — одна из распространенных разновидностей. Он используется для электростатического экранирования фотоумножителей и для различных лабораторных работ — вроде проводящей изоленты.
Опасно будет Робинсон !
Наш друг-робот так говорил, это может означать только самые ужасные неприятности.
Дараф
Единица обратной емкости. Спасибо Крису Стилу, который однажды сказал: «Если есть mhos, то должны быть darafs». Использование: «Моя машина работает на.001 Daraf (или 1000 microDaraf) конденсатор. «Спасибо Дэну!
Дочерняя плата
Печатная плата, добавляемая к печатной плате большего размера, часто в результате модификаций на этапе макетирования.
Мертвая ошибка
Этот термин применяется к случаям, когда вы устанавливаете интегральную схему вверх ногами и подключаете ее к макетной плате белым проводом. Названа так потому, что микросхема выглядит так, как будто умерла, и направила свои крошечные ножки в потолок.
Деэмбедирование
Использование некоторых измерений калибровочных стандартов и некоторой алгебры для несущественных частей измерения, обычно разъемов на входе и выходе.Истинная наука, но пока мы еще не обсуждали ее на Микроволнах101.
Deep-six
В нашем сленговом словаре deep-six — это глагол, означающий «отбрасывать». Например, «залейте эту эпоксидную смолу и принесите мне немного свежего (материала)». Первоначально мы заявили, что глубокая шестерка происходит от традиции закапывать тела на глубину не менее шести футов, чтобы койоты не перекусили дорогими ушедшими. Но внимательный читатель заметил, что это выражение имеет морские корни и первоначально означало глубину шести саженей (36 футов).Объекты, упавшие на такую глубину, будет нелегко. Спасибо Дэйву!
Дополнительная информация от Фила:
«Глубокая шестерка» действительно составляет шесть морских саженей, а не шесть футов, но все же конечная — традиционно это минимальная глубина, на которой можно похоронить кого-нибудь в море. (Текущие военно-морские ведомства США указывают на расстояние не менее 600 футов и 3 миль от берега, у континентального шельфа.) Кроме того, при промерах, когда вы находитесь на глубине от семи до восьми саженей, боцман кричит: «By the dee
Как сварить яйца в микроволновой печи
НОВИНКА !! Узнайте, как приготовить яйца-пашот из жидкого желтка в микроволновой печи за считанные секунды!
Если вы хотите яйца всмятку или вкрутую, вы можете легко и быстро приготовить их в микроволновой печи.Если у вас ограниченное пространство, например, у микрофона, вы можете купить упаковку из 6 яиц и сварить их все вместе. Тогда остается просто взять 1 или 2 на обед.
Лично мне нравятся яйца, нарезанные открытыми, приготовленными на среднем огне с небольшим количеством соли. Но моя дочь студенческого возраста любит салат с тунцом и бутерброды с яичным салатом. И то, и другое легко приготовить в вашей комнате из готовых вареных яиц. Кроме того, из 4-6 вареных яиц вы можете приготовить их на несколько дней.
Можно ли сварить яйца в микроволновой печи?
Я видел множество советов по варке яиц в микроволновой печи — от того, чтобы не делать этого вообще, до протыкания дырки на дне каждого яйца канцелярской кнопкой перед кипячением, чтобы яйца не взорвались.Я никогда не проделывал дырки в дне яиц, но я использую соль в воде. У меня еще не было взрыва яйца.
Очень важно, чтобы вы либо добавляли соль, либо протыкали дыры. В противном случае велика вероятность того, что ваши яйца могут взорваться. Мокрые яйца и скорлупа, забрызганные всей микроволновой печью, — это совсем не весело убирать.
Я предпочитаю яйца средней варки, у которых желток не совсем твердый, но и не жидкий. Они идеально подходят для завтрака.Это почти как есть яичницу. Я люблю их нарезать и положить поверх пары тостов на закваске.
Однако, если вы хотите приготовить салат из тунца или яичный салат или нарезать вареное яйцо в обычном зеленом салате, я рекомендую варить яйца до тех пор, пока они не станут вкрутую с твердыми желтками.
Как сварить яйца в микроволновой печи
Вы можете использовать миску, подходящую для микроволновой печи, и положить яйца на дно. Затем залейте яйца горячей водой (если есть горячая) примерно на 1/2 дюйма.
Затем добавьте 1/2 чайной ложки соли на каждое яйцо, так что если у вас 6 яиц, это будет 3 чайные ложки соли. НЕ ЗАБЫВАЙТЕ ЭТОТ ШАГ! Это помогает предотвратить взрыв яиц.
Как вы хотите яйца?
- Для яиц, сваренных всмятку, с жидкими желтками, сразу же вытащите их из горячей воды, как только они вынуты из микроволновой печи, и погрузите в ледяную воду.
- Для моих любимых яиц средней варки, когда яйца готовы в микроволновой печи, я оставляю их на 1 минуту в воде.Затем я немедленно кладу их в миску с ледяной водой.
- Если вы хотите, чтобы яйца были сварены вкрутую с твердыми желтками, оставьте яйца в горячей воде на 2-3 минуты.
Как хранить вареные яйца?
- Сразу съесть вареные яйца? Очистите их после того, как они простояли 2–3 минуты в холодной воде.
- Хранить в холодильнике для дальнейшего использования? Высушите яйца, держите их неочищенными, положите в пакет на молнии с бумажным полотенцем и запечатайте.
- Все еще есть картонная упаковка для яиц? Просто положите их обратно и отметьте на коробке, что это вареные яйца, и укажите дату.
* Микроволны могут быть разными, поэтому вам, возможно, придется поэкспериментировать с микроволновой печью, чтобы узнать, какое время лучше всего подходит. Эти времена были основаны на микроволновой печи мощностью 1500 Вт.
Время подготовки: 1 минута
Время готовки: 6 минут
Дополнительное время: 2 минуты
Общее время: 9 минут
Заранее приготовьте вареные яйца и храните их в холодильнике, чтобы легко перекусить или сделать что-нибудь быстрое, например, тунец или яичный салат.
Состав
- 2-6 яиц
- 1/2 чайной ложки соли НА яйцо
- воды достаточно, чтобы покрыть яйца на 1/2 дюйма
Инструкции
- Добавьте от 2 до 6 яиц на дно миски, пригодной для использования в микроволновой печи.
- Залейте яйца водой на высоте не менее 1/2 дюйма над яйцами.
- Добавьте 1/2 чайной ложки соли на каждое яйцо, например, 1 чайную ложку на 2 яйца и 3 чайные ложки на 6 яиц.
- Микроволновая печь 4 минуты для 2 яиц, 5 минут для 4 яиц, 6 минут для 6 яиц.
- Наполните другую емкость льдом и водой или холодной водой.
- Если вы хотите яйца всмятку с жидкими желтками, немедленно выньте яйца из воды и окуните в ледяную воду.
- Если вы хотите яйца вкрутую, оставьте их в горячей воде еще на 2–3 минуты. За две минуты вы получите слегка сливочные желтки. Через три минуты вы получите твердые яичные желтки.
Банкноты
- Вареные яйца лучше всего хранить в скорлупе неочищенными.
- Храните ТВЕРДЫЕ ЯЙЦА в скорлупе в закрытом контейнере с бумажным полотенцем до недели.
- МЯГКИЕ ВАРЕНЫЕ ЯЙЦА хранить в скорлупе в закрытой таре в течение 1-2 дней.
Идеи рецептов вареных яиц
Из вареных яиц можно приготовить несколько вещей:
- Салат из тунца
- вареных яиц
- бутерброды с яичным салатом
- Сюрприз из тунца
Вот немало рецептов, которые можно приготовить для быстрого обеда или ужина из нескольких вареных яиц, приготовленных в микроволновой печи.
Фото: myketoplate.com
Фото: zonacooks.com
Фото: www.wholesomeyum.com
Фото: www.cookingwithcarlee.com
Фото: ustainmycookinghabit.com
Еще рецепты завтрака, которые могут вам понравиться
Микроволновые устройства и схемы Самуэль Ляо
Его можно использовать для считывания показаний направленных ответвителей и тройников волновода….
СВЧ-устройства и схемы, третье изданиеСАМУЭЛ Й. ЛИАО, профессор электротехники, Калифорнийский государственный университет, Фресно
III,
PRENTICE HALL, Энглвуд Клифс, Нью-Джерси 07632Содержание
ПРЕДИСЛОВИЕ Глава O
Глава 1
ВВЕДЕНИЕ
1
0-1
Частоты СВЧ
0-2
Устройства СВЧ
2
0-3
Системы СВЧ
3
0-4
Единицы измерения
ВЗАИМОДЕЙСТВИЕ МЕЖДУ ЭЛЕКТРОНАМИ И ПОЛЯМИ 1-0
Введение
1-1
Движение электрона в электрическом поле
6
1-2
Движение электрона в магнитном поле
10
1-3
Движение электрона в электромагнитном поле
Проблемы
6
6
Рекомендуемая литература
Глава 2
4
12
15
15
ЭЛЕКТРОМАГНИТНЫЕ ПЛОСКИЕ ВОЛНЫ 2-0
Введение
2-1
Уравнения электрических и магнитных волн
16
160003
16 Содержание
vi
2-2 2-3
Теорема Пойнтинга
Равномерные плоские волны и отражение 2-3-1 2-3-2 2-3-3
2-4
Распространение плоских волн в Свободное пространство, 29 Распространение плоской волны в диэлектрике без потерь, 32
Распространение плоской волны в среде с потерями 2-5-1 2-5-2
2-5-3
2-6
32
Плоскость Волна в хорошем проводнике, 33 Плоская волна в плохом проводнике, 35 Плоская волна в диэлектрике с потерями, 36
Распространение плоской волны в металлическом пленочном покрытии на пластиковой подложке 41 2-6-1 2-6-2 2-6-3 2-6-4 2-6-5 2-6-6
Сопротивление поверхности металлических пленок, 42 Оптические константы пластиковых подложек и металлов Пленки, 42 Затухание микроволнового излучения металлического пленочного покрытия на пластиковой подложке, 44 Светопропускание металлического пленочного покрытия на пластиковой подложке.46 Плоская волна в покрытии золотой пленкой на пластиковом стекле, 47 Плоская волна в серебряной пленке или покрытии медной пленкой на пластиковом субстрате, 52
Ссылки
57
Рекомендуемая литература Проблемы Глава 3
21
Равномерно плоские волны , 21 Граничные условия, 23 Равномерное отражение плоской волны, 24
Распространение плоской волны в свободном пространстве и диэлектрик без потерь 29 2-4-1 2-4-2
2-5
19
57
58
ЛИНИИ СВЧ-ПЕРЕДАЧИ 3-0 3-1
Введение
Коэффициент отражения, 67 Коэффициент передачи, 69
Коэффициент стоячей и стоячей волны 3-3-1 3-3-2
3-4
61
Уравнения линии передачи.61 Решения уравнений линии передачи, 64
Коэффициент отражения и коэффициент передачи 3-2-1 3-2-2
3-3
61
Уравнения и решения линии передачи 3-1-1 3-1 -2
3-2
61
Стоячая волна, 71 Коэффициент стоячей волны, 74
Полное сопротивление и проводимость линии 3-4-1 3-4-2
Импеданс линии, 76 Полная проводимость линии, 81
76
71
67
vii
Содержание
3-5 3-6
Таблица Смита
Согласование импеданса 3-6-1 3-6-2
3
.
Для жесткой фиксации провода его приматывают к штанге.



Кроме того, цветовые обозначения проводки могут отличаться от страны к стране. Убедитесь, что вы точно знаете, на что смотрите!

