Микшерный стерео пульт « схемопедия
Микшерный пульт имеет 2 микрофонных и 2 линейных входа, регулировку частотной характеристики и панорамный регулятор. Структурная схема показана на рисунке ниже
Она состоит из 4 блоков предварительного усиления (ПУ1 – ПУ 4),согласующего усилителя (СУ 1- СУ 2), усилителя мощности (УМ) и блока питания (БП).
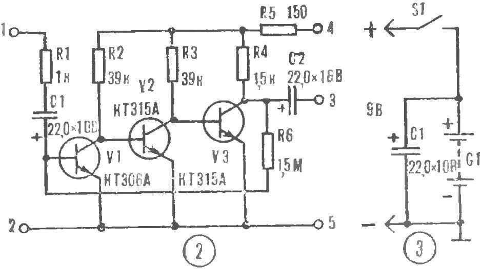
Принципиальная схема предварительного усилителя
Сигнал с входа через конденсатор С1 поступает на линейный усилитель, собранный на VT1. Коэффициент усиления этого каскада равен 20.Усиленый сигнал подается на тембра блок, собранный на VT2. С коллектора через С7 сигнал поступает на регулятор уровня R15, после регулятора уровня сигнал разветвляется с помощью двух согласующих каскадов на VT3 и VT4 на два канала. Нагрузкой этих каскадов служит панорамный регулятор, собранный на R22, R23 и R24. После панорамного регулятора сигнал в каждом канале еще одним каскадом на транзисторах VT5 и VT6.Предварительный усилитель 3-го канала собран без линейного усилителя (VT1), а 4-го канала без линейного усилителя и тембра блока.
Принципиальная схема согласующего усилителя
Выполнен на транзисторе VT 1, включенном по схеме с общим коллектором.
Радиоэлементы: предварительный усилитель
Номинал№Номинал№Номинал
C110 мкФ*10 вR16,2 кR2410 кC210 мкФ*10 вR2360 кR254,7 кC310 мкФ*10 вR3130R264,7 кC42200 пФR43 кR27360 кC52200 пФR58,2 кR286,2 кC65 мкФ-*10 вR651 кR29130C710 мкФ*10 вR78,2 кR30130C850 мкФ*10 вR839 кR31360 кC910 мкФ*10 вR95,6 кR326,2 кC1010 мкФ*10 вR1051 кR33120C1110 мкФ*10 вR11180 кR3433 кC1210 мкФ*10 вR124,7 кR3533 кC13200 мкФ*10 вR13100R3639 кC1410 мкФ*10 вR142,2 к C1510 мкФ*10 вR1533 к C1610 мкФ*10 вR16470 к C1710 мкФ*10 вR1733 к VT1КТ 315 БR1833 к VT2КТ 315 БR19470 к VT3КТ 315 БR204,3 к VT4КТ 315 БR214,3 к VT5КТ 315 БR2210 к VT6КТ 315 БR2310 к
Радиоэлементы: согласующий усилитель
| № | Номинал | № | Номинал |
| C1 | 10 мкФ*15 в | R1 | 27 к |
| C2 | 10 мкФ*10 в | R2 | 30 к |
| C3 | 5 мкФ* 10 в | R3 | 10 к |
| C4 | 10 мкФ*10 в | R4 | 2 к |
| VT 1 | КТ 315 б | R5 | 12 к |
Усилитель мощности собран на двух К174УН7, схема включения стандартная.
Все сигнальные провода и трансформатор экранированные.
Корпус собрал из 3 мм дюралюминия, ручки выточил на токарном станке из оргстекла.
Фотографии микшера:
P.S. Планирую КТ315 заменить на КТ3102, больно шумные оказались 315, и собрать светодиодный индикатор уровня сигнала. В принципе получился не плохой пульт, я 4 года работал звукорежиссером, так что есть, с чем сравнивать.
Автор: Игорь М
Категория: Предварительные усилители и переключатели сигналов
Метки: Источник http://cxem.net, Микшерный стерео пульт, пульт, стерео
Активный микшер как универсальное решение многих проблем для музыкантов
Мы работаем! Возможность отправки товара в ваш регион уточняйте при оформлении заказа. Заказ можно получить на нашем складе и в отделениях Новой почты.
25 Октября 2017, Ср
Профессиональные музыканты часто выступают со своим комплектом звукоусилительного оборудования и прекрасно знают, что чем меньше компонентов в системе, тем ее проще и быстрее доставить, установить, подключить и работать с ней.
Для небольших коллективов существует три основные возможные конфигурации звукоусилительного оборудования:
- Комплект пассивной акустики + усилители мощности + пассивный микшерный пульт + базовые приборы обработки звука (например, ревербератор, фидбэк киллер, процессор эффектов, эквалайзер и т.д. в зависимости от потребностей и финансовых возможностей коллектива).
- Комплект активной акустики + пассивный микшерный пульт + базовые приборы обработки звука.
- Комплект пассивной акустики + активный пульт 3-в-1: микшерный пульт, усилитель мощности и цифровой звуковой процессор!
Как вы сами видите, наиболее оптимальным является вариант c активным микшером. Причем он является оптимальным по всем параметрам – активный микшер занимает меньше места, имеет меньший вес, лучший звук и его настройка происходит в разы быстрее, поскольку все компоненты идеально согласованы и закоммутированы друг с другом, так что при подключении не возникнет вопросов что с чем и в какой последовательности соединять!
Безусловным лидером в этом сегменте рынка являются активные микшерные пульты Динакорд серии PowerMate.
В них прекрасно все – от продуманной секции микшера с параметрическими эквалайзерами, длинноходными канальными фейдерами, мягкими регуляторами посылов и уровня эффектов, до удобного 11-полосного мастер эквалайзера на выходном каскаде, двойного блока DSP с заводскими и пользовательскими эффектами студийного качества, специальными фильтрами для максимально комфортных условий работы вокалиста и музыкантов.
Активные микшерные пульты Динакорд оснащены высококачественными энергоэффективными усилителями класса D, которые при минимальной массе и объеме выдают 2х1000 Вт на 4 Ома для эффективной работы небольшого звукоусилительного комплекта, при этом усилитель имеет все основные схемы защиты. Отдельно стоит отметить профессиональный звуковой интерфейс USB 2.0 с прекрасными АЦП-ЦАП для воспроизведения и записи звукового сигнала. Таким образом, они являются прекрасным вариантом для мобильного применения, инсталляции, применения для репетиций и даже домашней студии.
Однако это не единственный доступный вариант на рынке.
Многие другие компании также выпускают активные микшеры, среди которых хочется особенно выделить активные микшерные пульты Behringer. Их основным отличием является наличие разных форм-факторов и более широкий модельный ряд. При том же наборе основных компонентов (микшерная секция со всеми необходимыми органами управления, блок эффектов и встроенный усилитель мощности класса D) и сопоставимом уровне качества звука, активные микшерные пульты Behringer представлены в нескольких сериях как в традиционном настольном исполнении, так и в корпусе kickback для установки у музыкантов на сцене.
Еще одним неоспоримым преимуществом, которое позволяет купить микшерный пульт Behringer является значительно более приемлемая цена.
Если мы убедили вас купить активный микшер, приглашаем это сделать в нашем интернет-магазине!
Рекомендуемые товары
Сборка микшерной консоли| Аудио форум GroupDIY
Хамнер
Известный член
- #1
Я планировал это в течение прошлого года, но в последние месяц или два это начало становиться реальностью, и я подумал, что рабочий журнал принесет пользу мне и другим, кто заинтересован в этом.
Базовая конфигурация этой консоли будет 24:8:2 с 2 каналами AUX. Его основная цель будет заключаться в микшировании/суммировании, но есть планы включить микрофонные предусилители в первые 8 или 12 каналов. У меня есть рабочие прототипы входных и шинных каналов (та же сумматорная секция будет использоваться и для мастер-шины), и я очень доволен тем, как они получились. На первых фотографиях показан первый входной канал прототипа. Все входы и выходы будут трансформаторно сбалансированными — последние несколько месяцев я копил трансформаторы, и теперь они готовы для использования в моих схемах.
Соединительная плата края печатной платы будет проходить вниз по корпусу, образуя шину.
Сам корпус изготовлен из алюминия марки 5005 толщиной 5 мм и будет отделан деревянными/деревянными боковинами и кожаной подставкой для запястий. У меня была гидроабразивная резка панелей, так как лазерная резка алюминия такой толщины не подходит для отверстий небольшого размера, которые у меня есть. Я использовал 5 мм, так как хочу, чтобы он был прочным и выдержал испытание временем. Измерительный мост будет содержать российские вертикальные измерители громкости NOS, а основной канал L / R — ваш обычный измеритель громкости. Каждая линейка каналов будет иметь встроенные буферы измерителя уровня громкости.
На этом этапе сборки я закончил основной алюминиевый корпус и кожаную подставку для запястий.
вот фото
джрасия
Известный член
- #2
Вау! Это выглядит потрясающе!
Не могу дождаться, чтобы узнать больше.
ruffrecords
Известный член
- #3
Супер круто! Мне нравится цвет передней панели. Очень профессионально выглядящие печатные платы. Отличная работа.
Ура
Ян
Фа-диез минор
Активный член
- #4
Выглядит очень круто! Ждем обновлений
Росинант
Известный член
- #5
Это здорово. Вроде действительно здорово. Очень профессиональный. 8 x Grayhills и xfmr на канал тоже… плюс ступенчатые панорамы… очень круто. Второй DOA для aux?
Очень вдохновляющий мужчина.
Не терпится увидеть основной раздел.
автостопщик
Известный член
- #6
Это УБИЙЦА!
Хамнер
Известный член
- #7
Второй DOA является буфером фейдера. Переключатели Grayhill были источником вдохновения для создания этого микшера. Я закупил большое количество по хорошей цене и продолжал думать о том, каково было бы иметь микшер, полный серых холмов; D
Входные каналы имеют простую топологию: входной трансформатор > неинвертирующий каскад усиления > транзисторный каскад эквалайзера. (дизайн заимствован из микшеров Yamaha 70-х годов) > префейдерный AUX-фейдер переходит на AUX-шину > канальный фейдер + неинвертирующий буфер фейдера > панорамирование и маршрутизация и т. д.
На задней панели моей печатной платы будет запасная маршрутизация шины для ее расширения (когда я захочу позже добавить фантомные или другие шины/микрофонные входы и т. д.).
Идея, стоящая за этим, состоит в том, чтобы стать моей постоянно расширяющейся и модифицируемой консолью, с чем я всегда могу повозиться.
В дальнейшем я делаю каналы компрессора и файлы . Базовая конфигурация постоянно меняется, я продолжаю придумывать новые идеи и вещи, которые хочу изменить, поэтому ключевым моментом является модульность.
Я должен обновлять это почти каждую неделю. Сегодня я придал форму и насухо подогнал деревянные боковые панели — это Tasmanian Blackwood (цвет варьируется от светлого до красного и серого). Завтра они будут отшлифованы до гладкости и смазаны маслом, прежде чем будут установлены на постоянной основе.
У меня также есть фотография, на которой показана первая версия прототипа платы для краевых плат и то, как интерфейсы печатной платы + панели с канальной полосой прототипа.
лн76д
Известный член
- #8
Более чем просто потрясающе!
Скрестим пальцы!
Как ты сделал подлокотник?
Мне нужно сделать один для моей консоли.
У меня есть простая идея, как это сделать, но, может быть, у вас есть идея получше
ипровлек
Известный член
- #9
Удивительно!!!!
И как на нем дрова!!! 8)
Думбаши
Активный член
- #10
Браво! Действительно впечатляет.
Хамнер
Известный член
- #11
ln76d сказал:
Более чем чертовски потрясающе!
Скрестим пальцы!
Как ты сделал подлокотник?
Мне нужно сделать один для моей консоли.
У меня есть простая идея, как это сделать, но, может быть, у вас есть идея получшеНажмите, чтобы развернуть…
Спасибо!
Подлокотник был изготовлен из плинтуса толщиной 66 мм + доски аналогичного размера, нарезанные по длине и скрепленные вместе, чтобы сформировать кусок — так что не нужно придавать форму, вы получаете мгновенную красивую гладкую кривую! Что мне и нравится, потому что у меня нет мастерской по обработке дерева.
Я обернул свой в черную коровью кожу, хороший толстый материал толщиной 2 мм, который, я думаю, дает ему достаточную «набивку», так что вам не нужна дополнительная пена под ним. Вот уродливый снимок нижней стороны, показывающий, как я «прикрепил» кожу. Позже к губе будет добавлена деревянная отделка, чтобы привести ее в порядок. Вы также можете увидеть, как я установил подлокотник, чтобы при необходимости его можно было снять (для транспортировки стола и т. д.).
Хамнер
Известный член
- #12
На этом снимке пробная подгонка деревянных сторон. Я использовал здесь тунговое масло, для полного затвердевания потребуется некоторое время.
Я нашел эти потайные шайбы в местном хозяйственном магазине, которые я предпочитаю головкам с круглой головкой, показанным ранее.
В эти выходные я планирую закончить разработку печатных плат для моих краевых плат, печатных плат разъемов TRS (для выходов и вставок), платы DB25 (для 8-канальных входов) и распределительных щитов сигнала + питания VU (для светодиодного освещения).
ruffrecords
Известный член
- №13
Насколько толстый бортик у твоего бычьего носа? Я пытаюсь найти что-то подобное здесь, в Великобритании. Все вроде толщиной 18 мм.
Ура
Ян
Хамнер
Известный член
- №14
ruffrecords сказал:
Насколько толстая юбка у твоего бычьего носа? Я пытаюсь найти что-то подобное здесь, в Великобритании. Все вроде толщиной 18 мм.
Ура
Йен
Нажмите, чтобы развернуть…
Я использовал 18 мм.
джон12акс7
Известный член
- №15
Очень красиво.
Как вы планируете расширяться в будущем? Как вы упомянули, что он модульный, интересно, как бы вы, например, добавили больше каналов в кадр.
Хамнер
Известный член
- №16
в нем есть место для 36 каналов шириной 34 мм — это не изменится. Когда я говорю «расширить», это больше похоже на удаление одного или двух входных каналов и добавление другого дизайна и т. д. Первоначальный план консоли был в основном для микширования, однако я знаю, что захочу добавить несколько микрофонных входов, поэтому я сделал все подключения. из краевых разъемов, доступных, когда придет время.
На следующей неделе я ожидаю некоторые печатные платы, и я обновлю ветку, которая должна прояснить ситуацию.
р2д2
Известный член
- # 17
WOW
такой хороший проект ,
есть информация о стоимости готового 24 — канального устройства ?
р.
ruffrecords
Известный член
- # 18
Меня интересует конструкция передней панели. Я не могу сказать по фотографиям, сделаны ли они из одного или двух листов материала. Меня особенно интересует, как вы, похоже, утопили гайки переключателей Grayhill.
варпай
Известный участник
- # 19
ruffrecords сказал:
Меня интересует конструкция передней панели. Я не могу сказать по фотографиям, сделаны ли они из одного или двух листов материала. Меня особенно интересует, как вы, кажется, утопили гайки переключателей Grayhill..
Cheers
Ян
Нажмите, чтобы развернуть…
Выглядит как два листа, соединенных между собой винтами с внутренним шестигранником.
джон12акс7
Известный член
- #20
ruffrecords сказал:
Меня интересует конструкция передней панели.
Я не могу сказать по фотографиям, сделаны ли они из одного или двух листов материала. Меня особенно интересует, как вы, кажется, утопили гайки переключателей Grayhill..
Cheers
Ян
Нажмите, чтобы развернуть…
Не знаю, как Хамнер это сделал, но один из вариантов — вы можете фрезеровать круг (или любую форму) с заданной глубиной. Это можно сделать в большинстве мест, в том числе на передней панели Express.
Сделай сам Neve, вдохновленная консолью слежения
Кооператив
Известный член
- #1
Привет всем,
Обычно я работаю инженером FOH/MON в сфере прямых трансляций.
Когда в прошлом году разразился Covid, я начал больше интересоваться записью и сведением в студии. Я всегда делал небольшие записи и построил себе довольно хорошую установку для микширования. В последние годы объем подвесного двигателя рос, и после того, как я закончил свой 24-канальный пассивный суммирующий микшер в стиле Neve, протестировал его пару недель и влюбился в его звук, я, наконец, решил начать новый проект. Это самое большое, что я начал до сих пор.
Вместе с хорошим другом и потрясающим пианистом я хочу создать свою собственную 16-канальную консоль слежения. У него есть две пустые комнаты, одна из которых предназначена для использования в качестве диспетчерской, а другая — как комната для записи. Мы влюбились в трекинг с помощью хорошего оборудования и использовали Protools больше как продвинутую магнитофонную ленту во время трекинга. На данный момент установка состояла из нескольких хороших предусилителей, эквалайзеров, компрессоров и моего живого микшерного пульта (Digico SD11).
Мне понравилось иметь возможность суммировать в столе и отправлять сигналы после затухания в Protools.
За последние пару месяцев мы провели много сеансов онлайн-редактирования/микширования и начали много говорить о винтажном оборудовании и о том, как делались записи до появления USB-интерфейсов. Так родилась идея 16-канального пульта.
Некоторые факты:
Основан на Neve 8014, простая компоновка, но с более современным подходом
16 каналов, загруженных модулями 1073/1084 раздел эквалайзера
Пассивное суммирование в 1272 групповых усилителя
Полностью чистая секция диспетчерской на основе реле с несколькими входами и выходами
Светодиодные индикаторы для каждого канала
Измерители громкости для стереошины
Центральная секция с местом для моего прекрасного 23-дюймового дисплея Apple Cinema
I’ Я открыт для любых ваших идей и предложений
Прилагаю несколько макетов и несколько блок-схем/схем, которые я уже нарисовал
Йоханнес
Последнее редактирование:
Джон Робертс
Известный член
- #3
Это щедрое предложение сделать столько работы бесплатно…
JR
neve2254e
Новый член
- #4
Выглядит хорошо. Как насчет добавления переключателя фейдеров между фейдером канала и ручкой прямого выхода? Таким образом, вы можете поддерживать уровень микса на ручке прямого выхода и уровни райда на фейдере для записи прямого выхода.
Очень удобная функция.
Ура
Эрик Слотер
ruffrecords
Известный член
- #5
Дополнительные вещи, о которых вам, вероятно, следует подумать.
1. Коммутационный отсек. Все консоли Neve имели встроенный коммутационный отсек. Незаменима при подключении внешнего двигателя.
2. Как переключиться с трекинга на миксдаун
3. Возврат FX. Куда они идут?
Ура
Ян
Кооператив
Известный член
- #6
@neve2254e
Спасибо, звучит как хорошая идея. Мой первоначальный план состоял в том, чтобы сделать переключатель Pre/Post для выхода DI, но переключатель фейдера звучит даже лучше.
@ruffrecords
1. Это правда. Коммутационный отсек будет находиться в другой стойке, а не в раме консоли, чтобы размер был минимальным.
2. Хороший вопрос. Нужно подумать об этом.
3. На самом деле он не предназначался для использования в качестве настоящего пульта для микширования. В «режиме микширования» он будет просто служить большим суммирующим микшером.
Моя текущая установка состоит из 4 интерфейсов ввода-вывода Digidesign 192 с 24 аппаратными входами, идущими к коммутационному отсеку, 24 выходами на мой суммирующий микшер и 8 аппаратными входами, идущими непосредственно на мои блоки эффектов, которые я редко использую. Вот почему я не указал доходность FX.
Но я думаю, что не помешало бы иметь пару для будущих нужд.
ruffrecords
Известный член
- #7
Куп сказал:
@ruffrecords
1. Это правда. Коммутационный отсек будет находиться в другой стойке, а не в раме консоли, чтобы размер был минимальным.Нажмите, чтобы развернуть…
Звучит как план
Куп сказал:
2. Хороший вопрос. Нужно подумать об этом.
Нажмите, чтобы развернуть…
Еще в 70-х годах некоторые консоли Neve были оснащены отдельными линейными входами для микширования. Они были в дополнение к обычным линейным входам. Одно огромное реле, Т-образное реле, одним нажатием кнопки переключало все линейные входы на входы микширования. Входы сведения обычно подключались к рождественской елке на задней панели консоли.
Я использую более простую версию в текущей конструкции моего лампового микшера Mark 3. Вместо одного большого реле каждый канал имеет отдельный вход для ремикса, который включается/выключается реле в канальном модуле. Постоянный ток для управления этим реле поступает от шины, так что один переключатель в секции управления может управлять всеми реле одновременно. Для большей гибкости каждый канальный модуль имеет переключатель, который определяет, когда и как постоянный ток управляет реле. В среднем положении AUTO шина постоянного тока управляет реле.
При наложении вы хотите иметь возможность прослушивать уже записанный трек, поэтому вы устанавливаете переключатель в положение PLAY на тех треках, которые напрямую управляют реле. Наконец, во время микширования вы можете не захотеть, чтобы все каналы переключались на входы микширования. Возможно, вы захотите использовать пару для возврата FX. В этом случае вы устанавливаете переключатель в положение REC(ord), и это предотвращает работу реле микширования по шине постоянного тока.
Куп сказал:
3. На самом деле он не предназначался для использования в качестве настоящего пульта для микширования. В «режиме микширования» он будет просто служить большим суммирующим микшером.
Моя текущая установка состоит из 4 интерфейсов ввода-вывода Digidesign 192 с 24 аппаратными входами, идущими к коммутационному отсеку, 24 выходами на мой суммирующий микшер и 8 аппаратными входами, идущими непосредственно на мои блоки эффектов, которые я редко использую.

Я не могу сказать по фотографиям, сделаны ли они из одного или двух листов материала. Меня особенно интересует, как вы, кажется, утопили гайки переключателей Grayhill..

