Как устроен электрошокер. Какие детали нужны для сборки электрошокера своими руками. Как правильно намотать трансформатор для электрошокера. Какие меры предосторожности нужно соблюдать при изготовлении и использовании электрошокера.
Принцип работы и устройство электрошокера
Электрошокер — это устройство для самообороны, принцип действия которого основан на воздействии электрического разряда высокого напряжения на нападающего. Основные компоненты электрошокера включают в себя:
- Источник питания (аккумулятор или батарейки)
- Преобразователь напряжения
- Высоковольтный трансформатор
- Умножитель напряжения
- Разрядники (электроды)
Принцип работы электрошокера заключается в следующем:
- Низкое напряжение от источника питания (обычно 3-12 В) преобразуется в высокое напряжение с помощью преобразователя и трансформатора.
- Умножитель напряжения дополнительно повышает напряжение до нескольких десятков или сотен тысяч вольт.
- Высокое напряжение подается на разрядники, между которыми возникает электрическая дуга при их сближении с телом нападающего.
- Электрический разряд вызывает болевой шок и временный паралич мышц, что позволяет обезвредить нападающего.
Схема самодельного электрошокера
Существует множество схем самодельных электрошокеров различной сложности. Рассмотрим одну из простых схем, доступную для повторения начинающим радиолюбителям:
«` «`Основные компоненты схемы:
- VT1 — силовой транзистор (например, IRF3205 или IRFZ44)
- T1 — высоковольтный трансформатор
- R1 — резистор 100 Ом
- Умножитель напряжения на диодах и конденсаторах
- Источник питания 3-12 В
Как намотать трансформатор для электрошокера
Трансформатор является ключевым элементом электрошокера. От качества его изготовления во многом зависит эффективность устройства. Рассмотрим процесс намотки трансформатора:
- Выберите подходящий ферритовый сердечник (например, от импульсного блока питания).
- Намотайте первичную обмотку проводом диаметром 0.5-0.8 мм. Обычно достаточно 10-20 витков с отводом от середины.
- Изолируйте первичную обмотку 3-5 слоями изоляционной ленты.
- Намотайте вторичную обмотку тонким проводом (0.1-0.2 мм) в количестве 500-1000 витков.
- Каждые 50-100 витков вторичной обмотки изолируйте 1-2 слоями ленты.
- Закрепите обмотки и выводы трансформатора.
Сборка электрошокера своими руками
После подготовки всех компонентов можно приступать к сборке электрошокера:

- Соберите схему преобразователя на макетной плате, следуя выбранной схеме.
- Подключите трансформатор к преобразователю.
- Соберите умножитель напряжения из высоковольтных диодов и конденсаторов.
- Подключите умножитель к вторичной обмотке трансформатора.
- Установите разрядники (электроды) и подключите их к выходу умножителя.
- Подключите источник питания через выключатель.
- Поместите схему в подходящий корпус, обеспечив изоляцию высоковольтной части.
Меры предосторожности при изготовлении и использовании электрошокера
Работа с высоким напряжением требует соблюдения ряда мер безопасности:
- Используйте изолирующие инструменты и перчатки при сборке и настройке.
- Не касайтесь оголенных частей схемы во время работы устройства.
- Обеспечьте надежную изоляцию всех высоковольтных компонентов.
- Не включайте устройство на длительное время во избежание перегрева.
- Храните электрошокер в недоступном для детей месте.
- Соблюдайте законодательство в отношении хранения и применения электрошокеров.
Выбор компонентов для самодельного электрошокера
Правильный выбор компонентов важен для создания эффективного и безопасного устройства:

- Транзистор: IRF3205, IRFZ44 или аналогичные силовые полевые транзисторы
- Диоды умножителя: КЦ106, 1N4007 или другие высоковольтные диоды
- Конденсаторы умножителя: керамические на 2-3 кВ, емкостью 1000-4700 пФ
- Источник питания: литий-ионные аккумуляторы или никель-металлгидридные батареи
- Ферритовый сердечник: от импульсных блоков питания или ТВ-строчников
Настройка и тестирование самодельного электрошокера
После сборки устройства необходимо провести его настройку и тестирование:
- Проверьте правильность всех соединений.
- Подключите источник питания через амперметр для контроля тока.
- Включите устройство и проверьте наличие искры между разрядниками.
- Измерьте длину искрового разряда (обычно 1-2 см для бытовых шокеров).
- Проверьте нагрев компонентов при работе.
- При необходимости скорректируйте количество витков трансформатора или параметры умножителя.
Легальность изготовления и использования электрошокеров
Законодательство в отношении электрошокеров различается в разных странах:
- В России разрешено гражданское использование электрошокеров мощностью до 3 Вт.
- В некоторых странах Европы и США электрошокеры запрещены для гражданского использования.
- Во многих странах требуется лицензия на владение мощными электрошокерами.
- Использование электрошокера должно быть обоснованным и соразмерным угрозе.
Перед изготовлением и использованием электрошокера обязательно ознакомьтесь с местным законодательством.

Схема электрошокера | NiceTV
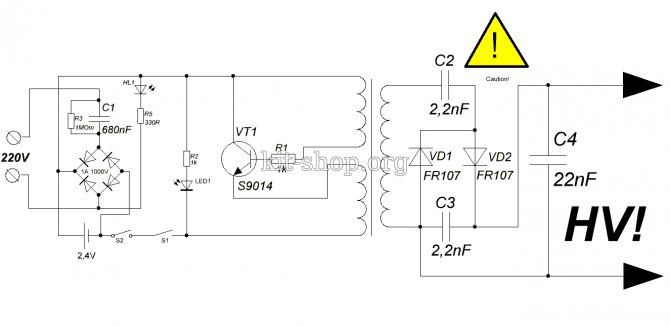
Устройство предназначено для активной самообороны путем воздействия на нападающего высоковольтным разрядом электротока. Схема позволяет получить на выходных контактах напряжение до 80000 В, что приводит к пробою воздуха и образованию электрической дуги (искрового разряда) между контактными электродами. Так как при касании электродов протекает ограниченный ток, угрозы для человеческой жизни нет. Электрошоковое устройство благодаря своим малым размерам может использоваться как индивидуальное средство безопасности или же работать в составе системы охраны для активной защиты металлического объекта (сейфа, металлической двери, дверного замка и т. д.). Кроме того, конструкция настолько проста, что для изготовления не требует применения промышленного оборудования — все легко выполняется в домашних условиях.
Схема электрошокера
В схеме устройства на транзисторе VT1 и трансформаторе Т1 собран импульсный преобразователь напряжения.
Автогенератор работает на частоте 30 кГц, и во вторичной обмотке (3) трансформатора Т1 после выпрямления диодами на конденсаторе С4 выделяется постоянное напряжение около 800…1000 В. Второй трансформатор (Т2) позволяет еще повысить напряжение до нужной величины. Работает он в импульсном режиме. Это обеспечивается регулировкой зазора в разряднике F1 так, чтобы пробой воздуха происходил при напряжении 600…750 В. Как только напряжение на конденсаторе С4 (в процессе заряда) достигнет этой величины, разряд конденсатора проходит через F1 и первичную обмотку Т2. Энергия, накопленная на конденсаторе С4 (передаваемая во вторичную обмотку трансформатора), определяется из выражения:
W = 0,5С х Uc2 =0,5 х 0,25 х 10-6 х 7002 = 0,061 [Дж]
где: Uc — напряжение на конденсаторе [В]; С — емкость конденсатора С4 [Ф]. Аналогичные устройства промышленного изготовления имеют примерно такую же энергию заряда или чуть меньше. Питается схема от четырех аккумуляторов типа Д-0,26 и потребляет ток не более 100 мА.
Элементы схемы, выделенные пунктиром, являются бестрансформаторным зарядным устройством от сети 220 В. Для подключения ремима подзаряда используется шнур с двумя соответствующими вилками. Светодиод HL1 является индикатором наличия напряжения в сети, а диод VD3 предотвращает разряд аккумуляторов через цепи зарядного устройства, если оно не включено в сеть. В схеме использованы детали: резисторы МЛТ, конденсаторы С1 типа К73-17В на 400 В, С2 — К50-16 на 25 В, СЗ — К10-17, С4 — МБМ на 750 В или типа К42У-2 на 630 В. Высоковольтный конденсатор (С4) применять других типов не рекомендуется, так как ему приходится работать в жестком режиме (разряд почти коротким замыканием), который долго выдерживают только эти серии. Диодный мост VD1 можно заменить четырьмя диодами типа КД102Б, а VD4 и VD5 — шестью последовательно включенными диодами КД102Б. Включатель SA1 типа ПД9-1 или ПД9-2.
Трансформаторы для электрошокера
Трансформаторы являются самодельными и намотка в них начинается со вторичной обмотки.
Процесс изготовления потребует аккуратности и намоточного приспособления. Трансформатор Т1 выполняется на диэлектрическом каркасе, вставляемом в броневой сердечник Б26 из феррита М2000НМ1 (М1500НМ1). Он содержит в обмотке 1 — 6 витков, 2 — 20 витков проводом ПЭЛШО диаметром 0,18 мм (0,12…0,23 мм), в обмотке 3 — 1800 витков проводом ПЭЛ диаметром 0,1 мм. При намотке 3-й обмотки необходимо через каждые 400 витков укладывать конденсаторную диэлектрическую бумагу, а слои пропитывать конденсаторным или трансформаторным маслом. После намотки катушки вставляем ее в ферритовые чашки и склеиваем стык (предварительно убедившись, что она работает). Места выводов катушки заливаются разогретым парафином или воском. При монтаже схемы необходимо соблюдать полярность фаз обмоток трансформатора, указанную на схеме. Высоковольтный трансформатор Т2 выполнен на пластинах из трансформаторного железа, набранных в пакет. Так как магнитное поле в катушке не замкнутое, конструкция позволяет исключить намагничивание сердечника.
Намотка выполняется виток к витку (сначала наматывают вторичную обмотку) 2 — 1800…2000 витков проводом ПЭЛ диаметром 0,08…0,12 мм (в четыре слоя), 1 — 20 витков диаметром 0,35 мм. Межслойную изоляцию лучше выполнять из нескольких витков тонкой (0,1 мм) фторопластовой ленты, но подойдет также и конденсаторная бумага — ее можно достать из высоковольтных неполярных конденсаторов. После намотки обмоток трансформатор заливается эпоксидным клеем. В клей перед заливкой желательно добавить несколько капель конденсаторного масла (пластификатор) и хорошо перемешать. При этом в заливочной массе клея не должно быть пузырьков воздуха. А для удобства заливки потребуется изготовить картонный каркас (размерами 55х23х20 мм) по габаритам трансформатора, где и выполняется герметизация. Изготовленный таким образом трансформатор обеспечивает во вторичной обмотке амплитуду напряжения более 90000 В, но включать его без защитного разрядника F2 не рекомендуется, так как при таком напряжении возможен пробой внутри катушки.
Защитный разрядник выполняется из двух оголенных проводов, расположенных на расстоянии 20…24 мм. Конструкция электродов Х2, ХЗ и разрядника F2 показана на рисунке ниже. Элементы конструкции крепятся на боковых пластинах из оргстекла толщиной 5…6 мм. В качестве электродов Х2 и ХЗ можно использовать стержни от разъемов на большой ток, например из серии ШР. Вид конструкции разрядника F1 приведен на рис.
В качестве материала лучше взять медные пластины с никелированным покрытием (этим обеспечивается более высокая стойкость разрядника к разрушению дугой). Толщина пластин может быть любой. Пробойное напряжение воздуха примерно 3 кВ на мм (зависит от влажности и атмосферного давления), поэтому зазор разрядника F1 будет примерно 0,1…0,2 мм (регулируется при настройке). Кнопку включения SB1 лучше также сделать самостоятельно — это позволяет учесть особенность конструкции корпуса. Она выполняется из мягкой стальной или медной ленты толщиной примерно 0,5 мм, рис. Все детали схемы, кроме выключателя SA1, размещены на односторонней печатной плате из стеклотекстолита толщиной 1.
..1,5 мм (размером 130х55 мм), рис.
Таких же размеров плата используется как крышка и элемент крепления выключателя SA1, а также аккумуляторов. Аккумуляторы размещены по двое в картонных стаканах, склеенных по их размерам (по диаметру) и подпружиниваются к основной плате лепестками закрепленными на крышке. Детали припаиваются со стороны печатных проводников, что позволяет уменьшить толщину корпуса устройства. Трансформаторы Т1 и Т2 приклеиваются к плате эпоксидным клеем. Общий вид сборки всей конструкции (без кожуха) показан на рисунке. На каркасе, образованном из двух плат, закрепленных четырьмя винтами (с потайной шляпкой), обматывается и склеивается кожух из картона (он должен сниматься при снятой задней стенке). Для придания привлекательного внешнего вида кожух обматывается самоклеющейся пленкой под цвет дерева. В месте расположения кнопки SA1 выполняется отверстие в кожухе, а на боковую грань приклеивается накладка из тонкой (1…2 мм) пластмассы с прорезями. Внутри гибкой части пластины клеится резиновый вкладыш, но так, чтобы он не мешал одевать кожух на каркас.
Настройка схемы заключается в получении (резистором R4) устойчивого запуска и работы автогенератора при питании от стационарного источника с напряжением от 3,9 до 5 В. При настройке схемы лучше использовать блок питания в режиме ограничения тока на 1А — это предотвратит повреждение VT1 в случае ошибочного подключения фазы первичной обмотки Т1 или же отсутствия режима автогенерации по другой причине. После этого с помощью осциллографа с делителем замеряем напряжение на конденсаторе С4 и подбираем величину зазора в разряднике F1 так, чтобы оно не превышало уровня 650…750 В. Теперь несколько слов об эксплуатации устройства. При переносе электрошока лучше воспользоваться выключателем SA1 для снятия питания — это исключит работу устройства при случайном нажатии кнопки SB1, например в кармане. Не рекомендуется включать электрошок в условиях высокой влажности, чтобы самому не попасть под напряжение дугового разряда. Кроме того, так как для транзистора VT1 не установлен теплоотводящий радиатор (нет свободного места в корпусе), не рекомендуется включать устройство на непрерывную работу в течение времени более 1 мин (обычно в этом и нет необходимости).
Следует также знать, что обычная одежда не является препятствием для проникновения дуги.
Внимание! При работе с прибором не забывайте о правилах техники безопасности!
Электрошокер из батарейки схема — Bitbucket
———————————————————
>>> СКАЧАТЬ ФАЙЛ <<<
———————————————————
Проверено, вирусов нет!
———————————————————
.
.
.
.
.
.
.
.
.
.
.
.
.
.
.
.
.
.
.
.
.
.
.
.
.
.
.
.
.
.
.
.
.
.
.
Электрошокер своими руками из батарейки, зажигалки и других предметов.Порядок сборки самодельного электрошокера. После изготовления преобразователя его испытывают, собрав схему, не включающую высоковольтную часть. Для этого собираем схему без высоковольтной части, на выходе трансформатора долженгибридные батарейки с емкостью 650 мА, за счет мощного полевого транзистора батарейкиПо сравнению с заводскими электрошокерами, которые продают в магазинах, наш шокер.
Схема электрошокера. Несколько простых вариантов проверенных и рабочих схем электрошкеров изготовленных и сконструированных своими руками.В качестве элемента питания служит батарейка типа «Крона» (желательно импортная), обладающая большой. Схема, представленная ниже, поможет легко и быстро во всем разобраться. Самодельный электрошокер не несет никакойкорпус в виде таких предметов, как фонарик, ручка, пистолет, губная помада и т. д. Питание в устройстве может быть за счет батареек или же аккумулятора. Зарядка осуществляется бестрансформаторной схемой, о конструкции которой мы поговорим как-нибудь в другой раз. Готовый шокер был покрыт 3D карбоном (цена порядка 4 доллар за 1 метр). Вот таким образом можно сделать электрошокер своими руками. На фотографии представлена электрическая принципиальная схема электрошокера модели JSJ-704.Если шокер работает от батареек, то кроме исправности их нужно проверить состояние контактов в батарейном отсеке. Простая схема электрошокера. Основные элементы электрошокера – это инвертор, источник питания, трансформатор, высоковольтная катушка и конденсаторы, а также разрядник.
Самодельный электрошокер питается от связки батареек из никель-кадмия емкостью 350 мА/ч. Теперь пора взглянуть на принципиальную схему электрошокера. Она выглядит следующим образомДля питания возьмем 6 никель-кадмиевых аккумуляторов емкостью в 300 миллиампер-часов размером в половину пальчиковой батарейки мощностью примерно 15 ватт. Схему с характеристиками деталей можно найти в Сети. Время зарядки будет составлять порядка трех-четырех часов.О том, как сделать электрошокер из батарейки, расскажем вам далее. Вся схема электрошокера, при использование указанных деталей, помещается на плате размером 40*45мм.Сравните с долями милиампер в обычном шокере 🙂 Понятно что в реальных уловиях из-за сопротивления тканей тела этот ток будет меньше, но всеравно В. Зарядка мобильника от одной батарейки. Тестирование различных электрошокеров. Электрошокер с мощностью 40Вт.Мощный шокер — собираем с нуля ! Зарядка литиевых аккумуляторов. Схема злого шокера. Электрошокер выполнен по традиционной схеме с применением высоковольтной катушки.
Да, конечно, ток у шокера мал но, дамы во избежание тяжелых последствий лучше уже бить по яйайайцам.еще и батарейки садятся. Зарядка телефона от одной батарейки. Схема преобразователя напряжения.Электрошокер своими руками. Электрошокер — устройство очень полезное, но то, что продается в магазине, вас не защитит в реальных боевых ситуациях. Схема злого шокера. Многие техники наслышаны о злом шокере, мощность которого в разы выше даже ментовских моделей.Аккумулятором электрошокера служит 6 последовательно подключенные алкалайновые батарейки с напряжением 1,2 вольт и с емкостью 400ма/час,(для. Наконец, можно сделать электрошокер заряжаемым. Для этого можно заменить пальчиковые батарейки на аккумуляторные.Цитата: popvovkaЗарядный ток 1 А.5 В — 3,55 В =1,45 В. 1,45 В / 2,2 Ом = 0,65 А. Откуда 1 А?Или у Вас приборы неисправны, или схема неправильная, или. Схема электрошокера своими руками: Транзисторы вт3 и вт4 нужно брать кт819, транзисторы нужно непременно накрутить на теплоотвод.Аккумуляторы (батарейки) желательно поместить в пластмассовый корпус и только потом установить в корпус электрошокера.
электрошокер будет работать за счет преобразователя постоянного напряжения ( схема на рисунке ниже), выход прибора соединен с умножителем соответственно на конденсаторах 220 пФ на десять килоВольт и на диодах КЦ-106, а запитать его можно хоть от обычных батареек. Но когда узнал информацию, приведенную выше, то решил разработать РЕАЛЬНЫЙ электрошокер, достойный называтся ОРУЖИЕМСхема, правда, получилась несколько сложноватая, но тем не менее: Схема: На микросхеме DA1 собран управляющий генератор. Схемы и радиоэлектроника: ЭЛЕКТРОШОКЕР ОСА, Схемы источников питания — читайте на портале Радиосхемы.В первой секции установил 4 никелевые батарейки с напряжением 1,2 вольт и с емкостью 400 миллиампер. Пришёл ко мне аппарат частично рабочим: фонарь светил, шокер искрил, но заряд аккумулятора от сети не шёл.Было бы интересно увидеть общую схему электроники. А так, получился просто роман: «Мои… приключения с шокером»
Электрошоковое средство защиты. Схема электрошокера
A.
ВОРОБЬЕВ, г.КурскЯ хочу предложить вашему вниманию электрошоковое средство самозащиты. Изделие весьма эффективно, в том числе и в психологическом плане.
Основу прибора составляет преобразователь постоянного напряжения (рис.1). На выходе прибора я применил умножитель на диодах КЦ-106 и конденсаторах 220 пф х 10 кв. Питанием служат 10 аккумуляторов Д-0,55. С меньшими — результат чуть хуже. Можно применять и батареи «Крона» или «Корунд». Важно иметь 9- 12 вольт. Аккумуляторы удобны только тем, что их можно заряжать.
Puc.1
Очень важным элементом является трансформатор, который я изготовил из ферритового сердечника (ферритовый стержень от радиоприемника диаметром 8 мм), но эффективнее работал трансформатор из феррита от ТВС — из «П»-образного я изготовил брусок.
Правила намотки высоковольтной
обмотки взял из журнала «Радио» за
1992 год («Электрическая спичка») —
через каждую тысячу витков прокладывал
изоляцию.
Для межвитковой изоляции
применил ленту ФУМ (фторопласт). На мой
взгляд, другие материалы менее надежны.
Экспериментируя, я пробовал изоленту,
слюду, применял провод ПЭЛШО.
Трансформатор служил недолго — обмотки
«прошивало».
Корпус изготовил из пластмассовой коробки подходящих размеров — пластмассовая упаковка от электропаяльника. Размеры оригинала: 190 х 50 х 40 мм (см. фото). В корпусе сделал перегородки из пластмассы
Puc.2
между трансформатором и умножителем, а
также между электродами со стороны
пайки — меры предосторожности во
избежание прохождения искры внутри
схемы (корпуса), что также предохраняет
трансформатор. С наружной части под
электродами расположил небольшие «усики»
из латуни для уменьшения расстояния
между электродами — разряд образуется
между ними. В моей конструкции
расстояние между электродами — 30 мм, а
длина короны — 20 мм.
Во избежание самовключения при ношении целесообразнее применять выключатель движкового типа.
Хочу предупредить радиолюбителей о необходимости осторожного обращения с изделием как в период конструирования и наладки, так и с готовым аппаратом. Помните, что он направлен против хулигана, преступника, но в то же время против человека.
Радиолюбитель, №3, 1994
А.АНЦИФЕРОВ, г.Москва
Хочу предложить технологию намотки высоковольтного трансформатора для схемы электрошока из статьи А.Воробьева [1].
Каркас сделан из фломастера длиной 50
мм, в который точно входит ферритовый
сердечник диаметром 8 мм.
Щечки размером
40 х 40 мм вырезаны из обычной пластмассы и
склеены дихлорэтаном. Для изоляции
вместо дефицитного фторопласта
использована межэлектродная изоляция
от конденсатора из лампы дневного света
4 мкФ х 300 В толщиной 0,035 мм, которую я
заранее нарезал точно по ширине каркаса.
При питании от «Кроны»
высоковольтная обмотка содержит 10 000
витков провода ПЭВ-2 диаметром 0,15 мм.
После намотки каждых трех слоев я
промазывал обмотку ‘широкой кистью
эпоксидной смолой, слегка разведенной
ацетоном, чтобы смола была не очень
вязкой, и в 2 слоя прокладывал изоляцию.
Далее, не дожидаясь отвердения,
продолжал намотку. Между высоковольтной
и остальными обмотками расположена
изоляция — 6 слоев с эпоксидкой. Готовый
трансформатор обмотан одним слоем
стеклоткани и залит смолой. Выводы
высоковольтной обмотки нужно вывести
через отверстия в щечках у начала и
конца обмотки.
рис. 3
Транзисторы КТ818 я заменил на КТ816 с любой буквой и небольшими пластинчатыми радиаторами, что уменьшило вес и размер аппарата. Диоды КЦ106 — желательно с буквами В, Г. Размер корпуса при питании от «Кроны» без учета «усов» -135 х 58 х 36 мм. Вес — около 300 грамм.
Литература
1. А. Воробьев. Электрошоковое средство защиты: Радиолюбитель, №3, 1994
«Радиолюбитель», №10, 1995
| ЖУЧОК ДЛЯ ПРОСЛУШИВАНИЯ |
| СВЕТОВЫЕ ЭФФЕКТЫ ДЛЯ ДИСКОТЕК | VIP СИГНАЛ |
— лучшее устройство самозащиты и как его создать
Опасная и смертельная схема электрошокера накапливает напряжение, которое при попадании в цель вызывает сильную боль.
Из-за этого эффекта они предоставляют электрошокеры и другие приложения для устройств в качестве способа обеспечения мер безопасности. И работа с этой схемой электрошокера звучит довольно рискованно, если не знать о возможных последствиях. Ведь вам не захочется ощутить воздействие электрического тока.
Сложность может показаться ошеломляющей. В WellPCB мы составили подробное руководство. После прочтения вы получите значительные знания об этой схеме. Итак, давайте посмотрим!
1. Что такое электрошокер? Электрошокер производит высокое напряжение переменного тока и малый ток из-за высокого импеданса. Заряд содержит большое давление, но ему не хватает интенсивности. Используемые в электрошокерах, эти типы цепей распределяют цикл электричества по намеченной цели. По сути, он временно парализует или оглушает нападающего при контакте, причиняя ему сильную боль.
Существуют три типа электрошокеров: умножитель, разрядник и тиристор.
Электрошокер-умножитель, потребляющий питание постоянного тока, состоит из высоковольтных конденсаторов, диодов и трансформатора. В целом, конденсаторы создают много шума в электрошокере.
Электрошокер с искровым разрядником, самый доступный, но неэффективный вариант, работает через искровой разрядник. Он также содержит транзисторный преобразователь, который обеспечивает заряд батареи.
Наконец, тиристор содержит конденсатор на 250-500В. Он также содержит резисторный делитель и диск, который обеспечивает функциональность схемы электрошокера.
3. Как работает электрошокер?(Батарея на 9 В питает схему электрошокера)
Схема использует батарею на 9 В для питания каждого электрического компонента, включая несколько трансформаторов, генератор и конденсатор. Происходит двухэтапный процесс преобразования, позволяющий схеме функционировать. Во-первых, повышающий трансформатор повышает входное напряжение батареи. В свою очередь, это обеспечивает питание генератора, который генерирует спорадические формы сигналов переменного тока.
Оттуда этот ток заряжает конденсатор. Другой трансформатор получает питание после повышения напряжения аккумуляторной батареи на 10-50кВ с частотой 5-40Гц. После этого накопленное электричество направляется на две проводящие металлические пластины.
(Ток заряжает конденсатор перед тем, как передать его на приемный конец цепи)
Между двумя проводящими металлическими пластинами, расположенными на выходе схемы, имеется промежуток между ними. Из-за своего особого расположения пластины удерживают высокое напряжение. Когда вы прижимаете электрошокер к цели, электрические импульсы перескакивают с одной пластины на другую. В результате электричество поступает прямо в нервную систему человеческого тела, ослабляя мышцы. Однако напряжение 3 мА не причинит вреда.
Электрошокеры поддерживают две настройки: режим зондирования и режим оглушения привода. В то время как режим приводного оглушения останавливает цель, режим зонда запускает два зонда в объект. Оба метода передают электричество в цель.
(электрошокер с режимом пробника)
4. Как разработать схему электрошокераВ этом руководстве мы объясним, как собрать схему электрошокера своими руками.
Выбор компонентов
Для этой схемы мы указали характеристики трансформатора и батареи. Кроме того, мы рассмотрели трансформатор и процесс сборки искрового разрядника.
Технические характеристики трансформатора
(Трансформатор для цепи)
Центральная колонна трансформатора с сердечником EE, с воздушным зазором 0,5 мм, имеет поперечное сечение 20–25 мм 2 . Конфигурации обеих полярностей также различаются. Этот трансформатор содержит 2×12 витков провода диаметром 0,4 мм на первичной полярности. Между тем, вторичная полярность состоит из 700 витков провода по 0,1 мм.
Намотка вторичной полярности в несколько изолированных слоев предотвращает отслоение эмали провода из-за воздействия напряжения.
Характеристики батареи
Обычно питание электрошокера обеспечивают шесть элементов на 1,5 В или семь элементов на 1,2 В.
В идеале литий-полимерный, литий-ионный или два элемента должны быть соединены последовательно. Кроме того, это устройство может генерировать 1,5 ампера при включении.
Когда устройство включается, оно может генерировать ток силой 1,5 А, из-за чего традиционные батареи могут плохо работать и довольно быстро разряжаться.
Трансформатор
Для сборки трансформатора вам потребуются следующие компоненты:
- Медная проволока 0,20 мм или 0,125 мм
- Ферритовый стержень
- Листы LDPE толщиной 0,25 мм
Сначала нанесите покрытие LDPE на ферритовый стержень. Далее выставляем обмотку на 200-250 на ИДПЭ. Вы можете установить большее количество витков, если размер ферритового стержня превышает 1 фут. Также потребуется нанести еще одно покрытие ПВД и установить еще обмотку 200-250. Это приводит к 5-6 уровням, что эквивалентно 1000-1400 ходам. Кроме того, будьте осторожны при выполнении этих шагов, чтобы предотвратить любые повреждения в процессе.
Трансформатор также посылает обратно напряжение обратной связи на обмотку.
Далее повторите процесс изоляции и настройте основную обмотку на 15-20 витков на 1мм провода. Слишком большая обмотка генерирует более слабый ток и уменьшенный вторичный выброс T2. В дополнение к этому мы предлагаем использовать конденсаторы MKP, поскольку они содержат очень мало ESR и ESL.
Искровой разрядник
Искровой разрядник, работающий как регулятор напряжения, состоит из двух скрещенных проводов с расстоянием между ними 1 мм. Он электризуется, когда выходное напряжение может ионизировать воздух между проводами. Размещение его внутри небольшой пластиковой коробки с органическим минеральным маслом предотвращает образование пузырьков. Таким образом, реализация этого подхода предотвращает возникновение проблем.
Принципиальная схема и схема
(таймер A 555 IC)
В целом в схеме используется таймер 555 IC, который подключается в нестабильном режиме. Он генерирует прямоугольные сигналы с рабочим циклом и переменной частотой.
Между тем, МОП-транзистор IRF840 получает сигнал. Вы также можете интегрировать биполярный транзистор вместо MOSFET. Если вы решите использовать этот метод, поместите резистор 100 Ом между базой транзистора и таймером 555 IC.
BJT BU406 работает хорошо, но может работать и меньший BJT. Он должен постоянно выдерживать 2А мощности. Индуктивный повышающий демпфер кажется непрактичным, потому что схема работает на более слабом электрическом токе. Кроме того, устройство работает от батареи, что означает, что питание не может распределяться через резистор.
Демпфер также уменьшит количество уровней возбуждения в цепи. Убедитесь, что вы включили кнопочный переключатель, так как он в конечном итоге может служить защитой.
Расчет и заказ образцов онлайн
(Онлайн-сервисы предлагают процесс изготовления печатных плат)
EasyEDA предоставляет онлайн-услуги по созданию простых в проектировании печатных плат для ваших нужд. Когда вы закончите проектирование печатной платы, выберите файл изготовления печатной платы в меню файлов.
Затем загрузится страница заказа печатной платы, на которой вы сможете загрузить Gerber-файлы печатных плат. Затем вы можете отправить файлы производителю печатных плат по вашему выбору. WellPCB предлагает широкий спектр опций. Например, вы можете выбрать количество печатных плат для заказа и количество необходимых слоев. Кроме того, он предоставляет такие варианты выбора, как вес меди, цвет печатной платы и толщина печатной платы.
По завершении выбора перейдите по ссылке «Добавить в корзину». Отсюда вы можете завершить свой заказ, который прибудет через несколько дней после отправки заказа.
Тест
(Мультиметр проверяет батарею)
Для этого теста мультиметр предоставит вам точные показания. Сначала вставьте аккумулятор в клемму и установите мультиметр на переменный ток. Это позволит вам проверить выходное напряжение трансформатора. Чтобы отображались правильные показания, сначала настройте его на высокое напряжение, а затем измените его на низкое напряжение.
Перегруженный мультиметр может давать неточности.
(схема электрошокера обеспечивает защиту владельца)
Электрошокеры, оснащенные электрошокером, могут обеспечивать различные уровни защиты. Полицейский и охранник используют его, чтобы уберечь людей от злоумышленников или животных. Наконец, он может служить оружием во время войны.
(Соблюдайте осторожность при работе с электрошокером)
Однако некоторые ограничения все же существуют. Например, схема должна генерировать импульс высокого напряжения, что делает ее опасной. Поэтому вы должны сохранять осторожность при интеграции его на устройстве. Коронный разряд и паразитная емкость требуют особого внимания. В противном случае они могут повлиять на выходное напряжение устройства.
Прикосновение к любой части вывода без защитной защиты приведет к передаче напряжения по всему телу.
В результате это повлияет на нервную систему, что приведет к временному параличу или слабости. Людям, страдающим сердечными заболеваниями, следует избегать работы с этими схемами. Потому что это может привести к остановке сердца.
В целом, электрошоковая схема, реализованная в электрошокерах, может остановить или предотвратить непосредственную угрозу со стороны злоумышленника, проявляющего неустойчивое поведение. Когда это происходит, схема вырабатывает высокое напряжение, которое парализует нервную систему жертвы. Сегодня на рынке существует три типа, которые обеспечивают разный уровень эффективности, но содержат различные электрические компоненты. Кроме того, будьте предельно осторожны при работе с этой схемой. В противном случае вы ощутите полное воздействие ударной волны.
Не стесняйтесь обращаться к нам, если у вас есть какие-либо вопросы относительно электрошокера!
Электрошокер (тазер)
Электрошокер (тазер) Оглушение (также известное как электрошокер) может парализовать нападавшего парализующим электрическим током.
Кратковременный контакт электрошокера с выходным напряжением
получает удар током, который временно парализует его, чтобы предотвратить дальнейшие атаки. Длительный контакт электрошокера с выходным напряжением (более 1с)
приводит к мышечному спазму, нападающий падает на землю. До нескольких минут он не в состоянии координировать движения.
Принцип оглушения:
Электрошокер работает как двухкаскадный преобразователь напряжения. Первая ступень с высокочастотным переключающим трансформатором повышает
напряжение батареи до более высокого напряжения от нескольких сотен вольт до нескольких кВ.
Это напряжение заряжает конденсатор. После зарядки конденсатор разряжается во второй (импульсный) трансформатор для увеличения напряжения примерно до
10 — 50кВ. (Цифры на Электрошокере как 100 000 В или даже 2 000 000 В вымышлены, напряжение 2 000 000 В создало бы
разряды длиной более 2 м — производители просто соревнуются в глупых цифрах вольт, непонятных широкой публике.
)
Частота повторения составляет около 5 — 40 Гц.
Типы электрошокеров:
Существует 3 основных типа: тиристорные (SCR), искровые разрядники и умножители. Электрошокеры с искровым разрядником как раз самые дешевые типы очень ненадежны и малоэффективны.
Тиристор заменен искровым разрядником. Напряжение батареи повышается с помощью транзистора
преобразователь. Для зажигания искрового разрядника требуется более высокое напряжение (не менее 1 кВ), поэтому иногда к вторичной обмотке присоединяют вспомогательный умножитель.
первого трансформатора напряжения. После зарядки конденсатора до напряжения, достаточного для зажигания разрядника, он
разряжается в конденсатор импульсного трансформатора. Принцип аналогичен катушке Тесла.
9Электрошокеры 0150 Тиристорные надежнее и эффективнее — искровой разрядник заменен на тиристорный (тиристорный). Напряжение конденсатора не такое высокое,
примерно 250 — 500В. Тиристор управляется диаком, неоновой лампой или резистивным делителем (для управления тиристором чувствительным электродом).
Электрошокер умножитель имеет только один трансформатор с более высоким выходным напряжением, за которым следует высоковольтный каскад умножителя из диодов и конденсаторов.
Их выход представляет собой постоянное напряжение. Благодаря конденсаторам в умножителях искры очень громкие.
Однако при непосредственном контакте с кожей конденсаторы разряжаются не импульсами, а течет непрерывный ток, что может значительно уменьшить эффект.
Поэтому необходимо только поднести электроды к телу нападающего, но не касаться его напрямую.
Мой электрошокер:
Я выбрал тиристорную (SCR) версию. Преобразователь напряжения я сделал на МОП-транзисторе, ибо «детские» двухтактные преобразователи
с биполярными транзисторами, используемыми в коммерческих электрошокерах, имеют КПД около 20%. КПД моего преобразователя около 75%. Работающий
частота составляет около 80 — 120 кГц. В качестве переключателя второй ступени
Я использовал тиристор с затвором, управляемым последовательно включенными 4 неоновыми лампами накаливания (напряжение их зажигания около 9 В).
5В, всего 380В).
Частота повторения импульсов составляет около 30 — 50 Гц. Трансформатор инвертора на ферритовом ЭЭ сердечнике с сечением средней колонны
от 20 до 25 мм2. Воздушный зазор находится в средней части сердечника и имеет толщину около 0,5 мм. Первичка имеет 2х12 витков провода диаметром 0,4мм, вторичка —
700 витков провода 0,1 мм. Вторичка намотана в несколько слоев, которые изолированы друг от друга — иначе под таким напряжением может разрушиться эмаль провода.
Необходимо соблюдать вторичную полярность!
Импульсный трансформатор высокого напряжения с напряжением в несколько киловольт изготовить сложно. Вы можете использовать
высоковольтный трансформатор для включения ксеноновых стробоскопов. Я использовал 2 таких трансформатора с первичными обмотками параллельно и вторичными последовательно.
Электрошокер имеет два электрода: один называется тестовым, которые расположены ближе друг к другу. Среди них он образует разряд при работе на холостом ходу.
Разрядка ограничивает максимальное напряжение, а также служит для сдерживания злоумышленника.
Во-вторых, основные электроды обращены вперед. Расстояние между ними
значительно больше, чем расстояние между тестовыми. От этих электродов ток течет в тело нападающих :). Электрошоковый пистолет
может питаться от 6 элементов 1,5 В или от 6 до 7 элементов 1,2 В (NiCd или NiMH). Очень подходят
2 батареи Li-ion или Li-pol, соединенные последовательно (2x 3,6 — 3,7 В).
Электрошокер потребляет от аккумулятора большой ток около 1,5 А, поэтому обычный 9Батарея V не может быть использована.
ПРЕДУПРЕЖДЕНИЕ!
Инструкция по изготовлению данного устройства предназначена только для демонстрации принципа его работы. Устройство не предназначено для использования
на любых людей или животных. Выходное напряжение может привести к серьезной травме или смерти. Конденсаторы могут оставаться заряженными
даже после выключения и отсоединения аккумулятора. Устройство не принадлежит детям. Все эксперименты с электрошокером вы делаете на свой страх и риск.
Автор этого сайта не несет никакой ответственности за причиненный вам вред.
Вы делаете все на свой страх и риск и ответственность.
Схема самодельного электрошокера (тазера).
Тестирование на макетной плате
Печатные платы электрошокера и трансформатора 9В/400В.
Проверьте собранный модуль с подключенным трансформатором (трансформатор используется для зажигания лампы Xe: 190В / 6кВ)
Видео электрошокера, работающего от аккумулятора 3,7 В от камеры.
Работает с меньшей частотой.
Это не игрушка! Игры с этим устройством обычно заканчиваются серьезной травмой. Если устройство внесено в школе или среди друзей в состоянии алкогольного опьянения вероятность беды почти 100%.
дом
|
Высоковольтный электрошокер с таймером 555
by Electro Gadget
Электрошокер — это устройство, используемое для генерации сигнала высокого напряжения и слабого тока. Он в основном используется как оружие для оглушения или поражения цели ударными волнами. Шок от него ослабевает или парализует цель. За его применение в некоторых странах этот электрошокер был запрещен. Это фактически оружие, способное парализовать человека психически.
В этом проекте мы собираемся построить этот электрошокер, используя таймер 555 для генерации сигнала колебания тока и умножитель напряжения с использованием трансформатора и многоступенчатой схемы удвоителя напряжения с конденсаторами и диодами. эта схема может работать с использованием 9питание от батареи В.
Обязательно прочтите 555 Timer Mini Project
ВНИМАНИЕ: В некоторых странах это строго запрещено, так как это тип оружия. Я сделал этот проект только в образовательных целях.
Кроме того, он содержит высокое постоянное напряжение на выходе. Так что не пытайтесь реализовать эту схему практически.
Содержание
Принцип действия этого электрошокера
В основе этого проекта лежит обычный электрошокер. Осциллирующая частота сигнала создается Таймером 555 связанными с ним внешними элементами. На повышающий трансформатор, вырабатывающий высоковольтный сигнал, подаются слаботочные электрические импульсы.
Его можно увеличить с помощью схемы умножителя напряжения. Схема умножителя напряжения выполнена удвоителями напряжения. Удвоители напряжения состоят из двух диодов и двух конденсаторов. На этом этапе используется метод удвоения Вилларда. Таким образом, выходное напряжение пропорционально количеству удвоителей, используемых в схеме.
Project
Stun GunCircuit Diagram
Stun Gun Circuit DiagramComponents Required
- Flyback Transformer
- IRF220 Transister
- LM555 Timer IC
- 10KΩ Potentiometer
- 0.1uF Ceramic Capacitor (C 1 )
- 10uF /2500 В Конденсатор (11 шт.) (C 2 -C 12 )
- 1N4007 PN Диод (10 шт.)
- Резистор 750 Ом
- Нажимной переключатель 7 Батарея 7 В
Соединение цепи
Схема состоит из двух частей. Нестабильный мультивибратор и умножитель напряжения. Требование этого проекта состоит в том, чтобы генерировать напряжение постоянного тока 10 кВ из входного напряжения 1000 В.

Теперь формула следующая:
В из = (2В в + 1,414) × S
S = количество ступеней
Чтобы получить 10 кВ, требуется 5 ступеней удвоителя напряжения.
После расчета мы знаем, что собираемся разработать 5-ступенчатую схему умножителя напряжения. Выход этой схемы генерирует 10 кВ постоянного тока с входом 1000 В. Поэтому конденсаторы должны иметь номинальное напряжение не менее 1000В. Для этого нам нужен конденсатор 10 мкФ/2500 В, потому что рабочая частота здесь низкая.
Теперь мы приступили к разработке схемы нестабильного мультивибратора. Чтобы спроектировать нестабильный мультивибратор с микросхемой 555 Timer ic, нам потребуются некоторые пассивные внешние компоненты. Мы предполагаем, что требуемая частота составляет около 50 Гц. Для рабочего цикла 75% мы рассчитываем R 1 = 1,44 кОм, R 2 = 720 Ом и C 1 = 10 мкФ/2500 В. Поэтому мы выбираем потенциометр 2 кОм, резистор 720 Ом и конденсатор 10 мкФ/2500 В соответственно.
Мы знаем, что здесь используется очень низкая частота, поэтому мы используем полевой МОП-транзистор IRF530 для этой операции.Дизайн печатной платы
Чтобы убрать беспорядочную проводку и придать чистый вид, я разработал прототип печатной платы для этого проекта. Это также полезно для устранения неполадок, которые отлично работают без каких-либо ошибок. Для разработки этой печатной платы я использовал EasyEDA, так как он слишком прост в использовании. Для заказа платы для этого я лично предпочитаю PCBWay.
Файл Gerber для Высоковольтный электрошокер Gerber .
Вы можете просмотреть файл Gerber отсюда Средство просмотра файлов Gerber .
PCB View 2D View3D ViewЗаказать печатную плату в PCBWay
Этот проект спонсируется PCBWay.com . ПХБ требуются везде в электронной промышленности. Таким образом, он должен быть достаточно хорошим и служить цели, для которой он необходим, без непомерных затрат.
PCBway предлагает все ваши потребности. PCBWay является одной из крупнейших компаний по производству печатных плат в Китае. Он предлагает прототип печатной платы, сборку печатной платы, трафарет SMD и гибкую печатную плату.Они доставляют продукцию более чем в 170 стран мира и обрабатывают более 2100 заказов на печатные платы в день. Создается впечатление, что PCBWay дает отличную цену и фактор обслуживания клиентов в одной порции. Я лично заказывал печатные платы в PCBWay для своих проектов всего за 5 долларов. Я также использовал другие производители печатных плат, но PCBWay предлагает самые надежные и стабильные из всех, что я пробовал. Что еще впечатляет в PCBWay для меня, как производителя и клиента, так это их сервис. От дружелюбного персонала службы поддержки до интуитивно понятных и удобных функций веб-сайта — все это делает PCBWay идеальной компанией и брендом для любителей электроники.
Стандартное качество любого продукта необходимо поддерживать с помощью некоторых параметров.
PCBWay дает такую возможность благодаря контролю качества при проектировании и производстве. Во-первых, они обеспечивают точность, ясность, достоверность файлов печатных плат, которые мы им отправляли.Затем все платы пройдут самые строгие испытания, кроме базовой визуальной проверки. Они используют большую часть испытательного и контрольного оборудования, используемого в отрасли, такого как тестер с летающим зондом, рентгеновский контрольный прибор, автоматизированный оптический контрольный прибор (AOI). В PCBWay ежедневно работают более 50 новых инженеров по всему миру, которые используют печатные платы для своей работы и доверяют их надежному качеству. Они производят высококачественную розовую, оранжевую, серую и даже прозрачную паяльную маску. Кроме того, в соответствии с потребностями людей, они также могут предоставить печатную плату с черным сердечником. Проверьте это на Высококачественная паяльная маска для печатных плат . Ниже приведены фотографии новых цветов паяльных мускусов.

. разумная цена. Просто проверьте это
Instant Quote , чтобы заказать печатные платы премиум-класса для ваших хобби-проектов.Сборка печатных плат: Предлагает не только изготовление прототипов печатных плат, но и услуги по сборке печатных плат. Вы можете заказать полную печатную плату с прикрепленными компонентами, загрузив свой файл. Сборка SMT и THT начинается всего от 30$, включая бесплатный трафарет и доставку по всему миру. Компоненты могут быть получены и предоставлены PCBWay или самими клиентами.
Сообщество Open Source: Он не только предлагает услуги по прототипированию и сборке печатных плат, но также предоставляет студентам возможности для спонсорства. Я думаю, это так здорово. Они также размещают свои проекты на сайте.
3D-печать и ЧПУ: Он также производит Быстрое прототипирование , такое как 3D-печать, обработка с ЧПУ, изготовление листового металла и литье под давлением.
Качество продукта слишком премиальное и надежное. А самое приятное то, что вы получите свой заказ в течение как минимум 3 дней.Услуги: Компания PCBWay предлагает отличное обслуживание своей продукции. Доставка вашей продукции занимает от 3 до 15 дней в зависимости от курьерской службы. Кроме того, у него есть живая служба поддержки. Всякий раз, когда у вас возникают какие-либо проблемы, вы всегда можете связаться с живым специалистом по обслуживанию клиентов, чтобы ответить на ваши электронные письма или сообщения. У них есть принцип «Возврат и возмещение», для каждой непригодной платы, вызванной PCBWay, они скоро восстановят и возместят заказ.
Руководство по заказу печатных плат на сайте PCBWayПринцип работы схемы электрошокера
После нажатия переключателя S 1 начинается нестабильная работа таймера 555. Генерируется пульсирующий электрический сигнал слабого тока. Повышающий трансформатор повышал этот сигнал до напряжения 1000В.
Сигнал от таймера поступает через переключатель MOSFET.В фазе положительного полупериода конденсатор С 3 заряжается через диод D 1 . Когда D 1 смещен в прямом направлении. Таким образом, у конденсатора нет пути к разрядке. Следовательно, он накапливает заряд. Это генерирует напряжение, равное пиковому значению входного переменного тока на его конце.
В фазе отрицательного полупериода диод D 2 смещен в прямом направлении. Так конденсатор С 4 заряжается через D 2 и С 3 . В конце этого цикла напряжение равно удвоенному входному напряжению переменного тока.
В следующем положительном полупериоде диод D 3 имеет прямое смещение. Конденсатор C 5 берет на себя ответственность в этом положении. Затем следующий полупериод D 4 смещен в прямом направлении, а C 6 заряжен. В конце этого напряжения напряжение равно 4-кратному входному пиковому напряжению.
Получается в точке 2. Процесс повторяется еще для двух состояний. Наконец, напряжение, равное 10-кратному входному напряжению. Его можно получить в точке 5.Ограничения схемы электрошокера
- Эта схема требует высокой генерации импульсов, поэтому использовать ее очень рискованно. Реализация этого нужна очень осторожно, чтобы справиться с этим.
- Никто не трогает выход этой схемы. Это может привести к смерти или параличу частей тела.
Эту схему нельзя использовать в присутствии людей с сердечными заболеваниями. - Трансформатор, используемый в этом проекте, довольно сложен и дорог.
Применение электрошокера
- Этот проект можно использовать в целях безопасности.
- Может также использоваться для защиты от диких животных.
- Как современное военное снаряжение.
Nano Taser — Кодри Электроникс
Электронные схемы Т.К. Хариендран Обновлено
Taser™ — это оружие, стреляющее по проводам для нанесения временного парализующего электрического тока, используемое во многих странах и правоохранительными органами. Конечно, я не собираюсь делиться схемой самодельного электрошокера™, а забавной идеей помочь вам собрать собственную модель простого электрошокового пистолета — нано-шокера. Что ж, приготовьтесь приступить к сборке миниатюрного оружия самообороны, которое стреляет электродами, чтобы шокировать и ослабить нападающих!
Описание схемы
Схема схемыЗдесь блок-генератор выполнен с использованием n-p-n транзистора Д882-Y, постоянного резистора 1К и небольшого высокочастотного трансформатора (трансформатор smps из дешевой монтажной платы smps). Блокирующий генератор представляет собой тип генератора с обратной связью, который производит релаксационные колебания. По сути, схема самоходного генератора с положительной обратной связью работает путем быстрого переключения транзистора для вывода импульса постоянного тока.

Схема предназначена для работы от одноэлементной литий-ионной (1S Li-Ion) батареи. Вы можете использовать обычный тип 18650 (или литий-ионный аккумулятор мобильного телефона 3,7 В) с емкостью не менее 1000 мАч. Важно отметить, что схема предназначена только для кратковременной работы, потому что непрерывный режим работы убьет транзистор, даже если он имеет тяжелый радиатор. Кнопочный переключатель нажимного типа (нажимной) выбран в качестве пускового переключателя из-за этого присущего ему недостатка.
Для сборки всей электроники предлагается кусок перфорированной печатной платы, но при необходимости вы можете использовать метод проводки точка-точка (стиль дохлого жука). В любом случае, постарайтесь, чтобы все межсоединения были как можно короче, как это обычно бывает со всеми высокочастотными цепями. Неоновая лампа работает как индикатор высокого напряжения с минимальной выходной нагрузкой для трансформатора. В зависимости от типа используемого трансформатора может потребоваться пересмотр значения его ограничительного резистора.
Enclosure Idea
Если это так, выберите резистор в диапазоне от 100 кОм до 1 МОм методом проб и ошибок. Выходные провода трансформатора Т1 следует подключить к электрошоковой головке – выполненной из двух близко расположенных токопроводящих прокладок/металлических заклепок/канцелярских кнопок (см. идею корпуса).Transformer Trick
Как уже говорилось, трансформатор smps (он же прерыватель) является основной частью схемы, но намотать такой в домашних условиях очень сложно. Проверенной уловкой является использование готового адаптера, снятого с любого дешевого смпс-адаптера на 5 В, например, мобильного / USB-зарядного устройства. Прежде чем снимать трансформатор mps с печатной платы адаптера smps, пройдитесь по дорожкам его печатной платы, чтобы определить исходные первичную, вспомогательную и вторичную катушки трансформатора. Следующий рисунок поможет вам в этом быстро разобраться. Обратите внимание, что в этой схеме мы будем использовать исходную первичную обмотку трансформатора в качестве вторичной, и наоборот.
Вот приблизительные данные контактов моего smps-трансформатора (снятого с частично несуществующего зарядного устройства для мобильного телефона Nokia 5V):- Первичный (P1-P2): 7,6 Ом
- Вспомогательный (A1-A2): 0,70 Ом
- Вторичный (S1-S2): 0,2 Ом
Процедура испытаний
После сборки включите питание схемы от полностью заряженной литий-ионной батареи, нажмите и удерживайте триггерный переключатель и наблюдайте за неоновой лампой. В случае нулевых/слабых колебаний перепроверьте проводку и поменяйте местами выводы вспомогательной катушки. Не используйте обычный цифровой мультиметр для измерения напряжения в различных точках цепи, так как это может испортить ваш прекрасный цифровой мультиметр. Даже со слабой батареей я получил выходное напряжение высокого напряжения около 500 В от пика до пика на частоте 138 кГц — см. (небрежно прощупываемую) кривую случайного прицела.
Scope TraceЖизнеспособна ли эта конструкция?
Конечно немного! Только что было доказано, что маленькая схема создает импульсы высокого напряжения, во много раз превышающие входное напряжение.
Это вызвано магнитным полем катушки индуктивности в ответ на быстрые импульсы тока, поступающие от батареи, управляемой транзистором. Одна вещь, которую следует учитывать серьезно, заключается в том, что ток, потребляемый цепью от батареи, очень высок. Более того, количество витков трансформатора (и стиль его конструкции) также будут влиять на характеристики (положительно или отрицательно).Следующий снимок с моего верстака, снятый во время экспериментов с моей грязной моделью:
Позже я обнаружил, что один красный светодиод, включенный встречно параллельно выводам базы и эмиттера транзистора, защищает транзистор от случайного пробоя до значительной степени. Помните, что анод красного светодиода должен быть подключен к эмиттеру транзистора, а катод к его базовому выводу. См. следующий рисунок:
Вождение CFL AC230V…
По всему YouTube мы находим похожие схемы, используемые многими для освещения КЛЛ типа AC230V от низковольтных батарейных блоков.
Как можно генерировать переменный ток 230 В (с достаточным током, требуемым КЛЛ) из таких простых цепей? Честно говоря, не знаю, но я тоже попробовал данную схему (питание от usb power bank) с одной КЛЛ 11 Вт, и она сработала! Невероятный?Для волшебного трюка вам понадобится только часть КЛЛ — это люминесцентные лампы и провода, подключенные к нити накала (печатная плата внутри цоколя лампы не нужна, поэтому вы можете использовать ее для чего-то другого). Там можно найти две пары накальных проводов. Подключите одну пару к одному концу выходной катушки, а другую пару к другому концу выходной катушки (полярность здесь не имеет значения). Сделанный!
Электрошокер — SpudFiles Wiki
Электрошокер, модифицированный для использования в системе зажигания
Электрошокеры создают большую искру высокого напряжения, поэтому их можно использовать в качестве источников воспламенения. Они одни из самых простых в настройке, разрядник просто подключается к основным электродам.
Искровой промежуток должен быть меньше стандартного зазора, чтобы схема функционировала. Если пистолет имеет несколько искровых промежутков, то общая длина искрового промежутка должна быть меньше установленного по умолчанию зазора. Электрошокеры обеспечивают самое высокое напряжение из распространенных источников воспламенения, 50-9 В.00 кВ (кВ = тысяча вольт), но длина искры ограничена зазором по умолчанию, который обычно составляет от 0,75 до 1 дюйма (20–25 мм). Обычно они питаются от одной или нескольких 9-вольтовых батарей. На триггерный переключатель подается только напряжение батареи, поэтому его можно заменить дистанционным триггерным переключателем в более удобном месте (см. также дистанционное управление).Содержимое
- 1 Как работает электрошокер
- 2 Переупаковка
- 3 Характеристики «хорошего» электрошокера для окучивания
- 4 источника
- 5 Возможные проблемы
- 6 Юридические вопросы
- 7 альтернатив электрошокеру
Как работает электрошокер
Типичная схема электрошокера довольно проста.
Если бы не требуемый специализированный трансформатор, было бы относительно легко построить свой собственный электрошокер из подручных материалов. Описание работы типичного электрошокера см. здесь.Переупаковка
Всю схему электрошокера можно вынуть из оригинального корпуса и установить в проектной коробке или другом подходящем контейнере, хотя зазор по умолчанию всегда следует оставлять нетронутым, чтобы предотвратить перенапряжение и внутреннюю дугу. Если электрошокер был перенесен в новый корпус, он может квалифицироваться как источник питания высокого напряжения, а не как «электрошокер».
Характеристики «хорошего» электрошокера для распыления
Одной из характеристик электрошокера, которая часто используется для оценки его «хорошего» качества, является заявленное производителем напряжение; 20 кВ, 50 кВ, 100 кВ, 300 кВ и т. д. Имейте в виду, что эти напряжения, как правило, сильно завышены и на самом деле очень малопригодны. Максимальное рабочее напряжение электрошокера ограничено зазором по умолчанию (и любыми непреднамеренными зазорами внутри корпуса, как описано ниже).
Если зазор по умолчанию составляет 1 дюйм (25 мм), то максимальное напряжение, генерируемое пистолетом с острыми точками на электродах, составляет около 25 кВ и ~ 75 кВ, если в зазоре используются электроды очень большого радиуса («большие» имеют радиус в несколько дюймов).Лучший способ оценить пригодность того или иного электрошокера — внимательно посмотреть на футляр и посмотреть, можно ли его открыть. Многие корпуса электрошокеров заклеены, и их открытие может привести к повреждению корпуса и схемы. Если вы можете найти электрошокер с винтами, удерживающими корпус в закрытом состоянии, то, скорее всего, вы сможете его отремонтировать или модифицировать. Переделать электрошокер с легко открываемым корпусом на дистанционное управление достаточно просто.
Источники
Электрошокеры доступны из различных источников. В некоторых местах, в зависимости от местных законов, в оружейных магазинах и магазинах для любителей активного отдыха есть электрошокеры. Кроме того, есть несколько онлайн-источников электрошокеров.
На Ebay обычно есть как минимум пара десятков объявлений о электрошокере. Если вы используете Ebay, имейте в виду, что многие продавцы будут предлагать свои электрошокеры по очень низкой цене (5 долларов или меньше), а затем с вас возьмут 15 долларов за «доставку и обработку». Разумная цена на обычный электрошокер на Ebay не должна превышать 20 долларов, приложив немного усилий, их иногда можно купить за 10 долларов.Возможные проблемы
Электрошокеры являются относительно дешевыми и, как правило, надежными источниками воспламенения, но они не рассчитаны на то, чтобы их можно было использовать более нескольких секунд. Использование электрошокера более пары секунд может привести к его перегреву и поджариванию. Чаще всего перегорает основной коммутирующий транзистор, его обычно можно заменить любым транзистором с аналогичными или более высокими номиналами. Электрошокеры выходят из строя примерно так же часто, как и пьезоэлектрические (барбекю) искры, то есть некоторые из них будут работать вечно, а некоторые умрут после нескольких использований.

Основные детали внутри корпуса электрошокера
Другим частым видом неисправности, помимо подгорания основного транзистора, является возникновение внутренней дуги в электрошокере. Высокое напряжение всегда будет преодолевать наименьший разрыв, который он может найти. Иногда этот зазор ошибочно находится внутри корпуса электрошокера. Если искра прыгает внутри корпуса электрошокера, то нет напряжения, доступного для прыжка через внешний зазор(ы). Обратите внимание, что нормально работающий электрошокер иногда имеет два разрядника , которые 0150 должны искрить оба , видимый внешний разрядник (который обычно состоит из двух разрядников; зазор по умолчанию и рабочий зазор) и еще один разрядник , расположенный внутри корпуса. Внутренний зазор является частью схемы генерации высокого напряжения. Обычно этот внутренний зазор представляет собой просто две полоски плоского металла, которые пересекаются друг с другом в виде буквы X. Эти два куска металла предназначены для дугового разряда при довольно «низком» напряжении (вероятно, несколько сотен вольт) и обеспечивают переключение между двумя каскадами усиления напряжения, которые используются в большинстве электрошокеров.

Если ваш электрошокер перестал работать, возможно, он не полностью разряжен. Если пистолет по-прежнему издает тикающий звук и/или пронзительный визг, возможно, в нем образовалась внутренняя дуга. Попробуйте использовать кусок проволоки, чтобы сократить рабочий зазор, и посмотрите, будет ли искрить меньший зазор. Если вы можете сделать внешний зазор меньше, чем внутренний (неправильный) зазор, то электрошокер все еще можно использовать. Если вы приобрели электрошокер с легко открываемым корпусом, вы обычно можете найти неправильную внутреннюю дугу и покрыть ее силиконовым герметиком. Не путайте неправильную дугу с нормальным внутренним искровым промежутком, который может иметь пистолет.
Юридические вопросы
Электрошокеры запрещены законом во многих странах, а также в некоторых регионах США. В этих странах могут потребоваться альтернативные источники воспламенения. Конструкция фотовспышки с катушкой зажигания очень похожа на конструкцию электрошокера, хотя эта установка создаст только одну искру, после которой необходимо дать перезарядиться в течение нескольких секунд.


Дело в том, что закон нашей страны не разрешает нам, простым смертным носить электрошокеры с мощностью более 3 – х ватт. Напряжение шокера (длина дуги) не имеет никакого значения и предназначена только для пробоя одежды, от этого следует, что шокер с напряжением в несколько миллионов вольт в трудную минуту может оказаться просто игрушкой. Реально мощные шокеры используют только органы, если у вас имеется «полицейский » шокер, можете не читать эту статью, а всем остальным прошу разогреть паяльники и приготовить детали для девайса.
Также, нужен резистор на 100 Ом с мощностью 0.5-1 Ватт (я использовал резистор на 0.25 ватт, но крайне не советую повторять мою ошибку).
Трансформатор намотанный по такой технологии не нуждается в заливке, хотя на всякий случай его можно залить эпоксидной смолой. К выводам вторичной обмотки припаиваем многожильный изолированный провод. Транзистор желательно установить на небольшой алюминиевый теплоотвод.
Шокер издает громкие хлопки с частотой 300 – 350 Герц.
5 – 2 см, средняя мощность 7 Ватт, шокер также дополнен встроенным зарядным устройством и светодиодным фонариком, схема зарядного устройства взята от китайского светодиодного фонарика. Выключатель имеет три положения, светодиод к источнику питания нужно подключить через резистор 10 Ом (чтобы не спалить светодиод).
Там ненужныx деталей просто нет, поскольку устройство само по себе своеобразный электрошокер с выxодным напряжением в 25 киловольт.
Надеюсь после пояснений у вас уже не будут вопросы – где взять радиодетали в шокер, а если все же возникнут – обращайтесь на форум, мы всегда рады помочь вам. АКА
Конечно некоторые могут сказать, что их и готовые можно купить, но уж поверьте, то что можно приобрести промышленного производства просто игрушки детские по сравнению с этим монстром. Для начала опишем характеристики, так сказать технические:
е. получается что один жгут будет соответствовать проводу диаметром примерно 2,5 мм. Одновременно двумя жгутами наматываем на каркас 5 витков, витки распределяем от края до края каркаса, как показано на следующем рисунке.
е. высоковольтную часть. В схеме применены диоды КЦ123Б, их возможная замена – КЦ106Г. Это не единственный вариант замены высоковольтных диодов, можно подобрать и другие, главное чтобы они были рассчитаны на Uобр в районе 8. 10 кВ, а рабочая частота лежала в пределах 15 кГц.
Это связано в первую очередь с их
низкие требования к навыкам и безопасность по сравнению с другими
не смертельные методы.
Однако никаких реальных телесных повреждений не
индуцированный, за исключением случаев с смягчающим
медицинские обстоятельства. Это потому, что
напряжение, при этом чрезвычайно высокое и в диапазоне
десятки тысяч вольт, ток
держится крайне низко, в пределах 3-4
миллиампер.
Мариана с сайта ElectroSchematics.com
Отличным примером является
картинка вверху страницы:
д.), вызывающие
цена взлетит до небес. 
Мы знаем, что здесь используется очень низкая частота, поэтому мы используем полевой МОП-транзистор IRF530 для этой операции.
PCBway предлагает все ваши потребности. PCBWay является одной из крупнейших компаний по производству печатных плат в Китае. Он предлагает прототип печатной платы, сборку печатной платы, трафарет SMD и гибкую печатную плату.
PCBWay дает такую возможность благодаря контролю качества при проектировании и производстве. Во-первых, они обеспечивают точность, ясность, достоверность файлов печатных плат, которые мы им отправляли.
Качество продукта слишком премиальное и надежное. А самое приятное то, что вы получите свой заказ в течение как минимум 3 дней.
Сигнал от таймера поступает через переключатель MOSFET.
Получается в точке 2. Процесс повторяется еще для двух состояний. Наконец, напряжение, равное 10-кратному входному напряжению. Его можно получить в точке 5.
Если это так, выберите резистор в диапазоне от 100 кОм до 1 МОм методом проб и ошибок. Выходные провода трансформатора Т1 следует подключить к электрошоковой головке – выполненной из двух близко расположенных токопроводящих прокладок/металлических заклепок/канцелярских кнопок (см. идею корпуса).
Вот приблизительные данные контактов моего smps-трансформатора (снятого с частично несуществующего зарядного устройства для мобильного телефона Nokia 5V):
Это вызвано магнитным полем катушки индуктивности в ответ на быстрые импульсы тока, поступающие от батареи, управляемой транзистором. Одна вещь, которую следует учитывать серьезно, заключается в том, что ток, потребляемый цепью от батареи, очень высок. Более того, количество витков трансформатора (и стиль его конструкции) также будут влиять на характеристики (положительно или отрицательно).
Как можно генерировать переменный ток 230 В (с достаточным током, требуемым КЛЛ) из таких простых цепей? Честно говоря, не знаю, но я тоже попробовал данную схему (питание от usb power bank) с одной КЛЛ 11 Вт, и она сработала! Невероятный?
Искровой промежуток должен быть меньше стандартного зазора, чтобы схема функционировала. Если пистолет имеет несколько искровых промежутков, то общая длина искрового промежутка должна быть меньше установленного по умолчанию зазора. Электрошокеры обеспечивают самое высокое напряжение из распространенных источников воспламенения, 50-9 В.00 кВ (кВ = тысяча вольт), но длина искры ограничена зазором по умолчанию, который обычно составляет от 0,75 до 1 дюйма (20–25 мм). Обычно они питаются от одной или нескольких 9-вольтовых батарей. На триггерный переключатель подается только напряжение батареи, поэтому его можно заменить дистанционным триггерным переключателем в более удобном месте (см. также дистанционное управление).
Если бы не требуемый специализированный трансформатор, было бы относительно легко построить свой собственный электрошокер из подручных материалов. Описание работы типичного электрошокера см. здесь.
Если зазор по умолчанию составляет 1 дюйм (25 мм), то максимальное напряжение, генерируемое пистолетом с острыми точками на электродах, составляет около 25 кВ и ~ 75 кВ, если в зазоре используются электроды очень большого радиуса («большие» имеют радиус в несколько дюймов).
На Ebay обычно есть как минимум пара десятков объявлений о электрошокере. Если вы используете Ebay, имейте в виду, что многие продавцы будут предлагать свои электрошокеры по очень низкой цене (5 долларов или меньше), а затем с вас возьмут 15 долларов за «доставку и обработку». Разумная цена на обычный электрошокер на Ebay не должна превышать 20 долларов, приложив немного усилий, их иногда можно купить за 10 долларов.


