Как собрать паяльную станцию своими руками. Какие компоненты нужны для сборки паяльной станции. Как правильно настроить и откалибровать самодельную паяльную станцию. На что обратить внимание при сборке паяльного фена.
Компоненты для сборки паяльной станции
Для сборки паяльной станции своими руками потребуются следующие основные компоненты:
- Фен от паяльной станции (например, Luckey-702)
- Микроконтроллер Atmega8
- Симистор и оптопара
- Индикатор с общим катодом
- Резисторы, конденсаторы, транзисторы
- Печатная плата
- Блок питания на 24В
- Корпус для станции
Важно выбрать качественные комплектующие, особенно это касается фена и микроконтроллера, так как от них во многом зависит надежность и точность работы всей станции.
Схема паяльной станции и особенности сборки
Принципиальная схема паяльной станции довольно простая, но имеет несколько важных нюансов:
- Схема чувствительна к наводкам, поэтому нужно использовать керамические конденсаторы в цепи питания микроконтроллера
- Желательно разместить симистор и оптопару на отдельной печатной плате
- Важно правильно подключить все провода от фена к плате управления
- Необходимо настроить напряжение питания моторчика фена
При сборке рекомендуется сначала подключить все компоненты, кроме нагревателя, и проверить работу схемы на холостом ходу. Это позволит избежать повреждения дорогостоящих элементов при ошибках монтажа.

Настройка и калибровка паяльной станции
После сборки паяльную станцию необходимо правильно настроить и откалибровать:
- Подстроечным резистором R5 настроить показания индикатора на комнатную температуру
- Резистором R34 отрегулировать напряжение питания моторчика фена (12В или 24В в зависимости от модели)
- Проверить напряжение на 28 ноге микроконтроллера — оно должно быть 0,9В
- При необходимости пересчитать и подобрать номиналы делителя R37/R36
- Подключить нагреватель и откорректировать показания температуры резистором R5
Правильная калибровка обеспечит точный контроль температуры и стабильную работу паяльной станции.
Функции управления паяльной станцией
Самодельная паяльная станция имеет следующие функции управления:
- Кнопки T+ и T- для изменения заданной температуры
- Кнопка M для сохранения 3 предустановленных значений температуры
- Функция автоматического охлаждения фена при установке на подставку
- Индикация режимов работы на дисплее
Для сохранения температуры в память нужно удерживать кнопку M до двойного звукового сигнала. Это позволяет быстро переключаться между часто используемыми режимами пайки.

Особенности работы с термовоздушным феном
При использовании термовоздушного фена в составе паяльной станции важно учитывать следующие моменты:
- Фен автоматически переходит в режим охлаждения при установке на подставку с магнитом
- Охлаждение продолжается до достижения температуры 50°C
- При холодном фене или низких оборотах на дисплее отображаются прочерки
- Остановить фен можно установкой на подставку или снижением оборотов до нуля
Правильное обращение с феном продлит срок его службы и обеспечит качественную пайку и демонтаж компонентов.
Проверка и тестирование паяльной станции
После сборки и настройки необходимо тщательно проверить работу паяльной станции:
- Протестировать нагрев до разных температур
- Проверить точность поддержания заданной температуры
- Убедиться в правильной работе функции охлаждения
- Проверить сохранение и вызов предустановленных температур
- Выполнить пробную пайку и демонтаж компонентов
Только после успешного прохождения всех тестов можно приступать к полноценному использованию самодельной паяльной станции. При обнаружении проблем необходимо выявить их причину и устранить.

Преимущества самодельной паяльной станции
Сборка паяльной станции своими руками имеет ряд преимуществ по сравнению с покупкой готового устройства:
- Значительная экономия средств
- Возможность кастомизации под свои нужды
- Лучшее понимание принципов работы устройства
- Возможность самостоятельного ремонта и модернизации
- Чувство гордости за собственноручно созданный инструмент
При этом качество самодельной станции при правильной сборке не уступает заводским аналогам, а в некоторых аспектах может даже превосходить их.
Подключение фена к схеме управления
Правильное подключение проводов фена к плате управления критически важно для корректной работы паяльной станции. Типовая схема подключения выглядит следующим образом:
- Белый и серый провода — к нагревательному элементу
- Коричневый провод — плюс питания вентилятора
- Синий провод — минус питания вентилятора
- Черный и красный провода — к термопаре
- Желтый и зеленый провода — обычно не используются
Однако конкретная распиновка может отличаться у разных моделей фенов. Поэтому перед подключением рекомендуется разобрать фен и проверить, куда идут провода внутри него. Это позволит избежать ошибок при монтаже.

Настройка температурных режимов
Для удобства работы с разными типами припоев и компонентов полезно настроить несколько предустановленных температурных режимов:
- 200°C — для низкотемпературных припоев
- 300°C — для стандартных припоев
- 350°C — для бессвинцовых припоев
- 400°C — для демонтажа многослойных плат
Эти значения можно сохранить в память станции с помощью кнопки M. При необходимости их всегда можно скорректировать под конкретные задачи.
Меры безопасности при работе с паяльной станцией
При использовании самодельной паяльной станции важно соблюдать следующие меры безопасности:
- Не оставлять включенную станцию без присмотра
- Работать в хорошо вентилируемом помещении
- Использовать термостойкую подставку для фена
- Не касаться нагретых частей фена и только что припаянных деталей
- Регулярно проверять целостность изоляции проводов
- При появлении запаха гари немедленно отключить станцию от сети
Соблюдение этих простых правил позволит избежать ожогов и других травм при работе с паяльной станцией.

Возможные проблемы и их устранение
При эксплуатации самодельной паяльной станции могут возникнуть следующие проблемы:
- Нестабильная температура — проверить калибровку и состояние термопары
- Не работает вентилятор — проверить подключение и напряжение питания
- Нет нагрева — проверить нагревательный элемент и симистор
- Некорректные показания дисплея — проверить подключение и настройку индикатора
- Произвольное включение/выключение — проверить качество пайки и отсутствие наводок
Большинство проблем можно решить самостоятельно, внимательно проверив монтаж и настройки станции. В сложных случаях может потребоваться замена вышедших из строя компонентов.
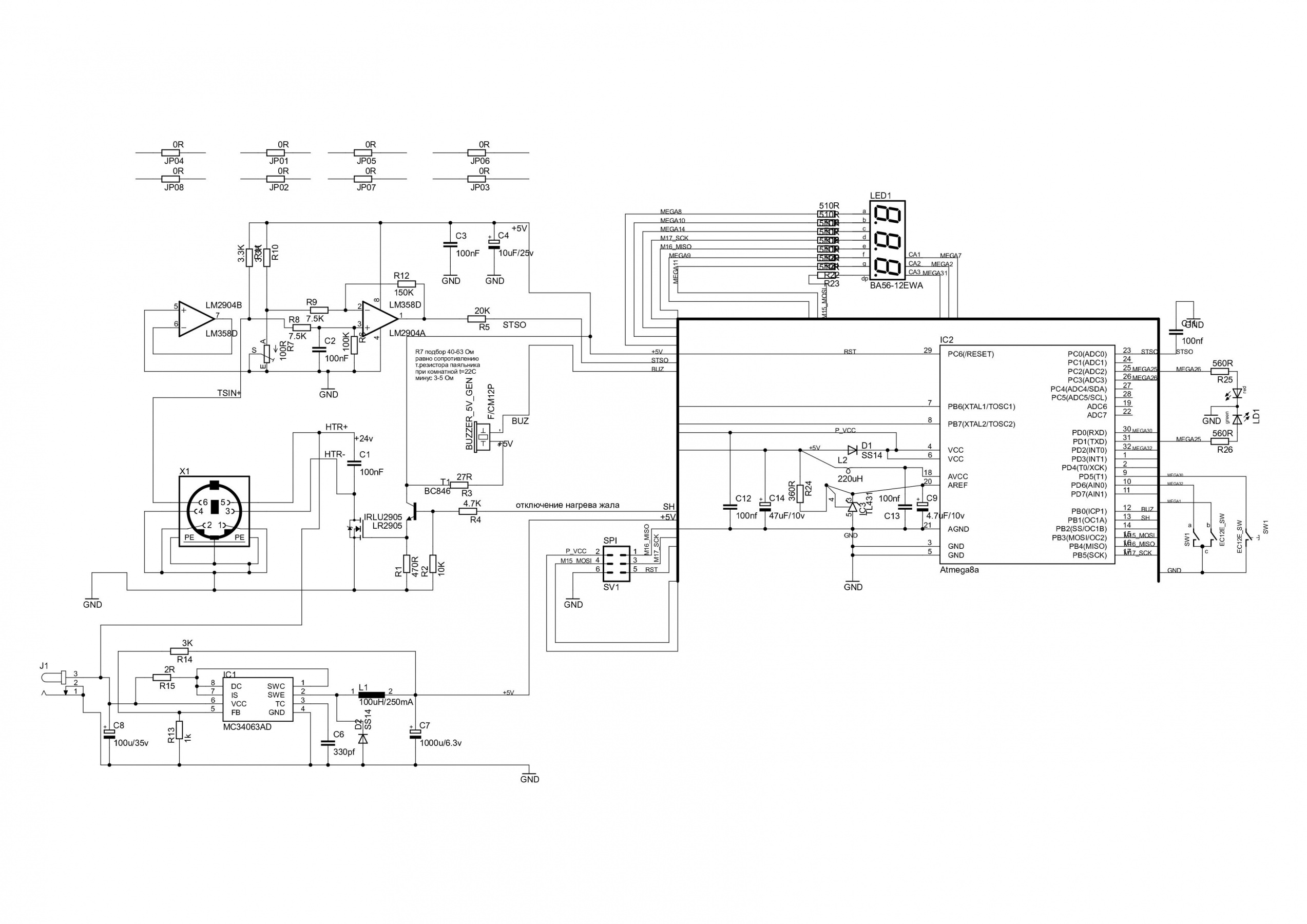
СХЕМА ПАЯЛЬНОЙ СТАНЦИИ
Давно мечтал о паяльной станции, хотел пойти и купить – но как-то не по карману мне было. И решил сделать сам, своими руками. Купил фен от Luckey-702, и начал потихоньку собирать по приведенной схеме ниже. Почему выбрал именно эту электросхему? Так как видел фото готовых станций по ней и решил, что она рабочая на 100%.
Принципиальная схема самодельной паяльной станции
Схема простая и довольно неплохо работает, но есть нюанс – очень чувствительная к наводкам, поэтому желательно навешать побольше керамики в цепи питания микроконтроллера. И по возможности сделать плату с симистором и оптопарой на отдельной печатной плате. Но я так не делал, для экономии стеклотекстолита. Сама схема, прошивка и печатка прилагаются в архиве, только прошивка под индикатор с общим катодом. Фьюзы для МК Atmega8 на фото ниже.
Для начала разберите ваш фен и определите на какое напряжение у вас стоит моторчик, потом подключите все провода к плате кроме нагревателя (полярность термопары можно определить подключив тестер).
Примерная распиновка проводов фена Luckey 702 на фото ниже, но рекомендую разобрать свой фен и посмотреть что и куда идет, сами понимаете – китайцы, они такие!
Затем подайте питание на плату и переменным резистором R5 настройте показания индикатора на комнатную температуру, потом отпаяйте резистор на R35 и подстроечником R34 отрегулируйте напряжение питания моторчика. А если он у вас на 24 вольт, то отрегулируйте 24 вольт. И после этого померяйте напряжение на 28 ноге МК – там должно быть 0,9 вольт, если это не так пересчитайте делитель R37/ R36 (для 24 вольтового моторчика соотношение сопротивлений 25/1, у меня 1 кОм и 25 кОм), напряжение на 28 ноге 0,4 вольт – минимальные обороты, 0,9 вольт максимальные обороты. После этого можете подключить нагреватель и если понадобится откорректировать температуру подстроечником R5.
Немного об управлении. Есть три кнопки для управления: Т+ ,Т-, М. Первые две изменяют температуру, нажимая один раз кнопку значение меняется на 1 градус, если удерживать то значения начинают быстро меняться.
Кнопка М – память позволяет запоминать три значения температуры, стандартно это 200, 250 и 300 градусов, но вы можете изменить их как вам удобно. Для этого надо нажать кнопку М и удерживать пока не услышите дважды подряд сигнал бипера, тогда можете кнопками Т+ и Т- изменять температуру.
В прошивке есть функция охлаждения фена, кладя фен на подставку он начинает охлаждаться моторчиком, при этом нагреватель выключается и пока не остынет до 50 градусов моторчик не выключается. Когда фен на подставке, когда холодный или обороты двигателя меньше нормальных допустимых (на 28 ноге меньше 0,4 вольт) – на дисплее будет три черточки.
Подставка должна быть с магнитом, желательно посильнее или неодимовым (от винчестера). Так как в фене есть геркон который переводит фен в режим охлаждения когда он на подставке. Я пока что еще не сделал подставку.
Фен можно остановить двумя способами – кладя на подставку или скручивая обороты моторчика до нуля. Ниже фото моей готовой паяльной станции.
Видео работы паяльной станции
В общем схема, как и предполагалось, вполне толковая – можете смело повторять. С уважением, AVG
.Форум по самодельным станциям
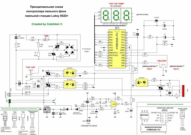
СХЕМА ПОДКЛЮЧЕНИЯ ТЕРМОВОЗДУШНОГО ПАЯЛЬНОГО ФЕНА
Вы в радиолюбительстве «чайник» или даже пока ещё только «кандидат в чайники», но поддались всеобщему настроению на радиолюбительском форуме и сделали заказ в интернет – магазине AliExpress на паяльный фен. Дождались его прибытия и теперь подолгу и с интересом рассматриваете его. Конечно, хотелось бы произвести подключение и попробовать эту штуку в деле. Причём по быстрому и без лишних затрат.
Это вполне возможно. Всё просто. Потребуется блок питания на 24 вольта с регулировкой выходного напряжения, регулятор мощности от бытового пылесоса и мультиметр с функцией измерения температуры.
Схема подключения паяльного фена
А это собственно и есть схема подключения всего выше перечисленного. Итак «идём» по схеме снизу в верх. Выходные провода с регулятора мощности соединяются с проводами белого и серого цвета идущими к нагревательной спирали паяльного термофена, выходные провода с регулируемого блока питания на 24 вольта соединяются с проводами идущими к вентилятору паяльного термофена (плюсовой провод питания к коричневому, провод минус питания к синему), жёлтый пока оставляем без внимания, к разъёмам мультиметра для подключения термопары подключаем чёрный и красный провод, которые идут к термопаре находящейся внутри термофена. Зелёный провод также пока игнорируем. Места соединения проводов тщательно изолируем изолентой. В первую очередь это относится к скруткам выходных проводов с регулятора мощности от пылесоса с проводами идущими к нагревательной спирали по которым будет идти опасное для жизни напряжение до 220 вольт.
Но, предварительно стоит вскрыть корпус фена и проконтролировать правильность его внутренней сборки производителем, ибо прецеденты имели место быть.
Имеется кое что и здесь. На среднем фото видно, что недостаёт двух саморезов крепления платы соединения проводов. На правом изоляция верхнего и нижнего провода продавлена вследствии небрежной укладки не по месту при сборке, благо жилы целы. Уже не зря вскрывал.
На левом фото – все подключения завершены, мультиметр включённый на пределе измерения температуры показывает комнатную температуру. Положения регуляторов и в блоке питания на 24 вольта и в регуляторе мощности в крайнем левом положении, так сказать «на нуле».
Следующие действия: положение регулятора блока питания ставим в среднее положение и подаём на всю собранную схему сетевое напряжение 220 В. Далее осторожно ручку (обязательно из диэлектрика) потенциометра регулятора мощности нагревательной спирали подаём вправо и одновременно смотрим на показания измерителя температуры. Она начнёт расти. В какой-то момент прекращаем увеличивать мощность нагревательной спирали и начинаем уменьшать скорость воздушного потока – температура при этом продолжает расти.
На правом фото, согласно показаниям мультиметра, температура достигла практически 360 градусов, однако реальная температура воздуха выходящего из сопла фена несколько ниже, в конкретном случае эта разница составляет 70 градусов в меньшую сторону. Данные получены путём практического замера температуры выходящего из сопла фена воздуха штатной термопарой мультиметра.
Испытания станции в деле
Конечно не удержался от соблазна и произвёл практическое снятие с платы б/у многоногой микросхемы. Процесс длился порядка полутора минут, для первого опыта, считаю не плохо. Понравилось, суета и боязнь физического повреждения извлекаемого компонента отсутствуют в корне, микросхема снялась с места установки легко, все ножки полностью целые, внешний вид – как с магазина. Но главное теперь имеется полное практическое представление о том, что такое паяльный термовоздушный фен. Соответственно проверена и исправность полученного устройства. Всё ОК! Автор Babay iz Barnaula.
Форум по паяльным станциям
Ошибка 404
Ошибка 404 изображение/svg+xml Выбранная страна и язык определяют ваши торговые условия, цены на товары и специальные предложения.
Страна
Язык
Валюта
Цены
нетто
брутто
сеть
валовой
Воспользуйтесь поисковой системой, чтобы найти интересующие вас вопросы, или перейдите в одну из следующих областей:
Каталог Как купить Помощь
или вернуться к: Главная страница
Мы рекомендуем вам подписаться
В каждом информационном бюллетене вы найдете важную и интересную информацию о новых продуктах, распространении и изменениях на сайте TME.
Здесь же можно отписаться от списка.
* обязательное поле
ПодписатьсяОтписаться
Я ознакомился и понял Политику информационных бюллетеней TME и настоящим даю свое согласие на отправку информационного информационного бюллетеня сервиса TME на мой адрес электронной почты. Политика информационного бюллетеня TME
* 1. Transfer Multisort Elektronik sp. о.о., ул. Ustronna 41, 93-350 Łódź настоящим информирует вас о том, что он будет контролером ваших личных данных.
2. Контроллер персональных данных назначил ответственного за защиту данных, с которым можно связаться по электронной почте: [email protected].
3. Ваши данные будут обрабатываться на основании пункта (а) статьи 6(1) Регламента Европейского парламента и Совета (ЕС) 2016/679 от 27 апреля 2016 г.
о защите физических лиц в отношении обработки персональных данных и о свободном перемещении таких данных и отмене Директивы 95/46/ЕС (далее: GDPR), для отправки на указанный адрес электронной почты электронного информационного бюллетеня TME .
4. Предоставление данных является добровольным, однако необходимо направить информационный бюллетень.
5. Ваши персональные данные будут храниться до тех пор, пока вы не отзовете свое согласие на обработку ваших персональных данных.
6. Вы имеете право получить доступ к своим личным данным и запросить их исправление, удаление или ограничение их обработки;
7. Если ваши личные данные обрабатываются на основании вашего согласия, вы имеете право отозвать это согласие. Отзыв согласия не влияет на законность обработки, которая была выполнена до отзыва.
8. Вы также имеете право подать жалобу в надзорный орган по защите данных.
более меньше
Подпишитесь на информационный бюллетень TME
Специальные предложения — скидки — новинки.
Будьте в курсе предложений TME
Информационный бюллетень Правила и условия Отписаться
Идет обработка данных
Задача успешно выполнена.
Произошла непредвиденная ошибка. Пожалуйста, попробуйте еще раз.
Логин
Пароль
Вы должны ввести номер клиента и пароль
Введенное в поле значение слишком короткое. Минимальная длина должна быть %minLength% символов.
Забыли свой пароль?
Ваш веб-браузер больше не поддерживается, загрузите новую версию
Хром Скачать
Fire Fox Скачать
Опера Скачать
Интернет-проводник Скачать
Выбрать почтовый ящик
Как починить сушильную машину, которая не выключается, пока не будет открыта дверца
Обнаружение того, что ваша сушильная машина не выключается, может быть тревожным и потенциально опасным.
Если при открытии дверцы сушильной машины сушильная машина останавливается, это означает, что дверной выключатель по-прежнему работает правильно, но, вероятно, существует проблема с реле электродвигателя на плате управления. Другие менее распространенные причины проблемы включают в себя включение функции защиты от складок или заедание кнопки запуска.
К счастью, с помощью этого руководства вы сможете решить проблему, не вызывая квалифицированного специалиста.
Функция предотвращения образования складок В сушилках с функцией предотвращения образования складок, таких как Samsung Wrinkle Prevent, если эта функция включена, барабан будет продолжать вращаться в течение нескольких минут после завершения цикла сушки, затем переключится на прерывистое вращение барабана. Сушильная машина может не остановить этот процесс, пока дверца сушильной машины не будет открыта. Если вы хотите, чтобы ваша сушилка останавливалась после цикла, отключение функции предотвращения складок должно решить проблему.
Наиболее распространенной причиной остановки сушилки только при открытии дверцы является заедание или короткое замыкание реле двигателя на плате управления. Когда реле двигателя застревает в положении «включено», сигнал платы управления об остановке сушилки игнорируется, в результате чего осушитель остается включенным, когда он должен выключиться. Чтобы выяснить, не повреждено ли реле двигателя, необходимо осмотреть плату управления сушилкой.
Доступ к плате управления:- Отключите осушитель от источника питания.
- Переместите сушильную машину, чтобы получить доступ к главной плате управления за панелью управления.
- Выверните винты, удерживающие панель управления.
- Снимите или наклоните панель управления, чтобы получить доступ к плате управления.
- Найдите переключатель реле двигателя на плате управления. Реле обычно представляет собой черную прямоугольную коробку.

- Осмотрите плату управления на наличие повреждений.
При наличии на плате управления черных отметин, обгоревших контактов или оплавления пусковое реле необходимо заменить.
Если вы обнаружите поврежденное реле двигателя на плате управления, его можно заменить, если у вас есть доступ к паяльнику и вы умеете паять электрические компоненты. Если вы не хотите использовать паяльник, вместо него можно заменить всю плату управления, так как она поставляется с уже прикрепленным новым реле двигателя.
Как снять плату управления Чтобы заменить реле или плату управления, вам необходимо снять ее с осушителя. Плата управления может быть прикреплена к сушилке с помощью стопорных язычков и/или винта. Некоторые модели сушилок могут иметь пылезащитную крышку над платой управления. Крышку обычно можно снять с помощью крестообразной отвертки, чтобы выкрутить винты, которыми крышка крепится. Стопорные выступы можно освободить, сдвинув их влево пальцами, а винт, крепящий плату управления, обычно можно выкрутить с помощью отвертки с крестообразным шлицем.
Также необходимо снять электрические разъемы, подключенные к плате управления. У большинства сушилок разъемы можно без особого труда отсоединить вручную. Однако убедитесь, что вы записали или сфотографировали, где подключены разъемы, чтобы вы знали, как их снова подключить при переустановке платы управления.
Как заменить реле двигателя (требуется пайка)После того, как вы сняли плату управления с сушилки, можно использовать паяльник для замены реле двигателя.
- С помощью паяльника нагрейте контакты на задней стороне реле.
- Пока плавится припой, осторожно снимите реле с платы управления.
- Приведите в порядок отверстия в плате управления, чтобы штырьки от нового реле могли пройти через них.
- Расположите новое реле на плате управления так, чтобы контакты нового реле прошли через отверстия в плате.
- Нагрейте контакты паяльником и коснитесь их припоем.
Теперь новое реле двигателя должно быть присоединено к плате управления, и плату управления можно вернуть в осушитель.
После того, как вы закрепите плату управления и снова подсоедините разъемы проводов, соберите панель управления осушителя. После того, как вы вернули панель управления и снова подключили питание, проверьте сушильную машину, чтобы убедиться, что проблема решена. Если проблема не устранена, следует заменить всю плату управления.
Если вы не знакомы с пайкой и хотите заменить плату управления, чтобы решить проблему, установить новую плату управления относительно просто. При покупке новой платы управления убедитесь, что сменная плата подходит для вашей марки сушилки, совпав с номером модели. Выполните шаги, описанные выше, для удаления старой платы управления и установки новой.
Заедает кнопка пуска Менее распространенная причина отключения сушилки только при открытой дверце – заедание кнопки пуска. Если кнопка запуска застряла, она будет постоянно подавать питание на двигатель сушилки, а это означает, что дверной выключатель отключает питание только тогда, когда дверца сушилки открыта.


