Как сделать простой индикатор напряжения на светодиодах своими руками. Какие существуют схемы индикаторов напряжения на светодиодах. Для чего нужен индикатор напряжения на светодиодах в автомобиле и бытовой технике. Как работают разные схемы индикаторов напряжения.
Принцип работы индикатора напряжения на светодиодах
Индикатор напряжения на светодиодах — это простое устройство, позволяющее визуально контролировать уровень напряжения в электрической цепи. Принцип его работы основан на том, что светодиоды начинают светиться при достижении определенного порогового напряжения.
Типовая схема индикатора напряжения на светодиодах включает следующие основные элементы:
- Светодиоды разных цветов для индикации различных уровней напряжения
- Резисторы для ограничения тока через светодиоды
- Стабилитроны или стабилизаторы напряжения для создания опорных уровней
- Транзисторы или компараторы для переключения светодиодов
При повышении напряжения в цепи последовательно загораются светодиоды разных цветов, сигнализируя о текущем уровне напряжения. Это позволяет легко контролировать состояние аккумулятора, стабильность источника питания или наличие напряжения в сети.

Простейшая схема индикатора напряжения на одном светодиоде
Самая простая схема индикатора напряжения состоит всего из одного светодиода и токоограничивающего резистора:
- Светодиод подключается последовательно с резистором к источнику питания
- Номинал резистора рассчитывается исходя из рабочего тока светодиода
- При достижении порогового напряжения светодиод начинает светиться
Такая схема позволяет определить наличие напряжения выше порогового уровня. Например, светодиод с напряжением 2В и резистор 1 кОм позволят индицировать напряжение от 3В и выше.
Трехуровневый индикатор напряжения на светодиодах
Более информативным является индикатор с тремя светодиодами разных цветов:
- Зеленый — нормальное напряжение
- Желтый — пониженное напряжение
- Красный — критически низкое напряжение
Схема такого индикатора включает:
- Три светодиода разных цветов
- Два стабилитрона для создания пороговых уровней
- Два транзистора для коммутации светодиодов
- Токоограничивающие резисторы
При снижении напряжения последовательно гаснут зеленый, затем желтый светодиод. Красный загорается при критически низком напряжении. Такая схема удобна для контроля состояния аккумулятора.

Многоуровневый индикатор напряжения на операционных усилителях
Для более точной индикации уровня напряжения используется схема на операционных усилителях:
- Операционные усилители работают как компараторы
- Резистивный делитель задает опорные уровни напряжения
- Светодиоды подключаются к выходам компараторов
- Количество уровней определяется числом операционных усилителей
Такая схема позволяет реализовать индикатор с 5-10 уровнями индикации. Это дает возможность более точно контролировать напряжение, например, в системе электропитания автомобиля.
Индикатор напряжения на микросхеме LM3914
Наиболее функциональным является индикатор на специализированной микросхеме LM3914:
- Микросхема содержит 10 компараторов и делитель напряжения
- Позволяет подключить линейку из 10 светодиодов
- Имеет режимы линейной и логарифмической шкалы
- Требует минимум внешних компонентов
На основе LM3914 можно собрать компактный многоуровневый индикатор напряжения с широким диапазоном измерения. Такие индикаторы используются в измерительных приборах, аудиотехнике, системах контроля питания.

Применение индикаторов напряжения на светодиодах
Светодиодные индикаторы напряжения находят широкое применение:
- Контроль заряда аккумуляторов в портативных устройствах
- Индикация состояния бортовой сети автомобиля
- Проверка наличия напряжения в электропроводке
- Визуализация уровня сигнала в аудиотехнике
- Индикация режимов работы электронных устройств
Благодаря простоте, наглядности и низкому энергопотреблению светодиодные индикаторы являются удобным инструментом для визуального контроля напряжения в различных электронных схемах и устройствах.
Преимущества индикаторов напряжения на светодиодах
Светодиодные индикаторы напряжения обладают рядом важных достоинств:
- Простота схемотехники и изготовления
- Наглядность индикации
- Низкое энергопотребление
- Высокая надежность и долговечность
- Компактные размеры
- Низкая стоимость компонентов
Это делает их удобным инструментом для самостоятельного изготовления и применения в любительских электронных проектах. Даже начинающий радиолюбитель сможет собрать простой индикатор напряжения на светодиодах своими руками.

Ограничения индикаторов напряжения на светодиодах
При использовании светодиодных индикаторов напряжения следует учитывать их ограничения:
- Невысокая точность измерения
- Дискретность индикации
- Зависимость яркости от напряжения питания
- Ограниченный диапазон рабочих напряжений
Для точных измерений напряжения лучше использовать цифровые вольтметры. Светодиодные индикаторы подходят скорее для визуального контроля и приблизительной оценки уровня напряжения.
4 схемы индикатора напряжения (фазы) на светодиодах своими руками
В любой технике в качестве отображения режимов работы используют светодиоды. Причины очевидны – низкая стоимость, сверхмалое энергопотребление, высокая надёжность. Поскольку схемы индикаторов очень просты, нет необходимости в покупке фабричных изделий.
Из обилия схем, для изготовления указателя напряжения на светодиодах своими руками, можно подобрать наиболее оптимальный вариант. Индикатор можно собрать за пару минут из самых распространённых радиоэлементов.
Все подобные схемы по назначению делят на индикаторы напряжения и индикаторы тока.
Работа с сетью 220В
Рассмотрим простейший вариант – проверка фазы.
Эта схема представляет собой световой индикатор тока, которым оснащают некоторые отвёртки. Такое устройство даже не требует внешнего питания, поскольку разность потенциала между фазовым проводом и воздухом или рукой достаточна для свечения диода.
Для отображения сетевого напряжения, например, проверки наличия тока в разъёме розетки, схема ещё проще.
Простейший индикатор тока на светодиодах 220В собирается на ёмкостном сопротивлении для ограничения тока светодиода и диода для защиты от обратной полуволны.
Проверка постоянного напряжения
Нередко возникает необходимость прозвонить низковольтную цепь бытовых приборов, либо проверить целостность соединения, например, провод от наушников.
В качестве ограничителя тока можно использовать маломощную лампу накаливания либо резистор на 50-100 Ом. В зависимости от полярности подключения загорается соответствующий диод. Этот вариант подходит для цепей до 12В. Для более высокого напряжения потребуется увеличить сопротивления ограничивающего резистора.
Индикатор для микросхем (логический пробник)
Если возникает необходимость проверить работоспособность микросхемы, поможет в этом простейший пробник с тремя устойчивыми состояниями. При отсутствии сигнала (обрыв цепи) диоды не горят. При наличии логического ноля на контакте возникает напряжение около 0,5 В, которое открывает транзистор Т1, при логической единице (около 2,4В) открывается транзистор Т2.
Такая селективность достигается, благодаря различным параметрам используемых транзисторов. У КТ315Б напряжение открытия 0,4-0,5В, у КТ203Б – 1В. При необходимости можно заменить транзисторы другими с аналогичными параметрами.
Вариант для автомобиля
Простая схема для индикации напряжения бортовой сети автомобиля и заряда аккумулятора. Стабилитрон ограничивает ток аккумулятора до 5В для питания микросхемой логики.
Переменные резисторы позволяют выставить уровень напряжения для срабатывания светодиодов. Настройку лучше проводить от сетевого стабилизированного источника питания.
Понравилась статья? Расскажите о ней! Вы нам очень поможете:)
Индикатор напряжения на светодиодах своими руками: схемы с описанием
Светодиоды давно применяется в любой технике из-за своего малого потребления, компактности и высокой надежности в качестве визуального отображения работы системы.
Индикатор напряжения на светодиодах это полезное устройство, необходимое любителям и профессионалам для работы с электричеством. Принцип используется в подсветках настенных выключателей и выключателей в сетевых фильтрах, указателях напряжения, тестерных отвертках. Подобное устройство можно сделать своими руками из-за его относительной примитивности.
Индикатор переменного напряжения 220 В
Рассмотрим первый, наиболее простой вариант индикатора сети на светодиоде. Его применяют в отвертках для нахождения фазы 220 В. Для реализации нам понадобится:
- светодиод;
- резистор;
- диод.
Светодиод (HL) вы можете выбрать абсолютно любой. Характеристики диода (VD) должны быть ориентировочно такими: прямое напряжение, при прямом токе 10-100 мА – 1-1,1 В. Обратное напряжение 30-75 В. Резистор (R) должен иметь сопротивление не меньше 100 кОм, но и не больше 150 кОм, иначе просядет яркость свечения индикатора. Такое устройство можно самостоятельно выполнить в навесной форме, даже без использования печатной платы.
Схема примитивного индикатора тока будет выглядеть аналогичным образом, только необходимо использовать емкостное сопротивление.
Индикатор переменного и постоянного напряжения до 600 В
Следующий вариант представляет собой немного более сложную систему, из-за наличия в схеме кроме уже известных нам элементов, двух транзисторов и емкости. Но универсальность этого индикатора вас приятно удивит. Ему доступна безопасная проверка наличия напряжения от 5 до 600 В, как постоянного, так и переменного.
Основным элементом схемы индикатора напряжения выступает полевой транзистор (VT2). Пороговое значение напряжения, которое позволит сработать индикатору фиксируется разностью потенциалов затвор-исток, а максимально возможное напряжение определяет падение на сток-истоке. Он выполняет функции стабилизатора тока. Через биполярный транзистор (VT1) осуществляется обратная связь для поддержания заданного значения.
Принцип работы светодиодного индикатора заключается в следующем.
При подаче на вход разности потенциалов, в контуре возникнет ток, значение которого определяется сопротивлением (R2) и напряжением перехода база-эмиттер биполярного транзистора (VT1). Для того чтобы слабенький светодиод загорелся, достаточно тока стабилизации 100 мкА. Для этого сопротивление (R2) должно быть 500-600 Ом, если напряжение база-эмиттер примерно 0,5 В. Конденсатор (С) необходим неполярный, емкостью 0,1 мкФ, служит он защитой светодиода от скачков тока. Резистор (R1) выбираем величиной 1 МОм, он исполняет роль нагрузки для биполярного транзистора (VT1). Функции диода (VD) в случае индикации постоянного напряжения – это проверка полюсов и защита. А для проверки переменного напряжения он играет роль выпрямителя, срезая отрицательную полуволну. Его обратное напряжение должно быть не меньше 600 В. Что касается светодиода (HL), то выбирайте сверхъяркий, для того, чтобы его свечение при минимальных токах было заметно.
Автомобильный индикатор напряжения
Среди областей, где применение индикатора напряжения на светодиодах имеет неоспоримую пользу, можно выделить эксплуатацию автомобильного аккумулятора.
Для того чтобы аккумулятор служил долго, необходимо контролировать напряжение на его клеммах и поддерживать в заданных пределах.
Предлагаем вам обратить внимание на схему автомобильного индикатора напряжения на RGB-светодиоде, с помощью которой вы поймете, как изготовить устройство самостоятельно. RGB-светодиод отличается от обычного, наличием 3-х разноцветных кристаллов внутри своего корпуса. Данное свойство мы будем использовать для того, чтобы каждый цвет сигнализировал нам об уровне напряжения.
Схема состоит из девяти резисторов, трех стабилитронов, трех биполярных транзисторов и одного 3-цветного светодиода. Обратите внимание, какие элементы рекомендуется выбирать для реализации схемы.
- R1=1, R2=10, R3=10, R4=2.2, R5=10, R6=47, R7=2.2, R8=100, R9=100 (кОм).
- VD1=10, VD2=8.2, VD3=5.6 (В).
- VT – BC847C.
- HL – LED RGB.
Результат такой системы следующий. Светодиод загорается:
- зеленым – напряжение 12-14 В;
- синим – напряжение ниже 11,5 В;
- красным – напряжение свыше 14,4 В.

Это происходит за счет правильно собранной схемы. С помощью потенциометра (R4) и стабилитрона (VD2) выставляется низший предел напряжения. Как только разность потенциалов между клеммами батареи становится меньше указанного значения – транзистор (VT2) закрывается, VT3 открывается, синий кристалл индуцирует. Если напряжение на клеммах находится в указанном диапазоне, то ток проходит через резисторы (R5,R9), стабилитрон (VD3), светодиод (HL), естественно, светит зеленым, транзистор (VT3) находится в закрытом состоянии, а второй (VT2) – в открытом. С помощью настройки переменного резистора (R2), превышение напряжения больше 14,4 В будет отображаться свечением светодиода красного цвета.
Индикатор напряжения на двухцветном светодиоде
Еще одна популярная схема индикации, это схема с использованием двухцветного светодиода для отображения степени заряда батареи или же сигнализации о включении или выключении лампы в другом помещении. Это может быть очень удобно, например, если выключатель света в подвале расположен до лестницы ведущей вниз (кстати, не забудьте прочитать интересную статью о том как сделать подсветку лестницы светодиодной лентой).
До того как спуститься туда, вы зажигаете свет, и индикатор загорается красным, в выключенном состоянии вы видите зеленое свечение на клавише. В этом случае вам не придется заходить в темную комнату и уже там нащупывать выключатель. Когда вы покинули подвал, вы по цвету светодиода знаете, горит свет в подвале или нет. Одновременно с этим, вы контролируете исправность лампочки, потому что в случае ее перегорания, красным светодиод светиться не будет. Вот схема индикатора напряжения на двухцветном светодиоде.
В заключении можно сказать, что это лишь основные возможные схемы использования светодиодов для индикации напряжения. Все они несложные, и в своей реализации под силу даже дилетанту. В них не использовалось никаких дорогостоящих интегральных микросхем и тому подобное. Рекомендуем обзавестись таким устройством всем любителям и профессионалам электрикам, чтобы никогда не подвергать свое здоровье опасности, приступая к ремонтным работам, не проверив наличие напряжения.
Простейший индикатор напряжения в сети
В городских квартирах больших проблем с сетью не бывает.
Бывает, из-за перегрузки фаз на линии — повышается напряжение, но обычно это ненадолго — автоматика на подстанции не срабатывает, и появляется повышенное напряжение в сети.Когда я столкнулся первый раз с этой проблемой, напряжение в сети подскочило до 255 В! ИБП вылетают сплошь и рядом. А если на подстанции отвалится нулевая шина — быть беде! В сети появятся все 380 В! И некому предъявить претензии (только через суд) по поводу испорченной техники.
Но и пониженное напряжение опасно для техники, если в ней есть двигатель: стиралки, микроволновки, холодильники. На рисунке представлен график, как зависит ток в % от номинального от напряжения.
Когда напряжение понижается, уменьшается и вращающий момент двигателя — следовательно, если двигатель работает под нагрузкой, уменьшаются его обороты, а также его КПД и индукционное сопротивление, что вызывает его перегрев из-за того, что ток в обмотках возрастает. Приведём пример: двигатель связан с компрессором, а он работает при 10-% пониженном напряжении.
Тогда токи в его обмотках возрастут на 5%, а температура возрастёт на 20%. При длительной работе двигателя в таком режиме ускорится износ подшипников и разрушение изоляции в обмотках. Со временем двигатель выйдет из строя.Поэтому я полез в Интернет и нашёл схему простого индикатора напряжения.
Схема обеспечивала индикацию напряжения в трёх уровнях. Доработав её под имеющиеся детали, получил следующую схему.
Индикаторные светодиоды светятся во время одного полупериода входящего на индикатор напряжения. Жёлтый светодиод LED1 горит всегда, когда присутствует сетевое напряжение. Динисторы VS1 и VS2 и резистивные делители напряжения (R2R4 и R3R5 соответственно) обеспечивают включение зелёного светодиода (LED2) и красного (LED3), когда напряжение достигает определённого значения (называется — порог срабатывани). Если будет значительное превышение напряжения, стабилитрон VD2 предотвратит выход девайса из строя.
Детали недефицитные, и всё в основном было в наличии.
За высоковольтным стабилитроном КС680А пришлось съездить на Митинский радиорынок.Потом зеркально отобразил рисунки и распечатал их на струйнике. Распечатки наклеил на односторонний фольгированный текстолит обыкновенным канцелярским клеем и просверлил отверстия под детали. Потом смыл распечатки с плат. Несмываемым маркером нарисовал дорожки и поместил платы в хлорное железо. Когда платы протравились, смыл краску ацетоном, обработал дорожки шкуркой «нулёвкой» и залудил проводники. Потом поставил все детали на свои места и пропаял их.
Чтобы регулировать и контролировать напряжение при настройке, использовал ЛАТР и мультиметр. При напряжении в 230 В добился устойчивого свечения зелёного светодиода. Если уменьшить напряжение до 200 В, зелёный светодиод погаснет — в противном случае надо увеличивать сопротивление R2. При напряжении в 260 В подстроечным сопротивлением установил порог срабатывания красного светодиода.
Настройка завершена.Индикатор поставил в распределительный щиток, который находится в квартире, и запитал его от входного автомата.
Я — доволен! Схема потребляет от сети меньше 3 Вт. Теперь я всегда в курсе того, что у меня твориться с сетью!
Какие детали взаимозаменяемы.
Динисторы DB4 заменяются на DB3 или на отечественные — КН102А (правда, они большие). Диод Д226Б меняется на любой низкочастотный диод с обратным напряжением 400 и более вольт. Диод должен быть рассчитан на токи не менее 200-400 mА. Подстроечные резисторы должны быть многооборотными (так легче подобрать при наладке схемы точный порог срабатывания) мощностью 0,5 Вт. Светодиоды можно заменить советским аналогом из серии АЛ307 (не помню, есть ли там светодиоды с жёлтым свечением — красные и зелёные есть точно) — светить будут слабее, но для индикации — вполне достаточно. Становитесь автором сайта, публикуйте собственные статьи, описания самоделок с оплатой за текст.

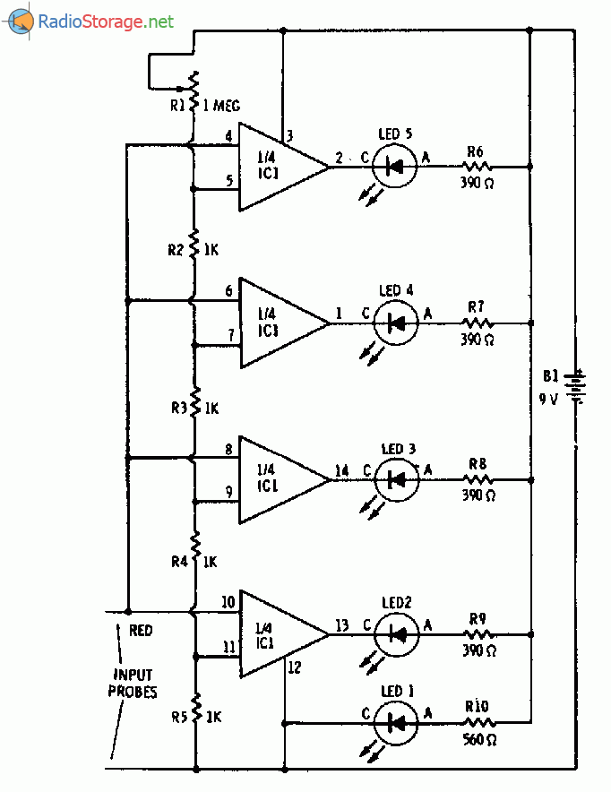
Светодиодный индикатор напряжения аккумулятора
Приветствую, радиолюбители-самоделкины!Как правило, ни одна современная машина, будто то легковой авто, либо грузовик или трактор, либо даже мотоцикл или скутер не обходятся без аккумулятора. Если раньше на него был возложен лишь минимальный набор обязанностей — завести двигатель с помощью стартера и давать напряжение для системы зажигания, то сейчас аккумуляторы питают бортовой компьютер — мозг автомобиля, а потому важно следить за их состоянием и не допускать разряда. Поддерживать нужное напряжение на аккумуляторе важно особенно зимой, и особенно владельцам сельхозтехники, например, тракторов, так как если аккумулятор подсевший, он попросту не сможет провернуть мощный тракторный двигатель. Зимой, когда наступают морозы и аккумулятор охлаждается до сильных минусовых температур, он теряет часть своей мощности и требует периодической подзарядки, особенно это актуально в тех случаях, когда автомобиль не используется в течение 1-2 недель или больше.
И если современные авто содержат встроенный вольтметр, который вовремя сообщит о непорядке с аккумулятором, то вот старые авто, особенно трактора и сельхозтехника часто не имеют даже каких-либо индикаторов, а для них поддержание аккумулятора в заряженном состоянии особенно важно — ведь они должны быть готовы к выезду в любое время. Решить эту проблему поможет небольшое электронное устройство, которое с помощью светодиодов покажет, на каком уровне находится напряжение в данный момент, и не требуется ли аккумулятору подзарядка. Индикатор будет содержать три светодиода, каждый из которых будет соответствовать своему уровню заряда аккумулятора. Схема для сборки представлена ниже.
Как видно, схема содержит для операционных усилителя, работающий в роли компаратора, а также источник опорного напряжения на стабилитроне, таким образом, принцип работы схемы чем-то напоминает схемотехнику параллельного АЦП. Основное преимущество данной схемы — высокая точность, так как она представляет собой, по сути, достаточно точный вольтметр.
Когда напряжение на аккумуляторе лежит в одном диапазоне, горит один светодиод, когда напряжение лежит уже в другом диапазоне — загорается второй светодиод, и так далее. Представленная выше схема содержит 2 операционных усилителя, соответственно 3 светодиода, но при необходимости в неё можно добавить сколь угодно много светодиодов, добавив соответствующие каскады на операционных усилителях, это увеличит точность индикатора в разы. Для обычного применения достаточно и 3-х светодиодов, это позволяет собрать схему на весьма миниатюрной печатной плате, чтобы она не занимала много места и была возможность встроить её в любое место автомобиля. Рассмотрим более подробно некоторые компоненты схемы. Операционный усилитель (А1.1 и А1.2) на схеме — двухканальный, но можно использовать и пару одноканальных усилителей. Например, сюда подойдут TL072, TL082, RC4558, NE5532, либо одноканальные TL071, TL081, все эти микросхемы являются широко распространёнными и есть в наличии практически во всех магазинах радиодеталей.
Операционный усилитель на данной схеме работает в роли компаратора — на один из его входов подаётся стабильное опорное напряжение, а напряжение на втором входе зависит от текущего напряжения на аккумуляторе, таким образом, компаратор сравнивает опорное напряжение с напряжением на аккумуляторе и выдаёт на выход либо логическую единицу, либо ноль, в зависимости от того, что больше. Источник опорного напряжения собран на стабилитроне VD1 — здесь можно применить любой стабилитрон с напряжением стабилизации 5,6В — при использовании стабилитрона на другое напряжение сместятся диапазоны показаний индикатора и придётся пересчитывать номиналы резисторов. Резистор R4 служит для ограничения тока через стабилитрон, стабилизированное напряжение снимается с общей точки стабилитрона и резистора. Конечно, источник опорного напряжения на стабилитроне — не самый лучший с точки зрения точности напряжения, однако он наиболее прост и не занимает много места на плате, а сверх-высокая точность в данном индикаторе особо и не нужна.
Резисторы R1, R2, R3 образуют делитель, который включается между плюсом измеряемого аккумулятора и минусом, образуя таким образом диапазоны напряжений, при каком напряжении будет загораться тот или иной светодиод. При необходимости их можно подкорректировать под свои нужны, подбирая резисторы с большим или меньшим сопротивлением, либо можно даже поставить подстроечные. Номиналы, обозначенные на схеме, рассчитаны для оптимальных диапазонов индикатора, а потому можно просто собрать с использованием заданных резисторов. Если под рукой нет резистора с нужным сопротивлением, его всегда можно подогнать из имеющихся путём параллельного либо последовательного включения. Конденсатор С1 — фильтрующий по питанию, можно использовать любой электролитический с ёмкостью 10-100 мкФ и напряжением не меньше 16В.К контактам, на схеме обозначенными как «акб» подключается собственно сам аккумулятор, при подключении нужно строго соблюдать полярность, ведь переполюсовка даже на несколько секунд приведёт к выходу операционных усилителей из строя.
Схема не требует внешнего питания и использует для питания сам измеряемый аккумулятор. Ток потребления схемы при этом составит примерно 10-30 мА, а потому её не стоит оставлять всё время подключенной к аккумулятору, ведь это приведёт к его хоть и очень медленному, но всё же разряду. Использование индикатора предполагается с кнопкой без фиксации, которую можно вывести на переднюю панель — при нажатии кнопки загорятся светодиоды и можно будет определить состояние аккумулятора. Светодиоды, для большей наглядности, можно использовать разных цветов, например, красный, зелёный и жёлтый. Если после сборки схемы получилось так, что неактивные светодиоды всё же чуть-чуть засвечиваются, их необходимо зашунтировать резисторами на 1-2 кОм.Схема собирается на печатной плате, использование резисторов поверхностного монтажа (smd) позволило сделать плату миниатюрных размеров. Все три светодиода запаиваются в ряд, можно использовать любые 3-х вольтовые светодиоды диаметром 3 или 5 мм — при этом их не обязательно устанавливать на плату, можно вывести на проводах и установить в специальных держателях на переднюю панель рядом с кнопкой, например.
Для подключения аккумулятора на плате предусмотрены две большие контактные площадки, туда можно установить винтовой клеммник, либо вывести провода. Электролитический конденсатор подпаивается на плату со стороны дорожек, при этом нужно не забывать про его полярность.Данная схема хорошо ещё и тем, что может работать не только с автомобильными аккумуляторами на 12В, но и свинцово-кислотными на 6В, либо литий-ионными на 3,7В. В этом случае нужно установить стабилитрон на меньшее напряжение стабилизации, а также подобрать номиналы резисторов R1, R2, R3. Микросхемы на плате желательно установить через цанговые панели, это поможет быстро их поменять, если они случайно выйдут из строя, например, из-за переполюсовки. Данную схему можно модифицировать, установив мощный диод, например, 1N4007, параллельно питанию от аккумулятора — катод к плюсу, а анод — к минусу, а последовательно с плюсом питания поставить плавкий предохранитель на 0,1-0,5А. В этом случае при переполюсовке через диод сразу пойдёт большой ток и предохранитель моментально сработает, защитив операционных усилители.
Таким образом, получился достаточно простой но функциональный индикатор напряжения, применение которому можно найти не только в бортовой сети авто, но и в множестве других сфер, где требуется контроль напряжения. Удачной сборки!Ниже прилагается фотография собранной платы, а также архив с печатной платой, для её открытия потребуется программа Sprint Layout.
Источник (Source)
Индикатор напряжения на трех светодиодах
В данной статье автор предлагает рассмотреть конструкцию индикатора напряжения на трех светодиодах.
Работа готового устройства выглядит так: При поступлении номинального напряжения загорается центральный (зеленый) светодиод, при падении напряжения загорается левый (красный) светодиод, при повышении загорается правый (красный) светодиод.
При выставлении переменного резистора в положении «среднее» все транзисторы будут закрыты, и напряжение будет поступать только на зеленый светодиод.
Перемещение ползунка переменного резистора вверх (повышение напряжения) открывает транзистор VT1, при этом прекращается подача напряжения на светодиод HL3 и напряжение подается на светодиод HL1. Если же ползунок резистора переместить вниз (тем самым понизив напряжение) это закроет транзистор VT1 и откроет транзистор VT2, что подаст напряжение на светодиод HL2. При этом возникнет небольшая задержка, прекратит свечение светодиод HL1, светодиод HL3 мигнет один раз и наконец зажжется HL2.
Необходимые детали и инструменты:
— Паяльник (олово и кислота к нему)
— R1 переменное сопротивление 10 кОм
— R2, R3 сопротивление 1 кОм
— VT1 КТ 315 Б
— VT2 КТ 361 Б
— HL1 красный светодиод
— HL2 красный светодиод
— HL3– зеленый светодиод
— X1 и Х2 источник питания в виде 6V
(светодиоды подбирать с напряжением питания 1.5 вольта)
— Подходящий для устройства корпус ( автор использовал спичечный коробок)
Все перечисленные детали могут присутствовать в старой советской технике — телевизорах, магнитофонах, радиоприемниках.
Для сборки схемы автор использовал печатную плату из картона, но схему можно собрать как и на весу, так и использовать для нее текстолитовую плату.
На картонную плату наносится схема удобного расположения деталей и их тип. Размер соблюдается 1:1 с оригиналом детали, чтобы в последствии все поместилось.
Для площадок автор использовал вот такие пролужонные скобы, вырезанные из банки кофе (можно использовать любые подходящие материалы).
Прикрепляем скобы к «плате».
Припаиваем резисторы и светодиоды.
После припаиваем транзисторы и переменный резистор для контроля системы.
На схеме показано, где у транзисторов вывод базы, коллектора, эмиттера.
Далее нам остается поместить готовую плату любой подходящий корпус и устройство будет полностью готово к использованию.
Источник (Source) Становитесь автором сайта, публикуйте собственные статьи, описания самоделок с оплатой за текст.
Подробнее здесь.Индикатор напряжения на светодиодах своими руками
Светодиоды отлично зарекомендовали себя в роли различных индикаторов. В качестве примера, можно привести промышленно выпускаемый индикатор напряжения «Контакт-55ЭМ». Среди аналогичных приборов, которые можно легко сделать своими руками, авторы обычно ограничиваются узким диапазоном возможного измеряемого напряжения с целью упрощения схемы, поэтому готовые изделия имеют узкое практическое применение.
Ниже приведенная универсальная схема светодиодной контрольки, которая будет работать как, например, с постоянной автомобильной сетью 12 В, так и с переменной бытовой 220 В.
Схема
Предлагаемая конструкция светодиодного индикатора напряжения, так называемой контрольки, собрана на одном светодиоде. Прибор способен сигнализировать о напряжении от 4,5 до 600 В с током потребления от измеряемой сети не более 1 мА. Простота и универсальность схемотехнического решения достигнута, благодаря включению MOSFET транзистора по схеме стабилизатора тока.
Работает устройство без батареек.Назначение элементов и принцип работы
Как видно из рисунка, схема индикатора собрана всего на семи элементах. «Сердцем» устройства является полевой транзистор VT2, включенный как стабилизатор тока и способный выдерживать напряжение до 600 В на переходе сток-исток. В свою очередь на транзисторе VT1 собрана цепь обратной связи стабилизатора, направленная на поддержание тока заданной величины.
Светодиодная контролька работает следующим образом. При касании измерительными щупами контактов под напряжением, в схеме начинает протекать ток, величина которого зависит от напряжения перехода база-эмиттер VT1 (UБЭ) и от сопротивления резистора R2. Так как значение UБЭ открытого транзистора является константой, то ток стабилизации можно определить по формуле: IСТ = UБЭ/R2.
Как правило, UБЭ маломощных транзисторов находится в пределе 0,5-0,6 В. Подставляя в формулу R2 номиналом 560 Ом, получаем ток стабилизации равный примерно 1 мА. Как показывают практические испытания, этого достаточно, чтобы слаботочный светодиод засветился.
Мегаомный резистор R1 служит нагрузкой для VT1, а конденсатор С1 дополнительно защищает светодиод от возможных негативных бросков тока. При проверке переменного напряжения диод VD1 служит выпрямителем, а при замере постоянного – служит защитой от переполюсовки.
Рабочий диапазон устройства определяется техническими характеристиками полевого транзистора. Минимальный порог срабатывания индикатора зависит от напряжения затвор-исток, которое может быть от 2 до 4 вольт. Это означает, что прибор просигнализирует о наличии разницы потенциалов, величиною более 4 вольт. Максимум измеряемого напряжения ограничен параметром UСИ = 600 В.
Нюансы в работе индикатора напряжения
Наличие в схеме светодиодного индикатора диода VD1 позволяет определять полярность напряжения в цепях постоянного тока.
Если коснуться щупом, припаянным к аноду VD1, плюсового провода, а щупом, припаянным к эмиттеру VT1, минусового провода, то светодиод засветится. Если щупы поменять местами, светодиодный индикатор ничего не покажет.
При проверке напряжения в цепях переменного тока соблюдение полярности не требуется. Светодиод засветится в обоих случаях, но с меньшей яркостью, так как отрицательную часть полуволны не пропустит диод.
Детали сборки
В качестве полевого транзистора используется Power MOSFET IRFBC40 с UСИ = 600 В, UЗИ = 2–4 В. Он является самым дорогим элементом схемы с ценником чуть более 1 доллара. Биполярный транзистор – это всем известный КТ315Б, который можно заменить на КТ3102 с любым буквенным индексом. Диод подойдет любой с обратным напряжением более 600 В, например, 1N4005-1N4007. Конденсатор должен быть неполярным ёмкостью 0,1 мкФ.
Выбор светодиода имеет важное значение. От его способности светиться на малых токах зависит правильность работы индикатора в целом.
Поэтому рекомендуется применять к установке сверхъяркий светодиод в прозрачном корпусе 3-5 мм красного свечения.
Не стоит забывать об электрической прочности резисторов, на которых во время замера может появляться потенциал в несколько сотен вольт. Предельное рабочее напряжение непроволочных резисторов может колебаться от 100 до 1000 В и во многом зависит от длины самого элемента. Поэтому миниатюрные планарные компоненты придётся оставить для других целей, а здесь лучше применить сопротивление типа МЛТ-0,25. Для повышения надежности во время монтажа R1 и R2 делают составными, заменяя каждый из них двумя последовательно включенными элементами.
Печатная плата
Один из возможных вариантов печатной платы контрольки со светодиодом приведен на рисунке.
Плата в файле Sprint Layout 6.0: plata-indikatora.lay6
Плата выполнена из одностороннего текстолита с использованием деталей в DIP-корпусах. Светодиод для удобства размещают в торце платы.
Широкие контактные площадки нужны для надёжного контакта деталей. Имея удлиненную форму размером 12 на 60 мм, готовая сборка легко помещается в корпусе из-под толстого фломастера или маркера. С одного торца располагают светодиод, а с другого выводят два измерительных провода со щупами на концах. Отверстия для проводов обозначены надписью (Control).
Уверен, что данный индикатор напряжения станет верным помощником как мастеру-электрику, так и рядовому хозяину в своём доме.
Схема аварийной сигнализации простого индикатора уровня воды
Переполнение резервуара для воды — распространенная проблема, которая приводит к нерациональному использованию воды. Хотя есть много решений для этого, например, шаровые краны, которые автоматически останавливают поток воды, когда резервуар наполняется. Но, будучи энтузиастом электроники, разве вам не понравится электронное решение для нее? Итак, вот простой и удобный учебник DIY по проекту , который поможет вам создать схему, которая будет определять уровень воды и поднимать сигнал тревоги при заполнении резервуара для воды или при достижении заданного уровня.![]()
Эта схема простого транзисторного индикатора уровня воды очень полезна для индикации уровня воды в резервуаре. Когда резервуар наполняется, мы получаем оповещения на определенных уровнях. Здесь мы создали 4 уровня (низкий, средний, высокий и полный), мы можем создавать сигналы для большего количества уровней. Мы добавили 3 светодиода для обозначения трех начальных уровней (A, B, C) и один зуммер для индикации ПОЛНОГО уровня (D). Когда резервуары полностью заполнены, мы слышим звуковой сигнал от зуммера. Если вы хотите улучшить проект, добавив дисплей и автоматическое управление включением и выключением двигателя, вы можете просто добавить микроконтроллер, такой как Arduino, чтобы определять подмены воды и соответственно управлять дисплеем и двигателем. ознакомьтесь с проектом индикатора и контроллера уровня воды на базе Arduino.
Компоненты, необходимые для цепи сигнализации уровня воды
Цепь сигнализации переполнения резервуара для воды
Полная принципиальная схема проекта аварийной сигнализации перелива воды приведена ниже.
Как видите, схема проста и легка в сборке, поскольку в ней всего несколько основных компонентов, таких как транзисторы, резисторы, светодиоды и зуммер
Мы можем рассматривать весь этот контур как 4 маленьких контура, каждый для индикации / сигнализации, когда был достигнут определенный уровень (A, B, C, D) воды.
Когда уровень воды достигает точки A, цепь с КРАСНЫМ светодиодом и транзистором Q1 замыкается, и КРАСНЫЙ светодиод светится. Точно так же, когда уровень воды достигает точки B, цепь с ЖЕЛТЫМ светодиодом и транзистором Q2 замыкается, и желтый светодиод светится, то же самое происходит с точкой C. И, наконец, когда резервуар заполняется (точка D), цепь с зуммером завершается, и зуммер начинает пищать.
Цепь сигнализации низкого уровня воды — рабочая
Здесь мы используем транзистор (типа NPN) в качестве коммутатора.Первоначально на базу транзистора Q1 не подается напряжение, и транзистор находится в выключенном состоянии, и ток не течет через коллектор и эмиттер, а светодиод не горит (см.
Схему ниже, чтобы понять структуру выводов транзистора).
Когда уровень воды достигает точки А в резервуаре, положительный полюс батареи подключается к базе транзистора Q1 через воду. Таким образом, когда положительное напряжение было приложено к базе транзистора Q1, он переходит в состояние ВКЛ, и ток начинает течь от коллектора к эмиттеру.И красный светодиод светится.
Вы можете увидеть резисторы (R1, R2, R3) на базе каждого транзистора, которые используются для ограничения максимального тока базы. Как правило, транзистор полностью переходит в состояние ВКЛ, когда на базу подается напряжение 0,7 В. Также есть резисторы (R4, R5, R6) с каждым из светодиодов, чтобы снизить напряжение на светодиодах, иначе светодиод может взорваться.
То же явление происходит, когда уровень воды достигает точки B. Как только уровень воды достигает точки B, на транзистор Q2 подается положительное напряжение, он включается, и ток начинает течь через ЖЕЛТЫЙ светодиод, и светодиод светится.
По тому же принципу, ЗЕЛЕНЫЙ светодиод светится, когда уровень воды достигает точки C.И, наконец, зуммер издает звуковой сигнал, когда уровень воды достигает D.
Обратите внимание, что крайний левый провод в резервуаре должен быть длиннее других четырех проводов в резервуаре, потому что это провод, который подключен к положительному напряжению.
Тестеры напряжения | Voltage Tester Pen
Тестеры напряжения | Ручка для измерения напряжения | Компоненты RSТестеры напряжения
Тестеры напряжения являются важным испытательным оборудованием для электриков.Это небольшие портативные устройства с двумя полюсами, которые дают пользователю мгновенную и четкую индикацию, находится ли цепь под напряжением или не дают вам спокойствия, когда дело доходит до обеспечения вашей безопасности. Тестеры напряжения используются в различных приложениях, которые представляют собой простые схемы и очень эффективны. Они состоят из разъема, прикрепленного к шине в шкафу питания, и светодиода внутри небольшого корпуса с окном для просмотра света.
Тестеры и индикаторы напряжения включают в себя широкий спектр функций отображения, таких как светодиодные индикаторы и звуковые сигналы, предупреждающие инженера о наличии напряжения под напряжением.Некоторые индикаторы напряжения могут также иметь ЖК-экраны, информирующие пользователя о том, что линия находится под напряжением и ее необходимо отключить перед работой.
Наш ассортимент тестеров напряжения был получен от ведущих производителей, таких как; Beha-Amprobe, Chauvin Arnoux, Gossen Metrawatt, Martindale, John Drummond, Testo и многие другие гарантируют, что у нас есть идеальное решение для тестирования ваших приложений.
Как их еще называют?
- Индикаторы напряжения
- Тестеры электричества
Зачем нужен тестер напряжения?
Использование тестера напряжения для определения наличия напряжения означает, что вы соблюдаете рекомендации по охране здоровья и безопасности для безопасных электромонтажных работ.
Особенности
- Устройство постоянно и менее подвержено повреждениям.

- Обладает надежностью за счет дублирования цепей, устойчивостью к перенапряжениям, долговечным светодиодам и тяжелым дежурная конструкция
- Ожидаемый срок службы до семи лет.
- Звуковые, светодиодные и ЖК-дисплеи для оповещения пользователя о цепях под напряжением.
- Компактные конструкции, которые можно носить в кармане или сумку для инструментов с легкостью
Использование тестеров напряжения
- Обнаружение обрывов силовых кабелей
- Проверка проводки вилки и предохранителей li >
- Различение между проводами под напряжением и нейтралью
- Определение распределительных коробок кабелей под напряжением
- Поиск неисправных переключателей
Применение
Тестеры напряжения используются инженерами-электриками для электромонтажа и обслуживания в бытовых, коммерческих и промышленных применениях.
Наш веб-сайт использует файлы cookie и аналогичные технологии, чтобы предоставить вам лучший сервис при поиске или размещении заказа, в аналитических целях и для персонализации нашей рекламы для вас.
Вы можете изменить настройки файлов cookie, прочитав нашу политику использования файлов cookie. В противном случае мы будем считать, что вы согласны с использованием файлов cookie.Хорошо, я понимаю
Светодиодный индикатор напряжения 110 и 220 В переменного тока
Эта схема, разработанная по запросу, оказалась полезной для индикации изменения напряжения в линии питания от 120 В до 240 В переменного тока.Его можно использовать в различных обстоятельствах и в различных схемах, в основном, когда необходимо обнаружить повышение напряжения питания переменного или постоянного тока. D3 загорается, когда напряжение в сети приближается к 120 В, и остается во включенном состоянии также при питании 240 В. С другой стороны, D6 загорится только тогда, когда напряжение в сети составит около 240 В, и останется включенным из-за защелкивающего действия Q1, Q2 и связанных компонентов.
C1, D1 и D2 обеспечивают низкое постоянное напряжение в диапазоне 4,5–6 В, чтобы обеспечить правильную работу схемы защелки и светодиодов.
Принципиальная схема:
Детали:
R1_____________470R 1 / 2Вт Резистор
R2_____________220K 1 / 4Вт Резистор
R3, R7 __________ 470R 1 / 4Вт Резисторы
R4_______________1K 1 / 4Вт Резистор
R5____________3___ 4W_R
R5_______________2K _____
R5____________3 _______ 1 _______
R5_______________ 4 Вт ___
R5_______________ 4 Вт 4 _______
R5____________3___ 4 Вт _____
R5_______________ 4 Вт _______
R5____________3 ___ 4 Вт Конденсатор из полиэстера на 630 В
C2 ______________ 10 мкФ Электролитический конденсатор 25 В
D1, D2 ________ 1N4007 1000 В 1A Диод
D3, D6 ___________ Светодиоды (цвет и форма по желанию)
D4_________BZX79C10 10 В 500 мВт Стабилитрон D1, 500 мВт, 900 В, 452 мАч, транзистор Q145, Q145, Q, 452, 45, N77, Q1, 452, Q, 45, N77, Q1, Q145 100 мА PNP-транзистор
Примечания:
- Значение D4 может потребовать некоторой настройки, чтобы обеспечить точное переключение цепи при выбранном напряжении.
В таком случае попробуйте значения в диапазоне 8,2–15 В. - Внимание! Схема подключена к сети 240 В переменного тока, тогда некоторые части печатной платы подвергаются смертельному воздействию! Не прикасайтесь к цепи при подключении к розетке и поместите ее в пластиковую коробку.
Алексей
Дата созданияДата изменения
- Интересно
- Не интересует
Простейшая схема индикатора батареи / заряда — ReiLabs
Итак, мы обычно хотим иметь схему индикатора заряда батареи во многих наших устройствах.Индикатор предупреждает нас, если мы оставили устройство включенным, а также указывает, подходит ли батарея устройства к концу.
Самая простая форма индикатора заряда батареи — это светодиод с токоограничивающим резистором.
Световой поток светодиода примерно пропорционален протекающему через него току.
Если входное напряжение ниже падения напряжения светодиода, светодиод не горит. Падение напряжения на светодиодах немного зависит от тока и температуры, но большую часть времени остается примерно одинаковым.Падение напряжения различается для разных цветов и типов светодиодов, но также может немного отличаться для светодиодов одного типа. Когда напряжение выше, светодиод начинает светиться в зависимости от выбранного сопротивления резистора. Вы должны выбрать номинал резистора с учетом номинального входного напряжения и номинального тока (когда батарея полностью заряжена).
Rval = (U_input_nominal — U_LED_nominal) / I_LED номинал
Я обычно использую в качестве индикатора светодиод высокой яркости, рассчитанный на питание от 20 мА при низком токе 1-2 мА.Это даст вам значение Rval в несколько кОм. Вы также можете использовать этот калькулятор для расчета соответствующего номинала резистора.
Предположим, что наше устройство работает от батареи 9 В. Совершенно новая щелочная батарея 9 В может иметь неподключенное выходное напряжение до 10 В, а полностью разряженная батарея — около 6 В.
Схема показана на рисунке вместе с моделированием зависимости между входным напряжением и током (что соответствует яркости светодиода). Мы видим, что светодиод загорается при напряжении около 2 В и становится все ярче с повышением входного напряжения.
Если мы добавим в схему стабилитрон, мы сможем повысить начальное напряжение, когда светодиод начнет гореть. Стабилитрон ведет себя аналогично светодиоду в том смысле, что напряжение на нем всегда будет примерно одинаковым.
Это пример индикатора 9 В, который начинает светиться при напряжении около 8 В и достигает полной желаемой яркости при входном напряжении 9 В. У нас должны быть некоторые накладные расходы, чтобы светодиод не повредился, если мы подключим немного более высокое напряжение, например 10 В (новая батарея).
Падение напряжения на светодиодах составляет около 2В (например, красный светодиод). Выбран стабилитрон с напряжением 6,2 В и резистор 180 Ом. Убедитесь, что вы правильно подключили стабилитрон, полосатый конец должен указывать на положительный вход напряжения, также важна ориентация светодиода 😉
Эти маленькие накладные индикаторы мощности, изготовленные на обломках прототипов, были созданы для использования с некоторыми из наших моделей таймеров раскрытия парашютов ракет. 🙂 Только после тестирования таймеров развертывания мы поняли, что индикация уровня заряда батареи и индикация мощности будут отличной функцией.С помощью индикатора можно четко увидеть, когда на цепь подается питание, и в то же время вы можете узнать, когда заряд батареи разряжен.
И такая же схема интегрирована с таймером развертывания. Батарея подключена, заряда достаточно для успешного полета 🙂
.



В таком случае попробуйте значения в диапазоне 8,2–15 В.