Как работает ШИМ регулятор на таймере 555. Какие преимущества дает использование такой схемы. Для чего применяется ШИМ регулятор оборотов двигателя. Как собрать простой ШИМ регулятор своими руками.
Принцип работы ШИМ регулятора на таймере 555
ШИМ регулятор на микросхеме таймера 555 представляет собой простую и эффективную схему для управления скоростью вращения электродвигателей постоянного тока. Основные компоненты такого регулятора:
- Микросхема таймера 555
- Резисторы и конденсаторы для задания частоты ШИМ
- Потенциометр для регулировки скважности импульсов
- Силовой транзистор для коммутации нагрузки
Принцип работы заключается в следующем:
- Таймер 555 генерирует импульсы прямоугольной формы с заданной частотой
- Скважность импульсов регулируется потенциометром
- Импульсы управляют силовым транзистором, который коммутирует ток через двигатель
- Изменение скважности позволяет регулировать среднее напряжение на двигателе и его обороты
Таким образом, за счет быстрого включения/выключения питания двигателя с разной длительностью импульсов осуществляется плавная регулировка скорости вращения.

Преимущества использования ШИМ регулятора на 555 таймере
Данная схема имеет ряд существенных преимуществ по сравнению с другими способами регулировки оборотов двигателя:
- Простота реализации на широкодоступных компонентах
- Высокий КПД за счет ключевого режима работы
- Плавная регулировка во всем диапазоне скоростей
- Низкое тепловыделение на регулирующем элементе
- Возможность управления мощными двигателями
- Сохранение высокого момента на малых оборотах
Благодаря этим преимуществам ШИМ регуляторы на 555 таймере получили широкое распространение в различных устройствах с электроприводом.
Области применения ШИМ регуляторов оборотов двигателя
Регуляторы на основе ШИМ используются во многих сферах, где требуется управление скоростью вращения электродвигателей:
- Электроинструменты (дрели, шлифмашины)
- Бытовая техника (миксеры, блендеры)
- Системы вентиляции и кондиционирования
- Автомобильная электроника
- Станки с ЧПУ
- Робототехника
- Моделизм (авиа-, судомодели)
Во всех этих применениях ШИМ регуляторы обеспечивают плавное и экономичное управление оборотами двигателей постоянного тока.

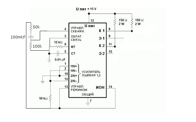
Схема простого ШИМ регулятора на 555 таймере
Рассмотрим типовую схему ШИМ регулятора на таймере 555:
«`text +12V | R1 | 10k | | | +——+ | | 2|-| | +-| 555 | | |——| | | 3 |———+ | | | | | | | _|_ | +——+ / \ LED | | | | | C1 | | | 10n | | | | | R3 | | | | 470R | | | | | | | | | | _|_ | | | | — | | | | GND GND GND GND «`- IC1 — микросхема таймера 555
- R1 — резистор 10 кОм
- R2 — переменный резистор 100 кОм (для регулировки скважности)
- C1 — конденсатор 10 нФ (для задания частоты)
- R3 — токоограничивающий резистор для светодиода
- LED — светодиод индикации
Данная схема генерирует ШИМ сигнал с частотой около 1 кГц. Скважность регулируется потенциометром R2 в диапазоне примерно от 5% до 95%.
Регулировка частоты ШИМ
Частота ШИМ сигнала в схеме на 555 таймере определяется номиналами резистора R1 и конденсатора C1. Для расчета частоты можно использовать формулу:

F = 1 / (0.7 * (R1 + 2*R2) * C1)
Где:
- F — частота в Гц
- R1, R2 — сопротивления в Омах
- C1 — емкость в Фарадах
Изменяя номиналы R1 и C1, можно настроить частоту ШИМ под конкретную задачу. Типичные значения частоты:
- 20-200 Гц — для маломощных двигателей
- 1-10 кГц — для двигателей средней мощности
- 10-100 кГц — для мощных двигателей
Более высокая частота обеспечивает более плавное управление, но увеличивает потери на переключение.
Особенности применения ШИМ регулятора для двигателей
При использовании ШИМ регулятора для управления электродвигателями следует учитывать некоторые нюансы:
- Для мощных двигателей необходим силовой ключ (MOSFET или IGBT транзистор)
- Желательно использовать обратный диод для защиты от ЭДС самоиндукции
- При низкой частоте ШИМ возможно появление акустического шума
- Для уменьшения помех рекомендуется использовать фильтры в цепи питания
- Некоторые типы двигателей могут некорректно работать на ШИМ (например, синхронные)
Правильный учет этих особенностей позволит создать надежный и эффективный ШИМ регулятор оборотов двигателя.

Сборка и настройка ШИМ регулятора своими руками
Для самостоятельной сборки простого ШИМ регулятора на 555 таймере потребуется:
- Микросхема NE555 или аналог
- Резисторы и конденсаторы согласно схеме
- Переменный резистор 100 кОм
- Транзистор IRFZ44N или аналогичный
- Макетная плата
- Источник питания 12В
- Паяльник и припой
Порядок сборки:
- Разместить компоненты на макетной плате согласно схеме
- Припаять все соединения
- Подключить источник питания и нагрузку (двигатель или лампу)
- Настроить частоту ШИМ подбором номиналов R1 и C1
- Проверить работу регулятора во всем диапазоне
При правильной сборке регулятор должен обеспечить плавное изменение скорости вращения двигателя или яркости лампы при вращении ручки потенциометра.
Заключение
ШИМ регулятор на основе таймера 555 представляет собой простое, но эффективное решение для управления оборотами электродвигателей. Благодаря доступности компонентов и несложной схеме, такой регулятор можно легко собрать самостоятельно. При этом он обеспечивает высокий КПД и плавность регулировки, что делает его отличным выбором для различных любительских и полупрофессиональных применений.

Паяльник Santus 30 Вт
Привет всем.Сегодня на обзоре паяльник Santus мощностью 30Вт. Красивый, легкий, с тонким необгораемым жалом, но сколько красивых слов не говори, а проверить в деле надо.
Получил я паяльник в такой упаковке.
На упаковке название паяльника, галографическая наклейка с названием и каким то кодом или номером и отмечена мощность паяльника из имеющихся в продаже. В данном случае 30Вт.
Рассмотрим сам паяльник. Вот такой он из коробки.
И еще такой кривой, походу усох в дороге.
Ручка выполнена из белого пластика, довольно удобная. В месте хвата на ручку одета резиновая вставка, чтобы рука не скользила, и наклеена наклейка с инфо: название, модель и используемое напряжение сети.
Жало без маркировки, крепится винтом.
Длина кабеля как и заявлено 120-130см. Очень жесткий, можно заменить. В месте входа в паяльник одета резинка, чтобы кабель не переломался.
Тип вилки не под наш стандарт.
Такой тип появился и используется в США и обычно рассчитан на напряжение 100-127 В.Теперь разберем и посмотрим что внутри. Снимаем ручку.
Никаких схем, прямое включение кабель — нихромовый нагреватель.
Нихромовый нагреватель представляет собой спираль, навитую на керамическое основание во внутреннее отверстие которого вставляется паяльный стержень. Кстати жало должно быть вроде как необгораемое. Длина 70мм, диаметр 4мм.
Теперь перейдем к неприятному, а именно к работе паяльника. Работать паяльником можно примерно секунд 30, это когда он полностью не разогрелся. Только в этот момент жало смачивается оловом. Потом же температура доходит до максимума и жало начинает гореть и не смачивается оловом ни в какую.
Выход один, нужно сделать регулятор мощности паяльника. Любую простейшую схему. Плюс нормальное жало.
Температура жала по времени нагрева.
Большой кусок олова разогрел за 2 сек, даже вскипятил.
Итог. Красивый, удобный и даже мощный не всегда бывает пригодным. Минусы и минусы считаю не нужным перечислять.
А вообще, пригодный паяльник, если добавить: хорошее жало, регулятор мощности и новый кабель :)) Для пыток.
Товар предоставлен для написания обзора магазином. Обзор опубликован в соответствии с п.18 Правил сайта.
T2117 схема — volfernion.ru
Скачать t2117 схема fb2
Блог new. Технические обзоры. Опубликовано: , Перейти в магазин. Немного об их путешествии. Так получилось, что я изначально отобрал для обзора несколько наиболее интересных на мой взгляд блоков питания, сразу пришли не все, но первая пара была отправлена DHLем за компанию с другим товаром.
Вообще я думал что DHL это фирма с более развитой логистикой, а в итоге они даже мою фамилию написали неправильно, хотя во всех документах она была указана корректно. Блоки питания, маленькие и очень маленькие. Все платы были упакованы в герметичные антистатические пакетики, три одноразовых, а один с защелкой.
Итак первый БП, 12 Вольт 1 Ватт. Ток нагрузки 20мА для БП такой мощности тяжело назвать это режимом холостого хода. Ток нагрузки 50мА, напряжение чуть поднялось, но в целом все нормально Блоки питания, маленькие и очень маленькие.
Эту страницу нашли, когда искали : spf чем заменить , шим контроллер ly даташит , mip2h3 схема включения , sf схема включения , ob не стартует , микросхема ly , ap в схеме , bp схема включения , ce , dp схема включения , ly даташит , prb аналог , stgl17 f12 , микросхема obpap , ap схема включения , obpap datasheet на русском , tny , lnkpn чем заменить , slc замена , шим dp аналоги , hj tlaa ly , sgap схема включения , ncpd06 схема включения , obcpb obgp блок питания схема , bpb применению.
Версия для печати. Органайзеры для косметики и шустрый продавец. Сегодня у меня обзор из тех, на которых я отдыхаю от микросхем, плат и прочих железяк В прошлом обзоре блока питания я затронул тему того, как выбрать правильный блок питания.
Отличительные особенности: Непосредственное питание от сети Потребляемый ток не более 0,5 мА Малое количество внешних компонентов Коммутирует обе полуволны, поэтому в токе нагрузки нет постоянной составляющей Управляющий выход имеет отрицательный уровень с типовым значением импульсного тока мА, а также защищен от к.
Простая регулировка мощности Генератор пилообразного напряжения Источник опорного напряжения Области применения: Регулировка мощности при малом уровне ЭМИ за счет включения нагрузки при переходе через 0 Стабилизация температуры Управление мигающими лампами Структурная схема:.
Расположение выводов:. Общее описание: T — специализированная интегральная микросхема, которая предназначена для построения силового ключа, замыкающегося при переходе через ноль, и выполнена по биполярной технологии. Она используется для управления активной нагрузкой, подключенной к сети, а в качестве силового элемента подразумевает использование семистора.
PDF, djvu, djvu, djvuПохожее:
▶▷▶▷ схема регулятора шим на 555 таймере с регулировкой частоты
▶▷▶▷ схема регулятора шим на 555 таймере с регулировкой частоты| Интерфейс | Русский/Английский |
| Тип лицензия | Free |
| Кол-во просмотров | 257 |
| Кол-во загрузок | 132 раз |
| Обновление: | 25-03-2019 |
схема регулятора шим на 555 таймере с регулировкой частоты — Yahoo Search Results Yahoo Web Search Sign in Mail Go to Mail» data-nosubject=»[No Subject]» data-timestamp=’short’ Help Account Info Yahoo Home Settings Home News Mail Finance Tumblr Weather Sports Messenger Settings Want more to discover? Make Yahoo Your Home Page See breaking news more every time you open your browser Add it now No Thanks Yahoo Search query Web Images Video News Local Answers Shopping Recipes Sports Finance Dictionary More Anytime Past day Past week Past month Anytime Get beautiful photos on every new browser window Download ШИМ — регуляторы оборотов двигателей на таймере 555 electrikinfo/oborotov-dvigateley-na-taymere- 555 html Cached Рисунок 1 Схема ШИМ — регулятора на таймере 555 Схема эта настолько популярна, что выпускается уже в виде набора, что и показано на последующих рисунках Мощный ШИМ регулятор — MYSKUru myskuru/blog/aliexpress/27673html Cached Ну просто у меня была печатка под немного другой ШИМ на 555 таймере и я на фанатизм приклеил к нему 3 транзистора с выходного каскада обсуждаемого в этой теме китайского ШИМа Простой ШИМ регулятор — cxemnet cxemnet/house/1-277php Cached Диаграмма работы ШИМ в КТ1 С помощью данного регулятора можно управлять бытовыми лампами накаливания на 12 В, двигателем постоянного тока с изолированным корпусом 555 Схем На Таймере — forumcxemnet forumcxemnet/indexphp?/topic/34397- 555 -схем- на Cached В связи с многочисленными вопросами, возникающими при создании устройств на таймере 555 , открыта эта тема, как «музей» (архив, сборник) подобных схем Очень Мощный Шим Регулятор — Регуляторы мощности, 555 Схем На Таймере — Страница 16 — Схемотехника РадиоКот :: Лабораторный генератор ШИМ с широким диапазоном wwwradiokotru/circuit/digital/measure/55 Cached Только надо добавить компаратор и триггер с логикой ИЛИ-НЕ Схема генератора на 555 таймере : Осциллограммы работы генератора пилообразного напряжения на 555 таймере на частотах 332 кГц и 462 кГц Подмотчик спидометра на NE555 — cxemnet cxemnet/avto/electronics/4-139php Cached Схема что то перемудрена, мой товарищ собирает подобные и продает, а там схема 555 , пара резюков+1 подстроечный+1 кондер и всё Заливает смолой в пробку, работают годами Сделай сам дневные ходовые огни: ШИМ-регулятор яркости datagorru Практика В статье изложен вариант автоматических дневных ходовых огней (ДХО) для автомобиля на базе ШИМ регулятора на таймере 555 с минимальным изменением в электропроводке автомобиля при установке Форум РадиоКот • Просмотр темы — Схему ШИМ регулятора (для radiokotru/forum/viewtopicphp?f=29t=76639 Cached При том что батарея не первой свежести, уже 3 часа стоит мотор в ванной комнате, опущен в ванну с водой (винт и шпонка сняты) и молотит на 5 скорости через ШИМ Цифровые формирователи трехфазного напряжения с ШИМ-управлением wwwrlocmanru/shem/schematicshtml?di=582547 Cached Задающий генератор на 555 -том таймере Схема сложнее, но тоже не прототип На странице 179 есть схема Михаила Мухина из города Клин (завоевал этот город Иван iii – дедушка Ивана Грозного Мухин М Как сделать ШИМ регулятор оборотов двигателя ruclipcom/video/_ZxZkJ—ox0/как Cached Полезные ссылочки — ДержалкО — googl/ruSohL или googl/fVtxhx — ПрипойкО — googl/78zyNt или googl/YhfGDE — Архив со схемой и платой — googl/jG8y8a Сегодня будем собирать схему ШИМ регулятора для двигателей, работающих от переменного тока Promotional Results For You Free Download | Mozilla Firefox ® Web Browser wwwmozillaorg Download Firefox — the faster, smarter, easier way to browse the web and all of Yahoo 1 2 3 4 5 Next 337 results Settings Help Suggestions Privacy (Updated) Terms (Updated) Advertise About ads About this page Powered by Bing™
- В качестве элемента управления на схеме условно показан резистор R2.
Поэтому, далее будут рассмотрен - ы только две схемы: самая распространенная на таймере 555, и на контроллере ИБП UC3843. В итоге покопавшись в интернете нашел схему на мне уже знакомой микросхеме NE555. Схема оказалось очень простой
- опавшись в интернете нашел схему на мне уже знакомой микросхеме NE555. Схема оказалось очень простой и не требовала настройки, главное было не накосячить с подключением диодов и транзистора.
Видно, что характеристики схемы с емкостно-индукционным балластом зависят от величины h и при некоторых ее значениях в поведении характеристик обнаруживаются особые эффекты.
Автоновости на русском языке. Модельный ряд. Анонсы новых моделей. Телефон горячей линии Cadillac. См. «Педали акселератора и тормоза с регулировкой положения», стр. 9-18 (при соответствую- щей комплектации).
На схеме я указал управление от двух датчиков (габариты и датчик давления масла). Я на 555 таймере собирал схему задержки для задних стеклоподъемников, ну и по накатанной сюда решил.
…
Сдвоенная версия 555 выпускается под обозначением 556, счетверенная — под обозначением 558. Анализ и синтез схемы на 555 в режиме астабильного мультивибратора — онлайн калькулятор.
1) работодатель (судовладелец) должен обеспечить судно схемами наиболее безопасной проводки основных и дополнительных швартовных канатов с указанием опасных зон, разработанными и рекомендованными проектантом судна или технологической картой в соответствии с судовой обстановкой;
Полумостовой драйвер 600 В верхнего и нижнего плеча с входным генератором на базе таймера 555 предназначен для управления двумя полевыми или IGBT транзисторами.
Новая улучшенная магнитная схема, обеспечивающая эффективное экранирование и не влияющая на магнитные контуры колонок, позволяет значительно снизить искажения и повысить четкость звука.
Система плавнорегулируемого газораспределения (CVVT) изменяет синхронизацию открытия впускных и выпускных клапанов в сторону опережения или запаздывания по сигналу управления от ЭБУД, формируемому с учетом частоты вращения коленчатого вала и нагрузки двигателя.
обеспечивающая эффективное экранирование и не влияющая на магнитные контуры колонок
далее будут рассмотрены только две схемы: самая распространенная на таймере 555
- что и показано на последующих рисунках Мощный ШИМ регулятор — MYSKUru myskuru/blog/aliexpress/27673html Cached Ну просто у меня была печатка под немного другой ШИМ на 555 таймере и я на фанатизм приклеил к нему 3 транзистора с выходного каскада обсуждаемого в этой теме китайского ШИМа Простой ШИМ регулятор — cxemnet cxemnet/house/1-277php Cached Диаграмма работы ШИМ в КТ1 С помощью данного регулятора можно управлять бытовыми лампами накаливания на 12 В
- работающих от переменного тока Promotional Results For You Free Download | Mozilla Firefox ® Web Browser wwwmozillaorg Download Firefox — the faster
- опущен в ванну с водой (винт и шпонка сняты) и молотит на 5 скорости через ШИМ Цифровые формирователи трехфазного напряжения с ШИМ-управлением wwwrlocmanru/shem/schematicshtml?di=582547 Cached Задающий генератор на 555 -том таймере Схема сложнее
схема регулятора шим на 555 таймере с регулировкой частоты — Поиск в Google Специальные ссылки Перейти к основному контенту Справка по использованию специальных возможностей Оставить отзыв о специальных возможностях Нажмите здесь , если переадресация не будет выполнена в течение нескольких секунд Войти Удалить Пожаловаться на неприемлемые подсказки Режимы поиска Все Картинки Видео Новости Карты Ещё Покупки Книги Авиабилеты Финансы Настройки Настройки поиска Языки (Languages) Включить Безопасный поиск Расширенный поиск Ваши данные в Поиске История Поиск в справке Инструменты Результатов: примерно 16 400 (0,52 сек) Looking for results in English? Change to English Оставить русский Изменить язык Результаты поиска Картинки по запросу схема регулятора шим на 555 таймере с регулировкой частоты Другие картинки по запросу «схема регулятора шим на 555 таймере с регулировкой частоты» Жалоба отправлена Пожаловаться на картинки Благодарим за замечания Пожаловаться на другую картинку Пожаловаться на содержание картинки Отмена Пожаловаться Все результаты ШИМ регулятор на таймере NE555 | Электроника для всех easyelectronicsru/shim-regulyator-na-tajmere-ne555html Сохраненная копия Похожие 22 янв 2009 г — Если не вникать глубоко в структуру таймера 555 , то несложно Интересно, а можно эту схему использовать для регулировки компьютерного А здесь у нас частота ШИМ в 1000 раз больше сетевой, может Простой ШИМ регулятор на NE555 | Мастер-класс своими руками › Электроника › Простые схемы Сохраненная копия Рейтинг: 3 — 5 голосов 13 февр 2018 г — Как сделать простой ШИМ регулятор на микросхеме NE555 своими руками С аналоговым интегральным таймером SE555 / NE555 (КР1006), выпускаемым для получения схемы с заданной частотой , длительностью импульса и паузой, Подключил к mossfet, мне регулировки хватает РадиоКот :: PWM регулятор от 0% до 100% на NE555 Новое Сохраненная копия 5 сент 2017 г — Также схема позволяет регулировать мощность внешним напряжением с плавающим Частоту можно задать в широких пределах от 1 Гц до 300 кГц с помощью RC цепи Метод Электронное реле поворотов на таймере 555 ( замена для 233747) ШИМ — регулятор для лодочного мотора ШИМ — регуляторы оборотов двигателей на таймере 555 electrikinfo/main//685-shim-regulyatory-oborotov-dvigateley-na-taymere-555html Сохраненная копия Похожие Другим способом регулировать обороты двигателя, подключенного к аккумулятору, просто неприлично, хотя вполне Схема ШИМ — регулятора на таймере 555 Тем самым достигается стабилизация работы частоты ШИМ ШИМ регулятор на таймере NE555 — DRIVE2 Сохраненная копия Похожие 6 лет Метки: шим регулятор на таймере ne555 , шим регулятор , ne555 , шим ШИМ на мультивибраторе — деталей ненамного больше, регулировка реально Как получить из этой схемы ШИМ со стабилизированной частотой и Видео 7:24 ШИМ на NE555 Паяльник TV YouTube — 27 янв 2016 г 9:38 ШИМ регулятор на таймере 555 Andrey Frolov YouTube — 27 нояб 2017 г 13:01 Регулятор напряжения ШИМ на NE555 СамиСуСами hand made в YouTube — 22 апр 2017 г Все результаты Простая схема ШИМ-регулятора на таймере NE555 — Fly Modification flymodru/pwm_ne555_ru/ Сохраненная копия Простая схема ШИМ — регулятора на таймере NE555 прямоугольных импульсов с широтно-импульсной регулировкой Второй способ подразумевает изменение ширины импульсов (скважности) тока с частотой от 200 Гц до Простой ШИМ-регулятор на таймере NE555 — Меандр meandrorg/archives/36057 Сохраненная копия 22 дек 2017 г — Устройства предназначенные для ручной регулировки мощности Частоту работы ШИМ — регулятора DA1 NE555 в этой схеме можно СХЕМА ШИМ РЕГУЛЯТОРА — радиосхемы radioskotru › Схемы источников питания Сохраненная копия Похожие Схемы и радиоэлектроника: СХЕМА ШИМ РЕГУЛЯТОРА , Схемы источников Регулировка оборотов электродвигателей в современной электронной Таймер на микросхеме NE555 следит за напряжением на конденсаторе С1, Частота задается в основном конденсатором С1 и еще немного зависит от ШИМ регулятор на 555 таймере — Neru5RU Сохраненная копия 28 февр 2016 г — Если у вас возникла необходимость в плавной регулировке скорости Возможно, вам придется снизить частоту работы схемы , для этого нужно Комментариев к статье » ШИМ регулятор на 555 таймере » : 5 ШИМ регулятор на таймере NE555 | Электроника для всех — Pinterest Похожие 26 февр 2019 г- ШИМ регулятор на таймере NE555 | Электроника для всех T2117 — Интегральная схема управления семисторным ключом с коммутацией при переходе через ноль и функцией регулировки Open Подробнее Подробнее Стабилизация частоты кварцевым резонатором Dimitrij · AVR Шим регулятор на 555 схема Шим регулятор оборотов двигателя Сохраненная копия Простая схема ШИМ — регулятора на таймере NE555 В схеме наблюдается частичное отклонение частоты , но в слышимый диапазон она не попадает прямоугольных импульсов с широтно-импульсной регулировкой Шим на 555 таймере регулировка скважности ШИМ — регуляторы Сохраненная копия Простой ШИМ — регулятор на 555 таймере конденсатора C1, значения, указанные на схеме дают частоту примерно 170 — 200 Гц Можно использовать Простой ШИМ-регулятор на 555 таймере micpicru/other-shemes/96-prostoj-shim-regulyator-na-555-tajmerehtml Сохраненная копия Похожие Этот ШИМ — регулятор , построенный на интегральном таймере серии 555 ( КР1006ВИ1) позволяет регулировать скважность почти от 0 до значения, указанные на схеме дают частоту примерно 170 — 200 Гц Можно использовать ШИМ регулятор за 1,5$ — У Самоделкина › Электроника Сохраненная копия 9 нояб 2014 г — Однажды понадобился мне «девайс» для регулировки скорости В итоге покопавшись в интернете нашел схему на мне уже знакомой микросхеме NE555 Это была схема обычного ШИМ регулятора с скважностью вывод микросхемы через внутренний ключ таймера подключен на землю ШИМ регулятор на NE555 » Радиоактив — всё для радиолюбителя radioaktivru › Схемы › Авто и мото Сохраненная копия Похожие 15 янв 2015 г — Простой ШИМ регулятор мощности для активной нагрузки с Простой ШИМ регулятор мощности для активной нагрузки с номинальным напряжением 12В на таймере NE555 Собира Регулировка мощности осуществляется переменным На схеме выключатель управляет реле RL1 Шим регулятор оборотов двигателя 12 вольт на таймере ne555 wwwjoytaru › Бытовая электроника Сохраненная копия Похожие 27 дек 2013 г — Схема шим регулятор на 555 может быть использована для с частотой 50 Гц выполненного на таймере NE555 Длительность положительного импульса можно регулировать переменным резистором R2 555 Схем На Таймере — Страница 17 — Схемотехника для начинающих forumcxemnet › › Начинающим › Схемотехника для начинающих Сохраненная копия Похожие 18 июл 2008 г — 555 Схем На Таймере Схема с раздельной регулировкой частоты и скважности ШИМ — регулятор скорости вращения Шим На Ne555 — Паяльник TV — Форум по радиоэлектронике forumcxemnet › Вопрос-Ответ Для начинающих › Паяльник TV Сохраненная копия Похожие 27 янв 2016 г — Калькулятор 555 таймера · 555 схем на таймере ШИМ на 555 lay вентилятор запускается ( 555 выдает сигнал постоянно), но никакой регулировки нет Помогите, пожалуйста, сделать регулятор на 24В Схема Не найдено: частоты Регулятор оборотов электродвигателя коллекторного типа на ШИМ imolodeccom › Схемы › Прикладная электроника › Регуляторы мощности Сохраненная копия Похожие Рейтинг: 3,7 — 21 голос 14 окт 2010 г — ШИМ — регуляторы на таймере ne555 позволяют осуществлять плавную регулировку оборотов Для регулировки частоты вращения маломощных Схема ШИМ регуляторов на рис2 аналогична предыдущей, Схема включения для двигателя ШИМ регулятора напряжения на › Обзоры товаров › AliExpress Сохраненная копия 30 июн 2017 г — Простенький ШИМ на NE555 Цена: $075 Перейти в C1 с помощью данного конденсатора задается частота работы генератора ТехноГен: Простой ШИМ регулятор 0-100% для светодиодного doommenblogspotcom/2013/04/0-100-555html Сохраненная копия Похожие 24 апр 2013 г — В интернете было найдено достаточно много схем ШИМа, Пришлось использовать таймер немножко «наоборот» — выход Для плавной регулировки необходимо использовать резистор с Логарифмической зависимостью на сопротивление 10k — 100k (можно и другие, но частоту придется [DOC] NE555_ШИМ filesdomcxemru/infocenter/Электропитание/NE555_ШИМdoc Сохраненная копия Похожие Если рассматривать схему шим регулятор на таймере ne555 , то можно вариант регулировки скважности импульсов при неизменной частоте Расчет таймера NE555 | rcl-radioru › Статьи › Радиотехнические калькуляторы Сохраненная копия 19 янв 2016 г — NE555 — аналоговая интегральная схема , универсальный таймер в линиях связи, фильтры дребезга, двухпозиционные регуляторы в системах устройства широтно-импульсного регулирования, таймеры и др Для таймера NE555 – частота в 360 кГц является максимальной, поскольку [PDF] Каскад ШИМ на ждущем мультивибраторе, или ещё одно Сохраненная копия Похожие автор: И Безверхний — Похожие статьи схему широтно импульсный моду частоты с коэффициентом заполне одновибратор на таймере NE555 R4 – регулятор скважности импуль сов; Не найдено: регулировкой Микросхема таймер 555 Схемы и конструкции на таймере серии wwwtexnicru/konstr/raznoe/razn024htm Сохраненная копия Похожие Подборка радиолюбительских схем различной направленности на микросхеме Микросхема таймер NE555 радиолюбительские конструкции высоковольтные устройства усилители мощности звуковой частоты и и почти все что захотите Светодиодный регулятор яркости с использованием ШИМ Схема генератора импульсов mikroshema-kru/shema_generatora_impulsovhtml Сохраненная копия Похожие Схема генератора импульсов на таймере NE555 с регулировкой частоты и схема генератора прямоугольных импульсов с регулировкой частоты и как ШИМ для регулировки мощности нагрузки или регулятор оборотов NE555 — Википедия Сохраненная копия Похожие 555 — интегральная схема , универсальный таймер — устройство для формирования Вначале он отладил схему интегрального ГУН с частотой , не зависевшей ШИМ регулятор с постоянной частотой и плавной регулировкой Шим регулятор оборотов двигателя 12 вольт на таймере ne555 wptourru/shim-regulyator-oborotov-dvigatelya-12-volt-na-tajmere-ne555html 21 окт 2017 г — Схема регулятора основанного на широтно-импульсной с частотой 50 Гц выполненного на таймере NE555 Длительность положительного импульса можно регулировать переменным резистором R2 Какие практические схемы можно сделать на таймере 555 alprofinfo/articles//kakie_prakticheskie_shemi_mozhno_sdelat_na_taiymere_555/ Сохраненная копия Похожие Какие практические схемы можно сделать на таймере 555 напряжения, ШИМ – регуляторы двигателей постоянного тока и многое другое Наружных регулировок тоже не предвидится, после настройки останется Частота этих импульсов зависит от нашей фантазии и от параметров RC цепи: это ШИМ регулятор — Takerim Сохраненная копия 22 авг 2016 г — регулировка оборотов двигателя: 0-100% Собран регулятор на самом распространенном таймере NE555 Частота ШИМ 23кГц Схему рисовать не стал, в интернете схем ШИМ на NE555 в достатке и все ШИМ-регуляторы оборотов маломощных коллекторных eldvigatelinarodru/1859-shim_reguljtory_oborotov_malomoshnyh_kollektornyh_ye Сохраненная копия Похожие Регулировать частоту вращения маломощного коллекторного электродвигателя (ЭД) можно, включая последовательно с ним Схемы регуляторов Помогите довести до ума ШИМ регулятор — Микроэлектроника — Форум › › Микроэлектроника Сохраненная копия 20 сент 2012 г — При регулировке с 0 до 8 деления все идет как и нужно (всего делений 10) — плавная Накладка частоты ШИМ на скорость движка(те частоту у вас схема на 555 таймере или на ШИМ микрухе? может частота ШИМ регулятор на NE555 — Схема-авто — поделки для авто схема-авторф › Главная › Схема Сохраненная копия Похожие 14 янв 2016 г — Как-то мой друг захотел себе подсветить приборную панель и я взялся ему помочь Но в результате свет получился ярковат Учитывая Регулятор мощности на NE555 (ШИМ) — Блоки питания — Киберфорум wwwcyberforumru › › Блоки питания и аккумуляторы Сохраненная копия 19 июн 2017 г — Рейтинг: 4,6 — 7 голосов Решено: Регулятор мощности на NE555 ( ШИМ ) Блоки питания Ответ Собрал схему для проверки таймера Ilya2d, при такой схеме регулировка вращения будет не в большом диапазоне лежать Выход 555 нужно инвертировать и драйвер затвора сделать ну и частоту снизить раз в Простой ШИМ-регулятор на таймере NE555 — radioamatorru radioamatorru/avtomatika//1387-prostoj-shim-regulyator-na-tajmere-ne555 Сохраненная копия Причем, если при регулировке потенциометром Р1 увеличивается длительность Частоту работы ШИМ — регулятора DA1 NE555 в этой схеме можно схема генератора импульсов с регулировкой частоты и скважности wwwkaratedopl/skhema-generatora-impulsov-s-regulirovkoi-chastoty-i-skvazhnosti- Сохраненная копия 27 дек 2018 г — схема генератора импульсов с регулировкой частоты и скважности на ne555 693*С*(R1 + 2*R2) Скрыть 2 Генератор на базе таймера NE 555 Если рассматривать схему шим регулятор на таймере ne555 , то Шим Регулятор Оборотов На Таймере 555 — swimfreedom Сохраненная копия 2 авг 2018 г — ШИМ — регуляторы на таймере ne555 позволяют осуществлять плавную свечения светодиодов — регулировки тока в зарядном устройстве Схема На 47 нанофарадах, поставленных в С1, например, частота Мощный ШИМ регулятор — mySKUme Сохраненная копия Представляет собой мощный ШИМ (PWM) регулятор с плавным ручным При необходимости, частоту работы ШИМ можно уменьшить, подпаяв нужный Хотел в авто сделать регулировку оборотов вентилятора печки с помощью ШИМ регулятора CW1 — это резистор схемы питания таймера 555 Motor Control: ШИМ-регулятор оборотов wwwmotor-rinfo/p/blog-page_26html Сохраненная копия Похожие Схема по которой собран этот регулятор всем известна и очень популярна DA4 и DA5 и блокируется генерация импульсов по 5 ноге таймера NE555 Чтобы напряжение на выходе (на клеммах двигателя) при регулировке или нет? Как известно, чем выше частота шим тем сильнее греется мосфет Видео: Шим на таймере 555 учимся собирать схему в Программе Сохраненная копия Создаем в программе PROTEUS схему ШИМ на таймере 555 , с помощью такой схемы можно регулировать частоту вращения двигателя или частоту Стабилизатор подачи проволоки с обратной связью на NE-555 — Форум Сохраненная копия 27 мая 2013 г — Суть задачи такая- реализовать на 555 таймере ШИМ стабилизатор оборотов Для устранения этого, нужно регулировку розбивать на поддиапазоны, усложнять, переделывать схему ШИМ регулятор оборотов двигателя» — может подойдет, на 555 -ом и вроде работоспособная Где-то в Еще раз про HDD f-streamru/index_files/LB1188_in_HDDhtml Сохраненная копия Пусть Вас не смущают малые размеры схемы и печати Однако, необходимо отметить, что плавно регулировать частоту просто ну или ШИМ регулятор на всемирно известном таймере NE 555 (таких схем в инете полно) Схема генератор на 555 с регулировкой частоты и скважности awafohe16generalrunet/urekiqam_shema-generator-na-555-s-regulirovkoj/easp Сохраненная копия Шим регулятор на таймере ne555 | электроника для всех Схема генератор на 555 с регулировкой частоты и скважности Электронный регулятор скорости вращения коллекторного samodelkinkomiru/electron/shim3html Сохраненная копия Похожие Рис1 Схема принциапиальная регулятора скорости вращения двигателя постоянного с аналогом интегрального таймера — NE555 : Издержкой данной схемы Для ШИМ регулятора это не критично, и даже благоприятно для силовых А при работе с нагрузками отличными от электродвигателя частоту Регулятор напряжения от 0 до 30 вольт максимальный ток 30 А wwwcqhamru › › Источники питания Сохраненная копия Похожие 12 февр 2011 г — Подскажите схему регулятора напряжения от 0 до 30 вольт максимальный ток ток 30 А Требования таковы, надо чтоб Главное оперативная регулировка ! Широтно-импульсный регулятор (то, что вы пытаетесь сделать на таймере 555 ) Фазоимпульсный регулятор по сетевой частоте Регулятор скорости двигателя постоянного тока — chipenableru chipenableru/indexphp/how-connection/155-pwm-regulator-dc-dvigatelyahtml Сохраненная копия 14 июл 2013 г — Если частота ШИМ сигнала будет низкой (единицы Гц), то двигатель Одна из самых простых — это схема на основе 555 -го таймера Генератор на базе таймера NE555 в Киеве и Украине — Arduino Сохраненная копия Генератор на базе таймера NE555 в Киеве и Украине Диапазон регулировки частоты выходных импульсов регулируется с помощью перемычки в четырех диапазонах: 1 Гц – 50 Гц / 50 ШИМ регулятор оборотов DC 6-28В 3A Регулятор оборотов минидрели / Блог компании MakeItLab / Хабр Сохраненная копия 27 сент 2018 г — Схема ШИМ — регулятор со встроенным ключом MC34063 регулирует Смысл здесь в регулировке оборотов с помощью ШИМ , чтобы избежать потерь на на фиксированной частоте и фиксированной скважности, сигнал с Такие схемы последние лет двадцать делают на таймере 555 Вместе с схема регулятора шим на 555 таймере с регулировкой частоты часто ищут мощный шим регулятор на 555 шим регулятор на ne555 печатная плата шим на 555 управляемый напряжением шим на 555 с обратной связью шим стабилизатор тока на 555 ne555 схемы шим регулятор по плюсу шим регуляторы постоянного тока Навигация по страницам 1 2 3 Следующая Ссылки в нижнем колонтитуле Россия — Подробнее… Справка Отправить отзыв Конфиденциальность Условия Аккаунт Поиск Карты YouTube Play Новости Почта Контакты Диск Календарь Google+ Переводчик Фото Ещё Покупки Документы Blogger Hangouts Google Keep Jamboard Подборки Другие сервисы Google
В качестве элемента управления на схеме условно показан резистор R2.
Поэтому, далее будут рассмотрены только две схемы: самая распространенная на таймере 555, и на контроллере ИБП UC3843.
В итоге покопавшись в интернете нашел схему на мне уже знакомой микросхеме NE555. Схема оказалось очень простой и не требовала настройки, главное было не накосячить с подключением диодов и транзистора.
Видно, что характеристики схемы с емкостно-индукционным балластом зависят от величины h и при некоторых ее значениях в поведении характеристик обнаруживаются особые эффекты.
Автоновости на русском языке. Модельный ряд. Анонсы новых моделей. Телефон горячей линии Cadillac. См. «Педали акселератора и тормоза с регулировкой положения», стр. 9-18 (при соответствую- щей комплектации).
На схеме я указал управление от двух датчиков (габариты и датчик давления масла). Я на 555 таймере собирал схему задержки для задних стеклоподъемников, ну и по накатанной сюда решил….
Сдвоенная версия 555 выпускается под обозначением 556, счетверенная — под обозначением 558.
Анализ и синтез схемы на 555 в режиме астабильного мультивибратора — онлайн калькулятор.
1) работодатель (судовладелец) должен обеспечить судно схемами наиболее безопасной проводки основных и дополнительных швартовных канатов с указанием опасных зон, разработанными и рекомендованными проектантом судна или технологической картой в соответствии с судовой обстановкой;
Полумостовой драйвер 600 В верхнего и нижнего плеча с входным генератором на базе таймера 555 предназначен для управления двумя полевыми или IGBT транзисторами.
Новая улучшенная магнитная схема, обеспечивающая эффективное экранирование и не влияющая на магнитные контуры колонок, позволяет значительно снизить искажения и повысить четкость звука.
Система плавнорегулируемого газораспределения (CVVT) изменяет синхронизацию открытия впускных и выпускных клапанов в сторону опережения или запаздывания по сигналу управления от ЭБУД, формируемому с учетом частоты вращения коленчатого вала и нагрузки двигателя.
Паяльник Santus 30 Вт
Привет всем.Сегодня на обзоре паяльник Santus мощностью 30Вт. Красивый, легкий, с тонким необгораемым жалом, но сколько красивых слов не говори, а проверить в деле надо.
Получил я паяльник в такой упаковке.
На упаковке название паяльника, галографическая наклейка с названием и каким то кодом или номером и отмечена мощность паяльника из имеющихся в продаже. В данном случае 30Вт.
Рассмотрим сам паяльник. Вот такой он из коробки.
И еще такой кривой, походу усох в дороге.
Ручка выполнена из белого пластика, довольно удобная. В месте хвата на ручку одета резиновая вставка, чтобы рука не скользила, и наклеена наклейка с инфо: название, модель и используемое напряжение сети.
Жало без маркировки, крепится винтом.
Длина кабеля как и заявлено 120-130см. Очень жесткий, можно заменить. В месте входа в паяльник одета резинка, чтобы кабель не переломался.
Тип вилки не под наш стандарт. Такой тип появился и используется в США и обычно рассчитан на напряжение 100-127 В.
Теперь разберем и посмотрим что внутри. Снимаем ручку.
Никаких схем, прямое включение кабель — нихромовый нагреватель.
Нихромовый нагреватель представляет собой спираль, навитую на керамическое основание во внутреннее отверстие которого вставляется паяльный стержень. Кстати жало должно быть вроде как необгораемое. Длина 70мм, диаметр 4мм.
Теперь перейдем к неприятному, а именно к работе паяльника. Работать паяльником можно примерно секунд 30, это когда он полностью не разогрелся. Только в этот момент жало смачивается оловом. Потом же температура доходит до максимума и жало начинает гореть и не смачивается оловом ни в какую.
Выход один, нужно сделать регулятор мощности паяльника. Любую простейшую схему. Плюс нормальное жало.
Температура жала по времени нагрева.
Большой кусок олова разогрел за 2 сек, даже вскипятил.
Итог. Красивый, удобный и даже мощный не всегда бывает пригодным. Минусы и минусы считаю не нужным перечислять.
А вообще, пригодный паяльник, если добавить: хорошее жало, регулятор мощности и новый кабель :)) Для пыток.
Всем спасибо и удачных покупок.
Товар предоставлен для написания обзора магазином. Обзор опубликован в соответствии с п.18 Правил сайта.
PMIC — Распределительные устройства, драйверы нагрузки
*Страна/Регион :
*Страна/РегионUnited StatesCanadaBrazilFranceGermanyItalyMexicoSpainUnited Kingdom—————-AfghanistanAlbaniaAlgeriaAmerican SamoaAndorraAngolaAnguillaAntarcticaAntigua and BarbudaArgentinaArmeniaArubaAustraliaAustriaAzerbaijanBahamasBahrainBangladeshBarbadosBelarusBelgiumBelizeBeninBermudaBhutanBoliviaBosnia and HerzegovinaBotswanaBouvet IslandBrazilBritish Indian Ocean TerritoryBrunei DarussalamBulgariaBurkina FasoBurundiCambodiaCameroonCanadaCape Verde IslandsCayman IslandsCentral African RepublicChadChileChinaChristmas IslandCocos (Keeling) IslandsColombiaComorosCongo (DEM. REP. OF)Congo (REP.
OF)Cook IslandsCosta RicaCote D’IvoireCroatiaCubaCuracaoCyprusCzech RepublicDenmarkDjiboutiDominicaDominican RepublicEcuadorEgyptEl SalvadorEquatorial GuineaEritreaEstoniaEthiopiaFalkland Islands (Malvinas)Faroe IslandsFederated States of MicronesiaFijiFinlandFranceFrench GuianaFrench PolynesiaFrench Southern TerritoriesGabonGambiaGeorgiaGermanyGhanaGibraltarGreeceGreenlandGrenadaGuadeloupeGuamGuatemalaGuineaGuinea-bissauGuyanaHaitiHeard and Mc Donald IslandsHondurasHong KongHungaryIcelandIndiaIndonesiaIran (Islamic Republic of)IraqIrelandIsraelItalyJamaicaJapanJordanKazakhstanKenyaKiribatiKosovoKuwaitKyrgyzstanLao People’s Democratic RepublicLatviaLebanonLesothoLiberiaLibyan Arab JamahiriyaLiechtensteinLithuaniaLuxembourgMacauMacedoniaMadagascarMalawiMalaysiaMaldivesMaliMaltaMarshall IslandsMartiniqueMauritaniaMauritiusMayotteMexicoMicronesiaMoldovaMonacoMongoliaMontenegroMontserratMoroccoMozambiqueMyanmarNamibiaNauruNepalNetherlandsNetherlands AntillesNew CaledoniaNew ZealandNicaraguaNigerNigeriaNiueNorfolk IslandNorth KoreaNorthern Mariana IslandsNorwayOmanPakistanPalauPanamaPapua New GuineaParaguayPeruPhilippinesPitcairnPolandPortugalPuerto RicoQatarReunionRomaniaRussiaRwandaSaint Kitts and NevisSaint LuciaSaint Vincent and the GrenadinesSamoaSan MarinoSao Tome and PrincipeSaudi ArabiaSenegalSerbiaSerbia and MontenegroSeychellesSierra LeoneSingaporeSlovakia (Slovak Republic)SloveniaSolomon IslandsSomaliaSouth AfricaSouth Georgia & South Sandwich IslandsSouth KoreaSpainSri LankaSt.
HelenaSt. Pierre and MiquelonSudanSurinameSvalbard and Jan Mayen IslandsSwazilandSwedenSwitzerlandSyrian Arab RepublicTahitiTaiwanTajikistanTanzaniaThailandTogoTokelauTongaTrinidad and TobagoTunisiaTurkeyTurkmenistanTurks and Caicos IslandsTuvaluUgandaUkraineUnited Arab EmiratesUnited KingdomUnited StatesUnited States minor outlying islandsUruguayUzbekistanVanuatuVatican City State (Holy See)VenezuelaVietnamVirgin Islands (British)Virgin Islands (U.S.)Wallis and Futuna IslandsWestern SaharaYemenZambiaZimbabwe
*Грузополучатель :
*Мобильник:+
* Пожалуйста, заполните номер мобильного телефона правильно, чтобы получить информацию об отслеживании вовремя.
Кодекс страны*Улица :
*Город :
Область :
*Область : Select OneAlabama(AL)Alaska(AK)American Samoa(AS)Arizona(AZ)Arkansas(AR)California(CA)Colorado(CO)Connecticut(CT)Delaware(DE)District of Columbia(DC)Florida(FL)Georgia(GA)Guam(GU)Hawaii(HI)Idaho(ID)Illinois(IL)Indiana(IN)Iowa(IA)Kansas(KS)Kentucky(KY)Louisiana(LA)Maine(ME)Maryland(MD)Massachusetts(MA)Michigan(MI)Minnesota(MN)Mississippi(MS)Missouri(MO)Montana(MT)Nebraska(NE)Nevada(NV)New Hampshire(NH)New Jersey(NJ)New Mexico(NM)New York(NY)North Carolina(NC)North Dakota(ND)Northern Mariana Islands(MP)Ohio(OH)Oklahoma(OK)Oregon(OR)Pennsylvania(PA)Puerto Rico(PR)Rhode Island(RI)South Carolina(SC)South Dakota(SD)Tennessee(TN)Texas(TX)Utah(UT)Vermont(VT)Virgin Islands(VI)Virginia(VA)Washington(WA)West Virginia(WV)Wisconsin(WI)Wyoming(WY)Armed Forces(AA)Armed Forces(AE)Armed Forces(AP)
*Почтовый индекс :Please enter a new 5-digit zip code.
.
Название компании :
Постоянный адрес по умолчанию
Отмена
Представлять
Паяльник Santus 30 Вт
Привет всем.Сегодня на обзоре паяльник Santus мощностью 30Вт. Красивый, легкий, с тонким необгораемым жалом, но сколько красивых слов не говори, а проверить в деле надо.
Получил я паяльник в такой упаковке.
На упаковке название паяльника, галографическая наклейка с названием и каким то кодом или номером и отмечена мощность паяльника из имеющихся в продаже. В данном случае 30Вт.
Рассмотрим сам паяльник. Вот такой он из коробки.
И еще такой кривой, походу усох в дороге.
Ручка выполнена из белого пластика, довольно удобная. В месте хвата на ручку одета резиновая вставка, чтобы рука не скользила, и наклеена наклейка с инфо: название, модель и используемое напряжение сети.
Жало без маркировки, крепится винтом.
Длина кабеля как и заявлено 120-130см. Очень жесткий, можно заменить.
В месте входа в паяльник одета резинка, чтобы кабель не переломался.Тип вилки не под наш стандарт. Такой тип появился и используется в США и обычно рассчитан на напряжение 100-127 В.
Теперь разберем и посмотрим что внутри. Снимаем ручку.
Никаких схем, прямое включение кабель — нихромовый нагреватель.
Нихромовый нагреватель представляет собой спираль, навитую на керамическое основание во внутреннее отверстие которого вставляется паяльный стержень. Кстати жало должно быть вроде как необгораемое. Длина 70мм, диаметр 4мм.
Теперь перейдем к неприятному, а именно к работе паяльника. Работать паяльником можно примерно секунд 30, это когда он полностью не разогрелся. Только в этот момент жало смачивается оловом. Потом же температура доходит до максимума и жало начинает гореть и не смачивается оловом ни в какую.
Выход один, нужно сделать регулятор мощности паяльника. Любую простейшую схему. Плюс нормальное жало.
Температура жала по времени нагрева.
Большой кусок олова разогрел за 2 сек, даже вскипятил.
Итог. Красивый, удобный и даже мощный не всегда бывает пригодным. Минусы и минусы считаю не нужным перечислять.
А вообще, пригодный паяльник, если добавить: хорошее жало, регулятор мощности и новый кабель :)) Для пыток.
Всем спасибо и удачных покупок.
Товар предоставлен для написания обзора магазином. Обзор опубликован в соответствии с п.18 Правил сайта.
[Вопрос]: ремонт суши — возможен? [Архив]
Просмотр полной версии : [Вопрос]: ремонт суши — возможен?
Voblin_UA
16.06.2014, 15:37
Добрый день, уважаемые коллеги!Столкнулся я с проблемой: от верхней проволоки до верхнего бруска имеем 25 мм. Верхний край вощины не закреплялся. Так вот, верхний край вощины отгибается вниз и начинаются чудеса — сот отстраивается в нижней и средней части хорошо, а в верхней — как попало, вплоть до горизонтальной постройки и соединения с соседними рамками.
Жалко такое в перетопку отправлять. Есть ли шанс вырезать только верхнюю деформированную часть? Как лучше это сделать, чтобы пчёлы отстроили качественную сушь на месте бракованной?
Заранее спасибо!
PS Сейчас закрепляю лист вощины на верхнем бруске каплями расплавленного воска.
В мене було шось подібне, я просто акуратно вирівняв верхню частину сота, ножом підрізав сот, шоб він був паралельний рамці, і зрерху капнув трохи горячого воску тіпв приклеїв до верхнього бруска. Тепер на рамках на верхній планці роблю внизу проріз куда вставляю вощину, більше такого не траплялось.
Voblin_UA
16.06.2014, 16:29
Насчёт прорезов — скорее всего, тоже буду делать. Или просто перенесу верхнюю проволоку и расположу её в 15 мм от бруска — не должны будут так загибать, по идее.
Можно и без прорези.
Просто вверху загибать вощину на 90градусов и пальцами приклеить к бруску, но это касается нового наващивания.
P4ELOVOD
16.06.
2014, 18:14
Есть ли шанс вырезать только верхнюю деформированную часть? Как лучше это сделать, чтобы пчёлы отстроили качественную сушь на месте бракованной?
В место вырезаной части обычно строят ячейки трутня. А загибы происходят от большого кол-ва пчелы на одну рамку вощины. что бы это не было обычно к верхнему бруску прикатываю валиком, потом ложу на лекало рамку и пригибаю лист вощины на 90* к проволоке, эл. наващиваю. Можно ещё сужать улочки до 5мм.(если без гофмана) пока приклеят к верхнему бруску, будет меньше пчелы вмещать улочка, меньше прогрев вощины и меньше тяжесть. Потом как прикрепили улочку по стандарту.
В место вырезаной части обычно строят ячейки трутня. А загибы происходят от большого кол-ва пчелы на одну рамку вощины. что бы это не было обычно к верхнему бруску прикатываю валиком, потом ложу на лекало рамку и пригибаю лист вощины на 90* к проволоке, эл. наващиваю. Можно ещё сужать улочки до 5мм.(если без гофмана) пока приклеят к верхнему бруску, будет меньше пчелы вмещать улочка, меньше прогрев вощины и меньше тяжесть.
Потом как прикрепили улочку по стандарту.Ремонтировать можно так — на участок вырезанного сота вставляют такой де кусочек нормального сота. Пчелы потом поправят.
Наващивая я ложу лист вощины на лекало и сразу загибаю на 90 градусов верхнюю часть листа на 10 мм.. Затем ложу сверху рамку с проволокой и прикатываю.
И еще, чтобы не рвалась вощина при ее отстройке в гнезде нужно прежде всего не перегревать ее на солнце перед наващиванием и в жаркое время при интенсивном выращивании расплода не ставить рамки с вощиной в середину расплода, там высокая температура, а лучше скраю от расплода (ИМХО)
Столкнулся я с проблемой: от верхней проволоки до верхнего бруска имеем 25 мм. Верхний край вощины не закреплялся. Так вот, верхний край вощины отгибается вниз и начинаются чудеса — сот отстраивается в нижней и средней части хорошо, а в верхней — как попало, вплоть до горизонтальной постройки и соединения с соседними рамками.
Жалко такое в перетопку отправлять. Есть ли шанс вырезать только верхнюю деформированную часть? Как лучше это сделать, чтобы пчёлы отстроили качественную сушь на месте бракованной?
Выйти из такого неприятного положения можно, проще всего, прикатыванием листа вощины к верхнему бруску.
Можно (а это уже сложнее) в верхнем бруске рамки прорезать паз, куда и будет вставляться лист вощины. Возможно иное натяжение проволоки на рамке, чтобы в самом верху была поддержка листа. И может быть, использовать вощину «Максимум» с выдержкой не менее года.(ИМХО)
Берендей
16.06.2014, 20:32
И может быть, использовать вощину «Максимум»
И как на ситуацию может повлиять вощина «Максимум» ????
Андрей Андреевич
16.06.2014, 20:44
Столкнулся я с проблемой: от верхней проволоки до верхнего бруска имеем 25 мм. Верхний край вощины не закреплялся.
У «меня» от верхней проволоки до верхнего бруска 30мм.Вощина не доходит до верхнего бруска 15мм. Но проблем как у Вас небыло ни разу в последнее время..(перешёл на хорошую вощину).Очень многое зависит от качества вощины. Они моментом тянут вощину ,чтобы состыковать с верхним бруском. На днях споймал рой…поставил 8 рамок …одна только сушь ,а 7 свеженавощенные…ни прогибов,ни волн не наблюдается.
Могу с большой вероятность сказать,что 95% зависит от вощины.
Берендей
16.06.2014, 20:56
Могу с большой вероятность сказать,что 95% зависит от вощины.
То есть на силу семьи наличие взятка вы оставляете всего 5% ??
И как на ситуацию может повлиять вощина «Максимум» ????
Чтобы при отстройке не деформировалась вощина я использоваю только «Максимум» и с выдержкой не менее года. Пиишу из своего опыта!
Андрей Андреевич
16.06.2014, 21:04
То есть на силу семьи наличие взятка вы оставляете всего 5% ??
Даже не задумываюсь о силе семьи и наличие взятка…Сделал 8 отводков по 2 рамки 11 мая и подсадил им неплодных маток…на сегодняшний день отводки состоят из 7 полностью отстроенных рамок…
РС .Это у меня такой эксперимент был,чтоб с нуками не заморачиватся…прошол на 5+++
Берендей
16.06.2014, 21:04
Чтобы при отстройке не деформировалась вощина я использоваю только «Максимум» и с выдержкой не менее года.
Пиишу из своего опыта!
С выдержкой согласен. А вот как вощина «Максимум» влияет на отсутствие деформации не могу понять. можете этот вопрос описать подробнее??
То есть на силу семьи наличие взятка вы оставляете всего 5% ??
При чём тут взяток? Вощина отклоняется под действием тяжести пчёл и частичной потери её упругости от нагревания до внутриульевой температуры — прим. 37% (становится пластичной).
Добавлено через 2 минуты
А вот как вощина «Максимум» влияет на отсутствие деформации не могу понять. можете этот вопрос описать подробнее??
Вощина «Максимум» толще, чем нормальная!
Берендей
16.06.2014, 21:10
Даже не задумываюсь о силе семьи и наличие взятка.Странно у меня при отсутствии взятка пчелы на вощину обращают очень мало внимания.
Добавлено через 48 секунд
Вощина «Максимум» толще, чем нормальная!
Сколько листов в одном кг???
Добавлено через 2 минуты
При чём тут взяток? Вощина отклоняется под действием тяжести пчёл и частичной потери её упругости от нагревания до внутриульевой температуры — прим.
37% (становится пластичной).
Если есть взяток то любую вощину пчелы молниеносно прикрепляют к верхнему бруску и она не успевает деформироваться.
Сколько листов в одном кг???
В пятикилограммовой пачке насчитал 56 листов — значит где -то 11 листов
Добавлено через 4 минуты
Если есть взяток то любую вощину пчелы молниеносно прикрепляют к верхнему бруску и она не успевает деформироваться.
При таком креплении вощина будет молниеносно деформироваться!
Берендей
16.06.2014, 21:28
При таком креплении вощина будет молниеносно деформироваться!
Ни разу еще такого не было. Хотя наверное у каждого своя правда. У меня в каждой планке есть пропил под вощину, верхний ряд проволоки 2 см. от бруска, применяю электронаващивание, вощина всегда выдержанная. По другой схеме не работаю поэтому смотрю на ситуацию со своей колокольни, а может у кого и по другому.
Voblin_UA
16.06.2014, 22:35
Спасибо всем откликнувшимся. Суть ясна.
Вощина свежайшая, другой нет — кончилась. На старой — выдержанной — действительно не загибалось, но там тоже оставлял зазор миллиметров в 15 сверху — и над проволокой едва приподнималась, и зазор застраивался моментально. Но это было на 300-х рамках, а сейчас только 145-е.
Попробую не обрезать вощину в размер «окна» рамки, а лишек загибать и прикатывать.
Пока же погрызенную или загнутую сверху вощину со свежей отстройкой в целях эксперимента просто залепил кусочками вощины, обрезками. Посмотрим, как сработает такой ремонт…
Нашёл видео у Мегастарателя, как он ремонтирует сушь. Поучительно, рекомендую 🙂
P4ELOVOD
16.06.2014, 22:48
чтобы не рвалась вощина при ее отстройке в гнезде нужно прежде всего не перегревать ее на солнце перед наващиванием и в жаркое время при интенсивном выращивании расплода не ставить рамки с вощиной в середину расплода, там высокая температура, а лучше скраю от расплода
Ставлю по краям гнезда, и обязательно проволокой во внутрь гнезда, начинают тянуть внутреннюю сторону к гнезду.
Затянули проволоку, уже не оборвется.
vBulletin® v3.8.7, Copyright ©2000-2021, vBulletin Solutions, Inc. Перевод: zCarot
T2117-3ASY datasheet — переключатель нулевого напряжения с регулируемой рампой
12-21UBC / C470 / TR8 :. МОДЕЛЬ НОМЕР: 12-21UBC / C470 / TR8 Чип-светодиодов с прямоугольным объективом Размеры упаковки диаметра вьюрка. ! Упаковка в ленту 8мм 7! Совместим с оборудованием для автоматического размещения. ! Совместимость с инфракрасным излучением и процессом пайки оплавлением в паровой фазе. ! Одноцветный тип. ■ SMD Taping 12-21 намного меньше, чем компоненты с выводами, что позволяет уменьшить размер платы и увеличить ее.
DM74LS221 : Биполярное-> семейство LS.Двойной одноразовый снимок без повторного запуска с четкими и дополнительными выходами.
CB1T-M-12V : Автомобильное реле высокой мощности. Номинал 40 A 85C 185F Клеммы типа ISO Высокая ударопрочность при испытаниях на падение (2 метра 6,6 фута) Низкое превышение температуры Все токопроводящие материалы — медь.
Быстроразъемное соединение и печатная плата типа S Расположение Номинальная коммутационная способность Макс. коммутируемый ток (при 85C 185F) Начальное сопротивление контакта, макс. Материал контакта Механический (при 120 имп / мин).
VMC1294GD : Магнетрон.Частота 4,1 ГГц Пиковая выходная мощность 500 кВт Рабочий цикл 001 Напряжение на аноде 28 кВ Ток на аноде 37 А Ширина импульса 0,5 микросекунды Нагреватель 55 В при 3,3 А Воздушное охлаждение с механической настройкой Телефон: 978-922-6000 Факс: 978-922-2736 E- Почта: [email protected] Интернет: www.cpii.com/bmd.
AT28C010-12DK : 4-мегабитные (512 КБ x 8) параллельные постраничные Eeproms. Время доступа для чтения 200 нс Операция автоматической записи страницы Внутренний адрес и защелки данных на 256 байт Таймер внутреннего управления Быстрое время цикла записи Время цикла записи страницы 10 мс Максимум до 256 байт Операция записи страницы Низкое энергопотребление 50 мА Активный ток Аппаратная и программная защита данных ДАННЫЕ Опрос для определения конца записи высокий.
TDP02h2SBD1 : DIP-переключатели / SIP-переключатели DIP SWITCH, SPST. s: Производитель: C&K Components; Категория продукта: DIP-переключатели / SIP-переключатели; RoHS: подробности; Количество позиций: 2; Тип переключения: DIP; Привод: расширенный; Шаг клемм: 1,27 мм; Контактная форма: SPST; Тип завершения: SMD / SMT; Рейтинг контактов: 100 мА; Диапазон рабочих температур: от -20 ° C до + 85 ° C; Фабрика.
EBC10MMJN : Золотое сквозное отверстие, прямоугольный край карты, соединительные разъемы Edgeboard, межсоединение подходит для боковых карт с внутренней резьбой; КАРТА МУЖСКОЙ.100 20POS R / A AU. s: Толщина карты: 0,062 дюйма (1,57 мм); Тип карты: подходит для внутренних боковых карт; Контактная поверхность: золото; Тип крепления: сквозное отверстие, под прямым углом;: -; Количество позиций: 20; Количество рядов: 2; Шаг: 0,100 дюйма (2,54 мм).
ABB108DHFD : Край карты для поверхностного монтажа Gold, соединители Edgeboard, межсоединение не указано — Dual Edge; ПОДКЛЮЧЕНИЕ EDGECARD 216POS .
050 SMD. s: Толщина карты: 0,062 дюйма (1,57 мм); Тип карты: Не указано — Двойной край; Поверхность контактов: золото; Тип крепления: Поверхностный монтаж;: -; Количество позиций: 216; Количество рядов: 2; Шаг: 0 .050 «(1,27 мм); Упаковка:
D38999 / 26WE35PAL : Алюминий, Оливковое покрытие с кадмиевым покрытием, свободно висящие (рядные) круглые — разъемы корпуса, соединительный штекер для контактов с вилкой; CONN HSG PLUG 55POS STRGHT PINS. s:: экранированный; Упаковка: навалом; Тип разъема: штекер для штыревых контактов; Тип крепления: Свободный подвес (рядный); Размер корпуса — Вставка: 17-35; Тип контакта: обжимной; Тип крепления: резьбовое.
1742080000 : Свободно висящая (линейная) клеммная колодка — разъемы, штекерные и розеточные соединители, межблочные вилки, розетки; CONN PCB BLZ 5.08 225 23ПОС БК. s: Тип клеммной колодки: вилка, розетки; Позиций на уровень: 23; Шаг: 0,200 дюйма (5,08 мм); Количество уровней: 1; Ориентация заголовка: -; Ввод проводов вилки: 225; Концевание: Винт; Калибр провода: 12-26.
1-1761187-6 : Незолотый подвесной (линейный) SDL, разъемы Semconn, соединительный штекер; РАЗЪЕМ ПОДКЛЮЧЕНИЯ 16POS SDL ПЛОСКИЙ КАБЕЛЬ. s: Тип разъема: штекер; Контактная отделка: золото; : Ключ, экранированный; Тип крепления: Свободный подвес (рядный); Количество позиций: 16; Покрытие — Толщина: 50 дюймов (1.27м); Статус без содержания свинца: без содержания свинца; Статус RoHS: Соответствует RoHS.
3-640608-3 : Свободное подвешивание (рядное) прямоугольное — свободное подвешивание, соединители для монтажа на панели, соединительная розетка; СОЕДИНИТЕЛЬНЫЙ ПРИЕМ 3POS 26AWG MTA156. s: Цвет: синий; Тип разъема: розетка; Контактная отделка: олово; : Сквозной; Тип крепления: Свободный подвес (рядный); Количество рядов: 1; Шаг: 0,156 дюйма (3,96 мм); Расстояние между рядами: -; Упаковка: Навалом; Тип крепления:
346-93-151-41-013000 : Гнездо со сквозным отверстием под золото для микросхем, транзисторных соединителей, сквозное отверстие для межсоединения; ГНЕЗДО ДЛЯ ПОЛОСЫ 51 POS PRESS FIT.
s: Контактная поверхность: Золото; : Закрытый каркас; Тип установки: Сквозное отверстие; Шаг: 0,100 дюйма (2,54 мм); Количество позиций или контактов (сетка): 51 (1 x 51); Тип: SIP; Толщина поверхности контакта: 30 дюймов (0,76 м); Статус RoHS: Не соответствует требованиям RoHS.
IS43TR16512AL-125KBLI : IC SDRAM 8GBIT 933MHZ 96BGA. ISSI предлагает одно из самых широких предложений DRAM в отрасли и предлагает высококачественное решение для множества приложений. Стандартный поток ISSI включает 100% -ное испытание на пригорание, при высоких и низких температурах.Их приверженность долгосрочной поддержке продуктов DRAM делает их идеальными для автомобильной, промышленной, медицинской промышленности.
AT32UC3A0128: 32-разрядный микроконтроллер флэш-памяти на базе ядра AVR32 UC с 128 Кбайт флэш-памяти, 32 КБайт SRAM, 10/100 Ethernet MAC, полноскоростной (12 Мбит / с) USB 2. AT24C01A-10TU-2.7: Модули смарт-карт с двухпроводным последовательным интерфейсом Eeprom AT24C04BY6-YH-T: Модули смарт-карт с двухпроводным последовательным интерфейсом Eeprom AT91CAP9HA15-NADK8: универсальная встраиваемая плата разработчика и комплект (mcu, Dsp, Fpga, Cpld), программаторы, система разработки; КОМПЛЕКТ УСТРОЙСТВА ДЛЯ ПЛАТЫ ПАМЯТИ CAP9H 3.3V Технические характеристики: Тип: *; Содержание: *; Для использования с / сопутствующими товарами: *; Статус без содержания свинца: без содержания свинца; Статус RoHS: соответствует требованиям RoHS ATXMEGA64A1U-CUR: маломощный, высокопроизводительный 8/16-разрядный микроконтроллер AVR с самопрограммируемой флэш-памятью объемом 64 КБ, секцией загрузочного кода 4 КБ, SRAM 4 КБ, 2048-байтовым EEPROM, интерфейсом внешней шины, 4-канальным контроллером DMA, 8 -канальная система событий и пропускная способность до 32 MIPS при 32 МГц. AT90PWM81-16SF: Встроенный — Микроконтроллерная интегральная схема (ics) Внутренняя трубка 2,7 В ~ 5,5 В; IC MCU AVR 8K FLASH ISP 20SOIC Технические характеристики: Размер программной памяти: 8KB (8K x 8); Размер оперативной памяти: 256 x 8; Количество входов / выходов: 16; Упаковка / корпус: 20-SOIC (0,295 дюйма, ширина 7,50 мм); Скорость: 16 МГц; Тип генератора: Внутренний; Упаковка: Трубка; Тип памяти программ: FLASH; Размер EEPROM: 512 x 8; Основной процессор: AVR; Преобразователи данных: A / D 8x ATF22LV10CQZ-30XU: FLASH PLD, 10 нс, CDIP24 Технические характеристики: Тип корпуса: CDIP, Other, 0.300 ДЮЙМОВ, ОКНА, CERDIP-24; Контакты: 24; Семейство логики: CMOS; Пользовательские входы / выходы: 10 контактов; Задержка распространения: 10 нс; Рабочая температура: от 0 до 70 C (от 32 до 158 F); Напряжение питания: 5 В ATMEGA16M1-15AD: 8-битный, FLASH, 8 МГц, RISC-МИКРОКОНТРОЛЛЕР, PQFP64 Технические характеристики: Шина данных: 8-битная; Стадия жизненного цикла: АКТИВНЫЙ; Тактовая частота: 8 МГц; Тип ПЗУ: Flash; Напряжение питания: от 2,7 до 5,5 вольт; Порты ввода / вывода: 53; Тип корпуса: TQFP, Other, 14 X 14 мм, высота 1 мм, шаг 0,80 мм, пластик, MS-026AEB, TQFP-64; Рабочий диапазон: промышленный; Количество контактов: 64; Операция |
микросхема t2117 Аннотация: Схема применения симистора 3AS T2117 T2117-TAS t 430 nf 65 nf 06 Регулируемая рампа переключения при нулевом напряжении kq 330 | OCR сканирование | T2117 Т2117, 1N4148 l5 / 50 07-ноя-00 ic t2117 3AS симистор T2117 принципиальная схема применения симистора T2117-TAS т 430 нф 65 нф 06 Регулируемая рампа переключения при нулевом напряжении 330 кг | |
2001 — ШИМ диммер перехода через ноль Реферат: «Управление обратной фазой» igbt диммер электронный диммер двигатель пылесоса автоматическое управление освещением в помещении диммер переменного тока t2117 управление обратной фазой igbt диммер тиристорный свинцово-кислотный аккумулятор зарядка симисторный фазовый контроль электродвигатель тиристорный аккумулятор зарядка тиристорный электродвигатель схема управления скоростью | Оригинал | ||
2003 — Зарядное устройство для свинцово-кислотных аккумуляторов с симисторным управлением Аннотация: ic t2117 U211B управление симистором автоматическое управление освещением в помещении управление фазой ic «управление обратной фазой» igbt диммер IGBT свет DIMMER управление обратной фазой igbt диммер Triac soft start управление скоростью беспроводного двигателя u2010b с помощью RF | Оригинал | U2008B U2010B U209B U211B U490B Зарядное устройство для свинцово-кислотных аккумуляторов с симисторным управлением ic t2117 Управление симистором U211B автоматическое управление освещением в помещении микросхема управления фазой igbt диммер «управление обратной фазой» ДИММЕР IGBT диммер igbt с управлением обратной фазой Мягкий пуск симистора u2010b беспроводное управление скоростью двигателя с помощью RF | |
2005-T2117-3ASY Аннотация: ATMEL T2117-3ASY Коммутация при нулевом напряжении T2117 ATMEL t2117 ic t2117 T2117-TASY T2117-TAQY T2117 270k100 t2117 эквивалент | Оригинал | T2117 Т2117, 4768B T2117-3ASY Банкомат T2117-3ASY Коммутация при нулевом напряжении T2117 Банкомат t2117 ic t2117 T2117-TASY T2117-TAQY T2117 270k100 эквивалент t2117 | |
2001 — НТК 33 Аннотация: микросхема t2117 симистор 1.7 кВт BC237 T2117 ATMEL t2117 BYT41M tic triac tic 236n Конденсатор T2117-3AS 10 нФ | Оригинал | T2117 Т2117, D-74025 17-дек-01 ntc 33 ic t2117 симистор 1,7 квт BC237 T2117 Банкомат t2117 BYT41M тик триак тик 236n T2117-3AS конденсатор 10 нф | |
2005 — Симистор плавного пуска u2010b Аннотация: ATMEL t2117 Плавный пуск симистора IC Двигатель переменного тока Плавный пуск IC электронный трансформатор галогенный 24 В Скорость двигателя переменного тока и плавный пуск универсальный двигатель переменного тока Плавный запуск автоматического управления освещением помещения Плавный пуск симистора диммер перехода через ноль igbt | Оригинал | U2008B U211B T2117 4673B Мягкий пуск симистора u2010b Банкомат t2117 Симистор плавного пуска ic ИС плавного пуска двигателя переменного тока электронный трансформатор галогенный 24в Скорость двигателя переменного тока и плавный пуск универсальный плавный пуск двигателя переменного тока автоматическое управление освещением в помещении Плавный пуск симистора диммер перехода через ноль igbt | |
2005 — Нет в наличии Аннотация: Текст аннотации недоступен | Оригинал | T2117 Т2117, 4768Bâ | |
2000 — микросхема t2117 Аннотация: ntc 33 R387 3 квт симистор ATMEL t2117 сенсор m87 BC237 симистор 10 квт T2117-TA ntc m87 | Оригинал | T2117 Т2117, D-74025 07-ноя-00 ic t2117 ntc 33 R387 3 квт симистор Банкомат t2117 датчик m87 BC237 Симистор 10 квт T2117-TA ntc m87 | |
2003 — ATMEL t2117 Аннотация: ic t2117 t2117 эквивалент T2117 3 квт симистор нулевое напряжение переключения T2117 ATMEL 910 генератор синхронизации T2117-TAQ затвор срабатывания d.c диск | Оригинал | Т2117, Банкомат t2117 ic t2117 эквивалент t2117 T2117 3 квт симистор Коммутация при нулевом напряжении T2117 Банкомат 910 синхронизация генератора T2117-TAQ затвор срабатывания привода постоянного тока | |
2000 — НТС 33 Резюме: T2117 ic t2117 ATMEL t2117 t2117 эквивалент T2117-3A BC237 CNY21 ATMEL 910 1N4148 | Оригинал | T2117 Т2117, D-74025 28 сен 00 ntc 33 T2117 ic t2117 Банкомат t2117 эквивалент t2117 T2117-3A BC237 CNY21 Банкомат 910 1N4148 | |
U2140B Резюме: U2069B AT93C46Y1 AT87C52X2-SLRUM U2069B-MFP U4257BM-N U6431B AT89C2051-24SU atar862n AT80251G2D-SLRUM | Оригинал | AT17F040-30CC AT17F040-30CI AT17F040-30JC AT17F040-30JI AT17F040A-30CC AT17F040A-30JC AT17F040A-30JI AT17F080-30BJC AT17F080-30BJI AT17F080-30CC U2140B U2069B AT93C46Y1 AT87C52X2-SLRUM U2069B-МФУ U4257BM-N U6431B AT89C2051-24SU atar862n AT80251G2D-SLRUM | |
2002 — Интерфейс GSM модуля с At89s52 Аннотация: Управление двигателем постоянного тока ATMEGA 16 AU с помощью ИК-пульта через интерфейс AT89C51 GPS с AVR серводвигатель atmega128 SAM9733 База управления скоростью двигателя постоянного тока 12 В atmega на базе двигателя переменного тока At89c51 «Радиоуправляемый приемник часов» с исходным кодом для симистора sam9793 | Оригинал | U2896B. U6224B.
U6239B.
U3280M.
У3600БМ.
U6268B.
U641B.
U3665M.
U3666M.
U642B.
Интерфейс GSM модуля с At89s52
ATMEGA 16 AU
Управление двигателем постоянного тока с помощью ИК-пульта AT89C51
интерфейс gps с AVR atmega128
SAM9733
серводвигатель atmega
База управления скоростью двигателя постоянного тока 12 вольт на At89c51
«Радиоуправляемый часовой приемник»
двигатель переменного тока AVR c исходный код для симистора
Sam9793 | |
Нет в наличии Аннотация: Текст аннотации недоступен | OCR сканирование | HI-774 I-774 28-контактный I1-774S -550C I1-774T И1-774У | |
2003 — сандиск micro sd Аннотация: цифровые часы с использованием микроконтроллера at89s52 Конфигурация выводов карты Sandisk micro sd Управление шаговым двигателем с указаниями по применению avr Код vhdl для приемника rs232 Усилитель мощности STK 435 Микроконтроллер AT89S52 Микроконтроллер AT89S52 40-контактный код vhdl для схемы сканера отпечатков пальцев ofdm | Оригинал | CH-1705 3271B sandisk micro sd цифровые часы с использованием микроконтроллера at89s52 Конфигурация контактов карты памяти Sandisk Micro SD управление шаговым двигателем с указаниями по применению AVR vhdl-код для приемника RS232 Усилитель мощности СТК 435 Микроконтроллер AT89S52 Микроконтроллер AT89S52 40 pin vhdl код для ofdm схема сканера отпечатков пальцев | |
2005 — Т5757 Аннотация: Микроконтроллер — соединение AT89s52 с ЖК-дисплеем Управление шаговым двигателем с использованием СИСТЕМЫ УПРАВЛЕНИЯ СКОРОСТЬЮ ДВИГАТЕЛЯ ПОСТОЯННОГО ТОКА AT89S52 С ИСПОЛЬЗОВАНИЕМ Схема регулятора напряжения AT89S52 MICRO AVR с использованием схемы симисторной сушилки для рук с использованием интерфейса модема 8051 GSM AT89s51 mv кремниевый mp3-плеер USB SD-карта Интерфейс модуля GSM STK 439 с At89s52 | Оригинал | U2745B U479B U2766B U5020M U2790B U5021M U2793B U6032B U2794B U6043B T5757 Микроконтроллер — соединение AT89s52 с жк-дисплеем Управление шаговым двигателем с помощью AT89S52 СИСТЕМА УПРАВЛЕНИЯ СКОРОСТЬЮ ДВИГАТЕЛЯ ПОСТОЯННОГО ТОКА С ИСПОЛЬЗОВАНИЕМ AT89S52 MICRO Схема стабилизатора напряжения AVR с использованием симистора схема сушилки для рук с использованием 8051 интерфейс модема gsm AT89s51 mv силиконовый mp3-плеер usb sd-карта STK 439 Стереоусилитель Интерфейс GSM модуля с At89s52 | |
2004 — AT90SC7272C Реферат: T5757 AVR atmega8515 светодиодная матрица AT78C5010 сканер отпечатков пальцев ATSAM2193 Регулятор напряжения STK502 Управление шаговым двигателем с помощью микросхемы регулятора напряжения AT89S52 STK502 atr0890 | Оригинал | U6808B U6809B U6812B U6813B U6815BM U6820BM U7004B U7006B U9280M AT90SC7272C T5757 AVR atmega8515 светодиодная матрица AT78C5010 схема сканера отпечатков пальцев ATSAM2193 Стабилизатор напряжения СТК502 Управление шаговым двигателем с помощью AT89S52 Микросхема стабилизатора напряжения STK502 atr0890 | |
rtl8112 Резюме: UP7711U8 UP7714BMA5-00 max17480G RTM880T-792-LF RTM880T-792 C3783 K40AA RS780M UP6111AQDD | Оригинал | K40AA CLK-ICS9LPR363DGLF-T EC-IT8512 RTL8111C CODEC-ALC663 АМП-1431 Micr9302 1 мкФ / 10 В C9316 rtl8112 UP7711U8 UP7714BMA5-00 max17480G RTM880T-792-LF РТМ880Т-792 C3783 RS780M UP6111AQDD | |
2008 — Интерфейс ZIGBEE с AVR ATmega16 Аннотация: Управление шаговым двигателем с помощью микросхемы AT89S52 stk 432090 ATAVRDRAGON ЭЛЕКТРОННАЯ ПЛАТА УВЕДОМЛЕНИЙ С ИСПОЛЬЗОВАНИЕМ схемы AT89S52 avr lcd 2×16 Микроконтроллер AT89s52 соединения с lcd atr0834t cd photo sensor atr0834 | Оригинал | ||
2008 — ATA5722 Реферат: ATAVRDRAGON AT97SC3204 tsop Ir-сенсор интерфейс с atmega 16 atr0834t ATA5721 AT42QT4120 cd фотодетектор AT42QT5320 связь ПК с ПК с помощью zigbee с помощью AT89S52 | Оригинал | ||
УП7711У8 Аннотация: RTM880T-792-LF max17480G rtl8112 UP7711 UP7714BMA5-00 rtm880t RS780MN G780P11U IT8752E | Оригинал | K40AA CLK-ICS9LPR363DGLF-T EC-IT8512 RTL8111C CODEC-ALC663 АМП-1431 UP7704U8 220 мА / 350 мА 1 мкФ / 25 В UP7711U8 RTM880T-792-LF max17480G rtl8112 UP7711 UP7714BMA5-00 rtm880t RS780MN G780P11U IT8752E | |
IT8752E Аннотация: aw-bt253 asus J6001 awbt253 SFI0402-050E330NP-LF CE1306 J4210 L7405 C7050 | Оригинал | ADT7473 ICS954310 Устройство00 Устройство02 Устройство 27 Устройство29 IT8752E aw-bt253 asus J6001 awbt253 SFI0402-050E330NP-LF CE1306 J4210 L7405 C7050 | |
ASUS Аннотация: H5401 ATI M64-M M64-M foxconn f7kr U4100 U2900 инвертор f3K RS690M | Оригинал | DDR2-800 МГц 4800 мАч 2400 мАч 4800 мАч; 7200 мАч 7200 мАч; 638pin TL-50/52/56/60) 1600 МТ / с ASUS H5401 ATI M64-M М64-М Foxconn f7kr U4100 U2900 инвертор f3k RS690M | |
RTM875T-336 Аннотация: J6801 J6806 Q4819 M51VA 8796G IT8502 RTM875T c2335 r RT8206 | Оригинал | РТМ875Т-336 800 МГц 100 МГц AU-6371 ALC269 33 МГц AR8131 IT8512E 12VSUS J6801 J6806 Q4819 M51VA 8796G IT8502 RTM875T c2335 r RT8206 | |
ПЛАТА ИНВЕРТОРА Asus A6 Аннотация: ALC662 ICS9LPRS479AGLFT Asus VW 192 IT8752 Asus R2112 r3673 Asus P5 NT5TU64M16 | Оригинал | RS780M SB700 33 МГц R5C833 RTL8111C ITE8752 ALC662 ICS9LPRPS51020 SI4800 ПЛАТА ИНВЕРТОРА Asus A6 ALC662 ICS9LPRS479AGLFT Asus VW 192 IT8752 Asus R2112 r3673 Asus P5 NT5TU64M16 | |
MAX17033G Резюме: pegatron RT8206A pegatron A35 AU-6433 alcor au6433 H5PS1G63 RX701 RT8202A Asus | Оригинал | F83Vf 1066 МГц N10P-GV2 ПМ-45 AR8132 33 МГц ITE8512 MAX17033G пегатрон RT8206A пегатрон A35 AU-6433 alcor au6433 H5PS1G63 RX701 RT8202A Asus | |
ATMEL T2117-TAQ
DtSheet- Загрузить
ATMEL T2117-TAQ
Открыть как PDF- Похожие страницы
- ATMEL U2008B-MY
- АТМЕЛ У2008Б-М
- Банкомат U643B
- Банкомат U211B
- INFINEON TDA4605-2
- STMICROELECTRONICS L6506D
- ВИШАЙ Lh2525AABTR
- AD DAC8512FP
- ВИШАЙ ИЛ4108-Х006
- INFINEON TCA785
- ATMEL U642B-FP
- GPSEMI GSCB6
- lsd335-61-xx-rp117-pf.
pdf - DCCOM BC237
- Банкомат T2117-3ASY
- LIGITEK LSD335-61-XX-RP117-PF
- 150 В Макси Мини Микро
- МАКСИМ МАКС5042 | МАКС5043
- ТЕМИК У210Б-ФП
- Усилитель считывания тока высокой стороны Si8540
- ТЕМИК U209B3-FP
- ТЕМИК U208
dtsheet © 2021 г.
Polycom V700 T2117 Lewmar EUK 65001022 Выпуск 2 [WEB] Руководство пользователя к 604568a3 39c6 4fc2 ac27 a58b13c2c04b
4V700 Брашпиль 5
V700 Брашпиль
GB
000 В этом руководстве
000 Важная информация Введение будет видеть предупреждение о безопасности и повреждении продукта
.Вы должны внимательно следить за этими предупреждениями, чтобы избежать возможных травм или повреждений.
Тип предупреждений, как они выглядят и как используются
в данном руководстве объясняются следующим образом:
Уважаемый покупатель,
Благодарим вас за выбор лебедки Lewmar. Продукция Lewmar
всемирно известна своим качеством, техническими инновациями и проверенными характеристиками
. С лебедкой Lewmar вы обеспечите
многолетней безупречной службы.
Поддержка продуктов
Продукты Lewmar поддерживаются всемирной сетью, состоящей из
дистрибьюторови официальных представителей по обслуживанию. Если у вас
возникнут какие-либо трудности с этим продуктом, обратитесь к национальному дистрибьютору
или к местному дилеру Lewmar. Подробности
доступны по адресу:
www.lewmar.com
Сертификаты
Для получения сертификатов соответствия CE свяжитесь с Lewmar.
Общие
Прочтите перед установкой и эксплуатацией вашего
Брашпиль.
Классификационные общества и Lewmar требуют, чтобы штанга судна, стоящего на якоре
, постоянно удерживалась цепным стопором или эквивалентным опорным пунктом
!
Пользователь лодки всегда несет ответственность за обеспечение
правильной укладки якоря и троса для преобладающих морских условий
. Это особенно важно для высокоскоростных моторных катеров
, поскольку случайное смещение якоря во время движения
может привести к значительным повреждениям.
Якорный брашпиль
устанавливается в наиболее незащищенном месте на судне и, таким образом,
подвержен серьезным атмосферным воздействиям, приводящим к возможной коррозии на
, превышающей ту, которая наблюдается у большинства других элементов палубного оборудования
. Поскольку брашпиль можно использовать нечасто,
риск коррозии еще больше возрастает. Очень важно, чтобы лебедка
регулярно проверялась, эксплуатировалась и проходила необходимое техническое обслуживание.
Перед тем, как приступить к установке
, убедитесь, что вы полностью понимаете принцип действия
и требования безопасности к лебедке. Только лица, которые полностью знакомы с элементами управления
, и те, кто полностью осведомлен о правильном использовании лебедки
, должны иметь право использовать ее. Если есть какие-либо сомнения по поводу установки или эксплуатации данного устройства
, обратитесь за советом
к квалифицированному инженеру.
• Неправильное использование брашпилей может нанести вред оборудованию
или экипажу.
• Брашпиль следует использовать осторожно и с уважением относиться к
.
• Парусный спорт, как и многие другие виды спорта, может быть опасным. Даже правильный выбор, техническое обслуживание и использование
надлежащего оборудования
не может исключить возможность возникновения опасности, серьезных травм или
смерти.
• Брашпили Lewmar разработаны и поставляются для управления якорем
в морских приложениях и должны использоваться в
вместе с любым другим использованием.
• Это неизбежная ответственность владельца или капитана или другой ответственной стороны
за оценку риска любой операции
на судне.
Указания по безопасности
1. Установка
Внимание!
Это предупреждение о том, что может причинить вред людям.
, если предупреждение игнорируется. Вас проинформируют о том, что вы должны или не должны делать
, чтобы снизить риск нанесения травм себе и
другим людям.
Символ безопасности
Символ безопасности означает: «Не …»; «Не делайте
это»; или «Не позволяйте этому случиться».
• Lewmar рекомендует использовать соответствующее личное защитное снаряжение
и оборудование для громкой связи
любым человеком, поднимающимся в воздух, и только тогда, когда
человек, поднимающийся в воздух, должным образом обучен использованию этого оборудования
и где на палубе остается достаточно обученного
и опытного персонала, чтобы обеспечить постоянное наблюдение за
и безопасное ведение как судна
, так и подъемных работ.
Фитинг
• Это оборудование должно устанавливаться и эксплуатироваться в соответствии с
инструкциями, содержащимися в данном руководстве. Невыполнение
может привести к снижению производительности продукта, травмам
и / или повреждению лодки.
• Проконсультируйтесь с производителем лодки, если у вас есть какие-либо сомнения относительно прочности или пригодности места установки
.
Электрические
• Убедитесь, что вы отключили питание, прежде чем начинать
установку этого продукта.
• Если вы сомневаетесь в установке электрического оборудования, обратитесь за советом по номеру
к квалифицированному инженеру-электрику.
Электромагнитная совместимость
• Важно, чтобы этот продукт не создавал каких-либо электромагнитных помех
для любого другого электрического или
электронного оборудования, установленного на судне. Это будет достигнуто, если брашпиль подключен к той же батарее, что и стартовый двигатель судна
, а не к служебной батарее к
, к которому подключено другое оборудование.Кроме того, участок
проводки от батареи до лебедки должен располагаться как можно дальше от других проводов на судне.
Например, если главный жгут проводов направлен к правому борту, подсоедините проводку лебедки
к левому борту.
Следует отметить, что нет никаких доказательств того, что установка брашпиля
действительно вызывает магнитные помехи, но установщику
рекомендуется провести проверки после завершения установки
.
1.1 Цыганская пригодность
Цыганки, приспособленные к линейке лебедок V700, идеально подходят
для работы с нашими заводскими комбинированными удилищами «веревка / цепь»,
, которые состоят из веревки, прикрепленной к хвостовику цепи.
Используемые канаты должны быть брашпилейными, нейлон средней свивки. Канаты
от разных производителей имеют широкий диапазон натяжения и толщины
по диаметру. Следовательно, веревки и цепи других производителей
могут потребовать некоторых экспериментов для определения оптимального размера
.
Если у вас возникнут трудности с подбором цыганки для вашей сети
, обратитесь к местному агенту или в нашу международную сеть, состоящую из
дистрибьюторов Lewmar по всему миру.
1.2 Комплект поставки
• Брашпиль
• Интеллектуальные монтажные шпильки, шайбы и гайки
• Универсальный установочный ключ и рычаг сцепления
• Уплотнение базовой прокладки
• Инструкции по технике безопасности
• Монтажный шаблон
• Буклет с инструкциями
• Карточка регистрации гарантии
• Выключатель / изолятор
• Управляющий переключатель
1.
3 Дополнительные требования
Для каждой установки необходимы:
УСТАНОВКА WINDLASS
• Следующие инструменты:
Сверло 9,5 мм (3/8 дюйма)
Кольцевая пила 65 мм (21/2 дюйма)
115 мм (41 / 2 ”) Кольцевая пила
• Ножовка по металлу
• Соответствующий морской герметик
УСТАНОВКА ПРОВОДКИ
• Клещи для обжима / Инструмент для зачистки проводов
• Подходящие электрические кабели и клеммы для обжима
1.4 Принадлежности
Используйте только оригинальные детали Lewmar и аксессуары для обеспечения максимальной производительности
и исключения риска аннулирования гарантии.
Сведения о запасных частях см. В гл. 7 или посетите своего дилера или
на веб-сайте Lewmar.
1.5 Технические характеристики
Типичные рабочие фигуры:
1.6 Установка лебедки на палубу
• Если палуба не плоская, может потребоваться подходящая монтажная площадка
, чтобы принять изгиб или отвес.
Тонкие палубы или палубы из пенопласта или бальзы,
потребуют усиления для распределения нагрузок, которые
будут прикладывать к палубе во время использования брашпиля.
Поставляются стандартные монтажные шпильки с резьбой 8 мм (5/16 дюймов)
для деки костюма с толщиной набивки до 76 мм (3 дюйма). Эти
подходят для большинства установок.
Рис. 1.6-1
• Поместите брашпиль на палубу и выберите для него положение
относительно носового катка судна (Рис. 1.6-2)
и нижнего ящика цепи. В идеале
от катка следует подавать горизонтально назад к верхушке цыганки, а
— вдоль его средней линии (рис.1.6-3).
Для цепи или веревки должно быть достаточное вертикальное падение,
даже с полным рундуком, чтобы вытащить удочку из цыгана при буксировке
.
Цепная веревка модели Gypsy
V700
RC0765 7 мм (¼ ”)
High Test G-4 ISO
½” 3-прядный средний слой
или ½ ”8-прядный нейлон
RC0670 6 мм DIN766 12 мм 3-прядный средний
укладка или 12 мм 8-прядный нейлон
V700
Макс.
Тяга 320 кг (700 фунтов)
Макс. Скорость троса в свободном падении
Типичная рабочая нагрузка 80 кг (175 фунтов)
Нормальная скорость троса 22 м / мин (72 фута / мин)
Вес троса 6,5 кг (14 фунтов)
Размер лодки до 10,7 м (35 футов) )
Рис. 1.6-2
| Название | Стандарт № | Реализовано на |
| Цвет железнодорожных световых сигналов | TB / T 2081-1989 | |
| Нормы проектирования железнодорожной сигнализации | TB 10007-2006 | 2006-4-10 |
| Технические условия защиты от молний электромагнитный импульс на железнодорожном сигнальном оборудовании | TB / T 3074-2003 | 2003-9-1 |
| Испытания и ограничения ЭМС для железнодорожных электрических сигнальных устройств | TB / T 3073-2003 | 2003-9-1 |
| Цвет линзы световой сигнализирует учреждения и представление сигнала | TB / T 1413-2001 | 2001-12-1 |
| -48V DC Power Distribution Equipment for Use of Rail Station | TB / T 2993. 2-2000 | 2000-11-1 |
| Распределительное оборудование переменного тока для железнодорожной станции связи | TB / T 2993.1-2000 | 2000-11-1 |
| Графические символы для железнодорожной сигнализации | TB / T 1122-1992 | 2000-11-1 |
| Высокочастотное выпрямительное оборудование -48 В для использования на железнодорожных станциях связи | TB / T 2993.3-2000 | 2000-11-1 |
| Заземленное использование Железнодорожные сигнальные продукты в условиях окружающей среды | TB / T 1433-1999 | 1999-9-1 |
| Метод испытаний железнодорожных наземных сигнальных продуктов при высоких и низких температурах | TB / T 2953-1999 | 1999-9 -1 |
| Кодекс строительства железнодорожной сигнализации | TB 10007-1999 | 1999-6-1 |
| Кодекс строительства железнодорожной сигнализации | TB 10206-1999 | 1999-6-1 | Графические символы, отображаемые на цветном экране для железнодорожного сигнала | TB / T 2893-1998 | 1998-9-1 |
| Принцип компиляции и меры управления для модели продукта железнодорожной сигнализации | TB 1022-1998 | 1998 -9-1 |
| Метод испытаний на вибрацию сигнального продукта железнодорожного грунта | TB / T 2846-1997 | 1997-10-1 |
| Технические условия для централизованной системы управления движением и диспетчерского контроля | TB / T 1694-1995 | 1996-10-1 |
| Отказ железнодорожного сигнала — принцип безопасности | TB / T 2615-1994 | 1995-7-1 |
| XSZ-135 Комбинированный сигнальный механизм | TB / T 2498-1994 | 1995-3-1 |
| Метод оценки требований надежности железнодорожной сигнальной продукции | TB / T 2468-1993 | 1994-7-1 |
| Compi Принцип действия буквенных обозначений железнодорожной сигнализации | TB 1023-1992 | 1992-12-31 |
| Условия сигнальной техники железнодорожного локомотива | TB / T 2117-1990 | 1990-12-1 |
| Метод построения электрической схемы для железнодорожного сигнального устройства | TB / T 2080-1989 | 1989-12-1 |
| Метод построения принципиальной схемы для железнодорожного сигнального устройства | TB / T 2079-1989 | 1989-12 -1 |
| Терминология для железнодорожной сигнализации | TB / T 454-1981 | 1982-1-1 |
| Комбинированная стойка и составная стойка | TB / T 1281-1978 | 1978-10- 1 |
T2155DSE Интегральные схемы (ИС) TAIMEC
Детали T2155DSE производства TAIMEC доступны для покупки на веб-сайте Jotrin Electronics.
Здесь вы можете найти большое количество различных типов и номиналов электронных компонентов от ведущих мировых производителей.
Компоненты T2155DSE Jotrin Electronics тщательно отобраны, проходят строгий контроль качества и успешно соответствуют всем необходимым стандартам.
Статус производства отмечен на Jotrin.com только для справки. Если вы не нашли то, что искали, вы можете получить дополнительную информацию о ценности по электронной почте, такую как количество T2155DSE на складе, льготная цена и производитель. Мы всегда рады услышать от вас, поэтому не стесняйтесь обращаться к нам.
T215215100J0G с деталями контактов, включая зеленый цвет, они предназначены для работы с серией, упаковка показана в примечании к техническому описанию для использования в большом количестве, который предлагает функции типа монтажа, такие как сквозное отверстие, функции предназначены для работы в режиме блокировки ( Сторона), а также ток 10А, устройство также можно использовать как напряжение 300 В.
Кроме того, калибр провода составляет 12-24 AWG, устройство предлагается с шагом 0,200 дюйма (5,08 мм), количество уровней устройства равно 1, количество положений на уровне 15, а ориентация сопряжения — 35 ° ( 145 °), угол наклона с платой, клемма провода — винтовой зажим с подъемной клеткой.
T21-52-4.00A-01-31B-V с руководством пользователя, в котором указано количество полюсов.
T21-52-6.00A-01-31B-V со схемой, включающей количество полюсов.
Т21-52Ф-12.5A-01-11AL-V с моделями EDA / CAD, включая серию, они предназначены для работы с несколькими полюсами.
.

Поэтому, далее будут рассмотрен
…
Сдвоенная версия 555 выпускается под обозначением 556, счетверенная — под обозначением 558. Анализ и синтез схемы на 555 в режиме астабильного мультивибратора — онлайн калькулятор.
1) работодатель (судовладелец) должен обеспечить судно схемами наиболее безопасной проводки основных и дополнительных швартовных канатов с указанием опасных зон, разработанными и рекомендованными проектантом судна или технологической картой в соответствии с судовой обстановкой;
Полумостовой драйвер 600 В верхнего и нижнего плеча с входным генератором на базе таймера 555 предназначен для управления двумя полевыми или IGBT транзисторами.
Новая улучшенная магнитная схема, обеспечивающая эффективное экранирование и не влияющая на магнитные контуры колонок, позволяет значительно снизить искажения и повысить четкость звука.
Система плавнорегулируемого газораспределения (CVVT) изменяет синхронизацию открытия впускных и выпускных клапанов в сторону опережения или запаздывания по сигналу управления от ЭБУД, формируемому с учетом частоты вращения коленчатого вала и нагрузки двигателя.
0 с возможностью On-The-Go (OTG).
AT32UC3A0128 также имеет интерфейс внешней шины SRAM / SDRAM.
Устройства AT32UC3 обеспечивают 80 Dhrystone MIPS (DMIPS)
AVR XMEGA A1U серии
U6224B.
U6239B.
U3280M.
У3600БМ.
U6268B.
U641B.
U3665M.
U3666M.
U642B.
Интерфейс GSM модуля с At89s52
ATMEGA 16 AU
Управление двигателем постоянного тока с помощью ИК-пульта AT89C51
интерфейс gps с AVR atmega128
SAM9733
серводвигатель atmega
База управления скоростью двигателя постоянного тока 12 вольт на At89c51
«Радиоуправляемый часовой приемник»
двигатель переменного тока AVR c исходный код для симистора
Sam9793
pdf
2-2000