Как переделать компьютерный блок питания в лабораторный. Какие особенности имеет схема на TL494. Какие параметры можно получить после модификации. Какие элементы необходимо заменить или добавить. На что обратить внимание при сборке.
Особенности использования микросхемы TL494 в блоках питания
Микросхема TL494 является одной из самых популярных для построения импульсных источников питания. Она выполняет функции ШИМ-контроллера и часто используется в компьютерных блоках питания. Основные преимущества TL494:
- Наличие двух выходных каскадов для управления силовыми ключами
- Встроенный генератор пилообразного напряжения
- Возможность регулировки частоты преобразования
- Наличие схемы мягкого старта
- Широкий диапазон напряжения питания (7-40В)
Благодаря этим особенностям TL494 позволяет создавать достаточно простые и надежные импульсные источники питания с хорошими характеристиками.
Схема импульсного блока питания на основе TL494
Типовая схема импульсного блока питания на TL494 включает следующие основные элементы:

- Входной выпрямитель и фильтр
- Микросхема TL494 в качестве ШИМ-контроллера
- Силовые MOSFET-транзисторы
- Импульсный трансформатор
- Выходной выпрямитель и фильтр
- Цепи обратной связи для стабилизации выходного напряжения
Рассмотрим подробнее функции основных узлов схемы:
Входной выпрямитель и фильтр
Выпрямляет сетевое напряжение и сглаживает пульсации. Обычно используется мостовая схема на диодах и емкостной фильтр большой емкости.
Микросхема TL494
Формирует ШИМ-сигналы для управления силовыми ключами. Частота преобразования задается внешними RC-цепочками. Скважность регулируется в зависимости от сигнала обратной связи.
Силовые транзисторы
Коммутируют первичную обмотку импульсного трансформатора. Обычно используются MOSFET-транзисторы с малым сопротивлением канала.
Особенности переделки компьютерного блока питания
При переделке компьютерного ATX блока питания в лабораторный источник необходимо выполнить следующие основные этапы:- Демонтаж лишних элементов (выходные разъемы, фильтры и т.д.)
- Перемотка или перекоммутация вторичных обмоток трансформатора
- Замена выходного выпрямителя на более мощный
- Добавление регулировки выходного напряжения
- Модификация цепей обратной связи
- Установка элементов индикации и управления
Рассмотрим некоторые важные моменты модификации:

Перемотка трансформатора
Для получения нужного выходного напряжения может потребоваться перемотка вторичных обмоток трансформатора. При этом необходимо учитывать следующие факторы:
- Сечение провода должно соответствовать требуемому току
- Количество витков рассчитывается исходя из требуемого напряжения
- Необходимо обеспечить качественную изоляцию обмоток
Замена выходного выпрямителя
Выходной выпрямитель и фильтр необходимо рассчитать на требуемые ток и напряжение. Обычно используются диоды Шоттки и конденсаторы с низким ESR.
Расчет и настройка параметров блока питания
При модификации блока питания важно правильно рассчитать и настроить основные параметры:
Частота преобразования
Частота задается элементами R и C, подключенными к выводам 5 и 6 микросхемы TL494. Типовое значение 50-100 кГц. Более высокая частота позволяет уменьшить габариты трансформатора, но снижает КПД.
Напряжение обратной связи
Напряжение на выводе 3 TL494 должно составлять около 2.5В при номинальном выходном напряжении. Это обеспечивается подбором резисторов делителя в цепи ОС.

Максимальный ток
Ограничение тока задается резистором R_sense в цепи истока силовых транзисторов. При превышении заданного тока срабатывает защита.
Возможные проблемы при переделке и их решение
При модификации компьютерного блока питания могут возникнуть следующие проблемы:
Самовозбуждение и нестабильность работы
Причины:
- Паразитные связи в монтаже
- Неправильный расчет цепей ОС
- Недостаточная фильтрация помех
Решение: Тщательная компоновка, экранирование чувствительных цепей, подбор элементов ОС.
Перегрев элементов
Причины:
- Завышенная частота преобразования
- Недостаточное охлаждение
- Неоптимальные режимы работы транзисторов
Решение: Снижение частоты, улучшение теплоотвода, подбор оптимальных режимов.
Преимущества импульсных блоков питания
Импульсные источники питания на основе TL494 имеют ряд важных преимуществ по сравнению с линейными стабилизаторами:
- Высокий КПД (до 80-90%)
- Малые габариты и вес
- Широкий диапазон входных напряжений
- Возможность получения нескольких выходных напряжений
- Хорошие динамические характеристики
Это делает их оптимальным выбором для создания универсальных лабораторных источников питания.

Рекомендации по сборке и настройке
При сборке модифицированного блока питания следует учитывать некоторые важные моменты:
- Использовать качественные компоненты с запасом по мощности
- Обеспечить хороший теплоотвод для силовых элементов
- Тщательно прорабатывать компоновку и трассировку печатной платы
- Применять экранирование чувствительных цепей
- Использовать сглаживающие LC-фильтры по питанию
Настройку блока питания рекомендуется проводить поэтапно:
- Проверка работы без нагрузки
- Настройка выходного напряжения
- Проверка стабильности при изменении нагрузки
- Настройка защиты от перегрузки
- Тестирование в различных режимах работы
Заключение
Переделка компьютерного блока питания в лабораторный источник на основе TL494 позволяет получить качественное устройство с хорошими характеристиками. При правильном подходе к модификации можно добиться следующих параметров:
- Выходное напряжение: 0-30В
- Выходной ток: до 10А
- Нестабильность выходного напряжения: менее 0.1%
- Уровень пульсаций: менее 10мВ
Такой блок питания будет полезен радиолюбителям для питания и тестирования различных устройств. При этом стоимость самостоятельного изготовления оказывается значительно ниже готовых лабораторных источников с аналогичными параметрами.

Схема компьютерного бп на tl494
Микросхема TL реализует функционал ШИМ-контроллера и потому очень часто используется для построения импульсных двухтактных блоков питания именно эта микросхема чаще всех встречается в компьютерных блоках питания. Импульсные блоки питания выгодно отличаются от трансформаторных повышенным КПД, уменьшенным весом и габаритами, стабильностью выходных параметров. Однако, при этом они являются источниками ВЧ-помех и предъявляют особые требования к минимальной нагрузке без нее БП может не запуститься. Улучшенные версии исходного чипа — TL и TL оптимизирована точность и добавлен повторитель на входе соответственно ;.
Поиск данных по Вашему запросу:
Схемы, справочники, даташиты:
Прайс-листы, цены:
Обсуждения, статьи, мануалы:
Дождитесь окончания поиска во всех базах.
По завершению появится ссылка для доступа к найденным материалам.

Содержание:
- Лабораторный БП из компьютерного ATX
- Импульсный блок питания TL494
- Как сделать регулируемый блок питания из компьютерного
- Переделка компьютерного блока питания.
- Схема импульсного лабораторного блока питания на TL494
- Зарядное из АТ блока питания 200 Вт на TL494
- Ремонт блока питания компьютера своими руками
- Схемы компьютерных блоков питания ATX, AT и ноутбуков
- Ремонт блока питания компьютера своими руками
- Импульсный лабораторный блок питания на TL494
ПОСМОТРИТЕ ВИДЕО ПО ТЕМЕ: Импульсный блок питания на TL494 с защитой
youtube.com/embed/5WwDDKDa-b8″ frameborder=»0″ allowfullscreen=»»/>Лабораторный БП из компьютерного ATX
Каждому радиолюбителю, ремонтнику или просто мастеру необходим источник питания, чтобы питать свои схемы, тестировать их при помощи блока питания, либо же просто иногда необходимо зарядить аккумулятор. Случилось так, что и я увлекся этой темой некоторое время назад и мне так же стал необходим подобный девайс.
Как обычно, по этому вопросу было перелопачено много страниц в интернете, следил за многими темами на форумах, но точно того, что было нужно мне в моем представлении не было нигде — тогда было решено все сделать самому, собрав всю необходимую информацию по частям.
Таким образом родился на свет импульсный лабораторный блок питания на микросхеме TL Что особенного — да вроде мало чего, но я поясню — переделывать родной блок питания компьютера все на той же печатной плате мне кажется не совсем по фен-шую, да и не красиво.
С корпусом та же история — дырявая железяка просто не смотрится, хотя если есть фанаты такого стиля, ничего против не имею. Поэтому в основе данной конструкции лежат лишь основные детали от родного компьютерного блока питания, а вот печатная плата точнее печатные платы — их на самом деле три сделана уже отдельно и специально под корпус. Корпус здесь состоит также из двух частей — само собой основа корпус Kradex Z4A, а так же вентилятор кулер , который вы можете видеть на фото.
Он является как бы продолжением корпуса, но обо всем по порядку. Список деталей вы можете увидеть в конце статьи. А теперь коротко разберем схему импульсного лабораторного блока питания. Схема работает на микросхеме TL, существует много аналогов, однако рекомендую все же использовать оригинальные микросхемы, стоят они совсем недорого, а работают надежно в отличие от китайских аналогов и подделок. Можно также разобрать несколько старых блоков питания от компьютеров и насобирать необходимых деталей от туда, но я рекомендую по возможности использовать все же новые детали и микросхемы — это повысит шанс на успех, так сказать.
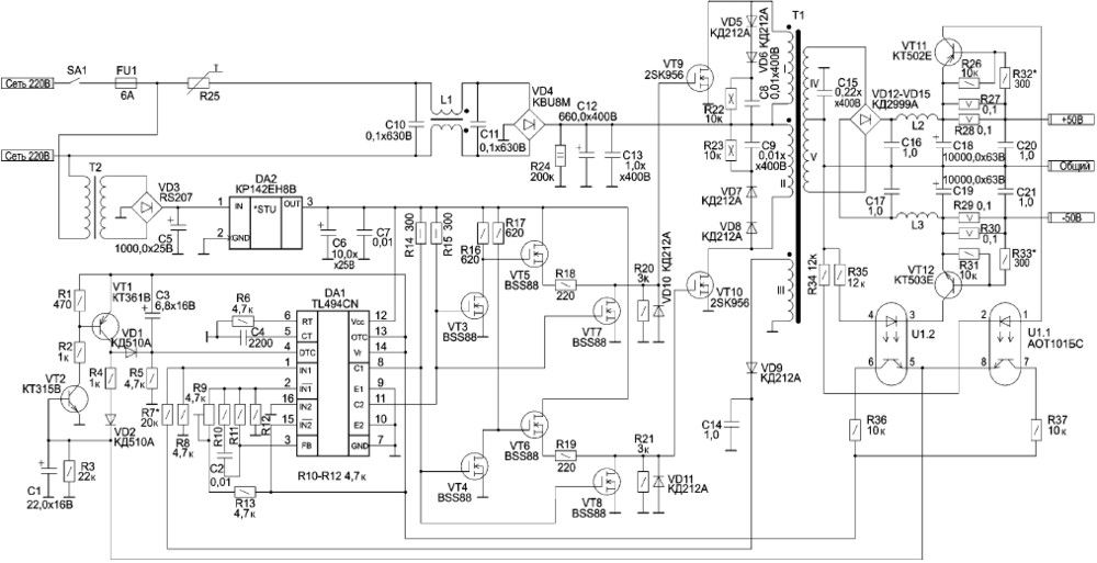
По причине того, что выходная мощность встроенных ключевых элементов TL не достаточная, чтобы управлять мощными транзисторами, работающих на основной импульсный трансформатор Tr2, строится схема управления силовыми транзисторами T3 и T4 с применением управляющего трансформатора Tr1.
Данный трансформатор управления использован от старого блока питания компьютера без внесения изменений в состав обмоток. Трансформатор управления Tr1 раскачивается транзисторами T1 и T2.
Сигналы управляющего трансформатора через диоды D8 и D9 поступают на базы силовых транзисторов. Транзисторы T3 и T4 используются биполярные марки MJE, можно использовать транзисторы на меньший ток — MJE, но здесь все же лучше оставить на больший ток, чтобы повысить надежность и мощность схемы, хотя от короткого замыкания в высоковольтных цепях схемы это не спасет.
Далее эти транзисторы раскачивают трансформатор Tr2, который преобразует выпрямленное напряжение вольт от диодного моста VDS1 в необходимое нам в данном случае 30 — 31 вольт.
Данные по перемотке или намотке с нуля трансформатора чуть позже.
Выходное напряжение снимается с вторичных обмоток этого трансформатора, к которым подключается выпрямитель и ряд фильтров, чтобы напряжение было максимально без пульсаций. Выпрямитель необходимо использовать на диодах Шоттки, чтобы минимизировать потери при выпрямлении и исключить большой нагрев этого элемента, по схеме используется сдвоенный диод Шоттки D Здесь также чем больше допустимый ток диодов, тем лучше.
При неосторожности при первых запусках схемы большая вероятность испортить эти диоды и силовые транзисторы T3 и T4. Дроссели L5 и L6 были использованы от старых блоков питания компьютеров хотя как старых — просто неисправных, но достаточно новых и мощных, кажется Вт. L6 использован без изменения обмотки, представляет собой цилиндр с десятком или около того витков толстого медного провода. L5 необходимо перемотать, так как в компьютере используется несколько уровней напряжения — нам нужно только одно напряжение, которое мы будем регулировать.
L5 представляет собой кольцо желтого цвета не всякое кольцо пойдет, так как могут применяться ферриты с разными характеристиками, нам нужно именно желтого цвета. На это кольцо нужно намотать примерно 50 витков медного провода диаметром 1,5 мм.
Резистор R34 гасящий — он разряжает конденсаторы, чтобы при регулировке не возникло ситуации долгого ожидания уменьшения напряжения при повороте ручки регулировки. Наиболее подверженные нагреву элементы T3 и T4, а также D15 устанавливаются на радиаторы. В данной конструкции они были также взяты от старых блоков и отформатированы отрезаны и изогнуты под размеры корпуса и печатной платы.
Схема является импульсной и может вносить в бытовую сеть собственные помехи, поэтому необходимо использовать синфазный дроссель L2. Чтобы отфильтровывать уже имеющиеся помехи сети используются фильтры с применением дросселей L3 и L4. Терморезистор NTC1 исключит скачок тока в момент включения схемы в розетку, старт схемы получится более мягкий.
Чтобы управлять напряжением и током, а также для работы микросхемы TL необходимо напряжение более низкого уровня, чем вольт, поэтому используется отдельная схема питания для этого.
С вторичной обмотки напряжение выпрямляется и сглаживается конденсатором — просто и сердито.
Таким образом, получаем 12 вольт, необходимые для управляющей части схемы блока питания. Далее 12 вольт стабилизируются до 5 вольт при помощи микросхемы линейного стабилизатора — это напряжение используется для схемы индикации напряжения и тока.
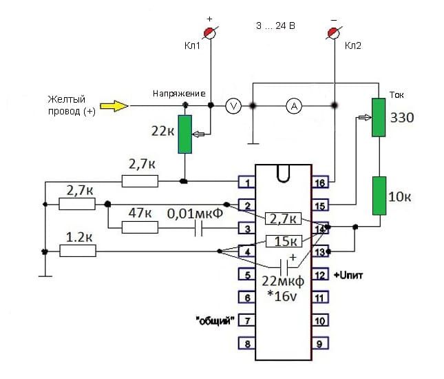
Также искусственно создается напряжение -5 вольт для питания операционного усилителя схемы индикации напряжения и тока. В принципе можно использовать любую доступную схему вольтметра и амперметра для данного блока питания и при отсутствии необходимости данный каскад стабилизации напряжения можно исключить. Как правило, используются схемы измерения и индикации, построенные на микроконтроллерах, которым необходимо питания порядка 3,3 — 5 вольта.
Подключение амперметра и вольтметра указано на схеме. На фото печатная плата с микроконтроллером — амперметр и вольтметр, к панели прикреплены на болтики, которые ввинчиваются в гайки, надежно приклеенные к пластмассе супер клеем.
Данный индикатор имеет ограничение по измерению тока до 9,99 А, что явно маловато для данного блока питания. Кроме как функций индикации модуль измерения тока и напряжения больше никак не задействован относительно основной платы устройства. Функционально подойдет любой измерительный модуль на замену. Схема регулировки напряжения и тока построена на четырех операционных усилителях используется LM — четыре операционных усилителя в одном корпусе. Для питания этой микросхемы стоит использовать фильтр по питания на элементах L1 и C1, C2.
Настройка схемы заключается в подборе элементов, помеченных звездочкой для задания диапазонов регулирования. Схема регулировки собрана на отдельной печатной плате. Кроме того, для более плавной регулировки по току можно использовать несколько переменных резисторов соединенных соответствующим образом.
Для задания частоты преобразователя необходимо подобрать номинал конденсатора C3 и номинал резистора R3. На схеме указана небольшая табличка с расчетными данными.
Слишком большая частота может увеличить потери на силовых транзисторах при переключении, поэтому слишком увлекаться не стоит, оптимально, на мой взгляд, использовать частоту кГц, а то и меньше.
Теперь о параметрах намотки или перемотки трансформатора Tr2. Основу я также использовал от старых блоков питания компьютера. Если большой ток и большое напряжения вам не нужны, то можно такой трансформатор не перематывать, а использовать готовый, соединив обмотки соответствующим образом.
Однако если необходим больший ток и напряжение, то трансформатор необходимо перемотать, чтобы получить более лучший результат. Прежде всего придется разобрать сердечник, который у нас имеется. Это самый ответственный момент, так как ферриты достаточно хрупкие, а ломать их не стоит, иначе все на мусор. Итак, чтобы разобрать сердечник, его необходимо нагреть, так как для склеивания половинок обычно изготовитель использует эпоксидную смолу, которая при нагреве размягчается.
Открытые источники огня использовать не стоит.
Хорошо подойдет электронагревательное оборудование, в бытовых условиях — это, например электроплита.
При нагреве аккуратно разъединяем половинки сердечника. После остывания снимаем все родные обмотки. Теперь нужно рассчитать необходимое количество витков первичной и вторичной обмоток трансформатора. Для этого можно использовать программу ExcellentIT , в которой задаем необходимые нам параметры преобразователя и получаем расчет количества витков относительно используемого сердечника.
Далее после намотки сердечник трансформатор необходимо обратно склеить, желательно также использовать высокопрочный клей или эпоксидную смолу. При покупке нового сердечника потребность в склейке может отсутствовать, так как часто половинки сердечника могут стягиваться металлическими скобами и болтиками. Обмотки необходимо наматывать плотно, чтобы исключить акустический шум при работе устройства. По желанию обмотки можно заливать какими-нибудь парафинами. Печатные платы проектировались для корпуса Z4A.
Сам корпус подвергается небольшим доработкам, чтобы обеспечить циркуляцию воздуха для охлаждения. Для этого по бокам и сзади сверлится несколько отверстий, а сверху прорезаем отверстие для вентилятора.
Вентилятор дует вниз, лишний воздух уходит через отверстия. Можно вентилятор расположить и наоборот, чтоы он высасывал воздух из корпуса. По факту охлаждение вентилятором редко когда понадобится, к тому же даже при больших нагрузках элементы схемы сильно не греются.
Также подготавливаются лицевые панели. Индикаторы напряжения и тока используются с применением семисегментных индикаторов, а в качестве светофильтра для этих индикаторов используется металлизированная антистатическая пленка, наподобие той, в которую упаковывают радиоэлементы с пометкой чувствительности к электростатике.
Можно также использовать полупрозрачную пленку, которую клеят на оконные стекла, либо тонирующую пленку для автомобилей. Набор элементов на лицевой панели спереди и сзади можно компоновать по любому вкусу.
В моем случае сзади разъем для подключения к розетке, отсек предохранителя и выключатель.
Спереди — индикаторы тока и напряжения, светодиоды индикации стабилизации тока красный и стабилизации напряжения зеленый , ручки переменных резисторов для регулировки тока и напряжения и быстрозажимной разъем, к которому подключено выходное напряжение. При правильной сборке блок питания нуждается только в подстройке диапазонов регулирования. Защита по току стабилизация по току работает следующим образом: при превышении установленного тока на микросхему TL подается сигнал о снижении напряжения — чем меньше напряжение, тем меньше ток.
При этом на лицевой панели загорается красный светодиод, сигнализирующий о превышении установленного тока, либо о коротком замыкании. В нормальном режиме стабилизации напряжения горит зеленый светодиод. Основные характеристики импульсного лабораторного блока питания зависят в основном от применяемой элементной базы, в данном варианте характеристики следующие:.
Подводя итог, можно отметить, что лабораторный блок питания получился достаточно качественный и мощный. Это позволяет использовать данный вариант блока питания как для тестирования каких-то своих схем, так и вплоть до зарядки автомобильных аккумуляторов. Стоит отметить также то, что емкости на выходе стоят достаточно большие, поэтому коротких замыканий лучше не допускать, так как разряд конденсаторов с большой вероятностью может вывести схему из строя ту, к которой подключаемся , однако без этой емкости выходное напряжение будет хуже — возрастут пульсации.
Это особенность именно импульсного блока, в аналоговых блока питания выходная емкость не превышает 10 мкФ как правило в силу своей схемотехники. Таким образом, получаем универсальный лабораторный импульсный блок питания способный работать в широком диапазоне нагрузок практически от нуля до десятков ампер и вольт.
Этот лабораторный блок питания я сделал около 4 лет назад, когда только начинал делать первые шаги в электронике.
До настоящего времени ни одной поломку с учетом того, что работал часто далеко за пределами 10 ампер зарядка автомобильных аккумуляторов.
При описании за счет давнего срока изготовления мог что-то упустить, вопросы, замечания складывайте в комментариях. Прилагаю к статье печатные платы вольтметр и амперметр сюда не входят — можно применять абсолютно любые.
Средний балл статьи: 4.
Импульсный блок питания TL494
Запомнить меня. Пожалуйста Войти или Регистрация , чтобы присоединиться к беседе. Designed by admin radio-portal. Technical support Doc. Искать по сайту.
В качестве ШИМ-регулятора управления МС1 используется микросхема типа TL или ее аналоги: IR3M
Как сделать регулируемый блок питания из компьютерного
В предлагаемой статье автор делится опытом переделки блока питания ATX LPQ2 номинальной мощностью Вт в устройство для зарядки свинцово-кислотных аккумуляторных батарей и в лабораторный блок питания с регулируемым выходным стабилизированным напряжением В настоящее время выпускаются энергоёмкие компьютеры, требующие блоки питания повышенной мощности.
Старые блоки …. Часто собирая какую нибудь электронную конструкцию, как то, усилитель звуковой частоты, средства автоматики, устройства на базе микроконтроллеров, и многое другое, мы задаемся вопросом а чем питать аппаратуру? Радиоэлектронные устройства в большинстве своем питаются постоянным напряжением отличным от напряжения сети. В последнее время все чаще импульсная техника вытесняет из повседневного обихода традиционные трансформаторные схемы блоков питания. Копирование материалов сайта возможно только с указанием ссылки на первоисточник — сайт meandr. Обратная связь. Метка: переделка компьютерного блока питания Из компьютерного блока питания — лабораторный и зарядное устройство Опубликовано в Источники питания
Переделка компьютерного блока питания.
В наше время наверное только ленивый, не переделывал компьютерный AT или ATX блок питания в лабораторный или зарядное устройство для автомобильной АКБ. И я решил не оставаться в стороне. Первым делом необходимо убрать лишние компоненты с платы, дроссель групповой стабилизации, конденсаторы, некоторые резисторы, не нужные перемычки, цепь power ON с ней же и компаратор LM Стоит заметить что все схемы на TL похожи, иметь могут только не большие различия, поэтому для понимания как переделывать БП можно взять типовую схему.
Каждому радиолюбителю, ремонтнику или просто мастеру необходим источник питания, чтобы питать свои схемы, тестировать их при помощи блока питания, либо же просто иногда необходимо зарядить аккумулятор. Случилось так, что и я увлекся этой темой некоторое время назад и мне так же стал необходим подобный девайс.
Схема импульсного лабораторного блока питания на TL494
Новокузнецк, Кемеровская обл. Логин: Пароль Забыли? Переделка компьютерного блока питания под зарядное устройство в подробностях. Практика Блоки питания. Исключён фрагмент. Наш журнал существует на пожертвования читателей.
Зарядное из АТ блока питания 200 Вт на TL494
При эксплуатации авто только в городском режиме советуют раз в месяца полностью заряжать автомобильный аккумулятор штатным зарядным устройством. Да вот беда — нормальное зарядное есть не у всех, денег на него жалко, а заряжать аккумулятор желательно регулярно. Для тех, у кого нет лишних баксов на автомобильную зарядку от сети, а иметь оную уж очень хочется, и предназначена эта статья.
Очень неплохую вещь можно сделать из обычного компьютерного блока питания АТХ. Компьютерный блок питания ваще шикарная штука, ибо предназначен для того, чтобы молотить круглосуточно, запитывая материнку, процессор, винчестер, да еще и выдавать при этом довольно солидные токи. В самих компьютерах БП периодически мрут, ибо сделаны в большинстве своем китайцами, а эти ребята привыкли экономить на всем — занижать параметры конденсаторов, ставить резисторы меньшей мощности, и вообще за это им огромное спасибо, ибо благодаря их стараниям у меня, к примеру, нет недостатка в компьютерных блоках питания для экспериментов. Скажу сразу — не всякий блок питания подойдет для переделки.
Простой мощный импульсный блок питания на TL схема, переделка компьютерного блока питания, простой импульсный блок питания схема.
Ремонт блока питания компьютера своими руками
Один товарищ попросил сделать для него импульсный блок питания для какой то штуки у него в гараже. Как бы питание у этого приборчика не стандартное и нужно В током до 5 А.
Схему питальника использовал ту же, что и в прошлый раз собирал, вот ссылка на ИИП из ATX , только немного ее переделал. Первым делом что я сделал, это немного переделал схему.
Схемы компьютерных блоков питания ATX, AT и ноутбуков
Если блок питания вашего компьютера вышел из строя, не спешите расстраиваться, как показывает практика, в большинстве случаев ремонт может быть выполнен своими силами. Прежде чем перейти непосредственно к методике, рассмотрим структурную схему БП и приведем перечень возможных неисправностей, это существенно упростит задачу. Для проведения ремонта нам также понадобится знать распиновку главного штекера БП main power connector , она показана ниже. Сделать это можно при помощи обычной перемычки.
Новокузнецк, Кемеровская обл.
Ремонт блока питания компьютера своими руками
Электроника и Медтехника. Чем богаты. Источники питания. Схемы компьютерных блоков питания срисованы с действующих образцов в лаборатории сайта «Электроника и Медтехника» , методика ремонта.
Y-BATX ver. Схема блоков питания XA1 и XA1 ch. Статья о ремонте компьютерных блоков питания ATX Ver.
Импульсный лабораторный блок питания на TL494
Хороший лабораторный блок питания — это довольно дорогое удовольствие и не всем радиолюбителям оно по карману. Тем не менее в домашних условиях можно собрать не плохой по характеристикам блок питания, который вполне справится и с обеспечением питания различных радиолюбительских конструкций, и так же может служить и зарядным устройством для различных аккумуляторов. Собирают такие блоки питания радиолюбители, как правило из компьютерных БП АТХ , которые везде доступны и дешевы. В этой статье уделено мало внимания самой переделке АТХ, так как переделать компьютерный БП для радиолюбителя средней квалификации в лабораторный, или для каких то иных целей, обычно не составляет особого труда, а вот у начинающих радиолюбителей возникает по этому поводу много вопросов.
Переделка компьютерного блока питания ATX на +-40В
Или как сделать дешёвый блок питания для усилителя на 100 Вт
.
..
-А сколько будет стоить УНЧ Ватт на 300?
-Смотря для чего 🙂
-Дома слушать!
-баксов *** нормальный будет…
-OMG! А подешевле никак?
-Ммммм… Надо подумать…
…И вспомнилось мне об импульсном БП, достаточно мощном и надёжном для УНЧ.
И начал я думать, как переделать его под наши нужды 🙂
После недолгих переговоров, человек, для которого всё это замышлялось сбавил планку мощности с 300 Ватт до 100-150, согласился пожалеть соседей. Соответственно импульсника на 200 Вт будет более, чем достаточно.
Как известно, компьютерный блок питания формата АТХ выдаёт нам 12, 5 и 3,3 В. В АТ блоках питания было ещё напряжение «-5 В». Нам эти напряжения не нужны.
В первом попавшемся БП, который был вскрыт для переделки стояла полюбившаяся народом микросхема ШИМ — TL494.
Блок питания этот был АТХ на 200 Вт фирмы уже не помню какой. Особо не важно. Поскольку товарищу «горело», каскад УНЧ был просто куплен. Это был моно усилитель на TDA7294, который может выдать 100 Вт в пике, что вполне устраивало.
Усилителю требовалось двухполярное питание +-40В.
Убираем всё лишнее и ненужное в развязанной (холодной) части БП, оставляем формирователь импульсов и цепь ОС. Диоды Шоттки ставим более мощные и на более высокое напряжение (в переделанном блоке питания они были на 100 В). Так же ставим электролитические конденсаторы по вольтажу превосходящие требуемое напряжение вольт на 10-20 для запаса. Благо, место есть, где разгуляться.
На фото смотреть с осторожностью: далеко не все элементы стоят 🙂
Теперь основная «переделываемая деталь» — трансформатор. Есть два варианта:
- разобрать и перемотать под конкретные напряжения;
- спаять обмотки последовательно, регулируя выходное напряжение с помощью ШИМ
Я не стал заморачиваться и выбрал второй вариант.
Разбираем его и паяем обмотки последовательно, не забывая сделать среднюю точку:
Для этого выводы трансформатора были отсоеденены, прозвонены и скручены последовательно.
Для того, чтобы видеть: ошибся я обмоткой при последовательном соединении или нет, генератором пускал импульсы и смотрел, что получалось на выходе осциллографом.
В конце этих манипуляций я соединил все обмотки и убедился в том, что со средней точки они имеют одинаковый вольтаж.
Ставим на место, рассчитываем цепь ОС на TL494 под 2,5V с выхода делителем напряжения на вторую ногу и включаем последовательно через лампу на 100Вт. Если всё заработает хорошо — добавляем в цепочку гирлянды ещё одну, а затем ещё одну стоваттную лампу. Для страховки от несчастных разлётов деталек 🙂
Лампа, как предохранитель
Лампа должна мигнуть и потухнуть. Крайне желательно иметь осциллограф, чтобы иметь возможность посмотреть, что творится на микросхеме и транзисторах раскачки.
Попутно, тем кто не умеет пользоваться даташитами — учимся. Даташит и гугл помогают лучше форумов, если есть прокачанные навыки «гугление» и «переводчик с альтернативной точкой зрения».
Примерную схему блока питания нашёл в интернете. Схема очень даже простая (обе схемы можно сохранить в хорошем качестве):
В конечном итоге она получилась приблизительно вот такой, но это очень грубое приближение, не хватает много деталей!
Конструктив колонки был согласован и сопряжён с блоком питания и усилителем. Получилось просто и симпатично:
Справа — под обрезанным радиатором для видеокарты и компьютерным кулером находится усилитель, слева — его блок питания. Блок питания выдавал стабилизированные напряжения +-40 В со стороны плюсового напряжения. Нагрузка была что-то около 3,8 Ом (в колонке два динамика). Поместилось компактно и работает на ура!
Изложение материала достаточно не полное, упустил много моментов, так как дело было несколько лет назад. В качестве помощи к повторению могу порекомендовать схемы от мощных автомобильных усилителей низкой частоты — там есть двухполярные преобразователи, как правило, на этой же микросхеме — tl494.
Фото счастливого обладателя этого девайса 🙂
Так символично держит эту колонку, почти как автомат АК-47… Чувствует надёжность и скорый уход в армию 🙂
Напоминаем, что нас можно найти также в группе Вконтакте, где на каждый вопрос обязательно будет дан ответ!
Мне нужен компьютерный блок питания Схема с использованием TL494
JavaScript отключен. Для лучшего опыта, пожалуйста, включите JavaScript в вашем браузере, прежде чем продолжить.
- Статус
- Эта старая тема закрыта. Если вы хотите повторно открыть эту тему, свяжитесь с модератором, нажав кнопку «Пожаловаться».
Перейти к последнему
#1
- #1
Привет всем
Я хочу преобразовать блок питания ПК 12 В/5 В в выходное напряжение 13,8 В/10 А. Если у кого-то есть полная принципиальная схема блока питания ПК с использованием TL494 pwm IC, пожалуйста, загрузите ее.
Редардс
Дханука
#2
- #2
http://www.
pavouk.org/hw/en_atxps.html
вот один из многих.
Существует, вероятно, множество конструкций, из того, что я видел, я бы сказал, что вы смотрите на полумост с устройствами питания BJT.
Если у вас есть хорошее понимание того, как работает система снабжения, я уверен, что у вас не будет слишком много технических трудностей, так как это не требует серьезной переделки.
Я получил массу удовольствия, разбирая трансформаторы, лол, я был там. Только не разбивайте сердечник, вытаскивая его из катушки, лол.
Между прочим, эти ядра также хороши для поставок домашнего пива, когда блок питания компьютера ломается, я спасаю его.
Развлекайся, найди хорошую статью (например, у кремниевого чипа есть такая функция) и не взрывай себя! лол
#3
- #3
Вам нужно что-то вроде этого: http://www.qrp4u.de/docs/en/powersupply/
#4
- #4
Вот схема, которую я изменил, потому что у меня их 3-4 штуки.
.
http://members.shaw.ca/tall_dude80/atxpsmod.PNG
#5
- #5
#6
- #6
Спасибо
Привет, ребята,
Спасибо за ранний ответ. Я новый парень для этой формы. Я проверил все ссылки. Это очень полезно для меня.
Спасибо
Дханука
Показать скрытый контент низкого качества
- Статус
- Эта старая тема закрыта. Если вы хотите повторно открыть эту тему, свяжитесь с модератором, нажав кнопку «Пожаловаться».
Делиться:
Фейсбук Твиттер Реддит Пинтерест Тамблер WhatsApp Электронная почта Делиться Связь
Верх Нижний
Блок питания от 2,4 до 23 вольт регулируемый от старого блока питания AT или ATX
Это руководство по переделке старого AT- или ATX-PSU на регулируемый блок питания от 2,4 до 23 вольт.
Эти старые блоки питания стали бесполезными. Максимальный выходной ток зависит от производительности блока питания ПК. Моя модификация работает только в том случае, если в блоке питания стоит микросхема регулятора KA7500, KA7500B, TL494 или DBL494.
Предварительное примечание: Это руководство по модификации все еще находится в стадии разработки. Проблема в том, что каждый блок питания имеет разные схемы защиты. Без схемы сложно понять, как схема работает в деталях. Не каждый блок питания ATX или AT подходит для модификации. Моя модификация имеет некоторые недостатки в том смысле, что блок питания больше не защищен от короткого замыкания, слишком высокого напряжения, слишком большого тока и высокой температуры. В этом отношении многие блоки питания ATX лучше защищены от опасностей, чем блоки питания AT.
Мой модифицированный блок питания все еще находится в стадии тестирования.
Этикетка моего блока питания AT содержит информацию о производительности.
Корпус блока питания АТ, который я использовал для своих экспериментов.
Инструкции по технике безопасности и предупреждения: Внутри Импульсные источники питания имеют высокие напряжения и большие токи, которые могут быть фатальными для вашей жизни или могут вызвать пожар. Модификацию могут выполнять только профессионалы, которые осознают опасность и знают, что делают. Любая ответственность и гарантия исключены. Даже через несколько часов после отключения импульсного источника питания электролитические конденсаторы в первичной цепи могут быть заряжены напряжением в несколько сотен вольт. Их следует разряжать лампочкой на 230 вольт. Импульсные источники питания всегда должны работать с защитным проводом. Электролитические конденсаторы в импульсных блоках питания могут взорваться после первого включения питания, когда блок длительное время не эксплуатировался.
Плата блока питания АТ до переделки.
Толстые кабели необходимо отрезать, за исключением нескольких черных и желтых кабелей.
Как работает модификация: Вывод 1 регулятора IC KA7500 нормально подключен к резисторной сети, которая сама подключена к клеммам выходного напряжения +5 вольт и +12 для того, чтобы регулировать это напряжение с помощью регулятор. Это петля обратной связи, которую мы должны изменить. Поэтому отрежьте контакт 1 KA7500 от всех остальных компонентов и подключите контакт 1 к скользящему контакту потенциометра. Две напоминающие клеммы потенциометра должны быть соединены с землей и выходным напряжением +12 вольт.
Эту модификацию я видел на http://boginjr.com/electronics/lv/atx-mod/, где мод был реализован со старым блоком питания ATX. Сайт достоин прочтения. Однако я сделал свои моды со старым блоком питания AT, и, похоже, он тоже работает.
Принцип модификации: Пин 1 регулятора IC KA7500 должен быть отрезан от всех остальных компонентов .
Потенциометром P1 можно регулировать выходное напряжение от 2,4 до 16 вольт. Резистор R1 и подстроечный потенциомер Tr1 уменьшают максимальное выходное напряжение до 16 вольт, потому что электролитический конденсатор на выходной клемме +12 вольт подходит только для максимального напряжения 16 вольт. С этой модификацией можно регулировать выходное напряжение (желтый кабель) от 2,4 до 16 Вольт .
Убедитесь, что регулятор IC питается от отдельного рабочего напряжения. Это следует проверить перед тем, как приступить к модификации. В моем блоке питания микросхема регулятора получает рабочее напряжение от отдельного источника стабилизированного напряжения.
В худшем случае выходное напряжение может возрасти до 30 вольт, если цепь обратной связи разорвана. Это может иметь серьезные последствия. Электролитические конденсаторы могут взорваться или разрушиться из-за перенапряжения.
Таким образом должен быть подключен потенциометр.
Скользящая клемма подключается к контакту 1 регулятора IC. Правая клемма потенциометра (желтый кабель) подключена к выходу +12 вольт. Резистор 3300 Ом на этой картинке не подключен, т.к. он мне не понадобился.
Самое первое включение: Кабели должны быть подключены, как показано на рисунке и рисунке. Если вы посмотрите перед ручкой, правая клемма потенциометра должна быть подключена к выходной клемме +12 В (желтый кабель). Перед включением устройства потенциометр должен быть повернут влево. Затем вы можете осторожно поднять напряжение. Не повышайте напряжение выше 16 В, чтобы не повредить электролитические конденсаторы.
Микросхема регулятора расположена рядом с выходными кабелями на печатной плате.
Зеленый провод на контакте 1 регулятора IC подключен к скользящей клемме потенциометра. Контакт 1 не имеет соединений с другими компонентами.
Царапина отверткой отсоедините контакт 1 регулятора IC от всех остальных компонентов.
Защита от короткого замыкания: Вопрос в том, устойчив ли модифицированный блок питания к короткому замыканию, что является обязательным условием для лабораторного блока питания. Для того, чтобы это выяснить, я подключил к выходным клеммам предохранитель на 3 Ампера. При отключении блока питания срабатывает защита от короткого замыкания.
Максимальное выходное напряжение только до 16 вольт: В моем блоке питания максимальное выходное напряжение было ограничено 12 вольтами из соображений безопасности. Если вы попытаетесь настроить более 12 вольт, блок питания отключится. Причина в цепи защиты от перенапряжения, которую необходимо отключить. Поэтому я выпаял штырь маленького диода, который был подключен к +5 Вольтам. В результате максимальное выходное напряжение составило 23 Вольта. Конечно, вы должны заменить некоторые 16-вольтовые электролитические конденсаторы.
Эта конструкция из параллельно соединенных 25-вольтовых конденсаторов (см.
текст) заменяет 16-вольтовый конденсатор на прежней выходной клемме +12 В.
После этой модификации перестала работать защита от короткого замыкания! В случае короткого замыкания БП повреждается!
Максимальный выходной ток: Мой старый 150-ваттный блок питания мог генерировать 6 ампер при выходном напряжении от 6 до 16 вольт, которое было очень стабильным и падало на 100 мВ при подключении нагрузки 6 ампер.
Путем отключения небольшого диода отключалась схема защиты от перенапряжения и выходное напряжение по возможности превышало 12 Вольт.
Избегайте помех радиочастотам: Мой модифицированный блок питания мешал FM-радио. Во избежание этого вся схема должна быть экранирована в металлическом корпусе.
Вывод: Модификация схемы импульсного блока питания с неизвестными деталями не так проста, как вы думаете. Кстати, большой выходной ток не очень часто является преимуществом в лаборатории, потому что большой ток может привести к серьезным повреждениям, если вы сделаете ошибку.

