Как правильно рассчитать параметры кроссовера для акустики. Какие компоненты нужны для сборки кроссовера своими руками. Как собрать и подключить кроссовер к акустической системе пошагово.
Назначение и принцип работы кроссовера в акустической системе
Кроссовер является важным компонентом акустической системы, выполняющим функцию разделения частот между динамиками. Его основная задача — направить низкие частоты на низкочастотный динамик (вуфер), средние частоты на среднечастотный динамик, а высокие частоты на высокочастотный динамик (твитер).
Принцип работы кроссовера основан на использовании фильтров, которые пропускают определенные частоты и подавляют остальные. Это позволяет каждому динамику работать в своем оптимальном частотном диапазоне, что обеспечивает более чистое и качественное звучание акустической системы в целом.
Виды кроссоверов и их особенности
Существует несколько основных видов кроссоверов для акустических систем:

- Пассивные кроссоверы — состоят из пассивных компонентов (конденсаторов, катушек индуктивности, резисторов). Простые в изготовлении, но имеют ограниченные возможности настройки.
- Активные кроссоверы — используют активные компоненты (операционные усилители). Позволяют точно настраивать частоты раздела и крутизну среза.
- Цифровые кроссоверы — работают на основе цифровой обработки сигнала. Обеспечивают максимальную гибкость настройки.
При самостоятельном изготовлении чаще всего используются пассивные кроссоверы из-за их простоты и надежности.
Расчет параметров кроссовера для акустической системы
Правильный расчет параметров кроссовера крайне важен для его эффективной работы. Основные параметры, которые необходимо рассчитать:
- Частоты раздела между динамиками
- Крутизна спада фильтров (порядок фильтра)
- Номиналы компонентов (конденсаторов, катушек индуктивности)
Для расчета используются специальные формулы и программы. Важно учитывать характеристики используемых динамиков, такие как частотный диапазон и импеданс.

Как рассчитать частоты раздела кроссовера?
Частоты раздела выбираются на основе рабочих диапазонов динамиков:
- Между НЧ и СЧ: обычно 250-500 Гц
- Между СЧ и ВЧ: обычно 2500-5000 Гц
Точные значения зависят от конкретных динамиков. Частоты раздела должны находиться в зоне перекрытия рабочих диапазонов соседних динамиков.
Необходимые компоненты для сборки кроссовера своими руками
Для самостоятельной сборки пассивного кроссовера понадобятся следующие компоненты:
- Конденсаторы (электролитические и пленочные)
- Катушки индуктивности
- Резисторы
- Монтажная плата
- Провода для соединений
- Клеммы для подключения
Важно использовать качественные компоненты с подходящими номиналами и допусками. Это обеспечит точную работу кроссовера и хорошее звучание акустики.
Пошаговая инструкция по сборке кроссовера для акустики
Процесс сборки кроссовера включает следующие основные этапы:
- Подготовка монтажной платы
- Размещение и пайка компонентов согласно схеме
- Проверка правильности соединений
- Подключение входных и выходных клемм
- Установка кроссовера в корпус акустической системы
Важно соблюдать полярность компонентов и аккуратность при пайке. Рекомендуется использовать качественный паяльник и припой.

Как правильно паять компоненты кроссовера?
При пайке компонентов кроссовера следует придерживаться следующих правил:
- Использовать паяльник мощностью 25-40 Вт
- Применять тонкий припой с флюсом
- Прогревать контакты 2-3 секунды перед нанесением припоя
- Делать аккуратные и надежные соединения
- Избегать перегрева чувствительных компонентов
Подключение и настройка кроссовера в акустической системе
После сборки кроссовер необходимо правильно подключить и настроить:
- Подключить выходы кроссовера к соответствующим динамикам
- Подсоединить вход кроссовера к выходу усилителя
- Проверить правильность всех соединений
- Провести тестовое прослушивание на разных частотах
- При необходимости выполнить точную настройку частот раздела
Важно соблюдать полярность подключения динамиков. Неправильное подключение может привести к искажению звука.
Типичные ошибки при самостоятельном изготовлении кроссоверов
При сборке кроссовера своими руками следует избегать следующих распространенных ошибок:

- Неправильный расчет частот раздела
- Использование компонентов низкого качества
- Ошибки в схеме подключения
- Некачественная пайка соединений
- Неверный выбор порядка фильтров
Преимущества и недостатки самодельных кроссоверов
Самостоятельное изготовление кроссовера имеет свои плюсы и минусы:
Преимущества:
- Экономия средств
- Возможность точной настройки под конкретные динамики
- Получение опыта в создании аудиотехники
Недостатки:
- Требует знаний и навыков
- Возможны ошибки при расчетах и сборке
- Отсутствие гарантии на готовое изделие
При наличии опыта и аккуратном подходе самодельный кроссовер может обеспечить отличное качество звучания акустической системы.
Кроссовер для акустики своими руками: схема, пошаговая инструкция
Термин «кроссовер» часто используется при описании компонентов акустических систем. Принимая входной сигнал, устройство разделяет его несколько различно частотные полосы. Если купить кроссовер для акустики низкого качества, то он испортит звучание. Следовательно, возникает вопрос: как сделать кроссовер для акустики своими руками?
1 Как сделать кроссовер для акустики
1.1 Схема кроссовера
1.2 Катушка индуктивности
1.3 Как сделать печатную плату
2 Сборка и подключение кроссовера: пошаговая инструкция
Как сделать кроссовер для акустики
Собрать подобную конструкцию достаточно просто, главное знать секреты сборки. Подобный кроссовер имеет два основных преимущества:
- Экономия средств. Качественное устройства стоит достаточно дорого, чего не скажешь о самодельном варианте.
- Увлекательный процесс сборки. Поэтапно собирая детали, можно разобраться в работе прибора.
Это облегчит ремонт деталей при последующей поломке.
Схема кроссовера
В первую очередь проверяются параметры динамиков, их частота и уровень чувствительности. После чего, подбирается электрическая схема для подключения механизма. Предпочтительнее выбрать фильтры второго порядка, так, как параметры частоты увеличиваются в небольших салонах автомобилей.
Если использовать фильтр первого порядка при подключении динамиков для воспроизведения высоких частот, возникает шипение, а низко частотные усиливают яркость звука. В совокупности получается неразборчивое и непонятное звучание. Хотя в больших салонах это менее заметно.
Катушка индуктивности
Необходима для подавления помех. Для ее изготовления понадобится изолированный проводник, который следует намотать. В случае с низко частотными динамиками используется медная проволока толщиной 1мм, покрытая специальным изоляционным слоем. Наматываемые спирали закрепляются клеем
Применение ферритовых сердечников уменьшает массу и габариты устройства.
Сокращаются расходы проволоки, цена которой достаточно высока. Также увеличивается открытое сопротивление катушки. Полученную индуктивность легко регулировать специальным измерительным устройством.
Как сделать печатную плату
Пластина из пары проводящих рисунков, которые расположены на плоскости диэлектрического основания. Сделать плату самостоятельно можно в несколько этапов. Сначала нанести изображение платы на бумаге. При чертеже важно отталкиваться от размеров готового резистора и намотанных катушек. Перенести плату на специальный материал (стеклотекстолит, покрытый слоем медной фольги). Затем подготовить отверстия для подсоединения проводов к деталям. Удалить поверхностный слой панели протравливанием. Для этого в макет устройства добавляется раствор с хлорным железом.
Сборка и подключение кроссовера: пошаговая инструкция
Процесс сбора и подключения кроссовера проводится в следующем порядке:
- Приклеиваются подушки индуктивности с помощью хорошего клея.
Не стоит забывать о конденсаторе, для того, чтобы при тряске и сильных вибрациях детали не отпадали. - При соединении акустических проводов стандартным паяльником соблюдать полярность. Не перепутать входы низко и высоко частотных динамиков, так, как чувствительность последних выше, чем у низко частотных.
- Провода дополнительно проклеиваются для защиты от повреждений при тряске.
- Устройство готово к подключению. Для того, чтобы убедится в правильной передаче сигнала делается пробное подключение.
- Можно включить резистор при необходимости.
- Прибор готов к использованию.
Представленная выше инструкция позволяет собрать конструкцию быстро и без лишних затрат. При работе необходимо соблюдать точную последовательность, а детали должны быть правильно подобраны. Это важно для длительной и качественной работы кроссовера.
Колонки Электроника
Схема кроссовера для акустики
Например, пресловутая керамика Н90 — из-за пьезоэлектрического эффекта.
А как другие типы, скажем, пленочные? Тут можно написать целую поэму. Но можно ли строить частотнозависимые цепи без них, только с помощью дросселей индуктивностей?
Поиск данных по Вашему запросу:
Схемы, справочники, даташиты:
Прайс-листы, цены:
Обсуждения, статьи, мануалы:
Дождитесь окончания поиска во всех базах.
По завершению появится ссылка для доступа к найденным материалам.
Содержание:
- Апгрейд кроссовера в винтажных колонках
- Самодельные кроссоверы для акустики и их предназначение
- Расчет кроссовера для акустики своими силами
- Акустические системы
- Кроссоверы для акустических систем в авто.
Расчет настроек. Пассивный или активный, какой купить?
Фазолинейный активный кроссовер 3 х TDA1514А - Кроссовер для динамиков в машине — сборка, установка, расчёт
- Как сделать кроссовер для колонок своими руками
- На сайте радиочипи представлены принципиальные схемы сабвуферов, собранные своими руками
- Акустические системы
ПОСМОТРИТЕ ВИДЕО ПО ТЕМЕ: Фильтр для акустики
Апгрейд кроссовера в винтажных колонках
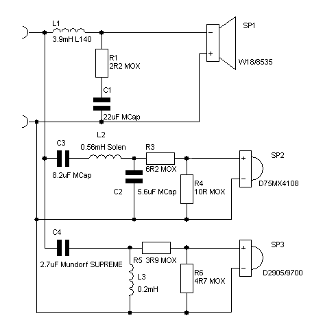
Для разделительных фильтров всех трех звеньев была выбрана схема всепропускающего типа второго порядка II-II-II , как более надежная.
Катушки L2 и L4 подошли из входящих в комплект кроссоверов. Платы выполнены из фольгированного стеклотекстолита. При монтаже детали фиксируются силиконовым герметиком. Размещение элементов кроссовера увеличить. Для подключения НЧ-динамика следует применить качественный акустический кабель 2,5 кв.
Естественно пайка везде должна быть надежная. При сборке нужно проследить чтобы провода от динамика не попали в окна диффузородержателя. Динамики устанавливаются в последнюю очередь, после заполнения корпуса синтепоном и установки задней крышки. При установке НЧ-динамика надо организовать воздушный коридор в синтепоне между трубой фазоинвертора и самим динамиком.
К примеру необходимую емкость я набирал из нескольких конденсаторов. Подчеркну еще один момент: фольгу плат я пролудил толстым слоем припоя, а в некоторых местах по фольге припаял медную оплетку от экранированного провода.
Я думаю понятно зачем. Катушку СЧ я мотал на самодельном, если так можно сказать, намоточном станке, который представлял из себя разборную катушку из двух щек и бобышки. На внутренних сторонах щек сделаны канавки для прокладки бандажных проволочек 4 шт. После чего катушку нужно пропитать лаком или эпоксидкой и обмотать липкой лентой лучше на тканной основе. НЧ-катушки, честно признаюсь—я заказал специалистам намотки.
Но и их можно намотать в домашних условиях. Правда провод весьма толстый!!! Сама НЧ-катушка на плате не монтируется. Она устанавливается на дне корпуса и прижимается платой НЧ-фильтра через резиновую прокладку.
Изготовление корпусов АС Настройка фазоинвертора Фотки. Hi-Fi колонки из автомобильных динамиков. Узнай типохарактер своего слуха.
Основные параметры НЧ-головок. Изготовление Hi-Fi акустических систем на базе автомобильных динамиков Корпус.
Самодельные кроссоверы для акустики и их предназначение
Кроссовер необходим для разделения частотных диапазонов в динамиках. Устройство можно сделать и своими руками, если знать секреты его создания. Сначала проверяем параметры динамиков. Тщательно необходимо проверить с какой частотой они работают, и уровень их чувствительности. Следующий шаг — подбор электрической схемы для подключения кроссовера. Эксперты советуют останавливаться на фильтрах второго порядка, поскольку в маленьких салонах машины поднимаются параметры частоты.
Самодельные кроссоверы для акустики и их предназначение.
Расчет кроссовера для акустики своими силами
Расчет кроссовера для акустики, как известно, очень важная операция. На свете не существует идеальных акустических систем, способных воспроизводить частотный диапазон полностью.
И тогда на помощь приходят отдельные участки спектра динамиков. К примеру, если надо воспроизводить НЧ, применяют сабвуфер, а чтобы воспроизвести ВЧ, устанавливают мидбасы. Когда все эти динамики вместе взятые начинают играть, то может произойти путаница перед поступлением на тот или иной излучатель. По этой причине и необходим бывает активный или пассивный кроссовер для акустики. В этой статье мы узнаем, для чего нужен расчет фильтра, рассмотрим пассивные кроссоверы, узнаем как они строятся на катушках индуктивности и конденсаторах. Чтобы подключить 2-полосную см.
Акустические системы
Много времени назад я задумался о покупке акустики для компьютера. Акустика для своей цены 3,5 тыс. В обеих частях стоят одинаковые среднечастотные СЧ динамики. Казалось бы, зачем? В общем, всё меня в этой акустике устраивало.
Наконец закончил долгострой.
Кроссоверы для акустических систем в авто. Расчет настроек. Пассивный или активный, какой купить?
Для разделительных фильтров всех трех звеньев была выбрана схема всепропускающего типа второго порядка II-II-II , как более надежная.
Все три динамические головки имеют сопротивление 4 Ом, что безусловно упростило их согласование. Частоты раздела и Гц. Катушка L1 — самая большая бескаркасная намотана на оправке диаметром 56мм, ширна намотки 28 мм, диаметр провода 1,8 мм, витков. Катушка L3 —бескаркасная намотана на оправке 40 мм проводом дмаметра 1,2 мм, ширина и высота намотки 20 мм витков. Катушки L2 и L4 подошли из входящих в комплект кроссоверов.
Фазолинейный активный кроссовер 3 х TDA1514А
Устанавливая современную стереосистему в транспортное средство, владельцу необходимо правильно выбрать кроссовер. Сделать это несложно, если предварительно ознакомиться с тем, что он из себя представляет, для чего предназначен, и в составе какой акустической системы он будет работать. Кроссовер — это специальное устройство в структуре акустической системы, предназначенное для подготовки требуемого частного диапазона для каждой из установленных звуковых колонок. Последние разработаны для эксплуатации в пределах определённых частотных диапазонов.
Выход частоты сигнала, подаваемого на колонку за границы диапазона может привести, как минимум, к искажениям воспроизводимого звука, например:. В нормальных условиях задачей высокочастотного динамика является воспроизведение звука только высокой частоты, низкочастотного, соответственно, низкой. Полоса же, средних частот подаётся на мидвуфер — динамик, отвечающий за звучание средних частот.
Метки: кроссовер, фильтр 2-го порядка. Всем привет! Ситуация такая, в Собственно сама схема, возможно не все линии видно(. Итак начнем.
Кроссовер для динамиков в машине — сборка, установка, расчёт
И из сего добра решил я слепить фронт. Вуферы питаются от 3 и 4 каналов 4-х канального усилителя Soundstream rub 4. Итак начнем… Для начала необходимо определить сопротивление динамиков Z на частоте раздела в Гц. Для примера рассмотрим расчет для ВЧ динамика Vibe….
Как сделать кроссовер для колонок своими руками
ВИДЕО ПО ТЕМЕ: Как сделать фильтр для акустики своими руками / Кроссовер для Yamaha NS-6490
youtube.com/embed/9d47tksfgh0″ frameborder=»0″ allowfullscreen=»»/>И из сего добра решил я слепить фронт. Вуферы питаются от 3 и 4 каналов 4-х канального усилителя Soundstream rub 4. Собственно сама схема, возможно не все линии видно. Итак начнем… Для начала необходимо определить сопротивление динамиков Z на частоте раздела в Гц. Для примера рассмотрим расчет для ВЧ динамика Vibe….
Самодельные кроссоверы для акустики нужны для разделения частотных диапазонов динамиков.
На сайте радиочипи представлены принципиальные схемы сабвуферов, собранные своими руками
Кроссовер для акустики — это фильтр, ограничивающий работу динамика в определенных частотах. Для чего это нужно? Они собраны таким образом, чтобы качественно воспроизводить именно ту частоту, для которой они предназнчены. Но, без фильтра, динамик будет играть всё, что на него подаётся. От этого качество звучания станет ужасным. Представьте — сабвуфер, огромный динамик, тянет средней частоты звуки
Акустические системы
Кроссовер для акустики — это тот элемент, который позволяет отрегулировать звучание динамиков, разделить и выровнять частотные диапазоны.
Его можно купить, попросить кого-нибудь поставить, но чаще всего на это тратиться желания не возникает. Уж лучше установить новую акустическую систему полностью, создать самую настоящую звуковую сцену.
Сети когерентного кроссовера Pass LabsPhase
Рисунки Кирка Рейдера.
Важность фазовой характеристики в звуковой цепочке недавно привлекла больше внимания благодаря заявлению оборудования о фазовой когерентности (выходной сигнал имеет те же фазовые соотношения, что и входной сигнал). Не совсем очевидно, что две разные частотные составляющие сигнала могут поступать в устройство точно в одно и то же время и появляться в разное время, но это чрезвычайно распространено. Все звуковые компоненты в некоторой степени искажают фазу сигнала — даже эфир изменяет временную синхронизацию сигнала, но больше всего нарушают акустические системы и их кроссоверные сети. Фазовые сдвиги в звуковом сигнале разрушают форму волны важных характеристик атаки многих инструментов и затрудняют нашу способность воспринимать локализацию изображения, размывая видимый источник.
Они могут изменять устойчивые формы волн вокальных звуков так, что певец кажется шириной в десять футов.
Исторически сложилось так, что фазовая целостность аудиосигнала считалась гораздо менее важной, чем амплитудные и гармонические/интермодуляционные искажения, но по мере решения большего количества этих проблем и улучшения качества воспроизведения фазовые искажения становятся более заметными. Вопрос о слышимости этих искажений стал предметом горячих дискуссий относительно воспринимаемости абсолютной фазы, частотно-зависимых фазовых сдвигов и скорости фазового сдвига. Тем не менее мы знаем, что ухо чувствительно к фазе и использует фазовые сигналы, чтобы помочь определить направленность. Полагая, что правильное внимание к фазе действительно приводит к лучшему звуку, я буду обсуждать конструкцию кроссоверных цепей, которые всегда минимизируют фазовые искажения.
ЗАЧЕМ ИСПОЛЬЗОВАТЬ КРОССОВЕРЫ?
Неизбежное зло, перекрестная сеть существует исключительно для улучшения неспособности большинства драйверов громкоговорителей охватить весь звуковой диапазон.
Рассматриваемый как управляемый массой поршень, воздействующий на акустическую нагрузку, типичный конический громкоговоритель получает плоскую характеристику за счет компенсации двух противоположных эффектов — его отклонения (которое уменьшается пропорционально квадрату частоты), умноженного на сопротивление акустической системы. нагрузка (которая увеличивается пропорционально квадрату частоты).
На рис. 1 показано это соотношение в нормализованном логарифмическом масштабе. Эти две функции компенсируют друг друга, создавая ровный акустический выход между точками спада. На некоторой высокой частоте (где длина акустической волны меньше окружности конуса) акустическое сопротивление выравнивается до постоянного значения. Поскольку отклонение конуса уменьшается на квадрат частоты, результирующая кривая частотной характеристики (умножение отклонения на акустическое сопротивление) имеет спад на уровне 12 дБ/октава. На низкочастотном резонансе драйвера, где в отклонении преобладает податливость подвески, а не масса диффузора, появляется еще один спад, также на уровне 12 дБ/октаву.
Как правило, конусные драйверы не работают более чем в диапазоне частот 10:1, и для охвата звукового спектра от 20 Гц до 20 кГц вам могут понадобиться три разных драйвера, каждый из которых предназначен для определенного диапазона — от 20 до 200 Гц для вуфера. От 200 до 2000 Гц для средних частот и от 2 до 20 кГц для твитера. Вы можете отправить сигнал полного диапазона на все драйверы параллельно, но быстро обнаружите, что они не могут воспроизводиться за пределами своего диапазона. Поскольку они изо всех сил пытаются это сделать, могут возникнуть серьезные искажения и возможные повреждения. Кроссоверная сеть разделяет звук между драйверами. В идеале, когда драйверы воспроизводят посланные им сигналы, их выходы смешиваются вместе, образуя акустическую копию исходного сигнала, как если бы разделения никогда не было.
ПРЯМОУГОЛЬНЫЕ ВОЛНЫ ПОКАЗЫВАЮТ ИЗМЕНЕНИЯ ФАЗЫ
Одна из причин, по которой прямоугольная волна является полезным тестовым сигналом, заключается в том, что ее форма чрезвычайно чувствительна к любым изменениям амплитуды или фазы.
Он состоит из богатого множества гармоник, и любое изменение их амплитуды и фазы деформирует эту прямоугольность. Я предполагаю, что идеальная система высокого качества должна пройти тест на прямоугольную волну, где прямоугольная волна будет закодирована на соответствующем носителе, а результирующее воспроизведение создаст акустическую прямоугольную волну вблизи уха слушателя. Большинство частей аудиоцепи достаточно хорошо пропускают прямоугольные волны при тщательном проектировании. Громкоговорители имеют самую большую проблему, и хотя некоторые из них представляют хорошие прямоугольные волны на определенных частотах и углах, на сегодняшний день я не видел громкоговорителей, которые прошли бы общий тест на прямоугольные волны.
Когда мы посылаем прямоугольную волну в акустическую систему и наблюдаем полученное изображение на экране осциллографа, мы видим мало общего с
прямоугольной волной, за исключением исходной периодичности. Драйверы громкоговорителей, комната и микрофон ухудшили форму сигнала.
Если бы мы могли устранить все эти источники искажения, мы все еще могли бы обнаружить, что наша прямоугольная волна сильно изменена, а фаза серьезно искажена кроссоверной сетью.
КРОССОВЕРЫ ИЗМЕНЯЮТ ФАЗА
Все фильтры, активные или пассивные, изменяют фазу. Однако с некоторыми типами фильтров, когда выходные сигналы нижних и верхних частот снова смешиваются, исходные соотношения фазы и амплитуды точно воссоздаются. Такие кроссоверные фильтры являются фазово-когерентными, а их выходные сигналы верхних и нижних частот комплементарны по фазе. Чтобы оценить когерентность данной пары фильтров, мы измеряем электрическую сумму их выходных сигналов, а затем математически их суммируем; проверка результата на амплитудные и фазовые искажения. На некоторых фильтрах мы обнаружили, что инвертирование выходного сигнала фильтра верхних или нижних частот приводит к более точной общей амплитудной или фазовой характеристике, и мы также рассмотрим эти возможности.
На рис.
2 показаны результаты такого теста с некоторыми достаточно распространенными типами перекрестных сетей. Эти конкретные схемы разработаны для систем с двойным усилением, с низким импедансом источника и высоким импедансом нагрузки. Обратите внимание на использование буферов инвертирования фазы для инвертирования в некоторых случаях. (Конечно, в реальной системе этого можно было бы добиться проще, изменив полярность клемм громкоговорителей.)
Топологии на рис. 3 относятся к мощности, а не к уровням предусилителя, с использованием катушек. Как любят говорить в учебниках, расчет значений предоставляется читателю в качестве упражнения. Примеры 6 дБ/октава и инвертированные 12 и 18 дБ/октава дают весьма плоские суммы, и, что примечательно, мы видим, что случаи 12 и 18 дБ/октава дают идентичные результаты по амплитуде и фазе. Из всех этих фильтров только один, низкочастотный кроссовер 6 дБ/октава, имеет точную амплитудную и фазовую характеристики при повторной сборке выходов.
ПРОСТО, НО ЭФФЕКТИВНО
В приложениях, где драйверы имеют широкую полосу пропускания и могут выдерживать низкую скорость спада, кроссовер 6 дБ/октава может дать отличные результаты, особенно с планарными драйверами, такими как электростатические системы и Magnepans.
Схема на рис. 4 дала мне отличные результаты с Tympani 1D и MG 2A и служит хорошим примером того, насколько хорошо работают простые недорогие подходы. У меня не было возможности попробовать это с их новыми пистолетами-пулеметами, но я ожидаю аналогичных улучшений по сравнению со стандартными системами. Используя как конденсаторы, так и катушки, он обеспечивает плоское входное сопротивление 10 кОм или выше.
Те, кто хочет обойтись без катушек и чей предусилитель может управлять нагрузкой 5 кОм, могут попробовать эквивалентную схему на рис. 5, которая дает те же результаты с потерей усиления на несколько децибел. Схема на рис. 6 (в которой используются активные буферы импеданса для придания схеме очень высокого входного импеданса и очень низкого выходного импеданса) не имеет этих потерь. Возможны различные типы буферов. Подходят буферы на ИС (такие как LM 302 или LM 310), операционные усилители (выход которых подключен к инвертирующему входу) и простые повторители напряжения эмиттер/исток/катод в одном устройстве без отрицательной обратной связи.
Схемы рис. 4-6 все проходят наш тест на прямоугольную волну, и все они имеют крутизну 6 дБ/октаву.
СУММИРОВАНИЕ ДЛЯ ПЛОСКОЙ ХАРАКТЕРИСТИКИ
Еще более интересной является методика, показанная на рис. 7. Активная схема формирует дополнительный фазовый выход из разности между входом и выходом одного фильтра. Это гарантирует, что сумма двух выходных сигналов будет идеально ровной по амплитуде и фазе. Чтобы быть эффективным, фильтр должен демонстрировать единичное усиление в своей полосе пропускания, иначе характеристика спада будет иметь полочный подъем по сравнению с обычным регулятором тембра, но в остальном это может быть фильтр любого типа.
Этот подход позволяет использовать наклоны фильтра более высокого порядка в фазово-когерентном кроссовере, как показано на рис. 8, где мы отмечаем некоторые интересные явления. Точное дополнение максимально плоского фильтра 12 или 18 дБ на октаву имеет пик, который увеличивается с наклоном и добротностью фильтра, и всегда имеет наклон 6 дБ на октаву.
Один из этих незначительных недостатков, пик, можно уменьшить, понизив добротность фильтра, как в примерах на рис. 9, где менее чем максимально плоские характеристики соответствуют характеристикам на рис. 2.
Рисунок 10 показывает нам, что эффект аналогичен, но обратный, если вы используете в этой конфигурации фильтр нижних частот вместо фильтра высоких частот. К сожалению, я не знаю, как сделать так, чтобы дополнительный выходной сигнал имел наклон более 6 дБ/октаву, и вы должны выбрать, будет ли это низкочастотный или высокочастотный проход, основываясь на информации о драйверах. В большинстве случаев вам следует назначать более высокий наклон для твитера, так как он обычно нуждается в большей защите от внеполосных сигналов. В таких фильтрах сопротивления дифференциального усилителя должны быть намного больше, чем выходное сопротивление фильтра. На рис. 11 показано, что происходит, когда они всего в 5 раз больше: кривая спада достигает примерно -20 дБ. входные токи смещения операционного усилителя.
На рис. 12 показано простое решение этой потенциальной проблемы. Буферизация выходного сигнала фильтра дает почти нулевой выходной импеданс и полностью устраняет этот эффект.
ОБЩИЙ ОТКЛИК СИСТЕМЫ
До сих пор мы рассматривали только фазовые и амплитудные характеристики кроссовера и то, насколько легко можно добиться фазовой когерентности в таком устройстве. Однако матушка-природа так просто нас не отпустит. Эти сети управляют элементами громкоговорителей, и хотя мы можем сделать фильтры совершенными, акустическая сумма включает в себя фазовые и амплитудные искажения драйверов. Интересная работа Роберта Буллока о чувствительности обычных кроссоверных сетей к несовершенствам драйверов вдохновила меня на исследование фазово-когерентных фильтров для тех же явлений.
Компьютерная модель для двух разных твитеров и двух разных низкочастотных динамиков, показанная на рис. 13, согласуется с нашим предыдущим анализом поршня с регулируемой массой. В одном случае допускается запас в одну октаву между спадами драйверов и точкой кроссовера (500 Гц для твитера, 2000 Гц для вуфера и 1000 Гц кроссовера), а во втором случае допускается запас в две октавы.
Фактическая акустическая мощность представляет собой сумму характеристик кроссовера и драйвера. Я испробовал различные комбинации в компьютерной модели и обнаружил (рис. 14), что сильные амплитудные и фазовые искажения возникают во всех случаях.
Значит ли это, что фазово-когерентные кроссоверы бесполезны? Не обязательно. Известно, что примеры таких фильтров хорошо работают, особенно с планарными драйверами, которые не моделируются точно как поршни и не демонстрируют серьезных аномалий амплитуды, которых можно было бы ожидать. Однако обратите внимание, что, хотя фильтр может честно рекламироваться как фазово-когерентный, это не гарантирует, что система будет такой же, и я рекомендую тщательно прослушать такой кроссовер с предполагаемым громкоговорителем. Смысл в том, чтобы сделать окончательную фазу акустического отклика линейной. Кроссоверы должны быть спроектированы таким образом, чтобы компенсировать производительность драйверов, если конечный результат должен быть ровным.
В этой области еще многое предстоит сделать.
Моделирование может быть выполнено с использованием некоторых из превосходных программ анализа линейных цепей, имеющихся в продаже для микрокомпьютеров Apple, Hewlett-Packard и других, и я был бы заинтересован в любых результатах, которые могут получить читатели.

Не стоит забывать о конденсаторе, для того, чтобы при тряске и сильных вибрациях детали не отпадали.
Расчет настроек. Пассивный или активный, какой купить?
В то же время,
низкочастотный динамик выше 2 кГц будет достаточно подавлен
слишком.
22)
