Как работает схема подмотки спидометра на микросхеме 555. Какие компоненты нужны для создания подмотчика спидометра. Как правильно подключить устройство к автомобилю. На каких автомобилях можно использовать данную схему.
Принцип работы схемы подмотки спидометра на микросхеме 555
Схема подмотки спидометра на микросхеме 555 основана на генерации импульсов, имитирующих сигналы от датчика скорости автомобиля. Микросхема 555 работает в режиме генератора прямоугольных импульсов, частота которых регулируется подстроечным резистором.
Основные компоненты схемы:
- Микросхема 555 (отечественный аналог КР1006ВИ1)
- Резисторы (в том числе подстроечный на 10 кОм)
- Конденсаторы
- Тумблер для переключения между штатным датчиком и генератором
Частота генерируемых импульсов зависит от номиналов резисторов и конденсаторов. Типичный диапазон частот составляет от 180 Гц до 1,5 кГц, что позволяет имитировать скорости до 200 км/ч и выше на большинстве автомобилей.

Преимущества использования микросхемы 555 для подмотки спидометра
Микросхема 555 имеет ряд преимуществ для создания подмотчика спидометра:
- Широкая доступность и низкая стоимость
- Простота схемы — минимум внешних компонентов
- Стабильность работы в широком диапазоне питающих напряжений
- Возможность легко регулировать частоту с помощью подстроечного резистора
- Совместимость со многими типами автомобильных спидометров
Благодаря этим качествам схема на 555 микросхеме является одним из самых популярных вариантов для самостоятельного изготовления подмотчика.
Пошаговая инструкция по сборке подмотчика на микросхеме 555
Для сборки подмотчика спидометра на микросхеме 555 понадобятся следующие компоненты:
- Микросхема 555 (КР1006ВИ1)
- Резистор 1 кОм
- Резистор 3,3 кОм
- Подстроечный резистор 10 кОм
- Конденсатор 0,1 мкФ
- Конденсатор 200 пФ
- Тумблер
- Макетная плата
- Провода для подключения
Процесс сборки:
- Расположите компоненты на макетной плате согласно схеме
- Припаяйте резисторы и конденсаторы
- Установите микросхему 555 в панельку или припаяйте напрямую
- Подключите тумблер между выходом микросхемы и проводом от датчика скорости
- Подведите питание +12В от замка зажигания
- Проверьте все соединения и изолируйте открытые контакты
После сборки необходимо настроить частоту генератора с помощью подстроечного резистора, контролируя показания спидометра.

Подключение подмотчика к различным моделям автомобилей
Схема подключения подмотчика может отличаться в зависимости от марки и модели автомобиля. Основные варианты подключения:
- К разъему комбинации приборов (например, на Газели — контакт 11 разъема X3)
- К проводу от датчика скорости (часто это 3-контактный разъем)
- К проводу, идущему на электронный блок управления (ЭБУ)
- К сигнальному проводу от датчиков ABS (на некоторых иномарках)
Перед подключением необходимо точно определить нужный провод, отвечающий за сигнал скорости. Это можно сделать с помощью мультиметра или осциллографа.
Особенности использования подмотчика на автомобилях с ABS
На современных автомобилях с ABS сигнал скорости часто берется с датчиков антиблокировочной системы. В этом случае простая схема на 555 микросхеме может не подойти. Особенности работы с такими автомобилями:
- Сигнал от датчиков ABS может быть токовым или синусоидальным
- Может потребоваться более сложная схема с формированием специфического сигнала
- Необходимо подавать сигнал на несколько колес одновременно
- Вмешательство в систему ABS может повлиять на безопасность автомобиля
Для таких автомобилей рекомендуется использовать специализированные устройства или обращаться к профессионалам.

Правовые аспекты использования подмотчиков спидометра
Использование устройств для изменения показаний одометра в большинстве стран является незаконным. Основные правовые моменты:
- Изменение показаний одометра может расцениваться как мошенничество
- При продаже автомобиля сокрытие реального пробега является нарушением закона
- Вмешательство в работу спидометра может привести к проблемам с страховыми компаниями
- В некоторых странах за использование подмотчиков предусмотрены крупные штрафы
Поэтому важно помнить, что данная информация предоставляется исключительно в ознакомительных целях.
Альтернативные методы корректировки показаний спидометра
Существуют легальные способы корректировки показаний спидометра в случае необходимости:
- Перепрограммирование электронного одометра через диагностический разъем
- Замена панели приборов на новую с корректными показаниями
- Использование специальных адаптеров при замене колес на больший размер
- Калибровка спидометра в сервисном центре после изменения размера колес
Эти методы позволяют законно привести показания спидометра в соответствие с реальным пробегом автомобиля в случае технической необходимости.

Моталка спидометра на 555 схема
Корзина
« Накручивание» одометров
«Сколько у государства не воруй, своего все равно не вернешь!»
С развитием систем впрыска на отечественных автомобилях появился устойчивый спрос на устройства, которые «наматывают» электронные одометры. Зачем это надо, спросите Вы? Ответ очевиден: для водителей государственных (служебных) автомобилей это способ списывать бензин. А он, как известно, нынче стал недешев… Раньше, когда существовали только механические одометры, данную задачу решали разными, также механическими способами. Потом появились первые электронные одометры, и «продвинутые электрики» различных автобаз нашли простой и эффективный способ наматывать одометры, протягивая провод с дополнительной клеммы генератора до панели приборов. Но электроника не стояла на месте, и когда, однажды подключив вышеописанным образом волшебный проводок электрик обнаружил что машина не заводится, ничего не оставалось делать, как посылать страждущего водителя искать другие пути решения задачи.
А началось все с обычных Газелей и Соболей с 405 -ми моторами, которых на нашем градообразующем предприятии развелось достаточно. Именно они и стали глохнуть при использовании вышеуказанного метода.
Методика борьбы очень простая и эффективная. К ЭБУ подопытного автомобиля подключается ПАК «Combiloader» и считывается серийная программа управления двигателем. Далее, она открывается в программе СTPro и из комплектации убирается флаг датчика скорости. И с таким небольшим изменением в ЭБУ записывается уже модифицированная программа управления двигателем. В принципе, после этого можно звать «продвинутого электрика с автобазы», который прокинет волшебный проводок с генератора и процесс, как говорится, пойдет…Но это не наш метод.
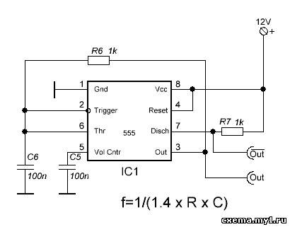
Методом объемного монтажа изготавливается простейший генератор из трех деталей (см. схему ниже).
Тумблер S 1 переключает сигнал идущий на панель либо с нашего генератора, либо со штатного датчика скорости.
Генератор запитываем от плюса замка зажигания. Таким образом, главным преимуществом такого решения является то, что наматывать пробег можно не заводя авто (достаточно включить зажигание), а также прямо на ходу автомобиля «двигаясь со скоростью 200 км/ч» на зависть коллег по автопарку.
Несколько замечаний по схеме. Конечно, привередливый электронщик обязательно порекомендует поставить еще один резистор последовательно с подстроечным, чтобы в крайнем левом положении его движка генерация не срывалась. А также обязательно защитный диод от переполюсовки схемы. Но нам с Вами это не надо, мы аккуратны, внимательны и неторопливы. С указанными на схеме номиналами резистора и конденсатора схема генерирует прямоугольные импульсы амплитудой 12 Вольт в диапазоне частот от ≈ 180 Гц до ≈ 1 , 5 кГц, что до сих пор перекрывало потребности в применении данного устройства на разных авто.
При необходимости оперативно изменить диапазон генерируемых частот требуется замена конденсатора. При его уменьшении частота увеличивается и наоборот.
Другой вариант схемы генератора на микросхеме 555 ( 1006 ВИ 1 ) смотрите здесь.
Сергей ([email protected]) прислал свои варианты печатных плат для «генераторов»: для схемы на 561 ЛЕ 5 и для схемы на таймере 555 ( 1006 ВИ 1 ). Внимание! Эти варианты делались для напряжения питания 24 V (Камаз). Примечание: на плате 561 ЛЕ 5 неверно разведено питание – 7 и 14 ноги закорочены, питание на м.сх не подается, необходимо отрезать контакт 14 контакт и подать на него питание с выхода стабилизатора.
Для проектирования плат применялась программа SLayout. Файлы предложенных вариантов для программы SLayout здесь. Общий вид готового генератора здесь.
Еще одна схема генератора предоставленная для публикации Yvm здесь.
Ниже приведена таблица, в которой описаны авто, с лично нами доработанными одометрами.
| Марка автомобиля | Год | Краткое описание установки | |
| Газель | с 2002 | Разъем Х 3 комбинации приборов: 11 контакт зеленый провод – сигнал ДС. Желтый провод – + зажигания. Черный провод масса. | |
| KIA Magentis Hyindai Sonata | 2004 | Датчик скорости есть, обычный трехпроводный, большой разъем комбинации приборов, вид со стороны контактов, коричневый провод. | |
На комбинации приборов три разъема:
желтый большой; белый большой; белый маленький. В белом большом разъеме стрелкой на рисунке указан провод ДС, вид со стороны контактов, провод серый с коричневой полосой.
Forg Tourneo Connect
(в принципе, применимо к Mondeo, но не проверялось)
Датчик скорости есть, обычный трехпроводный, но его сигнал идет на ЭБУ, а уже с ЭБУ по цифровой шине передается на панель управления. Поэтому рвать пришлось белый с синей полосой проводок на контакт № 3 ЭБУ.
Датчика скорости нет, сигнал на приборку приходит с ABS-ки, представляет из себя 6 ‑ти вольтовый синус. Поэтому наше устройство было запитано от простейшего стабилизатора с выходным напряжением 6 Вольт, типа КР 142 ЕН 5 Б (или любой маломощный импортный аналог) и на выходе у него уже были 6 ‑ти вольтовые прямоугольные импульсы, которые преспокойно «переварила» приборка. На панели разъем А – сверху-справа. 3 контакт – синий провод – входной сигнал скорости 15 контакт – коричневый провод – масса 18 контакт – синий с красной полосой – + зажигания.
Внимание! + 5 V (средний верхний контакт) выходит из прибора! Беречь от замыканий при подаче напряжений.
Мотается до 5 кГц.
Мотается до 1 кГц
10 – желтый: 15 клемма замка зажигания
22 – зеленый: датчик скорости
На панели стоят три разъема – один черный (первый слева от двери водителя) и два белых. На черном разъеме крайний справа провод(желто-белый с серебристыми кольцами) ДС. Устройство для подмотки любое на выходе с открытым коллектором ( например, устройство для проверки цепи ДС, приведенное в статье Олега Браткова). Естественно еще нужен переключатель.
2 – сиреневый
10 – коричневый ( 1 )
11 – зеленый ( 1 )
12 – желтый
13 – коричневый ( 2 )
15 – зеленый ( 2 )
Распиновка слева на право; от центра панели (серого разъема) к краю. Нас интересует 13 й – коричневый ( 2 ), он и отвечает за показания спидометра и счёт одометра.
500 герц, скважностью 50 %, классической схемой генератора на 561 серии, крутит за 200 .
HYUNDAI
Santa Fe
В завершении обозначим примерный алгоритм поиска одного единственного, нужного проводка через который на одометр панели приборов поступает информация о пробеге.
1 . Осмотр коробки передач, приводов, задних мостов с целью обнаружения датчика скорости.
2 . Если датчик скорости (или что-то похожее на него) обнаружен, то необходимо убедиться что это именно он. Снять с него разъем и совершить небольшой тест-драйв. Должен перестать работать спидометр или одометр.
3 . Если обнаруженный датчик скорости трехпроводный, то небходимо промерить напряжения на его разъеме и определить сигнальный провод. Далее этот сигнальный провод вызвонить до панели приборов, чтобы подключать намотчик в салоне. Если датчик двухпроводный, то необходимо определить форму сигнала, которая приходит на панель. Это можно сделать, вывесив ведущие колеса и заставив их крутиться, контролировать осциллографом сигналы, приходящие на панель.
4 . Если в пункте 1 не обнаружен датчик скорости, то очень возможно что сигнал о скорости панель получает с ABS. Тогда методом, описанным в пункте 3 необходимо искать этот сигнал осциллографом, на разъемах панели приборов.
Конечно, если у Вас есть подробные информационные материалы по той модели авто, которую Вы собрались подвергнуть подобному «тюнингу», то задача очень сильно упрощается. Но в любом случае не забывайте, что Вы действуете на свой страх и риск и поэтому три раза перепроверяйте себя, прежде чем необдуманно «чего-нибудь к чему-нибудь примотать». Также хочется отметить, что в данном кратком обзоре освещены общие принципы решения данной задачи, а конкретная реализация на конкретном авто может сильно отличаться в сторону усложнения. Если у Вас информация по подключению к другим типам автомобилей, присылайте, с удовольствием пополним таблицу «применяемости»
Некоторые замечания по созданию намотчиков для
Ford Mondeo & Ford Focus, 2006 годов выпуска, Toyota Camry
Данные автомобили в качестве сигнала скорости используют сигналы с датчиков ABS. На данных моделях эти датчики являются токовыми, это означает при вращении колеса меняется ток в цепи. Изменения составляют примерно 7 / 14 мА, то есть, если подключить осциллограф параллельно к датчику до при вращении колеса мы должны увидеть меандр размахом примерно 0 .
5 Вольта на фоне 12 Вольт. Нижеприведенная схема имитирует полностью работу такого датчика.
Плюсовой провод можно определить, сняв разъем с датчика и померив тестером напряжение на проводке при включенном зажигании. Мы использовали полную ручную перекоммутацию, то есть, чтобы осуществить намотку клиент открывает капот, вынимает заглушки из разъемов, на место заглушек подтыкает намотчик. Включает зажигание, производит необходимую намотку. После окончания вынимает из разъемов намотчик, и подтыкает в разъемы заглушки, которые восстанавливают заводское соединение блока управления ABS с датчиками. Конечно, можно было все это коммутировать на реле, но появлялось много лишних проводов под капотом, а во главу угла была поставлена маскировка. Следует обязательно использовать два колеса, так как с одним скорость не поднимается выше 30 км/ч.
Теперь рассмотрим автомобиль TOYOTA CAMRY, 2006 модельный год. Панель у данного авто называется Оптитрон, и имеет неоновую подсветку. Машина 3 . 5 литра на автомате. Сигнал скорости также берется с датчиков ABS , но представляет собой синус амплитудой около 1 Вольта и частотой прямо пропорциональной скорости вращения. То есть датчик ABS применен индуктивного типа. В данном случае была применена нижеприведенная схема. Транзистор применяется любой типа КТ 3102 . Резистивный делитель уменьшает амплитуду выходного сигнала, а конденсатор емкостью от 0 , 1 мкФ до 0 , 47 мкФ убирает постоянную составляющую сигнала. В результате на выходе был сформирован, конечно, корявенький сигнальчик, но блок управления ABS его прекрасно проглотил и нужный результат был получен. Также следует заметить, что такой сигнал необходимо подавать на два передних колеса. Правда в этом случае сложных коммутаций не потребовалось, и необходимые сигнальные провода были примотаны прямо к штатной проводке.
В заключение хотелось бы напомнить что ABS относится к важным системам, влияющим на безопасность, и если Вы уж решились вмешиваться в нее, то должны отчетливо представлять последствия и в соответствии с этим работы выполнять на должном качественном уровне.
Небольшое дополнение по «камазовским» одометрам. Этот прибор легко можно настроить на «неправильные» показания, воспользовавшись официальной информацией производителя.
Довольно востребованное устройство среди автолюбителей – подмотчик спидометра. Схемы таких устройств можно реализовать на основе микросхем генераторов или логики. Сегодня представлю две простые схемы подмотчиков, который позволяет отмотать пройденные километры вашего железного коня.
Как подмотать спидометр своими руками
Первая схема построена на популярной микросхеме NE555 или просто таймер 555.
Микросхема может работать как генератор прямоугольных импульсов или как таймер, в нашем случае микросхема подключена по схеме генератора импульсов, формула расчета частоты генератора приведена ниже.
Ничего сложного, стандартный вариант подключения. Номиналы используемых компонентов можно отклонить в большую или меньшую сторону на 10-15%.
Сам таймер стоит копейки, имеет множество аналогов, в том числе и отечественный аналог КР1006ВИ1. Переменный резистор на 10 килоом отвечает за частоту импульсов, конденсатор 200 пик – за их длительность.
Вторая схема построена на логической микросхеме (CD4011). Тут в обвязке еще меньше компонентов, помимо самой логики использован еще один компонент – силовой транзистор обратной проводимости. Выбор транзистора не критичен, его можно заменить на отечественные КТ815, КТ805, КТ819, КТ829, или из линейки импортных MJE13003, 13005, 13007, 13009, BD139 (последний является полным аналогом нашего КТ815Г)
Номинал базового ограничительного резистора R12 можно заменить в широких пределах, можно использовать резисторы с сопротивлением 100Ом-1кОм. Вот так осуществляется подмотка спидометра.
Корпус для будущего устройство на ваше усмотрение – в добрый путь!
Корзина
« Накручивание» одометров
«Сколько у государства не воруй, своего все равно не вернешь!»
С развитием систем впрыска на отечественных автомобилях появился устойчивый спрос на устройства, которые «наматывают» электронные одометры.
Зачем это надо, спросите Вы? Ответ очевиден: для водителей государственных (служебных) автомобилей это способ списывать бензин. А он, как известно, нынче стал недешев… Раньше, когда существовали только механические одометры, данную задачу решали разными, также механическими способами. Потом появились первые электронные одометры, и «продвинутые электрики» различных автобаз нашли простой и эффективный способ наматывать одометры, протягивая провод с дополнительной клеммы генератора до панели приборов. Но электроника не стояла на месте, и когда, однажды подключив вышеописанным образом волшебный проводок электрик обнаружил что машина не заводится, ничего не оставалось делать, как посылать страждущего водителя искать другие пути решения задачи.
А началось все с обычных Газелей и Соболей с 405 -ми моторами, которых на нашем градообразующем предприятии развелось достаточно. Именно они и стали глохнуть при использовании вышеуказанного метода.
Методика борьбы очень простая и эффективная. К ЭБУ подопытного автомобиля подключается ПАК «Combiloader» и считывается серийная программа управления двигателем. Далее, она открывается в программе СTPro и из комплектации убирается флаг датчика скорости. И с таким небольшим изменением в ЭБУ записывается уже модифицированная программа управления двигателем. В принципе, после этого можно звать «продвинутого электрика с автобазы», который прокинет волшебный проводок с генератора и процесс, как говорится, пойдет…Но это не наш метод.
Методом объемного монтажа изготавливается простейший генератор из трех деталей (см. схему ниже).
Тумблер S 1 переключает сигнал идущий на панель либо с нашего генератора, либо со штатного датчика скорости. Генератор запитываем от плюса замка зажигания. Таким образом, главным преимуществом такого решения является то, что наматывать пробег можно не заводя авто (достаточно включить зажигание), а также прямо на ходу автомобиля «двигаясь со скоростью 200 км/ч» на зависть коллег по автопарку.
Несколько замечаний по схеме. Конечно, привередливый электронщик обязательно порекомендует поставить еще один резистор последовательно с подстроечным, чтобы в крайнем левом положении его движка генерация не срывалась. А также обязательно защитный диод от переполюсовки схемы. Но нам с Вами это не надо, мы аккуратны, внимательны и неторопливы. С указанными на схеме номиналами резистора и конденсатора схема генерирует прямоугольные импульсы амплитудой 12 Вольт в диапазоне частот от ≈ 180 Гц до ≈ 1 , 5 кГц, что до сих пор перекрывало потребности в применении данного устройства на разных авто.
При необходимости оперативно изменить диапазон генерируемых частот требуется замена конденсатора. При его уменьшении частота увеличивается и наоборот.
Другой вариант схемы генератора на микросхеме 555 ( 1006 ВИ 1 ) смотрите здесь.
Сергей ([email protected]) прислал свои варианты печатных плат для «генераторов»: для схемы на 561 ЛЕ 5 и для схемы на таймере 555 ( 1006 ВИ 1 ). Внимание! Эти варианты делались для напряжения питания 24 V (Камаз). Примечание: на плате 561 ЛЕ 5 неверно разведено питание – 7 и 14 ноги закорочены, питание на м.сх не подается, необходимо отрезать контакт 14 контакт и подать на него питание с выхода стабилизатора.
Для проектирования плат применялась программа SLayout. Файлы предложенных вариантов для программы SLayout здесь. Общий вид готового генератора здесь.
Еще одна схема генератора предоставленная для публикации Yvm здесь.
Ниже приведена таблица, в которой описаны авто, с лично нами доработанными одометрами.
11 контакт зеленый провод – сигнал ДС.
Желтый провод – + зажигания.
Черный провод масса.
Hyindai Sonata
На комбинации приборов три разъема:
желтый большой; белый большой; белый маленький. В белом большом разъеме стрелкой на рисунке указан провод ДС, вид со стороны контактов, провод серый с коричневой полосой.
Forg Tourneo Connect
(в принципе, применимо к Mondeo, но не проверялось)
Датчик скорости есть, обычный трехпроводный, но его сигнал идет на ЭБУ, а уже с ЭБУ по цифровой шине передается на панель управления. Поэтому рвать пришлось белый с синей полосой проводок на контакт № 3 ЭБУ.
Датчика скорости нет, сигнал на приборку приходит с ABS-ки, представляет из себя 6 ‑ти вольтовый синус. Поэтому наше устройство было запитано от простейшего стабилизатора с выходным напряжением 6 Вольт, типа КР 142 ЕН 5 Б (или любой маломощный импортный аналог) и на выходе у него уже были 6 ‑ти вольтовые прямоугольные импульсы, которые преспокойно «переварила» приборка. На панели разъем А – сверху-справа. 3 контакт – синий провод – входной сигнал скорости 15 контакт – коричневый провод – масса 18 контакт – синий с красной полосой – + зажигания.
Внимание! + 5 V (средний верхний контакт) выходит из прибора! Беречь от замыканий при подаче напряжений.
Мотается до 5 кГц.
Мотается до 1 кГц
10 – желтый: 15 клемма замка зажигания
22 – зеленый: датчик скорости
На панели стоят три разъема – один черный (первый слева от двери водителя) и два белых. На черном разъеме крайний справа провод(желто-белый с серебристыми кольцами) ДС. Устройство для подмотки любое на выходе с открытым коллектором ( например, устройство для проверки цепи ДС, приведенное в статье Олега Браткова). Естественно еще нужен переключатель.
2 – сиреневый
10 – коричневый ( 1 )
11 – зеленый ( 1 )
12 – желтый
13 – коричневый ( 2 )
15 – зеленый ( 2 )
Распиновка слева на право; от центра панели (серого разъема) к краю. Нас интересует 13 й – коричневый ( 2 ), он и отвечает за показания спидометра и счёт одометра.
500 герц, скважностью 50 %, классической схемой генератора на 561 серии, крутит за 200 .
HYUNDAI
Santa Fe
В завершении обозначим примерный алгоритм поиска одного единственного, нужного проводка через который на одометр панели приборов поступает информация о пробеге.
1 . Осмотр коробки передач, приводов, задних мостов с целью обнаружения датчика скорости.
2 . Если датчик скорости (или что-то похожее на него) обнаружен, то необходимо убедиться что это именно он. Снять с него разъем и совершить небольшой тест-драйв. Должен перестать работать спидометр или одометр.
3 . Если обнаруженный датчик скорости трехпроводный, то небходимо промерить напряжения на его разъеме и определить сигнальный провод. Далее этот сигнальный провод вызвонить до панели приборов, чтобы подключать намотчик в салоне. Если датчик двухпроводный, то необходимо определить форму сигнала, которая приходит на панель. Это можно сделать, вывесив ведущие колеса и заставив их крутиться, контролировать осциллографом сигналы, приходящие на панель.
4 . Если в пункте 1 не обнаружен датчик скорости, то очень возможно что сигнал о скорости панель получает с ABS. Тогда методом, описанным в пункте 3 необходимо искать этот сигнал осциллографом, на разъемах панели приборов.
Конечно, если у Вас есть подробные информационные материалы по той модели авто, которую Вы собрались подвергнуть подобному «тюнингу», то задача очень сильно упрощается. Но в любом случае не забывайте, что Вы действуете на свой страх и риск и поэтому три раза перепроверяйте себя, прежде чем необдуманно «чего-нибудь к чему-нибудь примотать». Также хочется отметить, что в данном кратком обзоре освещены общие принципы решения данной задачи, а конкретная реализация на конкретном авто может сильно отличаться в сторону усложнения. Если у Вас информация по подключению к другим типам автомобилей, присылайте, с удовольствием пополним таблицу «применяемости»
Некоторые замечания по созданию намотчиков для
Ford Mondeo & Ford Focus, 2006 годов выпуска, Toyota Camry
Данные автомобили в качестве сигнала скорости используют сигналы с датчиков ABS. На данных моделях эти датчики являются токовыми, это означает при вращении колеса меняется ток в цепи. Изменения составляют примерно 7 / 14 мА, то есть, если подключить осциллограф параллельно к датчику до при вращении колеса мы должны увидеть меандр размахом примерно 0 .
5 Вольта на фоне 12 Вольт. Нижеприведенная схема имитирует полностью работу такого датчика.
Плюсовой провод можно определить, сняв разъем с датчика и померив тестером напряжение на проводке при включенном зажигании. Мы использовали полную ручную перекоммутацию, то есть, чтобы осуществить намотку клиент открывает капот, вынимает заглушки из разъемов, на место заглушек подтыкает намотчик. Включает зажигание, производит необходимую намотку. После окончания вынимает из разъемов намотчик, и подтыкает в разъемы заглушки, которые восстанавливают заводское соединение блока управления ABS с датчиками. Конечно, можно было все это коммутировать на реле, но появлялось много лишних проводов под капотом, а во главу угла была поставлена маскировка. Следует обязательно использовать два колеса, так как с одним скорость не поднимается выше 30 км/ч.
Теперь рассмотрим автомобиль TOYOTA CAMRY, 2006 модельный год. Панель у данного авто называется Оптитрон, и имеет неоновую подсветку. Машина 3 . 5 литра на автомате. Сигнал скорости также берется с датчиков ABS , но представляет собой синус амплитудой около 1 Вольта и частотой прямо пропорциональной скорости вращения. То есть датчик ABS применен индуктивного типа. В данном случае была применена нижеприведенная схема. Транзистор применяется любой типа КТ 3102 . Резистивный делитель уменьшает амплитуду выходного сигнала, а конденсатор емкостью от 0 , 1 мкФ до 0 , 47 мкФ убирает постоянную составляющую сигнала. В результате на выходе был сформирован, конечно, корявенький сигнальчик, но блок управления ABS его прекрасно проглотил и нужный результат был получен. Также следует заметить, что такой сигнал необходимо подавать на два передних колеса. Правда в этом случае сложных коммутаций не потребовалось, и необходимые сигнальные провода были примотаны прямо к штатной проводке.
В заключение хотелось бы напомнить что ABS относится к важным системам, влияющим на безопасность, и если Вы уж решились вмешиваться в нее, то должны отчетливо представлять последствия и в соответствии с этим работы выполнять на должном качественном уровне.
Небольшое дополнение по «камазовским» одометрам. Этот прибор легко можно настроить на «неправильные» показания, воспользовавшись официальной информацией производителя.
В последнее время среди автолюбителей распространена смотка километража спидометра или так сказать подмотка спидометра своими руками. Эта процедура осуществляется при помощи такого устройства, как подмотчик. Чтобы сделать это несложное устройство следует использовать микросхемы на основе генераторов импульсов или на логических алгоритмах.
В данной статье приведем две простейшие схемы подмотчика, которой позволит уменьшить количество километров на спидометре до необходимого числа.
Как выполнить подмотку спидометра самостоятельно?
Первая и самая простая схема основана на использовании популярной микросхеме NE555. Эта микросхема может маркироваться и просто как таймер 555.
Приведенная на рисунке схема может работать в двух режимах, а именно как счетчик импульсов или в режиме таймера. В нашем случае схема изготовлена для подсчета импульсов. Частота требующегося генератора вычисляется по формуле:
Фактически в этой схеме нет ничего сложного. Отдельные элементы схемы можно брать со значениями, отклонения которых составляют 10-15 % от расчетных значений.
Необходимый таймер стоит очень мало и имеет на рынке радиоэлектроники множество аналогов, например, КР 1006ВИ1. Частота подаваемых импульсов лимитируется резистором (10 кОм), а длительность этих импульсов зависит от конденсатора (200 пик).
Вторая схема подмотчика является еще более простой, так как в нее входит меньше компонентов, и она собирается на базе микросхемы СD4011. Однако схема включает в себя транзистор с обратной проводимостью. Выбор этого силового элемента схемы не является критичным, так как он может быть выбран из большинства транзисторов КТ (805, 815, 819, 829) или же из зарубежной серии MJE (13003, 13005, 13007, 13009).
Резистор второй схемы подмотчика может иметь сопротивление, колеблющееся в широких пределах от 100 Ом до 1000 Ом. Вот таким нехитрым способом изготавливается подмотчик.
Подмотка спидометра схема – Поделки для авто
В последнее время среди автолюбителей распространена смотка километража спидометра или так сказать подмотка спидометра своими руками. Эта процедура осуществляется при помощи такого устройства, как подмотчик. Чтобы сделать это несложное устройство следует использовать микросхемы на основе генераторов импульсов или на логических алгоритмах.
В данной статье приведем две простейшие схемы подмотчика, которой позволит уменьшить количество километров на спидометре до необходимого числа.
Как выполнить подмотку спидометра самостоятельно?
Первая и самая простая схема основана на использовании популярной микросхеме NE555. Эта микросхема может маркироваться и просто как таймер 555.
Приведенная на рисунке схема может работать в двух режимах, а именно как счетчик импульсов или в режиме таймера. В нашем случае схема изготовлена для подсчета импульсов. Частота требующегося генератора вычисляется по формуле:
Фактически в этой схеме нет ничего сложного. Отдельные элементы схемы можно брать со значениями, отклонения которых составляют 10-15 % от расчетных значений.
Необходимый таймер стоит очень мало и имеет на рынке радиоэлектроники множество аналогов, например, КР 1006ВИ1. Частота подаваемых импульсов лимитируется резистором (10 кОм), а длительность этих импульсов зависит от конденсатора (200 пик).
Вторая схема подмотчика является еще более простой, так как в нее входит меньше компонентов, и она собирается на базе микросхемы СD4011. Однако схема включает в себя транзистор с обратной проводимостью. Выбор этого силового элемента схемы не является критичным, так как он может быть выбран из большинства транзисторов КТ (805, 815, 819, 829) или же из зарубежной серии MJE (13003, 13005, 13007, 13009).
Резистор второй схемы подмотчика может иметь сопротивление, колеблющееся в широких пределах от 100 Ом до 1000 Ом. Вот таким нехитрым способом изготавливается подмотчик.
Подмотка спидометра своими руками. Схема.
Многие автолюбители собирают крутилку спидометра своими руками, как это сделать мы расскажем в этой статье.
Хочется сразу отметить, что спидометры бывают двух видов: механические и электронные.
Для намотки механического спидометра используется обычная дрель.
Механические спидометры уже не используются, поэтому речь пойдет исключительно об электронных спидометрах.
Схема намотки электронного спидометра.
Электронный спидометр, в свою очередь, разделяется по принципу работы на два типа.
Первый работает от импульсов, второй от цифрового сигнала.
Для того чтобы собрать своими руками импульсную крутилку электронного спидометра(первый тип), вам потребуется специальная тестовая плата со схемой, которая изображена на картинке.
Эту схему необходимо собрать на данной плате, используя указанные ниже комплектующие и микросхему:
- NE555 — 1 шт. (таймер)
- SS24 — 1 шт. (защитный диод)
- резисторы SMD — 2 шт
- Переменный резистор — 1 шт.
- Керамический конденсатор — 2 шт.
- Электролитические конденсаторы — 2 шт.
Все можно купить в магазине электроники, который есть в каждом более менее крупном городе.
Обратите внимание!
Предлагаемая схема разработана на автомобили использующие в своей сети 12 вольт, для использования данной схемы на автомобилях, использующих в своей сети 24 вольта, необходимо использовать дополнительные комплектующие.
Мы не гарантируем, что данная схема работает и у вас получится собрать готовое изделие.
Обратите внимание, что не правильно подобранные комплектующие могут привести к поломке электрооборудования автомобиля!
На нашем сайте вы можете заказать готовое изделие, прибор высылается с инструкцией по подключению!
Схема крутилки электронного спидометра по цифровой шине.
Для того чтобы сделать подмотку спидометра по цифровой шине, одной только схемы не достаточно и тестовой платы не достаточно.
Дополнительно потребуются данные, которые будут посылаться в автомобиль, который в свою очередь будет думать, что едет.
Чтобы получить эти данные вам будет необходимо подключиться к автомобилю специальным оборудованием, которое может нанести вред автомобилю.
Поэтому данный вид крутилки не подходит для самостоятельного изготовления.
Мы рекомендуем приобрести наш прибор, который имееет 200 програм для разных автомобилей, а также может работать в импульсном режиме.
Универсальность прибора вместе с импульсным режимом делают его самым совершенным на сегодняшний день!
Бесплатная доставка и наложенный платеж по России!
Подмотка спидометра схема с абс
Показания спидометра зачастую являются одним из критериев, по которым оценивают качество и сроки проведения ТО автомобиля. Точнее говоря, это относится к одометру, являющемуся составной частью прибора, измеряющего пройденное расстояние. Чтобы не нарушать общепринятое наименование устройства, он и дальше будет называться именно так. Зачастую по ряду причин, порой и субъективных, приходится осуществлять подмотку спидометра, изменяя пройденный автомобилем путь.
О типах спидометров
Прежде чем выяснять, каким образом можно своими руками изменить показания подобного прибора, необходимо рассмотреть возможные его варианты. Существуют несколько принципиально отличающихся типов спидометров:
- механический;
- электромеханический;
- электронный.

Механический спидометр
Обороты КПП тросиком передаются непосредственно на прибор. Там измеряется число оборотов и пересчитывается в пройденный путь. Для этого используется редуктор с заранее подобранным коэффициентом преобразования. Как такое осуществляется, поможет понять фото.
Фактически получается, что один оборот на выходе редуктора соответствует определенному числу метров пройденного пути. Это вращение выходного вала воспринимается специальными дисками (устройство индикации) с нанесенными цифрами, отображающими измеренное расстояние.
Электромеханический спидометр
Этот тип приборов является дальнейшим развитием описанного ранее устройства. Во многих случаях тросик служил источником повышенной ошибки и был заменен. В устройство ввели установленный на КПП датчик скорости. Импульсы с него поступали на моторчик с соответствующим управлением, вращающий редуктор. В остальном работа такого спидометра ничем не отличалась от механического, напоминая его и по внешнему виду.
Электронный спидометр
Подобный тип устанавливается на современных автомобилях. В данном случае измеряется число оборотов колеса. Зная длину его окружности, нетрудно перевести число оборотов в пройденный путь. Отображение полученного результата осуществляется на ЖКИ.
Зачем изменяют показания спидометра?
Как уже отмечалось, водителям порой приходится изменять показания спидометра. При этом пробег делается как меньше, так и больше. И если в первом случае все понятно – уменьшение пройденного расстояния при продаже автомобиля увеличивает его цену, то по поводу второго необходимо сделать несколько пояснений.
Подмотка спидометра возможна по нескольким причинам, например:
- Для повышения затрат на ГСМ. Больший пробег позволяет списывать больше топлива. И это не обязательно связано с махинациями и приписками. Дело в том, что у старого, изношенного автомобиля, потребление топлива порой превышает установленные нормы.
Вот и приходится таким образом компенсировать повышенные расходы. - При замене двигателя или панели приборов. В этом случае необходимо привести показания спидометра в соответствие с новыми условиями.
- При использовании дисков, отличающихся от рекомендованных изготовителем. У них диаметр может быть как больше, так и меньше определенного для стандартного колеса, соответственно при расчетах пройденного пути будет возникать постоянная ошибка. Вот подмотка спидометра и позволяет ее устранить, в том числе и выполненная своими руками.
Как производится подмотка спидометра?
Как подмотать механический спидометр?
Подобные приборы стоят на старых авто, например семейства ВАЗ или УАЗ ранних годов выпуска. В этом случае можно действовать несколькими способами. Самое простое – отсоединить от датчика скорости тросик, подключить к нему дрель, и переведя ее в режим реверса, изменить показания. Другой подход заключается в том, что надо разобрать панель приборов, извлечь счетчик, и используя нужные инструменты, изменить его показания.
Такую работу можно выполнить своими руками. Однако доступно это только на машинах старых годов выпуска (до 2005), причем не имеет особого значения ее марка – ВАЗ, КАМАЗ, УАЗ, МАЗ или Газель. Определяющим будет именно тип спидометра.
Как корректировать электромеханический спидометр
Несмотря на то, что подобные типы приборов остались только на старых машинах, работать с ними гораздо сложнее, чем с чисто механическими. Здесь, как и в других, рассматриваемых ниже ситуациях, необходимо разделять две задачи:
- подмотка спидометра ̶ увеличение его показаний;
- скрутка спидометра ̶ уменьшение показаний прибора.
В принципе, обе они могут быть выполнены своими руками, только подход в каждом из рассматриваемых случаев должен быть свой. Уменьшение показаний возможно только при разборке панели, извлечении счетчика и перестановке вручную его значений. А вот задача – как подмотать спидометр подобного типа, решается при использовании генератора.
Он формирует импульсы, поступающие на вход управления, и согласно их количеству меняются показания прибора. Как и в предыдущем случае, это также не зависит от марки автомобиля – ВАЗ, КАМАЗ, УАЗ, МАЗ или Газель.
Как подмотать электронный спидометр
» alt=»»>
Подобные устройства устанавливаются на современных машинах и зачастую являются неотъемлемой частью других электронных систем на борту. Конкретные способы корректировки показаний спидометров определяются в первую очередь сроком изготовления автомобиля. Дело в том, что электронный спидометр может быть реализован по-разному и взаимодействовать с несколькими самостоятельными устройствами.
Поэтому для изменения его показаний может потребоваться не только подача дополнительных импульсов от датчиков скорости, но и перепрограммирование некоторых блоков. И кроме того, опять же в зависимости от особенностей автомобиля, для разных моделей УАЗ, ВАЗ, Газель и т.д., а также года выпуска, будет определяться способ доступа к спидометру.
Поэтому выполнить своими руками такую работу достаточно затруднительно, хотя никто не говорит, что такое невозможно. Вот только для этого потребуется применение специальных электронных устройств.
Какими приборами выполняется подмотка электронных спидометров?
Учитывая имеющееся многообразие машин и способов обработки данных со спидометра, создано несколько различных вариантов, позволяющих корректировать показания пройденного пути. Схема такого устройства может быть выполнена как на дискретных элементах, так и на микропроцессорных системах, но все готовые изделия делятся на следующие типы:
CAN крутилка
Этот прибор предназначен для использования на современных машинах. Здесь надо знать, что CAN – специальная шина, по которой происходит обмен данных между блоками электроники автомобиля. И его схема подразумевает наличие диагностического разъема, через который, зная протокол обмена, можно получить доступ к отдельным устройствам.
Соответственно, благодаря этому можно корректировать содержание нужных ячеек памяти, добиваясь желаемого результата. Обнаружить диагностическим оборудованием, что происходило изменение ячеек памяти, невозможно.
Купить качественную крутилку можно на сайте https://can-podmotka.ru
Импульсная крутилка к OBDII
Это устройство предназначено для использования с иномарками, не имеющими шины CAN. Данный прибор подключается через специальный диагностический разъем OBDII. В данном случае на спидометр поступает последовательность импульсов, имитирующих сигналы с датчика скорости, вследствие чего показания пройденного пути меняются.
Генератор скорости
Данная схема осуществляет имитацию датчика скорости. Вместо него включается генератор и выдает последовательность импульсов, поступающих на спидометр и вызывающих изменение его показаний. Подходит в большей степени для электромеханических приборов и отечественных автомобилей – ВАЗ, УАЗ и прочих, выпущенных до 2006 года.
Крутилка спидометра ABS
Подходит для машин, оснащенных ABS. Ее работа основана на контроле скорости движения и вращения колеса. Крутилка, подключенная к соответствующему разъему, имитирует работу колес, и контроллер, получая эту информацию, начинает изменять показания спидометра.
Устройство для подмотки можно сделать самостоятельно или купить уже готовое, но самое главное определить, можно ли его использовать на данной машине. В случае неправильного применения можно просто сжечь электронику.
Как это ни покажется странным, но порой более актуальной становится не скрутка спидометра, а наоборот, его подмотка. Существует целый ряд причин, как объективных, так и субъективных, заставляющих делать подобное. Создан не один прибор, позволяющий решать поставленную задачу, причем можно выбрать устройство, учитывающее дату выпуска конкретного автомобиля и позволяющее проводить данную процедуру без последствий.
» alt=»»>
В последнее время среди автолюбителей распространена смотка километража спидометра или так сказать подмотка спидометра своими руками.
Эта процедура осуществляется при помощи такого устройства, как подмотчик. Чтобы сделать это несложное устройство следует использовать микросхемы на основе генераторов импульсов или на логических алгоритмах.
В данной статье приведем две простейшие схемы подмотчика, которой позволит уменьшить количество километров на спидометре до необходимого числа.
Как выполнить подмотку спидометра самостоятельно?
Первая и самая простая схема основана на использовании популярной микросхеме NE555. Эта микросхема может маркироваться и просто как таймер 555.
Приведенная на рисунке схема может работать в двух режимах, а именно как счетчик импульсов или в режиме таймера. В нашем случае схема изготовлена для подсчета импульсов. Частота требующегося генератора вычисляется по формуле:
Фактически в этой схеме нет ничего сложного. Отдельные элементы схемы можно брать со значениями, отклонения которых составляют 10-15 % от расчетных значений.
Необходимый таймер стоит очень мало и имеет на рынке радиоэлектроники множество аналогов, например, КР 1006ВИ1. Частота подаваемых импульсов лимитируется резистором (10 кОм), а длительность этих импульсов зависит от конденсатора (200 пик).
Вторая схема подмотчика является еще более простой, так как в нее входит меньше компонентов, и она собирается на базе микросхемы СD4011. Однако схема включает в себя транзистор с обратной проводимостью. Выбор этого силового элемента схемы не является критичным, так как он может быть выбран из большинства транзисторов КТ (805, 815, 819, 829) или же из зарубежной серии MJE (13003, 13005, 13007, 13009).
Резистор второй схемы подмотчика может иметь сопротивление, колеблющееся в широких пределах от 100 Ом до 1000 Ом. Вот таким нехитрым способом изготавливается подмотчик.
Системы прямого впрыска топлива на отечественных автомобилях позволили эффективно использовать горючее, увеличив при этом мощность двигателя. В последнее время на автомобильном рынке появился большой спрос на устройства, которые наматывают электронные одометры.
Кому это выгодно, накручивать в своей машине километраж? Ответ на этот вопрос очевиден. Водители государственных, служебных (корпоративных) автомобилей, таким образом, получают возможность списывать бензин. А он сегодня на вес золота.
Раньше на старые модели авто устанавливали механические одометры, и накрутить километры можно было произвести только механическим способом. Со временем изобрели электронный одометр, и умелые специалисты радиоэлектроники из различных автобаз, придумали простой и эффективный способ намотать одометр. Для этого процесса нужно подсоединить провод с дополнительной клеммы генератора до приборной панели, где размещен сам одометр. Но инженеры радиоэлектроники разработали новые одометры, которые очень трудно взломать. И когда однажды в гараже подсоединили одометр способом, о котором говорилось выше, радиотехник обнаружил, что машина не заводится. Страждущего водителя, который лишился дополнительного заработка, отправили искать другие пути решения этого вопроса.
История началась еще с Газелей и Соболей с установленными 405 двигателями, которые потребляли много горючего. Именно эти моторы и стали глохнуть, когда народные умельцы пытались накрутить одометр. Методика эффективного взлома устройства очень простая. К ЭБУ (электронному блоку управления) автомобиля нужно подключить ПАК «Комбилоадер», с которого считывается специальная серийная программа управления двигателем. Затем открываем программу СTPro и в меню из перечисленной комплектации убираем галочку напротив датчика скорости. По этому алгоритму записывается в ЭБУ с небольшими изменениями уже модифицированная программа управления двигателем.
После таких проведенных действий, можно вызывать хорошего знакомого автоэлектрика, который подсоединит провод с генератора на одометр панели приборов, и процесс пойдет быстрее, вы сами сможете намотать необходимое количество километров. Но этот метод уже ушел в прошлое. Сегодня мир насыщен продвинутыми гаджетами и всевозможной электроникой.
С помощью метода объемного монтажа изготавливают простейший генератор, который состоит из трех радиоэлементов (см. электрическую схему).
Тумблер S1 нужен для переключения электрического сигнала идущего на панель приборов, либо с нашего генератора, либо со штатного датчика скорости движения. Наш генератор получает напряжение от «плюса» замка зажигания. Это позволяет наматывать пробег, не заводя автомобиль (достаточно будет лишь включить зажигание). Также можно включать схему в работу прямо при движении автомобиля.
Автомобильный электрик обязательно порекомендует вам припаять в схему еще один резистор последовательно с подстроечным. Это нужно для того, чтобы при направлении регулирования в крайнее левое положение его движка, не происходил процесс срыва генерации.
Также в схеме должен присутствовать защитный диод, чтобы защитить электрическую цепь от переполюсовки. Указанные на схеме номиналы резистора и конденсатора вполне подходят для генерации прямоугольных импульсов амплитудой 12В, в диапазоне низких и высоких частот (от 180 Гц, до 1,5 кГц). Эти характеристики с лихвой перекрывают потребности данного устройства на разных автомобилях.
Для оперативного изменения диапазона частот требуется замена конденсатора. При уменьшении емкости конденсатора частота увеличивается и наоборот.
Следующая схема, с тем же принципом работы генератора построена на микросхеме 555 (1006ВИ1).
Следует помнить, что все варианту схем, приведенные в этой статье разрабатывались для напряжения 24В, в грузовике КАМАЗ.
На рисунке изображена схема генератора на 176(561)ЛА7 или HEF4011.
В таблице описаны авто с доработанными одометрами.
| Марка автомобиля | Год | Краткое описание установки | |
| Газель | с 2002 | Разъем Х3 комбинации приборов: 11 контакт зеленый провод – сигнал ДС. Желтый провод – + зажигания. Черный провод масса. | |
| KIA Magentis Hyindai Sonata | 2004 | Датчик скорости есть, обычный трехпроводный, большой разъем комбинации приборов, вид со стороны контактов, коричневый провод. | На комбинации приборов три разъема: Forg Tourneo Connect Датчик скорости есть, обычный трехпроводный, но его сигнал идет на ЭБУ, а уже с ЭБУ по цифровой шине передается на панель управления. Поэтому рвать пришлось белый с синей полосой проводок на контакт №3 ЭБУ. |
| VOLVO S70 | 1997 | ||
| Toyota Camry | 2003 | Большой разъем комбинации приборов, 35 контакт – провод с ABS и информацией о скорости. Если присмотреться прямо на проводах есть нумерация.(Огромное спасибо Coldun-ам за помощь) | |
| КАМАЗ Внимание! +5V (средний верхний контакт) выходит из прибора! Беречь от замыканий при подаче напряжений. Мотается до 5 кГц. | |||
| УАЗ Патриот | |||
| УАЗ Хантер Мотается до 1 кГц | |||
| Рено «Логан» | 7 – черный, масса 10 – желтый: 15 клемма замка зажигания 22 – зеленый: датчик скорости | ||
| Мицубиси – Панджеро дизель | 2005 | ||
| Renault | Сзади приборной панели два разъема – серый (два ряда) и красный (однорядный), обращаем внимание на красный: 15 контактов, задействовано 6: 2 – сиреневый Распиновка слева на право; от центра панели (серого разъема) к краю. Нас интересует 13й – коричневый (2), он и отвечает за показания спидометра и счёт одометра. 500 герц, скважностью 50%, классической схемой генератора на 561серии, крутит за 200. | ||
| Mazda Tribute (aka Ford Maverick, Escape), американец. | Подключался непосредственно к ДС. ДС двухпроводной, стоит на АКПП ближе к моторному щиту. Генератор обыкновенный на 561ле5, только в разрыв выхода сигнала скорости нужно ставить конденсатор (0.1 мкФ, керамика), видимо там сигнал синусоида требуется. Спокойно мотает со скорость 250 км/ч, дальше идет срыв. Чек не загорается. | ||
Подмотка спидометра на к561ла7
АРХИВ: Скачать
АРХИВ от brys99: Скачать
«Сколько у государства не воруй, своего все равно не вернешь!»
С развитием систем впрыска на отечественных автомобилях появился устойчивый спрос на устройства, которые «наматывают» электронные одометры. Зачем это надо, спросите Вы? Ответ очевиден: для водителей государственных (служебных) автомобилей это способ списывать бензин. А он, как известно, нынче стал недешев… Раньше, когда существовали только механические одометры, данную задачу решали разными, также механическими способами. Потом появились первые электронные одометры, и «продвинутые электрики» различных автобаз нашли простой и эффективный способ наматывать одометры, протягивая провод с дополнительной клеммы генератора до панели приборов. Но электроника не стояла на месте, и когда, однажды подключив вышеописанным образом волшебный проводок электрик обнаружил что машина не заводится, ничего не оставалось делать, как посылать страждущего водителя искать другие пути решения задачи.
Как накрутить одометр
А началось все с обычных Газелей и Соболей с 405-ми моторами, которых на нашем градообразующем предприятии развелось достаточно. Именно они и стали глохнуть при использовании вышеуказанного метода.
Методика борьбы очень простая и эффективная. К ЭБУ подопытного автомобиля подключается ПАК «Комбилоадер» и считывается серийная программа управления двигателем. Далее, она открывается в программе СTPro и из комплектации убирается флаг датчика скорости. И с таким небольшим изменением в ЭБУ записывается уже модифицированная программа управления двигателем. В принципе, после этого можно звать «продвинутого электрика с автобазы», который прокинет волшебный проводок с генератора и процесс, как говорится, пойдет…Но это не наш метод.
Методом объемного монтажа изготавливается простейший генератор из трех деталей (см. схему ниже).
Тумблер S1 переключает сигнал идущий на панель либо с нашего генератора, либо со штатного датчика скорости. Генератор запитываем от плюса замка зажигания. Таким образом, главным преимуществом такого решения является то, что наматывать пробег можно не заводя авто (достаточно включить зажигание), а также прямо на ходу автомобиля «двигаясь со скоростью 200 км/ч» на зависть коллег по автопарку.
Несколько замечаний по схеме. Конечно, привередливый электронщик обязательно порекомендует поставить еще один резистор последовательно с подстроечным, чтобы в крайнем левом положении его движка генерация не срывалась. А также обязательно защитный диод от переполюсовки схемы. Но нам с Вами это не надо, мы аккуратны, внимательны и неторопливы. С указанными на схеме номиналами резистора и конденсатора схема генерирует прямоугольные импульсы амплитудой 12 Вольт в диапазоне частот от ? 180 Гц до ? 1,5 кГц, что до сих пор перекрывало потребности в применении данного устройства на разных авто.
При необходимости оперативно изменить диапазон генерируемых частот требуется замена конденсатора. При его уменьшении частота увеличивается и наоборот.
Вот еще одна схема на 176(561)ЛА7 или HEF4011
В последнее время среди автолюбителей распространена смотка километража спидометра или так сказать подмотка спидометра своими руками. Эта процедура осуществляется при помощи такого устройства, как подмотчик. Чтобы сделать это несложное устройство следует использовать микросхемы на основе генераторов импульсов или на логических алгоритмах.
В данной статье приведем две простейшие схемы подмотчика, которой позволит уменьшить количество километров на спидометре до необходимого числа.
Как выполнить подмотку спидометра самостоятельно?
Первая и самая простая схема основана на использовании популярной микросхеме NE555. Эта микросхема может маркироваться и просто как таймер 555.
Приведенная на рисунке схема может работать в двух режимах, а именно как счетчик импульсов или в режиме таймера. В нашем случае схема изготовлена для подсчета импульсов. Частота требующегося генератора вычисляется по формуле:
Фактически в этой схеме нет ничего сложного. Отдельные элементы схемы можно брать со значениями, отклонения которых составляют 10-15 % от расчетных значений.
Необходимый таймер стоит очень мало и имеет на рынке радиоэлектроники множество аналогов, например, КР 1006ВИ1. Частота подаваемых импульсов лимитируется резистором (10 кОм), а длительность этих импульсов зависит от конденсатора (200 пик).
Вторая схема подмотчика является еще более простой, так как в нее входит меньше компонентов, и она собирается на базе микросхемы СD4011. Однако схема включает в себя транзистор с обратной проводимостью. Выбор этого силового элемента схемы не является критичным, так как он может быть выбран из большинства транзисторов КТ (805, 815, 819, 829) или же из зарубежной серии MJE (13003, 13005, 13007, 13009).
Резистор второй схемы подмотчика может иметь сопротивление, колеблющееся в широких пределах от 100 Ом до 1000 Ом. Вот таким нехитрым способом изготавливается подмотчик.
Ne555 намотка спидометра схема — ieteedien.aeolisresearch.com
Ne555 намотка спидометра схема — ieteedien.aeolisresearch.comNe555 намотка спидометра схема
Подмотчик спидометра на ne555. Схема что то перемудрена, мой товарищ собирает подобные и продает, а там схема 555, пара резюков+1 подстроечный+1 кондер и всё. Заливает смолой в пробку, работают. 2/14/2016 · Подмотка одометра (Спидометра) на базе микросхемы ne555n и kp1006ВИ1. ===== Я понимаю что видео не самого лучш. намотка спидометра на ne555 газель схема. 21 ноя 2010. Таких как КАМАЗ, ГАЗЕЛЬ, ВАЗ, ГАЗ, ВОЛГА. И. Первая схема построена на популярной микросхеме ne555 или просто таймер. 10/14/2016 · Инструкция Подмотка одометра (Спидометра) на базе микросхемы NE555N и KP1006ВИ1. Я понимаю что видео не самого. Намотка Спидометра Ne555. 10/8/2016 0 Комментарии Привет всем. Хочу намотать спидометр, т.е. нужна схема генератора питанием 12В и выходом тоже 12В частотой так примерно 1кГц. Как подмотать спидометр. Намотка Спидометра Ne555. 4/21/2016 0 Comments Подмотка спидометра схема Поделки для авто Просмотров: 3 7. В последнее время среди автолюбителей распространена смотка километража спидометра или так. Страница 1 из 2 — Подмотка Спидометра — опубликовано в Одометры и На таймер 555 похоже. намотка спидометра ne555.gif. Подмотка спидометра — Технический форум. Крутилка спидометра, эмулирующая работу датчика спидометра. С этим отлично справляется генератор импульсов, например на ne555. Преобразовать избранный текст из транслитерации Подмотка спидометра( намотка спидометра) Генератор скорости 12 v. 1 Микросхема ne555. 2, один выходной канал, выход прямоугольной сигнал, скважность около пятидесяти процентов. Намотка спидометра на новые евро Камазы. — отправлено в Общий: Здравствуйте. Ребята подскажите, подойдет схема на таймере ne555 для намотки одометра под все евро Камаз с электронным дисплеем. Старые выпуски журнала радио и путеводитель по ретро выпускам старейшего.
Links to Important Stuff
Links
- старые журналы радио.
© Untitled. All rights reserved.
| Комбинации приборов, разъем Х311 контакт «зеленый провод» – сигнал ДС.Желтый провод – + зажигания.Черный провод – масса. | ||
| Обычные трехпроводный датчик скорости, вид со стороны контактов, большой разъем, датчик скорости присутствует | ||
| Комбинация приборов состоит из трех разъемов: большой – желтый, большой – белый, маленький – былый. На рисунке указан большой разъем (провод ДС), вид со стороны контактов, провод серый с коричневой полосой. | ||
| Датчик скорости обычный трехпроводной, сигнал идет на ЭБУ, с ЭБУ сигнал снимается по цифровой шине, передается на панель управления. Перерезать пришлось белый провод с синей полосой, номер контакта на ЭБУ – 3 | ||
| Датчик скорости отсутствует, сигнал о скорости поступает из системы ABS. Датчик ABS представляет собой 6-ти вольтовый, синусоидального тока. Устройство получает напряжение от стабилизатора с выходным напряжением 6 В, типа КР142ЕН5Б. На выходе получаем 6-ти вольтовые прямоугольные импульсы, которые преспокойно «переварила» приборка. На панели разъем А – справа. 3 контакт – синий провод – входной сигнал скорости15 контакт – коричневый провод – масса18 контакт – синий с красной полосой – + зажигания. | ||
| Комбинация приборов, 35 контактов, провод с ABS и информацией о скорости. На проводах присутствует нумерация на проводах | ||
| На панели подсоединены три разъема – один черный, расположен первым слева от двери водителя, и два белых. На черном разъеме крайний справа – желто-белый с серебристым кольцом, подсоединен на выход ДС. Устройство для подмотки любое на выходе с открытым коллектором, еще нужно установить преключатель. | ||
| Сзади приборной панели присутствуют два разъема из 15 контактов, задействовано 6:2 – сиреневый10 – коричневый (1)11 – зеленый (1)12 – желтый13 – коричневый (2)15 – зеленый (2)Кодировка идет слева на право:от центра панели (серого разъема) к краю. Нас интересует 13й – коричневый (2) – отвечает за показания спидометра и счёт одометра. | Подключен к ДС – двухпроводной, стоит на АКПП ближе к моторному щиту. Спокойно мотает со скорость 250 км/ч, дальше идет срыв. Чек не загорается. Генератор обыкновенный, только в разрыв на выходе сигнала скорости нужно ставить конденсатор (0.1 мкФ, керамика), | |
| Камаз | ||
| МАЗ | ||
| УАЗ Патриот | ||
| УАЗ Хантер | ||
| Рено “Логан” | 7 – черный, масса 10 – желтый: 15 клемма замка зажигания 22 – зеленый: датчик скорости | |
| HYUNDAI Santa Fe | 2007 |
Микросхема 555: приложение
Интегрированный таймерNE555 — настоящий прорыв в области электроники. Он был создан в 1972 году сотрудником компании Signetics Хансом Р. Камензинд. Изобретение не утратило актуальности и по сей день. Позже устройство стало основой таймеров с дублированной (IN556N) и счетверенной конфигурацией (IN558N).
Вне всяких сомнений, детище электронщика позволило занять выдающуюся нишу в истории технических изобретений.По объему продаж это устройство превзошло все остальные с момента своего появления. На второй год существования микросхема 555 стала самой покупаемой деталью.
Лидерство сохранялось во все последующие годы. Микросхема 555, использование которой росло с каждым годом, продавалась очень хорошо. Например, в 2003 году было продано более 1 миллиарда экземпляров. Сама конфигурация агрегата за это время не изменилась. Он существует более 40 лет.
Внешний вид устройства стал неожиданностью для самого создателя.Камензинд преследовал цель сделать его гибким в использовании IP, но он не ожидал, что он окажется настолько многофункциональным. Изначально он использовался как таймер или генератор импульсов. Микросхема 555, применение которой быстро растет, теперь используется от детских игрушек до космических кораблей.
Устройство отличается выносливостью, поскольку построено на основе биполярной технологии, и ничего не требуется для его применения конкретно в космосе. Только тестовые работы проводятся с особой тщательностью.Итак, с тестовой схемой NE 555 для ряда приложений создаются индивидуальные тестовые спецификации. При изготовлении схем отличий нет, но подходы существенно различаются с выходным контролем.
Появление схемы в отечественной электронике
Первые упоминания о нововведении в советской радиотехнической литературе появились в 1975 году. Статья об изобретении была опубликована в журнале «Электроника». Микросхема 555, аналог которой был создан советскими электронщиками в конце 80-х годов прошлого века, в отечественной радиоэлектронике получила название КР1006ВИ1.
В производстве эта деталь использовалась при сборке видеомагнитофона «Электроника ВМ12». Но это был не единственный аналог, ведь такое устройство создали многие производители по всему миру. Все агрегаты имеют прочный корпус DIP8, а также небольшой корпус SOIC8.
Технические характеристики схемы
Микросхема 555, графическое изображение которой представлено ниже, включает 20 транзисторов. На структурной схеме устройства 3 резистора сопротивлением 5 кОм. Отсюда и название устройства «555».
Основные технические характеристики изделия:
- напряжение питания 4,5-18В;
- максимальный выходной ток 200 мА;
- Потребляемая энергия до 206 мА.
Если считать на выход, то это цифровое устройство. Он может быть в двух положениях — низком (0 В) и высоком (от 4,5 до 15 В). В зависимости от блока питания показатель может достигать 18 В.
Зачем мне прибор?
NE 555 IC — это унифицированное устройство с широким спектром применения.Его часто используют при сборке различных схем, и это только придает изделию популярность. Соответственно увеличивается уровень потребительского спроса. Такая слава стала причиной падения цены таймера, что радует многих мастеров.
Внутренняя структура таймера 555
Что заставляет это устройство работать? Каждый из выводов блока подключен к цепи, содержащей 20 транзисторов, 2 диода и 15 резисторов.
Двойной формат модели
Следует отметить, что NE 555 (микрочип) доступен в двойном формате под названием 556.Он содержит две свободные ИС.
Таймер 555 имеет 8 контактов, а 556 — 14 контактов.
Режимы работы устройства
Микросхема 555 имеет три режима работы:
- Микросхема 555 моностабильный режим. Работает как разово в одну сторону. Во время работы при нажатии кнопки в ответ на входной сигнал триггера излучается импульс заданной длины. Перед срабатыванием на выходе будет низкое напряжение. Отсюда он получил название ждущий (моностабильный). Такой принцип работы удерживает устройство в неактивном состоянии до тех пор, пока оно не будет включено.Этот режим включает таймеры, переключатели, сенсорные переключатели, делители частоты и т. Д.
- Нестабильный режим является отдельной функцией устройства. Это позволяет схеме оставаться в генераторном режиме. Напряжение на выходе может меняться: высокое или низкое. Данная схема применима, когда необходимо задать в устройстве импульсы прерывистого характера (при кратковременном включении и выключении устройства). Режим используется при включении ламп со светодиодами, функционировании в логической схеме часов и т. Д.
- Бистабильный режим или триггер Шмидта. Понятно, что он работает по триггерной системе в отсутствие конденсатора и имеет два стабильных состояния: высокое и низкое. Низкий триггер переходит в высокий. При падении низкого напряжения система переходит в низкое состояние. Эта схема применима в сфере железнодорожного строительства.
Выводы таймера 555
Чип-генератор 555 включает восемь выводов:
- Вывод 1 (земля). Он подключается к отрицательной стороне источника питания (общий провод схемы).
- Вывод 2 (триггер). Он подает какое-то время высокое напряжение (все зависит от мощности резистора и конденсатора). Эта конфигурация является моностабильной. Контакт 2 управляет контактом 6. Если напряжение на обоих низкое, выход будет высоким. В противном случае при высоком напряжении на выводе 6 и низком уровне на выводе 2 на выходе таймера будет низкий уровень.
- Вывод 3 (вывод). Выходы 3 и 7 расположены синфазно. При приложении высокого напряжения приблизительно 2 В и низкого напряжения 0,5 В будет получено до 200 мА.
- Вывод 4 (сброс). Напряжение питания на этом выходе низкое, несмотря на режим таймера 555. Во избежание случайных падений этот выход следует подключать к положительной стороне во время использования.
- Заключение 5 (контроль). Он обеспечивает доступ к напряжению компаратора. Этот вывод не применяется в российской электронике, но подключив его, можно добиться широких возможностей управления устройством 555.
- Вывод 6 (стоп). Включен в компаратор 1. Он противоположен контакту 2, используемому для остановки устройства.Это приводит к низкому напряжению. Этот выход может принимать синусоидальные и прямоугольные импульсы.
- Вывод 7 (выписка). Он подключен к коллектору транзистора Т6, а эмиттер последнего заземлен. Когда транзистор открыт, конденсатор разряжается, пока не закроется.
- Вывод 8 (плюсовое питание), которое составляет от 4,5 до 18 В.
Выход приложения Выход
Выход 3 (Выход) может находиться в двух состояниях:
- Подключение цифрового выхода напрямую ко входу другого драйвера на цифровая основа.Цифровой выход может управлять другими устройствами через несколько дополнительных компонентов (напряжение питания 0 В).
- Напряжение во втором состоянии высокое (Vcc на источнике питания).
Емкость устройства
- Когда напряжение на выходе уменьшается, ток направляется через устройство и подключает его. Это уменьшение, так как ток вырабатывается из Vcc и проходит через блок до 0 В.
- При увеличении Выходной ток, проходя через устройство, обеспечивает его включение.Этот процесс можно назвать источником тока. В этом случае электричество вырабатывается таймером и проходит через устройство до 0 В.
Увеличение и уменьшение могут работать вместе. Таким образом достигается попеременное включение и выключение устройства. Этот принцип касается работы ламп со светодиодами, реле, моторами, электромагнитами. К недостаткам этого свойства можно отнести то, что устройство должно подключаться к выходу по-разному, так как выход 3 может выступать и как потребитель, и как источник тока до 200 мА.Используемый источник питания должен иметь достаточный ток для обоих устройств и таймера 555.
Микросхема LM555
Спецификация микросхемы 555 (LM555) имеет широкие функциональные возможности.
Применяется от прямоугольных генераторов импульсов с переменным соотношением скважности и реле и задержкой срабатывания до сложных конфигураций генераторов ШИМ. Распиновка микросхемы 555 и внутреннее устройство показаны на рисунке.
Уровень точности прибора равен 1% от расчетного показателя, что является оптимальным.На такой блок, как микросхема даташита NE 555, не влияют температурные условия окружающей среды.
Аналоги микросхемы NE555
Микросхема 555, аналог которой в России получил название КР1006ВИ1, представляет собой интегрированное устройство.
Среди рабочих блоков следует выделить RS-триггер (DD1), компараторы (DA1 и DA2), выходной каскад усилителя на основе двухтактной системы и комплементарный транзистор VT3. Назначение последнего — сбросить конденсатор установки времени при использовании блока в качестве генератора.Сброс триггера происходит, когда логическая единица (Jup / 2 … Jup) применяется к входам R.
При сбросе триггера на выходе устройства (вывод 3) будет наблюдаться низкое напряжение (транзистор VT2 открыт).
Уникальность схемы 555
При функциональной схеме устройства очень сложно понять, в чем его необычность. Оригинальность устройства заключается в том, что оно имеет специальное триггерное управление, а именно формирует управляющие сигналы.Их создание происходит на компараторе DA1 и DA2 (к одному из входов, к которым применяется опорное напряжение). Для формирования управляющих сигналов на входах триггеров (выходах компараторов) должны быть получены сигналы высокого напряжения.
Как запустить устройство?
Для запуска таймера на выход 2 необходимо подать напряжение с индексом от 0 до 1/3 Юп. Этот сигнал помогает запустить триггер, и на выходе создается сигнал высокого напряжения. Сигнала выше предельного значения не вызовет каких-либо изменений в схеме, так как опорное напряжение для компаратора DA2 и составляет 1/3 от Юпитера.
Вы можете остановить таймер при отпускании спускового крючка. С этой целью, напряжение на выходе 6 должно превышать 2/3 JUP (опорное напряжение для компаратора DA1 составляет 2/3 JUP). При сбросе устанавливается низковольтный сигнал и разряд конденсатора установки времени.
Опорное напряжение можно регулировать путем подключения дополнительного сопротивления или источника питания к выходу блока.
Спидометр 555 Микросхема
В последнее время у автовладельцев стало модно наматывать пройденный километраж по спидометру.
Многих интересует, накрутить спидометр на микросхеме 555 возможно самостоятельно?
Эта процедура не представляет особой сложности. Для его изготовления используется микросхема 555, которая может выполнять функцию счетчика импульсов. Отдельные компоненты схемы можно брать с показателями, отклоняющимися на 10-15% от расчетных значений.
как скрутить или свернуть своими руками. Как изменить пройденный автомобилем путь или свернуть спидометр Прокрутите электронный спидометр, чтобы уменьшить пробег
Пробег автомобиля — один из основных показателей, по которым определяется необходимость обслуживания автомобильных систем.Пройденные километры имеют значение при продаже подержанной машины. Пробег показывает одометр, который находится на панели приборов вместе со спидометром. По разным причинам у водителей возникает потребность крутить ход. Для этого используется скрутка спидометра. В статье рассматриваются типы спидометров и их прядильные устройства.
[Скрыть]
Разновидности спидометров
Спидометр — это прибор, который показывает, насколько быстро движется автомобиль. Одометр — это устройство, которое измеряет пройденное расстояние.Оба счетчика расположены на панели приборов.
Существуют следующие типы спидометров:
- Механические. Это первые устройства, которые будут устанавливаться на автомобили. В их основе лежит механический привод. С помощью небольшого троса обороты КПП передаются на счетчик, колеса поворачиваются, а на табло выводятся показатели скорости. По количеству оборотов на одометре отражается пробег.
- Хронометрический. Они совмещают в себе одометр и часы.
- Центробежный. В основе устройства лежит центробежная сила. Он воздействует на плечо калибра, смещая его на определенное расстояние. Регулятор вращается вместе со шпинделем, поэтому расстояние смещения плеча равно скорости движения.
- Вибрация. Используется с быстро вращающимися механизмами. Градуированные выступы механически воздействуют на раму или подшипники. Частота вибрации зависит от количества оборотов автомобиля.
- Индукция. В его конструкцию входит медный или алюминиевый диск, система постоянных магнитов, шпиндель.Диск прикреплен непосредственно к стрелке, показывающей скорость.
- Электромеханический. Они представляют собой улучшенную версию механического устройства. Их конструкция дополнена специальным регулятором скорости. Он передает сигналы на электродвигатель, который вращает ротор. Эти устройства отличаются друг от друга, в остальном они похожи.
- Электронный. Счетчик измеряет количество оборотов самого колеса. Прибор анализирует окружность колеса, на основании полученных данных и количества оборотов, сделанных колесами, рассчитывается количество пройденных километров.Полученная информация отображается на ЖК-мониторе.
- Спидометры, измеряющие скорость с помощью системы навигации GPS.
Механические спидометры постепенно заменяются электронными аналогами. Электронные спидометры чаще всего устанавливаются на современные автомобили. Механические устройства встречаются на старых автомобилях.
Фотогалерея
1. Устройство механического типа 2. Электронный тип спидометра
Инструкция по заводке одометра своими руками
Причины, по которым водители хотят произвести регулировку спидометра, могут быть разными.Желающих продать машину по более выгодной цене интересует, как перемотать спидометр. Знание того, как заводить счетчик, интересно тем водителям, которые теребят топливо. Обмотка дает возможность показать больший пробег, списать больше топлива, чем было израсходовано. Водитель берет разницу на себя. Естественно, в этом случае свидетели не нужны, поэтому нужно иметь возможность заводить одометр самостоятельно (автор видео — Канатбек Куатбеков).
Необходимость калибровки спидометра может возникнуть, если панель приборов демонтировали.В этом случае необходима коррекция для выравнивания условий эксплуатации. Обмотка спидометра производится при использовании дисков с диаметром, не соответствующим рекомендациям производителя. Если диаметр отличается от рекомендованного, то в расчетах одометра может наблюдаться ошибка, поэтому требуется корректировка показаний счетчика.
Механический тип
Перемотка спидометра, основанная исключительно на механике, очень проста.В этом случае раскрутить счетчик можно двумя способами. Самый простой — отсоединить кабель от датчика скорости концом, прикрепленным к коробке, прикрепить его к дрели и включить в реверсивном режиме.
Благодаря быстрому вращению дрели за короткое время можно прилично раскрутить спидометр. Во втором способе придется демонтировать и разбирать приборную панель. После демонтажа снимается одометр, по которому выставляется необходимый пробег. Эти методы подходят для большинства отечественных автомобилей.
Электромеханический прибор
Электромеханические спидометры, как и механические аналоги, устанавливаются на старые модели автомобилей. Но перемотать их сложнее, чем на счетчиках механического типа. Намотка и размотка разные и требуют разных подходов. Для уменьшения пробега на электромеханическом устройстве потребуется демонтаж и разборка панели приборов. Чтобы перемотать показания, необходимо снять счетчик и вручную скорректировать числа.
Увеличить пробег можно только с помощью генератора. Он формирует сигналы, поступающие на управляющий вход. В зависимости от количества импульсов корректируются показания прибора (автор видео макс гладкий).
Электронное устройство
Электронное устройство катить сложнее, так как к спидометру подключены другие устройства, которые, как и спидометр, хранят информацию о пробеге автомобиля. К ним относятся датчики, замок зажигания, блок управления и другие.Поэтому для проведения обмотки потребуется не только подать сигнал с контроллера, но и перенастроить соответствующие устройства. Информацию необходимо скорректировать для каждого устройства.
После изменения показаний потребуется перепрограммировать электронную плату прибора. В микросхеме хранятся данные о суточном пробеге, а также об общем пробеге за время эксплуатации автомобиля.
Процедура намотки требует специальных знаний и опыта.Если вы не умеете заводить электронный спидометр, можно использовать специальные моталки, которые используются для скручивания спидометра.
Приспособления и приспособления для намотки
Если вы не умеете накручивать пробег, но не хотите обращаться в автосервис, можно приобрести специальное приспособление, с помощью которого можно перематывать спидометр. На рынке представлен широкий выбор механизмов, что дает возможность подобрать устройство, подходящее для конкретной машины. Пользоваться этими приборами несложно, поэтому заводить спидометр сможет любой автолюбитель.Существуют разные варианты заводчиков спидометра, которые отличаются конструкцией и принципом работы.
CAN spinner
Корректор спидометра на цифровой шине CAN применяется в современных автомобилях, оборудованных блоком управления. Электронные блоки обмениваются импульсами по шине CAN. Перед поворотом спидометра CAN-twist необходимо вставить в OBD. Он расположен в пределах досягаемости водителя, обычно рядом с рулевой колонкой. Этот разъем, благодаря протоколам обмена, обеспечивает доступ к электронным устройствам.
Таким образом, с помощью CAN-роторов можно откорректировать необходимые ячейки памяти в блоке управления, чтобы выставить желаемый пробег. Эти устройства популярны у продавцов подержанных автомобилей. Они используют их, чтобы крутить спидометр, чтобы уменьшить пробег. Обнаружить внесение изменений в ячейки памяти практически невозможно даже при использовании современного оборудования.
Pulse
Импульсный корректор спидометра используется на импортных автомобилях, оборудованных цифровой шиной CAN. Для использования прибор необходимо вставить в диагностический разъем OBDII, расположенный у ног водителя.Обмотка импульсов спидометр посылает на одометр импульсы, которые являются имитацией сигналов от регулятора скорости. С его помощью можно изменить показания пробега.
Генератор скорости
Генератор скорости — устройство, позволяющее самостоятельно увеличить пробег автомобиля. Устройство может использоваться на иномарках, выпущенных до 2012 года. Особенностью этих автомобилей является то, что сигнал скорости поступает не по цифровой шине СА, а в виде импульсов.
Генератор подключен к диагностическому разъему OBDII. Он имитирует передачу импульсов, получаемых при движении транспортного средства. Устройство можно использовать для корректировки показаний одометра.
Другие опции
Универсальным устройством для завода спидометра является заводка спидометра с помощью зарядного устройства для телефона. Устройство вставляется в прикуриватель. Провод от устройства подключается к проводке с помощью разъема «мама-папа». Данное устройство можно использовать как на импортных, так и на отечественных автомобилях.Для его установки не требуется никаких специальных знаний. Инструкции по подключению и использованию прилагаются к устройству.
Спидометр можно крутить ручками ABS. Эта опция может использоваться на автомобилях с установленной антиблокировочной тормозной системой. Устройство использует. Когда прибор подключается к нужному разъему, он начинает имитировать вращение колес, по которому датчик корректирует показания пройденного пробега на одометре.
Также есть штатное устройство для перемотки спидометра.Корректор спидометра включается и выключается кнопкой, расположенной на его корпусе. Устройство оснащено регулятором скорости, поэтому вы можете регулировать скорость по своему желанию. Схема завода спидометра, по которой осуществляется установка, прилагается к комплекту.
На современном автомобиле, имеющем большое количество электроники, довольно сложно открутить пробег. Но специальные устройства позволяют изменять показания одометра без специальных знаний.
Навыки коррекции показаний одометра всегда были востребованы водителями.В одних случаях необходимо было покрутить спидометр и «омолодить» выставленную на продажу машину, в других — добавить лишние километры для «экономии» служебного топлива. Двадцать лет назад можно было крутить пробег на спидометре обычной электродрелью или электродвигателем с переходником. На коробке передач трос привода спидометра откручивался, зажимался в патрон дрели или переходника, и за пару часов наматывания спидометра можно было своими руками подкрутить необходимый пробег.
В современной технике используются:
- механические одометры;
- спидометры и одометры электромеханические;
- электронные счетчики скорости и пробега;
- цифровое универсальное средство записи информации о пробеге.
Иногда водители снимали приборную панель, отключив червячную передачу и шестерню, выставляли нужные цифры пробега руками или острым инструментом на колесах. Понятно, что сборка-разборка давала возможность перекрутить любой пробег, но снизила точность показаний прибора, к тому же остались следы пробития.Автомобильная промышленность перешла от механических спидометров к электромеханическим, а затем и к электронным.
Электромеханические спидометры и одометры
С переходом на электромеханические системы стало труднее крутить спидометр. Информация о скорости движения определялась не числом оборотов троса трансмиссии, а генератором импульсов, который заменил редуктор на коробке передач. Импульсы преобразовывались шаговым двигателем во вращение вала червячной передачи и колес с номерами на информационном табло.
Теперь блок одометра часто был неразборным, и чтобы своими руками покрутить пробег автомобиля приходилось переводить цифры на колесах индикатора острым шилом, что создавало риск оставить следы вмешательства. Теперь крутить показания спидометра по старинке хлопотно.
Зачем нужно занижать или переоценивать пробег автомобиля
Еще три-четыре года назад основой торговли автомобилями была продажа подержанных автомобилей.5-7-летние модели с пробегом 300-400 тыс. Км продавались под видом моделей 2-3-летней давности с пробегом 60-90 тыс. Км. Техническое состояние достойное, внешний вид автомобиля, состояние салона и агрегатов двигателя, благодаря хорошей предпродажной подготовке соответствовали заявленным продавцом возрасту и пробегу …
Скоро модели с электромеханикой. спидометры ушли с рынка, было выгоднее торговать более новой техникой с электронными одометрами, которые невозможно взломать или покрутить.Если скручивания километров на 10-летних моделях знаний было достаточно, то пробег 3-5 летних своими руками изменить невозможно, теперь только специалисты смогли правильно открутить данные спидометра и одометра на приборной панели. Раньше вопрос решался довольно просто — нужно было механически покрутить пробег автомобиля. С повсеместным распространением микрокомпьютеров любое вторжение в машинную электронику могло закончиться катастрофой. Возникла проблема как самому крутить пробег на электронном спидометре.
Соблазн для водителей служебных автомобилей
Проблема, связанная с заводом спидометра своими руками, возникла одновременно с установкой приборов для регистрации пробега автомобиля в служебных автомобилях. Нормы отпуска топлива основывались на расчетных данных его расхода для конкретного транспортного средства и, как правило, занижались. Чтобы оправдать перерасход бензина, водителям пришлось искать решение, как завести спидометр и увеличить пробег одометра.
Электронные процессорные системы для контроля пробега
В период 1995-2005 годов ведущие автопроизводители начали массово использовать системы, основанные на цифровой обработке сигналов и их хранении в блоках управления транспортными средствами. Теперь в современных автомобилях пробег отображается на жидкокристаллическом индикаторе приборной панели микросхемой спидометра после суммирования импульсов датчика скорости. Информация о пробеге записывается в специальную микросхему памяти. Крутить показания стало сложнее.
Появление в микрокомпьютере микросхем энергонезависимой памяти, позволяющих записывать и хранить информацию об автомобиле, параметрах и условиях эксплуатации, серьезно упростило работу специалистов СТО.
Теперь мало знать, как заводить электронный спидометр; для работы необходимы навыки перепрограммирования и, конечно же, специальное оборудование.
Поверните электронный спидометр, чтобы уменьшить пробег
В 2000-х, на заре цифровой революции в автомобильной промышленности, было широко распространено мнение, что средний автолюбитель не мог понять, как попасть в электронику автомобиля и как покрутить электронный спидометр своими руками. Защита микросхем памяти не существовала или была реализована на минимальном уровне.Появились первые схемы генератора, имитирующие работу импульсного датчика, после десятка часов работы они отображали необходимую информацию в памяти микросхемы.
Интересно! Очень часто цепь для обмотки спидометра вообще не использовалась, вместо нее к разъемам управляющей микросхемы подключались два из трех пинов обычного вентилятора-кулера, используемая для охлаждения процессора в компьютере
При подаче питания на кулер плата, встроенная в вентилятор, генерировала прямоугольные импульсы, идентичные тем, которые дает стандартный датчик.Регулируя скорость вращения вентилятора, можно было заводить спидометр своими руками.
Сегодня автопроизводители используют собственные разработки программ и электронных схем для управления автомобилем для защиты информации. Для считывания, взлома и прошивки информации в микрочипах автомобилей определенного автопроизводителя используются универсальные электронные платы. Процедура заводки спидометра заключается в подключении электронной схемы своими руками к соответствующим разъемам на приборной панели автомобиля.
В интернете полно предложений по покрутке счетчика пробега — от простых вариантов на отечественных авто до ультрасовременных на последних моделях BMW. В отечественных автомобилях, большинстве европейских и американских моделей, за исключением таких гигантов, как Mercedes, BMW, Peugeot, информация о пробеге была защищена достаточно слабо. Микросхемы памяти можно было легко вынуть из платы, особенно если их не паять, а вставлять в разъемы.
японских авто оказалось намного сложнее в плане взлома.Большинство микросхем ЭБУ были «плотно» отпечатаны на плате и не имели маркировки. Для изменения показаний приходилось менять плату на аналогичную.
Для взлома микрокомпьютера в плату, подключенную к диагностическим разъемам, были введены необходимые алгоритмы перезаписи кодов. Для более дорогих автомобилей с мощной системой защиты для перезаписи информации используются возможности полноценного компьютера с необходимым ПО, который подключается к шине обмена данными CAN-BUS или диагностическим разъемам OBD-II, EOBD через интерфейс доска.
Современные способы скручивания показаний пробега
Существующий парк автомобилей можно условно разделить на несколько категорий по степени сложности внесения изменений в микросхемы памяти:
- стандартный минимальный уровень защиты;
- повышенный уровень защиты;
- исключительные меры защиты.
Отечественные и иномарки со стандартным уровнем защиты
Практически все «отечественные» марки имеют панели приборов ПО «Счетмаш» (Курск) или «Автоприбор» (Владимир).Пробег фиксируется в микросхеме памяти приборной панели PIC12F629. В конструкции нет разъема, который позволял бы перекручивать данные в памяти, поэтому практически всегда приборную панель приходится снимать с автомобиля. На предыдущих версиях панелей возможны изменения с заменой микросхемы.
В современных иномарках информация о пробеге записывается аналогично отечественным машинам в микросхему памяти одометра или спидометра. Чтобы покрутить пробег, владельцы покупают готовое решение в виде небольшой электронной доски с запрограммированными данными для конкретной модели.Для изменения показаний прибор подключается к разъему CAN-BUS и активируется кнопкой.
Примечание! Однажды плата позволяет крутить пробег на 50 тыс. Км. После перезаписи устройства новыми данными на заводе его можно использовать повторно.
Автомобили с дополнительными мерами защиты данных памяти
Среди моделей с обычными системами хранения данных о пробеге в одном месте — микросхеме памяти спидометра, за последние 2-3 года автопроизводители начали использовать дублирование данных в дополнительных блоках.Например, в Citroen Berlingo бортовой компьютер хранит обновленную информацию о пробеге. Если только закрутить информацию во флеш памяти одометра, то на ЖКИ приборной панели будет отображаться ошибка.
Помимо памяти ЭБУ, дубликат пробега может храниться в микросхемах иммобилайзера или светового модуля
Чтобы «профессионально» подкрутить пробег или перепрошить информацию в памяти, в европейских автомобилях используются универсальные инструменты, позволяющие работать с памятью бортового компьютера.Например, модель 912 TOOL BDM PROGRAMMER позволяет работать почти с сотней различных автомобилей, включая BMW и Mercedes.
Эксклюзивные схемы безопасности доступа
Говоря о доступе к памяти автомобильного компьютера, нельзя не упомянуть автомобили BMW и Mercedes. В большинстве моделей, особенно серии X, количество точек дублирования данных может достигать 3-4. Каждая микросхема фиксирует не только пробег, но и межсервисный интервал, ошибки двигателя и системы управления.
Изюминкой баварских автопроизводителей является использование микросхемы M35080 с повышенной защитой от перепрограммирования. Естественно, что сделать заводку электронного спидометра своими руками нереально. Чтобы закрутить ход, используют диагностическое оборудование, но можно попробовать и авторитетную разработку — универсальный программатор iProg USB с огромным набором возможностей.
Видео как крутить спидометр:
Системы непосредственного впрыска топлива на отечественных автомобилях позволили эффективно использовать топливо, увеличивая мощность двигателя.В последнее время на автомобильном рынке наблюдается большой спрос на устройства, наматывающие электронные одометры … Кому выгодно увеличивать пробег в своей машине?
Ответ на этот вопрос очевиден. Водители государственных, служебных (корпоративных) автомобилей, таким образом, имеют возможность списать бензин. И сегодня он на вес золота.
Раньше на старые модели автомобилей устанавливались механические счетчики пробега, и увеличивать километраж можно было только механически.Со временем был изобретен электронный одометр, а опытные специалисты по радиоэлектронике из различных автобазов придумали простой и эффективный способ завести одометр. Для этого нужно подключить провод от дополнительной клеммы генератора к панели приборов, где находится сам одометр.
А вот электронщики разработаны новые одометры, которые очень сложно взломать. И когда однажды в гараже подключили одометр описанным выше способом, радиотехник обнаружил, что машина не заводится.Страдающего водителя, потерявшего дополнительный заработок, отправили искать другие способы решения этой проблемы.
История началась с Газелей и Соболей с 405 установленными двигателями, потребляющими много топлива. Именно эти моторы начали глохнуть, когда умельцы пытались завести одометр. Техника эффективного взлома устройства очень проста. К ЭБУ (электронному блоку управления) автомобиля необходимо подключить ПКК «Комбилоадер», с которого считывается специальная серийная программа управления двигателем.
Затем открываем программу СTPro и в меню из перечисленной конфигурации снимите галочку напротив датчика скорости. По этому алгоритму уже измененная программа управления двигателем записывается в ЭБУ с небольшими изменениями.
После таких действий вы можете вызвать хорошего знакомого автоэлектрика, который подключит провод от генератора к одометру панели приборов, и процесс пойдет быстрее, вы сами сможете намотать необходимое количество километров.Но этот метод уже в прошлом. Сегодня мир полон передовых гаджетов и всевозможной электроники.
Методом Объемную установку составляют простейший генератор, состоящий из трех радиоэлементов (см. электрическую схему).
Тумблер S1 нужен для переключения электрического сигнала, поступающего на приборную панель, либо от нашего генератора, либо от стандартного датчика скорости движения. Наш генератор получает напряжение от «плюса» замка зажигания.Это позволяет заводить пробег, не заводя машину (достаточно будет просто включить зажигание). Вы также можете включить цепь прямо во время движения автомобиля.
Автоэлектрик обязательно порекомендую вам припаять еще один резистор последовательно с триммером в схему. Это необходимо для того, чтобы при направлении регулирования в крайнее левое положение его двигателя процесс генерации не происходил.
Также в цепи должен присутствовать защитный диод для защиты электрической цепи от изменения полярности.Указанные на схеме номиналы резистора и конденсатора вполне подходят для генерации прямоугольных импульсов с амплитудой 12 В в диапазоне низких и высоких частот (от 180 Гц до 1,5 кГц). Эти характеристики с лихвой покрывают потребности этого устройства на разных автомобилях.
Для быстрой замены частотный диапазон требует замены конденсатора. По мере уменьшения емкости частота увеличивается и наоборот.
Следующая схема, с тем же принципом работы генератора, построена на микросхеме 555 (1006VI1).
Следует помнить, что все приведенные в статье варианты схем были разработаны для напряжения 24В в грузовике КАМАЗ.
На рисунке показана схема генератора для 176 (561) LA7 или HEF4011.
В таблице описаны автомобили с модифицированными одометрами.
модель автомобиля | Год выпуска | Краткое описание установки |
ГАЗель | Комбинация приборов, разъем X311 «зеленый провод», контакт — сигнал постоянного тока.Желтый провод — + зажигание. Черный провод — масса. | |
Kia magentis Hyindai соната | Обычный 3-проводной датчик скорости, боковые контакты, большой разъем, датчик скорости присутствует | |
Hyindai Elantra | Комбинация приборов состоит из трех разъемов: большой — желтый, большой — белый, маленький — старый. На рисунке изображен большой разъем (провод постоянного тока), вид сбоку на контакты, серый провод с коричневой полосой. | |
Forg Tourneo Connect, Mondeo | Датчик скорости — обычный трехпроводный, сигнал поступает на ЭБУ, сигнал снимается с ЭБУ по цифровой шине и передается на панель управления. Пришлось перерезать белый провод синей полосой, номер контакта на ЭБУ 3 | |
VOLVO S70 | Датчика скорости нет, сигнал скорости идет от АБС.Датчик ABS — это синусоидальный ток 6 вольт. Устройство получает напряжение от стабилизатора с выходным напряжением 6 В типа КР142ЕН5Б. На выходе получаем 6-вольтовые прямоугольные импульсы, которые приборка незаметно «переварила». На панели справа разъем А. Контакт 3 — синий провод — входной сигнал скорости 15 контакт — коричневый провод — масса 18 контакт — синий с красной полосой — + зажигание. | |
Тойота Камри | Комбинация приборов, 35 контактов, провод ABS с информацией о скорости.Нумерация проводов на проводах | |
Mitsubishi — Panjero дизельное топливо | На панели три разъема — один черный, расположенный первым слева от водительской двери, и два белых. На черном разъеме крайний правый желто-белый с серебряным кольцом, подключенный к выходу постоянного тока. Любое устройство для наматывания на розетку с открытым коллектором все равно нужно установить выключатель. | |
| За приборной панелью два 15-контактных разъема, 6 используются: 2 — сиреневый 10 — коричневый (1) 11 — зеленый (1) 12 — желтый 13 — коричневый (2) 15 — зеленый (2) Кодировка идет от слева направо: от центра панели (серый разъем) к краю. Нас интересует 13-й — коричневый (2) — отвечает за показания спидометра и счетчик одометра. Обслуживаемый прямоугольник ~ 500 Гц, скважность 50%, классическая схема генератора для серии 561, витков на 200 | ||
Mazda Tribute (также известная как Ford Maverick, Escape), американец. | Подключен к DS — двухпроводный, стоит на АКПП ближе к моторному щиту. Тихо качает на скорости 250 км / ч, потом происходит поломка. Чек не загорается. Генератор обычный, только конденсатор (0,1 мкФ, керамический) нужно ставить в зазор на выходе сигнала скорости, | |
| Камаз | ||
| МАЗ | Внимание! + 5V (средний верхний контакт) выходит из устройства! Защищать от короткого замыкания под напряжением.Развертка до 5 кГц. | |
| УАЗ Патриот | ||
| УАЗ Хантер | ||
| Renault Logan « | 7 — черный, масса 10 — желтый: 15 клемма выключателя зажигания 22 — зеленый: датчик скорости | |
| HYUNDAI Санта-Фе | 2007 |
Перед тем, как начать для некоторых изменений в электронике вашего автомобиля вам необходимо выполнить все следующие пункты.Наша задача — найти необходимую проводку, по которой информация о пробеге автомобиля в цифровом виде отправляется на одометр панели приборов. Порядок действий описан ниже по пунктам:
1) ——- Осмотр коробки передач, задней оси, переднего привода (если автомобиль переднеприводный) на предмет обнаружения датчика скорости.
2) ——– Если вы обнаружили что-то похожее на датчике скорости, но не знаете, что это такое, то вам необходимо проверить это.Для этого нужно снять с него разъем и проехать несколько километров. Вы должны обнаружить, что спидометр или одометр перестают работать. Если этого не произошло, значит, вы отключили не датчик скорости автомобиля, а что-то еще.
3) ——— В этом случае, если вы обнаружите трехпроводной датчик скорости, то для определения сигнального провода необходимо в обязательном порядке замерить напряжение на его разъеме. Далее этот сигнальный провод нужно вызвать на приборной панели. К концу этого провода нужно будет подключить перемотчик.Для этого нужно вывесить ведущие колеса автомобиля и заставить их крутиться, параллельно с этим следить за сигналами, поступающими на приборную панель, с помощью осциллографа.
4) ——— Если в первом пункте датчик скорости обнаружить не удалось, значит, одометр, вероятно, получает сигнал скорости от АБС. В этом случае единственный вариант — поиск выходного сигнала на панели приборов с помощью осциллографа.
Если у вас есть в руках подробные информационные материалы, электрические схемы для модели автомобиля, которую вы собираетесь производить «чип-тюнинг», то задача значительно упрощается.Необходимо помнить, что каждый автомобиль от разных производителей отличается. Вы несете полную личную ответственность за свои действия. Поэтому, прежде чем приступить к подключению выбранных проводов, нужно несколько раз все перепроверить.
В этом кратком обзоре на заводе одометра выделены общие принципы решения поставленной перед нами задачи. Конкретная реализация на конкретном автомобиле конкретной модели может сильно отличаться в пользу усложнения.Если у вас уже есть опыт работы с другим типом автомобилей, которого еще нет в нашем списке, отправьте нам информацию, и мы будем рады заполнить нашу таблицу.
Некоторые тонкости создания счетчика одометра на автомобилях Ford Mondeo и Ford Focus 2006 года выпуска, а также Toyota Camry.
Эти модели автомобилей используют сигналы от АБС в качестве сигнала скорости автомобиля. В этих автомобилях используется датчик тока, что означает изменение тока в цепи при вращении колеса.Изменения происходят в диапазоне 7 — 14 мА. Если подключить осциллограф параллельно датчику, то при вращении колеса мы получим меандр с размахом около 0,5 В, при стандартном значении 12 В. Ниже представлена схема, полностью имитирующая работу такого датчика. .
На моделях Ford Mondeo и Ford Focus мы можем определить положительный провод с помощью тестера напряжения, сняв разъем и выполнив действия с проводом при включенном зажигании.В этом примере мы использовали эффект полной (ручной) повторной коммутации. Чтобы завести одометр, нужно открыть капот, затем вынуть заглушку из разъема, а на его место подключить перемотчик.
Включить зажигание автомобиля и делаем необходимую обмотку. Выполнив необходимые действия, подключаем штекеры к разъемам, которые восстанавливают заводскую связь блока управления АБС с датчиками. Все эти провода можно было бы подключить к реле, но в результате наших действий появилось бы много лишних проводов.При тестировании и работе с нашей системой обмотки одометра необходимо использовать два ведущих колеса, потому что при работе одного колеса показатель скорости не будет превышать 30 км в час.
TOYOTA CAMRY 2006 модельного года имеет приборную панель под названием «optitron» и неоновую подсветку. Объем двигателя 3,5 литра, коробка передач автомат, сигнал скорости, подаваемый на одометр, снимается с АБС и имеет форму синусоиды амплитудой 1В, с частотой прямо пропорциональной скорости вращения.В этом автомобиле используется датчик системы ABS индуктивного типа.
Электрическая схема, который нам нужен для заводки одометра должен быть построен на транзисторе КТ3102. Резистивный делитель выполняет операции с амплитудой выходного сигнала, тем самым уменьшая ее. Конденсатор емкостью от 0,1 мкФ до 0,47 мкФ удаляет постоянную составляющую сигнала.
Напомним, вмешиваться в систему АБС не рекомендуется, но если вы все же принимаете решения, то вы должны полностью понимать последствия и в соответствии с этим выполнять работу на должном уровне качества.
Не секрет, что водителям служебных автомобилей приходится сталкиваться с проблемой нехватки топлива, выделяемого организацией для командировок. Это связано с неточной работой спидометра или с заниженными показателями расхода. Проблема решается приобретением обмотки спидометра, с помощью которой значение одометра доводится до цифр в накладной.
С топливом все понятно, за свой счет заправляться больше не нужно.Однако со временем можно столкнуться с другой проблемой — поменять машину. Может измениться место работы или просто пополниться автопарк.
- В таком случае что делать со спидометром крутить, ведь чаще всего он приобретается под конкретный автомобиль.
- Можно ли перенастроить намотчик?
- Подъемник спидометра универсален?
Наши специалисты часто слышат такие вопросы. Чтобы ответить на них, нужно рассказать о некоторых технических особенностях моталок.
Для начала нужно понять, что нет ни одного устройства, которое могло бы завести абсолютно любую машину от семи «Жигулей» до семи BMW, только подключившись к разъему obd. Хотя бы потому, что на классике спидометр и одометр приводятся в движение с помощью механического кабеля, идущего от КПП, и никакое электронное устройство никак не может привести его в движение. Казалось бы, простая правда, но не все ее понимают.
Электронные спидометры тоже не так просты.Также они бывают нескольких типов. А именно те, которые воспринимают сигнал о скорости автомобиля в виде аналоговых импульсов, и спидометры, считывающие данные по шине.
Первые обычно устанавливаются на «простые» автомобили, в основном отечественные. Это УАЗ Буханка, Лада Ларгус, Лада Нива, Шевроле Нива.
Есть и иномарки с такими спидометрами — это Toyota Fortuner и Hilux. Схема такой обмотки генерирует аналоговые импульсы определенной формы, частоты и скважности, имитируя сигналы АБС или датчика скорости.Такое устройство выпускается в двух корпусах, они отличаются внешним видом и способом подключения к автомобилю.
У этих аппаратов более дешевая начинка, поэтому они выделены в отдельный аппарат. Универсальна ли такая блесна? -Да. Можно ли его переставить с УАЗ Буханка на Ладу Ниву? — да. Однако такую катушку уже нельзя подключить к Toyota Camry. Не получится, потому что принцип работы спидометра на Камри другой — работает по CAN-шине, нужен канал перемотки.
Кан, раскручиваясь на выходе, генерирует цифровые сообщения, точно такие же, как блок ABS в автомобиле во время движения. Такая обмотка спидометра подключается к диагностическому разъему OBD2, куда может шина мотора. Передавая необходимые данные по определенному алгоритму в CAN, моталка имитирует реальное движение автомобиля.
Вопрос совместимости такого устройства с разными автомобилями упирается именно в алгоритм и на данные, которые выдаёт блесна.В целом эти данные разные для разных марок и моделей автомобилей. Однако часто внутри бренда или в рамках концерна многие модели используют одни и те же алгоритмы, поскольку блоки ABS одинаковы и фактически являются источником сигнала скорости. Например, если взять рулон спидометра от Камри 55 и подключить его к Камри 40, то он тоже будет работать нормально. То же самое произойдет, если мы вставим такую же катушку в Prado 150, TLK200, Rav4 и Corolla. А вот с Камри 70 осечка уже будет — там алгоритм другой.
Точно так же совместимость внутри бренда Nissan: Teana, Ixtreil, Qashqai, Pathfinder можно заводить с одного устройства, не касаясь настроек.
Вот и концерн Рено-Ниссан-Лада. Его автомобили Renault Logan2, Duster2, Captyur, Fluence, Nissan Terano2, Lada Vesta, Lada Ixrei имеют единую платформу, одинаковые блоки ABS, а значит, одинаковый алгоритм передачи данных о пробеге. И несмотря на гору технических тонкостей и сложностей, которые пришлось преодолеть нашим разработчикам, был создан единый алгоритм намотки, позволяющий заводить все эти автомобили всех годов выпуска без перенастройки.
Если вам нужно завести автомобиль принципиально другой марки, или модель, не имеющая схожего с вашим алгоритмом, то подзавод спидометра можно перенастроить. Вы можете сделать это самостоятельно, вручную.
Здесь нужно понимать, что речь идет о совместимости и перенастройке наших устройств, произведенных нашей компанией. Предлагаемые на нашем сайте ролики спидометра являются разработкой нашей компании, производятся на собственном производстве и имеют вид как на фото.
Мы не знаем, как работают и настраиваются устройства других фирм! Мы не можем перепрошить чужой аппарат! Предлагайте только новый с собственной техподдержкой.
Итак, чтобы перенастроить катушку CAS (нашу), нужно открыть корпус устройства. На плате устройства находится 8-позиционный переключатель. Установив на этом переключателе определенную комбинацию, можно настроить заводной механизм спидометра по тому или иному алгоритму.
Например, если установить переключатели с номерами 3458 вверх до разъема, а остальные вниз, как на фото, то перемотка будет работать в режиме LADA Grant с ABS.
А если поменять комбинацию на 13457 до разъема, остальное вниз, то получится спиннер для Hyundai Solaris.
Спидометр с перемоткой спидометра Kan является наиболее универсальным устройством просто потому, что большинство современных автомобилей используют технологию Kan в работе спидометра. В памяти микропроцессора, на основе которого работает спиннер, записано около 200 различных алгоритмов, что позволяет охватить практически все машины, которые мы встречаем.
Как узнать правильную комбинацию переключателей? Вы можете задать нашим специалистам вопрос по перенастройке, написав сообщение в WhatsApp или Viber по номеру +7
43692. Пожалуйста, немедленно приложите фото устройства для понимания. Список алгоритмов и кодов постоянно расширяется, к тому же существует масса тонкостей, связанных с комплектацией автомобиля и годом его выпуска. Полный список комбинаций недоступен на сайте, потому что он непонятен рядовому пользователю.Следует отметить, что консультация по перенастройке наших устройств абсолютно бесплатна.
Нельзя не упомянуть еще об одном моменте, который необходимо учитывать, когда речь идет о перенастройке обмотки на другую машину. Не все автомобили имеют провода шины CAN в диагностическом разъеме на заводе. Очень часто, особенно на последних моделях, эти провода приходится подводить к этому разъему от приборной панели. Например, мы всегда ездили на одной и той же Камри, сначала 40-го, потом 50-го, 55-го.То же самое устройство просто переставили в разъем новой машины и «бед не знали». И пришла 70ка. Новый алгоритм, перенастроен, но все еще не работает. А это могут просто провода от мотора автобуса. Их нет в разъеме с завода — нужно вручную отрегулировать. Как это сделать, смотрите в видео.
Так же и с выпуском нового Hyundai Santa Fe.
Новый Prado 150, новый TLK200, новый RAV4, новый KIYA Sid. Хотя это касается не только последних моделей.Все же на всех моделях VW и Skoda всегда приходилось проделывать одни и те же манипуляции. Так что если вы дали VW Polo вместо Solaris, посмотрите видео.
Те, кто читал внимательно, убедились, что в работе по заводке спидометра много тонкостей. Перенастройка и использование уже приобретенного моталки на другом автомобиле возможна, но существует ряд условий, описанных выше. По всем вопросам о возможности перенастройки и непосредственной перенастройки НАШИХ устройств обращайтесь в Ватсап или Вайбер (желательно текстовыми сообщениями) +7
43692.Также обратите внимание на разницу во времени. У нас есть Москва.Если у вас вообще нет наката спидометра и вы хотите его приобрести, то мы с радостью вам в этом поможем. Вы можете заказать:
- Через сайт корзины покупок
- В чате в правом углу, во всплывающем окне
- По БЕСПЛАТНОМ номеру телефона 8 8002009286 — звонок из любой точки РФ бесплатный
- Через Viber WhatsApp +743692
Иногда при эксплуатации автомобиля возникает необходимость поправить показания спидометра в сторону увеличения, проще говоря «накрутить показания».Для этого сейчас продается большое количество разных устройств по очень разным ценам, а для тех, кто дружит с паяльником в интернете, есть множество схем, которые предлагают спаять самостоятельно.
За готовую «моталку» часто просят несколько тысяч рублей, а для того, чтобы паять самостоятельно, все равно нужно приобрести радиодетали и потратить некоторое время на сборку устройства. Не хотите тратить зря деньги или время? И нет необходимости! По многочисленным просьбам водителей в мастерской разъездного слесаря был разработан особый революционный способ завода спидометра штатным вентилятором от компьютера.
Нам нужен компьютерный вентилятор «кулер» с 3-мя проводами. Подойдет абсолютно любой вентилятор с 3-проводным подключением, от блока питания, от процессора, от видеокарты — от чего угодно. Такой вентилятор имеет внутри тахометр на эффекте Холла, точно такой же, как в датчиках скорости автомобиля.
Берем такой вентилятор, снимаем разъем с датчика скорости и подключаем вентилятор по схеме. Датчик скорости в машине расположен на коробке передач, а в джипах 4х4 — на раздаточной коробке.Снимаем разъем и подключаем вентилятор вместо датчика скорости, включаем зажигание и вперед! Вентилятор должен начать крутиться, а спидометр — намотать километры. Назначение выводов датчиков скорости большинства автомобилей показано на схеме, не забываем, что «матери» разъемов зеркальные, для правильности подключения проверьте тестером контакты «плюс» и «масса». , при включенном зажигании они должны быть + 12 вольт.
Все ли запломбировано и разъем не снимается? Не беда, мы тоже об этом думали! Вытяните питающие провода от вентилятора так, чтобы их хватило на аккумулятор, и подключите вентилятор напрямую к аккумулятору.Намотайте иглу на сигнальный провод вентилятора и на незаметном месте осторожно проткните изоляцию сигнального провода от датчика скорости, подключите сигнал вентилятора параллельно. Но с таким способом намотки придется немного повозиться. Дело в том, что выходы датчиков выполнены по схеме «открытый коллектор», и если магниты в штатном датчике находятся в положении, когда выходной ключ датчика скорости разомкнут, то моталка не сможет работать. Что делать? Вам нужно поймать момент, когда замыкается ключ штатного датчика скорости, и уже потом запускать мотовило.Как это сделать? Самый верный вариант — поддомкратить заднее колесо и плавно повернуть его, чтобы поймать момент, когда заводная установка заработает, но вы можете попробовать немного подтолкнуть машину, хотя это может быть сложно. Не забывайте, что в любом случае необходимо включить зажигание, чтобы завелся сам спидометр.
Обратите внимание, что у разных вентиляторов разная скорость вращения, скорость вращения вентилятора написана на наклейке, естественно, чем быстрее вентилятор, тем быстрее можно накрутить требуемые показания, но между тем в некоторых спидометрах предусмотрена защита от слишком нетерпеливого, и при слишком высокой скорости намотки спидометр перестает показывать.Что делать в этом случае? Найдите вентилятор поменьше.
Где взять подходящий вентилятор? Где угодно, с неисправного компьютера, спросите друга, найди в помойке, купи в магазине. Кулеры есть в любом компьютерном магазине, цена на них начинается от 100 рублей, а найти вентилятор намного проще и дешевле, чем купить или спаять «моталку».
И это … Не кради много, хорошо? 🙂
как скрутить или свернуть своими руками
Инструкция к счетчику спидометра 2011г.
Описание работы :
При подключении ручки спидометра к диагностическому разъему. Индикатор счетчика загорится на 3 секунды. Указывая на то, что сила крутки спидометра присутствует и он начинает работать. Затем индикатор гаснет на 2 секунды и быстро запускается с интервалом 0,5 секунды для отображения номера рабочего режима. После спиннер проверяет шину данных CAN и делает следующее.
Если шина данных CAN не подключена или не активна, индикатор на ручке спидометра загорится, а не горит.
Если шина данных CAN подключена правильно и на ней есть активность, индикатор кратковременно загорится на 0,25 секунды с паузой в 2 секунды.
Если шина данных CAN по параметрам подходит для намотки спидометра (параметры шины данных и выбранный режим работы совпадают.), Индикатор устройства намотки спидометра будет гореть постоянно, и заводится спидометр. для увеличения пробега в машине. В этом состоянии можно с помощью кнопки или коротким замыканием контактов 1 и 5 пятиконтактного разъема переключать подрежимы намоточного устройства.Всего в устройстве 8 подрежимов, включающих кольцо, запоминается последний выбранный подрежим. Переключая подрежимы, вы можете выбрать оптимальную для вас скорость намотки спидометра. Работа намотки контролируется показателем основного или суточного пробега. В Renault Fluense только по базовому пробегу.
Через 1-5 часов работы заводки спидометра переключение типа автомобиля и подрежимов работы блокируется.
Переключение режимов:
Для установки желаемого режима работы.Необходимо подключить обмотку спидометра к автомобилю или подать питание (4-контактный заземляющий и 16-контактный +12 В), и при включенном индикаторе нажать и удерживать кнопку устройства, либо перемыть 1 и 5 контакты пятиконтактного разъема в обмотке спидометра. И, удерживая кнопку, дождитесь, пока индикатор не начнет мигать. Количество вспышек соответствует номеру режима. Когда индикатор мигнет нужное количество раз, нужно отпустить кнопку прибора, обмотка спидометра перезапустится.И тогда счетчик отобразит номер рабочего режима (тип автомобиля). Установите нужный режим по таблице.
Соответствие режимам, авто.
Вертушка 2011.
1 … Тип фокусировки-1, 2 … Тип фокусировки-2. 3 … Мазда-3/6, 4 … Мазда-2.
2 . Форд .
1 … Mondeo New, S-Max, Galaxi.
3 . Ford.
1 … Форд Транзит АВТОБУС.
4 . Форд .
1 … Ford Maveric 2006.
1 … Камри 2.4 v1. 2 … LC200 версия 3 … Camry 3.5 v. 4 … LC200 м.
5 … Камри 3,5 м. 6 … Камри 2.4 v2. 7 … Prado 150. 8 … Avensis.
6 . Nissan / Infiniti.
1 … FX. 2 … QX. 3 … G35. 4 … Следопыт.
5 … X-Trail 6 … Primera. 7 … Альмера. 8 … Теана.
1 … Audi.
8 … VW / Skoda
3 … Шкода 2010 тип3. 4 … VW / Skoda.
9 . Мерседес.
1 … W211, W164, W251, Виано 215 км / ч. 2 … W221, 450 км / ч.
3 … тип 3. 4 … Sprinter новый, C-Class, W204.
5 … тип 5. 6 … тип 6.
7 … тип 7. 8 … тип 8.
10 . Хонда.
1 … Хонда Цивик 2008->.
11 . Опель.
1 … Опель Зафирта, Астра, Вектра т1. 2 … Опель Зафира, Астра, Вектра т2.
Системы непосредственного впрыска топлива на отечественных автомобилях позволили эффективно расходовать топливо, увеличивая мощность двигателя. В последнее время на автомобильном рынке наблюдается большой спрос на устройства, наматывающие электронные одометры. Кому выгодно увеличивать пробег автомобиля? Ответ на этот вопрос очевиден. Водители государственных, служебных (корпоративных) автомобилей, таким образом, имеют возможность списать бензин. И сегодня он на вес золота.
Раньше на старые модели автомобилей устанавливались механические счетчики пробега, и увеличивать километраж можно было только механически. Со временем был изобретен электронный одометр, а опытные специалисты по радиоэлектронике из различных автобазов придумали простой и эффективный способ завести одометр. Для этого нужно подключить провод от дополнительной клеммы генератора к панели приборов, где находится сам одометр. Но инженеры-электронщики разработали новые одометры, которые очень сложно взломать.И когда однажды в гараже подключили одометр описанным выше способом, радиотехник обнаружил, что машина не заводится. Страдающего водителя, потерявшего дополнительный заработок, отправили искать другие способы решения этой проблемы.
История началась с Газелей и Соболей с 405 установленными двигателями, потребляющими много топлива. Именно эти моторы начали глохнуть, когда умельцы пытались завести одометр. Техника эффективного взлома устройства очень проста.К ЭБУ (электронному блоку управления) автомобиля необходимо подключить ПКК «Комбилоадер», с которого считывается специальная серийная программа управления двигателем. Затем откройте программу CTPro и снимите галочку напротив датчика скорости из перечисленной конфигурации в меню. По этому алгоритму в ЭБУ записывается уже измененная программа управления двигателем с небольшими изменениями.
После таких действий вы можете вызвать хорошего знакомого автоэлектрика, который подключит провод от генератора к одометру приборной панели, и процесс пойдет быстрее, вы сами сможете намотать необходимое количество километров.Но этот метод уже в прошлом. Сегодня мир полон передовых гаджетов и всевозможной электроники.
При объемном способе установки изготавливается простой генератор, состоящий из трех радиоэлементов (см. Электрическую схему).
Тумблер S1 нужен для переключения электрического сигнала, идущего на приборную панель, либо от нашего генератора, либо от штатного датчика скорости. Наш генератор получает напряжение от плюса замка зажигания.Это позволяет заводить пробег, не заводя машину (достаточно будет просто включить зажигание). Вы также можете включить цепь прямо во время движения автомобиля.
Автоэлектрик обязательно порекомендует вам впаять в цепь последовательно с триммером еще один резистор. Это необходимо для того, чтобы при направлении регулирования в крайнее левое положение его двигателя процесс генерации не происходил.
Также в цепи должен быть защитный диод, чтобы защитить электрическую цепь от изменения полярности.Указанные на схеме номиналы резистора и конденсатора вполне подходят для генерации прямоугольных импульсов с амплитудой 12 В в диапазоне низких и высоких частот (от 180 Гц до 1,5 кГц). Эти характеристики с лихвой покрывают потребности этого устройства на разных автомобилях.
Для быстрого изменения частотного диапазона требуется замена конденсатора. По мере уменьшения емкости частота увеличивается и наоборот.
Следующая схема, с тем же принципом работы генератора, построена на микросхеме 555 (1006VI1).
Следует помнить, что все варианты схем, приведенные в этой статье, были разработаны для напряжения 24В в грузовом автомобиле КАМАЗ.
На рисунке показана схема генератора для 176 (561) LA7 или HEF4011.
В таблице описаны автомобили с модифицированными одометрами.
| модель автомобиля | Год | Сводка по установке | |
| ГАЗель | с 2002 года | Разъем Х3 комбинации приборов: 11 контактный зеленый провод — сигнал постоянного тока. Желтый провод — + зажигание. Черный провод заземления. | |
| Kia magentis Hyindai соната | 2004 г. | Есть датчик скорости, обычный трехжильный, большой разъем комбинации приборов, вид со стороны контактов, коричневый провод. | |
Hyindai Elantra | 2004 | Комбинация приборов имеет три разъема: | |
Forg Tourneo Connect | 2003 | Есть датчик скорости, обычный трехпроводный, но его сигнал идет на ЭБУ, а с ЭБУ он передается по цифровой шине на панель управления.Поэтому пришлось порвать белую проводку с синей полосой на выводе №3 ЭБУ. | |
| VOLVO S70 | 1997 | Датчика скорости нет, сигнал на приборку идет с АБС-ки, это синус 6 вольт. Поэтому наш прибор питался от простейшего стабилизатора с выходным напряжением 6 Вольт, такого как КР142ЕН5Б (или любой маломощный импортный аналог) и на выходе у него уже были 6-вольтовые прямоугольные импульсы, которые устройство спокойно «переварило». .На панели разъем A находится вверху справа. Контакт 3 — синий провод — входной сигнал скорости 15 контакт — коричневый провод — масса 18 контакт — синий с красной полосой — + зажигание. | |
| Тойота Камри | 2003 г. | Большой разъем комбинации приборов, 35-контактный — провод с АБС и информацией о скорости. Если присмотреться, прямо на проводах есть нумерация. (Большое спасибо Coldun за их помощь) | |
| КАМАЗ | | ||
| МАЗ | Внимание! + 5V (средний верхний пин) выходит из устройства ! Защищать от короткого замыкания под напряжением.Развертка до 5 кГц. | ||
| УАЗ Патриот | |||
| УАЗ Хантер | Развертка до 1 кГц | ||
| Рено Логан | 2005 г. | 7 — черный, вес 10 — желтый: 15 клемма замка зажигания 22 — зеленый: датчик скорости | |
| Mitsubishi — Panjero Дизель | 2005 г. | На панели три разъема — черный (первый слева от водительской двери) и два белых.На черном разъеме крайний правый провод (желто-белый с серебряными кольцами) — постоянный ток. Любое устройство для наматывания на розетку с открытым коллектором (например, устройство для проверки цепи постоянного тока, приведенное в статье Олега Браткова). Естественно, вам еще нужен переключатель. | |
| Renault KANGOO | За панелью приборов два разъема — серый (два ряда) и красный (один ряд), обратите внимание на красный: 15 контактов, задействовано 6: 2 — сиреневый Распиновка слева направо; от центра панели (серый разъем) к краю.Нас интересует 13-й — коричневый (2), он отвечает за показания спидометра и счетчик одометра. Запитал прямоугольник ~ 500 герц, скважность 50%, схема классического генератора на 561 серию, витков на 200. | ||
| Mazda Tribute (она же Ford Maverick, Escape), американец. | Подключен напрямую к DS. ДС двухпроводной, стоит на АКПП ближе к моторному щиту. Обычный генератор на 561ле5, только конденсатор (0.1 мкФ, керамика) необходимо поместить в зазор вывода сигнала скорости, видимо там нужен синусоидальный сигнал. Тихо качает на скорости 250 км / ч, потом происходит поломка. Чек не загорается. | ||
HYUNDAI | 2007 г. | ||
Прежде чем приступить к некоторым изменениям в электронике вашего автомобиля, вам необходимо выполнить все пункты, перечисленные ниже. Наша задача — найти необходимую проводку, по которой информация о пробеге автомобиля в цифровом виде отправляется на одометр панели приборов.Процедура описана ниже по пунктам:
1) Осмотр коробки передач, задней оси, переднего привода (если автомобиль переднеприводный) для обнаружения датчика скорости.
2) Если вы обнаружили что-то похожее на датчике скорости, но не уверены, что это такое, то необходимо провести тесты. Для этого нужно снять с него разъем и проехать несколько километров. Вы должны обнаружить, что спидометр или одометр перестают работать. Если этого не произошло, значит, вы отключили не датчик скорости автомобиля, а что-то еще.
3) В этом случае, если вы обнаружите трехпроводной датчик скорости, то для определения сигнального провода обязательно замерить напряжение на его разъеме. Далее этот сигнальный провод нужно вызвать на приборной панели. К концу этого провода нужно будет подключить перемотчик. Для этого нужно подвесить ведущие колеса автомобиля и заставить их крутиться, параллельно с этим следить за сигналами, поступающими на приборную панель, с помощью осциллографа.
4) Если в первом пункте не удалось найти датчик скорости, то, вероятно, одометр получает сигнал скорости от АБС.В этом случае единственный вариант — поиск выходного сигнала на панели приборов с помощью осциллографа.
Если у вас есть в руках подробные информационные материалы, электрические схемы для модели автомобиля, которую вы собираетесь производить «чип-тюнинг», то задача значительно упрощается. Необходимо помнить, что каждый автомобиль от разных производителей отличается. Вы несете полную личную ответственность за свои действия. Поэтому, прежде чем приступить к подключению выбранных проводов, нужно несколько раз все перепроверить.В этом кратком обзоре завода одометра освещаются общие принципы решения поставленной задачи. Конкретная реализация на конкретном автомобиле конкретной модели может сильно отличаться в пользу усложнения. Если у вас уже есть опыт работы с другим типом автомобилей, которого еще нет в нашем списке, отправьте нам информацию, и мы будем рады заполнить нашу таблицу.
Некоторые тонкости создания устройства для завода одометра на автомобилях Ford Mondeo и Ford Focus 2006 года выпуска, а также Toyota Camry.
Эти модели автомобилей используют сигналы от АБС в качестве сигнала скорости автомобиля. В этих автомобилях используется датчик тока, что означает изменение тока в цепи при вращении колеса. Изменения происходят в диапазоне 7 — 14 мА. Если подключить осциллограф параллельно датчику, то при вращении колеса мы получим меандр с размахом около 0,5 В, при стандартном значении 12 В. Ниже представлена схема, полностью имитирующая работу такого датчика. .
На моделях Ford Mondeo и Ford Focus мы можем определить положительный провод с помощью тестера напряжения, сняв разъем и выполнив действия с проводом при включенном зажигании. В этом примере мы использовали эффект полной (ручной) повторной коммутации. Чтобы завести одометр, нужно открыть капот, затем вынуть заглушку из разъема, а на его место подключить перемотчик. Включаем зажигание машины и делаем необходимую обмотку. Выполнив необходимые действия, подключаем штекеры к разъемам, которые восстанавливают заводскую связь блока управления АБС с датчиками.Все эти провода можно было бы подключить к реле, но в результате наших действий появилось бы много лишних проводов. При тестировании и работе с нашей системой обмотки одометра необходимо использовать два ведущих колеса, потому что при вращении одного колеса показатель скорости не будет превышать 30 км в час.
Модель TOYOTA CAMRY, 2006 г.в., имеет панель приборов под названием «оптитрон» и неоновую подсветку. Объем двигателя 3,5 литра, коробка передач автомат, сигнал скорости, подаваемый на одометр, снимается с АБС и имеет форму синусоиды амплитудой 1В, с частотой прямо пропорциональной скорости вращения.В этом автомобиле используется датчик системы ABS индуктивного типа.
Электрическая цепь, которая нам нужна для намотки одометра, должна быть построена на транзисторе КТ3102. Резистивный делитель выполняет операции с амплитудой выходного сигнала, тем самым уменьшая его. Конденсатор емкостью от 0,1 мкФ до 0,47 мкФ удаляет постоянную составляющую сигнала.
Напоминаем, что вмешиваться в работу системы АБС не рекомендуется, но если вы все же приняли решение, то вы должны полностью осознавать последствия и, в соответствии с этим, выполнять работу на должном уровне качества.
Навыки коррекции показаний одометра всегда были востребованы водителями. В одних случаях требовалось покрутить спидометр и «омолодить» выставленную на продажу машину, в других — добавить лишние километры для «экономии» служебного топлива. Двадцать лет назад можно было крутить пробег на спидометре обычной электродрелью или электродвигателем с переходником. На коробке передач трос привода спидометра откручивался, зажимался в патрон дрели или переходника, и за пару часов наматывания спидометра можно было своими руками подкрутить необходимый пробег.
В современной технике используются:
- механические одометры;
- спидометры и одометры электромеханические;
- электронные счетчики скорости и пробега;
- цифровое универсальное средство записи информации о пробеге.
Иногда водители снимали приборную панель, отключив червячную передачу и шестерню, выставляли нужные цифры пробега руками или острым инструментом на колесах. Понятно, что сборка-разборка позволяла перекрутить любой пробег, но снижала точность показаний прибора, к тому же оставались следы пробития.Автомобильная промышленность перешла от механических спидометров к электромеханическим спидометрам, а затем и к электронным.
Электромеханические спидометры и одометры
С переходом на электромеханические системы стало труднее крутить спидометр. Информация о скорости движения определялась не числом оборотов троса трансмиссии, а генератором импульсов, который заменил редуктор на коробке передач. Импульсы преобразовывались шаговым двигателем во вращение вала червячной передачи и колес с номерами на информационном табло.
Теперь блок одометра часто был неразборным, и чтобы своими руками покрутить пробег автомобиля приходилось переводить цифры на колесах индикатора острым шилом, что создавало риск оставить следы вмешательства. Теперь крутить показания спидометра по старинке хлопотно.
Зачем нужно занижать или переоценивать пробег автомобиля
Еще три-четыре года назад основой торговли автомобилями была продажа подержанных автомобилей.5-7-летние модели с пробегом 300-400 тыс. Км продавались под видом моделей 2-3-летней давности с пробегом 60-90 тыс. Км. Техническое состояние достойное, внешний вид автомобиля, состояние салона и агрегатов двигателя за счет хорошей предпродажной подготовки соответствовали заявленным продавцом возрасту и пробегу …
Вскоре с рынка ушли модели с электромеханическими спидометрами. На рынке было выгоднее торговать с более новым оборудованием, имеющим электронные одометры, которые нельзя взломать или скрутить.Если скручивания километров на 10-летних моделях знаний было достаточно, то пробег 3-5 летних своими руками изменить невозможно, теперь только специалисты смогли правильно открутить данные спидометра и одометра на приборной панели. Раньше вопрос решался довольно просто — нужно было механически покрутить пробег автомобиля. С повсеместным распространением микрокомпьютеров любое вторжение в машинную электронику могло закончиться катастрофой. Возникла проблема как самому крутить пробег на электронном спидометре.
Соблазн для водителей служебных автомобилей
Проблема, связанная с заводом спидометра своими руками, возникла одновременно с установкой приборов для регистрации пробега автомобиля в служебных автомобилях. Нормы отпуска топлива основывались на расчетных данных его расхода для конкретного транспортного средства и, как правило, занижались. Чтобы оправдать перерасход газа, водителям пришлось искать решение, как завести спидометр и увеличить пробег одометра.
Электронные процессорные системы для контроля пробега
В период 1995-2005 годов ведущие производители автомобилей начали массово использовать системы, основанные на цифровой обработке сигналов и хранении в блоках управления транспортными средствами. Теперь в современных автомобилях пробег отображается на жидкокристаллическом индикаторе приборной панели микросхемой спидометра после суммирования импульсов датчика скорости. Информация о пробеге записывается в специальную микросхему памяти. Крутить показания стало сложнее.
Появление в микрокомпьютере микросхем энергонезависимой памяти, позволяющей записывать и хранить информацию об автомобиле, параметрах и условиях эксплуатации, значительно упростило работу специалистов мастерской.
Теперь мало знать, как наматывать электронный спидометр, для работы требуются навыки перепрограммирования и, конечно же, специальное оборудование.
Поверните электронный спидометр, чтобы уменьшить пробег
В 2000-х, на заре цифровой революции в автомобильной промышленности, было широко распространено мнение, что средний автолюбитель не мог понять, как попасть в электронику автомобиля и как покрутить электронный спидометр своими руками.Защита микросхем памяти не существовала или была реализована на минимальном уровне. Появились первые схемы генератора, имитирующие работу импульсного датчика, после десятка часов работы они отображали необходимую информацию в памяти микросхемы.
Интересно! Очень часто цепь для завода спидометра вообще не использовалась; вместо этого два из трех контактов обычного вентилятора-кулера, используемого для охлаждения процессора в компьютере, были подключены к разъемам управляющей микросхемы.
При подаче питания на кулер плата, встроенная в вентилятор, генерировала прямоугольные импульсы, идентичные тем, которые дает стандартный датчик. Регулируя скорость вращения вентилятора, можно было заводить спидометр своими руками.
Сегодня автопроизводители используют собственные разработки программ и электронных схем для управления автомобилем для защиты информации. Для считывания, взлома и прошивки информации в микрочипах автомобилей определенного автопроизводителя используются универсальные электронные платы.Процедура заводки спидометра заключается в подключении электронной схемы своими руками к соответствующим разъемам на приборной панели автомобиля.
В интернете полно предложений по покрутке счетчика пробега — от простых вариантов на отечественных авто до ультрасовременных на последних моделях BMW. В отечественных автомобилях, большинстве европейских и американских моделей, за исключением таких гигантов, как Mercedes, BMW, Peugeot, информация о пробеге была защищена достаточно слабо. Микросхемы памяти можно было легко вынуть из платы, особенно если их не паять, а вставлять в разъемы.
японских авто оказалось намного сложнее в плане взлома. Большинство микросхем ЭБУ были «плотно» отпечатаны на плате и не имели маркировки. Для изменения показаний приходилось менять плату на аналогичную.
Для взлома микрокомпьютера в плату, подключенную к диагностическим разъемам, были введены необходимые алгоритмы перезаписи кодов. Для более дорогих автомобилей с мощной системой защиты для перезаписи информации используются возможности полноценного компьютера с необходимым ПО, который подключается к шине обмена данными CAN-BUS или диагностическим разъемам OBD-II, EOBD через интерфейс доска.
Современные способы скручивания показаний пробега
Существующий парк автомобилей можно условно разделить на несколько категорий по степени сложности внесения изменений в микросхемы памяти:
- стандартный минимальный уровень защиты;
- повышенный уровень защиты;
- исключительные меры защиты.
Отечественные и иномарки со стандартным уровнем защиты
Практически все «отечественные» марки имеют панели программного обеспечения «Счетмаш» (Курск) или «Автоприбор» (Владимир).Пробег фиксируется в микросхеме памяти приборной панели PIC12F629. В конструкции нет разъема, который позволял бы перекручивать данные в памяти, поэтому практически всегда приборную панель приходится снимать с автомобиля. На предыдущих версиях панелей возможны изменения с заменой микросхемы.
В современных иномарках информация о пробеге записывается аналогично отечественным машинам в микросхему памяти одометра или спидометра. Чтобы покрутить пробег, владельцы покупают готовое решение в виде небольшой электронной доски с запрограммированными данными для конкретной модели.Для изменения показаний прибор подключается к разъему CAN-BUS и активируется кнопкой.
Примечание! Однажды плата позволяет крутить пробег на 50 тыс. Км. После перезаписи устройства новыми данными на заводе его можно использовать повторно.
Автомобили с дополнительными мерами защиты данных памяти
Среди моделей с обычными системами хранения данных о пробеге в одном месте — микросхеме памяти спидометра, за последние 2-3 года автопроизводители начали использовать дублирование данных в дополнительных блоках.Например, в Citroen Berlingo обновленная информация о пробеге сохраняется в бортовом компьютере. Если только закрутить информацию во флеш памяти одометра, то на ЖКИ приборной панели будет отображаться ошибка.
Помимо памяти ЭБУ, дубликат пробега может храниться в микросхемах иммобилайзера или светового модуля
Чтобы «профессионально» подкрутить пробег или перепрошить информацию в памяти, в европейских автомобилях используются универсальные инструменты, позволяющие работать с памятью бортового компьютера.Например, модель 912 TOOL BDM PROGRAMMER позволяет работать почти с сотней различных автомобилей, включая BMW и Mercedes.
Эксклюзивные схемы безопасности доступа
Говоря о доступе к памяти автомобильного компьютера, нельзя не упомянуть автомобили BMW и Mercedes. В большинстве моделей, особенно серии X, количество точек дублирования данных может достигать 3-4. Каждая микросхема фиксирует не только пробег, но и межсервисный интервал, ошибки двигателя и системы управления.
Изюминкой баварских автопроизводителей является использование микросхемы M35080 с повышенной защитой от перепрограммирования. Естественно, что сделать заводку электронного спидометра своими руками нереально. Чтобы закрутить ход, используют диагностическое оборудование, но можно попробовать и авторитетную разработку — универсальный программатор iProg USB с огромным набором возможностей.
Видео как крутить спидометр:
Скорость автомобиля фиксируется спидометром, а пробег рассчитывается одометром.Подъемник спидометра подключен к электрической цепи блока управления, регистрирующего показатели скорости автомобиля. Кроме того, во время использования автомобиля электронный ротатор спидометра генерирует импульсы от датчика скорости, что, в свою очередь, дает увеличение пробега вашего автомобиля. Форма импульсов, подаваемых генератором, полностью идентична импульсам датчика скорости вашего автомобиля, то есть работу спиннера невозможно отличить от реальных показаний спидометра.Обмотка спидометра осуществляется только в сторону увеличения показаний одометра, т.е. крутка спидометра не способна снизить его показания.
Как правильно выбрать ручку спидометра.
Устройства, обеспечивающие увеличение пробега, имеют разные схемы, и чтобы не допустить поломки электроники, важно знать, какая блесна идеальна для вашей машины. Отечественные автомобили и зарубежные модели, выпущенные до 2007 года, имеют генераторы эффекта Холла.Они работают, преобразуя механическое движение в электрические импульсы и передавая их на блок управления. Продолжительность импульсов пропорциональна скорости автомобиля. Генератор импульсов выдает аналогичные сигналы и наматывается пробег, который не отличить от реального даже специалистам по ТО. В более современных моделях устанавливается крутилка спидометра, работа которой осуществляется через диагностический разъем. Это устройство использует шину данных Can для отправки информации в блок управления и в настоящее время является самым популярным продуктом на рынке автомобильной электроники.
«>Преимущества твиста.
Если в вашем автомобиле есть электронный одометр, тележка для банок идеально подходит для увеличения пробега.
Для того, чтобы при парковке производился разгон, достаточно подключить это устройство к системе диагностики вашего автомобиля. Can roll регулирует показания одометра в обоих направлениях. Особо стоит отметить, что устройство не может быть обнаружено при диагностике или обслуживании. Стоимость банок намотки довольно высока, но высокая стоимость полностью оправдывается гарантией сохранности автомобильной электроники.
Можно ли сам сделать устройство?
Конечно, это возможно при глубоком знании электроники, тщательном анализе принципов работы той или иной модели и детальном изучении всех нюансов ее электронной системы. Если у вас нет таких знаний, стоит ли рисковать? Ведь некачественный электронный счетчик спидометра может и, скорее всего, приведет к поломке автомобиля. Обращаясь к специалисту, вы экономите не только свое время, но и деньги, ведь устранение поломки может обойтись вам в три раза дороже, чем первоначальное использование качественного устройства.
Системы непосредственного впрыска топлива на отечественных автомобилях позволили эффективно расходовать топливо, увеличивая мощность двигателя. В последнее время на автомобильном рынке наблюдается большой спрос на устройства, наматывающие электронные одометры … Кому выгодно увеличивать пробег в своей машине?
Ответ на этот вопрос очевиден. Водители государственных, служебных (корпоративных) автомобилей, таким образом, имеют возможность списать бензин. И сегодня он на вес золота.
Раньше на старые модели автомобилей устанавливались механические счетчики пробега, и увеличивать километраж можно было только механически. Со временем был изобретен электронный одометр, а опытные специалисты по радиоэлектронике из различных автобазов придумали простой и эффективный способ завести одометр. Для этого нужно подключить провод от дополнительной клеммы генератора к панели приборов, где находится сам одометр.
А вот электронщики разработаны новые одометры, которые очень сложно взломать.И когда однажды в гараже подключили одометр описанным выше способом, радиотехник обнаружил, что машина не заводится. Страдающего водителя, потерявшего дополнительный заработок, отправили искать другие способы решения этой проблемы.
История началась с Газелей и Соболей с 405 установленными двигателями, потребляющими много топлива. Именно эти моторы начали глохнуть, когда умельцы пытались завести одометр. Техника эффективного взлома устройства очень проста.К ЭБУ (электронному блоку управления) автомобиля необходимо подключить ПКК «Комбилоадер», с которого считывается специальная серийная программа управления двигателем.
Затем открываем программу СTPro и в меню из перечисленной конфигурации снимите галочку напротив датчика скорости. По этому алгоритму уже измененная программа управления двигателем записывается в ЭБУ с небольшими изменениями.
После таких действий вы можете вызвать хорошего знакомого автоэлектрика, который подключит провод от генератора к одометру приборной панели, и процесс пойдет быстрее, вы сами сможете намотать необходимое количество километров.Но этот метод уже в прошлом. Сегодня мир полон передовых гаджетов и всевозможной электроники.
Методом Объемную установку составляют простейший генератор, состоящий из трех радиоэлементов (см. электрическую схему).
Тумблер S1 нужен для переключения электрического сигнала, поступающего на приборную панель, либо от нашего генератора, либо от стандартного датчика скорости движения. Наш генератор получает напряжение от «плюса» замка зажигания.Это позволяет заводить пробег, не заводя машину (достаточно будет просто включить зажигание). Вы также можете включить цепь прямо во время движения автомобиля.
Автоэлектрик обязательно порекомендую вам припаять еще один резистор последовательно с триммером в схему. Это необходимо для того, чтобы при направлении регулирования в крайнее левое положение его двигателя процесс генерации не происходил.
Также в цепи должен присутствовать защитный диод для защиты электрической цепи от изменения полярности.Указанные на схеме номиналы резистора и конденсатора вполне подходят для генерации прямоугольных импульсов с амплитудой 12 В в диапазоне низких и высоких частот (от 180 Гц до 1,5 кГц). Эти характеристики с лихвой покрывают потребности этого устройства на разных автомобилях.
Для быстрой замены частотный диапазон требует замены конденсатора. По мере уменьшения емкости частота увеличивается и наоборот.
Следующая схема, с тем же принципом работы генератора, построена на микросхеме 555 (1006VI1).
Следует помнить, что все приведенные в статье варианты схем были разработаны для напряжения 24В в грузовике КАМАЗ.
На рисунке показана схема генератора для 176 (561) LA7 или HEF4011.
В таблице описаны автомобили с модифицированными одометрами.
модель автомобиля | Год выпуска | Краткое описание установки |
ГАЗель | Комбинация приборов, разъем X311 «зеленый провод», контакт — сигнал постоянного тока.Желтый провод — + зажигание. Черный провод — масса. | |
Kia magentis Hyindai соната | Обычный 3-проводной датчик скорости, боковые контакты, большой разъем, датчик скорости присутствует | |
Hyindai Elantra | Комбинация приборов состоит из трех разъемов: большой — желтый, большой — белый, маленький — старый. На рисунке изображен большой разъем (провод постоянного тока), вид сбоку на контакты, серый провод с коричневой полосой. | |
Forg Tourneo Connect, Mondeo | Датчик скорости — обычный трехпроводный, сигнал поступает на ЭБУ, сигнал снимается с ЭБУ по цифровой шине и передается на панель управления. Пришлось перерезать белый провод синей полосой, номер контакта на ЭБУ 3 | |
VOLVO S70 | Датчика скорости нет, сигнал скорости идет от АБС.Датчик ABS — это синусоидальный ток 6 вольт. Устройство получает напряжение от стабилизатора с выходным напряжением 6 В типа КР142ЕН5Б. На выходе получаем 6-вольтовые прямоугольные импульсы, которые приборка незаметно «переварила». На панели справа разъем А. Контакт 3 — синий провод — входной сигнал скорости 15 контакт — коричневый провод — масса 18 контакт — синий с красной полосой — + зажигание. | |
Тойота Камри | Комбинация приборов, 35 контактов, провод ABS с информацией о скорости.Нумерация проводов на проводах | |
Mitsubishi — Panjero дизельное топливо | На панели три разъема — один черный, расположенный первым слева от водительской двери, и два белых. На черном разъеме крайний правый желто-белый с серебряным кольцом, подключенный к выходу постоянного тока. Любое устройство для наматывания на розетку с открытым коллектором все равно нужно установить выключатель. | |
| За приборной панелью расположены два разъема по 15 контактов, 6 используются: 2 — сиреневый 10 — коричневый (1) 11 — зеленый (1) 12 — желтый 13 — коричневый (2) 15 — зеленый (2) Кодировка идет от слева направо: от центра панели (серый разъем) к краю. Нас интересует 13-й — коричневый (2) — отвечает за показания спидометра и счетчик одометра. Обслуживаемый прямоугольник ~ 500 Гц, скважность 50%, классическая схема генератора для серии 561, витков на 200 | ||
Mazda Tribute (также известная как Ford Maverick, Escape), американец. | Подключен к DS — двухпроводный, стоит на АКПП ближе к моторному щиту. Тихо качает на скорости 250 км / ч, потом происходит поломка. Чек не загорается. Генератор обычный, только конденсатор (0,1 мкФ, керамический) нужно ставить в зазор на выходе сигнала скорости, | |
| Камаз | ||
| МАЗ | Внимание! + 5V (средний верхний контакт) выходит из устройства! Защищать от короткого замыкания под напряжением.Развертка до 5 кГц. | |
| УАЗ Патриот | ||
| УАЗ Хантер | ||
| Renault Logan « | 7 — черный, масса 10 — желтый: 15 клемма выключателя зажигания 22 — зеленый: датчик скорости | |
| HYUNDAI Санта-Фе | 2007 |
Перед тем, как начать Чтобы внести некоторые изменения в электронику вашего автомобиля, вам необходимо выполнить все следующие пункты.Наша задача — найти необходимую проводку, по которой информация о пробеге автомобиля в цифровом виде отправляется на одометр панели приборов. Порядок действий описан ниже по пунктам:
1) ——- Осмотр коробки передач, задней оси, переднего привода (если автомобиль переднеприводный) на предмет обнаружения датчика скорости.
2) ——– Если вы обнаружили что-то похожее на датчике скорости, но не знаете, что это такое, то вам необходимо проверить это.Для этого нужно снять с него разъем и проехать несколько километров. Вы должны обнаружить, что спидометр или одометр перестают работать. Если этого не произошло, значит, вы отключили не датчик скорости автомобиля, а что-то еще.
3) ——— В этом случае, если вы обнаружите трехпроводной датчик скорости, то для определения сигнального провода необходимо в обязательном порядке замерить напряжение на его разъеме. Далее этот сигнальный провод нужно вызвать на приборной панели. К концу этого провода нужно будет подключить перемотчик.Для этого нужно подвесить ведущие колеса автомобиля и заставить их крутиться, параллельно с этим следить за сигналами, поступающими на приборную панель, с помощью осциллографа.
4) ——— Если в первом пункте датчик скорости обнаружить не удалось, значит, одометр, вероятно, получает сигнал скорости от АБС. В этом случае единственный вариант — поиск выходного сигнала на панели приборов с помощью осциллографа.
Если у вас есть в руках подробные информационные материалы, электрические схемы для модели автомобиля, которую вы собираетесь производить «чип-тюнинг», то задача значительно упрощается.Необходимо помнить, что каждый автомобиль от разных производителей отличается. Вы несете полную личную ответственность за свои действия. Поэтому, прежде чем приступить к подключению выбранных проводов, нужно несколько раз все перепроверить.
В этом кратком обзоре На заводе одометра освещены общие принципы решения поставленной перед нами задачи. Конкретная реализация на конкретном автомобиле конкретной модели может сильно отличаться в пользу усложнения.Если у вас уже есть опыт работы с другим типом автомобилей, которого еще нет в нашем списке, отправьте нам информацию, и мы будем рады заполнить нашу таблицу.
Некоторые тонкости создания счетчика одометра на автомобилях Ford Mondeo и Ford Focus 2006 года выпуска, а также Toyota Camry.
Эти модели автомобилей используют сигналы от АБС в качестве сигнала скорости автомобиля. В этих автомобилях используется датчик тока, что означает изменение тока в цепи при вращении колеса.Изменения происходят в диапазоне 7 — 14 мА. Если подключить осциллограф параллельно датчику, то при вращении колеса мы получим меандр с размахом около 0,5 В, при стандартном значении 12 В. Ниже представлена схема, полностью имитирующая работу такого датчика. .
На моделях Ford Mondeo и Ford Focus мы можем определить положительный провод с помощью тестера напряжения, сняв разъем и выполнив действия с проводом при включенном зажигании.В этом примере мы использовали эффект полной (ручной) повторной коммутации. Чтобы завести одометр, нужно открыть капот, затем вынуть заглушку из разъема, а на его место подключить перемотчик.
Включить зажигание автомобиля и делаем необходимую обмотку. Выполнив необходимые действия, подключаем штекеры к разъемам, которые восстанавливают заводскую связь блока управления АБС с датчиками. Все эти провода можно было бы подключить к реле, но в результате наших действий появилось бы много лишних проводов.При тестировании и работе с нашей системой обмотки одометра необходимо использовать два ведущих колеса, потому что при работе одного колеса показатель скорости не будет превышать 30 км в час.
Модель TOYOTA CAMRY, 2006 года выпуска, имеет приборную панель под названием «оптитрон» и имеет неоновую подсветку. Объем двигателя 3,5 литра, коробка передач автомат, сигнал скорости, поступающий на одометр, снимается с АБС и имеет форму синусоиды амплитудой 1В, с частотой прямо пропорциональной скорости вращения.В этом автомобиле используется датчик системы ABS индуктивного типа.
Электрическая схема, который нам нужен для заводки одометра должен быть построен на транзисторе КТ3102. Резистивный делитель выполняет операции с амплитудой выходного сигнала, тем самым уменьшая ее. Конденсатор емкостью от 0,1 мкФ до 0,47 мкФ удаляет постоянную составляющую сигнала.
Напоминаем, что вмешиваться в работу системы АБС не рекомендуется, но если вы все же приняли решение, то вы должны полностью осознавать последствия и, в соответствии с этим, выполнять работу на должном уровне качества.
Микросхема 555: приложение
Интегрированный таймерNE555 — это настоящий прорыв в области электроники. Он был создан в 1972 году сотрудником компании Signetics Хансом Р. Камензинд. Изобретение не утратило актуальности и по сей день. Позже устройство стало основой таймеров с дублированной (IN556N) и счетверенной конфигурацией (IN558N).
Без сомнения, детище электронщика позволило ему занять выдающуюся нишу в истории технических изобретений.По объему продаж это устройство превзошло все остальные с момента своего появления. На второй год существования микросхема 555 стала самой покупаемой деталью.
Лидерство сохранялось во все последующие годы. Микросхема 555, использование которой росло с каждым годом, продавалась очень хорошо. Например, в 2003 году было продано более 1 миллиарда экземпляров. Сама конфигурация агрегата за это время не изменилась. Он существует более 40 лет.
Внешний вид устройства стал неожиданностью для создателя.Камензинд преследовал цель сделать его гибким в использовании IP, но он не ожидал, что он окажется настолько многофункциональным. Изначально он использовался как таймер или генератор импульсов. Микросхема 555, применение которой быстро растет, теперь используется от детских игрушек до космических кораблей.
Устройство отличается выносливостью, поскольку построено на основе биполярной технологии, и ничего не требуется для его применения в космосе. Только тестовые работы проводятся с особой строгостью.Таким образом, с помощью тестовой схемы NE 555 для ряда приложений создаются индивидуальные тестовые спецификации. При изготовлении схем отличий нет, но подходы существенно различаются с выходным контролем.
Появление схемы в отечественной электронике
Первые упоминания о нововведении в советской радиотехнической литературе появились в 1975 году. Статья об изобретении была опубликована в журнале «Электроника». Микросхема 555, аналог которой был создан советскими электронщиками в конце 80-х годов прошлого века, в отечественной радиоэлектронике получила название КР1006ВИ1.
В производстве эта деталь использовалась при сборке видеомагнитофона Electronics Electronics VM12. Но это был не единственный аналог, ведь такое устройство создали многие производители по всему миру. Все агрегаты имеют прочный корпус DIP8, а также небольшой корпус SOIC8.
Технические характеристики схемы
Микросхема 555, графическое изображение которой представлено ниже, включает 20 транзисторов. На структурной схеме устройства 3 резистора сопротивлением 5 кОм.Отсюда и название устройства «555».
Основные технические характеристики товара:
- Напряжение питания 4,5-18В;
- Максимальный выходной ток 200 мА;
- Потребляемая энергия до 206 мА.
Если посмотреть, это цифровое устройство. Он может быть в двух положениях — низком (0 В) и высоком (от 4,5 до 15 В). В зависимости от блока питания показатель может достигать 18 В.
Зачем мне устройство? Микросхема
NE 555 — унифицированное устройство с широким спектром применения.Его часто используют при сборке различных схем, и это только придает изделию популярность. Соответственно увеличивается уровень потребительского спроса. Такая слава стала причиной падения цены таймера, что радует многих мастеров.
Внутренняя структура таймера 555
Как работает это устройство? Каждый из выводов блока подключен к цепи, содержащей 20 транзисторов, 2 диода и 15 резисторов.
Двойной формат модели
Следует отметить, что NE 555 (микрочип) доступен в двойном формате под названием 556.Он содержит две свободные ИС.
Таймер 555 имеет 8 контактов, а модель 556 — 14 контактов.
Режимы работы устройства
Модель 555 имеет три режима работы:
- Моностабильный режим работы микросхемы 555. Работает как односторонняя, односторонняя. Во время работы импульс заданной длины выбрасывается в ответ на входной сигнал триггера при нажатии кнопки. На выходе будет низкое напряжение, пока не будет включен триггер.Отсюда его и назвали ожиданием (моностабильным). Такой принцип работы удерживает устройство в нерабочем состоянии до его включения. Режим предусматривает включение таймеров, переключателей, сенсорных переключателей, делителей частоты и т.д.
- Нестабильный режим — это автономная функция устройства. Это позволяет схеме оставаться в режиме генератора. Напряжение на выходе переменное: то низкое, то высокое. Данная схема применима, если нужно настроить рывки устройства прерывистого характера (с кратковременным включением и отключением агрегата).Режим используется при включении ламп с помощью светодиодов, функционирует в логической схеме часов и т. Д.
- Бистабильный режим или триггер Шмидта. Понятно, что он работает по триггерной системе в отсутствие конденсатора и имеет два стабильных состояния: высокое и низкое. Низкое значение триггера переходит в высокое. Когда понижается напряжение, система переходит в низкое состояние. Эта схема применима в сфере железнодорожного строительства.
Выходы таймера 555
Генератор микросхем 555 включает восемь выходов:
- Вывод 1 (земля).Он подключен к отрицательной стороне питания (провод общей цепи).
- Выход 2 (триггер). Он на время подает высокое напряжение (все зависит от мощности резистора и конденсатора). Эта конфигурация является моностабильной. Контакт 2 управляет контактом 6. Если напряжение на обоих низкое, то на выходе оно будет высоким. В противном случае при высоком напряжении на контакте 6 и низком уровне на контакте 2 выход таймера будет низким.
- Выход 3 (выход). Выходы 3 и 7 совпадают по фазе. Подача высокого напряжения величиной около 2 В и низкого напряжения от 0.5 В приведет к току до 200 мА.
- Выход 4 (сброс). Напряжение на этом выходе низкое, несмотря на рабочий режим 555. Во избежание случайных разрядов вы должны подключать этот выход к положительной стороне во время использования.
- Заключение 5 (контроль). Открывает доступ к компаратору напряжения. Этот вывод не относится к российской электронике, но при ее подключении можно добиться широкого набора возможностей управления устройством 555.
- Выход 6 (стоп).Он включен в компаратор 1. Он противоположен контакту 2, предназначен для остановки устройства. Это приводит к низкому напряжению. Этот вывод может принимать синусоидальные и прямоугольные импульсы.
- Вывод 7 (цифра). Он подключен к коллектору транзистора Т6, а эмиттер последнего заземлен. Когда транзистор открыт, конденсатор разряжается, пока не закроется.
- Вывод 8 (положительная сторона источника питания), что составляет от 4,5 до 18 В.
Использование выхода Выход
Выход 3 (выход) может находиться в двух состояниях:
- Цифровой выход подключается напрямую ко входу другого драйвера на цифровой основе.Цифровой выход может управлять другими устройствами с помощью нескольких дополнительных компонентов (напряжение источника питания 0 В).
- Показание напряжения во втором состоянии высокое (Vcc на источнике питания).
Характеристики устройства
- Когда напряжение понижается на выходе, ток проходит через устройство и соединяет его. Это уменьшение, поскольку ток создается из Vcc и проходит через блок до 0 В.
- По мере увеличения выхода ток, проходящий через прибор, обеспечивает его активацию.Этот процесс можно назвать источником тока. Электричество в этом случае вырабатывается таймером и проходит через устройство до 0 В.
Повышение и понижение могут работать вместе. Таким образом, устройство включается и выключается одно за другим. Этот принцип применим к работе ламп на светодиодах, реле, двигателях, электромагнитах. К недостаткам этой особенности можно отнести то, что устройство необходимо подключать к выходу различными способами, поскольку выход 3 может выступать как потребителем, так и источником тока до 200 мА.Используемый источник питания должен быть настроен на подачу достаточного тока для обоих устройств и таймера 555.
МикросхемаLM555
Микросхема 555 DataLight (LM555) обладает широким функционалом.
Он используется от генераторов прямоугольных импульсов с регулируемым рабочим циклом, реле и временем задержки до сложных конфигураций генераторов ШИМ. Микросхема 555 выводов и внутреннее устройство отражены на рисунке.
Уровень точности прибора составляет 1% от расчетного показателя, что является оптимальным.На такой агрегат как NE 555 микросхема есть даташит, на температурный режим окружающей среды не влияет.
Аналоги микросхемы NE555
Микросхема 555, аналог которой в России назывался КР1006ВИ1, представляет собой интегрированное устройство.
Среди рабочих блоков следует выделить RS-триггер (DD1), компараторы (DA1 и DA2), каскад выходного усилителя на основе двухтактной системы и транзистор VT3. Назначение последнего — сбросить конденсатор, регулирующий время, при использовании блока в качестве генератора.Сброс триггера происходит при подаче логической единицы (Jupit / 2 … Jupit) на входы R.
При сбросе триггера на выходе устройства (вывод 3) будет низкое напряжение (транзистор VT2 открыт).
Уникальность схемы 555
При функциональной схеме устройства очень сложно понять, в чем его необычность. Оригинальность устройства в том, что в нем есть особый элемент управления триггером, а именно он формирует управляющие сигналы.Их создание происходит на DA1 и DA2 компараторов (один из входов, к которым применяются опорное напряжение). Для формирования управляющих сигналов на входах триггера (выходах компараторов) должны приниматься сигналы с высоким напряжением.
Как запустить устройство?
Для запуска таймера на выход 2 необходимо подать напряжение от 0 до 1/3 Юпитера. Этот сигнал облегчает срабатывание триггера, а на выходе генерируется сигнал высокого напряжения. Сигнал выше предела не вызывает каких-либо изменений в схеме, так как опорное напряжение для компаратора DA2 и 1/3 Юпитер.
Вы можете остановить таймер при сбросе триггера. Для этого, напряжение на выходе 6 должно превышать индикатор 2/3 Юпитер (опорное напряжение для компаратора DA1 составляет 2/3 Юпитера). При сбросе устанавливается сигнал низкого напряжения и конденсатор, устанавливающий время, разряжается.
Опорное напряжение можно регулировать путем подключения дополнительного сопротивления или источника питания к блоку терминала.
Обмотка спидометра на микросхеме 555
В последнее время среди автовладельцев стало модно наматывать пробег по спидометру.
Многие задаются вопросом, а перемотка спидометра на микросхеме 555 выполняется самостоятельно?
Эта процедура не представляет особой сложности. Для его изготовления используется микросхема 555, которая может выполнять функцию счетчика импульсов. Отдельные компоненты схемы можно брать с показателями, отклоняющимися на 10-15% от расчетных значений.
Бортовые компьютеры и накатка спидометра. Схема устройства для обмана электронных автомобильных спидометров Маз, Камаз, УАЗ и многие другие
Довольно популярный среди автолюбителей прибор — спидометр , перемотчик … Схемы таких устройств могут быть реализованы на основе генераторных микросхем или логики. Сегодня я представлю две простые схемы моталки, которые позволят вам перемотать километры, пройденные вашим железным конем.
Как завести спидометр своими руками
Первая схема построена на популярной микросхеме NE555 или просто таймере 555.
Микросхема может работать как генератор прямоугольных импульсов или как таймер, в нашем случае микросхема подключается по схеме генератора импульсов, ниже приведена формула расчета частоты генератора.
Ничего сложного, вариант подключения стандартный. Рейтинги используемых компонентов могут быть отклонены в сторону повышения или понижения на 10-15%.
Сам таймер копейки стоит, аналогов много, в том числе отечественный аналог КР1006ВИ1. Переменный резистор на 10 кОм отвечает за частоту импульсов, конденсатор на 200 пиков — за их продолжительность.
Второй контур построен на логической микросхеме (CD4011). Компонентов в обвязке еще меньше, помимо самой логики используется еще один компонент — силовой транзистор обратной проводимости.Выбор транзистора не критичен, его можно заменить на отечественные КТ815, КТ805, КТ819, КТ829, либо из линейки импортных MJE13003, 13005, 13007, 13009, BD139 (последний является полным аналогом нашего КТ815G)
Номинал базового ограничивающего резистора R12 можно изменять в широком диапазоне, можно использовать резисторы с сопротивлением 100 Ом-1кОм. Так заводится спидометр.
Чехол для будущего устройства на ваш выбор — удачи!
«Сколько бы вы ни украли у государства, вам все равно не вернуть свое!»
С развитием систем впрыска на отечественных автомобилях появился устойчивый спрос на устройства, которые «заводят» электронные одометры.Вы спросите, зачем это нужно? Ответ очевиден: для водителей государственных (служебных) автомобилей это способ списания бензина. А он, как известно, сейчас стал не дешевым … Раньше, когда были только механические одометры, эта проблема решалась другими, в том числе механическими, методами. Потом появились первые электронные одометры, и «продвинутые электрики» различных автобаз нашли простой и эффективный способ заводить одометры, протягивая провод от дополнительной клеммы генератора к приборной панели.Но электроника не стояла на месте, и когда, однажды подключив магическую проводку описанным выше способом, электрик обнаружил, что машина не заводится, ничего не оставалось, как отправить страждущего водителя искать другие пути решить проблему.
Все началось с обычных Газелей и Соболей с 405 двигателями, которых на нашем градообразующем предприятии достаточно. Именно они начали глохнуть при использовании вышеописанного метода.
Техника боя очень проста и эффективна.ПКК «Комбилоадер» подключается к ЭБУ экспериментальной машины и считывается серийная программа управления двигателем. Далее открывается в программе CTPro и из конфигурации убирается флаг датчика скорости. И с таким небольшим изменением уже измененная программа управления двигателем записывается в ЭБУ. В принципе, после этого можно вызвать «продвинутого электрика из автобазы», который закинет волшебную проводку от генератора и процесс, как говорится, пойдет …Но это не наш метод.
Простейший генератор из трех частей изготавливается методом объемной установки (см. Схему ниже).
Тумблер S1 переключает сигнал, идущий на панель, либо от нашего генератора, либо от штатного датчика скорости. Генератор питается от плюса замка зажигания. Таким образом, основным преимуществом такого решения является то, что можно заводить пробег, не заводя машину (достаточно включить зажигание), а также прямо на ходу «машины» движущейся со скоростью 200 км. / ч »на зависть коллегам по автопарку.
Несколько замечаний по схеме. Конечно, привередливый электронщик обязательно порекомендует поставить еще один резистор последовательно с триммером, чтобы в крайнем левом положении его двигателя генерация не прерывалась. А также необходим защитный диод от переполюсовки схемы. Но нам с тобой это не нужно, мы аккуратные, внимательные и неторопливые. При номиналах резистора и конденсатора, указанных на схеме, схема генерирует прямоугольные импульсы амплитудой 12 вольт в диапазоне частот от ≈ 180 Гц до ≈ 1.5 кГц, что пока покрывает потребность в использовании этого устройства на разных автомобилях.
Если необходимо быстро изменить диапазон генерируемых частот, конденсатор необходимо заменить. Когда он уменьшается, частота увеличивается и наоборот.
Еще одна схема генератора, предоставленная для публикации Yvm.
Ниже представлена таблица с описанием автомобилей с нашими лично модифицированными одометрами.
| модель автомобиля | Год | Краткое описание установки |
| ГАЗель | с 2002 года | Разъем Х3 комбинации приборов: 11 контактный зеленый провод — сигнал постоянного тока. Желтый провод — + зажигание. Черный провод заземления. |
| Kia magentis Hyindai соната | 2004 | Есть датчик скорости, обычный трехпроводный, большой разъем комбинации приборов, вид со стороны контактов, коричневый провод. |
| Комбинация приборов имеет три разъема: желтый большой; белый крупный; белый мелкий. В белом большом разъеме стрелкой на рисунке указан провод постоянного тока, вид сбоку на контакты, провод серый с коричневой полосой. | ||
Forg Tourneo Connect | Датчик скорости есть, обычный трехпроводный, но его сигнал поступает на ЭБУ, а от ЭБУ по цифровой шине передается на ПКП. Поэтому пришлось порвать белую проводку с синей полосой на выводе 3 ЭБУ. | |
| VOLVO S70 | 1997 | Датчика скорости нет, сигнал на приборку идет от АБС, это синус 6 вольт.Поэтому наш прибор питался от простейшего стабилизатора с выходным напряжением 6 Вольт, такого как КР142ЕН5Б (или любой маломощный импортный аналог) и на выходе у него уже были 6-вольтовые прямоугольные импульсы, которые спокойно «переваривались». Устройство. На панели разъем A находится вверху справа. Контакт 3 — синий провод — входной сигнал скорости 15 контакт — коричневый провод — масса 18 контакт — синий с красной полосой — + зажигание. |
| Тойота Камри | 2003 | Большой разъем комбинации приборов, 35-контактный — провод с АБС и информацией о скорости.Если присмотреться, прямо на проводах есть нумерация. (Большое спасибо Coldun за помощь) |
| КАМАЗ | ||
| МАЗ | | |
| УАЗ Патриот | ||
| УАЗ Хантер | | |
| Renault Logan « | »2005 | 7 — черный, вес | Митсубиси
| — Panjero дизель | 2005 | На панели три разъема — черный (первый слева от водительской двери) и два белых.На черном разъеме крайний правый провод (желто-белый с серебряными кольцами) — постоянный ток. Любое устройство для намотки на розетке с открытым коллектором (например, устройство для проверки цепи постоянного тока, приведенное в статье Олега Браткова). Естественно, вам еще нужен переключатель. |
| RenaultKANGOO | За панелью приборов два разъема — серый (два ряда) и красный (один ряд), обратите внимание на красный: 15 контактов, задействовано 6: 2 — сиреневый Распиновка слева направо; от центра панели (серый разъем) к краю.Нас интересует 13-й — коричневый (2), он отвечает за показания спидометра и счетчик одометра. Запитал прямоугольник ~ 500 герц, скважность 50%, схема классического генератора на 561 серию, витков на 200. | |
| Mazda Tribute (он же Ford Maverick, Escape), американец. | Подключен напрямую к DS. ДС двухпроводной, стоит на АКПП ближе к моторному щиту. Обычный генератор на 561ле5, только конденсатор (0.1 мкФ, керамика) необходимо поместить в зазор вывода сигнала скорости, видимо там нужен синусоидальный сигнал. Тихо качает на скорости 250 км / ч, потом происходит поломка. Чек не загорается. | |
HYUNDAI Санта-Фе | 2007 г. |
В заключение обозначим примерный алгоритм поиска одной единственной, необходимой проводки, по которой на одометр панели приборов поступает информация о пробеге.
1. Осмотр коробки передач, приводов, задних мостов на предмет обнаружения датчика скорости.
2. Если обнаружен датчик скорости (или что-то подобное), то нужно убедиться, что это он. Снимите с него разъем и сделайте небольшой тест-драйв. Спидометр или одометр должны перестать работать.
3. Если обнаруженный датчик скорости трехпроводный, то необходимо измерить напряжение на его разъеме и определить сигнальный провод. Затем подведите этот сигнальный провод к приборной панели, чтобы подключить заводское устройство в салоне.Если датчик двухпроводный, то необходимо определить форму волны, которая поступает на панель. Это можно сделать, подвесив ведущие колеса и заставив их вращаться, контролировать сигналы, поступающие на панель, с помощью осциллографа.
4. Если на шаге 1 датчик скорости не обнаружен, то вполне возможно, что панель получает сигнал скорости от АБС. Затем, используя метод, описанный в пункте 3, необходимо поискать этот сигнал осциллографом, на разъемах панели приборов.
Конечно, если у вас есть подробные информационные материалы по модели автомобиля, которую вы собираетесь пройти такой «тюнинг», то задача значительно упрощается. Но в любом случае не забывайте, что вы действуете на свой страх и риск, а потому трижды перепроверьте себя, прежде чем бездумно «привязывать что-то к чему-то». Также хочу отметить, что в этом кратком обзоре освещены общие принципы решения данной проблемы, а конкретная реализация на конкретном автомобиле может сильно отличаться в сторону сложности.Если у вас есть информация по подключению к другим типам автомобилей, пришлите нам, мы будем рады заполнить таблицу «применимость»
Некоторые примечания по созданию заводских устройств для Ford Mondeo и Ford Focus, 2006 г.в., Toyota Camry
Эти автомобили используют сигналы датчиков АБС в качестве сигнала скорости. На этих моделях эти датчики являются током, а это значит, что при вращении колеса ток в цепи изменяется. Изменения составляют около 7/14 мА, то есть, если вы подключите осциллограф параллельно датчику до этого, вращая колесо, мы должны увидеть прямоугольную волну с размахом около 0.5 Вольт на фоне 12 Вольт. На приведенной ниже схеме имитируется полная работа такого датчика.
Положительный провод можно определить, сняв разъем с датчика и измерив напряжение на проводке тестером при включенном зажигании. Мы использовали полную ручную перемонтажу, то есть для того, чтобы завести, клиент открывает капот, вынимает заглушки из разъемов, и намотчик вставляет вместо заглушек. Включает зажигание, производит необходимую обмотку.По окончании снимает перемотчик с разъемов и вставляет вилки в разъемы, которые восстанавливают заводскую связь блока управления АБС с датчиками. Конечно, можно было все это переключить на реле, но под капотом появилось много лишних проводов, а во главу угла поставили камуфляж. Обязательно использовать два колеса, так как на одном скорость не превышает 30 км / ч.
Теперь рассмотрим TOYOTA CAMRY, модельный год 2006. Панель этого автомобиля называется Optitron и имеет неоновую подсветку.Машинка 3.5 литра на автомате. Сигнал скорости также берется с датчиков ABS, но представляет собой синусоидальную волну с амплитудой около 1 В и частотой, которая прямо пропорциональна скорости вращения. То есть датчик ABS индуктивного типа. В данном случае применялась схема, приведенная ниже. Транзистор используется КТ3102 любого типа. Резистивный делитель снижает амплитуду выходного сигнала, а конденсатор емкостью от 0,1 мкФ до 0,47 мкФ удаляет постоянную составляющую сигнала.В итоге на выходе образовался корявый сигнал, но блок управления АБС его проглотил отлично и желаемый результат был получен. Также следует отметить, что этот сигнал должен подаваться на два передних колеса. Однако в этом случае сложных подключений не потребовалось, и необходимые сигнальные провода были привязаны непосредственно к штатной разводке.
В заключение я хотел бы напомнить вам, что ABS является одной из важных систем, влияющих на безопасность, и если вы уже решили вмешаться в нее, вы должны четко понимать последствия и, в соответствии с этим, выполнять работу на надлежащий уровень качества.
Небольшое дополнение к одометрам «КАМАЗ». Этот прибор можно легко настроить на «неверные» показания с помощью
.Системы непосредственного впрыска топлива на отечественных автомобилях позволили эффективно использовать топливо, увеличивая мощность двигателя. В последнее время на автомобильном рынке наблюдается большой спрос на устройства, наматывающие электронные одометры … Кому выгодно увеличивать пробег в своей машине?
Ответ на этот вопрос очевиден. Водители государственных, служебных (корпоративных) автомобилей, таким образом, имеют возможность списать бензин.И сегодня он на вес золота.
Раньше на старые модели автомобилей устанавливались механические счетчики пробега, и увеличивать километраж можно было только механически. Со временем был изобретен электронный одометр, а опытные специалисты по радиоэлектронике из различных автобазов придумали простой и эффективный способ завести одометр. Для этого нужно подключить провод от дополнительной клеммы генератора к панели приборов, где находится сам одометр.
А вот электронщики разработаны новые одометры, которые очень сложно взломать. И когда однажды в гараже подключили одометр описанным выше способом, радиотехник обнаружил, что машина не заводится. Страдающего водителя, потерявшего дополнительный заработок, отправили искать другие способы решения этой проблемы.
История началась с Газелей и Соболей, на которых было установлено 405 двигателей, потребляющих много топлива. Именно эти моторы начали глохнуть, когда умельцы пытались завести одометр.Техника эффективного взлома устройства очень проста. К ЭБУ (электронному блоку управления) автомобиля необходимо подключить ПКК «Комбилоадер», с которого считывается специальная серийная программа управления двигателем.
Затем открываем программу СTPro и в меню из перечисленной конфигурации снимите галочку напротив датчика скорости. По этому алгоритму уже измененная программа управления двигателем записывается в ЭБУ с небольшими изменениями.
После таких действий вы можете вызвать хорошего знакомого автоэлектрика, который подключит провод от генератора к одометру панели приборов, и процесс пойдет быстрее, вы сами сможете намотать необходимое количество километров.Но этот метод уже в прошлом. Сегодня мир полон передовых гаджетов и всевозможной электроники.
Методом Объемную установку составляют простейший генератор, состоящий из трех радиоэлементов (см. электрическую схему).
Тумблер S1 необходим для переключения электрического сигнала, поступающего на приборную панель, либо от нашего генератора, либо от стандартного датчика скорости. Наш генератор получает напряжение от «плюса» замка зажигания.Это позволяет заводить пробег, не заводя машину (достаточно будет просто включить зажигание). Так же можно включить схему в работу прямо во время движения машины.
Автоэлектрик обязательно порекомендую вам припаять еще один резистор последовательно с триммером в схему. Это необходимо для того, чтобы при направлении регулирования в крайнее левое положение его двигателя не происходил процесс отказа генерации.
Также в цепи должен присутствовать защитный диод для защиты электрической цепи от изменения полярности.Указанные на схеме номиналы резистора и конденсатора вполне подходят для генерации прямоугольных импульсов с амплитудой 12 В в диапазоне низких и высоких частот (от 180 Гц до 1,5 кГц). Эти характеристики с лихвой покрывают потребности этого устройства в разных автомобилях.
Для быстрой замены частотный диапазон требует замены конденсатора. По мере уменьшения емкости частота увеличивается и наоборот.
Следующая схема, с тем же принципом работы генератора, построена на микросхеме 555 (1006VI1).
Следует помнить, что все варианты схем, приведенные в этой статье, были разработаны для напряжения 24В, в автомобиле КАМАЗ.
На рисунке показана схема генератора для 176 (561) LA7 или HEF4011.
В таблице описаны автомобили с модифицированными одометрами.
модель автомобиля | Год выпуска | Краткое описание установки |
ГАЗель | Комбинация приборов, разъем X311 «зеленый провод», контакт — сигнал постоянного тока.Желтый провод — + зажигание. Черный провод — масса. | |
Kia magentis Hyindai соната | Обычный 3-проводный датчик скорости, боковые контакты, большой разъем, датчик скорости присутствует | |
Hyindai Elantra | Комбинация приборов состоит из трех разъемов: большой — желтый, большой — белый, маленький — старый. На рисунке изображен большой разъем (провод постоянного тока), вид сбоку на контакты, серый провод с коричневой полосой. | |
Forg Tourneo Connect, Mondeo | Датчик скорости — обычный трехпроводный, сигнал поступает на ЭБУ, сигнал снимается с ЭБУ по цифровой шине и передается на панель управления. Пришлось перерезать белый провод синей полосой, номер контакта на ЭБУ 3 | |
VOLVO S70 | Датчика скорости нет, сигнал скорости идет от системы АБС.Датчик ABS — это синусоидальный ток 6 вольт. Устройство получает напряжение от стабилизатора с выходным напряжением 6 В типа КР142ЕН5Б. На выходе получаем 6-вольтовые прямоугольные импульсы, которые приборка незаметно «переварила». На панели справа разъем А. Контакт 3 — синий провод — входной сигнал скорости 15 контакт — коричневый провод — масса 18 контакт — синий с красной полосой — + зажигание. | |
Тойота Камри | Комбинация приборов, 35 контактов, провод с АБС и информацией о скорости.Нумерация проводов на проводах | |
Mitsubishi — Panjero дизельное топливо | На панели три разъема — один черный, расположенный первым слева от водительской двери, и два белых. На черном разъеме крайний правый желто-белый с серебряным кольцом, подключенный к выходу постоянного тока. Любое устройство для наматывания на розетку с открытым коллектором все равно нужно установить выключатель. | |
| За приборной панелью расположены два разъема по 15 контактов, 6 используются: 2 — сиреневый 10 — коричневый (1) 11 — зеленый (1) 12 — желтый 13 — коричневый (2) 15 — зеленый (2) Кодировка идет от слева направо: от центра панели (серый разъем) к краю. Нас интересует 13-й — коричневый (2) — отвечает за показания спидометра и счетчик одометра. Подается прямоугольник ~ 500 герц, скважность 50%, классическая схема генератора для 561 серии, витков на 200 | ||
Mazda Tribute (также известная как Ford Maverick, Escape), американец. | Подключен к DS — двухпроводный, стоит на АКПП ближе к моторному щитку. Тихо качает на скорости 250 км / ч, потом происходит поломка. Чек не загорается. Генератор обычный, только конденсатор (0,1 мкФ, керамика) нужно ставить в зазор на выходе сигнала скорости, | |
| Камаз | ||
| МАЗ | Внимание! + 5V (средний верхний контакт) выходит из устройства! Защищать от короткого замыкания под напряжением.Развертка до 5 кГц. | |
| УАЗ Патриот | ||
| УАЗ Хантер | ||
| Рено Логан « | 7 — черный, масса 10 — желтый: 15 клемма выключателя зажигания 22 — зеленый: датчик скорости | |
| HYUNDAI Санта-Фе | 2007 |
Перед тем, как начать Чтобы внести некоторые изменения в электронику вашего автомобиля, вам необходимо выполнить все следующие пункты.Наша задача — найти необходимую проводку, по которой информация о пробеге автомобиля в цифровом виде отправляется на одометр панели приборов. Порядок действий описан ниже по пунктам:
1) ——- Осмотр коробки передач, задней оси, переднего привода (если автомобиль переднеприводный) на предмет обнаружения датчика скорости.
2) ——— Если вы обнаружили что-то похожее на датчике скорости, но не уверены, что это такое, то необходимо провести тесты.Для этого нужно снять с него разъем и проехать несколько километров. Вы должны обнаружить, что спидометр или одометр перестают работать. Если этого не произошло, значит, вы отключили не датчик скорости автомобиля, а что-то еще.
3) ——— В этом случае, если вы обнаружите трехпроводной датчик скорости, то для определения сигнального провода необходимо в обязательном порядке замерить напряжение на его разъеме. Далее этот сигнальный провод нужно вызвать на приборной панели. К концу этого провода нужно будет подключить перемотчик.Для этого нужно подвесить ведущие колеса автомобиля и заставить их крутиться, параллельно с этим следить за сигналами, поступающими на приборную панель, с помощью осциллографа.
4) ——— Если в первой точке датчик скорости обнаружить не удалось, значит, одометр, вероятно, получает сигнал скорости от АБС. В этом случае единственный вариант — поиск выходного сигнала на панели приборов с помощью осциллографа.
Если у вас есть в руках подробные информационные материалы, электрические схемы для модели автомобиля, которую вы собираетесь производить «чип-тюнинг», то задача значительно упрощается.Необходимо помнить, что каждый автомобиль от разных производителей отличается. Вы несете полную личную ответственность за свои действия. Поэтому, прежде чем приступить к подключению выбранных проводов, нужно несколько раз все перепроверить.
В этом кратком обзоре заводя одометр, выделяются общие принципы решения поставленной перед нами задачи. Конкретная реализация на конкретном автомобиле конкретной модели может сильно отличаться в пользу усложнения.Если у вас уже есть опыт работы с другим типом автомобилей, которого еще нет в нашем списке, отправьте нам информацию, и мы будем рады заполнить нашу таблицу.
Некоторые тонкости создания счетчика одометра на автомобилях Ford Mondeo и Ford Focus 2006 года выпуска, а также Toyota Camry.
Эти модели автомобилей используют сигналы от АБС в качестве сигнала скорости автомобиля. В этих автомобилях используется датчик тока, что означает изменение тока в цепи при вращении колеса.Изменения происходят в диапазоне 7 — 14 мА. Если подключить осциллограф параллельно датчику, то при вращении колеса мы получим меандр с размахом около 0,5 В, при стандартном значении 12 В. Ниже представлена схема, полностью имитирующая работу такого датчика. .
На моделях Ford Mondeo и Ford Focus мы можем определить положительный провод с помощью тестера напряжения, сняв разъем и выполнив действия с проводом при включенном зажигании.В этом примере мы использовали эффект полной (ручной) повторной коммутации. Чтобы завести одометр, нужно открыть капот, затем вынуть заглушку из разъема, а на его место подключить перемотчик.
Включить зажигание автомобиля и делаем необходимую обмотку. Выполнив необходимые действия, подключаем штекеры к разъемам, которые восстанавливают заводскую связь блока управления АБС с датчиками. Все эти провода можно было бы подключить к реле, но в результате наших действий появилось бы много лишних проводов.При тестировании и работе с нашей системой обмотки одометра необходимо использовать два ведущих колеса, потому что при работе одного колеса показатель скорости не будет превышать 30 км в час.
Модель TOYOTA CAMRY, 2006 года выпуска, имеет приборную панель под названием «оптитрон» и имеет неоновую подсветку. Объем двигателя 3,5 литра, коробка передач автомат, сигнал скорости, поступающий на одометр, снимается с АБС и имеет форму синусоиды амплитудой 1В, с частотой прямо пропорциональной скорости вращения.В этом автомобиле используется датчик системы ABS индуктивного типа.
Электрическая схема, который нам нужен для заводки одометра должен быть построен на транзисторе КТ3102. Резистивный делитель выполняет операции с амплитудой выходного сигнала, тем самым уменьшая ее. Конденсатор емкостью от 0,1 мкФ до 0,47 мкФ удаляет постоянную составляющую сигнала.
Напоминаем, что вмешиваться в работу системы АБС не рекомендуется, но если вы все же приняли решение, то вы должны полностью осознавать последствия и, в соответствии с этим, выполнять работу на должном уровне качества.
Схема накрутки спидометра Схема завода спидометра, одометра, увеличения пробега на легковых и грузовых автомобилях.
Этот раздел моего сайта посвящен тем, кто хочет сэкономить и самостоятельно собрать устройство для снятия показаний одометра.
Радиодетали для корректора пробега можно купить на любом радиорынке. Схема подключения сигнального провода для каждого автомобиля разная, а точки подключения зависят от пожеланий клиента, и сноровки автоэлектрика, устанавливающего скрутку.
Схема крутки спидометра выглядит так:
ЖЕЛАЯ ПРИОБРЕСТИ ГОТОВЫЕ УСТРОЙСТВА С СХЕМОЙ ПОДКЛЮЧЕНИЯ ДЛЯ ВАШЕГО АВТОМОБИЛЯ, НАЖМИТЕ ЗДЕСЬ.
Резистор R1 можно установить переменным или подстроечным, при этом скорость намотки можно регулировать. Для штатной установки устройства использую шестиконтактный переключатель. Подключение осуществляется по разомкнутой цепи.
У меня домашнее задание выглядит так:
Собираю на SMD компонентах, так мне удобнее да и девайс получился меньше.
Собранная обмотка спидометра выглядит так:
Для работы устройства обмотки одометра необходимо подключить четыре провода: 1-плюс; 2-минус; 3.4 — сигнал датчика скорости, который мы фактически эмулируем для проверки работоспособности спидометра.
Также можно использовать такое устройство для проверки и завода тахографа в грузовых автомобилях, но несанкционированное вмешательство в работу тахографа может привести к записи кода ошибки в его энергонезависимой памяти устройства.Такая ситуация чревата некорректной работой тахографа и спидометра. Поэтому, если вы хотите сделать заводное устройство для тахографа, лучше обратиться к людям, хорошо знающим тахограф и имеющим опыт работы с «шайбами»
Многих интересует схема Can reel, которая ни от кого не скрывается. все это выглядит примерно так:
И собрать его не так уж и сложно, самая большая сложность — это прошивка, которую производитель держит в секрете и которую не так-то просто прочитать с готовой катушки.Плюс у каждой машины есть свой адрес и данные id посылки, которые Кан-чит отправляет на цифровую шину с определенным периодом и определенной скоростью.
Схема усилителя датчика ABS для бортовых компьютеров и таксометров (проверено на Ford Focus-2)
Схема предназначена для подключения бортового компьютера или таксометра к автомобилям, не имеющим в комплектации датчика скорости, и получения сигнала скорости
от системы ABS.
Схема вежливого освещения салона своими руками.
Позволяет внутреннему освещению продолжать работать некоторое время после закрытия дверей автомобиля. Если включить зажигание, то салонная лампа моментально погаснет, что необходимо для езды в вечернее время.
Сегодня я расскажу вам об устройстве, которое может сделать любой, кто хоть немного умеет обращаться с паяльником. Суть данного устройства заключается в увеличении пробега на отечественных грузовых автомобилях типа МАЗ, Камаз, УАЗ и других автомобилях, оснащенных спидометрами с цифровым одометром.
Устройство генерирует импульсы, аналогичные тем, которые генерирует датчик скорости, установленный в коробке передач автомобиля. Таким образом, поставив себе такую заводку, намотайте километры на служебной машине))) и в итоге возьмите себе немного (или много, все зависит от ваших навыков) дизеля или бензина …
Мы берем + 24в после замка зажигания, обычно провод идет на блок спидометра, -24в берем массу машины куда угодно, контакт s подключаем следующим образом: находим провод, по которому идет сигнал на спидометр от датчик и отрежьте его.Конец, который идет к спидометру, подключаем к S, а противоположный к D. Внимание, при питании прибора от бортовой сети 12 вольт, диоды питания 3 шт 1n4148 устанавливать не нужно !!! Не рекомендую настраивать скорость 100 км / ч с помощью подстроечного резистора, больше не рекомендую, так как наши спидометры не рассчитаны на такие скорости (хотя они отмечены больше) и могут выйти из строя при длительной эксплуатации !! !
И так схема:
Запчасти легко найти на рынке или в радиомагазине, они не бракованные.
Вам потребуется:
Микросхема: K561LE5 1 шт.
Диоды: 1N4001 или аналогичные 4 шт.
Стабилизатор: LM7812 или аналогичный 1 шт. Подстроечный резистор
: 10 кОм
Фиксированный резистор: 1 кОм или 1,5 кОм 1 шт.
Неполярный конденсатор: 0,1 мкФ, 1 мкФ , и электролитический 47 мкф на 16В. По 1 штуке.
Предохранитель 1А, светодиод (любой) и переключатель на 2 положения (должен иметь 3 контакта) макет или кусок покрытой фольгой печатной платы, если у вас есть опыт производства печатных плат.
Чертеж носового аппарата:
раз много раз сделал без проблем!
(Скачиваний: 6450)
И так по поводу подключения к некоторым маркам Автомобилей !!!
Газель с 2002 г. Разъем Х3 комбинации приборов:
11 контактный зеленый провод — сигнал постоянного тока.
Желтый провод — + зажигание.
Черный провод заземления.
КАМАЗ 2 типа разъемов, см. Фото
МАЗ
Внимание! + 5V (средний верхний контакт) выходит из устройства! Защищать от короткого замыкания под напряжением.
УАЗ Патриот
УАЗ Хантер
Доступна новая версия устройства для завода спидометра подробнее
Номинальное значение u блока питания не 555. Описание таймера NE555
Наверное, нет радиолюбителя, который бы не использовал эту микросхему в своей практике.
Микросхема существует с 1971 года, когда Signetics Corporation выпустила микросхему SE555 / NE555 под названием «Интегрированный таймер»,
Сразу после поступления в продажу микрочип приобрел бешеную популярность как среди любителей, так и среди профессионалов. Появилась куча статей, описаний, схем с использованием этого устройства.
За последние 39 лет практически каждый уважающий себя производитель полупроводников считал своим долгом выпустить собственную версию этого чипа.
Но при этом отличий по функционалу и расположению выводов нет.Все они являются полными аналогами оригинальной Signetics Corporation. Новые типы схемотехнических решений существуют и по сей день!?!?!
Эта микросхема до сих пор меня часто удивляет, так как при изменении подключения одного элемента в схеме схема приобретает новый функционал.
В статье простые схемы, примеры практического применения микросхемы
. Это очень простая, но эффективная схема. Схема позволяет, подав аналоговый сигнал на вход, получить на выходе чистый прямоугольный сигнал
— — — — — — — — — — — — — — — — — —
Таймер простой .
- Схема простого таймера NE555, видеообзор от пользователя jakson .
- Практическое применение таймера в статье Простой таймер для включения прибора на ~ 220В.
— — — — — — — — — — — — — — — — — — — — — — — — — — — — — — — — — — — —
Схема таймера NE555, для получения более точных интервалов .
— — — — — — — — — — — — — — — — — — — — — — — — — — — — — — — — — — — —
Простой ШИМ
— — — — — — — — — — — — — — — — — — — — — — — — — — — — — — — — — — — —
Сумеречный выключатель .
- Практическое применение в статье Переключатель сумеречного освещения.
— — — — — — — — — — — — — — — — — — — — — — — — — — — — — — — — — — — —
Однокнопочное управление устройством .
- Вариант такой схемы — в.
— — — — — — — — — — — — — — — — — — — — — — — — — — — — — — — — — — — —
Схема аналогичная управление одной кнопкой на микросхеме CD4013 (аналог 561ТМ2)
— — — — — — — — — — — — — — — — — — — — — — — — — — — — — — — — — — — —
Датчик влажности (индикатор).
— — — — — — — — — — — — — — — — — — — — — — — — — — — — — — — — — — — —
Регулятор уровня воды.
Два датчика уровня жидкости могут использоваться для контроля количества воды в баке. Один датчик сообщает о небольшом количестве воды в баке, а второй указывает, что бак полон. При небольшой доработке схемы выходные сигналы схемы можно подключать к более серьезным нагрузкам :).
— — — — — — — — — — — — — — — — — — — — — — — — — — — — — — — — — — — —
Датчик включения / выключения.
— — — — — — — — — — — — — — — — — — — — — — — — — — — — — — — — — — — —
Схема включения светодиодной подсветки от автономного питания, на 10-30 сек.
Одна аппликация, встроена в входную дверь в районе замочной скважины.
Подсветка включается нажатием кнопки на ручке двери — в результате не возникнет проблем с открытием замка при отсутствии естественного или искусственного освещения.
— — — — — — — — — — — — — — — — — — — — — — — — — — — — — — — — — — — —
Кодовый замок на таймере NE555.
Подобной разработки кодового замка на таймере NE555 я не встречал, поэтому данная разработка посвящается всем любителям этой замечательной микросхемы.
Схема на микросхеме NE555 в виде кодового замка на двери или сейфа легко реализовать на этом таймере.
Я также знаю, что 555 нормально работает при низких температурах (если предполагается использование на улице) и более широком диапазоне питающих напряжений до 16В. Надежность чипа не вызывает сомнений.
И так я привожу пример схемы, цифровой код в которой будет состоять из 4 цифр (технически схема может быть реализована на одной кнопке, но это будет слишком банально, думаю, что 4 цифры начать в самый раз , вы можете увеличивать количество цифр в коде этой схемы до бесконечности (равными частями в блоках, обведенных U2 на схеме).
На схеме выше все 4 таймера работают по одной схеме, есть небольшие отличия в таймерах U1, U4. Схемы U2 и U3 повторяются один в один.
Каждый таймер в этой схеме может быть настроен на свое время работы, в это время задействована временная цепочка R1, R2, C1.
А так же секретность кода можно повысить, подключив доп. переключающие диоды. (для примера включил один диод D1, больше рисовать не стал, так как думаю, что тогда схема будет восприниматься очень сложно).
Основным отличием данной схемы на таймерах 555 от аналогичных схем является наличие настройки времени работы каждого таймера, при простоте данной схемы вероятность выбора кода посторонним будет очень мала.
Схема работы;
— Нажимаем кнопку нуля, запускается таймер U1, время его работы выставлено на удержание логической единицы (вывод 3) 30 секунд, далее можно нажать кнопку 1.
— Нажать кнопку 1 таймера U2, время его работы установлен на 2 секунды, за это время нужно нажать кнопку 2 (в противном случае удерживая U2, логическая единица (вывод 3) сбрасывается и нажатием kn.2 смысла не будет)
— Нажимаем кнопку 2, таймер U3 настроен на удержание логической единицы (вывод 3) 25 секунд, после этого можно нажать кнопку 3, но ………. посмотрите на переключающий диод D1, из-за него кнопку 3 нет смысла быстро нажимать, пока не закончится 30-секундное время работы таймера U1,
— После нажатия кнопки 3 таймер U4 выдает логическую единицу (U4 вывод 3) к приводу.
Осталось добавить, что в текущем устройстве цифровой код будет располагаться не в порядке чисел, а случайным образом,
и любое нажатие других кнопок сбрасывает таймеры на 0.
Ну в общем, пока все, все варианты использования здесь описать нельзя, я вижу, что не все, что я упомянул в описании … … в общем, если есть идея, его техническая реализация всегда будет найдена.
Все настройки, время работы микросхем U1 …….. U4 являются тестовыми и описаны здесь в качестве примера. 🙂
(в системах безопасности для непрошенных гостей самое сложное — это индивидуальные решения, проверенные временем)
Вкладываю архив со схемой в протей, в нем работу схемы можно визуально оценить.
— — — — — — — — — — — — — — — — — — — — — — — — — — — — — — — — — — — —
Назначение восьми ножек микросхемы.
1. Земля.
Выход, который подключается к отрицательному полюсу питания и к общему проводу цепи.
2. Запуск.
Входной компаратор № 2. Когда на этот вход подается импульс низкого уровня (не более 1/3 Vpit), запускается таймер и на выходе устанавливается напряжение высокого уровня на время, которое определяется внешнее сопротивление R (Ra + Rb,) и конденсатор C — это так называемый режим моностабильного мультивибратора.Входной импульс может быть прямоугольным или синусоидальным. Главное, чтобы он был короче по длительности, чем время заряда конденсатора С. Если, однако, входной импульс по длительности все же превышает это время, то выход микросхемы будет оставаться на высоком уровне до тех пор, пока не будет достигнут высокий уровень. снова установил на входе. Ток, потребляемый вводом, не превышает 500 нА.
3. Выход.
Выходное напряжение изменяется вместе с напряжением питания и равно Vpit-1.7В (высокий уровень на выходе). На низком уровне выходное напряжение составляет примерно 0,25 В (при напряжении питания + 5 В). Переключение между низким и высоким состояниями происходит примерно за 100 нс.
4. Сброс.
Когда на этот выход подается напряжение низкого уровня (не более 0,7 В), выход сбрасывается в состояние низкого уровня, независимо от того, в каком режиме таймер находится в данный момент и что он делает. Сброс, понимаете, сбрасывается. Входное напряжение не зависит от величины питающего напряжения — это TTL-совместимый вход.Во избежание случайных разрядов рекомендуется подключать этот выход к плюсу питания, пока он не нужен.
5. Контроль.
Этот вывод позволяет получить доступ к опорному напряжению компаратора № 1, который является 2 / 3Vpit. Обычно этот вывод не используется. Однако его использование может значительно расширить возможности управления таймером. Дело в том, что, подав напряжение на этот выход, можно контролировать длительность выходных импульсов таймера и тем самым забивать RC цепочку ГРМ.Приложенное к этому входу напряжение в режиме моностабильного мультивибратора может составлять от 45% до 90% напряжения питания. А в режиме мультивибратора от 1,7в до напряжения питания. В этом случае мы получаем на выходе модулированный сигнал FM (FM). Если этот вывод все же не используется, то рекомендуется подключить его к общему проводу через конденсатор 0,01 мкФ (10 нФ), чтобы снизить уровень помех и любых других неприятностей.
6. Остановить.
Этот вывод является одним из входов компаратора No.1. Он используется как своего рода противоположность контакту 2. То есть используется для остановки таймера и перевода выхода в низкое состояние. Когда подается импульс высокого уровня (не менее 2/3 напряжения питания), таймер останавливается, и выход сбрасывается на низкий уровень. Как и на вывод 2, на этот вывод можно подавать как прямоугольные импульсы, так и синусоидальные импульсы.
7. Разряд.
Этот вывод подключен к коллектору транзистора Т6, эмиттер которого соединен с землей. Таким образом, при открытом транзисторе конденсатор C разряжается через переход коллектор-эмиттер и остается в разряженном состоянии до закрытия транзистора.Транзистор открыт, когда на выходе микросхемы низкий уровень и закрыт, когда выход активен, то есть находится на высоком уровне. Этот вывод также можно использовать как вспомогательный выход. Его грузоподъемность примерно такая же, как у обычного выхода таймера.
8. Плюс мощность.
Напряжение питания таймера может быть в пределах 4,5-16 вольт.
Параметры программы и расчет NE555.rar 1,3Мб.
Работа схемы таймера NE555 в протеусе.
Эта статья о чипе, который пользуется популярностью более 30 лет и имеет множество клонов. Встречайте таймер NE555 (он же LM555, LC555, SE555, HA555, а также
и многие другие, есть даже советский аналог — КР1006ВИ1). Простота, дешевизна, широкий диапазон питающих напряжений (4,5-18 В), высокая точность и стабильность (температурный дрейф 0,005% / o C, дрейф от напряжения питания менее 0,1% / вольт) обеспечили такую популярность этой микросхемы, И, конечно же, самое главное — широчайший спектр приложений.
Но обо всем по порядку. Начнем с того, как устроена эта микросхема.
Итак, функциональная схема таймера представлена на рисунке 1.
Ножки :
1. GND — заземляющий / общий провод.
2. Триггер — инвертирующий вход компаратора, отвечающий за установку триггера. Когда напряжение на этой ножке становится меньше 1/3 Vcc (то есть меньше, чем напряжение на неинвертирующем входе компаратора), на вход SET триггера подается логическая 1.Если на входах Reset нет сигналов сброса, триггер будет установлен (на выходе будет логический 0, потому что выход инвертирован).
3. Выход — выход таймера. На этом выводе есть инвертированный сигнал с выхода триггера, то есть при взведении триггера (ноль на его выходе) — на выходе высокий уровень, при сбросе триггера — этот вывод низкий.
4. Reset — сброс. Если этот вход переведен на низкий уровень, триггер сбрасывается (его выход установлен на 1, а выход таймера низкий).
5. Control — контроль / управление. Этот выход позволяет изменять порог компаратора, который управляет сбросом триггера. Если контакт 5 не активирован, то этот порог определяется внутренним делителем напряжения на резисторах и равен 2/3 Vcc. Вывод Control можно использовать, например, для организации обратной связи по току или напряжению (я расскажу об этом позже).
6. Порог — порог. Когда напряжение на этом выводе поднимается выше порогового значения (которое, как вы помните, при неработающем выводе 5 составляет 2/3 Vcc), триггер сбрасывается, и выход таймера устанавливается на низкий уровень.
7. Разряд — разряд. На этом выходе 555-й таймер имеет транзистор с открытым коллектором. Когда триггер сброшен — этот транзистор открыт и на выходе 7 низкий уровень, когда триггер установлен — транзистор закрыт и вывод 7 находится в Z-состоянии. (Почему эта нога называется «разгрузочной», вы скоро поймете.)
8. Vcc — напряжение питания.
Далее рассмотрим основную идею использования этого таймера. Для этого добавим в нашу схему пару элементов внешней привязки (см. Рисунок 2).Пока мы не будем использовать 4-ю и 5-ю ножки, поэтому будем считать, что 4-я ножка нашим гвоздем прибита к питающему напряжению, а 5-я просто висит в воздухе (с ней ничего не будет).
Итак, давайте сначала будем на высоком уровне в ответном матче. После включения наш триггер сбрасывается, выход триггера высокий, выход таймера низкий, 7 ножка тоже низкая (транзистор внутри микрухи открыт).
Для переключения триггера необходимо подать на вторую ногу напряжение ниже 1/3 Vcc (тогда компаратор переключится и сформирует высокий уровень на входе Set нашего триггера).Пока уровень на 2-й ноге остается выше 1/3 Vcc — наш таймер находится в стабильном состоянии и переключения не происходит.
Что ж, давайте вкратце поставим низкий уровень на вторую ногу (короткое замыкание на земле, и все) и посмотрим, что произойдет.
Как только уровень на 2-й ноге упадет ниже 1/3 Vcc, у нас сработает компаратор, подключенный к установленному входу триггера (S), который, соответственно, приведет к срабатыванию триггера.
На выходе триггера появится ноль (поскольку выход триггера инвертирован), в то время как выход таймера (3-я линия) будет установлен на высокий уровень.Кроме того, транзистор на седьмой ножке закроется, а седьмая ножка перейдет в Z-состояние.
В этом случае конденсатор Ct начнет заряжаться через резистор Rt (так как он больше не замкнут на массу через 7 ножку микрухи).
Как только уровень на 6-й ноге поднимется выше 2/3 Vcc, компаратор, подключенный к входу R2 нашего триггера, сработает, который сбросит триггер и вернет схему в исходное состояние.
Итак, мы исследовали работу схемы под названием одиночный вибратор или моностабильный мультивибратор, короче говоря, устройство, которое формирует одиночный импульс.
Как теперь узнать длительность этого импульса? Это очень просто, для этого достаточно подсчитать, как долго конденсатор Ct будет заряжаться от 0 до 2/3 Vcc через резистор Rt от постоянного напряжения Vcc.
Во-первых, решим эту проблему в общем виде. Заряжаем конденсатор через резистор R напряжением Vп от начального уровня U 0.
Продолжение обзора Таймер 555 . В этой статье мы рассмотрим примеры практического применения этой микросхемы.Теоретический обзор можно прочитать.
Пример №1 — Сигнализатор темноты.
Схема издает звук в темноте. Пока фоторезистор горит, на контакте 4 установлен низкий уровень, что означает, что NE555 находится в режиме сброса. Но как только гаснет освещение, сопротивление фоторезистора увеличивается и на выводе №4 появляется высокий уровень и в результате запускается таймер, излучающий звуковой сигнал.
Пример №2 — Модуль сигнализации.
На схеме изображен один из модулей автосигнализации, который подает сигнал при изменении угла наклона автомобиля.В качестве датчика используется ртутный выключатель. В исходном состоянии датчик не замкнут и выходной уровень NE555 установлен на низкий. При изменении угла наклона автомобиля капля ртути замыкает контакты, а низкий уровень на выводе № 2 запускает таймер.
В результате на выходе появляется высокий уровень, управляющий исполнительным механизмом. Даже после размыкания контактов датчика таймер останется активным. Вы можете выключить его, если остановите таймер, установив низкий уровень на вывод № 4. C1 — керамический конденсатор 0,1 мФФ ().
Пример №3 — Метроном.
Метроном — это устройство, используемое музыкантами. Считает необходимый ритм, который можно регулировать переменным резистором. Схема построена по схеме генератора прямоугольных импульсов. Частота метронома определяется цепочкой RC.
Пример №4 — Таймер.
Таймер на 10 минут. Таймер активируется нажатием кнопки «Старт», при этом загорается светодиод HL1.По истечении выбранного временного интервала загорается светодиод HL2. Переменным резистором можно регулировать временной интервал.
Пример № 5 — Триггер Шмитта на таймере 555.
Это очень простая, но эффективная схема. Схема позволяет, подавая зашумленный аналоговый сигнал на вход, получить чистый прямоугольный сигнал на выходе
.Пример №6 — Точный генератор.
Генератор повышенной точности и устойчивости.Частота настраивается резистором R1. Диоды — любые германиевые. Также можно использовать диоды Шоттки.
Продолжение чтения «Применение таймера NE555 — часть 2».
Посмотреть видео: Применение таймера NE555
Микросхема NE555 — аналоговая интегральная схема, представляющая собой универсальный таймер, то есть устройство, предназначенное для генерации (генерации) одиночных или повторяющихся импульсов со стабильными характеристиками во времени. Микросхема NE555 широко применяется в технологиях построения реле времени, генераторов, модуляторов, пороговых устройств и других функциональных узлов электронного оборудования.На основе этой микросхемы построены устройства широтно-импульсной регулировки, устройства восстановления искаженного цифрового сигнала, импульсные преобразователи напряжения и др.
Чип был впервые выпущен в 1971 году компанией Signetics. Двойная версия NE555 имеет маркировку 556, а четырехместная — 558.
Топология микросхемы NE555 состоит из 2 диодов, 23 транзисторов и 16 резисторов. Выходной ток микросхемы составляет 200 мА , тогда как ток ее потребления всего на 3 мА больше .Микросхема питается от напряжения в диапазоне от 4,5 до 18 вольт. Однако на точность таймера NE555 не влияет изменение напряжения питания. Погрешность составляет всего около 1% от расчетного значения.
Блок-схема микросхемы NE555
Назначение контактов для NE555
Выходной номер | Обозначение | Alter | Назначение | Описание |
Общий провод, минус питание | ||||
В случае, если напряжение на этом выходе достигает уровня ниже 1/2 CTRL, на выходе микросхемы (вывод 3) появляется напряжение высокого уровня и начинается обратный отсчет. | ||||
Q или без обозначений | При таком выводе формируется одно из двух напряжений, примерно соответствующее низкому уровню — 0,25В и высокому уровню В CC — 1,7В, в зависимости от состояния таймера. Время переключения с одного уровня на другой составляет около 100 нс. | |||
Сброс (разрешение пуска) | При напряжении ниже 0.На этот вход подается 7 В, выход микросхемы принудительно переходит в низкое состояние (переключается на GND). Это происходит независимо от состояния других входов, т.е. этот вход имеет наивысший приоритет. Другими словами, высокий уровень напряжения на этом входе (более 0,7 В) позволяет таймеру запуститься, в противном случае запуск запрещен. | |||
Управление (делительное управление) | Подключается непосредственно к внутреннему делителю напряжения.При отсутствии внешнего сигнала он имеет напряжение 2/3 В СС. Определяет пороги остановки и запуска. | |||
Когда напряжение на этом выводе превышает напряжение на CTRL, на выходе устанавливается низкое напряжение, интервал заканчивается. Остановка возможна, если на вход TRIG не поступает сигнал триггера, поскольку вход TRIG имеет приоритет над THR (исключение составляет микросхема KR1006VI1). | ||||
? или ¤ | Выход типа «открытый коллектор» обычно используется для разряда синхронизирующего конденсатора между интервалами.Состояния этого выхода повторяют состояния основного выхода OUT, поэтому их можно подключить параллельно, чтобы увеличить нагрузочную способность таймера для входящего тока. | |||
Плюс мощность. |
Режимы работы микросхемы NE555
Моностабильный генератор
Низкоуровневый входной сигнал на входе INPUT (контакт 2) переключает таймер микросхемы в режим обратного отсчета, в то время как высокий уровень сигнала наблюдается на выходе микросхемы (OUTPUT — контакт 3).Это положение таймера длится заданный промежуток времени, который составляет t = 1,1 * R * C. Далее таймер возвращается в стабильное состояние, определяющее низкий уровень сигнала на выходе микросхемы (ВЫХОД — вывод 3).
Генератор нестабильный
Напряжение на выходе микросхемы (OUTPUT — вывод 3) периодически меняется. Таким образом, на выходе микросхемы наблюдается сигнал в виде меандра, который можно описать следующими уравнениями:
High Level Duration: t1 = ln2 * (R1 + R2) * C = 0 .693 * (R1 + R2) * C
Длительность низкого уровня: t2 = ln2 * R2 * C2 = 0,693 * R2 * C2
Период: T = ln2 * (R1 + 2 * R2) * C = 0,693 * (R1 + 2 * R2) * C
Частота: f = 1 / (ln2 * (R1 + 2 * R2) * C)
Таймер NE555 — настоящий прорыв в области электроники. Он был создан в 1972 году сотрудником Signetics Хансом Р. Каменсиндом. Изобретение не утратило актуальности и по сей день. Позже устройство стало основой таймеров с двойной (IN556N) и четверной конфигурацией (IN558N).
Вне всяких сомнений, детище инженера-электронщика позволило ему занять заметную нишу в истории технических изобретений. По объему продаж это устройство с момента своего появления превосходило любые другие. На второй год существования чип 555 стал самым покупаемым товаром.
Лидерство продолжалось во все последующие годы. Микросхема 555, использование которой с каждым годом увеличивается, продается очень хорошо. Например, в 2003 году было продано более 1 миллиарда экземпляров. Сама конфигурация агрегата за это время не изменилась.Он существует более 40 лет.
Внешний вид устройства стал неожиданностью для самого создателя. Каменсинд стремился сделать IP гибким, но он не ожидал, что он будет настолько универсальным. Первоначально он использовался как таймер или микросхема 555, использование которой быстро увеличивалось, сегодня его используют от игрушек для детей до космических кораблей.
Аппарат отличается выносливостью, поскольку построен на основе биполярной технологии, и для использования в космосе ничего особенного делать не нужно.Только тестовые работы проводятся с особой тщательностью. Таким образом, при тестировании схемы NE 555 создаются индивидуальные пробные спецификации для ряда приложений. В производстве схем нет различий, но подходы к управлению выходом существенно различаются.
Появление схемы в отечественной электронике
Первые упоминания о нововведении в советской радиотехнической литературе появились в 1975 году. Статья об изобретении была опубликована в журнале «Электроника».Микросхема 555, аналог которой создали советские электронщики в конце 80-х годов прошлого века, в отечественной электронике получила название КР1006ВИ1.
В производстве эта деталь использовалась при сборке видеорегистраторов VCR12 Electronics. Но это был не единственный аналог, так как такое устройство создали многие производители по всему миру. Все блоки имеют корпус DIP8, а также небольшой корпус SOIC8.
Характеристики схемы
Микросхема 555, графическое изображение которой представлено ниже, включает 20 транзисторов.На структурной схеме устройства 3 резистора сопротивлением 5 кОм. Отсюда и название устройства «555».
Основные технические характеристики изделия:
- напряжение питания 4,5-18В;
- максимальный токовый выход 200 мА;
- потребление энергии до 206 мА.
Если посмотреть на вывод, то это цифровое устройство. Он может быть в двух положениях — низком (0 В) и высоком (от 4,5 до 15 В). В зависимости от блока питания показатель может достигать 18 В.
Для чего это устройство? Микросхема
NE 555 — унифицированное устройство с широким спектром применения. Его часто используют при сборке различных схем, и это только придает изделию популярность. Соответственно увеличивается уровень потребительского спроса. Такая слава стала причиной падения цены на таймер, что радует многих мастеров.
Внутренняя структура таймера 555
Как работает это устройство? Каждый из выводов блока подключен к цепи, содержащей 20 транзисторов, 2 диода и 15 резисторов.
Удвоенный формат модели
Следует отметить, что NE 555 (микрочип) выпускается в удвоенном формате под названием 556. Он содержит две свободные ИС.
Таймер 555 имеет 8 контактов, а таймер 556 — 14 контактов.
Режимы устройства
Микросхема 555 имеет три режима работы:
- Моностабильный режим микросхемы 555. Работает как разово в одну сторону. Во время работы при нажатии кнопки в ответ на входной сигнал триггера излучается импульс заданной длины.На выходе остается низкое напряжение до срабатывания триггера. Отсюда он и получил название ждущий (моностабильный). Такой принцип работы удерживает устройство в неактивном состоянии до включения. Режим предусматривает включение таймеров, переключателей, сенсорных переключателей, делителей частоты и т.д.
- Нестабильный режим — это автономная функция устройства. Это позволяет схеме оставаться в режиме генератора. Напряжение на выходе может меняться: высокое или низкое. Данная схема применима, когда необходимо дать устройству рывки прерывистого характера (для кратковременного включения и выключения агрегата).Режим используется при включении ламп на светодиодах, он функционирует в логической схеме часов и т. Д.
- Бистабильный режим или триггер Шмидта. Понятно, что он работает по триггерной системе в отсутствие конденсатора и имеет два стабильных состояния: высокое и низкое. Низкий уровень триггера становится высоким. Когда сбрасывается низкое напряжение, система стремится к низкому состоянию. Эта схема применима в сфере железнодорожного строительства.
555 контактов таймера
Генератор микросхем 555 включает восемь контактов:
- Вывод 1 (заземление).Он подключается к отрицательной стороне источника питания (провод общей цепи).
- Контакт 2 (триггер). Доставляет вовремя (все зависит от конденсатора). Эта конфигурация является моностабильной. Контакт 2 управляет контактом 6. Если у обоих низкий уровень, выход будет высоким. В противном случае при высоком напряжении на контакте 6 и низком уровне на контакте 2 выход таймера будет низким.
- Контакт 3 (выход). Выходы 3 и 7 совпадают по фазе. При подаче высокого напряжения с показателем примерно 2 В и низкого с 0,5 В будет получено до 200 мА.
- Контакт 4 (сброс). Напряжение на этом выходе низкое, несмотря на режим работы таймера 555. Во избежание случайных разрядов во время использования этот выход следует подключать к плюсу.
- Заключение 5 (контроль). Открывает доступ к напряжению компаратора. Этот вывод не применяется в российской электронике, но при его подключении можно добиться широких возможностей управления устройством 555.
- Контакт 6 (упор). Включен в компаратор 1. Он противоположен контакту 2, который используется для остановки устройства.Это приводит к низкому напряжению. Этот выход может принимать синусоидальные и прямоугольные импульсы.
- Контакт 7 (разряд). Он подключен к коллектору транзистора Т6, а эмиттер последнего заземлен. При открытом транзисторе конденсатор разряжается до закрытия.
- Контакт 8 (плюсовая сторона БП), что от 4,5 до 18 В.
Применить выход
Выход 3 (выход) может находиться в двух состояниях:
- Цифровой выход напрямую подключен к входу другого драйвера на цифровой основе.Цифровой выход может управлять другими устройствами через несколько дополнительных компонентов (напряжение источника питания 0 В).
- Индикатор напряжения во втором состоянии высокий (Vcc на источнике питания).
Характеристики устройства
- Когда напряжение на выходе уменьшается, ток направляется через устройство и выполняет его подключение. Это уменьшение, так как ток вырабатывается из Vcc и проходит через блок до 0 В.
- Когда Output увеличивается, ток, проходящий через устройство, обеспечивает его включение.Этот процесс можно назвать источником продолжающегося. Электроэнергия в этом случае вырабатывается таймером и проходит через устройство до 0 В.
Подъем и опускание могут работать вместе. Таким образом устройство попеременно включается и выключается. Этот принцип касается работы ламп на светодиодах, реле, двигателях, электромагнитах. К недостаткам этого свойства можно отнести то, что устройство должно подключаться к выходу по-разному, так как выход 3 может выступать и как потребитель, и как источник тока до 200 мА.Используемый источник питания должен обеспечивать достаточный ток для обоих устройств и таймера 555.
Микросхема LM555
Микросхема 555 Даташит (LM555) обладает обширным функционалом.
Используется от генераторов прямоугольных импульсов с регулируемым рабочим циклом и реле и с задержкой отклика до сложных конфигураций генераторов ШИМ. Распиновка и внутреннее устройство микросхемы 555 показаны на рисунке.
Уровень точности прибора составляет 1% от расчетного показателя, что является оптимальным.Такой агрегат, как таблица данных NE 555, не зависит от температурных условий окружающей среды.
Аналоги микросхемы NE555
Микросхема 555, аналог которой в России получил название КР1006ВИ1, представляет собой интегрированное устройство.
Среди рабочих блоков следует выделить RS-триггер (DD1), компараторы (DA1 и DA2), каскад выходного усилителя на основе двухтактной системы, дополняющий транзистор VT3. Назначение последнего — сбросить конденсатор установки времени при использовании блока в качестве генератора.Сброс триггера происходит при подаче логической единицы (Jupit / 2 … Jupit) на входы R.
В случае сброса триггера на выходе 3) будет наблюдаться индикатор низкого напряжения (транзистор VT2 открыт).
Уникальность схемы 555
С устройством очень сложно понять, в чем его необычность. Оригинальность устройства заключается в том, что оно имеет специальное триггерное управление, а именно формирует управляющие сигналы. Их создание происходит на DA1 и DA2 компараторов (на одном из входов, к которым применяются опорное напряжение).Для формирования управляющих сигналов на входах триггера (выходах компаратора) должны быть получены сигналы высокого напряжения.
Как запустить устройство?
Для запуска таймера на выход 2 должно подаваться напряжение от 0 до 1/3 Юпит. Этот сигнал способствует срабатыванию триггера, и на выходе генерируется сигнал высокого напряжения. Сигнал индикатора выше предел не вызовет какие-либо изменений в схеме, так как опорное напряжение для компаратора равно DA2 и составляет 1/3 Jupit.
Вы можете остановить таймер при сбросе триггера. Для этого, напряжение на выходе 6 должна превышать 2/3 Jupit (опорное напряжение для компаратора DA1 составляет 2/3 Jupit). При сбросе установится сигнал низкого напряжения и разряд конденсатора, задающий время.
можно регулировать опорное напряжение, подключив дополнительное сопротивление или источник питания к выходу блока.
В последнее время среди автовладельцев стало модным называть пройденный автомобилем километраж на спидометре.
Многих интересует, возможна ли самостоятельно намотка спидометра на микросхеме 555?
Эта процедура не представляет особой сложности. Для его изготовления используется микросхема 555, которая может функционировать, так как отдельные компоненты схемы могут быть взяты с показателями, отклоняющимися на 10-15% от расчетных значений.
Бортовые компьютеры и обмотка спидометра. «Завертка» одометров, а среди людей спидометров
Системы непосредственного впрыска топлива на отечественных автомобилях позволили эффективно расходовать топливо, увеличивая мощность двигателя.В последнее время на автомобильном рынке наблюдается большой спрос на устройства намотки электронных одометров . Кому выгодно наматывать километры на своей машине?
Ответ на этот вопрос очевиден. Водители государственных, служебных (корпоративных) автомобилей, таким образом, получают возможность списать бензин. И сегодня он на вес золота.
Раньше старые модели автомобилей оснащались механическими одометрами, и наматывать километры можно было только механически.Со временем был изобретен электронный одометр, и опытные специалисты по радиоэлектронике из различных автобазов придумали простой и эффективный способ завести одометр. Для этого нужно подключить провод от клеммы генератора к приборной панели, где находится сам одометр.
А вот электронщики разработаны новые одометры, которые очень сложно взломать. И когда однажды в гараже подключили одометр описанным выше способом, радиоинженер обнаружил, что машина не заводится.Страдающего водителя, потерявшего дополнительный заработок, отправили искать другие способы решения этой проблемы.
История началась с газелей и соболей с установленными 405 двигателями, потреблявшими много топлива. Именно эти моторы начали глохнуть, когда умельцы пытались завести одометр. Техника эффективного взлома устройства очень проста. К ЭБУ (электронному блоку управления) автомобиля необходимо подключить ПКК «Комбилоадер», с которого считывается специальная серийная программа управления двигателем.
Затем откройте программу СTPro и в меню из перечисленного оборудования снимаем галочку напротив датчика скорости. По этому алгоритму в компьютер записывается уже модифицированная программа управления двигателем с небольшими изменениями.
После таких действий вы можете вызвать хорошего знакомого электрика, который подключит провод от генератора к одометру приборной панели, и процесс пойдет быстрее, вы сами сможете намотать необходимое количество километров .Но этот метод уже в прошлом. Сегодня мир полон передовых гаджетов и всевозможной электроники.
По способу Объемную установку делают простейший генератор, состоящий из трех радиоэлементов (см. электрическую схему).
Тумблер S1 необходим для переключения электрического сигнала, поступающего на приборную панель, либо от нашего генератора, либо от стандартного датчика скорости. Наш генератор получает напряжение от «плюса» замка зажигания.Это позволяет накрутить пробег, не заводя машину (достаточно будет только включить зажигание). Так же схему можно включить в работу прямо во время движения машины.
Автоэлектрик обязательно порекомендую вам припаять еще один резистор последовательно с триммером в цепи. Это необходимо для того, чтобы при направлении регулирования в крайнее левое положение его двигателя не происходил процесс отказа генерации.
Также в цепи должен присутствовать защитный диод для защиты электрической цепи от изменения полярности.Указанные на схеме номиналы резистора и конденсатора вполне подходят для генерации прямоугольных импульсов амплитудой 12 В, в диапазоне низких и высоких частот (от 180 Гц до 1,5 кГц). Эти характеристики с лихвой покрывают потребности этого устройства на разных автомобилях.
Для оперативного изменения частотный диапазон требует замены конденсатора. При уменьшении емкости конденсатора частота увеличивается и наоборот.
Следующая схема, с тем же принципом работы генератора, построена на микросхеме 555 (1006VI1).
Следует помнить, что все варианты схем, приведенные в этой статье, были разработаны на напряжение 24 В в автомобиле КАМАЗ.
На рисунке показана схема генератора для 176 (561) LA7 или HEF4011.
В таблице описаны автомобили с модифицированными одометрами.
модель автомобиля | Год выпуска | Сводка по установке |
ГАЗель | Комбинация приборов, контакт X311 разъема «зеленый провод» — сигнал DS.Желтый провод — + зажигание. Черный провод — масса. | |
KIA Magentis Hyindai соната | Обычный трехпроводной датчик скорости, контакты бокового вида, большой разъем, датчик скорости присутствует | |
Hyindai Elantra | Комбинация приборов состоит из трех разъемов: большой — желтый, большой — белый, маленький — бывший. На рисунке изображен большой разъем (провод DS), вид сбоку на контакты, провод серый с коричневой полосой. | |
Forg Tourneo Connect, Mondeo | Датчик скорости обычный трехпроводный, сигнал идет на компьютер, сигнал снимается с компьютера по цифровой шине и передается на панель управления. Пришлось разрезать белый провод с синей полосой, номер контакта на компе 3 | |
VOLVO S70 | Датчика скорости нет, сигнал скорости идет от системы АБС.Датчик ABS — это 6-вольтовый синусоидальный ток. Устройство получает напряжение от стабилизатора с выходным напряжением 6 В типа КР142ЕН5Б. На выходе получаем прямоугольные импульсы 6 вольт, которые спокойно «переварили» приборка. На панели справа разъем А. 3 контакт — синий провод — вход скорости 15 контакт — коричневый провод — масса 18 контакт — синий с красной полосой — + зажигание. | |
Тойота Камри | Комбинация приборов, 35 контактов, провод с АБС и информацией о скорости.На проводах нумерация на проводах | |
Mitsubishi — Panjero дизельное топливо | На панель подключаются три разъема — один черный, расположенный первым слева от водительской двери, и два белых. На черном разъеме крайний правый желто-белый с серебряным кольцом, подключенный к выходу DS. А устройство для намотки любого вывода с открытым коллектором еще нужно установить выключатель. | |
| На задней части панели приборов расположены два разъема по 15 контактов, задействованных 6: 2 — сиреневый 10 — коричневый (1) 11 — зеленый (1) 12 — желтый 13 — коричневый (2) 15 — зеленый (2) Кодировка идет слева направо: от центра панели (серый разъем) к краю. Нас интересует 13-й — коричневый (2) — отвечает за показания спидометра и счет одометра. Подал прямоугольник ~ 500 герц, с скважностью 50%, с классической схемой генератора на 561 серию, скрутки на 200 | ||
Mazda Tribute (также известная как Ford Maverick, Escape), американец. | Подключение к ДС — двухпроводное, стоит на АКПП ближе к моторному щиту. Тихо качает на скорости 250 км / ч, потом происходит поломка. Чек не загорается. Генератор обычный, только в разрыв на выходе сигнала скорости нужно поставить конденсатор (0,1 мкФ, керамический), | |
| Камаз | ||
| МАЗ | Внимание! + 5В (средний верхний контакт) выходит из устройства! Защищать от короткого замыкания при подаче напряжения.Качается до 5 кГц. | |
| УАЗ Патриот | ||
| УАЗ Хантер | ||
| Рено Логан « | 7 — черный, масса 10 — желтый: 15 Клемма 22 замка зажигания — зеленый: датчик скорости | |
| HYUNDAI Санта-Фе | 2007 |
Прежде чем начать При внесении некоторых изменений в электронику вашего автомобиля необходимо соблюдать все пункты, указанные ниже.Наша задача — найти необходимую проводку, по которой информация о пробеге автомобиля поступает в цифровом виде на одометр панели приборов. Следующая процедура описывает шаги:
1) ——- Осмотр коробки передач, заднего моста, переднего привода (если автомобиль переднеприводный) на предмет обнаружения датчика скорости.
2) ——— Если вы нашли что-то похожее на датчик скорости, но не уверены, что это он, то необходимо провести испытания.Для этого снимаем с него разъем и проезжаем несколько километров. Вы должны обнаружить отключение спидометра или одометра. Если этого не произошло, значит, вы отключили не датчик скорости автомобиля, а что-то еще.
3) ——— В этом случае, если вы обнаружите трехпроводной датчик скорости, совершенно необходимо измерить напряжение на его разъеме, чтобы определить сигнальный провод. Далее этот сигнальный провод необходимо набрать на панели приборов. На конце этого провода нужно будет подключить перемотчик.Для этого нужно подвесить ведущие колеса автомобиля и заставить их крутиться, параллельно с этим контролировать поступающие на приборную панель сигналы с помощью осциллографа.
4) ——— Если в первом абзаце датчик скорости обнаружить не удалось, то, вероятно, на одометр поступает сигнал скорости с АБС. В этом случае единственный вариант — поиск выходного сигнала на панели приборов с помощью осциллографа.
Если у вас под рукой есть подробные информационные материалы, электрические схемы на модель автомобиля, которую вы собираетесь делать «чип-тюнинг», то задача значительно упрощается.Необходимо помнить, что каждая машина разных производителей индивидуальна. Вы несете полную личную ответственность за свои действия. Поэтому, прежде чем приступить к подключению выбранных проводов, нужно несколько раз все перепроверить.
В этом коротком обзоре на обмотке одометра выделены общие принципы решения поставленной перед нами задачи. Конкретная реализация на конкретном автомобиле конкретной модели может сильно отличаться в пользу усложнения.Если у вас уже был опыт работы с другим типом автомобиля, которого еще нет в нашем списке, отправьте нам информацию, и мы с радостью пополним нашу таблицу.
Некоторые тонкости создания устройства для подзарядки одометра на автомобилях Ford Mondeo и Ford Focus 2006 года выпуска, а также Toyota Camry.
Эти модели автомобилей используют сигналы от АБС в качестве сигнала скорости автомобиля. В этих автомобилях используется датчик тока, что означает изменение тока в цепи при вращении колеса.Изменения происходят в диапазоне 7-14 мА. Если подключить осциллограф параллельно датчику, то при вращении колеса мы получим меандр с размахом около 0,5 В, со штатными показателями 12 В. Ниже представлена схема, полностью имитирующая работу такого датчика. .
На моделях Ford Mondeo и Ford Focus мы можем определить положительный провод с помощью тестера напряжения, сняв разъем и выполнив операции с проводом при включенном зажигании.В этом примере мы использовали эффект полной (ручной) рекоммутации. Для того, чтобы завести одометр, нужно открыть капот, затем вынуть заглушку из разъема, а на его место подключить перемотчик.
Включить зажигание автомобиля и сделаем необходимую обмотку. Выполнив необходимые действия, подсоедините штекеры к разъемам, которые восстанавливают заводское подключение блока управления АБС к датчикам. Все эти провода можно было включить на реле, но в результате наших действий появилось бы много лишних проводов.При тестировании и запуске нашей системы обертывания одометра мы должны использовать два ведущих колеса, потому что при работе с одним колесом показатель скорости не будет превышать 30 км в час.
Модель автомобиля TOYOTA CAMRY, 2006 года выпуска, имеет приборную панель под названием optitron и имеет неоновую подсветку. Объем двигателя 3,5 литра, коробка передач автомат, сигнал скорости, поступающий на одометр, снимается с АБС и имеет форму синусоиды амплитудой 1В, с частотой прямо пропорциональной скорости вращения.В этом автомобиле используется система ABS с индуктивным датчиком.
Электрическая схема который нам нужен для заводки одометра должен быть построен на транзисторе КТ3102. Резистивный делитель выполняет операции над амплитудой выходного сигнала, уменьшая ее тем самым. Конденсатор емкостью от 0,1 мкФ до 0,47 мкФ удаляет постоянную составляющую сигнала.
Напоминаем, что вмешиваться в работу системы АБС не рекомендуется, но если вы приняли такие же решения, то вы должны полностью осознавать последствия и, в соответствии с этим, проводить работу надлежащим образом. уровень качества.
Достаточно популярный среди автолюбителей прибор — заводчик спидометра . Схемы таких устройств могут быть реализованы на базе микросхем генераторов или логики. Сегодня я представлю две простые схемы моталки, которые позволяют перематывать километры, пройденные вашим железным конем.
Как перемотать спидометр своими руками
Первая схема построена на популярной микросхеме NE555 или просто таймере 555.
Микросхема может работать как генератор прямоугольных импульсов или как таймер, в нашем случае микросхема подключается по схеме генератора импульсов, ниже приведена формула расчета частоты генератора.
Ничего сложного, вариант подключения стандартный. Рейтинги используемых компонентов могут быть отклонены в сторону повышения или понижения на 10-15%.
Сам таймер копейки стоит, аналогов много, в том числе отечественный аналог КР1006ВИ1. Переменный резистор на 10 килограммов отвечает за частоту импульсов, конденсатор на 200 пиков отвечает за их длительность.
Второй контур построен на логической микросхеме (CD4011). Компонентов в жгуте еще меньше, помимо самой логики используется еще один компонент — силовой обратный транзистор.Выбор транзистора не критичен, его можно заменить на отечественные КТ815, КТ805, КТ819, КТ829, либо из линейки импортных MJE13003, 13005, 13007, 13009, BD139 (последний является полным аналогом нашего КТ815G)
Номинал основного ограничивающего резистора R12 можно заменять в широком диапазоне, можно использовать резисторы с сопротивлением 100Ω-1kΩ. Так наматывается спидометр.
Футляр для будущего устройства на ваш выбор — удачи!
«Сколько бы ты ни украл у государства, ты все равно не вернешь свое!»
С развитием систем впрыска на отечественных автомобилях существует устойчивый спрос на устройства, которые «заводят» электронные одометры.Вы спросите, зачем вам это нужно? Ответ очевиден: для водителей государственных (служебных) автомобилей это способ списания бензина. А он, как известно, сейчас стал дорого … Раньше, когда были только одометры механические, эта проблема решалась разными, в том числе механическими способами. Затем появились первые электронные одометры, и «продвинутые электрики» различных автомобильных депо нашли простой и эффективный способ заводить одометры, протягивая провод от дополнительной клеммы генератора к приборной панели.Но электроника не стояла на месте, и когда, однажды подключив магическую проводку описанным выше способом, электрик обнаружил, что машина не заводится, ничего не оставалось, как отправить страдающего водителя искать другие способы решать проблему.
Как заводить одометр
Все началось с обычных Газелей и Соболей с 405 двигателями, которых на нашем градообразующем предприятии развелось достаточно. Именно они начали глохнуть при использовании вышеописанного метода.
Техника контроля очень проста и эффективна. ПКК «Комбилоадер» подключается к ЭБУ экспериментальной машины и считывается серийная программа управления двигателем. Далее открывается в программе СTPro и из конфигурации убирается флаг датчика скорости. И с таким небольшим изменением в компьютер записывается уже измененная программа управления двигателем. В принципе, после этого можно вызвать «продвинутого электрика из автобазы», который закинет волшебную проводку от генератора и процесс, как говорится, пойдет… Но это не наш метод.
При объемном монтаже простейший генератор состоит из трех частей (см. Схему ниже).
Тумблер S1 переключает сигнал, идущий на панель, либо от нашего генератора, либо от штатного датчика скорости. Генератор питается от плюса замка зажигания. Таким образом, основным преимуществом этого решения является то, что вы можете накрутить пробег, не заводя машину (достаточно включить зажигание), а также прямо на ходу «двигаясь со скоростью 200 км / ч» на зависть коллегам. во флоте.
Несколько замечаний по схеме. Разумеется, привередливый электронщик обязательно порекомендует поставить еще один резистор последовательно с настраиваемым, чтобы поколение не сломалось в крайнем левом положении своего двигателя. А также защитный диод от обратной полярности цепи. Но нам с тобой это не нужно, мы аккуратные, внимательные и неторопливые. При номиналах резистора и конденсатора, указанных на схеме, схема формирует прямоугольные импульсы амплитудой 12 вольт в диапазоне частот от? От 180 Гц до? 1.5 кГц, что пока покрывает необходимость использования этого устройства на разных автомобилях.
При необходимости оперативного изменения диапазона генерируемых частот требуется замена конденсатора. Когда он уменьшается, частота увеличивается и наоборот.
Вот еще одна диаграмма для 176 (561) LA7 или HEF4011
«Сколько бы ты ни украл у государства, ты все равно не вернешь свое!»
С развитием систем впрыска на отечественных автомобилях появился устойчивый спрос на устройства, которые «заводят» электронные одометры.Вы спросите, зачем вам это нужно? Ответ очевиден: для водителей государственных (служебных) автомобилей это способ списания бензина. А он, как известно, сейчас стал дорого … Раньше, когда были только одометры механические, эта проблема решалась разными, в том числе механическими способами. Затем появились первые электронные одометры, и «продвинутые электрики» различных автомобильных депо нашли простой и эффективный способ заводить одометры, протягивая провод от дополнительной клеммы генератора к приборной панели.Но электроника не стояла на месте, и когда, однажды подключив магическую проводку описанным выше способом, электрик обнаружил, что машина не заводится, ничего не оставалось, как отправить страдающего водителя искать другие способы решать проблему.
Началось все с обычных Газелей и Соболей с 405 двигателями, которых на нашем градообразующем предприятии развелось достаточно. Именно они начали глохнуть при использовании вышеописанного метода.
Техника управления очень проста и эффективна.ПКК «Комбилоадер» подключается к ЭБУ экспериментальной машины и считывается серийная программа управления двигателем. Далее открывается в программе СTPro и из конфигурации убирается флаг датчика скорости. И с таким небольшим изменением в компьютер записывается уже измененная программа управления двигателем. В принципе, после этого можно вызвать «продвинутого электрика из автобазы», который закинет волшебную проводку от генератора и процесс, как говорится, пойдет… Но это не наш метод.
Простейший генератор методом объемного монтажа состоит из трех частей (см. Схему ниже).
Тумблер S1 переключает сигнал, идущий на панель, либо от нашего генератора, либо от штатного датчика скорости. Генератор питается от плюса замка зажигания. Таким образом, основным преимуществом этого решения является то, что вы можете накрутить пробег, не заводя машину (достаточно включить зажигание), а также прямо на ходу «двигаясь со скоростью 200 км / ч» на зависть коллегам. во флоте.
Несколько замечаний по схеме. Конечно, привередливый электронщик обязательно порекомендует подключить еще один резистор последовательно с резистором настройки, чтобы поколение не сломалось в крайнем левом положении своего двигателя. А также защитный диод от обратной полярности цепи. Но нам с тобой это не нужно, мы аккуратные, внимательные и неторопливые. При номиналах резистора и конденсатора, указанных на схеме, схема формирует прямоугольные импульсы амплитудой 12 вольт в диапазоне частот от ≈ 180 Гц до ≈ 1.5 кГц, что пока покрывает потребность в использовании этого устройства на разных автомобилях.
При необходимости оперативного изменения диапазона генерируемых частот требуется замена конденсатора. Когда он уменьшается, частота увеличивается и наоборот.
Еще одна схема генератора предоставлена для публикации Yvm.
Ниже приведена таблица с описанием автомобиля с нашими лично модифицированными одометрами.
| модель автомобиля | Год | Сводка по установке |
| ГАЗель | с 2002 года | Разъем Х3 комбинации приборов: 11 контактный зеленый провод — сигнал ДС. Желтый провод — + зажигание. Масса черного провода. |
| KIA Magentis Hyindai соната | 2004 | Есть датчик скорости, обычный трехжильный, большой разъем комбинации приборов, вид сбоку на контакты, коричневый провод. |
| Комбинация приборов имеет три разъема: желтый большой; белый большой; белый мелкий. В белом большом разъеме стрелкой на иллюстрации обозначен провод DS, вид сбоку на контакты, провод серый с коричневой полосой. | ||
Forg tourneo connect | Датчик скорости есть, обычный трехпроводный, но его сигнал поступает в ЭБУ, а уже от ЭБУ по цифровой шине передается на ПКП. Поэтому пришлось оторвать белую с синей полосой проводку до контакта №3 ЭБУ. | |
| VOLVO S70 | 1997 | Датчика скорости нет, сигнал на приборку идет с АБС-ки, синус 6 вольт.Поэтому наш прибор питался от простого стабилизатора с выходным напряжением 6 Вольт типа КР142ЕН5Б (или любого маломощного импортного аналога) и на выходе у него уже были прямоугольные импульсы 6 Вольт, которые приборка спокойно «переварила». На панели разъем A находится вверху справа. 3 контакт — синий провод — вход скорости 15 контакт — коричневый провод — масса 18 контакт — синий с красной полосой — + зажигание. |
| Тойота Камри | 2003 | Большой разъем комбинации приборов, 35-контактный — провод с АБС и информацией о скорости.Если присмотреться к проводам, есть нумерация. (Большое спасибо Colduns за помощь) |
| КАМАЗ | ||
| МАЗ | | |
| УАЗ Патриот | ||
| УАЗ Хантер | | |
| Renault Logan « | »2005 | 7 — черный, масса | Автомобиль Mitsubishi
| — Panjero Diesel | 2005 | На панели три разъема — черный (первый слева от водительской двери) и два белых.На черном разъеме крайний правый провод (желто-белый с серебряными кольцами) — это DS. Устройство для намотки любого вывода с открытым коллектором (например, устройство для проверки цепи постоянного тока, приведенное в статье Олега Браткова). Естественно, вам еще нужен переключатель. |
| RenaultKANGOO | На тыльной стороне панели приборов два разъема — серый (два ряда) и красный (однорядный), обратите внимание на красный: 15 контактов, задействовано 6: 2 — сиреневый Распиновка слева направо; от центра панели (серый разъем) к краю.Нас интересует 13-й — коричневый (2), он отвечает за спидометр и одометр. Запитал прямоугольник ~ 500 герц, с скважностью 50%, по классической схеме генератора на 561 серии, скрутки на 200. | |
| Mazda Tribute (он же Ford Maverick, Escape), американец. | Подключен напрямую к DS. Двухпроводной ДС, стоит на АКПП ближе к моторному щиту. Генератор обычный на 561ле5, только конденсатор (0.1 мкФ, керамический) необходимо поместить в выходной промежуток сигнала скорости, очевидно, требуется синусоидальный сигнал. Тихо качает на скорости 250 км / ч, потом происходит поломка. Чек не загорается. | |
HYUNDAI Санта-Фе | 2007 г. |
В заключение обозначим примерный алгоритм поиска единственной необходимой проводки, по которой информация о пробеге поступает на одометр панели приборов.
1. Осмотр КПП, приводов, задних мостов на обнаружение датчика скорости.
2. Если обнаружен датчик скорости (или что-то подобное), необходимо убедиться, что это он. Снимаем с него разъем и делаем небольшой тест-драйв. Спидометр или одометр должны перестать работать.
3. Если обнаруженный датчик скорости трехпроводный, то необходимо измерить напряжение на его разъеме и определить сигнальный провод. Далее прозвоните этим сигнальным проводом на панель приборов для подключения перемотчика в салоне.Если датчик двухпроводный, то необходимо определить форму волны, которая поступает на панель. Это можно сделать, подвесив ведущие колеса и заставив их вращаться, контролировать поступающие на панель сигналы с помощью осциллографа.
4. Если датчик скорости не обнаружен на шаге 1, вполне возможно, что панель получает сигнал скорости с АБС. Затем по методике, описанной в пункте 3, необходимо поискать этот сигнал осциллографом, на разъемах панели приборов.
Конечно, если у вас есть подробные информационные материалы о модели автомобиля, которую вы собираетесь подвергать подобному «тюнингу», задача значительно упростится. Но в любом случае не забывайте, что вы действуете на свой страх и риск и поэтому перепроверяете себя, прежде чем безрассудно «что-то во что-то завернуть». Также хочу отметить, что в этом кратком обзоре освещены общие принципы решения данной проблемы, а конкретная реализация на конкретном автомобиле может сильно отличаться по направлению сложности.Если у вас есть информация по подключению к другим типам автомобилей, пришлите нам, мы с удовольствием заполним таблицу «применимости»
Некоторые примечания по созданию заводских устройств для Ford Mondeo и Ford Focus, 2006 года выпуска, Toyota Camry
Эти автомобили используют сигналы датчиков АБС в качестве сигнала скорости. На этих моделях эти датчики тока, это означает, что при вращении колеса ток в цепи меняется. Изменения составляют примерно 7/14 мА, то есть если вы подключите осциллограф параллельно датчику до тех пор, пока колесо не начнет вращаться, мы не увидим меандр с величиной около 0.5 Вольт на фоне 12 Вольт. На приведенной ниже схеме имитируется полная работа такого датчика.
Положительный провод можно определить, сняв разъем с датчика и измерив напряжение на проводке тестером при включенном зажигании. Мы использовали полное ручное переподключение, то есть для того, чтобы провести обмотку, клиент открывает колпак, вынимает заглушки из разъемов, намотчик протыкается на место заглушек. Включает зажигание, производит необходимую обмотку.После окончания снимает намотчик с разъемов и вставляет вилки в разъемы, что восстанавливает заводское подключение блока управления АБС к датчикам. Конечно, все это можно было переключить на реле, но под капотом было много лишних проводов, а во главе угла стояла маскировка. Обязательно использовать два колеса, так как с одним скорость не поднимается выше 30 км / ч.
Теперь рассмотрим автомобиль TOYOTA CAMRY, 2006 года выпуска. Панель этого автомобиля называется Optitron и имеет неоновую подсветку.Машина 3.5 литра на автомате. Сигнал скорости также снимается с датчиков АБС, но это синусоидальный сигнал с амплитудой около 1 В и частотой, прямо пропорциональной скорости вращения. То есть датчик АБС применяется индуктивного типа. В данном случае была применена следующая схема. Транзистор используется КТ3102 любого типа. Резистивный делитель снижает амплитуду выходного сигнала, а конденсатор емкостью от 0,1 мкФ до 0,47 мкФ снимает постоянную составляющую сигнала.В итоге конечно на выходе сформировался корявый сигнал, но блок управления ABS его отлично проглотил и желаемый результат был получен. Также следует отметить, что такой сигнал необходимо подать на два передних колеса. Правда, в этом случае сложной коммутации не потребовалось, и необходимые сигнальные провода подключались непосредственно к штатной разводке.
В заключение хочу напомнить, что АБС — важная система, которая влияет на безопасность, и если вы решите вмешаться в нее, вы должны четко представить последствия и, в соответствии с этим, выполнить работу на должном уровне качества. .
Небольшое дополнение к одометрам «КАМАЗ». Этот прибор можно легко настроить на «неправильные» показания с помощью
. Спидометр Twist Схема завода спидометра, одометра, измерителя пробега для легковых и грузовых автомобилей.
Этот раздел моего сайта посвящен тем, кто хочет сэкономить и самостоятельно собрать устройство для подзарядки одометра.
Корректор пробега радиодеталей можно купить на любом радиорынке. В каждой машине своя схема подключения сигнального провода, а место подключения зависит от пожеланий клиента, а также от сноровки автоэлектрика, устанавливающего твист.Схема затяжки спидометра
выглядит так:
ЖЕЛАЯ КУПИТЬ ГОТОВЫЕ УСТРОЙСТВА СО СХЕМОЙ ПОДКЛЮЧЕНИЯ СПЕЦИАЛЬНО ПОД ВАШИМ АВТОМОБИЛЕМ, НАЖМИТЕ ЗДЕСЬ.
Резистор R1 можно установить переменным или настраиваемым, при этом скорость намотки можно регулировать. Для штатной установки устройства использую шестиконтактный переключатель. Осуществляю подключение по разомкнутой цепи.
Мой домик выглядит так:
Собираю на SMD компонентах, мне удобнее и устройство меньше.
Спидометр в сборе имеет вид:
Для работы устройства намотки одометра необходимо подключить четыре провода: 1-плюс; 2-минус; 3.4 — сигнал датчика скорости, который мы фактически эмулируем для проверки спидометра.
Также можно использовать такое устройство для проверки и завода тахографа в грузовых автомобилях, но самостоятельное неквалифицированное вмешательство в работу тахографа может привести к записи кода ошибки в его энергонезависимой памяти устройства. Такая ситуация чревата некорректной работой тахографа и спидометра.Поэтому, если вы хотите сделать заводчик тахографа, лучше обратиться к людям, хорошо знающим работу тахографа и имеющим опыт работы с «шайбами».
Многих интересует схема намотки тахографа, которую ни от кого не скрывают. все, это выглядит примерно так:
А собрать не так уж и сложно, самая большая сложность — это прошивка, которую производитель держит в секрете и которую не так-то просто прочитать с готовой намотки. Плюс у каждой машины есть свой адрес и данные отправки id, которые Кан-чит отправляет на цифровую шину с определенным периодом и определенной скоростью.
Схема усилителя датчика ABS для бортовых компьютеров и таксометров (проверено на Форд Фокус 2)
Схема предназначена для подключения бортового компьютера или таксометра к автомобилям, не имеющим в комплектации датчика скорости, и получения сигнала скорости
от системы АБС.


Вот и приходится таким образом компенсировать повышенные расходы.
На черном разъеме крайний справа провод(желто-белый с серебристыми кольцами) ДС. Устройство для подмотки любое на выходе с открытым коллектором ( например, устройство для проверки цепи ДС, приведенное в статье Олега Браткова). Естественно еще нужен переключатель.
Вы должны обнаружить прекращение работы спидометра или одометра. Если это не произошло, то значить вы отключили не датчик скорости движения автомобиля, а что-то другое.