Как работает схема электрошокера на одном транзисторе. Какие компоненты используются в конструкции. Какие меры безопасности необходимо соблюдать при работе с высоковольтными устройствами. Каковы основные принципы генерации высокого напряжения в компактных электрошокерах.
Принцип работы электрошокера на одном транзисторе
Электрошокер на одном транзисторе представляет собой простое, но эффективное устройство для генерации высокого напряжения. Его основными компонентами являются:
- Транзистор (обычно мощный NPN типа TIP41 или аналогичный)
- Повышающий трансформатор
- Источник питания (чаще всего батарейки)
- Резисторы и конденсаторы для задания режима работы
Принцип действия основан на работе транзистора в режиме блокинг-генератора. При подаче питания транзистор открывается, через первичную обмотку трансформатора начинает протекать ток. Это индуцирует ЭДС во вторичной обмотке, которая через обратную связь подается на базу транзистора, еще больше открывая его. Процесс лавинообразно нарастает, пока не произойдет насыщение сердечника трансформатора.

В этот момент индуктивность первичной обмотки резко падает, ток через нее уменьшается. Соответственно, уменьшается и ЭДС во вторичной обмотке. Транзистор начинает закрываться, ток в первичной обмотке падает еще сильнее. Процесс также идет лавинообразно, пока транзистор полностью не закроется.
Генерация высокого напряжения в электрошокере
Высокое напряжение в электрошокере генерируется за счет двух факторов:
- Большого коэффициента трансформации между первичной и вторичной обмотками трансформатора. Обычно он составляет несколько сотен.
- Быстрого прерывания тока в первичной обмотке. При этом во вторичной обмотке наводится ЭДС самоиндукции, пропорциональная скорости изменения тока.
В результате на выходе вторичной обмотки получаются импульсы высокого напряжения с амплитудой в десятки тысяч вольт. Частота следования импульсов обычно составляет несколько сотен герц.
Особенности конструкции повышающего трансформатора
Ключевым элементом электрошокера является повышающий трансформатор. Его особенности:

- Первичная обмотка содержит десятки-сотни витков толстого провода
- Вторичная обмотка имеет тысячи витков тонкого провода
- Используется ферритовый сердечник с высокой магнитной проницаемостью
- Обмотки тщательно изолируются друг от друга
- Часто применяется секционирование вторичной обмотки для снижения паразитной емкости
Правильная намотка трансформатора — залог высокого КПД и надежности работы электрошокера. Необходимо обеспечить хорошую изоляцию между обмотками и каркасом, чтобы исключить пробой изоляции высоким напряжением.
Выбор транзистора для схемы электрошокера
Транзистор в схеме электрошокера работает в ключевом режиме с большими токами и напряжениями. Поэтому к нему предъявляются следующие требования:
- Высокое напряжение коллектор-эмиттер (минимум 100В)
- Большой допустимый ток коллектора (5-10А)
- Высокий коэффициент усиления по току
- Хорошие частотные свойства
Наиболее подходящими являются мощные высоковольтные NPN транзисторы, например:
- TIP41C
- 2SC5200
- BD243C
- KT818
Важно обеспечить хороший тепловой режим транзистора, при необходимости установив радиатор охлаждения.

Источник питания электрошокера
В качестве источника питания электрошокера обычно используются батарейки или аккумуляторы. Типичные варианты:
- 4-6 щелочных батареек AA или AAA
- 1-2 литиевых аккумулятора 18650
- Сборка из нескольких Li-ion или Li-po аккумуляторов
Напряжение питания обычно составляет 6-12В. При выборе элементов питания нужно учитывать:
- Требуемую емкость для обеспечения длительной работы
- Способность отдавать большие импульсные токи
- Габариты и вес
- Возможность перезарядки
Важно обеспечить надежную фиксацию и изоляцию элементов питания внутри корпуса электрошокера.
Меры безопасности при работе с электрошокером
Электрошокер является потенциально опасным устройством, генерирующим высокое напряжение. При работе с ним необходимо соблюдать следующие меры безопасности:
- Не прикасаться к электродам во время работы устройства
- Использовать качественную изоляцию всех токоведущих частей
- Не допускать попадания влаги внутрь корпуса
- Хранить в недоступном для детей месте
- Не применять к людям без крайней необходимости
- При ремонте и настройке отключать питание
Помните, что неправильное использование электрошокера может привести к серьезным травмам. Это устройство предназначено только для самообороны в экстренных ситуациях.

Возможные неисправности электрошокера и их устранение
При эксплуатации электрошокера могут возникнуть некоторые неисправности. Рассмотрим наиболее распространенные из них:
- Устройство не включается:
- Проверьте заряд и правильность установки элементов питания
- Убедитесь в исправности кнопки включения
- Проверьте целостность проводов от батарей
- Слабый разряд или его отсутствие:
- Замените разрядившиеся элементы питания
- Проверьте контакты между электродами
- Убедитесь в исправности трансформатора
- Устройство работает нестабильно:
- Проверьте все паяные соединения
- Замените неисправный транзистор
- Проверьте емкость и сопротивление компонентов схемы
При невозможности самостоятельно устранить неисправность, обратитесь к специалисту. Не пытайтесь разбирать устройство, если не уверены в своих навыках — это может быть опасно.
Законодательные аспекты использования электрошокеров
Правовой статус электрошокеров различается в разных странах и регионах. Перед приобретением или использованием электрошокера необходимо ознакомиться с местным законодательством. В общем случае следует учитывать следующие аспекты:

- В некоторых странах свободный оборот электрошокеров запрещен
- Может требоваться специальное разрешение на приобретение и ношение
- Часто существуют ограничения на мощность устройства
- Использование против человека может квалифицироваться как применение оружия
- Ношение электрошокера может быть запрещено в определенных местах (аэропорты, госучреждения и т.д.)
Помните, что незаконное изготовление, хранение или применение электрошокера может повлечь административную или уголовную ответственность. Всегда действуйте в рамках закона и используйте электрошокер только для самообороны в случае реальной угрозы.
Самоделки для радиолюбителей » Страница 8
Регулятор освещения — схема
Светорегулятор предназначен для плавного изменения яркости свечения обычных ламп освещения с общей мощностью до 1000 Вт….
Конструкция электронного металлоискателя
Металлоискатель представляет собой относительно простое устройство, электронная схема которого обеспечивает хорошую чувствительность и стабильность работы. Отличительной особенностью такого устройства является его низкая рабочая частота. Катушки индуктивности металлоискателя работают на частоте 3 кГц….
Металлоискатель на 1 транзисторе
Миниатюрный металлоискатель можно собрать на одном транзисторе. Схема конструкции представляет собой разновидность блокинг-генератора. Датчик металлоискателя — трансформатор Т1, укрепленный на самом конце штанги. Магнитопровод этого трансформатора не замкнут, и при приближении его к металлическому предмету меняется индуктивность обмоток. Частота колебаний генератора тоже меняется, и в наушниках появляется сигнал другого тона.
…
Миниатюрный низковольтный паяльник своими руками
Потому, что паяльники промышленного производства не во всем удовлетворяют требованиям радиолюбителей, многие из них не оставляют попыток разработать более удобную, а главное — дешевую конструкцию электропаяльника. Паяльник был и пока остается основным монтажным инструментом радиолюбителя….
Автоматическая защита аппаратуры от скачков напряжения
В последнее время в нашем быту все чаще применяются электронные устройства для плавной регулировки сетевого напряжения. С помощью таких приборов управляют яркостью свечения ламп, температурой электронагревательных приборов, частотой вращения электродвигателей. Подавляющее большинство регуляторов напряжения, собранных на тиристорах, обладают существенными недостатками, ограничивающими их возможности. Во-первых, они вносят достаточно заметные…
Гальванический электрошокер — схема
Гальванический электрошокер при прикладывании к телу нападающего кратковременно прикладывается довольно таки чувствительное, но не смертельно опасное напряжение.
Электрический импульс, блокируя мышцы, вызывает у злоумышленника сбой дыхания и продолжительное болевое ощущение в сочетании с поистине оглушающим эффектом….
Самодельные щупы для мультиметра
Щупы для мультиметра своими руками. Вы хотите упростить себе работу при различного рода измерениях в труднодоступных местах электрических цепей? Тогда смотрим………
Простая зарядка Лягушка из подручных материалов
Зарядное устройство Лягушка из подручных материалов своими руками. Иногда бывает, что нужной зарядки для телефона не оказывается под рукой, для этой цели было решено сделать универсальное зарядное устройство «Лягушка»….
Маломощный миниатюрный паяльник своими руками
Предлагаем вашему вниманию два самодельных миниатюрных паяльника, наиболее доступных в изготовлении и удовлетворяющих требованиям к монтажу миниатюрных электронных изделий….
Схема Электрошокера Кобра (Шмель или Пчела)
Схема Электрошокера Кобра (Шмель или Пчела).
Устройство предназначено для активной самообороны путем воздействия на нападающего высоковольтным разрядом электротока. Схема позволяет получить на выходных контактах напряжение до 80000 В, что приводит к пробою воздуха и образованию электрической дуги (искрового разряда) между контактными электродами. Так как при касании электродов протекает ограниченный ток, угрозы для человеческой жизни нет….
Varam kautko salodēt: Interesants shēmu veidotāju tipiņš
Interesants shēmu veidotāju tipiņš
Youtubes kontam Artyom Kositsyn ir blogs http://radiopraktikum.blogspot.ru
- Размножение Ивы черенками.Как просто создать зелен…
- Плазменная,дуговая,электронная зажигалка своими руками.Схема..
- Мини плазменная сварка или плазморез своими руками,на блокинг генераторе.Сваривает медный провод.
- Мини-водяная помпа для самоделок из шприца своими руками.
- Мини-паяльник из резистора МЛТ своими руками.
Для пайки SMD и других деталей. - Мощный преобразователь от 1.2В на полевом Mosfet-транзисторе.Две детали.Зажигает более 16-ти светодиодов,питает радиоприемник.
- Боксерская груша из пластиковой 30-литровой бутылк…
- Главная страница
- Мини-передатчик АМ на кварцевом генераторе.
- Самодельный фонарик из DVD привода от ноутбука на …
- Простой динамо-фонарик своими руками из игрушки китайского пистолета.
- Размножение сосны семенами из шишек.
- Имитатор подскакивающего шарика о стол.
- Имитатор звука капели-дождя.
- Зарядное устройство для пальчиковых батареек асимметричным током.Как зарядить батарейку.
- Простой указатель поворота для велосипеда своими руками.Вправо-влево,аварийка.
- Ионисторы.
- Игрушка «Электронный гимнаст».

- Микросхема БИОС
- Диоды КД105,КД208.
- Транзисторы кт972 кт973.
- Транзистор КТ646.
- Усилитель низкой частоты LM386(JRC/ D/ KA/ …).
- Двойной операционный усилитель 4558.(KA/JRC/RC/MC/D/…)
- Генераторы-синтезаторы мелодий УМС8-08/ HT2811.
- Термометр на основе кремниевых диодах.Мостовая схема.
- Шокер из самодельной электроимпульсной зажигалки.
- Преобразователь напряжения на основе несимметричного мультивибратора.Контактное ЭШУ.
- Сенсорный включатель.При первом прикосновении пластины включается нагрузка,при втором отключается.
- Искрит микроволновка.Замена колпачка анода конденс…
- Автоматическая мигалка на четырех деталях.Ночью мигает,утром выключается.
- Компьютерный блок питания,распиновка.

- Транзистор КТ3102.
-
- Предохранители плавкие.
- Термопредохранители
- Самовосстанавливающиеся предохранители.
- Электролитические конденсаторы.
- Простой датчик влажности для растений.
- TDA 7052- одноваттный усилитель низкой частоты
- GSM-растяжка.Поступит звонок при обрыве провода.
- Конвертер из УКВ в FM диапазон на микросхеме к174пс1.
- Зарядное устройство для миниатюрных «часовых» элементов питания.
- Электронная приманка для рыб-приманка для вашего к…
- Телеграфный передатчик на коротковолновый 80м диапазон,выходная мощность около 8-10Вт.
- Автоматическая мигалка.Включается и начинает мигать с наступлением темноты,на рассвете выключается.
- Как вырастить съедобный или посевной каштан из магазина «Магнит».

- Механический телевизор своими руками.Схемы.
- УКВ-FM приемник на одном транзисторе.УКВ регенератор на полевом транзисторе.
- Блокинг-генератор на полевом транзисторе и передатчик на длинные волны.
- Транзистор IRF3711S.
- Неоновая и светодиодная подсветка выключателя своими руками.
- Как определить полярность оксидного-электролитического конденсатора.
- Реле времени,таймер задержки на полевом транзисторе.
- Электрозажигалка для газа-газовой плиты своими руками.Схема.
- Сенсор на одном полевом транзисторе.Всего одна деталь.Bs170-КП501.
- Определитель полюсов магнита и магнитный включатель-выключатель.Микросхема из кулера fs266 fs277.
- Лазерная GSM сигнализация на базе сотового телефона и лазерной указки.
- Детектор скрытой проводки на одном транзисторе сво.
.. - Двутональная полицейская сирена на таймерах 555.
- Электромагнитное реле.Что внутри и как работает.
- Автоматическое зарядное устройство на микросхеме LTC4054
- СВЧ n-p-n транзистор BFR93
- Подстроечные резисторы
- Демонтаж SMD радиодеталей с помощью электрической …
- Полевой транзистор КП364.
- Кремниевый диод КД226
- Диоды для детекторного приемника
- Кремниевый транзистор КТ922
- Двухзатворный полевой транзистор n-типа BF964
- Клей БФ-2 и БФ-4.
- Клей ВС-10Т теплостойкий.
- Где взять медную фольгу
- Сигнализация-растяжка на базе сотового телефона.По…
- Коротковолновый АМ передатчик на 3-4 МГц.Выходная мощность более 4Вт на транзисторе КТ805
- Автоматическая импульсная вспышка для лампы от фотоаппарата.

- Транзисторы КТ315 и КТ361.Характеристики и их зарубежные аналоги.
- Резисторы.Как выглядят и как называются.
- Трассоискатель для поиска скрытой проводки своими …
- Простая ИК-станция для пайки SMD из проволоки.Инфр…
- Простой паяльник от 7В своими руками.
- Кремниевый транзистор КТ961.Характеристики
- Кремниевые транзисторы КТ814 КТ815 КТ816 КТ817. Ха…
- Автоматическая вспышка из старого фотоаппарата.Переделка две детали-тиристор и неоновая лампа.
- Тревожное охранное устройство на микросхеме К561ЛА…
- Простой усилитель низкой частоты на трех транзисто…
- Музыкальный синтезатор-микросхема УМС. Три мелодии…
- Супергетеродинный АМ радиоприемник своими руками на частоту 27МГц.
- Трансформатор ТС-180 для питания радиоламп или сам.
.. - Регулируемы стабилизатор напряжения на tl431 и пол…
2,9A = 12V
Jaunāka ziņa Vecāka ziņa Sākumlapa
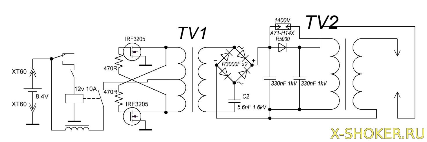
транзисторов — Понимание схемы электрошоковой коробки
спросил
Изменено 1 год, 6 месяцев назад
Просмотрено 701 раз
\$\начало группы\$
Я только что купил комплект электрошоковой коробки. Я пытаюсь понять, как работает схема, поэтому, выполняя обратный инжиниринг, я получаю следующую схему:
Я не понимаю, как генерируется высокое напряжение. Насколько я знаю, трансформаторы работают только с переменным напряжением.
В коробке используются 4 батарейки АА по 1,5 В каждая, поэтому у меня есть 6 В постоянного тока, питающего схему, я думаю, что здесь находится силовой транзистор TIP41CG, но я не понимаю, как это интерпретировать. Кроме того, в руководстве написано только «Трансформатор», но не указано, что это за трансформатор. Откуда я это знаю?
- транзисторы
- схемотехника
- трансформатор
- амортизатор
\$\конечная группа\$
\$\начало группы\$
Транзистор и трансформатор блок-генератора.
Это источник переменного тока, необходимый для создания высокого напряжения через трансформатор.
Генерируемый им сигнал представляет собой серию импульсов. Это не хороший, плавный сигнал, как синусоида. Трансформатору все равно. Он работает с любым переменным напряжением.
Трансформатор должен иметь высокий коэффициент витков (во много раз больше витков на вторичной обмотке, чем на первичной).
Я бы не стал дублировать схему, используя только случайные детали. Скорее всего, это не сработает, но если сработает, то нельзя быть уверенным, что оно не нанесет смертельный удар током.
С этим комплектом можно ожидать, что кто-то приложил усилия, чтобы обеспечить его разумную безопасность.
Если вы используете любой трансформатор, который у вас есть в мусорном ящике, то у вас нет никаких гарантий.
Я недостаточно знаю об этом, чтобы рассказать вам, как сделать его безопасным.
\$\конечная группа\$
5
\$\начало группы\$
Давайте перерисуем вашу схему, как показано, просто чтобы подчеркнуть многоточие, часто используемое для понимания трансформаторов. Точки указывают, что «полярность одинаковая», и вы используете только одну точку на обмотку.
Если мы представим себе первичную обмотку (слева от трансформатора) состоящую из двух обмоток с ответвлением от середины, причем эти две обмотки намотаны в непрерывном направлении вокруг сердечника, то мы гарантированно
есть ТОЧКИ, как я их нарисовал.
DOTS гарантирует, что на базу подается БОЛЬШЕ напряжения, когда коллектор движется к земле.
Поскольку база смещена по постоянному току при +6 вольт, транзистор открыт. По мере нарастания тока напряжение коллектора падает до нуля, а напряжение базы возрастает с +6 вольт до +12 вольт, увеличивая ток базы, а также увеличивая ток коллектора.
Что выключит это? вызвать «блокировку»?
смоделируйте эту схему — Схема создана с помощью CircuitLab
\$\конечная группа\$
1
\$\начало группы\$
Кажется, что Схема работает на частотах около 60000 Гц, и было бы практически невозможно нанести удар током без использования диода и выпрямления высокого напряжения на выходе, возник бы очень большой скин-эффект и большая часть ток будет проходить через кожу. Мы чувствуем удар током, когда ток проходит через наши нервы.
\$\конечная группа\$
Зарегистрируйтесь или войдите в систему
Зарегистрируйтесь с помощью Google
Зарегистрироваться через Facebook
Зарегистрируйтесь, используя электронную почту и пароль
Опубликовать как гость
Электронная почта
Требуется, но никогда не отображается
Опубликовать как гость
Электронная почта
Требуется, но не отображается
Нажимая «Опубликовать свой ответ», вы соглашаетесь с нашими условиями обслуживания, политикой конфиденциальности и политикой использования файлов cookie
.
ток — электрическая схема розыгрыша жевательной резинки
Я новичок в электронике.
Из любопытства пытаюсь узнать, как это работает.
У кого-нибудь есть принципиальная схема для цепи? Ток безопасен для такой шалости?
Внутреннее изображение:
РЕДАКТИРОВАТЬ: Объединенный вопрос от Тревера Томпсона
Помощь здесь будет принята с благодарностью: Этот вопрос задавался несколько раз на этом сайте и в других местах, и, похоже, авторы довольствовались неточными ответами.
Как, черт возьми, работают ручки и жевательная резинка с электрическим током?
Я не собираюсь никого шокировать или воссоздавать эту схему, я просто сбит с толку тем, как она работает. Я убедился, что все предполагаемые объяснения, доступные онлайн, неточны или неполны.
На изображении выше показаны только два компонента в цепи.
Я точно не знаю, что такое белый компонент, но должен предположить, что это конденсатор большой емкости.
Приведенное выше изображение является буквальным расположением схемы. Нагрузка 50k — это рука пользователя. Оба переключателя замыкаются при нажатии на кнопку. Переключатель стоит перед конденсатором. Это основано на внимательном наблюдении за схемой и является 100% точным, если кто-то не может доказать обратное. Я проверил это с различными значениями емкости и индуктивности и не смог индуцировать значительный ток в нагрузке в течение более десятков миллисекунд. При тестировании я переместил виртуальные выключатели с земли на плюсовой провод. Когда я перемещаю переключатель после конденсатора, у меня может быть длительный ток через нагрузку, но напряжение / ток очень низкие.
Редактировать: Начинает казаться, что белая часть (показана как колпачок выше) является активным компонентом/IC. В этой цепи может даже не быть конденсатора.
Что я знаю:
- Устройство ведет себя следующим образом: При удерживании пера и нажатии на кнопку ощущается слегка болезненный удар током. Примерно через 3 секунды боль постепенно уменьшается, пока не перестанет ощущаться. При отпускании и повторном нажатии снова ощущается полный толчок, даже если отпустить его только на малейший момент. Кнопка и рукоятка — это электроды.
- В нем используются 4 последовательно соединенных таблеточных элемента на 1,5 В (с высоким внутренним сопротивлением)
- Компонент, упакованный в термоусадочную пленку, представляет собой плотно намотанный повышающий трансформатор. Во вторичной обмотке используется очень тонкий провод. Судя по всему, это автотрансформатор, так как он имеет три вывода и намотан на одну ферритовую колонку.
Что я думаю, что знаю:
- Измерил частоту на первичке примитивным осциллографом. Это было равно паре сотен герц, что разумно, учитывая боль от удара.


Для пайки SMD и других деталей.


..
..
