Как работает умножитель напряжения. Какие схемы умножителей напряжения существуют. Как сделать умножитель напряжения своими руками. На что обратить внимание при изготовлении умножителя напряжения.
Что такое умножитель напряжения и для чего он нужен
Умножитель напряжения — это электронная схема, которая позволяет получить более высокое выходное напряжение по сравнению с входным. Основное назначение умножителя напряжения — повысить напряжение от низковольтного источника питания, например, батарейки, до высоковольтного уровня, необходимого для работы некоторых устройств.
Умножители напряжения широко применяются в следующих областях:
- Высоковольтные источники питания для электронно-лучевых трубок, рентгеновских аппаратов, лазеров и других устройств, требующих высокого напряжения
- Электрошокеры и электрические изгороди
- Ионизаторы воздуха
- Высоковольтные испытательные установки
- Источники питания для фотоэлектронных умножителей
Основное преимущество умножителей напряжения — возможность получить высокое напряжение от низковольтного источника без использования трансформатора. Это позволяет создавать компактные и легкие высоковольтные источники питания.

Принцип работы умножителя напряжения
В основе работы умножителя напряжения лежит принцип накопления заряда в конденсаторах. Рассмотрим работу простейшего удвоителя напряжения:
- На вход подается переменное напряжение
- В первый полупериод конденсатор C1 заряжается через диод D1 до амплитудного значения входного напряжения
- Во второй полупериод входное напряжение складывается с напряжением на C1, в результате конденсатор C2 заряжается через D2 до удвоенного амплитудного значения
- На выходе получается постоянное напряжение, примерно равное удвоенной амплитуде входного
При использовании большего количества каскадов можно получить умножение напряжения в 3, 4 и более раз. Чем больше каскадов, тем выше выходное напряжение, но также увеличиваются пульсации и падает максимальный выходной ток.
Основные схемы умножителей напряжения
Существует несколько базовых схем умножителей напряжения:
1. Схема Виллара
Простейший удвоитель напряжения. Состоит из двух диодов и двух конденсаторов. Позволяет получить выходное напряжение примерно в 2 раза больше амплитуды входного.

2. Схема Грейнахера
Позволяет получить умножение напряжения в 2, 4, 6 и более раз за счет каскадного включения. Каждый каскад состоит из диода и конденсатора. Выходное напряжение снимается с последнего конденсатора.
3. Схема Кокрофта-Уолтона
Наиболее распространенная схема для получения высоких напряжений. Состоит из цепочки диодов и конденсаторов. Позволяет получить умножение в десятки и сотни раз. Широко применяется в высоковольтных источниках питания.
4. Симметричная схема умножения
Позволяет получить как положительное, так и отрицательное высокое напряжение относительно средней точки. Удобна для создания биполярных источников питания.
Выбор конкретной схемы зависит от требуемого коэффициента умножения, допустимых пульсаций, максимального выходного тока и других параметров.
Как сделать умножитель напряжения своими руками
Для изготовления простого умножителя напряжения понадобятся следующие компоненты:
- Диоды (высоковольтные, быстродействующие)
- Конденсаторы (высоковольтные, малой емкости)
- Печатная плата или макетная плата
- Провода
- Источник переменного напряжения (трансформатор, генератор)
Порядок изготовления:

- Выберите подходящую схему умножителя в зависимости от требуемого выходного напряжения
- Рассчитайте номиналы компонентов
- Соберите схему на макетной плате или изготовьте печатную плату
- Припаяйте компоненты, соблюдая полярность диодов и конденсаторов
- Подключите источник переменного напряжения на вход
- Проверьте выходное напряжение вольтметром, соблюдая меры предосторожности
При изготовлении умножителя напряжения важно использовать качественные высоковольтные компоненты и соблюдать правила техники безопасности при работе с высоким напряжением.
Меры предосторожности при работе с умножителями напряжения
Умножители напряжения могут генерировать очень высокие напряжения, опасные для жизни. При работе с ними необходимо соблюдать следующие меры безопасности:
- Используйте изолирующие перчатки и инструменты
- Не прикасайтесь к схеме при включенном питании
- Разряжайте конденсаторы после выключения
- Используйте ограничители тока на выходе
- Обеспечьте надежную изоляцию высоковольтных цепей
- Не работайте в одиночку
Помните, что даже небольшой умножитель напряжения может быть опасен при неправильном обращении. Всегда соблюдайте осторожность и технику безопасности.

Практическое применение умножителей напряжения
Рассмотрим несколько примеров использования умножителей напряжения в реальных устройствах:
Высоковольтный блок питания для осциллографа
В электронно-лучевых осциллографах умножитель напряжения используется для получения высокого напряжения (порядка 2-10 кВ) для питания электронной пушки. Обычно применяется схема Кокрофта-Уолтона на 5-10 каскадов.
Электрошокер
В электрошокерах умножитель напряжения позволяет получить высокое напряжение (50-100 кВ) от батарейки. Чаще всего используется схема Виллара или Грейнахера на 5-10 каскадов.
Ионизатор воздуха
Для ионизации воздуха требуется напряжение порядка 3-5 кВ. Его получают с помощью умножителя напряжения на 3-5 каскадов от низковольтного источника питания.
Высоковольтный тестер изоляции
Для проверки изоляции кабелей и других изделий применяются тестеры с выходным напряжением до 10-15 кВ. Такое напряжение формируется умножителем на основе схемы Кокрофта-Уолтона.
Как видно, умножители напряжения находят широкое применение в различных областях техники, где требуется получить высокое напряжение от низковольтного источника питания.

Преимущества и недостатки умножителей напряжения
Умножители напряжения имеют ряд достоинств и ограничений по сравнению с другими методами получения высокого напряжения:
Преимущества:
- Простота конструкции
- Малые габариты и вес
- Возможность получения очень высоких напряжений
- Низкая стоимость
- Отсутствие трансформатора
Недостатки:
- Высокий уровень пульсаций выходного напряжения
- Низкий КПД при больших выходных токах
- Зависимость выходного напряжения от тока нагрузки
- Ограниченный максимальный выходной ток
При проектировании высоковольтных источников питания необходимо учитывать эти особенности умножителей напряжения и выбирать оптимальную схему в зависимости от требований к выходным параметрам.
Заключение
Умножители напряжения являются простым и эффективным способом получения высокого напряжения от низковольтных источников питания. Они широко применяются в различных областях техники — от бытовых приборов до научного оборудования. При правильном проектировании и соблюдении мер безопасности умножители напряжения позволяют создавать компактные и недорогие высоковольтные источники питания.

Электронная свечка, схема питания люминесцентной лампы от аккумулятора на 3,7В
На наших рынках и в магазинах появились люминесцентные светильники с автономным питанием, часами и радиоприемником.
Но цена этих изделий устроит не каждого. Ниже приводится описание устройства для питания люминесцентной лампы мощностью 8 Вт от аккумуляторной батареи напряжением 3,75 В.
В предлагаемом устройстве частота преобразования выбрана около 20 кГц, что позволило уменьшить габариты и массу устройства, а питание лампы постоянным током исключает недостатки описанные выше.
Принципиальная схема
Схема устройства показана на рисунке.
Рис. 1. Принципиальная схема высоковольтного преобразователя напряжения для питания люминесцентной лампы от батарей.
Устройство состоит из преобразователя и умножителя напряжения. Преобразователь выполнен на транзисторах VT1, VT2 и трансформаторе Т, с повышающей обмотки которого напряжение прямоугольной формы подается на умножитель напряжения, включающий в себя диоды VD1.
..VD3 и конденсаторы С2…С4.
Люминесцентная лампа EL подключена к умножителю напряжения непосредственно. В качестве балластного сопротивления используется реактивное сопротивление конденсаторов С3, С4.
Изменяя емкость этих конденсаторов, можно регулировать ток, протекающий через лампу. Резисторы R1, R2 ограничивают ток базы транзисторов преобразователя.
Потребляемый ток составляет 1,1 …1,3 А.
Устройство собрано в небольшой коробке, верхняя крышка которой изготовлена из алюминия толщиной 1,5…2 мм и является теплоотводом для транзисторов преобразователя. На крышке также закреплены трансформатор и плата умножителя напряжения.
Транзисторы устанавливать на теплоотводе необязательно, так как рассеиваемая мощность каждого транзистора не превышает 1 Вт.
Монтаж преобразователя навесной. Детали умножителя расположены на небольшой плате из фольгированного материала, на котором механическим способом выполнены контактные площадки.
В устройстве использованы резисторы типа МЛТ-0,25, конденсаторы K73-I7, К10-17(С1), К73-17, КМ-5 емкостью 3300 пФ и напряжением 160 В (C3, С4), КТ-2, К31 напряжением 250 В (С2).
Транзисторы КТ837Ф можно заменить любыми структуры р-п-р с икэ не меньше 0,5 В и Рк больше 1 Вт. Транзисторы желательно подобрать с близкими значениями h31 э.
Трансформатор выполнен на кольцевом магнитопроводе типоразмера К20х12х6 из феррита 2000 НМ.
Обмотки:
- I содержат по 5 витков,
- II — по 6 витков провода ПЭТВ-2 0,33,
- III — 210 витков ПЭТВ-2 0,18.
Обмотки I выполнены из пяти сложенных вместе, но не скрученных проводов ПЭТВ-2 0,33. Перед намоткой кольцо обматывают одним слоем ленты из тонкой лакоткани.
Обмотки I и II наматывают в «два провода», равномерно распределяя витки по всему магнитопроводу. Последней наматывают обмотку III.
Изоляция между обмотками необязательна. Диоды VD1…VD3 можно заменить на КД105, КД209. Источник питания — аккумуляторная батарея ЗШНКП-Ю от шахтного светильника СГД-5 или 3 аккумулятора НКГК-11.
Налаживание
Устройство не нуждается в наладке, возможно, придется скорректировать сопротивление резистора R3 при замене транзисторов.
Можно попытаться исключить из схемы умножителя диод VD2 и конденсатор С2.
В принципе описанное устройство можно применить и для лампы большей мощности. Для этого нужно увеличить напряжение питания и изготовить трансформатор на кольце большего типоразмера [2].
Автор испытал вариант с лампой ЛБ-15 и напряжением 6 В, а также ЛБ-40 и напряжением питания 12 В.
Автор: Б. Исаченко, г. Антрацит, Луганская обл., Украина.
Литература:
- Ковыкаев А. Питание ЛДС постоянным током //Радио.-1997.-№ 5.-С.36
- Малогабаритная радиоаппаратура. Справ. — Киев: Наук: дум., 1975. — 416 с.
Как повысить напряжение постоянного и переменного тока
Чтобы питать электроприборы, нужно обеспечить номинальные значения параметров электропитания, заявленные в их документации. Безусловно большинство современных электроприборов работают от сети переменного тока 220 Вольт, но бывает так, что нужно обеспечить питание приборов для других стран, где напряжение другое или запитать что-нибудь от бортовой сети автомобиля.
- Повышение переменного напряжения
- Цепи постоянного тока
Повышение переменного напряжения
Повысить переменное напряжение можно двумя способами – использовать трансформатор или автотрансформатор. Основная разница между ними состоит в том, что при использовании трансформатора есть гальваническая развязка между первичной и вторичной цепью, а при использовании автотрансформатора её нет.
Интересно! Гальваническая развязка – это отсутствие электрического контакта между первичной (входной) цепью и вторичной (выходной).
Рассмотрим часто возникающие вопросы. Если вы попали за границы нашей необъятной родины и электросети там отличаются от наших 220 В, например, 110В, то чтобы поднять напряжение со 110 до 220 Вольт нужно использовать трансформатор, например, такой как изображен на рисунке ниже:
Следует сказать о том, что такие трансформаторы можно использовать «в любую сторону».
То есть, если в технической документации вашего трансформатора написано «напряжение первичной обмотки 220В, вторичной – 110В» – это не значит, что его нельзя подключить к 110В. Трансформаторы обратимы, и, если на вторичную обмотку подать, те же 110В – на первичной появится 220В или другое повышенное значение, пропорциональные коэффициенту трансформации.
Следующая проблема, с которой многие сталкиваются – низкое напряжение в электросети, особенно часто это наблюдается в частных домах и в гаражах. Проблема связана с плохим состоянием и перегрузкой линий электропередач. Чтобы решить эту проблему – вы можете использовать ЛАТР (лабораторный автотрансформатор). Большинство современных моделей могут как понижать, так и плавно повышать параметры сети.
Схема его изображена на лицевой панели, а на объяснениях принципа действия мы останавливаться не будем. ЛАТРы продаются разных мощностей, тот что на рисунке примерно на 250-500 ВА (вольт-амперы). На практике встречаются модели до нескольких киловатт.
Такой способ подходит для подачи номинальных 220 Вольт на конкретный электроприбор.
Если вам нужно дёшево поднять напряжение во всем доме, ваш выбор — релейный стабилизатор. Они также продаются с учетом разных мощностей и модельный ряд подходит для большинства типовых случаев (3-15 кВт). Устройство основано также на автотрансформаторе. О том, как выбрать стабилизатор напряжения для дома, мы рассказали в статье, на которую сослались.
Цепи постоянного тока
Всем известно, что на постоянном токе трансформаторы не работают, тогда как в таких случаях повысить напряжение? В большинстве случаев постоянку повышают с помощью дросселя, полевого или биполярного транзистора и ШИМ-контроллера. Другими словами, это называется бестрансформаторный преобразователь напряжения. Если эти три основных элемента соединить как показано на рисунке ниже и на базу транзистора подавать ШИМ сигнал, то его выходное напряжение повысится в Ku раз.
Ku=1/(1-D)
Также рассмотрим типовые ситуации.
Допустим вы хотите сделать подсветку клавиатуры с помощью небольшого отрезка светодиодной ленты. Для этого вполне хватит мощности зарядного от смартфона (5-15 Вт), но проблема в том, что его выходное напряжение составляет 5 Вольт, а распространенные типы светодиодных лент работают от 12 В.
Тогда как повысить напряжение на зарядном устройстве? Проще всего повысить с помощью такого устройства как «dc-dc boost converter» или «импульсный повышающий преобразователь постоянного напряжения».
Такие устройства позволяют повысить напряжение с 5 до 12 Вольт, и продаются как с фиксированной величиной, так и регулируемые, что позволит в большинстве случаев поднять с 12 до 24 и даже до 36 Вольт. Но учтите, что выходной ток ограничен самым слабым элементом цепи, в обсуждаемой ситуации – током на зарядном устройстве.
При использовании указанной платы выходной ток будет меньше входного во столько раз, во сколько поднялось напряжение на выходе, без учета КПД преобразователя (он в районе 80-95%).
Подобные устройства строят на базе микросхем MT3608, LM2577, XL6009. С их помощью можно сделать устройство для проверки реле регулятора не на генераторе автомобиля, а на рабочем столе, регулируя значения с 12 до 14 Вольт. Ниже вы видите видео-тест такого устройства.
Интересно! Любители самоделок часто задают вопрос «как повысить напряжение с 3,7 В до 5 В, чтобы сделать Power bank на литиевых аккумуляторах своими руками?». Ответ прост – использовать плату-преобразователь FP6291.
На подобных платах с помощью шелкографии указано назначение контактных площадок для подключения, поэтому схема вам не понадобится.
Также часто возникающая ситуация — необходимость подключить к автомобильному аккумулятору 220В прибор, а бывает что за городом очень нужно получить 220В. Если бензинового генератора у вас нет – используйте автомобильный аккумулятор и инвертор, чтобы повысить напряжение с 12 до 220 Вольт.
Модель мощностью в 1 кВт можно купить за 35 долларов – это недорогой и проверенный способ подключить 220В дрель, болгарку, котёл или холодильник к 12В аккумулятору.
Если вы водитель грузовика, вам не подойдёт именно указанный выше инвертор, из-за того, что в вашей бортовой сети скорее всего 24 Вольта. Если вам нужно поднять напряжение с 24В до 220В – то обратите на это внимание при покупке инвертора.
Хотя стоит отметить, что есть универсальные преобразователи, которые могут работать и от 12, и от 24 вольт.
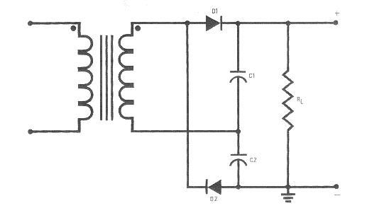
В случаях, когда нужно получить высокое напряжение, например, поднять с 220 до 1000В, можно использовать специальный умножитель. Его типовая схема изображена ниже. Он состоит из диодов и конденсаторов. Вы получите на выходе постоянный ток, учтите это. Это удвоитель Латура-Делона-Гренашера:
А так выглядит схема несимметричного умножителя (Кокрофта-Уолтона).
С его помощью вы можете повысить напряжение в нужное число раз. Это устройство строится каскадами, от числа которых зависит сколько вольт на выходе вы получите.
В следующем видео описан принцип работы умножителя.
Кроме этих схем существует еще множество других, ниже изображены схемы учетвертителя, 6- и 8-кратных умножителей, которые используются для повышения напряжения:
В заключении хотелось бы напомнить о технике безопасности. При подключении трансформаторов, автотрансформаторов, а также работе с инверторами и умножителями будьте аккуратны. Не касайтесь токоведущихчастей голыми руками. Подключения следует выполнять при отключенном питании от устройства, а также избегать их работы во влажных помещениях с возможностью попадания воды или брызг. Также не превышайте заявленный производителем ток трансформатора, преобразователя или блока питания, если не хотите, чтобы он у вас сгорел. Надеемся, предоставленные советы помогут вам повысить напряжение до нужного значения! Если возникнут вопросы, задавайте их в комментариях под статьей!
Наверняка вы не знаете:
- Что такое линейное и фазное напряжение
- Как сделать 380В из 220
- Что такое ограничитель перенапряжения
Удвоитель напряжения малой мощности | Полная цепь доступна
— Реклама —
Все миниатюрные электронные устройства работают от батареек.
Некоторым из них для эффективной работы требуется более высокое напряжение, чем стандартное напряжение батареи. Если аккумулятор с таким напряжением недоступен, мы вынуждены последовательно подключать дополнительные элементы, чтобы повысить напряжение постоянного тока. Таким образом, теряется истинный смысл миниатюризации. Простым способом преодоления этой проблемы является использование удвоителя напряжения, если рассматриваемое устройство может работать при малом токе.
Здесь мы представляем маломощную схему удвоителя напряжения, которую можно легко использовать с устройствами, требующими более высокого напряжения, чем у стандартной батареи, но с низким рабочим током для работы. Схема довольно проста, так как использует всего несколько компонентов. Тем не менее, выходной КПД составляет от 75 до 85 процентов во всем диапазоне рабочего напряжения. Доступное напряжение батареи почти удваивается на выходе схемы.
Цепь удвоителя напряжения
Цепь удвоителя напряжения малой мощности Здесь IC1 подключен как нестабильный мультивибратор для генерации прямоугольных импульсов частотой около 10 кГц.
Эту частоту и скважность импульсов можно изменять с помощью предустановки VR1. Импульсы подаются на переключающие транзисторы Т1 и Т2 для управления выходной секцией, которая сконфигурирована как схема удвоения напряжения. Удвоенное напряжение имеется на конденсаторе С5.
Работа схемы
— Реклама —
Во время каждого цикла появления импульса высокий уровень приводит Т1 в состояние насыщения, оставляя транзистор Т2 закрытым. Таким образом, транзистор T1 заряжает конденсатор C4 через цепь, образованную диодами D2 и D1, до уровня напряжения, немного меньшего, чем напряжение питания. Но во время низкого периода импульса транзистор Т1 закрывается, а транзистор Т2 переходит в состояние насыщения. Теперь транзистор Т2 увеличивает заряд отрицательного полюса конденсатора С4 еще на шаг, равный напряжению питания. Следовательно, на конденсаторе С5 через диод D3 накапливается равное количество заряда. Это действие удвоения увеличивает общее напряжение на конденсаторе C5 почти вдвое по сравнению с входным напряжением.
Если выход генератора импульсов поддерживается с достаточно высокой амплитудой и частотой, выходное напряжение и ток остаются постоянными и удовлетворяют потребности нагрузки.
Даже с функцией полупериода в этой цепи практически отсутствуют пульсации напряжения. Если подключенная нагрузка не требует большого тока, можно ожидать КПД в диапазоне верхних 90 процентов. Поскольку входное напряжение удваивается, потребляемый ток от входного источника питания также удваивается на входе, но уменьшается вдвое на выходе.
Конструкция
Следует обратить внимание на то, что если частота мультивибратора достаточно высока, на выходе могут возникнуть помехи, налагаемые постоянным напряжением. В этом случае частота должна быть установлена благоприятно путем опытов и фактической процедуры подключения нагрузки.
Эта крошечная схема может быть собрана на печатной плате общего назначения. Если все компоненты предназначены для поверхностного монтажа, весь модуль можно действительно миниатюризировать.
Примечание лаборатории EFY: Во время тестирования с входным напряжением 8 В и током нагрузки 1,25 мА было обнаружено, что выходное напряжение составляет около 13 В.
электротехника — Поиск схемы умножителя тока — если возможно
спросил
Изменено 6 лет, 4 месяца назад
Просмотрено 2к раз
$\begingroup$
Я использовал очень недорогую схему на микросхеме TP4056 и построил зарядное устройство для литий-ионных аккумуляторов 18650.
Проблема в том, что аккумуляторы, которые я использую, имеют такую большую емкость, что схема, которая ограничена зарядкой только при токе 1 ампер, заряжает мои аккумуляторы много часов.
Что я хотел бы сделать, так это построить схему, которую я мог бы добавить к той, которую я купил. Эта новая схема (в идеале) будет измерять ток, протекающий от цепи зарядного устройства к аккумулятору, и умножать его на два. Мои батареи могут безопасно выдерживать зарядный ток в 3 ампера. Все, что я хочу сделать, это зарядить их на 2 ампера.
Я приложил схему, которую я сделал, надеюсь, ясно иллюстрирует то, что я ищу. Очевидно, что все это может быть изменено на основе новой информации, знаний и т. д.
- электротехника
- бытовая электроника
$\endgroup$
3
$\begingroup$
Теоретически TP4056 способен заряжаться током 1,4А. Практически ваш дизайн ограничен возможностями источника USB или вашего внешнего источника. Вам нужно изменить резистор на выводе Program на TP4056 на желаемый ток заряда
В схеме выше резистор R4.
Также из техпаспорта LTC4056:
PROG (контакт 5): контакт программирования тока заряда. Обеспечивает виртуальное опорное напряжение 1В для внешнего резистор (RPROG), подключенный между этим контактом и землей для программирования тока заряда аккумулятора. В постоянном токе типичный зарядный ток в 915 раз больше тока через этот резистор (ICHG = 915V/RPROG). Текущий ограничивается приблизительно 1,4 мА (ICHG приблизительно 1.4А).
Исходя из максимально доступной емкости литий-ионного аккумулятора, вы сможете полностью зарядить аккумулятор менее чем за 4 часа.
Предупреждение: Хотя вам может потребоваться зарядка при 2А, химический состав батареи может не рекомендовать такую высокую скорость зарядки. Внимательно прочитайте спецификацию химического состава батареи. Неправильное использование может быть опасным. Например, LG Chem 18650 Mh2 имеет стандартный ток заряда 1,5 А и максимальный ток заряда 3,1 А.
Ниже приведена схема зарядки литий-ионных аккумуляторов. В большинстве случаев рекомендуется заряжать аккумулятор 0,8C. Кроме того, когда батарея достигает полной емкости, скорость зарядки также падает, как описано в таблице ниже 9.0003
Рекомендуемая скорость зарядки энергоячейки составляет от 0,5C до 1C; время полной зарядки составляет около 2–3 часов. Производители этих элементов рекомендуют заряжать при температуре 0,8°C или ниже, чтобы продлить срок службы батареи. Для большинства аккумуляторов Power Cell можно использовать более мощное зарядное устройство. Эффективность зарядки составляет около 99 процентов, и во время зарядки аккумулятор остается холодным.
Артикул:
- LTC4056-4.2 — Линейное зарядное устройство для литий-ионных аккумуляторов с подключением в ThinSOT
- TP4056 Зарядное устройство LiPo для радиоуправляемых игрушек
- Зарядка Литий-ионная
$\endgroup$
1
$\begingroup$
То, о чем вы просите, не сработает.

