Как работают мостовые усилители мощности. Какие схемы применяются в мостовых УМЗЧ. Каковы основные преимущества и недостатки мостового включения усилителей. Где применяются мостовые усилители звука.
Принцип работы мостового усилителя мощности
Мостовой усилитель мощности состоит из двух одинаковых усилителей, работающих в противофазе. Нагрузка (обычно динамик) подключается между выходами этих усилителей. Такая схема позволяет получить вдвое большее напряжение на нагрузке по сравнению с обычным усилителем при том же напряжении питания.
Основные особенности мостовой схемы:
- Два идентичных усилительных канала
- Противофазная работа каналов
- Нагрузка включена между выходами без разделительных конденсаторов
- Постоянное напряжение на выходах равно половине напряжения питания
За счет противофазной работы амплитуда сигнала на нагрузке может достигать значений, близких к напряжению источника питания. Это позволяет получить в 4 раза большую выходную мощность по сравнению с обычной схемой при том же напряжении питания.

Схемы мостовых УМЗЧ
Существует несколько вариантов схем мостовых усилителей мощности звуковой частоты (УМЗЧ):
1. На операционных усилителях
Простейшая схема мостового УМЗЧ может быть реализована на двух операционных усилителях. Один ОУ работает как неинвертирующий усилитель, второй — как инвертирующий. Нагрузка подключается между выходами ОУ.
2. На полевых транзисторах
Более мощная схема строится на полевых транзисторах. Используются две пары мощных полевых транзисторов, работающих в противофазе. Такая схема позволяет получить высокую выходную мощность при низком напряжении питания.
3. На специализированных микросхемах
Многие производители выпускают специализированные микросхемы для построения мостовых УМЗЧ. Например, TDA7293, LM4780, TAS5630B. Такие микросхемы содержат все необходимые узлы и требуют минимум внешних компонентов.
Преимущества мостовых усилителей
Мостовая схема имеет ряд важных преимуществ:
- Высокая выходная мощность при низком напряжении питания
- Хороший коэффициент полезного действия
- Отсутствие разделительных конденсаторов в выходной цепи
- Низкий уровень искажений на низких частотах
- Возможность работы на низкоомную нагрузку
Благодаря этим преимуществам мостовые усилители широко применяются в портативной и автомобильной аудиотехнике, где важна высокая мощность при низком напряжении питания.

Недостатки мостовых усилителей
Наряду с достоинствами, мостовая схема имеет и некоторые недостатки:
- Сложность схемы — требуется два идентичных усилительных канала
- Повышенное энергопотребление в режиме покоя
- Необходимость точного согласования параметров каналов
- Сложность защиты от перегрузки
- Возможность появления постоянной составляющей на выходе при рассогласовании каналов
Эти недостатки ограничивают применение мостовых усилителей в некоторых областях, например в высококачественной стационарной аудиотехнике.
Области применения мостовых УМЗЧ
Основные сферы применения мостовых усилителей мощности:
- Автомобильные аудиосистемы
- Портативная аудиотехника
- Активные акустические системы
- Усилители для сабвуферов
- Профессиональное звуковое оборудование
В этих областях важны высокая мощность при низком напряжении питания и хороший КПД, что как раз обеспечивает мостовая схема.
Расчет мощности мостового усилителя
Выходную мощность мостового усилителя можно рассчитать по формуле:
P = U^2 / (2 * R)

Где:
- P — выходная мощность в ваттах
- U — напряжение питания усилителя
- R — сопротивление нагрузки
Например, при напряжении питания 12 В и нагрузке 4 Ом мощность составит:
P = 12^2 / (2 * 4) = 18 Вт
Это в 4 раза больше, чем у обычного усилителя при тех же условиях.
Особенности настройки мостовых УМЗЧ
При настройке мостового усилителя важно обеспечить:
- Идентичность параметров обоих каналов
- Точную симметрию выходного напряжения относительно общего провода
- Отсутствие постоянной составляющей на выходе
- Синфазность работы выходных каскадов
Для этого используют прецизионные компоненты, проводят тщательную регулировку, применяют схемы автоматической балансировки. Только при выполнении этих условий можно получить качественное звучание и высокую надежность мостового УМЗЧ.
Что такое мостовой усилитель? Функция подключения профессионального усилителя мощности
Мостовой режим — это метод подключения усилителей мощности в профессиональной аудиосистеме.
Наиболеепрофессиональные усилители звукаподдержка моста. Переключите состояние усилителя в мостовой режим (BTL), а затем проводку динамика подключают через выходной каскад (положительный) двух каналов, и динамик не заземляется. Что касается фазы положительной и отрицательной, усилитель мощности будет иметь положительный и отрицательный полюса BTL.
Мостовое соединение усилителя мощности звука должно одновременно подтолкнуть выходные концы двух схем усилителя к группе нагрузок (громкоговорители или акустические системы).
При мостовом соединении звуковые волны, выводимые двумя схемами усилителя, инвертируются и загружаются на динамик одновременно, так что нагрузка имеет вдвое большее звуковое напряжение, а мощность увеличивается в четыре раза (при условии, что идеальный ток Достаточно, и сопротивление нагрузки такое же. Однако из-за ограничения мощности ток не может удерживаться, поэтому мост часто не подходит для импедансов ниже 8 Ом, поэтому выходная мощность обычно увеличивается вдвое)
 Однако из-за ограничения мощности ток не может удерживаться, поэтому мост часто не подходит для импедансов ниже 8 Ом, поэтому выходная мощность обычно увеличивается вдвое)
Большинство профессиональных усилителей KTV и других усилителей мощности поддерживают мостовой режим. После того, как усилитель мощности настроен на мостовое состояние, динамик не нужно заземлять (черный отрицательный вывод пуст), и проводка динамика подключается через два красных выходных каскада. Красная клемма укажет фазу моста (то есть положительный и отрицательный полюса).
Итак, при каких обстоятельствах вам нужно использовать функцию моста и как ее выполнить? Как рассчитать мощность после перемычки и какой вред использование перемычки нанесет звуку?
ЧАСТЬ 1 Зачем нам нужен мост?
1. В первых усилителях мощности из-за ограничения параметров компонентов один канал не мог обеспечить высокую выходную мощность. Использование режима моста может снизить потребность в высокой выходной мощности;
2. Когда мощности одноканального усилителя мощности недостаточно для работы с громкоговорителями большого размера (например, двойными 18-дюймовыми сверхнизкими громкоговорителями), необходимо использовать режим моста для удовлетворения требований к высокой мощности, предъявляемых к динамикам. динамики;
 Когда мощности одноканального усилителя мощности недостаточно для работы с громкоговорителями большого размера (например, двойными 18-дюймовыми сверхнизкими громкоговорителями), необходимо использовать режим моста для удовлетворения требований к высокой мощности, предъявляемых к динамикам. динамики;
3. В целях экономии затрат, чем выше одноканальный усилитель мощности, тем дороже цена, использование мостового режима может обеспечить высокую выходную мощность;
4. Существует определенное расстояние между локальной проводкой, большим количеством динамиков и большой потребляемой мощностью, а окружающая среда относительно особенная, режим моста будет использоваться для продвижения нескольких мощных динамиков.
PART2 Как подключить усилитель?
1. Аналоговый усилитель мощности
Как правило, плата входного интерфейса оснащена кодовым переключателем, и переключатель переключается со студийного (стерео) на мостовой (мостовой моно) за усилителем мощности.
Метод подключения: подключите положительный полюс динамика к положительному полюсу левого канала усилителя мощности, а отрицательный полюс динамика — к положительному полюсу правого канала усилителя мощности. Громкость регулируется ручкой усиления левого канала!
2.Цифровой усилитель мощности
Обычно входной терминал интерфейсной платы имеет кнопку перемычки; при использовании функции моста кнопка моста должна находиться во включенном состоянии, но индикатор состояния моста отсутствует;
При использовании функции моста любой порт из двух выходных разъемов SPEAKON подключается к 2+, 2-.
Подсказки:
Поскольку выходная мощность цифрового усилителя мощности очень велика, для уменьшения контактного сопротивления порта (уменьшения нагрева) лучше всего использовать метод параллельного подключения. OUT1 (1+, 2+) подключен к клемме динамика 1+, OUT2 (1-, 2-) Подключите 1- на конце динамика.
ЧАСТЬ 3Как рассчитать мощность после моста?
Возьмем для примера один канал с мощностью нагрузки 8 Ом 200 Вт, в это время каждый канал U = Ua = Ub = 40 В, после моста Uab = Ua-Ub = 40 В — (- 40 В) = 80 В, при расчете мощности P = U * U / R = 80 * 80/8 = 800 Вт, тот же входной сигнал, видно, что когда после моста подключается такая же нагрузка с полным сопротивлением, это в четыре раза превышает мощность одного канала.
Однако в практических приложениях из-за проблем с питанием, создаваемых внутренним источником питания усилителя мощности, потери в линии, внутреннее сопротивление усилителя мощности и другие комплексные факторы, как правило, не могут достичь идеальной 4-кратной выходной мощности. Цифровой усилитель мощности с лучшим качеством в 3,75 раза, а аналоговый усилитель мощности заполнен. Мощность всего около 2,5.
ЧАСТЬ 4 Что плохо влияет на динамик при установке режима моста?
1. Мост усилителя мощности часто используется для мощных динамиков с низким уровнем голоса.
Теоретически это влияет на качество звука, но человеческое ухо его не слышит. Если вы используете мостовой усилитель для усиления полного диапазона, звук из динамика заставит людей почувствовать себя очень освежающим. Просто возьмите его, обычно он не горит.
На дискотеке часто сжигают колонки. Основная причина в том, что конфигурация мощности плохая, или предел давления не отрегулирован должным образом, и уровень DJ-микшера находится в конце, входной уровень микшера находится в конце, а выходная мощность находится в конце . Если уровень меньше -10 дБ, он сгорит.
 Если уровень меньше -10 дБ, он сгорит.
2. Выбор моста усилителя мощности для установки больших динамиков — это следующий шаг в системных приложениях, и это настоящий трюк. Теоретически мощность увеличена вдвое и ее можно наращивать.
Однако пользователи упустили из виду очень важный вопрос. Теоретически, мостовое соединение усилителя мощности относится к ситуации, когда технические параметры двух каналов полностью совпадают, но на практике это совершенно невозможно. Даже топовые зарубежные усилители мощности очень сложно сделать так, чтобы канал отдан на откуп.
Следовательно, подключение моста недопустимо, поскольку несоответствие мощности приводит к сгоранию звукового сигнала. Во-первых, это искажение кроссовера, вызванное мостом, и несбалансированность параметров двух каналов. Следовательно, неправильный мост — это рассогласование мощности. Основной причиной выгорания динамика по-прежнему остаются искажения кроссовера, вызванные мостом, и несбалансированность параметров двух каналов.
Соединение — это как если бы ваши ноги и руки были связаны вместе. После того, как вы его используете, вы должны поддерживать гармонию в своих действиях, иначе вы будете делать ошибки.
3. Двойной \»18 \» или двойной \»15 \» или двойной \»12 \» сверхнизкий звук обычно составляет 4 Ом. Пока функция может быть подключена при сопротивлении до 4 Ом, в этом нет никаких сомнений, и это не имеет ничего общего с методом работы. Причина, по которой усилитель мощности такой мощный, заключается в том, что внутренняя цепь замкнута.
Сверхнизкая мощность звука В целом усилитель мощности может в 3 раза превышать мощность динамика.
Есть много факторов, которые могут сжечь динамики, помимо самого оборудования, обычно это вызвано неправильной работой персонала.
Мостовой усилитель мощности нч
 Усилители с бестрансформаторным выходом
широко применяют в любительской и
промышленной аппаратуре благодаря их
простоте и надежности. Однако для
получения выходной мощности, положим,
более 15 Вт требуется применение источника
питания напряжением более 30 В. В
устройствах с питанием от сети
переменного тока это не приводит к
особым трудностям, но при автономном
питании создает ограничение в наращивании
выходной мощности. Большие энергетические
возможности автомобильных двенадцативольтных
аккумуляторных батарей реализовать
затруднительно, а при соединении
последовательно двух или трех батарей
источник питания становится слишком
громоздким и тяжелым.
 В
устройствах с питанием от сети
переменного тока это не приводит к
особым трудностям, но при автономном
питании создает ограничение в наращивании
выходной мощности. Большие энергетические
возможности автомобильных двенадцативольтных
аккумуляторных батарей реализовать
затруднительно, а при соединении
последовательно двух или трех батарей
источник питания становится слишком
громоздким и тяжелым.
Оказывается, можно получить довольно большую выходную мощность при использовании всего одной аккумуляторной батареи на 12 или 24В, если выполнить усилитель по мостовой схеме (рис. 18). При напряжении питания 12 В и сопротивлении нагрузки 4 Ом этот усилитель развивает выходную мощность до 10 Вт, потребляя ток около 1,5 А. При повышении напряжения питания до 24 В выходная мощность достигнет 40 Вт, а потребляемый ток увеличится до 3,3 А. Для оценки характеристик усилителя при иных сопротивлениях нагрузки и напряжения питания удобно пользоваться табл. 4.
 Столь значительное увеличение выходной
мощности объясняется тем, что мостовой
усилитель состоит из двух одинаковых
усилителей (подобных описанному
выше). Разница лишь в том, что нагрузка
(головка Гр1) включена непосредственно
между выходами обоих усилителей, а
входной сигнал подают на базы транзисторов
первых ступеней (Т1 и Т2, Т7 и Т8) в противофазе. Проти-вофазность
обеспечивается применением повышающего
трансформатора Tpl с двумя одинаковыми вторичными
обмотками. Цепь смещения для транзисторов
входных ступеней имеет общий резистор R7. При таком питании
базовых цепей обеспечивается равенство
постоянных напряжений на выходах
оконечных ступеней, что дает возможность
отказаться от разделительного конденсатора
в выходной цепи. По постоянному току
динамическая головка включена в
диагональ сбалансированного моста,
два плеча которого составлены из
транзисторов Т1 — Т4% а два других — из Т5 — Т8. Но
для переменного тока мост оказывается
разбалансированным, так как выходные
напряжения обоих усилителей противофазны.
В результате амплитуда напряжения
сигнала на нагрузке может достигать
значений, близких к напряжению источника
питания, т.
 Разница лишь в том, что нагрузка
(головка Гр1) включена непосредственно
между выходами обоих усилителей, а
входной сигнал подают на базы транзисторов
первых ступеней (Т1 и Т2, Т7 и Т8) в противофазе. Проти-вофазность
обеспечивается применением повышающего
трансформатора Tpl с двумя одинаковыми вторичными
обмотками. Цепь смещения для транзисторов
входных ступеней имеет общий резистор R7. При таком питании
базовых цепей обеспечивается равенство
постоянных напряжений на выходах
оконечных ступеней, что дает возможность
отказаться от разделительного конденсатора
в выходной цепи. По постоянному току
динамическая головка включена в
диагональ сбалансированного моста,
два плеча которого составлены из
транзисторов Т1 — Т4% а два других — из Т5 — Т8. Но
для переменного тока мост оказывается
разбалансированным, так как выходные
напряжения обоих усилителей противофазны.
В результате амплитуда напряжения
сигнала на нагрузке может достигать
значений, близких к напряжению источника
питания, т. е. почти в два раза больше,
чем в усилителе по схеме рис. 14 или ему
подобных. А удвоение напряжения на
нагрузке равнозначно учетверению
выходной мощности усилителя.
 е. почти в два раза больше,
чем в усилителе по схеме рис. 14 или ему
подобных. А удвоение напряжения на
нагрузке равнозначно учетверению
выходной мощности усилителя.
Для изготовления мостового усилителя можно использовать такие же детали, как и для описанного выше усилителя. Отличие лишь в конструкции-трансформатора Tp1: его магнитопровод — Ш16Х24; обмотка I — 120 витков провода ПЭЛ 0,33, обмотки II и III — по 1500 витков провода ПЭЛ 0,14. Все витки намотаны в одном направлении. Начала обмоток обозначены на схеме точками.
Необходимо помнить, что увеличение выходной мощности усилителя требует улучшения отвода тепла от оконечных транзисторов. Теплоотвод можно выполнить общим для всех мощных транзисторов, но тогда некоторые из них придется крепить через изолирующие прокладки из тонкой фторопластовой пленки или слюды.
 В простейшем случае можно наготовить
два одинаковых усилителя, подобных
изображенному на рис. 17, снабдив их общим
входным трансформатором. На рис. 19
показан вариант конструкции мостового
усилителя, где оконечные транзисторы
установлены попарно на двух пластинчатых
теплоотводах. Размеры каждого из них
250X150X3 мм. Теплоотаоды образуют боковые
стенки усилителя. На передней панели
размещены гнездовая часть входного
разъема, выключатель питания
 17, снабдив их общим
входным трансформатором. На рис. 19
показан вариант конструкции мостового
усилителя, где оконечные транзисторы
установлены попарно на двух пластинчатых
теплоотводах. Размеры каждого из них
250X150X3 мм. Теплоотаоды образуют боковые
стенки усилителя. На передней панели
размещены гнездовая часть входного
разъема, выключатель питания 
Таблица 4.
| Напряжение питания, В | Сопротивление нагрузки. Ом | |||
| 4 | 8 | 16 | 32 | |
| 6 | 2,5 0,7 | 1,8 0,4 | 1 0,2 | 0,5 0,13 | 
| 9 | 6 | 4,2 | 2,9 | 1,3 | 
| 1 | 0,55 | 0,3 | 0,2 | |
| 12 | 10 | 7,5 | 4 | 2 | 
| 1,5 | 0,95 | 0,4 | 0,23 | |
| 16 | 17 1,9 | 10 1 | 7,3 0,55 | 3,7 0,35 | 
| 20 | 32 2,5 | 20 1,6 | 10 0,7 | 5 0,37 | 
| 24 | 40 3,3 | 27 1,7 | 14 0,9 | 7 0,5 | 
 Примечание. В
числителе указана мощность (в ваттах),
в знаменателе — потребляемый ток (в
амперах).
 В
числителе указана мощность (в ваттах),
в знаменателе — потребляемый ток (в
амперах).
Налаживают усилитель следующим образом. Включают питание и измеряют постоянный ток, потребляемый обеими ступенями усилителя вместе и каждой в отдельности. Он должен быть равен соответственно 40 и 20 мА. Измеряют постоянное напряжение между плюсовым проводом питания и каждый из выходных выводов; оно должно быть равно половине напряжения источника питания. Если это не так, то следует подобрать точнее сопротивление резистора
Подключают нагрузку и аюва измеряют потребляемый ток — он долже» увеличиться не более, чем на несколько миллиампер. Это будет свидетельствовать о хорошей балансировке моста по постоянному току. Теперь можно подключать ко входу усилителя источник сигнала. Для нормальной работы усилителя достаточен сигнал мощностью 150 — 200 мВт.
 Описанные два варианта усилителя
мощности НЧ обладают относительно
высоким КПД, достигающим 65 — 70% гари
работе с максимальной мощностью, когда
падение напряжения на каждом из оконечных
транзисторов минимально (менее 0,5 В). При работе с пониженной выходной
мощностью уменьшаются искажения сигнала,
но КПД резко падает, достигая уровня
10%. Это, безусловно, значительно
снижает эффективность использования
энергии автономного источника питания.
Как же бороться с этим недостатков? Есть
два пути. Один заключается в использовании
усилителя на номинальную мощность,
соответствующую каждому конкретному
случаю. Другой — в применении усилителей-с
несколькими источниками питания.
 При работе с пониженной выходной
мощностью уменьшаются искажения сигнала,
но КПД резко падает, достигая уровня
10%. Это, безусловно, значительно
снижает эффективность использования
энергии автономного источника питания.
Как же бороться с этим недостатков? Есть
два пути. Один заключается в использовании
усилителя на номинальную мощность,
соответствующую каждому конкретному
случаю. Другой — в применении усилителей-с
несколькими источниками питания.
Умзч мостовая схема
Классы электронных усилителей и режимы работы активных усилительных приборов ламп или транзисторов традиционно обозначаются буквами латинского алфавита. Первая буквенная классификация, действующая по сей день режимы А, B и С , сформировалась в е годы и была дополнена режимом, или классом, D в году. Начавшийся в е годы выпуск высокочастотных силовых транзисторов сделал возможным построение экономичных транзисторных усилителей радиочастот классов E и F. Последовательное усовершенствование транзисторных усилителей мощности звуковых частот класса B привело к разработке усилителей классов G и H.
Поиск данных по Вашему запросу:
Умзч мостовая схема
Схемы, справочники, даташиты:
Прайс-листы, цены:
Обсуждения, статьи, мануалы:
Дождитесь окончания поиска во всех базах.
По завершению появится ссылка для доступа к найденным материалам.
Содержание:
- Мостовой УМЗЧ на ОУ и с полевыми транзисторами КП904 (12Вт)
- Мостовой усилитель
- Мостовой УМЗЧ с полевыми транзисторами (12Вт)
- На сайте радиочипи представлены принципиальные схемы сабвуферов, собранные своими руками
- УСИЛИТЕЛЬ СВОИМИ РУКАМИ — БЛОК УМЗЧ
- Мостовой усилитель мощности звуковой частоты
- Вы точно человек?
- Схема УНЧ на TDA7294
ПОСМОТРИТЕ ВИДЕО ПО ТЕМЕ: sxematube — схема недорогого автомобильного усилителя мощности умзч на TDA1518BQ, TDA1516BQ
youtube.com/embed/ARSzxTNYbRI» frameborder=»0″ allowfullscreen=»»/>Мостовой УМЗЧ на ОУ и с полевыми транзисторами КП904 (12Вт)
Нужны еще сервисы? Архив Каталог тем Добавить статью. Как покупать? Первое направление характерно использованием в выходных каскадах УМЗЧ мощных полевых транзисторов и радиоламп Hi-End , работающих очень часто в режимах класса А.
Второе направление характерно для носимой и автомобильной звуковоспроизводящей аппаратуры. Именно в реализации этого направления широко используются усилители класса D, а в высококачественной звуковоспроизводящей стационарной аппаратуре класс D используется чаще всего в усилителях для сабвуфера.
Всего существует пять основных классов режимов работы активных элементов транзисторов или ламп. Режим работы класса А Активный элемент транзистор или лампа открыт весь период сигнала. Усилители мощности класса А вносят минимальные искажения в усиливаемый сигнал, по имеют очень низкий К11Д.
Они используются в од-потактпых и двухтактных УМЗЧ для среднечастотных динамиков и твитеров, где особенно важно, чтобы уровень нелинейных искажений был низким. Усилители класса А — самые дорогие.
Режим работы класса В Активный элемент транзистор или лампа открыт только один полупериод входного сигнала. Усилители класса в имеют высокий кпд. Обычно используются в двухтактных УМЗЧ для срсднсчастотных динамиков и динамиков mid-bass. Режим работы класса АВ Активный элемент транзистор или лампа и этом режиме открыт один полупериод полностью и часть другого полупериода входного сигнала. Режим класса АВ — это нечто среднее между классами А и В.
Усилители класса АВ имеют более высокий кпд. Это наиболее распространенный класс массовых УМЗЧ. Режим работы класса С. В этом случае амплитуда звукового сигнала меньше, чем напряжение смещения. В таком состоянии транзистор проводит только верхнюю часть положительной полуволны, что сильно искажает сигнал. Поэтому в аудио усилителях, этот класс не применяется.
Режим работы класса D В режиме работы класса D происходит преобразование входного сигнала в импульсы прямоугольной формы одинаковой амплитуды, длительность которых пропорциональна значению сигнала в каждый заданный момент времени т. ШИМ — широтно-импульсная модуляция.
Активные элементы выходного каскада при этом работают в ключевом режиме и имеют два состояния: транзистор или заперт, или полностью открыт. Усилители класса D имеют максимальный КПД, так как основные потери энергии па выходных мощных ключах происходят только в момент переключения, в открытом состоянии потери энергии минимальны и будут чем меньше, чем меньше сопротивление открытого ключа.
Он состоит из широтно-импульсного модулятора ШИМ на транзисторе Q1, двухтактного мощного транзисторного ключа Q2, Q3 и фильтра нижних частот ФНЧ , который отфильтровывает импульсные высокочастотные составляющие тока через громкоговоритель. Делитель па резисторах R1 и R2 задаст напряжение смещения Q1 и симметрию всей схемы. R3 — резистор нагрузки транзистора Ql. R4, С4 — цепь эмиттерной термостабилизации этого транзистора. С1 — конденсатор фильтра питающего напряжения.
 R3 — резистор нагрузки транзистора Ql. R4, С4 — цепь эмиттерной термостабилизации этого транзистора. С1 — конденсатор фильтра питающего напряжения.
C5, R5, L1. C6 — фильтр нижних частот ФНЧ. С7 — разделительный конденсатор. В состав усилителя класса D входит также генератор треугольного или пилообразного напряжения. Эпюры напряжений, поясняющие работу этой схемы. До момента времени А см. Изменятся моменты отпирания транзисторов и, как следствие, длительность выходных импульсов и пауза между ними см. Эти параметры будут изменяться по закону входного низкочастотного звукового сигнала.
Полученный импульсный сигнал с переменной скважностью называют широтно-имиульспым, или ШИМ-сигиалом, а процесс его получения — широтпо-импульсной модуляцией ШИМ. ШИМ-сигпал содержит НЧ-составляющую.
За счет неполного подавления ВЧ-составляющсй переменное напряжение на громкоговорителе будет несколько изрезанным, что можно увидеть па увеличенном фрагменте к нижнему графику рис.
Изрезанность уменьшается с увеличением частоты генератора ШИМ, улучшением качества ФНЧ и применением некоторых ноу-хау, которые тщательно оберегают фирмы -производители микросхем усилителей класса D.
Усилители класса D на биполярных транзисторах ушли в прошлое. Основой современного УМЗЧ класса D являются мощные ключи па МДП-транзисторах, отличающиеся высоким быстродействием и низким сопротивлением канала в открытом состоянии.
При использовании таких транзисторов в ключевом режиме достигается высокий КПД. Эти микросхемы называют драйверами усилителей класса D. Многие из этих драйверов могут управлять четырьмя внешними выходными ключами па МДП-транзисторах, включённых мостом.
Все они монофонические. Пиковая выходная мощность этих микросхем вдвое больше. Рассмотрим особенности и схемы включения каждой из них. Диапазон воспроизводимых частот Гц Напряжение питания 7, В микросхему встроены дна выходных ключа па МДП-транзисторах, которые включены последовательно по питанию полумост. Микросхема U1 МР имеет дифференциальный вход выводы 1 и 2 , его положительный неивертирующий вывод в данной схеме используется как вход напряжения смещения, который задаёт режим микросхемы, а главное — симметрию схемы.
Напряжение смещения на неивертирующем входе вывод 1 должно быть равно половине напряжения питания, оно формируется делителем R3, R2.
Конденсатор С2 блокирует этот вывод по переменному напряжению. Следует заметить, что асимметрия схемы может привести к увеличению нелинейных искажений и даже к перегреву одного из выходных ключей и выходу микросхемы из строя. Входной сигнал поступает на инвертирующий вход микросхемы вывод 2 через разделительный конденсатор С1 и ограничивающий резистор R1.
Для повышения размаха выходных импульсов микросхемы используется известная по обычным двухтактным бестрансформаторным усилителям схема повышения КПД с конденсатором вольтодобавки С7, который включён между выходом выводом 7 и входом цепи вольтодобавки вывод 5.
Ёмкость конденсатора С7 выбирается в пределах 0, Для защиты внутренних цепей микросхемы от перегрузки параллельно С7 подключён стабилитрон D2 с напряжением стабилизации 6,2 В.
Для выделения усиленного сигнала и подавления высокочастотных импульсных составляющих в нагрузке к выходу вывод 7 подключён ФПЧ, состоящий из дросселя L1 и конденсатора С8.
Конденсатор С9 — разделительный. Диод Шоттки D1 гасит индукционные токи и выбросы ЭДС, возникающие в L1 в моменты переключения выходных ключей, когда оба ключа заперты.
При большей частоте увеличиваются потери мощности, а при меньшей — нелинейные искажения. С4 — конденсатор ООС по высокой частоте. Конденсаторы Сб, С5 — развязывающие фильтра питания. Для устранения прохождения импульсной помехи по цепям питания конденсатор С5 должен быть расположен между выводами 6 и 8 микросхемы, причём как можно ближе к этим выводам.
Упрощённо работу этого УМЗЧ можно объяснить следующим образом. Входной сигнал через Cl, R1 поступает на инвертирующий вход микросхемы вывод 2. Это приводит к изменению длительности и скважности импульсов частотой кГц на выходе микросхемы вывод 7 по закону изменения моментального значения входного сигнала и к появлению в выходном сигнале усиленной НЧ-составляющей, повторяющей по форме входной сигнал, которая через ФНЧ L1, C8 и разделительный конденсатор С9 поступает на громкоговоритель.
Добавить к этому можно только то, что входной и выходной сигналы противофазны. Микросхема МР выпускается в корпусе TSSOP20F для поверхностного монтажа, который имеет 20 выводов и металлическую контактную площадку сверху для теплового контакта с радиатором. Диапазон воспроизводимых частот 20 Гц.. Напряжение питания 7,5 Особенностью монофонических мостовых УМЗЧ является то, что они имеют два, как правило, равноценных усилительных канала с выходными ключами, которые включены полумостом.
То есть микросхема МР содержит два канала, близких по структуре к микросхеме МР Соль в том, что эти каналы работают в противофазе, а нагрузка громкоговоритель подключена без разделительных конденсаторов между выходами этих каналов, так как постоянное напряжение на каждом из выводов выхода равно половине напряжения питания.
С1, С2 — разделительные конденсаторы. Для такого включения оба канала должны быть инвертирующими усилителями. Сигнал на второй канал поступает с выхода первого через делитель Rl, R2 см.
Напряжение смещения на неивер-тирующих входах обоих каналов выводы 2 и 8 , равное половине напряжения питания, формируется делителем R2, R5. Конденсатор 09 шунтирует эти выводы по переменному напряжению, а конденсаторы С54 и С41 задают частоты ШИМ-преобразования 1-го и 2-го каналов соответственно. Эти конденсаторы должны быть расположены как можно ближе к выводам, возле которых они нарисованы на схеме.
С53 — конденсатор фильтра питания, а С55 и С42 -развязывающие конденсаторы, которые также надо располагать как можно ближе к выводам, возле которых они нарисованы. Входной сигнал поступает на инвертирующий вход канала 1 вывод 3 через разделительный конденсатор С35 и ограничивающий резистор R Коэффициент усиления по напряжению канала 1 микросхемы определяется соотношением сопротивлений резисторов цепи ООС R14hR16, а канала 2 — соотношением R44 и R Конденсатор С37 — это конденсатор вольтодобавки канала 1, а С22 — конденсатор вольтодобавки канала 2.
Они повышают КПД усилителя. Параллельно этим конденсаторам подключены стабилитроны D13 и D15 с напряжением стабилизации 6,2 В. ФИЧ подавляют высокочастотные импульсные составляющие ШИМ-сиг-нала на выходах микросхемы и не пропускают их в нагрузку.
 Параллельно этим конденсаторам подключены стабилитроны D13 и D15 с напряжением стабилизации 6,2 В. ФИЧ подавляют высокочастотные импульсные составляющие ШИМ-сиг-нала на выходах микросхемы и не пропускают их в нагрузку.
Диоды Шоттки D6, D8 гасят индукционные токи и выбросы ЭДС, возникающие в катушках L4 и L3 в моменты переключения выходных ключей, когда все они запираются. Эти катушки должны быть рассчитаны на номинальный ток 2,6 А.
Каждый из каналов имеет свой вход разрешения EN1 вывод 6 и EN2 вывод При низком уровне напряжения на этих выводах микросхема будет находиться в дежурном режиме, а при высоком — в рабочем. Микросхема МР выпускается в корпусе SOIC24 для поверхностного монтажа, который имеет 24 вывода и металлическую площадку сверху для теплового контакта с радиатором.
Диапазон воспроизводимых частот 20 Гц Напряжение питания 7,5 -.
Мостовой усилитель
Усилители мощности звуковой частоты УМЗЧ для серийной аппаратуры, даже очень мощные и качественные, в последнее время превратились в очень простые конструкции. Они состоят из микросхемы УМЗЧ, которая, как правило, устанавливается на радиаторе, и около десятка деталей внешней обвязки. Правда, микросхем этих очень много. Каковы их особенности и отличия?
 Они состоят из микросхемы УМЗЧ, которая, как правило, устанавливается на радиаторе, и около десятка деталей внешней обвязки. Правда, микросхем этих очень много. Каковы их особенности и отличия?
Порядок проектирования мостового усилителя мощности звуковой частоты, составление его принципиальной электрической схемы и отладка ее.
Мостовой УМЗЧ с полевыми транзисторами (12Вт)
Первый каскад собран на малошумящем пентоде 6Ж32П. Поскольку чувствительность первого каскада высока, то лампу можно включить триодом или заменить одним триодом лампы 6Н23П, 6Н8 или 6Н1П. При этом уменьшается количество деталей и упрощается схема. Элементы R4, R7, R8, С2, C5, C6 в этом случае из схемы нужно исключить, и схема первого каскада будет иметь вид, показанный на рис. Конструктивно усилитель выполнен в виде моноблока с применением навесного монтажа. На рис. В первом варианте использованы конденсаторы типа МБГО, а во втором. Платы изготовлены из стеклотекстолита толщиной 2 мм с использованием штырьков от разъема ГРПМ. Экранированные провода во входных цепях применяют в том случае, если не удается избавиться от наводок и помех.
 Экранированные провода во входных цепях применяют в том случае, если не удается избавиться от наводок и помех.
На сайте радиочипи представлены принципиальные схемы сабвуферов, собранные своими руками
Логин или эл. Войти или Зарегистрироваться. Авторизация Логин или эл. Мостовой усилитель Аудиотехника.
Определение назначения, анализ технических характеристик и описание принципиальной схемы усилителя мощности звуковой частоты.
УСИЛИТЕЛЬ СВОИМИ РУКАМИ — БЛОК УМЗЧ
При конструировании ламповых усилителей мощности звуковой частоты УМЗЧ используют несколько классов режимов работы ламп. На рис. В данном режиме рабочая точка Рm лампы, соответствующая напряжению смещения на управляющей сетке лампы Uco располагается на середине прямолинейного участка вольтамперной характеристики. Как можно видеть из рисунка, лампа постоянно находится в открытом состоянии. Однако искажения, вносимые каскадом при этом, будут минимальны.
Мостовой усилитель мощности звуковой частоты
Имеется две микрухи ANK вытащил оконечник из тойотовской автомагнитолы , хочу собрать УНЧ для саба на них, но опыта в этом деле мне не хватает. Требуется помощь! Нужна мостовая схема включения и не сложный фильтр. Так же интересует питание мощность, напряжение и т. Если получиться собрать, в дальнейшем планирую поставить его в машину. Мы принимаем формат Sprint-Layout 6!
 Требуется помощь! Нужна мостовая схема включения и не сложный фильтр. Так же интересует питание мощность, напряжение и т. Если получиться собрать, в дальнейшем планирую поставить его в машину. Мы принимаем формат Sprint-Layout 6!
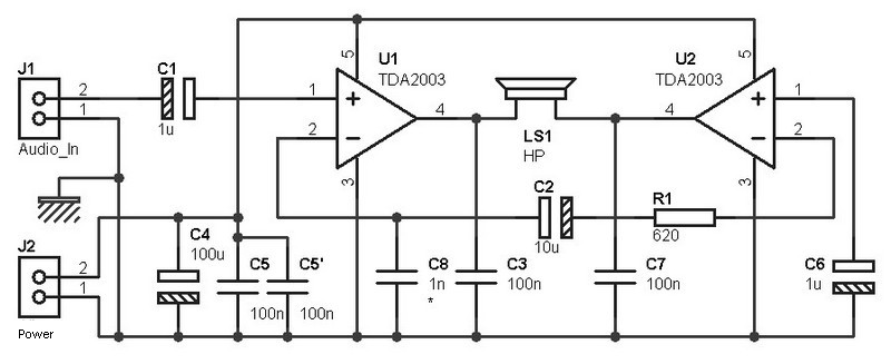
Данную микросхему можно использовать в мостовой схеме для в монофоническом Мостовая схема на TDA · Звукотехника (УМЗЧ).
Вы точно человек?
Умзч мостовая схема
Русский: English:. Бесплатный архив статей статей в Архиве. Справочник бесплатно.
Схема УНЧ на TDA7294
УМЗЧ автомагнитолы в настоящее время представляет интерес широких масс. Повсеместно используются человеком разнообразные усилительные аппараты: радиоприемники, телевизоры, компьютеры и автомагнитолы в том числе. УМЗЧ для автомагнитолы — грандиознейшее изобретение, предназначенное для более мощной передачи сигнала без искажений в НО нагрузку. Другими словами, УМЗЧ предназначен для автомобильной акустической системы , и большое внимание при его создании уделялось именно надежности.
Принципиальная схема усилмителя мощности с МДП -транзисторами в выходном каскаде приведена на следующем рисунке. Номинальное входное напряжение, В…………………………………….
Следует обратить внимание на тот момент, что корпус микросборки соединен не с общей линией питания, а с минусом источника питания вывод При использование этого УНЧ в своих радиолюбительских проектах и схемах, учтите, что TDA боится статики, кроме того ее нужно обязательно изолировать от радиатора, а последний необходимо заземлить на среднюю точку блока питания. Этот усилитель способен выдать на выходе схемы мощность 70 ватт. Для исключения перегрева усилителя мощности звуковой частоты микросборку рекомендуется установить на радиатор. Монтаж выполнен на односторонней печатной плате, рисунок прилагается. Для питания УНЧ с нагрузкой 4 Ома напряжение питания должно быть 27 вольт, при сопротивлении динамиков 8 Ом вольт. В роли БП можно использовать эту схему.
Государственный комитет Российской Федерации по высшему образованию. Уральский государственный технический университет — УПИ. УМЗЧ в общем случае характеризуются параметрами:.
 Уральский государственный технический университет — УПИ. УМЗЧ в общем случае характеризуются параметрами:.
Мостовая схема включения усилителя
Правила форума. MagWiki Мостовое включение. Мостовое включение — подключение усилителя к громкоговорителям, при котором каналы стереоусилителя работают в режиме моноблочных усилителей мощности. Они усиливают один и тот же сигнал, но в противофазе.
Поиск данных по Вашему запросу:
Мостовая схема включения усилителя
Схемы, справочники, даташиты:
Прайс-листы, цены:
Обсуждения, статьи, мануалы:
Дождитесь окончания поиска во всех базах.
По завершению появится ссылка для доступа к найденным материалам.
Содержание:
- Мостовые усилители мощности
- Элементы мостовой схемы.
Усилители мощности. Выбор варианта построения усилителя мощности
- Простейший вариант мостового включения усилителя
- Мостовое включение
- Мостовое, тандемное, Tri mode включение автомобильного усилителя
- 1. Мостовая схема включения TDA7294 / TDA7293
- Усилитель мощности, выполненный по мостовой схеме.
- Балансный мостовой усилитель мощности (250 Вт)
ПОСМОТРИТЕ ВИДЕО ПО ТЕМЕ: Мостовой усилитель на TDA2003
Мостовые усилители мощности
Логин: Пароль: Запомнить меня Регистрация Забыли пароль? Страницы: 1. Яков Конюх знойный. Сообщений: Баллов: 8 Регистрация:  Плюсы понятны возрастает мощность в раза. Но по аналогии «бесплатный сыр.. Кирилл gks. Сообщений: Регистрация:  Основные достоинства как диференциальных так и мостовых схем это устойчивость к синфазным помехом тоесть высокая стабильность работы.
 Яков Конюх знойный. Сообщений: Баллов: 8 Регистрация:  Плюсы понятны возрастает мощность в раза. Но по аналогии «бесплатный сыр.. Кирилл gks. Сообщений: Регистрация:  Основные достоинства как диференциальных так и мостовых схем это устойчивость к синфазным помехом тоесть высокая стабильность работы.
Ну а вот про недостатки могу сказать лиш только о сложности изготовления и соответственно о высокой стоимости. Я бы и сам хотел бы услышать о недостатках диф. Val Yurich. Сообщений: 56 Регистрация: В теории, мощность увеличится точно в 2 раза на нагрузку в 2 раза большую это обязательно. Опять же, в теории, отсутствие четных гармоник. Теория к практике в данном случае весьма близка. Моноблоки, естественно должны быть одинаковыми и качественными.
Да, биампинг здесь ни при чем, это способ подключения усилителя к акустике, а «мост» — увеличение мощности усилителя.
За счет чего она возьмется. По поводу сложности — » мост» организуется с помощью хорошего переключателя из любого стереофонического усилителя минут за тридцать. И причем здесь стоимость?. Ну правда было два усилителя в смысле стерео — станет один, зато мощща! Видно я не тот мост имел ввиду.
 И причем здесь стоимость?. Ну правда было два усилителя в смысле стерео — станет один, зато мощща! Видно я не тот мост имел ввиду.
Он к данной теме не имеет отношения. Извиняюсь малость занесло. В этом был смысл вопроса. Читают тему. Документация, в т. Запомнить меня. Забыли пароль? Кирилл gks Пользователь Сообщений: Регистрация: Val Yurich Пользователь Сообщений: 56 Регистрация:
Элементы мостовой схемы. Усилители мощности. Выбор варианта построения усилителя мощности
Многоканальный мостовой усилитель 20W Категория: Усилители. Чем удобнее всего паять? Паяльником W. Суточный генератор.
При одноканальной (мостовой) схеме микросхема способна отдать в Простой усилитель — Вт (два варианта) | soundbass Типовая схема включения TDA (стереофонический селектор сигналов) Нотная Тетрадь .
Простейший вариант мостового включения усилителя
Просмотр полной версии : Мостовая схема. Форум сайта plus-msk. Здравствуйте, подскажите пожалуйста кто нибудь, как правильно подключить усил в мост, если эта функция не предусмотрена производителем, и ранее не использована в схемотехнике устройства. Я это понимаю примерно так. Без спец образования я бы не советовал этим заниматься, тем более, что если двухканальный усилитель внутри которого находится два отдельных усилителя может работать в мост, то производитель в большинстве своем, как правило, такую возможность организовывает. То есть в каждом канале на самом деле два усилителя, включенных в мост. Поэтому включать ещё и каналы в мост просто нельзя. За исключением усилителей с определёнными хитростями.
 Я это понимаю примерно так. Без спец образования я бы не советовал этим заниматься, тем более, что если двухканальный усилитель внутри которого находится два отдельных усилителя может работать в мост, то производитель в большинстве своем, как правило, такую возможность организовывает. То есть в каждом канале на самом деле два усилителя, включенных в мост. Поэтому включать ещё и каналы в мост просто нельзя. За исключением усилителей с определёнными хитростями.
Мостовое включение
Элементы мостовой схемы в этом случае служат одновременно делителями напряжения для смещения входов ОУ. Мостовая схема также может применяться для измерения малых уровней напряжения. На рис. При прохождении тока падение напряжения на стандартных измерительных шунтах не превышает милливольт. При проектировании усилителей мощности основное внимание уделяется энергетическим и массогабаритным параметрам.
Сегодня разберем такую интересную возможность увеличения мощности, как подключение усилителя мостом и как подключить 2 усилителя аналогичным способом. Результат будет зависеть от питания системы и модели усилителя.
 Результат будет зависеть от питания системы и модели усилителя.
Мостовое, тандемное, Tri mode включение автомобильного усилителя
Логин или эл. Войти или Зарегистрироваться. Авторизация Логин или эл. Мостовой усилитель Аудиотехника. В предыдущих постах мы рассматривали структурные схемы усилителей низкой частоты и методы повышения их выходной мощности. Это огрничение вытекает из законов физики и его в рассмотренных схемах нельзя преодолеть.
1. Мостовая схема включения TDA7294 / TDA7293
Позволяет увеличить мощность на высокоомной нагрузке. Для любого усилителя мощность в нагрузке можно посчитать так:. Это если использовать так называемое действующее значение напряжения подробнее про действующее значение можно почитать в статье Маломощный блок питания. Если говорить о максимально возможной выходной мощности усилителя, которая ограничивается напряжением питания, то лучше пользоваться формулой для амплитудных максимальных значений:. Здесь R — сопротивление нагрузки, а Um — максимальное выходное напряжение усилителя амплитуда, то есть самая-самая верхушка синусоиды , которое на пару вольт меньше его напряжения питания. Пользоваться амплитудным значением здесь удобнее, потому что именно оно получается из напряжения питания. А если учесть падение напряжения на выходных транзисторах усилителя и просадку напряжения питания, получаем довольно близкую к реальности формулу:. Дальше я использую эту формулу везде где она применима!
 Пользоваться амплитудным значением здесь удобнее, потому что именно оно получается из напряжения питания. А если учесть падение напряжения на выходных транзисторах усилителя и просадку напряжения питания, получаем довольно близкую к реальности формулу:. Дальше я использую эту формулу везде где она применима!
сопротивление нагрузки для мостового включения должно быть в 2 мостовые схемы позволяющие получить удвоенную амплитуду.
Усилитель мощности, выполненный по мостовой схеме.
Мостовая схема включения усилителя
Сигнал обратной связи ослабляется сетью пропорционально коэффициенту усиления. При подключении выхода усилителя к точке обратной связи на другом усилителе, используя сопротивление, равное сопротивлению резистора цепи обратной связи, на втором усилителе мы получим усиленный сигнал, но в противофазе, поскольку обратная связь всегда применяется к инвертируемому выходу. На рисунке приведена схема включения и, для большей ясности, усилители мощности показаны как операционные усилители каковыми они и являются, за тем исключением, что в них используются дискретные компоненты и они несколько больше. Для того, чтобы собрать данную схему необходимо точно идентифицировать следующее:.
 Для того, чтобы собрать данную схему необходимо точно идентифицировать следующее:.
Балансный мостовой усилитель мощности (250 Вт)
ВИДЕО ПО ТЕМЕ: Простой двухканальный мостовой усилитель. …
В предыдущих постах мы рассматривали структурные схемы усилителей низкой частоты и методы повышения их выходной мощности. Это огрничение вытекает из законов физики и его в рассмотренных схемах нельзя преодолеть. Увеличить выходную мощность возможно, используя два одинаковых усилителя, работающих на одну и ту же нагрузку. Причем усилители надо включить так, чтобы один усилитель был подключен к одному ее выводу, а другой — ко второму, сами усилители должны работать в противофазе. При этом, когда на выходе правого усилителя напряжение будет снижаться, на выходе левого — повышаться. Такая схема усилителя называется мостовой и позволяет при низком напряжении питания усилителя получить большую мощность.
Получение большой выходной мощности связано с рядом трудностей, одной из которых является ограничение напряжения источника питания, вызванного тем, что ассортимент высоковольтных мощных транзисторов пока еще довольно невелик. Одним из способов увеличения выходной мощности является последовательно-параллельное включение однотипных транзисторов, но это вызывает усложнение конструкции усилителя и его настройку.
Логин: Пароль: Запомнить меня Регистрация Забыли пароль? Страницы: 1. Яков Конюх знойный. Сообщений: Баллов: 8 Регистрация: Плюсы понятны возрастает мощность в раза. Но по аналогии «бесплатный сыр.. Кирилл gks.
Довольно распространенным на данный момент является использование активного сабвуфера, где имеется встроенный производителем усилитель мощности. Схема подключения такого устройства достаточно простая и не требует особых навыков и знаний. Но такой вариант построения акустической системы в салоне не дает качественного, полноценного, чистого звука, и используется в большинстве случаев, как бюджетный вариант акустики.
Балансный мостовой усилитель мощности (250 Вт)
Транзисторы широкого применения большой мощности, например, типа КТ903 и КТ812 с различными буквенными индексами могут обеспечить выходную мощность бестрансформаторного каскада до 100-120 Вт. Дальнейшее увеличение выходной мощности требует параллельного включения двух или трех однотипных транзисторов или применения принудительного воздушного охлаждения теплоотводов. Все это усложняет конструкцию и эксплуатацию усилителей.
         Давно известен способ увеличения выходной мощности усилителей, заключающийся в использовании двух идентичных усилителей мощности, включенных таким образом, что входной сигнал подается на их входы в виде двух колебаний, равных по амплитуде, но противоположных по знаку, а нагрузка включается непосредственно между выходами усилителей. Такие усилители называются балансными мостовыми. В разные годы на страницах радиолюбительских журналов СССР, ГДР, Польши и других стран появлялись описания подобных усилителей, правда, на мощность не более 10 Вт.
         На рисунке приведена принципиальная схема балансного мостового усилителя мощности низкой частоты на 250 Вт при коэффициенте гармонических искажений около 2% в полосе частот от 30 Гц до 16 кГц. Основой конструкции являются два идентичных усилителя низкой частоты (А и Б), собранные на биполярных кремниевых транзисторах. Устройство защиты оконечных транзисторов и дифференциальный входной каскад отсутствуют. Изменение фазы входного сигнала, поступающего к гнезду Гн1, производится с помощью фазоинвертора на транзисторе Т8, собранного по схеме с разделенной нагрузкой. Коэффициент передачи такого каскада для коллекторной нагрузки равен -1, для эмиттерной +1. Это значит, что напряжения сигнала, подаваемые с выходов каскада на транзисторе Т8, равны по амплитуде, но противоположны по знаку, что и требуется для нормальной работы усилителя по мостовой схеме. Источник питания (общий для усилителей А и Б) выполнен по двухполупериодной схеме на понижающем трансформаторе Тр1 и двух диодах Д1, Д2. Фильтрующая цепь состоит из трех электролитических конденсаторов 2500 мкФх100 В, включенных параллельно. Сопротивление нагрузки 12-15 Ом. Нагрузка включается непосредственно между выходами обоих усилителей. Повторение конструкции возможно при использовании отечественных кремниевых высоковольтных транзисторов типа КТ626В (Т1), КТ801А (Т3), КТ312А (Т2), КТ802А (Т4), КТ903А (Т6, Т7), КТ626В (Т5). Диоды Д1 и Д2 должны быть рассчитаны на ток до 10 А, например, типа Д242Б. Все электролитические конденсаторы, кроме С1, могут быть на рабочее напряжение 60 В. Трансформатор  Тр1 имеет сердечник Ш50х70. Первичная обмотка содержит 218 витков провода ПЭВ-2 диаметром 1,1 мм, вторичная – 120 витков  с отводом от середины, проводом ПЭВ-2 диаметром 1,9 мм.
 Фильтрующая цепь состоит из трех электролитических конденсаторов 2500 мкФх100 В, включенных параллельно. Сопротивление нагрузки 12-15 Ом. Нагрузка включается непосредственно между выходами обоих усилителей. Повторение конструкции возможно при использовании отечественных кремниевых высоковольтных транзисторов типа КТ626В (Т1), КТ801А (Т3), КТ312А (Т2), КТ802А (Т4), КТ903А (Т6, Т7), КТ626В (Т5). Диоды Д1 и Д2 должны быть рассчитаны на ток до 10 А, например, типа Д242Б. Все электролитические конденсаторы, кроме С1, могут быть на рабочее напряжение 60 В. Трансформатор  Тр1 имеет сердечник Ш50х70. Первичная обмотка содержит 218 витков провода ПЭВ-2 диаметром 1,1 мм, вторичная – 120 витков  с отводом от середины, проводом ПЭВ-2 диаметром 1,9 мм.
         Для обеспечения нормальной работы усилителя транзисторы Т3-Т7 должны иметь эффективные теплоотводы. Можно применить простейшие пластинчатые теплоотводы из листового черненого дюралюминия. Размеры теплоотводов, как указано в первоисточниках, должны быть следующими: для транзисторов Т6 и Т7 – 3х160х160 мм; для транзисторов Т4 и Т5 – 2х60х60 мм; для транзистора Т2 – 2х15х15 мм. Если в качестве Т2 применить транзистор КТ602А, то дополнительного теплоотвода не потребуется.
 Если в качестве Т2 применить транзистор КТ602А, то дополнительного теплоотвода не потребуется.
Налаживание собранного усилителя начинают с проверки монтажа и соединений. Затем включают питание и устанавливают режимы работы каждого из каналов усилителя в отдельности при отключенном сигнале и нагрузке. Сначала переменным резистором R9 устанавливают ток, потребляемый каналом Б, равный 60 мА. Далее переменным резистором R5 добиваются того, чтобы постоянное напряжение на выходе канала Б было 30 В. Потом аналогичные операции производят с каналом А.
Затем включают нагрузку и замеряют постоянное напряжение на ней. Допускается, чтобы это напряжение было не более ±0,3 В. В противном случае переменным резистором R5 каналов А и Б вновь производят коррекцию так, чтобы постоянное напряжение на нагрузке вошло в норму. И только после этого можно испытывать усилитель с источником сигнала.
         Конечно, в большинстве случаев любительской практики выходная мощность 250 Вт не требуется. Но описанный выше принцип построения балансных мостовых усилителей мощности низкой частоты может оказаться полезным при создании усилителей меньшей мощности (на 40-50 Вт) на базе двух усилителей малой мощности. Необходимо только, чтобы оба исходных усилителя были одного типа, имели одинаковые характеристики, а источник питания позволял получать требуемую мощность. В среднем можно считать, что мощность выпрямителя и трансформатора должна быть по крайней мере вдвое больше максимальной выходной мощности усилителя в целом.
 Но описанный выше принцип построения балансных мостовых усилителей мощности низкой частоты может оказаться полезным при создании усилителей меньшей мощности (на 40-50 Вт) на базе двух усилителей малой мощности. Необходимо только, чтобы оба исходных усилителя были одного типа, имели одинаковые характеристики, а источник питания позволял получать требуемую мощность. В среднем можно считать, что мощность выпрямителя и трансформатора должна быть по крайней мере вдвое больше максимальной выходной мощности усилителя в целом.
В заключение необходимо указать, что качество работы любого усилителя мощности низкой частоты во много зависит от источника усиливаемого сигнала, предшествующих регулирующих и корректирующих каскадов, от самой электроакустической установки, в которой используется данный усилитель, а также от мощности, входного сопротивления и качества работы громкоговорителя (или громкоговорителей, если их несколько).
Мостовые усилители для приложений с однополярным источником питания
Почему однополярный источник питания?
Существует несколько различных терминов, используемых для обозначения системы, в которой разработчик имеет доступ к шинам положительного и отрицательного напряжения: двуполярное, симметричное, с двойным источником питания, с раздельными источниками питания. Как бы вы ни хотели их назвать, они мне нравятся; аналоговые схемы являются более простыми и (на мой взгляд) более математически связными, когда уровень сигнала может опускаться фактически ниже уровня земли.
 Как бы вы ни хотели их назвать, они мне нравятся; аналоговые схемы являются более простыми и (на мой взгляд) более математически связными, когда уровень сигнала может опускаться фактически ниже уровня земли.
Однако неизбежный факт заключается в том, что система с двойным источником питания обычно является персоной нон-грата в мире современной электроники. Причина этого достаточно проста: для создания источника отрицательного напряжения требуются дополнительные схемы, что означает больше времени проектирования, более высокую стоимость и большие размеры печатной платы; таким образом, если системные требования могут быть каким-то образом выполнены без обращения к отрицательной шине питания, тем лучше. Альтернативой дополнительной схеме является вторая батарея; помимо того, что этот подход применим только к оборудованию с питанием от батарей, он всё же увеличивает стоимость и громоздкость, которые могут быть устранены с помощью продуманной схемы с однополярным источником питания.
Примечание. Не существует закона, утверждающего, что система с двойным источником питания должна иметь положительное и отрицательное напряжения питания, которые равны по величине (то есть симметричны). Однако симметричные источники питания являются нормой для схем усилителей, и обсуждение систем с двойными источниками питания или с раздельными источниками питания может включать предположение, что напряжения питания являются симметричными.
 Не существует закона, утверждающего, что система с двойным источником питания должна иметь положительное и отрицательное напряжения питания, которые равны по величине (то есть симметричны). Однако симметричные источники питания являются нормой для схем усилителей, и обсуждение систем с двойными источниками питания или с раздельными источниками питания может включать предположение, что напряжения питания являются симметричными.
↑ Печатные платы для TDA7297 и TDA7266SA
Сегодня на Алиэкспресс можно купить как модули в сборе на этих микросхемах, так и наборы для самостоятельной пайки. Стоят они ок. 1 доллара, стереоусилитель за такую сумму — неплохо.
↑ Плата УМЗЧ с Али
 Считаю удачной плату в наборе за доллар на Али, надо только заменить диод перемычкой.
Вполне годный вариант, но мне не всё в нём нравится, как обычно я считаю, что платы разведённые мною и под мои детали — лучше.
↑ Мои печатные платы
 Поскольку платы я развожу медленно и долго, сначала решил сделать работающий макет и оценить, есть ли смысл продолжать.
Имеющиеся в интернете чертежи мне не понравились тем, что дорожки проходят за тыльной стороной микросхем, плата не позволит прикрутить транзистор к радиатору, радиатор будет стоять на плате. Нельзя будет, например, прикрутить плату к корпусу усилителя. Считаю, лучше припаять перемычку общего провода снизу платы.
В усилителе не следует в цепь прохождения звука ставить керамические конденсаторы, нужны пленочные. На плате они занимают больше места, хотя расстояние между выводами как у керамики — 5 мм.
Так же я разделил через резистор R3 минус питания и общий провод по входу. Это необязательно, но тогда надо делать плату, точно как в datasheet. В платах из интернета обычно общий провод разведен неверно. Насколько это критично — вопрос открыт, но в моих платах при питании от стабилизатора фон отсутствует полностью, а шум из ВЧ динамика еле слышен, если приложить к нему ухо.
Мостовой усилитель
Одной вещью, которая может быть трудной в среде с однополярным источником питания, является формирование выходных сигналов переменного тока высокой мощности. Давайте посмотрим на схему, которая может помочь с этой задачей:
 Давайте посмотрим на схему, которая может помочь с этой задачей:
Рисунок 1 – Мостовой усилитель
Как видите, входной сигнал подается на две схемы на операционных усилителях, одна неинвертирующая, другая инвертирующая; резисторы выбираются таким образом, чтобы оба усилителя имели одинаковую величину коэффициента усиления. Нагрузка подключена между выходами двух усилителей; обратите внимание, что нагрузка «плавающая», то есть она не имеет прямого соединения с узлом земли. Как вы, наверное, уже поняли, мостовой усилитель приводит к увеличению напряжения на нагрузке в два раза:
Рисунок 2 – Мостовой усилитель приводит к увеличению напряжения на нагрузке в два раза
Показанный здесь стандартный мостовой усилитель не является схемой с однополярным источником питания. Оба операционных усилителя имеют входной вывод, который привязан к земле; таким образом, входной синусоидальный сигнал с привязкой к земле потребовал бы от обоих операционных усилителей формирование отрицательных выходных напряжений, и это, конечно, совершенно невозможно, когда вывод отрицательного питания операционного усилителя подключен к земле. 
 
Содержание / Contents
- 1 УМЗЧ TDA7266, TDA7297 не работают от «Кроны»!
- 2 О цифрах выходной мощности в даташите
- 3 Схема усилителя на TDA7266, TDA7297 с разделением земель
- 4 Различия чипов TDA7266, TDA7297 4.1 Разные корпуса
- 4.2 Разное усиление 4.2.1 Регулятор громкости
- 4.2.2 Тон-корректор
- 5.1 Электрические характеристики TDA7297 на нагрузке 8,2 Ом
- 7.1 Плата УМЗЧ с Али
Версия с однополярным источником питания
Следующая схема адаптирует схему мостового усилителя к использованию однополярного источника питания:
Рисунок 3 – Мостовой усилитель с однополярным питанием
Важная особенность схемы на операционном усилителе с однополярным источником питания – это напряжение смещения, которое задает опорный уровень, равный половине напряжения питания (так же, как потенциал земли служит в качестве опорного уровня среднего напряжения питания в системах с двойным источником питания). Напряжение смещения не обязательно должно быть равно половине напряжения питания, но оно обычно выбирается таким при работе с синусоидальными сигналами, поскольку смещение, равное половине напряжения питания гарантирует, что выходной сигнал имеет одинаковые возможности раскачиваться и в «положительную», и в «отрицательную» стороны («положительная» значит выше напряжения смещения, а «отрицательная» значит ниже напряжения смещения).
 Напряжение смещения не обязательно должно быть равно половине напряжения питания, но оно обычно выбирается таким при работе с синусоидальными сигналами, поскольку смещение, равное половине напряжения питания гарантирует, что выходной сигнал имеет одинаковые возможности раскачиваться и в «положительную», и в «отрицательную» стороны («положительная» значит выше напряжения смещения, а «отрицательная» значит ниже напряжения смещения).
Существуют различные способы смещения в схемах на операционном усилителе с однополярным источником питания. На мой взгляд, самый простой подход показан на схеме, приведенной выше: вы конфигурируете схему как инвертирующий усилитель и прикладываете Vсмещ к положительному входу. Вот почему мостовой усилитель с однополярным источником питания использует два инвертирующих усилителя, тогда как стандартный мостовой усилитель использует неинвертирующий усилитель и инвертирующий усилитель.
Смещение неинвертирующего усилителя неудобно – независимо от того, применяете ли вы смещение к положительному или отрицательному входу, взаимосвязь между напряжением смещения и выходным напряжением является более сложной по сравнению с инвертирующей схемой. Кроме того, если для формирования напряжения смещения вы используете резистивный делитель, резисторы в неинвертирующем усилителе взаимодействуют с резисторами в делителе и тем самым делают вашу жизнь еще более сложной, чем она уже есть. Инвертирующая схема позволяет подключать напряжение смещения непосредственно к высокоимпедансному входному выводу операционного усилителя, и, таким образом, вы можете использовать резистивный делитель без опасений:
 Кроме того, если для формирования напряжения смещения вы используете резистивный делитель, резисторы в неинвертирующем усилителе взаимодействуют с резисторами в делителе и тем самым делают вашу жизнь еще более сложной, чем она уже есть. Инвертирующая схема позволяет подключать напряжение смещения непосредственно к высокоимпедансному входному выводу операционного усилителя, и, таким образом, вы можете использовать резистивный делитель без опасений:
Рисунок 4 – Организация смещения в мостовой схеме с однополярным питанием
Наконец, вы, вероятно, заметили, что на вход одного из операционных усилителей подается не сам входной сигнал, а выходной сигнал другого операционного усилителя. Весь смысл мостового усилителя состоит в том, чтобы генерировать как инвертированный, так и неинвертированный выходной сигнал, и, таким образом, каскадное включение усилителей является простым решением проблемы наличия двух инвертирующих усилителей.
Больше напряжения → больше мощности
Есть два важных преимущества, связанных с мостовым усилителем. 2 \times \frac{1}{R}\]
 2 \times \frac{1}{R}\]
Таким образом, мощность пропорциональна квадрату пикового напряжения. Мостовая схема удваивает напряжение на нагрузке; следовательно, она обеспечивает увеличение мощности, передаваемой нагрузке, в четыре раза. Возможно, вы задаетесь вопросом – почему мы не можем просто использовать один операционный усилитель и увеличить коэффициент усиления, чтобы получить большее напряжение? Зачем беспокоиться о мостовой схеме? Это хорошие вопросы, и ответ на них следующий: мостовой усилитель обеспечивает Pнагр, превышающую в четыре раза максимальную мощность, которую вы можете достичь при заданном напряжении питания. Другими словами, мостовой усилитель особенно полезен, когда вы пытаетесь получить как можно больше мощности от вашей шины питания.
В этот век низковольтных систем вы можете обнаружить, что напряжение питания является ограничивающим фактором того, какую мощность вы можете подавать на нагрузку. Предположим, что сопротивление нагрузки является фиксированным, поэтому вы не можете увеличить мощность, уменьшив Rнагр, и давайте также предположим, что у вас имеется достаточный уровень тока, доступный от вашего источника питания. В этом случае ваш источник питания 3,3 В сдерживает вас – вы могли бы легко подать больше мощности, если бы у вас было немного большее напряжение питания. Ну, вот тут-то и появляется мостовой усилитель: та же шина напряжения, но в четыре раза большая мощность.
 В этом случае ваш источник питания 3,3 В сдерживает вас – вы могли бы легко подать больше мощности, если бы у вас было немного большее напряжение питания. Ну, вот тут-то и появляется мостовой усилитель: та же шина напряжения, но в четыре раза большая мощность.
↑ О звучании
 Конечно, аудиофильским усилителям они уступают. Но звук без явных искажений и не раздражающий. Все частоты воспроизводятся, особенно низкие. Но звук как бы очищенный, упрощенный, сглаженный. Нет «воздуха», «живости» и микродинамики.
Но недостатки при прослушивании качественных записей переходят в достоинства при прослушивании МР3 и соответствующей акустики. Детальность и прозрачность усилителей более высокого класса могут только подчеркивать недостатки МР3.
У меня есть свои «стандарты» определения мощности (с удивлением фактически нашел подтверждение на некоторых datasheet), своя «музыкальная» мощность, но она принципиально отличается от раздутого PMPO. Для данных усилителей моя оценка мощности 1…2 Вт, и этого достаточно для домашнего прослушивания на акустике чувствительностью около 90 дБ.
Не требуется конденсатор связи
Моя любимая особенность мостового усилителя заключается в том, что он позволяет устранить постоянное напряжение смещения без устранения постоянного напряжения смещения… или что-то типа того. Допустим, у вас есть динамик, который вам необходимо подключить к вашей схеме с однополярным источником питания. Все аудиосигналы имеют смещение по постоянному напряжению, которое удерживает отрицательные участки синусоиды выше уровня земли. Но сигнал, который мы посылаем на динамик, должен быть чистым переменным напряжением; постоянное напряжение смещения в аудиосигнале уменьшает динамический диапазон и способствует искажению. Эта проблема часто решается с помощью конденсатора, блокирующего постоянный ток (также называемого разделительного конденсатора), но у этого подхода есть недостатки: во-первых, конденсатор может быть достаточно большим (часто сотни микрофарад), чтобы избежать ослабления низкочастотных составляющих сигнала; во-вторых, вам нужно беспокоиться о переходных эффектах, связанных с зарядом или разрядом разделительного конденсатора, таких как артефакты типа «щелчков» и «хлопков», которые мешают воспроизведению звука.
К счастью, если у вас есть мостовой усилитель, то отпадает необходимость в разделительном конденсаторе. Дополнительная особенность инвертированных и неинвертированных сигналов такова, что постоянное напряжение смещения одного сигнала может компенсировать постоянное напряжение смещения другого:
Рисунок 5 – Компенсация напряжения смещения
Как соединить автомобильный усилитель
Я принадлежу к культуре прекрасных образов и звуков, и мне нравится распространять информацию.
Я с детства возился с электроникой, начиная с разборки и сборки телевизоров и радиоприемников. Я всегда снова собирал их вместе и работал. Подростком я прошел курсы радио и электроники и стал радиолюбителем. Я работал в школьной постановочной бригаде, управляя звуком, светом и кинопроектором. После колледжа я присоединился к рок-н-ролльной группе в качестве звукорежиссера и научился таскать с собой и управлять оборудованием, благодаря которому музыка звучит хорошо и громко.
 Работая в музыкальном магазине в Остине, штат Техас, я несколько лет занимался производством, установкой, ремонтом и эксплуатацией звуковых систем. Нашими клиентами были студии звукозаписи, ночные клубы и гастролирующие группы. В конце концов я вернулся в Шарлоттсвилль, штат Вирджиния, и открыл небольшую студию звукозаписи. В 2006 году я, наконец, пришел в себя и устроился на эту работу в Crutchfield. На самом деле они платят мне за то, чтобы я болтал, разглагольствовал и объяснял, что мне нравится в музыке, электронике и хорошем звуке.
 Нашими клиентами были студии звукозаписи, ночные клубы и гастролирующие группы. В конце концов я вернулся в Шарлоттсвилль, штат Вирджиния, и открыл небольшую студию звукозаписи. В 2006 году я, наконец, пришел в себя и устроился на эту работу в Crutchfield. На самом деле они платят мне за то, чтобы я болтал, разглагольствовал и объяснял, что мне нравится в музыке, электронике и хорошем звуке.
Учитывая мой опыт, меня заставили писать о некоторых из самых сложных электронных продуктов, которые продает Кратчфилд: автомобильные усилители, процессоры цифровых сигналов, электропроводка, профессиональные звуковые микшеры и акустические системы.
Подробнее о Buck
- Начал работу в компании Crutchfield в 2006 г.
- Прошел тщательное обучение внутренних консультантов, изучив все тонкости различных продуктов
- Разработал и организовал электрические схемы сабвуферов Crutchfield
- Получает актуальную информацию, посещая тренинги для поставщиков по новым продуктам
- Получение сертификата MECP (сертифицированный профессионал в области мобильной электроники)
- Автор десятков статей о Crutchfield и сотен презентаций продуктов, в основном посвященных автомобильным аудиоусилителям и профессиональному аудиооборудованию
- Отвечает на многие вопросы клиентов, размещенные в комментариях к его статьям
- Звукорежиссер на пенсии с многолетним опытом создания хорошего звука для других людей
-  С 1999 по 2018 год также работал оператором видеокамеры на футбольных и баскетбольных матчах Университета Вирджинии. Лучшие 4-канальные автомобильные усилители 2022 года Лучшие монофонические усилители 2022 года Лучшие многоканальные автомобильные усилители 2022 года Схемы подключения сабвуфера Esquemas de cableado para subwoofers Большинство автомобильных усилителей имеют функцию, называемую «мостовым» или «мостовым режимом», когда два канала объединяются для получения одного канала с максимальной выходной мощностью. В этой статье я опишу два различных сценария, в которых установка мостового усилителя полезна и уместна. Использование мостового 2-канального усилителя для питания сабвуфераСабвуферу, установленному в заводской стереосистеме, не требуется много энергии, чтобы басы сохраняли свой уровень с остальной музыкой. Допустим, вы хотите подключить 4-омный сабвуфер со среднеквадратичной мощностью 200 Вт, не опустошая свой банковский счет на дорогой моноусилитель сабвуфера. Вы можете взять небольшой 2-канальный усилитель, который обычно выдает два канала по 60 Вт RMS, и соединить его, чтобы он мог давать на выходе 19 Вт.  0 Вт RMS, что было бы идеально для управления сабвуфером. 0 Вт RMS, что было бы идеально для управления сабвуфером.Обратите внимание: Большинство усилителей при мостовом подключении не могут управлять динамиком или сабвуфером с импедансом менее 4 Ом. Некоторые усилители не мостовые. Каждый усилитель отличается. Для безопасного и успешного шунтирования усилителя необходимо следовать инструкциям, приведенным в руководстве пользователя. Компоненты согласованы, время подключенияМы выбрали усилитель, который может выдавать нужное количество мощности через нагрузку с правильным импедансом (4 Ом или более) и имеет входы уровня динамиков, поэтому он будет работать с заводская система. Успешное соединение зависит от наличия сигнала как в правом, так и в левом каналах усилителя. Вы подключаетесь к проводке заднего левого и правого заводских динамиков и протягиваете провода динамиков к входному разъему уровня динамиков, который поставляется с усилителем. Для выхода подключите правую отрицательную выходную клемму усилителя к отрицательной клемме сабвуфера, а левую положительную клемму усилителя к положительной клемме сабвуфера.  Сходства и различияПри установке автомобильного усилителя необходимо установить провода питания, заземления и дистанционного включения. Встроенные регуляторы усиления и тембра работают так же, как и в режиме без моста, и их необходимо правильно отрегулировать. Следует отметить, что в этом сценарии шунтирования левая положительная и правая отрицательная клеммы усилителя используются для выхода. Вместо этого другой усилитель может использовать левый отрицательный и правый положительный выходы. Использование мостового 4-канального усилителя для питания пары компонентных динамиковЕще один распространенный сценарий мостового подключения усилителя — это питание пары высокопроизводительных компонентных динамиков только для фронтальных систем, и мы используем ресивер вторичного рынка. Вы можете подключить задние динамики от питания стереосистемы, и, чтобы не усложнять наш пример, в нем нет сабвуфера. Вы можете приобрести 4-канальный усилитель, который обычно выдает всего 30 Вт RMS на канал, но может выдавать на два канала среднеквадратичную мощность 125 Вт в режиме моста.  Четыре входа, два канала выходаВы подключаете двойной кабель RCA к переднему левому и правому выходам RCA ресивера. Затем на конце кабеля усилителя вы подключаете Y-образный адаптер к каждому разъему RCA, так что в итоге у вас есть четыре разъема RCA для подключения к четырем входам RCA усилителя. Для выходов соедините передний правый отрицательный выходной разъем усилителя с отрицательным выводом левого динамика, а передний левый положительный вывод усилителя с положительным выводом левого динамика (на самом деле, эти соединения выполняются с блоком кроссовера). Такая же схема подключения применяется для каналов тылового усилителя, идущих к правому динамику. Для удобства мы называем пары каналов в 4-канальном усилителе передней парой и задней парой. Как мы видим, в этой настройке роли пар каналов были изменены с питания передних и задних динамиков на питание левого и правого динамика. Как работает мост?Откуда берется вся эта дополнительная мощность? Использование отрицательного сигнала одного канала с положительным сигналом другого канала эффективно удваивает то, что каждый канал может выдать в отдельности при нагрузке 2 Ом.  Обычно это максимальная мощность, которую может выдать усилитель. Таким образом, когда вы подключаете усилитель мостом, вы также оптимизируете потенциал мощности вашей системы. И это хорошо. Обычно это максимальная мощность, которую может выдать усилитель. Таким образом, когда вы подключаете усилитель мостом, вы также оптимизируете потенциал мощности вашей системы. И это хорошо.Ищете снаряжение?В приведенных выше примерах мостового соединения я использовал настоящие сабвуферы, динамики и усилители. То есть я использовал спецификации различных компонентов, чтобы спланировать, как они будут соединяться вместе и работать. Я просмотрел обширный выбор автомобильных усилителей, сабвуферов и компонентных динамиков Crutchfield, чтобы найти подходящие примеры, которые ясно иллюстрируют мостовое соединение. Вы можете сделать то же самое на нашем сайте, чтобы купить усилитель с мостовым соединением, или вы можете нажать на значок чата в верхней части страницы для получения более персонализированной онлайн-информации о выборе. А еще лучше позвоните нам по бесплатному телефону 1-888-955-6000 и поговорите со знающим консультантом о том, какая конфигурация системы лучше всего подходит для вас.  Пожалуйста, поделитесь своими мыслями ниже. Сравните звук SpeakerCompare ™ Запатентованная технология Virtual Audio ™ технология Виртуальная аудиотехнология позволяет сравнивать звуковые характеристики динамиков, чтобы вы могли принять более обоснованное решение о покупке. Для начала Выберите марку наушников ниже. Модель Пожалуйста, отключите активное шумоподавление для достижения наилучших результатов. Не видите свои наушники? 
 Комплект для прослушивания напрокатДинамикСравнить ™ защищен патентами и патентными заявками, принадлежащими Crutchfield Corporation. SpeakerCompare ™ Запатентованная технология Virtual Audio ™ Прослушивание динамиков перед покупкойSpeakerCompare имитирует звук домашних и автомобильных динамиков через наушники.  Он позволяет сравнивать звуковые характеристики разных динамиков, чтобы вы могли принять более обоснованное решение о покупке. Он позволяет сравнивать звуковые характеристики разных динамиков, чтобы вы могли принять более обоснованное решение о покупке.Для начала Выберите марку наушников в правом столбце. 
 Если ваших наушников нет в списке, мы рекомендуем использовать наш комплект для прослушивания.SpeakerCompare ™ защищен патентами и патентными заявками, принадлежащими Crutchfield Corporation. ДинамикСравнить ™ РАВНО 
 МОЩНОСТЬРАВНО 
 VOLUMEЧто слушать Примечания к треку Пожалуйста, отключите активное шумоподавление для достижения наилучших результатов. Мы здесь, чтобы помочь Чтобы получить бесплатную персональную консультацию, позвоните по телефону 1-888-291-8923. Наши консультанты прослушали большинство динамиков, которые мы продаем, и могут помочь вам сделать лучший выбор для вашей системы.  Мы хотели бы знать, что вы думаете Выберите наушники Модель Пожалуйста, отключите активное шумоподавление для достижения наилучших результатов. Не видите свои наушники? 
 Возьмите наш комплект для прослушивания напрокатВыберите трек, чтобы начать прослушивание Колонки Audition перед покупкой SpeakerCompare имитирует звук домашних и автомобильных колонок через наушники. Он позволяет сравнивать звуковые характеристики разных динамиков, чтобы вы могли принять более обоснованное решение о покупке. Почему важно выбирать наушники SpeakerCompare адаптирует ваши впечатления от прослушивания именно к тем наушникам, которые у вас есть, так что то, что вы слышите, сравнимо с прослушиванием динамиков рядом друг с другом. Знание того, какую модель наушников вы используете, позволяет нам удалить любую звуковую окраску из вашего опыта.  Два разных режима прослушивания В реальной комнате для прослушивания вы обнаружите, что одни колонки играют громче, чем другие, при одинаковой мощности. В режим равной мощности , вы услышите эти различия в громкости, поскольку они естественным образом возникают между динамиками. В режиме равной громкости мы сделали громкость каждого динамика примерно одинаковой. Это дает вам более прямое сравнение тонких различий в голосовых связях между говорящими. Ничто не сравнится с прослушиванием динамиков в вашем помещении SpeakerCompare дает вам представление о звуковых различиях. Но на производительность в реальном мире влияет акустика вашего автомобиля или дома, выбранное вами усиление и исходный материал. Мы по-прежнему считаем, что золотым стандартом для прослушивания спикеров является прослушивание их в вашей собственной среде, поэтому мы предлагаем 60-дневную гарантию возврата денег. Наш комплект для прослушивания Чтобы помочь вам выбрать правильные динамики, мы рекомендуем использовать комплект для прослушивания SpeakerCompare от Crutchfield.  Он включает в себя пару наушников студийного качества, руководство по получению максимальной отдачи от сеанса и несколько других необходимых предметов. Мы тщательно отобрали компоненты этого комплекта, чтобы обеспечить кристально чистое звучание. Он доступен за номинальную арендную плату и включает товарный кредит Crutchfield на 25 долларов. Он включает в себя пару наушников студийного качества, руководство по получению максимальной отдачи от сеанса и несколько других необходимых предметов. Мы тщательно отобрали компоненты этого комплекта, чтобы обеспечить кристально чистое звучание. Он доступен за номинальную арендную плату и включает товарный кредит Crutchfield на 25 долларов.Запросить комплект Оцените свой опыт работы с SpeakerCompare Спасибо за ваш отзыв! Мы будем рады узнать ваше мнениеОцените свой опыт работы с SpeakerCompare ™ Больше не показывать Спасибо за ваш отзыв!Мостовой усилитель Уитстона | Как это работает?Что такое мостовой усилитель Уитстона и как он работает при измерении силы? Датчик нагрузки , изготовленный в США компанией FUTEK Advanced Sensor Technology (FUTEK), ведущим производителем, производящим огромный выбор из 9Датчики силы 0049 , использующие одну из самых передовых технологий в индустрии датчиков: металлическая фольга тензометрическая технология .  Датчик силы   определяется как преобразователь, который преобразует входную механическую  нагрузку, вес, натяжение, сжатие или давление  в электрический выходной сигнал (определение тензодатчика). Датчики силы также широко известны как датчик силы  . Существует несколько типов тензодатчиков в зависимости от размера, геометрии и грузоподъемности. Датчик силы   определяется как преобразователь, который преобразует входную механическую  нагрузку, вес, натяжение, сжатие или давление  в электрический выходной сигнал (определение тензодатчика). Датчики силы также широко известны как датчик силы  . Существует несколько типов тензодатчиков в зависимости от размера, геометрии и грузоподъемности.Что такое тензодатчик нагрузки?По определению, тензодатчик (или тензодатчик) представляет собой тип преобразователя, а именно датчик силы . Он преобразует входную механическую силу , такую как нагрузка , вес , растяжение , сжатие или давление , в другую физическую переменную, в данном случае, в электрический выходной сигнал, который можно измерить, преобразовать и стандартизировать. По мере увеличения силы, прикладываемой к датчику силы, электрический сигнал изменяется пропорционально. Датчики силы стали важным элементом во многих отраслях промышленности, таких как автомобилестроение, высокоточное производство, аэрокосмическая и оборонная промышленность, промышленная автоматизация, медицина и фармацевтика и робототехника, где первостепенное значение имеет надежное и высокоточное измерение силы. Совсем недавно, благодаря достижениям в области совместных роботов (коботов) и хирургической робототехники, появилось много новых приложений для измерения силы . Посетите наш магазин тензодатчиков прямо сейчас и поговорите с нашими специалистами! Как работает мостовой усилитель Уитстона?Во-первых, нам необходимо понять физику и материаловедение, лежащие в основе принципа работы тензодатчика , который представляет собой тензодатчик (иногда называемый тензодатчиком ). Тензорезистор из металлической фольги представляет собой датчик, электрическое сопротивление которого изменяется в зависимости от приложенной силы.  Другими словами, он преобразует (или преобразовывает) силу, давление (то есть датчик давления), напряжение, сжатие, крутящий момент, вес и т. д. в изменение электрического сопротивления, которое затем можно измерить. Другими словами, он преобразует (или преобразовывает) силу, давление (то есть датчик давления), напряжение, сжатие, крутящий момент, вес и т. д. в изменение электрического сопротивления, которое затем можно измерить.Тензорезисторы представляют собой электрические проводники, плотно прикрепленные к пленке в форме зигзага. Когда эту пленку тянут, она — и проводники — растягиваются и удлиняются. Когда его толкают, он сокращается и становится короче. Это изменение формы приводит к изменению сопротивления электрических проводников. Деформация, приложенная к тензодатчику, может быть определена на основе этого принципа, поскольку сопротивление тензорезистора увеличивается с приложенной деформацией и уменьшается с усадкой. Эта же концепция также используется в датчиках веса. Рис. 1: Тензодатчик из металлической фольги. Источник: ScienceDirectКонструктивно датчик силы (не струнный потенциометр или струнный потенциометр) состоит из металлического корпуса (также называемого изгибом), к которому прикреплены фольга тензодатчиков .  Корпус датчика обычно изготавливается из алюминия или нержавеющей стали, что придает датчику две важные характеристики: (1) обеспечивает прочность, позволяющую выдерживать высокие нагрузки, и (2) обладает эластичностью, позволяющей минимально деформироваться и возвращаться к исходной форме при воздействии силы. удаленный. Корпус датчика обычно изготавливается из алюминия или нержавеющей стали, что придает датчику две важные характеристики: (1) обеспечивает прочность, позволяющую выдерживать высокие нагрузки, и (2) обладает эластичностью, позволяющей минимально деформироваться и возвращаться к исходной форме при воздействии силы. удаленный.При приложении усилия ( растяжение или сжатие ) металлический корпус действует как «пружина» и слегка деформируется, и если его не перегрузить, он возвращается к своей первоначальной форме. По мере деформации изгиба тензорезистор также меняет свою форму и, следовательно, свое электрическое сопротивление, что создает изменение дифференциального напряжения через схему моста Уитстона . Таким образом, изменение напряжения пропорционально физической силе, приложенной к изгибу, которую можно рассчитать по выходному напряжению схемы тензодатчика. Рис. 2: Деформация тензорезистора при растяжении и сжатии. Посетите наш магазин тензодатчиков и поговорите с нашими специалистами по продажам. Доступно более 600 типов тензодатчиков! Эти тензометрические датчики расположены в так называемой цепи усилителя моста Уитстона (также известной как схема усилителя тензодатчика). Это означает, что четыре тензорезистора соединены между собой в виде петлевой цепи, и соответственно совмещена измерительная сетка измеряемой силы. Мостовые усилители тензометрических датчиков (или преобразователи сигналов тензодатчиков) подают регулируемое напряжение возбуждения в схему усилителя тензодатчиков и преобразуют выходной сигнал мВ/В в другую форму сигнала, более полезную для пользователя, например аналоговый выход тензодатчика 4-20 мА или цифровой USB-выход тензодатчика. Сигнал, генерируемый тензорезисторным мостом, имеет низкую мощность и может не работать с другими компонентами системы, такими как ПЛК, модули сбора данных (DAQ), компьютеры или микропроцессоры.  Для некоторых приложений может потребоваться локальное считывание сигнала, также известное как индикатор тензодатчика. Таким образом, формирователь сигналов датчика усилия функционирует  включают в себя напряжение возбуждения, фильтрацию или ослабление шума, усиление сигнала и преобразование выходного сигнала  . Для некоторых приложений может потребоваться локальное считывание сигнала, также известное как индикатор тензодатчика. Таким образом, формирователь сигналов датчика усилия функционирует  включают в себя напряжение возбуждения, фильтрацию или ослабление шума, усиление сигнала и преобразование выходного сигнала  .Кроме того, изменение выходного напряжения мостового усилителя Уитстона откалибровано так, чтобы оно было линейно пропорциональным ньютоновской силе, приложенной к изгибу, которую можно рассчитать с помощью уравнения для напряжения в цепи тензодатчика . Рис. 3: Схема цепи тензодатчика – Полномостовая схема Уитстона.Загляните в наш магазин тензодатчиков. Доступно более 600 типов тензодатчиков! Важной концепцией датчиков силы является чувствительность и точность тензодатчика . Точность датчика силы можно определить как наименьшее усилие, которое можно приложить к корпусу датчика, необходимое для того, чтобы вызвать линейное и повторяемое изменение выходного напряжения.  Чем выше точность тензодатчика, тем лучше, поскольку он может постоянно фиксировать очень ощутимые изменения силы. В таких приложениях, как высокоточная фабричная автоматизация, хирургическая робототехника, аэрокосмическая промышленность, линейность тензодатчиков имеет первостепенное значение для обеспечения точного измерения силы в ПЛК или системе сбора данных. Некоторые из наших универсальных блинчатых тензодатчиков имеют нелинейность ±0,1% (от номинального выхода) и неповторяемость ±0,05% обратного осмоса. Чем выше точность тензодатчика, тем лучше, поскольку он может постоянно фиксировать очень ощутимые изменения силы. В таких приложениях, как высокоточная фабричная автоматизация, хирургическая робототехника, аэрокосмическая промышленность, линейность тензодатчиков имеет первостепенное значение для обеспечения точного измерения силы в ПЛК или системе сбора данных. Некоторые из наших универсальных блинчатых тензодатчиков имеют нелинейность ±0,1% (от номинального выхода) и неповторяемость ±0,05% обратного осмоса.Посмотрите ниже видеоролик «Преимущества калибровки системы»: Как настроить усилитель [мост, параллельный или стереофонический] — Audio UniversityПри настройке усилителя вы можете столкнуться с переключателями, позволяющими настроить усилитель по-разному.  Очень важно, чтобы вы понимали каждый режим, чтобы не повредить динамики или усилитель, установив эти переключатели неправильно. Очень важно, чтобы вы понимали каждый режим, чтобы не повредить динамики или усилитель, установив эти переключатели неправильно.В этом посте вы узнаете разницу между стерео, параллельным моно и мостовым моно. Я помогу вам настроить и правильно подключить усилитель. Если это наша первая встреча, то меня зовут Кайл. Добро пожаловать в Университет Аудио. В многоканальных усилителях можно найти три распространенных режима: Стерео, Параллельный и Мостовой Моно. Давайте кратко рассмотрим различия между каждым режимом и то, когда вы можете захотеть использовать каждый из них. СтереорежимНаиболее распространенной настройкой является стереорежим для использования многоканального усилителя. Стерео — это режим, который вам следует использовать, если вы просто хотите, чтобы каждый канал вашего усилителя действовал независимо. В этом примере двухканального усилителя в стереофоническом режиме вход 1 направляется на канал A, а вход 2 — на канал B.  Это эквивалентно использованию двух отдельных усилителей. Это эквивалентно использованию двух отдельных усилителей.Параллельный режимПараллельный режим похож на стерео, но немного отличается. Вы можете выбрать параллельный режим, если хотите, чтобы один и тот же сигнал воспроизводился через оба канала усилителя. В параллельном режиме вход 1 направляется как на канал A, так и на канал B. Фактически это то же самое, что подключить один источник к обоим входам с помощью Y-кабеля. Мостовой режим моноВ то время как два усилителя работают по отдельности как в стереорежиме, так и в параллельном монофоническом режиме, они работают вместе в мостовом монорежиме. Этот режим использует мощность обоих каналов усилителя, чтобы обеспечить гораздо большую мощность, чем любой из них мог бы обеспечить по отдельности! В монофоническом мостовом режиме вход 1 направляется как на канал А, так и на канал В, как и в параллельном монофоническом режиме. Однако мостовой монофонический режим отличается несколькими очень важными особенностями.  Во-первых, способ подключения динамиков в мостовом монофоническом режиме обычно отличается от двух других режимов. Как в стереорежиме, так и в параллельном монофоническом режиме положительные и отрицательные клеммы каждого динамика подключаются к их собственному набору клемм усилителя — положительный к положительному, отрицательный к отрицательному. Помните, что в стереофоническом и параллельном режимах усилители работают раздельно, даже если они усиливают один и тот же сигнал. Однако в мостовом монофоническом режиме вы обычно подключаете динамик между положительными клеммами двух каналов усилителя. Это не всегда так, поэтому перед выполнением каких-либо подключений прочтите руководство пользователя вашего усилителя. Поскольку динамик подключен между положительными клеммами каждого канала усилителя, один усилитель действует как отрицательная клемма. В стереофоническом и параллельном режимах отрицательная клемма просто действует как ссылка.  Положительная клемма обеспечивает ряд положительных и отрицательных напряжений относительно этого. Положительная клемма обеспечивает ряд положительных и отрицательных напряжений относительно этого.Однако в мостовом монофоническом режиме обе клеммы вносят активный вклад в напряжение. В то время как положительная клемма на канале А создает положительное напряжение, положительная клемма на канале В создает такое же отрицательное напряжение. Это означает, что напряжение на клеммах теоретически вдвое больше, чем оно было бы в стереорежиме или в параллельном монофоническом режиме. Руководство пользователя вашего усилителя обязательно расскажет вам, как настроить ваш усилитель для режима мостового моно. Вы часто даже найдете примечания на задней панели усилителя, в которых рассказывается, как это сделать. Мостовой монофонический переключательВозьмем в качестве примера этот усилитель QSC PL340. Этот усилитель очень прост, когда дело доходит до выбора режима. Здесь есть единственный переключатель, который можно переключать между Bridge, Stereo и Parallel.  На некоторых других усилителях вы можете найти DIP-переключатели, которые можно переключать в соответствии со схемой, напечатанной на задней панели усилителя. Мостовое подключение монофонического динамикаНа QSC PL340 у вас есть возможность подключить динамики с помощью зажимов или разъемов SpeakON. Связывающие штифты имеют четкую маркировку. Я вижу здесь, что я должен подключить динамик между положительной клеммой канала 1 и канала 2 для мостового монофонического режима. Ваш усилитель также может иметь примерно такое обозначение. Использование кабелей SpeakON может быть более сложным для понимания, если вы не знакомы с ними. Если вы используете SpeakON и не знакомы с коннекторами NL2, NL4 и NL8, я рекомендую перед тем, как продолжить, ознакомиться с моим сообщением о коннекторах SpeakON. Для мостового монофонического режима с кабелем SpeakON я вижу здесь, что он будет использовать 1+ и 2+ на кабеле NL4.  Это означает, что вам, вероятно, потребуется использовать кабель-адаптер специально для этой цели. Если вы подключите обычный кабель NL4 между этим усилителем и динамиком, предназначенным для работы с одним пинсетом, он не будет воспроизводить звук, если усилитель находится в мостовом режиме. Вам понадобится адаптер, который адаптирует положительный вывод набора контактов 1 и 2 к тому набору контактов, для которого предназначена ваша колонка. Опять же, если это не имеет смысла, ознакомьтесь с сообщением Speakon Connector. Пожалуйста, обязательно прочтите руководство к усилителю и динамику, чтобы убедиться, что все подключено правильно. В чем преимущество использования усилителя в монофоническом мостовом режиме? Хотя использование усилителей в мостовом монофоническом режиме имеет и некоторые недостатки, основным преимуществом является удвоение напряжения. Когда вы объедините это удвоение напряжения с тем фактом, что каждый усилитель теперь будет воспринимать только половину номинального импеданса динамика, вы теоретически получите в четыре раза большую мощность в мостовом режиме.  Тем не менее, ограниченный ток от источника питания усилителя и тепловые ограничения не позволят усилителю фактически обеспечить такую большую мощность. Тем не менее, ограниченный ток от источника питания усилителя и тепловые ограничения не позволят усилителю фактически обеспечить такую большую мощность.Глядя на характеристики этого усилителя QSC PL340, можно увидеть, что каждый канал может обеспечить мощность 800 Вт на нагрузку 8 Ом в стереорежиме и параллельном монофоническом режиме. Наши теоретические расчеты предполагают, что соединение двух каналов даст нам 3200 Вт на 8 Ом. Однако в мостовом монофоническом режиме он рассчитан только на 2600 Вт на нагрузку 8 Ом. Об этом можно думать так: мостовой режим может обеспечивать удвоенную мощность при удвоенной нагрузке, потому что при этом нагрузка на канал остается постоянной. Например, этот усилитель может обеспечить мощность 2000 Вт при сопротивлении 2 Ом в стереофоническом режиме или 4000 Вт при сопротивлении 4 Ом в монофоническом мостовом режиме — удвоение мощности для удвоения нагрузки. Он может обеспечить мощность 1250 Вт при сопротивлении 4 Ом в стереорежиме или 2600 Вт при сопротивлении 8 Ом в мостовом монофоническом режиме.  Опять же, примерно удвойте мощность, чтобы удвоить нагрузку. Опять же, примерно удвойте мощность, чтобы удвоить нагрузку.В конечном счете, вам следует ознакомиться с техническими характеристиками вашего усилителя, поскольку фактические ограничения в конечном счете будут определяться надежностью источника питания и компонентов. Очень важно убедиться, что вы нашли время, чтобы выбрать правильный усилитель и динамики, которые будут работать вместе безопасно и эффективно. Другие ресурсы от Audio University помогут вам в этом. У меня есть Руководство по техническим характеристикам динамиков, которое поможет вам выбрать правильные динамики. Я также создал руководство по усилителям, которое поможет вам выбрать правильный усилитель. Что такое мост автомобильного аудиоусилителя?Десятилетиями стереофонические и многоканальные усилители предлагали возможность мостового подключения для передачи значительной мощности на один динамик. Называете ли вы это мостовым соединением, мостовой нагрузкой (BTL) или обвязкой, процесс один и тот же.  Интересно, как это работает? Читайте дальше, и мы объясним. Интересно, как это работает? Читайте дальше, и мы объясним.Принцип работы большинства автомобильных стереоусилителейЕсли вы сравните сигналы на положительных и отрицательных клеммах одного канала и другого, вы, вероятно, обнаружите, что они не совпадают. В усилителях с мостовым соединением популярна конфигурация, когда левый положительный и правый отрицательный разъемы громкоговорителей подключены к плоскости заземления (виртуальной земле, не такой, как земля шасси) внутри усилителя. Два других соединения получают аудиосигналы от устройств вывода. Сигнал, на который реагирует динамик, зависит от относительной разницы между клеммами динамика, а не от сигнала, относящегося к заземлению. Когда сигнал на левой отрицательной клемме динамика на усилителе на изображении выше становится положительным, конус динамика смещается внутрь. Когда сигнал на клемме правого + динамика на усилителе становится отрицательным, этот динамик также смещается внутрь. Общая мостовая конфигурация усилителяКогда ваш установщик подключает один динамик к вашему усилителю в мостовой конфигурации, он или она использует только клеммы с сигналом на них. Когда сигнал на одной клемме динамика становится положительным, сигнал на другой клемме динамика становится отрицательным. Эта конфигурация позволяет подавать на динамик в два раза больше напряжения. Поскольку сигнал на одном канале инвертирован по отношению к другому каналу, напряжение, присутствующее на клеммах громкоговорителя, потенциально может быть в два раза больше, чем на одном канале. Поскольку сигнал на одном канале инвертирован по отношению к другому каналу, напряжение, присутствующее на клеммах громкоговорителя, потенциально может быть в два раза больше, чем на одном канале.Сколько энергии получает мостовой динамик?Мощность, которую производит усилитель, определяется напряжением, которое может произвести усилитель, и импедансом подключенного динамика. Это утверждение предполагает, что источник питания в усилителе может обеспечить достаточный ток для нагрузки. В нашем примере усилителя предположим, что положительная и отрицательная шины напряжения установлены на +21 вольт и -21 вольт. Выходное напряжение на каждом канале может колебаться между плюсом и минусом 20 вольт относительно земли. Максимальная мощность, которую этот усилитель может производить на канал при подключении к 4-омному динамику, рассчитывается путем деления квадрата максимального выходного напряжения на импеданс нагрузки.  В этом примере у нас есть 20 вольт в квадрате, деленные на 4 Ом. Получается до 100 Вт. В этом примере у нас есть 20 вольт в квадрате, деленные на 4 Ом. Получается до 100 Вт.Если у вас есть 4-омный динамик, подключенный по мостовой схеме, он может получить максимум 40 вольт. Это связано с тем, что сигнал на положительной клемме динамика идет в направлении, противоположном сигналу на отрицательной клемме. Если мы применим ту же математику, мы получим 40 умножить на 40, разделить на четыре, что составляет 400 Вт. Почему усилители «видят» нагрузку?Вы обнаружите, что большинство людей в аудиоиндустрии называют усилители «видящими» нагрузку. В нашей исходной двухканальной конфигурации стереопроводки к каждому каналу подключен один 4-омный динамик. Таким образом, каждый канал воспринимает нагрузку 4 Ом. Когда мы шунтируем усилитель, вы заметите, что минимальное сопротивление для этой конфигурации вдвое больше, чем для каждого отдельного канала. Усилитель нашей модели может работать с нагрузкой 4 Ом на каждый канал, но только на один 4-омный динамик при мостовом подключении.  Вы когда-нибудь задумывались, почему? Вы когда-нибудь задумывались, почему?Несмотря на то, что усилители предназначены для повышения напряжения, количество тока, которое их источник питания может передать на выходные устройства, часто является ограничивающим фактором. Если мы посмотрим на один канал этого усилителя при подключении к 2-омной нагрузке, то усилитель должен обеспечить 10-амперный ток на 2-омный динамик, когда выходное напряжение составляет 20 вольт. Если бы мы подключили этот 2-омный динамик в мостовой конфигурации, у нас теперь было бы максимум 40 вольт на его клеммах, и нам потребовалось бы 20 ампер тока с каждой стороны усилителя. Если усилитель не способен выдать 20 ампер на канал, он либо искажается, перегревается, уходит в защиту или выходит из строя. Если мы подключим 4-омный динамик в мостовой конфигурации, каждый канал должен производить только 10 ампер тока. Каждая пара каналов этого четырехканального усилителя Helix C Four может быть настроена для работы в стереорежиме или в мостовой конфигурации.  Аудиосигналы при подключении усилителяДля оптимального функционирования динамика, подключенного в мостовой конфигурации, необходимо убедиться, что аудиосигналы, поступающие на левый и правый каналы, идентичны. Многие высококачественные усилители будут иметь переключатель выбора режима, который позволит вам выбрать режим стерео, L+R или моно. В режиме стерео сигнал с левого входа RCA поступает на левый выходной канал, а с правого входа RCA — на правый выходной канал. Когда вы выбираете L+R, сигналы с левого и правого входов смешиваются внутри усилителя и отправляются на оба канала. Наконец, в большинстве приложений опция «Моно» использует только один из входных разъемов и подает сигнал на оба выхода динамиков. каналы. Дополнительная информация об усилителеВ 80-х и 90-х годах большинство автомобильных аудиоусилителей были довольно большими. Они были разработаны, чтобы производить большой ток, потому что, ну, размер и тепло не были проблемой. Когда вы подключаете один 4-омный динамик в мостовой конфигурации, большинство этих усилителей будут производить примерно в четыре раза больше мощности, чем этот динамик получит при подключении к одному каналу.  Поскольку усилители стали меньше, размер их блоков питания резко уменьшился. Таким образом, многие компактные усилители не могут обеспечить ток, необходимый для четырехкратного увеличения мощности. Вы увидите такие рейтинги, как 65 Вт на канал при подключении к 4-омному динамику, но только 95 Вт на канал при подключении 2-омных динамиков. В этом примере усилитель будет выдавать только 190 Вт при мостовом подключении, а не 260 Вт (четыре раза по 65 Вт), на которые вы могли надеяться. Это не обязательно ухудшает звучание усилителя; это просто компромисс, основанный на стремлении к меньшим размерам шасси и более низким ценам. Модернизация автомобильной аудиосистемы с помощью мостового усилителяЕсли вы планируете модернизировать автомобильную аудиосистему с помощью сабвуфера и у вас есть двухканальный усилитель, ваш установщик, скорее всего, выберет мостовую схему подключения этого сабвуфера. В большинстве случаев с высококачественным усилителем вы получите всю необходимую мощность, чтобы довести музыку до уровня концертной громкости.  Если вы покупаете усилитель, загляните к местному продавцу специализированных мобильных аксессуаров, чтобы получить совет о решении, которое лучше всего подходит для вашего приложения. Если вы покупаете усилитель, загляните к местному продавцу специализированных мобильных аксессуаров, чтобы получить совет о решении, которое лучше всего подходит для вашего приложения.Как подключить усилитель — информация, руководство и схемыПодключение усилителя может показаться странной и почти «волшебной» концепцией. Если вам нужна помощь в том, чтобы понять, как подключить усилитель, вы обратились по адресу! Позвольте мне помочь вам понять , что такое шунтирование, почему это важно и как шунтировать ваш усилитель. Легко ошибиться и, к сожалению, можно навсегда повредить усилитель и даже динамики. Не волнуйтесь, я расскажу, что вам нужно знать, прежде чем это произойдет. Содержание - Что такое перемычка автомобильного усилителя?
-  Каким образом усилитель дает больше мощности при мостовом подключении?- Как автомобильные усилители делают это возможным?
 
-  Подключение к мостовому усилителю – как подключить усилитель- Используйте хорошие динамики и надежные соединения
- Не забывайте о кроссовере
 
- Минимальная нагрузка на динамик (Ом) Схема подключения усилителя
- Настройка кроссовера на мостовом усилителе
- Можно ли подключить усилитель без встроенного моста?
- Трехрежимные усилители
- Краткий обзор
 Что такое мостовое соединение автомобильного усилителя?4-канальный автомобильный усилитель, соединенный мостом с 2-мя каналами.  Это очень распространенное использование разводки 4-канального усилителя в ситуациях, когда требуется больше мощности и не нужны 4 отдельных канала усилителя. Это очень распространенное использование разводки 4-канального усилителя в ситуациях, когда требуется больше мощности и не нужны 4 отдельных канала усилителя.Мостовое соединение — это специальная функция автомобильных усилителей, которая позволяет получить максимальную мощность, которую они могут производить, используя встроенную схему совместного использования каналов. Это означает использование двух каналов усилителя, работающих вместе, для управления динамиком или комплектом динамиков с использованием мощности, которая обычно распределяется между двумя отдельными каналами усилителя. На самом деле довольно крутая тема, и очень полезная! Например, у меня было много автомобильных усилителей, и я обычно использовал 4-х или 5-канальные усилители. Я использовал 2 канала в мостовом режиме для управления одним сабвуфером или парой сабвуферов в багажнике. Это означало, что в моем распоряжении будет больше мощности и больше гибкости, даже если позже я изменю настройку динамиков.  Каким образом усилитель выдает больше мощности при мостовом подключении?Автомобильный усилитель, вид изнутри. Выходные секции имеют по одному каналу на пару, предназначенные для обеспечения мостового соединения при необходимости. При обычном использовании с 1 динамиком на канал вы не заметите разницы, поскольку они подключены обычным образом и имеют отдельные аудиосигналы. Это на самом деле очень крутая и увлекательная тема. Если мы посчитаем, то обнаружим кое-что очень интересное! 92/4 = 50 Вт на каждый канал усилителя. Пример №2 Напряжение, доступное на мостовых каналах усилителя, работающих вместе по двухтактной схеме: Общее напряжение: 2 x 14,14 В = 28,28 В Мощность на сабвуфере 4 Ом: V x V / R = (28,28) *(28,28) / 4 = 800 / 4 = 200 Вт в мостовом режиме. (при условии, что усилитель рассчитан на такую большую выходную мощность) Таким образом, подключив усилитель в этом примере, мы можем приблизиться к 200 Вт — да 2 РАЗА — нормальная доступная мощность в мостовом режиме, в зависимости от подключенного динамика.  Примечание: Важно помнить, что мы исходим из нескольких предположений, например, что наш усилитель рассчитан на такую большую мощность. Не все усилители могут выдавать столько – это зависит от их ограничений и конструкции. Также обратите внимание, что в этом режиме каждый канал обрабатывает в несколько раз больше электрического тока, чем раньше. Поэтому он будет потреблять больше энергии от автомобильного аккумулятора. Как автомобильные усилители делают это возможным?Причина, по которой это возможно, заключается в том, что современные автомобильные усилители имеют конструкцию, в которой один из каждых 2 аудиоканалов фактически инвертирован на (можно также сказать, что он сдвинут по фазе на 180 градусов), но обычно подключен к выходу в не- перевернутая мода. Обычно вы об этом не знаете, так как это не влияет на конечного пользователя. Это означает, что в мостовом режиме мостовое соединение выполняется таким образом, что каналы усилителя имеют разница доступного напряжения на каждом выходе.  Эта разница напряжений в два раза больше, чем для одного канала. Эта разница напряжений в два раза больше, чем для одного канала.Подключение к мостовому усилителю – как подключить усилительМостовые усилители обычно имеют соответствующую маркировку клемм. В этом случае мостовое соединение легко сделать, если вы соблюдаете предупреждения производителя об импедансе громкоговорителя (Ом) . Обратите внимание, что некоторые (особенно небольшие и недорогие продукты) могут не иметь встроенной функции, поэтому очень важно проверить ее перед покупкой. Никогда не думайте, что вы можете шунтировать усилитель. Для шунтирования усилителя подключите положительную (+) клемму сабвуфера или шунтированного динамика к этикетке положительной шунтированной клеммы усилителя, а отрицательную (-) клемму динамика также к отрицательной шунтированной клемме усилителя. Используйте хорошие динамики и надежные соединенияВажно использовать хорошее надежное соединение для динамиков.  Легковые и грузовые автомобили подвержены вибрации и часто движутся, поэтому плохое соединение может со временем вызвать проблемы. Легковые и грузовые автомобили подвержены вибрации и часто движутся, поэтому плохое соединение может со временем вызвать проблемы.Поскольку мостовое соединение означает, что теперь для ваших динамиков будет доступно гораздо больше мощности (чаще всего это используется для сабвуферов) , лучше всего использовать качественный провод для динамиков и сделать надежные и плотные соединения на обоих концах. Прежде чем сделать это, убедитесь, что вы соблюдаете требуемый минимальный импеданс (нагрузка на динамик в Омах), как указано в вашем усилителе или его руководстве по эксплуатации. Для современных автомобильных усилителей это обычно минимум 2 Ом при мостовом подключении. Некоторые из них поддерживают меньше или требуют 4 Ом, но для достижения наилучших результатов и для того, чтобы убедиться, что вы настраиваете свою систему в соответствии с вашими требованиями, стоит быть уверенным. Подсказка: некоторые старые модели усилителей и некоторые современные усилители имеют переключатель «мостового режима», который необходимо использовать или может потребоваться только одно аудиосоединение RCA.  Всегда убедитесь, что вы проверили! Всегда убедитесь, что вы проверили!Не забудьте о кроссовереПока у вас правильное сопротивление динамика (см. мою дополнительную информацию ниже), вы должны быть готовы использовать мостовой усилитель! Примечание: может потребоваться также установить встроенный кроссовер нижних частот, если он доступен. Я расскажу об этом подробнее ниже. Внимание! Вы должны быть уверены, что ваш усилитель поддерживает мостовое соединение. Не все усилители предназначены для этого, и большинство домашних стереоресиверов и усилителей для домашнего кинотеатра не поддерживают мостовое соединение. ВСЕГДА ПРОВЕРЯЙТЕ, ПРЕЖДЕ ЧЕМ ПЫТАТЬСЯ ПОДКЛЮЧИТЬ УСИЛИТЕЛЬ! См. мою дополнительную информацию ниже, если ваш усилитель не поддерживает это по своей конструкции.0002 На фото: Пример измерения импеданса динамика (общего сопротивления) в Омах для звуковой катушки динамика. В руководстве пользователя вашего усилителя должен быть указан минимальный требуемый «импеданс» (сопротивление нагрузки динамика) для использования.  Это включает в себя как обычное использование стереозвука, так и рейтинг мостового режима. Это включает в себя как обычное использование стереозвука, так и рейтинг мостового режима.Если вы нигде не можете найти документацию, хорошим практическим правилом для автомобильных усилителей является использование 4 Ом. Часто вы можете увидеть фразу «стабильный до 2 Ом» или что-то подобное, чтобы описать, с чем может справиться усилитель. Вот основные правила правильного подключения динамиков в мостовом режиме: - Вы можете подключить ОДИН динамик с требуемым импедансом минимум или выше
- Вы можете подключить НЕСКОЛЬКО динамиков, если общее сопротивление составляет требуемый минимальный импеданс или больше (см. схему)
- Динамики с двойной звуковой катушкой можно использовать, если их можно подключить так, чтобы они давали правильную громкость
 Примеры мостового соединенияДля усилителя, требующего минимальной нагрузки 4 Ом при мостовом подключении: - Один сабвуфер 4 Ом
- ДВА сабвуфера по 8 Ом, соединенные параллельно (8 / 2 = 4)
- ОДИН сабвуфер с двойной звуковой катушкой 8 Ом, подключенный параллельно (дает 4 Ом)
- ДВА низкочастотных динамика по 2 Ом, соединенные последовательно (2 + 2 = 4 Ом)
 Для усилителя, требующего минимальной нагрузки 2 Ом при мостовом подключении: - Один сабвуфер 2 Ом
- ДВА сабвуфера по 4 Ом, соединенные параллельно (4 / 2 = 2)
- ОДИН сабвуфер с двойной звуковой катушкой 4 Ом, подключенный параллельно (дает 2 Ом)
- ЧЕТЫРЕ низкочастотных динамика 8 Ом, подключенных параллельно (8 / 4 = 2)
 Схема подключения усилителяНа этой схеме показаны наиболее распространенные схемы подключения, которые большинство людей будут использовать для типичных усилителей.  (Щелкните, чтобы увеличить, или щелкните здесь, чтобы получить файл Adobe в формате .pdf, который можно загрузить и распечатать) Совет: Для большинства систем при использовании 2 динамиков подключите их параллельно, чтобы каждый из них получал максимальную мощность усилителя по сравнению с параллельным подключением одних и тех же динамиков. Настройка кроссовера на мостовом усилителеКрупный план типичного современного автомобильного усилителя со встроенными функциями кроссовера. В данном случае это позволяет использовать фильтр высоких частот, полный диапазон или фильтр нижних частот с регулируемыми регуляторами звукового диапазона. Для большинства ситуаций с мостовым подключением усилителя, когда усилитель подключен к сабвуферу или группе сабвуферов, я рекомендую следующее: - Установите переключатель кроссовера на фильтр нижних частот (ФНЧ) или аналогичный на вашем усилителе
- Установите ручку LPF, если она имеется, на максимальный уровень
- Воспроизведение музыки, содержащей басы, которые вы обычно слушаете
-  Начинайте поворачивать регулятор LPF вниз до тех пор, пока почти не перестанет быть слышен голос или музыка в верхнем диапазоне (примечание: для справки, хорошим эмпирическим правилом является частота 80 Гц или ниже, если вы знаете фактическую частоту среза вашего усилителя). ) )
- Отрегулируйте усиление, если требуется более высокая громкость, когда регулятор громкости вашей стереосистемы поднят вверх
 Можно ли подключить усилитель без встроенной перемычки?Усилители без встроенной функции, к сожалению, трудно подключить, но это можно сделать. Существует несколько решений: - Создайте свой собственный модуль моста (подробнее здесь)
- Найдите модуль моста (скорее всего, он очень старый и его трудно найти, но его можно найти на eBay)
- Используйте электронный кроссовер с регулируемой фазой (управление 0-180 градусов) для каждого канала и установите 1 из 2 на 180 градусов по фазе
 К сожалению, если вы не любитель и не разбираетесь в электронике (и не имеете нужных инструментов и деталей), идеи №1 и №2 не очень практичны. Гораздо проще купить старый электронный кроссовер или недорогой кроссовер с функцией бриджа или моно. Трехрежимные усилителиПример подключения динамиков к трехрежимному усилителю.   Усилители с функцией «три режима» или «три моста» аналогичны другим мостовым усилителям, но также могут работать в мостовом режиме и , подключенные к 2 динамикам одновременно. Это позволяет поддерживать подключение обычной стереопары динамиков, в то время как усилитель соединен мостом и подключен к низкочастотному динамику или другому динамику. Обычно это не используется большинством людей, однако у него есть как преимущества, так и недостатки. - Pro: позволяет подключить 2-канальный усилитель к 3 или более динамикам
- Минусы: для использования низкочастотного динамика на мостовом выходе необходим внешний пассивный кроссовер — часто он большой, тяжелый и дорогой для низкочастотных динамиков, таких как сабвуферы
 РезюмеПодключение вашего усилителя должно быть забавным, простым и приятным способом получить больше мощности за ваши деньги. Это также хороший способ добиться гибкости системы.  Когда речь идет об усилителях, важно иметь хорошее и надежное соединение проводки. Упростите установку — ознакомьтесь с этим замечательным постом с лучшими рекомендуемыми комплектами проводки усилителя за ваши деньги. Простейший переходник для усилителейПростейший переходник для усилителейЭллиот Саунд Продактс Проект 20 © 1999, Род Эллиотт — ESP На другой странице моего проекта (см. Проект 14 — Мостовой адаптер усилителя мощности) есть конструкция простого дополнительного мостового адаптера для стереофонических усилителей мощности. Однако есть еще более простой способ, если у вас есть (или вы можете отследить) соответствующий участок схемы усилителя. Почти все современные усилители используют пару с длинными хвостами в качестве входа и усилителя ошибки (усилитель ошибки — это LTP, который обнаруживает любое отклонение между своими входами — напряжение ошибки — и корректирует его).  Вход подключен к базе одного из LTP-транзисторов, а обратная связь — к другому. Сигнал обратной связи ослабляется сетью на величину, равную коэффициенту усиления усилителя. Вход подключен к базе одного из LTP-транзисторов, а обратная связь — к другому. Сигнал обратной связи ослабляется сетью на величину, равную коэффициенту усиления усилителя.При подключении выхода одного усилителя к точке обратной связи другого с использованием сопротивления, равного сопротивлению резистора обратной связи, второй усилитель будет иметь коэффициент усиления сигнала, равный единице, и будет инвертирован, поскольку обратная связь всегда применяется к инвертирующий вход. 
 Рис. 1. Усилители мощности с перекрестным подключением для обеспечения мостового соединенияНа рис. 1 показано, как это делается, и для ясности усилители мощности показаны как операционные усилители (что они и есть, за исключением того, что они используют дискретные компоненты и немного больше). Новые соединения для «добавленного резистора» показаны стрелками. Чтобы это сработало, вы должны быть в состоянии определить 3 важные вещи: - Инвертирующий вход второго усилителя
- Точное значение используемого резистора обратной связи
- Фактическая точка выхода усилителя (куда подключается выход динамика или на вход катушки индуктивности, если она используется)
 Не поддавайтесь искушению отключить сеть аттенюатора обратной связи, так как ни один усилитель мощности, который я когда-либо видел, не стабилен при единичном усилении.  «Да, но …». Я знаю — я только что сказал, что мы заставим второй канал работать на единичном усилении, в инвертирующем режиме. Это не проблема, так как усилитель все же  считает, что  работает с нормальным усилением (обычно около 30 дБ), потому что аттенюатор обратной связи все еще находится в цепи, и мы ослабляем входной сигнал с помощью резистора того же номинала, что и резистор обратной связи. «Да, но …». Я знаю — я только что сказал, что мы заставим второй канал работать на единичном усилении, в инвертирующем режиме. Это не проблема, так как усилитель все же  считает, что  работает с нормальным усилением (обычно около 30 дБ), потому что аттенюатор обратной связи все еще находится в цепи, и мы ослабляем входной сигнал с помощью резистора того же номинала, что и резистор обратной связи.Это «добавленный резистор» на рисунке 1. Убедитесь, что этот резистор взят из выходной точки усилителя (но перед — выходной индуктор, если он используется). Если взять из электрически подключенной точки, которая на самом деле не является выходом, могут возникнуть искажения. Например, конец одного или другого силового резистора может выглядеть так, как будто он является выходом, но может иметь от 20 до 50 мм дорожки печатной платы, прежде чем достигнет точки, откуда берется провод к клемме динамика. Это может показаться не таким уж большим, но это может иметь большое значение в искажении.  Если вы запутались, не беспокойтесь. Посмотрите еще раз на схему на рисунке 1, и вы увидите, что сделано. Вход второго усилителя необходимо заземлить, как показано на рисунке (используя дополнительный резистор 100 Ом), чтобы предотвратить появление помех. Резистор не обязателен. 
 Рис. 2. Пример усилителя мощности канала 2 на основе P3AПример показан выше. Это основано на проекте 3A и показывает только «подчиненный» канал (канал 2). Другой канал (Канал 1) используется обычно, и входной сигнал для вышеперечисленного берется непосредственно с выхода Канала 1. Впервые я использовал эту технику еще в 1970-х, и результаты были предсказуемы и надежны. В то время было построено очень много усилителей, особенно в виде мостовых усилителей, с резистором перекрестной обратной связи и заземлением вторичного входа, встроенными в печатную плату. Основным преимуществом этого метода шунтирования является отсутствие необходимости в дополнительных компонентах (что означает его дешевизну) и отсутствие необходимости в более низком напряжении питания для питания операционных усилителей, необходимых для обычного шунтирующего адаптера.  Результаты, по крайней мере, не хуже, чем при использовании внешней схемы, но вы должны быть готовы модифицировать свой усилитель. Это не очень хорошая идея, если он находится на гарантии   ! Результаты, по крайней мере, не хуже, чем при использовании внешней схемы, но вы должны быть готовы модифицировать свой усилитель. Это не очень хорошая идея, если он находится на гарантии   !Там — это , но это минус. Большинство усилителей имеют небольшой и обычно почти неслышный стук при включении и выключении, причем этот стук усиливается этим приемом. С некоторыми усилителями стук может быть довольно громким, поэтому сначала проверьте его с динамиком из мусорной коробки. Если это окажется проблемой, используйте метод, описанный в Проекте 14. Всегда помните, что, когда усилитель работает в мостовом режиме, создается впечатление, что он управляет ½ нормальное сопротивление нагрузки, поэтому убедитесь, что каждый канал вашего стереоусилителя способен работать с сопротивлением 4 Ом, если вы планируете работать со стандартным громкоговорителем с сопротивлением 8 Ом. Если предполагается нагрузка 4 Ом, то каждый усилитель должен работать с нагрузкой 2 Ом.  Прежде чем продолжить, проверьте характеристики усилителя, иначе из транзисторов пойдет дым, и они больше не будут работать ¹. Прежде чем продолжить, проверьте характеристики усилителя, иначе из транзисторов пойдет дым, и они больше не будут работать ¹.При желании можно использовать переключатель SPDT, позволяющий переключать усилитель с моста обратно в нормальный режим. Это отключит 100 Ом и «добавленные» резисторы, чтобы перевести усилитель в нормальный режим работы. Обратите внимание, что в мостовом режиме используется только левый вход, а клемма +ve динамика (красная) подключается к левому выходу усилителя, чтобы сохранить правильную полярность системы. ¹ Существует популярная теория о том, что все электронное оборудование для работы использует дым внутри себя, поэтому, когда он выходит, устройство больше не может работать. Работа. Практический опыт, кажется, подтверждает это, и я никогда не видел, чтобы устройство работало после выхода дыма. Так много для всех этих университетских вещей о «дырки», «основные носители» и электроны. (Примечание: в изолированном проводе должно быть огромное количество дыма, потому что он будет продолжать работать даже после того, как он наполнил всю мастерскую едким дымом.  ) )
 Схема перемычки трансформатораЕсть еще один вариант, сравнительно дорогой, но чрезвычайно эффективный. Трансформатор можно использовать для создания сигнала с обратной фазой для второго усилителя мощности, но в идеале трансформатор должен иметь две вторичные обмотки, чтобы гарантировать, что уровень сигнала будет близок к идентичному для каждого канала. Схема показана ниже. 
 Рис. 3. Мостовая схема на основе трансформатораДва канала усилителя запитаны от противофазных обмоток трансформатора. Источник сигнала может быть симметричным или несимметричным и должен иметь достаточно низкий импеданс. Для вторичной обмотки трансформатора сети Зобеля не показаны, поскольку они относятся к конкретному компоненту. При необходимости производитель обычно предоставляет информацию. Требуемый импеданс трансформатора основан на импедансе источника, но 10 кОм, вероятно, будет хорошо работать для большинства систем. Вы должны убедиться, что трансформатор выдерживает максимальный уровень, необходимый для получения полной мощности от усилителей.  Это зависит от системы и самой низкой интересующей частоты. Для усилителей, используемых для баса, потребуется более мощный трансформатор, чем для усилителей, используемых на более высоких частотах (при условии использования активных кроссоверов). Для получения дополнительной информации о трансформаторах линейного уровня см. Трансформаторы для слабого аудиосигнала. Это зависит от системы и самой низкой интересующей частоты. Для усилителей, используемых для баса, потребуется более мощный трансформатор, чем для усилителей, используемых на более высоких частотах (при условии использования активных кроссоверов). Для получения дополнительной информации о трансформаторах линейного уровня см. Трансформаторы для слабого аудиосигнала.
 Основной индекс Индекс проектов

 Усилители мощности. Выбор варианта построения усилителя мощности
 Усилители мощности. Выбор варианта построения усилителя мощности
 0 Вт RMS, что было бы идеально для управления сабвуфером.
 0 Вт RMS, что было бы идеально для управления сабвуфером.

 Обычно это максимальная мощность, которую может выдать усилитель. Таким образом, когда вы подключаете усилитель мостом, вы также оптимизируете потенциал мощности вашей системы. И это хорошо.
 Обычно это максимальная мощность, которую может выдать усилитель. Таким образом, когда вы подключаете усилитель мостом, вы также оптимизируете потенциал мощности вашей системы. И это хорошо.
 Он позволяет сравнивать звуковые характеристики разных динамиков, чтобы вы могли принять более обоснованное решение о покупке.
 Он позволяет сравнивать звуковые характеристики разных динамиков, чтобы вы могли принять более обоснованное решение о покупке.

 Он включает в себя пару наушников студийного качества, руководство по получению максимальной отдачи от сеанса и несколько других необходимых предметов. Мы тщательно отобрали компоненты этого комплекта, чтобы обеспечить кристально чистое звучание. Он доступен за номинальную арендную плату и включает товарный кредит Crutchfield на 25 долларов.
 Он включает в себя пару наушников студийного качества, руководство по получению максимальной отдачи от сеанса и несколько других необходимых предметов. Мы тщательно отобрали компоненты этого комплекта, чтобы обеспечить кристально чистое звучание. Он доступен за номинальную арендную плату и включает товарный кредит Crutchfield на 25 долларов. Датчик силы   определяется как преобразователь, который преобразует входную механическую  нагрузку, вес, натяжение, сжатие или давление  в электрический выходной сигнал (определение тензодатчика). Датчики силы также широко известны как датчик силы  . Существует несколько типов тензодатчиков в зависимости от размера, геометрии и грузоподъемности.
 Датчик силы   определяется как преобразователь, который преобразует входную механическую  нагрузку, вес, натяжение, сжатие или давление  в электрический выходной сигнал (определение тензодатчика). Датчики силы также широко известны как датчик силы  . Существует несколько типов тензодатчиков в зависимости от размера, геометрии и грузоподъемности.
 Другими словами, он преобразует (или преобразовывает) силу, давление (то есть датчик давления), напряжение, сжатие, крутящий момент, вес и т. д. в изменение электрического сопротивления, которое затем можно измерить.
 Другими словами, он преобразует (или преобразовывает) силу, давление (то есть датчик давления), напряжение, сжатие, крутящий момент, вес и т. д. в изменение электрического сопротивления, которое затем можно измерить. Корпус датчика обычно изготавливается из алюминия или нержавеющей стали, что придает датчику две важные характеристики: (1) обеспечивает прочность, позволяющую выдерживать высокие нагрузки, и (2) обладает эластичностью, позволяющей минимально деформироваться и возвращаться к исходной форме при воздействии силы. удаленный.
 Корпус датчика обычно изготавливается из алюминия или нержавеющей стали, что придает датчику две важные характеристики: (1) обеспечивает прочность, позволяющую выдерживать высокие нагрузки, и (2) обладает эластичностью, позволяющей минимально деформироваться и возвращаться к исходной форме при воздействии силы. удаленный.
 Для некоторых приложений может потребоваться локальное считывание сигнала, также известное как индикатор тензодатчика. Таким образом, формирователь сигналов датчика усилия функционирует  включают в себя напряжение возбуждения, фильтрацию или ослабление шума, усиление сигнала и преобразование выходного сигнала  .
 Для некоторых приложений может потребоваться локальное считывание сигнала, также известное как индикатор тензодатчика. Таким образом, формирователь сигналов датчика усилия функционирует  включают в себя напряжение возбуждения, фильтрацию или ослабление шума, усиление сигнала и преобразование выходного сигнала  . Чем выше точность тензодатчика, тем лучше, поскольку он может постоянно фиксировать очень ощутимые изменения силы. В таких приложениях, как высокоточная фабричная автоматизация, хирургическая робототехника, аэрокосмическая промышленность, линейность тензодатчиков имеет первостепенное значение для обеспечения точного измерения силы в ПЛК или системе сбора данных. Некоторые из наших универсальных блинчатых тензодатчиков имеют нелинейность ±0,1% (от номинального выхода) и неповторяемость ±0,05% обратного осмоса.
 Чем выше точность тензодатчика, тем лучше, поскольку он может постоянно фиксировать очень ощутимые изменения силы. В таких приложениях, как высокоточная фабричная автоматизация, хирургическая робототехника, аэрокосмическая промышленность, линейность тензодатчиков имеет первостепенное значение для обеспечения точного измерения силы в ПЛК или системе сбора данных. Некоторые из наших универсальных блинчатых тензодатчиков имеют нелинейность ±0,1% (от номинального выхода) и неповторяемость ±0,05% обратного осмоса. Очень важно, чтобы вы понимали каждый режим, чтобы не повредить динамики или усилитель, установив эти переключатели неправильно.
 Очень важно, чтобы вы понимали каждый режим, чтобы не повредить динамики или усилитель, установив эти переключатели неправильно. Это эквивалентно использованию двух отдельных усилителей.
 Это эквивалентно использованию двух отдельных усилителей.
 Положительная клемма обеспечивает ряд положительных и отрицательных напряжений относительно этого.
 Положительная клемма обеспечивает ряд положительных и отрицательных напряжений относительно этого.

 Тем не менее, ограниченный ток от источника питания усилителя и тепловые ограничения не позволят усилителю фактически обеспечить такую большую мощность.
 Тем не менее, ограниченный ток от источника питания усилителя и тепловые ограничения не позволят усилителю фактически обеспечить такую большую мощность.  Опять же, примерно удвойте мощность, чтобы удвоить нагрузку.
 Опять же, примерно удвойте мощность, чтобы удвоить нагрузку. Интересно, как это работает? Читайте дальше, и мы объясним.
 Интересно, как это работает? Читайте дальше, и мы объясним. Поскольку сигнал на одном канале инвертирован по отношению к другому каналу, напряжение, присутствующее на клеммах громкоговорителя, потенциально может быть в два раза больше, чем на одном канале.
 Поскольку сигнал на одном канале инвертирован по отношению к другому каналу, напряжение, присутствующее на клеммах громкоговорителя, потенциально может быть в два раза больше, чем на одном канале. В этом примере у нас есть 20 вольт в квадрате, деленные на 4 Ом. Получается до 100 Вт.
 В этом примере у нас есть 20 вольт в квадрате, деленные на 4 Ом. Получается до 100 Вт. Вы когда-нибудь задумывались, почему?
 Вы когда-нибудь задумывались, почему?

 Если вы покупаете усилитель, загляните к местному продавцу специализированных мобильных аксессуаров, чтобы получить совет о решении, которое лучше всего подходит для вашего приложения.
 Если вы покупаете усилитель, загляните к местному продавцу специализированных мобильных аксессуаров, чтобы получить совет о решении, которое лучше всего подходит для вашего приложения. Это очень распространенное использование разводки 4-канального усилителя в ситуациях, когда требуется больше мощности и не нужны 4 отдельных канала усилителя.
 Это очень распространенное использование разводки 4-канального усилителя в ситуациях, когда требуется больше мощности и не нужны 4 отдельных канала усилителя. 

 Эта разница напряжений в два раза больше, чем для одного канала.
 Эта разница напряжений в два раза больше, чем для одного канала. Легковые и грузовые автомобили подвержены вибрации и часто движутся, поэтому плохое соединение может со временем вызвать проблемы.
 Легковые и грузовые автомобили подвержены вибрации и часто движутся, поэтому плохое соединение может со временем вызвать проблемы.  Всегда убедитесь, что вы проверили!
 Всегда убедитесь, что вы проверили! Это включает в себя как обычное использование стереозвука, так и рейтинг мостового режима.
 Это включает в себя как обычное использование стереозвука, так и рейтинг мостового режима.
 )
 ) 
 
 Вход подключен к базе одного из LTP-транзисторов, а обратная связь — к другому. Сигнал обратной связи ослабляется сетью на величину, равную коэффициенту усиления усилителя.
 Вход подключен к базе одного из LTP-транзисторов, а обратная связь — к другому. Сигнал обратной связи ослабляется сетью на величину, равную коэффициенту усиления усилителя. «Да, но …». Я знаю — я только что сказал, что мы заставим второй канал работать на единичном усилении, в инвертирующем режиме. Это не проблема, так как усилитель все же  считает, что  работает с нормальным усилением (обычно около 30 дБ), потому что аттенюатор обратной связи все еще находится в цепи, и мы ослабляем входной сигнал с помощью резистора того же номинала, что и резистор обратной связи.
 «Да, но …». Я знаю — я только что сказал, что мы заставим второй канал работать на единичном усилении, в инвертирующем режиме. Это не проблема, так как усилитель все же  считает, что  работает с нормальным усилением (обычно около 30 дБ), потому что аттенюатор обратной связи все еще находится в цепи, и мы ослабляем входной сигнал с помощью резистора того же номинала, что и резистор обратной связи.
 Результаты, по крайней мере, не хуже, чем при использовании внешней схемы, но вы должны быть готовы модифицировать свой усилитель. Это не очень хорошая идея, если он находится на гарантии   !
 Результаты, по крайней мере, не хуже, чем при использовании внешней схемы, но вы должны быть готовы модифицировать свой усилитель. Это не очень хорошая идея, если он находится на гарантии   !   Прежде чем продолжить, проверьте характеристики усилителя, иначе из транзисторов пойдет дым, и они больше не будут работать ¹.
 Прежде чем продолжить, проверьте характеристики усилителя, иначе из транзисторов пойдет дым, и они больше не будут работать ¹. )
 ) Это зависит от системы и самой низкой интересующей частоты. Для усилителей, используемых для баса, потребуется более мощный трансформатор, чем для усилителей, используемых на более высоких частотах (при условии использования активных кроссоверов). Для получения дополнительной информации о трансформаторах линейного уровня см. Трансформаторы для слабого аудиосигнала.
 Это зависит от системы и самой низкой интересующей частоты. Для усилителей, используемых для баса, потребуется более мощный трансформатор, чем для усилителей, используемых на более высоких частотах (при условии использования активных кроссоверов). Для получения дополнительной информации о трансформаторах линейного уровня см. Трансформаторы для слабого аудиосигнала.
