Как работают двухполярные источники питания. Какие схемы используются для их построения. Где применяются двухполярные БП. Какие компоненты нужны для сборки.
Что такое двухполярный источник питания и зачем он нужен
Двухполярный источник питания — это устройство, которое формирует два напряжения разной полярности относительно общей точки (земли). Например, +15В и -15В. Такие источники необходимы для питания операционных усилителей, аудиоусилителей, некоторых типов микросхем и других устройств, требующих двухполярного питания.
Основные преимущества двухполярных источников питания:
- Позволяют работать со знакопеременными сигналами
- Обеспечивают симметричное питание для улучшения характеристик усилителей
- Расширяют динамический диапазон устройств
- Необходимы для правильной работы многих типов микросхем
Схемы двухполярных источников питания
Рассмотрим несколько распространенных схем построения двухполярных источников питания:
1. С трансформатором со средней точкой
Это классическая схема на основе трансформатора с отводом от середины вторичной обмотки. Средняя точка становится общим проводом, а концы обмотки через выпрямители формируют положительное и отрицательное напряжения.

2. С двумя независимыми выпрямителями
Используется трансформатор с двумя независимыми вторичными обмотками. Каждая обмотка питает свой выпрямитель. Общая точка образуется соединением отрицательного вывода положительного выпрямителя и положительного вывода отрицательного.
3. С инвертором напряжения
Формируется положительное напряжение, а отрицательное получается с помощью инвертора на операционном усилителе или специализированной микросхеме.
Основные компоненты двухполярного источника питания
Для сборки двухполярного источника питания потребуются следующие компоненты:
- Трансформатор с отводом от середины или двумя независимыми обмотками
- Диодные мосты или отдельные диоды для выпрямления
- Электролитические конденсаторы большой емкости для фильтрации
- Стабилизаторы напряжения (например, LM7815 и LM7915)
- Керамические конденсаторы небольшой емкости
- Резисторы для регулировки напряжения
Применение двухполярных источников питания
Двухполярные источники питания широко используются в следующих областях:

- Аудиотехника (усилители, микшеры, эквалайзеры)
- Измерительное оборудование
- Аналоговые вычислительные устройства
- Системы автоматического управления
- Медицинская аппаратура
- Лабораторные блоки питания
Особенности проектирования двухполярных источников питания
При разработке двухполярного источника питания следует учитывать несколько важных моментов:
- Симметричность напряжений относительно общей точки
- Минимизация пульсаций выходного напряжения
- Обеспечение необходимого тока нагрузки
- Защита от короткого замыкания
- Стабильность напряжения при изменении нагрузки
Выбор компонентов для двухполярного источника питания
При выборе компонентов для сборки двухполярного источника питания необходимо учитывать следующие параметры:
- Мощность трансформатора должна соответствовать максимальной нагрузке
- Диоды выпрямителя должны выдерживать пиковые токи
- Емкость фильтрующих конденсаторов зависит от тока нагрузки
- Стабилизаторы напряжения выбираются по току нагрузки и перепаду напряжения
- Резисторы подбираются для точной настройки выходного напряжения
Регулируемый двухполярный источник питания
Для более гибкого использования можно собрать регулируемый двухполярный источник питания. Основные особенности такой схемы:

- Использование регулируемых стабилизаторов напряжения (LM317, LM337)
- Применение переменных резисторов для настройки выходного напряжения
- Возможность независимой регулировки положительного и отрицательного напряжений
- Наличие индикации выходного напряжения (вольтметры)
- Защита от перегрузки и короткого замыкания
Заключение
Двухполярные источники питания — важный элемент многих электронных устройств. Правильно спроектированный и собранный двухполярный БП обеспечит стабильную работу питаемой аппаратуры. При разработке следует уделить внимание выбору компонентов, симметричности напряжений и минимизации пульсаций.
Типы источников питания, двухполярный источник питания
Существуют различные типы источников питания. Большинство из них разработаны для преобразования переменного тока высокого напряжения (AC) в низкое напряжение постоянного тока (DC) для питания различных схем электроники и других устройств. Источники питания могут быть разбиты на несколько функциональных блоков, каждый из которых выполняет свою функцию.
Например, стабилизированный источник питания:
Каждый функциональный блок подробно описан на своих страницах:
- Трансформатор — преобразует (как правило понижает) напряжение сети до нужного напряжения источника питания;
- Выпрямитель — преобразует (выпрямляет) переменное напряжение с трансформатора в постоянное;
- Фильтр — сглаживает пульсации выпрямленного напряжения;
- Стабилизатор — стабилизирует выходное напряжение.
Типы источников питания, составленные из этих блоков, описаны далее. Так же показаны их принципиальные схемы с графиками выходного напряжения.
Трансформатор
Пониженное выходное напряжение трансформатора может быть применено для ламп накаливания, нагревательных элементов, электродвигателей переменного тока. Переменное напряжение не подходит для питания электрических схем, если только они не включают в своём составе выпрямитель и фильтр для сглаживания пульсаций.
Трансформатор -> выпрямитель
Постоянное пульсирующее напряжение подходит для питания ламп накаливания, нагревательных приборов, электродвигателей постоянного тока. Но не подходит для электронных схем, если те не содержат фильтр для сглаживания пульсаций напряжения.
Трансформатор -> выпрямитель -> фильтр
У выпрямленного и сглаженного постоянного напряжения видны только небольшие пульсации. Такое напряжение подходит для питания большинства электронных схем.
Трансформатор -> выпрямитель -> фильтр -> стабилизатор
Стабилизированное напряжение подходит абсолютно для всех электронных схем.
Двуxполярный источник питания
Двухполярный источник питания
Двухполярный источник питания — это особый тип источников питания. Некоторые электронные схемы требуют двухполярного питания с положительным и отрицательным напряжением. Такие источники называют двухполярными. Так же их называют двойным источником питания, потому что они похожи на два обычных источника, выходы которых соединены последовательно как показано на схеме. (На самом деле всё несколько сложнее.) Подробнее об этом можно почитать в статье Двухполярный блок питания.
Такие источники имеют три вывода на выходе. Например ±9В источник имеет выводы +9В, -9В и 0.
ДВУПОЛЯРНЫЙ РЕГУЛИРУЕМЫЙ БП ИЗ ОДНОПОЛЯРНОГО
При наличии у вас лабораторного блока питания с возможностью регулировки выходного напряжения и тока, и защитой от КЗ и перегрузки на выходе, можно дополнить его такой «приставкой». Тогда на выходе можно получить не только однополярное, но и двуполярное регулируемое напряжение. При этом сохранятся все «родные» функции БП — возможность регулировки тока и напряжения и защита по выходу.
Но следует учесть, что значения двуполярного выходного напряжения будут равны половинным значениям «базового». То есть, если ваш БП выдаёт, например, от 0 до 30 вольт на выходе, то выходное напряжение двуполярного варианта будут, соответственно, иметь величину от 0 до +/- 15 вольт (чуть меньше с учётом потерь). При этом будет автоматически обеспечено стабильное равенство напряжений плюсового и минусового «плечей» во всём диапазоне регулировок выходного напряжения.
Схема приставки к блоку питания
Схема простейшая, не требует специального подбора элементов и сложных настроек. Её может собрать любой, даже начинающий радиолюбитель из того, что буквально «есть под рукой».
Данная схема — не моё изобретение. Она была найдена несколько лет назад на просторах инета. К сожалению, у меня не осталось информации об её авторстве, поэтому не могу дать ссылку на первоисточник. Но есть фрагмент текста, описывающий устройство и принцип работы схемы, который привожу ниже (с учётом обозначений элементов на моей, приведённой здесь схеме):
«Операционный усилитель OP1 измеряет разницу напряжений в средней точке делителя напряжения R1 — R2, Rрег с напряжением на «корпусе» и реагирует на их разницу увеличивая, или уменьшая выходное напряжение.
При подаче питания на устройство, происходит заряд конденсаторов С1 и С2 по пути «+» источника питания, конденсатор С1, конденсатор С2, «-» источника питания. Таким образом, каждый конденсатор зарядится половинным входным напряжением. Эти напряжения и будут на выходе устройства. Но это будет наблюдаться при сбалансированной нагрузке.
Рассмотрим случай, когда к устройству подключена несбалансированная нагрузка – например, сопротивление нагрузки в цепи положительного выходного напряжения намного меньше сопротивления нагрузки подключенной к цепи отрицательного выходного напряжения. Так как параллельно конденсатору С1 подключена цепь нагрузки – диод VD1 и малое сопротивление нагрузки, то заряд конденсатора С2 будет проходить не только через С1, но и по параллельной ему цепи — диод VD1, малое сопротивление нагрузки. Это приведёт к тому, что конденсатор С2 будет заряжаться большим напряжением, чем конденсатор С1, что в свою очередь приведёт к тому, что положительное выходное напряжение будет меньше отрицательного.
На корпусе устройства напряжение возрастёт по потенциалу относительно средней точки резисторов R1 — R2, Rрег, где потенциал равен половине входного напряжения. Это приведёт к появлению на выходе операционного усилителя отрицательного напряжения относительно корпуса устройства. И чем больше будет разница потенциалов на входе операционного усилителя, тем больше будет отрицательное напряжение.
В результате отрицательного напряжения на выходе ОУ, транзисторы VT1 и VT2 откроются и подобно цепи «диод VD1, малое сопротивление нагрузки» в положительной цепи, создаст шунтирующее действие на конденсатор С2 в отрицательной цепи. Это в свою очередь приведёт к уравновешиванию токов в положительной и отрицательной цепях и выровняет выходные напряжения. В случае разбалансировки нагрузки устройства в сторону отрицательного напряжения открываются транзисторы VT1 и VT2.
Таким образом, за счёт схемы автоматического контроля за потенциалом «нуля», осуществляется его балансировка в «среднее состояние» между плюсом и минусом питания.»
Используемые в схеме детали
В качестве операционного усилителя можно использовать микросхемы К140УД6, К140УД7, К140УД601, К140УД701 или зарубежные аналоги (с учётом их другой цоколёвки).

Резисторы в эмиттерных цепях транзисторов нужны для выравнивания токов транзисторов и ограничения их бросков в моменты переключения. При небольших тока нагрузки достаточно будет использовать один выходной каскад, тогда эти резисторы в эмиттерных цепях можно исключить. При значительной нагрузке (до 10 А и выше) следует использовать параллельное включение транзисторов (показано на схеме зелёным цветом). Номинал этих резисторов может быть от 0,05 до 0,2 Ом при мощности не менее 5 ватт (зависит от мощности и тока нагрузки). Все остальные резисторы в схеме — типа МЛТ0,25.
Транзисторы можно использовать типов: КТ805/КТ837, КТ819/КТ818, КТ827/КТ825 или аналогичные импортные. Диоды VD1 и VD2 предназначены для исключения шунтирования транзисторами устройства цепей нагрузки. Они могут быть типа КД226, КД210, КД237 и другие, в зависимости от максимального тока нагрузки.
Транзисторы устанавливают на теплоотводы достаточного размера. Размеры теплоотводов определяются только тем, насколько нагрузка будет не сбалансирована. Чем больше не сбалансирована, тем больше площадь радиаторов.

Настройки этот делитель однополярного напряжения не требует, правильно собранная схема начинает работать сразу. Резистор Rрег предназначен для установки равенства выходных двухполярных напряжений.
В случае появления «биений» выходного напряжения в результате возбуждения и самогенерации, необходимо уменьшить значение резистора R4, увеличив при этом значение обратной отрицательной связи.
Микросхема ОУ может быть ограничена по питанию до 15 вольт в «плече» (в зависимости от её типа), поэтому для получения бОльших выходных напряжений необходимо подключать питание к выводам 4 и 7 через добавочные сопротивления и соответствующие стабилитроны, но при этом возрастёт и нижний уровень выходных напряжений. Стабилитроны следует зашунтировать конденсаторами порядка 0,1…1,0 мкФ.
В некоторых микросхемах ОУ предусмотрена возможность регулировки баланса нуля выходного напряжения с помощью внешнего подстроечного резистора. Но при изменении напряжения входного питания, будет необходима его подстройка, поэтому в данной схеме эта функция не используется.

Схема стабилизатора была собрана и испытана на практике. При всей своей простоте обеспечивает хорошие показатели и надёжность, не занимает много места и может быть размещена в корпусе вашего «исходного» однополярного БП. При этом для нормальной работы БП в однополярном режиме, следует предусмотреть переключатель S1 для отключения двуполярной приставки, чтобы она не оказывала никакого влияния на него. Также, на выходе основного БП полезно будет поставить дополнительный предохранитель F1 на ток, соответствующий максимально возможному току двуполярной нагрузки.
Конструкция устройства
Следует учесть, что выход GND приставки является «искусственной средней точкой», поэтому он не должен контактировать с «общим» проводом исходного БП (!) — обычно это «-» питания.

На фото приведён пример моей конструкции. Схема собрана на печатной плате размерами 55 х 30 мм и установлена в корпусе «основного» (однополярного) БП. Корпус от компьютерного блока питания имеет компактные размеры, поэтому монтаж получился довольно плотным. Однако на работу как основного блока, так и «приставки» это не оказало никакого влияния. Транзисторы выведены на проводах небольшой длины (порядка 60…80 мм) и закреплены на свободном месте основного теплоотвода через изоляционные прокладки. Переключатель S1 выведен на переднюю панель БП (тумблер). Предохранитель F1 установлен на боковой стенке справа. Автор статьи: Барышев Андрей Владимирович.
Форум по блокам питания
Обсудить статью ДВУПОЛЯРНЫЙ РЕГУЛИРУЕМЫЙ БП ИЗ ОДНОПОЛЯРНОГО
Доработанный вариант малошумящего двухполярного источника питания

Николай (Nickhome) повторил для своего фонокорректора положительное плечо описанного БП, результатом остался очень доволен.
Здравствуйте, коллеги!
Размещаю дополнение к статье «Малошумящий двухполярный блок питания для высокочувствительных устройств».
Рис. 1. Принципиальная схема модернизированного варианта блока питания
Учтены замечания и пожелания, высказанные при обсуждении конструкции из статьи, а также информация из [Л1].
Содержание / Contents
В диодном мосте VD1 – VD4 установлены диоды Шотки. Узлы стабилизаторов и умножителей емкости поменяны местами.Узлы умножителей емкости пришлось доработать, для улучшения качества стабилизации введены параллельные стабилизаторы R5, DA3 и R6, DA4.
Предлагаемый вариант двухполярного источника питания обладает немного лучшими характеристиками по подавлению помех (–95 дБВ против –93 дБВ) и поддерживает концепцию блоков питания без отрицательных обратных связей [Л2], что должно привлечь внимание любителей–аудиофилов.
Требуемые выходные напряжения (±15 В) устанавливаются под нагрузкой подбором сопротивлений резисторов R7 и R9.
Л1. Hageman Steve. Простые схемы снижают уровень шумов стабилизаторов напряжения // РадиоЛоцман, 2016, февраль, с. 66 – 70.Л2. Nehan Andy. No feedback voltage regulators // AudioXpress, 2010, №1.05/05/2020 Николай (Nickhome) повторил для своего фонокорректора положительное плечо описанного БП, результатом остался очень доволен.

Разводил плату для себя, поэтому не подписывал компоненты.

▼ Файловый сервис недоступен. Зарегистрируйтесь или авторизуйтесь на сайте.
15/05/2020 Камрад Владимир (Coooler) прислал отрисованную плату по эскизу Leone

▼ Файловый сервис недоступен. Зарегистрируйтесь или авторизуйтесь на сайте.
Камрад, рассмотри датагорские рекомендации

Владимир Мосягин (MVV)
Россия, Великий Новгород
Радиолюбительством увлекся с пятого класса средней школы.Специальность по диплому — радиоинженер, к.т.н.
Автор книг «Юному радиолюбителю для прочтения с паяльником», «Секреты радиолюбительского мастерства», соавтор серии книг «Для прочтения с паяльником» в издательстве «СОЛОН-Пресс», имею публикации в журналах «Радио», «Приборы и техника эксперимента» и др.
Двухполярные стабилизаторы напряжения для микроконтроллеров
Если имеются стабилизаторы положительного напряжения, то по логике вещей должны быть и стабилизаторы отрицательного напряжения. Строятся они по комплементарным симметричным схемам, т.е. с другой структурой проводимости транзисторов и с противоположной полярностью включения диодов, стабилитронов, электролитических конденсаторов.
Классификация стабилизаторов отрицательного и положительного напряжения одинакова: параметрические на стабилитронах и компенсационные на интегральных микросхемах. В последнем случае выручает схожесть названий. Например, эквивалентом для «положительной» серии 78хх является «отрицательная» серия 79хх.
Сам по себе стабилизатор отрицательного напряжения интереса не представляет (всё в мире относительно!). Эффект от его применения наблюдается только при двухполярном питании. Такая необходимость возникает, в частности, если в устройстве кроме МК используются внешние ОУ, коммутаторы, АЦП.
На выходах стабилизаторов положительного и отрицательного напряжения ставят сглаживающие электролитические конденсаторы. В малогабаритной аппаратуре удобно применять «SMD-столбики» ёмкостью 1…10000 мкФ, рассчитанные на рабочее напряжение 6.3… 100 В. Кроме того, при выборе типа электролитического конденсатора надо учитывать динамические параметры. Наиболее показательными из них являются предельный ток пульсаций RIPPLE (Ripple Current) — чем он больше, тем лучше, а также эквивалентное последовательное сопротивление ESR (Equivalent Series Resistance, по-русски ЭПС) — чем оно меньше, тем лучше. Динамические параметры для зарубежных конденсаторов нормируются на частоте 120 Гц или в диапазоне 100…300 кГц.
Конденсатор, рассчитанный на большее напряжение, имеет меньшее сопротивление ESR. Например, у конденсатора 1000 мкФхб.З В по даташиту ESR = 53 мОм, а у конденсатора 1000 мкФх1б В по даташиту ESR = 23 мОм. Дальнейшее увеличение напряжения с 16 В до 35… 100 В не приводит к заметному снижению ESR. Следовательно, при питании МК от 5 В лучше поставить между Усс и GND конденсаторы с напряжением 16 В, а не на 6.3 В (заодно повышается надёжность работы).

ESR одного «большого» конденсатора обычно выше, чем ESR двух параллельных конденсаторов вдвое меньшей ёмкости, что видно из Табл. 6.4, поэтому выгодно по питанию запаять много «мелких» конденсаторов, равномерно распределяя их на печатной плате.
На Рис. 6.7, а…е показаны схемы параметрических, а Рис. 6.8, а…г — компенсационных двухполярных стабилизаторов напряжения.

Рис. 6.7. Схемы параметрических двухполярных стабилизаторов напряжения {начало)’.
а) два однополупериодных выпрямителя на элементах VDI, C1 и VD2, С2обеспечивают двух-полярное питание. Одинаковые стабилитроны VD3, VD4 создают примерно равную нагрузку на трансформатор 77 при положительной и отрицательной полуволнах сетевого напряжения. Это необходимо для устранения подмагничивания сердечника трансформатора 77. С той же целью применяется двухцветный (а не одноцветный) индикатор питания HL1, который проводит ток попеременно в обоих направлениях и светится суммарным жёлтым цветом;
б) двухполупериодный мостовой выпрямитель со средней точкой во вторичной обмотке трансформатора 77. Два стабилизатора напряжения выполнены по симметричным схемам. Они содержат стабилитроны VD2, VD3 и усилители тока на транзисторах VTI, VT2. Частота пульсаций двухполупериодной схемы — 100 Гц, что пригодится при расчёте необходимой ёмкости конденсаторов С1…С4
в) источник несимметричного двухполярного питания на батареях GBI, GB2. Эффект стабилизации создают сами батареи, поскольку они длительное время поддерживают на своих зажимах почти не изменяющееся напряжение; О

Рис. 6.7. Схемы параметрических двухполярных стабилизаторов напряжения (окончание):
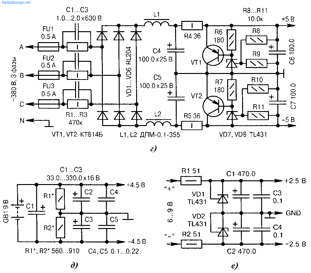
г) получение двухполярного стабилизированного напряжения от трёхфазной сети 380 В. Конденсаторы C1…СЗбалластные. Снижение пульсаций на входе осуществляется фильтрами L1, С4, L2, С5, а на выходе — конденсаторами С6, С7. Транзисторы VTI, VT2 применяются одинаковой проводимости, поскольку не существует трёхвыводных стабилитронов VD7, VD8 обратной, т.е. «отрицательной», полярности. Аналогичную схемотехнику можно использовать и в сети 220 В, подавая переменное напряжение с диодного моста прямо на катушки индуктивности L1, L2. Ёмкости всех электролитических конденсаторов фильтра придётся увеличить, поскольку в трёхфазном выпрямителе частота пульсаций выше;
д) двухполярное питание от батареи GB1 с искусственной средней точкой на низкоомном делителе RI, R2. Собственно стабилизатором является сама батарея, которая поддерживает мало изменяющееся напряжение на своих зажимах вплоть до момента полного разряда. Конденсаторы C1…С5 снижают импеданс источника питания на низких и высоких частотах. Все электро-литтические конденсаторы в целях унификации можно выбрать одинаковыми на 16 В, несмотря на то, что рабочее напряжение конденсаторов С2, СЗ может быть меньше, чем у C1;
е) двухполярное питание обеспечивают два трёхвыводных стабилитрона VDI, VD2. Если не требуется двухполярное питание, то можно использовать однополярное 5 В, подключив общий провод GND к цепи -2.5 В, а положительный вывод Vcc — к цепи +2.5 В.

Рис. 6.8. Схемы компенсационных двухполярных стабилизаторов напряжения:
а) организация искусственной средней точки от одного источника питания. Компенсационный стабилизатор DA 1 находится в канале положительного напряжения, а параметрический стабилизатор на диодах VD2… VD4 — в канале отрицательного напряжения;
б) микросхема DAJ понижает входное напряжение до +5 В, а преобразователь DA2 (фирма Calogic Corporation) инвертирует полярность с сохранением абсолютного значения. Суммарный ток нагрузки по цепям +5 и -5 В не должен превышать 100 мА (максимально допустимый ток для DA1). Напряжение в канале -5 В зависит оттока нагрузки больше, чем в канале +5 В;
в)двухполярный стабилизатор напряжения на комплементарных микросхемах DAI, DA2. Диоды VD2, VD3 защищают радиоэлементы в каналах +5 и -5 В от подачи обратного напряжения. Такое может случиться при аварии или переходных процессах, когда одно из напряжений временно отсутствует. Если сопротивление Rn очень велико, то диоды VD2, VD3 не нужны;
г) стабилизаторы DAI, DA2 такого же типа, но в «перевёрнутом» включении.
Источник: Рюмик С.М. 1000 и одна микроконтроллерная схема.
⚡️Двухполярное напряжение от сетевого блока питания |
На чтение 3 мин. Опубликовано Обновлено
Сейчас в магазинах имеется очень широкий ассортимент сетевых блоков питания для портативной или другой аппаратуры. Есть блоки на самое разное напряжение, ток нагрузки и т.д. Таким образом, зачастую уже нет необходимости радиолюбителю самостоятельно делать блок питания для очередной самоделки, купить готовый блок дешевле, чем «железо» с каркасом для трансформатора.
Блоки питания, так называемые, сетевые адаптеры, бывают сейчас двух типов, импульсные и трансформаторные, про регулируемый источник питания читайте здесь.
Импульсные чаще всего это блоки с выходным напряжение 5V для питания и зарядки сотовых телефонов и другой техники, именуемой «гаджетами». Остальные же, на 3V, 6V, 9V, 12V чаще всего сделаны по трансформаторной схеме, вот о них и пойдет здесь речь. Впрочем, отличить трансформаторный «сетевой адаптер» от импульсного очень просто, по весу. Трансформаторный всегда тяжелее, да и крупнее, обычно.
И так, вернемся к мысли, изложенной вначале, делать блок питания необязательно, дешевле купить готовый. Совершенно верно, и выбрать можно на любое нужное напряжение, да и бывают с регулируемым выходным напряжением (переключателем отводов вторичной обмотки), но все же, есть одна проблема у них всех выходное напряжение всегда однополярное. А что делать, если нужно питать схему на операционных усилителях, для которой необходимо двуполярное напряжение? Конечно, можно купить два одинаковых блока питания… но можно относительно просто и стандартный однополярный переделать в двуполярный. Причем, без переметки трансформатора.
Сетевые адаптеры на силовом трансформаторе обычно выполнены по одной из двух схем. На рисунке 1 показана наиболее популярная схема. Она состоит из маломощного силового трансформатора Т1, выпрямительного моста (обычно на диодах 1N4004 или 1N4002) и сглаживающего пульсации электролитического конденсатора С1. Казалось бы, чтобы от этой схемы получить полноценное двуполярное напряжение, нужно как минимум перемотать вторичную обмотку трансформатора. На самом деле есть более простое решение. Просто нужно отказаться от двухполупериодного выпрямления в пользу одно полупериодного.
Конечно, в этом случае выходной ток будет существенно ниже, но если требуется питать относительно маломощную нагрузку (потребляющую не более четверти тока, указанного на корпусе сетевого адаптера), такой вариант может быть оптимальным решением. На рисунке 2 показаны изменения в схеме. Нужно убрать два диода, и добавить один конденсатор. Теперь, положительная полуволна заряжает С1, а отрицательная С2. На выходе будет двуполярное постоянное напряжение.
Вторая схема (рис.З) встречается реже, но тоже присутствует. Её отличие в том. что у силового трансформатора есть вторичная обмотка двойного числа витков, с отводом от середины. Эта схема позволяет сделать выпрямитель по двух полупериодной схеме на двух диодах, вместо четырех диодов в схеме с вторичной обмоткой без отвода. Достоинство такой схемы в том, что у неё уже есть трансформатор с двойной вторичной обмоткой. И это позволяет сделать хороший двухполярный источник питания с двухполупериодным выпрямителем.
Изменения в схеме показаны на рис.4. Между концами концами вторичной обмотки включаем выпрямительный мост, а отвод берем как нулевой провод. Таким образом, добавляем еще один конденсатор и два диода. Схема на рисунке 4 существенно лучше схемы, показанной на рисунке 2, однако, когда нет выбора, остается довольствоваться тем, что есть…
К тому же. схема на рисунке 2 больше подходит для переделки в двухполярный, блока питания с переключаемым выходным напряжением. Ведь, в таких блоках питания переключение выходного напряжение осуществляется переключением отводов вторичной обмотки. Следующий этап переделки это, конечно же, замена выходного кабеля на трехпроводной, ну и распайка соответствующего разъема (если предполагается разъемное подключение к нагрузке)
Блок питания +/-15В дла предусилителя
Более или менее качественные предварительные усилители требуют двухполярного напряжения питания. Источник, схема которого представлена в этой статье, обеспечит предварительный усилитель стабилизированным напряжением ±15В. Помимо этого, от положительной шины (+15В) можно питать регулятор тембра. Нередко регулятор тембра и предварительный УНЧ представляют одну схему. В тех и других звуковой сигнал является слаботочным и поэтому он подвержен искажениям и наводкам, источниками которых могут быть разные причины в точности и нестабилизированное напряжение питания.
Так, например, в статье «Профилактика и доработка усилителя Радиотехника У-101» я описывал недостаток схемы питания предварительного УНЧ, который заключался в запитывании схемы через гасящий резистор от нестабилизированного источника. При прослушивании звукового сигнала, с низкочастотной составляющей (ниже 300Гц), на шинах питания образуются просадки напряжения, которые присутствуют и после гасящего резистора. Таким образом, при колебании питающего напряжения предварительного усилителя, происходит изменение (искажение) амплитуды усиливаемого сигнала на его выходе. Чтобы уйти от этого недостатка я убрал гасящие резисторы и установил по шинам питания стабилизаторы напряжения.
Схема стабилизированного двухполярного источника питания
Основой в схеме является понижающий трансформатор. Он должен иметь две вторичные обмотки или одну обмотку со средним выводом, относительно которого на каждом плече должно быть напряжение переменного тока 15В. Можно применить трансформатор с выходным напряжением 18В переменного тока в каждой обмотке. После выпрямления, напряжение на электролитических конденсаторах C1 и C2 станет в 1.41 раз больше, то есть с трансформатором 15+15В выпрямленное напряжение холостого хода станет равным ±21.2В.
Выходной ток трансформатора будет зависеть от тока потребления предварительного усилителя, обычно он не превышает 100-200мА, поэтому трансформатор с выходным током 0.5А отлично подойдет.
В качестве элементов диодного моста VD1-VD4 могут применяться любые выпрямительные диоды с током 1А и напряжением 100В и более. Также можно установить диоды Шоттки, ощутимой разницы в данной схеме не будет.
В качестве стабилизирующих элементов применены линейные стабилизаторы LM7815 и LM7915. Стабилизатор LM7915 стабилизирует отрицательное напряжение относительно GND, а LM7815 положительное напряжение.
Емкость электролитических конденсаторов может отличаться в некотором диапазоне, больше – лучше, меньше – хуже, но все в разумных пределах. Напряжение, на которое рассчитаны электролиты, должно иметь запас 20-30% от напряжения на их выводах. Каждый электролит должен быть зашунтирован неполярным пленочным или керамическим конденсатором (C3, C4, C7, C8), для фильтрации высокочастотных колебаний, когда электролитический конденсатор, обладая большой емкостью, становится уже малоэффективным.
При токе потребления предварительного усилителя не более 200мА, теплоотводы на линейные стабилизаторы LM7815 и LM7915 можно не устанавливать. В противном случае на них можно установить небольшие алюминиевые пластинки.
Печатная плата двухполярного источника питания СКАЧАТЬ
Похожие статьи
Двухполярный источник питания УМЗЧ со сверхнизким уровнем пульсаций и токовой защитой
В каждом канале предлагаемого источника питания со стабилизированным выходным напряжением +/- 14 В сумма выходных напряжений обоих каналов, дополнительно стабилизированная интегральным стабилизатором, использована для питания ОУ, управляющего регулирующим транзистором. Это позволило получить на обоих выходах источника размах пульсаций не более 0,25 мВ при токе нагрузки 9 А.
Интересная особенность двухканального сетевого источника питания, описанного автором в [1, рис. 7], — изолированные одна от другой вторичные обмотки сетевого трансформатора. Это натолкнуло на идею соединить выходы стабилизаторов напряжения разной полярности так, чтобы их регулирующие элементы (полевые транзисторы) находились в цепи общего провода нагрузки. Это позволило добавить к напряжению питания ОУ, помимо входного напряжения одного стабилизатора, ещё и входное напряжение другого.
Их сумма даже после дополнительной стабилизации с помощью интегрального стабилизатора значительно превышает значение, необходимое, чтобы надёжно открывать и закрывать регулирующий полевой транзистор при условии, что нестабилизированное входное напряжение подано на его сток. Это легко обеспечить, применяя в каждом канале стабилизации полевой транзистор с соответствующим типом проводимости канала.
Однако, как это часто бывает, такая идея пришла в голову не только автору. Как оказалось, она хорошо известна, и стабилизаторы на её основе уже разработаны и опубликованы в [2] и [3]. Причём в [2] регулирующие транзисторы стабилизаторов биполярные, а в [3] — полевые. Правда, стабилизаторы собраны из дискретных компонентов без микросхем ОУ Автор решил проверить эту идею с использованием ОУ.
В [3] устранены недостатки стабилизатора, описанного в [2], — высокий уровень пульсаций выходного напряжения при малом токе нагрузки, нестабильность запуска, ненормированный порог защиты от перегрузки по току.
Основной недостаток описанного в [3] стабилизатора — сложность схемы, что привело к огромным размерам платы устройства (175×80 мм). Ктомужепе-чатные проводники размещены на обеих её сторонах. Изготовить такую плату в домашних условиях весьма проблематично. Печатные платы стабилизаторов, которые я предлагаю в настоящей статье, значительно меньше (51×16,5 мм и 40×16 мм). Печатный монтаж на них односторонний, они вполне могут быть изготовлены своими силами.
Принципиальная схема предлагаемого источника питания изображена на рис. 1. Он содержит сетевой понижающий трансформатор T1 с двумя изолированными вторичными обмотками и два выпрямительных моста на сборках диодов Шотки VD1-VD8 со сглаживающими конденсаторами C1-C4. Схемы стабилизаторов напряжения +14 В и -14 В на рис. 1 упрощены. Показаны только регулирующие транзисторы VT1 и VT2, управляющие ими ОУ DA3.1 и DA6.1, стабилизаторы напряжения питания этих ОУ DA2 и DA5.
Рис. 1. Принципиальная схема источника питания
Стабилизатор напряжения +14 В выполнен по классической схеме с регулирующим транзистором VT1 в минусовом проводе, а напряжения -14 В — по такой же схеме с регулирующим транзистором VT2 в плюсовом проводе.
Узел питания ОУ DA3.1 от интегрального стабилизатора отрицательного напряжения 24 В DA2 построен таким образом, что на вывод +U этого ОУ поступает напряжение +14 В, а на вывод -U поступает -10 В. Оба напряжения измерены относительно истока транзистора VT1. В результате напряжение на выходе ОУ и затворе транзистора может, изменяясь приблизительно в указанных пределах, обеспечить как открывание, так и закрывание канала транзистора VT1.
Аналогично устроен и узел питания ОУ DA6.1, только на его выводе +U напряжение + 10 В, а на выводе -U напряжение -14 В.
Вместо интегральных стабилизаторов DA2 и DA5 можно было бы применить, как в [2, 3], обычные стабилитроны с гасящими резисторами. Но, во-первых, стабильность выходного напряжения интегральных стабилизаторов значительно выше. Во-вторых, как это ни странно, применённые стабилизаторы 79L24 и 78L24 заметно дешевле стабилитронов с резисторами и занимают меньше места на плате.
Полная схема стабилизатора напряжения + 14 В изображена на рис. 2. Исток транзистора VT1 здесь соединён с общим проводом нагрузки источника через резистор-датчик тока R7. Образцовое напряжение, полученное с помощью стабилизатора тока DA1 и стабилитрона VD9 (подробное описание этого узла можно найти в [1]), поступает на неинвертирующий вход Оу DA3.1, a часть выходного напряжения, снятого с делителя R9-R11, подана на его инвертирующий вход. Усиленное напряжение рассогласования поступает на затвор транзистора VT1 через резистор R5, ограничивающий ток нагрузки ОУ.
Рис. 2. Полная схема стабилизатора напряжения + 14 В
Если, например, выходное напряжение стабилизатора по какой-либо причине возросло, это приводит к увеличению напряжения, поступающего на инвертирующий вход ОУ DA3.1 с движка подстроечного резистора R10. Напряжение на выходе ОУ и между затвором и истоком транзистора VT1 падает и частично закрывает транзистор, что ведёт к увеличению падения напряжения на его канале сток-исток. В результате выходное напряжение стабилизатора возвращается к исходному значению.
Диодная сборка VD11 обеспечивает питание ОУ DA3, когда напряжения на выходе нижнего по схеме рис. 1 выпрямителя недостаточно и стабилизатор DA2 не работает. Это бывает необходимо при запуске источника.
Конденсатор C8 препятствует самовозбуждению стабилизатора. Он необходим, если крутизна характеристики транзистора VT1 более 100 А/В. Конденсатор C6 устраняет самовозбуждение интегрального стабилизатора DA2. Узел защиты от превышения тока нагрузки, собранный на ОУ DA3.2 и оптосимисторе U1, подробно описан в [1].
Поскольку выходное напряжение ОУ DA3.1 всегда находится в интервале, границы которого довольно далеки от потенциалов выводов его питания, этот усилитель не обязательно должен быть класса rail-to-rail. Но требуется, чтобы максимально допустимое напряжение его питания было достаточно велико. Снимаются и требования к напряжению отсечки транзистора VT1. Он должен иметь лишь достаточно большие предельные значения напряжения сток- исток и тока стока.
Вместо стабилизатора тока LM334Z (DA1) и резистора R1 может быть применён диодный ограничитель тока J511. Его анод подключают вместо вывода 1 LM334Z, а катод — вместо вывода 3.
Стабилизатор напряжения -14 В, полная схема которого изображена на рис. 3, отличается от рассмотренного лишь тем, что в нём использован n-канальный полевой транзистор и из-мененаполярность подключения оксидных конденсаторов, стабилитрона, стабилизатора тока и излучающего диода оптосимистора. Вместо интегрального стабилизатора отрицательного напряжения установлен аналогичный стабилизатор положительного напряжения. Диодная сборка заменена аналогичной с противоположной полярностью соединения диодов.
Рис. 3. Полная схема стабилизатора напряжения -14 В
Рис. 4. Чертёж печатной платы
Чертежи печатных плат стабилизаторов в масштабе 1:1 представлены в двух вариантах: с использованием сдвоенных ОУ MC33072PG (рис. 4) и MC3407AMTTBG (рис. 5). Расположение деталей на них показано соответственно на рис. 6 и рис. 7 в масштабе 2:1. Внешний вид собранных стабилизаторов приведён на рис. 8 и рис. 9.
Рис. 5. Чертёж печатной платы
Рис. 6. Расположение деталей на плате
Рис. 7. Расположение деталей на плате
Рис. 8. Внешний вид собранного стабилизатора
Рис. 9. Внешний вид собранного стабилизатора
Методика испытаний стабилизаторов подробно описана в [1], поэтому повторять её не буду. Осциллограммы пульсаций их входных и выходных напряжений показаны на рис. 10 (+14 В) и рис. 11 (-14 В). Скорость развёртки в обоих случаях — 2 мс/дел. Жёлтыми линиями изображены осциллограммы входного напряжения, а голубыми линиями — выходного напряжения при токе нагрузки 9 А.
Рис. 10. Осциллограмма пульсаций входного и выходного напряжения стабилизатора
Рис. 11. Осциллограмма пульсаций входного и выходного напряжения стабилизатора
Размах пульсаций выходных напряжений стабилизаторов не превышает 240 мкВ (0,24 мВ). По сравнению с аналогичным параметром конструкции, описанной в [1] (1,84 мВ), он уменьшен в 1,84 мВ / 0,24 мВ ≈ 7,7 раза. Коэффициент подавления пульсаций входного напряжения стабилизаторов достигает 1320 мВ / 0,24 мВ = 5500 (около 75 дБ).
При изменении тока нагрузки от 0 до 9 А выходное напряжение изменяется менее чем на 10 мВ. Порог защиты по току установлен равным 10 А. Эти характеристики не отличаются от аналогичных характеристик стабилизаторов, описанных в [1].
Вероятно, у читателя могут возникнуть сомнения в целесообразности использования двухполярного источника со сравнительно низкими выходными напряжениями (+/-14 В) и максимальным током нагрузки 9 А по каждому из выходов для питания высококачественного УМЗЧ, поскольку мощность усилителя при этом может оказаться недостаточной для озвучивания помещения. Напомню, что в [2] выходные напряжения источника +/-19 В, а в [3] — +/-35 В.
Чтобы развеять сомнения, рассмотрим УМЗЧ на базе хорошо известной микросхемы LM3886 или её сдвоенного аналога LM4780. При питании напряжениями +/-14 В микросхема LM3886 способна без искажений воспроизвести сигнал амплитудой на 2,5 В меньше напряжений питания, т. е. 14 В — 2,5 В = 11,5 В. Если собрать усилитель по мостовой схеме, то при амплитуде сигнала на выходе одного плеча 9 В (запас ещё 11,5 — 9 В = 2,5 В) и нагрузке сопротивлением 4 Ом амплитуда тока нагрузки достигнет 4,5 А, а синусоидальная мощность — 40,5 Вт. Ток, потребляемый двухканальным (стереофоническим) усилителем, будет 9 А, что как раз соответствует возможностям описанного источника. Для справки, предельная синусоидальная мощность акустической системы 35 АС-016 с номинальным сопротивлением 4 Ом по паспорту — 35 Вт. Так что усилителя мощностью 40,5 Вт вполне хватит. К тому же средняя мощность музыкального звукового сигнала с теми же максимальными мгновенными значениями, как у синусоидального, значительно меньше.
Файл печатных плат в формате Sprint Layout 6.0 имеется здесь.
Литература
1. Кузьминов А. Двухканальный сетевой источник питания с низким уровнем пульсаций и токовой защитой. — Радио, 2018, № 4, с. 21-25.
2. Орешкин В. Стабилизатор напряжения питания УМЗЧ. — Радио, 1987, №8, с. 31.
3. Муравцев М. Стабилизированный блок питания УМЗЧ. — Радио, 2017, № 2, с. 25-27; № 3, с. 17-19.
Автор: А. Кузьминов, г. Москва
В Kepcos BOP выходы напряжения и тока могут регулироваться плавно и линейно. через весь номинальный плюс и минус диапазоны, плавно переходя через ноль без переключение полярности. BOP E-Series для управления через Ethernet. BOP E-Series — это управляемая через Ethernet версия биполярных источников питания Kepco BOP. Все 14 моделей BOP E-Series предлагают полный контроль над биполярным выходом либо через веб-страницу с использованием браузера, либо с помощью команд SCPI через Telnet. BOP E-Series использует интерфейс между шиной цифровых данных и BOP, который принимает цифровые входные данные и преобразует их в аналоговый сигнал, который, в свою очередь, управляет выходом BOP. BOP E-Series полностью совместим с языком программирования SCPI.Серия BOP-E доступна в версиях, оптимизированных для индуктивных или емкостных нагрузок. Дистанционное цифровое управление. BOP принимает сменные карты BIT для дистанционного цифрового управления; карты могут быть установлены на заводе. BIT 4886 обеспечивает 16-битное управление разговором и прослушиванием IEEE 488.2 с поддержкой SCPI. BIT 802E обеспечивает управление через Ethernet, предлагая полный контроль над биполярным выходом либо через веб-страницу с использованием браузера, либо с помощью команд SCPI через Telnet. Двухканальный BOP. Двухканальные модели противовыбросового превентора Kepco Series 2X имеют блоки питания мощностью 200 и 400 Вт. Каждый канал представляет собой отдельный источник питания, полностью изолированный, независимый и функционально идентичный. Блоки мощностью 200 Вт имеют два канала по 100 Вт, а блоки 400 Вт — два канала по 200 Вт. Двухканальные модели поставляются в едином корпусе, полностью заполненном стойкой, который можно установить в стандартную стойку шириной 19 дюймов. Каналы полностью изолированы, но используют два цифровых измерителя на передней панели (не влияя на изоляцию), которые отображают выходное напряжение и ток для канала, выбранного переключателем выбора канала на передней панели.Один шнур питания питает оба канала; отдельные двухпозиционные автоматические выключатели включают / выключают каждый канал отдельно. Два канала независимы. У них есть отдельные входные управляющие сигналы и отдельные выходные порты. Дистанционное программирование можно настроить таким образом, чтобы каждый канал работал независимо, или входной контроль можно было подключить параллельно, чтобы оба канала программировались одним и тем же сигналом. BOP имеют маркировку CE в соответствии с директивами LVD, EMC и RoHS 2. См. Соответствующую Декларацию соответствия. |
Биполярные усилители низкого и высокого напряжения
Биполярные источники питания / Усилители высокого напряженияМакс. выходное напряжение
0 В и выше 10 В и выше 20 В и выше 50 В и выше 100 В и выше 500 В и выше 1 кВ и выше 2 кВ и выше 5 кВ и выше 10 кВ и выше 50 кВ и выше 100 кВ и выше ~ 10 В и менее 20 В и менее 50 В и менее 100 В и менее 500 В и менее 1 кВ и менее 2 кВ и менее 5 кВ и менее 10 кВ, менее 50 кВ и менее 100 кВ и ниже Нет ограничений
Макс.выходной ток
0 мА и выше 1 мА и выше 10 мА и выше 100 мА и выше 1 А и выше 10 А и выше 50 А и выше ~ 1 мА и менее 10 мА и менее 100 мА и менее 1 А, менее 10 А и менее 50 А и менее Нет предела
Макс. выходная мощность
0 Вт (ВА) и выше 1 Вт (ВА) и выше 5 Вт (ВА) и выше 20 Вт (ВА) и выше 100 Вт (ВА) и выше 300 Вт (ВА) и выше 1 кВт (кВА) и выше 10 кВт (кВА) и выше ~ 1 Вт (ВА) и менее 5 Вт (ВА) и менее 20 Вт (ВА) и менее 100 Вт (ВА) и менее 300 Вт (ВА) и менее 1 кВт (кВА) и менее 10 кВт (кВА) и менее
Форма
- Монтаж в стойку, тип
- Столешница Тип
- Модуль Тип
- Крепление на печатную плату Тип
Регулятор напряжения
- Переключение
- Капельница
% PDF-1.4 % 172 0 объект > endobj xref 172 83 0000000016 00000 н. 0000002617 00000 н. 0000002795 00000 н. 0000002845 00000 н. 0000004055 00000 н. 0000004138 00000 п. 0000004292 00000 н. 0000004430 00000 н. 0000004571 00000 н. 0000004712 00000 н. 0000004853 00000 н. 0000004993 00000 п. 0000005132 00000 н. 0000005271 00000 н. 0000005764 00000 н. 0000006367 00000 н. 0000006989 00000 н. 0000007405 00000 н. 0000007812 00000 н. 0000007849 00000 п. 0000007963 00000 н. 0000008075 00000 н. 0000008604 00000 н. 0000008699 00000 н. 0000009194 00000 н. 0000009797 00000 н. 0000010050 00000 п. 0000010471 00000 п. 0000012926 00000 п. 0000014262 00000 п. 0000014822 00000 п. 0000015396 00000 п. 0000015480 00000 п. 0000015940 00000 п. 0000016477 00000 п. 0000018807 00000 п. 0000021514 00000 п. 0000023732 00000 п. 0000023921 00000 п. 0000024251 00000 п. 0000026946 00000 п. 0000029210 00000 п. 0000031860 00000 п. 0000037050 00000 п. 0000040831 00000 п. 0000045018 00000 п. 0000052677 00000 п. 0000052793 00000 п. 0000052885 00000 п. 0000055651 00000 п. 0000056070 00000 п. 0000056560 00000 п. 0000056649 00000 п. 0000063810 00000 п. 0000064079 00000 п. 0000064503 00000 п. 0000067338 00000 п. 0000067614 00000 п. 0000067918 00000 п. 0000072621 00000 п. 0000072884 00000 п. 0000073225 00000 п. 0000111505 00000 н. 0000111544 00000 н. 0000123551 00000 н. 0000123590 00000 н. 0000123851 00000 н. 0000123899 00000 н. 0000126718 00000 н. 0000141719 00000 н. 0000142128 00000 н. 0000142203 00000 н. 0000142390 00000 н. 0000142976 00000 н. 0000143044 00000 н. 0000143152 00000 н. 0000143243 00000 н. 0000143325 00000 н. 0000143413 00000 н. 0000143501 00000 н. 0000143583 00000 н. 0000002445 00000 н. 0000001995 00000 н. трейлер ] / Назад 440606 / XRefStm 2445 >> startxref 0 %% EOF 254 0 объект > поток htO (qǿϏͻwH j, / I fE9V «lNhԤFNZD�y>`> 0
.Модель BOP 6-125MG BOP High Power — это истинно 4-квадрантные программируемые источники питания напряжения и тока. Работа в 4-х квадрантах означает, что они способны обеспечивать как источник, так и потреблять энергию. Эти биполярные блоки питания плавно проходят через ноль, обеспечивая напряжение и ток.BOP High Power использует технологию переключения режимов для низкого рассеивания и функционирует как рекуперативная (рекуперативная) нагрузка и подключается к активной нагрузке. Регенеративная нагрузка / Рекуперативная нагрузкаЧтобы поддерживать низкое рассеивание при потреблении энергии от активной нагрузки, BOP High Power рекуперирует энергию для повторного использования. Это означает, что в режиме стока d-c от активной нагрузки возвращается в BOP, преобразуется в a-c и возвращается в сеть переменного тока. Это означает, что энергия активной нагрузки, вместо того, чтобы рассеиваться в виде тепла, на самом деле является производительной мощностью, которая не только повышает эффективность противовыбросового превентора, но, что не менее важно, снижает охлаждение, необходимое для среды тестирования.Ключом к этому является двунаправленная схема коррекции входного коэффициента мощности переменного тока (PFC), которая обеспечивает прозрачный обмен энергией без рассеивающего поглощения. Схема PFC снижает линейные гармонические искажения входного тока, сохраняя коэффициент мощности более 0,97. PFC работает как в режиме генерации, так и в режиме рекуперации.Модели BOP High Power производят до 1000 Вт постоянного тока в двух направлениях в девяти моделях MG / ME от 6 В до 100 В. Четыре модели EL / GL, оптимизированные для очень низких пульсаций и шума, что делают их идеальными для магнитов и других индуктивных нагрузок, доступны от 10 до 50 В.Свяжитесь с Kepco, если комбинации напряжения / тока не указаны. Цифровое управлениеМодели BOP High Power управляются цифровым способом с клавиатуры на передней панели или с одного из встроенных стандартных удаленных интерфейсов для установки напряжения или тока и четырех пределов защиты (+ напряжение, -вольт, + ток и -ток): Модели
Драйвер EPICS (совместимый с Linux) уже доступен! Встроенный генератор сигналов произвольной формы (функций) позволяет моделям BOP High Power напрямую создавать синусоидальные, треугольные, положительные, отрицательные (пилообразные) и прямоугольные сигналы без внешнего генератора сигналов. ПриложенияМодели BOP High Power подходят для управления большими магнитами или двигателями, а также для тренировки аккумуляторов. Они также подходят для определения характеристик пассивных и реактивных компонентов, полупроводников и массивов солнечных элементов, а также для обеспечения многих электрохимических реакций. Эти модели также могут использоваться как электронные нагрузки с постоянным напряжением или постоянным током.
Тестирование солнечных устройствKepco BOP 1KW представляет собой одноэтапное решение для тестирования и определения характеристик солнечных элементов и солнечных панелей: см. Примечание Kepco по применению «Использование Kepco BOP 1KW для тестирования солнечных устройств».Бесплатный subvi LabView позволяет быстро определять характеристики солнечного устройства, используя только BOP 1KW, устраняя необходимость в отдельных DVM для измерения напряжения и тока. Subvi разработан как для тестирования I-V Trace, так и для Dark I-V, и его можно подключить или легко адаптировать к существующим тестовым приложениям LabView. Устройства с версией микропрограммы ниже 3.05 (найдите версию микропрограммы) можно обновить, чтобы получить эту возможность с помощью комплекта обновления 219-0533.BOP 1KW имеют маркировку CE в соответствии с Директивой по низковольтному оборудованию (LVD), EN61010-1 и Директивами по электромагнитной совместимости.См. Соответствующую Декларацию соответствия. |

