Что представляет собой микросхема К155ЛА3. Какие функции она выполняет. Какими характеристиками обладает. Как используется в электронных схемах. На что следует обратить внимание при работе с К155ЛА3.
Основные сведения о микросхеме К155ЛА3
К155ЛА3 — это интегральная микросхема, содержащая 4 логических элемента 2И-НЕ. Она относится к семейству транзисторно-транзисторной логики (ТТЛ) и выпускалась в СССР. Зарубежным аналогом является микросхема SN7400.
Микросхема выполнена в пластиковом корпусе DIP-14 с двумя рядами по 7 выводов. Масса микросхемы не превышает 1 г. Внутри корпуса размещается кристалл, содержащий 56 интегральных элементов.
Функциональное назначение К155ЛА3
Основное назначение К155ЛА3 — реализация логической функции 2И-НЕ. Каждый из 4-х логических элементов имеет два входа и один выход. Выходной сигнал элемента принимает низкий уровень только тогда, когда на обоих входах присутствует высокий уровень. В остальных случаях на выходе формируется высокий уровень.

Таблица истинности для одного элемента 2И-НЕ в составе К155ЛА3:
- Вход A: 0, Вход B: 0 — Выход: 1
- Вход A: 0, Вход B: 1 — Выход: 1
- Вход A: 1, Вход B: 0 — Выход: 1
- Вход A: 1, Вход B: 1 — Выход: 0
Основные электрические характеристики К155ЛА3
Микросхема К155ЛА3 обладает следующими ключевыми параметрами:
- Напряжение питания: 5 В ± 5%
- Выходное напряжение низкого уровня: не более 0,4 В
- Выходное напряжение высокого уровня: не менее 2,4 В
- Входной ток низкого уровня: не более 1,6 мА
- Входной ток высокого уровня: не более 40 мкА
- Ток потребления: не более 22 мА
- Время задержки распространения: не более 15 нс
Особенности применения микросхемы К155ЛА3
К155ЛА3 широко использовалась в различной радиоэлектронной аппаратуре для построения логических схем. На ее основе можно реализовать более сложные логические функции, комбинируя несколько элементов 2И-НЕ.
Какие схемы можно собрать с применением К155ЛА3?
- Логические схемы для обработки цифровых сигналов
- Простые генераторы импульсов
- Триггеры и счетчики
- Схемы задержки сигналов
- Формирователи коротких импульсов
Схема включения К155ЛА3
Для корректной работы микросхемы К155ЛА3 необходимо обеспечить следующие условия:

- Подать напряжение питания +5 В на вывод 14
- Соединить вывод 7 с общим проводом (землей)
- Подключить входные сигналы ко входам элементов (выводы 1-2, 4-5, 9-10, 12-13)
- Снимать выходные сигналы с выходов элементов (выводы 3, 6, 8, 11)
- Неиспользуемые входы рекомендуется соединять с шиной питания +5 В
Применение К155ЛА3 в генераторе импульсов
Рассмотрим простую схему генератора прямоугольных импульсов на основе К155ЛА3:
- Используются два элемента 2И-НЕ из состава микросхемы
- Выход первого элемента соединяется со входом второго
- Выход второго элемента через RC-цепочку подается на вход первого
- Частота генерации определяется параметрами RC-цепочки
- С выхода второго элемента снимаются прямоугольные импульсы
Такой генератор может использоваться как источник тактовых импульсов для цифровых устройств.
Меры предосторожности при работе с К155ЛА3
При использовании микросхемы К155ЛА3 следует учитывать некоторые особенности:
- Не допускать превышения максимально допустимого напряжения питания
- Соблюдать правила работы с устройствами, чувствительными к статическому электричеству
- Не оставлять неподключенными неиспользуемые входы элементов
- Использовать развязывающие конденсаторы в цепях питания
- Не превышать предельно допустимые значения входных токов и напряжений
Сравнение К155ЛА3 с современными аналогами
Несмотря на то, что К155ЛА3 была разработана несколько десятилетий назад, она до сих пор находит применение в некоторых устройствах. Однако современные аналоги имеют ряд преимуществ:

- Меньшее энергопотребление
- Более высокое быстродействие
- Расширенный диапазон рабочих температур
- Повышенная помехоустойчивость
- Миниатюрные корпуса для поверхностного монтажа
Тем не менее, К155ЛА3 остается хорошим выбором для обучения основам цифровой электроники и создания несложных устройств.
Заключение: перспективы использования К155ЛА3
Микросхема К155ЛА3, несмотря на свой почтенный возраст, продолжает применяться в некоторых областях:
- Ремонт и обслуживание старой электронной техники
- Учебные стенды для изучения основ цифровой техники
- Простые любительские конструкции
- Макетирование цифровых устройств
Знание принципов работы и особенностей применения К155ЛА3 может быть полезным для понимания основ построения цифровых схем и развития навыков проектирования электронных устройств.
Поделиться ссылкой: |
|
Цифровая интегральная микросхема ТТЛ логики, производства советских времен. Широко применялась в бытовой аппаратуре. Часто использовалась радиолюбителями при создании различных устройств на основе цифровых микросхем. Содержит 4 логических элемента (вентиля) 2И-НЕ, в корпусе DIP-14 Микросхема К155ЛА3 имеет тип корпуса — 201.14-1 — пластиковый, с массой не более 1г. А для КМ155ЛА3 тип корпуса 201.14-8 — металлокерамический, с массой не более 2г., соответственно имеет расширенные температурные характеристики. Нумерация ног начинается от ключа на корпусе против часовой стрелки.
Аналоги К155ЛА3 — SN7400N, SN7400J (полностью совпадают по цоколевке и характеристикам) Параметры К155ЛА3:
Таблица истинности К155ЛА3:
Схема одного элемента микросхемы: Анекдот:
Предложила мужу поиграть в ролевую игру «Девочка по вызову». |
|||||||||||||||||||||||||||||||||||||||||||||||||||||||||
Полевые транзисторы Содержимое 2 Транзисторы GBT Содержимое 3 Цифровые микросхемы Аналоговые микросхемы Содержимое 5 Конденсаторы Содержимое 7 |
Устроства для начинающих Электроника для авто Устройства для дома Источники питания Устройства на микроконтроллерах Ремонт бытовой аппаратуры Содержимое 6 Разное Содержимое 7 |
||||||||||||||||||||||||||||||||||||||||||||||||||||||||||
Здесь может быть Ваша реклама |
|||||||||||||||||||||||||||||||||||||||||||||||||||||||||||
Схемы на микросхеме К155ЛА3
RADIODETECTOR
Радиоэлектроника, схемы, статьи
и программы для радиолюбителей.
Стать автором
Вход Регистрация
- Вопрос/Ответ
- Литература
- Радиотовары с Aliexpress
- Объявления
- Пользователи
Содержание
- 1 Распиновка микросхемы К155ЛА3
- 2 Характеристики микросхемы К155ЛА3
- 3 Аналоги микросхемы К155ЛА3
- 4 Схемы на микросхеме К155ЛА3
- 4.1 Схема звукового генератора
- 4.2 Радиомикрофон
- 4.3 Мигалка
- 4.4 Мультивибратор
- 4.5 Логический пробник
Микросхема К155ЛА3 ТТЛ логики, производства советских времен.
Довольно Широко применялась в различных отраслях бытовой аппаратуре. Разнообразные схемы на микросхеме К155ЛА3 можно собрать имея минимум деталей.
Содержит в своем составе 4 логических элемента 2И-НЕ, размещенные в корпусе DIP-14
Распиновка микросхемы К155ЛА3
Нумерация ног начинается от ключа на корпусе против часовой стрелки.
Характеристики микросхемы К155ЛА3
| Наименование параметра | Значение |
Напряжение питания | 5В+-5% |
Максимальное напряжение лог. «0» | <0.4В |
минимальное напряжение лог «1» | >2.4В |
Ток потребеления при лог. «0» и Uпит=5В | <22mA |
Ток потребеления при лог. «1» и Uпит=5В | <8mA |
Входной ток низкого уровня | <1,6 mA |
Входной ток высокого уровня | <0,04 mA |
Входной пробивной ток | <1 mA |
Ток КЗ | 18-55 mA |
Потребляемая мощность одного элемента | <19,7mВт |
Время задержки распространения сигнала при включении | <15нс |
Время задержки распространения сигнала при выключении | <22нС |
Аналоги микросхемы К155ЛА3
Импортный аналог микросхемы К155ЛА3 это SN7400(или просто -7400, без SN)
Схемы на микросхеме К155ЛА3
Схема звукового генератора
Очень простая схема звукового генератора, на 1 резисторе и конденсаторе.
В эту схему в цепи обратной связи введены два элемента задающие частоту импульсов — микрофон и конденсатор. Эта так называемая RC времязадающая цепочка будет появляться во всех последующих схемах с небольшими вариациями.
Мигалка
Обычная мигалка, частота мигания задается путем изменения емкости С1 и значения сопротивления R1.
Мультивибратор
По сути тут тот же генератор импульсов только тут 2 выхода импульсы на короторых появляются поочередно.
Логический пробник
Похожие записи
Микросхема NE555 — представляет собой универсальный таймер, используется для генерации одиночных и повторяющихся импульсов со стабильными временными характеристиками. Она не дорогая и…
11 Мар 2022
- 640
- 0
Микросхема К155ЛА3 ТТЛ логики, производства советских времен.
Довольно Широко применялась в различных отраслях бытовой аппаратуре. Разнообразные схемы на микросхеме К155ЛА3 можно собрать имея…
21 Дек 2021
- 4946
- 0
Некоторые считают, что изготовление печатной платы по технологии ЛУТ– бессмысленное и хлопотное занятие. Если учесть, что современные элементы уже совсем отличные от DIP корпусов, то и…
22 Ноя 2020
- 2297
- 0
Паяльник для радиолюбителя, наверное самая главная вещь в его арсенале, поэтому к выбору паяльника следует подойти ответственно и знать какие бывают паяльники на что стоит обратить.
..
17 Дек 2019
- 3148
- 0
Если вы нашли ошибку в статье, или на сайте. Можете сообщить об этом воспользовавшись формой.
Ваше имя
Ваше почта
Сообщение
Сообщение
Администрация сайта свяжется с Вами в ближайшее время.
Скачать
К155ла3 характеристики
Войти через uID. Добавлено Глядишь — и поймается нужная! Но расстояние в лучшем случае по квартире, не дальше.
Поиск данных по Вашему запросу:
Схемы, справочники, даташиты:
Прайс-листы, цены:
Обсуждения, статьи, мануалы:
Дождитесь окончания поиска во всех базах.
По завершению появится ссылка для доступа к найденным материалам.
Содержание:
- Выбор технического решения. Обоснование
- Please turn JavaScript on and reload the page.
- Справочник содержания драгметаллов
- Описание микросхемы К155ЛА3
- Микросхема К155ЛА3
- Как собрать генератор импельсов на К155ЛА3
- Использование микросхемы К155ЛА3
- К155ЛА3, 4 логических элементa «2И-НЕ» (SN7400N)
- К155ЛА3 (SN7400N) четыре логических элемента 2И-НЕ
ПОСМОТРИТЕ ВИДЕО ПО ТЕМЕ: Микросхема К155ЛА3
youtube.com/embed/Fm7Cf0QFI78″ frameborder=»0″ allowfullscreen=»»/>Выбор технического решения. Обоснование
Бренд, торговая марка или название предприятия-производителя, под знаком которого изготовлен товар. Подать частное объявление. Мобильное приложение. Каталог товаров. Промышленные и оптовые товары. Электронные компоненты. Активные компоненты. Интегральные микросхемы. Информация неактуальна? Все предложения продавца.
В наличии. Оценка товара. Кредит от наших финансовых партнеров. Светодиодное освещение и радиокомпоненты. Продавец из: г. График работы. Достижения продавца. Быстрое обслуживание. Способы оплаты Наложенный платеж, Предоплата на карту Приват Банка. Способы доставки Доставка «Укрпошта», Нова Пошта. Условия возврата. Регионы доставки. Защищаем покупки на 3 грн. Содержат 56 интегральных элементов. Корпус типа Предельно допустимые режимы эксплуатации КЛА3: — Напряжение питания Показать все. Отзывы о товаре.
Полностью соответствует описанию.
КЛА3 успешно заработала в зарядном устройстве. Добавить отзыв о товаре. Отзывы о компании Светодиодное освещение и радиокомпоненты. Добавить отзыв о продавце. Игорь Сделка подтверждена Prom. Цена актуальна Наличие актуально Заказ выполнен вовремя Описание актуально.
Комментарий компании:. Владимир Сделка подтверждена Prom. Продавецу респект, связался сразу и дал полную инфу. Благодарим за Ваш заказ! Будем Вам рады и в последующем. С уважением, интернет-магазин LED-Stars. О нас. Другие страны. Количество: Купить Кредит от наших финансовых партнеров. Детальнее Написать. Светодиодное освещение и радиокомпоненты Продавец из: г. Производитель Бренд, торговая марка или название предприятия-производителя, под знаком которого изготовлен товар. Страна производитель.
Тип микросхемы. Логическая микросхема стандартной логикой. Тип корпуса. Материал корпуса. Актуальность цены. Актуальность наличия. Актуальность описания. Выполнение заказа в срок.
Please turn JavaScript on and reload the page.

Составление из универсальных логических ИМС схемы для реализации различных логических функций. Исследование ЛЭ производится на специальном макете. Схема включения ЛЭ КЛа3 и цепи его питания изображены на лицевой панели макета и приведены на рис. Подача питания на микросхему рис. Все переключения в схеме при исследовании ИМС производить при выключенном питании тумблер К на рис.
Схема включения ЛЭ КЛа3 и цепи его питания изображены на лицевой и выходного напряжений ИМС при снятии передаточной характеристики.
Справочник содержания драгметаллов
By alex , June 23, in Металлоискатели. Хочу собрать такой металлоискатель, но я ещё плохо разбираюсь в радиотехнике. Помогите пожалуйста советами. Если нельзя то посоветуйте какой нужно усилитель чтобы их подключить? Мы принимаем формат Sprint-Layout 6! Экспорт в Gerber из Sprint-Layout 6. В публикации подробно расказано как его собрать и наладить,есть печатная плата,картинки по сборке и замене деталей. Это был самый первый собранный мною МД
Описание микросхемы К155ЛА3
Содержит 56 интегральных элементов.
Корпус типа Масса не более 1г. Допустимое значение статического потенциала В. Не рекомендуется проведение каких-либо электрических сигналов в том числе шин «питание» и «корпус» к неиспользуемым выводам микросхем.
Для Санкт-Петербурга: самовывоз с нашего склада, расположенного по адресу: Железнодорожный проспект, дом
Микросхема К155ЛА3
Корпус: DIP Номинальное напряжение питания Vcc : 5 В Максимальное напряжение питания Vcc : 6 В Тип логики: ТТЛ Семейство логических элементов: К Максимальное значение входного напряжения, воспринимаемое как уровень логического «0»: 0,8 В Минимальное значение входного напряжения, воспринимаемое как уровень логической «1»: 2 В Выходное напряжение низкого уровня: не более 0,4 В Выходное напряжение высокого уровня: не менее 2,4 В Ток потребления при низком уровне выходного напряжения: не более 22 мА Ток потребления при высоком уровне выходного напряжения: не более 8 мА Нагрузочная способность: 10 Время задержки: 9 нс типовое. Если соединить вместе входы любого из элементов, то логический элемент будет работать как элемент НЕ.
Микросхемы Логические микросхемы 2 Драйверы двигателей 1 Буферы и ключи 1. Кол-во В корзину. Логическая микросхема с четырьмя элементами 2И-НЕ.
Как собрать генератор импельсов на К155ЛА3
Для составления принципиальной и монтажной схем, нам необходимо определить количество микросхем, а также, дополнительного оборудования, поэтому составляем спецификации используемых микросхем и оборудования табл. Таблица 3 — Спецификация используемых микросхем. Элемент D3. Для этого в элементе соединим ножки 4 и 5. Микросхема D4 работает в режиме 2И-НЕ.
В этой статье будут рассмотрены схемы с применением микросхемы кла3. Для начала рассмотрим характеристики радиодетали.
Использование микросхемы К155ЛА3
Логический элемент 2И-НЕ и его характеристики. Широкое распространение получили логические элементы транзисторно-транзисторной логики ТТЛ. Такие логические элементы имеют хорошую нагрузочную способность. На рисунке 1.
К155ЛА3, 4 логических элементa «2И-НЕ» (SN7400N)
ВИДЕО ПО ТЕМЕ: Начинающим Цифровые микросхемы Основы их использования
youtube.com/embed/nUnuXdr8RwQ» frameborder=»0″ allowfullscreen=»»/>Жук на КЛА3 без катушек Немного странно что он без катушек индуктивности. Прокомментируйте плз эту схемку Синтез принципиальной схемы на микросхеме КЛА3 Добрый всем день. Хочу собрать собрать хороший ПК, для игр. Посоветуйте детали.
Извлечением драгметаллов аффинаж занимаются только уполномоченные специализированные организации — аффинажные заводы, которые имеют соответствующие лицензии и необходимое оборудование для того чтобы проводить необходимые технологические операции без вреда для окружающей среды.
К155ЛА3 (SN7400N) четыре логических элемента 2И-НЕ
Работает от 3 батареек для лазерной указки или часов. Так что жук спокойно ловится обычными радиоприемниками. Кладем жука в один угол потоковой аудитории, отходим в противоположный и начинаем разговаривать. Человек с приемником, находящияся в коридоре, прекрасно слышит и различает наш негромкий разговор. Дальность — когда как. Максимум при котором отчетливо можно расслышать — метров.
Это — с питанием в 5в.
Общая сумма с учетом скидки пусто. Все заказы с сайта будут обработаны на Уважаемые покупатели и посетители интернет-магазина!
Простой металлоискатель на микросхеме К155ЛА3
Начинающим радиолюбителям можно рекомендовать повторить простую конструкцию металлоискателя, основой для которой послужила схема, неоднократно публиковавшаяся в конце 70-х годов прошлого века в различных отечественных и зарубежных специализированных изданиях. Этот металлоискатель сделан всего на одной микросхеме типа К155ЛА3, собрать которую можно за несколько минут.
Схема принципиальная
Предлагаемая конструкция представляет собой один из многих вариантов детекторов типа BFO (Beat Frequency Oscillator), то есть устройства, основанного на принципе анализа биений двух сигналов, близких по частоте (рис. 3.1). Таким образом, в этой конструкции изменение частоты ударов происходит путем прослушивания.
Рис. 3.1. Принципиальная схема детектора на микросхеме К155ЛА3
Прибор состоит из измерительного и опорного генераторов, детектора колебаний схемы отсчета ВЧ, а также стабилизатора напряжения.
В данной конструкции использованы два простых LC-генератора, выполненных на микросхеме IC1. Схемные решения этих генераторов практически идентичны. Первый генератор, являющийся опорным, собран на элементах ИС1.1 и ИС1.2, а второй, измерительный или перестраиваемый генератор выполнен на элементах ИС1.3 и ИС1.4.
Цепь опорного генератора образована конденсатором С1 емкостью 200 пФ и катушкой L1. В цепи измерительного генератора используется конденсатор переменной емкости С2 с максимальной емкостью около 300 пФ и поисковая катушка, по идее ка L2. Оба генератора настроены на рабочую частоту около 465 кГц. Выходы генераторов через развязывающие конденсаторы С3 и С4 подключены к детектору колебаний РФ, выполненному на диодах Д1 и Д2 по схеме удвоения выпрямленного напряжения.
В качестве детектора нагрузки используются головные телефоны BF1, в которых выделяется сигнал низкочастотной составляющей. При этом конденсатор С5 шунтирует нагрузку на более высоких частотах.
При приближении поисковой катушки L2 генератора перестраиваемого резонансного контура к металлическому предмету происходит изменение его индуктивности, что вызывает изменение рабочей частоты этого генератора. При этом, если рядом с катушкой L2 находится предмет из черного металла (ферромагнетик), его индуктивность увеличивается, что приводит к уменьшению частоты перестраиваемого генератора. Окрашенный металл снижает индуктивность катушки L2, а рабочая частота генератора увеличивается. Радиочастотный сигнал, сформированный смешением сигналов измерительного и опорного генератора, после прохождения через конденсаторы С3 и С4 подается на детектор. Амплитуда радиочастотного сигнала зависит от частоты биений.
Низкочастотная огибающая сигнала детектора высокой частоты выполняется на диодах D1 и D2.
Конденсатор С5 фильтрует высокочастотную составляющую сигнала. Далее сигнал биений поступает на наушники BF1. Питание на микросхему IC1 поступает от источника напряжения В1 через 9 В стабилизатора напряжения, образованного стабилитроном Д3, балластным резистором R3 и управляющим транзистором Т1.
Детали и конструкция
Для изготовления рассматриваемого детектора можно использовать любую макетную плату. Поэтому привык к деталям, не сталкиваясь с какими-либо ограничениями, связанными с размерами. Установка может быть как навесной, так и печатной.
В качестве повторителя детектора можно использовать микросхему К155ЛА3 состоящую из четырех логических элементов 2И-НЕ с питанием от общего истока постоянного тока. В качестве конденсатора С2 можно использовать конденсатор установки от рации. Диоды D1 и D2 можно заменить любыми высокочастотными германиевыми диодами.
Катушка L1 контура опорного генератора должна иметь индуктивность около 500 мкг. В качестве этой катушки рекомендуется, например, катушка фильтра супергетеродинного приемника FC.
Чувствительная катушка L2 содержит 30 витков провода с эмалевой изоляцией диаметром 0,4 мм и выполнена в виде тора диаметром 200 мм. С этой катушкой проще изготовить жесткую раму, однако можно обойтись и без нее. В этом случае в качестве временного каркаса можно использовать любой подходящий по размеру круглый предмет, например, банку. Витки катушки наматываются навалом, а затем снимаются с каркаса и экранируются электростатическим экраном, представляющим собой разомкнутую ленту из алюминиевой фольги, намотанную поверх витков жгута. Зазор между началом и концом намотки ленты (зазор между торцами экрана) должен быть не менее 15 мм.
При изготовлении катушки L2 необходимо следить, чтобы не произошло замыкания концов экранирующей ленты, так как в этом случае образуется замкнутый контур. С целью повышения механической прочности катушки можно пропитать эпоксидным клеем. В качестве источника звуковых сигналов следует использовать высокоомные наушники с возможно высоким сопротивлением (около 2000 Ом).
Подойдет, например, широко известный телефон ТА-4 или ТОН-2.
В качестве источника питания В1 может быть использована, например, батарея «Крона» или две батареи типа 3336Л, соединенные последовательно.
В регуляторе напряжения емкость электролитического конденсатора С6 может быть от 20 до 50 мкФ и конденсатора С7 от 3 300 до 68 000 пФ. Выходное напряжение стабилизатора равно 5 В, устанавливается подстроечным резистором R4. Это напряжение будет поддерживаться постоянным даже при значительной разрядке аккумуляторов.
Следует отметить, что микросхема 155 питается от источника постоянного тока напряжением 5 В. Поэтому при желании из схемы можно исключить блок регулятора напряжения и использовать питающийся от одной батареи типа 3336L или аналог, что позволяет построить компактную конструкцию. Однако разрядка аккумулятора очень быстро влияет на функциональность этого металлоискателя. Поэтому необходим блок питания, обеспечивающий формирование стабильного напряжения 5 В.
Следует признать, что в качестве источника питания автор использовал четыре больших круглых аккумулятора импортного производства, соединенных последовательно. Напряжение 5 В формируется интегральным стабилизатором типа 7805. Плата с элементами управления на нем и источником питания размещаются в любом подходящем пластиковом или деревянном корпусе. На крышке корпуса установлены переменный конденсатор С2, переключатель S1, а также разъемы для подключения поисковой катушки L2 и наушников BF1 (эти разъемы и переключатель S1 на принципиальной схеме не указаны).
Установка
Как и при настройке других детекторов, это устройство должно быть настроено в условиях, когда металлические предметы удалены от поисковой катушки L2 на расстояние не менее одного метра.
Сначала с помощью частотомера или осциллографа необходимо настроить рабочие частоты опорного и тестового генераторов. Частоту опорного генератора устанавливают равной около 465 кГц регулировкой сердечника катушки L1 и при необходимости подбором емкости конденсатора С1.
Перед настройкой потребуется отключить соответствующий вывод конденсатора С3 от детектора диодов и конденсатора С4. Далее необходимо отключить соответствующий вывод конденсатора С4 от детекторных диодов и конденсатора С3 и подстройкой конденсатора С2 установить частоту измерительного генератора так, чтобы ее значение отличалось от частоты опорного генератора примерно на 1 кГц.
После восстановления всех соединений извещатель готов к работе.
Порядок выполнения работ
Поисковые работы с использованием металлоискателя не имеют особенностей. При практическом использовании прибора переменный конденсатор С2 обеспечивает поддержание заданной частоты сигнала биений, меняющейся при изменении температуры аккумуляторной среды или отклонении магнитных свойств грунта.
Если при этом частота сигнала на головные телефоны изменится, это свидетельствует о наличии в зоне поисковой катушки L2 какого-либо металлического предмета. При приближении к одним металлам частота биений сигнала будет увеличиваться, а при приближении к другим уменьшаться.
По изменению тона сигнала биений, имея некоторый опыт, можно легко увидеть, из какого металла, магнитного или немагнитного, сделан обнаруживаемый объект.
Автор: Адаменко М.В. Простой металлоискатель на микросхеме CLE
Добавить комментарий
Игра в жизнь | Хакадей
6 апреля 2022 г. Крис Уилкинсон
[Джордж Стэгг] недавно обнаружил, что его ужалило бремя свободного времени, когда он был взаперти. Нуждаясь в проекте, чтобы занять себя, он решил модернизировать свой калькулятор Casio CFX-9850G 90-х годов, чтобы он мог запускать собственный машинный код.
Все, чего [Джордж] действительно хотел, это чтобы его старинный калькулятор понимал обратную польскую нотацию (RPN). Рассматриваемый калькулятор уже может запускать собственную версию BASIC, однако сделанный на заказ процессор Hitachi борется с производительностью сложных программ и не является реалистичным способом использования RPN на калькуляторе.
Интерпретатор RPN, написанный на ассемблере, был бы намного быстрее.
Первым шагом к полному взлому этого калькулятора был дамп ПЗУ, за которым последовало написание дизассемблера. Невероятно, но инфраструктура MAME уже содержала «частичную реализацию» процессора калькулятора, что было крайне необходимо, когда пришло время написать полнофункциональный эмулятор.
Поскольку весь калькулятор эмулирован в программном обеспечении, план здесь заключался в замене одной из команд BASIC в ПЗУ новым кодом, который переходил бы к адресу в ОЗУ. С 32 КБ ОЗУ было достаточно места для экспериментов, а загрузка программы в ОЗУ была упрощена за счет использования оригинального программного обеспечения резервного копирования Casio для сброса ОЗУ на ПК. Здесь содержимое оперативной памяти можно было легко изменить с помощью пользовательского кода, а затем загрузить обратно в калькулятор.
Из-за нехватки оперативной памяти были созданы новые подпрограммы для вывода пользовательских символов на экран, а также был создан новый шрифт, позволяющий выводить на дисплей больше символов, чем обычно.
[Джордж] закончил тем, что портировал интерпретатор Forth, который по умолчанию использует стиль RPN, чтобы, наконец, достичь своей скромной цели. Ему также удалось запустить версию Conway’s Game Of Life , посмотрите видео после перерыва.
Мы не можем насытиться нашими хаками с калькулятором, поэтому не забудьте проверить пересадку процессора на этот старинный советский калькулятор.
Читать далее «Старый калькулятор Casio учится новым приемам» →
Posted in классические хаки, Software HacksTagged сборка, калькулятор, casio, conways game of life, далее, игра жизни11 ноября 2021 г. Мэтью Карлсон
Munged Ferris Bueller цитирует в сторону: «Игра жизни» Конвея — это классический клеточный автомат, к которому мы все стремимся. Обычный подход состоит в том, чтобы просто перебирать каждую ячейку в сетке, вычисляя следующее состояние в новый буфер сетки. [K155LA3] решил перевернуть это с ног на голову, реализовав Game Of Life на аппаратном уровне FPGA.
9Версия 0007
[K155LA3] использует Chisel, новый HDL от сообществ Berkley и RISCV. Под капотом Chisel — это Scala с некоторыми пользовательскими библиотеками, которые знают, как отображать концепции Scala на оборудование. В общих чертах, Verilog и VHDL сосредоточены на выражении оборудования, а затем в течение года добавили к этому абстракцию. Chisel и другие новые языки HDL сосредоточены на выражении высокоуровневых элементов общего назначения, которые отображаются на оборудование. FPGA уже отображают сложные схемы и оборудование на LUT и другие слайсы, так что же представляет собой еще один уровень абстракции?
Для этого проекта была выбрана ПЛИС Digilent Arty A7 с VGA Pmod для преобразования RGB444 в аналоговые сигналы для фактического отображения. Что впечатляет в реализации [K155LA3], так это то, насколько она быстра. Даже при скорости 60 кадров в секунду это почти так же быстро, как может выдержать монитор. Конечно, большинство компьютеров, лежащих рядом с вами, могут имитировать сетку 60 x 4 8 со скоростью 60 кадров в секунду.
Затем, вместо подключения логики сетки к тактовому генератору VGA 60 Гц, он подключает ее к внешнему генератору платы 100 МГц. Теперь каждый пиксель в каждом отображаемом кадре содержит более миллиона поколений.
К сожалению, даже эта маленькая сетка 60×48 занимает 90% LUT на Artix-7. В будущем мы хотели бы увидеть еще более крупную аппаратную реализацию FPGA, способную работать с сетками, которые могли бы содержать в себе целые компьютеры. И, естественно, это не первая версия Game Of Life для ПЛИС здесь, на Hackaday.
Опубликовано в ПЛИС, Игрыпомеченный conways game of life, fpga, игра жизни21 ноября 2020 г. Мэтью Карлсон
Мы часто слышим термин «Тьюринг-полный», не задумываясь о возможных последствиях. Технически Microsoft PowerPoint, Portal 2 и Magic: the Gathering — все они завершены по Тьюрингу, что из этого? Тем не менее, каждый раз, когда кто-то предпринимает невероятное упорство и создает компьютер в одной из этих сред, мы с благоговением отступаем.
[Николя Луазо] — один из таких людей, который создал компьютер в «Игре жизни» Конвея. В отличие от электричества, в игре «Жизнь» в качестве сигналов используются планеры. Поскольку два ортогональных планера могут компенсировать друг друга или образовать пожирателя планеров, если они пересекаются с хорошим фазовым сдвигом, базовые логические элементы могут быть сформированы из этих взаимодействий. Это означает, что расстояние между воротами имеет решающее значение, поскольку сигналы должны быть согласованы по фазе. Основными строительными блоками являются пушка периода 60, 9Рефлектор планера 0 градусов, дубликатор планера и пожиратель планера.
Весь код Python, который генерирует эти структуры, находится на GitHub, так как огромные размеры машины невозможно разместить вручную. Python включает в себя сценарии для сборки основных программ в виде банка выбираемых генераторов планеров. Все это основано на Golly, отличной программе для моделирования Игры жизни Конвея, среди прочего.
Хотя это не первый компьютер в игре «Жизнь», так как [Пол Ренделл] опубликовал проект в 2000 году, а [Адам Гуше] опубликовал спартанский универсальный конструктор компьютеров в 2009 году., мы думаем, что это особенно красиво.
Фактическая архитектура имеет 8-битную шину данных, 64-байтную память с двумя портами чтения, ПЗУ с 21 битом на строку и однократно закодированное АЛУ, поддерживающее 8 различных операций. Инструкции имеют 4-битный код операции, который расшифровывается в нескольких разных инструкциях. Часы представляют собой четыре петли, образованные отражателями планера при вращении лучей планера. Это дает компьютеру четыре этапа: выполнение, запись, увеличение ПК и запись ПК в память.
Игра «Жизнь» — отличный пример клеточного автомата (КА). Есть несколько других типов CA, и их история увлекательна. Мы рассмотрели эту область раньше и углубились в эту прекрасную периферию компьютерных наук. Посмотрите видео ниже, чтобы получить представление о масштабах машины, которую разработал [Николя].
Продолжить чтение «Компьютер в игре жизни» →
Posted in Software HacksTagged conways game of life, игра жизни, python, turing Complete2 июля 2020 г., Дональд Папп
Как и многие из нас, [Джон Уиттингтон] был опечален известием о том, что Джон Хортон Конвей скончался немного раньше в этом году, и в честь своей работы он добавил игру «Жизнь» к флип-точечному дисплею, который он работа над. Физические свойства электромеханического дисплея кажутся особенно подходящими для клеточных автоматов.
Нравится то, что вы видите? Если вам интересно, что заставляет все это работать, показанный дисплей — это Alfa-Zeta XY5 28 × 14, но [Джон] в настоящее время работает над созданием из них гораздо большего дисплея 256 x 56. На GitHub размещены симулятор флип-точки и программное обеспечение драйвера, которое использует [Джон], а также функции Game of Life.
Если вы новичок в игре «Жизнь» и не совсем уверены, на что смотрите, [Эллиот Уильямс] расскажет вам все, что вам нужно знать, в своей статье, посвященной ее глубокому влиянию и прочному наследию.
Посмотрите на флип-точечный дисплей в действии на видео, встроенном ниже.
Продолжить чтение «Посмотрите, как игра жизни Конвея трепещет на флип-точечном дисплее» →
Posted in классические хаки, аппаратное обеспечениеTagged дисплей, флип-точка, игра в жизнь18 апреля 2020 г. Эллиот Уильямс
На этой неделе скончался Джон Конвей. Даже если вы мало разбираетесь в математике, вы, вероятно, знаете почти все любимый набор правил клеточных автоматов: «Игру жизни» Конвея. Это настолько часть нашей культурной истории, что прото-хакер Эрик Скотт Рэймонд предложил использовать планер в качестве хакерской эмблемы.
Идея о том, что очень простой набор правил, применяемых одинаково и везде, может привести к «жизни», повлияла на мой рост как молодого хакера, и, судя по комментариям к нашей статье о Конвее, я не одинок. Но не буду врать: я был ребенком и думал, что он может сделать намного больше, чем просто красивые узоры на экране.
Я был и прав, и не прав.
Несмотря на то, что в «Жизни Конвея» можно построить удивительно сложные машины, просто посмотрите это видео, чтобы убедиться в этом, в конце концов, никакой великой объединяющей теории клеточных автоматов так и не появилось. В качестве темы исследования Конвей выбрал область математики, а именно клеточные автоматы. На самом деле никуда не делось . Или сделал?
Реализация Conway’s Life на языке BASIC на компьютере Tandy Color была одной из первых вещей, которые подтолкнули меня на мой путь гика. Он стоит в одном ряду с MENACE: алгоритмом машинного обучения на основе спичечного коробка из 1960-е годы и знакомство с цепями Маркова в виде генератора случайного текста в моей молодой алгоритмической жизни, обо всем этом я случайно прочитал в колонке Мартина Гарднера в «Scientific American». Conway’s Life вместе с какой-то дурацкой игрой о скачках также научили меня плохим генераторам случайных чисел: на старом CoCo экран каждый раз «случайно» заполнялся одним и тем же.
Так что, возможно, Конвей не хотел, чтобы его помнили только за его «Жизнь», потому что это был математический тупик. Но с точки зрения его влияния на мир, целое поколение хакеров и мою личную жизнь, он смог заполнить значительно больше, чем экран, полный пикселей. Вот Конвей, его «Жизнь» и все остальные, кто вдохновляет следующего. Вы не просто планеры, вы — планеры!
Эта статья является частью информационного бюллетеня Hackaday.com, который доставляется каждые семь дней за каждую из последних 200+ недель. Он также включает в себя наши любимые статьи за последние семь дней, которые вы можете увидеть в веб-версии информационного бюллетеня.
Хотите, чтобы подобные статьи появлялись в вашем почтовом ящике каждое утро пятницы? Вы должны зарегистрироваться!
[Пример Game of Life, показанный в этой статье, — это Game of Life Джона Конвея — 1.0 , написанный на Python Ником Джарвисом и Ником Уэйном]
Опубликовано в Hackaday Columns, Новостипомеченный Конвейс игра жизни, игра жизни, вдохновение, Джон Хортон Конвей, Наставничество, информационный бюллетень 13 апреля 2020 г.
, Майк Щис
Программисты во всем мире знакомы с игрой Конвея «Жизнь»: написали ли они ее сами или просто видели завораживающее действие клеточных автоматов, это имя нарицательное во всех домах, где говорят о коде. В субботу, 11 апреля 2020 года, его изобретатель и тезка Джон Хортон Конвей скончался от COVID-19 в возрасте 82 лет.
Родившийся в Ливерпуле, Конвей получил докторскую степень по математике в 1964 из колледжа Гонвилля и Кая в Кембридже. Он принял должность в колледже Сиднея Сассекса в Кембридже, которую занимал до прихода на факультет Принстонского университета в 1987 году. Блестящий математик, он получил множество наград и был хорошо известен своими работами в области комбинаторной теории игр, теории групп и теоретической физики.
Многие читатели знакомы с его алгоритмом Судного дня, который можно использовать для определения дня недели для любой заданной даты в вашей голове. Но, безусловно, математический момент рок-звезды при разработке игры Конвея «Жизнь» в 1970 навсегда закрепляет за ним легендарное место в компьютерных знаниях.
В его первоначальной работе над концепцией использовались карандаш и бумага, поскольку компьютерная революция еще не сделала цифровые ресурсы легко доступными даже для таких исследователей математики, как Конвей.
В игре используется бесконечная сетка квадратов, где все края сетки заходят друг за друга. Четыре простых правила (их можно свести к трем, если вы сообразительны) определяют, какие клетки живут, а какие умирают в каждом кадре «игры». Единственные необходимые параметры — это количество и положение живых клеток в начале игры, а также задержка между каждым игровым кадром. Но эффект от этой простоты нельзя недооценивать. Игру может написать новичок — и это стало обычной проблемой в университетской курсовой работе. Небольшие ошибки или преднамеренные изменения в реализации сильно влияют на поведение игры. И эффект на человека, программирующего его в первый раз, может быть длительным. Вы могли бы назвать это наркотиком для математики, захватывая любопытство ничего не подозревающих умов и затягивая его в кроличью нору продвинутых математических открытий.
Мы хотели бы отпраздновать его жизнь, услышав ваши собственные истории о программировании Игры Жизни в комментариях ниже. Если вы еще не получили удовольствие, сейчас самое время принять вызов.
[Пример Game of Life, показанный в этой статье, — это Game of Life Джона Конвея — 1.0 , написанный на Python Ником Джарвисом и Ником Уэйном]
Рубрика: Новости, SliderTagged игра жизни, игра жизни, Джон Хортон Конвей, некролог10 марта 2020 г., Левин Дэй
Журнальные столики — отличное место для горячих напитков, но большинство из них не предлагают ничего, кроме этого. Для большинства людей это вполне приемлемо, но хакерам часто хочется большего. [Андрей Эрдей] — один из таких людей, который превратил «Игру жизни» Конвея в этот красивый предмет мебели.
Сборка началась с существующего журнального столика, который был выбран из-за стеклянной столешницы. К сожалению, верхняя часть была окрашена в черный цвет с одной стороны и была полностью непрозрачной, что исключало возможность ее использования в качестве рассеивателя для светодиодов.
Вместо этого его заменили дымчатым стеклом с нанесенной матовой оконной пленкой, чтобы сделать окончательную часть темнее. Такое внимание к деталям позволило [Андрею] установить светодиодные ленты WS2812B под ним таким образом, чтобы они были невидимы в выключенном состоянии. Сами светодиоды управляются мини-контроллером WEMOS D1 на базе ESP8266. У этого микроконтроллера много ворчания, что делает запуск светодиодов и кода Game of Life очень простым.
Если вы хотите сделать что-то привлекательное и блестящее, трудно ошибиться с «Игрой жизни» Конвея. Вы даже можете использовать его, чтобы сделать часы или синтезатор; или построить на нем целую игру тетрис. Видео после перерыва.
Читать далее «Стильный журнальный столик с игрой Конвея в жизнь» →
Posted in LED HacksTagged игра жизнилогических микросхем. Часть 4
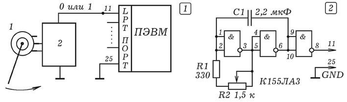
После знакомства в предыдущих частях статьи с микросхемой К155ЛА3 попробуем разобраться в примерах ее практического применения.
Казалось бы, что можно сделать из одной микросхемы? Конечно, ничего выдающегося. Однако стоит попробовать собрать на его основе какой-нибудь функциональный узел. Это поможет наглядно понять принцип его работы и настройки. Одним из таких узлов, довольно часто используемых на практике, является автоколебательный мультивибратор.
Схема мультивибратора показана на рисунке 1а. Эта схема по внешнему виду очень похожа на классическую схему мультивибратора на транзисторах. Только здесь в качестве активных элементов применяются микросхемы логических элементов, включаемые инверторами. Для этого входные выводы микросхемы соединяются между собой. Конденсаторы С1 и С2 образуют две цепи положительной обратной связи. Одна цепь — вход элемента DD1.1 — конденсатор С1 — выход элемента DD1.2. Другой со входа элемента DD1.2 через конденсатор С2 на выход элемента DD1.1.
Благодаря этим соединениям цепь самовозбуждается, что приводит к генерации импульсов. Период следования импульсов зависит от номиналов конденсаторов в цепях обратной связи, а также сопротивления резисторов R1 и R2.
На рис. 1б эта же схема нарисована таким образом, что она еще больше похожа на классический вариант мультивибратора на транзисторах.
Рис. 1 Автоколебательный мультивибратор
Электрические импульсы и их характеристики
До сих пор, когда мы знакомились с микросхемой, мы имели дело с постоянным током, т.к. входные сигналы во время экспериментов подавались вручную с помощью проволочной перемычки. В результате на выходе схемы получалось постоянное напряжение низкого или высокого уровня. Такой сигнал носил случайный характер.
В собранной нами схеме мультивибратора выходное напряжение будет импульсным, то есть изменяющимся с определенной частотой ступенчато от низкого уровня к высокому и наоборот. Такой сигнал в радиотехнике называют последовательностью импульсов или просто последовательностью импульсов. На рис. 2 показаны некоторые разновидности электрических импульсов и их параметры.
Участки последовательности импульсов, в которых напряжение принимает высокий уровень, называются импульсами высокого уровня, а напряжение низкого уровня — паузой между импульсами высокого уровня.
Хотя на самом деле все относительно: можно предположить, что импульсы низкие, которые будут включать, например, любой актуатор. Тогда пауза между импульсами будет считаться просто высоким уровнем.
Рис. 2. Последовательности импульсов.
Одним из частных случаев формы импульса является меандр. В этом случае длительность импульса равна длительности паузы. Чтобы оценить отношение длительности импульса, используйте параметр, называемый рабочим циклом. Коэффициент заполнения показывает, во сколько раз период повторения импульсов превышает длительность импульса.
На рис. 2 период следования импульсов обозначен, как и везде, буквой Т, а длительность импульса и время паузы — ti и tp соответственно. В виде математической формулы коэффициент заполнения будет выражаться следующим образом: S = T/ti.
Благодаря такому соотношению скважность импульсов «меандра» равна двум. Термин меандр в данном случае заимствован из строительства и архитектуры: это один из способов кладки кирпича, узор кладки как раз и напоминает указанную последовательность импульсов.
Последовательность меандровых импульсов показана на рисунке 2а.
Величина, обратная коэффициенту заполнения, называется коэффициентом заполнения и обозначается буквой D от английского Duty cycle. Согласно изложенному, D = 1/S.
Зная период следования импульсов, можно определить частоту повторения, которая рассчитывается по формуле F = 1/T.
Начало импульса называется фронт, а конец, соответственно, спада. На рис. 2б показан положительный импульс со скважностью 4. Его фронт начинается с низкого уровня и переходит на высокий. Такой фронт называется положительным или восходящим. Соответственно, спад этого импульса, как видно на картинке, будет отрицательным, падающим.
Для низкоуровневого импульса фронт будет падать, а спад увеличиваться. Эта ситуация показана на рисунке 2c.
После такой небольшой теоретической подготовки можно приступать к экспериментам. Для того чтобы собрать мультивибратор, показанный на рисунке 1, достаточно припаять к уже установленной на макетной плате микросхеме два конденсатора и два резистора.
Для изучения выходных сигналов можно использовать просто вольтметр, желательно стрелочный, а не цифровой. Об этом уже говорилось в предыдущей части статьи.
Конечно, прежде чем включать собранную схему, нужно проверить на наличие замыканий и правильность сборки в соответствии со схемой. При указанных на схеме номиналах конденсаторов и резисторов напряжение на выходе мультивибратора будет изменяться от низкого к высокому не более тридцати раз в минуту. Так, стрелка вольтметра, подключенная, например, к выводу первого элемента, будет колебаться от нуля почти до пяти вольт.
То же самое можно увидеть, если подключить вольтметр к другому выводу: амплитуда и частота отклонений стрелки будут такими же, как и в первом случае. Не зря такой мультивибратор часто называют симметричным.
Если теперь не полениться и подключить параллельно конденсаторам еще один конденсатор такой же емкости, то можно увидеть, что стрелка стала колебаться в два раза медленнее. Частота колебаний уменьшилась вдвое.
Если теперь вместо конденсаторов, как указано на схеме, впаять конденсаторы меньшей емкости, например, на 100 мкФ, то можно заметить просто увеличение частоты. Стрелка прибора будет колебаться гораздо быстрее, но все же ее движения все равно достаточно заметны.
А что будет, если изменить емкость только одного конденсатора? Например, один из конденсаторов оставить емкостью 500 мкФ, а другой заменить на 100 мкФ. Будет заметно увеличение частоты, и, кроме того, стрелка прибора покажет, что изменилось соотношение времени импульсов и пауз. Хотя в этом случае по схеме мультивибратор все же оставался симметричным.
Теперь попробуем уменьшить емкость конденсаторов, например 1…5 мкФ. В этом случае мультивибратор будет генерировать звуковую частоту порядка 500…1000 Гц. Стрелка прибора не сможет реагировать на такую частоту. Он просто будет где-то посередине шкалы, показывающей средний уровень сигнала.
Здесь просто непонятно, идут ли на самом деле импульсы достаточно высокой частоты, или «серый» уровень на выходе микросхемы.
Чтобы различить такой сигнал, необходим осциллограф, который есть не у всех. Поэтому для проверки работы схемы можно подключить наушники через конденсатор 0,1 мкФ и услышать этот сигнал.
Можно попробовать заменить любой из резисторов переменным примерно такого же номинала. Тогда при его вращении частота будет изменяться в определенных пределах, что дает возможность тонкой его настройки. В некоторых случаях это необходимо.
Однако, вопреки сказанному, бывает, что мультивибратор работает нестабильно или вообще не запускается. Причина такого явления кроется в том, что эмиттерный вход микросхем ТТЛ очень критичен к номиналам резисторов, установленных в его цепи. Эта особенность эмиттерного входа обусловлена следующими причинами.
Входной резистор входит в состав одного из плеч мультивибратора. За счет эмиттерного тока на этом резисторе создается напряжение, закрывающее транзистор. Если сопротивление этого резистора сделать в пределах 2…2,5 Ком, падение напряжения на нем будет настолько велико, что транзистор просто перестанет реагировать на входной сигнал.
Если, наоборот, взять сопротивление этого резистора в пределах 500…700 Ом, транзистор будет все время открыт и не будет управляться входными сигналами. Поэтому эти резисторы следует выбирать исходя из этих соображений в диапазоне 800…2200 Ом. Только так можно добиться стабильной работы мультивибратора, собранного по данной схеме.
Тем не менее, на такой мультивибратор влияют такие факторы, как температура, нестабильность блока питания и даже разброс параметров микросхем. Микросхемы разных производителей часто отличаются весьма существенно. Это касается не только 155-й серии, но и других. Поэтому мультивибратор, собранный по такой схеме, используется практически редко.
Трехэлементный мультивибратор
Более стабильная схема мультивибратора показана на рис. 3а. Он состоит из трех логических элементов, включенных, как и в предыдущем, инверторами. Как видно из схемы, в эмиттерных цепях только что упомянутых логических элементов резисторов нет.
Частота колебаний задается только одной RC-цепочкой.
Рисунок 3. Мультивибратор на трех логических элементах.
Работу этого варианта мультивибратора также можно наблюдать с помощью стрелочного устройства, но для наглядности можно собрать индикаторный каскад на светодиоде на этой же плате. Для этого понадобится один транзистор КТ315, два резистора и один светодиод. Диаграмма индикатора представлена на рисунке 3б. Его также можно спаять на макетной плате вместе с мультивибратором.
После включения питания мультивибратор начнет колебаться, о чем свидетельствует вспышка светодиода. При значениях временной цепи, указанных на схеме, частота колебаний составляет около 1 Гц. Чтобы убедиться в этом, достаточно подсчитать количество колебаний за 1 минуту: их должно быть около шестидесяти, что соответствует 1 колебанию в секунду. По определению это ровно 1Гц.
Есть два способа изменить частоту такого мультивибратора. Сначала подключите параллельно конденсатору другой конденсатор такой же емкости.
Вспышки светодиодов стали примерно вдвое реже, что говорит о снижении частоты вдвое.
Другой способ изменить частоту — изменить сопротивление резистора. Проще всего установить на его место переменный резистор номиналом 1,5…1,8 Ом. При вращении этого резистора частота колебаний будет изменяться в пределах 0,5…20 Гц. Максимальная частота получается в положении переменного резистора, когда выводы микросхемы 1 и 8 замкнуты.
Если поменять конденсатор, например, емкостью 1 мкФ, то с помощью того же переменного резистора можно регулировать частоту в пределах 300…10 000 Гц. Это уже частоты звукового диапазона, поэтому индикатор светится непрерывно, невозможно сказать есть импульсы или нет. Поэтому, как и в предыдущем случае, следует использовать наушники, подключенные к выходу через конденсатор 0,1 мкФ. Лучше, если наушники будут высокоомными.
Чтобы рассмотреть принцип работы мультивибратора с тремя элементами, вернемся к его схеме. После включения питания логические элементы примут некоторое состояние не одновременно, какое можно только предположить.
Предположим, что DD1.2 первым находится в состоянии высокого уровня на выходе. С его выхода через незаряженный конденсатор С1 напряжение высокого уровня передается на вход элемента DD1.1, который будет установлен в ноль. На входе элемента DD1.3 высокий уровень, поэтому он также устанавливается равным нулю.
Но такое состояние устройства нестабильно: конденсатор С1 постепенно заряжается через выход элемента DD1.3 и резистор R1, что приводит к постепенному уменьшению напряжения на входе DD1.1. Когда напряжение на входе DD1.1 приблизится к пороговому, оно переключится на единицу, а соответственно элемент DD1.2 на ноль.
В этом состоянии конденсатор С1 через резистор R1 и вывод элемента DD1.2 (в это время его вывод низкий) начинает подзаряжаться от выхода элемента DD1.3. Как только конденсатор зарядится, напряжение на входе элемента DD1.1 превысит пороговый уровень, все элементы перейдут в противоположные состояния. Таким образом, на выходе 8 элемента DD1.3, являющегося выходом мультивибратора, формируются электрические импульсы.
Также импульсы можно снять с вывода 6 DD1.2.
После того, как мы разобрались, как получить импульсы в трехэлементном мультивибраторе, можно попробовать сделать двухэлементный, схему, которая показана на рисунке 4.
Рисунок 4. Мультивибратор на двух логических элементах.
Для этого вывод резистора R1, прямо на схеме, достаточно отпаять от контакта 8 и припаять к выводу 1 элемента DD1.1. выходом устройства будет вывод 6 элемента DD1.2. элемент DD1.3 больше не нужен и может быть отключен, например, для использования в других схемах.
Принцип работы такого генератора импульсов мало чем отличается от только что рассмотренного. Предположим, что на выходе элемента DD1.1 высокий уровень, тогда элемент DD1.2 находится в нулевом состоянии, что позволяет зарядить конденсатор С1 через резистор и выход элемента DD1.2. По мере заряда конденсатора напряжение на входе элемента DD1.1 достигает порогового значения, оба элемента переходят в противоположное состояние. Это позволит перезарядить конденсатор через выходную цепь второго элемента, резистор и входную цепь первого элемента.

«0»
